Multiquip Submersible Pumps Cx400 Users Manual
submersible pumps cx400 Pumps_electric_submersible_clean_water_CX400_PX400_rev_1_manual_DataId_18155_Version_1
cx400 to the manual 51f89fb5-5052-4f89-b557-15f383167d8a
2015-02-09
: Multiquip Multiquip-Submersible-Pumps-Cx400-Users-Manual-558665 multiquip-submersible-pumps-cx400-users-manual-558665 multiquip pdf
Open the PDF directly: View PDF
.
Page Count: 34

OPERATION AND PARTS MANUAL
THIS MANUAL MUST ACCOMPANY THE EQUIPMENT AT ALL TIMES.
To find the latest revision of this
publication, visit our website at:
www.multiquip.com
MODEL CX400/PX400
SUBMERSIBLE PUMPS
Revision #1 (12/03/10)

TABLE OF CONTENTS
CX400/PX400 Submersible
Pump
Table of Contents ..................................................... 2
Parts Ordering Procedures ...................................... 3
Safety Information ................................................ 4-7
Dimensions .............................................................. 8
Specification ............................................................ 9
Performance Curve ................................................. 10
General Information ............................................... 11
Components .......................................................... 12
Direct Power Operation ......................................... 13
Float Switches ....................................................... 14
Float Switches ...........................................................................15
Float Switches (Control Box).................................................................16
Operation ..............................................................................17-20
Maintenance ........................................................................21-23
Troubleshooting .........................................................................24
Control Box (CB3) Wiring Diagram ...................................25
Explanation of Code in Remarks Column.............. 26
Suggested Spare Parts ......................................... 27
Component Drawings
CX400 Pump Assembly .................................... 28-29
PX400 Pump Assembly .................................... 30-31
Terms and Conditions of Sale — Parts ................. 32
NOTICE
Specifications and part numbers are subject to change
without notice.

PARTS ORDERING PROCEDURES
www.multiquip.com
Ordering parts has never been easier!
Choose from three easy options:
When ordering parts, please supply:
❒
❒
❒
❒
❒
❒
❒ Specify Preferred Method of Shipment:
✓ UPS/Fed Ex ✓ DHL
■ Priority One ✓ Truck
■ Ground
■ Next Day
■ Second/Third Day
If you have an MQ Account, to obtain a Username
and Password, E-mail us at: parts@multiquip.
com.
To obtain an MQ Account, contact your
District Sales Manager for more information.
:
Order parts on-line using Multiquip’s SmartEquip website!
■ View Parts Diagrams
■ Order Parts
■ Print Specifi cation Information
Note: Discounts Are Subject To Change
Goto www.multiquip.com and click on
Order Parts to log in and save!
Use the internet and qualify for a
on Standard orders for all orders which include
complete part numbers.*
:
All customers are welcome to order parts via Fax.
1-800-6-PARTS-7 (800-672-7877)
Fax your order in and qualify for a
on Standard orders for all orders which include
complete part numbers.*
1-800-427-1244
International Customers should contact
their local Multiquip Representatives for
Parts Ordering information.
Contact your local Multiquip Dealer for
parts or call 800-427-1244 for help in
locating a dealer near you.
Note: Discounts Are Subject To Change
Effective:
January 1st, 2006
NOTICE
All orders are treated as Standard Orders and will
ship the same day if received prior to 3PM PST.

SAFETY INFORMATION
Do not operate or service the equipment before reading
the entire manual. Safety precautions should be followed
at all times when operating this equipment.
Failure to read and understand the safety
messages and operating instructions could
result in injury to yourself and others.
The four safety messages shown below will inform you
about potential hazards that could injure you or others. The
safety messages specifi cally address the level of exposure
to the operator and are preceded by one of four words:
or
Indicates a hazardous situation which, if not avoided,
result in or
Indicates a hazardous situation which, if not avoided,
result in or
Indicates a hazardous situation which, if not avoided,
result in or
NOTICE
Addresses practices not related to personal injury.
Potential hazards associated with the operation of this
equipment will be referenced with hazard symbols which
may appear throughout this manual in conjunction with
safety messages.
Burn hazards
Symbol Safety Hazard
Electric shock hazards
Rotating parts hazards
Pressurized fluid hazards

SAFETY INFORMATION
operate this equipment without proper protective
clothing, shatterproof glasses, respiratory protection,
hearing protection, steel-toed boots and other protective
devices required by the job or city and state regulations.
Avoid wearing jewelry or loose fi tting clothes that may
snag on the controls or moving parts as this can cause
serious injury.
operate this equipment when not
feeling well due to fatigue, illness or when
under medication.
operate this equipment under the
infl uence of drugs or alcohol.
clear the work area of any debris, tools, etc.
that would constitute a hazard while the equipment is
in operation.
No one other than the operator is to be in the working
area when the equipment is in operation.
use the equipment for any purpose other than
its intended purposes or applications.
NOTICE
This equipment should only be operated by trained and
qualifi ed personnel 18 years of age and older.
Whenever necessary, replace nameplate, operation and
safety decals when they become diffi cult read.
Manufacturer does not assume responsibility for any
accident due to equipment modifi cations. Unauthorized
equipment modifi cation will void all warranties.
use accessories or attachments that are not
recommended by Multiquip for this equipment. Damage
to the equipment and/or injury to user may result.
know the location of the nearest
know the location of the nearest
fi rst aid kit.
know the location of the nearest phone or
keep
a phone on the job site.
Also, know the phone numbers
of the nearest ambulance, doctor and
fi re department.
This information will be invaluable in the case of an
emergency.

SAFETY INFORMATION
operate the equipment in an explosive
atmosphere or near combustible materials. An
explosion or fi re could result causing severe
bodily harm or even death.
Accidental starting can cause severe injury
or death. place the ON/OFF
switch in the OFF position.
place hands or fingers inside
pump when pump is running.
disconnect any emergency or
safety devices. These devices are intended for operator
safety. Disconnection of these devices can cause severe
injury, bodily harm or even death. Disconnection of any
of these devices will void all warranties.
Risk of Electric Shock - This pump has not been
investigated for use in swimming pool or marine areas.
restrict the fl ow of the discharge hose as it may
cause the pump to overheat.
Be careful of discharge hose whipping under pressure.
check pump oil level only when pump is cool.
Expansion due to heat may cause hot oil to spray from
the oil plug when the oil plug is removed. The possibility
of severe scalding may exist.
NOTICE
place the pump in an upright position on a
platform before using. The platform will prevent the pump
from burrowing itself on soft sand or mud.
operate pump on its side.
allow the pump to freeze in water.
leave an open pump chamber unattended.
keep the machine in proper running condition.
attempt to thaw out a frozen pump by using
a torch or other source of fl ame. Application of heat in
this manner may heat the oil in the seal cavity above the
critical point, causing pump damage.
pump water with a temperature greater than
104°F.
pump liquids containing acid or alkali.
check strainer before pumping. Make sure
strainer is not clogged. Remove any large objects, dirt
or debris from the strainer to prevent clogging.
use a large basket strainer when pumping
water that contains large debris.
fl ush pump (clean) after use when pumping
water concentrated with heavy debris. It is very important
to always fl ush the pump before turning it off to prevent
clogging.
Fix damage to machine and replace any broken parts
immediately.
store equipment properly when it is not being
used. Equipment should be stored in a clean, dry location
out of the reach of children and unauthorized personnel.
lubricate components or attempt service on a
running machine.
run pump dry.
allow the machine a proper amount of time to
cool before servicing.
Keep machine in proper running condition.
The electrical voltage required to operate
pump can cause severe injury or even death
through physical contact with live circuits.
disconnect electrical power from
pump before performing maintenance on
pump.
To reduce the risk of electric shock, connect only to a
circuit protected by a Ground-Fault Circuit-Interrupter
(GFCI).

SAFETY INFORMATION
NOTICE
make certain that the voltage supplied to the
pump is correct. Always read the pump’s nameplate to
determine what the power requirements are.
Power Cord/Cable Safety
let power cords or cables lay in water.
stand in water while AC power cord is connected
to a live power source.
use damaged or worn cables or cords. Inspect
for cuts in the insulation.
grab or touch a live power
cord or cable with wet hands. The
possibility exists of electrical shock,
electrocution or death.
Make sure power cables are securely connected to the
motor's output receptacles. Incorrect connections may
cause electrical shock and damage to the motor.
attempt to use the power cord as a lifting or
lowering device for the pump.
NOTICE
make certain that proper power or extension
cord has been selected for the job. See Cable Selection
Chart in this manual.
Grounding Safety
make sure pump is grounded.
use gas piping as an electrical ground.
make sure that electrical circuits are properly
grounded to a suitable earth ground (ground rod) per
the National Electrical Code (NEC) and local codes
before operating generator. Severe injury or death by
electrocution can result from operating an ungrounded
motor.
have a qualifi ed electrician perform the control
box installation. The possibility exists of electrical shock
or electrocution.
NOTICE
mount control box in a vertical position
protected from harsh environmental elements.
When raising or lowering of the pump is required, always
attach an adequate rope or lifting device to the correct
lifting point (handle) on the pump.
NOTICE
lift machine to unnecessary heights.
lift the equipment while the electric motor is
running.
NOTICE
shut down pump before transporting.
tie down equipment during transport by
securing the equipment with rope.
CE
pour waste or oil directly onto
the ground, down a drain or into any water
source.
Contact your country's Department of Public
Works or recycling agency in your area and arrange for
proper disposal of any electrical components, waste or
oil associated with this equipment.
When the life cycle of this equipment is over it is
recommended that the pump casing and all other metal
parts be sent to a recycling center
Metal recycling involves the collection of metal from
discarded products and its transformation into raw
materials to use in manufacturing a new product.
Recyclers and manufacturers alike promote the process
of recycling metal. Using a metal recycling center
promotes energy cost savings.

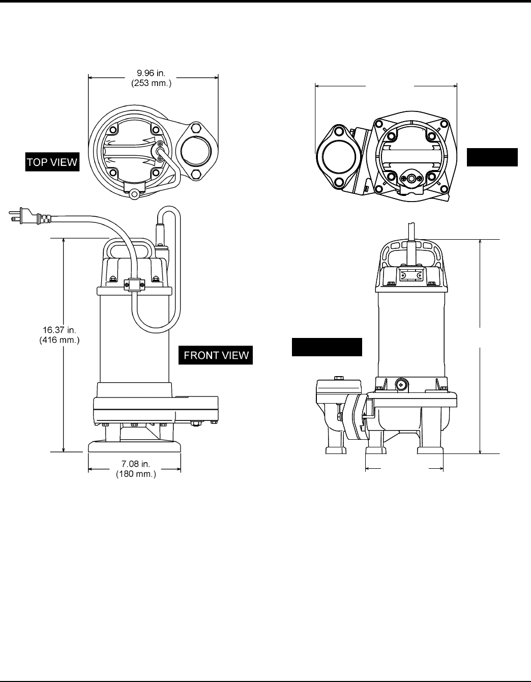
DIMENSIONS
Figure 1. CX400/PX400 Pump Dimensions
9.76 in.
(248 mm.)
FRONT VIEW
14.96 in.
(380 mm.)
6.3 in.
(160 mm.)
TOP VIEW
CX400 PX400

SPECIFICATION
1. – Upon start-up, the pump "kicks" in the opposite direction of motor rotation. The correct rotation is
counterclockwise (CCW) as viewed from the impeller end of the pump.
2. – Use Paraffin P70 oil lubricant. Fill oil cavity 75% to 85% full (allow air space for expansion).
3. - For unattended operation use CB3 Control box (Table 2).
Specifications
Model CX400/PX400
Type Submersible Trash Pump
Motor Type Condenser Start Condenser Drive
Impeller Plastic
Suction & Discharge Size 2 in. (50 mm)
Maximum Pumping Capacity 72 gallons/minute/(273 liters/minute)
Max Head 34 ft. (10.3 meters)
Power 1/2 HP (.37 kw)
Voltage Phase 1Ø 115 V
Starting Amps 35.4 18.4
Running Amps 7 6.2
Control Box Required NO (See Note 3)
Temperature Range 32° - 104°F (0° - 40°C)
Thermal Overload Protection YES
Rotation CCW (See Note 1)
Mechanical Seal Oil Capacity 15.54 in3 (255 cc)
(See Note 2)
10.67 in3 (175 cc)
(See Note 2)
Power Cable Length 19 ft (approximately 6 m)
Dry Net weight 21.4 lb (9.7 kg) 18.3 lb (8.3 kg)
Table 2.
Model
Protection
Capability
CB3 115 VAC, 60 Hz Single Phase YES NO YES

PERFORMANCE CURVE
Figure 2. Pump Performance Curve

GENERAL INFORMATION
The Multiquip Model CX400 and PX400 submersible pumps
are designed to pump water and is used for the draining
(dewatering) of well casings construction sites, coffer dams,
manholes, transformer vaults and excavations.
Its slim design, only 10 inches (25.4 cm.) in diameter allows
it to fit easily inside casings and eliminates the need for
larger, more costly casings. The pump is powered by a 1/2
HP, 115-volt, single-phase motor for easy starting with a
small 2,500-watt generator.
This rugged submersible pump is loaded with features
such as:
- Automatically
shuts off the motor should it reach an unsafe operating
temperature.
- Provides and
convenient and safe location to attach a lifting device.
- Provides added safety
in the event the operator should try lifting the pump from
the electrical cord.
- Provides easy
maintenance and lower repair costs.
- provides positive
lubrication if the pump should be left running dry. This
helps prevent damage in the event the pump is run dry
for short periods of time.
- Abrasion resistance plastic minimizes wear
and extends impeller life.
- High strength plastic design makes
pump a great choice in corrosive environments. Ideal for
use in marine and certain chemical applications.
If the pump was used to pump water containing mud, silt,
use clean water to flush out the pump after each use.
allow the pump to run dry for an extended period
of time, as this will damage the pump. During maintenance,
dry running is permissible but only for a few seconds.
lift the pump by its electrical power cord.
lift the pump by its carrying handle or attach a rope to the
carrying handle.
A pump fully submerged in liquid will not freeze, unless
the liquid freezes. allow a partially submerged
pump to freeze. The expansion of water freezing in the
volute may crack the pump, causing expensive repairs. If
there is any danger of the pump being subjected to freezing
temperatures, Lift the pump from water and allow it to drain
thoroughly.
If the pump jams or the pump rotor locks for any reason,
disconnect the pump from the power source immediately.
Allowing the pump motor to cycle and under an
overload condition can burn out the motor.
When replacement of nuts and bolts is required, use only
recommended parts as referenced in the parts section of
this manual. This pump uses metric threads. use
English measurement threads.

COMPONENTS
Figure 3. Submersible Pump Components
Figure 3 shows the location of the basic components, for
the CX400/PX400 submersible pumps. Listed below is a
brief explanation of each component
1. AC Power Cable – This unit is supplied with a 19 ft.
(approximately 6 m) AC power cable with a grounding-
type plug. Always check the cable for signs of wear.
use a defective power cable.
2. – Always carry the submersible pump
by its handle. carry the pump by its power
cord. Carrying or lifting the pump by the power cord
will cause undue stress on the cord and can ultimately
dislodge the cord from the pump.
3. – This pump is
equipped with a thermal overload protection device
that will shut down the motor in the event of high
operating temperatures. The motor will automatically
restart once the temperature returns to an acceptable
operating temperature.
4. Mechanical Seal – The hydraulic oil in the pump cavity
is designed to provide cooling for the pump seal. This
SUBMERSIBLE
PUMP
1
2
6
3
8
7
4
5
allows the pump to run dry for a limited period of time
5. – Connect a 2-inch hose to this port.
Remember to adequately support the discharge hose
to avoid stress on the pump.
6. – Remove this plug to check
and add lubrication oil (Paraffin P70 lubricant) to the oil
cavity. This oil protects the mechanical seal. Oil cavity
should be full enough to cover seal spring.
7. – Impellers are constructed of
abrasion-resistant plastic to minimizes wear and
prolong service life.
8. Electric Motor – These submersible pumps utilize a
60 Hz, single-phase, 115 VAC, 1/2 HP electric motor.
Consult with a licensed electrician before connecting
motor to a power source and control boxes. Observe
all city and local safety codes.

DIRECT POWER OPERATION
The CX400/PX400 submersible pumps can be configured to operate by direct power (Figure 4) or connected to a control
box (Figure 10) utilizing float switches. When the pump is connected directly to a 1Ø, 115 VAC, 60 Hz power source, the
pump will operate soon as power is applied. It is suggested that a quick disconnect switch be installed as a means of
turning the power on and off.
When operating the pump using direct power (no control box), the pump must be monitored at all times. Failure to monitor
the pump during operation could lead to severe pump damage should the pump encounter problems such as a stuck
impeller or not fully immersed in water.
Figure 4. Direct Power Application.
LIFTING
ROPE
2-INCH
DISCHARGE
HOSE
SUPPORT
PLATFORM
CARRYING
HANDLE
POWER
CORD
115 VAC
POWER
PLUG
GREEN
BLACK
EXTERNAL
1Ø 115 VAC, 60 Hz
POWER SOURCE
CIRCUIT
BREAKER
L
N
WHITE
GND. BUS
SUBMERSIBLE
PUMP

FLOAT SWITCHES
Mechanically activated float switches offer a reliable low
current control for dewatering applications.
The mechanical float switch control will turn ON (close)
when the float tips 45° above -horizontal, indicating a high
level, and turns OFF (opens) when the float switch drops
45° below horizontal. Reference Figure 6 and Figure 7.
Maximum pumping range is 120 degrees. See Figure 5
below.
Figure 5. Pumping Range (Float Switch)
The pumping range of the pump is determined by the float
switch tether cord. Use Table 3 as guide line to determine
your required pumping range. Pumping ranges are based
on non-turbulent conditions. Range may vary due to water
temperature and cord shape. Please note as the tether
length increases, so does the variance of the pumping
range.
PUMP
ON
60
60
120
PUMP
OFF
SUBMERSIBLE
PUMP
2 in.
5.08 cm.
4 in.
10.16 cm.
6 in.
15.24 cm.
8 in.
20.32 cm.
10 in.
25.4 cm.
12 in.
30.48 cm.
14 in.
35.56 cm.
16 in.
40.46 cm.
6 in.
15.24 cm.
10 in.
25.4 cm.
14 in.
35.56 cm.
18 in.
45.72 cm.
22 in.
55.88 cm.
27 in.
68.58 cm.
31 in.
78.74 cm.
35 in.
88.9 cm.
Float switch housings are constructed of high-impact,
corrosion resistant polypropylene with mechanically
activated, snap action contacts.
Suitable for most liquid environments.
Hermetically sealed.
Thick-walled non-corrosive PVC plastic enclosure.
Pressure tested to 30 ft. (9 meters).
Standard SJO, 16-gauge, 2 conductor cord (20 ft./6.09 m).
Figure 6. Float Switch (Closed)
Figure 7. Float Switch (Open)
ON/OFF
RAMP
STEEL
BALL
CONTACTS
CLOSED
ON/OFF
RAMP
STEEL
BALL
CONTACTS
OPEN

For unattended operation of the submersible pump two float swith methods can be used single or dual. The single float
switch (Model SW1A) will allow the pump to turn on and off depending on the length of the tether. When using the dual
float switch (Model SW2A) method the pump will turn on or off at a pre-determined water level. This water level is set by
the length of the tether.
NOTICE
Single float switch, Model SW1A has a pumping range
between 5.5~18 in. (14~46 cm.). Dual float switch has
a pumping range between 1~ 48 in (2.54~122 cm.)
FLOAT SWITCHES
1. Determine the required cord tether length as shown
in Figure 5 and Table 3.
2. Place the cord into the clamp as shown in Figure 8
and Figure 9
3. Secure the clamp to the discharge hose as shown in
Figure 8. install cord under hose clamp.
4. Using a screwdriver, tighten the hose clamp.
over- tighten. Make sure the float cord is not allowed
to touch the excess hose clamp band during operation.
Figure 8. Single Float Switch Application
PUMP
AC POWER
CABLE
PUMPING
RANGE
SINGLE
FLOAT SWITCH
APPLICATION
MODEL SW1A
3.5 in. (9 cm.)
MINIMUM
TETHER
LENGTH
PUMP
ON
PUMP
OFF
GREEN
BLACK
EXTERNAL
1Ø 115 VAC, 60 Hz
POWER SOURCE
CIRCUIT
BREAKER
L
N
WHITE
GND. BUS
DISCHARGE
HOSE
SUBMERSIBLE
PUMP
INPUT POWER
TO CONTROL BOX
FLOAT SWITCH
CABLE
PIGGGY-BACK
PLUG
PUMP
AC POWER
CABLE
PUMPING
RANGE
DUAL
FLOAT SWITCH
APPLICATION
MODEL SW2A
3.5 in. (9 cm.)
MINIMUM
TETHER
LENGTH
PUMP
OFF
PUMP
ON
GREEN
BLACK
EXTERNAL
1Ø 115 VAC, 60 Hz
POWER SOURCE
CIRCUIT
BREAKER
L
N
WHITE
GND. BUS
DISCHARGE
HOSE
SUBMERSIBLE
PUMP
FLOAT SWITCH
CABLE
PIGGGY-BACK
PLUG
GRAY
BLACK
Figure 9. Dual Float Switch Application

FLOAT SWITCHES (CONTROL BOX)
For special remote pumping applications of the submersible pump, a control box (Model CB3) is required. This water
resistant control box (Figure 10) provides watertight housing and glands to prevent water from leaking into the box, and a
float switch interface. The CB3 control box will require the use of two SW-1WOPA float switches, no plug, bare wires for
direct connection to the control box. Reference Figure 23 for a schematic reprensentation of the control box.
Figure 10. CB3 Control Box Dual Float Switch Application Diagram
COIL
WHITE
BLACK
WHITE
BLACK
POWER
“ON”
LAMP
OPERATION
SWITCH
WHITE
BLACK
AUTO
OFF
MANUAL
N
L
T2
T1
CONTACTOR
START FLOAT
SWITCH. CONNECT
TO TERMINALS AS SHOWN
SECURE FLOAT SWITCH
WIRES TO PUMP
DISCHARGE HOSE
STOP FLOAT
SWITCH. CONNECT
TO TERMINALS AS SHOWN
PUMPING
RANGE
GREEN
(CHASSIS
GROUND)
GFCI
RECEPTACLE
EXTERNAL
SINGLE-PHASE
(115 VAC)
POWER SOURCE
JUMPER
GND.
PUMP
POWER
CORD
FLOAT
SWITCH
CORD AC
POWER
CORD
CB3
CONTROL BOX
DUAL FLOAT
SWITCH APPLICATION
GRAY
BLACK
1
2
3
4
5
6
7
8
START
FLOAT
SWITCH
BLACK
WHITE
STOP
FLOAT
SWITCH
WHITE
BLACK
BLACK
SUBMERSIBLE
PUMP
WARNING
CONTROL BOX INSTALLATION IS TO BE
PERFORMED BY A LICENSED ELECTRICIAN
OR QUALIFIED PERSONNEL.
THE POSSIBILITY OF ELECTRICAL SHOCK
OR ELECTROCUTION EXISTS, WHICH COULD
CAUSE SEVERE BODILY HARM EVEN DEATH!.
TB1
AB
WHITE
BLACK

1. Connect a 2-inch hose to the discharge port on the
pump as shown in Figure 11. Make sure that hose is
attached correctly to the discharge port.
1. Attach a suitable lifting cable (rope) to the carrying
handle (Figure 11) on the pump and lower the pump
into place. For applications where there is an excessive
amount of mud, grit or silt, the use of a support platform
is desirable. When pumping water from swimming pool
type applications where there is little or no debris, the
support platform is not required.
Figure 11. Submersible Pump
Upright Position (Correct)
2. Make sure the pump is always placed in an upright
position (Figure 11, and not tilted (Figure 12). Never
position the pump directly on a soft, loose bottom.
Remember to attain maximum pumping capacity and
prevent excessive wear. Position the pump so it will
not burrow itself into sand or clay.
LIFTING
ROPE
2-INCH
DISCHARGE
HOSE
SUPPORT
PLATFORM
CARRYING
HANDLE
POWER
CORD
115 VAC
POWER
PLUG
GREEN
BLACK
EXTERNAL
1Ø 115 V
AC, 60 Hz
POWER
SOURCE
CIRCUIT
BREAKER
L
N
WHITE
GND.
BUS
SUBMERSIBLE
PUMP
OPERATION
Figure 12. Submersible Pump
Tilted Position (Incorrect)
1. Make sure circuit breaker supplying power to pump
motor is in the position.
2. Insert the power cable plug (Figure 11) into the
appropriate power source receptable. The correct
source voltage for this pump is 115 VAC, 60 Hz,
single-phase.
3. If all of the pump's electrical requirements have been
met, place the circuit breaker or power ON/OFF switch
in the position.
4. Wait a few seconds and water should begin to flow
from the discharge hose.
5. If water is not flowing from the discharge hose or not
flowing freely after a few minutes, place the circuit
breaker or ON/OFF switch in the position and
check the system for leaks.
SUBMERSIBLE
PUMP
NOTICE
When connecting the pump directly to a power source
(no control box), it is recommeded that personnel
monitor the pump while in operation. Severe pump
damge can occur if left unattended.
For unattended operation Multiquip recommends the
use of the CB3 control box.

OPERATION
The following procedure outlines the steps for connecting
the pump to a control box.
Mount the control box in an upright vertical position.
Make sure the control box is securely fastened to a flat
surface, that is free of dust, dirt, moisture or any elements
that may contaminate or erode the electronic components
of the control box.
The CX400 and PX400 submersible
pumps are also designed to work with
a control box.This control box contains
the necessary electronics (float switch
connections) to operate the pump.
Remember this control box contains hazardous
voltages. Disconnect all sources of power before
installing or servicing. There exists the possibility of
electrocution, electric shock or burn, which can cause
severe bodily harm or even death!
When installing the control box, the
possibility exists of electrical shock,
electrocution and possibly death!
have untrained personnel perform the
installation. have qualified
service personnel (licensed electrician) perform the
installation.
Explosion or Fire Hazard exists if this pump
is used with flammable liquids. use
this pump with flammable liquids.
install this pump in hazardous locations as
defined by the National Electrical Code,
ANSI/NFPA 70.
The CX400/PX400 submersible pumps require 1Ø, 115
VAC, 60 Hz, power for normal operation.
If you cannot determine what your pump's power
requirements are, look at the vendor supplied identification
name tag attached to the pump or contact Multiquip's
service department.
When routing the 115 VAC, 60 Hz., single phase power via
a power cord to the control box, use the correct
wire size. Please refer to Table 4 to determine the correct
wire size. Incorrect wire size can adversely affect the
performance of the pump and may ultimately burn-out the
pump motor.
NOTICE
Applying incorrect power (voltage or voltage phase)
to the submersible pump can cause severe damage
to the pump motor. Please make sure that the correct
voltage and phase are connected to the pump motor
at all times.
Table 4.
and Wire Size
AMPS
6 16 AWG 16 AWG 14 AWG
8 16 AWG 14 AWG 12 AWG
10 16 AWG 14 AWG 12 AWG
12 14 AWG 14 AWG 12 AWG
14 14 AWG 12 AWG 10 AWG
16 12 AWG 12 AWG 10 AWG

1. Remove the float switch input connector housing, then
route the float switch wires through the cable gland on
the control box. Attach the wires of the float switch to
the terminal block as indicated by Table 5 and Figure 10.
2. Tighten the connector housing to ensure a tight fit
between the cord and the connector body. This will
prevent the cable from pulling out of the terminal block
and also prevent moisture from entering the control
box.
3. Determine the tether length of the float switch wires
then secure float switch wires to pump discharge hose.
See Figure 8 or Figure 9 and Table 3 to determine the
pumping range.
1. The AC input power cord (not included) should have
three wires. Each wire is color coded. The colors are
, and .
2. Remove the AC input connector housing from the
control box, then route the power cord through the
cable gland on the control box.
3. Connect the AC input power cord to the contactor
located inside the control box as shown in Figure 10,
and Table 6.
Table 5.
Switch
Terminal
Wire
Color
Start TB1-A1
TB1-A2
Black
White
Stop TB1-B8
TB1-B7
Black
White
Table 6.
Connections
Wire Color Contactor.
BLACK L1
WHITE L2
GREEN GROUND
OPERATION
4. Connect the other end of the AC power cord to the
voltage source. Remember to provide a means of
disconnecting the power from the control box (circuit
breaker or quick disconnect switch). Also make sure
to provide a good earth ground to the control box
Connecting AC Power to the Pump Motor
1. AC power is routed to the pump motor via a contactor.
The coil of the contactor is energized or de-energized
by the opening and closing of the float switch contacts.
2. The power cord (included with pump) should have three
wires. Each wire is color coded. The colors are ,
and .
3. Remove the pump AC input connector housing from
the control box, then route the power cord through the
cable gland on the control box.
4. Connect pump power cord to the contactor as shown
in Figure 10, and Table 7.
NOTICE
It is recommended that the power being supplied to the
control box be connected to a circuit breaker
or a quick disconnect switch. This safety feature
allows for quick removal of power from the control box
in the event of an emergency.
Connections To Pump
Wire Color
BLACK T1
WHITE T2
GREEN Ground

OPERATION
If all of the pump's electrical requirements have been met,
place the circuit breaker or power ON/OFF switch in the
position.
The CB3 control box has an operation switch located on the
front cover. This switch has 3 positions, ,
and . The position allows the pump to run in
an un-attended mode.
The position will let the pump run without the float
switches controlling the pump. When in the manual mode
be careful not to let the pump run dry. Severe damage to
the pump may occur if it is allowed to run dry. let
the pump run dry.
1. For manual operation of the pump, place the 3-position
operation switch (Figure Figure 13) on the control box
in the position.
Figure 13. Manual-Off-On SW. (Man. Position)
2. The AC power indicator lamp (Figure 14) should be lit
().
Figure 14. AC Power Indicator Lamp (ON)
3. Wait a few seconds and water should begin to flow
from the discharge hose.
4. If water is not flowing from the discharge hose or not
flowing freely after a few minutes, remove the power
from the pump and check the system for leaks.
5. To stop the pump from pumping, place the operation
switch in the position.
ON
1. For unattended operation of the pump, place the
operation switch (Figure 15) in the position.
Figure 15. Manual-Off-On SW. (AUTO Position)
2. In the mode the pump will run as long as there
is a sufficient amount of water for the start float switch
to be activated. This water level is determined by the
setting of the float switches.
The stop float switch contacts will open when the
water level is low and power will be removed from the
pump's motor.
3. Once the water level has risen back to the appropriate
level the start float switch contacts will close and power
will be restored to the pump's motor.
1. Place the 3-position operation switch on the control
box in the position (Figure 16).
Figure 16. Manual-Off-On SW. (OFF Position)
2. Verify that the control box power ON light is .
3. Remove the power from the pump by turning off the
circuit breaker or switch that provides power to the
pump. Remember to make sure that hands are dry (not
wet), and feet are not standing in water when removing
or disconnecting power from the pump.
4. Using the lifting rope, lift the pump up from its current
position. Remove the discharge hose from the
discharge port on the pump.
5. Remove all power cables and float switches from
the control box. Place cables and float switches in a
suitable container where they will not get damaged.

MAINTENANCE
Cleanup
1. Wipe off any mud or debris that might have attached
itself to the pump.
2. If the pump was used to pump mud, grit or silt, flush
vigorously with clean water.
3. Store pump in a clean dry place away from dirt and
debris.
To check the lubrication oil level of the mechanical seal
perform the following:
Checking Lubrication Oil Level (2,000 hours/6 months)
1. Lay pump flat on its side (PX400 only) as shown in
Figure 17.
Figure 17. Checking Lubrication Oil Level
2. Using a screwdriver, remove oil plug.
3. Visually inspect oil plug hole to verify that oil cavity is
full enough to cover seal spring.
4. When reinstalling oil plug, apply teflon tape to prevent
leaking.
REMOVE
PACKING
REMOVE
OIL
PLUG
LAY PUMP FLAT
ON ITS SIDE
SUBMERSIBLE
PUMP
PX400
NOTICE
Refer to Figure 21 for the location of oil plug. for
the CX400 submersible pump. Pump must be dis-
assembled to gain access to oil plug. When adding oil
to the CX400 pump, pump must be turned upside down.
Changing Lubrication Oil (4,000 hours/12 months)
1. If lubrication oil level is low, block the oil fill opening
with a finger and lay pump on its side (Figure 18) to
drain oil into a small container.
Figure 18. Draining Lubrication Oil
2. Use a funnel (Figure 19) and fill oil cavity with Fluid
Paraffin P70 lubrication oil or equavalent. Pump oil
cavity capacity is 175 cc. Fill to 75-80% capacity to
allow for expansion. Replace lubrication oil every 12
months (4,000 hours) or as needed.
Figure 19. Adding Lubrication Oil

Inspecting Lubrication Oil (Mechanical Seal)
1. Block the oil fill opening with a finger and roll pump to
one side to drain (Figure 18) oil into a small transparent
container.
2. If oil is cloudy (milky) or has water in it, indicates
that mechanical seal is defective or worn. Replace
mechanical seal.
Reference the following procedure and Figure 20 for the
removal of the impeller and mechanical seal.
1. Remove the 4 bolts, nuts and washers that secure,
casing cover to the casing..
Figure 20. Mechanical Seal Impeller
Removal (PX400)
2. Remove any debris that may have accumulated on
the impeller.
3. If replacement of the impeller is required, remove
impeller screw and washer.
4. Slide mechanical seal from casing cover cavity and
replace with new one.
5. Replace o-ring, impeller washer and conical lock
washer if necessary.
6. Reassemble in reverse order.
REMOVE BOLTS
4 PLACES
MECHANICAL
SEAL
IMPELLER
IMPELLER
SCREW
REMOVE NUTS
4 PLACES
CASING
O-RING IMPELLER
WASHER
CONICAL LOCK
WASHER
CASING
COVER
MAINTENANCE
Reference the following procedure and Figure 21 for the
removal of the impeller and mechanical seal.
1. Remove the bolts securing the casing cover to the
casing .
Figure 21. Mechanical Seal Impeller
Removal (CX400)
2. Remove any debris that may have accumulated on
the impeller.
3. If replacement of the impeller is required, remove
impeller nut and washer.
4. Slide mechanical seal from casing cover cavity and
replace with new one.
5. Replace o-ring, impeller washer and washers, gaskets,
oil seal and any other pump components if necessary.
6. Reassemble in reverse order.

MAINTENANCE
Why perform electrical insulation testing?
Electrical insulation starts to age as soon as it's made.
Harsh environments, especially those with extreme
temperature changes and/or chemical contamination,
cause further deterioration of the insulation (power cord).
As a result, personnel safety (electrocution/shock) and
power reliability can suffer resulting in higher operating
cost and maintenance.
What is Insulation Resistance Testing
Insulation resistance testing applies a regulated stabilized
high voltage (Figure 22), typically 500 VDC or greater
across a dielectric (power cord). Measuring the amount of
leakage current flowing through the dielectric will yeild a
resistive measurement in megohms.
Insulating Material Testing
To verify the integrity of the pump's insulating material
(power cable) it will be necessary to perform an electrical
insulation test. Any electrical insulation must have the
opposite characteristic as the conductor: it should resist
the flow of current, keeping it within the conductor.
To measure the IR (current x resistance), the use of an IR
tester must be employed. This IR tester is a portable device
that is a resistance meter (ohmmeter) with a built in DC
generator that develops a high DC voltage.
The high DC voltage from the IR tester is usually 500 VDC
or more. This voltage, when applied causes a small current
to flow through and over the insulation's surfaces. The tester
provides a direct reading of IR in megohms.
A high resistance reading would indicate a "good"
insulation, meaning very little current is escaping through
the insulation. While a relatively low resistance reading
would indicate poor insulation, meaning a significant
amount of current may be leaking through and along the
insulation.
Figure 22. Insulation Tester Application
NOTICE
Insulation resistance is moisture and temperature
sensitive. When temperature increases, insulation
resistance decreases, and vice versa.
When performing this test measurement, perfom the
test using the same test parameters as used in the
initial testing.
V
OFF
20M
MEGGER™
SET
UP
M
K
GROUND
PIN
POWER CABLE
INSULATION
500 VDC INSULATION
TEST METER
SUBMERSIBLE
PUMP
PX400
Read and follow the manufacturer's users
manual prior to operating insulation tester
(megaohm meter). This meter generates
a test voltage of 500 volts or greater. Only
qualified and trained personnel should
use this equipment. The possibility exists of severe
electrical shock, electrocution even death!, when
using insulation tester.

TROUBLESHOOTING
Table 8. Pump Troubleshooting
Pump Fails To Start
Incorrect voltage/amps?
Check that proper voltage (115 VAC, 60 Hz, single-
phase) is being supplied to the pump. Also check that
there is an adequate amount of current (amps) to run
the pump. Check power source circuit breaker.
Check electrical connec-
tions?
If using float switches check wiring, inspect power
cord.
Blown power fuse or tripped
circuit breaker?
Replace fuse check circuit breaker, check cause of
blown fuse or tripped breaker.
Impeller locked? Disconnect power cord and check for clogging. Un-
clog pump. Check overload protection device.
Wet motor windings?
Use multimeter to check motor insulation. Insulation
resistance must be approximately 15 megaohms. If
resistance is low, disassemble pump motor and bake
windings to dry them.
Defective motor and pump
bearings?
Check for excessive bearing wear, if worn replace
bearings. Replace motor if defective.
Pump Fails to Deliver Full
Output
Twisted or restricted dis-
charge hose? Lay hose flat un-kinked. Remove clog from hose line.
Clogged impeller? Clean impeller.
Low voltage?
Use a voltmeter to check voltage while pump is
energized. Voltage must be within ±10%. Check
power source (no load and load). If an extension cord
is used, make sure it has adequate current-carrying
capacity for the required length.See Table 4.
Impeller worn? Replace impeller.
Water in Mechanical
Seal Oil
Defective mechanical seal? Replace mechanical seal.
Loose Oil Fill Plug? Tighten securely. Apply teflon tape.

CB3 CONTROL BOX WIRING DIAGRAM
LEAD WIRES
AC POWER CORD
U
V
BLACK (LINE)
WHITE (NEUTRAL)
GREEN (GROUND)
CAPACITOR
MAIN
COIL
AUXILIARY
COIL
CENTRIFUGAL
SWITCH
COIL
L1
T1
1
2
3
4
5
6
7
8
STOP
FLOAT
SWITCH
(LOW)
T2
PUMP
POWER
CORD
CHASSIS
GND.
BLACK
BLACK
POWER
ON
LAMP
BLACK
WHITE
BLACK
CONTACTOR
L2
EXTERNAL 1-PHASE
(115 VAC, 60 Hz.)
POWER SOURCE
CIRCUIT
BREAKER
WHITE
BLACK
L
GROUND
N
GREEN
OFF
MANUAL
AUTO
OPERATION SWITCH
WHITE
GND
BLACK
BLACK
INPUT
POWER
CORD
GREEN
WHITE
START
FLOAT
SWITCH
(HIGH)
WHITE
BLACK
CB3 CONTROL BOX WIRING DIAGRAM
115 VAC, 60 Hz. ELECTRIC MOTOR
WIRING DIAGRAM
BLACK
CHASSIS
GND.
BLACK
TB1
A B WARNING
CONTROL BOX INSTALLATION IS TO BE
PERFORMED BY A LICENSED ELECTRICIAN
OR QUALIFIED PERSONNEL.
THE POSSIBILITY OF ELECTRICAL SHOCK
OR ELECTROCUTION EXISTS, WHICH COULD
CAUSE SEVERE BODILY HARM EVEN DEATH!.
SUBMERSIBLE
PUMP
PX400
BLK
WHT
GREEN
Figure 23. CB3 Wiring Diagram

EXPLANATION OF CODE IN REMARKS COLUMN
The following section explains the different symbols and
remarks used in the Parts section of this manual. Use the
help numbers found on the back page of the manual if there
are any questions.
1 12345 BOLT .....................1 .....INCLUDES ITEMS W/%
2% WASHER, 1/4 IN. ..........NOT SOLD SEPARATELY
2% 12347 WASHER, 3/8 IN. ..1 .....MQ-45T ONLY
3 12348 HOSE ..................A/R ...MAKE LOCALLY
4 12349 BEARING ..............1 .....S/N 2345B AND ABOVE
Unique Symbols — All items with same unique
symbol
(@, #, +, %, or >) in the number column belong to the
same assembly or kit, which is indicated by a note in the
“Remarks” column.
— Duplicate numbers indicate
multiple part numbers, which are in effect for the same
general item, such as different size saw blade guards in
use or a part that has been updated on newer versions
of the same machine.
— Part numbers can be indicated by a
number, a blank entry, or TBD.
TBD (To Be Determined) is generally used to show a
part that has not been assigned a formal part number
at the time of publication.
A blank entry generally indicates that the item is not sold
separately or is not sold by Multiquip. Other entries will
be clarifi ed in the “Remarks” Column.
NOTICE
The contents and part numbers listed in the parts
section are subject to change without notice. Multiquip
does not guarantee the availability of the parts listed.
NOTICE
When ordering a part that has more than one item
number listed, check the remarks column for help in
determining the proper part to order.
— Item quantity can be indicated by a
number, a blank entry, or A/R.
A/R (As Required) is generally used for hoses or other
parts that are sold in bulk and cut to length.
A blank entry generally indicates that the item is not sold
separately. Other entries will be clarifi ed in the “Remarks”
Column.
Column
Some of the most common notes found in the “Remarks”
Column are listed below. Other additional notes needed
to describe the item can also be shown.
— All items on the parts list with the
same unique symbol will be included when this item is
purchased.
Indicated by:
“INCLUDES ITEMS W/(unique symbol)”
— Used to list an effective serial
number range where a particular part is used.
Indicated by:
“S/N XXXXX AND BELOW”
“S/N XXXX AND ABOVE”
“S/N XXXX TO S/N XXX”
— Indicates that the part
is used only with the specifi c model number or model
number variant listed. It can also be used to show a
part is NOT used on a specifi c model or model number
variant.
Indicated by:
“XXXXX ONLY”
“NOT USED ON XXXX”
— Indicates that the part can
be purchased at any hardware shop or made out of
available items. Examples include battery cables, shims,
and certain washers and nuts.
— Indicates that an item cannot
be purchased as a separate item and is either part of an
assembly/kit that can be purchased, or is not available
for sale through Multiquip.

SUGGESTED SPARE PARTS
1 ...........020CX400120 ....... AC CORD WITH GLAND CX400
1............020CX400060 ....... MECHANICAL SEAL CX400
1 ...........020PX400120 ....... AC CORD WITH GLAND PX400
1............020PX400060 ....... MECHANICAL SEAL PX400
NOTICE
Part numbers on this Suggested Spare Parts list may
supersede/replace the part numbers shown in the
following parts lists.

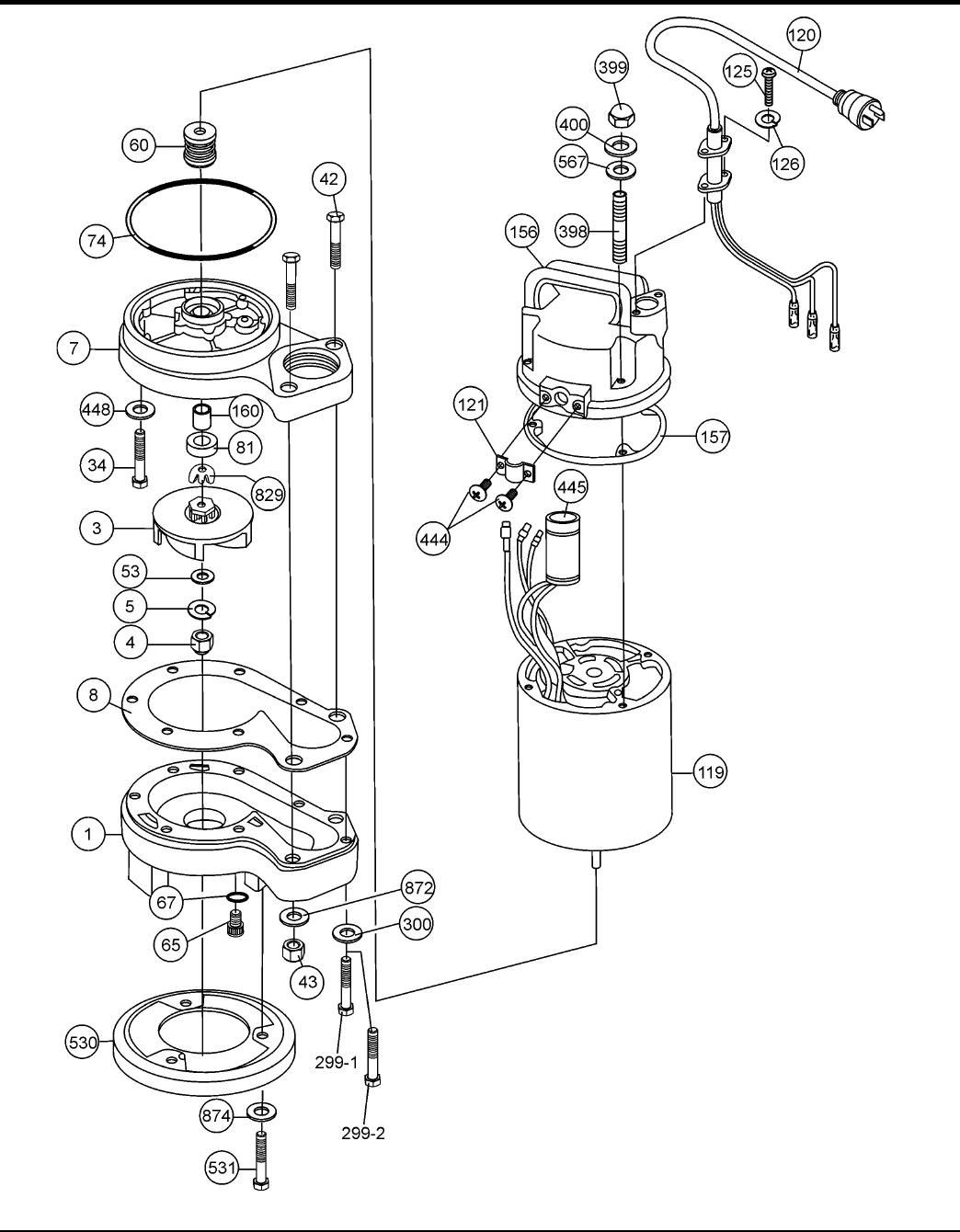
CX400 PUMP ASSY.

1 020CX400001 CASING 1
3 020CX400003 IMPELLER 1
4 020CX400004 IMPELLER NUT 1
5 020CX400005 WASHER, LOCK 1
7 020CX400007 CASING COVER 1
8 020CX400008 CASING PACKING 1
34 020CX400034 SCREW 3
42 020CX400042 BOLT 2
43 020CX400043 NUT 2
53 020CX400043 LOCK WASHER 1
60 020CX400060 MECHANICAL SEAL 1
65 020CX400065 OIL PLUG SCREW 1
67 020CX400067 O-RING 1
74 020CX400074 CASING COVER PACKING 1
81 020CX400081 OIL SEAL 1
119 020CX400119 MOTOR 1
120 020CX400120 AC CORD 1
121 020CX400121 BAND 1
125 020CX400125 SCREW 4
126 020CX400126 WASHER, LOCK 2
156 020CX400156 HEAD COVER 1
157 020CX400157 HEAD COVER PACKING 1
160 020CX400160 SLEEVE 1
299-1 020CX400299A BOLT 5
299-2 020CX400299B BOLT 2
300 020CX400300 WASHER, FLAT 7
398 020CX400398 STUD BOLT 4
399 020CX400399 NUT 4
400 020CX400400 WASHER 4
444 020CX400444 SCREW 2
445 020CX400445 CAPACITOR 1
448 020CX400448 PACKING 6
530 020CX400530 BOTTOM PLATE 1
531 020CX400531 BOLT 3
567 020CX400567 WASHER, FLAT 4
829 020CX400829 WASHER 2
872 020CX400872 WASHER, FLAT 2
874 020CX400874 WASHER, FLAT 3
CX400 PUMP ASSY.

PX400 PUMP ASSY.

PX400 PUMP ASSY.
1 020PX400001 CASING 1
3 020PX400003 IMPELLER 1
7 020PX400007 CASING COVER 1
8 020PX400008 O-RING 1
23 0020PX40023 COMPANION FLANGE 1
24 020PX400024 PACKING 1
34 020PX400034 SCREW 4
42 020PX400042 BOLT 2
43 020PX400043 NUT 2
53 020PX400053 WASHER 1
60 020PX400060 MECHANICAL SEAL 1
65 020PX400065 OIL PLUG SCREW 1
67 020PX400067 PACKING 1
74 020PX400074 PACKING 1
102 020PX400102 DISCHARGE PORT 1
103 020PX400103 PACKING 1
104 020PX400104 BOLT 2
106 020PX400106 CUSHION, RUBBER 4
107 020PX400107 SCREW 4
119 020PX400119 MOTOR 1
120 020PX400120 AC CORD 1
125 020PX400125 SCREW 2
260 020PX400260 WASHER, LOCK 2
263 020PX400263 WASHER 2
299 020PX400299 BOLT 4
300 020PX400300 WASHER 4
321 020PX400321 NUT 4
333 020PX400333 SCREW 1
431 020PX400431 NUT 2
448 020PX400448 O-RING 4
829 020PX400829 CONICAL LOCK WASHER 1
872 020PX400872 WASHER 2
918 020PX400918 STIR IMPELLER 1

TERMS AND CONDITIONS OF SALE — PARTS
Terms of payment for parts are net 30 days.
All parts orders will be shipped collect or
prepaid with the charges added to the invoice.
All shipments are F.O.B. point of origin.
Multiquip’s responsibility ceases when a
signed manifest has been obtained from the
carrier, and any claim for shortage or damage
must be settled between the consignee and
the carrier.
The minimum charge for orders from Multiquip
is $15.00 net. Customers will be asked for
instructions regarding handling of orders not
meeting this requirement.
Return shipments will be accepted and
credit will be allowed, subject to the following
provisions:
1. A Returned Material Authorization
must be approved by Multiquip prior to
shipment.
2. To obtain a Return Material Authorization,
a list must be provided to Multiquip
Parts Sales that defi nes item numbers,
quantities, and descriptions of the items
to be returned.
a. The parts numbers and descriptions
must match the current parts price
list.
b. The list must be typed or computer
generated.
c. The list must state the reason(s)
for the return.
d. The list must reference the sales
order ( s) or invoi ce ( s) un der
which the items were originally
purchased.
e. The list must include the name
and phone number of the person
requesting the RMA.
3. A copy of the Return Material Authorization
must accompany the return shipment.
4. Freight is at the sender’s expense. All
parts must be returned freight prepaid to
Multiquip’s designated receiving point.
5. Parts must be in new and resalable
condition, in the original Multiquip
package (if any), and with Multiquip part
numbers clearly marked.
6. The following items are not returnable:
a. Obsolete parts. (If an item is in the
price book and shows as being
replaced by another item, it is
obsolete.)
b. Any parts with a limited shelf life
(such as gaskets, seals, “O” rings,
and other rubber parts) that were
purchased more than six months
prior to the return date.
c. Any line item with an extended
dealer net price of less than
$5.00.
d. Special order items.
e. Electrical components.
f. Paint, chemicals, and lubricants.
g. Decals and paper products.
h. Items purchased in kits.
7. The sender will be notifi ed of any material
received that is not acceptable.
8. Such material will be held for five
working days from notifi cation, pending
instructions. If a reply is not received
within five days, the material will be
returned to the sender at his expense.
9. Credit on returned parts will be issued
at dealer net price at time of the original
purchase, less a 15% restocking
charge.
10. In cases where an item is accepted, for
which the original purchase document
can not be determined, the price will be
based on the list price that was effective
twelve months prior to the RMA date.
11. Credit issued will be applied to future
purchases only.
Prices are subject to change without prior
notice. Price changes are effective on a
specifi c date and all orders received on or
after that date will be billed at the revised price.
Rebates for price declines and added charges
for price increases will not be made for stock
on hand at the time of any price change.
Multiquip reserves the right to quote and
sell direct to Government agencies, and to
Original Equipment Manufacturer accounts
who use our products as integral parts of their
own products.
A $35.00 surcharge will be added to the
invoice for special handling including bus
shipments, insured parcel post or in cases
where Multiquip must personally deliver the
parts to the carrier.
Multiquip shall not be liable hereunder for
damages in excess of the purchase price of
the item with respect to which damages are
claimed, and in no event shall Multiquip be
liable for loss of profi t or good will or for any
other special, consequential or incidental
damages.
No warranties, express or implied, are
made in connection with the sale of parts or
trade accessories nor as to any engine not
manufactured by Multiquip. Such warranties
made in connection with the sale of new,
complete units are made exclusively by a
statement of warranty packaged with such
units, and Multiquip neither assumes nor
authorizes any person to assume for it
any other obligation or liability whatever in
connection with the sale of its products. Apart
from such written statement of warranty,
there are no warranties, express, implied or
statutory, which extend beyond the description
of the products on the face hereof.
Effective: February 22, 2006

NOTES

OPERATION AND PARTS MANUAL
Your Local Dealer is:
HERE’S HOW TO GET HELP
PLEASE HAVE THE MODEL AND SERIAL
NUMBER ON-HAND WHEN CALLING
© COPYRIGHT 2010, MULTIQUIP INC.
Multiquip Inc and the MQ logo are registered trademarks of Multiquip Inc. and may not be used, reproduced, or altered without written permission. All other trademarks are the property
of their respective owners and used with permission.
This manual MUST accompany the equipment at all times. This manual is considered a permanent part of the equipment and should remain with the unit if resold.
The information and specifications included in this publication were in effect at the time of approval for printing. Illustrations, descriptions, references and technical data contained in
this manual are for guidance only and may not be considered as binding. Multiquip Inc. reserves the right to discontinue or change specifications, design or the information published
in this publication at any time without notice and without incurring any obligations.
UNITED STATES
Multiquip Corporate Offi ce MQ Parts Department
18910 Wilmington Ave.
Carson, CA 90746
Contact: mq@multiquip.com
Tel. (800) 421-1244
Fax (800) 537-3927
800-427-1244
310-537-3700
Fax: 800-672-7877
Fax: 310-637-3284
Service Department Warranty Department
800-421-1244
310-537-3700
Fax: 310-537-4259 800-421-1244
310-537-3700
Fax: 310-537-1173
Technical Assistance
800-478-1244 Fax: 310-943-2238
MEXICO UNITED KINGDOM
MQ Cipsa Multiquip (UK) Limited Head Offi ce
Carr. Fed. Mexico-Puebla KM 126.5
Momoxpan, Cholula, Puebla 72760 Mexico
Contact: pmastretta@cipsa.com.mx
Tel: (52) 222-225-9900
Fax: (52) 222-285-0420
Unit 2, Northpoint Industrial Estate,
Globe Lane,
Dukinfi eld, Cheshire SK16 4UJ
Contact: sales@multiquip.co.uk
Tel: 0161 339 2223
Fax: 0161 339 3226
CANADA
Multiquip
4110 Industriel Boul.
Laval, Quebec, Canada H7L 6V3
Contact: jmartin@multiquip.com
Tel: (450) 625-2244
Tel: (877) 963-4411
Fax: (450) 625-8664