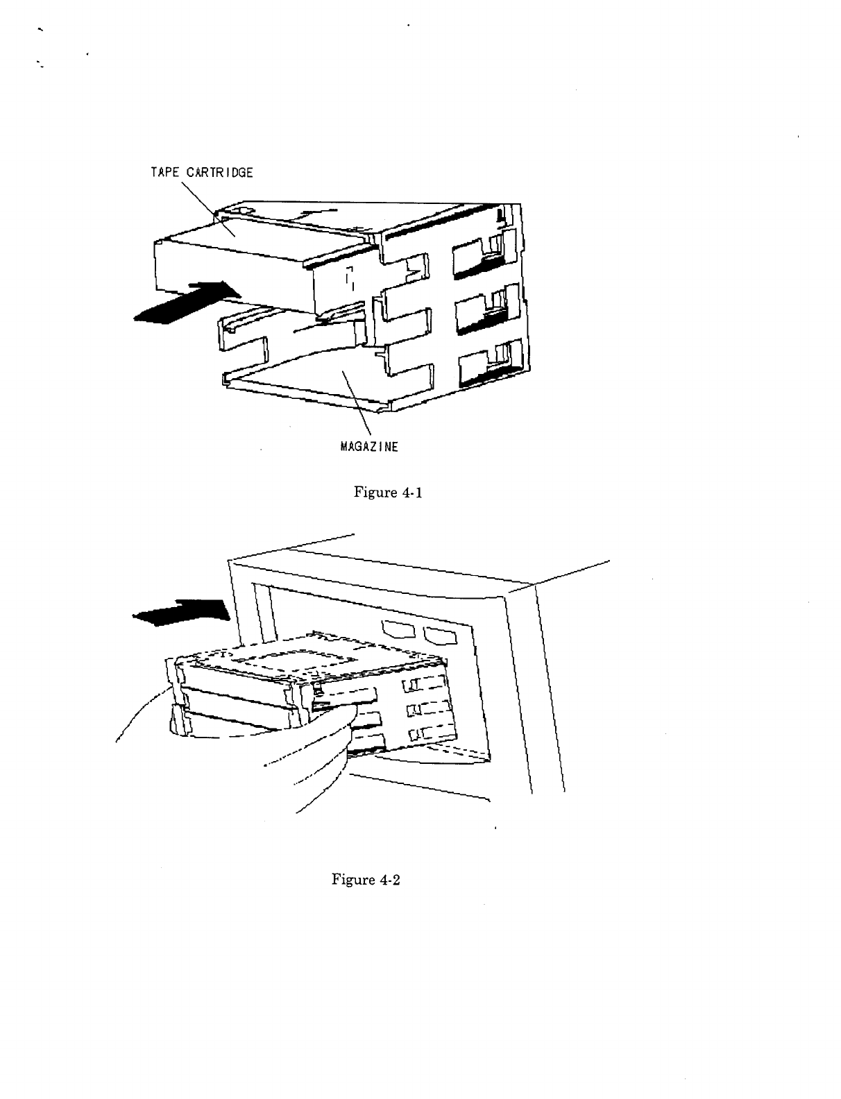
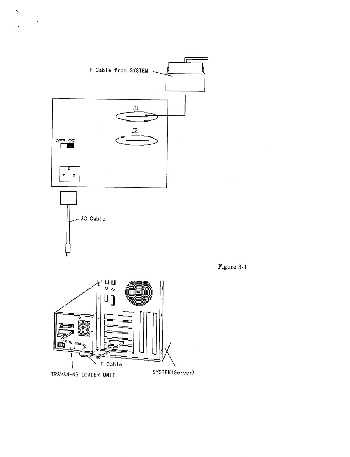
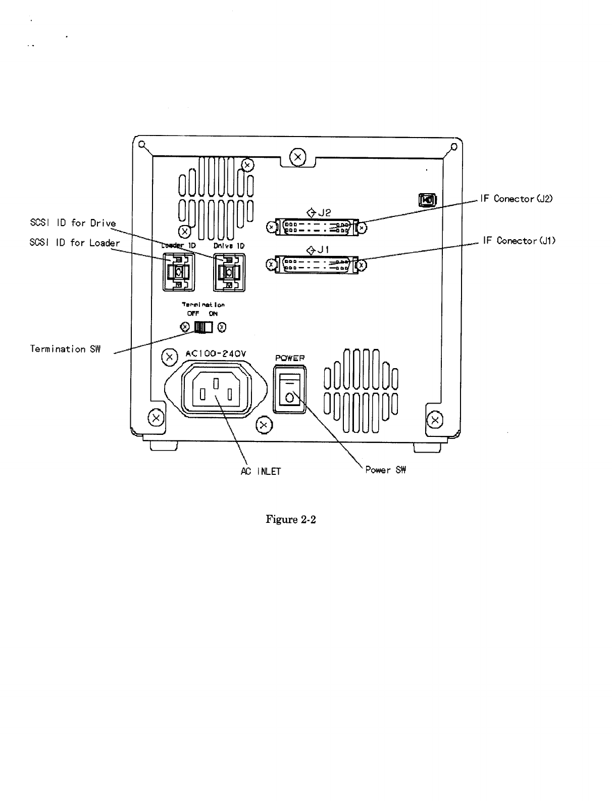
NEC Display Solutions of America TL620NS TRAVAN NS LOADER (SCSI DEVICE) User Manual
NEC Display Solutions of America, Inc. TRAVAN NS LOADER (SCSI DEVICE) Users Manual
UserManual.wiki
>
NEC Display Solutions of America
>
TL620NS User Manual HTML Version
Users Manual
Navigation menu
Upload a User Manual
Namespaces
Wiki Guide
HTML
PDF
Info
Views
User Manual
Discussion / Help
Navigation