NORDYNE Package Units(both Units Combined) Manual L0809124
User Manual: NORDYNE NORDYNE Package Units(both units combined) Manual NORDYNE Package Units(both units combined) Owner's Manual, NORDYNE Package Units(both units combined) installation guides
Open the PDF directly: View PDF
.
Page Count: 16

13 SEER
Single Package Air Conditioner
Single Package Air Conditioner
Read this owner information to become familiar with the capabilities and use
of your appliance. Keep this with literature on other appliances where you
have easy access to it in the future. If a problem occurs, check the instructions
and follow recommendations given. If these suggestions don't eliminate your
problem, call your installing contractor or distributor in your area.
INTRODUCTION
Most any air conditioner will keep you cool. Our air conditioner was designed to do
it efficiently. Efficiency means less cost to you while keeping you comfortable.
WHY YOUR AIR CONDITIONER WORKS SO WELL, SO QUIETLY
1. Air is cooled by a large evaporator coil. Moisture is also removed from the air by
this same coil.
2. Air is then delivered through the main duct, via registers, into your home.
3. Return air is drawn through the return register.
4. This air enters the unit, passes through the evaporator coil, is cooled and dehumidi-
fied. Then the cycle begins again.

SECTION 1.
OWNER iNFORMATiON
OPERATING iNSTRUCTiONS
ToTurn On Air Conditioner
ff you have a heating/cooling thermostat:
1. Set the system switch to "Cool."
2. Set the thermostat at the temperature level
you desire.
3. Turn the power on. Your air conditioner
should start as soon as room temperature
rises above the setting on the thermostat.
ff you have one thermostat for heating
and another for cooling, they must be
interlocked to prevent simultaneous
operation (See Figure 1):
1. Turn the heating thermostat to its lowest
possible setting.
2. If the cooling thermostat has an "On/Off"
switch, turn it "On."
3. Set the cooling thermostat to the desired
temperature.
4. Turn the power on. Your air conditioner
should start when room temperature ex-
ceeds the thermostat setting.
To Shut Off Air Conditioner
ff you have a heating/cooling thermostat:
1. Turn the system switch to "Heat" or "Off."
2. Turn the thermostat to the desired heating
temperature setting.
3. If you are turning your air conditioner off for
the winter or an extended period, shut off
the power to the air conditioner.
ff you have one thermostat for heating
and another for cooling, they must be
interlocked to prevent simultaneous
operation (See Figure 1):
1. Turn your cooling thermostat "Off" or to its
highest setting.
2. Turn the heating thermostat to the desired
temperature.
3. If you are turning your air conditioner off for
the winter or an extended period, shut off
the power to the air conditioner.
BEFORE YOU CALL ASERVICEMAN
Let your serviceman check your system at the
start of each air conditioning season. He will
make sure it's working right, clean or change
filters and make any needed adjustments.
In addition, follow these simple rules:
1. Never run your system without filter. If you
do, the cooling coils will get dirty and may
become clogged.
2. Set your thermostat at the comfort level you
wish -- and then leave it alone. Let it control
the operation of the air conditioning system.
If you get chilly, turn it up a degree at a time
until comfort is restored.
3. It takes longer for an air conditioner to cool
your dwelling than it does for your furnace
to heat it. So... don't turn the unit on and
expect a dramatic drop in temperature, at
least not right away. If your home is hot and
humid, the temperature will drop slowly.
4. Check your filters every ten days in summer
to see if they are dirty. To keep them clean,
use a mild solution of detergent and water
on washable types. Replace non washable
filters.
5. Keep your outdoor condenser coil clean.
You can hose it down when it gets dirty.
ff your air conditioner isn't working:
1. Make sure the fuses are not blown or that
your circuit breakers are on.
2. Seethatyourthermostatissetatthedesired
temperature and that your system's switch
is on "Cool."
3. For free air flow, make sure your return
register is not covered and that the filter is
clean.
4. Checkthe outdoor condenser coil and make
sure it is clean and not clogged with grass
or leaves.
If your air conditioner still isn't working, call your
nearest distributor.
Cooling
Thermostat Furnace
Thermostat
f
) R()_ R() ()
4_
Double Throw
Double Pole Switch
To Air Conditioner To Furnace
Figure 1. Thermostat interlock System
2

SECTION 2.
iNSTALLER iNFORMATiON
GENERAL
Read the following instructions completely
before performing the installation.
These instructions are for the use of qualified
personnel specially trained and experienced
in the installation of this type of equipment
and related system components. Some states
require installation and service personnel to
be licensed. Unqualified individuals should not
attempt to interpret these instructions or install
this equipment.
The single packaged air conditioners are de-
signed for outdoor installation only and can be
readily connected into the high static duct system
of a home. The only connections needed for
installation are the supply and return ducts, the
line voltage, and thermostat wiring. A complete
air conditioning system typically consists of:
.Single Package Air Conditioner
.Home Fittings Kit
.Unit Fittings Kit
. Thermostat
The single package air conditioner is completely
assembled, factory wired, and factory run tested.
The units are ready for easy and immediate
installation.
Inspecting Equipment: All units are securely
packed at the time of shipment and, upon arrival,
shou Id be carefully inspected for damage. Claims
for damage (apparent or concealed) should be
filed immediately with the carrier.
INSTALLATION
1. SELECTTHE BEST LOCATION FORTHE
AIR CONDITIONING UNIT
iMPORTANT: DO NOT PLACE UNiT UNDER
THE HOME.
, Select a solid, level position, preferably on a
concrete slab, slightly above the grade level,
and parallel to the home.
.The hot condenser air must be discharged
up and away from the home, and if possible,
in a direction with the prevailing wind.
Do not place the unit in a confined space.
. if practical, place the air conditioner where it
and the ducts will be shaded from the after-
noon sun when the heat load is greatest.
Try to select a site for the unit that is as close
as possible to the proposed return grille loca-
tion.
.Keep in mind that the length of the supply and
return ducts should be kept to a minimum with
no sharp radiused bends.
2. UNPACKTHE UNIT
It is recommended that the unit be unpacked
at the installation site to minimize damage due
to handEing.
PRE-INSTALLATION CHECK
Before any installation is attempted, the cool-
ing load of the area to be conditioned must be
calculated and a system of the proper capacity
selected. It is recommended that the area to
be conditioned be completely insulated and
vapor sealed.
The installer should comply with all local codes
and regulations which govern the installation
of this type of equipment. Local codes and
regulations take precedence over any recom-
mendations contained in these instructions.
Consult local building codes and the National
Electrical Code (ANSI CI) for special installation
requirements.
CAUTION:
Do not tip the unit on its side. Oil
may enter the compressor cylinders
and cause starting trouble, if unit has
been set on its side, restore to upright
position and do not run for several
hours.Then run unit for afew seconds.
Do this three or four times with five
minutes between runs.
a. Remove the bands from around the unit.
b. Unfold the top and bottom cap flanges.
c. Carefully remove the top cap and tube.
The electrical supply should be checked to de-
termine if adequate power is available. If there
is any question concerning the power supply,
contact the local power company.

Figure 2. Minimum Unit Clearances
3. CLEARANCES
Minimum clearances, as specified in Figure
2, MUST be maintained from adjacent struc-
tures to provide room for proper servicing
and air circulation.
Do NOT install unit in a confined or recessed
area that will allow discharge air from the unit
to re-circulate into the condenser air inlet,
through the coil.
Service Access Clearance:
Blower access panel side .......................... 24"
Electrical compartment access panel side... 12"
Clearance between overhang and top of
unit ......................................................... 72"
Clearance around condenser coil area to wall
or shrubs (excludes duct panel side) .......... 12"
Minimum clearance to combustible materials:
Combustible Base (Wood or Class A, B, or C
roof Covering material) ............................... 0"
Supply and Return Air Ducts ....................... 0"
Duct Connection side .................................. 0"
Tran _ _
Figure 3. Return and Supply Air Fittings
DUCT REQUIREMENTS
The supply duct system, including the number
and type of registers, will have much more ef-
fect on the performance of an air conditioning
system then any other factor. The duct must be
sufficiently large to conduct an adequate amount
of air to each register.
4. INSTALLTHE RETURN AND SUPPLYAIR
FITTINGS ON THE UNiT
The supply and return fittings are included with
select modeEs. If supplied, the duct fittings are
shipped in the supplyduct.They attach tothe unit
openings with a flange and bead arrangement,
secured with two sheet metal screws. Note: For
ease of access, install fitting before positioning
unit in final location.
SUPPLY DUCT
Position the supply duct collar, if supplied, so the
edge of the unit opening fits between the flange
and the bead. Overlap the collar ends keeping the
small screw holes underneath. Align the holes in
the crimped area and install one screw.
Note: It may be necessary to loosen the four
screws that hold the transition duct in order to
install the supply fitting. Re-tighten when instal-
lation is complete.
Tap collar as necessary to ensure engagement
with unit opening and install second screw.
Tighten first screw. Rotate collar clockwise so
joint is near three o'clock position.
RETURN DUCT
Align the 14" return duct slots with the holes in
the collar and install two screws. Position the
7 RETURN AiR
CUT FLOOR
Figure 4. Return Air Box
4

collarovertheopeningandalignthefournotches
inthecollarwiththefourdimplesinthepanel.
Usingself-drillingscrews(10-16x.5)attachthe
collarto therearpanel.
5. LOCATINGAND iNSTALLING THE RE-
TURN AIR ASSEMBLY
To avoid complications, locate and install the
return air assembly first. The return air box
with grille and filter (Figure 4) should not be
located in heavy traffic areas like hallways or
center of rooms. A good spot is in a corner or
under a table, if a minimum two inch clearance
is available. If desired, the return opening can
be located inside a closet with Iouvered doors
that have an open area equal to or greater than
the 12"x 20" grille furnished. The return air grille
can be placed in the wall of a closet and the air
ducted into the filter box through a boxed-in area
at the closet floor level. Make sure the filter is
readily accessible.
After determining the location of the return air
opening, start the installation from under the
home by cutting a small hole in the fiber under-
board to determine how the floor joist location
will affect cutting the opening needed for the box.
Floor joists generally are located on 16"centers,
leaving 14-3/8" between joists. After measuring
the return air box (approximately 12-1/4" x 14-
1/4"), cut the hole through the floor so that the
box will fit between the floor joists. Care should
be taken when cutting through carpeting to avoid
snags. In most installations it will be necessary to
cut a similar hole in the fiberboard directly under
the hole in the floor. However, if the floor is more
than ten inches deep, it will only be necessary
to cut a hole for the collar on the return air box
or for the insulated duct.
Set the box into the opening and fasten with
screws or nails. Put the filter and return air
grille in place.
6. LOCATING AND iNSTALLING THE
SUPPLY DAMPER(S)
CAUTION:
When a home is not equipped with
amake-ready kit means must be
provided to prevent simultaneous
operation of the heating and cooling
units. A heat/cool thermostat is
available for this purpose.
REGISTER
/
AUTOMATIC DAMPER IS CLOSED
WHEN A/C UNiT iS OFF
Figure 5. Supply Damper
When installing this air conditioning
system in conjunction with a furnace,
adamper must be installed in the fur=
nace base assembly to prevent cold
air being discharged around the heat
exchanger. Damage to the heat ex=
changer and asphyxiation may occur
if a damper is not installed.
Check with the furnace manufacturer
for damper requirements. Failure to
install the required furnace damper
may invalidate code agency listing and
limited warranty on the furnace.
When locating the supply damper(s), carefully
check floor joists and frame members that could
interfere with the installation of the damper or
flexible duct. Ideally, the damper should be
located in the bottom of the main duct, forward
of center of the home, at least three feet from
the nearest register. The round supply opening
in the slanted side of the damper should face
the side of the home where the air conditioner
is located. To locate the center of the heat duct,
first cut a small hole in the fiberboard below the
duct at the desired location. After locating the
duct center, cut a hole approximately 3/4" larger
than the damper opening in the fiberboard. Cut
a 9-1/8" x 13-1/8" hole in the duct and bend
over all tabs flat on the inside of the heat duct.
After inserting the damper into the duct, bend
over all tabs flat on the inside of the heat duct.
Sea! the opening between the fiberboard and
damper or flexible duct.
DUCTING SYSTEM
DUCT REQUIREMENTS
The supply duct system, including the number
and type of registers, will have much more ef-

TYPICAL APPLiCATiONS
\
SINGLE DUCT APPLiCATiON MULTIPLE DUCT APPLiCATiON
Ref. No. Description
(_ 12"x 20" Return Air
(_ 16" x 20" Air Filter
(_) 12" x 20" Grille
(_) Supply Damper
(_) 14" Diameter Flex Return Duct
(_) 12" Diameter Flex Supply Duct
(_ 12" x 12" x 12" "Y" Fitting
Figure 6. Typical Applications
fect on the performance of an air conditioning
system than any other factor. The duct must be
sufficiently large to conduct an adequate amount
of air to each register.
Air ducts should be installed in accordance with
the standards of the National Fire Protection
Association "Standard for Installation of Air
Conditioning and Ventilation Systems" (NFPA
90A), "Standard for Installation of Residence
Type Warm Air Heating and Air Conditioning
Systems" (NFPA 90B), these instructions, and
all applicable codes.
THE AiR CONDITiONiNG OUTPUT OF THE
SYSTEM WiLL NOT COOLTHE HOME IFTHE
AiR iS LOST TO THE OUTSIDE THROUGH
LEAKS INTHE DUCT SYSTEM. ALSO, DUCTS
WHICH ARE COLLAPSED OR RESTRICTED
BY FOREIGN OBJECTS WiLL PREVENT
ADEQUATE AIR FLOW.
Note: For highly resistive duct systems it may
be necessary to add an additional return air duct
and or supply to achieve maximum performance
and prevent coil icing and refrigerant flood
back.

CONNECTING THE RETURN AND SUPPLY
AIR FLEXIBLE DUCTS
a. The supply duct for all units is 12" in diam-
eter. The return duct is 14" diameter for all
air conditioning units.
b. The flexible ducts can be connected to the
corresponding fittings with the clamps pro-
vided with the ducts. Note: All connections
should be leak tight or a loss in cooling
capacity will result.
c. The flexible ducts may be cut to the required
length, see instructions packed with duct.
Keep all ducts as short and straight as pos-
sible. Avoid sharp bends.
d. Ducts may be spliced with sheet metal
sleeves and clamps. (See Ducting Instal-
lation Accessories page 6.)
e. Once the inner duct is connected to the
proper fitting, the insulation and plastic
sleeve should be pulled over the connection
and clamped.
f. For homes with multiple supply ducts or for
special applications, a Y fitting is available
to divide the supply air so it can be ducted
to different areas of the home for more ef-
ficient cooling. Note: TheY fitting should be
insulated for maximum performance.
Model Wire Color/ Motor Air Flow
P3RD Speed Tap Speed (0.3 in.WC)
Red
2Ton Black
Red
2.5 Ton Black
Red
3Ton Black
Low 760
High* 1000
Low 760
High* 1000
Low 760
High* 1000
T1 Low 750
T2 Med/Low 1,000
3.5 Ton Orange /T3 Medium* 1,140
Red /T4 Med/High* 1,300
T5 High 1,350
T1 Low 1,340
Orange /T2 Med/Low* 1,450
4 Ton Red /T3 Medium* 1,650
T4 Med/High 1,750
T5 High 1,965
T1 Low 1,340
T2 Med/Low 1,450
5 Ton Orange /T3 Medium* 1,650
Red /T4 Med/High* 1,750
T5 High 1,965
* Factory Setting
Figure 7. Standard Motor Lead Connection
_ Elbow
_"" P-Trap
Figure 8. Drain Trap
Blower Speed -- For optimum system
performance and comfort, it may be necessary
to change the factory set speed. See figure 7 for
factory settings. To change the blower speed:
If Standard Motor (2, 2.5 and 3 Ton):
1. Disconnect all electrical power to the
unit and remove the service panel.
2. Place the desired blower speed lead on the
"COM" terminal. Use another wire tie (field
supplied) to bundle the remaining motor
leads.
If High Efficiency Motor (3.5, 4, and 5 Ton):
1. Disconnect all electrical power to the unit
and remove the blower panel.
2. Locate the orange and red wires terminated
to the blower motor. The orange wire controls
cooling operation while the red wire controls
heating operation.
3. Verify the required speed from the airflow
data found in figure 7. Place appropriate
wire on the appropriate motor speed tap for
the required airflow point.
Check all factory wiring per the unit wiring
diagram and inspect the factory wiring connec-
tions to be sure none loosened during shipping
or installation.
CAUTION'.
To avoid personal injury or property
damage, make certain that the motor
leads cannot come into contact with
any uninsulated metal components
of the unit.

Low Voltage
Figure 9. Power Entry
CONDENSATE DRAIN
A 3/4" condensate fitting extends out of the side
of the unit.The drain trap, shipped in the electrical
compartment, must be installed to prevent water
from collecting inside the unit.Thread the elbow
provided with the unit into the drain connection
until hand tight. Install the trap into the fitting and
seal the joint. Make sure it is level. Route the
condensate from the trap to a suitable drain. Any
connecting tubing or hose must have the outlet
below the trap level for proper drainage.
WARNING:
Turn off electrical power before servic-
ing controls. Severe electrical shock
may result unless power is turned off.
Unit must be installed in compliance
with the National Electrical Code (NEC)
and local codes.
ELECTRICAL CONNECTIONS
1. ELECTRICAL SERVICE
High Voltage
a. Install a branch circuit disconnect of ad-
equate size per NEC. Locate the disconnect
within sight of the unit.
b. Extend leads through power wiring hole
provided. Connect L1 and L2 directly to the
contactor. (See Figure 9).
c. Ground the air conditioning unit using the
green grounding screw provided in the
control panel.
Low Voltage
a. Route 24vcontrol wires through the sealing
grommet near the power entrance.
b. Connect the control wires to the leads in
the low voltage area. (See Figure 10).
2. OVERCURRENT PROTECTION
In general, the best fuse or breaker for any air
conditioner is the smallest size that will permit
the equipment to run under normal use and
service without nuisance trips. Such a device,
sized properly, gives maximum equipment
protection. The principal reason for specifying
a time delay type is to prevent nuisance trips
when the unit starts.
In the event that a fuse does blow or a breaker
trips, always determine the reason. Do not arbi-
trarily put in a larger fuse or breaker and do not,
in any case, exceed the maximum size listed on
the data label of the unit.
3. LOCATING THE THERMOSTAT
Locate the thermostat away from drafts and
slamming doors and place it where there is a free
flow of air. Mount on an inside wall approximately
five feet from the floor.
Do not locate near a lamp, kitchen range, direct
sunlight, or in line with air flow from supply
registers.
a. Connect Cooling Thermostat: The cool-
ing thermostat available for use with this
system is equipped with a selector switch.
To shut down the air conditioner, set the
selector switch to the OFF position. Con-
nect the red and yellow wires from the unit
to the R and Y terminals respectively on
the thermostat subbase. Connect the green
wire to the yellow wire at the unit. See the
instruction sheet packed with the thermostat
for detailed methods of mounting.
Note: The cooling-only thermostat must be
connected to an interlock switch to prevent
simultaneous operation of the furnace and
the air conditioner. (See Figure 1, Page 2.)
b. Connect the Heat-CooIThermostat: The
heat-cool thermostat is equipped with a
system H EAT-COOL switch, which provides

Control Wire Leqend
Green - BJower ReJay
Red - Transformer
24V
Yellow- Cooling 1st
Stage
Brown - Heating 1st
Stage
Orange - Heating 2rid
Stage
4 Wire Heat/Cool Thermostat
SingleStageElectricHeat
---_YELLOW
---_GREEN
BROWN
ORANGE
2 Wire Cooling Thermostat
---_-RED
YELLOW
GREEN
BROWN
Two Stage Electric Heat
I
Optional [_
Outdoor Thermostat
(Field Supplied)
---_-RED
---_-YELLOW
---_-GREEN
---_--BROWN
--ORANGE
Figure 10. Low Voltage Connections
C.
a positive means of preventing simultane-
ous operation of the heating and cooling
units. The thermostat is also equipped with
an ON-AUTO fan switch which allows the
home owner to operate the indoor blower
when air circulation is desired.
Connect the red, yellow, green and brown
low voltage wires to the R or RC, Y, G and
W terminals respectively on the thermostat
base. The black wire is the 24 volt common
required on some thermostats. See ther-
mostat instruction sheet for more detailed
information.
Refer to furnace installation instructions
for required connections and proper heat
anticipator setting when installing unit with
an external furnace.
if two stage heating is desired, an
optional outdoor thermostat may be
installed: Connect the thermostat to the
orange low voltage wire and the W terminal
on the indoor thermostat base (See Figure
10). See the thermostat instructions for
details on setting the outdoor thermostat.
4. ELECTRIC HEAT PACKAGE (OPTIONAL)
The air conditioner is shipped without an auxil-
iary electric heat kit installed. If electric heat is
desired, an accessory Heater Kit must be field
installed. See Specifications Sheet for available
kits and their applications.
Select the correct size heat package for the
installation.
Follow installation instructions provided with
each heater kit.
Installation is most easily accomplished
before making duct or electrical connec-
tions.
The blower must be set to high speed for
electric heat operation.
SYSTEM OPERATION
1. PRE-START CHECK LIST
The following check list should be observed prior
to starting the unit.
[] Is the unit level? It should be level or slightly
slanted toward the drain for proper conden-
sate drainage.

[]
[]
[]
[]
[]
.
a.
b.
Is the unit installed with the proper clear-
ances (See Figure 2)?
Is the wiring correct according to the wiring
diagram and electrical codes?
Are all the wiring connections tight? Check
the condenser fan to make sure it turns
freely.
Is the overcurrent protection properly
sized?
Is the thermostat wired correctly?
installed in a proper location?
STAR.UP PROCEDURE
Is it
Set the system switch to the OFF posi-
tion.
Dial thermostat setting as high as it will
go.
c. Turn on power supply at the disconnect
switch.
d. Set the system switch to ON or COOL.
Set the temperature setting to below room
temperature. Verify that the indoor blower,
outdoor fan, and compressor are energized
and the cooling function starts.
e. Verify that the discharge air grilles are
adjusted and the system is balanced.
f. Verify that there are no air leaks in the duct
work.
g. Verify that the condensate drain is properly
installed and that it functions correctly.
h. Dial the thermostat higher than room tem-
perature. The unit should stop.
i. If using a combination heating-cooling ther-
mostat, set to the HEAT position. Proceed
to check for correct furnace operation.
j. Verify that the furnace controls and burners
or heating elements operate correctly.
k. Instruct the owner on unit operation, filter
servicing, and proper thermostat opera-
tion.
10

13 SEER - Charging Charts
2 OUTDOOR TEMPERATURE/°F)
TON 70 75 80 85 90 95 100 105
Suct. Dis. Dis. Dis. Dis. Dis. Dis. Dis. Dis. Dis. Dis. Dis. Dis. Dis. Dis. Dis. Dis.
Press, Press. Temp. Press. Temp. Press. Temp. Press. Temp. Press. Temp. Press. Temp. Press. Temp. Press. Temp.
75 142 133
77 144 138 157 136
79 147 144 159 141 171 138
81 150 147 161 146 173 143 186 141
83 153 149 164 149 176 148 188 146 200 144
85 168 152 179 152 190 150 202 148
87 182 155 193 154 205 152 217 150 I
89 197 158 208 156 219 155
91 200 161 211 160 222 159 233 157
93 215 164 226 163 237 161
95 229 167 240 165 _ 251 I 163
97 244 170 I 255 I 168
99 258 172
101
2-1_ OUTDOOR TEMPERATURE/°F)
TON 70 75 80 85 90 95 100 105
Suct. Dis. Dis. Dis. Dis. Dis. Dis. Dis. Dis. Dis. Dis. Dis. Dis. Dis. Dis. Dis. Dis.
Press. Press. Temp. Press. Temp. Press. Temp. Press. Temp. Press. Temp. Press. Temp. Press. Temp. Press. Temp.
75 143 126
77 145 131 158 130
79 148 137 161 135 174 134
81 149 143 163 140 176 139 189 138
83 153 146 165 146 178 144 191 143 204 142
85 168 149 180 148 193 147 206 146
87 184 152 196 151 208 151 221 150 I
89 199 155 211 155 223 154
91 203 159 215 158 227 158 238 157
93 218 162 230 162 242 161
95 234 166 246 166 _ 258 165
97 249 170 I 261 169
99 265 174
101
Refrigerant Charging Chart Legend for Cooling Mode of Operation
* Note: All pressures are listed in psig. and all temperatures in °F.
-Shaded Boxes indicate
flooded conditions
- Rated Design Values. Suction Pressure will be lower than design value if indoor air
flow, entering dry bulb, or entering wet bulb temperatures are lower than design.
- Discharge temperatures greater than charted
values indicate an undercharged system.
11

13 SEER -Charging Charts -Continued
3 OUTDOOR TEMPERATURE/°F)
TON 70 75 80 85 90 95 100 105
Suct. Dis. Dis. Dis. Dis. Dis. Dis. Dis. Dis. Dis. Dis. Dis. Dis. Dis. Dis. Dis. Dis.
Press. Press. Temp. Press. Temp. Press. Temp. Press. Temp. Press. Temp. Press. Temp. Press. Temp. Press. Temp.
69 147 140
71 149 145 163 144
73 152 150 166 149 180 147
75 152 159 168 154 182 152 196 151
77 156 161 169 160 184 157 198 155 212 154
79 173 163 186 162 200 160 215 159
81 189 166 203 165 217 163 231 161 I
83 206 168 219 167 233 166
85 210 172 223 171 236 170 249 168
87 226 175 240 174 253 172
89 243 178 256 177 270 175
91 260 181 273 180
93 276 184
95
3-1/2 OUTDOOR TEMPERATURE/°F)
TON 70 75 80 85 90 95 100 105
Suct. Dis. Dis. Dis. Dis. Dis. Dis. Dis. Dis. Dis. Dis. Dis. Dis. Dis. Dis. Dis. Dis.
Press. Press. Temp. Press. Temp. Press. Temp. Press. Temp. Press. Temp. Press. Temp. Press. Temp. Press. Temp.
72 162 127
74 164 133 179 135
76 167 138 182 140 196 141
78 167 148 184 145 199 146 213 148
80 170 150 184 152 201 151 216 153 230 154
82 188 155 202 157 218 157 232 159
84 206 160 220 162 235 163 249 165 I
86 223 166 237 167 251 169
88 227 169 241 171 255 173 268 175
90 244 175 258 177 272 179
92 262 181 276 183 _ 290 185
94 279 188 I 293 189
96 297 194
98
Refrigerant Charging Chart Legend for Cooling Mode of Operation
* Note: All pressures are listed in psig. and all temperatures in °F.
-Shaded Boxes indicate
flooded conditions
Rated Values. Suction Pressure will be lower than value if indoor air
Design design
-- flow, entering dry bulb, or entering wet bulb temperatures are lower than design.
- Discharge temperatures greater than charted
values indicate an undercharged system.
12

13 SEER -Charging Charts -Continued
4 OUTDOOR TEMPERATURE (°F)
TgN 70 75 80 85 90 95 100 105
Suct. Dis. Dis. Dis. Dis. Dis. Dis. Dis. Dis. Dis. Dis. Dis. Dis. Dis. Dis. Dis. Dis.
Press. Press. Temp. Press. Temp. Press. Temp. Press. Temp. Press. Temp. Press. Temp. Press. Temp. Press. Temp.
71 151 147
73 153 152 169 151
75 156 157 171 156 187 156
77 157 164 173 161 189 161 204 160
79 160 167 175 167 191 165 206 165 222 164
81 179 170 193 170 209 169 224 169
83 197 174 211 174 226 173 242 173 I
85 215 177 229 177 244 177
87 218 181 233 181 247 181 261 180
89 236 185 251 185 265 185
91 254 189 269 189 _ 283 I 189
93 272 193 I 287 I 193
95 290 198
97
5 OUTDOOR TEMPERATURE/°F)
TON 70 75 80 85 90 95 100 105
Suct. Dis. Dis. Dis. Dis. Dis. Dis. Dis. Dis. Dis. Dis. Dis. Dis. Dis. Dis. Dis. Dis.
Press. Press. Temp. Press. Temp. Press. Temp. Press. Temp. Press. Temp. Press. Temp. Press. Temp. Press. Temp.
68 151 151
70 154 156 168 155
72 156 162 170 160 184 159
74 157 168 172 165 186 164 201 163
76 161 171 174 171 189 169 203 168 217 167
78 178 174 191 173 205 172 219 171
80 194 177 208 176 221 175 236 174 I
82 211 180 224 179 238 179
84 215 184 228 183 241 183 254 182
86 231 187 244 187 258 186
88 248 191 261 190 274 I 189
90 265 194 278 I 194
92 281 198
94
Refrigerant Charging Chart Legend for Cooling Mode of Operation
* Note: All pressures are listed in psig. and all temperatures in °F.
-Shaded Boxes indicate
flooded conditions
Rated Values. Suction Pressure will be lower than value if indoor air
Design design
flow, entering dry bulb, or entering wet bulb temperatures are lower than design.
-Discharge temperatures greater than charted
values indicate an undercharged system.
13

"13
(Q
c
S
5"
(Q
(Q
_J
===L
o
el
el
4_
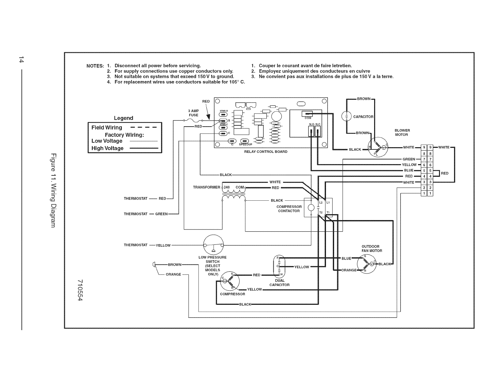
NOTES: 1.
2.
3.
4.
Disconnect all power before servicing.
For supply connections use copper conductors only.
Not suitable on systems that exceed 150 V to ground.
For replacement wires use conductors suitable for 105° C.
1. Couper le courant avant de faire letretien.
2. Employez uniquement des conducteurs en cuivre
3. Ne convient pas aux installations de plus de 150V ala terre.
Legend
Field Wiring
Factory Wiring:
Low Voltage
High Voltage
RED
3 AMP \
FUSE
-- RED_"
RELAY CONTROL BOARD
O O
COM
L_R_d! BROWN=
PACITOR
3BLOWER
MOTOR
L_WBITE m _-
GREEN---_
YELLOW =_-
BLUEm_-
RED m_
WHITE m-'3
--Z
-- WHITE_
TRANSFORMER _ RED
THERMOSTATiREDi _ _ BLACK _
COMPRESSORI (
THERMOSTAT--GREEN-- CONTACTOR _):,
THERMOSTAT iyELLOW .o .
_BROWN--LjORANGE -- liii_:L_OR YELLOW
_BLACK_
L2
OUTDOOR
III FANMOTOR
TTTBLUE_
___ ORANGE=_-_j
mWHITE 1

..=_
O1
(£:2
¢-
.==_
FO
(Q
(Q
Packaged Air Conditioner =Single Phase
NOTES: 1, Disconnect all power before servicing, 1. Couper le courant avant de faire letretien.
2. For supply connections use copper conductors only. 2. Employez uniquement des conducteurs en cuivre
3. Not suitable on systems that exceed 150 V to ground, 3. Ne convient pas aux installations de plus de 150 V a la terre.
4. For replacement wires use conductors suitable for l05° C.
5. See installation instructions for blower motor airflow settings.
-.4
..=_
0
O0
THERMOSTAT-- GREEN -- 3 AMP
FUSE
THERMOSTAT-- RED _- \._-_
THERMOSTAT--YELLOW
-- RED-
OUTDOOR FAN
MOTOR
r_ BLACK
ORANGE'_ /LOAD
RELAY
-- RED ___
FRANSFORMER I
/COMPRESSOR
CONTACTOR
' 24V _ ACK--
LOW PRESSURE
SWITCH
COMPRESSOR
_ DUAL
CAPACITOR
YELLOW
BLACK'
-- RED
1
Legend
Field Wiring
Factory Wiring:
Low Voltage
High Voltage
BLOWER
MOTOR GREEN/YELLOW
ORANGE_: ...... _ _/
BLACK '%-
WB'TE--1BLUE RED
RED_ F

iNSTALLER
PLEASE LEAVE THESE
iNSTALLATiON iNSTRUCTiONS
WiTH THE HOMEOWNER.
O'Fallon, MO NOR_IE IIIIIIIIllllllllilllllIllII!
708548B
708548B (Replaces 708548A)
Specifications and illustrations subject
to change without notice and without
incurring obligations.
Printed in U.S.A. (01/07)