NPG Display Branch N9702 COLOR MONITOR User Manual N9702

NPG Display Ltd Taiwan Branch COLOR MONITOR N9702

Exhibit 7

1SPECIFICATIONS Monitor Specifications  MultiSync N9702 Monitor  Notes Picture Tube       Diagonal:        Viewable: Image Size:                     Radius: 17 inch 16 inch 1210 mm 90° deflection, 0.26 mm dot pitch CRT, medium –short persistence phosphor, multi-layered anti static screen coating, semi-tint screen, Invar Shadow Mask and Opticlear screen surface. Input Signal           Video:                       Sync: ANALOG 0.7Vp-p/75 Ohms Separate sync. Positive/Negative   Display Color                 Analog input:   Unlimited number of Colors   Depends on display card used. Synchronization    Horizontal: Range               Vertical: 31 kHz to 86 kHz 55 Hz to 160 Hz Automatically Automatically Resolutions Supported Resolution based on horizontal and vertical frequencies only640 × 480 @ 60 to 160 Hz800 × 600 @ 55 to 137 Hz832 × 624 @ 55 to 128 Hz1024 × 768 @ 55 to 105 Hz1152 × 870 @ 55 to 95 Hz1280 × 1024 @ 55 to 80 Hz  ………1600 × 1280 @ 55 to 68 Hz Some systems may not support all modes listed.       NEC cites recommended resolution at 85 Hz for optimal display performance. Active Display Area (Factory Setting)   Horizontal:                     Vertical: 310 mm 232 mm Dependent upon signal timing used, And does not include border area. Active Display Area (Full Scan) 325 mm 244 mm Dependent upon signal timing used, And does not include border area. Power Supply  AC 100 - 240V, 50/60Hz Current Rating  2.2A @ 100 - 240V Dimensions  403 mm (W) × 420 mm (H) × 418 mm (D)   Weight  16.0 kg   Environmental Considerations       Operating Temperature:                    Humidity:                       Feet:         Storage Temperature:                    Humidity:                       Feet:   0° C to + 35° C 30% to 80% 0 to 10,000 Feet -20° C to + 60° C 10% to 90% 0 to 45,000 FeetNOTE: Technical specifications are subject to change without notice.
2CONTROLSOn-screen display control buttons on the front of the monitor function as follows:SELECT Enters and exits the OSM menu and decides the icon.CONTROL  − / +Selects one of the controls and increases or decreases the adjustment.RESET  Resets the highlighted control to the factory Setting.Adjusts the overall image and background screen brightness. Adjusts the image brightness in relation to the background. Red Color Control: Adjust the red contrast of the display.Green Color Control: Adjust the green contrast of the display.Blue Color Control: Adjust the blue contrast of the display.Moves the image horizontally (left or right).       Moves the image vertically (up or down).       Increases or decreases the horizontal size of the image.       Increases or decreases the vertical size of the image.                 Increases or decreases the curvature of the sides either inward or outward.                       Increases or decreases the top of the screen to be the same as the bottom.            Increases or decreases the tilt of the sides either to the left or right.            Increases or decreases the curvature of the sides either to the left or right.            Rotates the entire display clockwise or counterclockwise.       Degauss Control: Eliminates the buildup of stray magnetic fields that alter the correctscan of the electron beams and affect the purity of the screen colors, focus and    convergence. When activated, your screen image will jump and waver a bit as the screen is+–SELECT RESET
3demagnetized.              Caution: Please allows a minimum of 20 minutes to elapse                     between uses of the Degauss Control.  9300K This color setting is adjusted at the factory to the stated KelvinMoves the OSM menu vertically (up or down).Moves the OSM menu horizontally (left or right).          EXIT: To exit the OSM window. Select EXIT in “Icon select window”, then push SELECTbutton to exit OSM window.Note: If no buttons are pushed after 10 seconds while in OSM, the window willautomactically disappear.
4SERIAL NUMBER INFORMATION Refer to the serial number information shown below.                                                  SERIAL NUMBER LABEL                Manufactured Year :( Last digit )Manufactured Month :January to September     1 to 9October  XNovember YDecember ZFactory mark :NPG CHINA ...............................YIt doesn’t have meaning speciallyMODEL     SERIAL No.00001 ~ on ward(Start from 00001 ~ whenmonth is changed.)
5DISASSEMBLYŸ Before you disassemble the set, turn off power and pull out the power plug.Ÿ Use a proper screwdriver. If you user screwdriver that does not fit, you may damage the screws.Ÿ Disassembly is the opposite process of assembly.Ÿ Carefully discharge the CRT anode potential by grounding to CRT  dag ground harness beforeremoving Anode Cap.MAIN BOARD and CRT BOARDEXPLANATION1. Disassemble a screw like a picture.2. Unsolder the GND wire (CRT coating earth wire) from MAIN BOARD ASSY and CRT BOARD ASSY.This model has two kinds of CRT. Depend on CRT, the GND wire assembly is some different. Becareful.3. Disconnect the connector “S201”, “S202”, “S203”, Coating earth connector, and screen lead from theCRT BOARD ASSY.4. Disconnect the CRT BOARD ASSY from the CRT.5. Disconnect the connector “S301”, “S601”, “S703”, “S701”, “S104” and “P102” from the MAIN BOARDASSY.6. Remove the Anode Cap from the CRT.NOTE: Carefully discharge the CRT anode by shorting it to ground before removing Anode Cap.
6ADJUSTMENT SPECIFICATIONSTABLE OF CONTENTSPage(1) Adjustment Tools ..................................................................................................................... 7(2) Timing Table  ........................................................................................................................... 7(3) Definition for Normal Condition ................................................................................................. 7(4) B+ Adjustment  ........................................................................................................................ 7(5) H. V. Adjustment ..................................................................................................................... 8(6) X-ray Test ............................................................................................................................... 8(7) H-Center Adjustment ............................................................................................................... 8(8) H-Size Adjustment  .................................................................................................................. 8(9) Mode 11 Pre-Adjustment  ......................................................................................................... 8(10) White Balance Adjustment ..................................................................................................... 8(11) Focus Adjust ......................................................................................................................... 8(12) Convergence Adjust .............................................................................................................. 9(13) Automatically adjust  .............................................................................................................. 9(14) White balance check and ABL adjust ...................................................................................... 9(15) Power Saving Test  ................................................................................................................ 9(16) DCC 1/2B Test ...................................................................................................................... 10(17) Timing Sheet ......................................................................................................................... 11
7N9702 Adjustment Specifications Ver. 1.0                                                                                2000,1,06(1) Adjustment tools:     (A) Color Analyzer (B) CHAROMA 2135 or Function Generator     (C) Multi meter (D) Hi-Pot Probe     (E) Convergence Meter (F) Degauss Probe     (G) Power Meter (H) Automatic Alignment System     (I)  DDC test fixture(2) TIMING TABLE(FACTORY MODE –16 MODES)MODE RESOLUTION H-SYNC EREQ. V-SYNC FREQ H . POLARITY V . POLARITY1VGA400 31.4kHz 70Hz -+2VGA640*480 31.4kHz 60Hz - -3640*480(75) 37.5kHz 75Hz - -4640*480(85) 43.2kHz 85Hz - -5800*600(75) 46.8kHz 75Hz + +6MACⅡ 50K 49.7kHz 75Hz - -7800*600(85) 53.6kHz 85Hz + +81024*768(75) 60.0kHz 75Hz + +91280*1024(60) 64.0kHz 60Hz + +10 1024*768(85) 68.6kHz 85Hz + +11 1280*1024(75) 79.9kHz 75Hz + +12 Free run Adj. 30.0kHz 69Hz -+13 H.CENTERING,EHT 85.938kHz 85Hz -+(3) Definition for Normal Condition:(A) INPUT AC VOLTAGE 110V/50HZ.(B) WARM UP TIME 30 MINUTES.(C) CROSSHATCH PATTERN.(D) ALL VR ADJ CENTER.(E) CRT FACE TO EAST DIRECTION(F) COLOR TEMP 9300K(4) B+ Adjustment:(A) MODE: 69kHz 1024*768(85)(B) PATTERN: CROSSHATCH(C) Adjustment: Adjust VR102 to make the cathode of D112 has 14.8V±0.1V on cathode.(D) CHECK: CHECK OTHER POWER SOURCE should be 82±2V,7.0±0.3V, 46V±2V,-12.1V±0.5V.
8(5) H.V. Adjustment:(A) MODE: 86kHz 85Hz(B) PATTERN: ALL BLACK(Brightness cut off)(C) Adjustment: Adjust VR302 to make the high voltage has 25.5±0.2KV(6) H-Free run Adjustment:(A) MODE: 30kHz(B) PATTERN: ALL WHITE(C) Adjustment: a. Tp6 connect 1uF/50V E-Cap to Ground.b. Adjust VR306 to take H o/p Frequency is 30kHz or the screen stand up.c. Take away E-Cap.(7) X-RAY test:(A) MODE: 86kHz 85Hz(B) PATTERN: CROSSHATCH(Brightness just cut off)(C) Test: a. Make TP1 and TP2 to be short circuit confirm the X-ray reactive.b. Reset the power.           (8) H-CENTER adjustment(A) MODE: 86kHz 85Hz(B) PATTERN: CROSSHATCH(C) Adjustment: Adjust VR301 to make raster is centrally on CRT     (9) H-size adjustment:(A) MODE: 37.5kHz 640*480(75)(B) PATTERN: CROSSHATCH(C) Adjust H-SIZE, OSD set to Max, then adjust VR305 to make the full scan.(10) MODE 11 Pre-Adjustment:(A) MODE: 79.9kHz 1280*1024(75)(B) PATTERN: CROSSHATCH(C) Adjust V-CENTER, H-SIZE, V-SIZE, PINCUSHION, TRAPEZOID, H-PHASE to make PicturePosition Center and Picture Size 310*232mm.(11) WHITE BALANCE adjustment(A) MODE: 69kHz 1024*768(85)(B) PATTERN: ALL BLACK(C) Adjustment:  a. WARM UP 30 min.b. Make External Degauss.c. Factory mode R-BIAS/G-BIAS/B-BIAS set to 20% data.d. Adjust SCREEN VR (FBT) to 500±10Ve. CUT OFF Adjustment: Video signal off (0Vp-p), bright set to MAX, adjustVR304 VR (G1), at the brightness 1~1.5FL.(4.2±0.8 cd/m²)f. Adjust R-BIAS, G-BIAS, B-BIAS to make x=283±5, y=297±5, withreadjusting G2 to keep the brightness between 1~1.5FL(4.2±0.8 cd/m²).
9(12) FOCUS adjust:(A) MODE: 86k 1280*960(85) ALL WHITE(B) Adjust H.parabola Vp-p by OSM H-Focus control to keep P303 pin1 300Vp-p(C) MODE: 46.875kHz 800*600(75) ALL WHITE(D) Adjust H.parabola Vp-p same (B)(E) MODE: 69kHz 1024*768(85)(F) PATTERN: CROSSHATCH(G) Adjust Focus VR(S), horizontal line must be clearly.Adjust Focus VR(D), vertical line must be clearly.(13) Convergence adjust:(A) MODE: 69kHz 1024*768(85)(B) PATTERN: CROSSHATCH.(C) Adjustment: Use the convergence meter to check the spec. if can not follow the spec, adjustYoke coil to make be follow the spec.(14) Automatically adjust:Adjust H-SIZE, V-SIZE, H-PHASE, V-PHASE, PINCUSHION, TRAPEZOID R.G.B. GAIN byfactory product line automatic adjustment system─systemER9300 ,ER2300)(AdjustNO.1~11MODE).H.SIZE : 310±3mmV.SIZE : 232±2mmH.POSI :  ±2mmV.POSI :  ±2mm(15) White balance check and ABL adjust:(A) MODE: 69kHz 1024*768(85)(B) PATTERN: CENTER BLOCK(WINDOW)(C) Contrast control set to Max and brightness control set to the Max, adjust R.G.B. GAINstandard as below   9300K  x=0.283±0.010                 7500K  x=0.300+0.010           y=0.297±0.010                         y=0.315-0.010           Y=206±10 cd/m²                        Y=206+10 cd/m   6500K  x=0.315±0.010           y=0.325±0.010           Y=206±10 cd/m²(D) PATTERN: FULL WHITE 9300K.(E) If they are out of spec, adjust to following:BRIGHTNESS: Back raster is 0.2 cd/m² positionCONTRAST MAX: (MAX-5 digit )~(MAX)Adjust R/G/B gain to be 9300K color due to about spec.(F) When adjust 7500/6500K color,keep brightness and contrast max position to (E) condition.Adjust R/G/B/ GAIN to be 7500/6500K color due to about spec..(G) Adjustment: Brightness control and contrast control set to Max, adjust VR303 to Y=29~31FT-L(103±3cd/m²)
10(16) POWER SAVING Test:(A) MODE: 60kHz 1024*768(75)(B) PATTERN: ANY PATTERN.(C) Adjustment:a. It should be into suspend mode when signal quit after 5 sec.2nd the power output must be≦15W. Check the LED color :Orange.b. It should be into power off mode when into suspend mode after 3sec.and the poweroutput must be≦8W. Check the LED color :Orangec. Transfer the signal and check the screen is normal. Check the LED color :Green(17) DDC 1/2B Test:(A) MODE: Any MODE.(B) PATTERN: Any PATTERN.(C) Scan bar code label and apply serial NO. to EDID Data.
11(18) TIMING TABLEPreset Mode No.123456VGA VGA VESA VESA VESA (MAC)Signal Name 640*400 640*480 640*480 640*480 800*600 832*624(75) (85) (75) (75)Resolution640*400 640*480 640*480 640*480 800*600 832*624Dot Clock (MH 25.175 25.175 31.500 36.000 49.500 57.283fh (kHz 31.47 31.469 37.50 43.269 46.875 49.725fv (Hz) 70.09 59.940 75.00 85.008 75.00 74.550Total(dot)800 800 840 832 1056 1152(uS) 31.78 31.778 26.667 23.111 21.333 20.111Disp (dot) 640 640 640 640 800 832(uS) 25.42 25.422 20.317 17.778 16.162 14.523Front (dot) 16 16 16 56 16 32(uS) 0.64 0.636 0.508 1.556 0.323 0.559Sync Pulse (dot) 96 96 64 56 80 64(uS) 3.18 3.813 2.032 1.556 1.616 1.117Back (dot) 48 48 120 80 160 224(uS) 1.91 1.907 3.810 2.222 3.232 3.910Total(H)449 525 500 509 625 667(mS) 14.268 16.683 13.333 11.764 13.333 13.414Disp (H) 400 480 480 480 600 624(mS) 12.711 15.253 12.800 11.093 12.800 12.549Front (H) 12 10 1 1 1 1(mS) 0.381 0.318 0.027 0.023 0.021 0.020Sync Pulse (H) 223333                    (mS) 0.064 0.064 0.080 0.069 0.064 0.060Back (H) 35 33 16 25 21 39                (mS) 1.112 1.049 0.427 0.578 0.448 0.784InterlaceNON NON NON NON NON NONPolarity (H/V NEG/POS NEG/NEG NEG/NEG NEG/NEG POS/POS NEG/NEGComposite SyncComposite VideoCharacter Font 7*9 7*9 7*9 7*9 7*9 7*9Serration OFF OFF OFF OFF OFF OFFEQP OFF OFF OFF OFF OFF OFF
12Preset Mode No.78910 11VESA VESA VESA VESA VESASignal Name 800*600 1024*768 1280*1024 1024*768 1280*1024(85) (75) (60) (85) (75)Resolution800*600 1024*768 1280*1024 1024*768 1280*1024Dot Clock (MHz) 56.250 78.750 108.000 94.5 135.0fh (kHz) 53.674 60.023 63.981 68.677 79.976fv (Hz) 85.061 75.029 60.020 85 75.025Total(dot)1048 1312 1688 1376 1688(uS) 18.631 16.660 15.630 14.561 12.504Disp (dot) 800 1024 1280 1024 1280(uS) 14.222 13.003 11.852 10.836 9.481Front (dot) 32 16 48 48 16(uS) 0.569 0.203 0.444 0.508 0.119Sync (dot) 64 96 112 96 144(uS) 1.138 1.219 1.037 1.016 1.067Back (dot) 152 176 248 208 248(uS) 2.702 2.235 2.296 2.201 1.873Total(H)631 800 1066 808 1066(mS) 11.756 13.328 16.661 11.765 13.329Disp (H) 600 768 1024 768 1024(mS) 11.179 12.795 16.005 11.183 12.804Front (H) 11111(mS) 0.019 0.017 0.016 0.015 0.013Sync (H) 33333                    (mS) 0.056 0.050 0.047 0.044 0.038Back (H) 27 28 38 36 38                (mS) 0.503 0.466 0.594 0.524 0.475InterlaceNON NON NON NON NONPolarity (H/V) POS/POS POS/POS POS/POS POS/POS POS/POSComposite SyncComposite VideoCharacter Font 7*9 7*9 7*9 7*9 7*9Serration OFF OFF OFF OFF OFFEQP OFF OFF OFF OFF OFF
13Preset Mode No.15 16Signal Name FREE H.CENTResolution640*400 1024*768Dot Clock (MHz) 25.24 125.4fh (kHz) 30.05 85.938fv (Hz) 69.56 85.002Total(dot)840 1728(uS) 33.278 11.636Disp (dot) 640 1280(uS) 25.357 8.62Front (dot) 16 64(uS) 0.631 0.431Sync (dot) 64 160(uS) 2.536 1.077Back (dot) 120 224(uS) 4.754 1.508Total(H)432 1011(mS) 14.376 11.764Disp (H) 400 960(mS) 13.311 11.171Front (H) 1 1(mS) 0.033 0.012Sync (H) 2 3                    (mS) 0.067 0.035Back (H) 29 47                (mS) 0.956 0.547InterlaceNON NONPolarity (H/V) NEG/POS POS/POSComposite SyncComposite VideoCharacter Font 7*9 7*9Serration OFF OFFEQP OFF OFF
14INSPECTION1. Inspection of PLUG & PLAY communication  1-1. A construction of SystemThis system should be connected as shown below.  1-2. Starting method1) Input SignalInput signal must be separate sync. Timing is the signal whose vertical synchronization frequency isbetween 55Hz and 25kHz.Horizontal synchronization frequency should be set to 31.5kHz.2) Power ON procedurež First, put the floppy disk for PnP Inspection into PC and turn on PC.ž Turn on Fixture.ž Make sure that fixture’s LED turns on and off.ž Turn on signal generator and monitor.3) Starting PC Softwarež Inspection of PnP communicationTo check the PnP communication, for N9702, EDID file name is N9702.Type “P N9702” on DOS command line and press return key.ž Writing EDID to EEPROM and inspection of PnP communicationTo write EDID to EEPROM and check the PnP communication of N9702, type “WP N9702”on DOS prompt line and press return key.MonitorFixtureSignal CableRGB H VPower CablePower CableSignal Generator[ TEST PROGRAM  PART No. 599910408 Program DiskPC
15  1-3. Operationž The operation should be performed according to the screen message.ž The message of “Normally Complete” means that writing of EDID data or PnP inspection completednormally.The message of “Error” means that writing of EDID data or PnP inspection finished incorrectly.ž When the PnP inspection is completed, read EDID data would be displayed. And if the read EDIDdata differed from the original EDID data, the different bytes would be displayed in red.ž For the details of error, see the messages displayed at the bottom right of the screen.The meaning of the messages is shown on section 4.ž After writing of EDID data or inspection of DDC2B, monitor can not be communicated by DDC1.In that case, turn off and on the monitor again, which will make the DDC1 communication testpossible.ž Make sure that fixture’s LED flashes on and off before writing EDID data, inspecting DDC1 andDDC2B. If the fixture’s LED does not flash on and off, turn off and turn on the monitor and the fixture.  1-4. Error Messagesž Start Bit ErrorThis message is displayed when the start bit is not “H” while sending data from PC to MPU on thefixture. This error will be caused by noise etc. on the line.ž Command ErrorThis message is displayed when the different command is sent from PC to MPU on the fixture.ž Hardware ErrorThis message means that the PC does not recognize ACK command sent from the MPU on thefixture.ž File Open ErrorThis message means that the input EDID file name was wrong.ž Command line Switch ErrorThis message means that the input communication command is incorrect.ž Parity ErrorThis message is displayed when the MPU on the fixture recognized the parity bit is incorrect.This error can be caused by noise etc. on the line.ž EDID Data ErrorThis message is displayed when the null bit is not detected in EDID data read by DDC1communication.ž EDID Data Sort ErrorThis message is displayed when the header code is not detected in EDID data read by DDC1communication.ž Time Out ErrorThis message is displayed when the PC does not recognize ACK commands sent from MPU within10 msec after the PC had sent communication command or EDID data.If this error occurs, check the connection on PC, fixture and monitor.
16  1-5. EDID data fileThe EDID data file text is shown below. When you write or inspect EDID for this monitor, the followingtable can be used.File name: N97020123456789ABCDEF00 00 FF FF FF FF FF FF 00 38 A3 F0 AB 01 01 01 0110 *1) *2) 01 02 08 25 1B 78 EA 22 28 A1 54 48 99 2620 11 48 4C FF FF 80 31 59 45 59 61 59 71 4F 81 5930 81 99 A9 4F D1 40 86 3D 00 C0 51 00 30 40 40 A040 13 00 64 0B 11 00 00 1E 00 00 00 FD 00 37 A0 1F50 60 18 00 0A 20 20 20 20 20 20 00 00 00 FC 00 4D60 75 6C 74 69 53 79 6E 63 20 39 30 0A 00 00 00 FF70 00 *3) *3) *3) *3) *3) *3) *3) *3) *3) *3) *3) *3) *3) 00 *4)Table 1-1. Data list (Management number)※1 : address 10h Month of Manufacture × 4※2 : address 11h  Year of Manufacture – 1990※3 : address 71h ~7Dh  Serial Number String (ASCII code) If less than 13 bytes then terminatewith ASCII code 0Ah and pad field with ASCII code 20h.※4 : address 7h  This Address should be programmed such that a one-byte checksum ofthe entire 128 byte EDID equals 00h.Diagram 1-1 Timing chart of DDC2BCONTROLBYTEDATA n DATA n+ 1 DATA n+XACKACKACKSTARTSPBUS ACTIVITYMASTERSDA LINE 12pinBUS ACTIVITY
17SAMSUNG CDT Spec.Screen and faceplate blemishes1. Test procedureSet up the tube and adjust the light output on a blanked raster at the center of the screen forapproximately 54 lm/m² (5 F/L) and 9300°K + 27 M.P.C.D. (OR 6550°K + 7 M.P.C.D.) colortemperature.The screen should be viewed at a minimum distance of 60cm (2 feet).Ambient light level at the tube face should be approximately 1.0 lux.In the non-operating condition the screen may be viewed under highlevel, single source incandescentlight of 700 to 1,000 lux measured at the faceplate surface. The size of a round blemish is equal to itsdiameter. The size of an irregularly shaped blemish is equal to its equivalent diameter, defined as theaverage of the major and minor axes.2. Classification of screen and faceplate blemishedBlemishes are divided into phosphor screen blemishes and glass bulb blemishes.(1) Phosphor screen blemishesBlemishes are classified depending upon the next table and judged with the standard specified inclause 4.Degree of contrast Contents of blemish Valuation of blemishHigh-contrast − Black spot− More than 50% of missingphosphor dotThe number of blemishedand quality areaMedium-contrast − 25 to 49% of missingphosphor dotDittoLow-contrast − Non-uniformity lighted part− Smudge and so on(2) Faceplate blemishesBlemishes are classified as scratches and bulb defects and judged with the standard specified inclause 5.3. Quality areaZoneZone A Zone BTube size Rectangle area concentricwith the center of screenRemaining useful screen area19”315 × 236mm Ditto
184. Limits of phosphor screen blemishes(1) High-contrast blemishesThe following criteria is applied to high-contrast blemishes.Allowable No. of blemishes AllowableMinimumSeparation(mm)Blemish Zone A Zone B Total(Zone A & B) Zone A Zone B A + BA1 trio 1 1 2    ----- 20B(1) 0 0 0 (2) 1 2 2 20 20C(3) 1 2 2 ---- 20 20Green 3 4Red 5 6D1 dotBlue 5 610 50 20 20EIn case ofA+C50 20 20FIn case ofA+C+D50 20 20(1) 3 or more consecutive same color phosphor dots(2) 2 consecutive same color phosphor dots(3) 2 consecutive different color phosphor dots(2) Medium-contrast blemishesThe following criteria is applied to medium-contrast blemishes.Allowable maximumnumberAllowable minimumseparation(mm)BlemishZone A Zone B Zone A Zone A+B3 consecutive dot 2 4 30 302 consecutive dot 3 7 20 201 dot ignore ignore  Note) Minimum separation is 20 mm among any high and medium contrast blemishes (excluding 1 dot medium contrast blemishes).(3) Low-contrast blemishesThe following criteria is applied to low-contrast blemishes.BlemishesIn zone AEquivalent diameter of the total area of low-contrast blemishes should be less than 13mm.Extended blemishesIn both zones A and BEquivalent diameter of the total area of low-contrast blemishes should be less than 50mm.
195. Limits of faceplate blemishes(1) ScratchesThe following criteria is applied to scratches on the faceplate of color display tubes.Maximum size of scratches allowableWidth (mm) Length of single scratch(mm) Allowable number0.05 or less Ignore 0.06 ~ 0.12 50 or less 10.13 ~ 0.20 10 or less 1Over 0.20 0(2) Limits of faceplate defectsThe following criteria is applied to defects of useful screen on panel face.Zone Zone A Zone BBlister (mm) 0.41 ~ 0.60 0.41 ~ 0.60Opaque spot &open blister (mm)0.31 ~ 0.50 0.31 ~ 0.50Single zone 1 2Allowable numberof defects Total 3MajordefectsAllowable minimum separation(mm) 50Blister (mm) 0.25 ~ 0.60Opaque spot &open blister (mm)0.20 ~ 0.60Allowable number of defects 4Gatheringdefectswithinϕ 50mm Allowable minimum separation 12.7Width (mm) 0.10 ~ 0.20 0.10 ~ 0.30Maximum length (mm) 4.0 6.0Single 2Allowable number of defectsTotal 2ElongatedAllowable minimum separation 76
20LG CDT Spec.Limits of Screen and Faceplate Blemish1. Test ProcedureSet up the tube and adjust the light output on a blank raster at the center of the screen forapproximately 15 FL and C.I.E x = 0.281, y = 0.311 (or x = 0.313, y = 0.329) color coordinate.The screen should be viewed at the minimum distance of 60 cm (2 feet).Ambient light level at the tube face should be approximately 5.0 Lux.In the non-operating condition the screen may be viewed under high level, single-source incandescentlight of 700 to 1,000 lux measured at the faceplate surface.The size of a round blemish is equal to its diameter. The size of an irregularly shaped blemish is equalto its equivalent diameter, defined as the average of the major and minor axis.2. Quality areaZoneZone A Zone BTube size Rectangle area concentricwith the center of screenRemained useful screen area41 cm 300mm x 225mm Remained area3. Phosphor screen blemishes3.1 The criteria of blemish classificationCategory Contents of blemish Entire defects  Blank Spot 50% or more of complete dot is missing Partial defects  25 to 49% of complete dot is missing Other defects  Non-uniformity lighted part
213.2 High contrast blemishesAllowable number of blemishes Min. separation [mm]Blemish Zone A Zone B Total (zone A & B) Zone A Zone BA1 trio 111 B* (1) 000 * (2) 1 2 2 50 50C* (3) 1 2 2 50 20green 3 2blue 5 4D1 dotred 5 410 50 20EIncase of C+D    50 20*Note: (1) 3 or more consecutive same color phosphor dots(2) 2 consecutive same color phosphor dots(3) 2 consecutive different color phosphor dots3.3 Medium contrast blemishesAllowable max. number Allowable min. separation [mm]Blemish Zone A Zone B Zone A Zone B3 consecutive dots 1 2 -302 consecutive dots 3 6 30 201 dot ignore Ignore  3.4 Low contrast blemishesBlemishes in zone A Equivalent diameter of the total area of low-contrast blemishes should be less than 13mm.Extended blemishes inboth zone A and BEquivalent diameter of the total area of low-contrast blemishes should be less than 50mm.3.5 Other defectsEquivalent diameter of the total area should be less than 13mm.
224. Faceplate blemishesThe following criteria of the scratches and the limits of faceplate defects are applied to the useful screenof the panel face.4.1 ScratchesWidth (mm) Length of single scratch (mm) Allowable number0.05 or less Ignore 0.06 ~ 0.12 50 or less 10.13 ~ 0.20 6 or less 1Over 0.21 04.2 Limits of faceplate defectsDefects Zone A Zone BBlister 0.41 – 0.60 0.41 – 0.60Opaque spot & open blister(mm) 0.41 – 0.60 0.41 – 0.60Single zone 1 2Allowable numberof defects Total 2MajordefectsAllowable minimum separation(mm) 57Blister 0.25 – 0.40Opaque spot & open blister(mm) 0.20 – 0.40Allowable number of defects 2Gatheringdefectswithinφ 50 mm Allowable minimum separation(mm) 12.7Width (mm) 0.10 – 0.20 0.10 – 0.30Maximum length (mm) 4.0 6.0Elongated Allowable numberof defects Total 2
234.3 Definition of coating defectsRing of defects Contents of defects Valuation of defectHigh-contrast Ÿ Reflective spots and coatingvoidsŸ Clearly visible by reflectionThe number of defects andquality areaLow-contrast Ÿ Cloudy visible by reflection DittoElongatedŸ Same reflection as low contrastŸ Not include high contrastreflectanceDitto4.4 Criteria of coating defectsThe following criteria is applied to defects of useful screen area.     ZoneKinds of defect Zone A Zone BSize ofdefects(mm)less than0.5 0.5-1.0 1.1-1.5 over 1.6 less than0.5 0.5-1.0 1.1-1.5 over 1.6Allowablenumber ofdefectsignore 5 3 0 ignore 5 3 0High -contrastAllowablemin. separa-tion(mm)30 30Size ofdefects(mm)less than1.5 1.5-3.0 over 3.1 less than 1.5 1.5-3.0 over 3.1Allowablenumber ofdefectsignore 3 0 ignore 3 0Low -contrastAllowablemin. separa-tion(mm)20 20Width(mm) 3.0 or lessMaximumlength(mm) less than 10 10 or overElong-ated Allowablenumber ofdefect3 0ignore
24TROUBLE SHOOTINGRefer to User’s Manual trouble shooting section before using this chart.TABLE OF CONTENTSPage1. NO OPERATION, POWER LED FLASH  ...................................................................................... 252. NO OPERATION, POWER LED OFF  .......................................................................................... 263. VIDEO NOISE, UNSYNCHRONOUS  .......................................................................................... 274. NO VIDEO ................................................................................................................................. 285. NO RASTER .............................................................................................................................. 296. TROUBLE IN H.V SYNC  ............................................................................................................ 307. PINCUSHION POOR  ................................................................................................................. 318. FOCUS POOR ........................................................................................................................... 32
251. NO OPERATION, POWER LED FLASHPOWER LED FLASHPOWER SWTURN OFFPOWER SWTURN OFFMULTIMETER TESTQ315, Q312, D114,D110,D111,D112,D113
262. NO OPERATION, POWER LED OFF1. DC P/S O/P VOLTAGE SET AT 17V,CURRENT SETAT 200MA. POSITIVE CONNECT TO C109”+”.NEGATIVE CONNECT TO C105”-“.2. SCOPE SET AT 10V/DIV, 10US/DIV, PROBECONNECT TO Q101-GATE AND C105”-“.POWER SWTURN OFFCHECKF101CHECKQ101CHECKU101U101 PIN6PULSE O/PPOWER SWTURN ON FAILURER111, ZD103CHECKU101 PIN 7 VCCPIN 4 SAWTOOTHPIN 8 = 5VNO
273. VIDEO NOISE, UNSYNCHRONOUSCHECK HORIZONTALFREQUENCY C114 TO GNDCHECKQ312 FREQUENCYSYNCRONIZEWITH H-SYNCCHECK U301NORMAL OPERATIONCHECKQ101 G-S FREQUENCYSYNCRONIZEWITH H-SYNCCHECK C114, R116D109, R115, R117YESYESNONONO
284. NO VIDEONO VIDEOYESCHECKSCREEN CONTROLCLOCKWISEYESCHECKU201 PIN 2, 6, 11SIGNAL LEVELYESCHECKU201 PIN 29, 32, 35SIGNAL LEVELTROUBLE IN U201CLAMP(PIN 19)U201 12V VOLTAGEYESCHECKU203 PIN 1, 2, 3SIGNAL LEVELCHECKCATHODE VIDEOLEVELTROUBLE IN CRTYESYESTROUBLE IN U203R216, R236, R256NOTROUBLE IN U20312V, 80V VOLTAGENONOTROUBLE INR/G/B SIGNAL,SIGNAL CABLENOREFERNO RASTERNO
295. NO RASTERCHECKU301 PIN 1, PIN 2H/V SYNCNO RASTERCHECKB+TROUBLE INMCU U701YESYESTROUBLE INQ315,Q316,T301,D320,D321,T302CHECK Q315COLLECTOR ABOUT1050Vp-pCHECK G1VOLTAGE ABOUT-45~65VTROUBLE ING2 VOLTAGEYESYESTROUBLE INQ323, Q331, R394, D314,T302, C328, U701NONOCHECKT302 PIN 3 VOLTAGE62V AT 31.5KHz, 180VAT 86KHzTROUBLE INU301,Q312,D317,D111,R31A,R384, Q307, Q308OR DEFLECTION YOKEYESNOCHECKU301 PIN 26, 3H/V SYNCTROUBLE INU301YESYESNONOPOWER SUPPLYCHECKNOYESCHECKU701 PIN IS LOWNO
306. TROUBLE IN H. V SYNCTROUBLE INHOR. OR VER. SYNCCHECKCONNECTOR S701(PIN6,7), SIGNALTROUBLE INSIGNAL CABLECHECKU701(PIN 13,15)H/V SYNC.SIGNALTROUBLE INH/V SYNC LINE &Q701, Q702CHECKU701(PIN 16,17)H/V SYNC.SIGNALCHECKU701(PIN 40)VOLTAGE5V?TROUBLE IN5V LINEYESNOYESYESYESCHECKU301(PIN 1, 2)TROUBLE INU301YESYESNONONOCHECKU701 (PIN 18, 19)FREQ.8MHzTROUBLE INH.V SIGNAL LINER301, R302, C301, C302TROUBLE INX701, U701NOYESNO
317. PINCUSHION POORPINCUSHIONPOORPARABOLAWAVECHECKU301 PIN 24PARABOLATROUBLE IN U301CHECK C350, Q332,Q314,Q342,R332, R330,R32A,R32C,R30Y,32TCHECK Q309, Q311,Q332,Q341,Q342,C350NONOYESYESYES
328. FOCUS POOR1. CHECK STATIC FOCUS ANDDYNAMIC FOCUS VR LINE TOCRT SOCKET2. CRT SOCKET OR CRT POORFOCUS POORCHECKT302 12PIN H-DYNAMICPARABOLA WAVEFORM 500Vpp,V-DYNAMIC PARABOLAWAVEFORM 180VppADJUSTT302 STATIC FOCUS VR ANDDYNAMIC FOCUS VRCHECKT303 H AND V PARABOLAWAVEFORMCHECKC323 H-PARABOLAWAVEFORM 50VppCHECKU301 10PIN FOCUS; Q302BASE H-PARABOLA4-VppGO TO FACTORY MODE,CHOICE H-FOCUS ICON, ADJUSTTO 70~100%, CHECK U30110PIN FOCUS 4VppTROUBLE IN U301TROUBLE INT303, Q305, R360, R359,R331, R32G, R329, R330,R332,R32H,C320,C324,TROUBLE IN T801TROUBLE INQ302, Q338, Q304, Q303R327, R363, R326YESYES NONOYESYESNONONONOH-PARABOLAV-PARABOLANO
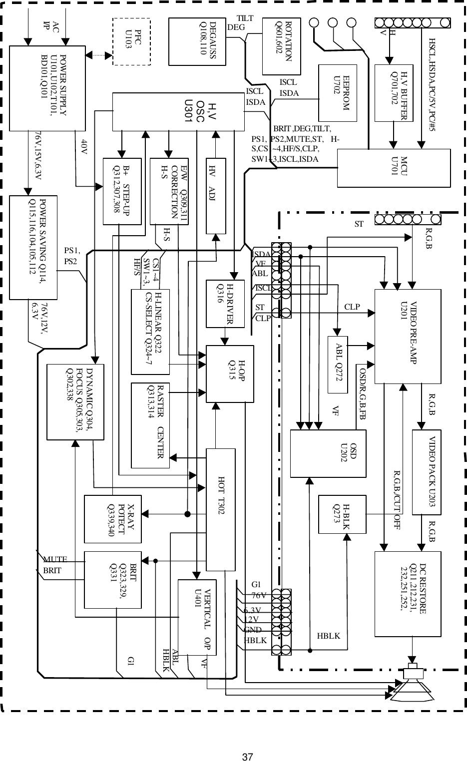
33N9702 Theory of circuit operationThis monitor contains the following blocksPage1. Power Supply  ............................................................................................................................342. Video Circuit & OSD ...................................................................................................................343. Micro Controller System  .............................................................................................................344. Vertical Deflection  ......................................................................................................................355. Horizontal Deflection  ..................................................................................................................356. FBT Secondary & Dynamic Focus ...............................................................................................36
341. Power Supply(a) The filter network consists of L104, C101, C107, L101, L102, C103 and C104. The main function ofthis filter circuit is to eliminate the noise that is produced from monitor itself.(b) T101 is an energy converter which transfers the energy from primary winding to secondary load. R104,C112 and D105 are the snubber circuit and they function to absorb the spike to protect Q101.(c) U101 is a pulse width modulation IC which supplies the drive pulse to Q101. The sync pulse is gotfrom FBT secondary to ensure the power supply and horizontal deflection are synchronized.(d) D110, D111, D112, D113, D114 are output rectifier diodes which are filtered by C119, C120, C121,C122 and C143. The output voltage will supply and control all the deflection circuit.(e) DC to DC step-up PWM is output from U301 pin28. This waveform through Q307 and Q308 to drivethe Q312. This pulse width is varied with horizontal frequency, and then the DC voltage is difference ofFBT pin3.2. Video Circuit & OSDThe video amplifier system is consist of the Pre-Amplifier, the Video-Power-Amplifier, and the cutoff-Voltage-Adjusting circuit.(a) The U201 (M52743BSP) is a three channel video pre-amplifier IC, that controlled by MCU IIC bus forthe features of contrast, output DC level, 3 SUB gain controls (R-Gain, G-Gain, B-Gain)and 3 D/Aoutput pin .(b) U201 PIN 19 need a positive pulse for clamping and PIN 27 also need a positive pulse for blanking.(c) The OSD mixer processes are on pin 4, 9, 13, and the OSD Blk input on pin 1.(d) The Video-Power-Amplifier U203 (LM2435) is a three channel hybrid IC which functions as a cascadetype transistor amplifier to reach the high bandwidth performance.(e) The Cutoff- Adjusting circuit is consist of Q211, Q212, Q231, Q232, Q251 and Q252 to provide thefunction of background white-balance.(f) The U202 (MTV021-38) is a OSD generator outputs the R. G. B. and FBLK signals that MCU showsthe monitor’s status and the user adjusting indications. This IC is synchronized by horizontal andvertical sync input on pin 5 and pin 10.3. Micro Controller System(a) The MCU U701 (MTV112) provides the following functions:(1) Output 10 PWM to adjust the voltage controlled functions such as H-SIZE, BRIGHTNESS,ROTATION.(2) When MCU detected the power saving signal, two outputs pin 26 and pin27 will change the Hi/Lostate to control the power saving circuit.(3) There has 3 outputs (SW1~SW3) to control the H-SIZE, when MCU detected the different sync, theSW1~SW3 will change its Hi/Lo state.(4) There still has 4 CS outputs and HF/S used to control the S-correction capacitor for horizontaldeflection stage.(5) Pin 16 and pin 17 provides the always positive polarity H-SYNC and V-SYNC.SW1 SW2 SW3 fH<40.0k L L L 40.0k<=fH<53.0k LHL 53.0k<=fH<63.0k H H L 63.0k<=fH<70.0k LHL 70.0k<=fH<86.5k H H L 86.5k>=fH L L L
35Input OutputSync Sync PS CSMode StateHVHVMute121234ON Pulses Pulses Pulse Pulse LH H Depend on fHStand By No pulses Pulses L L HLHLLLLSuspend Pulses No pulses L L HLHLLLLUserPMS_OFF No pulses No pulses L L HLLLLLLON Pulses Pulses Pulses Pulses LH H Depend on fHStand By No pulses Pulses L L L H H LLLLSuspend Pulses No pulses L L L H H LLLLFactoryPMS_OFF No pulses No pulses L L L H H LLLLInput OutputSync Sync Rotation SWMode StateHVHVDAC 123ON Pulses Pulses Pulse Pulse Adj. data Depend on fHStand By No pulses Pulses L L 107/255 HHHSuspend Pulses No pulses L L 107/255 HHHUserPMS_OFF No pulses No pulses L L 0/255 HHHON Pulses Pulses Pulses Pulses Adj. data Depend on fHStand By No pulses Pulses L L Adj. data HHHSuspend Pulses No pulses L L Adj. data HHHFactoryPMS_OFF No pulses No pulses L L Adj. data HHH(b) The U702 is an EEPROM IC which stores the parameters of each mode and the user adjusting resultand also DDC data. It is controlled by IIC bus from MCU.4. Vertical Deflection(a) Vertical deflection Saw-tooth waveform is provided by U301, pin 23, and amplified by U401 TDA8172.(b) A voltage multiplier connected to pin 3 and pin 6, consists of D402, C409 to avoid flyback scanning lineappeared during the vertical flyback period.(c) U301 (TDA9111) pin 21 provides a DC level as a V-Position control voltage.(d) U401 pin 5 is output to drive vertical yoke.5. Horizontal Deflection(a) U301 is a horizontal signal processing IC. Horizontal Driver signal is output from pin 26 of U301TDA9111 and through Q333, Q334 to drive Q316 and T301.(b) T301 is an on/off type driver transformer. It functions to convert primary energy to secondary, and drivethe horizontal output transistor Q315, R369 and C363 are the snubber.(c) Horizontal linearity and Cs circuit:(1) Horizontal linearity and Cs is changed by RL301,RL301 can change HorizontalTr(C337),Linear(L302) and Cs(C336).It control by HF/S from U701 pin 30
36(2) C344 is the Cs capacitor, and Q324 controls C345, Q326 controls C347, Q325 controls C346, Q327controls C348. The U701 pin 1, 2, 3, 4 controls the Q324, Q326, Q325 and Q327 respectively. Sodifferent frequency has different combination to meet the requirement.Cs Table By FrequencyCS1 CS2 CS3 CS4 fH < 30K 0 0 0 0 30K < fH < 34K 0 0 0 0 34K < fH < 37K 0 0 1 0 37K < fH < 46K 0 1 1 0 46K < fH < 53K 1 0 0 1 53K < fH < 63K 1 1 0 1 63K < fH < 68K 0 0 1 1 68K < fH < 75K 1 0 1 1 75K < fH < 85K 0 1 1 1 85K < fH < 86.5K 1 1 1 1 86.5K < fH 0 0 0 06. FBT Secondary & Dynamic Focus(a) Focus and screen voltage are come from FBT bleeder.(b) G1 bias is controlled through R399, R30F, VR304, R30B and Q323.(c) Q309 is controlled by MCU pin 31 Mute2, and it will blank the picture during mode change.(d) Q401 is the blanking buffer to G1 to blank the retrace line of picture.(e) Q339, Q340, D302,ZD301,D326,R322 and R318 are the x-ray protection circuit. Once the HV risesabnormally, U301 win shut down itself, all the horizontal deflection is stopped by then.(f) Dynamic Focus:(1) H-Focus: U301 pin 10 outputs a parabolic waveform and through Q302 into Q338 to get a reverseamplified waveform. This waveform is through the SEPP Q303 and Q304, as a current gain theninput into T303.(2) V-Focus: U401 pin 5 output waveform through R329, C322, R32G and C324 to get a parabolicwaveform. This waveform is amplified by Q305 and input into T303.(3) H-Focus and V-Focus are into T303 to get a combined waveform that will input to FBT.
37POWER SUPPLYU101,U102,T101,BD101,Q101MCUU701H,V BUFFERQ701,702HVHSCL,HSDA,PC/5V,PC/#5ACI/PPFCU103H,VOSCU301POWER SAVING Q114,Q115,116,104,105,11276V,15V,6.3VH-DRIVERQ316E/W  Q309,311CORRECTIONH-SB+  STEP-UPQ312,307,30840VDEGAUSSQ108,110H-O/PQ315    HOT T302H-LINEAR Q322CS-SELECT Q324~7RASTER  CENTERQ313,314VERTICAL  O/PU401ROTATIONQ601,602 EEPROM U702X-RAYPOTECTQ339,340DYNAMIC Q304,FOCUS Q305,303,Q302,338BRITQ323,329,Q331HV  ADJDC RESTOREQ211,212,231, 232,251,252,VIDEO PACK U203VIDEO PRE-AMPU201OSDU202ABL Q272 H-BLKQ273 6.3V 12V GND HBLKG176VR,G,BISDA VFABL ISCL ST CLPCLPSTOSD/R,G,B,FBVFR,G,B,/CUT OFFHBLK76V,12V,6.3VPS1,PS2CS1~4SW1~3,HF/SMUTEBRIT ISCL ISDAISCLISDA DEG TILT     BRIT ,DEG,TILT,PS1, PS2,MUTE,ST,  H-S,CS1~4,HF/S,CLP,SW1~3,ISCL,ISDAG1VFABLHBLKH-SR,G,B R,G,B

Navigation menu