NXP Austria OM5577-PN7120S 13.56 MHz RFID Module User Manual UM10878

NXP Austria GmbH 13.56 MHz RFID Module UM10878

Users Manual

            UM10878 PN7120 NFC Controller SBC Kit User Manual Rev. 1.3 — 7 July 2016                                                                                   318513 User manual                                                                                     COMPANY PUBLIC      Document information Info Content Keywords OM5577, PN7120, Demo kit, Raspberry Pi, BeagleBone Abstract This document is the user manual of the PN7120 NFC Controller SBC kit.
  NXP Semiconductors UM10878  PN7120 NFC Controller SBC Kit User Manual UM10878 All information provided in this document is subject to legal disclaimers. © NXP Semiconductors N.V. 2016. All rights reserved. User manual                                                                                     COMPANY PUBLIC Rev. 1.3 — 7 July 2016                                                                                   318513 2 of 29 Contact information For more information, please visit: http://www.nxp.com  Revision history Rev Date Description 1.3 20160707 Added demo kit performance details 1.2 20160503 FCC statement updated 1.1 20151007   FCC statement added   Note about useless of some components on the schematics added   Section 8.3 Licenses updated 1.0 20150519 First release
  NXP Semiconductors UM10878  PN7120 NFC Controller SBC Kit User Manual UM10878 All information provided in this document is subject to legal disclaimers. © NXP Semiconductors N.V. 2016. All rights reserved. User manual                                                                                     COMPANY PUBLIC Rev. 1.3 — 7 July 2016                                                                                   318513 3 of 29 1.  Introduction  The present document describes the OM5577/PN7120S demonstration kit, a flexible and easy-to-use Single Board Computer (SBC) Kit for the PN7120 NFC Controller. It contains a PN7120 NFC Controller Board, a Raspberry Pi Interface Board, a BeagleBone Interface Board, as well as an NFC Forum Type 2 Tag in a form of a MIFARE Ultralight card. It enables the development of an NFC solution based on PN7120 in a Linux, Android or Windows for IoT environment. PN7120 is a full NFC controller solution with integrated firmware and NCI interface designed for contactless communication at 13.56 MHz. This document presents first an overview of the kit. Then, it gives printed circuit boards details. Finally, it provides information for reuse of the kit in different environments.  This kit is registered as FCC certified module (FCC ID: OWROM5577-PN7120S).
  NXP Semiconductors UM10878  PN7120 NFC Controller SBC Kit User Manual UM10878 All information provided in this document is subject to legal disclaimers. © NXP Semiconductors N.V. 2016. All rights reserved. User manual                                                                                     COMPANY PUBLIC Rev. 1.3 — 7 July 2016                                                                                   318513 4 of 29 2.  Overview 2.1  Kit description OM5577/PN7120S kit is a high performance fully NFC compliant expansion board for both Raspberry Pi (refer to [1] for more details) and BeagleBone (refer to [2] for more details). It meets compliance with Reader mode, P2P mode and Card emulation mode standards. The board features an integrated high performance RF antenna to insure high interoperability level with NFC devices.  2.2  Kit content The kit is composed of 3 printed circuit boards and a MIFARE Ultralight EV1 card.                                Fig 1.  PN7120NFC Controller SBC Kit content PN7120 NFC Controller Board BeagleBone Interface Board Raspberry Pi Interface Board
  NXP Semiconductors UM10878  PN7120 NFC Controller SBC Kit User Manual UM10878 All information provided in this document is subject to legal disclaimers. © NXP Semiconductors N.V. 2016. All rights reserved. User manual                                                                                     COMPANY PUBLIC Rev. 1.3 — 7 July 2016                                                                                   318513 5 of 29 2.2.1  PN7120 NFC Controller Board The PN7120 NFC Controller Board is the main board of the demonstration kit. It embeds the PN7120 and all related circuitry. It also include an on-board RF antenna with related matching circuitry. This main board has to be used in association with one of the 2 interface boards depending of the target user environment (Raspberry Pi or BeagleBone). For this purpose it integrates dedicated connectors allowing boards assembly.                    Fig 2.  PN7120 NFC Controller Board     Connectors to interface boards RF Antenna PN7120
  NXP Semiconductors UM10878  PN7120 NFC Controller SBC Kit User Manual UM10878 All information provided in this document is subject to legal disclaimers. © NXP Semiconductors N.V. 2016. All rights reserved. User manual                                                                                     COMPANY PUBLIC Rev. 1.3 — 7 July 2016                                                                                   318513 6 of 29  2.2.2  BeagleBone Interface Board The BeagleBone Interface Board offers support for connection to BeagleBone board (refer to [2] for more details). As such it integrate the connectors allowing the PN7120 NFC Controller Board to be plugged on it, as well as connectors to be assembled on top of the BeagleBone board.                               Fig 3.  BeagleBone Interface Board  Connectors to PN7120 NFC Controller Board Connectors to BeagleBone Board
  NXP Semiconductors UM10878  PN7120 NFC Controller SBC Kit User Manual UM10878 All information provided in this document is subject to legal disclaimers. © NXP Semiconductors N.V. 2016. All rights reserved. User manual                                                                                     COMPANY PUBLIC   Rev. 1.3 — 7 July 2016                                                                                   318513 7 of 29  2.2.3  Raspberry Pi Interface board The Raspberry Pi Interface board offers support for connection to Raspberry Pi board (refer to [1] for more details). As such it integrate the connectors allowing the PN7120 NFC Controller Board to be plugged on it, as well as connector to be assembled on top of the Raspberry Pi board.                             Fig 4.  Raspberry Pi Interface Board     Connectors to PN7120 NFC Controller Board Connector to Raspberry Pi Board
  NXP Semiconductors UM10878  PN7120 NFC Controller SBC Kit User Manual UM10878 All information provided in this document is subject to legal disclaimers. © NXP Semiconductors N.V. 2016. All rights reserved. User manual                                                                                     COMPANY PUBLIC   Rev. 1.3 — 7 July 2016                                                                                   318513 8 of 29  2.2.4  MIFARE Ultralight EV1 card OM5577/PN7120S kit includes a MIFARE Ultralight EV1 card allowing to demonstrate NFC reader capabilities of PN7120 NFC Controller. MIFARE Ultralight EV1 is the next generation of paper ticketing smart card IC for limited-use applications that offers solution developers and operators the maximum flexibility for their ticketing schemes and additional security options. For the current purpose of PN7120 NFC Controller demonstration, the card has been set as NFC Forum Type 2 Tag, and pre-configured with NDEF URI type message “http://www.nxp.com/demoboard/OM5577”.                     Fig 5.  MIFARE Ultralight EV1 card
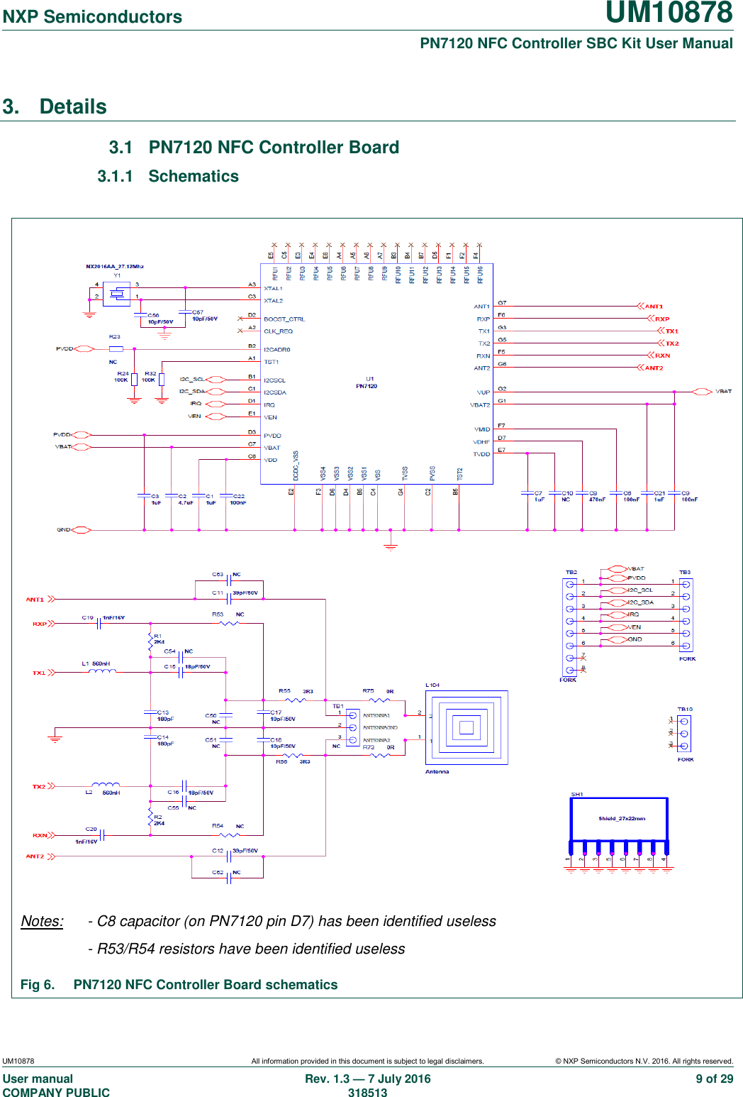
  NXP Semiconductors UM10878  PN7120 NFC Controller SBC Kit User Manual UM10878 All information provided in this document is subject to legal disclaimers. © NXP Semiconductors N.V. 2016. All rights reserved. User manual                                                                                     COMPANY PUBLIC   Rev. 1.3 — 7 July 2016                                                                                   318513 9 of 29 3.  Details 3.1  PN7120 NFC Controller Board 3.1.1  Schematics  Notes:   - C8 capacitor (on PN7120 pin D7) has been identified useless  - R53/R54 resistors have been identified useless Fig 6.  PN7120 NFC Controller Board schematics
  NXP Semiconductors UM10878  PN7120 NFC Controller SBC Kit User Manual UM10878 All information provided in this document is subject to legal disclaimers. © NXP Semiconductors N.V. 2016. All rights reserved. User manual                                                                                     COMPANY PUBLIC   Rev. 1.3 — 7 July 2016                                                                                   318513 10 of 29 3.1.2  Layout 3.1.2.1  Components layers   Fig 7.  PN7120 NFC Controller Board Top components layers   Fig 8.  PN7120 NFC Controller Board Bottom components layers
  NXP Semiconductors UM10878  PN7120 NFC Controller SBC Kit User Manual UM10878 All information provided in this document is subject to legal disclaimers. © NXP Semiconductors N.V. 2016. All rights reserved. User manual                                                                                     COMPANY PUBLIC   Rev. 1.3 — 7 July 2016                                                                                   318513 11 of 29 3.1.2.2  Layer 1   Fig 9.  PN7120 NFC Controller Board Layer 1  3.1.2.3  Layer 2   Fig 10.  PN7120 NFC Controller Board Layer 2
  NXP Semiconductors UM10878  PN7120 NFC Controller SBC Kit User Manual UM10878 All information provided in this document is subject to legal disclaimers. © NXP Semiconductors N.V. 2016. All rights reserved. User manual                                                                                     COMPANY PUBLIC   Rev. 1.3 — 7 July 2016                                                                                   318513 12 of 29 3.1.2.4  Top Silkscreen layer   Fig 11.  PN7120 NFC Controller Board Top silkscreen layer  3.2  BeagleBone Interface Board 3.2.1  Schematics   Fig 12.  BeagleBone Interface Board schematics
  NXP Semiconductors UM10878  PN7120 NFC Controller SBC Kit User Manual UM10878 All information provided in this document is subject to legal disclaimers. © NXP Semiconductors N.V. 2016. All rights reserved. User manual                                                                                     COMPANY PUBLIC   Rev. 1.3 — 7 July 2016                                                                                   318513 13 of 29 3.2.2  Layout 3.2.2.1  Components layers   Fig 13.  BeagleBone Interface Board Top components layers   Fig 14.  BeagleBone Interface Board Bottom components layers
  NXP Semiconductors UM10878  PN7120 NFC Controller SBC Kit User Manual UM10878 All information provided in this document is subject to legal disclaimers. © NXP Semiconductors N.V. 2016. All rights reserved. User manual                                                                                     COMPANY PUBLIC   Rev. 1.3 — 7 July 2016                                                                                   318513 14 of 29 3.2.2.2  Layers 1 & 2   Fig 15.  BeagleBone Interface Board Layers 1 & 2  3.2.2.3  Layer 3   Fig 16.  BeagleBone Interface Board Layer 3
  NXP Semiconductors UM10878  PN7120 NFC Controller SBC Kit User Manual UM10878 All information provided in this document is subject to legal disclaimers. © NXP Semiconductors N.V. 2016. All rights reserved. User manual                                                                                     COMPANY PUBLIC   Rev. 1.3 — 7 July 2016                                                                                   318513 15 of 29 3.2.2.4  Layer 4   Fig 17.  BeagleBone Interface Board Layer 4  3.2.2.5  Top Silkscreen layer   Fig 18.  BeagleBone Interface Board Top silkscreen layer
  NXP Semiconductors UM10878  PN7120 NFC Controller SBC Kit User Manual UM10878 All information provided in this document is subject to legal disclaimers. © NXP Semiconductors N.V. 2016. All rights reserved. User manual                                                                                     COMPANY PUBLIC   Rev. 1.3 — 7 July 2016                                                                                   318513 16 of 29 3.3  Raspberry Pi Interface Board 3.3.1  Schematics   Fig 19.  Raspberry Pi Interface Board schematics  3.3.2  Layout 3.3.2.1  Components layers   Fig 20.  Raspberry Pi Interface Board Top components layers
  NXP Semiconductors UM10878  PN7120 NFC Controller SBC Kit User Manual UM10878 All information provided in this document is subject to legal disclaimers. © NXP Semiconductors N.V. 2016. All rights reserved. User manual                                                                                     COMPANY PUBLIC   Rev. 1.3 — 7 July 2016                                                                                   318513 17 of 29  Fig 21.  Raspberry Pi Interface Board Bottom components layers  3.3.2.2  Layers 1 & 2   Fig 22.  Raspberry Pi Interface Board Layers 1 & 2
  NXP Semiconductors UM10878  PN7120 NFC Controller SBC Kit User Manual UM10878 All information provided in this document is subject to legal disclaimers. © NXP Semiconductors N.V. 2016. All rights reserved. User manual                                                                                     COMPANY PUBLIC   Rev. 1.3 — 7 July 2016                                                                                   318513 18 of 29 3.3.2.3  Layer 3  Fig 23.  Raspberry Pi Interface Board Layer 3  3.3.2.4  Layer 4   Fig 24.  Raspberry Pi Interface Board Layer 4
  NXP Semiconductors UM10878  PN7120 NFC Controller SBC Kit User Manual UM10878 All information provided in this document is subject to legal disclaimers. © NXP Semiconductors N.V. 2016. All rights reserved. User manual                                                                                     COMPANY PUBLIC   Rev. 1.3 — 7 July 2016                                                                                   318513 19 of 29 3.3.2.5  Top Silkscreen layer   Fig 25.  Raspberry Pi Interface Board Top silkscreen layer
  NXP Semiconductors UM10878  PN7120 NFC Controller SBC Kit User Manual UM10878 All information provided in this document is subject to legal disclaimers. © NXP Semiconductors N.V. 2016. All rights reserved. User manual                                                                                     COMPANY PUBLIC   Rev. 1.3 — 7 July 2016                                                                                   318513 20 of 29 4.  PN7120 NFC Controller Board performances  Following RF performance results are obtained running the demo kit: Table 1.  Power Transfer (Poll mode) Measured with EMVCo reference PICC @ 0cm @ 1cm @ 2cm @3 cm 7.6 V 6.7 V 4,3 V 1,2 V Table 2.  Reader/Writer mode performance Card type Communication distance (mm) ISO 15693 UPM RaceTrack 120 NFC Sample Card (NTAG216 – ID1) 80 NFC Sticker (NTAG216 – 40x40) 68 Topaz (35mm Round) 55 Type B (ID1) 45 Felica (ID1) 36 Table 3.  Peer to Peer mode performances  Vs Samsung Galaxy S7 phone Communication distance moving phone from far to close moving Phone from close to far 50 65 Table 4.  Card Mode performance Vs NXP Pegoda Reader Communication distance (mm) 180
  NXP Semiconductors UM10878  PN7120 NFC Controller SBC Kit User Manual UM10878 All information provided in this document is subject to legal disclaimers. © NXP Semiconductors N.V. 2016. All rights reserved. User manual                                                                                     COMPANY PUBLIC   Rev. 1.3 — 7 July 2016                                                                                   318513 21 of 29 5.  Additional information 5.1  Using different Antenna The OM5577/PN7120S kit provide a flexible way of connecting an external RF antenna to be used in place of the on-board one. On the PN7120 NFC Controller Board, the dedicated 3 pins connector referenced as TB1 allows to connect your own antenna. In this case the on-board antenna must be first disconnected, removing resistors R75 and R73. Obviously matching circuitry must be adapted as described in related document “AN11564 - PN7120 Antenna and Tuning Design Guide” (can be downloaded from PN7120 Product Web Page [3]).   Fig 26.  PN7120 NFC Controller Board RF Antenna components  Table 5.  PN7120 NFC Controller Board TB1 connector pinout  TB1 PN7120 signal #1 ANTENNA 1 #2 GND #3 ANTENNA 2  TB1 R73 and R75 Matching circuitry
  NXP Semiconductors UM10878  PN7120 NFC Controller SBC Kit User Manual UM10878 All information provided in this document is subject to legal disclaimers. © NXP Semiconductors N.V. 2016. All rights reserved. User manual                                                                                     COMPANY PUBLIC   Rev. 1.3 — 7 July 2016                                                                                   318513 22 of 29 5.2  Using in another system The OM5577/PN7120S demonstration kit can be reuse in another system than Raspberry Pi or BeagleBone. Indeed, the PN7120 NFC Controller Board provides all required signal on TB2 and TB3 (signals are duplicated on both connectors) connectors to interface boards.   Fig 27.  PN7120 NFC Controller Board interface connectors  Table 6.  PN7120 NFC Controller Board TB2 connector pinout  TB2 PN7120 signal #1 VBAT/VDD(PAD): 3.3V supply voltage #2 I2CSCL: I2C-bus serial clock input #3 I2CSDA: I2C-bus serial data #4 IRQ: interrupt request output #5 VEN: reset pin #6 GND: ground #7 Not connected #8 Not connected  TB2 TB3
  NXP Semiconductors UM10878  PN7120 NFC Controller SBC Kit User Manual UM10878 All information provided in this document is subject to legal disclaimers. © NXP Semiconductors N.V. 2016. All rights reserved. User manual                                                                                     COMPANY PUBLIC   Rev. 1.3 — 7 July 2016                                                                                   318513 23 of 29 Table 7.  PN7120 NFC Controller Board TB3 connector pinout  TB3 PN7120 signal #1 VBAT/VDD(PAD): 3.3V supply voltage #2 I2CSCL: I2C-bus serial clock input #3 I2CSDA: I2C-bus serial data #4 IRQ: interrupt request output #5 VEN: reset pin #6 GND: ground
  NXP Semiconductors UM10878  PN7120 NFC Controller SBC Kit User Manual UM10878 All information provided in this document is subject to legal disclaimers. © NXP Semiconductors N.V. 2016. All rights reserved. User manual                                                                                     COMPANY PUBLIC   Rev. 1.3 — 7 July 2016                                                                                   318513 24 of 29 6.  Federal Communication Commission Interference Statement 6.1  FCC Grant The PN7120 NFC Controller Board have been tested to fulfil the approval requirements FCC 47 CFR part 15: 2014 (§15.225).   Fig 28.  FCC accreditation  6.2  Installation instructions PN7120 NFC Controller board can then be reused as a module for integration into end devices following below instruction/restrictions:   The module is limited to OEM installation ONLY   The OEM/Integrators are responsible for ensuring that the end-user has no manual instructions to remove or install module   The module is limited to installation in mobile or fixed applications, according to Part 2.1091(b)   Separate approval is required for all other operating configurations, including portable configurations with respect to Part 2.1093 and different antenna configurations   Authorized antennas per Part 15.204 (including ant. spec.)
  NXP Semiconductors UM10878  PN7120 NFC Controller SBC Kit User Manual UM10878 All information provided in this document is subject to legal disclaimers. © NXP Semiconductors N.V. 2016. All rights reserved. User manual                                                                                     COMPANY PUBLIC   Rev. 1.3 — 7 July 2016                                                                                   318513 25 of 29   Antenna installation requirements, where relevant   The finished product’s user manual must include following statements: o  Part 15.19 Warning Statement:  This device complies with part 15 of the FCC rules. Operation is subject to the following two conditions: (1) this device may not cause harmful interference, and (2) this device must accept any interference received, including interference that may cause undesired operation. o  Part 15.21 Warning Statement: The user manual for an intentional or unintentional radiator shall caution the user that changes or modifications not expressly approved by the party responsible for compliance could void the user’s authority to operate the equipment. Note: The grantee is not responsible for any changes or modifications not expressly approved by the third party responsible for compliance. Such modifications could void the user’s authority to operate the equipment. o  End-users must be provided with transmitter/antenna installation requirements and operating conditions for satisfying RF exposure compliance:   A separate section should clearly state “FCC RF Exposure requirements”   Required operating conditions for end users   Antenna/or transmitter installation requirements, where relevant (for example: The antenna used with this module must be installed to provide a separation distance of at least 20 cm from all persons, and must not transmit simultaneously with any other antenna or transmitter.) o  « Contains Transmitter module FCC ID :OWROM5577-PN7120S »
  NXP Semiconductors UM10878  PN7120 NFC Controller SBC Kit User Manual UM10878 All information provided in this document is subject to legal disclaimers. © NXP Semiconductors N.V. 2016. All rights reserved. User manual                                                                                     COMPANY PUBLIC   Rev. 1.3 — 7 July 2016                                                                                   318513 26 of 29
  NXP Semiconductors UM10878  PN7120 NFC Controller SBC Kit User Manual UM10878 All information provided in this document is subject to legal disclaimers. © NXP Semiconductors N.V. 2016. All rights reserved. User manual                                                                                     COMPANY PUBLIC   Rev. 1.3 — 7 July 2016                                                                                   318513 27 of 29 7.  References  [1]  The Raspberry Pi is a credit card sized computer. The initial idea behind it was to develop a small and cheap computer to be used by kids all over the world to learn programming. In the end it became very popular among developers all over the world. The heart of the Raspberry Pi is a SoC (System on Chip). This contains an ARM11 running at 700 MHz and a graphics processor that is capable of BluRay quality playback, using H.264 at 40MBits/s. It has a fast 3D core accessed using the supplied OpenGL ES2.0 and Open VG libraries. In addition, the Model B has 512MB RAM included in its SoC. To get started quickly, the Raspberry Pi Foundation provides several preconfigured Linux distributions. For more information about it please visit http://www.raspberrypi.org/  [2]  BeagleBone is a low-power open-source hardware single-board credit-card-sized Linux computer that connects to the Internet and runs software such as Android and Ubuntu. With plenty of I/O and processing power for real-time analysis provided by a 720MHz ARM® processor based SoC (System on Chip), BeagleBone can be complemented with cape plug-in boards to augment functionality. For more information about it please visit http://www.beagleboard.org/bone.  [3]  PN7120 Product Web Page: http://www.nxp.com/products/identification_and_security/nfc_and_reader_ics/ nfc_controller_solutions/PN7120A0EV.html
   Error! Unknown document property name.   Error! Unknown document property name. Error! Unknown document property name. NXP Semiconductors UM10878  PN7120 NFC Controller SBC Kit User Manual UM10878 All information provided in this document is subject to legal disclaimers. © NXP Semiconductors N.V. 2016. All rights reserved. User manual                                                                                     COMPANY PUBLIC   Rev. 1.3 — 7 July 2016                                                                                   318513   28 of 29 8.  Legal information8.1  Definitions Draft — The document is a draft version only. The content is still under internal review and subject to formal approval, which may result in modifications or additions. NXP Semiconductors does not give any representations or warranties as to the accuracy or completeness of information included herein and shall have no liability for the consequences of use of such information. 8.2  Disclaimers Limited warranty and liability — Information in this document is believed to be accurate and reliable. However, NXP Semiconductors does not give any representations or warranties, expressed or implied, as to the accuracy or completeness of such information and shall have no liability for the consequences of use of such information. NXP Semiconductors takes no responsibility for the content in this document if provided by an information source outside of NXP Semiconductors. In no event shall NXP Semiconductors be liable for any indirect, incidental, punitive, special or consequential damages (including - without limitation - lost profits, lost savings, business interruption, costs related to the removal or replacement of any products or rework charges) whether or not such  damages are based on tort (including negligence), warranty, breach of contract or any other legal theory. Notwithstanding any damages that customer might incur for any reason whatsoever, NXP Semiconductors’ aggregate and cumulative liability towards customer for the products described herein shall be limited in accordance with the Terms and conditions of commercial sale of NXP Semiconductors. Right to make changes — NXP Semiconductors reserves the right to make changes to information published in this document, including without limitation specifications and product descriptions, at any time and without notice. This document supersedes and replaces all information supplied prior to the publication hereof. Suitability for use — NXP Semiconductors products are not designed, authorized or warranted to be suitable for use in life support, life-critical or safety-critical systems or equipment, nor in applications where failure or malfunction of an NXP Semiconductors product can reasonably be expected to result in personal injury, death or severe property or environmental damage. NXP Semiconductors and its suppliers accept no liability for inclusion and/or use of NXP Semiconductors products in such equipment or applications and therefore such inclusion and/or use is at the customer’s own risk.  Applications — Applications that are described herein for any of these products are for illustrative purposes only. NXP Semiconductors makes no representation or warranty that such applications will be suitable for the specified use without further testing or modification.  Customers are responsible for the design and operation of their applications and products using NXP Semiconductors products, and NXP Semiconductors accepts no liability for any assistance with applications or customer product design. It is customer’s sole responsibility to determine whether the NXP Semiconductors product is suitable and fit for the customer’s applications and products planned, as well as for the planned application and use of customer’s third party customer(s). Customers should provide appropriate design and operating safeguards to minimize the risks associated with their applications and products.  NXP Semiconductors does not accept any liability related to any default, damage, costs or problem which is based on any weakness or default in the customer’s applications or products, or the application or use by customer’s third party customer(s). Customer is responsible for doing all necessary testing for the customer’s applications and products using NXP Semiconductors products in order to avoid a default of the applications and the products or of the application or use by customer’s third party customer(s). NXP does not accept any liability in this respect. Export control — This document as well as the item(s) described herein may be subject to export control regulations. Export might require a prior authorization from competent authorities. Translations — A non-English (translated) version of a document is for reference only. The English version shall prevail in case of any discrepancy between the translated and English versions. Evaluation products — This product is provided on an “as is” and “with all faults” basis for evaluation purposes only. NXP Semiconductors, its affiliates and their suppliers expressly disclaim all warranties, whether express, implied or statutory, including but not limited to the implied warranties of non-infringement, merchantability and fitness for a particular purpose. The entire risk as to the quality, or arising out of the use or performance, of this product remains with customer. In no event shall NXP Semiconductors, its affiliates or their suppliers be liable to customer for any special, indirect, consequential, punitive or incidental damages (including without limitation damages for loss of business, business interruption, loss of use, loss of data or information, and the like) arising out the use of or inability to use the product, whether or not based on tort (including negligence), strict liability, breach of contract, breach of warranty or any other theory, even if advised of the possibility of such damages.  Notwithstanding any damages that customer might incur for any reason whatsoever (including without limitation, all damages referenced above and all direct or general damages), the entire liability of NXP Semiconductors, its affiliates and their suppliers and customer’s exclusive remedy for all of the foregoing shall be limited to actual damages incurred by customer based on reasonable reliance up to the greater of the amount actually paid by customer for the product or five dollars (US$5.00). The foregoing limitations, exclusions and disclaimers shall apply to the maximum extent permitted by applicable law, even if any remedy fails of its essential purpose. 8.3  Licenses Purchase of NXP ICs with NFC technology Purchase of an NXP Semiconductors IC that complies with one of the Near Field Communication (NFC) standards ISO/IEC 18092 and ISO/IEC 21481 does not convey an implied license under any patent right infringed by implementation of any of those standards. Purchase of NXP Semiconductors IC does not include a license to any NXP patent (or other IP right) covering combinations of those products with other products, whether hardware or software. 8.4  Trademarks Notice: All referenced brands, product names, service names and trademarks are property of their respective owners. MIFARE  — is a trademark of NXP Semiconductors N.V.
  NXP Semiconductors UM10878  PN7120 NFC Controller SBC Kit User Manual   Please be aware that important notices concerning this document and the product(s) described herein, have been included in the section 'Legal information'.      © NXP Semiconductors N.V. 2016.   All rights reserved. For more information, please visit: http://www.nxp.com Date of release: 7 July 2016                                                                                   318513 Document identifier: UM10878 9.  Contents1. Introduction ......................................................... 3 2. Overview .............................................................. 4 2.1 Kit description ..................................................... 4 2.2 Kit content .......................................................... 4 2.2.1 PN7120 NFC Controller Board ........................... 5 2.2.2 BeagleBone Interface Board .............................. 6 2.2.3 Raspberry Pi Interface board ............................. 7 2.2.4 MIFARE Ultralight EV1 card ............................... 8 3. Details .................................................................. 9 3.1 PN7120 NFC Controller Board ........................... 9 3.1.1 Schematics......................................................... 9 3.1.2 Layout .............................................................. 10 3.1.2.1 Components layers .......................................... 10 3.1.2.2 Layer 1 ............................................................. 11 3.1.2.3 Layer 2 ............................................................. 11 3.1.2.4 Top Silkscreen layer ......................................... 12 3.2 BeagleBone Interface Board ............................ 12 3.2.1 Schematics....................................................... 12 3.2.2 Layout .............................................................. 13 3.2.2.1 Components layers .......................................... 13 3.2.2.2 Layers 1 & 2 ..................................................... 14 3.2.2.3 Layer 3 ............................................................. 14 3.2.2.4 Layer 4 ............................................................. 15 3.2.2.5 Top Silkscreen layer ......................................... 15 3.3 Raspberry Pi Interface Board ........................... 16 3.3.1 Schematics....................................................... 16 3.3.2 Layout .............................................................. 16 3.3.2.1 Components layers .......................................... 16 3.3.2.2 Layers 1 & 2 ..................................................... 17 3.3.2.3 Layer 3 ............................................................. 18 3.3.2.4 Layer 4 ............................................................. 18 3.3.2.5 Top Silkscreen layer ......................................... 19 4. PN7120 NFC Controller Board performances . 20 5. Additional information ...................................... 21 5.1 Using different Antenna .................................... 21 5.2 Using in another system ................................... 22 6. Federal Communication Commission Interference Statement ...................................... 24 6.1 FCC Grant ........................................................ 24 6.2 Installation instructions ..................................... 24 7. References ......................................................... 27 8. Legal information .............................................. 28 8.1 Definitions ......................................................... 28 8.2 Disclaimers ....................................................... 28 8.3 Licenses ........................................................... 28 8.4 Trademarks ...................................................... 28 9. Contents ............................................................. 29

Navigation menu