NXP Austria OM5577-PN7120S 13.56 MHz RFID Module User Manual UM10878
NXP Austria GmbH 13.56 MHz RFID Module UM10878
Users Manual

UM10878
PN7120 NFC Controller SBC Kit User Manual
Rev. 1.3 — 7 July 2016
318513
User manual
COMPANY PUBLIC
Document information
Info
Content
Keywords
OM5577, PN7120, Demo kit, Raspberry Pi, BeagleBone
Abstract
This document is the user manual of the PN7120 NFC Controller SBC kit.

NXP Semiconductors
UM10878
PN7120 NFC Controller SBC Kit User Manual
UM10878
All information provided in this document is subject to legal disclaimers.
© NXP Semiconductors N.V. 2016. All rights reserved.
User manual
COMPANY PUBLIC
Rev. 1.3 — 7 July 2016
318513
2 of 29
Contact information
For more information, please visit: http://www.nxp.com
Revision history
Rev
Date
Description
1.3
20160707
Added demo kit performance details
1.2
20160503
FCC statement updated
1.1
20151007
FCC statement added
Note about useless of some components on the schematics added
Section 8.3 Licenses updated
1.0
20150519
First release

NXP Semiconductors
UM10878
PN7120 NFC Controller SBC Kit User Manual
UM10878
All information provided in this document is subject to legal disclaimers.
© NXP Semiconductors N.V. 2016. All rights reserved.
User manual
COMPANY PUBLIC
Rev. 1.3 — 7 July 2016
318513
3 of 29
1. Introduction
The present document describes the OM5577/PN7120S demonstration kit, a flexible and
easy-to-use Single Board Computer (SBC) Kit for the PN7120 NFC Controller.
It contains a PN7120 NFC Controller Board, a Raspberry Pi Interface Board, a
BeagleBone Interface Board, as well as an NFC Forum Type 2 Tag in a form of a
MIFARE Ultralight card. It enables the development of an NFC solution based on
PN7120 in a Linux, Android or Windows for IoT environment.
PN7120 is a full NFC controller solution with integrated firmware and NCI interface
designed for contactless communication at 13.56 MHz.
This document presents first an overview of the kit.
Then, it gives printed circuit boards details.
Finally, it provides information for reuse of the kit in different environments.
This kit is registered as FCC certified module (FCC ID: OWROM5577-PN7120S).

NXP Semiconductors
UM10878
PN7120 NFC Controller SBC Kit User Manual
UM10878
All information provided in this document is subject to legal disclaimers.
© NXP Semiconductors N.V. 2016. All rights reserved.
User manual
COMPANY PUBLIC
Rev. 1.3 — 7 July 2016
318513
4 of 29
2. Overview
2.1 Kit description
OM5577/PN7120S kit is a high performance fully NFC compliant expansion board for
both Raspberry Pi (refer to [1] for more details) and BeagleBone (refer to [2] for more
details). It meets compliance with Reader mode, P2P mode and Card emulation mode
standards. The board features an integrated high performance RF antenna to insure high
interoperability level with NFC devices.
2.2 Kit content
The kit is composed of 3 printed circuit boards and a MIFARE Ultralight EV1 card.
Fig 1. PN7120NFC Controller SBC Kit content
PN7120 NFC
Controller Board
BeagleBone
Interface Board
Raspberry Pi
Interface Board

NXP Semiconductors
UM10878
PN7120 NFC Controller SBC Kit User Manual
UM10878
All information provided in this document is subject to legal disclaimers.
© NXP Semiconductors N.V. 2016. All rights reserved.
User manual
COMPANY PUBLIC
Rev. 1.3 — 7 July 2016
318513
5 of 29
2.2.1 PN7120 NFC Controller Board
The PN7120 NFC Controller Board is the main board of the demonstration kit. It embeds
the PN7120 and all related circuitry.
It also include an on-board RF antenna with related matching circuitry.
This main board has to be used in association with one of the 2 interface boards
depending of the target user environment (Raspberry Pi or BeagleBone).
For this purpose it integrates dedicated connectors allowing boards assembly.
Fig 2. PN7120 NFC Controller Board
Connectors to interface boards
RF Antenna
PN7120

NXP Semiconductors
UM10878
PN7120 NFC Controller SBC Kit User Manual
UM10878
All information provided in this document is subject to legal disclaimers.
© NXP Semiconductors N.V. 2016. All rights reserved.
User manual
COMPANY PUBLIC
Rev. 1.3 — 7 July 2016
318513
6 of 29
2.2.2 BeagleBone Interface Board
The BeagleBone Interface Board offers support for connection to BeagleBone board
(refer to [2] for more details).
As such it integrate the connectors allowing the PN7120 NFC Controller Board to be
plugged on it, as well as connectors to be assembled on top of the BeagleBone board.
Fig 3. BeagleBone Interface Board
Connectors to PN7120
NFC Controller Board
Connectors to BeagleBone Board

NXP Semiconductors
UM10878
PN7120 NFC Controller SBC Kit User Manual
UM10878
All information provided in this document is subject to legal disclaimers.
© NXP Semiconductors N.V. 2016. All rights reserved.
User manual
COMPANY PUBLIC
Rev. 1.3 — 7 July 2016
318513
7 of 29
2.2.3 Raspberry Pi Interface board
The Raspberry Pi Interface board offers support for connection to Raspberry Pi board
(refer to [1] for more details).
As such it integrate the connectors allowing the PN7120 NFC Controller Board to be
plugged on it, as well as connector to be assembled on top of the Raspberry Pi board.
Fig 4. Raspberry Pi Interface Board
Connectors to PN7120
NFC Controller Board
Connector to Raspberry Pi Board

NXP Semiconductors
UM10878
PN7120 NFC Controller SBC Kit User Manual
UM10878
All information provided in this document is subject to legal disclaimers.
© NXP Semiconductors N.V. 2016. All rights reserved.
User manual
COMPANY PUBLIC
Rev. 1.3 — 7 July 2016
318513
8 of 29
2.2.4 MIFARE Ultralight EV1 card
OM5577/PN7120S kit includes a MIFARE Ultralight EV1 card allowing to demonstrate
NFC reader capabilities of PN7120 NFC Controller.
MIFARE Ultralight EV1 is the next generation of paper ticketing smart card IC for limited-
use applications that offers solution developers and operators the maximum flexibility for
their ticketing schemes and additional security options.
For the current purpose of PN7120 NFC Controller demonstration, the card has been set
as NFC Forum Type 2 Tag, and pre-configured with NDEF URI type message
“http://www.nxp.com/demoboard/OM5577”.
Fig 5. MIFARE Ultralight EV1 card

NXP Semiconductors
UM10878
PN7120 NFC Controller SBC Kit User Manual
UM10878
All information provided in this document is subject to legal disclaimers.
© NXP Semiconductors N.V. 2016. All rights reserved.
User manual
COMPANY PUBLIC
Rev. 1.3 — 7 July 2016
318513
9 of 29
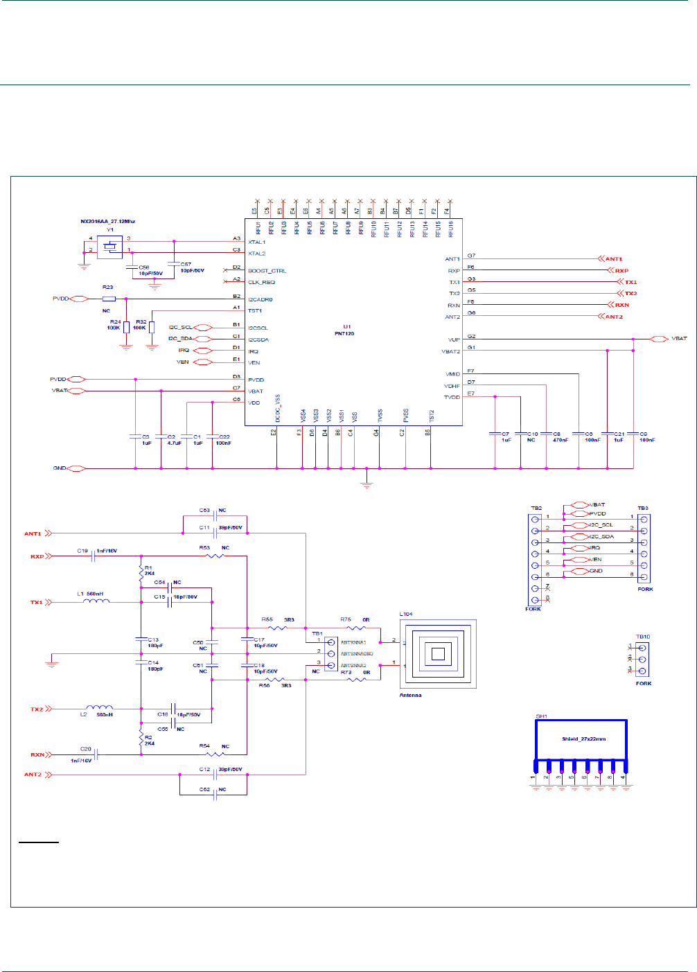
3. Details
3.1 PN7120 NFC Controller Board
3.1.1 Schematics
Notes: - C8 capacitor (on PN7120 pin D7) has been identified useless
- R53/R54 resistors have been identified useless
Fig 6. PN7120 NFC Controller Board schematics

NXP Semiconductors
UM10878
PN7120 NFC Controller SBC Kit User Manual
UM10878
All information provided in this document is subject to legal disclaimers.
© NXP Semiconductors N.V. 2016. All rights reserved.
User manual
COMPANY PUBLIC
Rev. 1.3 — 7 July 2016
318513
10 of 29
3.1.2 Layout
3.1.2.1 Components layers
Fig 7. PN7120 NFC Controller Board Top components layers
Fig 8. PN7120 NFC Controller Board Bottom components layers

NXP Semiconductors
UM10878
PN7120 NFC Controller SBC Kit User Manual
UM10878
All information provided in this document is subject to legal disclaimers.
© NXP Semiconductors N.V. 2016. All rights reserved.
User manual
COMPANY PUBLIC
Rev. 1.3 — 7 July 2016
318513
11 of 29
3.1.2.2 Layer 1
Fig 9. PN7120 NFC Controller Board Layer 1
3.1.2.3 Layer 2
Fig 10. PN7120 NFC Controller Board Layer 2

NXP Semiconductors
UM10878
PN7120 NFC Controller SBC Kit User Manual
UM10878
All information provided in this document is subject to legal disclaimers.
© NXP Semiconductors N.V. 2016. All rights reserved.
User manual
COMPANY PUBLIC
Rev. 1.3 — 7 July 2016
318513
12 of 29
3.1.2.4 Top Silkscreen layer
Fig 11. PN7120 NFC Controller Board Top silkscreen layer
3.2 BeagleBone Interface Board
3.2.1 Schematics
Fig 12. BeagleBone Interface Board schematics

NXP Semiconductors
UM10878
PN7120 NFC Controller SBC Kit User Manual
UM10878
All information provided in this document is subject to legal disclaimers.
© NXP Semiconductors N.V. 2016. All rights reserved.
User manual
COMPANY PUBLIC
Rev. 1.3 — 7 July 2016
318513
13 of 29
3.2.2 Layout
3.2.2.1 Components layers
Fig 13. BeagleBone Interface Board Top components layers
Fig 14. BeagleBone Interface Board Bottom components layers

NXP Semiconductors
UM10878
PN7120 NFC Controller SBC Kit User Manual
UM10878
All information provided in this document is subject to legal disclaimers.
© NXP Semiconductors N.V. 2016. All rights reserved.
User manual
COMPANY PUBLIC
Rev. 1.3 — 7 July 2016
318513
14 of 29
3.2.2.2 Layers 1 & 2
Fig 15. BeagleBone Interface Board Layers 1 & 2
3.2.2.3 Layer 3
Fig 16. BeagleBone Interface Board Layer 3

NXP Semiconductors
UM10878
PN7120 NFC Controller SBC Kit User Manual
UM10878
All information provided in this document is subject to legal disclaimers.
© NXP Semiconductors N.V. 2016. All rights reserved.
User manual
COMPANY PUBLIC
Rev. 1.3 — 7 July 2016
318513
15 of 29
3.2.2.4 Layer 4
Fig 17. BeagleBone Interface Board Layer 4
3.2.2.5 Top Silkscreen layer
Fig 18. BeagleBone Interface Board Top silkscreen layer

NXP Semiconductors
UM10878
PN7120 NFC Controller SBC Kit User Manual
UM10878
All information provided in this document is subject to legal disclaimers.
© NXP Semiconductors N.V. 2016. All rights reserved.
User manual
COMPANY PUBLIC
Rev. 1.3 — 7 July 2016
318513
16 of 29
3.3 Raspberry Pi Interface Board
3.3.1 Schematics
Fig 19. Raspberry Pi Interface Board schematics
3.3.2 Layout
3.3.2.1 Components layers
Fig 20. Raspberry Pi Interface Board Top components layers

NXP Semiconductors
UM10878
PN7120 NFC Controller SBC Kit User Manual
UM10878
All information provided in this document is subject to legal disclaimers.
© NXP Semiconductors N.V. 2016. All rights reserved.
User manual
COMPANY PUBLIC
Rev. 1.3 — 7 July 2016
318513
17 of 29
Fig 21. Raspberry Pi Interface Board Bottom components layers
3.3.2.2 Layers 1 & 2
Fig 22. Raspberry Pi Interface Board Layers 1 & 2

NXP Semiconductors
UM10878
PN7120 NFC Controller SBC Kit User Manual
UM10878
All information provided in this document is subject to legal disclaimers.
© NXP Semiconductors N.V. 2016. All rights reserved.
User manual
COMPANY PUBLIC
Rev. 1.3 — 7 July 2016
318513
18 of 29
3.3.2.3 Layer 3
Fig 23. Raspberry Pi Interface Board Layer 3
3.3.2.4 Layer 4
Fig 24. Raspberry Pi Interface Board Layer 4

NXP Semiconductors
UM10878
PN7120 NFC Controller SBC Kit User Manual
UM10878
All information provided in this document is subject to legal disclaimers.
© NXP Semiconductors N.V. 2016. All rights reserved.
User manual
COMPANY PUBLIC
Rev. 1.3 — 7 July 2016
318513
19 of 29
3.3.2.5 Top Silkscreen layer
Fig 25. Raspberry Pi Interface Board Top silkscreen layer

NXP Semiconductors
UM10878
PN7120 NFC Controller SBC Kit User Manual
UM10878
All information provided in this document is subject to legal disclaimers.
© NXP Semiconductors N.V. 2016. All rights reserved.
User manual
COMPANY PUBLIC
Rev. 1.3 — 7 July 2016
318513
20 of 29
4. PN7120 NFC Controller Board performances
Following RF performance results are obtained running the demo kit:
Table 1. Power Transfer (Poll mode)
Measured with EMVCo reference PICC
@ 0cm
@ 1cm
@ 2cm
@3 cm
7.6 V
6.7 V
4,3 V
1,2 V
Table 2. Reader/Writer mode performance
Card type
Communication distance (mm)
ISO 15693 UPM RaceTrack
120
NFC Sample Card (NTAG216 – ID1)
80
NFC Sticker (NTAG216 – 40x40)
68
Topaz (35mm Round)
55
Type B (ID1)
45
Felica (ID1)
36
Table 3. Peer to Peer mode performances
Vs Samsung Galaxy S7 phone
Communication distance
moving phone from far to close
moving Phone from close to far
50
65
Table 4. Card Mode performance
Vs NXP Pegoda Reader
Communication distance (mm)
180

NXP Semiconductors
UM10878
PN7120 NFC Controller SBC Kit User Manual
UM10878
All information provided in this document is subject to legal disclaimers.
© NXP Semiconductors N.V. 2016. All rights reserved.
User manual
COMPANY PUBLIC
Rev. 1.3 — 7 July 2016
318513
21 of 29
5. Additional information
5.1 Using different Antenna
The OM5577/PN7120S kit provide a flexible way of connecting an external RF antenna
to be used in place of the on-board one.
On the PN7120 NFC Controller Board, the dedicated 3 pins connector referenced as TB1
allows to connect your own antenna.
In this case the on-board antenna must be first disconnected, removing resistors R75
and R73.
Obviously matching circuitry must be adapted as described in related document
“AN11564 - PN7120 Antenna and Tuning Design Guide” (can be downloaded from
PN7120 Product Web Page [3]).
Fig 26. PN7120 NFC Controller Board RF Antenna components
Table 5. PN7120 NFC Controller Board TB1 connector pinout
TB1
PN7120 signal
#1
ANTENNA 1
#2
GND
#3
ANTENNA 2
TB1
R73 and R75
Matching circuitry

NXP Semiconductors
UM10878
PN7120 NFC Controller SBC Kit User Manual
UM10878
All information provided in this document is subject to legal disclaimers.
© NXP Semiconductors N.V. 2016. All rights reserved.
User manual
COMPANY PUBLIC
Rev. 1.3 — 7 July 2016
318513
22 of 29
5.2 Using in another system
The OM5577/PN7120S demonstration kit can be reuse in another system than
Raspberry Pi or BeagleBone.
Indeed, the PN7120 NFC Controller Board provides all required signal on TB2 and TB3
(signals are duplicated on both connectors) connectors to interface boards.
Fig 27. PN7120 NFC Controller Board interface connectors
Table 6. PN7120 NFC Controller Board TB2 connector pinout
TB2
PN7120 signal
#1
VBAT/VDD(PAD): 3.3V supply voltage
#2
I2CSCL: I2C-bus serial clock input
#3
I2CSDA: I2C-bus serial data
#4
IRQ: interrupt request output
#5
VEN: reset pin
#6
GND: ground
#7
Not connected
#8
Not connected
TB2
TB3

NXP Semiconductors
UM10878
PN7120 NFC Controller SBC Kit User Manual
UM10878
All information provided in this document is subject to legal disclaimers.
© NXP Semiconductors N.V. 2016. All rights reserved.
User manual
COMPANY PUBLIC
Rev. 1.3 — 7 July 2016
318513
23 of 29
Table 7. PN7120 NFC Controller Board TB3 connector pinout
TB3
PN7120 signal
#1
VBAT/VDD(PAD): 3.3V supply voltage
#2
I2CSCL: I2C-bus serial clock input
#3
I2CSDA: I2C-bus serial data
#4
IRQ: interrupt request output
#5
VEN: reset pin
#6
GND: ground

NXP Semiconductors
UM10878
PN7120 NFC Controller SBC Kit User Manual
UM10878
All information provided in this document is subject to legal disclaimers.
© NXP Semiconductors N.V. 2016. All rights reserved.
User manual
COMPANY PUBLIC
Rev. 1.3 — 7 July 2016
318513
24 of 29
6. Federal Communication Commission Interference Statement
6.1 FCC Grant
The PN7120 NFC Controller Board have been tested to fulfil the approval requirements
FCC 47 CFR part 15: 2014 (§15.225).
Fig 28. FCC accreditation
6.2 Installation instructions
PN7120 NFC Controller board can then be reused as a module for integration into end
devices following below instruction/restrictions:
The module is limited to OEM installation ONLY
The OEM/Integrators are responsible for ensuring that the end-user has no
manual instructions to remove or install module
The module is limited to installation in mobile or fixed applications, according to
Part 2.1091(b)
Separate approval is required for all other operating configurations, including
portable configurations with respect to Part 2.1093 and different antenna
configurations
Authorized antennas per Part 15.204 (including ant. spec.)

NXP Semiconductors
UM10878
PN7120 NFC Controller SBC Kit User Manual
UM10878
All information provided in this document is subject to legal disclaimers.
© NXP Semiconductors N.V. 2016. All rights reserved.
User manual
COMPANY PUBLIC
Rev. 1.3 — 7 July 2016
318513
25 of 29
Antenna installation requirements, where relevant
The finished product’s user manual must include following statements:
o Part 15.19 Warning Statement:
This device complies with part 15 of the FCC rules. Operation is subject
to the following two conditions: (1) this device may not cause harmful
interference, and (2) this device must accept any interference received,
including interference that may cause undesired operation.
o Part 15.21 Warning Statement:
The user manual for an intentional or unintentional radiator shall caution
the user that changes or modifications not expressly approved by the
party responsible for compliance could void the user’s authority to
operate the equipment.
Note: The grantee is not responsible for any changes or modifications
not expressly approved by the third party responsible for compliance.
Such modifications could void the user’s authority to operate the
equipment.
o End-users must be provided with transmitter/antenna installation
requirements and operating conditions for satisfying RF exposure
compliance:
A separate section should clearly state “FCC RF Exposure
requirements”
Required operating conditions for end users
Antenna/or transmitter installation requirements, where relevant
(for example: The antenna used with this module must be
installed to provide a separation distance of at least 20 cm from
all persons, and must not transmit simultaneously with any other
antenna or transmitter.)
o « Contains Transmitter module FCC ID :OWROM5577-PN7120S »

NXP Semiconductors
UM10878
PN7120 NFC Controller SBC Kit User Manual
UM10878
All information provided in this document is subject to legal disclaimers.
© NXP Semiconductors N.V. 2016. All rights reserved.
User manual
COMPANY PUBLIC
Rev. 1.3 — 7 July 2016
318513
26 of 29

NXP Semiconductors
UM10878
PN7120 NFC Controller SBC Kit User Manual
UM10878
All information provided in this document is subject to legal disclaimers.
© NXP Semiconductors N.V. 2016. All rights reserved.
User manual
COMPANY PUBLIC
Rev. 1.3 — 7 July 2016
318513
27 of 29
7. References
[1] The Raspberry Pi is a credit card sized computer. The initial idea behind it was to
develop a small and cheap computer to be used by kids all over the world to learn
programming. In the end it became very popular among developers all over the
world.
The heart of the Raspberry Pi is a SoC (System on Chip). This contains an ARM11
running at 700 MHz and a graphics processor that is capable of BluRay quality
playback, using H.264 at 40MBits/s. It has a fast 3D core accessed using the
supplied OpenGL ES2.0 and Open VG libraries. In addition, the Model B has
512MB RAM included in its SoC.
To get started quickly, the Raspberry Pi Foundation provides several preconfigured
Linux distributions.
For more information about it please visit http://www.raspberrypi.org/
[2] BeagleBone is a low-power open-source hardware single-board credit-card-sized
Linux computer that connects to the Internet and runs software such as Android
and Ubuntu. With plenty of I/O and processing power for real-time analysis
provided by a 720MHz ARM® processor based SoC (System on Chip),
BeagleBone can be complemented with cape plug-in boards to augment
functionality.
For more information about it please visit http://www.beagleboard.org/bone.
[3] PN7120 Product Web Page:
http://www.nxp.com/products/identification_and_security/nfc_and_reader_ics/
nfc_controller_solutions/PN7120A0EV.html

Error!
Unknown
document
property
name.
Error! Unknown document property name.
Error! Unknown document property
name.
NXP Semiconductors
UM10878
PN7120 NFC Controller SBC Kit User Manual
UM10878
All information provided in this document is subject to legal disclaimers.
© NXP Semiconductors N.V. 2016. All rights reserved.
User manual
COMPANY PUBLIC
Rev. 1.3 — 7 July 2016
318513
28 of 29
8. Legal information
8.1 Definitions
Draft — The document is a draft version only. The content is still under
internal review and subject to formal approval, which may result in
modifications or additions. NXP Semiconductors does not give any
representations or warranties as to the accuracy or completeness of
information included herein and shall have no liability for the consequences
of use of such information.
8.2 Disclaimers
Limited warranty and liability — Information in this document is believed to
be accurate and reliable. However, NXP Semiconductors does not give any
representations or warranties, expressed or implied, as to the accuracy or
completeness of such information and shall have no liability for the
consequences of use of such information. NXP Semiconductors takes no
responsibility for the content in this document if provided by an information
source outside of NXP Semiconductors.
In no event shall NXP Semiconductors be liable for any indirect, incidental,
punitive, special or consequential damages (including - without limitation -
lost profits, lost savings, business interruption, costs related to the removal or
replacement of any products or rework charges) whether or not such
damages are based on tort (including negligence), warranty, breach of
contract or any other legal theory.
Notwithstanding any damages that customer might incur for any reason
whatsoever, NXP Semiconductors’ aggregate and cumulative liability
towards customer for the products described herein shall be limited in
accordance with the Terms and conditions of commercial sale of NXP
Semiconductors.
Right to make changes — NXP Semiconductors reserves the right to make
changes to information published in this document, including without
limitation specifications and product descriptions, at any time and without
notice. This document supersedes and replaces all information supplied prior
to the publication hereof.
Suitability for use — NXP Semiconductors products are not designed,
authorized or warranted to be suitable for use in life support, life-critical or
safety-critical systems or equipment, nor in applications where failure or
malfunction of an NXP Semiconductors product can reasonably be expected
to result in personal injury, death or severe property or environmental
damage. NXP Semiconductors and its suppliers accept no liability for
inclusion and/or use of NXP Semiconductors products in such equipment or
applications and therefore such inclusion and/or use is at the customer’s
own risk.
Applications — Applications that are described herein for any of these
products are for illustrative purposes only. NXP Semiconductors makes no
representation or warranty that such applications will be suitable for the
specified use without further testing or modification.
Customers are responsible for the design and operation of their applications
and products using NXP Semiconductors products, and NXP
Semiconductors accepts no liability for any assistance with applications or
customer product design. It is customer’s sole responsibility to determine
whether the NXP Semiconductors product is suitable and fit for the
customer’s applications and products planned, as well as for the planned
application and use of customer’s third party customer(s). Customers should
provide appropriate design and operating safeguards to minimize the risks
associated with their applications and products.
NXP Semiconductors does not accept any liability related to any default,
damage, costs or problem which is based on any weakness or default in the
customer’s applications or products, or the application or use by customer’s
third party customer(s). Customer is responsible for doing all necessary
testing for the customer’s applications and products using NXP
Semiconductors products in order to avoid a default of the applications and
the products or of the application or use by customer’s third party
customer(s). NXP does not accept any liability in this respect.
Export control — This document as well as the item(s) described herein
may be subject to export control regulations. Export might require a prior
authorization from competent authorities.
Translations — A non-English (translated) version of a document is for
reference only. The English version shall prevail in case of any discrepancy
between the translated and English versions.
Evaluation products — This product is provided on an “as is” and “with all
faults” basis for evaluation purposes only. NXP Semiconductors, its affiliates
and their suppliers expressly disclaim all warranties, whether express,
implied or statutory, including but not limited to the implied warranties of non-
infringement, merchantability and fitness for a particular purpose. The entire
risk as to the quality, or arising out of the use or performance, of this product
remains with customer.
In no event shall NXP Semiconductors, its affiliates or their suppliers be
liable to customer for any special, indirect, consequential, punitive or
incidental damages (including without limitation damages for loss of
business, business interruption, loss of use, loss of data or information, and
the like) arising out the use of or inability to use the product, whether or not
based on tort (including negligence), strict liability, breach of contract, breach
of warranty or any other theory, even if advised of the possibility of such
damages.
Notwithstanding any damages that customer might incur for any reason
whatsoever (including without limitation, all damages referenced above and
all direct or general damages), the entire liability of NXP Semiconductors, its
affiliates and their suppliers and customer’s exclusive remedy for all of the
foregoing shall be limited to actual damages incurred by customer based on
reasonable reliance up to the greater of the amount actually paid by
customer for the product or five dollars (US$5.00). The foregoing limitations,
exclusions and disclaimers shall apply to the maximum extent permitted by
applicable law, even if any remedy fails of its essential purpose.
8.3 Licenses
Purchase of NXP ICs with NFC technology
Purchase of an NXP Semiconductors IC that complies with one of the Near
Field Communication (NFC) standards ISO/IEC 18092 and ISO/IEC 21481
does not convey an implied license under any patent right infringed by
implementation of any of those standards. Purchase of NXP
Semiconductors IC does not include a license to any NXP patent (or other
IP right) covering combinations of those products with other products,
whether hardware or software.
8.4 Trademarks
Notice: All referenced brands, product names, service names and
trademarks are property of their respective owners.
MIFARE — is a trademark of NXP Semiconductors N.V.

NXP Semiconductors
UM10878
PN7120 NFC Controller SBC Kit User Manual
Please be aware that important notices concerning this document and the product(s)
described herein, have been included in the section 'Legal information'.
© NXP Semiconductors N.V. 2016. All rights reserved.
For more information, please visit: http://www.nxp.com
Date of release: 7 July 2016 318513
Document identifier: UM10878
9. Contents
1. Introduction ......................................................... 3
2. Overview .............................................................. 4
2.1 Kit description ..................................................... 4
2.2 Kit content .......................................................... 4
2.2.1 PN7120 NFC Controller Board ........................... 5
2.2.2 BeagleBone Interface Board .............................. 6
2.2.3 Raspberry Pi Interface board ............................. 7
2.2.4 MIFARE Ultralight EV1 card ............................... 8
3. Details .................................................................. 9
3.1 PN7120 NFC Controller Board ........................... 9
3.1.1 Schematics......................................................... 9
3.1.2 Layout .............................................................. 10
3.1.2.1 Components layers .......................................... 10
3.1.2.2 Layer 1 ............................................................. 11
3.1.2.3 Layer 2 ............................................................. 11
3.1.2.4 Top Silkscreen layer ......................................... 12
3.2 BeagleBone Interface Board ............................ 12
3.2.1 Schematics....................................................... 12
3.2.2 Layout .............................................................. 13
3.2.2.1 Components layers .......................................... 13
3.2.2.2 Layers 1 & 2 ..................................................... 14
3.2.2.3 Layer 3 ............................................................. 14
3.2.2.4 Layer 4 ............................................................. 15
3.2.2.5 Top Silkscreen layer ......................................... 15
3.3 Raspberry Pi Interface Board ........................... 16
3.3.1 Schematics....................................................... 16
3.3.2 Layout .............................................................. 16
3.3.2.1 Components layers .......................................... 16
3.3.2.2 Layers 1 & 2 ..................................................... 17
3.3.2.3 Layer 3 ............................................................. 18
3.3.2.4 Layer 4 ............................................................. 18
3.3.2.5 Top Silkscreen layer ......................................... 19
4. PN7120 NFC Controller Board performances . 20
5. Additional information ...................................... 21
5.1 Using different Antenna .................................... 21
5.2 Using in another system ................................... 22
6. Federal Communication Commission
Interference Statement ...................................... 24
6.1 FCC Grant ........................................................ 24
6.2 Installation instructions ..................................... 24
7. References ......................................................... 27
8. Legal information .............................................. 28
8.1 Definitions ......................................................... 28
8.2 Disclaimers ....................................................... 28
8.3 Licenses ........................................................... 28
8.4 Trademarks ...................................................... 28
9. Contents ............................................................. 29