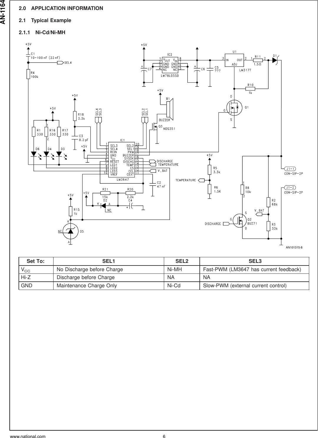
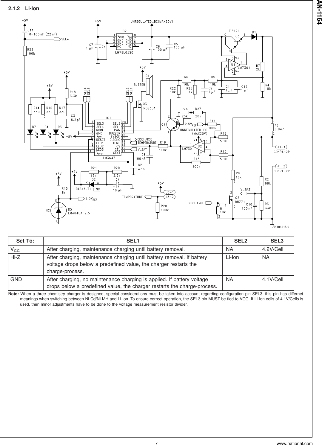
National Instruments Lm3647 Users Manual Application Note 1164 Reference Design User's
LM3647 to the manual aa453217-00fb-47ab-9d4c-abda47915137
2015-02-05
: National-Instruments National-Instruments-Lm3647-Users-Manual-493779 national-instruments-lm3647-users-manual-493779 national-instruments pdf
Open the PDF directly: View PDF
.
Page Count: 9








