National Instruments Lm3647 Users Manual Application Note 1164 Reference Design User's
LM3647 to the manual aa453217-00fb-47ab-9d4c-abda47915137
2015-02-05
: National-Instruments National-Instruments-Lm3647-Users-Manual-493779 national-instruments-lm3647-users-manual-493779 national-instruments pdf
Open the PDF directly: View PDF
.
Page Count: 9

LM3647 Reference Design
User’s Manual
GENERAL DESCRIPTION
The LM3647 is a charge controller for Nickel-Cadmium
(Ni-Cd), Nickel-Metal Hydride (Ni-MH) or Lithium-Ion (Li-Ion)
batteries. The device uses a pulsed-current charging or a
constant-current charging technique. The device can also be
configured to discharge before charging. Throughout the
charging sequence the LM3647 monitors voltage and/or
temperature and time in order to terminate charging.
•Negative delta voltage (−∆V)
•Maximum voltage
•Optional: Delta temperature/delta time (∆T/∆t)
•Optional: Maximum temperature
•Backup: Maximum time
The LM3647 is user configurable for three battery
chemistries: Ni-Cd, Ni-MH or Li-Ion.
In Ni-Cd/Ni-MH mode, four different charging phases are
used:
•Softstart charge
•Fast charge
•Topping charge
•Maintenance charge
In Li-Ion mode, four different charging stages are used:
•Qualification
•Fast Charge Phase 1, Constant Current
•Fast Charge phase 2, Constant Voltage
•Maintenance charge
KEY FEATURES
•Auto-adaptive fast charge
•High-resolution, accurate voltage monitoring prevents
Li-Ion under-charge or overcharge
•Fast charge, pre-charge and maintenance currents are
provided. Different currents are selectable via external
resistors
•Fast-charge termination by temperature/time, maximum
voltage, maximum temperature and maximum time
•Dynamically detects battery insertion, removal, short
circuit and bad battery without additional hardware
•Supports charging of battery packs with 2-8 cells of
Ni-Cd, Ni-MH or 1-4 cells of Li-Ion
•Three LED indicators and one Buzzer output indicate
operational modes
•Ni-MH/Ni-Cd charge mode, Li-Ion charge mode or
discharge mode can be selected manually
•PWM switching controller
DOCUMENTATION INFORMATION
The following documentation describes how to use the
LM3647 demo-board and also gives a few tips on design
calculations. Please note that not all components on the
demo-board are used when designing a charger
application. The demo-board has extra components to
make it simple for the user to try out different batteries and
configurations. There are actually two different charge
current regulation methods and these are referred to as fast
and slow (LM317).
JUMPER SETTINGS
J5 Type Select
V
CC
Ni-MH
GND Ni-Cd
Hi-Z Li-Ion
J2 Charge Mode
V
CC
No discharge
GND Maintenance charge only
Hi-Z Discharge before charge
J2 Maintenance Mode
V
CC
Charge indefinitely
GND No charge and restart fast-charge if battery
becomes discharged
Hi-Z Charge indifinitely and restart fast-charge if
battery becomes discharged
J5 J6 J7 Regulation Method / Cell
Voltage
V
CC
V
CC
GND
Fast
Slow
LM3647 controls charge current
External (LM317) charge control
GND V
CC
GND
Fast
Slow
LM3647 controls charge current
External (LM317) charge control
Hi-Z V
CC
GND
Fast
Fast
4.2V/Cell Li-Ion
4.1V/Cell Li-Ion
Timeout
Timeout settings J18 (set according to charge-rate C), See
Section 3.0 for more information.
Temperature Input
The optional Temperature input is connected to J3 and if not
used Short J8.
Voltage Regulation Range
Voltage regulation loop setting J14 (not used with external
LM317 regulation I.e. J7 = slow), defines maximum voltage
output. See also Section
3.0 LM3647 REFERENCE
DESIGN DEMO-BOARD
.
Voltage Measurement
The battery voltage is selected with the Voltage jumpers J11
& J12 depending on number of cells/chemistry. For instance,
a 9V Ni-Cd block battery has 6 cells in it and therefore needs
the jumper at ″Ni 6-Cells″on J11 and J12:
National Semiconductor
Application Note 1164
March 2001
LM3647 Reference Design User’s Manual AN-1164
© 2001 National Semiconductor Corporation AN101315 www.national.com

Charge Current
The charge settings for LM3647 current control are shown
below. If the external LM317 is used to control the charge
current then the jumpers J9, J10 and J13 have no relevance,
when using LM317 regulation mode, this jumper must be
placed in either position. If external (LM317) regulation is
used then set jumper J7 to position ″slow″; for LM3647
regulation set J7 to ″fast″.
LM3647 Current Regulation
The I jumper J10 is used to select between different current
sense resistors. The values available are 0.047Ωand
0.100Ω.
The charge current is set with jumpers J9 and J13. The
figure shows two possible currents that depend on how
jumper J10 is set. The higher current is selected when J10 is
set to 0.047Ωand the lower current is selected when J10 is
set to 0.100Ω.
1.0 FUNCTIONAL DESCRIPTION
1.1 General
The LM3647 has voltage and current sensing inputs that are
used to control a PWM-output. The voltage input is
connected to the battery via a resistor divider network, and
the current input is connected to an operational amplifier that
amplifies the voltage across a current sense resistor located
at the positive battery terminal. The PWM-output can be
configured as a high speed PWM, or as a low speed
(ON/OFF) output for an external current regulator. The latter
is for low cost Ni-Cd/Ni-MH charger applications, eliminating
the need for any operational amplifiers or current feedback
circuitry.
The high speed PWM is filtered to a DC-level and fed into an
operational amplifier that controls a power-NPN transistor.
The LM3467 requires charge current feedback to control the
charge current.
1.2 Modes of Operation
1.2.1 Charging Ni-Cd/Ni-MH Batteries
The charger detects that a battery is connected when the
CEL-pin >1.0V. The charger can also detect a battery that
has been deeply discharged and does not have any voltage
across the battery terminals. This is accomplished by
applying a small ’pre-charge’ current once every minute for
up to 15 seconds. The deeply discharged battery will accept
this charge and the battery potential will eventually rise
above the 1.0V limit to initiate normal charging. When the
charger has detected a battery (CEL-pin >1.0V), it checks
to see if the temperature is within range to start charging. If
it is, then it applies a small current of 0.2C for approximately
5 minutes. If the battery voltage exceeds the maximum
battery voltage (CEL-pin >3.017V), the LM3647 stops
charging and stays in error mode until the battery is
removed. If the battery voltage has not risen above the bad
battery threshold (CEL-pin <1.2V), then the battery is
considered to be defective and the charger goes into error
mode. If the battery passes all tests, then after the five
minutes have passed, the charger starts the next phase:
Fast Charge.
During Fast Charge, the charger applies a constant current
to the battery and monitors both battery voltage and
temperature. The charger is looking for a drop in the battery
voltage that normally occurs at the end of the Fast Charge
cycle. The size of the voltage drop differs depending on
battery type (Ni-Cd/Ni-MH). For Ni-Cd it’s approximately 50
mV/cell and for Ni-MH it’s approximately 17 mV/cell. If the
temperature rise is larger than 50 mV/minute (∼1˚C/minute)
when charging Ni-MH batteries, the battery has reached the
end of the Fast Charge cycle.
During charging the temperature-input is constantly
measured to ensure that the battery’s temperature is within
proper range. If the temperature is out of range the charger
aborts the charge and goes into error mode.
During the next charge phase (Topping Charge) the LM3647
applies a small current of 0.2C for a time set by the
time-selection RC-network (see section below). This phase
may be followed by a Maintenance Charge phase,
depending on selection-pins.
1.2.2 Charging Li-Ion Batteries
The charger detects that a battery is connected when the
CEL-pin >1.0V. The charger can also detect a battery that
has been deeply discharged and does not have any voltage
across the battery terminals. This is accomplished by
applying a small ’pre-charge’ current once every minute for
up to 15 seconds. The deeply discharged battery will accept
this charge and the battery potential will eventually rise
above the 1.0V limit to initiate normal charging. When the
charger has detected a battery (CEL-pin >1.0V), it checks
to see if the temperature is within range to start charging. If
it is, then it applies a small current of 0.2C for approximately
1 minute. If the battery voltage is close to fully charged, the
charger will not reach the charging voltage within 1 minute,
AN101315-14
AN101315-12
AN101315-13
AN-1164
www.national.com 2

and the charge process will restart. This occurs only with
batteries that are already fully charged, and consequently
should not be recharged. If the battery voltage has not
reached the Li-Ion battery qualification voltage (CEL-pin >
1.2V) within 1 minute of the Qualification Phase, the battery
is considered to be defective, and the charger goes into error
mode. It stays there until the battery is removed (CEL-pin <
1.0V).
The next phase is Fast Charge Constant Current. During this
phase the current is constant, and the battery voltage will
slowly rise (due to the charging). When the battery has
reached its maximum battery voltage (CEL at 2.675V or
2.74V, depending on SEL3, it will go to the next phase which
is Fast Charge Constant Voltage.
During this phase, the charger will keep the voltage constant
and stay in this phase until the current has decreased to a
threshold value (CS at 2.3V).
The battery is now fully charged, and the charger can
behave in different modes, depending on SEL1. It can either
maintenance charge the battery and restart the charge
process if the battery voltage drops below the maintenance
restart threshold value (CEL <2.153V), or just maintenance
charge the battery and don’t restart the charge process if the
battery becomes discharged. The last mode is no
maintenance charge, and restarts the charge process if the
battery voltage drops below the maintenance restart
threshold value (CEL <2.153V).
1.2.2.1 Components Critical to Total Charger
Performance
•The capacitance C2 connected to CEXT must be of a
type that has low internal resistance, low loss, high
stability and low dielectric absorption. The capacitance
mounted on the Demo Board is a metallized polyester
type from WIMA, 2220 series.
•The operational amplifiers U1 and U2 must be capable of
rail-to-rail output, and have a high PSRR (PowerSup-
plyRejectionRatio), because they are both powered
directly from the unregulated DC-input. U1 must also
have enough current drive to control the transistor Q3. U2
should preferably have a low input offset, since this error
will be amplified.
•The regulator IC2 criteria is that it has to be able to
handle the input DC-voltage, and deliver enough current
to drive the circuitry (all LED’s, buzzer, LM3647).
•The transistor Q3 must be able to handle the charge
current and (depending on charge current) must be
provided with an adequate heatsink.
•The transistor Q2 must be able to handle the maximum
discharge current.
•The Diode D1 must be able to handle the maximum
charge current.
1.2.2.2 Clarifications Regarding Circuit Schematics
The circuitry with Q4, R26 and R27 (see section below) is
used to protect the battery from excessive charge current.
When the current flows through the current sense resistor
R9, and is amplified by U2, the voltage at U2’s output drops
from 2.5V until Q4 starts conducting. It discharges the
RC-network that generates the DC-voltage from the
PWM-output of the LM3647.
1.2.2.3 Setting The Charge Timeout
The LM3647 uses the charge timeout value as a backup
termination method if the normal termination methods fail.
The charge timeout also controls the length of some of the
phases like the Topping Charge phase (Ni-Cd/Ni-MH). The
timeout is selectable from a charge rate of 3.2C to 0.4C. The
table below shows which values will result in a certain
timeout.
TABLE 1. Charge Timeouts
R Value C Value
Ni-Cd/Ni-MH
Fast Charge
(minutes)
Ni-Cd/Ni-MH
Topping (minutes)
Li-lon CC
(minutes)
Li-lon CV
(minutes)
Appropriate
Charge Rates
100 kΩ0 nF 75 20 50 75 3.2C
100 kΩ10 nF 100 25 70 100 2.4C
100 kΩ15 nF 160 40 110 160 1.4C
100 kΩ22 nF 190 50 130 190 1.2C
100 kΩ33 nF 260 65 170 260 0.9C
100 kΩ47 nF 330 80 220 330 0.7C
100 kΩ68 nF 450 115 300 450 0.5C
100 kΩ100 nF 540 135 360 540 0.4C
EXAMPLE 1:
AN101315-18
AN-1164
www.national.com3

The actual timeouts (with RCIN @2.5 MHz) is:
Phase Timeout
Fast Charge ∼330 Minutes
Topping Charge ∼80 Minutes
EXAMPLE 2:
The actual timeouts (with RCIN @2.5 MHz) is:
Phase Timeout
Fast Charge Constant Current − 130 Minutes
Topping Charge Constant Voltage − 190 Minutes
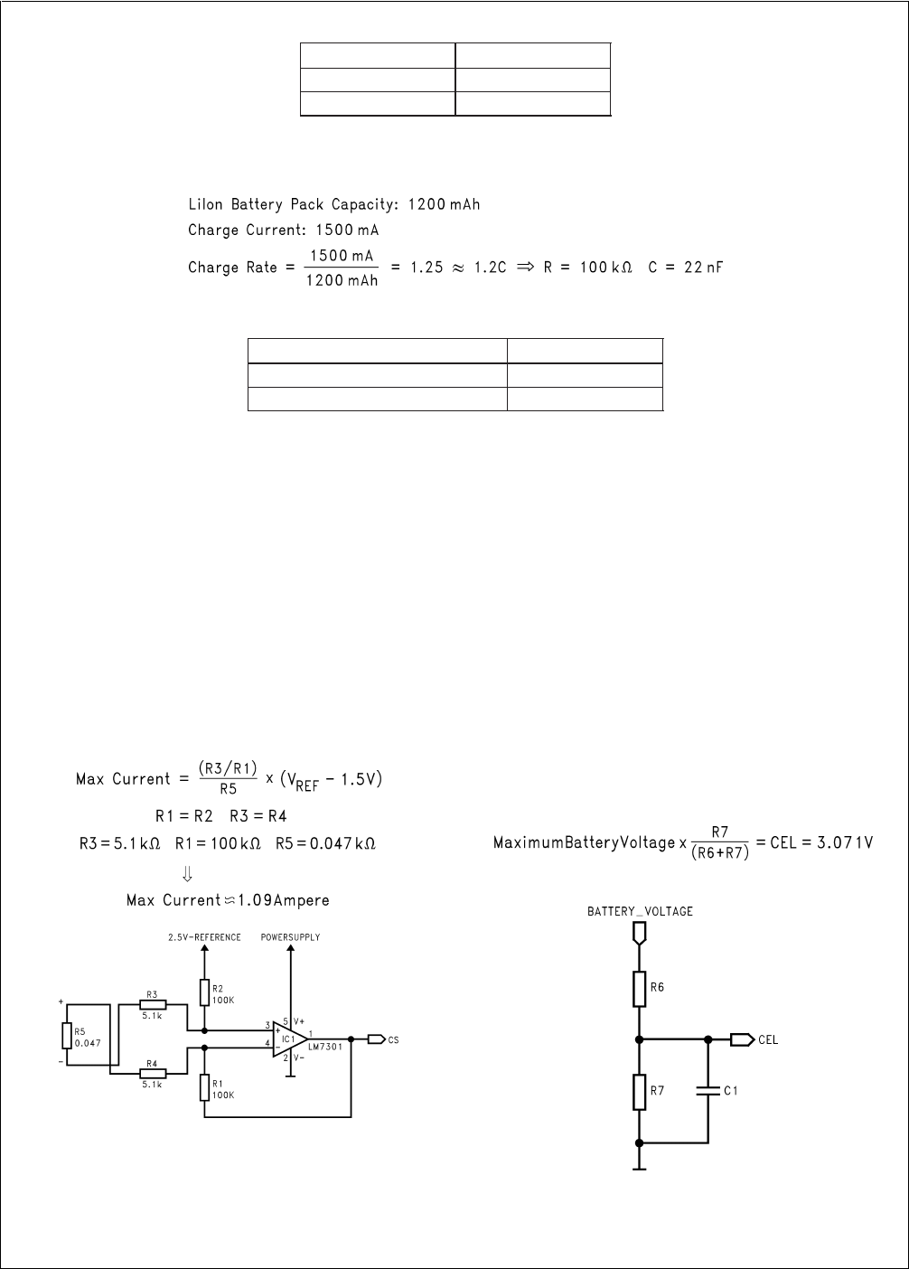
1.2.2.4 Setting The Charge Current
The charge-current is selected by setting the current sensing
resistor and the gain of the differential amplification stage.
The current sensing resistor (R5) should be dimensioned
such that the voltage drop over it is not too small, since the
signal will be more susceptible to noise and offsets in the
amplification-stage. The resistance should not be too large
either (especially in high-current applications), because this
will only generate more heat from the component. A suitable
value is one where 50 mV dropped across the resistor when
maximum current flows through it. The differential signal is
then amplified, inverted and centered around the 2.5V
reference by the operational amplifier and fed to the CS pin
on the LM3647. The gain must be dimensioned by setting
the appropriate ratio between R1 (R2) and R3 (R4). The
figure below is dimensioned for a maximum current of about
1.1A. This was dimensioned using the following formula:
1.2.2.5 Setting Maximum Battery Voltage
The resistor network (see the figure below) scales the
battery voltage to a suitable level for the LM3647. For
Ni-Cd/Ni-MH batteries the network is less critical, but limits
the maximum battery voltage, it is only used as a backup
termination method. For Li-Ion batteries the network must be
more accurate, requiring precision resistors with low
tolerances.
•For Ni-Cd/Ni-MH:
The dimensioning is accomplished in the following manner:
First calculate the maximum battery voltage for the specific
battery pack. See example below.
BatteryVoltage/Cell = 1.2V NumberOfCells = 5
→
Battery-
PackVoltage = 1.2x5 = 6V
MaximumBatteryVoltage/Cell = 1.85V
→
MaximumBattery-
Voltage = 1.85x5 = 9.25V
When the Maximum Battery Voltage has been determined,
the voltage divider network has to be dimensioned using the
following formula:
AN101315-19
AN101315-2
AN101315-3
AN101315-4
AN-1164
www.national.com 4

•For Li-Ion:
The voltage divider network for Li-Ion is very important. If the
battery voltage is scaled too low, the battery will not attain its
full capacity when charged, and if scaled too high, the
battery may become damaged. Never exceed the
recommended maximum voltage or current for a Li-Ion
battery!
The dimensioning is done in the following manner.
First calculate the maximum battery voltage for the specific
battery pack. See example below.
BatteryVoltage/Cell = 3.6V NumberOfCells = 2
→
Battery-
PackVoltage = 3.6x2 = 7.2V
MaximumBatteryVoltage/Cell = 4.1V
→
MaximumBattery-
Voltage = 4.1x2 = 8.2V
When the maximum battery voltage has been determined,
the voltage divider network has to be dimensioned using the
following formula:
The LM3647 has two different regulation voltages, which the
user can select. These are 2.675V (SEL3 tied to GND) and
2.740V (SEL3 tied to V
CC
). This selection pin can be used to
configure the charger to regulate for different input voltages
so that the charger can handle both 3.6V- and 3.7V-cells,
without changing the resistor values in the divider network.
SEL3 can also be used if there is problem in finding the right
values in the resistor network. The recommended tolerance
of the resistors are 0.1%, but 1% may be used with a
marginal loss of battery capacity by subtracting the tolerance
of the divider network from the maximum battery voltage.
•Using the LM3647 without current feedback, for
Ni-Cd/Ni-MH only (slow PWM mode):
This mode uses an external constant-current power-source,
which is switched on and off according to the charge-phase
of the LM3647. The frequency is approximately 0.1 Hz. The
advantage of this charge method is that operational
amplifiers and the current feedback circuitry are not needed,
which provides a low-cost solution. The dimensioning of the
voltage divider network is performed the same way. The
constant current source is dimensioned in the following
manner:
The LM3647 regulates the constant current source by
turning the transistor Q1 on and off.
When the transistor is off, the LM317T regulator feeds a
constant current to the battery (at V_OUT).
When the transistor is on, the output from the LM317 is
limited to 1.25V (which should be greater than the battery
voltage).
Charge Phase: Duty Cycle:
Soft Start 10%
Fast Charge 100%
Topping Charge 10%
Maintenance Charge 5%
AN101315-7
AN-1164
www.national.com5

2.0 APPLICATION INFORMATION
2.1 Typical Example
2.1.1 Ni-Cd/Ni-MH
Set To: SEL1 SEL2 SEL3
V
CC
No Discharge before Charge Ni-MH Fast-PWM (LM3647 has current feedback)
Hi-Z Discharge before Charge NA NA
GND Maintenance Charge Only Ni-Cd Slow-PWM (external current control)
AN101315-8
AN-1164
www.national.com 6

2.1.2 Li-Ion
Set To: SEL1 SEL2 SEL3
V
CC
After charging, maintenance charging until battery removal. NA 4.2V/Cell
Hi-Z After charging, maintenance charging until battery removal. If battery
voltage drops below a predefined value, the charger restarts the
charge-process.
Li-Ion NA
GND After charging, no maintenance charging is applied. If battery voltage
drops below a predefined value, the charger restarts the charge-process.
NA 4.1V/Cell
Note: When a three chemistry charger is designed, special considerations must be taken into account regarding configuration pin SEL3. this pin has differnet
meanings when switching between Ni-Cd/Ni-MH and Li-Ion. To ensure correct operation, the SEL3-pin MUST be tied to VCC. If Li-Ion cells of 4.1V/Cells is
used, then minor adjustments have to be done to the voltage measurement resistor divider.
AN101315-9
AN-1164
www.national.com7

3.0 LM3647 REFERENCE DESIGN DEMO-BOARD
The demo-board provides a combined multi-chemistry
solution with hardware for both external constant current
source and LM3647 controlled charge current. Located near
the top-left corner of the board is the power supply connector
(next to the heatsink). When using the external constant
current source, a power resistor needs to be connected at
the connector marked 317-resistor. The values of the resistor
can be calculated using the equation 4 mentioned earlier.
At the bottom-right corner of the board are two connectors
that lead to the battery and discharge resistor. The value of
the discharge resistor depends on the battery pack voltage
and the maximum discharge rate. The demo-board has
different jumpers that are assigned to different setups. Some
of the components are not populated, providing support for
user-specific values.
The timeout jumper J18 is used to select different timeouts
from 2.4C to 0.4C. The values mounted on the demo-board
result in timeouts corresponding to the charge-rates shown
below:
The PWM jumper J7 is used to connect the PWM-signal to
either the external constant current source (marked slow) or
the RC-filter that is connected to the operational amplifier
(marked fast).
The PWM-FB jumper J14 is used to select different
amplification levels of the PWM signal. The jumper with the
battery voltage ranges are shown below:
The I jumper J10 is used to select between different current
sense resistors. The values mounted are 0.047Ωand
0.100Ω.
The different current sense voltage amplification level is
selected via CURRENT jumpers J9 and J13 (both jumpers
must be changed in pairs, see figure below).
The upper values correspond to a current sense resistor of
0.047Ωwhile the lower correspond to 0.100Ω(see previous
figure).
The battery voltage is selected with the Voltage jumpers J11
and J12 (see below for settings).
The jumper J3 is used to connect to an optional
NTC-resistor. If no temperature sensor is used, the jumper
J8 must be shorted. The Demo-board was designed for an
NTC thermistor from Siemens (B57861S302F40) with the
following specifications: 3kΩ@25˚C, β= 3988. If an NTC
with different characteristics is used, then the resistor R28
may need to be changed. The charger uses voltage levels to
trigger under/over temperature conditions. The voltage at the
temperature-input must be between 2.2V or 0.5V for the
charger to start. During charging the voltage must stay
between 3.0V for Li-Ion, or 3.15V for Ni-Cd/Ni-MH, and 0.5V
or the charger will register a temperature fault and abort the
charge.
The three jumpers J2, J5 and J6 are connected to the three
selection-pins SEL1, SEL2 and SEL3. These jumpers are
used to select how the charger should behave (see Charger
Modes table).
AN101315-10
AN101315-11
AN101315-12
AN101315-13
AN101315-14
AN101315-15
AN101315-16
AN-1164
www.national.com 8

LIFE SUPPORT POLICY
NATIONAL’S PRODUCTS ARE NOT AUTHORIZED FOR USE AS CRITICAL COMPONENTS IN LIFE SUPPORT
DEVICES OR SYSTEMS WITHOUT THE EXPRESS WRITTEN APPROVAL OF THE PRESIDENT AND GENERAL
COUNSEL OF NATIONAL SEMICONDUCTOR CORPORATION. As used herein:
1. Life support devices or systems are devices or
systems which, (a) are intended for surgical implant
into the body, or (b) support or sustain life, and
whose failure to perform when properly used in
accordance with instructions for use provided in the
labeling, can be reasonably expected to result in a
significant injury to the user.
2. A critical component is any component of a life
support device or system whose failure to perform
can be reasonably expected to cause the failure of
the life support device or system, or to affect its
safety or effectiveness.
National Semiconductor
Corporation
Americas
Tel: 1-800-272-9959
Fax: 1-800-737-7018
Email: support@nsc.com
National Semiconductor
Europe Fax: +49 (0) 180-530 85 86
Email: europe.support@nsc.com
Deutsch Tel: +49 (0) 69 9508 6208
English Tel: +44 (0) 870 24 0 2171
Français Tel: +33 (0) 1 41 91 8790
National Semiconductor
Asia Pacific Customer
Response Group
Tel: 65-2544466
Fax: 65-2504466
Email: ap.support@nsc.com
National Semiconductor
Japan Ltd.
Tel: 81-3-5639-7560
Fax: 81-3-5639-7507
www.national.com
AN101315-17
LM3647 Reference Design User’s Manual AN-1164
National does not assume any responsibility for use of any circuitry described, no circuit patent licenses are implied and National reserves the right at any time without notice to change said circuitry and specifications.