Nedap N V UPASSTAR UHF RFID reader User Manual uPass Target installation guide
N. V. Nederlandsche Apparatenfabriek NEDAP UHF RFID reader uPass Target installation guide
TempConfidential_14r01_Install manual T5481163-45.01-1.04 CGDUPASSTAR

uPASS TARGET
installation guide
2016-03-01 | v1.04 | 5481163

UPASS TARGET | INSTALLATION GUIDE
Content
2/36
CONTENT
1 INTRODUCTION _______________________________________________________ 3
1.1 SUPPORTED TAGS _______________________________________________ 3
1.2 TAG SECURITY __________________________________________________ 4
2 INSTALLATION ________________________________________________________ 5
2.1 SAFETY INSTRUCTIONS ___________________________________________ 5
2.2 MOUNTING INSTRUCTIONS _______________________________________ 5
2.2.1 READER DIMENSIONS ______________________________________ 5
2.2.2 WALL MOUNTING BRACKET _________________________________ 6
2.2.3 POLE MOUNTING SET ______________________________________ 7
2.2.4 WEATHER PROTECTION HOOD MOUNTING ____________________ 8
3 CONNECTIONS ________________________________________________________ 9
3.1 POWER SUPPLY ________________________________________________ 11
3.2 COMMUNICATION ______________________________________________ 12
3.2.1 RS-422 / RS-485 _________________________________________ 12
3.2.2 WIEGAND / MAGSTRIPE ___________________________________ 13
3.2.3 ETHERNET_______________________________________________ 14
3.2.4 USB ____________________________________________________ 15
3.2.5 NEDAP ANTENNA INTERFACE ______________________________ 16
3.3 DIGITAL I/O ____________________________________________________ 17
3.3.1 GENERAL PURPOSE INPUTS / LED AND RELAY CONTROL _______ 17
3.3.2 READER DISABLE _________________________________________ 18
3.3.3 EXTERNAL ANTENNA ______________________________________ 18
4 TRANSIT COMPATIBLE MODE ___________________________________________ 19
4.1 TOOLING ______________________________________________________ 19
4.2 SWITCH SETTINGS ______________________________________________ 19
5 UHF FREQUENCIES____________________________________________________ 20
6 READER CONFIGURATION ______________________________________________ 21
6.1 UHFTOOL SOFTWARE ___________________________________________ 21
6.2 CONNECTING __________________________________________________ 21
6.3 SETTINGS _____________________________________________________ 22
6.3.1 CHANGE BAUD RATE ______________________________________ 22
6.3.2 READ DATA______________________________________________ 23
6.3.3 DECODE NEDAP XS _______________________________________ 24
6.3.4 RELAY / TIMING __________________________________________ 25
6.3.5 LED CONTROL ___________________________________________ 26
6.4 EXPERT SETTINGS ______________________________________________ 27
6.4.1 OUTPUT ________________________________________________ 27
6.4.2 OUTPUT MESSAGE FORMAT ________________________________ 28
6.4.3 EXTRA OUTPUT __________________________________________ 28
6.4.4 FREQUENCY _____________________________________________ 28
6.4.5 READ RANGE ____________________________________________ 29
6.4.6 ANTENNA _______________________________________________ 29
7 FIRMWARE UPDATE ___________________________________________________ 30
A TECHNICAL SPECIFICATIONS ___________________________________________ 31
B PART NUMBERS ______________________________________________________ 33
C FCC / IC STATEMENT __________________________________________________ 34
D DISCLAIMER _________________________________________________________ 35
E DOCUMENT REVISION _________________________________________________ 36

UPASS TARGET | INSTALLATION GUIDE
Introduction
3/36
1 INTRODUCTION
The uPASS Target reader offers long range (up to 10 meters / 33 feet) identification
using the latest UHF technology. Based on passive (battery free) UHF tags the uPASS
Target offers a cost effective and enduring solution for long range identification.
The uPASS Target reader can be placed near the entrance, door or gate on poles or
on the wall with help of the mounting brackets.
The uPASS Target includes a RS-485/RS-422, Wiegand/Magstripe, Nedap antenna,
TCP/IP and a relay interface. With these interfaces the uPASS Target can be
connected to an Access Control System for authorization. The relay interface can be
used for operating external device (for example doors and gates) based on UHF tag
recognition or external control.
The uPASS Target has 3 digital inputs. With these inputs color of the LED, activation
of the relay and the activation of the UHF reader can be controlled.
The uPASS Target reader features a TRANSIT compatible mode. In this mode the
reader is fully compatible with the Nedap TRANSIT, supporting any firmware version
developed for the TRANSIT reader, for example P61, P81 and Q70. See chapter 4 for
details how to enable the TRANSIT compatible mode.
1.1 SUPPORTED TAGS
Any EPC Class 1 Gen 2 tag is supported by the uPASS Target and will output on the
RS-422, RS-485 or Ethernet interfaces. Also special formatted Nedap UHF tags are
supported for output on special interfaces. The following formats are supported:
Nedap UHF Wiegand tags
These tags will contain all Wiegand information including facility code and parity
bits. All Wiegand formats can be supported. The reader transparently sends this
information via the Wiegand outputs. There is no need to change any DIP-switches
or configuration settings. See chapter 3.2.2 for wiring details.
Nedap UHF Magstripe tags
These tags will contain all Magstripe information. The reader transparently sends this
information onto the Magstripe interface. There is no need to change any DIP-
switches or configuration settings. See chapter 3.2.2 for wiring details.
Nedap UHF XS tags
These tags are especially programmed in the same format as our 2.45GHz TRANSIT
tags (Compact-Tag, Window-Button and Heavy-Duty-Tag). The tags will also have a
customer-code and id-number. The reader will modulate the tag-info onto the
Nedap antenna interface output, which can be connected to Nedap AEOS access
control hardware such as the AP1001. These UHF tags will also work in TRANSIT
compatible mode.
Note
The Wiegand output format
is determined by the tag
and not by the reader.
Note
The Magstripe output
format is determined by the
tag and not by the reader.
Note
See also the 'decode Nedap
XS' feature as described in
chapter 6.3.3.

UPASS TARGET | INSTALLATION GUIDE
Introduction
4/36
1.2 TAG SECURITY
EPC (Electronic Product Code) tags were introduced as a possible successor to the
barcode with added functionalities. The tag emits its EPC in plain text. This makes
the tags vulnerable to cloning and counterfeiting attacks. Unlike many 13MHz
smartcards, EPC tags do not support any DES, 3DES or AES encryption.
EPC tags contain a data field known as the Tag Identifier (TID). At the discretion of
the EPC manufacturer, the value may be factory programmed and locked, ensuring
that tags have a unique identity and (theoretically) cannot be cross-copied. This TID
based anti-cloning mechanism is not considered to be a strong protection.
Nedap UHF tags support a locked serialized TID and the uPASS Target reader can be
configured to read the TID data field and send its data to the Access Control System
for verification.
By default the uPASS Target reader is configured to read any EPC tag.
We encourage customers to enable the TID-check. But also advise not to completely
rely on this methods in high-security applications.
Tag security is not evaluated by UL.

UPASS TARGET | INSTALLATION GUIDE
Installation
5/36
2 INSTALLATION
2.1 SAFETY INSTRUCTIONS
The following safety precautions shall be observed during normal use, service and
repair.
The uPASS Target shall only be installed and serviced by qualified service
personnel.
Disconnect the power supply before (dis)connecting any wires, uPASS
Target is NOT hot-swappable, so when making or changing connections,
power must be switched OFF.
To be sure of safety, do not modify or add anything to the uPASS Target
other than mentioned in this installation guide or indicated by Nedap N.V.
2.2 MOUNTING INSTRUCTIONS
The uPASS Target can be mounted to any surface with the wall mounting bracket and
Pole Mounting Set (see appendix B for part numbers). The uPASS Target can be
“aimed” at the desired detection area with the mounting brackets.
2.2.1 READER DIMENSIONS
The dimensions of the uPASS Target reader can be seen in Figure 1.
Figure 1: uPASS Target dimensions

UPASS TARGET | INSTALLATION GUIDE
Installation
6/36
2.2.2 WALL MOUNTING BRACKET
The Wall Mounting Bracket is supplied with the uPASS Target reader. When the Wall
Mounting Bracket is assembled mount it to the wall (or the Pole Mounting Set) based
on the dimension in Figure 2. The uPASS Target can be “aimed” with the Wall
Mounting Bracket and when the bolts are tightened it will stay in place.
Figure 2: Wall Mounting Bracket

UPASS TARGET | INSTALLATION GUIDE
Installation
7/36
2.2.3 POLE MOUNTING SET
The Pole Mounting Set has to be ordered separately (see appendix B).
The uPASS Target can be mounted to round poles with maximum diameter of 190
mm / 7.48 inches and square poles with maximum diameter of 150 mm / 5.90
inches using the Pole Mounting Set. The Wall Mounting Bracket is mounted on the
Pole Mounting Set.
Figure 3: Pole Mounting Set

UPASS TARGET | INSTALLATION GUIDE
Installation
8/36
2.2.4 WEATHER PROTECTION HOOD MOUNTING
After the mounting of the uPASS Target an optional weather protection hood can be
placed. The weather protection hood protects the uPASS Target from excess heat
caused by sun irradiation. It is advised to install the weather protection hood if the
ambient temperatures are 40°C (104°F) or higher and more than 2 hours of direct
sunlight on the uPASS Target housing.
The weather hood can be placed over an already mounted uPASS Target (some bolts
need to be loosened). It is recommended that the connections to uPASS Target are
made before mounting the weather protection hood. If the weather protection hood
is mounted the connectors are hard to reach.
The weather protection hood has to be ordered separately (see appendix B).
Figure 4: Weather Protection Hood

UPASS TARGET | INSTALLATION GUIDE
Connections
9/36
3 CONNECTIONS
The uPASS Target has 7 connectors at the bottom of the device (see Figure 5). CONN.
2, CONN. 3 and CONN. 5 are shielded connectors. All connectors shown in this
chapter are seen from the outside. All connectors for the cables are supplied (except
mini USB and TNC (Ext. Ant.)).
The connection aren’t secured and the communication isn’t encrypted. If safety is
paramount it is recommended to place the connectors and cables so they cannot be
accessed outside the security zone.
Figure 5: uPASS Target connectors
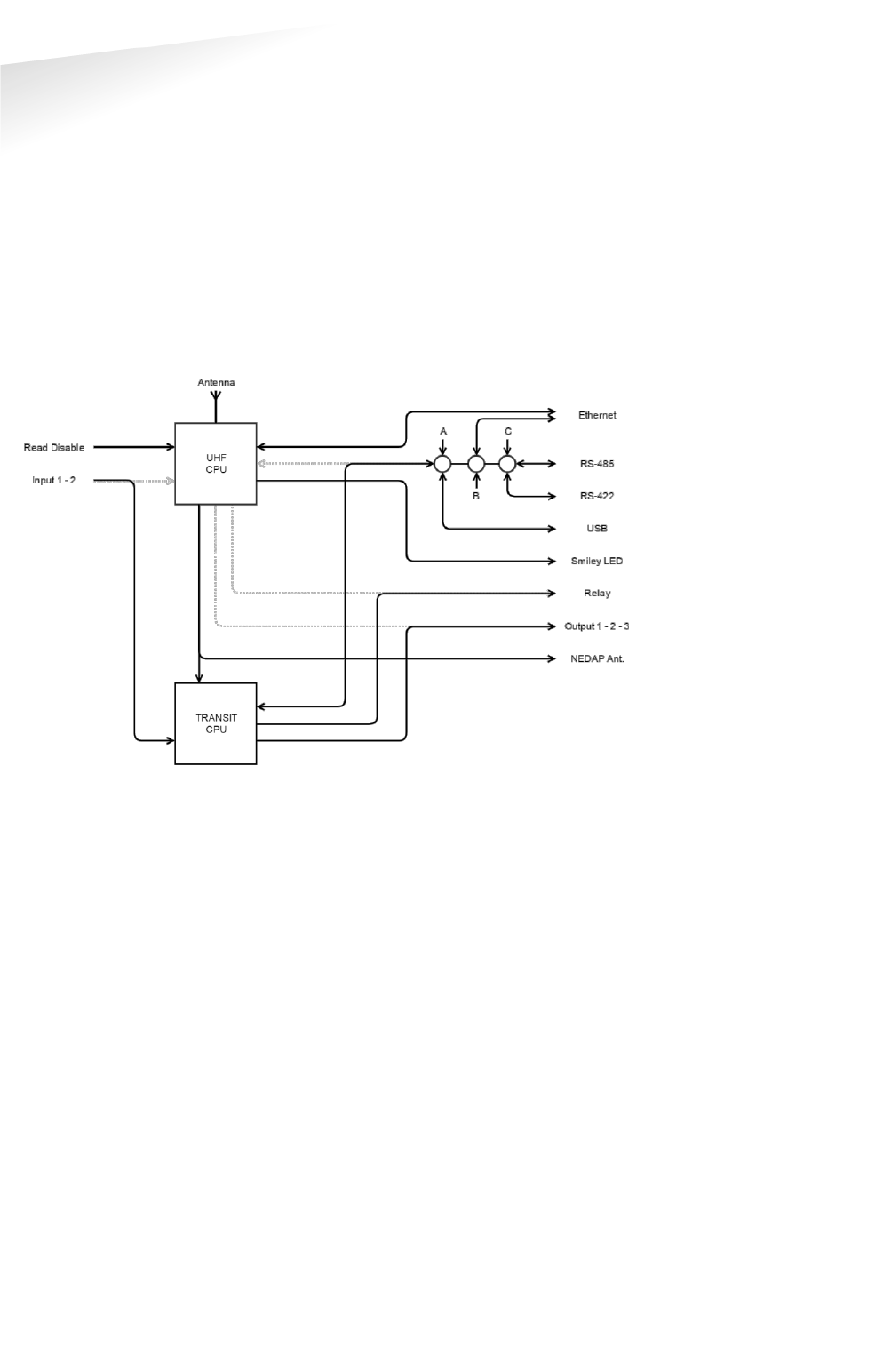
Figure 6 shows a simplified schematic overview for most of the uPASS Target
connections. This figure shows the overview when the reader is in normal UHF (not
TRANSIT compatible) mode determined by SW1-1 (see chapter 4).
3 Points (A, B and C) control the direction of the serial interface to USB, RS-422, RS-
485 or one Ethernet channel (the other is fixed to the UHF processor):
A. When the USB cable is connected, the USB interface is used
B. The “main comm. interface” setting (see chapter 6.4.1) determines the use
of Ethernet or RS-422/RS-485
C. Determined by SW1-2 (located near the USB port) RS-422 or RS-485 is
used
Figure 6: Schematic overview UHF mode

UPASS TARGET | INSTALLATION GUIDE
Connections
10/36
Figure 7 shows a simplified schematic overview for most of the uPASS Target
connections. This figure shows the overview of the reader in TRANSIT compatible
mode determined by SW1-1 (see chapter 4).
Also in TRANSIT compatible mode there are three points (A, B and C) that control the
direction of the serial interface to USB, RS-422, RS-485 or one Ethernet channel (the
other is fixed to the UHF processor):
A. When the USB cable is connected, the USB interface is used
B. The “main comm. interface” setting (see chapter 6.4.1) determines the use
of Ethernet or RS-422/RS-485
C. Determined by SW1-2 (located near the USB port) RS-422 or RS-485 is
used
Figure 7: Schematic overview TRANSIT mode

UPASS TARGET | INSTALLATION GUIDE
Connections
11/36
3.1 POWER SUPPLY
The uPASS Target requires an external power supply. It is possible to power the
uPASS Target by connecting a DC power supply. Another possibility is to power the
uPASS Target by Power over Ethernet (PoE).
If both are connected, the power source depends on the DC power supply voltage.
The DC power supply is used if its voltage is higher than 13.6V. Otherwise the Power
of Ethernet is used
DC power supply
A DC power supply can be connected to the uPASS Target via CONN. 5. This DC
power supply must be able to deliver 12Vdc/1.5A or 24Vdc/0.75A.
Figure 8: CONN. 5
Pin
Function
1
-
2
Ground
3
DC+
4
-
Table 1: Power supply connection
Power over Ethernet
Power over Ethernet operates over Ethernet cables. CONN. 4 is a RJ45 Ethernet
connection and can be used for Power over Ethernet. The uPASS Target requires
IEEE802.3at (Power over Ethernet Plus).

UPASS TARGET | INSTALLATION GUIDE
Connections
12/36
3.2 COMMUNICATION
3.2.1 RS-422 / RS-485
The RS-422 and RS-485 interfaces are located in the unshielded CONN. 1. The RS-
422 or RS-485 communication can be used for communication with the Access
Control System, configuration settings and firmware update.
Only the RS-422 or the RS-485 interface can be active (not both), this is determined
by SW1-2 (located near the USB port). If SW1-2 is switched OFF, the RS-485
interface is used. Otherwise the RS-422 interface is used. For the RS-422 / RS-485 to
work, no USB should be connected and the “main comm. interface” must be set
correctly (see chapter 6.4.1).
The maximum cable length for both interfaces is 65 meters / 213 feet. This distance
can be increased
1
by adding termination resistors, using twisted cables and/or
configuring a lower baud rate (see chapter 6.3.1).
The communication protocol used for the RS-422 and RS-485 can be found in the
uPASS firmware guide. It isn’t possible to use the communication protocol in a bus,
only point-to-point communication is possible. The default communication settings
are 115200 Baud, 8 data bits, 1 stop bit and no parity.
By default the serial interface is connected to the UHF processor but can be
connected to the TRANSIT compatible processor, see chapter 4.
Figure 9: CONN. 1
Pin
Function RS-4222
Function RS-485
1
TX-
-
2
TX+
-
3
RX-
B
4
RX+
A
5
Ground
Ground
Table 2: RS-422 and RS-485 connection
1
RS-422 can reach 1500 meters / 4900 feet at 90000 Baud
RS-485 can reach 1200 meters / 4000 feet at 8333 Baud
2
TX (transmit) is the uPASS Target transmit line.
RX (receive) is the uPASS Target receive line.

UPASS TARGET | INSTALLATION GUIDE
Connections
13/36
3.2.2 WIEGAND / MAGSTRIPE
The Wiegand and Magstripe interfaces are located in shielded CONN. 2. The
Wiegand and Magstripe communication can be used for communication with to
Access Control System only.
The Wiegand and Magstripe can operate with a cable length of 150 meters / 490
feet.
By default the interface is connected to the UHF processor but can be connected to
the TRANSIT compatible processor, see chapter 4.
If connected to the UHF processor, Nedap UHF Wiegand tags generate a Wiegand
message on the interface and Nedap UHF Magstripe tags generate a Magstripe
message on the interface.
Other UHF tags do not generate a message on this interface, unless the 'Extra output'
settings are used. (See chapter 6.4.3)
The Wiegand/Magstripe output format is determined by the programmed format of
the tag. Make sure to order the correct tag programming format if you want to use
the Wiegand or Magstripe interface. See UHF How To Order Guide for more
information about ordering the UHF tags. Refer to the uPASS firmware guide for
details over the Wiegand/Magstripe timing.
In case the TRANSIT compatible processor is selected, the same connections are
used. Remember that in this case the tags must be programmed in the Nedap UHF
XS format. Refer to the corresponding TRANSIT firmware guide for protocol details.
Figure 10: CONN. 2
Pin
Function Wiegand
Function Magstripe
1
-
-
2
Data 0
Clock
3
-
Card loaded
4
Data 1
Data
5
-
-
6
Ground
Ground
7
Ground
Ground
8
-
-
Table 3: Wiegand and Magstripe connection

UPASS TARGET | INSTALLATION GUIDE
Connections
14/36
3.2.3 ETHERNET
An Ethernet connection is located in CONN. 4. The Ethernet interface can be used for
communication with the Access Control System, configuration and firmware update
up to a distance of 100 meters / 328 feet.
The uPASS Target is equipped with two TCP/IP Channels. Channel 1 (default 10001)
is connected to UHF processor or TRANSIT compatible processor. Channel 2 (default
10002) is always connected to the UHF processor with a baud rate of 115200.
The reader automatically gets an IP address from a DHCP server. The IP address
assigned can be found based on the MAC address of the uPASS Target (located on
the sticker). An example if the tool Lantronics Device Installer
The Ethernet module can be configured to have a static IP address. This can be done
by the web interface:
Open the browser and go to the IP address of the reader
Fill in the username and password (by default both blank)
Open “Network” and select “Use the following IP configuration:”
Fill in the required fields
Click OK and Apply Settings
The communication protocol used for the Ethernet is the same as for RS-422 and can
be found in the firmware guide. If the baud rate of the reader is changed the
Ethernet setting for Channel 1 must change. This can be done by the web interface:
Open the browser and go to the readers IP address
Fill in the username and password (by default both blank)
Open “Channel 1” - “Serial Settings”
Check if the “Port Settings” match the reader serials settings (as for USB or RS-
422/RS-485)
Click OK and Apply Settings
By default channel 1 is not connected. To connect channel 1, the “main comm.
interface” (chapter 6.4.1) needs to be set to TCP/IP. It is also possible to connect to
the TRANSIT compatible processor, see chapter 4. Make sure the serial settings of
the Ethernet configuration match the setting of the TRANSIT compatible processor.
Figure 11: CONN. 4

UPASS TARGET | INSTALLATION GUIDE
Connections
15/36
3.2.4 USB
The uPASS Target reader features a mini USB interface for service, installation and
firmware upgrade purposes. The USB interface creates a virtual COM port that can be
used the same way as a normal (serial) COM port.
The communication protocol for the USB can be found in the firmware guide. The
default communication settings are 115200 Baud, 8 data bits, 1 stop bit and no
parity.
By default the interface is connected to the UHF processor, but can be connected to
the TRANSIT compatible processor, see chapter 4.
Figure 12: Mini USB interface (with SW1)
USB Driver installation
Make sure your computer is connected to the internet. The driver should install
automatically via Windows update when the uPASS Target reader is connected to
your PC via the USB cable. Follow the driver installation wizard. If you do not see the
Windows update pop-up, you can manually install the driver. To manually install,
you need to go to FTDI’s website at www.ftdichip.com/Drivers/VCP.htm and
download the VCP (Virtual Com Port) drivers for your operating system. Drivers for
OS X and Linux are available as well.

UPASS TARGET | INSTALLATION GUIDE
Connections
16/36
3.2.5 NEDAP ANTENNA INTERFACE
The Nedap antenna interface is used to connect the uPASS Target to Nedap AEOS
access control hardware such as the AP1001. The uPASS reader simulates a 120 kHz
Nedap proximity card to the AP1001. This only works with Nedap-XS and EM4102
formatted UHF tags.
The uPASS Target can replace the 120 kHz antenna. The “HF Data” must be
connected to the “ANT” connection and the “Ground” to “GND” (see Figure 13).
Figure 13: Replacement of 120 kHz antenna
Another possibility is to leave the 120 kHz in place and connect the uPASS Target.
That way 120 kHz and uPASS Target both can be used (see Figure 14).
Figure 14: Addition to 120 kHz antenna
The Nedap antenna interface is located at CONN. 3.
Figure 15: CONN. 3
Pin
Function
1
-
2
HF Data
3
-
4
-
5
Ground
Table 4: Nedap antenna connection

UPASS TARGET | INSTALLATION GUIDE
Connections
17/36
3.3 DIGITAL I/O
3.3.1 GENERAL PURPOSE INPUTS / LED AND RELAY CONTROL
Two general purpose inputs are located in CONN. 2
By default the input and relay interfaces are connected to the UHF processor, but
can be connected to the TRANSIT compatible processor, see chapter 4.
If connected to the UHF processor, the inputs can control the LED at the front of the
reader to provide feedback and a relay for switching devices (for example doors or
gates).
The front LED need to be configured as Remote (see chapter 6.3.5) to control them
by the input pins. Input1 controls the “UnLock” (UL) color of the LED and input 2
controls the Not Authorized (NA) color of the LED.
The relay is by default set to automatic mode. The relay is activated for every tag
read and stays activated for the tag hold time (see chapter 6.3.4). If the automatic
mode is switched off, the relay is operated by input 1.
By default the inputs are at 5V level and are controlled by pulling them to ground.
The input pins are short-circuit protected.
If connected to the TRANSIT compatible processor, the function of the inputs can be
used for other purposes. See corresponding TRANSIT firmware guide.
Figure 16: CONN. 2
Pin
Function
1
Input 1 / UL
2
-
3
-
4
-
5
-
6
Ground
7
Ground
8
Input 2 / NA
Table 5: General input connection
Figure 17: CONN. 3
Pin
Function
1
Relay NO
2
-
3
Relay NC
4
Relay COM
5
-
Table 6: Relay connection

UPASS TARGET | INSTALLATION GUIDE
Connections
18/36
3.3.2 READER DISABLE
The reader disable input is located in CONN. 2. The reading of the uPASS Target can
be disabled with the RDIS input. This input is commonly used in combination with a
sensor (e.g. inductive loop) that detects the presence of a person or vehicle. The
RDIS is by default 5V can be controlled by pulling it to ground (pin is short-circuit
protected). When the RDIS input is 0V the reader is disabled.
This function works in both Normal mode and TRANSIT compatible mode.
Figure 18: CONN. 2
Pin
Function
1
-
2
-
3
-
4
-
5
RDIS
6
Ground
7
Ground
8
-
Table 7: Reader disable connection
3.3.3 EXTERNAL ANTENNA
It is possible to connect an external Nedap UHF antenna to the uPASS Target reader.
The external UHF antenna can be used in 3 possible configurations (see chapter
6.4.6):
1. Internal only. This mode is used if no external antenna is connected.
2. External only. This mode is used if the uPASS reader cannot be mounted at
the location but an antenna can, the reader can be place at another location
and connect to the antenna.
3. Internal and external. The antennas can be installed in two separate
locations (for in/out lane separation).
The external antenna is located at Ext. Ant. connection. The connection is a reverse
polarized TNC connector.
Only Nedap antennas shall be connected.

UPASS TARGET | INSTALLATION GUIDE
TRANSIT compatible mode
19/36
4 TRANSIT COMPATIBLE MODE
The uPASS Target has a TRANSIT compatible processor. This processor is capable of
running the TRANSIT software (e.g. P61, P81 and Q70). To select this mode the
dipswitch SW1-1 (located near the USB port see chapter 3.2.4) must be switched ON.
If the TRANSIT compatible mode is selected, most inputs and outputs are switched to
the TRANSIT processor. This means that configuration of the UHF processor (e.g. LED
operation, frequency setting and TRANSIT switch settings) is not possible anymore
via RS-485, RS-422, USB or TCP/IP Channel 1. Configuration via TCP/IP Channel 2 is
still possible.
Make sure the serial setting of the Ethernet are correctly configured to work in the
TRANSIT compatible mode. This can differ based on firmware version and DIP-switch
settings (see the TRANSIT firmware documentation). The serial settings of the
Ethernet can be changed with the web interface:
Open the browser and go to the readers IP address
Fill in the username and password (by default both blank)
Open “Channel 1” - “Serial Settings”
Check if the “Port Settings” match the reader serials settings (as for USB or RS-
422/RS-485)
Click OK and Apply Settings
The only UHF tags that are read in TRANSIT compatible mode are Nedap UHF XS and
Nedap UHF EM4102 tags.
4.1 TOOLING
The TRANSIT compatible mode requires the tooling used for the TRANSIT readers.
To update the TRANSIT compatible processor, the “PICload” tool can be used.
To test if a P81 firmware is working correctly “P81Test” can be used.
These tools can be downloaded from https://portal.nedapidentification.com.
4.2 SWITCH SETTINGS
The TRANSIT software is configured by hardware DIP switches (see corresponding
firmware documentation of the TRANSIT). These DIP switches are not available on
the uPASS Target and are therefore emulated. The uPASS reader has to be
configured to the right settings. This can be done with the UHFTOOL, see chapter
6.3.3 (make sure the SW1-1 is OFF while configuring).

UPASS TARGET | INSTALLATION GUIDE
UHF Frequencies
20/36
5 UHF FREQUENCIES
Radio Regulations
The uPASS Target reader is available in two regions.
The uPASS Target Region 1 operates in the 865 – 868 MHz (ISM) band.
The uPASS Target Region 2 operates in the 902 – 928 MHz (ISM) band.
Regulations in this band are not standardized world-wide. Generally the regulations
can be divided into several regions. When ordering an uPASS Target reader this
region must be specified (see UHF How To Order Guide).
Per region a specific frequency band is available. This frequency band is divided into
frequency channels. If local radio regulations require frequency hopping (FHSS),
then the uPASS Target automatically selects and uses the available channels.
Frequency channel selection
If no frequency hopping is required, it is still advised to use frequency hopping.
Frequency hopping is less sensitive for interferences.
Selecting a fixed frequency can be realized with the UHFTOOL (see chapter 6.4.4).
This is only possible if frequency hopping is not required. Select a free frequency
channel to achieve the best performance and to avoid interference from other
readers or equipment.

UPASS TARGET | INSTALLATION GUIDE
Reader Configuration
21/36
6 READER CONFIGURATION
The uPASS Target reader settings can be configured easily using the UHFTOOL
software. The UHFTOOL requires a Microsoft Windows installation to run. Software
developers can find the communication protocol description in the firmware guide.
6.1 UHFTOOL SOFTWARE
Figure 19: UHFTOOL software
6.2 CONNECTING
To connect to the uPASS reader click File -> Connect, press F2 or click on the
connect button. This opens the connect panel where the connection settings can be
configured. In this panel, the COM port can be selected or the IP address and port
can be typed and the baud rate can be selected (default 115200). Click OK to
connect.
Figure 20: Connect panel

UPASS TARGET | INSTALLATION GUIDE
Reader Configuration
22/36
6.3 SETTINGS
Click 'View' -> 'Show config sidebar' or press F11 to show the configuration sidebar.
In the sidebar the configuration categories are shown. Expand or collapse the setting
panels by clicking on it.
Figure 21: UHFTOOL sidebar
6.3.1 CHANGE BAUD RATE
To change the baud rate the “Setup baudrate” window must be opened. This is done
by clicking on “Option” -> “Setup baudrate”. Select the new baud rate and click OK.

UPASS TARGET | INSTALLATION GUIDE
Reader Configuration
23/36
6.3.2 READ DATA
Configure which tags should be selected, how to access these tags and what data
should be read from these tags.
By default the reader is configured to select ANY TAG and read its EPC
number.
Select Nedap to read only Nedap tags.
Nedap DUAL-ID enables the uPASS to search for Nedap vehicle-id tags.
When a vehicle-id tag is found, the uPASS searches for driver-id tags.
Custom enables to specify custom select criteria and the data to be read.
Example 1
Read only Nedap UHF tags:
Figure 22: Read data example 1
Example 2
Read only NXP UCODE tags (TID starts with E2006) and read 4 words (1 word is 16
bits) from user memory.
Figure 23: Read data example 2

UPASS TARGET | INSTALLATION GUIDE
Reader Configuration
24/36
6.3.3 DECODE NEDAP XS
Enable decode Nedap XS formatted tags.
Figure 24: Output settings
By default the data on Nedap XS formatted tags is transmitted to the TRANSIT
compatible processor and the Nedap antenna modulation interface. In this case the
uPASS will not perform any decoding.
Enable the 'decode Nedap XS' option to decode the Nedap XS tag data and output
its plain tag-number. In this case the TRANSIT compatible processor and the antenna
modulation interface are not used. Additionally this function can be used to verify or
output the customer code.
Enable the option 'Allow other tag formats' when the reader should also support
other formatted tags, such as Nedap UHF Wiegand formatted tags and others.
See the uPASS decode Nedap XS Application Note for more information.
TRANSIT compatible mode
When using the TRANSIT compatible mode ensure that the 'decode Nedap XS' option
is disabled. Select the DIP switch emulator settings with the checkboxes 1-7 (see
TRANSIT firmware guide). The box “TRANSIT compatible mode” indicates if TRANSIT
compatible mode is currently enabled, see chapter 4.

UPASS TARGET | INSTALLATION GUIDE
Reader Configuration
25/36
6.3.4 RELAY / TIMING
Configure relay output and timing parameters.
Figure 25: Relay / timing settings
Enable 'Automatic relay activation' to activate the relay upon identification. When
disabled, the relay can only be activated manually trough a serial command or input
signal.
The 'Tag hold time' setting is the minimum time a tag is remembered. During this
time the front cover LED indicates a tag read and the relay is switched.
The 'Vehicle hold time' setting is the time, after a vehicle-id tag has been found, for
which the reader will search for driver-id tags. This setting is only used in the Nedap
DUAL-ID mode (see chapter 6.3.1).
The (random) RF off time parameter can be used to enable multiple Nedap uPASS
readers on the same frequency without then interfering with each other. By default
this setting is on, it is recommended to keep this setting on.

UPASS TARGET | INSTALLATION GUIDE
Reader Configuration
26/36
6.3.5 LED CONTROL
Automatic mode:
Default the uPASS reader controls the LED automatically.
With “Color UL” the tag read color can be configured. With “Color NA” the color, that
indicates that the reader is waiting, can be configured. These settings will also be
used in TRANSIT compatible mode.
Figure 26: LED automatic
Remote control:
The LED can be controlled remotely by a connected access control system. The UL
and NA digital inputs (see chapter 3.3.1) determine the color of the LED.
Figure 27: LED remote control
Direct control:
With direct control, the color can be controlled through serial connection. The color
and brightness are directly set via the serial command (see firmware guide).
Figure 28: LED direct control

UPASS TARGET | INSTALLATION GUIDE
Reader Configuration
27/36
6.4 EXPERT SETTINGS
Click 'Options' -> 'Usermode' -> 'Expert' to show additional configuration settings for
advanced users.
6.4.1 OUTPUT
Configure communication output settings.
Figure 29: Output settings
Select 'Enable serial id-events' to enable the serial output upon identification. Only
disable the serial id-events to optimize the identification speed when using the
Wiegand, Magstripe interface or the TRANSIT compatible processor.
When 'Fast repeat serial id-events' is selected (default) the serial output is repeated
upon every identification while the tag is in the read range. When this option is
disabled, the message is transmitted at the same rate as the Wiegand or Magstripe
interface.
This setting has no effect when using the Wiegand, Magstripe or Nedap antenna
interface.
By default the 'Repeat using hold-time interval' is disabled. The messages on the
Wiegand or Magstripe will only be send once when a tag enters the read range. If
enabled, the messages are repeated every hold-time (configured in chapter 6.3.4)
while the tag is within the read range.
The setting has no effect on the Nedap antenna interface and may have effect on
the serial interface (depending on the 'Fast repeat serial id-events' setting).
'Enable vehicle id-events' allows enabling or disabling the id-event messages for
vehicle-ids. This may be useful in combination with the Nedap DUAL-ID mode and
an access control panel that does not support the dual-id feature.
'Main comm interface' is used to select the main serial communication interface. The
choice is between RS-422 (and RS-485) or TCP/IP. Wiegand en Magstripe will still
work.
Note
If the 'Main comm interface'
is changed, the UHFTOOL
may lose connection.
Note
USB always overrules the
‘main serial communication’
setting.

UPASS TARGET | INSTALLATION GUIDE
Reader Configuration
28/36
6.4.2 OUTPUT MESSAGE FORMAT
Configure output message format.
Figure 30: Output message format
The output message format is configurable:
[<PREF>] [<80 AC PH RSSI>] [<EL>] [<EPC>] [<DL>] [<DATA>] [<SUFF>] CR LF
6.4.3 EXTRA OUTPUT
Optionally enable Wiegand or Magstripe output for tags that are not programmed by
Nedap in a Wiegand, Magstripe or Nedap-XS format.
See uPASS Wiegand output Application Note for more information.
6.4.4 FREQUENCY
These settings show the reader's operating frequency region.
Select a frequency channel (within the available frequency band) for systems that do
not require frequency hopping.
With 'Power on' the reader can be enabled or disabled.
Figure 31: Frequency
Note
When the output message
format is changed,
identified tags may no
longer be shown in the
UHFTOOL.

UPASS TARGET | INSTALLATION GUIDE
Reader Configuration
29/36
6.4.5 READ RANGE
With 'Read range' the tag read distance can be configured, this can be useful to
optimize lane separation. With the 'Antenna output power' the power of the antenna
is configured. The antenna output power controls the distance in which the tag is
activated. With the 'RSSI threshold' the tags are activated and read, but filtered by
the firmware based on their signal strength (RSSI).
Figure 32: Read range
6.4.6 ANTENNA
Antenna settings can be changed in the Antenna panel. With the “antenna select”
setting the mode of antenna operation can be selected.
For the Internal and External antenna the output power can be configured. This is the
same setting as the “Antenna output power” from the read range (see chapter 6.4.5).
With “Dwell time” the maximum ON time of the antenna is configured. The maximum
ON time is the time in milliseconds that the antenna is activated during a tag
identification round. If configured to zero there is no maximum ON time.
The “Inventory cycles” are the amount of cycles the reader tries to find all tags
within a tag identification round. The uPASS Target reader can find up to 4 tags every
cycle.
If “Dwell time” and “Inventory cycles” are both set, the time which is the shortest
will be used. Both settings may not be configured to zero.
Figure 33: Antenna

UPASS TARGET | INSTALLATION GUIDE
Firmware update
30/36
7 FIRMWARE UPDATE
The firmware of the uPASS Target (UHF processor) can be updated with the
“uPassTarget Updater”. This tool is part of the UHFTOOL and can be downloaded
from the portal https://portal.nedapidentification.com. It is designed for Microsoft
Windows and requires Java 7 (or higher) to run. This can be downloaded from
http://www.java.com/download/. The latest firmware version can be downloaded
from the portal https://portal.nedapidentification.com/.
For updating the TRANSIT compatible processor see chapter 4.1.
After installation a Start Menu entry will be created to start the uPassTarget Updater.
Figure 34: uPassTarget Updater
Connecting
To connect to a uPass Target, select a COM port and baud rate (default 115200) from
the dropdown box or type an IP address and port (default 10002).
For a successful connection via RS-422 / RS-485 a baud rate of 9600 must be
supported. This means the PC (running the updater) and the transport medium
(cables and converters) must at least support a baud rate of 9600. The updater
automatically tries a faster baud rate (115200) for a faster upload. If this fails it will
fall back on 9600 baud.
Although the RS-485 can be used in a bus. It is not possible to update uPASS Target
reader when connected in a bus. For updating a point-to-point connection is needed.
Uploading
Uploading can be done by selecting the firmware via the Browse dialog or typing the
location directly. If the selected file is found and is correct, the Upload button
becomes available. Clicking on this button starts the update process. During the
update the progress bar indicates the current progress. If the progress bar reaches
100% the firmware update is done and the reader will start the new firmware.

UPASS TARGET | INSTALLATION GUIDE
Technical Specifications
31/36
A TECHNICAL SPECIFICATIONS
Item
Specification
Remark
Dimensions
286mm x 285mm x 78mm
11.26in x 11.22in x 3.01in
Length x width x height
Weight
3.5 kg (7.72 lbs.)
Cover material
UL94 ABS cover (RAL7016)
Chassis material
Aluminum (RAL9006)
Protection class
EN IEC 60529 + A1 (IP66)
Operational
temperature
-30 °C … +60 °C
-22 °F … +140 °F
Relative humidity
10 .. 93 % non-condensing
Identification
range
Up to 10 meters (33 feet) (line-of-sight)
With passive Nedap UHF tags
Power supply
12 … 24VDC ±10% power supply
Power over Ethernet plus (IEEE 802.3at)
Current
consumption
1.50A @ 12VDC
0.75A @ 24VDC
Inputs
2 digital input for LED control
1 digital input for reader disable1 TNC
Nedap UHF antenna
Active low inputs (0V – 5V)
Active low input (0V – 5V)
Output
Wiegand, Magstripe (clock & data), Nedap
EM4102, Nedap CR/LF
Other possible in TRANSIT compatible
mode, see TRANSIT firmware guides
Relay
1 relay (NO, common, NC) 24VDC 2A
Interfaces
RS-422, RS-485, Ethernet and USB
Air interface
ISO18000-6C
Polarization
Circular
Operating
frequency
Country
Frequency
Technique
Power
Europe
865.7 - 867.5 MHz
FHSS 4ch
2W ERP
Americas
902.7 - 927.2 MHz
FHSS 50ch
1W cond, ≤6dBi gain
Brazil
915.5 - 927.5 MHz
FHSS 41ch
1W cond, ≤6dBi gain
China
920.6 - 924.4 MHz
FHSS 20ch
2W ERP
Australia
920.7 - 925.2 MHz
FHSS 10ch
4W EIRP
Israel
915.1 - 916.9 MHz
DRM 4ch
2W EIRP
South-Korea
917.7 - 920.1 MHz
FHSS 5ch
4W EIRP
New Zealand
922.5 - 926.0 MHz
FHSS 8ch
4W EIRP
Japan
916.8 - 920.4 MHz
DRM 4ch
1W cond, ≤6dBi gain
Malaysia
919.8 - 922.2 MHz
DRM 5ch
2W ERP
Taiwan
922.6 - 927.4 MHz
FHSS 9ch
1W cond, ≤6dBi gain
Vietnam
920.7 - 924.3 MHz
DRM 7ch
2W ERP
Philippines
918.5 - 919.5 MHz
DRM 3ch
0.5W ERP
Russian
866.3 - 867.6 MHz
DRM 3ch
2W ERP

UPASS TARGET | INSTALLATION GUIDE
Technical Specifications
32/36
Immunity
EN 50364
EN62369-1
EN301 489-1 V1.9.2
EN 301 489-3 V1.6.1
EN 55022
EN 61000-6-2
EN 61000-6-3 +A1
Safety
EN 60950-1
Emission
EN 302 208-1 v1.4.1
EN 302 208-2 v1.4.1
ERC REC 70-03
FCC 47 CFR part 15 subpart C Section
15.247
Industry Canada RSS-247
Shock
IEC 68-2-27 Ea
50 G, 6 ms, 10x3 dir
Bump
IEC 68-2-29 Eb
25 G, 6ms, 1000x3 dir
Random vibration
EN 50155
5 – 150Hz, 5 G, 20 sweeps x 3 dir

UPASS TARGET | INSTALLATION GUIDE
Part Numbers
33/36
B PART NUMBERS
Readers
Nedap uPASS Target Region 1 (EUR 865-868
MHz)
9217363
Nedap uPASS Target Region 2 - 3 (USA 902-
928 MHz)
9217371
Antennas
Nedap uPASS Target Region 1 (EUR 865-868
MHz)
9219021
Nedap uPASS Target Region 2 - 3 (USA 902-
928 MHz)
9219048
Mounting
Wall Mounting Bracket
9984364
Pole Mounting Set
5626595
Weather Protection Hood
5762804

UPASS TARGET | INSTALLATION GUIDE
FCC / IC statement
34/36
C FCC / IC STATEMENT
FCC ID: CGDUPASSTAR
IC: 1444A-UPASSTAR
Compliance statements (part15.19)
This device complies with part 15 of the FCC Rules and to RSS-247 of Industry
Canada. Operation is subject to the following two conditions:
(1) this device may not cause harmful interference, and
(2) this device must accept any interference received, including interference that
may cause undesired operation.
Cet appareil se conforme aux normes CNR-247 exemptés de licence du Industriel
Canada. L'opération est soumise aux deux conditions suivantes:
(1) cet appareil ne doit causer aucune interférence, et
(2) cet appareil doit accepter n'importe quelle interférence, y inclus interférence qui
peut causer une opération non pas voulu de cet appareil.
Warning (part15.21)
Changes or modifications not expressly approved by party responsible for
compliance could void the user’s authority to operate the equipment.
RF Exposure (OET Bulletin 65)
To comply with FCC RF exposure requirements for mobile transmitting devices, this
transmitter should only be used or installed at locations where there is at least 20cm
separation distance between the antenna and all persons.
Information to the User (Part 15.105(b))
Note: This equipment has been tested and found to comply with the limits for a class
B digital devices, pursuant to part 15 of the FCC Rules. These limits are designed to
provide reasonable protection against harmful interference in a residential
installation. This equipment generates, uses and can radiate radio frequent energy
and, if not installed and used in accordance with the instructions, may cause harmful
interference to radio communications. However, there is no guarantee that
interference will not occur in a particular installation. If this equipment does not
cause harmful interference to radio or television reception, which can be determine
by turning the equipment off and on, the user is encouraged to try to correct the
interference by one or more of the following measures:
Reorient or relocate the receiving antenna.
Increase the separation between the equipment and receiver.
Connect the equipment into an outlet on a circuit different from that to
which the receiver is connected.
Consult the dealer or an experienced radio/TV technician for help.
UL
This equipment is intended to be powered from a limited power supply that is listed as ALVY
(UL294) or APHV (UL603).
UL294 Classifications: Destructive Attack: Level 1
Line Security: Level 1
Endurance: Level 4
Standby Power: Level 1

UPASS TARGET | INSTALLATION GUIDE
Disclaimer
35/36
D DISCLAIMER
This information is furnished for guidance, and with no guarantee as to its accuracy
or completeness; its publication conveys no license under any patent or other right,
nor does the publisher assume liability for any consequence of its use; specifica-
tions and availability of goods mentioned in it are subject to change without notice;
it is not to be reproduced in any way, in whole or in part, without the written consent
of the publisher.

UPASS TARGET | INSTALLATION GUIDE
Document revision
36/36
E DOCUMENT REVISION
Version
Date
Comment
1.04
2016-03-01
Changed FCC reference: RSS210, CNR210 to RSS-
247, CNR-247.
FCC Part15.106 changed to FCC Part15.105
1.03
2016-02-18
Added inch measurements to dimensions drawings
Added image of the Ethernet connector
Corrected text that mini USB and TNC aren’t supplied
Added external antenna setting reference to tooling
chapter.
Used correct name for the TRANSIT compatible
processor update tool
1.02
2016-01-20
Added Russian frequencies
Added FCC/IC numbers
Added Antenna part numbers
Added Antenna images (part numbers)
Added mounting images (part numbers)
Added information when to place the weather
protection hood
Removed the resistor that was placed instead of the
120KHz antenna in the Nedap antenna interface.
1.01
2015-12-08
Initial version