Nordic Track 236650 Owner S Manual 285430
Nordic-Track-Ntel75060-Owner-S-Manual nordic-track-ntel75060-owner-s-manual
AUDIOSTRIDER NTEL7506.0 NTEL7506.0-247355
2014-07-06
: Nordic-Track Nordic-Track-236650-Owner-S-Manual nordic-track-236650-owner-s-manual nordic-track pdf
Open the PDF directly: View PDF .
Page Count: 28

CAUTION
Read all precautions and instruc-
tions in this manual before using
this equipment. Keep this manual
for future reference.
Serial
Number
Decal
Model No. NTEL7506.0
Serial No.
QUESTIONS?
As a manufacturer, we are com-
mitted to providing complete
customer satisfaction. If you
have questions, or if parts are
damaged or missing, PLEASE
CONTACT OUR CUSTOMER
SERVICE DEPARTMENT
DIRECTLY.
CALL TOLL-FREE:
1-888-825-2588
Mon.–Fri., 6 a.m.–6 p.m. MST
Sat. 8 a.m.–5 p.m. MST
ON THE WEB:
www.nordictrackservice.com
Visit our website at
www.nordictrack.com
new products, prizes,
fitness tips, and much more!
V
USERʼS MANUAL

TABLE OF CONTENTS
IMPORTANTPRECAUTIONS ................................................................3
BEFOREYOUBEGIN ......................................................................4
ASSEMBLY ...............................................................................5
HOWTOUSETHEELLIPTICALEXERCISER ..................................................11
MAINTENANCEANDTROUBLESHOOTING ...................................................19
CONDITIONINGGUIDELINES...............................................................20
PARTLIST ..............................................................................24
EXPLODEDDRAWING ....................................................................26
HOWTOORDERREPLACEMENTPARTS .............................................BackCover
LIMITEDWARRANTY ..............................................................BackCover
2
NordicTrack is a registered trademark of ICON IP, Inc.

3
IMPORTANT PRECAUTIONS
WARNING: To reduce the risk of serious injury, read the following important precau-
tions before using the elliptical exerciser.
1. Read all instructions in this manual and all
warnings on the elliptical exerciser before
using the elliptical exerciser. Use the ellipti-
cal exercise only as described in this
manual.
2. It is the responsibility of the owner to ensure
that all users of the elliptical exerciser are
adequately informed of all precautions.
3. The elliptical exerciser is intended for
home use only. Do not use the elliptical
exerciser in a commercial, rental, or institu-
tional setting.
4. Keep the elliptical exerciser indoors, away
from moisture and dust. Place the elliptical
exerciser on a level surface, with a mat
beneath it to protect the floor or carpet.
Make sure that there is enough clearance
around the elliptical exerciser to mount, dis-
mount, and use it.
5. Inspect and properly tighten all parts regu-
larly. Replace any worn parts immediately.
6. Keep children under 12 and pets away from
the elliptical exerciser at all times.
7. The elliptical exerciser should not be used
by persons weighing more than 275 pounds.
8. Wear appropriate exercise clothes while
using the elliptical exerciser. Always wear
athletic shoes for foot protection while exer-
cising.
9. Hold the handgrip pulse sensor or the upper
body arms when mounting, dismounting, or
using the elliptical exerciser.
10. The pulse sensor is not a medical device.
Various factors may affect the accuracy of
heart rate readings. The pulse sensor is
intended only as an exercise aid in determin-
ing heart rate trends in general.
11. Keep your back straight while using the ellip-
tical exerciser; do not arch your back.
12. If you feel pain or dizziness while exercising,
stop immediately and cool down.
13. When you stop exercising, allow the pedals
to slowly come to a stop.
14. The warning decals shown on page 4 have
been placed on the elliptical exerciser in the
locations shown. If a decal is missing or
illegible, call the toll-free telephone number
on the front cover of this manual and order
a free replacement decal. Apply the decal in
the location shown.
WARNING: Before beginning this or any exercise program, consult your physician.
This is especially important for persons over the age of 35 or persons with pre-existing health prob-
lems. Read all instructions before using. ICON assumes no responsibility for personal injury or
property damage sustained by or through the use of this product.

4
BEFORE YOU BEGIN
Thank you for purchasing the revolutionary
NordicTrack®AUDIOSTRIDER 600 elliptical exerciser.
The AUDIOSTRIDER 600 elliptical exerciser provides
a wide array of features designed to make your work-
outs at home more effective and enjoyable—and
when youʼre not exercising, the unique elliptical exer-
ciser can be folded out of the way.
For your benefit, read this manual carefully before
you use the elliptical exerciser. If you have ques-
tions after reading this manual, please see the front
cover of this manual. To help us assist you, note the
product model number and serial number before con-
tacting us. The model number is NTEL7506.0. The
serial number can be found on a decal attached to the
elliptical exerciser (see the front cover of this manual
for the location of the decal).
Before reading further, please familiarize yourself with
the parts that are labeled in the drawing below.
Pulse Sensor
Upper Body Arm
Pedal Disc
Wheel
Pedal
Water Bottle Holder*
Console
Handle
Latch Button
FRONT
RIGHT SIDE
REAR
Fan
*No water bottle is included

5
ASSEMBLY
Assembly requires two persons. Place all parts of the elliptical exerciser in a cleared area and remove the
packing materials. Do not dispose of the packing materials until assembly is completed.
Assembly requires the included hex keys and your own phillips screwdriver , adjustable
wrench , and rubber mallet .
As you assemble the elliptical exerciser, use the drawings below to identify small parts. The number in parentheses
below each drawing is the key number of the part, from the PART LIST on pages 24 and 25. The number follow-
ing the parentheses is the quantity needed for assembly. Note: Some small parts may have been preassem-
bled. If a part is not in the parts bag, check to see if it has been preassembled.
M8 x 23mm x
2mm Washer
(96)–8
M8 Split
Washer (97)–16
M4 x 16mm
Round Head
Screw (80)–21
M8 Washer
(95)–4
M8 x 14mm Button
Screw (84)–6
Wave Washer
(101)–2
M8 x 19mm Button
Screw (85)–6
M8 x 23mm Button
Screw (86)–4
M10 x 78mm Carriage Bolt (92)–2
M10 Nylon
Locknut (82)–2
M4 x 16mm
Screw (78)–6
M10 Split
Washer (99)–2
M10 x 80mm Button Screw (93)–2M8 x 45mm Button
Screw (90)–6
Large Wave
Washer (102)–4
M8 x 23mm x
1mm Washer
(31)–4
1. See HOW TO FOLD AND UNFOLD THE
ELLIPTICAL EXERCISER on page 11 and
unfold the elliptical exerciser.
While another person lifts the front of the
Frame (1), attach the Front Stabilizer (4) to the
Frame with two M10 x 78mm Carriage
Bolts (92) and two M10 Nylon Locknuts (82).
4
92
82
82
1
1

6
2. Attach the Left and Right Frame Covers (36, 37)
around the Frame (1) with four M4 x 16mm
Round Head Screws (80).
3. With the help of another person, carefully tip
the elliptical exerciser onto its side. Attach the
Center Foot (40) to the Frame (1) with two
M4 x 16mm Screws (78). Then, return the ellipti-
cal exerciser to the upright position.
Orient the Rear Stabilizer (3) as shown. While
another person lifts the Folding Frame (2),
attach the Rear Stabilizer to the Folding Frame
with two M10 x 80mm Button Screws (93) and
two M10 Split Washers (99).
3
80
80
99
99
78
40
2
93
3
1
36
37
1
2
4. While another person holds the Upright (10)
near the Frame (1), connect the Upper Wire
Harness (65) to the Lower Wire Harness (64).
Then, insert the Upright (10) into the Frame (1).
Attach the Upright with four M8 x 19mm Button
Screws (85) and four M8 Split Washers (97). Do
not tighten the Button Screws yet.
Avoid pinching the Wire Harnesses (64, 65)
during this step. 10
1
97
97
97
97
85
85
65
64
4
Avoid pinching the
Wire Harnesses (64, 65)
during this step

5. Orient the Left and Right Upright Covers (19, 20)
as shown. Then, attach the Upright Covers
around the Upright (10) with five M4 x 16mm
Round Head Screws (80).
7
5
19
20
10
80
80
80
665
24
72
71
96
85
85
101
101
10
96
6. Apply a generous amount of the included grease
to the Upper Body Axle (71). Insert the Upper
Body Axle into the Upright (10). Be careful not
to damage the Upper Wire Harness (65).
Apply a small amount of grease to a Wave
Washer (101). Slide the Wave Washer onto the
left end of the Upper Body Axle (71).
Identify the Left Upper Body Leg (24), which is
marked with a sticker, and orient it as shown.
Slide the Left Upper Body Leg onto the left side
of the Upper Body Axle (71).
Attach the Left Upper Body Leg (24) to the Upper
Body Axle (71) with an M8 x 19mm Button
Screw (85) and an M8 x 23mm x 2mm Washer
(96).
Repeat this step for the Right Upper Body
Leg (72).
Grease
Grease

8
8. Hold the Left Rear Upper Body Cover (26) and
the Left Front Upper Body Cover (27) around
the Left Upper Body Leg (24). Attach the Upper
Body Covers with five M4 x 16mm Round Head
Screws (80).
Attach the Right Rear Upper Body Cover (28)
and the Right Front Upper Body Cover (29)
in the same way.
7. Attach the Left Upper Body Arm (22) to the Left
Upper Body Leg (24) with three M8 x 14mm
Button Screws (84) and three M8 Split
Washers (97).
Attach the Right Upper Body Arm (23) in the
same way.
22
24
80
80
80
26
28
27
23
24
97
97
84
7
8
9
29
9. The Console (11) can use four D batteries (not
included); alkaline batteries are recommended.
IMPORTANT: If the Console has been
exposed to cold temperatures, allow it to
warm to room temperature before inserting
batteries. Otherwise, you may damage the
console displays or other electronic compo-
nents. Remove the battery cover, insert the bat-
teries into the battery compartment, and reat-
tach the battery cover. Make sure to orient the
batteries as shown by the diagram inside the
battery compartment.
To purchase an optional AC adapter, contact
the store where you purchased this product
or call the telephone number on the cover of
this manual. To avoid damaging the console,
use only a manufacturer-supplied AC
adapter. Plug one end of the AC adapter into
the jack on the console; plug the other end into
an outlet installed in accordance with all local
codes and ordinances.
Battery
Cover
Batteries
11

9
11. Orient a Link Arm (30) as shown. Attach the
Left Pedal (34) to the Link Arm with three
M8 x 45mm Button Screws (90), three M8 Split
Washers (97), and three M8 x 23mm x 2mm
Washers (96).
Attach a Pedal Arm Cover (39) to the Link
Arm (30) with an M4 x 16mm Round Head
Screw (80).
Repeat this step for the Right Pedal (not
shown) and the other Link Arm (not shown).
11
34
96
96
97
97
90
30
80
39
10. While another person holds the Console (11)
near the Upright (10), connect the console wire
harness to the Upper Wire Harness (65).
Attach the Console (11) to the Upright (10) with
four M4 x 16mm Screws (78). Avoid pinching
the wire harnesses during this step.
10
78
65
Console Wire
Harness
11
10
Avoid pinching the
wire harnesses
during this step

10
13. Make sure that all parts of the elliptical exerciser are properly tightened. Note: Some hardware may be
left over after assembly is completed. To protect the floor or carpet from damage, place a mat under the
elliptical exerciser.
12. Apply a generous amount of grease to the axle
on the Left Upper Body Leg (24) and to the axle
on the left Crank Arm (55). Then, apply grease
to two Large Wave Washers (102).
Slide an Upper Body Leg Spacer (9) and a
Large Wave Washer (102) onto the Left Upper
Body Leg (24). Make sure that the flat side of
the Upper Body Leg Spacer is facing out-
ward. Then, slide the other Large Wave Washer
onto the left Crank Arm (55).
Slide the left Pedal Arm (32) onto the Left Upper
Body Leg (24) while sliding the left Link Arm
(30) onto the axle on the left Crank Arm (55).
Attach the Pedal Arm (32) to the Left Upper
Body Leg (24) with an M8 x 23mm Button
Screw (86), an M8 Washer (95), an Axle Cover
(66), and an M8 x 23mm x 1mm Washer (31).
Then, attach the Link Arm (30) to the Crank Arm
(55) with an M8 x 23mm Button Screw (86), an
M8 Washer (95), a Large Axle Cover (52), and
an M8 x 23mm x 1mm Washer (31).
Repeat this step for the right Pedal
Arm (32) and the right Link Arm (30).
See step 4. Tighten the M8 x 19mm Button
Screws (85).
12
9
30
30
32
102
102
66
52
55
95
31
86
24
Grease
Grease
95
31
86
32

11
HOW TO USE THE ELLIPTICAL EXERCISER
HOW TO FOLD AND UNFOLD THE ELLIPTICAL
EXERCISER
When the elliptical exerciser is not in use, the frame
can be folded out of the way. To fold the elliptical exer-
ciser, lift the handle on the rear of the elliptical exerciser
until the elliptical exerciser locks into the vertical posi-
tion.
To unfold the elliptical exerciser, first hold the handle,
press the latch button, and then lower the frame to the
floor.
HOW TO MOVE THE ELLIPTICAL EXERCISER
To move the elliptical exerciser, first fold it as
described at the left. Next, stand in front of the ellipti-
cal exerciser and place one foot against the center of
the front stabilizer. Pull the transport handle backward
until the elliptical exerciser will roll on the front wheels.
Carefully move the elliptical exerciser to the desired
position, and then lower it.
Handle
Handle
Place
your foot
here
Transport
Handle
Latch
Button

12
HOW TO EXERCISE ON THE ELLIPTICAL
EXERCISER
To mount the elliptical exerciser, hold the upper body
arms and step onto the pedal that is in the lowest posi-
tion. Next, step onto the other pedal. Push the pedals
until they begin to move with a continuous motion.
Note: The crank arms can turn in either direction.
It is recommended that you turn the crank arms in
the direction shown by the arrow at the right; how-
ever, for variety you can turn the crank arms in the
opposite direction.
To dismount the elliptical exerciser, wait until the ped-
als come to a complete stop. Note: The elliptical
exerciser does not have a free wheel; the pedals
will continue to move until the flywheel stops.
When the pedals are stationary, step off the higher
pedal first. Then, step off the lower pedal.
Pedals
Crank Arm
Upper Body Arms

13
FEATURES OF THE CONSOLE
The advanced console offers an array of features
designed to make your workouts more effective and
enjoyable. When you select the manual mode of the
console, you can change the resistance of the pedals
with the touch of a button. As you exercise, the con-
sole will provide continuous exercise feedback. You
can even measure your heart rate using the handgrip
pulse sensor.
The console also offers four preset programs. Each
program automatically changes the resistance of the
pedals and prompts you to increase or decrease your
pedaling speed as it guides you through an effective
workout.
In addition, the console features two heart rate pro-
grams that change the resistance of the pedals to
keep your heart rate near target heart rate settings
while you exercise.
The console also features the new iFIT Interactive
Workout System. The iFIT Interactive Workout System
is compatible with iFIT Cards containing workout pro-
grams designed to help you achieve specific fitness
goals. For example, lose unwanted pounds with the 8-
week Weight Loss program. iFIT programs control the
resistance of the pedals while the voice of a personal
trainer coaches you and motivates you through your
workouts. iFIT Cards are available separately. To pur-
chase iFIT Cards, go to www.iFIT.com or call the
toll-free telephone number on the front cover of
this manual. iFIT Cards are also available at select
stores.
You can even connect your MP3 player or CD player
to the consoleʼs stereo sound system and listen to
your favorite music or audio books while you exercise.
To use the manual mode of the console, follow the
steps beginning on page 14. To use a preset
program, see page 16. To use a heart rate program,
see page 17. To use an iFIT program, see page 18.
To use the stereo sound system, see page 18.
CONSOLE DIAGRAM

14
HOW TO USE THE MANUAL MODE
Note: If there is a sheet of clear plastic on the face of
the console, remove the plastic.
Press any button on the console or begin
pedaling to turn on the console.
When you turn on the console, the display and
the program target pacer will light. A tone will
then sound and the console will be ready for use.
Select the manual mode.
When you turn on the console, the manual mode
will be selected. If you have selected a program,
reselect the manual mode by pressing any of the
Programs buttons repeatedly until a track appears
in the left side of the display.
Begin pedaling and change the resistance of
the pedals as desired.
As you pedal,
change the resis-
tance of the pedals
by pressing the
OneTouch Resis-
tance buttons. There
are ten resistance levels. Note: After you press
the buttons, it will take a moment for the pedals
to reach the selected resistance level.
Follow your progress with the displays.
The upper right sec-
tion of the display can
show the elapsed
time, the distance
(total revolutions) you
have pedaled, the
approximate number of calories you have burned,
and the approximate number of grams of carbs
you have burned. The display will change modes
every few seconds.
The lower right sec-
tion of the display can
show your pedaling
pace (in revolutions
per minute) and the
resistance level of the
pedals. The display will change modes every few
seconds. The display will also show your heart
rate when you use the handgrip pulse sensor (see
step 5 on page 15).
The left section of the
display will show a
track representing 640
revolutions. As you
exercise, indicators
will appear in succes-
sion around the track
until the entire track
appears. The track will then disappear and the
indicators will again begin to appear in succession
To change the display mode, press the Display
button repeatedly until the desired exercise infor-
mation appears in the upper or lower right display.
After several seconds, the display will change
modes automatically as before.
To view the total distance pedaled since the ellipti-
cal exerciser was purchased, press the Odometer
button. The information will appear in the display
for a few seconds. To view the trip distance, press
the Odometer button a second time. To reset the
trip distance, hold down the Odometer button for a
few seconds. Note: The number on the right side
of the display multiplied by the number on the left
side equals the total distance or the trip distance.
1
4
3
2

15
Measure your heart rate if desired.
If there are
sheets of clear
plastic on the
metal contacts
on the handgrip
pulse sensor,
remove the plas-
tic. In addition,
make sure that
your hands are
clean. To mea-
sure your heart rate, hold the handgrip pulse sen-
sor with your palms resting against the metal con-
tacts. Avoid moving your hands or gripping the
contacts tightly.
When your pulse is detected, a heart-shaped
symbol will flash in the display each time your
heart beats and then your heart rate will be
shown. For the most accurate heart rate reading,
hold the contacts for at least 15 seconds.
If your heart rate is not shown, make sure that
your hands are positioned as described. Be care-
ful not to move your hands excessively or to
squeeze the metal contacts tightly. For optimal
performance, clean the metal contacts using a
soft cloth; never use alcohol, abrasives, or
chemicals to clean the contacts.
Turn on the fan if desired.
To turn on the fan at high speed, press the Fan
button. To turn on the fan at low speed, press the
Fan button a second time. To select the auto
mode, press the Fan button a third time; while the
auto mode is selected, the speed of the fan will
automatically increase or decrease as you
increase or decrease your pedaling speed.
Pivot the thumb
tab on the right
side of the fan to
adjust the fan
angle.
To turn off the fan, press the Fan button again.
Note: If the pedals do not move for about thirty
seconds, the fan will automatically turn off to con-
serve the batteries.
When you are finished exercising, the console
will turn off automatically.
If the pedals do not move for several seconds, a
series of tones will sound and the console will
pause.
If the pedals do not move for about five minutes,
the console will turn off and the displays will be
reset.
Contacts
Thumb
Tab

16
HOW TO USE A PRESET PROGRAM
Press any button on the console or begin
pedaling to turn on the console.
See step 1 on page 14.
Select a preset program.
To select one of the four preset programs, press
the Weight Loss, the Aerobic 1, the Aerobic 2, or
the Performance button on the left side of the
console.
When you select a preset program, the name of
the program and the maximum resistance level
will appear in the display for a few seconds. A
profile of the resistance levels of the program will
also scroll across the left side of the display.
Begin pedaling to start the program.
Each program is divided into 30 one-minute seg-
ments. One resistance level and one target pace
setting is programmed for each segment. Note:
The same resistance level and/or target pace set-
ting may be programmed for consecutive seg-
ments.
During the program, the program profile will show
your progress (see the drawing above). The
flashing segment of the profile represents the cur-
rent segment of the program. The height of the
flashing segment indicates the resistance level
for the current segment. At the end of each seg-
ment of the program, a series of tones will sound
and the next segment of the profile will begin to
flash. If a different resistance level is pro-
grammed for the next segment, the resistance
level will appear in the display for a few seconds
to alert you. The resistance of the pedals will then
change.
During the program, the program target pacer will
prompt you to keep your pedaling pace near the
target pace setting for the current segment. When
aleft indicator lights, increase your pace; when a
right indicator lights, decrease your pace. When
the center indicator lights, maintain your current
pace. Important: The program target pacer is
intended only to provide a goal. Make sure to
pedal at a pace that is comfortable for you.
If the resistance level for the current segment is
too high or too low, you can manually override
the resistance level by pressing the OneTouch
Resistance buttons. However, when the current
segment ends, the resistance of the pedals will
automatically adjust to the resistance level for the
next segment.
If you stop pedaling for several seconds, a series
of tones will sound and the program will pause. To
restart the program, simply resume pedaling. The
program will continue until the last segment of the
profile ends.
Follow your progress with the displays.
See step 4 on page 14.
Measure your heart rate if desired.
See step 5 on page 15.
Turn on the fan if desired.
See step 6 on page 15.
When you are finished exercising, the console
will turn off automatically.
See step 7 on page 15.
7
6
5
4
1
3
2

17
HOW TO USE A HEART RATE PROGRAM
Press any button on the console or begin
pedaling to turn on the console.
See step 1 on page 14.
Select a heart rate program.
To select one of the heart rate programs, press
the Heart Rate 1 or the Heart Rate 2 button on
the left side of the console.
Enter a target heart rate setting.
A few seconds after
you select a heart
rate program, the tar-
get heart rate setting
for the program will
flash in the lower right
display.
During heart rate program 1, the same target
heart rate setting will be programmed for all seg-
ments of the program. If you have selected heart
rate program 1, press the increase and decrease
buttons above the Heart Rate Program buttons to
enter the desired target heart rate setting (see
EXERCISE INTENSITY on page 20).
During heart rate program 2, different target
heart rate settings will be programmed for differ-
ent segments of the program. If you have select-
ed heart rate program 2, press the increase and
decrease buttons above the Heart Rate Program
buttons to enter the desired maximum target
heart rate setting for the program (see EXER-
CISE INTENSITY on page 20).
Hold the handgrip pulse sensor.
It is not necessary to hold the handgrip pulse
sensor continuously during heart rate programs;
however, you should hold the handgrip pulse sen-
sor frequently for the programs to operate proper-
ly. Each time you hold the handgrip pulse sen-
sor, keep your hands on the metal contacts
for at least 30 seconds.
Begin pedaling to start the program.
Heart rate program 1 is divided into 40 one-
minute segments. Note: For a shorter workout,
stop exercising or select a different program
before the program ends.
Heart rate program 2 is divided into 30 one-
minute segments. One target heart rate setting is
programmed for each segment. Note: The same
target heart rate setting may be programmed for
consecutive segments.
During the program, the program profile in the
display will show your progress. The flashing seg-
ment of the profile represents the current seg-
ment of the program. The height of the flashing
segment indicates the target heart rate setting for
the current segment. At the end of each segment
of the program, a series of tones will sound and
the next segment of the profile will begin to flash.
During both programs, the console will regularly
compare your heart rate to the target heart rate
setting for the current segment of the program. If
your heart rate is too far below or above the tar-
get heart rate setting, the resistance of the pedals
will automatically increase or decrease to bring
your heart rate closer to the target heart rate set-
ting. Each time the resistance changes, the resis-
tance level will appear in the display for a few
seconds to alert you.

18
While you exercise, the program target pacer will
prompt you to maintain a constant pedaling
speed. When a left indicator lights, increase your
pace; when a right indicator lights, decrease your
pace. When the center indicator lights, maintain
your current pace. Important: The program tar-
get pacer is intended only to provide a goal.
Make sure to pedal at a pace that is comfort-
able for you.
If the resistance level for the current segment is
too high or too low, you can manually override
the resistance level by pressing the OneTouch
Resistance buttons. However, when the console
compares your heart rate to the target heart rate
setting, the resistance of the pedals may auto-
matically increase or decrease to bring your heart
rate closer to the target heart rate setting.
If you stop pedaling for several seconds, a series
of tones will sound and the program will pause. To
restart the program, simply resume pedaling. The
program will continue until the last segment of the
program ends.
Follow your progress with the displays.
See step 4 on page 14.
Turn on the fan if desired.
See step 6 on page 15.
When you are finished exercising, the console
will turn off automatically.
See step 7 on page 15.
HOW TO USE AN IFIT PROGRAM
Press any button on the console or begin
pedaling to turn on the console.
See step 1 on page 14.
Insert an iFIT Card and select a program.
To use an iFIT program, insert an iFIT Card into
the iFIT slot; make sure that the iFIT Card is ori-
ented so the metal contacts are face down and
are facing the slot. When the iFIT Card is proper-
ly inserted, the indicator next to the slot will light
and the words IFIT 1 will appear in the display.
Next, select the desired program on the iFIT Card
by pressing the increase and decrease buttons
next to the iFIT slot.
A moment after you select a program, the voice
of a personal trainer will begin guiding you
through your workout. iFIT programs work in the
same way as preset programs. To use the pro-
gram, see steps 3 to 7 on page 16.
When you are finished exercising, remove the
iFit Card.
Remove the iFit Card when you are finished exer-
cising. Store the iFit Card in a secure place.
HOW TO USE THE STEREO SOUND SYSTEM
To play music or audio books through the consoleʼs
stereo sound system while you exercise, locate the
jack under the ledge on the console. Plug the included
audio cable into the jack on the console and into a
jack on your MP3 player or CD player; make sure
that the audio cable is fully plugged in.
Next, press the play button on your MP3 player or CD
player. Adjust the volume of the speakers using the
volume control on your MP3 player or CD player.
3
7
1
2
8
6
iFIT Slot
iFIT Card

19
Inspect and tighten all parts of the elliptical exerciser
regularly. Replace any worn parts immediately.
To clean the elliptical exerciser, use a damp cloth and
a small amount of mild soap. Important: To avoid
damage to the console, keep liquids away from
the console and keep the console out of direct
sunlight.
BATTERY REPLACEMENT
If the console displays become dim, the batteries
should be replaced; most console problems are the
result of low batteries. See assembly step 9 on page
8 for replacement instructions.
HANDGRIP PULSE SENSOR TROUBLESHOOTING
If the handgrip pulse sensor does not function proper-
ly, see step 5 on page 15.
HOW TO ELIMINATE RUBBING OF THE DISCS
If the Discs (12) rub against the Side Shields (14, 15)
during use, make sure that the Center Foot (40) is
installed in the Frame (1). If the Center Foot is
installed, loosen the two indicated Bolt Sets (88) and
the two M4 x 16mm Screws (78) in each side of the
elliptical exerciser.
Adjust the position of the Side Shields (14, 15) until
the Discs (12) no longer rub against them, and then
tighten the Bolt Sets (88) and the M4 x 16mm Screws
(78).
HOW TO ADJUST THE BELT
If the pedals slip while you are pedaling, even while
the resistance is adjusted to the highest setting, the
belt may need to be adjusted. To adjust the belt, first
see assembly step 12 on page 10 and remove the left
pedal arm and the left link arm.
Then, remove the
four screws (not
shown) from the
center of the left
Disc (12). Next,
carefully pry off
the left Disc
Cover (13) using
a flat screwdriver.
Gently rotate the
Disc Cover and
the Disc away from the elliptical exerciser.
Loosen, but do
not remove, the
three indicated
screws (A). Insert
the shaft of a
screwdriver
downward
between the
Idler (47) and the
Idler Pulley (48).
Pull the top of the
screwdriver
toward the front
of the elliptical exerciser until the Belt (74) is tight.
Then, tighten the three screws.
Reattach the left disc with the four screws and then
reattach the left disc cover. Next, see assembly step
12 on page 10 and reattach the left pedal arm and the
left link arm.
MAINTENANCE AND TROUBLESHOOTING
13
12
47
A
74
40
78
14, 15
12 1
88
48

20
CONDITIONING GUIDELINES
The following guidelines will help you to plan your
exercise program. Remember that proper nutrition
and adequate rest are essential for successful results.
EXERCISE INTENSITY
Whether your goal is to burn fat or to strengthen your
cardiovascular system, the key to achieving the
desired results is to exercise with the proper intensity.
The proper intensity level can be found by using your
heart rate as a guide. The chart below shows recom-
mended heart rates for fat burning, maximum fat
burning, and cardiovascular (aerobic) exercise.
To find the proper heart rate for you, first find your age
at the bottom of the chart (ages are rounded off to the
nearest ten years). Next, find the three numbers above
your age. The three numbers are your “training zone.”
The lower two numbers are recommended heart rates
for fat burning; the highest number is the recommend-
ed heart rate for aerobic exercise.
Fat Burning
To burn fat effectively, you must exercise at a relative-
ly low intensity level for a sustained period of time.
During the first few minutes of exercise, your body
uses easily accessible carbohydrate calories for ener-
gy. Only after the first few minutes of exercise does
your body begin to use stored fat calories for energy.
If your goal is to burn fat, adjust the intensity of your
exercise until your heart rate is near the lowest num-
ber in your training zone as you exercise.
For maximum fat burning, adjust the intensity of your
exercise until your heart rate is near the middle num-
ber in your training zone as you exercise.
Aerobic Exercise
If your goal is to strengthen your cardiovascular sys-
tem, your exercise must be “aerobic.” Aerobic exer-
cise is activity that requires large amounts of oxygen
for prolonged periods of time. This increases the
demand on the heart to pump blood to the muscles,
and on the lungs to oxygenate the blood. For aerobic
exercise, adjust the intensity of your exercise until
your heart rate is near the highest number in your
training zone as you exercise.
WORKOUT GUIDELINES
Each workout should include the following three parts:
A warm-up, consisting of 5 to 10 minutes of stretching
and light exercise. A proper warm-up increases your
body temperature, heart rate, and circulation in prepa-
ration for exercise.
Training zone exercise, consisting of 20 to 30 min-
utes of exercising with your heart rate in your training
zone. Note: During the first few weeks of your exer-
cise program, do not keep your heart rate in your
training zone for longer than 20 minutes.
A cool-down, with 5 to 10 minutes of stretching. This
will increase the flexibility of your muscles and will
help to prevent post-exercise problems.
EXERCISE FREQUENCY
To maintain or improve your condition, complete three
workouts each week, with at least one day of rest
between workouts. After a few months of regular exer-
cise, you may complete up to five workouts each week
if desired. The key to success is to make exercise a
regular and enjoyable part of your everyday life.
WARNING:
Before beginning this or any exercise pro-
gram, consult your physician. This is espe-
cially important for persons over the age of 35
or persons with pre-existing health problems.
The pulse sensor is not a medical device.
Various factors may affect the accuracy of
heart rate readings. The pulse sensor is
intended only as an exercise aid in determin-
ing heart rate trends in general.

21
SUGGESTED STRETCHES
The correct form for several basic stretches is shown at the right.
Move slowly as you stretch—never bounce.
1. Toe Touch Stretch
Stand with your knees bent slightly and slowly bend forward from
your hips. Allow your back and shoulders to relax as you reach
down toward your toes as far as possible. Hold for 15 counts,
then relax. Repeat 3 times. Stretches: Hamstrings, back of knees
and back.
2. Hamstring Stretch
Sit with one leg extended. Bring the sole of the opposite foot
toward you and rest it against the inner thigh of your extended
leg. Reach toward your toes as far as possible. Hold for 15
counts, then relax. Repeat 3 times for each leg. Stretches:
Hamstrings, lower back and groin.
3. Calf/Achilles Stretch
With one leg in front of the other, reach forward and place your
hands against a wall. Keep your back leg straight and your back
foot flat on the floor. Bend your front leg, lean forward and move
your hips toward the wall. Hold for 15 counts, then relax. Repeat
3 times for each leg. To cause further stretching of the achilles
tendons, bend your back leg as well. Stretches: Calves, achilles
tendons and ankles.
4. Quadriceps Stretch
With one hand against a wall for balance, reach back and grasp
one foot with your other hand. Bring your heel as close to your
buttocks as possible. Hold for 15 counts, then relax. Repeat 3
times for each leg. Stretches: Quadriceps and hip muscles.
5. Inner Thigh Stretch
Sit with the soles of your feet together and your knees outward.
Pull your feet toward your groin area as far as possible. Hold for
15 counts, then relax. Repeat 3 times. Stretches: Quadriceps and
hip muscles.
1
2
3
4
5

22
NOTES

23
NOTES

24
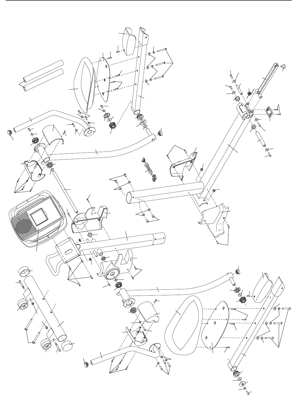
11Frame
21 Folding Frame
31Rear Stabilizer
41Front Stabilizer
51Left Pedal Bracket
61Right Pedal Bracket
74Upper Bushing Assembly
82Upper Body Arm Endcap
92Upper Body Leg Spacer
10 1 Upright
11 1 Console
12 2 Disc
13 2 Disc Cover
14 1 Left Side Shield
15 1 Right Side Shield
16 4 Stabilizer Endcap
17 2 Wheel
18 2 Link Axle
19 1 Left Upright Cover
20 1 Right Upright Cover
21 2 Pivot Bushing
22 1 Left Upper Body Arm
23 1 Right Upper Body Arm
24 1 Left Upper Body Leg
25 1 Latch Axle
26 1 Left Rear Upper Body Cover
27 1 Left Front Upper Body Cover
28 1 Right Rear Upper Body Cover
29 1 Right Front Upper Body Cover
30 2 Link Arm
31 6 M8 x 23mm x 1mm Washer
32 2 Pedal Arm
33 4 M6 Washer
34 1 Left Pedal
35 1 Right Pedal
36 1 Left Frame Cover
37 1 Right Frame Cover
38 1 Latch Spring
39 2 Pedal Arm Cover
40 1 Center Foot
41 1 Latch Button
42 4 Link Bearing
43 2 Link Arm Pad
44 1 Eddy Mechanism
45 1 Eddy Crank Assembly
46 1 Pillow Block
47 1 Idler
48 1 Idler Pulley
49 1 Eddy Motor
50 1 Reed Switch/Wire
51 1 Clamp
52 2 Large Axle Cover
53 4 Pivot Arm Bushing
54 4 Link Snap Ring
55 2 Crank Arm
56 1 Crank Arm Spacer
57 1 Large Pulley
58 2 Crank Flange
59 2 Crank Bearing Assembly
60 1 Crank Spacer
61 1 Crank
62 2 Crank Snap Ring
63 2 Flange Screw
64 1 Lower Wire Harness
65 1 Upper Wire Harness
66 2 Axle Cover
67 4 Bushing Assembly
68 2 Brass Bushing
69 1 Latch Bracket
70 1 Pivot Axle
71 1 Upper Body Axle
72 1 Right Upper Body Leg
73 2 Upper Body Leg Endcap
74 1 Belt
75 2 Foam
76 1 Frame Cap
77 2 Transfer Handle Endcap
78 10 M4 x 16mm Screw
79 4 M4 x 16mm Flat Head Screw
80 21 M4 x 16mm Round Head Screw
81 8 M4 x 16mm Blunt Screw
82 4 M10 Nylon Locknut
83 8 M6 x 10mm Button Screw
84 6 M8 x 14mm Button Screw
85 8 M8 x 19mm Button Screw
86 4 M8 x 23mm Button Screw
87 12 M8 x 25mm Button Screw
88 5 M8 x 25mm Bolt Set
89 4 M8 x 35mm Button Screw
90 6 M8 x 45mm Button Screw
91 2 M10 x 60mm Button Bolt
92 2 M10 x 78mm Carriage Bolt
93 2 M10 x 80mm Button Screw
94 4 M6 Nylon Locknut
95 4 M8 Washer
96 8 M8 x 23mm x 2mm Washer
97 16 M8 Split Washer
98 2 M10 Washer
99 2 M10 Split Washer
100 2 M10 x 25mm Button Screw
Key No. Qty. Description Key No. Qty. Description
PART LIST—Model No. NTEL7506.0 R0909A

25
Note: “#” indicates a non-illustrated part. Specifications are subject to change without notice. See the back cover
of this manual for information about ordering replacement parts.
101 2 Wave Washer
102 4 Large Wave Washer
103 8 M8 Nylon Locknut
#1Userʼs Manual
#2 Hex Key
#1Grease
Key No. Qty. Description Key No. Qty. Description

26
EXPLODED DRAWING A—Model No. NTEL7506.0 R0909A
1
4
10
11
17
17
19
20
22
23
72
24
26
27
28
29
32
32
34
35
5
6
36
37
39
39
65
66
66 67
67
67
67
68
68
69
71
7
7
7
7
8
8
9
9
70
25
21
21 38
40
41
16
16
92
91
82
80
85
96 101
80
78
80
84 97
97
80
83
83
83 80
80
86
95
102 73
73
77
77
80
80
80
85
96
101
80 84
97
84
97
97
85
97
97
85
90 97
96
96
97
82
82
80
83 83
83
80
102
95
86
90
97 96
96 97
85
100
31
98
78
98
100
31 85
75
91
31
31

27
2
3
14 15
16
16
12
13
13
30
30
44
45
46
47
48
12
52
52
49
50
51
53
53
53
53
55
55
56 57
58
58
59
59 60
61
64
18
18
42
42
42
42
43
43
54
54
54 54
62
62
63
63
74
89
89
103
103
94
94
33
33
87
87
81
81
79
102
95
86
88
88
88
88
103
103
87
87
87
87
81
102
95
86
79
78
78
99
99
78
76
93
31
31
EXPLODED DRAWING B—Model No. NTEL7506.0 R0909A

Part No. 247355 R0909A Printed in China © 2007 ICON IP, Inc.
HOW TO ORDER REPLACEMENT PARTS
To order replacement parts, see the front cover of this manual. To help us assist you, please be prepared to
provide the following information when contacting us:
• the MODEL NUMBER of the product (NTEL7506.0)
• the NAME of the product (NordicTrack AUDIOSTRIDER 600 elliptical exerciser)
• the SERIAL NUMBER of the product (see the front cover of this manual)
• the KEY NUMBER and DESCRIPTION of the part(s) (see pages 24 to 27)
LIMITED WARRANTY
WHAT IS COVERED—The entire NordicTrack elliptical exerciser (“Product”) is warranted to be free of all defects in material and
workmanship.
WHO IS COVERED—The original purchaser or any person receiving the Product as a gift from the original purchaser.
HOW LONG IT IS COVERED—ICON Health & Fitness, Inc. (“ICON”) warrants the product for one year after the date of purchase.
Labor is covered for one year. There is a lifetime warranty on the frame.
WHAT WE DO TO CORRECT COVERED DEFECTS—We will ship to you, without charge, any replacement part or component, pro-
viding the repairs are authorized by ICON first and are performed by an ICON trained and authorized service provider, or, at our
option, we will replace the Product.
WHAT IS NOT COVERED—Any failures or damage caused by unauthorized service, misuse, accident, negligence, improper assem-
bly or installation, alterations, modifications without our written authorization or by failure on your part to use, operate, and maintain
as set out in your Userʼs Manual (“Manual”).
WHAT YOU MUST DO—Always retain proof of purchase, such as your bill of sale; store, operate, and maintain the Product as spec-
ified in the Manual; notify our Customer Service Department of any defect within 10 days after discovery of the defect; as instruct-
ed, return any defected part for replacement or, if necessary, the entire product, for repair.
USERʼS MANUAL—It is VERY IMPORTANT THAT YOU READ THE MANUAL before operating the Product. Remember to do the
periodic maintenance requirements specified in the Manual to assure proper operation and your continued satisfaction.
HOW TO GET PARTS AND SERVICE—Simply call our Customer Service Department at 1-888-825-2588 and tell them your name
and address and the serial number of your Product. They will tell you how to get a part replaced, or if necessary, arrange for service
where your Product is located or advise you how to ship the Product for service. Before shipping, always obtain a Return
Authorization Number (RA No.) from our Customer Service Department; securely pack your Product (save the original shipping car-
ton if possible); put the RA No. on the outside of the carton and insure the product. Include a letter explaining the product or prob-
lem and a copy of your proof of purchase if you believe the service is covered by warranty.
ICON is not responsible or liable for indirect, special or consequential damages arising out of or in connection with the use or per-
formance of the product or damages with respect to any economic loss, loss of property, loss of revenues or profits, loss of enjoy-
ment or use, costs of removal, installation or other consequential damages of whatsoever nature. Some states do not allow the exclu-
sion or limitation of incidental or consequential damages. Accordingly, the above limitation may not apply to you.
The warranty extended hereunder is in lieu of any and all other warranties and any implied warranties of merchantability or fitness
for a particular purpose is limited in its scope and duration to the terms set forth herein. Some states do not allow limitations on how
long an implied warranty lasts. Accordingly, the above limitation may not apply to you.
No one is authorized to change, modify or extend the terms of this limited warranty. This warranty gives you specific legal rights and
you may have other rights which vary from state to state.
ICON HEALTH & FITNESS, INC., 1500 S. 1000 W., LOGAN, UT 84321-9813