Nordic Track Ntel078083 Owner S Manual 285430
Nordic-Track-238773-Owner-S-Manual nordic-track-238773-owner-s-manual
2014-07-06
: Nordic-Track Nordic-Track-Ntel078083-Owner-S-Manual nordic-track-ntel078083-owner-s-manual nordic-track pdf
Open the PDF directly: View PDF
.
Page Count: 28

CAUTION
Read all precautions and instruc-
tions in this manual before using
this equipment. Keep this manual
for future reference.
Serial Number Decal
(on underside of frame)
Model No. NTEL07808.3
Serial No.
Write the serial number in the
space above for reference.
USERʼS MANUAL
www.nordictrack.com
QUESTIONS?
If you have questions, or if parts are
damaged or missing, DO NOT
CONTACT THE STORE; please
contact Customer Care.
IMPORTANT: Please register this
product (see the limited warranty
on the back cover of this manual)
before contacting Customer Care.
CALL TOLL-FREE:
1-800-TO-BE-FIT
(1-800-862-3348)
Mon.–Fri., 6 a.m.–6 p.m. MT
Sat. 8 a.m.–4 p.m. MT
ON THE WEB:
www.nordictrackservice.com

TABLE OF CONTENTS
WARNINGDECALPLACEMENT ..............................................................2
IMPORTANTPRECAUTIONS ................................................................3
BEFOREYOUBEGIN ......................................................................4
ASSEMBLY ...............................................................................5
HOWTOUSETHEELLIPTICAL .............................................................12
MAINTENANCEANDTROUBLESHOOTING ...................................................21
EXERCISEGUIDELINES ...................................................................22
PARTLIST ..............................................................................23
EXPLODEDDRAWING ....................................................................25
ORDERINGREPLACEMENTPARTS ..................................................BackCover
LIMITEDWARRANTY ..............................................................BackCover
2
WARNING DECAL PLACEMENT
This drawing shows the location(s) of the
warning decal(s). If a decal is missing
or illegible, see the front cover of this
manual and request a free replace-
ment decal. Apply the decal in the
location shown. Note: The decal(s) may
not be shown at actual size.
NordicTrack is a registered trademark of ICON IP, Inc.

3
WARNING: To reduce the risk of serious injury, read all important precautions and
instructions in this manual and all warnings on your elliptical before using your elliptical. ICON
assumes no responsibility for personal injury or property damage sustained by or through the use of
this product.
IMPORTANT PRECAUTIONS
1. Before beginning any exercise program,
consult your physician. This is especially
important for persons over age 35 or
persons with pre-existing health problems.
2. Use the elliptical only as described in this
manual.
3. It is the responsibility of the owner to ensure
that all users of the elliptical are adequately
informed of all precautions.
4. The elliptical is intended for home use only.
Do not use the elliptical in a commercial,
rental, or institutional setting.
5. Keep the elliptical indoors, away from
moisture and dust. Do not put the elliptical in
a garage or covered patio, or near water.
6. Place the elliptical on a level surface, with at
least 3 ft. (0.9 m) of clearance in the front
and rear of the elliptical and 2 ft. (0.6 m) on
each side. To protect the floor or carpet from
damage, place a mat under the elliptical.
7. Inspect and properly tighten all parts
regularly. Replace any worn parts
immediately.
8. Keep children under age 12 and pets away
from the elliptical at all times.
9. The elliptical should not be used by persons
weighing more than 275 lbs. (125 kg).
10. Wear appropriate clothes while exercising;
do not wear loose clothes that could become
caught on the elliptical. Always wear athletic
shoes for foot protection while exercising.
11. Hold the handlebars or the handgrip pulse
sensor when mounting, dismounting, or
using the elliptical.
12. The pulse sensor is not a medical device.
Various factors may affect the accuracy of
heart rate readings. The pulse sensor is
intended only as an exercise aid in
determining heart rate trends in general.
13. The elliptical does not have a freewheel; the
pedals will continue to move until the
flywheel stops. Reduce your pedaling speed
in a controlled way.
14. Keep your back straight while using the
elliptical; do not arch your back.
15. Over exercising may result in serious injury
or death. If you feel faint or if you experience
pain while exercising, stop immediately and
cool down.

4
BEFORE YOU BEGIN
Thank you for selecting the revolutionary NordicTrack®
E7 SV FRONT DRIVE elliptical. The E7 SV FRONT
DRIVE elliptical provides an impressive selection of
features designed to make your workouts at home
more effective and enjoyable.
For your benefit, read this manual carefully before
you use the elliptical. If you have questions after
reading this manual, please see the front cover of this
manual. To help us assist you, note the product model
number and serial number before contacting us. The
model number and the location of the serial number
decal are shown on the front cover of this manual.
Before reading further, please familiarize yourself with
the parts that are labeled in the drawing below.
Handgrip Pulse Sensor
Handlebar
Wheel
Pedal
Ramp Handle
Roller
Console
Water Bottle Holder*
*Water bottle is not included
Ramp
Handle

5
ASSEMBLY
Assembly requires two persons. Place all parts of the elliptical in a cleared area and remove the packing
materials. Do not dispose of the packing materials until assembly is completed.
In addition to the included tool(s), assembly requires a Phillips screwdriver , two adjustable
wrenches , and a rubber mallet .
See the drawings below to identify the small parts needed for assembly. The number in parentheses below each
drawing is the key number of the part, from the PART LIST near the end of this manual. The number following
the key number is the quantity needed for assembly. Note: If a part is not in the hardware kit, check to see if
it has been preassembled. To avoid damaging parts, do not use power tools for assembly.
M8 x 38mm
Bolt (96)–8
M8 Locknut
(102)–8
19mm Wave
Washer (66)–4
16mm Wave
Washer (54)–2
M8 x 25mm
Washer (98)–6
M4 x 16mm
Screw (104)–10
M8 x 19mm Patch
Screw (82)–15
M8 Split
Washer (83)–9
M10 Locknut
(92)–2
M10 Washer
(95)–2
M8 x 80mm Patch
Screw (84)–2
M10 x 60mm
Bolt (100)–2
M10 x 45mm Patch
Screw (99)–4

6
1.
Attach the Front Stabilizer (6) to the Frame (1)
with two M8 x 80mm Patch Screws (84).
2. Orient the Ramp (3) as shown. Then, insert the
Ramp into the Frame (1).
Attach the Ramp (3) with five M8 x 19mm Patch
Screws (82) and five M8 Split Washers (83).
1
2
84
1
1
3
6
83
83
83
82
82
82
3. While a second person holds the Upright (4)
near the Frame (1), connect the Upper Wire
Harness (110) to the Lower Wire Harness (111).
Tip: Avoid pinching the wires. Slide the
Upright (4) onto the Frame (1). Attach the
Upright with four M8 x 19mm Patch Screws (82)
and four M8 Split Washers (83). Do not tighten
the Patch Screws yet.
3
Avoid pinching
the wires
1
82
82
82
83
83
4
110
111
To make assembly easier, read the
information on page 5 before you begin.

7
4
4. Apply a small amount of the included grease to
the right Crank Arm (20) and to a 19mm Wave
Washer (66).
Orient a Crank Arm Spacer (55) so that the flat
end is facing away from the elliptical. Slide the
Crank Arm Spacer and the 19mm Wave Washer
(66) onto the right Crank Arm (20).
Identify the Right Roller Arm (59), which is
marked with a “Right” sticker, and orient it as
shown.
Slide the Right Roller Arm (59) onto the right
Crank Arm (20). Attach the Right Roller Arm
with an M8 x 19mm Patch Screw (82), an Axle
Cover (53), and an M8 x 25mm Washer (98); to
avoid breaking the Axle Cover, do not over-
tighten the Patch Screw.
Repeat this step for the Left Roller Arm (not
shown).
Grease
20
55
66
98 53
82
59
5. Identify the Right Pedal Bracket (64), which is
marked with a “Right” sticker.
Apply a small amount of grease to the inside of
the tube on the Right Roller Arm (59) and to the
barrel of an M10 x 60mm Bolt (100).
Attach the Right Pedal Bracket (64) to the Right
Roller Arm (59) with the M10 x 60mm Bolt
(100), an M10 Washer (95), and an M10
Locknut (92). Do not overtighten the Locknut;
the Right Pedal Bracket must pivot freely.
Repeat this step for the Left Pedal Bracket
(48).
5
59
Grease
48
95
92
64
100
Flat
End

8
6
6. Identify the Right Handlebar (61) and the Right
Handlebar Leg (60), which are marked with
“Right” stickers, and orient them as shown.
Make sure that the hexagonal holes are in
the indicated location.
Slide the Right Handlebar (61) onto the Right
Handlebar Leg (60).
Attach the Right Handlebar (61) with two M8 x
38mm Bolts (96) and two M8 Locknuts (102).
Make sure that the Locknuts are in the
hexagonal holes.
Repeat this step for the Left Handlebar (not
shown) and the Left Handlebar Leg (not
shown).
61
60
102
96
Hexagonal
Holes
7
7. Apply a small amount of grease to the Pivot
Axle (35) and to a 16mm Wave Washer (54).
Insert the Pivot Axle (35) through the Upright (4)
and then center it.
Slide the 16mm Wave Washer (54), an Inner
Handlebar Cover (68), and the Right Handlebar
Leg (60) onto the right side of the Pivot Axle
(35).
Repeat this step for the Left Handlebar Leg
(not shown).
Tighten an M8 x 19mm Patch Screw (82) and
an M8 x 25mm Washer (98) into each end of
the Pivot Axle (35).
60
54 68
35
4
Grease
98
82

9
8
8. Attach an Outer Handlebar Cover (67) and the
Inner Handlebar Cover (68) around the Right
Handlebar Leg (60) with two M4 x 16mm
Screws (104).
Repeat this step for the other side of the
elliptical.
67
60
104
104
68
9. Apply a small amount of grease to the axle on
the Right Handlebar Leg (60) and to a 19mm
Wave Washer (66).
Identify the Right Pedal Arm (58), which is
marked with a “Right” sticker, and orient it as
shown.
Slide the 19mm Wave Washer (66) and the
Right Pedal Arm (58) onto the Right Handlebar
Leg (60).
Attach the Right Pedal Arm (58) with an M8 x
19mm Patch Screw (82), an Axle Cover (53),
and an M8 x 25mm Washer (98); to avoid
breaking the Axle Cover, do not overtighten
the Patch Screw.
Repeat this step for the Left Pedal Arm (not
shown).
9
58
60
66
98 53
82
Grease

10
10. Attach the Right Pedal Arm (58) to the Right
Pedal Bracket (64) with two M10 x 45mm Patch
Screws (99).
Repeat this step for the Left Pedal Arm (44).
10
44
64
99
58
11. Identify the Right Pulse Bar (9), which is
marked with a “Right” sticker.
See the inset drawing. Locate the wire tie in
the Upright (4). Tie the lower end of the wire tie
to the Pulse Wire (63) in the Right Pulse Bar
(9). Next, pull the upper end of the wire tie
upward out of the top of the Upright. Then, untie
and discard the wire tie.
Slide the Right Pulse Bar (9) onto the right side
of the Upright (4). Make sure that the hexago-
nal holes are in the indicated location.
Tip: Avoid pinching the wires. Attach the
Right Pulse Bar (9) with two M8 x 38mm Bolts
(96) and two M8 Locknuts (102). Make sure
that the Locknuts are in the hexagonal
holes.
Repeat this step for the Left Pulse Bar (8).
11
Wire Tie
Wire Tie
9
96
63
63
63
110
102
8
4
Hexagonal
Holes
Avoid pinching
the wires

11
12. Attach the Water Bottle Holder (37) to the
Upright (4) with two M4 x 16mm Screws (104).
37
4
104
104
12
13
13. While a second person holds the Console (7)
near the Upright (4), connect the console wire
to the Upper Wire Harness (110). Then, connect
the console pulse wires to the Pulse Wires (63).
Insert the excess wire downward into the
Upright (4).
Tip: Avoid pinching the wires. Attach the
Console (7) to the Upright (4) with four M4 x
16mm Screws (104).
See step 3. Tighten the M8 x 19mm Patch
Screws (82).
7
63
110
104
4
Console Wire
Pulse
Wires
Avoid pinching
the wires
14. Make sure that all parts are properly tightened before you use the elliptical. Note: After assembly is com-
pleted, some extra parts may be left over. Place a mat beneath the elliptical to protect the floor.

12
HOW TO USE THE elliptical
HOW TO PLUG IN THE POWER ADAPTER
IMPORTANT: If the elliptical has been exposed to
cold temperatures, allow it to warm to room tem-
perature before plugging in the power adapter. If
you do not do this, you may damage the console
displays or other electronic components.
Plug one end of the included power adapter into the
receptacle on the console. Plug the other end of the
power adapter into an appropriate outlet that is prop-
erly installed in accordance with all local codes and
ordinances.
Note: The console can also be operated with four 1.5V
D batteries (not included); alkaline batteries are rec-
ommended. Locate the battery cover on the back of
the console. Remove the battery cover, insert the bat-
teries into the battery compartment, and then reattach
the battery cover. Make sure to orient the batteries
as shown by the diagrams inside the battery com-
partment.
HOW TO MOVE THE ELLIPTICAL
Due to the size and weight of the elliptical, moving
it requires two persons. Stand in front of the ellipti-
cal, hold the upright, and place one foot against one of
the front wheels. Pull on the upright and have a sec-
ond person lift the handle on the ramp until the
elliptical will roll on the front wheels. Carefully move
the elliptical to the desired location, and then lower it
to the floor.
Place
your foot
here
Pull on
upright
Lift here

13
HOW TO EXERCISE ON THE ELLIPTICAL
To mount the elliptical, hold the handlebars and step
onto the pedal that is in the lower position. Then, step
onto the other pedal. Push the pedals until they begin
to move with a continuous motion. Note: The crank
arms can turn in either direction. It is recommend-
ed that you turn the crank arms in the direction
shown by the arrow; however, for variety, you can
turn the crank arms in the opposite direction.
To dismount the elliptical, wait until the pedals come to
a complete stop. Note: The elliptical does not have
a free wheel; the pedals will continue to move until
the flywheel stops. When the pedals are stationary,
step off the higher pedal first. Then, step off the lower
pedal.
HOW TO CHANGE THE INCLINE OF THE RAMP
To vary the motion of the pedals, you can change the
incline of the ramp. To change the incline, press the
latch button, pull the ramp handle, and raise or lower
the ramp to the desired incline level. Then, release the
latch button and engage the latch pin into one of the
adjustment holes in the frame. The white line on the
latch button must be visible or the latch pin is not fully
engaged. Make sure that the latch pin is firmly
engaged in one of the adjustment holes in the
frame.
Pedals
Crank
Arm
Handlebars
Ramp
Handle
Ramp
Latch
Button

14
FEATURES OF THE CONSOLE
The revolutionary console offers an array of features
designed to make your workouts more effective and
enjoyable. When you use the manual mode of the
console, you can change the resistance of the pedals
with the touch of a button. While you exercise, the
console will display continuous exercise feedback. You
can also measure your heart rate using the handgrip
pulse sensor.
In addition, the console offers twelve trainer workouts
and four weight loss workouts. Each workout automat-
ically changes the resistance of the pedals as it guides
you through an effective workout.
The console features the iFit Interactive Workout
System, which enables the console to accept iFit
cards containing workouts designed to help you
achieve specific fitness goals. For example, lose
unwanted pounds with the 8-week Weight Loss work-
out. iFit workouts control the resistance of the pedals
while the voice of a personal trainer coaches you
through your workouts. iFit cards are available sepa-
rately. To purchase iFit cards, go to www.iFit.com
or see the front cover of this manual. iFit cards are
also available at select stores.
You can even connect your MP3 player or CD player
to the consoleʼs sound system and listen to your
favorite music or audio books while you exercise.
To use the manual mode, see page 15. To use a
trainer workout, see page 17. To use a weight loss
workout, see page 18. To use an iFit workout, see
page 19. To use the sound system, see page 19. To
change console settings, see page 20.
Note: If there is a sheet of plastic on the face of
the console, remove the plastic.
CONSOLE DIAGRAM

15
HOW TO USE THE MANUAL MODE
1. Begin pedaling or press any button on the
console to turn on the console.
Amoment after you begin pedaling or press a but-
ton, a tone will sound, and the display will light.
2. Select the manual mode.
Each time you turn
on the console, the
manual mode will
be selected. If you
have selected a
workout, reselect
the manual mode
by pressing any of
the Workouts but-
tons repeatedly
until zeros appear in the display.
3. Change the resistance of the pedals as
desired.
As you pedal,
change the resis-
tance of the pedals
by pressing the
Silent Magnetic
Resistance
increase and decrease buttons. Note: After you
press the buttons, it will take a moment for the
pedals to reach the selected resistance level.
4. Follow your progress with the display.
The lower left
display—As you
exercise, the lower
left display can
show the elapsed
time and the dis-
tance (in miles or kilometers) that you have
pedaled. Note: When a workout is selected, the
display will show the time remaining in the workout
instead of the elapsed time.
The lower right
display—The lower
right display can
show the your ped-
aling speed (in
miles or kilometers
per hour) and the approximate number of calories
that you have burned. The display also shows
your heart rate when you use the handgrip pulse
sensor (see step 5 on page 16).
The upper
display—The upper
display can show
the elapsed time,
the distance that
you have pedaled,
your pedaling speed, and the approximate number
of calories you have burned. Press the Priority
Display button repeatedly until the upper display
shows the information that you are most interested
in viewing. Note: While information is shown in the
upper display, the same information will not be
shown in the lower left or lower right display.
The lower
display—The lower
display will show a
track that indicates
your progress. As
you exercise, indi-
cators will appear in succession around the track
until the entire track appears. The track will then
disappear and the indicators will again begin to
appear in succession.
To view the trip dis-
tance, press the
button once. To
reset the trip dis-
tance to zero, press
the Reset button.
To view the total dis-
tance pedaled since the elliptical exerciser was
purchased, press the Odometer button a second
time. To exit the odometer information, press the
Odometer button a third time.
Note: The console can show pedaling speed and
distance in either miles or kilometers. To view or
change the unit of measurement, see HOW TO
CHANGE CONSOLE SETTINGS on page 20.

16
5. Measure your heart rate if desired.
If there are sheets
of plastic on the
metal contacts on
the handgrip
pulse sensor,
remove the plas-
tic. To measure
your heart rate,
hold the handgrip
pulse sensor with
your palms resting
against the metal
contacts. Avoid moving your hands or gripping
the contacts tightly.
When your pulse is
detected, a flashing
heart symbol will
appear in the dis-
play, and then your
heart rate will
appear. For the most accurate heart rate reading,
hold the contacts for at least 15 seconds. Note: If
you continue to hold the handgrip pulse sensor,
the display will show your heart rate for up to 30
seconds.
If the display does not show your heart rate, make
sure that your hands are positioned as described.
Be careful not to move your hands excessively or
to squeeze the metal contacts tightly. For optimal
performance, clean the metal contacts using a soft
cloth; never use alcohol, abrasives, or chemi-
cals to clean the contacts.
6. When you are finished exercising, the console
will turn off automatically.
If the pedals do not move for several seconds, a
tone will sound and the console will pause.
If the pedals do not move for several minutes and
the buttons are not pressed, the console will turn
off and the display will be reset.
Contacts

17
HOW TO USE A TRAINER WORKOUT
1. Begin pedaling or press any button on the
console to turn on the console.
Amoment after you begin pedaling or press a but-
ton, a tone will sound, and the display will light.
2. Select a trainer workout.
To select a trainer
workout, press the
Warm Up, Aerobic,
Endurance, or
Performance button
repeatedly until the
name of the
desired workout
appears in the dis-
play. The workout
time and a profile of
the resistance levels for the workout will also
appear in the display.
3. Begin pedaling to start the workout.
Each workout is divided into 20, 30 or 45 one-
minute segments. One resistance level is
programmed for each segment. Note: The same
resistance level may be programmed for consecu-
tive segments.
The resistance level for the first segment will
appear in the display for a few seconds. During
the workout, the workout profile will show your
progress (see the drawing above). The flashing
segment of the profile represents the current seg-
ment of the workout. The height of the flashing
segment indicates the resistance level for the cur-
rent segment. At the end of each segment of the
workout, a series of tones will sound and the next
segment of the profile will begin to flash. If a differ-
ent resistance level is programmed for the next
segment, the resistance level will appear in the
display for a few seconds to alert you. The resis-
tance of the pedals will then change.
If the resistance level for the current segment is
too high or too low, you can manually override the
setting by pressing the Silent Magnetic Resistance
buttons. IMPORTANT: When the current seg-
ment of the workout ends, the pedals will
automatically adjust to the resistance level
programmed for the next segment.
The workout will continue in this way until the last
segment ends. To stop the workout at any time,
stop pedaling. A tone will sound and the time will
stop counting. To restart the workout, simply
resume pedaling.
4. Follow your progress with the display.
See step 4 on page 15.
5. Measure your heart rate if desired.
See step 5 on page 16.
6. When you are finished exercising, the console
will turn off automatically.
See step 6 on page 16.
Profile

18
HOW TO USE A WEIGHT LOSS WORKOUT
1. Begin pedaling or press any button on the
console to turn on the console.
A moment after you begin pedaling or press a but-
ton, a tone will sound, and the display will light.
2. Select a weight loss workout.
To select a weight
loss workout, press
the desired Weight
Loss button. The
workout time and a
profile of the resis-
tance levels for the
workout will also
appear in the dis-
play.
3. Begin pedaling to start the workout.
Each workout is divided into 30 one-minute seg-
ments. One resistance level is programmed for
each segment. Note: The same resistance level
may be programmed for consecutive segments.
The resistance level for the first segment will
appear in the display for a few seconds. During
the workout, the workout profile will show your
progress (see the drawing above). The flashing
segment of the profile represents the current seg-
ment of the workout. The height of the flashing
segment indicates the resistance level for the cur-
rent segment. At the end of each segment of the
workout, a series of tones will sound and the next
segment of the profile will begin to flash. If a differ-
ent resistance level is programmed for the next
segment, the resistance level will appear in the
display for a few seconds to alert you. The resis-
tance of the pedals will then change.
If the resistance level for the current segment is
too high or too low, you can manually override the
setting by pressing the Silent Magnetic Resistance
buttons. IMPORTANT: When the current seg-
ment of the workout ends, the pedals will
automatically adjust to the resistance level
programmed for the next segment.
The workout will continue in this way until the last
segment ends. To stop the workout at any time,
stop pedaling. A tone will sound and the time will
stop counting. To restart the workout, simply
resume pedaling.
4. Follow your progress with the display.
See step 4 on page 15.
5. Measure your heart rate if desired.
See step 5 on page 16.
6. When you are finished exercising, the console
will turn off automatically.
See step 6 on page 16.
Profile

19
HOW TO USE AN IFIT WORKOUT
iFit cards are available separately. To purchase iFit
cards, go to www.iFit.com or see the front cover of this
manual. iFit cards are also available at select stores
1. Begin pedaling or press any button on the
console to turn on the console.
A moment after you begin pedaling or press a but-
ton, a tone will sound, and the display will light.
2. Insert an iFit card and select a workout.
To use an iFit workout, insert an iFit card into the
iFit slot; make sure that the iFit card is oriented so
the metal contacts are face down and are facing
the slot. When the iFit card is properly inserted,
the indicator next to the slot will light and words
will appear in the display.
Next, select the desired workout on the iFit card
by pressing the increase and decrease buttons
next to the iFit slot.
A moment after you select a workout, the voice of
a personal trainer will begin guiding you through
your workout. iFit workouts function in the same
way as trainer workouts. To use the workout, see
steps 3 to 6 on page 17.
3. When you are finished exercising, remove the
iFit card.
Remove the iFit card when you are finished exer-
cising. Store the iFit card in a secure place.
HOW TO USE THE SOUND SYSTEM
To play music or audio books through the console
sound system while you exercise, plug an audio cable
(not included) into the jack on the console and into a
jack on your MP3 player or CD player; make sure
that the audio cable is fully plugged in.
Next, press the play button on your MP3 player or CD
player. Adjust the volume level using the volume con-
trol on your MP3 player or CD player.
iFit Slot
iFit Card

20
HOW TO CHANGE CONSOLE SETTINGS
The console features a user mode that allows you to
select a unit of measurement and a backlight option
for the console and to view console usage information.
1. Select the user mode.
To select the user mode, press and hold down the
Priority Display button for a few seconds until the
user mode information appears in the display.
2 Select a backlight option if desired.
The console has
three backlight
options. The ON
option keeps the
backlight on while
the console is on.
The AUTO option
keeps the backlight
on only while you
are pedaling. The
OFF option turns the backlight off.
The upper display will show the currently selected
backlight option. Press the Silent Magnetic
Resistance increase button repeatedly to select
the desired backlight option.
3. Select a unit of measurement if desired.
The console can show pedaling speed and dis-
tance in either miles or kilometers.
The lower right display will show the selected unit
of measurement. An E for English miles or an M
for metric kilometers will appear in the lower right
display. To change the unit of measurement, press
the Silent Magnetic Resistance decrease button
repeatedly.
Note: When you replace the batteries, it may be
necessary to reselect the unit of measurement.
4. View console usage information if desired.
The lower left display will show the total number of
hours that the console has been used since the
elliptical exerciser was purchased.
5. Exit the user mode.
Press the Priority Display button to save the con-
sole settings and exit the user mode.

21
Inspect and tighten all parts of the elliptical regularly.
Replace any worn parts immediately.
To clean the elliptical, use a damp cloth and a small
amount of mild soap. IMPORTANT: To avoid damage
to the console, keep liquids away from the con-
sole and keep the console out of direct sunlight.
CONSOLE TROUBLESHOOTING
If the console does not display your heart rate when
you hold the handgrip pulse sensor, or if the displayed
heart rate appears to be too high or too low, see step
5 on page 16.
HOW TO ADJUST THE DRIVE BELT
If the pedals slip while
you are pedaling, even
while the resistance is
adjusted to the highest
level, the drive belt may
need to be adjusted. To
adjust the drive belt, first
use a flat screwdriver to
pry the right Disc (71)
carefully away from the
right Disc Mount (72). Then, remove the right Disc.
Locate and loosen the M10 x 22mm Bolt (89). Next,
tighten the M8 x 38mm Hex Screw (88) until the Drive
Belt (113) is tight. Then, retighten the M10 x 22mm
Bolt.
Reattach the right disc by pressing it firmly into the
right disc mount.
HOW TO ADJUST THE REED SWITCH
If the console does not display correct feedback, the
reed switch should be adjusted. To adjust the reed
switch, first use a flat screwdriver to pry the left disc
carefully away from the left disc mount. Then, remove
the left disc.
Locate the Reed Switch (38). Loosen, but do not
remove, the indicated M4 x 16mm Reed Switch Screw
(69). Slide the Reed Switch slightly closer to or away
from a Magnet (43) on the Pulley (19). Then, retighten
the M4 x 16mm Screw. Turn the Pulley for a moment.
Repeat until the console displays correct feedback.
Reattach the left disc by pressing it firmly into the left
disc mount.
HOW TO GREASE THE ROLLERS
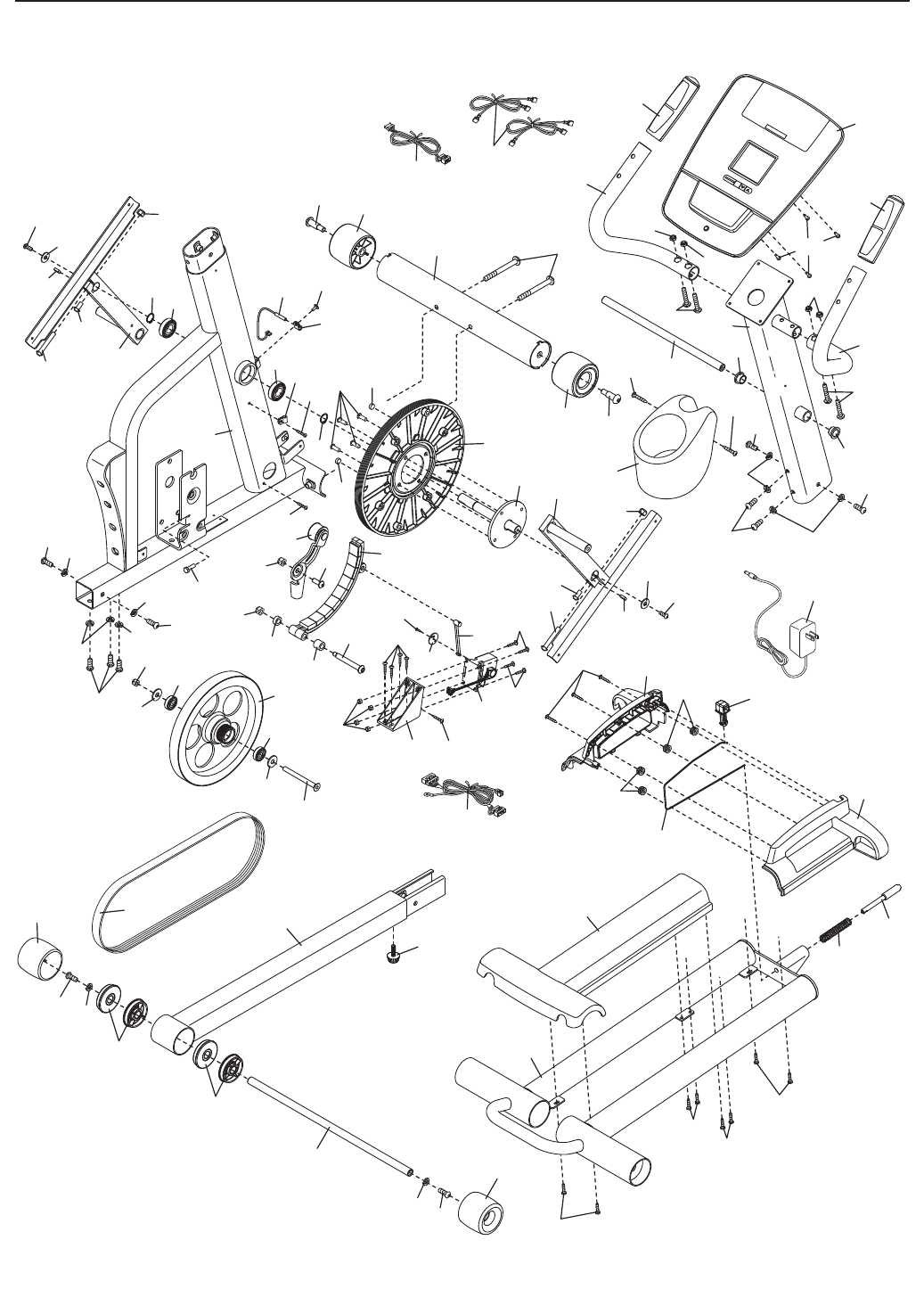
See the EXPLODED DRAWING near the end of this
manual. If the Rollers (51) squeak when moving on
the Ramp (3), apply a small amount of white marine
grease equally to each Roller. Spread the grease
evenly around the Rollers. Pedal the elliptical until a
thin film of grease is distributed along the Ramp; wipe
off any excess grease.
MAINTENANCE AND TROUBLESHOOTING
89
72
71
113
43
38
69
88
19

22
These guidelines will help you to plan your exercise
program. For detailed exercise information, obtain a
reputable book or consult your physician. Remember,
proper nutrition and adequate rest are essential for
successful results.
EXERCISE INTENSITY
Whether your goal is to burn fat or to strengthen your
cardiovascular system, exercising at the proper inten-
sity is the key to achieving results. You can use your
heart rate as a guide to find the proper intensity level.
The chart below shows recommended heart rates for
fat burning and aerobic exercise.
To find the proper intensity level, find your age at the
bottom of the chart (ages are rounded off to the near-
est ten years). The three numbers listed above your
age define your “training zone.” The lowest number is
the heart rate for fat burning, the middle number is the
heart rate for maximum fat burning, and the highest
number is the heart rate for aerobic exercise.
Burning Fat—To burn fat effectively, you must exer-
cise at a low intensity level for a sustained period of
time. During the first few minutes of exercise, your
body uses carbohydrate calories for energy. Only after
the first few minutes of exercise does your body begin
to use stored fat calories for energy. If your goal is to
burn fat, adjust the intensity of your exercise until your
heart rate is near the lowest number in your training
zone. For maximum fat burning, exercise with your
heart rate near the middle number in your training
zone.
Aerobic Exercise—If your goal is to strengthen your
cardiovascular system, you must perform aerobic
exercise, which is activity that requires large amounts
of oxygen for prolonged periods of time. For aerobic
exercise, adjust the intensity of your exercise until
your heart rate is near the highest number in your
training zone.
WORKOUT GUIDELINES
Warming Up—Start with 5 to 10 minutes of stretching
and light exercise. A warm-up increases your body
temperature, heart rate, and circulation in preparation
for exercise.
Training Zone Exercise—Exercise for 20 to 30 min-
utes with your heart rate in your training zone. (During
the first few weeks of your exercise program, do not
keep your heart rate in your training zone for longer
than 20 minutes.) Breathe regularly and deeply as you
exercise–never hold your breath.
Cooling Down—Finish with 5 to 10 minutes of
stretching. Stretching increases the flexibility of your
muscles and helps to prevent post-exercise problems.
EXERCISE FREQUENCY
To maintain or improve your condition, complete three
workouts each week, with at least one day of rest
between workouts. After a few months of regular exer-
cise, you may complete up to five workouts each
week, if desired. Remember, the key to success is to
make exercise a regular and enjoyable part of your
everyday life.
EXERCISE GUIDELINES
WARNING: Before beginning this
or any exercise program, consult your physi-
cian. This is especially important for persons
over age 35 or persons with pre-existing
health problems.
The pulse sensor is not a medical device.
Various factors may affect the accuracy of
heart rate readings. The pulse sensor is
intended only as an exercise aid in determin-
ing heart rate trends in general.

23
11 Frame
21Base
31Ramp
41Upright
53M4 x 19mm Screw
61Front Stabilizer
71Console
81Left Pulse Bar
91Right Pulse Bar
10 1 Track Cover
11 1 Left Latch Cover
12 1 Right Latch Cover
13 1 Latch Button
14 1 Latch Cable
15 4 Cable Pulley
16 1 Latch Spring
17 1 Latch Pin
18 1 Crank
19 1 Pulley
20 2 Crank Arm
21 13 M4 x 16mm Flange Screw
22 1 Idler
23 1 C-magnet
24 1 Motor Bracket
25 1 Resistance Motor
26 1 Resistance Rod
27 1 Resistance Disc
28 1 Flywheel
29 1 Flywheel Axle
30 4 Stabilizer Bushing
31 1 Stabilizer Axle
32 2 Stabilizer Cap
33 1 Foot
34 2 Wheel
35 1 Pivot Axle
36 4 Pivot Bushing
37 1 Water Bottle Holder
38 1 Reed Switch
39 2 Clamp
40 6 R12 Bearing
41 2 Flywheel Bearing
42 4 Snap Ring
43 2 Magnet
44 1 Left Pedal Arm
45 1 Left Roller Arm
46 1 Left Handlebar Leg
47 1 Left Handlebar
48 1 Left Pedal Bracket
49 2 Pedal
50 2 Pedal Insert
51 2 Roller
52 2 Pedal Arm Cap
53 8 Axle Cover
54 2 16mm Wave Washer
55 2 Crank Arm Spacer
56 2 Pedal Bracket Bushing
57 4 Pedal Arm Bushing
58 1 Right Pedal Arm
59 1 Right Roller Arm
60 1 Right Handlebar Leg
61 1 Right Handlebar
62 2 Handlebar Cap
63 2 Pulse Sensor Assembly
64 1 Right Pedal Bracket
65 6 M6 x 25mm Flat Head Screw
66 4 19mm Wave Washer
67 2 Outer Handlebar Cover
68 2 Inner Handlebar Cover
69 2 M4 x 16mm Reed Switch Screw
70 2 Inner Pivot Bushing
71 2 Disc
72 2 Disc Mount
73 1 Left Shield
74 1 Right Shield
75 1 Shield Cover
76 10 V-clip
77 2 Roller Spacer
78 2 Key
79 1 Long Magnet Spacer
80 1 Short Magnet Spacer
81 2 M10 Shoulder Screw
82 15 M8 x 19mm Patch Screw
83 9 M8 Split Washer
84 2 M8 x 80mm Patch Screw
85 2 M6 x 12mm Hex Patch Screw
86 2 M8 x 48mm Hex Bolt
87 4 M8 x 13mm Screw
88 1 M8 x 38mm Hex Screw
89 1 M10 x 22mm Bolt
90 1 M8 x 80mm Shoulder Bolt
91 2 M10 Fender Washer
92 3 M10 Locknut
93 4 M4 x 12mm Bolt
94 4 M4 Locknut
95 2 M10 Washer
96 8 M8 x 38mm Bolt
97 8 M8 x 19mm Patch Screw
98 8 M8 x 25mm Washer
99 4 M10 x 45mm Patch Screw
100 2 M10 x 60mm Bolt
Key No. Qty. Description Key No. Qty. Description
PART LIST Model No. NTEL07808.3 R0111A

24
101 2 M8 x 20mm Washer
102 12 M8 Locknut
103 1 M3.5 x 12mm Flat Head Screw
104 16 M4 x 16mm Screw
105 10 M4 x 10mm Machine Screw
106 1 M4 x 16mm Bright Screw
107 4 Roller Arm Bushing
108 12 M6 x 13mm Screw
109 2 M6 Washer
110 1 Upper Wire Harness
111 1 Lower Wire Harness
112 1 Power Adapter
113 1 Drive Belt
114 2 Foam Grip
115 2 Pulse Wire
116 2 Upper Bushing
*–Assembly Tool
*–Grease Packet
*–Userʼs Manual
Key No. Qty. Description Key No. Qty. Description
Note: Specifications are subject to change without notice. For information about ordering replacement parts, see
the back cover of this manual. *These parts are not illustrated.

25
EXPLODED DRAWING A Model No. NTEL07808.3 R0111A
1
2
3
4
6
7
8
9
10
11
12
13
14
15
15
16
17
18
19
20
20
22 23
24
25
26
27
28
29
30
30
31
32
32
33
34
34
35
36
36
37
38
39
40
40
42
42
41
41
43
43
63
63
78
78
79
80
81
81
82
82
82
82
82
8283
83
83 83
83
83
84
85
85
86
86
87
88
89
90
91
91
93
93
94
96
96
97
98
97 98
108
109
108
109
102
102
102
102
102
102
92
102
103
21
21
21
21
5
21
21
106
69
104
104
104
39
69
111
110
112
113
115

26
44
45
46
47
48
49
50
51
52
53
98
53
53
40
40
55
36
56
57
57
62
66
67
68
70
116
71
72
73
75
76
76
76
77
96
97
97
101
53
82
97
98
82
82 98
99
100
92
102
104
104
104
104
65
65
65
108 108
105
105
54
76
76
76
66
42
95
107
107
114
EXPLODED DRAWING B Model No. NTEL07808.3 R0111A

27
53
53
53
53
52
51
40
40
55
36
56
57
57
58
59
60
61
62
50
49
64
66
67
68
116
70
71
72
74
77
96
99
100
97
101
97
82
98 97
98
82
82
98
95
102
104
104
104
104
65
65
65
105
105
108 108
54
76
76
76
66
42
92
107
107
114
EXPLODED DRAWING C Model No. NTEL07808.3 R0111A

Part No. 294786 R0111A Printed in China © 2011 ICON IP, Inc.
ORDERING REPLACEMENT PARTS
To order replacement parts, please see the front cover of this manual. To help us assist you, be prepared to
provide the following information when contacting us:
• the model number and serial number of the product (see the front cover of this manual)
• the name of the product (see the front cover of this manual)
• the key number and description of the replacement part(s) (see the PART LIST and the EXPLODED
DRAWING near the end of this manual)
ICON Health & Fitness, Inc. (ICON) warrants this product to be free from defects in workmanship and
material, under normal use and service conditions. The frame is warranted for a lifetime. The resistance
mechanism is warranted for seven (7) years from the date of purchase. Parts and labor are warranted for
one (1) year from the date of purchase.
This warranty extends only to the original purchaser. ICONʼs obligation under this warranty is limited to
repairing or replacing, at ICONʼs option, the product through one of its authorized service centers. All
repairs for which warranty claims are made must be preauthorized by ICON. If the product is shipped to
a service center, freight charges to and from the service center will be the customerʼs responsibility. For
replacement parts shipped while the product is under warranty, the customer will be responsible for a min-
imal handling charge. For in-home service, the customer will be responsible for a minimal trip charge. This
warranty does not extend to any damage to a product caused by or attributable to freight damage, abuse,
misuse, improper or abnormal usage, or repairs not provided by an ICON authorized service center; to
products used for commercial or rental purposes or as store display models; or to products transported
or purchased outside the US. No other warranty beyond that specifically set forth above is authorized by
ICON.
ICON is not responsible or liable for indirect, special, or consequential damages arising out of or in con-
nection with the use or performance of the product; damages with respect to any economic loss, loss of
property, loss of revenues or profits, loss of enjoyment or use, or costs of removal or installation; or other
consequential damages of whatsoever nature. Some states do not allow the exclusion or limitation of inci-
dental or consequential damages. Accordingly, the above limitation may not apply to you.
The warranty extended hereunder is in lieu of any and all other warranties, and any implied warranties of
merchantability or fitness for a particular purpose are limited in their scope and duration to the terms set
forth herein. Some states do not allow limitations on how long an implied warranty lasts. Accordingly, the
above limitation may not apply to you.
This warranty gives you specific legal rights. You may also have other rights that vary from state to state.
ICON Health & Fitness, Inc., 1500 S. 1000 W., Logan, UT 84321-9813
LIMITED WARRANTY
IMPORTANT: You must register this product within 30 days of the purchase date to avoid added
fees for service needed under warranty. Go to www.nordictrackservice.com/registration.