Nordyne Single Package Heat Pump R 410A Users Manual 709064 B Q5RF Single_Package_Heat_Pump
R-410A to the manual 8731dc2e-3185-41cd-9902-df749e73d1eb
2015-02-05
: Nordyne Nordyne-Single-Package-Heat-Pump-R-410A-Users-Manual-404117 nordyne-single-package-heat-pump-r-410a-users-manual-404117 nordyne pdf
Open the PDF directly: View PDF
.
Page Count: 20

15 SEER
USER’s MANUAL & INSTALLATION INSTRUCTIONS
2 Stage R-410A Single Package Heat Pump
Please read this information thoroughly and become familiar with the capabilities
and use of your appliance before attempting to operate or maintain this unit.
Keep this literature where you have easy access to it in the future. If a problem
occurs, check the instructions and follow recommendations given. If these
suggestions don’t eliminate your problem, call your NORDYNE Servicing
Contractor (Service PRO).
These instructions are primarily intended to assist qualifi ed individuals
experienced in the proper installation of this appliance. Some local codes
require licensed installation/service personnel for this type of equipment.
Please read all instructions carefully before starting the installation.
DO NOT DESTROY. PLEASE READ CAREFULLY AND
KEEP IN A SAFE PLACE FOR FUTURE REFERENCE.
IMPORTANT

2
SAFETY INFORMATION ...............................3
USER INFORMATION ...................................3
About the Heat pump ................................3
Operating Instructions ...............................3
Cooling Operation ...................................3
Heating Operation ...................................3
Emergency Heat .....................................3
Defrost ....................................................3
System Shutdown ...................................4
Warranty Information .................................4
INSTALLER INFORMATION ..........................4
General Information ...................................4
Pre - Installation Check ............................. 4
Inspecting Equipment ................................4
HEAT PUMP INSTALLATION ........................5
Locating the Heat pump ........................... 5
Unpacking the Unit ................................... 5
Minimum Clearances ................................5
Service Access Clearance ........................5
Clearances to Combustibles .....................5
Duct Requirements ...................................5
CONDENSATE DRAINAGE ...........................5
INSTALLING RETURN and SUPPLY
FITTINGS ....................................................6
Supply Duct .............................................. 6
Return Duct .............................................. 6
LOCATING and INSTALLING the
RETURN AIR ASSEMBLY .............................6
LOCATING and INSTALLING the
SUPPLY DAMPERS .......................................7
DUCTING SYSTEM .......................................7
Connecting the Return and Supply Air
Flexible Ducts ............................................8
Blower Speed ........................................... 8
ELECTRICAL CONNECTIONS .....................8
High Voltage ..............................................8
Low Voltage ...............................................8
Overcurrent Protection...............................9
Locating the Thermostat ............................9
2 - Speed Outdoor Fan Motor .................... 9
Low Pressure Switch .................................9
High Pressure Switch ................................ 9
Defrost Cycle Control ................................ 9
Ambient Sensor Mounting .......................11
Electric Heat Package .............................11
SYSTEM OPERATION .................................12
Pre - Start Checklist .................................12
Start - Up Procedure ...............................12
Air Circulation .......................................12
System Heating ....................................12
System Cooling ....................................12
Short Cycle Protection..........................12
Emergency Heat ...................................12
Defrost Test Procedure ............................12
Anti Short Cycle Timer Test .....................13
Heating Mode .......................................13
Cooling Mode .......................................13
ADJUSTMENT of REFRIGERANT
CHARGE ..................................................13
Charging an R410A Unit in AC
Mode at Outdoor Temperature
above 65° F ...........................................1 3
Charging an R410A Unit in
Heating Mode ........................................1 3
REFRIGERANT CHARGING CHARTS
for COOLING MODE of OPERATION .........14
Figure 11 - 2 Ton Units ............................14
Figure 12 - 3 Ton Units ............................14
Figure 13 - 4 Ton Units ............................15
Figure 14 - 5 Ton Units ............................15
REFRIGERANT CHARGING TABLES
for HEATING MODE of OPERATION ..........16
Charging Tables - 2 & 3 Ton Units............16
Charging Tables - 4 & 5 Ton Units............17
WIRING DIAGRAMS ....................................18
Figure 15 - 2 & 3 Ton Units ...........................18
Figure 16 - 2 & 3 Ton Units ...........................19

3
Figure 1. Digital Thermostat
Fan
Mode
Temperature
Selector
System
Mode
USER INFORMATION
About the Heat Pump
Your heat pump is a unique, all weather comfort-
control appliance that will heat and cool your
home year round and provide energy saving
comfort. It’s an unknown fact that heat is always
in the air, even when the outside temperature is
below freezing. The heat pump uses this basic
law of physics to provide energy saving heat
during the winter months. For example, If the
outdoor temperature is 47° F (8° C), your heat
pump can deliver approximately 3.5 units of
heat energy per each unit of electrical energy
used, as compared to a maximum of only 1
unit of heat energy produced with conventional
heating systems.
In colder temperatures, the heat pump performs
like an air conditioner run in reverse. Available
heat energy outside the home is absorbed by the
refrigerant and exhausted inside the home. This
effi cient process means you only pay for “moving”
the heat from the outdoors to the indoor area. You
do not pay to generate the heat, as is the case
with more traditional furnace designs.
During summer, the heat pump reverses the fl ow
of the heat-absorbing refrigerant to become an
energy-effi cient, central air conditioner. Excess
heat energy inside the home is absorbed by the
refrigerant and exhausted outside the home.
Operating Instructions
Cooling Operation
1. Set the thermostat’s system mode to COOL
or AUTO and change the fan mode to AUTO.
See Figure 1
2. Set the temperature selector to the desired
temperature level. The outdoor fan,
compressor, and blower motor will all cycle
on and off to maintain the indoor temperature
at the desired cooling level.
NOTE: If the temperature level is re-adjusted, or
the system mode is reset, the fan and compressor
in the outdoor unit may not start immediately. A
protective timer circuit holds the compressor
and the outdoor fan off for approximately three
minutes following a previous operation or the
interruption of the main electrical power.
Heating Operation
1. Set the thermostat’s system mode to HEAT
or AUTO and change the fan mode to AUTO.
See Figure 1.
2. Set the temperature selector to the desired
temperature level. The compressor, outdoor
fan, and blower motor will cycle on and off to
maintain the indoor temperature at the desired
heating level.
NOTE: If the temperature level is re-adjusted, or
the system mode is reset, the fan and compressor
in the outdoor unit may not start immediately. A
protective timer circuit holds the compressor
and the outdoor fan off for approximately three
minutes following a previous operation or the
interruption of the main electrical power.
Emergency Heat
Some thermostats may include a system mode
called EM HT or AUX HT, etc. This is a back-
up heating mode that should only be used if a
problem is suspected. With the mode set to EM
HT, etc., the compressor and outdoor fan will
be locked off and supplemental heat (electric
resistance heating) will be used as a source of
heat. Sustained use of electric resistance heat in
place of the heat pump will result in an increase
in electric utility costs.
Defrost
During cold weather heating operation, the
outdoor unit will develop a coating of snow
and ice on the heat transfer coil. This is normal
and the unit will defrost itself. This unit features
Adaptive Demand Defrost that monitors ambient
and coil temperatures to regulate the defrost
function accordingly.
SAFETY INFORMATION
IMPORTANT: Please read all instructions before
servicing this equipment. Pay attention to all
safety warnings and any other special notes
highlighted in the manual. Safety markings
are used frequently throughout this manual to
designate a degree or level of seriousness and
should not be ignored. WARNING indicates a
potentially hazardous situation that if not avoided,
could result in personal injury or death. CAUTION
indicates a potentially hazardous situation that
if not avoided, may result in minor or moderate
injury or property damage.

4
At the beginning of the defrost cycle, both the
outdoor condenser fan and compressor will
turn off. After approximately 30 seconds, the
compressor will turn on and begin to heat the
outdoor coil causing the ice and snow to melt.
NOTE: While the ice and snow is melting, some
steam may rise from the outdoor unit as the warm
coil causes the melting frost to evaporate. When
defrost is completed, the outdoor fan motor will
start, and the compressor will turn off again. In
approximately 30 seconds the compressor will
start up again and continue normal operation.
System Shutdown
Change the thermostat’s system mode to OFF
and the fan mode to AUTO (See Figure 1).
NOTE: The system will not operate, regardless
of the temperature selector setting.
Warranty Information
A warranty certificate with full details is
included with the heat pump. Carefully review
these responsibilities with your dealer or
service company. The manufacturer will not be
responsible for any costs found necessary to
correct problems due to improper setup, improper
installation, adjustments, improper operating
procedure on the part of the user, etc. Some
specifi c examples of service calls which are not
included in the limited warranty are:
1. Correcting wiring problems in the electrical
circuit supplying the heat pump.
2. Resetting circuit breakers or other switches.
3. Adjusting or calibrating of thermostat.
INSTALLER INFORMATION
General Information
The installer should comply with all local
codes and regulations which govern the
installation of this type of equipment. Local
codes and regulations take precedence over
any recommendations contained in these
instructions. Consult local building codes and
the National Electrical Code (ANSI CI) for special
installation requirements. Read the following
instructions completely before performing
the installation.
Some states require installation and service
personnel to be licensed. Unqualifi ed individuals
should not attempt to interpret these
instructions or install this equipment.
This equipment contains R-410A refrigerant
under high pressure. Installation or servicing
should only be performed by qualifi ed trained
personnel thoroughly familiar with this type
equipment and related system components.
CAUTION:
This unit uses refrigerant R-410A. DO NOT
under any circumstances use any other
refrigerant in this unit. Use of another
refrigerant will damage the unit.
Single packaged heat pumps are ready for easy
and immediate installation and can be readily
connected into the high static duct system of a
home. This unit is completely assembled, wired,
and run tested at the factory. This heat pump
is designed for outdoor installation only. The
only connections needed for installation are the
supply and return ducts, the line voltage, and
thermostat wiring. A complete heat pump system
typically consists of:
• Single Package Heat Pump
• Home Fittings Kit
• Unit Fittings Kit
• 2-Stage Cooling/Heating Thermostat
Use of components other than those specifi ed
may invalidate ARI Certifi cation, Code Agency
Listing, and limited warranty on the air
conditioner.
Pre-Installation Check
Before you install this unit, the cooling load of
the area to be conditioned must be calculated
and a system of the proper capacity selected. It
is recommended that the area to be conditioned
be completely insulated and vapor sealed.
The electrical supply should be checked to
determine if adequate power is available. If there
is any question concerning the power supply,
contact the local power company.
CAUTION:
To prevent personal injury and/or
equipment damage, check thermostat
manufacturer’s operation of fan relay
circuit when in EMER HEAT. When
the thermostat system mode is in the
EMER HEAT position, the thermostat
must energize the fan relay when the
fan mode is in the AUTO position.
Inspecting Equipment:
All units are securely packed at the time of
shipment and, upon arrival, should be carefully
inspected for damage. Claims for damage
(apparent or concealed) should be filed
immediately with the carrier.

5
6 ft.
24"
12"
12"
Figure 2. Minimum Unit Clearances
HEAT PUMP INSTALLATION
Locating the Heat pump
• Select a solid, level position, preferably on a
concrete slab, slightly above the grade level,
and parallel to the home. DO NOT PLACE
UNIT UNDER THE HOME.
• The hot condenser air must be discharged up
and away from the home, and if possible, in a
direction with the prevailing wind.
• Do not place the unit in a confi ned space.
• If practical, place the heat pump and its ducts
in an area where they will be shaded from
the afternoon sun, when the heat load is
greatest.
• If possible, select a site for the unit that is as
close as possible to the proposed return grille
location.
• The length of the supply and return ducts
should be kept to a minimum with no sharp
radius bends.
Unpacking the Unit
It is recommended that the unit be unpacked
at the installation site to minimize damage due
to handling.
CAUTION:
Do not tip the unit on its side. Oil
may enter the compressor cylinders
and cause starting trouble. If unit has
been set on its side, restore to upright
position and do not run for several
hours. Then run unit for a few seconds.
Do this three or four times with fi ve
minutes between runs.
1. Remove the bands from around the unit.
2. Unfold the top and bottom cap fl anges.
3. Carefully remove the top cap and tube.
Minimum Clearances
Minimum clearances MUST be maintained from
adjacent structures to provide room for proper
servicing and air circulation. See Figure 2. DO
NOT install unit in a confi ned or recessed area that
will allow discharge air from the unit to re-circulate
into the condenser air inlet, through the coil.
Service Access Clearance:
Blower access panel side .......................... 24”
Electrical compartment access panel side ... 12”
Clearance between overhang and
top of unit ...............................................72”
Clearance around condenser coil area to
wall or shrubs (excludes duct panel side) .. 12”
Clearances to Combustible Materials:
Combustible Base (Wood or Class A, B, or C
roof Covering material) ...............................0”
Supply and Return Air Ducts .......................0”
Duct Connection side ..................................0”
Duct Requirements
The supply duct system, including the number
and type of registers, will have much more
effect on the performance of an air conditioning
system then any other factor. The duct must be
suffi ciently large to conduct an adequate amount
of air to each register.
Elbow
Figure 3. Drain Trap
P-Trap
CONDENSATE DRAINAGE
A 3/4” condensate fi tting extends out of the side
of the unit (Figure 3). The drain trap, shipped in
the electrical compartment, must be installed to
prevent water from collecting inside the unit.
1. Thread the elbow provided with the unit into
the drain connection until hand tight.
2. Connect the condensate tubing onto the fi tting,
forming a trap near the drain connection.
3. Route the condensate tube from the trap to
a suitable drain. NOTE: For proper drainage,
make sure the trap is level to the ground and
tubing outlet is below trap level.

6
Figure 5. Return Air Box
INSTALLING RETURN AND
SUPPLY AIR FITTINGS
The supply and return fi ttings are included with
the unit and located in the supply duct. They
attach to the unit openings (Figure 4) with a
fl ange and bead arrangement and may be,
secured with two sheet metal screws. Note: For
easier access, install fi ttings before positioning
unit in fi nal location.
Supply Duct
1. Position the supply duct collar so the edge of
the unit opening fi ts between the fl ange and
the bead.
2. Overlap the collar ends keeping the small
screw holes underneath.
3. Align the holes in the crimped area and install
one screw. Note: It may be necessary to loosen
the four screws that hold the transition duct
in order to install the supply fi tting. Re-tighten
when installation is complete.
4. Tap collar (if necessary) to ensure engagement
with unit opening and install second screw.
5. Tighten fi rst screw and rotate collar clockwise
so joint is near three o’clock position.
Return Duct
1. Align the slots with the holes in the collar and
install two screws.
2. Position the collar over the opening and align
the four notches in the collar with the four
dimples in the panel.
3. Using self-drilling screws (10-16x.5) attach
the collar to the rear panel.
LOCATING AND INSTALLING THE
RETURN AIR ASSEMBLY
To simplify installation, locate and install the
return air assembly fi rst. If desired, the return
opening can be located inside a closet with
louvered doors that has an open area equal to
or greater than the 12” x 20” grille furnished. The
return air grille can be placed in the wall of a closet
and the air ducted into the fi lter box through a
boxed-in area at the closet fl oor level. Make sure
the fi lter is readily accessible.
NOTE: The return air box with grille and fi lter
(Figure 5) should not be located in heavy traffi c
areas like hallways or center of rooms. A good
spot is in a corner or under a table, if a minimum
two inch clearance is available.
1. Start the installation from under the home by
cutting a small hole in the subfl oor. Determine
how the fl oor joist location will affect cutting
the opening needed for the return air box.
NOTE: Floor joists are generally located on
16” centers, leaving 14-3/8” between joists.
2. After measuring the return air box
(approximately 12-1/4” x 20-1/4”), cut the
hole through the fl oor so that the box will fi t
between the fl oor joists. Care should be taken
when cutting through carpeting to avoid snags.
NOTE: In most installations it will be necessary
to cut a similar hole in the fi berboard directly
under the hole in the fl oor. However, if the fl oor
is more than ten inches deep, it will only be
necessary to cut a hole for the collar on the
return air box or for the insulated duct.
3. Set the box into the opening and fasten with
screws or nails.
4. Put the fi lter and return air grille in place.
Figure 4. Return and Supply Air Fittings
Supply Air
14” Duct Dimples
Return Air
Transition Duct Screws

7
Figure 6. Supply Damper
AUTOMATIC DAMPER IS CLOSED
WHEN HEAT PUMP IS OFF
Item
No. Description
112” x 20” Return Air
216” x 20” Air Filter
312” x 20” Grille
4Supply Damper
514” Diameter Flex Return Duct
612” Diameter Flex Supply Duct
712” x 12” x 12” “Y” Fitting
Table 1. Typical Applications
LOCATING AND INSTALLING THE
SUPPLY DAMPER(S)
When locating the supply damper(s), carefully
check fl oor joists and frame members that could
interfere with the installation of the damper or
fl exible duct. Ideally, the damper (Figure 6) should
be located in the bottom of the main duct, forward
of center of the home, at least three feet from the
nearest register. The round supply opening in the
slanted side of the damper should face the side
of the home where the heat pump is located.
1. Locate the center of the heat duct by cutting
a small hole in the fi berboard below the duct
at the desired location.
2. Cut a hole approximately 3/4” larger than the
damper opening in the fi berboard.
3. Cut a 9-1/8” x 13-1/8” hole in the duct and
bend over all tabs fl at on the inside of the heat
duct.
4. Insert the damper into the duct and bend over
all tabs fl at on the inside of the heat duct.
5. Seal the opening between the fi berboard and
damper or fl exible duct.
DUCTING SYSTEM
Air ducts should be installed in accordance with
the standards of the National Fire Protection
Association “Standard for Installation of Air
Conditioning and Ventilation Systems” (NFPA
90A), “Standard for Installation of Residence
Type Warm Air Heating and Air Conditioning
Systems” (NFPA 90B), these instructions, and
all applicable codes.
The supply duct system, including the number
and type of registers, will have much more effect
on the performance of the system than any
other factor. The duct must be suffi ciently large
to conduct an adequate amount of air to each
register. See Table 1 or Figure 7.
The heat pump system will not cool or heat
the home if air is lost to the outside through
leaks in the duct system. Ducts that are
collapsed or restricted by foreign objects
will also prevent adequate air fl ow.
MULTIPLE DUCT APPLICATIONSINGLE DUCT APPLICATION
6
6
4
4
5
2
3
1
5
2
36
4
1
7
Figure 7. Single and Multiple Duct Applications

8
Connecting the Return and Supply Air
Flexible Ducts
• The return duct for all units is 14” diameter.
• The supply duct for all units is 12” diameter.
• The fl exible ducts can be connected to the
corresponding fi ttings with the clamps provided
with the ducts. Note: To prevent a loss in
cooling capacity, make sure all connections
are tight.
• The fl exible ducts may be cut to the required
length, see instructions packed with duct. Keep
all ducts as short and straight as possible.
Avoid sharp bends.
• Ducts may be spliced with sheet metal sleeves
and clamps.
• Once the inner duct is connected to the proper
fi tting, the insulation and plastic sleeve should
be pulled over the connection and clamped.
• Homes with multiple supply ducts (or special
applications), a Y fi tting is available to divide
the supply air so it can be ducted to different
areas of the home for more effi cient cooling.
Note: For maximum performance, insulate
the Y fi tting.
Blower Speed
For optimum system performance and comfort,
it may be necessary to change the factory speed
setting. See Table 2 (page 10) for factory settings.
NOTE: Q5RE models have High Effi ciency Motors
with 5 speed taps.
WARNING:
To avoid electric shock, personal
injury, or death, turn off the electric
power at the disconnect or the main
service panel before making any
electrical connections.
1. Disconnect all electrical power to the unit and
remove the service panel.
CAUTION:
Label all wires prior to disconnection
when servicing controls. Wiring
errors can cause improper and
dangerous operation. Verify proper
operation after servicing.
2. Locate the orange, black and red wires
terminated to the blower motor. The orange
wire controls the low speed cooling and heating
operations, the black wire controls high speed
cooling and heating operations and the red
wire controls the electric heating operation.
CAUTION:
To avoid personal injury or
property damage, make certain
that the motor leads cannot
come into contact with any metal
components of the unit.
3. Verify the required speed from the airfl ow data
found in Table 2. Place appropriate wire on the
appropriate motor speed tap for the required
airfl ow.
4. Check all factory wiring per the unit wiring
diagram and inspect the factory wiring
connections to be sure none loosened during
shipping or installation.
ELECTRICAL CONNECTIONS
WARNING:
To avoid electric shock, personal
injury, or death, turn off the electric
power at the disconnect or the
main service panel before making
any electrical connections.
High Voltage
1. Install a branch circuit disconnect of adequate
size as specifi ed by the National Electrical
Code. Locate the disconnect within sight
of the unit.
2. Extend leads through power wiring hole
(Figure 9). Connect L1 and L2 directly to the
contactor.
3. Ground the heat pump unit using the green
grounding screw provided in the control
panel.
Low Voltage
1. Route 24V control wires through the
sealing grommet (Figure 8) near the power
entrance.
2. Connect the control wires to the defrost board
and blower relay wire (Figure 9, page 10).
Note: For highly resistive duct systems it may be
necessary to add an additional return air duct and
or supply to achieve maximum performance and
prevent coil icing and refrigerant fl ood back.

9
Figure 8. Power Entry
Low Voltage
High Voltage
Overcurrent Protection
Generally, the best fuse or breaker for any heat
pump is the smallest size that will permit the
equipment to run under normal usage and provide
maximum equipment protection. Properly sized
fuses and breakers also prevent nuisance trips
during unit startup. If a fuse blows or a breaker
trips, always determine the reason. Do not
arbitrarily install a larger fuse or breaker and
do not, in any case, exceed the maximum size
listed on the data label of the unit.
Locating the Thermostat
Locate the thermostat away from drafts and
slamming doors. The thermostat must not be
installed on an outside wall or any other location
where its operation may be adversely affected
by radiant heat from fi replaces, sunlight, or
lighting fi xtures, or convective heat sources such
as supply air registers or electrical appliances.
Mount on an inside wall approximately fi ve feet
from the fl oor.
This heat pump is a two stage Cooling and
Heating appliance that requires a 2-stage
Cooling/Heating thermostat. The heat-cool
thermostat prevents simultaneous operation of
the heating and cooling units and is equipped
with an ON-AUTO fan mode that allows the home
owner to operate the indoor blower when only
air circulation is desired.
Connect the low voltage wires to the respective
terminals on the thermostat base (Figure 9). See
thermostat instruction sheet for more detailed
information.
2-Speed Outdoor Fan Motor
(Select Models)
If the unit utilizes a 2-speed condenser fan motor,
this motor will operate on low speed when in low
cooling/heating, and on high speed when in high
cooling/heating.
Low Pressure Switch
The low pressure switch is factory installed and
located in the suction line internal to the unit. The
switch is designed to protect the compressor if a
loss of charge occurs. Under normal conditions,
the switch is closed.
If the suction pressure falls below 5 psig, then
the switch will open and de-energize the unit. The
switch will close again once the suction pressure
increases above 20 psig. The low pressure
switch interrupts the thermostat inputs to the unit.
Note: When the switch opens and then closes,
there will be a 3 minute short cycling delay before
the unit can energize.
High Pressure Switch
The high pressure switch is factory installed
and located in the compressor discharge line
internal to the unit. The switch is designed to de-
energize the system when very high pressures
occur during abnormal conditions. Under normal
conditions, the switch is closed.
If the discharge pressure rises above 575 psig,
the switch will open and de-energize the unit.
The switch will close again once the discharge
pressure decreases to 460 psig. The high
pressure switch interrupts the thermostat inputs
to the unit. Note: When the switch opens and
then closes, there will be a 3 minute short cycling
delay before the unit can energize.
Defrost Cycle Control
The defrost cycle is controlled by an adaptive
demand defrost board which features:
• Adaptive Demand Defrost algorithm.
• 4 Field selectable defrost termination
temperatures.
• Field selectable delay feature.
• High pressure and low pressure switches.
• Sensing of second stage compressor
demand.
• Test/speed up capability.
• Anti short cycle timer (3 minutes) for
compressor protection.
• On board diagnostics with fl ashing LED
for quicker troubleshooting. See Table 3
(page 11).
The adaptive Demand Defrost controls the
defrost cycle in response to an adaptive demand
algorithm that uses coil temperature and ambient
temperature. It provides user selectable defrost
termination temperatures (50° F - 80° F coil
temperature).

10
Figure 9. Typical Wiring (Field Supplied) for 2-Stage Cool, 2 Stage Electric Heat
E
L
C
G
Y2
Y1
INDOOR
THERMOSTAT
SUB-BASE
Green
W2
O
R
Y2
Y2 L
out Y
YR C
DF DF2
out
in
out
DEFROST
BOARD
(from Blower Relay)
1
2
3
4
5
6
7
8
9
Brown
Orange
Accessory Heat Plug
Table 2. Motor Lead Connection
Model Q5RF Wire Color/Speed Tap Motor Speed Air Flow
(@ 0.3 in WC)
X24K
T1 Low 560
Orange/T2 Medium/Low* 600
Black/T3 Medium** 800
Red/T4 Medium/High*** 1,040
T5 High 1,250
X36K
Orange/T1 Low* 600
T2 Medium/Low 750
Black/T3 Medium** 1,200
Red/T4 Medium/High*** 1,420
T5 High 1,520
X48K
Orange/T1 Low* 1,030
T2 Medium/Low 1,240
Red/T3 Medium*** 1,400
Black/T4 Medium/High** 1,530
T5 High 1,680
X60K
Orange/T1 Low 1,060
T2 Medium/Low* 1,200
Red/T3 Medium*** 1,500
Black/T4 Medium/High** 1,760
T5 High 1,970
* Denotes Factory Set Low Speed Cooling/ Heating
** Denotes Factory Set High Speed Cooling/ Heating
*** Denotes Factory Set Electric Heating Speed

11
Diagnostic Description LED Status
Control Fault (No Power) Off
Normal Operation On
ASCD Delay Active
(with compressor demand) 1 Flash
Low Pressure Switch Lockout 2 Flashes
High Pressure Switch Lockout 3 Flashes
Ambient Sensor Fault 4 Flashes
Coil Sensor Fault 5 Flashes
Table 3. Control Diagnostic
Star Bushing
Bolt Nut
Ambient Sensor
Plastic Clip
Nut
Figure 10. Ambient Sensor Mounting
Control is uncalibrated when power is applied.
Calibration occurs after a defrost cycle. The
control initiates defrost after 34 minutes of
accumulated compressor run time in heating
with coil temperature below 35° F. The defrost
cycle terminates when the coil sensor reaches
termination temperature or after 14 minutes.
Note: All units are shipped from the factory
with the default termination temperature set
at 70° F.
Defrost function is disabled if coil temperature is
above 35° F. If the ambient sensor is detected as
open or shorted, demand defrost will not operate
and control will revert to time/temperature defrost
operation. If the outdoor coil sensor is detected
as open or shorted, the control will not perform
demand or time/temperature defrost operation.
Note: When the defrost cycle initiates, there
will be a 30 second compressor delay going
into and out of the defrost cycle. This delay may
be removed by removing P6 connector on the
board.
This 2-stage unit will defrost in second stage
regardless of the stage called for by the
thermostat.
6. Install one spacer next between the
plastic clip and mounting bracket.
7. Bend the mounting bracket into position.
Install the mounting bracket to the unit
using the screw in the corner panel.
Electric Heat Package (optional)
This heat pump is shipped without an auxiliary
electric heat kit installed. If electric heat is desired,
an accessory Heater Kit must be fi eld installed.
See Specifi cations Sheet for available kits and
their application.
• Select the correct size heat package for the
installation.
• Follow installation instructions provided with
each heater kit.
• Installation is most easily accomplished before
making duct or electrical connections.
• Refer to Table 2 (page 10) for blower
speeds.
Ambient Sensor Mounting
For optimum performance of the heat pump
system, the ambient sensor (Figure 10) must
be mounted on the outside of the unit.
1. Remove the mounting bracket and all
hardware included in the packet.
2. Remove star bushing from 7/8”
hole in corner panel of the unit.
3. Route the ambient sensor through the 7/8”
hole in the corner panel of the unit, and then
through the 7/8” hole in the mounting bracket.
4. Route the sensor through the
star bushing. Use the star bushing to
secure the mounting bracket to the unit.
5. Secure the ambient sensor inside the
plastic clip and secure it to the mounting
bracket with the screw and nut provided.

12
SYSTEM OPERATION
Pre-Start Checklist
The following check list should be observed prior
to starting the unit.
Is the unit level? Unit should be level or slightly
slanted toward the drain for proper condensate
drainage.
Is the unit installed with the proper clearances
as listed in Figure 2 (page 5)?
Is the wiring correct according to the wiring
diagram and electrical codes?
Are all the wiring connections tight? Check the
condenser fan to make sure it turns freely.
Is the overcurrent protection properly sized?
Is the thermostat wired correctly? Is it installed
in a proper location?
Start-Up Procedure
The control circuit consists of an anti-short cycle
timer that will not let the compressor re-start
before three (3) minutes have elapsed.
Set the thermostat system mode to OFF, and
the thermostat fan mode to AUTO. Apply power
at the disconnect switch and check the system
operations:
Air Circulation
Leave the thermostat system mode on OFF,
and set the fan mode to ON. Blower should
run continuously. Check the air delivery at the
supply registers and adjust register openings
for balanced air distribution. Examine ductwork
for leaks or obstruction if insuffi cient air is
detected.
Set the thermostat fan mode to AUTO. The blower
should stop running.
System Heating
Set the thermostat system mode to HEAT and
the fan mode to AUTO. Change the thermostat
temperature selector above the existing room
temperature and check for the discharge of warm
air at the supply registers.
System Cooling
Set the thermostat’s system mode to COOL and
the fan mode to AUTO. Change the thermostat
temperature selector below the existing room
temperature. Allow the cooling system to operate
for several minutes and check for the discharge
of cool air at the supply registers.
Short Cycle Protection
The control circuit is equipped with a time-delay
feature for protection against short cycling.
With the system operating in the cooling mode,
gradually raise the thermostat temperature
setting until the whole system de-energizes.
Immediately lower the thermostat temperature
to the original setting and verify that the indoor
blower is energized. After approximately 3
minutes the compressor and the outdoor fan
will energize.
Emergency Heat
(Available only when Electric heat is supplied)
Set the thermostat’s system mode to EM HT and
the fan mode to either AUTO (intermittent air) or
to ON (continuous air). Change the thermostat’s
temperature selector above the existing room
temperature and check the following:
1. The thermostat auxiliary heat light (RED)
should be on.
2. The heat pump compressor and the fan
should not run; low voltage circuit remains
energized.
3. The blower will run according to the
thermostat’s fan mode setting.
Defrost Test Procedure
1. Terminals R & C must have 18 - 30V between
them for defrost sequences to initiate.
2 With thermostat in heat mode (Y connected to
R), short (and hold) the “TEST” pins together.
NOTE: This energizes the reversing valve to
initiate a forced defrost, bypass the ASCD,
and allow the high stage compressor to turn
on immediately (if the “REMOVE FOR NO
DELAY” jumper at P6 is removed). If the
“REMOVE FOR NO DELAY” jumper at P6 is
installed, the compressor will energize after
a 30 second delay.
3. Remove the short on the “TEST” pins.
• If the Coil temperature is above the Terminate
Temperature setting, the defrost cycle will
terminate (reversing valve de-energizes).
• If the coil temperature is below the Terminate
Temperature setting, the defrost cycle will
continue for 14 minutes (or until the coil
temperature rises above the Terminate
Temperature setting). Short the “TEST” pins
for 1 second or more to force the control
out of defrost and back to heating mode
(reversing valve de-energized). Compressor
will start immediately (if the “REMOVE
FOR NO DELAY” jumper is removed).
NOTE: If the “REMOVE FOR NO DELAY”
jumper is installed, the compressor will
energize after a 30 second delay.
Note: If the Y2 thermostat input is energized (on
a 2-stage system), the second stage turns on.
If the above steps will not initiate a defrost, replace
the defrost board.

13
Anti Short Cycle Timer Test
The 3 minute time delay feature can be bypassed
by shorting the “TEST” pins together.
Heating Mode
When the “TEST” pins are shorted together
for more than 1 second, the control will switch
between defrost mode and heating mode as
described in the Defrost Test Procedure section
(page 12).
Cooling Mode
When the ‘TEST” pins are shorted together for
more than 1 second, the Anti Short Cycle Timer
will be bypassed.
ADJUSTMENT OF REFRIGERANT
CHARGE:
CAUTION:
This heat pump contains liquid
and gaseous refrigerant under
pressure. Adjustment of refrigerant
charge should only be attempted
by qualifi ed, trained personnel
thoroughly familiar with the
equipment and safe responsible
refrigerant handling procedures.
Under no circumstances should
the homeowner attempt to install
and/or service this equipment.
Failure to comply with this warning
could result in equipment damage,
personal injury, or death.
NOTE: The unit must be charged while both fi rst
and second stages are operating.
NOTE: To achieve rated capacity and effi ciency
the compressor must be exposed to refrigerant for
at least 24 hours prior to running and then must
be run for a minimum of 12 hours. See Refrigerant
Charging Charts (Figures 11 - 14, pages 14 &
15) for Charging in Cooling Mode.
Charging an R-410A Unit in AC Mode with
Outdoor Temperatures Above 65F.
1. With the system operating at steady-state,
measure the liquid refrigerant pressure in psig
at the service valve.
2. Measure the liquid refrigerant temperature
(° F) at the service valve.
3. For the temperature measured, determine the
required liquid refrigerant pressure from the
appropriate charging charts.
• If the pressure measured in step 1 is greater
than the required liquid refrigerant pressure
determined in step 4, then there is too much
charge in the system. Remove refrigerant and
repeat steps 1 through 3 until the system is
correctly charged.
• If the pressure measured in step 1 is less
than the required liquid refrigerant pressure
determined in step 4, then there is too little
charge in the system. Add refrigerant and
repeat steps 1 through 3 until the system is
correctly charged.
Charging an R-410A Unit in Heating Mode.
1. Evacuate the refrigerant system.
2. Weigh in the proper charge as shown on the
unit rating plate and use the Heating Charging
Tables (pages 16 & 17) as a guide. Tables
refl ect conditions at high speed operation. Unit
charge MUST be verifi ed in cooling season.
3. Verify the unit is operating properly according
to the heating functional checkout on page
12.

14
Refrigerant Charging Charts for
Cooling Mode of Operation
Figure 11. Charging Chart for 2 ton Units
200
225
250
275
300
325
350
375
400
425
450
475
500
525
550
575
600
70 75 80 85 90 95 100 105 110 115 120 125 130 135 140
LIQUID PRESSURE (PSIG)
LIQUID TEMPERATURE (F)
Rem ove refrigerant when above curve
Add refrigerant w hen below c urve
Q5RF-X24K CHARGING CHART
Figure 12. Charging Chart for 3 ton Units
200
225
250
275
300
325
350
375
400
425
450
475
500
525
550
575
600
70 75 80 85 90 95 100 105 110 115 120 125 130 135 140
LIQUID PRESSURE (PSIG)
LIQUID TEMPERATURE (F)
Q5RF-X36K CHARGING CHART
Rem ove refrigerant when above curve
Add refrigerant w hen below c urve

15
Refrigerant Charging Charts for
Cooling Mode of Operation - Continued
Figure 14. Charging Chart for 5 ton Units
200
225
250
275
300
325
350
375
400
425
450
475
500
525
550
575
600
70 75 80 85 90 95 100 105 110 115 120 125 130 135 140
LIQUID PRESSURE (PSIG)
LIQUID TEMPERATURE (F)
Q5RF-X60K COOLING CHARGING CHART
Rem ove refrigerant when above curve
Add refrigerant w hen below c urve
Figure 13. Charging Chart for 4 ton Units
200
225
250
275
300
325
350
375
400
425
450
475
500
525
550
575
600
70 75 80 85 90 95 100 105 110 115 120 125 130 135 140
LIQUID PRESSURE (PSIG)
LIQUID TEMPERATURE (F)
Q5RF-X48K CHARGING CHART
Rem ove refrigerant when above curve
Add refrigerant w hen below c urve

16
Q5RF-X24K
OUTDOOR TEMPERATURE (DEG. F)
0 102030405060
Suc. Liquid Disch. Suc. Liquid Disch. Suc. Liquid Disch. Suc. Liquid Disch. Suc. Liquid Disch. Suc. Liquid Disch. Suc. Liquid Disch.
Press Press. Temp. Press. Press. Temp. Press. Press. Temp. Press. Press. Temp. Press. Press. Temp. Press. Press. Temp. Press. Press. Temp.
37 205 126 52 226 128 67 247 131 82 268 133 97 283 145 112 314 167 127 345 189
38 212 124 53 232 126 68 252 129 83 272 131 98 290 142 113 321 163 128 352 183
39 219 122 54 238 124 69 257 127 84 275 129 99 297 139 114 328 158 129 359 177
40 226 120 55 244 122 70 261 125 85 279 127 100 304 137 115 335 154 130 366 171
41 233 118 56 249 120 71 266 123 86 283 125 101 311 134 116 342 149 131 373 165
42 240 116 57 255 118 72 271 121 87 286 123 102 318 131 117 349 145 132 380 158
43 247 114 58 261 116 73 276 119 88 290 121 103 325 128 118 356 140 133 387 152
Refrigerant Charging Tables for Heating Mode of Operation
Q5RF-X36K
OUTDOOR TEMPERATURE (DEG. F)
0 102030405060
Suc. Liquid Disch. Suc. Liquid Disch. Suc. Liquid Disch. Suc. Liquid Disch. Suc. Liquid Disch. Suc. Liquid Disch. Suc. Liquid Disch.
Press Press. Temp. Press. Press. Temp. Press. Press. Temp. Press. Press. Temp. Press. Press. Temp. Press. Press. Temp. Press. Press. Temp.
37 188 102 50 224 114 63 261 127 77 297 139 92 321 159 109 357 186 126 392 213
38 195 100 51 230 112 64 265 125 78 301 137 93 328 156 110 364 181 127 399 207
39 202 98 52 236 110 65 270 123 79 304 135 94 335 153 111 371 177 128 406 201
40 209 96 53 242 108 66 275 121 80 308 133 95 342 150 112 378 172 129 413 195
41 216 94 54 248 106 67 280 119 81 312 131 96 349 147 113 385 168 130 420 188
42 223 92 55 254 104 68 284 117 82 315 129 97 356 144 114 392 163 131 427 182
43 230 90 56 260 102 69 289 115 83 319 127 98 363 142 115 399 159 132 434 176
Refrigerant Charging Chart Legend for Heating Mode of Operation:
Shaded boxes indicate fl ooded conditions.
Rated design values. The suction pressure will vary from design value if outdoor air fl ow, entering dry bulb, or entering wet bulb temperatures
vary.
1. All pressures are listed psig and all temperatures in °F
2. Discharge temperatures greater than charted values indicate an undercharged system.

17
Refrigerant Charging Tables for Heating Mode of Operation - (continued)
Q5RF-X48K
OUTDOOR TEMPERATURE (DEG. F)
0 102030405060
Suc. Liquid Disch. Suc. Liquid Disch. Suc. Liquid Disch. Suc. Liquid Disch. Suc. Liquid Disch. Suc. Liquid Disch. Suc. Liquid Disch.
Press Press. Temp. Press. Press. Temp. Press. Press. Temp. Press. Press. Temp. Press. Press. Temp. Press. Press. Temp. Press. Press. Temp.
29 263 160 45 268 157 61 272 155 77 276 153 91 286 158 104 323 170 116 361 181
30 270 158 46 273 155 62 277 153 78 280 151 92 293 155 105 330 165 117 368 175
31 277 156 47 279 153 63 282 151 79 284 149 93 300 152 106 337 161 118 375 169
32 284 154 48 285 151 64 286 149 80 287 147 94 307 149 107 344 156 119 382 163
33 291 152 49 291 149 65 291 147 81 291 145 95 314 146 108 351 152 120 389 157
34 298 150 50 297 147 66 296 145 82 295 143 96 321 144 109 358 147 121 396 151
35 305 148 51 303 145 67 301 143 83 298 141 97 328 141 110 365 143 122 403 144
Q5RF-X60KK
OUTDOOR TEMPERATURE (DEG. F)
0 102030405060
Suc. Liquid Disch. Suc. Liquid Disch. Suc. Liquid Disch. Suc. Liquid Disch. Suc. Liquid Disch. Suc. Liquid Disch. Suc. Liquid Disch.
Press Press. Temp. Press. Press. Temp. Press. Press. Temp. Press. Press. Temp. Press. Press. Temp. Press. Press. Temp. Press. Press. Temp.
31 205 104 46 229 113 61 253 123 76 277 132 92 304 148 107 358 169 122 412 191
32 212 102 47 235 111 62 258 121 77 280 130 93 311 145 108 365 165 123 419 185
33 219 100 48 241 109 63 262 119 78 284 128 94 318 142 109 372 160 124 426 179
34 226 98 49 247 170 64 267 117 79 288 126 95 325 139 110 379 156 125 433 173
35 233 96 50 253 105 65 272 115 80 291 124 96 332 137 111 386 152 126 440 167
36 240 94 51 258 103 66 277 113 81 295 122 97 339 134 112 393 147 127 447 160
37 247 92 52 264 101 67 282 111 82 299 120 98 346 131 113 400 143 128 454 154
Refrigerant Charging Chart Legend for Heating Mode of Operation:
Shaded boxes indicate fl ooded conditions.
Rated design values. The suction pressure will vary from design value if outdoor air fl ow, entering dry bulb, or entering wet bulb temperatures
vary.
1. All pressures are listed psig and all temperatures in °F
2. Discharge temperatures greater than charted values indicate an undercharged system.

18
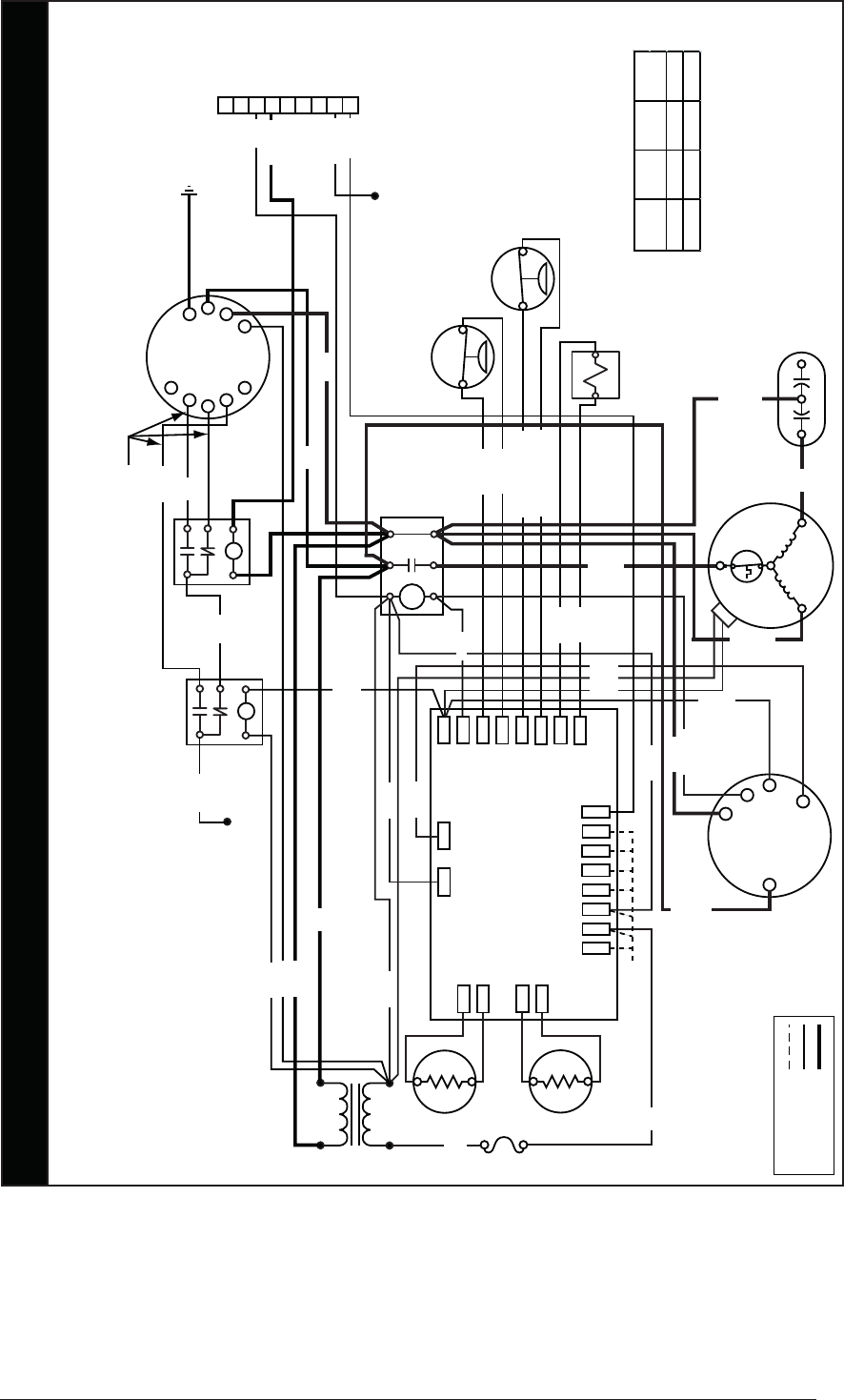
3. Not sutiable on systems that exceed 150V to ground.
4. For replacement wires use conductors suitable for 105°C.
208/230 VOLTQ5RF/PPH2RF SERIES SMALL PACKAGE H/P
2 TON AND 3 TON 60HZ/SINGLE PHASE
1. Disconnect all power before servicing.
2. For supply connections use copper conductors only.
3. Not sutiable on systems that exceed 150V to ground.
4. For replacement wires use conductors
suitable for 105°C.
5. Couper le courant avant de faire letretine.
6. Employez uniquement des conducteurs
en cuiver.
7. Ne convient pas aux installations de plus
de 150V a la terre.
¢710880&¤ 710880C
(Replaces 710880B)
0809
FIELD WIRING
LEGEND:
LOW VOLTAGE
HIGH VOLTAGE
WIRING DIAGRAM
NOTES:
L2 L1
T2 T1
LR
CY2 O
W2
IN
W2
OUT
DF1
AMBIENT
AMBG
COILG
COIL
DEMAND
DEFROST CONTROL
BOARD
REV
VALVE
Y
HPS
LPS
Y OUT
Y2 OUT
C
S
R
C
R
S
C
HF
DAUL
CAPACITOR
OUTDOOR
MOTOR
COMPRESSOR
TRASFORMER
240V
24V
COM
RED
YELLOW
BLACK
BLACK
ORANGE
BLUE
COMPRESSOR
CONTACTOR
TO T-STAT
BLUE
BLUE
DF2
REVERSING VALVE
COIL
YELLOW
YELLOW
YELLOW / BLACK
YELLOW / BLACK
BLACK
BLACK
G
N
L
T4
T2
T3
C
T5
T1
4
3
2
1
8
7
6
5
9
HIGH SPEED
BLOWER RELAY
(24V)
BLOWER
RELAY
BLOWER
MOTOR
SEE TABLE FOR FACTORY
SET BLOWER WIRING
BLACK
YELLOW
ORANGE
BROWN
BLACK
RED
ORANGE
GREY
GREEN / YELLOW
GREY
GREEN
YELLOW
BLUE
BLACK
WHITE
RED
RED
RED
RED BLACK
YELLOW
BLUE
BLACK
BLACK
BLUE
TO “G” ON
T-STAT
AMBIENT
THERMISTOR
COIL
THERMISTOR
3 AMP FUSE
TO “W3” ON
T-STAT
HIGH PRESSURE
SWITCH
LOW PRESSURE
SWITCH
(SELECT MODELS ONLY)
FACTORY SET INDOOR MOTOR WIRING
BLACK WIRE IS HIGH SPEED COOLING/HEATING
ORANGE WIRE IS LOW SPEED COOLONG/HEATING
RED WIRE IS AUX. HEATING SPEED (ELECTRIC HEAT)
REFER TO INSTALLATION INSTRUCTIONS FOR CFM DATA
MODEL
ORANGE
WIRE
BLACK
WIRE
RED
WIRE
X24K T2
T3 T4
X36K T1
T3 T4
Figure 15. Q5RF/PPH2RF Series Wiring Diagram - 2 & 3 Ton Units

19
NOTES:
710890B
0809
FIELD WIRING
LEGEND:
LOW VOLTAGE
HIGH VOLTAGE
208/230 VOLT
Q5RF/PPH2RF SERIES SMALL PACKAGE H/P
4 TON AND 5 TON
60HZ/SINGLE PHASE
1. Disconnect all power before servicing.
2. For supply connections use copper conductors only.
3. Not sutiable on systems that exceed 150V to ground.
4. For replacement wires use conductors suitable for 105°C.
7. Couper le courant avant de faire letretine.
8. Employez uniquement des conducteurs
en cuiver.
9. Ne convient pas aux installations de plus
de 150V a la terre.
¢710890+¤
WIRING DIAGRAM
(Replaces 710890A)
L2 L1
T2 T1
G
N
L
T4
T2
T3
C
T5
T1
Y1
L1
ECM Y2
L2
C
4
3
2
1
8
7
6
5
9
LR
CY2 O
W2
IN
W2
OUT
DF1
AMBIENT
AMBG
COILG
COIL
DEMAND
DEFROST CONTROL
BOARD
REV
VALVE
Y
HPS
LPS
Y OUT
Y2 OUT
C
S
R
C
HF
REVERSING VALVE
COIL
DAUL
CAPACITOR
OUTDOOR
MOTOR
COMPRESSOR
TRASFORMER
240V
24V
HIGH SPEED
BLOWER RELAY
(24V)
BLOWER
RELAY
BLOWER
MOTOR
COM
RED
BLACK
BLACK
BROWN
BLUE
COMPRESSOR
CONTACTOR
BLACK
BLACK
YELLOW
YELLOW
YELLOW / BLACK
YELLOW / BLACK
SEE TABLE FOR FACTORY
SET BLOWER WIRING
TO T-STAT
BLUE
BLUE
DF2
YELLOW
YELLOW
WHITE
BLACK
YELLOW
ORANGE
BROWN
BLACK
RED
GREY
GREEN / YELLOW
GREY
GREEN
BLUE
BLACK
WHITE
RED
RED
RED
RED BLACK
YELLOW
BLUE
BLACK
BLUE
BLACK
BLACK
3 AMP FUSE
TO “W3” ON
T-STAT
TO “G” ON
T-STAT
HIGH PRESSURE
SWITCH
LOW PRESSURE
SWITCH
(SELECT MODELS ONLY)
AMBIENT
THERMISTOR
COIL
THERMISTOR
FACTORY SET INDOOR MOTOR WIRING
BLACK WIRE IS HIGH SPEED COOLING/HEATING
ORANGE WIRE IS LOW SPEED COOLONG/HEATING
RED WIRE IS AUX. HEATING SPEED (ELECTRIC HEAT)
REFER TO INSTALLATION INSTRUCTIONS FOR CFM DATA
MODEL
ORANGE
WIRE
BLACK
WIRE
RED
WIRE
X48K T1
T4 T3
X60K T2
T4 T3
Figure 16. Q5RF/PPH2RF Series Wiring Diagram - 4 & 5 Ton Units

INSTALLER
PLEASE LEAVE THESE INSTALLATION
INSTRUCTIONS WITH THE HOMEOWNER.
709064B (Replaces 709064A)
Specifi cations and illustrations
subject to change without
notice or incurring obligations.
Printed in U.S.A. (09/09)
O’Fallon, MO
¢709064-¤
709064B