Ogemray Technology WF55724MX WiFi Module User Manual

Shenzhen Ogemray Technology Co.,Ltd WiFi Module Users Manual

Users Manual

 Information in this document is subject to change without prior notice.              Page 1 of 13              IEEE 802.11 a/b/g/n   300Mbps WiFi Module  Product Specifications  Model: GWF-4M02  Version: 1.1    2015-12-15
 Information in this document is subject to change without prior notice.              Page 2 of 13  1. Introduction The GWF-4M02 is a WLAN module supporting IEEE 802.11a/b/g/n standards with 7-pin or 4-pin connector supporting USB2.0 interface. This is a small form factor and low cost compact WLAN module designed for the wireless connectivity. This module operates in 2.4GHz and 5GHz dual band frequency , it applies a highly integrated MAC/BBP and RF/PA/LNA single chip RT5572 with 300Mbps PHY rate supporting. It fully complies with IEEE802.11n draft 3.0 and IEEE802.11a/b/g feature.  2. Features  20MHz/40MHz bandwidth, support 2T2R mode in 2.4GHz and 5GHz .    802.11a: 6, 9, 12, 24, 36, 48, 54Mbps; 802.11b: 1, 2, 5.5, 11Mbps; 802.11g: 6, 9, 12, 24, 36, 48, 54Mbps ; 802.11n: Support PHY rate up to 300Mbps.  Support Soft-AP; QoS-WMM, WMM-PS; WiFi Direct;  WPS pin, LED indicates WiFi link & activity;  Multiple BSSID support; Power management.  3. Product Information 3.1   Specification (Typical Value): Main Chipset  Ralink RT5572N Operation Frequency  2412~2483.5MHz,4.915~5.825GHz (Different country adopts different frequency) Protocols  802.11b: CCK, QPSK, BPSK, 802.11a/g/n: OFDM Antennas  Two outputs to two dual band external antennas   Security  WEP 64/128, WPA/WPA2/WAPI, TKIP/AES; WPS/WPS2:PIN,PBC Typical Transmit Power (Antenna feed point) 802.11b (CCK) 11Mbps: 17+/-1dBm 802.11g (OFDM) 54Mbps: 15+/-1dBm 802.11a (OFDM) 54Mbps: 11+/-1.5dBm 802.11n (HT20@MCS7), 13+/-1dBm; (HT40@MCS7),12+/-1dBm Receive Sensitivity (Antenna feed point) 802.11b: -88+/-1dBm; 802.11g: -73+/-1dBm 802.11n (HT20), -71+/-1dBm; 802.11n (HT40), -68+/-1dBm 802.11a: -70+/-1dBm
 Information in this document is subject to change without prior notice.              Page 3 of 13  Operating Voltage/current 5.0VDC ± 5% ; <350mA @802.11n,HT40 ; or 3.3VDV± 5% <500mA, @802.11n,HT40 5.0VDC ± 5% ; <450mA @802.11a,HT40 ; or 3.3VDV± 5% <630mA, @802.11a,HT40 Host interface  USB 2.0 Interface  7-pin or 4-pin, 2.0mm , or 4-pin 2.54 mm pitch pin header Dimensions/Weight  48x18mm / 3.6g  3.2 Block Diagram  Figure 1: System Block Diagram of 7 pin GWF-4M02 5.0V WLAN Module   Figure 2: System Block Diagram of 7 pin GWF-4M02 3.3V WLAN Module             RFReceiver       RFTransmitterBasebandMAC/PacketBuffer/EncrptionEngineDM(DATA-)    USB InterfaceVCC(5.0V)DP(DATA+)GND RT5572LNA   USB InterfaceExternal antennas2.412~2.4835GHz4.915~5.825 GHzAntennaAntennaDual Band40MHz XTALTX CONTROLEXTERNAL LEDWPS CONTROLPA2.4G/5GHz  Duplexer  2.4G/5GHz  Duplexer   3.3V/1.5V 5V/3.3V     RFReceiver       RFTransmitterBasebandMAC/PacketBuffer/EncrptionEngineDM(DATA-)    USB InterfaceVCC(3.3V)DP(DATA+)GND RT5572LNA   USB InterfaceExternal antennas2.412~2.4835GHz4.915~5.825 GHzAntennaAntennaDual Band40MHz XTALTX CONTROLEXTERNAL LEDWPS CONTROLPA2.4G/5GHz  Duplexer  2.4G/5GHz  Duplexer   3.3V/1.5V
 Information in this document is subject to change without prior notice.              Page 4 of 13  Figure 3: System Block Diagram of 4 pin GWF-4M02 5.0V WLAN Module   Figure 4: System Block Diagram of 4 pin GWF-4M02 3.3V WLAN Module      RFReceiver       RFTransmitterBasebandMAC/PacketBuffer/EncrptionEngineDM(DATA-)    USB InterfaceVCC(5.0V)DP(DATA+)GND RT5572LNA   USB InterfaceExternal antennas2.412~2.4835GHz4.915~5.825 GHzAntennaAntennaDual Band40MHz XTALPA2.4G/5GHz  Duplexer  2.4G/5GHz  Duplexer   3.3V/1.5V 5V/3.3V     RFReceiver       RFTransmitterBasebandMAC/PacketBuffer/EncrptionEngineDM(DATA-)    USB InterfaceVCC(3.3V)DP(DATA+)GND RT5572LNA   USB InterfaceExternal antennas2.412~2.4835GHz4.915~5.825 GHzAntennaAntennaDual Band40MHz XTALPA2.4G/5GHz  Duplexer  2.4G/5GHz  Duplexer   3.3V/1.5V
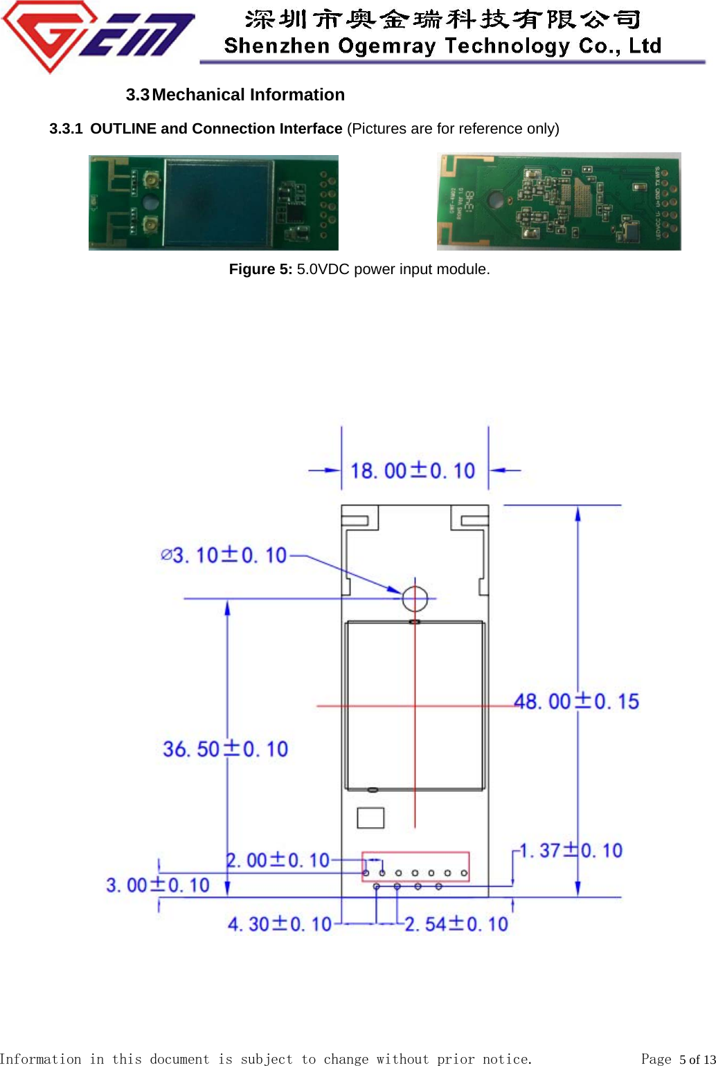
 Information in this document is subject to change without prior notice.              Page 5 of 13  3.3 Mechanical  Information 3.3.1  OUTLINE and Connection Interface (Pictures are for reference only)                             Figure 5: 5.0VDC power input module.
 Information in this document is subject to change without prior notice.              Page 6 of 13   RF connector at bottom Figure 6: General Dimensions   RF connector at top Figure 7: General Dimensions
 Information in this document is subject to change without prior notice.              Page 7 of 13          3.3.1.1    4-pin 2.54 mm pitch pin header.          a). Model: GWF-4M02-50-T-2.54-4-1; GWF-4M02-33-T-2.54-4-1  Figure 8:Bottom side 4–Pin 2.54mm pitch pin header interface.          3.3.1.2  4-pin 2.0 mm pitch pin header          a). Model: GWF-4M02-50-T-2.0-4-1; GWF-4M02-33-T-2.0-4-1
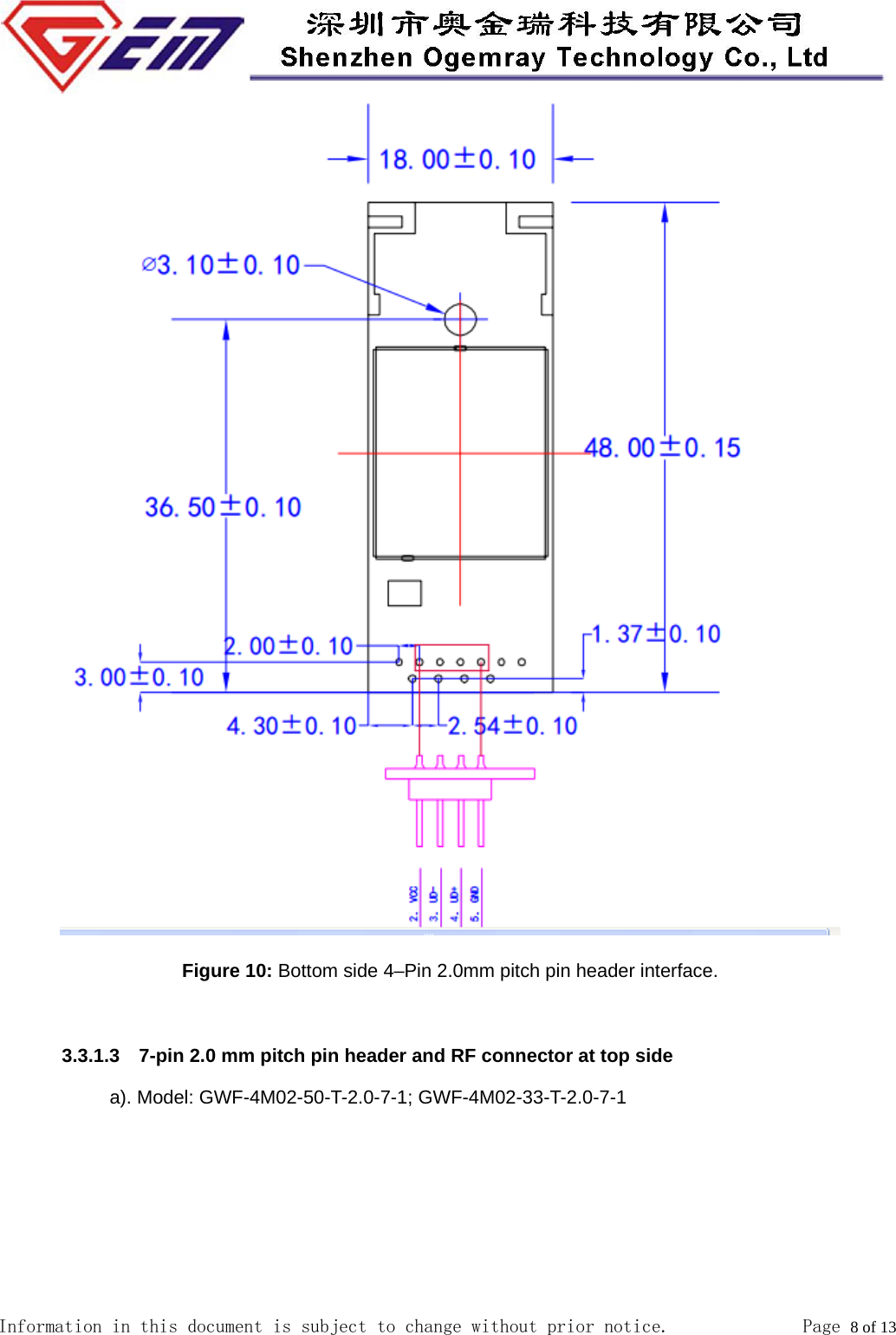
 Information in this document is subject to change without prior notice.              Page 8 of 13   Figure 10: Bottom side 4–Pin 2.0mm pitch pin header interface.  3.3.1.3    7-pin 2.0 mm pitch pin header and RF connector at top side a). Model: GWF-4M02-50-T-2.0-7-1; GWF-4M02-33-T-2.0-7-1
 Information in this document is subject to change without prior notice.              Page 9 of 13    Figure 12: Top side 7–Pin 2.0mm pitch pin header interface.            Tips: For details model number, please refer to the ordering information.
 Information in this document is subject to change without prior notice.              Page 10 of 13   Pin Definition: Pin-out  7-pin 2.0mm pitch pin header  4-pin 2.0 or 2.54mm pitch pin header 1  LED* (Wireless TX status) N/A 2  VCC (3.3 VDC or 5.0VDC)  VCC (3.3 VDC or 5.0VDC) 3  U- (USB data+)  U- (USB data+) 4  U+ (USB data-)  U+ (USB data-) 5  GND (Ground)  GND (Ground) 6  RF/TX ON/OFF control  N/A 7  WPS control N/A  Figure 16: The onboard circuit configuration refer to LED, WPS, TX pinout. Notes:  TX or WPS pin is internally pulled up with an onboard 4.7K ohm resistor to 3.3VDC .It is low level (can be connected to ground) activated.  LED outputs 3.3V blink signal, the LED operation current is limited via the 330 ohm resistor.   If the onboard and external LEDs must be used simultaneously, proper LEDs’ operation current must be considered, If necessary, the internal onboard LED can be removed while ordering.
I   Information 3.4   RF    If the I-P  RF output3.5  SoftOperaLinux WindoMac OAndroin this docF output CoPEX RF connt via an I-PEXtware and sation System2.4/2.6 ows XP/VistaOS X 10.4~10id 4.0 cument is suonnection Innection is seX MHF recepFigure system Infom /7/8 0.8 ubject to chnformationlected, a 50 ptacle (RF coe 17:The pro Figure 18:ormation CPU SuppliARM, MIPSX86 PlatformN/A N/A hange withouohm externaonnector). ( P   ofile of the I-PTypical RF oier II m ut prior noal antenna coPart No.: 202PEX connectooutput typeDAAAAtice.      onnects to the279-001E-01or         Driver Available Available Available Available         Page module ).             ge 11 of 13
 Information in this document is subject to change without prior notice.              Page 12 of 13  3.6  Ordering information                                     Since there are many different types of pin header might be used, such as: straight pin; 90 degree bend pin; long pin; short pin…, please mention the detail requirement of the pin header when ordering. It can be mentioned by part number or by descriptions.  4 Agency Approval CAUTION: This module must be installed and operated in accordance with provided instructions and the antenna used for this transmitter must be installed to provied a separation distance of at least 20 cm from all persons and must not be co-located or operating in conjunction with any other antenna or transmitter. End-uses and installers must be provide with antenna installation instructions and transmitter operating conditions for satisfying RF exposure compliance.  Agency Operative standards  Certificate ID FCC Part15 C OET65 YWTWF55724MX CE EN60950  EN301489 EN300328  EN62479  Pre-scan undergoing RoHS 2011/65/EC  √
 Information in this document is subject to change without prior notice.              Page 13 of 13  5 Environment pointer Special Instructions:  Since the 5.0GHz operating current is High, in order to ensure that products -10 º C to +50 º C working properly, must be added the heat sink;  If the customer wants to have a better product performance, it is necessary to replace the heat sink thermal performance better (The thicker the larger the area the better the thermal performance). Item  category  Range Temperature  Operating Temperature  -10ºC to +50ºC Storage Temperature  -20ºC to +80ºC Humidity  Operating Humidity Conditions  The range of 20% to 80% (non-condensing) . Non-Operating Humidity Conditions (including warehouse) The range of 20% to 80%  6 Disclaimer THESE MATERIALS AND INFORMATION ARE PROVIDED “AS IS” WITHOUT WARRANTY OF ANY KIND, EITHER EXPRESS OR IMPLIED , INCLUDING BUT NOT LIMITED TO, THE IMPLIED WARRANTIES OF MERCHANTABILITY, FITNESS FOR A PARTICULAR PURPOSE OR NON-INFRINGEMENT. We use reasonable efforts to include accurate and up-to-date information on this document; it does not, however, make any representations as to its accuracy or completeness of the information, text, graphics, links or other items contained within these materials. You use this document to bear the risk of their own. Ogemray,as its suppliers, and other parties involved in creating and delivering this Document’s contents shall not be liable for any special, indirect, incidental, or consequential damages, including without limitation, lost revenues or profits.
FCC Statement Federal Communication Commission Interference Statement   This equipment has been tested and found to comply with the limits for a Class B digital device, pursuant to Part 15 of the FCC Rules. These limits are designed to provide reasonable protection against harmful interference in a residential installation. This equipment generates, uses and can radiate radio frequency energy and, if not installed and used in accordance with the instructions, may cause harmful interference to radio communications.    However, there is no guarantee that interference will not occur in a particular installation.    If this equipment does cause harmful interference to radio or television reception, which can be determined by turning the equipment off and on, the user is encouraged to try to correct the interference by one of the following measures:   - Reorient or relocate the receiving antenna.   - Increase the separation between the equipment and receiver.   - Connect the equipment into an outlet on a circuit different from that to which the receiver is connected.   - Consult the dealer or an experienced radio/TV technician for help.   FCC Caution:   Any changes or modifications not expressly approved by the party responsible for compliance could void the user's authority to operate this equipment.   This device complies with Part 15 of the FCC Rules. Operation is subject to the following two conditions:   (1) This device may not cause harmful interference, and (2) This device must accept any interference received, including interference that may cause undesired operation.    FCC Radiation Exposure Statement:     This equipment complies with FCC radiation exposure limits set forth for an uncontrolled environment. This transmitter module must not be co-located or operating in conjunction with any other antenna or transmitter.     This End equipment should be installed and operated with a minimum distance of 20 centimeters between the radiator and your body.  IMPORTANT NOTE:   In the event that these conditions can not be met (for example certain laptop configurations or co-location with another transmitter), then the FCC authorization is no longer considered valid and the FCC ID can not be used on the final product. In these circumstances, the OEM integrator will be responsible for re-evaluating the end product (including the transmitter) and obtaining a separate FCC authorization.    End Product Labeling   The final end product must be labeled in a visible area with the following:           “Contains FCC ID: YWTWF55724MX”.     Manual Information to the End User     The OEM integrator has to be aware not to provide information to the end user regarding how to install or remove this RF module in the user’s manual of the end product which integrates this module.

Navigation menu