Omron RFID Business Development Department V750-BA50C04 RFID Tag Reader User Manual
Omron Corporation, RFID Business Development Department RFID Tag Reader
user manaual

V750 RFID READER/WRITER, ANTENNA 2006-06, REV.C
OPERATION MANUAL 1 of 110 ©OMRON CORPORATION 2006
V750-series
UHF RFID System
Operation Manual
V750-BA50C04-US (Mono-static Reader/Writer)
V740-HS01CA (Circular Antenna)
V740-HS01LA (Liner Antenna)
Cat. No. SRFM – 012 – A
Reader/Writer
Antenna

V750 RFID READER/WRITER, ANTENNA 2006-06, REV.C
OPERATION MANUAL 2 of 110 ©OMRON CORPORATION 2006
PRECAUTIONS
Please read and understand this manual before using the products. Please consult your OMRON representative if you
have any question or comments.
WARRANTY: OMRON’S EXCLUSIVE WARRANTY IS THAT THE PRODUCTS ARE FREE FROM DEFECTS IN MATERIALS AND
WORKMANSHIP FOR A PERIOD OF ONE YEAR (OR OTHER PERIOD IF SPECIFIED) FROM DATE OF SALE BY OMRON.
OMRON MAKES NO WARRANTY OR REPRESENTATION, EXPRESS OR IMPLIED, REGARDING NON-INFRINGEMENT,
MERCHANTABILITY, OR FITNESS FOR PARTICULAR PURPOSE OF THE PRODUCTS. ANY BUYER OR USER ACKNOWLEDGES THAT
THE BUYER OR USER ALONE HAS DETERMINED THAT THE PRODUCTS WILL SUITABLY MEET THE PREQUIREMENTS OF THEIR
INTENDED USE. OMRON DISCLAIMS ALL OTHER WARRANTIES, EXPRESS OR IMPLIED.
LIMITATIONS OF LIABILITY: OMRON SHALL NOT BE RESPONSIBLE FOR SPECIAL, INDIRECT, OR CONSEQUENTIAL
DAMAGES, LOSS OF PROFITS OR COMMERCIAL LOSS IN ANY WAY CONNECTED WITH THE PRODUCTS, WHETHER SUCH CLAIM
IS BASED ON CONTRACT, WARRANTY, NEGLIGENCE, OR STRICT LIABILITY.
IN NO EVENT SHALL THE RESPONSIBILITY OF OMRON FOR ANY ACT EXCEED THE INDIVIDUAL PRICE OF THE PRODUCT ON
WHICH LIABILITY IS ASSERTED.
IN NO EVENT SHALL OMRON BE RESPONSIBLE FOR WARRANTY, REPAIR, OR OTHER CLAIMS REGARDING THE PRODUCTS
UNLESS OMRON'S ANALYSIS CONFIRMS THAT THE PRODUCTS WERE PROPERLY HANDLED, STORED, INSTALLED, AND
MAINTAINED AND NOT SUBJECT TO CONTAMINATION, ABUSE, MISUSE, OR INAPPROPRIATE MODIFICATION OR REPAIR.
SUITABLITY FOR USE : OMRON SHALL NOT BE RESPONSIBLE FOR CONFORMITY WITH ANY STANDARDS, CODES, OR
REGULATIONS THAT APPLY TO THE COMBINATION OF THE PRODUCTS IN THE CUSTOMER'S APPLICATION OR USE OF THE
PRODUCT.
TAKE ALL NECESSARY STEPS TO DETERMINE THE SUITABILITY OF THE PRODUCT FOR THE SYSTEMS, MACHINES, AND
EQUIPMENT WITH WHICH IT WILL BE USED.
KNOW AND OBSERVE ALL PROHIBITIONS OF USE APPLICABLE TO THIS PRODUCT.
NEVER USE THE PRODUCTS FOR AN APPLICATION INVOLVING SERIOUS RISK TO LIFE OR PROPERTY WITHOUT ENSURING
THAT THE SYSTEM AS A WHOLE HAS BEEN DESIGNED TO ADDRESS THE RISKS, AND THAT THE OMRON PRODUCT IS
PROPERLY RATED AND INSTALLED FOR THE INTENDED USE WITHIN THE OVERALL EQUIPMENT OR SYSTEM.
CHANGE IN SPECIFICATIONS : PRODUCT SPECIFICATIONS AND ACCESSORIES MAY BE CHANGED AT ANY TIME BASED
ON IMPROVEMENTS AND OTHER REASONS. CONSULT WITH YOUR OMORN REPRESENTATIVE AT ANY TIME TO CONFIRM
ACTUAL SPECIFICATIONS OF PURCHASED PRODUCT.
Warranty, Limitations of Liability
Application Precautions, Change in Specifications

V750 RFID READER/WRITER, ANTENNA 2006-06, REV.C
OPERATION MANUAL 3 of 110 ©OMRON CORPORATION 2006
Regulatory Compliance
EMC ...................................................................47 CFR, Part 15
................................................................................RSS210
Safety........................................................................... UL 60950
....................................................Can/CSA C22.2 No 60950
FCC WARNING: Changes or modifications not expressly approved by the party responsible for compliance could void
the user’s authority to operate the equipment.
FCC COMPLIANCE: This equipment complies with Part 15 of the FCC rules for intentional radiators and Class A digital
devices when installed and used in accordance with the operation manual. Following these rules provides reasonable
protection against harmful interference from equipment operated in a commercial area. This equipment should not be
installed in a residential area as it can radiate radio frequency energy that could interfere with radio communications, a
situation the user would have to fix at their own expense.
EQUIPMENT MODIFICATION CAUTION: Equipment changes or modifications not expressly approved by OMRON
Corporation, the party responsible for FCC compliance, could void the user's authority to operate the equipment and
could create a hazardous condition.
IMPORTANT USER INFORMATION: This equipment complies with FCC radiation exposure limits set forth for
uncontrolled equipment and meets the FCC radio frequency (RF) Exposure Guidelines in Supplement C to OET65. This
equipment should be installed and operated with at least 23cm (9.1in) and more between the radiator and person’s body
(excluding extremities: hands, wrists, feet and legs).
This device complies with RSS-Gen of IC Rules. Operation is subject to the following two conditions:
(1) this device may not cause interference, and (2) this device must accept any interference, including interference that
may cause undesired operation of this device.
©Copyright OMRON Corporation 2006. All rights reserved.
This document is protected by copyright and is intended solely for use in conjunction with the product. Notify your
OMRON representative before copying or reproducing this document in any manner, for any other purpose.
Declarations

V750 RFID READER/WRITER, ANTENNA 2006-06, REV.C
OPERATION MANUAL 4 of 110 ©OMRON CORPORATION 2006
Safety Precautions
This chapter provides important information for the safe use of this product.
Ensure to read the information carefully before use.
IN THE SAFETY PRECAUTIONS BELOW, SEVERITY IS CATEGORIZED AS EITHER ”WARNING”
OR “CAUTION”.
WARNING
Indicates a potentially hazardous situation which, if not avoided, could
result in minor or moderate injury, or may result in serious injury or
death. Additionally there may be significant property damage.
CAUTION Indicates a potentially hazardous situation which, if not avoided, may
result in minor or moderate injury, or property damage.
Property damage refers to extended damage caused to house/household
goods or livestock/pets.
●Description of Symbols
Prohibition
Indicates an action or activity not permitted.
Observe strictly
Indicates the need to ensure the safe use of the product.
Ensure to establish a solid grounding
A label indicating that a device with a grounding terminal should always be
grounded.
Electric shock hazard
A notification that alerts the possibility of electric shock under certain
conditions.
Do not disassemble
A notification that prohibits disassembly when injuries caused by electric
shocks may result.
Please ensure that all cautions and prohibitions are adhered to, since non-compliance may lead to serious injury
or damage, in certain circumstances.

V750 RFID READER/WRITER, ANTENNA 2006-06, REV.C
OPERATION MANUAL 5 of 110 ©OMRON CORPORATION 2006
警 WARNING
Never disassemble, repair, or modify the main unit and cables.
Do not disassemble, repair, or modify this product. Doing so may result in electric shock, fire, or personal
injury.
Do not handle the device with wet hands. Do not touch the terminals while the device is
connected to the power supply.
Electric shock hazard.
Do not allow the cables to be in contact with heaters.
The cable sheaths may melt and the exposed wire may cause electric shock or fire.
Be sure to connect to a grounded main outlet for AC adapter power cord.
Electric shock hazard.
Do not use the power cords and power adapters not supplied with the products.
Failure to do so may results in electric shock, fire, or personal injury.
Connect and disconnect cables as described in the following procedures when installing,
moving, on this product or attached devices.
To connect: To disconnect:
1. Attached all cables to devices. 1. Remove power cords from outlet.
2. Attached power cords to outlet. 2. Remove all cables from devices.
Failure to do so may result In spark or deform or damage the device.
Always turn OFF the power supply to the PC before attempting any of the following. Not
turning OFF the power supply may result in malfunction or electric shock.
• Assembling the Units.
• Connecting or disconnecting the Expansion I/O Units or Expansion Units.
• Connecting or wiring the cables.
• Connecting or disconnecting the connectors.

V750 RFID READER/WRITER, ANTENNA 2006-06, REV.C
OPERATION MANUAL 6 of 110 ©OMRON CORPORATION 2006
CAUTION
Do not drop the device you may receive major shocks.
Doing so may result in personal injury or device damage.
Do not apply strong force to, or place heavy items on the device or cables.
Doing so may deform or damage the device, resulting in electric shock or fire.
Use and store the product in an environment that is specified in the catalog or operation
manual.
Failure to do so may cause failure of the device, electric shock, or fire. Do not use or store the devices
(Reader/Write ,antenna ,antenna cable) in the following locations:
・ Locations that do not satisfy the specified operating conditions (0 to +40℃, 35%RH to 85%RH,non-
condensing).
・ Locations that do not satisfy the specified storage conditions (-25 to +65℃, 35%RH to 85%RH,non-
condensing).
・ Locations where the Reader/Writer is exposed to direct sunlight.
・ Locations where the Reader/Writer is exposed to dust, corrosive gas, saline, or flammable gas.
・ Locations where the Reader/Writer is exposed to direct heat.
・ Locations subject to condensation due to high humidity.
・ Locations subject to vibration or impact that exceed the limits outlined in the specifications.
・ Locations where the device may be exposed to water, oil, or chemical agents. (This applies to
the models other than waterproof types.)
・ Outdoor
Be sure to tighten the devices screws securely.
Failure to do so may result in personal injury or device damage.
Cables with screw attachments must be secured before use.
Failure to do so may damage the device.
To avoid interferences with other systems, adhere to the following items and check them
before using the product.
The product uses a publicly available ISM frequency band of 902-928MHz to communicate with Tags. Some
transceivers, motors, monitoring devices, power supplies (power supply ICs), and other similar RFID systems
may generate noise, which cause radio interference and may affect communication with Tags. If the product is
required in the vicinity of these items, check for any interferences prior to use.
On the contrary, the system itself may affect radio station transmissions or medical devices. Be cautious
when using the system in the environments where such effects might occur.
To minimize noise effects, adhere to the following:
・Establish a Class D grounding (former Class 3 grounding) for metal objects placed in the vicinity of the
system.
・Keep cables away from those with high voltages or heavy currents.

V750 RFID READER/WRITER, ANTENNA 2006-06, REV.C
OPERATION MANUAL 7 of 110 ©OMRON CORPORATION 2006
Do not allow the device or cables to be exposed to water.
Doing so may result in electric shock, fire or failure of non-waterproof devices or cables.
If the device fails or is exposed to water (non-waterproof devices or parts), or an unusual
smell, smoke, or sparks are detected, immediately refrain from using the device and
contact OMRON or a sales representative for service and repair.
Continued use of the failed device may result in electric shock or fire.
Do not use damaged cables.
Continued use of the damaged cables may result in electric shock or fire.
Fail-safe measures must be taken by the customer to ensure safety in the event of
incorrect, missing, or abnormal signals caused by broken signal lines, momentary power
interruptions, or other causes.
Be sure that all the mounting screws, terminal screws, and cable connector screws are
tightened to the torque specified in the relevant manuals.
Incorrect tightening torque may result in malfunction.
Be sure that terminal blocks and connectors are connected in the specified direction with
the correct polarity. Not doing so may result in malfunction.
If the power supply for the I/O circuits is turned ON with the input and output
connectors reversed, the fuse of output transistor may be blown.
Do not apply voltages to the input terminals in excess of the rated input voltage. Excess
voltages may result in burning.
Do not apply voltages or connect loads to the output terminals in excess of the maximum
switching capacity. Excess voltage or loads may result in burning.
When transporting the Units, use special packing boxes. Be careful not to apply excessive
vibration or shock, or not to expose to water during transportation and not to drop the
product.
Do not install or keep the V750-BA50C04-US in the following locations:
-Locations subject to shock or vibration.
-Locations subject to condensation as the result of severe changes in temperature.
-Where the device may be exposed to water, oil, chemicals or organic solvents.
Do not use the system in an environment subject to flammable, explosive, or corrosive
gases.
Provide an enough space around the device for ventilation
Keep cables away from those with high voltages or heavy current.

V750 RFID READER/WRITER, ANTENNA 2006-06, REV.C
OPERATION MANUAL 8 of 110 ©OMRON CORPORATION 2006
To avoid interferences with other systems, adhere to the following items and check them
before using the product:
-The product uses a publicly available ISM frequency band of 902-928MHz to
communicate with Tags. Some transceivers, motors, monitoring devices, power supplies,
and other similar RFID systems may generate noise, which cause radio interference and
may affect communication with Tags. If the product is required in the vicinity of these
items, check for any interferences prior to use.
In order to comply with FCC requirements for RF exposure safety, a separation distance
of at least 23cm(9.1in) needs to be maintained between the radiating elements of the
antenna and the bodies of nearby persons.
To avoid interferences with other systems, adhere to the following items and check them
before using the product:
-On the contrary, the system itself may affect radio station transmissions or medical
devices. Be cautions when using the system in the environments where such effects might
occur.
Keep cables away from those with high voltages or heavy current.
Properly shielded a grounded cables and connectors must be used for connection to host
computer and / or peripherals in order to meet FCC emission limits.

V750 RFID READER/WRITER, ANTENNA 2006-06, REV.C
OPERATION MANUAL 9 of 110 ©OMRON CORPORATION 2006
Table of Contents
Feature of V750 series RFID system ..11
1. Installation and Usage Guide ..........15
1.1 Before You Begin.......................................................................................................................15
1.1.1 Installation Requirements.............. 15
1.1.2 Performance Considerations......... 15
1.2 Authorized Antennas .................................................................................................................17
1.2.1 Antennas ....................................... 17
1.2.2 Antenna Cables............................. 17
1.2.3 Setting the Reader RF Power ....... 17
1.3 Reader Installation.....................................................................................................................18
1.3.1 Install the Reader .......................... 18
1.3.2 Install the Antennas....................... 19
1.3.3 Connect the Reader...................... 20
1.3.4 Antenna Port ................................. 21
1.3.5 LED Indicators............................... 23
1.3.6 I/O Interface................................... 25
1.3.7 RS232C Interface.......................... 28
1.3.8 Ethernet Interface.......................... 30
1.4 Specifications.............................................................................................................................31
2. Functions and Control .....................33
2.1 System Interface........................................................................................................................33
2.1.1 Command I/F function................... 33
2.1.2 Ethernet Protocol........................... 36
2.1.3 Web browser function ................... 38
2.2 Functions ...................................................................................................................................39
2.2.1 Command execution ..................... 39
2.2.2 Self-operation................................ 39
2.2.3 Digital Input / Output ..................... 39
2.2.4 Firmware Upgrade......................... 40
2.3 Communication..........................................................................................................................41
2.3.1 Communication Process ............... 41
2.3.2 Communication Sequence ............ 42
2.3.3 Session Setting ............................. 45
2.3.4 Communication Data Control........ 46
2.4 Tag Fundamentals.....................................................................................................................47
3. Command Line Interfaceエラー! ブックマークが定義されていません。
3.1 Command Interface ............................................エラー! ブックマークが定義されていません。
3.1.1 Command Frame Structureエラー! ブックマークが定義されていません。
3.1.2 Command Code Listエラー! ブックマークが定義されていません。
3.1.3 Response Code Listエラー! ブックマークが定義されていません。
3.1.4 Command / Response Formatエラー! ブックマークが定義されていません。
3.1.5 Command Specificationエラー! ブックマークが定義されていません。
3.1.5.1 Communication Commandエラー! ブックマークが定義されていません。
3.1.5.2 Information of the Reader/Writer - Conditions of the Reader/Writer function エラー! ブッ
クマークが定義されていません。

V750 RFID READER/WRITER, ANTENNA 2006-06, REV.C
OPERATION MANUAL 10 of 110 ©OMRON CORPORATION 2006
3.1.5.3 Reader/Writer operation conditionsエラー! ブックマークが定義されていません。
3.1.5.4 Setting for Communication Conditions エラー! ブックマークが定義されていません。
3.1.5.5 Control Commandエラー! ブックマークが定義されていません。
3.2 Examples ...................................................................................................................................88
3.2.1 Example 1.................................... 88
3.2.2 Example 2 ..................................... 88
3.2.3 Example 3 ..................................... 90
3.2.4 Example 4 ..................................... 91
3.2.5 Example 5 ..................................... 92
4. Browser-Based Interface .................93
4.1 Using the Browser-Based Interface 詳細仕様作成中!.........................................................93
4.2 Web Operation...........................................................................................................................95
4.3 Safe Mode................................................................................................................................102
5 Characteristics(Reference) ............104
5.1 Communications Range ..........................................................................................................104
5.2 Communications Time.............................................................................................................105
APPENDIX: OUTLINE DRAWINGS....106
Reader / Writer: (V750-BA50C04-US) . 106
Antenna : ( V740-HS01LA,V740-HS01CA) 107
Antenna Cable:..................................... 108

V750 RFID READER/WRITER, ANTENNA 2006-06, REV.C
OPERATION MANUAL 11 of 110 ©OMRON CORPORATION 2006
Feature of V750 series RFID system
V750 Series RFID Reader / Writer, Antenna
Operation Manual
V750-BA50C04-US Mono-static
Reader/Writer(4ports) V740-HS01CA Mono-static
Antenna (Circular)
V740-HS01LA Mono-static
Antenna (Liner)
The OMRON V750 RFID Reader (herein after denoted as the V750 Reader) uses RFID (radio frequency
identification) technology to read data stored on RFID tags.
The reader supports UHF (ultra high frequency) antennas, which are available separately. The reader supports
multiple configurations of UHF antenna ports and transfers data to a remote computer over a network
connection.

V750 RFID READER/WRITER, ANTENNA 2006-06, REV.C
OPERATION MANUAL 12 of 110 ©OMRON CORPORATION 2006
V750-series Radio wave propatative RFID system is ideal for long range communication and for the system
construction used in the production process or distribution control.
It is designed to increase “basic performance of communication with tag” and “Quick and simple operability”
most as a unique feature.
EPC IS
Middleware
Ethernet
OMRON
V750 OMRON

V750 RFID READER/WRITER, ANTENNA 2006-06, REV.C
OPERATION MANUAL 13 of 110 ©OMRON CORPORATION 2006
Main Features 英語内容確認
(1) Various communication performances and functions for various customers’ applications.
1) Selective communication modes to meet various applications.
Multi-access: optimizes a sequence automatically according to the number of tags existing in the read field.
Single-access: reads a tag in high speed if there is a single tag in the read field.
2) Wide-choice communication condition setting.
Multiple communication conditions can be combined for suitable usage..
3) Self-operation function that can build system at low cost.
Using two function; command register function and programmable function, the Reader/Writer can implement
simple judgment or processing without instruction from the host.
Command setting function
Can set the commands so that the command starts when power is on or input terminal signal is ON.
Programmable output terminals
4 outputs can be used for output terminals to show reader status or communication test results judgment.
When the output terminal is used for communication test results judgment, the judgment conditions can be
changed by choosing criteria objective such as data value or tag numbers.
(2) Various Maintenance Functions and On-site Verification Functions.
1) Monitoring and Setting via Web browser.
Via Web browser, you can set functions to display an operation state or setting conditions or to set the
operation parameters easily by using PC.
2) Communication monitoring function that reduces the time to verify the system.
A tag communication test (Query), an on-site environmental monitoring function (a noise check, Channel, radio
wave monitor), and error logging function are equipped. This function shows the status of radio waves and
enables you to verify performance of tag-reader or analyze phenomenon that may change depending on on-
site RF environment.
3) Multiple LED operation displays
The multiple LED lamps show the reader operation state clearly and simply so that you can understand the
reader’s status and handle an error quickly if the error occurs.
4) Automatic antenna detection.
This function enables you to check the connection status of antennas and the R/W when a command is
executed. It helps to detect an error or problem of antenna(s) or wiring.
(3) Extendibility applicable to broad usage
1) Firmware upgradeable.
Via an Ethernet port, you can upgrade its software. It means that countermeasures can be taken easily against
an error and future functions are expandable. In addition to this, Safe Mode is also equipped so that the
reader/writer can recover from the upgrade error.

V750 RFID READER/WRITER, ANTENNA 2006-06, REV.C
OPERATION MANUAL 14 of 110 ©OMRON CORPORATION 2006
FCC WARNING
Changes or modifications not expressly approved by the party responsible for compliance could void the user’s
authority to operate the equipment.
NOTICE
This equipment has been tested and found to comply with the limits for a Class A digital device, pursuant to
part 15 of the FCC Rules. These limits are designed to provide reasonable protection against harmful
interference when the equipment is operated in a commercial environment.
This equipment generates, uses and can radiate radio frequency energy and, if not installed and used in
accordance with the instructions, may cause harmful interference to radio communications. Operation of this
equipment in a residential area is likely to cause harmful interference in which case the user will be required to
correct the interference at his own expense.
Properly shielded a grounded cables and connectors must be used for connection to host computer and / or
peripherals in order to meet FCC emission limits.
(AC adaptor) with ferrite core must be used for RF interference suppression.

V750 RFID READER/WRITER, ANTENNA 2006-06, REV.C
OPERATION MANUAL 15 of 110 ©OMRON CORPORATION 2006
1. Installation and Usage Guide
About this Guide
This installation and usage guide explains how to install the V750 Reader, how to use the browser-based
interface, and how to control the reader remotely.
1.1 Before You Begin
1.1.1 Installation Requirements
• The reader is shipped with a power source with a cable length of 4.2m (13ft9in).
• Use only authorized antennas and cables to maintain FCC approval .
• In order to comply with FCC requirements for RF exposure safety, a separation distance of at least 23 cm
(9.1 in) needs to be maintained between the radiating elements of the antenna and the bodies of nearby
persons.
• Provide strain relief for all reader connections.
• The minimum screw size for mounting the reader is M4. Use suitable wall anchors when mounting to
drywall or masonry whose thickness is 16mm or more.(Refer to 1.3.1 Install the Reader)
• A Shielded Ethernet cable must be used to communicate with other devices.
• Multiple readers and antennas can be used in combination to enhance detection at specific locations
provided the software application is able to synchronize antenna operation.
1.1.2 Performance Considerations
Reader performance may be affected by external factors including tag variables and environment.
Performance tests conducted under typical operating conditions at your site are recommended to help you
optimize system performance.
Tag Variables
There are several variables associated with tags that can affect reader performance:
• Application surface — Some materials interfere with tag performance including metal and moisture. Tags
applied to items made from or containing these materials may not perform as expected.
• Tag orientation — Reader performance is affected by the orientation of the tag in the antenna field.
• Tag model — many tag models are available. Each model has its own performance characteristics (refer to
Chapter 3).
Environment
Reader performance may be affected by the following:
• Metal surfaces such as desks, filing cabinets, bookshelves, and wastebaskets may enhance or degrade
reader performance.
Mount antennas as far as possible from metal surfaces that are adversely affecting system performance.

V750 RFID READER/WRITER, ANTENNA 2006-06, REV.C
OPERATION MANUAL 16 of 110 ©OMRON CORPORATION 2006
• Devices that operate at 900 MHz, such as cordless phones and wireless LANs, can interfere with reader
performance.
These devices may degrade performance of the reader. The reader may also adversely affect performance
of 900 MHz devices.
• Antennas operating in close proximity may interfere with one another, thus degrading reader performance.
• Interference from other antennas may be eliminated or reduced by using either one or both of the following
strategies:
– Affected antennas may be synchronized by a separate user application using a time-multiplexing strategy.
– Antenna power can be reduced by reconfiguring the RF Transmit Power setting for the reader.

V750 RFID READER/WRITER, ANTENNA 2006-06, REV.C
OPERATION MANUAL 17 of 110 ©OMRON CORPORATION 2006
1.2 Authorized Antennas
The antenna authorized by the FCC for use with the V750 Reader is described below.
IMPORTANT: No other antennas may be used with the V750 Reader without violating FCC regulations. It is
the responsibility of the user to comply with this requirement.
1.2.1 Antennas
Mono-static Circular Antenna (Options) Mono-static Liner Antenna (Options)
Model: V740-HS01CA Model: V740-HS01LA
Polarization: Circular Polarization: Liner
Gain: 6dBi max. Gain: 6dBi max.
Connector: N-Female Connector: N-Female
Cable length: 0.3m (0.98’) Cable length: 0.3m (0.98’)
1.2.2 Antenna Cables
The only cables authorized by the FCC for use with the V750 Reader are listed below:
Short cable (Options) Long cable
(Options)
Model: V740-A01-3.0M Model: V740-A01-10M
Length: 3.0m (9.8') Length: 10m (32.8')
Insertion Loss: 1.5 dB min. Insertion Loss: 1.5 dB min.
Cable Type: 3D-2V Cable Type: 5D-SFA
Connector: Reverse TNC to Type N Connector: Reverse TNC to Type N
Cable Diameter:5.5mm (0.22’’) Cable Diameter:7.6mm (0.30’’)
1.2.3 Setting the Reader RF Power
During initial installation, the reader must be properly configured to use the correct RF power to comply with
FCC regulations. DO NOT increase the power beyond the recommended power setting as calculated below.
The maximum RF power is determined from antenna gain and antenna cable loss using the formula:
Pmax = 36 dBm - Antenna Gain + Cable Loss
For example, if the antenna has a maximum gain of 6 dBi, and the cable has a minimum loss of 1.5 dB, the
maximum RF power that may be set is (36 - 6 + 1.5) = 31.5 dBm.
The Reader RF Power is set through the Settings Page as described on Page18.
Note that in no case may the power be set higher than 32.0 dBm.
Recommended Power Settings
Antenna Type Short Cable/Long Cable
V740-HS01CA
V740-HS01LA 31.5 dBm

V750 RFID READER/WRITER, ANTENNA 2006-06, REV.C
OPERATION MANUAL 18 of 110 ©OMRON CORPORATION 2006
1.3 Reader Installation
The following parts are provided with the reader:
Part Quantity Part Number
V750-Reader/Writer 1 V750-BA50C04-US
Power Supply 1 -
I/O Port Connector 1 -
IMPORTANT: Be sure the user reads the section on Declarations to maintain compliance with FCC regulations.
The Reader and the antennas are to be installed only by professionals at specific locations For human safety
maintain a 23 cm (9.1 in) distance from the antennas.
IMPORTANT: This product is intended to be supplied by a Listed AC Adapter (Switching Power Adapter)
marked LPS and rated 12 Vdc, 4 A
1.3.1 Install the Reader
You can place the reader on a shelf or mount it to a wall. Mounting shelf and wall should be flat to fix the
reader securely.
To mount the reader on a wall:
1. Hold the reader in its four mounting location and mark the position of the mounting screws
2. Drill holes for the screws and install wall anchors if required. Be sure anchors must have enough strength
to fixed the reader against vibration.
3. Hold the reader at the position on the mark and insert the M4x16 screws with spring washers and flat
washers, and tighten until almost flush with the wall. Two persons (one for hold the reader and the other for
tighten the screws) are required for this installation for the safety.
4. Tighten the screws securely.
5. Place the AC adaptor where it is not obstructed and Fix it so that not to move by vibration and tense DC
plug cables. Do not bundle the adaptor cable with other signal or power lines.
IMPORTANT: Be sure to remain within the rated voltage and current of the power cord and outlet.
Mechanical Loading - Mounting of the equipment in the rack should be such that a hazardous condition is not
achieved due to uneven mechanical loading.
Mountin
g
holes
V750
画像

V750 RFID READER/WRITER, ANTENNA 2006-06, REV.C
OPERATION MANUAL 19 of 110 ©OMRON CORPORATION 2006
1.3.2 Install the Antennas
The antennas can be mounted directly to a variety of surfaces. Mounting surfaces should be flat to fix the
antenna securely.
To mount the reader on a wall :
1. Hold the antenna in its mounting location and mark the position of the mounting screws with minimum (4)
points. The antenna has several mounting holes for each side. Choose 4 of those with diagonal position
according to the mounting location.
2. Drill holes for the screws and install wall anchors if required.
3. Insert the M4x20 screws with spring washers and flat washers and tighten until almost flush with the wall.
4. Tighten the screws securely.
Note: For best performance, mount the antenna in the horizontal orientation as pictured above.
Mountin
g
holes

V750 RFID READER/WRITER, ANTENNA 2006-06, REV.C
OPERATION MANUAL 20 of 110 ©OMRON CORPORATION 2006
1.3.3 Connect the Reader
Interface name and function
Note: MAC Address is displayed on the lower part of RJ-45 Ethernet port.
Name Function Connector specifications
Antenna port
ANT1- ANT4 Connects with UHF mono-static type antenna
specified by OMRON with attachment cables. Max 4
cables can be connected to.
Reverse TNC
Ethernet port
ETHERNET Connects with the host by a commercially available
10/100Base-T cable. RJ-45
LED Left: Link, Right: Act
RS-232C port
RS-232C Connects with the host by a commercially available
cable for DOS/V RS-232C. D-SUB 9pin (male)
Inch screw (#4-40)
Input/Output port
IN 1,2,3,4,C
OUT 1,2,3,4,C
4 Inputs: connects with the sensor that works as a
trigger signal for communication start.
4 Output: connects with the light or actuator that is
driven by output signal.
MC1.5/10-SFT-3.81 (produced
by PHOENIX CONTACT
GmbH & Co.KG).
DC Power input
POWER DC12V Connects with the attachment AC adaptor to receive
+12V electric power.
* Extension of AC adaptor cable is not allowable.
Exclusive connector
Control port
CTRL PORT For future expansion.
Exclusive connector
Mode switch
(Not indicated) Pushing this button for 1 second or more makes the
system rebooting with default setting, which will be
useful in case of system error or setting unknown.
-
Ethernet
RS-232C I/O
p
ort
Mode switch
DC power
input
Control port Antenna port
Mono-Static x 4
LED Indicators

V750 RFID READER/WRITER, ANTENNA 2006-06, REV.C
OPERATION MANUAL 21 of 110 ©OMRON CORPORATION 2006
1.3.4 Antenna Port
One to four OMRON Mono-static antennas (V740-HS01CA, V740-HS01LA) can be connected to the reader,
depending on the application requirements.
1. Connect required UHF antennas to the antenna ports on the reader .
IMPORTANT: Connect antennas to the antenna ports before applying power to the reader. Any antenna
port not having an antenna connected to it will be disabled when the reader is powered on.
Antenna Connection: V750-BA50C04-US
Note: With the two antenna configuration, there is a possibility that a tag may be read by an inactive
antenna if the tag is located with in approximately 20 cm of the inactive antenna.
2. Verify that all antennas are securely connected.
3. Connect the reader to the network by plugging a Shielded Ethernet cable into the Ethernet port.
or
Connect the reader to a PC (personal computer) by plugging a crossover Shielded Ethernet cable into the
Ethernet port.
Note: If DHCP is to be used, then the network and server must be connected before powering up the
reader. If a DHCP server is not found, the reader will fall back to the IP address:
Antenna x 4
(V740-HS01CA or V740-HS01LA)
Antenna Cable x 4
(V740-A01-3.0M or V740-A01-10M)
V750
画像

V750 RFID READER/WRITER, ANTENNA 2006-06, REV.C
OPERATION MANUAL 22 of 110 ©OMRON CORPORATION 2006
’’192.168.1.200’’
4. Plug the power adapter provided with the reader into the DC power input connector. Then connect the AC
power cord to a power outlet.
While the reader is powering up, 'PWR' LED will turn on. After the reader finishes its power-on self-test,
approximately 5 seconds, 'RUN' LED will turn on. The reader is now ready for operation.
Connector: Reverse TNC
Name Function
SG Signal output
GND Ground
* Prior to connect antenna(s) to the R/W, make sure the power is off. If antenna is connected during power-on, the R/W
can not detect the antenna.

V750 RFID READER/WRITER, ANTENNA 2006-06, REV.C
OPERATION MANUAL 23 of 110 ©OMRON CORPORATION 2006
1.3.5 LED Indicators
LED Indicators
Indication Name Color Description
PWR Power Green ON Normally energized.
RUN Running Green ON Normally running.
Flashing(1) Boot processing (Flashing short interval).
Flashing(2) Safe Mode running (Flashing long interval).
ON システム異常
機能を実行できない障害が発生している状態
(ex. H/W異常)
Stopped abnormally.
The error has occurred and it stopped the system
operation.
(ex. H/W error or setting unreadable.)
Flashing(1) 設定異常
設定データが異常のため正常に動作できない状態
(ex. 設定コマンド実行中の電断、通信設定異常、DHCPサ
ーバー接続不可)
Error occurred and requires handling.
System can be running when error appears.
(ex. Setting data error.)
ERR
Reader error
-RUN light off
Unrecoverable
error
-RUN light on
Recoverable
error if error
cause removed.
Red
Flashing(2) 動作可能状態待ち
Error occurred but requires no handling. System is
waiting until the some processes have been
completed.
(ex. A command is being registered into the host
via Ethernet.)
Communication
result Green ON Command executed or communication with tag completed
normally.
(Turns off after 50ms ON or upon ERR LED turns on.)
NORM/ERC
Red ON Command executed or communication with tag completed
abnormally.
(Turn off after 50ms ON or upon NORM LED turns on.)
Antenn
a
p
ort
ANT1 ANT1 port
connecting Yellow ON Connecting with an antenna via ANT1 is detected.
(Lighting for 50ms after power ‒ on.) Means
communication process is running via ANT1.
V750
画像 LED 部
拡大画像

V750 RFID READER/WRITER, ANTENNA 2006-06, REV.C
OPERATION MANUAL 24 of 110 ©OMRON CORPORATION 2006
ANT2 ANT2 port
connecting Yellow ON Connecting with an antenna via ANT2 is detected.
(Lighting for 50ms after power ‒ on.) Means
communication process is running via ANT2.
ANT3 ANT3 port
connecting Yellow ON Connecting with an antenna via ANT3 is detected.
(Lighting for 50ms after power ‒ on.) Means
communication process is running via ANT3.
ANT4 ANT4 port
connecting Yellow ON Connecting with an antenna via ANT4 is detected.
(Lighting for 50ms after power ‒ on.) Means
communication process is running via ANT4.
IN1 Input1 Green ON Signal of Input1 is ON.
IN2 Input2 Green ON Signal of Input2 is ON.
IN3 Input3 Green ON Signal of Input3 is ON.
IN4 Input4 Green ON Signal of Input4 is ON.
OUT1 Output1 Green ON Signal of Output1 is ON.
OUT2 Output2 Green ON Signal of Output2 is ON.
OUT3 Output3 Green ON Signal of Output3 is ON.
Input/Output port
OUT4 Output4 Green ON Signal of Output4 is ON.
(Flashing 1) short interval::250ms ON 250ms OFF 具体的な数値は削除予定
(Flashing 2) long interval: 500ms ON 500ms OFF
IMPORTANT: DO NOT disconnect power during startup. Disconnecting power while booting the V750 reader
may result in improper startup.

V750 RFID READER/WRITER, ANTENNA 2006-06, REV.C
OPERATION MANUAL 25 of 110 ©OMRON CORPORATION 2006
1.3.6 I/O Interface
As an input/ output port, the R/W contains a terminal block of which male connector is removable and
attachable with screws.
Terminal block connector: MC1.5/10-SFT-3.81 (PHOENIX CONTACT GmbH & Co.KG)
Pin assignment
Pin No Name I/O Description
1 OUT 1 OUT Output 1
2 OUT 2 OUT Output 2
3 OUT 3 OUT Output 3
4 OUT 4 OUT Output 4
5 OUT C - Output common
6 IN 1 IN Input 1
7 IN 2 IN Input 2
8 IN 3 IN Input 3
9 IN 4 IN Input 4
10 IN C - Input common
[配線手順] (必要工具)
①ケーブルをコネクタに結線 ※ マイナスドライバ
・ケーブル固定ネジを緩めて(左回し)、ケーブルを奥まで挿入する。
・ケーブル固定ネジを閉めて(右回し)
②コネクタをリーダライタ本体に取付け
③取り付けネジ2本で固定 マイナスドライバ
※ケーブルのコネクタへの結線は、必ずコネクタの本体取付け前に行ってください。
6 10 9 8 7 5 4 3 2 1
Input terminal Output terminal Mounting screw
Mounting screw
ケーブル固定ネジ x 8

V750 RFID READER/WRITER, ANTENNA 2006-06, REV.C
OPERATION MANUAL 26 of 110 ©OMRON CORPORATION 2006
Input specifications
Item Specifications
Number of input 4 inputs, 1 common input
Input method Photo coupler
Input voltage DC12∼24V
Input impedance 2.35kΩ TYP.
Input current 12V: 4.5mA, 24V: 9.8mA TYP.
Wiring
Wiring with input equipment
IN1
IN2
IN3
IN4
IN C
(Common)
Filter
Fuse
Secondary-side internal circuit

V750 RFID READER/WRITER, ANTENNA 2006-06, REV.C
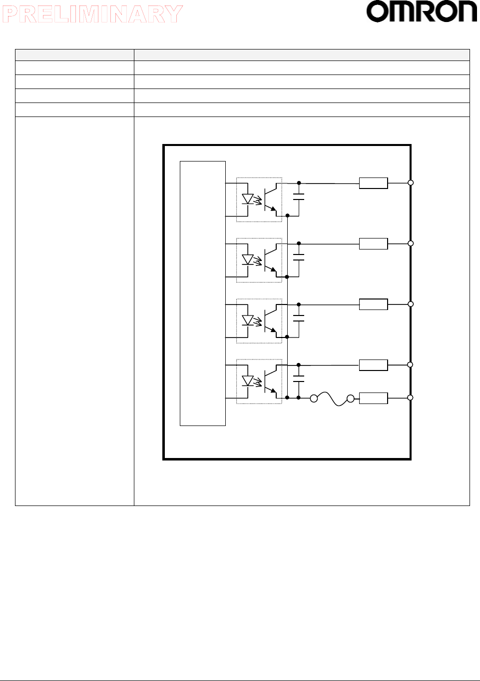
OPERATION MANUAL 27 of 110 ©OMRON CORPORATION 2006
Output specifications
Item Specifications
Number of output 4 outputs 1 common output
Output method Open collector output (Sync type: NPN)
Output voltage 24V max
Output current 20mA
Wiring
Wiring with output equipment
OUT1
OUT2
OUT3
OUT4
OUT C
(Common)
Filter
Fuse
Secondary-side internal circuit

V750 RFID READER/WRITER, ANTENNA 2006-06, REV.C
OPERATION MANUAL 28 of 110 ©OMRON CORPORATION 2006
1.3.7 RS232C Interface
This port is used to connect the R/W to the host containing RS-232CI/F such as PC or PLC. If you use
DOS/V computer as a host, prepare a cross cable to connect the PC to the port.
■Connector: D-SUB9 pin (male), inch screw (#4-40)
■ Pin assignment
Pin No Name Description I/O
1 - - −
2 RD Receive Data IN
3 SD Send Data OUT
4 - − −
5 SG Signal Ground −
6 - − −
7 RS Request to Send OUT
8 CS Clear to Send IN
9 - − −
1
6
5
9

V750 RFID READER/WRITER, ANTENNA 2006-06, REV.C
OPERATION MANUAL 29 of 110 ©OMRON CORPORATION 2006
【Sample of connection】
■ Connecting to the PC: Serial setting is set for “flow control: none”.
D-sub 9 pin female
(inch screw) contact
cable
D-sub 9pin female (inch
screw) contact cable.
Signal
Code Pin
number Pin
number Signal
name
CD 1 1
RD 2 2 RD
SD 3 3 SD
ER 4 4
SG 5 5 SG
DR 6 6
RS 7 7 RS
CS 8 8 CS
PC
RI 9
9
V750 R/W
■Connecting to the Omron’s PLC (programmable logic controller): Serial setting is set for “flow control: none”.
D-sub 9 pin male
(M2.6 screw) contact
cable
D-sub 9pin female
(inch screw) contact
cable.
Signal
Code Pin
number Pin
number Signal
name
1 1
SD 2 2 RD
RD 3 3 SD
RS 4 4
CS 5 5 SG
6 6
7 7 RS
8 8 CS
Programmable
Logic Controller
SG 9
9
V750 R/W

V750 RFID READER/WRITER, ANTENNA 2006-06, REV.C
OPERATION MANUAL 30 of 110 ©OMRON CORPORATION 2006
1.3.8 Ethernet Interface
This port is used to connect the host to the R/W via Ethernet. To connect them, use the commercial cable
10/10Base-T.
■Connector: RJ-45 (10Pin) LED: LINK(green)/ACT(yellow)
LINK --- lights while linking normally.
ACT --- lights when detects a carrier.
Pin No Name Description I/O
1 Reserved - (Do not use) −
2 TXD (+) Transmit Data + (positive) OUT
3 TXD (-) Transmit Data - (negative) OUT
4 RXD (+) Receive Data + (positive) IN
5 Reserved/Do not use - (Do not use) −
6 Reserved/Do not use - (Do not use) −
7 RXD (-) Receive Data - (negative) IN
8 Reserved/Do not use - (Do not use) −
9 Reserved/Do not use - (Do not use) −
10 Reserved/Do not Use - (Do not use) −

V750 RFID READER/WRITER, ANTENNA 2006-06, REV.C
OPERATION MANUAL 31 of 110 ©OMRON CORPORATION 2006
1.4 Specifications
Electrical
Reader
UHF operating frequency ..............................................................902.75–927.25MHz
Input voltage............................................................................................. 12Vdc, 2.3A
RF connector type..................................................................................Reverse-TNC
Separate Power Supply
Input voltage............................................................... Nominal 100–240Vac, 50/60Hz
AC line current...........................................................................Nominal 0.5A at 120V
Output voltage................................................................... Nominal 12Vdc, 2.5A peak
Antenna
Operating frequency................................................................................902–928MHz
V.S.W.R............................................................................................................< 1.5 :1
Polarization............................................................................................Circular / Liner
Impedance.........................................................................................................50ohm
Cable length ..............................................................................................30cm(11.8’)
RF connector type........................................................................................ N-Female
Environmental
Reader
Operating temperature: .....................................................-10° to 55°C (14° to 122°F)
Storage temperature: .......................................................-25° to 65°C (-13° to 149°F)
Relative humidity:.........................................................25 to 85%RH non-condensing
Antenna
Operating temperature: .....................................................-10° to 55°C (14° to 122°F)
Storage temperature: .......................................................-25° to 65°C (-13° to 149°F)
Relative humidity:.........................................................25 to 85%RH non-condensing
Mechanical
Reader
Dimension ..................................................... 246 x 215 x 43.5mm (9.7 x 8.5 x 1.7 in)
Weight ................................................................................................... 1.4kg (3.1 lbs)
Protection ..............................................................................................................IP50
Antenna
Dimension .................................................... 256 x 256 x 57mm (10.1 x 10.1 x 2.3 in)
Weight ................................................................................................... 1.0kg (2.3 lbs)
Protection ..............................................................................................................IP50

V750 RFID READER/WRITER, ANTENNA 2006-06, REV.C
OPERATION MANUAL 32 of 110 ©OMRON CORPORATION 2006
Supported Tag Protocols
915 MHz .....................................................................................................EPC GEN2

V750 RFID READER/WRITER, ANTENNA 2006-06, REV.C
OPERATION MANUAL 33 of 110 ©OMRON CORPORATION 2006
2. Functions and Control
Reference Guide
This chapter lays the groundwork for the communication protocol between client software running on a remote
computer and the V750 reader.
2.1 System Interface
2.1.1 Command I/F function
Via 10/100BaseT Ethernet or RS-232C, the host issues a command to control the R/W. As the control method,
V750 employs original procedures. Same commands are used for Ethernet and or RS-232C.
(1) Ethernet
Ethernet is connected with the host such as server computer with TCP/IP protocol.
IP address corresponds to variable IP address assigned by DHCP server. You can choose between static IP
(Default 192.168.1.200) and variable IP. Default setting is static IP. 使用する Port 番号は 7090。IP アドレスと
Port 番号は、設定コマンドまたは Web 画面から変更可能。If the reader can’t detect DHCP server under
various IP address setting, it will indicate error occurrence and start up with changing various IP address
setting into the static IP. Under Safe Mode, IP address shall be always set static IP (192.168.1.200).
(2) RS-232C
The reader conforms to the RS-232C standard. It can connect with the host such as PLC. You can choose
following communication conditions.
■ Opptional communication conditions
Item Setting value Factory-default/ (for Safe Mode)
Baud rate 9.6 / 19.2 / 38.4 / 57.6 kbps 57.6 kbps
Data length 7 / 8 bit 7 bit
Parity Bit Even / Odd / None Even
PLC
Ethernet
(
TCP/IP
,
Port:7090
)
PC Command
Response
RS-232C
Command
Response

V750 RFID READER/WRITER, ANTENNA 2006-06, REV.C
OPERATION MANUAL 34 of 110 ©OMRON CORPORATION 2006
Stop Bit 1 / 2bit 2 bit

V750 RFID READER/WRITER, ANTENNA 2006-06, REV.C
OPERATION MANUAL 35 of 110 ©OMRON CORPORATION 2006
【コマンド動作一覧】
コマンド種類 経路/返信先 レスポンス経路 備考
EtherNet EtherNet(Port:7090)
上位機器からの
コマンド RS-232C RS-232C
なし なし(出力制御のみ)
RS-232C RS-232C
登録コマンド
-電源 ON コマンド
-入力起動コマンド EtherNet Ethernet(Port:7090)*
*Connection 確立時
にシステム起動状
態になる。
Operating Mode
Operating Mode contains two modes, Operation Mode and Safe Mode.
Operation Mode: The R/W works as R/W normally.
Safe Mode: The R/W is being under recovering or being maintained after error.
The R/W will start up under Safe Mode if you push the Mode Switch for 1 second or more and release the
switch while the system is running, or if the R/W detects an error (ex. Hardware error or a failure of firmware
update) and it can not start up normally due to this error. Under Safe Mode, you can check the Status via Web
browser, initialize the setting, and write firmware.

V750 RFID READER/WRITER, ANTENNA 2006-06, REV.C
OPERATION MANUAL 36 of 110 ©OMRON CORPORATION 2006
2.1.2 Ethernet Protocol
In the current implementation, TCP/IP is used as the transport protocol. TCP is a connection-oriented protocol
that provides a reliable, in-order data transport layer with end-to-end checksums and flow control.
2.1.2.1 TCP Connection Setup and Teardown
A session between client software and the reader consists of connection setup, data transactions, and
connection teardown.
At present, all connections are initiated only by the client software. If, for example, the reader is configured to
automatically forward events and/or data to the client software but the client software has not established a
connection, then no attempt is made by the reader to contact the client software to establish a connection.
Furthermore, if an extant connection terminates unexpectedly, the reader will not attempt to contact the client
software to re-establish a connection. All responsibility for opening, maintaining, and closing the connection
during a session rests with client software.
The client software sets up a TCP socket connection on reader port 7090. After connecting successfully,
communication between the client software and the reader can proceed as described below. Once the client
software has determined that communication has concluded, the connection must be terminated at the TCP
level. In order to prevent synchronization issues, each reader will support only one TCP connection.
Other transport protocols may be used to communicate between the client software and its subjugate readers.
The application-level protocol discussed below is neutral with respect to the transport layer.
2.1.2.2 Reader Configuration
In some cases, the application software may provide support for reader configuration. If so, follow the
instructions provided with the application.
The following procedure describes how to configure the reader directly from a network PC using the browser-
based interface.
The reader is with a static IP address which is default setting '192.168.1.200'. At first you can connect to the
reader using the default IP address and change IP address to adjust it to your network environment.
Default network setting:
IP Address: 192.168.1.200
Subnet Mask: 255.255.255.0
Gateway: 192.168.1.254
If you are not using DHCP, you must know the IP address and subnet mask settings for the network
environment in which the reader will be running. If you are using DHCP, you must have a means of finding the
reader, typically by having a DHCP server update a DNS server.
How to change network settings is as the following:
1. Exit any reader applications that are running on the network.
IMPORTANT: Running another reader application while using the browser-based interface may cause a
reader error. If this happens, reboot the reader or restart the system using the browser-based interface.
2. Verify that the reader is operational. All LED’s should be out except for the green power LED which should
be pulsing.
3. Start a Java-enabled web browser from any network-enabled PC. This PC must be configured with an IP
address and subnet mask compatible with the reader’s settings. For example:

V750 RFID READER/WRITER, ANTENNA 2006-06, REV.C
OPERATION MANUAL 37 of 110 ©OMRON CORPORATION 2006
IP address 192.168.1.100
Subnet mask 255.255.255.0
4. Browse to…
http://192.168.1.200 or
http://v740 (dhcp name)
The V750 reader browser-based interface to the reader is displayed.
5. Click the Set Reader link in the navigation menu. The Modify Settings page appears.
6. If you wish to use DHCP, modify the “Use DHCP?” setting by selecting the “Yes” radio button; otherwise,
enter the required network settings in the IP Address, Subnet Mask, and Gateway fields. The fields will turn
red if the gateway is not on the same subnet as the IP address. Then, click the Save Changes button.
IMPORTANT: Do not disconnect power until the save process is completed.
7. Set the reader RF power per instructions on page to correspond to antenna and cable types.
8. Verify that the settings shown are correct. Then, restart the reader by disconnecting the power cable and
then reconnecting it.
It may take about 60 seconds for the reader to restart. If the reader IP address was changed, you must
type the new address into the PC browser address field to communicate with the reader.
IMPORTANT: Do not disconnect and connect power cable at the DC cord. Always disconnect and
connect power cable at the AC cord.
9. Once the system restarts, click Settings. You are taken to the Modify Settings page. Your changes will
be saved and then applied. After the reader reconfigures its network interfaces, it will automatically redirect
you to its status page. There is no need to restart the reader.
IMPORTANT: Do not disconnect power while the reader is saving its new configuration.
The reader is now ready to receive commands from the network.
10. Use the Query page of the browser-based interface to verify the reader and antenna operation by reading
tags.
11. Close the browser window. Start an application to control the reader on the network.

V750 RFID READER/WRITER, ANTENNA 2006-06, REV.C
OPERATION MANUAL 38 of 110 ©OMRON CORPORATION 2006
2.1.3 Web browser function
Via Web browser, you can set following functions, which can perform various works such as indicating an
operation state or setting condition, or setting an operation parameter.
Item Specification
Web browser
(Normal)
Communication via Web browser.
1.Status Indicates current setting and operation state (current executed command).
2.Query Simple operation window for Tag refresh (Read/Write)
3.Set Reader Specifies operation conditions of the R/W.
4.Set Communication Specifies a parameter for communication with tag.
5.Set Operation Registers a command and specifies programmable output conditions.
6.Utility HMI for the function to monitor an on-site environment.
- Noise check
7.Firmware Update Uploads or resets firmware data.
8.Help Explains the functions.
Web browser
(Safe Mode)
This mode provides required functions to recover from the error related
with R/W. Consistent static IP: 192.168.1.200
1.Status Indicates current setting and operation state (current executed command).
2.Setting Initialize Initializes following setting into factory-default setting; Set Reader, Set
Communication, and Set Operation. の
3.Firmware Update Uploads or resets firmware data.
4.Help Explains the functions.

V750 RFID READER/WRITER, ANTENNA 2006-06, REV.C
OPERATION MANUAL 39 of 110 ©OMRON CORPORATION 2006
2.2 Functions
2.2.1 Command execution
Receiving a command from the host via Ethernet or RS-232C, the R/W starts the command execution. You
can use following three commands.
(1) Reader control command
It reads or changes operation control or setting of the R/W.
(2) Communication command
It triggers to communicate with tag.
It executes communication with tag according to the command option or the R/W setting conditions.
(3) Maintenance command
The command is used to evaluate on-site circumstances implementing a test such as noise check.
2.2.2 Self-operation
This function enables the R/W to start some works, judge, and output the results without instruction of host
by combining followings; registering command, setting reader status output, and setting communication
result judgment.
(1) Command registry
Commands can be registered in Start Up and 4 digital inputs respectively.
(2) R/W status output
Data is output depending on the R/W status.
■ Available conditions
Function Output timing Note
RUN Running Normally Same action as RUN LED (except for blink).
ERR Abnormally stopped Same action as ERR LED(except for blink).
COM Communication status Same action as OR of AT1-4 LED.
ATn(n=1-4) Antenna”n” is
specified. Same action as LED of AT1, AT2, AT3, and AT4.
(3) Communication result judgment
Upon the response for communication process is returned, the R/W sends judgment signal depending on
the specified conditions to the corresponding Digital output port (1-4).
2.2.3 Digital Input / Output
(1) Digital input
Following two functions can be assigned to 4 digital inputs respectively. To assign the function, set via Set
Operation window of command or Web.
User Input: reads ON/OFF state by receiving the command from the host.
Command registry: executes registered command series at the rising edge of input signal.

V750 RFID READER/WRITER, ANTENNA 2006-06, REV.C
OPERATION MANUAL 40 of 110 ©OMRON CORPORATION 2006
(2) Digital output “Programmable output”
Following three functions can be assigned to 4 digital outputs respectively. To assign the function, set via Set
Operation window of command or Web.
User output: outputs ON/OFF state according to the command from the host.
Reader state output: outputs operation status of the R/W.
Communication results output: output ON/OFF signal depending on the specified judgment after
communication process.
2.2.4 Firmware Upgrade
You can update the firmware by specifying update files via Web browser. Updated data shall be effective
upon subsequent power-ups.

V750 RFID READER/WRITER, ANTENNA 2006-06, REV.C
OPERATION MANUAL 41 of 110 ©OMRON CORPORATION 2006
2.3 Communication
2.3.1 Communication Process
Combining following process options, suitable communication procedures can be specified for your
application.
■ Process list
Item Specifications Note
ID read Reads tag’s ID data.
ID write Writes ID data into the tag.
Data read Reads tad data (including password).
Data write Writes data (including) into tag.
Lock Enables lock function in the tag.
Process contents
(Command)
Kill Disables tag permanently.
Single Once Executes a fixed count or specified period.
Single Repeat Repeat transaction until termination has
been instructed.
Multi Once Executes a fixed count or specified period.
Communication
sequence
(Option)
Multi Repeat Repeat transaction until termination has
been instructed.
Antenna
specification
(Option)
Antenna Sequence1-4 Sets maximum 9 antennas.
(GEN2)Session specified (Once
or Repeat) S0/S1/S2/S3
UHF Power(Port1,2,3,4) Set each port separately.
Communication mode Normal/(MRM)/DRM
Reads only selected tags suitable
for pre-specified data conditions. Objective tags are the tags that meet the
conditions specified with Select Command
prior to communication sequence.
Communication
parameter
(Setting)
1. Prevention of response
duplication.
2. Prevention of reread.
3. Omission of no tag response.
Filtering Filtering function
Smoothing Smoothing function

V750 RFID READER/WRITER, ANTENNA 2006-06, REV.C
OPERATION MANUAL 42 of 110 ©OMRON CORPORATION 2006
2.3.2 Communication Sequence
As a way to communication to the tag(s), you can choose a sequence among the following four sequences
by specifying with the commands.
Name Code Description
1. Single access This method is used for communicating with a single tag in the read
field. It can reduce communication process time more than the time
under the Multi access mode. This is suitable for the place where the
reader reads a single tag at a time and the place which requires speed
and prompt control such as production process line.
Single Once “SOC” This is used for communicating with single tag in the read field. Just
after the communication transaction, the result is returned promptly.
Single Repeat “SRP” This is used for communicating with the single tag existing in the read
field repeatedly.
2.Multi access This method is used for communicating with one or more tag(s) in the
read field. It is suitable for the place where the reader reads various
numbers of tags existing in the read field such as logistics distribution
area.
Multi Once “MOC” This is used for communicating with multiple tags existing in the read
field. Just after the communication transaction, the result is returned
promptly.
Multi Repeat “MRP” This is used for communicating with multiple tags existing in the read
field repeatedly.

V750 RFID READER/WRITER, ANTENNA 2006-06, REV.C
OPERATION MANUAL 43 of 110 ©OMRON CORPORATION 2006
< Operation timing of communication sequence>
(1)Single Once
The reader communicates with a single tag at a time (1:1 communication). When an antenna detects first tag, the reader
returns response and terminates transaction (1 response/ 1 transaction). If the reader does not detect any tag, it repeats the
transaction until timeout. In this case, the response indicates “0” as the tag number. If the timeout is specified as “0”, the
transaction will repeat until the termination command has been sent.
2) Single Repeat
The reader communicates with a single tag at a time (1:1) and repeats the communication transaction. When the reader
detects first tag, it returns response to the host and still repeats its transaction. Whenever it detects unread tag, it returns
read results to the host. It repeats the sequence until the termination command has been sent.
Single Once:
Res
p
onse*
Command
Se
q
1
Host→Reader
Host← Reader
Reader←→ Ta
g
T
ag
(
Existence of ta
g)
Timeout
* 0 = ∞
(Specified
antenna 1)
Se
q
2
(Specified
antenna2
)
Se
q
n
(Specified
antenna n)
・・・
Res
p
onse
* Response of tag detection=0
Single Repeat:
Respons
Command
Se
q
1
* Tag with same ID does not reply
Host→Reader
Host←Reader
Reader←→ta
g
T
ag
Existence of ta
g
(
Antenna 1
)
Se
q
2
(
Antenna 2
)
Se
q
n
(
Antenna n
)
・・・
Res
p
onse*
Se
q
1
Termination
T
ag
Se
q
2
Termination
Response
Termination
transaction

V750 RFID READER/WRITER, ANTENNA 2006-06, REV.C
OPERATION MANUAL 44 of 110 ©OMRON CORPORATION 2006
3) Multi Once
The reader reads multiple tags repeating the read transaction until timeout. Upon timeout, it returns all results of
communication with tags to the host and finishes the transaction. If the reader does not detect any tag during the reading
time, it returns response meaning the number of tag = 0.
4) Multi Repeat
The reader reads multiple tags repeating the reading transaction until timeout. Upon timeout, it returns results of
communication with tags to the host and it starts another time period to repeat the transaction until termination command
has been sent. At each timeout, the reader returns all read tag’s results to the host. If it does not read any tag during each
time period, it returns response meaning the number of tag = 0.
Multi Once:
Res
p
onse*
Command
Se
q
1
* Regardless of tag existence once / one command
Host→Reader
Host←Reader
Reader←→Ta
g
Tag count; n
Existence of Ta
g
Timeout
p
eriod
(
Antenna1
)
Se
q
2
(
Antenna 2
)
Se
q
n
(
Antenna n
)
・・・ Se
q
1
Multi Repeat:
Res
p
onse
Command
Se
q
1
Host→Reader
Host←Reader
Reader←→Ta
g
T
ag
Existence of Ta
g
Antenna 1
)
Se
q
2
(
Antenna 2
)
Se
q
n
(
Antenna n
)
・・・ Se
q
1 ・・・ Se
q
n
Res
p
onse
T
ag
T
ag
Timeout Timeout

V750 RFID READER/WRITER, ANTENNA 2006-06, REV.C
OPERATION MANUAL 45 of 110 ©OMRON CORPORATION 2006
2.3.3 Session Setting
Following table shows 4 flags as a session flag for communication command. S0 is set as factory default
setting for Once command, and S2 is set for Repeat command.
Communication option Flag Description
S0 Factory default setting.
In this setting, the reader communicates with all tags existing
in the read field whenever a command is executed.
Once
・Single Once
・Multi Once S1/S2/S3 In this setting, the reader communicates with un-read tags (it
ignores once-read tags.)
If S1 is set, tag refreshes its S1 flag when a specified time has
passed after flag setting (after communication transaction)
regardless of whether tag energized or not. It means that the
tags are read repeatedly in a certain interval.
If S2 or S3 is set, tag refreshes its S2 or S3 flag when a
specified time has passed after tag energizing stopped. It
means that the tag is not re-read unless the tag stays out of
the read field for the specified time.
S2 Factory default setting.
In this setting, the reader communicates with new-detected
tags existing in the read field during the command execution.
S0 When there is a tag the reader can not read because of flag
conflict with other readers, this setting enables the reader to
read the tag.
Repeat
・Single Repeat
・Multi Repeat
S1/S3 If another reader set in the near process line uses S2 flag, the
reader same flag may encounter the flag conflict. S1 and S3
flags are used to avoid this conflict.
Setting S3 provides same operation as S2 setting.
If S1 is set, tag refreshes its S1 flag when a specified time has
passed after flag setting (after communication transaction)
regardless of whether tag energized or not. It means that the
tags are read repeatedly in a certain interval.
(Reference)Function/ effect of each Session flag
Flag Tag persistence time after tag energizing is stopped
S0 None
S1 500ms to 5s (Same when tag is energized)
S2/S3 2s or more
SL 2s or more

V750 RFID READER/WRITER, ANTENNA 2006-06, REV.C
OPERATION MANUAL 46 of 110 ©OMRON CORPORATION 2006
2.3.4 Communication Data Control
(1) Filtering function
Filtering function enables the reader to communicate with selected tags that are suitable for pre-specified
conditions.
【Application examples】
- To read pallet tags selectively when item tags and pallet tags are existing together (EPC data).
- To read only the selected vender’s tag if there are various kind of venders’ tags (EPC data).
- To read the tags that has exclusive data format (the number of PC+EPC bit, NSI).
- To selectively read the specified tags that have certain supplier’s IC (Mask-designer identifier of TID).
(2) Smoothing function
Smoothing function consists of following three types. Using this function, the reader can reduce the quantity
of data transferred between the host and the reader.
1) Prevention of response duplication.
Under this function setting, the reader can prevent duplicated responses of same tag ID in a single
response frame.
2) Prevention of reread.
Under this function setting, the tag that has been already read does not reply in the transaction period
during the communication sequence (Single Repeat, Multi Repeat) which repeats its transaction,
3) Omission of No tag Response
This function enables the reader to omit the responses if it does not read any tag in the communication
sequence (Single Repeat, Multi Repeat) which repeats its transaction.

V750 RFID READER/WRITER, ANTENNA 2006-06, REV.C
OPERATION MANUAL 47 of 110 ©OMRON CORPORATION 2006
2.4 Tag Fundamentals
Tag Memory Structure
Protocols and the tag memory structures supported by the V750 reader are described below. For additional
information regarding tag operation, refer to each tag specification.
GEN2 Tags
GEN2 tags have four memory banks.
Kill Password and Access Password are stored in bank 00 (Reserved Area), EPC code is in bank 01 (EPC
Area), Tag Identification Memory data that is read only is in bank 10 (TID Area). User data is in bank 11 (User
Area). For the detailed information refer each tag's specification.
Bank block
number Bit Contents
0 00-0F Kill Password [31:16]
1 10-1F Kill Password [15:0]
2 20-2F Access Password [31:16]
3 30-3F Access Password [15:0]
00
(Reserved
Area)
... ... ...
0 00-0F CRC-16
1 10-1F Protocol-Control Bits (PC)
2 20-2F EPC[95:80]
3 30-3F EPC[79:64]
4 40-4F EPC[63:48]
5 50-5F EPC[47:32]
6 60-6F EPC[31:16]
7 70-7F EPC[15:0]
01
(EPC
Area)
... ... ...
0 00-0F
1 10-1F
Tag Identification Memory
data (read only)
10
(TID
Area) ... ... ...
0 00-0F User data
1 10-1F
2 20-2F
11
(User
Area)
... ... ...

V750 RFID READER/WRITER, ANTENNA 2006-06, REV.C
OPERATION MANUAL 48 of 110 ©OMRON CORPORATION 2006
3. Command Line Interface
About this Guide
This chapter lays the groundwork for the communication protocol between client software running on a remote
computer and the V750 reader.
3.1 Command Interface
3.1.1 Command / Response Frame Structure
Ethernet and RS-232C has almost same command structure for command line I/F. Command frame has a
Command Code area to control the R/W and Command Data area that is used with Command Code.
Terminator that indicates the end of the frame is [LF].
RS-232C requires a start code [SOH], check data, and [CR]. The start code shall be at the beginning of the
frame, and the check data and the [CR] shall be immediately before terminator ([LF]).
Command frame for Ethernet
Command frame for RS-232C
Contents in command frame
Contents Description Ethernet
required? RS-232C
required?
Start code [SOH,0x01] Indicates the beginning of the frame with SOH,0x01. No Yes
Command code Specifies the command the Reader executes. Yes Yes
Command data Specifies the data for use with Command Code Yes Yes
FCD Stands for Frame Check Data (hereinafter referred to as
“FCD”. The code is to detect a data error.)
The result of the horizontal parity calculation from after
SOH through immediately before FCD is expressed by
two characters of ASCII code.
No Yes
Command Code Command Data LF
4 B
y
tes n 1
SOH Command Code Command Data FCD CR LF
1 4 n 2 1 1
Terminato
r
FCC Calculation Area

V750 RFID READER/WRITER, ANTENNA 2006-06, REV.C
OPERATION MANUAL 49 of 110 ©OMRON CORPORATION 2006
Terminator [CR,0x0d] Indicates the end of the frame with CR,0x0d. No Yes
Terminator [LF,0x0a] Indicates the end of the frame with LF,0x0a. Yes Yes
Response frame for Ethernet
Response frame for RS-232C
Contents in command frame
Contents Description Ethernet
required? RS-232C
required?
Start code [SOH,0x01] Indicates the beginning of the frame with SOH,0x01. No Yes
Command code Specifies the command the Reader executes. Yes Yes
Response data Indicates the results of command execution. Yes Yes
FCD Stands for Frame Check Data No Yes
Terminator [CR,0x0d] Indicates the end of the frame with CR,0x0d. No Yes
Terminator [LF,0x0a] Indicates the end of the frame with LF,0x0a. Yes Yes
Command Code Response Code Response Data LF
4 bytes 4 n 1
SOH Command Code Response Code Response Data FCD CR LF
1 4 4 n 2 1 1
FCC Calculation Area

V750 RFID READER/WRITER, ANTENNA 2006-06, REV.C
OPERATION MANUAL 50 of 110 ©OMRON CORPORATION 2006
How to calculate FCC in frame for RS-232C.
Calculate XOR (Exclusive OR) of figures included in the range of FCD calculation and put the result as a ACSII
code at the end of the command.
An example of FCD calculation:
Command code and Command data: RDID –seq MOC –ant 1 –tmo 500
FCD value: 19
Command frame: [SOH]RDID –seq MOC –ant 1 –tmo 50019[CR][LF]
Calculation
Character ASCII Code (Hex) Binary
R 52 01010010
D 44 01000100
I 49 01001001
D 44 01000100
(Space) 20 00100000
- 2C 00101100
s 73 01110011
e 65 01100101
q 71 01110001
(Space) 20 00100000
M 4C 01001100
O 4F 01001111
C 43 01000011
(Space) 20 00100000
- 2C 00101100
a 61 01100001
n 6E 01101110
t 74 01110100
(Space) 20 00100000
1 31 00110001
(Space) 20 00100000
- 2C 00101100
t 74 01110100
m 6C 01101100
o 6F 01101111
(Space) 20 00100000
5 35 00110101
0 30 00110000
0 30 00110000
XOR 19 00011001

V750 RFID READER/WRITER, ANTENNA 2006-06, REV.C
OPERATION MANUAL 51 of 110 ©OMRON CORPORATION 2006
3.1.2 Command Code List
Following is a list of the supported command codes. Each command is represented with four characters.
Command Code List
Command
Code Command name Description Executable in
communication?
(1) Communication Command (to communicate with tags)
RDID Read ID Reads ID data from the tag memory. No
WTID Write ID Writes ID data into the tag memory. No
RDDT Read Data Reads data from the tag memory.
(including the password) No
WTDT Write Data Writes data to the tag memory.
(including the password) No
LOCK Lock Sets Lock function in the tag. No
KILL Kill Disables the tag permanently. No
(2) Setting Command (to set a condition).
SETR Set Reader Sets the function condition in the R/W. No
GETR Get Reader Reads the function conditions from the R/W. No
SETO Set Reader Operation Sets the operation condition in the R/W. No
GETO Get Reader Operation Reads the operation conditions from R/W. No
SETC Set Communication Sets the communication condition in the R/W.
(temporary setting). No
GETC Get Communication Reads the communication condition from the R/W. No
SAVE Save communication
settings Save the communication condition into the
nonvolatile memories in the R/W. (permanent
setting)
No
(3) Control command (to control the action)
INIT Initialization Initializes all settings in the R/W. No
STOP Stop Stops the communication with the tags. Yes
EXIO External Input Output
control Reads input port status.
Sets condition of output port. Yes
REST Reset Restarts the R/W. Yes
GBYE Good Bye Disconnects the Ethernet connection. No
RRES Request Resend Requests to resend the last response data. Yes
TEST Test Tests the communication between host and the
R/W. Yes

V750 RFID READER/WRITER, ANTENNA 2006-06, REV.C
OPERATION MANUAL 52 of 110 ©OMRON CORPORATION 2006
NOIS Nois measurement Measures noise level of the specified antenna. No
(4) Undefined command (in the response frame only)
ICMD Illegal Command Command code to be used in the response frame if
the R/W receives undefined command. -

V750 RFID READER/WRITER, ANTENNA 2006-06, REV.C
OPERATION MANUAL 53 of 110 ©OMRON CORPORATION 2006
3.1.3 Response Code List
Response code consisting of four digit figures represents the result of the command execution. Response code
helps you speculate a cause of the occurred error.
Response Code List
Response Code
Category Main Sub
Response
Name Description
Normal end 00 00
Normal end The received command ended normally with no error.
10 00
Parity error A parity error has occurred in one of the characters of
the command frame (For only RS-232C).
11 00
Framing error A framing error has occurred in one of the characters
of the command frame (For only RS-232C).
12 00
Overrun error An overrun error has occurred in one of the characters
of the command frame (For only RS-232C).
13 00
FCD error The command frame has an incorrect FCD (Only for
RS-232C).
0x Command
code error Incorrect command has been received. The response
code is ICMD.
1x Command
parameter error Command parameter is incorrect.
14
2x Command
option error Command option is incorrect.
15 0x
Process error Specified command can not be executed.
Ex1. Caused by executing a communication command
when the last command is being executed
Ex2. Caused by incorrect setting of filtering condition.
Command
error
18 00
Frame length
error A command received from the host exceeds the
receive buffer (256 Bytes).
1x Communication
error During the transaction after tag detection,
communication error or process time out has occurred,
and consequently the transaction can not be
completed normally.
Specified password does not match to the password of
the target tag.
Tag
communicat
ion error
70
2x Communication
error During the transaction after tag detection,
communication error or process time out has occurred,
and consequently the transaction can not be
completed normally.
* In the case of ID write / Data write, a part of data in
the tag may have been written.

V750 RFID READER/WRITER, ANTENNA 2006-06, REV.C
OPERATION MANUAL 54 of 110 ©OMRON CORPORATION 2006
7A 00
Address
specification
error
Specifying Bank/Address in the tag memory is
incorrect and command can not be executed.
7B 00
Data write error During the data write into the detected tag, sufficient
power is not supplied to the tag.
1x Antenna
detection error At the R/W starts up, an appropriate antenna has not
been connected to the specified antenna port.
7C
2x Antenna error Error occurred with the antenna connected to the
specified antenna port (even though the antenna is
detected normally when start up).
7E 00
Lock error When data write or read command is sent for the
locked area. It depends on the tag’s chip
specifications. (For Monza chip, when these command
are sent for Lock Bit of User Memory because this
area does not exist.)
7F xx
Tag error The tag has been rejected the command process.
System
error 9A xx
Hardware error An error that blocks command execution has been
detected in the hardware (such as malfunction of inner
circuit or temporally execution error caused by noise).
Response Code のxは、0~9,A-F のいずれかの文字が入ることを示しています。

V750 RFID READER/WRITER, ANTENNA 2006-06, REV.C
OPERATION MANUAL 55 of 110 ©OMRON CORPORATION 2006
3.1.4 Command / Response Format
Following shows a grammar of commands.
Command Code and Command Data format in Command Frame
* Commands are acceptable regardless the character is big or little. Any command works regardless the size
combination of characters such as big letters, little letters, or mixed one.
Command Data Area
Parameter Area O
p
tion Area
Command Code SP PRM1 SP PRM2 ・・・ PRMn SP OPT1 SP OPT2 ・・・ OPTn
4 B
y
tes 1 n 1 n n n 1 n 1 n n n
Command Code Consists of four characters in ACSII format. This specifies one of the
commands described in the Command Code List of 3.1.2.
Space
(SP)
Between the elements (Parameters and Options), “ “ (space) has to be
entered for one or more character. Even if a two or more characters of “ ”
(space) are put in, they work same way as one-character “ ” (space).
Parameter
(PRMx x:1 to n)
Mandatory for each command. If there are multiple parameters in a single
command, they must be separated with some spaces and specified in the
specified order. Applicable parameter for each command is shown in the
table in 3.1.5.1.
Option
(OPTx x:1 to n)
Optional for each command. If there are multiple options in a single
command, they must be separated with some spaces. If it is not specified,
default value will be employed. If multiple option items are specified, they
shall be described continuously. Any order is acceptable.

V750 RFID READER/WRITER, ANTENNA 2006-06, REV.C
OPERATION MANUAL 56 of 110 ©OMRON CORPORATION 2006
Command Code, Response Code and Response Data format in Response Frame
* All hexadecimal numbers as commands and data in the read tags are indicated with capitals (A to F).
Res
p
onse Data Area
Command Code Response Code SP DATA1 SP DATA2 ・・・ DATAn
4 B
y
tes 4 1
n
1
n
n
n
Command Code Set same characters specified as a command sent from the host.
Response Code Indicates four-digit hexadecimal numbers.
Response Data Returns the some data executed by R/W.
Example1: No. of tags for communication commands
Example2: The tag ID(s) (or data) read by R/W with Hex code. If R/W
reads multiple tags’ IDs (or data), it indicates them in line with space(s)
between each ID (or data). Data in hexadecimal numbers does not
need [0x].

V750 RFID READER/WRITER, ANTENNA 2006-06, REV.C
OPERATION MANUAL 57 of 110 ©OMRON CORPORATION 2006
3.1.5 Command Specification
3.1.5.1 Communication Command
A communication command consists of parameter(s) mandated for command execution and option specified if
necessary. Following table shows parameters as an argument of each command and available options.
Parameters and Options for Communication Commands
Parameter (mandatory) Option
Command Data
Command Code
Memory
bank
Data
pointer
Data
length
Write
data
Lock
code
-seq -ant -tmo -tif -pwd -ptc
Read ID RDID Yes Yes Yes Yes Yes
Write ID WTID Yes Yes Yes Yes Yes Yes Yes
Read Data RDDT Yes Yes Yes Yes Yes Yes Yes Yes Yes
Write Data WTDT Yes Yes Yes Yes Yes Yes Yes Yes Yes
Lock LOCK Yes
Yes Yes Yes Yes Yes Yes
Kill KILL Yes Yes Yes Yes Yes Yes
- All options can be omitted. If option(s) is omitted, the default value is applied depending on the option item.
- Kill command requires the option item “-pwd” (if the “–pwd” is not used in command, 7Fxx error will occur.)
To set parameters, items in the following list shall be chosen and be described in to the command one’s way
down the list.
Parameter Details
Parameter Setting value
Memory bank Memory bank of a GEN2 tag for “Read Data” or “Write Data” shall be
specified with the following number in decimal or hexadecimal (begins with
0x) format.
・ 0 or 0x00: Reserved Area
・ 1 or 0x01: EPC Area
・ 2 or 0x02: TID Area
・ 3 or 0x03: User Area
Data pointer Memory address in the memory bank of the GEN2 tag for “Read Data” or
“Write Data” shall be specified with number(s) in the following range in
decimal or hexadecimal (begins with 0x) format.
・ Min: 0 or 0x00
・ Max: 255 or 0xFF
Data length
Memory size to be accessed for “Read Data” shall be specified with the
number(s) in the following range in decimal or hexadecimal (begins with 0x)
format.
・ Min: 0 or 0x00
・ Max: 32 or 0x20
Write data To write data into a tag with “Write ID” or “Write Data” command, the data

V750 RFID READER/WRITER, ANTENNA 2006-06, REV.C
OPERATION MANUAL 58 of 110 ©OMRON CORPORATION 2006
shall be specified in 32-bit hexadecimal format as below. (0x not required)
・Format: XXXXXXXX ... XXXXXXXX ※32bit 単位との内容を追記!!
X: 0 to 9 , A to F
Lock code When Lock command is executed, this code shall be specified depending on
the type of lock.
For GEN2 system, 10-digit Lock value shall be specified with 0, 1, * (0 and 1
mean Action and * means MASK) for following five areas; Kill pwd, Access
pwd, EPC memory, TID memory, and User memory.
・Format: XXXXXXXXXX
X: 0 or 1 or * (0:Off , 1:On , *:do-nothing)
chr. 1 2 3 4 5 6 7 8 9 10
Kill pwd Access pwd EPC memory TID memory User memory
Action
Fields
pwd
read/
write
perma
lock
pwd
read/
write
perma
lock
pwd
write
perma
lock
pwd
write
perma
lock
pwd
write
perma
lock
Option shall be specified with values following the code that indicates option type.
Option Details
Code Item Specified Value Default Value
-seq Communication
sequence
Specifies the communication sequence according to
the operating conditions. For “Read ID” command, all
parameters can be specified. For other commands,
only SOC can be specified.
・ SOC: Single Once
・ SRP: Single Repeat
・ MOC: Multi Once
・ MRP: Multi Repeat
-seq SOC
-ant Antenna number Can specify the order of antenna to operate from first
to 9thwith figure of 1, 2, 3, and 4. The figure 1 to 4
means antenna’s identical number. If an antenna is
specified multiply, the antenna executes sequence
multiply depend on the order.
・ Format: X ... XXXXXXXXX (Max 9 characters)
X: 1 to 4
-ant 1
-tmo Timeout Specifies time parameter for communication process
with 0 to 2550 in decimal number. The numbers after
rounding down to the 10 is added ms as a specified
value (the least significant digit is always “0”). If the
communication sequence is SOC/MOC, the specified
value is the communication time. If the value is
specified 0 (zero), communication process will
continue until STOP command is executed. If the
communication sequence is SRP/MRP, the specified
value is maximum time between response (0 can’t be
specified for SRP/MOC/MRP).
・ 0, 10...2550 (ms)
-tmo 250

V750 RFID READER/WRITER, ANTENNA 2006-06, REV.C
OPERATION MANUAL 59 of 110 ©OMRON CORPORATION 2006
-tif Tag Information Specifies one or more following items as additional
information of tag communication results that are
output in the response. Specified item(s) shall be
returned according to the specified order with
commas.
・ ANT: An antenna number which reads the tag first.
・ CNT: The count of tag read.
・ EPC: EPC code only.
・ PEP: PC bit and EPC code
・ PER: PC bit, EPC code, and CRC
For ID read, EPC/PRP/PER determines the EPC data
type to be returned. For ID write or Data write, if
EPC/PEP/PER is specified, EPC data before
rewriting shall be returned. (If EPC data length is 0, it
will be “*”.)
-tif EPC
-pwd Password Specifies the password data with 32-bit 8 digit
numbers in hexadecimal format for access of ID Write
command, Data Write command, and Lock
command, and Kill password for Kill command. (0x
not required)
XXXXXXXX
For ID Write, Data Write, or Lock, if this option is
omitted or specified ”00000000”, Access password
shall not be used .(If Access password of the Tag is
0x00000000, the tag can be processed. For Kill
command, the Access password shall not be
0x00000000. If so, 7Ferror occurs.)
-pwd 00000000
-ptc Tag protocol Specifies the number(s) that indicates the protocol
type. Multiple numbers can be specified.
・ 2: Class1 Generation2
-ptc 2

V750 RFID READER/WRITER, ANTENNA 2006-06, REV.C
OPERATION MANUAL 60 of 110 ©OMRON CORPORATION 2006
[Note]
For setting a timeout value, 100ms or less shall not be specified under the repeat mode (SRP/ MRP). If so, the
Reader/Writer may freeze (setting error may occur) depending on the communication performance of the
Ethernet or RS-232C. If Ethernet’s traffic is large or the communication speed setting for RS-232C is low, the
value shall be set longer.

V750 RFID READER/WRITER, ANTENNA 2006-06, REV.C
OPERATION MANUAL 61 of 110 ©OMRON CORPORATION 2006
■ Example of command/ response
ReaD ID (RDID)
Command RDID (S) [options...]<LF>
Response RDID[RC] (S) [CNT] (S) [ID1 with ITM1] (S)... [IDn with ITMn]<LF>
[RC] Response Code
[CNT] Tag Count
[IDn with ITMn] tagID with Items indicated by TIF option. Items are delimited by a
comma.
If EPC data length is “0” (zero), the ID shall be “*”.
*(S) Space character
Example 1) When command is processed with all options omitted and the R/W reads a single tag (Each
option item is specified with default values):
[Tx] RDID<LF>
[Rx] RDID0000 001 1234567890ABCDEF12345678<LF>
(Without any options, the command is executed with Seq=SOC/ ant=1/ tmo=250 and EPC
data [1234567890ABCDEF12345678] is returned.)
Example 2) When [SingleOnce, Antenna 1 and 2] is specified, the command is executed, and when
the R/W reads two tags:
[Tx] RDID -seq MOC -ant 12<LF>
[Rx] RDID0000 002 111111111111111111111111 222222222222222222222222<LF>
Example 3) When [MultiRepeat, Antenna 1-4, read items; PC+EPC+CRC, Antenna, Protocol, Read
count] is specified, the command is executed, and when the R/W reads a single tag:
[Tx] RDID -seq MRP -ant 1234 -tif PER,ANT,PTC,CNT<LF>
[Rx] RDID0000 001 3000111111111111111111111111ABCD,2,1,3 <LF>
(The code is returned with comma-separation. EPC code including PC code; 3000 and
CRC; ABCD, antenna ID; 2, protocol ID; 1, and read count; 3 are returned)
Example 4) When [MultiRepeat, Antenna; 1-4 (Antenna 1 is used as main antenna), Timeout;
1000msec] is specified, the command is executed and then the R/W read 10 tags:
[Tx] RDID -seq MRP -ant12131411 -tmo 1000<LF>
[Rx] RDID0000 010 111111111111111111111111 222222222222222222222222 ...(7 Tag IDs)...
AAAAAAAAAAAAAAAAAAAAAAAA<LF>
Example 5) When an error occurred during communication process:
[Tx] RDID -seq SOC -ant 4<LF>
[Rx] RDID7000<LF>
(The error code [Code:7011] is returned.)

V750 RFID READER/WRITER, ANTENNA 2006-06, REV.C
OPERATION MANUAL 62 of 110 ©OMRON CORPORATION 2006
(2) WriTe ID (WTID)
Command WTID (S) dat (S)[Options]...<LF>
dat : Data to be written
Response WTID[RC] (S) [CNT] (S) [ITM1]<LF>
[RC] Response Code
[CNT] Tag Count
[ITM1] Items indicated by TIF option. Items are delimited by a comma.
If EPC/PEP/PER are specified for TIF, EPC data shall be the data before rewrite. If
Data length is zero during EPC specification, data shall become ”*”.
*(S) Space character
Example 1) When all set values are default values and ID 1234567890ABCDEF12345678 is specified,
the command is executed and write process has been completed successfully:
[Tx] WTID 1234567890ABCDEF12345678<LF>
[Rx] WTID0000 001<LF>
Example 2) When ANT and 1234567890ABCDEF12345678 are specified for Tag InFormation, Write
data and the command is executed and then R/W has succeeded to write data with
Antenna 1.
[Tx] WTID 1234567890ABCDEF12345678 -tif EPC,ant<LF>
[Rx] WTID0000 001*, 1<LF>
If tif is specified for EPC code, tag’s EPC data before rewritten is returned. If the tag has no
EPC data, [*] is returned.
Example 3) When FFFFFFFFFFFFFFFFFFFFFFFF, 2, and 300 are specified for ID, antenna, and
TimeOut and the command is executed but no tag is found:
[Tx] WTID FFFFFFFFFFFFFFFFFFFFFFFF -ant 2 -tmo 300<LF>
[Rx] WTID0000 000<LF>
Example 4) When an error has occurred during communication process:
[Tx] WTID 1234567890ABCDEF12345678<LF>
[Rx] WTID7F00<LF>
* The error code is added to the response code.

V750 RFID READER/WRITER, ANTENNA 2006-06, REV.C
OPERATION MANUAL 63 of 110 ©OMRON CORPORATION 2006
(3) ReaD Data (RDDT)
Command RDDT(S)
mbk
(S)
dpt
(S)
dln
(S)[options...]<LF>
mbk: Memory Bank
dpt: Data Pointer
dln; Data Length
Response RDDT[RC] (S) [CNT] (S) [Data1 with ITM1] <LF>
[RC] Response Code
[CNT] Tag Count
[Data with ITM] Data with Items indicated by TIF option. Items are delimited
by a comma.
*(S) Space Character
Example 1) When [Memory bank; 2, start address; 16, word count to be read; 4] is specified, other
settings are default value and then read process has completed successfully:
[Tx] RDDT 2 16 4<LF>
[Rx] RDDT0000 001 1111222233334444<LF>
Example 2) When [Memory bank; 0x01, start address; 0x02, word count to be read; 0x03, Antenna; 1-
3] is specified and read process has succeeded:
[Tx] RDDT 0x01 0x02 0x03 -ant 123 -tif EPC,ANT<LF>
[Rx] RDDT0000 001 111122223333, 1234567890ABCDEF12345678,2<LF>
(In this case, the read data is [111122223333], the tag EPC code is
[1234567890ABCDEF12345678], and the read antenna ID is [2].)
Example 3) When an incorrect address is specified:
[Tx] RDDT 0 0x100 0x1 -ant 123<LF>
[Rx] RDDT1412<LF>
(The command data error [Code:1412] is returned.)
Example 4) When an error has occurred during communication process:
[Tx] RDDT 0 0 1 -ant 123<LF>
[Rx] RDDT7000<LF>
The error code is returned.

V750 RFID READER/WRITER, ANTENNA 2006-06, REV.C
OPERATION MANUAL 64 of 110 ©OMRON CORPORATION 2006
(4)WriTe DaTa (WTDT)
Command WTDT (S)
mbk
(S)
dpt
(S)
dln
(S)
[options...]<LF>
mbk: Memory Bank
dpt: Data Pointer
dln; Data Length
Response WTDT[RC] (S)
[CNT] (S) [ITM1] <LF>
[RC] Response Code
[CNT] Tag Count
[ITM1] Items indicated by TIF option. Items are delimited by a comma.
If EPC/PEP/PER are specified for TIF, EPC data shall be the data before rewrite. If
Data length is zero during EPC specification, data shall become ”*”.
*(S) Space Character
Example 1) When [Memory bank; 0, Start address; 0, Data; 0x12345678] is specified, other setting
are default and then the write process has been succeeded:
[Tx] WTDT 0 0 12345678<LF>
[Rx] WTDT0000 001<LF>
Example 2) When [Memory bank;1, Start address; 32, word count to be written ;6, Data;
0x1234567890ABCDEF12345678 , ANT: 2-3, Time Out: 200] is specified:
[Tx] WTDT 1 32 1234567890ABCDEF12345678 -ant 23 -tmo 200 –tif ANT<LF>
[Rx] WTDT0000 001 2<LF>
* In this case, write command is processed with Antenna 2.
Example 3) When [Memory bank; 0x00, Start address; 0x00, Data; 0x00 ABCDEFGH] is specified
and a format error has occurred.
[Tx] WTDT 0x00 0x00 ABCDEFGH<LF>
[Rx] WTDT1412<LF>
* The error code [1412] is returned.
Example 4) When an error occurred during communication process.
[Tx] WTDT 1 32 1234567890ABCDEF12345678 -ant 23 <LF>
[Rx] WTDT7011<LF>
* The error code [7011] is returned.

V750 RFID READER/WRITER, ANTENNA 2006-06, REV.C
OPERATION MANUAL 65 of 110 ©OMRON CORPORATION 2006
(5) LOCK (LOCK)
Command LOCK (S)
lkc
(S)
[options...]<LF>
lkc: Lock Code (10 characters 0/1/*)
Response LOCK[RC] (S)
[CNT] (S) [ITM1]<LF>
[RC] Response Code
[CNT] Tag Count
[ITM1] Items indicated by TIF option. Items are delimited by a comma.
*(S) Space Character
Example 1) When [Password; 0x12341234, EPC memory; locked temporally] is set:
[Tx] LOCK ****10**** –pwd 12341234<LF>
[Rx] LOCK0000 001<LF>
Example 2) When [Password; 0xFFFFFFFF, all memory are locked permanently, and antenna; 2] is set:
[Tx] LOCK 1111111111 –pwd FFFFFFFF -ant 2 –tif EPC<LF>
[Rx] LOCK0000 001 1234567890ABCDEF12345678<LF>
*The EPC code of the tag is [1234567890ABCDEF12345678].
Example 3) When [Password; 0x12341234 and all memories are permanently locked] is specified
incorrectly:
[Tx] LOCK 1111111111 –pwd 12341234<LF>
[Rx] LOCK7011<LF>
* The communication error [7011] is returned.
Example 4) When [Password; 0xFFFFFFFF] is specified and specified lock code is incorrect:
[Tx] LOCK 2222222222 –pwd FFFFFFFF -ant 2<LF>
[Rx] LOCK1411<LF>
* The error code [1411] is returned.

V750 RFID READER/WRITER, ANTENNA 2006-06, REV.C
OPERATION MANUAL 66 of 110 ©OMRON CORPORATION 2006
(6)Kill (KILL)
Command KILL (S)
[options...]<LF>
Option “pwd” is mandatory.
Response KILL[RC] (S)
[CNT] (S) [ITM1] <LF>
[RC] Response Code
[CNT] Tag Count
[ITM1] Items indicated by TIF option. Items are delimited by a comma.
*(S) Space Character
Example 1) When [Password; 0x22222222] is specified and then KILL command is completed
normally:
[Tx] KILL –pwd 22222222<LF>
[Rx] KILL0000 001<LF>
Example 2) When [Antenna; 3, Password; 0xAAAABBBB, items; PER and ANT] is specified and
KILL command has completed normally:
[Tx] KILL –pwd AAAABBBB -ant 3 -tif PER,ANT<LF>
[Rx] KILL0000 001 30001234567890ABCDEF12345678ABCD,3<LF>
* The PC code of the tag is [3000], EPC code is [1234567890ABCDEF12345678], CRC is
[ABCD], and command executed Antenna ID is [3].
Example 3) When [Password; 0x12345678] is specified and password has turned out incorrect:
[Tx] KILL –pwd 12345678<LF>
[Rx] KILL7012<LF>
* The error code [7012] is returned.
Example 4) When [Password; 0x12] is specified and password has turned out incorrect:
[Tx] KILL –pwd 12<LF>
[Rx] KILL1421<LF>
* The error code [1421] is returned.

V750 RFID READER/WRITER, ANTENNA 2006-06, REV.C
OPERATION MANUAL 67 of 110 ©OMRON CORPORATION 2006
3.1.5.2 Information of the Reader , Status of the Reader function
To setting type of the Reader information and conditions of the Reader function, following items shall be
specified in the SET Reader command (SETR) and GET Reader command (GETR). Specifying following
option makes setting or read the Reader/Writer function. Information of the Reader is available only for reading
data.
Reader Basic information (GETR)
Code Content Fixed Value (=Factory Settings)
MFT ManuFacTurer OMRON Corporation
TYP TYPe of the Reader V750-BC50C04-US
FWV FirmWare Version xxxx-xxxx-xxxx-x
SER SERrial number xxxx xxxx xxxx xxxx
MAC MAC address 00:00:0A:89:x3:xx
Reader Status (GETR)
Code Content Reader Status
ATS AnTenna Status
Connected Antenna ????????
TTK Transition Time from Kick hhhh:mm:ss
-Min: 0000:00:00
-Max: 9999:59:59
Reader Basic information (GETR/SETR)
Code Content User Setting Value Factory Settings
RNM Reader NaMe -Min: 63charactors , ASCII
-Max: 63charactors , ASCII (None)
RRL Reader’s RoLe -Min: 63charactors , ASCII
-Max: 63charactors , ASCII (None)
Reader Network Settings (GETR/SETR)
Code Content User setting value Factory Settings
Input Select
PRT Ethernet PoRT
2 ports are used; specified port
(command control) and
specified port +1(Web
function).
-Min: ????
-Max: ???? 7090
LHN LAN Host Name
Sent to DHCP server when IP
is acquired.
-Min: 0charactor
-Max: ?charactors V750-BC50C04-US
LDN LAN Domain Name
Sent to DHCP server when IP
is acquired.
(None)
DHE DHCP Enable 0:Disable
1:Enable 0:Disable
LIP LAN IP Address
IP address when using static
IP address
xxx.xxx.xxx.xxx 192.168.1.200
LNM LAN Net Mask
Net Mask when using static IP
address
xxx.xxx.xxx.xxx 255.255.255.0
LGW Default Gateway
IP Address for the Gateway
xxx.xxx.xxx.xxx 192.168/254

V750 RFID READER/WRITER, ANTENNA 2006-06, REV.C
OPERATION MANUAL 68 of 110 ©OMRON CORPORATION 2006
RBR RS-232C Baud rate 9.6 (kbps)
19.2
38.4
57.6
57.6 (kbps)
RDT RS-232C Data length 7 (bit)
8 7 (bit)
RPB RS-232C Parity bit N:none
O:odd
E:even
E: even
RSB RS-232C Stop bit 1 (bit)
2 2 (bit)

V750 RFID READER/WRITER, ANTENNA 2006-06, REV.C
OPERATION MANUAL 69 of 110 ©OMRON CORPORATION 2006
(1) SET Reader function (SETR)
This command writes the functional conditions of the command in process into the nonvolatile memory in
the Reader/ Writer. The setting shall be enabled at the upcoming startup.
Command SETR (S) param1=value1 (S)...param n=value n<LF>
It specifies a parameter connecting a setting item to a setting value with equal.
(The setting item does not have to be prepended with ‘ -‘.)
No space shall be put in from the beginning of the setting item to the end of the
setting value. If the setting value includes any space, the space shall be enclosed with
double quotation.
In a single command, multiple setting items can be specified by separating with
space. A 2 or more character space is acceptable for indicating separation.
Response SETR0000<LF>
*(S) Space Character
Example 1) When DHCP Enabled is set “ON”:
[Tx] SETR dhe=1<LF>
[Rx] SETR0000<LF>
Example 2) When [Host name; V750-BA50C04, IP; 192.168.1.1, and Net Mask; 255.255.255.0] is set:
[Tx] SETR lhn=“V750 BA50C04” lip=192.168.1.1 lnm=255.255.255.0<LF>
[Rx] SETR0000<LF>
Example 3) When [RS-232C Baud rate; 19200bps, Data length; 7bit, Parity; Even, and Stop; 1bit] is
set:
[Tx] SETR rbr=19200 rdt=7 rpb=E rsb=1<LF>
[Rx] SETR0000<LF>
Example 4) When the setting item is incorrect:
[Tx] SETR xxx=111<LF>
[Rx] SETR1407<LF>

V750 RFID READER/WRITER, ANTENNA 2006-06, REV.C
OPERATION MANUAL 70 of 110 ©OMRON CORPORATION 2006
(2) GET Reader (GETR)
This command allows the Reader/Writer to read the current functional conditions. Even after SET Reader
command (SETR) is executed, the old information shall be read out unless the reboot is completed.
Command GETR (S) param1 (S) param2...<LF>
It specifies a parameter connecting a setting item to a setting value. (‘The setting
item does not have to be prepended with ‘ -‘ .)
In a single command multiple setting items can be specified by separating with space.
A 2 or more character space is acceptable for indicating separation.
Response GETR (S) param1=value1 (S) ...param n = value n<LF>
If multiple items are specified, the Reader/Writer shall return response with
connecting specified items to the setting values with equal in the specified order.
Alphabetical characters included in the item name in the response shall be small
characters.
If the setting value includes any space, the space shall be enclosed with double
quotation.
*(S) Space Character
Example 1) When [Firmware version;100-100-100-0] is read:
[Tx] GETR fwv<LF>
[Rx] GETR0000 fwv=100-100-100-0<LF>
Example 2) When [Host name; V750-BA50C04, IP; 192.168.1.1, and Net Mask; 255.255.255.0] is
read:
[Tx] GETR lhn lip lnm<LF>
[Rx] GETR0000 lhn=V750-BA50C04 lip=192.168.1.1 lnm=255.255.255.0 <LF>
Example 3) When [RS-232C Baud rate; 19200bps, Data length; 7 bit, Parity; even, and Stop; 1bit] is
read:
[Tx] GETR rbr rdt rpb rsb<LF>
[Rx] GETR0000 rbr=19200 rdt=7 rpb=E rsb=1<LF>
[Tx] GETR rbr rdt rpb rsb<LF>
[Rx] GETR0000 rbr=19200 rdt=7 rpb=E rsb=1<LF>

V750 RFID READER/WRITER, ANTENNA 2006-06, REV.C
OPERATION MANUAL 71 of 110 ©OMRON CORPORATION 2006
3.1.5.3 Reader/Writer operation conditions
Specifying following option in the operation setting command (SETO) or operation read command
(GETO) enables to set or read the Reader’s operation conditions.
Reader Network Settings (GETR/SETR)
Code Content User setting value Factory Settings
CLI Receiver of response
after command
execution.
0:None
1:Ethernet
2:RS-232C
1:Ethernet
IEC Initial Executed
Command. Executed
command at startup.
Executed command sequence(実行されるコ
マンド)
Example
RDID –seq SOC –tmo 500
(None)
IN1
Input port #1 function
setting
Function
0:None
1:Command execution
Timing
0:Startup
Command
Example
1 0 “RDID –seq SOC –tmo 500”
(None)
IN2 Input port #2 function
setting Same as IN1 (None)
IN3 Input port #3 function
setting Same as IN1 (None)
IN4 Input port #4 function
setting Same as IN1 (None)
OT1
Output port #1 function
setting
Timing
00:None
11:RUN output
12:ERR output
20:COM output
2n:ATn: Current antenna(s) (n=1~4)
31:NML (evaluated normal completion)
32:ERR (evaluated completion with error
occurring)
Output time
10∼2550 (ms)
0:Status kept until upcoming evaluation.
-Output time is effective only for NML/ ERR
setting
Evaluation condition
* Refer to the following list.
(None)
ng
OT2 Output port #2 function
setting Same as OT1 (None)

V750 RFID READER/WRITER, ANTENNA 2006-06, REV.C
OPERATION MANUAL 72 of 110 ©OMRON CORPORATION 2006
OT3 Output port #3 function
setting Same as OT1 (None)
OT4 Output port #4 function
setting Same as OT1 (None)
● If the NML mode is specified in output function setting, you can set conditions by using the following format.
Condition(A)
Condition(B) Dynamic comparison
data “DAT”: data (リードしたタグデータ)
“TCT”: tag count (リードしたタグ枚数)
Comparison operators “==”:Data match
”!=”:Data unmatch
“>=”:data value or more
”<=”:data or less
When comparison data is “TCT”, the code is able to be
specified.
Static comparison
data 00∼ [Hex]
*mark is a wild card (effective only for Data matched or Data
unmatched )
Logical operator “&”:AND operator
Format: condition A & condition B
“|”: OR operator
Format: condition A | condition B
* If there is no condition to be set or condition (A) is set, condition (B) shall not be included in the setting.
Ex.) When the characters from 5th to 8th in read data or when the number of tags is 8 or more,
"DAT==XXXX0000|TCT>=8"
● In the case that ERR mode is specified for output function setting, you can set conditions with the following format.
Conditions Error code specifying.
Error code: Specified error has occurred (Max 6 code can be specified.)
ex. ”7071”・・・
* If there is no condition to be set, any condition shall not be specified.
Ex.) When communication error or verify error has been occurred,
"dat==7071"

V750 RFID READER/WRITER, ANTENNA 2006-06, REV.C
OPERATION MANUAL 73 of 110 ©OMRON CORPORATION 2006
(1) Set Operation of Reader (SETO: ST Operation)
This command is to write operation conditions into the nonvolatile memories in the Reader/Writer. The
new setting shall be enabled at the upcoming startup.
Command SETO (S) param1=value1<LF>
Putting equal between a single setting item and a setting value specifies the
value (no need to put ‘-‘ before setting item).
* Multiple setting items can not be applicable.
Response SETO0000<LF>
*(S) Space Character
Example 1) When the receiver of response after command execution is set RS-232,
[Tx] SETO cli=2<LF>
[Rx] SETO0000<LF>
Example 2) When the executed command at the start up is set as [rdid -ant 122322 -tmo 100] ,
[Tx] SETO iec="rdid -ant 122322 -tmo 100"<LF>
[Rx] SETO0000<LF>
Example 3) When Input 1 function setting is set as [Command execution, start up edge," rdid -
ant 122322 -tmo 100"],
[Tx] SETO in1=1 0 "rdid -ant 122322 -tmo 100"<LF>
[Rx] SETO0000<LF>
Example 4) When output 2 function setting is set [output time;500ms when ERR],
[Tx] SETO ot2=01 500
[Rx] SETO0000<LF>
Example 5) When output 2 function setting is set as; if data read from memory bank1 and
address 2 is XXXX0000 after data read completes normally, output status shall be kept until
upcoming evaluation, 出力 3機能設定を、正常読取り完了時、メモリバンク 1、アドレス 2から読
み出したデータが XXXX0000 のときに次回の判定まで出力状態を保持する場合
[Tx] SETO ot3=31 0 1 2 dat=XXXX0000
[Rx] SETO0000<LF>

V750 RFID READER/WRITER, ANTENNA 2006-06, REV.C
OPERATION MANUAL 74 of 110 ©OMRON CORPORATION 2006
(2) Get operation of reader (GETO: GET Operation)
This command allows the Reader/Writer to read the current operation conditions. Even after setting
operation command (SETO) is executed, the old information shall be read out unless the reboot is
completed.
Command GETO (S) param1 (S) ... param n<LF>
Specifies a single setting item. (not required ‘-‘ before the item)
* Multiple setting items cannot not be specified.
Response GETO (S) param1=value1 (S)<LF>
*(S) Space Character
Example 1) When executed command is read at startup,
[Tx] GETO iec<LF>
[Rx] GETO0000 iec=" rdid -ant 122322 -tmo 100"<LF>
Example 2) When Input 1 function setting is read,
[Tx] GETO in1<LF>
[Rx] GETO0000 in1=1 0 "rdid -ant 122322 -tmo 100"<LF>
Example 3) When Output 1 function setting is read,
[Tx] GETO ot1<LF>
[Rx] GETO0000 ot2="31 0 mbk 1 dpt 2 dat=XXXX0000"<LF>

V750 RFID READER/WRITER, ANTENNA 2006-06, REV.C
OPERATION MANUAL 75 of 110 ©OMRON CORPORATION 2006
3.1.5.4 Setting for Communication Conditions
To setting the conditions to communicate with tags, following items shall be specified in the SET
Communication command (SETC) and GET Communication command (GETC). Specifying following option
allows the Reader/Writer to set or read the communication condition. To write the setting data into the
nonvolatile memories in the Reader/Writer, SAVE communication setting command (SAVE) shall be executed.
Smoothing Function (GETC/SETC)
Code Content User setting value Factory
Settings
Value setting Value selecting
SBF Prevents repeat read
(Smoothing Buffer)
-Min: 0
-Max: 999
-Step: 1
0:Disable
ONR Omit No Tag Response 0:Disable
1:Enable
0:Disable
Filtering Function (GETC/SETC)
Code Content User setting value Factory
Settings
Value setting Value selecting
FTE Filtering Enable 0:None
1:Filter1
2:Filter2
1&2:Filter1 and Filter2
1|2: Filter1 or Filter2
0:None
FT1
Filtering condition 1
Filter type:0
MemBank:0-3
Pointer:0x00…0xFF(bit)
Length:0x00…0xFF(bit)
Value:0x0…(Hex)
(None)
FT2 Filtering condition 2 Same as FT1 (None)
RF Control Conditions (GETC/SETC)
Code Content User setting value Factory
Settings
Value setting Value selecting
SS1 Gen2 Session value
In case of Once Mode
reading
0
1
2
3
0
SS2 Gen2 Session value
In case of Repeat Mode
reading
0
1
2
3
2
PW1
UHF Power Level (Port1)
-Min: 10.0
-Max: 32.0
-Step: 0.5
31.5 (dBm)
PW2 UHF Power Level (Port2) Same as PW1 31.5 (dBm)
PW3 UHF Power Level (Port3) Same as PW1 31.5 (dBm)
PW4 UHF Power Level (Port4) Same as PW1 31.5 (dBm)
CMD Communication mode 0:Normal mode
1:Dense reader mode
(DRM)
0:Normal
mode

V750 RFID READER/WRITER, ANTENNA 2006-06, REV.C
OPERATION MANUAL 76 of 110 ©OMRON CORPORATION 2006

V750 RFID READER/WRITER, ANTENNA 2006-06, REV.C
OPERATION MANUAL 77 of 110 ©OMRON CORPORATION 2006
(1) SET Communication (SETC)
While the command is being executed, setting conditions in the Reader/ Writer are changed.
This setting is enabled when another communication command is executed. To write the setting data into
the nonvolatile memories in the Reader/Writer, SAVE communication setting command (SAVE) shall be
executed. The new setting shall be enabled at the upcoming startup.
Command SETC (S) param1=value1 (S)... param n=value n<LF>
It specifies a parameter connecting a setting item to a setting value. (‘The
setting item does not have to be prepended with ‘ -‘ .)
No space shall be put in from the beginning of the setting item to the end of the
setting value unless setting item is ft1 or ft2.
If the setting item is ft1 and/or ft2, the five items shall be specified with space
separation between each item. Instead of space, enclosing double quotations is not
allowable.
In a single command, multiple setting items can be specified by separating with
space. A 2 or more character space is acceptable for indicating separation.
Response SETC0000<LF>
*(S) Space Character
Example 1) When [Port 1 power; 10, Session; S1]is specified:
[Tx] SETC cp1=10 ss1=1<LF>
[Rx] SETC0000<LF>
Example 2) When [Filter; 1 or 2, Filter1; Bank 1, Address; 20, Dat; 0x**11, Filter2; Bank 1, Data Pointer; 20,
Dat; 0x1211] is specified:
[Tx] SETC ft1=0 1 20 XX11<LF>
[Rx] SETC0000<LF>
[Tx] SETC ft2=0 1 20 1211<LF>
[Rx] SETC0000<LF>
[Tx] SETC fte=1|2 <LF>
[Rx] SETC0000<LF>

V750 RFID READER/WRITER, ANTENNA 2006-06, REV.C
OPERATION MANUAL 78 of 110 ©OMRON CORPORATION 2006
(2) GET Communication (GETC)
This command allows the Reader/ Writer to read the current communication conditions. Just after SET
Communication command (SETC) is executed, new information shall be read out.
Command GETC (S) param1 (S) param n<LF>
It specifies a parameter connecting a setting item to a setting value. (‘The setting
item does not have to be prepended with ‘ -‘ .)
In a single command, multiple setting items can be specified by separating with
space. (A 2 or more character space is acceptable for indicating separation.)
Response GETC0000 (S) param1=value1 (S) ... param n=value n<LF>
If multiple items are specified, the Reader/Writer shall return response with
connecting specified items to the setting values with equal in the specified order.
Alphabetical characters included in the item name in the response shall be small
characters.
If the setting item is ft1 and/or ft2, the five items shall be returned with space
separation between each item. Double quotations shall not be used for enclosing.
*(S) Space Character
Example 1) When [UHF power, Session] is read out:
[Tx] GETC cpw ss1<LF>
[Rx] GETC0000 cpw=10 ss1=1<LF>
Example 2) When [Filter setting, Filter condition 1, Filter condition 2] is read out:
[Tx] GETC fte fl1 fl2<LF>
[Rx] GETC0000 fte=1&2 ft1=0 1 20 XX11 ft2=0 1 20 1211<LF>

V750 RFID READER/WRITER, ANTENNA 2006-06, REV.C
OPERATION MANUAL 79 of 110 ©OMRON CORPORATION 2006
(3) SAVE communication setting (SAVE)
This command allows the Reader/Writer to write communication setting into the nonvolatile memories in
the Reader/Writer. If SET Communication command (SETC) is executed and then the Reader/ Writer is
started up without executing this command(SAVE), new setting will be abandoned.
Command SAVE<LF>
No arguments.
* In the future, the function will be extended so that the Reader/Writer can write data
into a certain area with specifying the area.
ex. SAVE 0(<= specified area number )
Response SAVE0000<LF>
Example 1) When communication setting is saved (New setting is written into the nonvolatile memory):
[Tx] SAVE
[Rx] SAVE0000

V750 RFID READER/WRITER, ANTENNA 2006-06, REV.C
OPERATION MANUAL 80 of 110 ©OMRON CORPORATION 2006
3.1.5.5 Control Command
(1)INITialize setting (INIT)
This command initializes all setting of reader so that all setting will return to factory default
setting. All setting shall be written into the inner nonvolatile memories. After executing this
INIT command, the Reader/Writer requires reboot.
Command INIT<LF>
No argument
ex. INIT 1(← Initilized range)
Response INIT0000<LF>
Example 1) All setting of reader is initialized to the factory default setting.
[Tx] INIT
[Rx] INIT0000

V750 RFID READER/WRITER, ANTENNA 2006-06, REV.C
OPERATION MANUAL 81 of 110 ©OMRON CORPORATION 2006
(1) External Input Output control (EXIO)
This command allows the Reader /Writer to output ON/OFF to the output terminal and read an
input terminal status. If output setting value is omitted, the Reader/Write shall read the input
status only.
Command EXIO <LF> (For only input status read)
EXIO (S) outd<LF> (For output specifying)
outd: For OUT1-4, values are set with four characters (left to the right; 1-4)
(”0”-OFF/”1”-ON/”*”-Don’t care)
Response EXIO0000 (S) inpd (S) outd<LF>
inpd: For IN1-4, values 2-4 are set with four characters (left to the right).
(”0”-OFF/”1”-ON)
*(S) Space Character
Example 1) When [Output 1; High, Output 2; Low, Output 3; High, Output 4; Low] is specified:
[Tx] EXIO 1010
[Rx] EXIO0000 1111 1010
Example 2) When [Getting I/O status] is specified:
[Tx] EXIO<LF>
[Rx] EXIO0000 1011 1001<LF> (From the left side, the following status is shown;
IN1...IN4, OUT1…OUT4)

V750 RFID READER/WRITER, ANTENNA 2006-06, REV.C
OPERATION MANUAL 82 of 110 ©OMRON CORPORATION 2006
(2) RESeT (RSET)
This command reboots the Reader/Writer after the Reader/ Writer returns the response indicating
command receipt.
Command RESET<LF>
Nor arguments.
* In the future, the function will be extended so that it can specify reset level.
ex. RESET 1 (<= Reset level)
Response REST0000<LF>
Example 1) When all the settings of the Reader/Writer are initialized to factory default setting:。
[Tx] REST<LF>
[Rx] REST0000<LF>
(3) STOP the operation (STOP)
This command instructs the Reader/Writer to stop the operation in process.
Command STOP<LF>
No arguments
Response STOP0000<LF>
Example 1) When the Reader/Writer stops multi-repeat communication:
[Tx] RDID -seq MRP -ant 12 ---- ReaD ID command starts multi-repeat.
[Tx] STOP<LF>
[Rx] STOP0000<LF>

V750 RFID READER/WRITER, ANTENNA 2006-06, REV.C
OPERATION MANUAL 83 of 110 ©OMRON CORPORATION 2006
(4) Good BYE (GBYE) - Connection shut down
This command enables to shut down connection with Ethernet. This command is valid only when
Connection Method is Passive. (Error occurs if the mode is Active.) The communication of response that
indicates command receipt is shut down (disconnected?) after sending.
Command GBYE<LF>
No argument
Response GBYE0000<LF>
Example 1) All setting of the reader shall be initialized to factory default setting.
[Tx] GBYE<LF>
[Rx] REST0000<LF>

V750 RFID READER/WRITER, ANTENNA 2006-06, REV.C
OPERATION MANUAL 84 of 110 ©OMRON CORPORATION 2006
(6) RERESponse (RERES)
This command instructs the Reader/Writer to re-send the latest response data that has been sent. This
command shall not be accepted when the other command such as Repeat mode is being processed.
REPEAT 系
Command RRES<LF>
No argument
Response (The latest response)
Example 1) When the host requests to resend the response for the External Input Output control command
(EXIO) that has been executed most lately.
[Tx] RRES<LF>
[Rx] EXIO0000 1011 1001<LF>

V750 RFID READER/WRITER, ANTENNA 2006-06, REV.C
OPERATION MANUAL 85 of 110 ©OMRON CORPORATION 2006
(4) TEST (TEST)
This command instructs the Reader/ Writer to return the exact data message just after receiving it from
the host. It is to test a communication line.
Command TEST (S) TestData<LF>
Response TEST0000 (S) TestData<LF>
*(S) Space Character
Example 1) When test data “123456789”is entered to check a communication status between the host and the
Reader/Writer:
[Tx] TEST 1234567890
[Rx] TEST0000 1234567890

V750 RFID READER/WRITER, ANTENNA 2006-06, REV.C
OPERATION MANUAL 86 of 110 ©OMRON CORPORATION 2006
(8) Noise level check (NOIS)
This command is to check the noise level of specified antenna.
Command NOIS (S) antenna <LF>
antenna: the port number of antenna (1-4) that is to check the noise level.
Response NOIS0000 (S) ch1 (S) ch2 (S) ch3
・・・
(S) chn<LF>
ch1-n: Noise level of each communication channel. (S:n=50,EU:n=10,JP:n=9)
* Absolute value (not db unit) For the graph via Web site, the level will be
plotted with log.
*(S) Space Character
Example 1) Noise level check for the antenna port 1(US version).
[Tx] NOIS 1<LF>
[Rx] NOIS0000 1111 2222 3333 4444 ・・・・ nnnn<LF>

V750 RFID READER/WRITER, ANTENNA 2006-06, REV.C
OPERATION MANUAL 87 of 110 ©OMRON CORPORATION 2006
Note:
Q
A parameter that an Interrogator uses to regulate the probability of Tag response. An Interrogator commands
Tags in an inventory round to load a Q-bit random (or pseudo-random) number into their slot counter; the
Interrogator may also command Tags to decrement their slot counter. Tags reply when the value in their slot
counter (i.e. their slot . see below) is zero. Q is an integer in the range (0,15); the corresponding Tag response
probabilities range from 20 = 1 to 2.15 = 0.000031.
Session
An inventory process comprising an Interrogator and an associated Tag population. An Interrogator chooses
one of four sessions and inventories Tags within that session. The Interrogator and associated Tag population
operate in one and only one session for the duration of an inventory round (defined above). For each session,
Tags maintain a corresponding inventoried flag. Sessions allow Tags to keep track of their inventoried status
separately for each of four possible time-interleaved inventory processes, using an independent inventoried
flag for each process.

V750 RFID READER/WRITER, ANTENNA 2006-06, REV.C
OPERATION MANUAL 88 of 110 ©OMRON CORPORATION 2006
3.2 Examples
Examples given in this chapter are provided as a guide for the user in determining suitability and does not
constitute a warranty. Users must verify operation in their specific environment and application.
3.2.1 Example 1
To read tags attached to cases passed through a gate on a conveyer, the client software finds tags using 2
antennas. For the example pictured below, the command is as follows:
SELECT id, antenna_id FROM tag_id WHERE (antenna_id=1 OR antenna_id=2) AND
protocol_id='GEN2' AND read_count>1 SET time_out=500;
Then the reader continues to read tags through the gate.
3.2.2 Example 2
To read tags and send a response repeatedly every 1 second using one antenna. For the example pictured
below, the command is as follows:
DECLARE query1 CURSOR FOR SELECT id FROM tag_id WHERE antenna_id=1 AND
protocol_id='EPC1' SET time_out=500;
SET AUTO query1=ON, repeat=1000;
cases
conve
y
o
r
antenna 2
antenna 1
ta
g
antenna 1

V750 RFID READER/WRITER, ANTENNA 2006-06, REV.C
OPERATION MANUAL 89 of 110 ©OMRON CORPORATION 2006

V750 RFID READER/WRITER, ANTENNA 2006-06, REV.C
OPERATION MANUAL 90 of 110 ©OMRON CORPORATION 2006
3.2.3 Example 3
To synchronize two readers see the following instructions.
On Reader 1:
DECLARE cursor_one CURSOR FOR SELECT id FROM tag_id WHERE protocol_id='EPC1' SET
time_out=300;
SET auto_time cursor_one = '2005-02-01T13:00:00Z', repeat=1000;
The first reader will start reading for no less than 300 ms at just 13 o’clock, and it will repeat the command
1000ms.
On Reader 2:
DECLARE cursor_two CURSOR FOR SELECT id FROM tag_id WHERE protocol_id='GEN2' AND
read_count>1 SET time_out=300;
SET auto_time cursor_two = '2005-02-01T13:00:00.5Z', repeat = 1000;
The second reader will start reading for no less than 300ms starting at time 0.5 second after 13 o’clock, and it
will repeat the command every 1000ms.
The effect will be that each reader will have a almost 50% duty cycle with each one only active when the other
one is off.
Reader 1
Reader 2

V750 RFID READER/WRITER, ANTENNA 2006-06, REV.C
OPERATION MANUAL 91 of 110 ©OMRON CORPORATION 2006
3.2.4 Example 4
【System example of self-operation】
Simplified setting operation provides low-cost system.
[1] Automated pass check at a portal gate.
When products with tags pass through the portal, the R/W can check whether it reads specified
quantity of tags or not. Then the R/W reports the judgment; passing OK or not, to the operator.
■ Operating conditions
Item Registered contents
Start Up ID read, Multi Repeat
OUT1 Outputs tms when read tag count is 9.
OUT2 Communication status output
OUT3 Output tms when read tag count is other than 9.
OUT1: Blue (100% read)
OUT2: Yellow (Under communication)
OUT3: Red (Read tags insufficient)
TCP/IP
Data control serve
r

V750 RFID READER/WRITER, ANTENNA 2006-06, REV.C
OPERATION MANUAL 92 of 110 ©OMRON CORPORATION 2006
3.2.5 Example 5
[2]コンベアの自動仕分け
行先情報が書き込まれたタグを読み出し、該当する行先のものだけを検出してパルスを出力する場合。何ら
かの異常で読み出しができなかった場合には、異常パルスを出力する。
■システム構成
■設定と動作フロー
動作条件の設定
項目 登録内容
IN1 IDリード , Single Repeat
OUT1 データ一致時 OUT1 をtms 出力
OUT2 異常終了時に OUT2 を出力
Input1 入力
異常出力パルス
一致出力パルス
データ読出し(E)
正常終了
データ一致(D)
電源 ON
N
Y
N
Y
N
Y
高速移動
タグ
通信処理
通信処理
通信処理
tms tms (データ不一致)
(データ一致) (データ一致)
トリガ入力(IN)
一致出力(OUT1)
異常出力(OUT2)
一致出力
異常出力
トリガ入力
(同期センサ)
アンテナ
OMRON
一致出力
異常出力
トリガ入力
(同期センサ)
アンテナ
OMRON

V750 RFID READER/WRITER, ANTENNA 2006-06, REV.C
OPERATION MANUAL 93 of 110 ©OMRON CORPORATION 2006
4. Browser-Based Interface
About this Guide
This installation and usage guide explains how to install the V750 Reader, how to use the browser-based
interface, and how to control the reader remotely.
4.1 Using the Browser-Based Interface 詳細仕様作成中!
7.1 機能構成
Web ブラウザで接続した後の最初の画面は常に Status 画面となる。各々の画面の最上部と最下部には全ペー
ジへのリンクメニューを表示し、1クリックで任意の画面に移動することができる。Status やHelp 画面から他
の画面(オフライン機能)に移動する際には、Ethernet/RS-232C からのコマンドが受け付けられなくなる旨
のWarning Message を出し、OK の場合のみに移行する。オフライン機能は同時に1接続のみで使用可能。

V750 RFID READER/WRITER, ANTENNA 2006-06, REV.C
OPERATION MANUAL 94 of 110 ©OMRON CORPORATION 2006
<Safe Mode 時>
[Query]
[Set Reader]
[Utility]
OMRON V740 UHF Reader/Writer
<Safe Mode>
[Status]
Set Reader
Update
Help
OMRON V750 UHF Reader/Writer
Status
[Query]
Set Communication
Set Operation
Set Reader
Utility
Update
Help
OMRON V750 UHF Reader/Writer
Status
Query
[Set Communication]
Set Operation
Set Reader
Utility
Update
Help
OMRON V750 UHF Reader/Writer
Status
Query
Set Communication
Set Operation
Set Reader
[Utility]
Update
Help
OMRON V750 UHF Reader/Writer
Status
Query
Set Communication
Set Operation
Set Reader
Utility
[Update]
Help
OMRON V750 UHF Reader/Writer
Status
Query
Set Communication
Set Operation
Set Reader
Utility
Update
[Help]
[Update]
[Help]
[Status]
オフライン機能
[Set Communication]
[Set Operation]

V750 RFID READER/WRITER, ANTENNA 2006-06, REV.C
OPERATION MANUAL 95 of 110 ©OMRON CORPORATION 2006
4.2 Web Operation
(1) Status 画面
ブラウザでリーダにアクセスした場合、最初に表示される。
①[Static Status(静的情報)]
リーダ起動後に変更されない状態情報を表示する。
・リーダ形式 :V740-BC50C04-US
・バージョン :XXXX-XXXX-XXXX-X(SH ソフト - MB ソフト - ロジック - H/W レベル)
・製造番号 :出荷時に書き込んだ製造管理番号
・MAC アドレス :リーダの MAC アドレス
・[EPC コード] :リーダ自身の EPC コード(コード取得時に対応)
・アンテナ接続状態 :起動時に接続を認識したアンテナ
②[Dynamic Status(動的情報)]
刻々と変化するリーダの状態情報をリアルタイムで表示する。
・Ethernet 状態 :コマンド I/FPort のConnection Method/Connection 有無
・実行中のコマンド :起動元、実行コマンド、状態/結果
・[時刻] :現在時刻 hh:mm:ss [NTP サーバー対応時]
・起動後経過時間 :起動後経過時間 hh:mm:ss
Static Status
Dynamic Status

V750 RFID READER/WRITER, ANTENNA 2006-06, REV.C
OPERATION MANUAL 96 of 110 ©OMRON CORPORATION 2006
(2) Query 画面
実際にコマンドを発信し、実行結果を表示することができる。
実行するコマンドの主なオプションは、すべて画面クリックで選択することができ、コマンド体系を熟
知しないユーザでも簡単に操作することができる。また、コマンドラインを編集することを可能にし、熟
達したユーザが自由にコマンドを実行することもできる。
コマンドオプション選択
コマンド編集領域
実行結果表示領域

V750 RFID READER/WRITER, ANTENNA 2006-06, REV.C
OPERATION MANUAL 97 of 110 ©OMRON CORPORATION 2006
(3) Set Reader 画面
リーダの機能情報を表示、設定変更する。
・リーダ定義 :ユーザー定義のリーダ名称/リーダ役割(設置位置など)
・LAN 設定 :[機能](機能拡張時に対応)、Host、Domain、DHCP、IP Address、Net Mask、Gateway、
[DNS Server]、[Connection Method]、[Default Host/Port]、[NTP Server]、
[SNMP Server]
・RS-232C 設定 :[機能] (機能拡張時に対応※)、ボーレート、データ構成、[RS/CS 制御有無](機能
拡張時に対応)
※RS-232C 接続の拡張 I/O 対応など、システム I/F 以外に使用する場合
・[制御ポート] :機能[スキャン接続、アンテナ切替機、など](機能拡張時に対応)
設定反映ボタン
設定項目
設定ファイル指定 リセットボタン

V750 RFID READER/WRITER, ANTENNA 2006-06, REV.C
OPERATION MANUAL 98 of 110 ©OMRON CORPORATION 2006
(4)Set Operation 画面
リーダの動作条件の情報を表示、設定変更する。
・コマンド実行後返信先 :登録コマンド実行後の返信先−NON/Ethernet/RS-232C
・電源 ON 動作 :実行コマンド列
・入力1∼4動作 :機能−なし(ユーザ)/コマンド登録、[起動](機能拡張時に対応※)、実行コマンド
列
※信号立上り時に以外の起動条件に対応した場合
・出力1∼4動作 :機能−なし(ユーザ)/状態出力/交信結果判断出力、出力時間、条件
(出力時間と条件は機能を交信結果判断出力時に有効)
設定反映ボタン
設定項目

V750 RFID READER/WRITER, ANTENNA 2006-06, REV.C
OPERATION MANUAL 99 of 110 ©OMRON CORPORATION 2006
(5) Set Communication 画面
タグとの交信設定条件を表示、設定変更する。
・Smoothing 機能 :2度読み防止機能、不在レスポンス省略
・Filtering 機能 :有効/無効、Filtering 条件1−[タグ種類※]/パラメータ(MemBank、Pointer、
Length、Data)
※Gen2 以外のタグの Filtering 機能に対応する場合
・RF 制御条件 :使用 Session、アンテナ出力レベル、交信実行モード、[LBT 使用]、、[ライト
ベリファイ有無]
一斉に設定変更する場合は、所定のフォーマットで項目とその値を記述したファイルをアップロードす
ることで、反映させることができる。
各項目の値を記入し、[設定反映ボタン]を押すと、設定が変更される。
[リセットボタン]を押すと、設定値がすべてデフォルト状態に戻される。
設定反映ボタン
設定項目
設定ファイル指定 リセットボタン

V750 RFID READER/WRITER, ANTENNA 2006-06, REV.C
OPERATION MANUAL 100 of 110 ©OMRON CORPORATION 2006
(6) Utility 画面
リーダを操作する上で、補助となる以下の 2つの機能を提供する。
①Channel RF Monitor
各チャネルでの電波の出力状態をモニタリング表示する。
②Log Data 表示
起動後に発生したエラーの履歴を最新エラーログと統計エラーログの種類の形式で表示する。リセッ
トにより履歴情報はクリアされる。
最新エラーログでは、直前に発生した最大 32 件のエラーを、実行したコマンドコードとエラーコー
ド(4桁)で表示する。
統計エラーログでは、各エラーコード(上2桁)毎に発生した回数を表示する。回数の最大は 65535
回である。これ以上に発生した場合にはカウントアップされない。(下記の画面イメージ)
機能切り替え
チャネル状態
表示データ選択
ログデータ表示
エラーコード エラー発生回数、発生率

V750 RFID READER/WRITER, ANTENNA 2006-06, REV.C
OPERATION MANUAL 101 of 110 ©OMRON CORPORATION 2006
(7) Update 画面
ファームウェアのアップグレード時に、ファームウェアファイルを指定して[更新指示]ボタンを押す
ことによりファームウェアを更新する。
(8) Help 画面
各画面の操作方法、コマンドオプションの意味などを説明する。
ファームウェアファイル指定
更新指示

V750 RFID READER/WRITER, ANTENNA 2006-06, REV.C
OPERATION MANUAL 102 of 110 ©OMRON CORPORATION 2006
4.3 Safe Mode
Use the recessed Safe Mode button on the reader connector panel to recover from errors which prevent the
reader from operating in normal mode. In Safe Mode the reader is configured with a static IP address of
192.168.1.200. Safe mode operation restores factory default settings as follows:
IP Address: 192.168.1.200
Host Name: Mercury4
Although the browser-based interface pages are displayed in red when operating in safe mode, the reader is
still functional, although it cannot read or write tags. In most cases, the reader will need to be reconfigured for
operation with the reader application after starting in Safe Mode.
1. With the reader running, hold down the recessed Mode Switch button for 1 seconds, using a non-
conductive object.
2. Release the button
3. The green LED should turn solid as soon as the button is released, indicating the reader is rebooting. It
should take approximately 30 seconds to boot into Safe Mode. The web server, telnet server and SSH
server run in Safe Mode, however none of the RFID features are activated. To communicate with the
reader in Safe Mode, a PC must have an IP address and subnet mask that are compatible with the reader
settings, for example:
IP address 192.168.1.200
netmask 255.255.255.0
There are two main reasons to enter Safe Mode. One is to perform a firmware update to repair a corrupted
file system. The second is to change settings that are preventing the reader from operating normally.
Both of these tasks can be performed via the web interface.
4. Once the maintenance has been performed, restart the reader to activate the changes. Disconnect power
from the reader.
Mode switch
最終版では、180 度回転
した画像を使用する。

V750 RFID READER/WRITER, ANTENNA 2006-06, REV.C
OPERATION MANUAL 103 of 110 ©OMRON CORPORATION 2006

V750 RFID READER/WRITER, ANTENNA 2006-06, REV.C
OPERATION MANUAL 104 of 110 ©OMRON CORPORATION 2006
5 Characteristics(Reference)
Characteristics data given in this chapter is provided as a guide for the user in determining suitability and does
not constitute a warranty. Actual performance may vary based on actual user conditions.
5.1 Communications Range
GEN2 Tag
Tag is OMRON wave tag.
(V750-D22M01)
3m
2m
1m
Antenna
<Measurement Set-up>
*. There are no RF reflection objects around the Antenna and Tag in the measurement environment.
*. There are some areas where communication is possible outside the communications range shown in the graph by the effect of
reflection off of the ground.
For example, radio anechoic chamber.
*. Class1b:3dB attenuator is attached at the time of measurement with a Antenna.
*. GEN2:DRM off mode
X
Y
Antenna
Tag
1m 2m1m 2m

V740 RFID READER/WRITER, ANTENNA 2006-06, REV.C
OPERATION MANUAL 105 of 110 OMRON CORPORATION 2006
5.2 Communications Time
The following charts show communication time on each protocol. It is influenced on practical matters, for
example radio noise, distance between tags, materials tags are on and other environmental matters.
These charts are generated by plotting and linking average of actual communication time on every 5 tags.
Communication time is measured in shielded room with one reader, so that no reflection and no interference
are considered.
You can refer these charts on determining time out value of RQL command. But you must keep in mind actual
communication time on your environment may not correspond to these charts because of the reasons already
described.
GEN2 Tags
Actual Communication Time (ms)
250
200
150
100
50
0
Number of Tags
5 10 15 20 25 30 35 40
N
umber of Tags:0∼200
DRM ON/OFF
Timeout 値を決定する為のグラフで
あるにもかかわらず実フィールドで
使用するための値としていない。

V740 RFID READER/WRITER, ANTENNA 2006-06, REV.C
OPERATION MANUAL 106 of 110 OMRON CORPORATION 2006
APPENDIX: OUTLINE DRAWINGS
Reader / Writer: (V750-BA50C04-US)
Material : Aluminium

V740 RFID READER/WRITER, ANTENNA 2006-06, REV.C
OPERATION MANUAL 107 of 110 OMRON CORPORATION 2006
Antenna: (V740-HS01LA, V740-HS01CA)
Material: Case PVC, Base plate Aluminum

V740 RFID READER/WRITER, ANTENNA 2006-06, REV.C
OPERATION MANUAL 108 of 110 OMRON CORPORATION 2006
Antenna Cable: (V740-A01-3.0M, V740-A01-10M)
Short cable (V740-A01-3.0M)
Long cable ( V740-A01-10M)

V740 RFID READER/WRITER, ANTENNA 2006-06, REV.C
OPERATION MANUAL 109 of 110 OMRON CORPORATION 2006
Revision History
Catalog No. SRFM – 012 – A
Revision Code Date Reason for revision/revised page
A 2006/10 First edition
Revision Code

V740 RFID READER/WRITER, ANTENNA 2006-06, REV.C
OPERATION MANUAL 110 of 110 OMRON CORPORATION 2006
OMRON CORPORATION
RFID BUSINESS DEVELOPMENT DEPARTMENT
14th Fl., Gate City Osaki West Tower
1-11-1 Osaki, Shinagawa-ku,
Tokyo 141-0032 Japan
Tel: (81)3-5435-2016/Fax: (81)3-5435-2017
Regional Headquarters
OMRON ELECTRONICS LLC
1920 Thoreau Drive Suite 165 Schaumburg, IL 60173
U.S.A.
Tel:
(
1
)
847-303-0780
/
Fax:
(
1
)
847-925-1260
Up-to-date information on RFID Systems can be accessed at OMRON's web site at
http://www.omronrfid.com/
Cat. No. SRFM – 012 - A Note: Specifications sub
j
ect to chan
g
e without notice. Printed in Japan