Omron Master Control Units Users Manual
master control units to the manual 61d2690a-5d22-4e5e-80d5-ec5546c62ac8
2015-01-24
: Omron Omron-Master-Control-Units-Users-Manual-332608 omron-master-control-units-users-manual-332608 omron pdf
Open the PDF directly: View PDF
.
Page Count: 126 [warning: Documents this large are best viewed by clicking the View PDF Link!]
- Front
- CompoBus/S SRM1(-V2) Master Control Units Operation Manual
- Notice:
- TABLE OF CONTENTS
- About this Manual:
- PRECAUTIONS
- SECTION 1 Introduction
- SECTION 2 Specifications and Components
- SECTION 3 Installation and Wiring
- SECTION 4 Using the Programming Console
- 4-1 Basic Operations
- 4-2 Programming Console Operations
- 4-2-1 Overview
- 4-2-2 Clearing Memory
- 4-2-3 Reading/Clearing Error Messages
- 4-2-4 Buzzer Operation
- 4-2-5 Reading UM Area Information
- 4-2-6 Setting Expansion Instructions
- 4-2-7 Setting and Reading a Program Memory Address and Monitoring I/O Bit Status
- 4-2-8 Instruction Search
- 4-2-9 Bit Operand Search
- 4-2-10 Inserting and Deleting Instructions
- -4- 2-11 Entering or Editing Programs
- 4-2-12 Checking the Program
- 4-2-13 Bit, Digit, Word Monitor
- 4-2-14 Differentiation Monitor
- 4-2-15 Binary Monitor
- 4-2-16 Three-Word Monitor
- 4-2-17 Signed Decimal Monitor
- 4-2-18 Unsigned Decimal Monitor
- 4-2-19 Three-Word Data Modification
- 4-2-20 Changing Timer, Counter SV
- 4-2-21 Hexadecimal, BCD Data Modification
- 4-2-22 Binary Data Modification
- 4-2-23 Signed Decimal Data Modification
- 4-2-24 Unsigned Decimal Data Modification
- 4-2-25 Force Set, Reset
- 4-2-26 Clear Force Set/Reset
- 4-2-27 Hex-ASCII Display Change
- 4-2-28 Displaying the Cycle Time
- SECTION 5 Test Runs and Error Processing
- SECTION 6 Expansion Memory Unit
- Appendix
- Glossary
- Index
- Revision History

Cat.No. W318–E1–4
Master Control Units
CompoBus/S
SRM1(-V2)
OPERATION MANUAL

CompoBus/S
SRM1(-V2) Master Control Units
Operation Manual
Revised May 2000

!
!
!
v
Notice:
OMRON products are manufactured for use according to proper procedures by a qualified operator
and only for the purposes described in this manual.
The following conventions are used to indicate and classify precautions in this manual. Always heed
the information provided with them. Failure to heed precautions can result in injury to people or dam-
age to property.
DANGER Indicates an imminently hazardous situation which, if not avoided, will result in death or
serious injury.
WARNING Indicates a potentially hazardous situation which, if not avoided, could result in death or
serious injury.
Caution Indicates a potentially hazardous situation which, if not avoided, may result in minor or
moderate injury, or property damage.
OMRON Product References
All OMRON products are capitalized in this manual. The word “Unit” is also capitalized when it refers
to an OMRON product, regardless of whether or not it appears in the proper name of the product.
The abbreviation “Ch,” which appears in some displays and on some OMRON products, often means
“word” and is abbreviated “Wd” in documentation in this sense.
The abbreviation “PC” means Programmable Controller and is not used as an abbreviation for any-
thing else.
Visual Aids
The following headings appear in the left column of the manual to help you locate different types of
information.
Note Indicates information of particular interest for efficient and convenient operation
of the product.
1, 2, 3... 1. Indicates lists of one sort or another, such as procedures, checklists, etc.
OMRON, 1997
All rights reserved. No part of this publication may be reproduced, stored in a retrieval system, or transmitted, in any
form, or by any means, mechanical, electronic, photocopying, recording, or otherwise, without the prior written permis-
sion of OMRON.
No patent liability is assumed with respect to the use of the information contained herein. Moreover, because OMRON is
constantly striving to improve its high-quality products, the information contained in this manual is subject to change
without notice. Every precaution has been taken in the preparation of this manual. Nevertheless, OMRON assumes no
responsibility for errors or omissions. Neither is any liability assumed for damages resulting from the use of the informa-
tion contained in this publication.
TABLE OF CONTENTS
vii
PRECAUTIONS xi. . . . . . . . . . . . . . . . . . . . . . . . . . . . . . . . .
1 Intended Audience xii. . . . . . . . . . . . . . . . . . . . . . . . . . . . . . . . . . . . . . . . . . . . . . . . . . . . . . . . . . .
2 General Precautions xii. . . . . . . . . . . . . . . . . . . . . . . . . . . . . . . . . . . . . . . . . . . . . . . . . . . . . . . . . .
3 Safety Precautions xii. . . . . . . . . . . . . . . . . . . . . . . . . . . . . . . . . . . . . . . . . . . . . . . . . . . . . . . . . . .
4 Operating Environment Precautions xiii. . . . . . . . . . . . . . . . . . . . . . . . . . . . . . . . . . . . . . . . . . . . .
5 Application Precautions xiii. . . . . . . . . . . . . . . . . . . . . . . . . . . . . . . . . . . . . . . . . . . . . . . . . . . . . .
SECTION 1
Introduction 1. . . . . . . . . . . . . . . . . . . . . . . . . . . . . . . . . . . .
1-1 SRM1 Features and Functions 2. . . . . . . . . . . . . . . . . . . . . . . . . . . . . . . . . . . . . . . . . . . . . .
1-2 System Configuration 3. . . . . . . . . . . . . . . . . . . . . . . . . . . . . . . . . . . . . . . . . . . . . . . . . . . . .
1-3 Procedures From System Design to Test Operation 7. . . . . . . . . . . . . . . . . . . . . . . . . . . . .
1-4 I/O and Data Area Allocations 8. . . . . . . . . . . . . . . . . . . . . . . . . . . . . . . . . . . . . . . . . . . . . .
SECTION 2
Specifications and Components 11. . . . . . . . . . . . . . . . . . . .
2-1 Specifications 12. . . . . . . . . . . . . . . . . . . . . . . . . . . . . . . . . . . . . . . . . . . . . . . . . . . . . . . . . . .
2-2 Unit Components 15. . . . . . . . . . . . . . . . . . . . . . . . . . . . . . . . . . . . . . . . . . . . . . . . . . . . . . . .
SECTION 3
Installation and Wiring 17. . . . . . . . . . . . . . . . . . . . . . . . . . .
3-1 System Design 18. . . . . . . . . . . . . . . . . . . . . . . . . . . . . . . . . . . . . . . . . . . . . . . . . . . . . . . . . .
3-2 Selecting an Installation Site 19. . . . . . . . . . . . . . . . . . . . . . . . . . . . . . . . . . . . . . . . . . . . . . .
3-3 Installing the SRM1 20. . . . . . . . . . . . . . . . . . . . . . . . . . . . . . . . . . . . . . . . . . . . . . . . . . . . . .
3-4 Wiring and Connections 21. . . . . . . . . . . . . . . . . . . . . . . . . . . . . . . . . . . . . . . . . . . . . . . . . . .
3-5 One-to-one NT Link 30. . . . . . . . . . . . . . . . . . . . . . . . . . . . . . . . . . . . . . . . . . . . . . . . . . . . . .
3-6 One-to-N NT Link 30. . . . . . . . . . . . . . . . . . . . . . . . . . . . . . . . . . . . . . . . . . . . . . . . . . . . . . .
3-7 One-to-one PC Link Connections 31. . . . . . . . . . . . . . . . . . . . . . . . . . . . . . . . . . . . . . . . . . .
SECTION 4
Using the Programming Console 33. . . . . . . . . . . . . . . . . . .
4-1 Basic Operations 34. . . . . . . . . . . . . . . . . . . . . . . . . . . . . . . . . . . . . . . . . . . . . . . . . . . . . . . .
4-2 Programming Console Operations 36. . . . . . . . . . . . . . . . . . . . . . . . . . . . . . . . . . . . . . . . . . .
SECTION 5
Test Runs and Error Processing 59. . . . . . . . . . . . . . . . . . . .
5-1 Startup Procedure 60. . . . . . . . . . . . . . . . . . . . . . . . . . . . . . . . . . . . . . . . . . . . . . . . . . . . . . . .
5-2 Entering the Program 62. . . . . . . . . . . . . . . . . . . . . . . . . . . . . . . . . . . . . . . . . . . . . . . . . . . . .
5-3 Test Run 71. . . . . . . . . . . . . . . . . . . . . . . . . . . . . . . . . . . . . . . . . . . . . . . . . . . . . . . . . . . . . . .
5-4 Error Processing 72. . . . . . . . . . . . . . . . . . . . . . . . . . . . . . . . . . . . . . . . . . . . . . . . . . . . . . . . .
5-5 Programming Console Operation Errors 75. . . . . . . . . . . . . . . . . . . . . . . . . . . . . . . . . . . . . .
5-6 Programming Errors 75. . . . . . . . . . . . . . . . . . . . . . . . . . . . . . . . . . . . . . . . . . . . . . . . . . . . . .
5-7 Troubleshooting Flowcharts 77. . . . . . . . . . . . . . . . . . . . . . . . . . . . . . . . . . . . . . . . . . . . . . . .
SECTION 6
Expansion Memory Unit 83. . . . . . . . . . . . . . . . . . . . . . . . . .
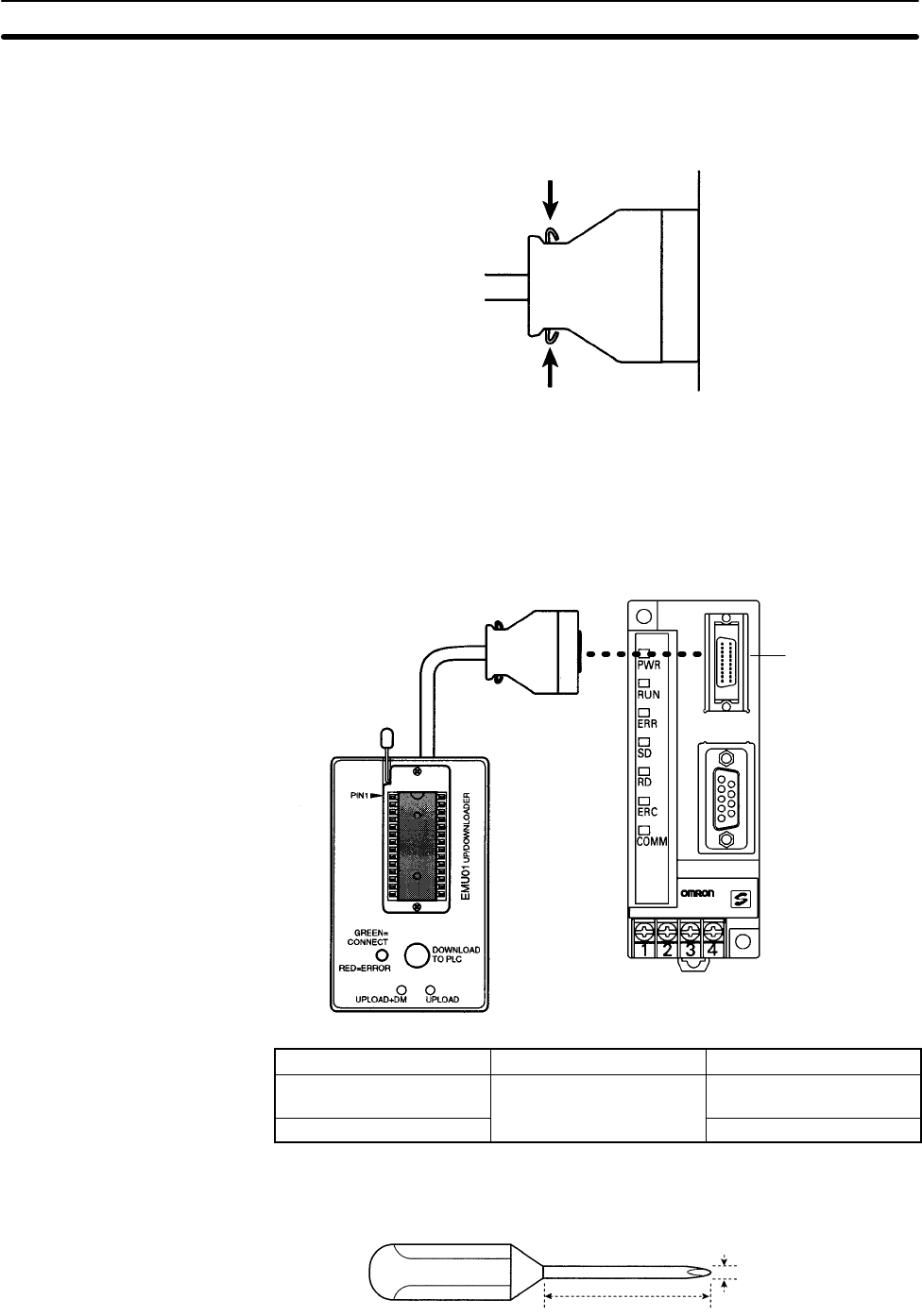
6-1 Overview 84. . . . . . . . . . . . . . . . . . . . . . . . . . . . . . . . . . . . . . . . . . . . . . . . . . . . . . . . . . . . . .
6-2 Specifications and Nomenclature 85. . . . . . . . . . . . . . . . . . . . . . . . . . . . . . . . . . . . . . . . . . .
6-3 Handling 86. . . . . . . . . . . . . . . . . . . . . . . . . . . . . . . . . . . . . . . . . . . . . . . . . . . . . . . . . . . . . . .
TABLE OF CONTENTS
viii
Appendices
A Standard Models 93. . . . . . . . . . . . . . . . . . . . . . . . . . . . . . . . . . . . . . . . . . . . . . . . . . . . . . . . . . .
B External Dimensions 97. . . . . . . . . . . . . . . . . . . . . . . . . . . . . . . . . . . . . . . . . . . . . . . . . . . . . . . .
Glossary 99. . . . . . . . . . . . . . . . . . . . . . . . . . . . . . . . . . . . . . .
Index 115. . . . . . . . . . . . . . . . . . . . . . . . . . . . . . . . . . . . . . . . . .
Revision History 119. . . . . . . . . . . . . . . . . . . . . . . . . . . . . . . . .

ix
About this Manual:
The SRM1 is a special CompoBus/S controller that provides remote I/O with greatly reduced wiring. A
distributed I/O system with up to 32 Slaves and 256 I/O points can be constructed. There are two manuals
describing the setup and operation of the SRM1: The SRM1(-V2) Operation Manual (this manual) and the
CPM1/CPM1A/CPM2A/CPM2C/SRM1(-V2) Programming Manual (W353).
This manual describes the system configuration and installation of the SRM1 and provides a basic ex-
planation of operating procedures for the Programming Consoles and introduces the capabilities of the
SYSMAC Support Software (SSS). Read this manual first to acquaint yourself with the SRM1.
The CompoBus/S Operation Manual (W266) provides descriptions of the CompoBus/S system and
Units.
The CPM1/CPM1A/CPM2A/CPM2C/SRM1(-V2) Programming Manual (W353) provides detailed de-
scriptions of the SRM1’s programming functions. The SYSMAC Support Software (SSS) Operation
Manuals: Basics (W247) and C-series PCs (W248) provide descriptions of SSS operations for the SRM1
and C-series PCs.
The SYSMAC-CPT Support Software Quick Start Guide (W332) and User Manual (W333) provide
descriptions of ladder diagram operations in the Windows environment.
The WS02-CXPC1-E CX-Programmer User Manual (W361) and the CX-Server User Manual (W362)
provide details of operations for the WS02-CXPC1-E CX-Programmer.
Please read this manual carefully and be sure you understand the information provide before attempting
to install and operate the SRM1.
Section 1 describes the SRM1’s special features and functions and shows the possible system configu-
rations.
Section 2 provides the technical specifications of the SRM1 and describes its main components.
Section 3 explains how to install and wire the SRM1. Be sure to follow the instructions contained here
concerning the control panel, power supply, CompoBus/S transmissions, and RS-232C Port wiring.
Section 4 explains how to use the Programming Console. Be sure to read this section carefully if you are
not already familiar with Programming Console operations.
Section 5 describes procedures for trial runs of SRM1 operation, self-diagnosis functions, and error pro-
cessing to identify and correct the hardware and software errors that can occur during operation.
Section 6 describes how to use the CPM1-EMU01-V1 Expansion Memory Unit. Follow the handling pre-
cautions and procedures to properly use the Unit.
Appendix A provides a list of standard models.
Appendix B provides the external dimensions.
WARNING Failure to read and understand the information provided in this manual may result in
personal injury or death, damage to the product, or product failure. Please read each
section in its entirety and be sure you understand the information provided in the section
and related sections before attempting any of the procedures or operations given.
!
xi
PRECAUTIONS
This section provides general precautions for using the SRM1 and related devices.
The information contained in this section is important for the safe and reliable application of the SRM1. You must read
this section and understand the information contained before attempting to set up or operate a CompoBus/S System.
1 Intended Audience xii. . . . . . . . . . . . . . . . . . . . . . . . . . . . . . . . . . . . . . . . . . . . . . . . . . . . . . . . . . . .
2 General Precautions xii. . . . . . . . . . . . . . . . . . . . . . . . . . . . . . . . . . . . . . . . . . . . . . . . . . . . . . . . . . .
3 Safety Precautions xii. . . . . . . . . . . . . . . . . . . . . . . . . . . . . . . . . . . . . . . . . . . . . . . . . . . . . . . . . . . .
4 Operating Environment Precautions xiii. . . . . . . . . . . . . . . . . . . . . . . . . . . . . . . . . . . . . . . . . . . . . .
5 Application Precautions xiii. . . . . . . . . . . . . . . . . . . . . . . . . . . . . . . . . . . . . . . . . . . . . . . . . . . . . . . .

!
!
!
!
3Safety Precautions
xii
1 Intended Audience
This manual is intended for the following personnel, who must also have knowl-
edge of electrical systems (an electrical engineer or the equivalent).
•Personnel in charge of installing FA systems.
•Personnel in charge of designing FA systems.
•Personnel in charge of managing FA systems and facilities.
2 General Precautions
The user must operate the product according to the performance specifications
described in the operation manuals.
Before using the product under conditions which are not described in the manual
or applying the product to nuclear control systems, railroad systems, aviation
systems, vehicles, combustion systems, medical equipment, amusement
machines, safety equipment, and other systems, machines, and equipment that
may have a serious influence on lives and property if used improperly, consult
your OMRON representative.
Make sure that the ratings and performance characteristics of the product are
sufficient for the systems, machines, and equipment, and be sure to provide the
systems, machines, and equipment with double safety mechanisms.
This manual provides information for programming and operating the OMRON
SRM1. Be sure to read this manual before attempting to use the software and
keep this manual close at hand for reference during operation.
WARNING It is extremely important that an SRM1 and all CompoBus/S Units be used for the
specified purpose and under the specified conditions, especially in applications
that can directly or indirectly affect human life. You must consult with your
OMRON representative before applying a CompoBus/S System to the
abovementioned applications.
3 Safety Precautions
WARNING Never attempt to disassemble any Units while power is being supplied. Doing so
may result in serious electrical shock or electrocution.
WARNING Never touch any of the terminals while power is being supplied. Doing so may
result in serious electrical shock or electrocution.
WARNING Provide safety measures in external circuits (i.e., not in the Programmable
Controller), including the following items, in order to ensure safety in the system
if an abnormality occurs due to malfunction of the PC or another external factor
affecting the PC operation. Not doing so may result in serious accidents.
•Emergency stop circuits, interlock circuits, limit circuits, and similar safety
measures must be provided in external control circuits.
•The PC will turn OFF all outputs when its self-diagnosis function detects any
error or when a severe failure alarm (FALS) instruction is executed. As a coun-
termeasure for such errors, external safety measures must be provided to en-
sure safety in the system.
•The PC outputs may remain ON or OFF due to deposition or burning of the
output relays or destruction of the output transistors. As a countermeasure for
such problems, external safety measures must be provided to ensure safety in
the system.

!
!
!
!
!
5Application Precautions
xiii
WARNING When transferring programs to other nodes, or when making changes to I/O
memory, confirm the safety of the destination node before transfer. Not doing so
may result in injury.
Caution Execute online edit only after confirming that no adverse effects will be caused
by extending the cycle time. Otherwise, the input signals may not be readable.
4 Operating Environment Precautions
Do not operate the control system in the following places.
•Where the SRM1 is exposed to direct sunlight.
•Where the ambient temperature is below 0°C or over 55°C.
•Where the SRM1 may be affected by condensation due to radical temperature
changes.
•Where the ambient humidity is below 10% or over 90%.
•Where there is any corrosive or inflammable gas.
•Where there is excessive dust, saline air, or metal powder.
•Where the SRM1 is affected by vibration or shock.
•Where any water, oil, or chemical may splash on the SRM1.
Caution The operating environment of the CompoBus/S System can have a large effect
on the longevity and reliability of the system. Improper operating environments
can lead to malfunction, failure, and other unforeseeable problems with the
CompoBus/S System. Be sure that the operating environment is within the spe-
cified conditions at installation and remains within the specified conditions dur-
ing the life of the system.
5 Application Precautions
Observe the following precautions when using the SRM1.
WARNING Failure to abide by the following precautions could lead to serious or possibly
fatal injury. Always heed these precautions.
•Always turn off the power supply to the SRM1 before attempting any of the fol-
lowing.
•Assembling any devices or racks.
•Connecting or disconnecting any cables or wiring.
Caution Failure to abide by the following precautions could lead to faulty operation of the
SRM1 or the system or could damage the SRM1 or CompoBus/S Units. Always
heed these precautions.
•Fail-safe measures must be taken by the customer to ensure safety in the
event of incorrect, missing, or abnormal signals caused by broken signal lines,
momentary power interruptions, or other causes.
•Construct a control circuit so that power supply for the I/O circuits does not
come ON before power supply for the Unit. If power supply for the I/O circuits
comes ON before power supply for the Unit, normal operation may be tempo-
rarily interrupted.
•If the operating mode is changed from RUN or MONITOR mode to PROGRAM
mode, with the IOM Hold Bit ON, the output will hold the most recent status. In
such a case, ensure that the external load does not exceed specifications. (If
operation is stopped because of an operation error (including FALS instruc-
tions), the values in the internal memory of the CPU Unit will be saved, but the
outputs will all turn OFF.)

5Application Precautions
xiv
•Use the Units only with the power supplies and voltages specified in the opera-
tion manuals.
•Take measures to stabilize the power supply to conform to the rated supply if it
is not stable.
•Provide circuit breakers and other safety measures to provide protection
against short-circuiting in external wiring.
•Install all Units according to instructions in the operation manuals.
•Do not install the Units in a place where they are subject to excessive noise in
order to avoid any trouble or malfunction.
•Be sure that all the mounting screws, terminal screws, and cable connector
screws are tightened to the torque specified in the relevant manuals. Incorrect
tightening torque may result in malfunction.
•Double-check all the wiring before turning ON the power supply. Incorrect wir-
ing may result in burning.
•Do not attempt to take any Units apart, to repair any Units, or to modify any
Units in any way.
•Do not apply any impact to the Units.
•Use the cables specified in this manual and in reference manuals. Use crimp
terminals when wiring the terminal block.
•Use a signal wire duct that is separate from the one used for high-tension lines
or power lines.
•Be sure to confirm that the switch settings and wiring are correct before turning
on the power supply.
•Check the user program for proper execution before actually running it on the
Unit. Not checking the program may result in an unexpected operation.
•Confirm that the user programs run properly.
•Confirm that no adverse effect will occur in the system before attempting any of
the following. Not doing so may result in an unexpected operation.
•Changing the operating mode of the PC.
•Force-setting/force-resetting any bit in memory.
•Changing the present value of any word or any set value in memory.
•Before touching the Unit, be sure to first touch a grounded metallic object in
order to discharge any static build-up. Not doing so may result in malfunction or
damage.
•Use, store, and transport the Units within the specifications provided in this
manual.
•Resume operation only after transferring to the new SRM1 the contents of the
DM and HR Areas required for resuming operation. Not doing so may result in
an unexpected operation.
•Do not pull on the cables or bend the cables beyond their natural limit. Doing
either of these may break the cables.
•Do not place objects on top of the cables. Doing so may break the cables.
•When replacing parts, be sure to confirm that the rating of a new part is correct.
Not doing so may result in malfunction or burning.
•Be sure to observe local ordinances and laws when disposing the Units.

!
!
!
5Application Precautions
xv
Caution The following precautions are necessary to ensure the general safety of the sys-
tem. Always heed these precautions.
•Provide double safety mechanisms to handle incorrect signals that can be
generated by broken signal lines or momentary power interruptions.
•Provide external interlock circuits, limit circuits, and other safety circuits in
addition to any provided within the SRM1 to ensure safety.
Caution Be sure to clear the memory before turning on the power supply to the delivered
SRM1. The contents of the Data Memory (DM), Hold Relay (HR), and Counter
(CNT) Areas in the CPU Unit may be cleared and the AR 1314 flag (which turns
ON when the power interruption hold area is not held) may turn ON.
Caution Apply the SRM1 to a system that is not influenced by any undefined data even if
the data in the DM, HR, or CNT area is cleared when the SRM1 has been turned
off for a period exceeding the data backup period of the internal lithium battery.
If the AR 1414 flag is ON, the data will be held unless it is turned OFF by the I/O
Monitor, instructions, etc.
The system can be stopped by designating DM 6604 in the PC Setup so that a
memory error occurs when the power interruption hold area is not held (with
AR 1314 ON)
•A lithium battery in the CPU Unit is used to back up the counter values and the
contents of the DM area, and HR area. The deterioration of the lithium battery
capacity depends on the ambient temperature. The standard service life is 12
years under an ambient temperature of 40_C when operating 8 hours a day.
If the power remains off for a period exceeding the data backup period, the
contents of the Data Memory (DM), Hold Relay (HR), and Counter (CNT)
Areas in the CPU Unit may be cleared and the AR 1314 flag (which turns ON
when the power interruption hold area is not held) may turn ON.
If the contents of the CPU Unit’s program area are lost, the program stored in
flash memory will be read to the CPU Unit’s program area when the SRM1 is
started up because the contents in the read-only area (DM 6144 through
DM 6599) and PC Setup (DM 6600 through DM 6655) will be written to flash
memory.
•However, if the power is turned off without changing the mode even if changes
are made in the read-only DM area (DM 6144 through DM 6599), or PC Setup
(DM 6600 through DM 6655) using a peripheral device, the contents of
changes will not be written to flash memory. Although the data in these areas is
backed up by the lithium battery, contents of changes will disappear if the ser-
vice life of the lithium battery expires. In this case, programs in the flash
memory will be automatically read into the user program memory.
The changes can be saved by switching the SRM1 to RUN or MONITOR mode
or turning off and restarting the SRM1 soon after the changes are made.
1
SECTION 1
Introduction
This section describes the SRM1’s special features and functions and shows the possible system configurations.
1-1 SRM1 Features and Functions 2. . . . . . . . . . . . . . . . . . . . . . . . . . . . . . . . . . . . . . . . . . . . . . .
1-1-1 Features 2. . . . . . . . . . . . . . . . . . . . . . . . . . . . . . . . . . . . . . . . . . . . . . . . . . . . . . . . .
1-1-2 Functions 2. . . . . . . . . . . . . . . . . . . . . . . . . . . . . . . . . . . . . . . . . . . . . . . . . . . . . . . .
1-2 System Configuration 3. . . . . . . . . . . . . . . . . . . . . . . . . . . . . . . . . . . . . . . . . . . . . . . . . . . . . .
1-2-1 Basic Configuration 3. . . . . . . . . . . . . . . . . . . . . . . . . . . . . . . . . . . . . . . . . . . . . . . .
1-2-2 SRM1 Models 4. . . . . . . . . . . . . . . . . . . . . . . . . . . . . . . . . . . . . . . . . . . . . . . . . . . .
1-2-3 Peripheral Connections 5. . . . . . . . . . . . . . . . . . . . . . . . . . . . . . . . . . . . . . . . . . . . .
1-3 Procedures From System Design to Test Operation 7. . . . . . . . . . . . . . . . . . . . . . . . . . . . . . .
1-4 I/O and Data Area Allocations 8. . . . . . . . . . . . . . . . . . . . . . . . . . . . . . . . . . . . . . . . . . . . . . .
1-4-1 I/O Allocations 8. . . . . . . . . . . . . . . . . . . . . . . . . . . . . . . . . . . . . . . . . . . . . . . . . . . .
1-4-2 Data Area Allocation 9. . . . . . . . . . . . . . . . . . . . . . . . . . . . . . . . . . . . . . . . . . . . . . .

1-1SectionSRM1 Features and Functions
2
1-1 SRM1 Features and Functions
1-1-1 Features
The SRM1 is a special CompoBus/S controller that provides remote I/O with
greatly reduced wiring. The SRM1 has no built-in I/O terminals, but it can provide
the same I/O control as earlier PCs through the Slaves (Slave Terminals) that
are used for I/O.
A decentralized I/O system with up to 32 Slaves can be constructed. The system
can have up to 256 I/O points and these I/O points are controlled with the Com-
poBus/S System’s high-speed response time of 1 ms max.
A very reliable and efficiently wired system can be constructed from special
CompoBus/S components such as Analog Terminals (SRM1-C0j-V2 only),
Remote Terminals, Sensor Terminals, Communications Cables, Connectors,
and Terminators.
In SRM1-C0j-V2, the CompoBus/S system can be set to operate in long-dis-
tance communications mode in addition to the previous high-speed commu-
nications mode. This allows a main line length of up to 500 m so that I/O devices
can be controlled from some distance away. The SRM1-C0j-V2 can also pro-
cess analog data as well as digital I/O.
The SRM1’s compact design allows for a smaller and thinner control panel.
The SRM1 is equipped with a program capacity of 4K words and a DM capacity
of 2K words.
There are two SRM1(-V2) models available: the SRM1-C02-V2, which is
equipped with an RS-232C port and communications functions, and the very
cost-effective SRM1-C01-V2, which is not equipped with an RS-232C port.
1-1-2 Functions
The SRM1 is equipped with an interval timer which can be set from 0.5 ms to
319,968 ms in units of 0.1 ms. The timer can be set to trigger a single interrupt
(one-shot mode) or repeat scheduled interrupts (scheduled interrupt mode).
(The interrupts pause execution of the main program while an interrupt program
is executed.)
Low-maintenance Design Memory can be backed up without a battery by using flash memory.
Communications The SRM1 can communicate with PCs or other devices via Host Link, 1:1 NT
Link, 1:N NT Link, 1:1 PC Link, or RS-232C communications.
Port Applicable communications functions
Peripheral Port Peripheral device connections, Host Link, and RS-232C
communications
RS-232C Port Host Link, 1:1 NT Link, 1:N NT Link, 1:1 PC Link, and no-protocol
(RS-232C) communications
Programming is possible through the PT (Programmable Terminal) screen us-
ing an OMRON PT that contains Programming Console functions. (This applies
only to the SRM1-C02-V1 and SRM1-C02-V2.)
Standard Peripheral Devices The SRM1 uses the same Programming Consoles, CX-Programmer, SYSMAC-
CPT, and SYSMAC Support Software (SSS) as the Mini H-type, CQM1,
CPM1/CPM1A, and CPM2A/CPM2C PCs.
Interval Timer Function
Programming Using the
PT

1-2SectionSystem Configuration
3
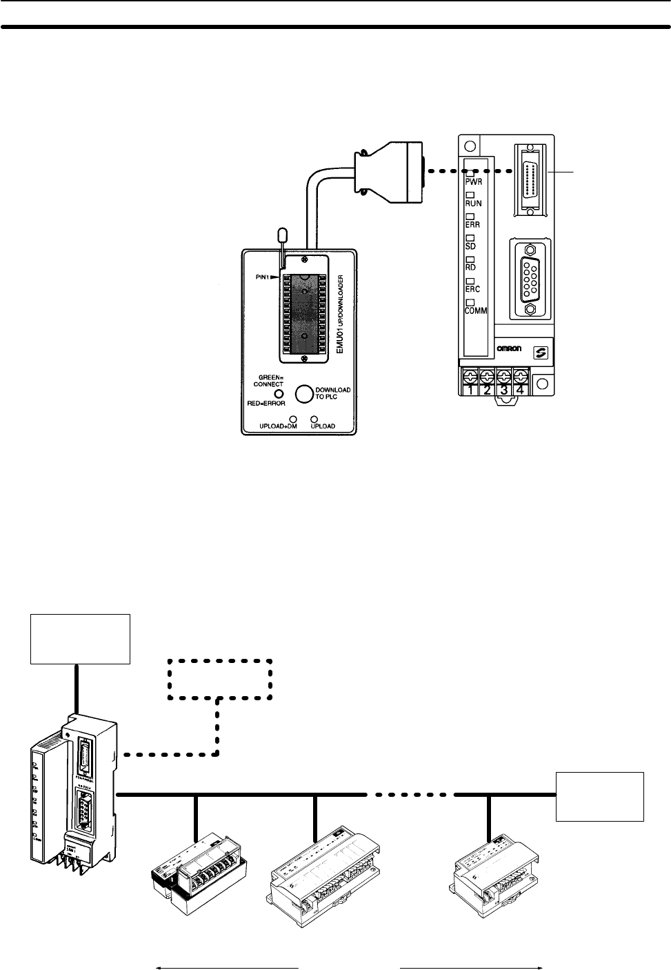
The CPM1-EMU01-V1 Expansion Memory Unit is a program loader for small-
size or micro PCs. Using the CPM1-EMU01-V1, simple on-site transfer of user
programs and data memory is possible with PCs.
Peripheral port
PERIPHERAL
RS-232C
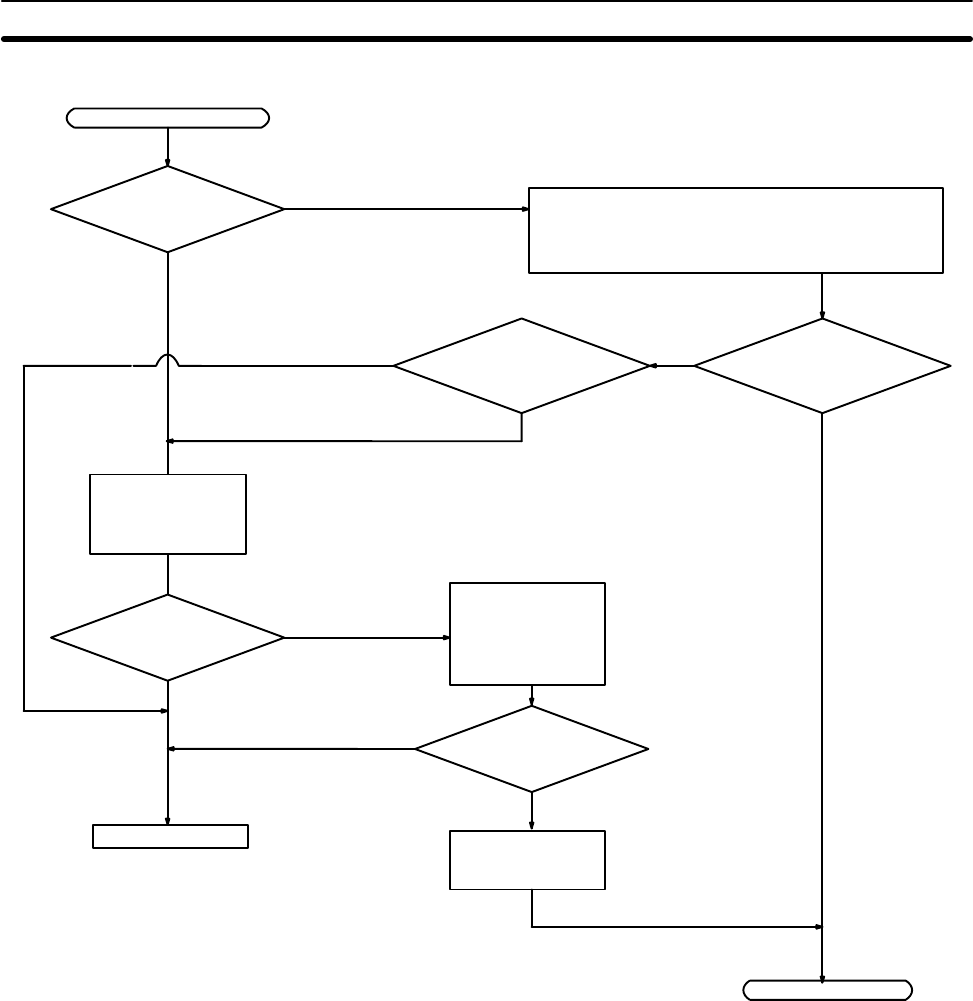
1-2 System Configuration
1-2-1 Basic Configuration
Host device
CompoBus/S Communications Cable
SRM1
Peripheral
device
Terminator
Slave Slave Slave
32 Slaves max.
Expansion Memory Unit

1-2SectionSystem Configuration
4
1-2-2 SRM1 Models
Model RS-232C port PT programming functions
SRM1-C01-V2 No No
SRM1-C02-V2 Yes Yes
The following table compares the functions in the SRM1(-V2) PCs with the func-
tions in earlier SRM1 PCs.
Function SRM1 models
SRM1-C0j-V2 SRM1-C0j-V1 SRM1-C0j
Data backup Backed up by a lithium battery with a minimum lifetime of 10
years at 25_C. Capacitor backup
Programming
Console functions Programming can be performed through a Programming
Console connected to the peripheral port or an OMRON PT
connected to the RS-232C port.
Programming can be performed
through a Programming Console
connected to the peripheral port.
Data processing Bit data (ON/OFF for 16 bits) and 16-bit
analog data from Analog Units Bit data (ON/OFF status of bits)
Communications High-speed communications (previous
mode) or long-distance communications
mode
High-speed communications mode (previous
mode) only.
Connections with
host devices Host Link, no-protocol, 1:1 NT Link, 1:N NT
Link, and 1:1 PC Link communications Host Link, no-protocol, 1:1 NT Link, and 1:1 PC
Link communications
Instructions The instructions in earlier SRM1 PCs plus
the following instructions:
NEG(––), PID(––), SCL(66), and ZCP(––)
Basic instructions: 14
Special instructions: 77 (123 variations)
Note The Analog Terminal can be used as a slave only with version-2 models. Incor-
rect data may be transferred if an Analog Terminal is used with the wrong model.
Peripheral port
SRM1-C01-V2
(No RS-232C port)
Peripheral port
SRM1-C02-V2
(With RS-232C port)
RS-232C port

1-2SectionSystem Configuration
5
1-2-3 Peripheral Connections
The following peripherals can be connected to the SRM1(-V2) PCs. Refer to
Appendix A Standard Models for a complete list of connectable peripherals.
Slaves The following table shows the Slaves that can be connected. Refer to the Com-
poBus/S Operation Manual (W266) for more details.
Slave SRT2 Series
High-speed or long-distance
communications
SRT1 Series
High-speed
communications only
Remote Terminals SRT2-ID04 SRT1-ID04
(transistors) SRT2-ID04-1 SRT1-ID04-1
SRT2-ID08 SRT1-ID08
SRT2-ID08-1 SRT1-ID08-1
SRT2-ID16 SRT1-ID16
SRT2-ID16-1 SRT1-ID16-1
SRT2-ID16T None
SRT2-ID16T-1
SRT2-OD04 SRT1-OD04
SRT2-OD04-1 SRT1-OD04-1
SRT2-OD08 SRT1-OD08
SRT2-OD08-1 SRT1-OD08-1
SRT2-OD16 SRT1-OD16
SRT2-OD16-1 SRT1-OD16-1
SRT2-OD16T None
SRT2-OD16T-1
SRT2-MD16T
SRT2-MD16T-1
Connector SRT2-VID08S None
Terminals SRT2-VID08S-1
(transistors) SRT2-VID16ML
SRT2-VID16ML-1
SRT2-VOD08S
SRT2-VOD08S-1
SRT2-VOD16ML
SRT2-VOD16ML-1
Remote Terminals SRT2-ROC08 SRT1-ROC08
(relays) SRT2-ROC16 SRT1-ROC16
Remote Terminals SRT2-ROF08 SRT1-ROF08
(power MOSFET) SRT2-ROF16 SRT1-ROF16
Remote Modules None SRT1-ROF08
SRT1-ROF16
Analog Input
Terminal SRT2-AD04 None
Analog Output
Terminal SRT2-DA02
Sensor Amplifier SRT2-TID04S (See note 3.) SRT1-TID04S
Terminals SRT2-TKD04S (See note 3.) SRT1-TKD04S
Sensor Terminals SRT2-ID08S (See note 3.) SRT1-ID08S
SRT2-OD08S (See note 3.) SRT1-OD08S
SRT2-MD08S (See note 3.) SRT1-MD08S

1-2SectionSystem Configuration
6
Slave SRT1 Series
High-speed
communications only
SRT2 Series
High-speed or long-distance
communications
Bit Chain Terminal None SRT1-B1T
I/O Link Unit CPM1A-SRT21 None
Note 1. SRT1-series Remote Terminals and Sensor Terminals can operate in high-
speed communications mode only. Be sure to use SRT2-series Remote Ter-
minals and Sensor Terminals when the SRM1-C0j-V2 is used in long-dis-
tance communications mode.
2. The Analog I/O Terminals can be used with SRM1-C0j-V2 only.
3. To be marketed in the near future.
The long-distance communications mode can be used between SRM1-C0j-V2
Master Control Units and SRT2-series Slaves only, as shown in the following
diagram. High-speed mode must be used if even one SRT1-series Slave is in-
cluded in the CompoBus/S system.
Master Control Unit
SRM1-C0j-V2
SRT2-series Slave
High-speed or long-distance communications mode
High-speed communications mode only
Master Control Unit
SRM1-C0j,
SRM1-C0j-V1
SRT2-series Slave
The SRM1 can use a Programming Console or a personal computer running
CX-Programmer, SYSMAC Support Software (SSS), or SYSMAC-CPT as a Pe-
ripheral Device.
Programming Console
Programming Consoles are compact Peripheral Devices that support basic
functions such as writing ladder programs and monitoring SRM1 operation.
They are useful for onsite operations.
Refer to Section 4 Using a Programming Console for details on Programming
Console operations.
SYSMAC Support Software (SSS), SYSMAC-CPT, and CX-Programmer
In addition to the basic Programming Console operations, the CX-Programmer,
SYSMAC-CPT, and SSS can be used to edit ladder programs offline, save pro-
grams to disk, and perform high-level monitoring; the CX-Programmer, SYS-
MAC-CPT and SSS functions allow the user to design more efficient ladder pro-
grams. Refer to the manuals listed on the About this Manual page for details on
using them.
SYSMAC Support Software (SSS)
When using the SSS, set the PC model to the “CQM1” and observe the following
restrictions.
•Addresses will be checked according to the CQM1 address ranges, which are
wider than the SRM1 address ranges. Be sure to use only the allowable ad-
dresses.
•The CQM1 has a larger memory than the SRM1 and the amount of memory
available display will not be correct. Allow for the difference between capaci-
ties.
Compatible
Communications Modes
Peripheral Devices

1-3SectionProcedures From System Design to Test Operation
7
•Instructions will be displayed that are not supported by the SRM1. Do not use
these instructions.
CX-Programmer and SYSMAC-CPT
The following instructions cannot be programmed when using the CX-Program-
mer or SYSMAC-CPT. Errors will occur if an attempt is made to transfer them
from the PC to the computer: SCL(66)/@SCL(66), ZCP, NEG/@NEG, and PID.
An SRM1(-V2) can be connected an IBM PC/AT or compatible computer or OM-
RON PT through an RS-232C Adapter (CPM1-CIF01) mounted to the SRM1’s
peripheral port. (Use Host Link mode when connecting a PT through an
RS-232C Adapter.)
The RS-232C port on an SRM1-C02-V2 can be used to connect directly to an
IBM PC/AT or compatible computer, OMRON PT, or PC (C200HX/HG/HE,
C200HS, CQM1, CPM1, CPM1A, CPM2A, or CPM2C). (Use Host Link mode or
NT Link mode when connecting a PT directly.)
1-3 Procedures From System Design to Test Operation
The procedures from system design to test operation are explained in the sec-
tions of this manual as follows and in the CPM1/CPM1A/CPM2A/CPM2C/
SRM1(-V2) Programming Manual (W353):
1, 2, 3... 1. System Design
Refer to 3-1 System Design.
2. Installation
Refer to 3-3 Installing the SRM1.
3. Wiring
Refer to 3-4 Wiring and Connections.
4. Creating the Ladder Program
Refer to the relevant sections in the CPM1/CPM1A/CPM2A/CPM2C/
SRM1(-V2) Programming Manual (W353) and the applicable PC manual.
5. Inputting the Program
Refer to Section 4 Using the Programming Console, Section 5 Test Runs
and Error Processing, CX-Programmer Users Manual (W346), SYSMAC
Support Software (SSS) Operation Manuals (W247 and W248), and SYS-
MAC-CPT Support Software Quick Start Guide (W332) and User Manual
(W333).
6. Test Operation
Refer to 5-1-2 SRM1 Test Run Procedure.
Host Computers, PTs, and
PCs

1-4SectionI/O and Data Area Allocations
8
1-4 I/O and Data Area Allocations
1-4-1 I/O Allocations
The input bits of SRM1 words 000 to 007, and the output bits of words 010 to 017,
are allocated to the CompoBus/S Slave. These allocations are shown in the fol-
lowing table.
I/O Word address Bits
15 to 08 07 to 00
Inputs 000 IN1 IN0
001 IN3 IN2
002 IN5 IN4
003 IN7 IN6
004 IN9 IN8
005 IN11 IN10
006 IN13 IN12
007 IN15 IN14
Outputs 010 OUT1 OUT0
011 OUT3 OUT2
012 OUT5 OUT4
013 OUT7 OUT6
014 OUT9 OUT8
015 OUT11 OUT10
016 OUT13 OUT12
017 OUT15 OUT14
IN0 to IN15 are Input Slave node numbers, and OUT0 to OUT15 are Output
Slave node numbers.
If the maximum number of CompoBus/S devices is set to 16, then IN8 to IN15
and OUT8 to OUT15 can be used as work bits.
Words IR 008, IR 009, IR 018, and IR 019 can be used as work words.
The bits for two node number are allocated to 16-point Slaves so that all bits are
in the same word. If an even node address is set, the node address that is set
and the next node address following it will be used. For example, if node address
6 is set for a 16-point Output Slave, bits for node addresses OUT6 and OUT7 will
be used. If an odd node address is set, the node address that is set and the pre-
vious node address will be used. For example, if node address 3 is set for a
16-point Output Slave, bits for node addresses OUT2 and OUT3 will be used.
All of the bits for one node address are allocated to a 4-point Slave. If an even
numbered node address is set, bits 00 to 03 are used and bits 04 to 07 are not
used. If an odd numbered node address is set, bits 8 to 11 are used and bits 12 to
15 are not used.

1-4SectionI/O and Data Area Allocations
9
Analog Terminals are allocated from 16 to 64 bits per Terminals as shown in the
following table. If an allocation is not completely within the input or output area,
communications will not be possible and the COMM indicator will not be lit.
I/O bits allocated Node
address
setting
Node addresses used Address
setting range
64 bits Even Set address to set address + 7 0 to 9
(SRT2-AD04, 4 analog inputs) Odd Set address – 1 to set address + 6
48 bits Even Set address to set address + 5 0 to 11
(SRT2-AD04, 3 analog inputs) Odd Set address – 1 to set address + 4
32 bits Even Set address to set address + 3 0 to 13
(SRT2-AD04, 2 analog inputs)
(SRT2-DA02, 2 analog outputs) Odd Set address – 1 to set address + 2
16 bits Even Set address to set address + 1 0 to 15
(SRT2-AD04, 1 analog input)
(SRT2-DA02, 1 analog output) Odd Set address – 1 to set address
Examples
If node address 3 is set for the SRT2-DA02 and 2 analog outputs are used, 32
bits are allocated from OUT2 to OUT5.
If node address 10 is set for the SRT2-AD04 and 4 analog inputs are used, the
allocated area would exceed the output area available for allocation and com-
munications would not be possible.
1-4-2 Data Area Allocation
The relationships between the data areas and words that can be used by the
SRM1 are shown in the following table. For details, refer to the CPM1/CPM1A/
CPM2A/CPM2C/SRM1(-V2) Programming Manual (W353).
Name Number of words or bits Word addresses
Input bits 8 words IR 000 to IR 007
Output bits 8 words IR 010 to IR 017
Work bits 44 words
(See note 1.) IR 008 and IR 009,
IR 018 and IR 019,
IR 200 to IR 239
SR area 16 words IR 240 to IR 255
HR area 20 words HR 00 to HR 19
AR area 16 words AR 10 to AR 15
(See note 2.)
LR area 16 words LR 00 to LR 15
DM area (Read/Write) 2,022 words DM 0000 to DM 2021
DM area (Read Only) 456 words DM 6144 to DM 6599
DM area (PC Setup) 56 words DM 6600 to DM 6655
TR area 8 bits TR 0 to TR 7
TIM/CNT area 128 bits TIM/CNT 000 to 127
Note 1. When the CompoBus/S system is used in 128-bit mode, IR 004 to IR 007
and IR 014 to IR 017 can be used as work words.
2. AR 04 to AR 07 are used for Slave status.
11
SECTION 2
Specifications and Components
This section provides the technical specifications of the SRM1(-V2) and describes its main components.
2-1 Specifications 12. . . . . . . . . . . . . . . . . . . . . . . . . . . . . . . . . . . . . . . . . . . . . . . . . . . . . . . . . . . .
2-1-1 General Specifications 12. . . . . . . . . . . . . . . . . . . . . . . . . . . . . . . . . . . . . . . . . . . . . .
2-1-2 Characteristics 13. . . . . . . . . . . . . . . . . . . . . . . . . . . . . . . . . . . . . . . . . . . . . . . . . . . .
2-1-3 CompoBus/S Communications Specifications 14. . . . . . . . . . . . . . . . . . . . . . . . . . .
2-2 Unit Components 15. . . . . . . . . . . . . . . . . . . . . . . . . . . . . . . . . . . . . . . . . . . . . . . . . . . . . . . . .

2-1SectionSpecifications
12
2-1 Specifications
2-1-1 General Specifications
Item SRM1-C01/C02-V2
Supply voltage 24 VDC
Allowable supply voltage 20.4 to 26.4 VDC
Power consumption 3.5 W max.
Inrush current 5.0 A max. (pulse width: 15 ms max.)
Noise immunity Conforms to IEC61000-4-4; 2 kV (power lines)
Vibration resistance 10 to 57 Hz, 0.075-mm amplitude, 57 to 150 Hz, acceleration: 9.8 m/s2 in X, Y, and
Z directions for 80 minutes each
(Time coefficient; 8 minutes × coefficient factor 10 = total time 80 minutes)
Shock resistance 147 m/s2 three times each in X, Y, and Z directions
Ambient temperature Operating: 0°C to 55°C
Storage: –20°C to 75°C
Absolute humidity 10% to 90% (with no condensation)
Atmosphere Must be free from corrosive gas.
Terminal screw size M3
Power interrupt time DC type: 2 ms min.
Weight 150 g max.

2-1SectionSpecifications
13
2-1-2 Characteristics
Item SRM1-C01/C02-V2
Control method Stored program method
I/O control method Cyclic scan method
Programming language Ladder diagram
Instruction length 1 step per instruction, 1 to 5 words per instruction
Types of instructions Basic instructions: 14
Special instructions: 81 instructions, 125 variations
Execution time Basic instructions: 0.97 µs (LD instruction)
Special instructions: 9.1 µs (MOV instruction)
Program capacity 4,096 words
Maximum number of I/O points 256 points
Input bits 00000 to 00715 (Words not used as input words can be used as work words.)
Output bits 01000 to 01715 (Bits not used as output bits can be used as work bits.)
Work bits 704 bits: 00800 to 00915 (Words IR 008 and IR 009)
01800 to 01915 (Words IR 018 and IR 019)
20000 to 23915 (Words IR 200 to IR 239)
Special bits (SR area) 248 bits: 24000 to 25507 (Words IR 240 to IR 255)
Temporary bits (TR area) 8 bits (TR0 to TR7)
Holding bits (HR area) 320 bits: HR 0000 to HR 1915 (Words HR 00 to HR 19)
Auxiliary bits (AR area) 256 bits: AR 0000 to AR 1515 (Words AR 00 to AR 15)
Link bits (LR area) 256 bits: LR 0000 to LR 1515 (Words LR 00 to LR 15)
Timers/Counters 128 timers/counters (TIM/CNT 000 to TIM/CNT 127)
100-ms timers: TIM 000 to TIM 127
10-ms timers (high-speed counter): TIM 000 to TIM 003
Decrementing counters and reversible counters
(Note: TIMH(15) will not time reliably if the cycle time is over 10 ms and timer
numbers TIM 004 to TIM 127 are used.)
Data memory Read/Write: 2,022 words (DM 0000 to DM 2021)
Read-only: 512 words (DM 6144 to DM 6655)
Interval timer interrupts One-shot mode/Scheduled interrupt mode, one bit (0.5 to 319,968 ms)
Memory protection HR, AR, and DM area contents; and counter values maintained during power
interruptions.
Memory backup Flash memory:
The program and read-only DM area are backed up without a battery.
Lithium battery backup:
The read/write DM area, HR area, AR area, and counter values are backed up by
the lithium battery whose service life extends over ten years under an ambient
temperature of 25_C.
(Note: The lifetime of the lithium battery capacity depends on the ambient
temperature. Refer to the descriptions on the next page.)
Self-diagnostic functions CPU Unit failure (watchdog timer), memory check, communications errors, setting
errors
Program checks No END instruction, programming errors (continuously checked during operation)
Peripheral port One point; tool connection, Host Link, no protocol
RS-232C Port One point (SRM1-C02-V2 only); Host Link, 1:1 NT Link, 1:N NT Link, 1:1 PC Link,
no protocol

2-1SectionSpecifications
14
Backup Time vs. Temperature A lithium battery in the CPU Unit is used to back up the contents in the user pro-
gram area, the READ/WRITE area in the Data Memory (DM), Hold Relay (HR),
the Auxiliary Memory Relay (AR), and in the data area of the Counter (CNT). The
deterioration of the lithium battery capacity depends on the ambient tempera-
ture. The standard service life is 12 years under an ambient temperature of 40_C
when operating 8 hours a day.
If the power supply is interrupted after the lithium battery capacity has deterio-
rated, the contents in the user program area, the READ/WRITE area in the Data
Memory (DM), Hold Relay (HR), Auxiliary Memory Relay (AR), and in the data
area of the Counter (CNT) may be lost. Even if the contents of the CPU Unit’s
program area are lost, however, the user program and DM read-only contents
(including the one in the PC Setup area) stored in flash memory will be read to
the CPU Unit’s user program area when the SRM1 is next started up.
2-1-3 CompoBus/S Communications Specifications
Item Specifications
Communications method CompoBus special protocol
Transmission method Multi-drop, T-branch
Baud rate High-speed
communications
mode
750 kbps
Long-distance
communications
mode
93.75 kbps
Modulation method Baseband method
Code method Manchester coding method
Maximum number of connectible
terminals 32: 16 IN and 16 OUT
16: 8 IN and 8 OUT
Number of points per frame 256 (128 IN and 128 OUT), when maximum number of connectible terminals
is 32.
128 (64 IN and 64 OUT), when maximum number of connectible terminals is
16.
Communications High-speed 0.8 ms, when maximum number of terminals is set to 32.
cycle time communications
mode 0.5 ms, when maximum number of terminals is set to 16.
Long-distance 6.0 ms, when maximum number of terminals is set to 32.
communications
mode 4.0 ms, when maximum number of terminals is set to 16.
Communications function Cyclic transfer only (no message communications)
Error control checks Manchester code check, frame length check, parity check, two-transfer
comparison
Communications
distance High-speed
communications
mode
Main line length: 100 m max.
Branch line length: 3 m max.
Total branch line length: 50 m max.
Long-distance
communications
mode
Main line length: 500 m max.
Branch line length: 6 m max.
Total branch line length: 120 m max.
Cable Vinyl-clad VCTF
JIS C 3306 Two 0.75 mm2 conductors (2 signal wires)
Flat cable Four 0.75 mm2 conductors (2 signal wires and 2 power supply wires)

2-2SectionUnit Components
15
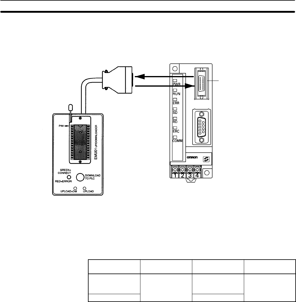
2-2 Unit Components
SRM1-C01-V2
1. Terminal block
2. Peripheral port
4. CPU Unit status indicators
5. CompoBus/S communications status indicators
6. Peripheral/RS-232C port communications status indicators
Connector cover
SRM1-C02-V2
1. Terminal block
2. Peripheral port
4. CPU Unit status indicators
5. CompoBus/S communications status indicators
6. Peripheral/RS-232C Port communications status indicators
3. RS-232C Port
Connector cover
1) Terminal Block These terminals connect the power supply (24 V) and the CompoBus/S trans-
mission path. For details regarding power supply wiring, refer to 3-4-2 Power
Supply Wiring.
2) Peripheral Port The Peripheral Port connects the programming tool or an RS-232C or RS-422
adapter. Be sure to use the correct cable.
3) RS-232C Port The RS-232C Port connects to an RS-232C interface such as a personal com-
puter or an OMRON PT. For details, refer to 3-4-4 RS-232C Port Wiring.

2-2SectionUnit Components
16
4, 5, 6) Indicators There are three types of LED indicators: CPU Unit status indicators, CompoBus/
S communications status indicators, and peripheral/RS-232C Port communica-
tions status indicators. These indicate the status of various Units, as shown in
the following table.
Indicator Display Status
PWR (Green) ON Power is being supplied.
OFF Power is not being supplied.
RUN (Green) ON In RUN mode or MONITOR mode
OFF In PROGRAM mode or fatal error has occurred.
ERR (Red) ON Fatal error has occurred.
Flashing Non-fatal error has occurred.
OFF Normal operation
SD (Yellow) ON CompoBus/S data is being sent.
OFF Data is not being sent.
RD (Yellow) ON CompoBus/S data is being received.
OFF Data is not being received.
ERC (Red) ON A CompoBus/S communications error has
occurred.
OFF Normal operation
COMM (Yellow) Flashing Data is being sent or received at the Peripheral
Port or RS-232C Port.
OFF Data is not being sent or received.
17
SECTION 3
Installation and Wiring
This section explains how to install and wire the SRM1(-V2). Be sure to follow the instructions contained here concerning the
control panel, power supply, CompoBus/S transmissions, and RS-232C Port wiring. For details regarding the wiring of Com-
poBus/S Terminal transmission paths and I/O, refer to the CompoBus/S Operation Manual (W266).
3-1 System Design 18. . . . . . . . . . . . . . . . . . . . . . . . . . . . . . . . . . . . . . . . . . . . . . . . . . . . . . . . . . .
3-1-1 Power Supply Wiring 18. . . . . . . . . . . . . . . . . . . . . . . . . . . . . . . . . . . . . . . . . . . . . . .
3-1-2 Interlock and Limit Circuits 18. . . . . . . . . . . . . . . . . . . . . . . . . . . . . . . . . . . . . . . . . .
3-1-3 Power Supply Sequence 18. . . . . . . . . . . . . . . . . . . . . . . . . . . . . . . . . . . . . . . . . . . . .
3-2 Selecting an Installation Site 19. . . . . . . . . . . . . . . . . . . . . . . . . . . . . . . . . . . . . . . . . . . . . . . .
3-2-1 Installation Site Conditions 19. . . . . . . . . . . . . . . . . . . . . . . . . . . . . . . . . . . . . . . . . .
3-2-2 Panel/Cabinet Installation 19. . . . . . . . . . . . . . . . . . . . . . . . . . . . . . . . . . . . . . . . . . .
3-3 Installing the SRM1 20. . . . . . . . . . . . . . . . . . . . . . . . . . . . . . . . . . . . . . . . . . . . . . . . . . . . . . .
3-3-1 Surface Installation 20. . . . . . . . . . . . . . . . . . . . . . . . . . . . . . . . . . . . . . . . . . . . . . . .
3-3-2 DIN Track Installation 20. . . . . . . . . . . . . . . . . . . . . . . . . . . . . . . . . . . . . . . . . . . . . .
3-4 Wiring and Connections 21. . . . . . . . . . . . . . . . . . . . . . . . . . . . . . . . . . . . . . . . . . . . . . . . . . . .
3-4-1 General Precautions for Wiring 21. . . . . . . . . . . . . . . . . . . . . . . . . . . . . . . . . . . . . . .
3-4-2 Power Supply Wiring 23. . . . . . . . . . . . . . . . . . . . . . . . . . . . . . . . . . . . . . . . . . . . . . .
3-4-3 CompoBus/S Transmission Line Wiring 23. . . . . . . . . . . . . . . . . . . . . . . . . . . . . . . .
3-4-4 RS-232C Port Wiring 24. . . . . . . . . . . . . . . . . . . . . . . . . . . . . . . . . . . . . . . . . . . . . . .
3-4-5 Host Link Connections 26. . . . . . . . . . . . . . . . . . . . . . . . . . . . . . . . . . . . . . . . . . . . .
3-5 One-to-one NT Link 30. . . . . . . . . . . . . . . . . . . . . . . . . . . . . . . . . . . . . . . . . . . . . . . . . . . . . . .
3-6 One-to-N NT Link 30. . . . . . . . . . . . . . . . . . . . . . . . . . . . . . . . . . . . . . . . . . . . . . . . . . . . . . . .
3-7 One-to-one PC Link Connections 31. . . . . . . . . . . . . . . . . . . . . . . . . . . . . . . . . . . . . . . . . . . .
3-7-1 Basics 31. . . . . . . . . . . . . . . . . . . . . . . . . . . . . . . . . . . . . . . . . . . . . . . . . . . . . . . . . . .
3-7-2 Restrictions 32. . . . . . . . . . . . . . . . . . . . . . . . . . . . . . . . . . . . . . . . . . . . . . . . . . . . . .
3-7-3 Cable Connections 32. . . . . . . . . . . . . . . . . . . . . . . . . . . . . . . . . . . . . . . . . . . . . . . . .
3-7-4 PC Setup Settings 32. . . . . . . . . . . . . . . . . . . . . . . . . . . . . . . . . . . . . . . . . . . . . . . . . .

3-1SectionSystem Design
18
3-1 System Design
Take the points covered in this section into consideration when designing the
system.
3-1-1 Power Supply Wiring
Separate the power supply wiring from the control system, SRM1 system, and
DC I/O system wiring.
3-1-2 Interlock and Limit Circuits
Construct an external interlock circuit if SRM1 outputs are used to perform recip-
rocal operations such as controlling the forward and reverse operation of a mo-
tor or if incorrect SRM1 operation could cause accidents or mechanical damage.
Also, construct an external limit circuit to prevent run-away movement in opera-
tions such as position control.
The following diagram shows an example of an interlock circuit.
Interlock Circuit
Motor forward
Motor reverse
MC1
01005 MC2
MC2
01006 MC1
Slave
SRM1
CompoBus/S transmission path
In the interlock circuit above, MC1 and MC2 cannot be ON at the same time even
if SRM1 outputs 01005 and 01006 are both ON at the same time (an incorrect
operation).
3-1-3 Power Supply Sequence
Time Up to the Start of Operation
The time from when the power supply is turned on to when the operation starts
varies depending on the operation conditions such as power supply voltage,
configuration, ambient temperature, etc. The minimum time is approximately
500 ms and the maximum is approximately 1.1 s.
Momentary Power Failure Detection
A momentary power failure (i.e., a voltage drop to less than 85% of the rated volt-
age) lasting less than 2 ms is not detected and the SRM1 continues to operate.
A momentary power failure lasting longer than 2 ms may cause the SRM1 to
stop operation. If this occurs, operation will be automatically resumed when the
rated voltage again rises above 85%.
Note The SRM1 may repeat stop/start operations if the supply voltage of less than
85% of the rated value gradually goes up or down. If this affects the equipment,
etc., provide a protection circuit which shuts off the output if the supply voltage is
not above the rated value.
The output status of Slaves when the SRM1 is stopped can be set on the Slave
side either to have the ON/OFF status directly prior to the stop retained or to
have all outputs turned OFF.

3-2SectionSelecting an Installation Site
19
3-2 Selecting an Installation Site
The SRM1 is resistant to harsh conditions and highly reliable, but installing it in a
favorable site will maximize its reliability and operating lifetime.
3-2-1 Installation Site Conditions
Avoid installing the SRM1 in a site with any of the following conditions.
•Where the SRM1 is exposed to direct sunlight.
•Where the ambient temperature is below 0°C or over 55°C.
•Where the SRM1 may be affected by condensation due to radical temperature
changes.
•Where the ambient humidity is below 10% or over 90%.
•Where there is any corrosive or inflammable gas.
•Where there is excessive dust, saline air, or metal powder.
•Where the SRM1 is affected by vibration or shock.
•Where any water, oil, or chemical may splash on the SRM1.
Be sure that the conditions at the installation site conform to the SRM1’s general
specifications. Refer to 2-1-1 General Specifications for details.
3-2-2 Panel/Cabinet Installation
Consider PC operation, maintenance, and surrounding conditions when instal-
ling the SRM1 in a panel or cabinet.
Overheating The operating temperature range for the SRM1 is 0_C to 55_C. Be sure that
there is adequate ventilation for cooling.
•Allow enough space for air circulation.
•Do not install the SRM1 above equipment that generates a large amount of
heat, such as heaters, transformers, or large resistors.
•Install a cooling fan or system when the ambient temperature exceeds 55_C.
Control panelFan
Air vent
SRM1
Electrical Noise Power lines and high-voltage equipment can cause electrical noise in the PC.
•Do not install the SRM1 in a panel or cabinet with high-voltage equipment.
•Allow at least 200 mm between the SRM1 and nearby power lines.
SRM1
200 mm min.
200 mm min. Power lines

3-3SectionInstalling the SRM1
20
Accessibility Ensure that the SRM1 can be accessed for normal operation and maintenance.
•Provide a clear path to the SRM1 for operation and maintenance. High-voltage
equipment or power lines could be dangerous if they are in the way during rou-
tine operations.
•The SRM1 will be easiest to access if the panel or cabinet is installed about 3 to
5 feet off of the floor.
3-3 Installing the SRM1
The SRM1 can be installed on a horizontal surface or on a DIN track.
3-3-1 Surface Installation
Use the following pattern when installing an SRM1 on a horizontal surface.
Two M4 or two 4.2 dia.
(Unit: mm, with tolerance of ±0.2 mm)
30
100
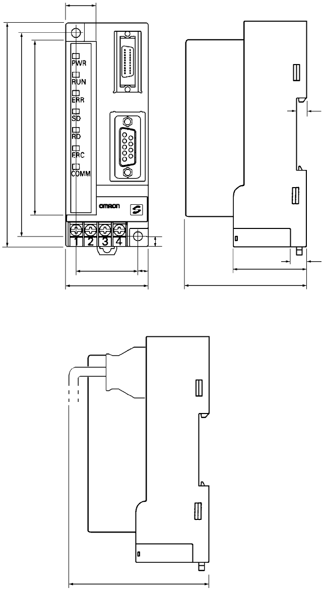
3-3-2 DIN Track Installation
The SRM1 can be installed on a 35-mm DIN track.
End Plates
(PFP-M)
DIN Track
PFP-100N (1 m)
PFP-50N (50 cm)

3-4SectionWiring and Connections
21
Installation
Lower the SRM1 so that the notch on the back of the Unit catches the top of the
DIN Track. Push the Unit forward until the lock snaps into place.
Removal
Pry the lock down with a standard screwdriver and pivot the Unit upward to re-
move it.
Screwdriver
3-4 Wiring and Connections
3-4-1 General Precautions for Wiring
I/O Line Noise To avoid noise, do not run CompoBus/S transmission lines in the same duct or
conduit as power lines.
Hanging Ducts
Leave at least 300 mm between the ducts, as shown in the following diagram.
CompoBus/S
transmission
lines
Control cables and
SRM1 power lines
Power cables
300 mm min.
300 mm min.

3-4SectionWiring and Connections
22
Floor Ducts
Leave at least 200 mm between the wiring and the top of the duct, as shown in
the following diagram.
200 mm min.
Metal plate (iron)
CompoBus/S
transmission lines
Control cables and
SRM1 power lines Power cables
Conduit
Separate the CompoBus/S transmission lines, power and control lines, and
power cables, as shown in the following diagram.
CompoBus/S
transmission lines
Control cables and
SRM1 power lines Power cables
Terminal Connections Always use crimp connectors for the SRM1’s power lines and transmission
lines.
Use M3 terminal screws and tighten the screws securely (to a torque of
0.48 N S m).
Recommended Terminals: Use the terminals shown below.
Fork terminal Round terminal
6.0 mm max. 6.0 mm max.

3-4SectionWiring and Connections
23
3-4-2 Power Supply Wiring
Applicable Power Supply Use a power supply that conforms to specifications of at least 24 VDC and 3.5 W.
OMRON’s S82K-00724 is recommended (input: 100 VAC; output: 24 VDC,
7.5 W).
Note The above power supply is for a case where the CompoBus/S Slave is sepa-
rated from the power supply. Refer to the CompoBus/S Operation Manual
(W266) when supplying power to the whole system including the Slave.
Wiring Connections Wire the power supply as shown in the following diagram.
+
24 VDC
Note Be sure to ground the ground terminal of the power supply.
3-4-3 CompoBus/S Transmission Line Wiring
Applicable Cable Be sure to use the specified cable, and do not mix flat cable and VCTF cable.
Cable Model number Specifications
Special-purpose flat cable XBIT-W10 4-conductor flat cable:
0.75 mm2
VCTF cable --- 2-conductor Vinyl-clad
VCTF JIS C3306
VCTF 0.75x2C

3-4SectionWiring and Connections
24
Wiring Connections Wire the CompoBus/S transmission lines as shown in the following diagram.
BD
L
BD
H
BD H
BD L
Slave terminal block
3-4-4 RS-232C Port Wiring
Connector Pin Arrangement The following diagram shows the connector pin arrangement for the RS-232C
port, i.e., the SRM1 (SRM1-C02-V2) and RS-232C Adapter (CPM1-CIF01).
1
2
3
4
5
6
7
8
9
SD
RD
RS
CS SG
Cable Connections The following diagrams show the communications cable connections between
the RS-232C port, i.e., the SRM1 (SRM1-C02-V2) and RS-232C Adapter
(CPM1-CIF01), and the various external devices.
1
2
3
4
5
6
CD
RD
SD
ER
SG
DR
RS
CS
CI
7
8
9
1
2
3
4
5
6
7
8
9
–
SD
RD
RS
CS
–
–
SG9
RS-232C Port
Pin No.Signal
–
Pin No. Signal
IBM PC/AT or
Compatible
Computer
Hood

3-4SectionWiring and Connections
25
(Recommended Cables)
XW2Z-200T: 2 m
XW2Z-500T: 5 m
*Host Link or NT Link with an OMRON PT, or 1:1 PC Link with a SYS-
MAC C200HX/HE/HG/HS, CQM1, or CPM1 Programmable Controller.
1
2
3
4
5
6
–
SD
RD
RS
CS
–
–
–
SG
7
8
9
1
2
3
4
5
6
7
8
9
–
SD
RD
RS
CS
–
–
SG
9
RS-232C Port
Pin No.Signal
–
Pin No. Signal
OMRON PT or PC*
Hood
1
2
3
4
5
6
FG
SD
RD
RS
CS
DR
SG
–
–
7
8
9
1
2
3
4
5
6
7
8
9
–
SD
RD
RS
CS
–
–
SG9
RS-232C Port
Pin No.Signal
–
Pin No. Signal
3G2A9-AL004-E
Link Adapter
Hood
ER 20
1:1 Connection
1
2
3
4
5
6
FG
SD
RD
RS
CS
DR
SG
–
–
7
8
9
1
2
3
4
5
6
7
8
9
–
SD
RD
RS
CS
–
–
SG9
RS-232C Port
Pin No.Signal
–
Pin No. Signal
3G2A9-AL004-E
Link Adapter
Hood
ER 20
1:N Connection

3-4SectionWiring and Connections
26
1
2
3
4
5
6
–
RD
SD
RS
CS
–
–
–
SG
7
8
9
1
2
3
4
5
6
7
8
9
–
SD
RD
RS
CS
–
–
SG9
RS-232C Port
Pin No.Signal
–
Pin No. Signal
NT-AL001
Hood
Ribbon line
(red)
Ribbon line
(black)
1:1 Connection
1
2
3
4
5
6
–
RD
SD
RS
CS
–
–
–
SG
7
8
9
1
2
3
4
5
6
7
8
9
–
SD
RD
RS
CS
–
–
SG9
RS-232C Port
Pin No.Signal
–
Pin No. Signal
NT-AL001
Hood
Ribbon line
(red)
Ribbon line
(black)
1:N Connection
3-4-5 Host Link Connections
Host Link is a command/response communications system in which commands
are transmitted from the host computer and corresponding responses are re-
turned from the destination SRM1. Host Link commands can be used to read/
write data in SRM1 data areas and read/write settings. Either the peripheral port
or RS-232C port can be used.
Command
Response
Host Link
computer
SRM1
Note For details on PC Setup settings, refer to 1-1 PC Setup or 4-4-1 Host Link Com-
munications) in the CPM1/CPM1A/CPM2A/CPM2C/SRM1(-V2) Programming
Manual (W353).

3-4SectionWiring and Connections
27
The SRM1 can be connected to an IBM PC/AT or compatible computer or a Pro-
grammable Terminal, as shown in the following diagram.
SRM1
PT
Command
Response
Command
SRM1
Response
IBM PC/AT or
compatible
computer
One-to-one Host Link Cables The cables differ depending on whether the peripheral port or RS-232C port is
used.
Peripheral Port Connection
IBM PC/AT or
compatible
computer
WX2Z-200T
WX2Z-500T
RS-232C Adapter
CPM1-CIF01
CQM1-CIF02
SRM1
OMRON PT
Note Set the RS-232C Adapter mode setting switch to “HOST.”
One-to-one Host Link
Connection

3-4SectionWiring and Connections
28
RS-232C Port Connection
SRM1
WX2Z-200T
WX2Z-500T
IBM PC/AT or
compatible
computer
OMRON PT
Note For details regarding RS-232C connections, refer to 3-4-4 RS-232C Port Wiring.
One-to-N Host Link Connection
SRM1
NT-AL001 SRM1
RS-422
Adapter
Response
Command
Link Adapter
3G2A9-AL004-E
IBM PC/AT or
compatible
computer

3-4SectionWiring and Connections
29
One-to-N Host Link Cables Up to 32 SRM1s can be connected to the computer via the peripheral port or
RS-232C port.
IBM PC/AT or compatible computer
SRM1
SRM1
Link Adapter
3G2A9-AL004-E
1
2
3
4
5
6
RDB
–
SG
–
SDB
RDA
FG
–
SDA
7
8
9
Pin No.Signal
D-sub 9-pin
Make a straight RS-232C cable connection between the 3G2A9-AL004-E
Link Adapter the personal computer, and match each SD, RD, and SG.
NT-AL001
Connecting Cables
(Refer to page 26.)
RS-422 Adapter
CPM1-CIF11
Note 1. The maximum total length of the RS-422 cable is 500 meters.
2. Turn ON the termination resistance switches for only the Link Adapters or
RS-422 Adapters at both ends of the Host Link network.
3. Crimp-type terminals must be used for Link Adapter and RS-422 Adapter
terminal wiring. For details, refer to 3-4-1 General Precautions for Wiring.

3-6SectionOne-to-N NT Link
30
3-5 One-to-one NT Link
High-speed communications can be achieved by providing a direct access
through the use of the 1:1 NT Link between the SRM1 and Programmable Termi-
nal (PT). The RS-232C port can be used for NT Link. A 1:1 NT Link is only pos-
sible with a Master Control Unit that has an RS-232C port (SRM1-C02,
SRM1-C02-V1, or SRM1-C02-V2).
Programmable Terminal
SRM1
NT Link Cable Connections The SRM1 can be connected to a PT via the RS-232C port, as shown in the fol-
lowing illustration. For details regarding RS-232C connections, refer to 3-4-4
RS-232C Port Wiring.
Programmable Terminal
SRM1
XW2Z-200T
XW2Z-500T
PC Setup Settings Set the RS-232C port’s communications mode to 1:1 NT Link in DM 6645 in the
PC Setup. For details, refer to 1-1 PC Setup or 4-4-3 One-to-one NT Link Com-
munications in the CPM1/CPM1A/CPM2A/CPM2C/SRM1(-V2) Programming
Manual (W353).
3-6 One-to-N NT Link
The 1:N NT Link allows an SRM1-C02-V2 PC to be connected to as many as 8
OMRON Programmable Terminals (PTs) and direct access provides high-speed
communications. The RS-232C port is used to make the 1:N NT Link.
OMRON PT
SRM1

3-7SectionOne-to-one PC Link Connections
31
The 1:N NT Link is possible only with the SRM1-C02-V2 PCs, which have an
RS-232C port.
Cable Connections The SRM1 can be connected to OMRON PTs via the RS-232C port, as shown in
the following illustration. OMRON PTs that support the 1:N NT Link must be
used.
Programmable Terminals
SRM1
NT-AL001
Adapter
Connecting Cable
RS-422
Note 1. For details on RS-422A connections, refer to the Programmable Terminal’s
Operation Manual.
2. For details on RS-232C connections, refer to 3-4-4 RS-232C Port Wiring.
PC Setup Settings Set the RS-232C port’s communications mode to 1:N NT Link in DM 6645 in the
PC Setup. For details, refer to 1-1 PC Setup or 4-4-4 One-to-N NT Link Commu-
nications in the CPM1/CPM1A/CPM2A/CPM2C/SRM1(-V2) Programming
Manual (W353).
3-7 One-to-one PC Link Connections
3-7-1 Basics
An SRM1 can be linked one-to-one to an SRM1, CQM1, CPM1, CPM1A,
CPM2A, CPM2C, C200HS, or C200HX/HE/HG PC. One PC acts as the Master
and the other as the Slave to link up to 256 bits in the LR area (LR 0000 to LR
1515). In the following example, an SRM1 is linked one-to-one to another SRM1.
SRM1SRM1
Link bits
WRITE area
READ area
LR 00
LR 07
LR 08
LR 15
WRITE
READ
READ area
WRITE area
LR 00
LR 07
LR 08
LR 15
READ
WRITE
Link bits
RS-232C Port RS-232C Port

3-7SectionOne-to-one PC Link Connections
32
3-7-2 Restrictions
•Only the SRM1-C02-V2, which has an RS-232C port, can be used for a 1:1 PC
Link.
•The only SRM1 words that can be used for link relay are the 16 words from
LR 00 to LR 15. Therefore, these words must also be used at the CQM1 or
C200HX/HE/HG/HS when linking any of these PCs one-to-one with an SRM1.
It is not possible for words LR 16 to LR 63 to be linked one-to-one with an
SRM1.
3-7-3 Cable Connections
Use RS-232C cable to connect an SRM1 with another SRM1, CQM1, CPM1,
CPM1A, CPM2A, CPM2C, C200HS, or C200HX/HE/HG Programmable Con-
troller.
SRM1
XW2Z-200T
XW2Z-500T RS-232C Port
RS-232C Port
CQM1 CPM1 + RS-232C Adapter
C200HX/HG/HE/HS
Note For details regarding RS-232C connections, refer to 3-4-4 RS-232C Port Wiring.
3-7-4 PC Setup Settings
Set the RS-232C port’s communications mode to 1:1 PC Link (Slave) or 1:1 PC
Link (Master) in DM 6645 in the PC Setup. For details, refer to 1-1 PC Setup or
4-4-5 One-to-one PC Link Communications in the CPM1/CPM1A/CPM2A/
CPM2C/SRM1(-V2) Programming Manual (W353).
33
SECTION 4
Using the Programming Console
This section explains how to use the Programming Console. Be sure to read this section carefully if you are not already famil-
iar with Programming Console operations.
4-1 Basic Operations 34. . . . . . . . . . . . . . . . . . . . . . . . . . . . . . . . . . . . . . . . . . . . . . . . . . . . . . . . .
4-1-1 Compatible Programming Consoles 34. . . . . . . . . . . . . . . . . . . . . . . . . . . . . . . . . . .
4-1-2 Connecting the Programming Console 35. . . . . . . . . . . . . . . . . . . . . . . . . . . . . . . . .
4-1-3 Changing the SRM1’s Mode 35. . . . . . . . . . . . . . . . . . . . . . . . . . . . . . . . . . . . . . . . .
4-2 Programming Console Operations 36. . . . . . . . . . . . . . . . . . . . . . . . . . . . . . . . . . . . . . . . . . . .
4-2-1 Overview 36. . . . . . . . . . . . . . . . . . . . . . . . . . . . . . . . . . . . . . . . . . . . . . . . . . . . . . . .
4-2-2 Clearing Memory 37. . . . . . . . . . . . . . . . . . . . . . . . . . . . . . . . . . . . . . . . . . . . . . . . . .
4-2-3 Reading/Clearing Error Messages 38. . . . . . . . . . . . . . . . . . . . . . . . . . . . . . . . . . . . .
4-2-4 Buzzer Operation 39. . . . . . . . . . . . . . . . . . . . . . . . . . . . . . . . . . . . . . . . . . . . . . . . . .
4-2-5 Reading UM Area Information 40. . . . . . . . . . . . . . . . . . . . . . . . . . . . . . . . . . . . . . .
4-2-6 Setting Expansion Instructions 40. . . . . . . . . . . . . . . . . . . . . . . . . . . . . . . . . . . . . . .
4-2-7 Setting and Reading a Program Memory Address and Monitoring I/O Bit Status 41
4-2-8 Instruction Search 41. . . . . . . . . . . . . . . . . . . . . . . . . . . . . . . . . . . . . . . . . . . . . . . . .
4-2-9 Bit Operand Search 42. . . . . . . . . . . . . . . . . . . . . . . . . . . . . . . . . . . . . . . . . . . . . . . .
4-2-10 Inserting and Deleting Instructions 43. . . . . . . . . . . . . . . . . . . . . . . . . . . . . . . . . . . .
4-2-11 Entering or Editing Programs 44. . . . . . . . . . . . . . . . . . . . . . . . . . . . . . . . . . . . . . . .
4-2-12 Checking the Program 47. . . . . . . . . . . . . . . . . . . . . . . . . . . . . . . . . . . . . . . . . . . . . .
4-2-13 Bit, Digit, Word Monitor 47. . . . . . . . . . . . . . . . . . . . . . . . . . . . . . . . . . . . . . . . . . . .
4-2-14 Differentiation Monitor 49. . . . . . . . . . . . . . . . . . . . . . . . . . . . . . . . . . . . . . . . . . . . .
4-2-15 Binary Monitor 50. . . . . . . . . . . . . . . . . . . . . . . . . . . . . . . . . . . . . . . . . . . . . . . . . . .
4-2-16 Three-Word Monitor 50. . . . . . . . . . . . . . . . . . . . . . . . . . . . . . . . . . . . . . . . . . . . . . .
4-2-17 Signed Decimal Monitor 51. . . . . . . . . . . . . . . . . . . . . . . . . . . . . . . . . . . . . . . . . . . .
4-2-18 Unsigned Decimal Monitor 51. . . . . . . . . . . . . . . . . . . . . . . . . . . . . . . . . . . . . . . . . .
4-2-19 Three-Word Data Modification 52. . . . . . . . . . . . . . . . . . . . . . . . . . . . . . . . . . . . . . .
4-2-20 Changing Timer, Counter SV 52. . . . . . . . . . . . . . . . . . . . . . . . . . . . . . . . . . . . . . . .
4-2-21 Hexadecimal, BCD Data Modification 53. . . . . . . . . . . . . . . . . . . . . . . . . . . . . . . . .
4-2-22 Binary Data Modification 54. . . . . . . . . . . . . . . . . . . . . . . . . . . . . . . . . . . . . . . . . . .
4-2-23 Signed Decimal Data Modification 55. . . . . . . . . . . . . . . . . . . . . . . . . . . . . . . . . . . .
4-2-24 Unsigned Decimal Data Modification 56. . . . . . . . . . . . . . . . . . . . . . . . . . . . . . . . . .
4-2-25 Force Set, Reset 56. . . . . . . . . . . . . . . . . . . . . . . . . . . . . . . . . . . . . . . . . . . . . . . . . . .
4-2-26 Clear Force Set/Reset 57. . . . . . . . . . . . . . . . . . . . . . . . . . . . . . . . . . . . . . . . . . . . . . .
4-2-27 Hex-ASCII Display Change 57. . . . . . . . . . . . . . . . . . . . . . . . . . . . . . . . . . . . . . . . .
4-2-28 Displaying the Cycle Time 58. . . . . . . . . . . . . . . . . . . . . . . . . . . . . . . . . . . . . . . . . .

4-1SectionBasic Operations
34
4-1 Basic Operations
This section provides information on connecting and using a Programming Con-
sole. Refer to 5-5 Programming Console Operation Errors for details on errors
that might occur during Programming Console operations.
4-1-1 Compatible Programming Consoles
There are two Programming Consoles that can be used with the SRM1: the
CQM1-PRO01-E and the C200H-PRO27-E. The key functions for these Pro-
gramming Consoles are identical.
Press and hold the Shift Key to input a letter shown in the upper-left corner of the
key or the upper function of a key that has two functions. For example, the
CQM1-PRO01-E’s AR/HR key can specify either the AR or HR Area; press and
release the Shift Key and then press the AR/HR Key to specify the AR Area.
CQM1-PRO01-E
(A 2-m connecting cable is attached.)
C200H-PRO27-E
(Use a C200H-CN222 (2 m) or C200H-
CN422 (4 m) Connecting Cable.)
LCD display
Mode
selector
SRM1 operating mode
Instruction
keys
Numeric
keys
Operation
keys
The following keys are labeled differently on the CQM1-PRO01-E and the
C200H-PRO27-E, but the operation of the keys in each pair is identical.
CQM1-PRO01-E Keys C200H-PRO27-E Keys
AR
HR HR
SET PLAY
SET
RESET REC
RESET

4-1SectionBasic Operations
35
4-1-2 Connecting the Programming Console
Connect the Programming Console’s connecting cable to the SRM1’s peripher-
al port, as shown below.
Panel Installation The C200H-PRO27-E Programming Console can be installed in a control panel
as shown in the following diagram. (The C200H-ATT01 Mounting Bracket is sold
separately.)
Mounting Bracket
Two screws
Panel thickness: 1.0 to 3.2 mm
Mounting hole dimensions
(DIN43700 standards)
186+1.1
–0
92+0.8
–0
Allow at least 80 mm for the cable connector above the Programming Console.
About 70 mm is required.
At least 80 mm is required.
Either connector may
be used.
37
15
4-1-3 Changing the SRM1’s Mode
Once the Programming Console has been connected, its mode switch can be
used to change the SRM1’s PC mode. The mode display (<PROGRAM>,
<MONITOR>, or <RUN>) will appear on the Programming Console screen.
•No key operations can be performed while the mode display is displayed on
the Programming Console screen. Press CLR to clear the display so that key
operations can be performed.
•If the SHIFT Key is pressed while the mode switch is turned, the original dis-
play will remain on the Programming Console’s screen and the mode display
won’t appear.

!
4-2SectionProgramming Console Operations
36
•The SRM1 will enter RUN mode automatically if a Peripheral Device such as a
Programming Console isn’t connected when the SRM1 is turned on (when
DM 6600 is #0000).
Mode display
Initial display
<PROGRAM> BZ
CLR SHIFT CLR
00000
RUN
MONITOR
PROGRAM RUN
MONITOR
PROGRAMRUN
MONITOR
PROGRAM
<MONITOR> BZ <RUN> BZ
Operation Operation
PROGRAM Mode The SRM1 program isn’t executed in PROGRAM mode. Use PROGRAM mode
to create and edit the program, clear memory, or check the program for errors.
MONITOR Mode The SRM1 program is executed in MONITOR mode and I/O is processed just as
it is in RUN mode. Use MONITOR mode when testing the system by monitoring
the SRM1’s operating status, force-setting and resetting I/O bits, changing the
SV/PV of timers and counters, etc.
RUN Mode This is the SRM1’s normal operating mode. The SRM1’s operating status can be
monitored from a Peripheral Device, but bits can’t be force-set/force-reset and
the SV/PV of timers and counters can’t be changed.
Caution Be sure to check the system thoroughly before executing the SRM1 program to
prevent any accidents that might occur when the program is first started.
4-2 Programming Console Operations
4-2-1 Overview
The following table lists the programming and monitoring operations that can be
performed from a Programming Console. Refer to the rest of this section for de-
tails on operational procedures.
Name Function
Clearing memory Clears all or part of the Program Memory and any data areas that are not read-only, as well
as the contents of the Programming Console’s memory.
Reading/clearing error
messages Displays and clears error messages and displays MESSAGE instruction messages.
Buzzer operation Turns on and off the buzzer that sounds when Programming Console keys are pressed.
Reading UM area
information Reads the state of area setting and capacity in the user memory.
Setting an expansion
instruction Reads and sets the function code assignment of an expansion instruction.
Setting a program
memory address Sets the specified program memory address when reading, writing, inserting and deleting
programs.

4-2SectionProgramming Console Operations
37
Name Function
Reading a program
memory address Reads the contents of the Program Memory. Displays the status of the currently displayed bit
in PROGRAM and MONITOR modes.
Instruction search Finds occurrences of the specified instruction in the program.
Bit operand search Finds occurrences of the specified operand bit in the program.
Inserting and deleting
instructions Inserts or deletes instructions from the program.
Entering or editing
programs Overwrites the contents of the current Program Memory to either input a program for the first
time or to change a program that already exists.
Checking the program Checks for programming errors and displays the program address and error when errors are
found.
Bit, digit, word monitor Monitors the status of up to 16 bits and words, although only 3 can be shown on the display
at one time.
Multiple address
monitor Monitors the status of up to 6 bits and words simultaneously.
Differentiation monitor Monitors the up or down differentiation status of a particular bit.
Binary monitor Monitors the ON/OFF status of any word’s 16 bits.
3-word monitor Monitors the status of three consecutive words.
Signed decimal
monitor Converts the contents of the specified word from signed hexadecimal (two’s complement
format) to signed decimal for display.
Unsigned decimal
monitor Converts hexadecimal data in a word to unsigned decimal for display.
3-word data
modification Changes the contents of one or more of the 3 consecutive words displayed in the 3-Word
Monitor operation.
Changing timer,
counter SV 1 Changes the SV of a timer or counter.
Changing timer,
counter SV 2 Makes fine adjustment changes to the SV of the timer or counter.
Hexadecimal, BCD
data modification Changes the BCD or hexadecimal value of a word being monitored.
Binary data
modification Changes the status of a word’s bits when the word is being monitored.
Signed decimal data
modification Changes the decimal value of a word being monitored as signed decimal data. The contents
of the specified word are converted automatically to signed hexadecimal (two’s complement
format.)
Unsigned decimal data
modification Changes the decimal value of a word being monitored as unsigned decimal data. A change
into hexadecimal data is made automatically.
Force set/reset Forces bits ON (force set) or OFF (force reset.)
Clear force set/reset Restores the status of all bits which have been force set of reset.
Hex-ASCII display
change Converts word data displays back and forth between 4-digit hexadecimal data and ASCII.
Displaying the cycle
time Displays the current average cycle time (scan time.)
4-2-2 Clearing Memory
This operation is used to clear all or part of the Program Memory and any data
areas that are not read-only, as well as the contents of the Programming Con-
sole’s memory. This operation is possible in PROGRAM mode only.
RUN MONITOR PROGRAM
No No OK
Before beginning to program for the first time or when installing a new program,
clear all areas.
All Clear The following procedure is used to clear memory completely.
1, 2, 3... 1. Bring up the initial display by pressing the CLR key repeatedly.

!
4-2SectionProgramming Console Operations
38
2. Press the SET, NOT, and then the RESET Key to begin the operation.
SET NOT RESET
00000MEMORY CLR?
HR CNT DM
3. Press the MONTR Key to clear memory completely.
MONTR 00000MEMORY CLR
END HR DM
Caution The PC Setup (DM 6600 through DM 6655) will be cleared when this operation is
performed.
Partial Clear It is possible to retain the data in specified areas or part of the Program Memory.
To retain the data in the HR, TC, or DM Areas, press the appropriate key after
pressing SET, NOT, and RESET. Any data area that still appears on the display
will be cleared when the MONTR Key is pressed.
The HR Key is used to specify both the AR and HR Areas, the CNT Key is used to
specify the entire timer/counter area, and the DM Key is used to specify the DM
Area.
It is also possible to retain a portion of the Program Memory from the first
memory address to a specified address. After designating the data areas to
be retained, specify the first Program Memory address to be cleared. For ex-
ample, input 030 to leave addresses 000 to 029 untouched, but to clear ad-
dresses from 030 to the end of Program Memory.
As an example, follow the procedure below to retain the timer/counter area and
Program Memory addresses 000 through 122:
1, 2, 3... 1. Press the CLR Key to bring up the initial display.
2. Press the SET, NOT, and then the RESET Key to begin the operation.
3. Press the CNT Key to remove the timer/counter area from the data areas
shown on the display.
CNT
00000MEMORY CLR?
HR DM
4. Press 123 to specify 123 as the starting program address.
B1C2D300123MEMORY CLR?
HR DM
5. Press the MONTR Key to clear the specified regions of memory.
MONTR 00000MEMORY CLR
END HR DM
4-2-3 Reading/Clearing Error Messages
This operation is used to display and clear error messages. It is possible to dis-
play and clear non-fatal errors and MESSAGE instruction messages in any
mode, but fatal errors can be displayed and cleared in PROGRAM mode only.
RUN MONITOR PROGRAM
OK OK OK
Before inputting a new program, any error messages recorded in memory
should be cleared. It is assumed here that the causes of any of the errors for
which error messages appear have already been taken care of. If the buzzer
sounds when an attempt is made to clear an error message, eliminate the
cause of the error, and then clear the error message. (Refer to Section 5 Test
Runs and Error Processing for troubleshooting information.)

!
4-2SectionProgramming Console Operations
39
Key Sequence Follow the procedure below to display and clear messages.
1, 2, 3... 1. Press the CLR Key to bring up the initial display.
2. Press the FUN and then the MONTR Key to begin the operation. If there are
no messages, the following display will appear:
FUN MONTR ERR/MSG CHK OK
If there are messages, the most serious message will be displayed when the
MONTR Key is pressed. Pressing MONTR again will clear the present mes-
sage and display the next most serious error message. Continue pressing
MONTR until all messages have been cleared. These are some examples
of error messages:
A memory error:
MONTR MEMORY ERR
A system error:
MONTR SYS FAIL FAL01
A message:
MONTR MATERIAL USED UP
All messages cleared:
MONTR ERR/MSG CHK OK
Caution Check to be sure that no equipment is affected when turning the SRM1’s power
supply on or off, or when entering the password. Be careful not to cause any ac-
cidents when starting or stopping SRM1 operation.
4-2-4 Buzzer Operation
This operation is used to turn on and off the buzzer that sounds when Program-
ming Console keys are pressed. This buzzer will also sound whenever an error
occurs during PC operation. Buzzer operation for errors is not affected by this
setting.
This operation is possible in any mode.
RUN MONITOR PROGRAM
OK OK OK
Key Sequence Follow the procedure below to turn the key-input buzzer on and off.
1, 2, 3... 1. Press the CLR, SHIFT, and then the CLR Key to bring up the mode display.
In this case the PC is in PROGRAM mode and the buzzer is on.
<MONITOR> BZ
2. Press the SHIFT and then the 1 Key to turn off the buzzer.

4-2SectionProgramming Console Operations
40
SHIFT B1<MONITOR>
The buzzer will not sound
when “BZ” is not displayed.
3. Press the SHIFT and then the 1 Key again to turn the buzzer back on.
SHIFT B1<MONITOR> BZ
4-2-5 Reading UM Area Information
This operation is used to display the status of settings in the User Memory (UM)
area, and its capacity.
RUN MONITOR PROGRAM
OK OK OK
1, 2, 3... 1. Press the CLR Key to bring up the initial display.
CLR 00000
2. Press the FUN and VER Keys.
FUN VER
00 04.1
CM LAD
I/O command area size
User program area size
4-2-6 Setting Expansion Instructions
This operation is used to read and change the function codes assigned to certain
instructions.
Set the expansion instructions before inputting the program. The SRM1 will not
operate properly if the function codes in the program are assigned incorrectly.
When setting the expansion instructions, set the PC Setup’s DM 6602 bits 8
through 11 to “1.”
Two function codes cannot be assigned to a single instruction.
For the SRM1 expansion instruction default settings, refer to the
/CPM1/CPM1A/CPM2A/CPM2C/SRM1(-V2) Programming Manual (W353).
RUN MONITOR PROGRAM
Read OK OK OK
Set No No OK
1, 2, 3... 1. Press the CLR Key to bring up the initial display.
CLR 00000
2. Press the EXT Key to display the settings.
EXT INST TBL READ
FUN017:ASFT
3. Use the Up and Down Arrow Keys to scroll through the function codes and
read their corresponding instructions.
↓/↑INST TBL READ
FUN061:INI

4-2SectionProgramming Console Operations
41
4. To change the function code assignment, press the CHG Key.
CHG INST TBL CHG?
FUN061:INI~????
5. Use the Up and Down Arrow Keys to display the available instructions.
↓/↑INST TBL CHG?
FUN061:INI ~HEX
6. Press the WRITE Key to make the setting.
WRITE INST TBL READ
FUN061:HEX
4-2-7 Setting and Reading a Program Memory Address and Monitoring
I/O Bit Status
This operation is used to display the specified program memory address and is
possible in any mode.
RUN MONITOR PROGRAM
OK OK OK
When a program is input for the first time, it is generally written to Program
Memory starting from address 000. Because this address appears when the
display is cleared, it is not necessary to specify it.
When inputting a program starting from other than 000 or to read or modify a
program that already exists in memory, the desired address must be desig-
nated.
The ON/OFF status of any displayed bit will be shown if the PC is in RUN or
MONITOR mode.
1, 2, 3... 1. Press the CLR Key to bring up the initial display.
00000
2. Input the desired address. It is not necessary to input leading zeroes.
C2A0A000200
3. Press the Down Arrow Key.
↓00200READ OFF
LD 00000
In the RUN or MONITOR
mode, ON/OFF status of
the bit will be displayed.
4. Press the Up and Down Arrow Keys to scroll through the program.
↓00201READ ON
AND 00001
↑00200READ OFF
LD 00000
4-2-8 Instruction Search
This operation is used to find occurrences of the specified instruction in the pro-
gram and is possible in any mode.
RUN MONITOR PROGRAM
OK OK OK

4-2SectionProgramming Console Operations
42
The ON/OFF status of any displayed bit will be shown if the PC is in RUN or
MONITOR mode.
1, 2, 3... 1. Press the CLR Key to bring up the initial display.
2. Input the address from which the search will begin and press the Down Ar-
row Key. It is not necessary to input leading zeroes.
B1A0A0↓00100
TIM 001
3. Input the instruction to be found and press the SRCH Key. In this case, the
search is for LD instructions.
In this case, the next LD instruction is at address 200, as shown below.
LD SRCH 00200SRCH
LD 00000
4. Press the Down Arrow Key to display the instruction’s operands or press the
SRCH Key to search for the next occurrence of the instruction.
5. The search will continue until an END instruction or the end of Program
Memory is reached. In this case, an END instruction was reached at ad-
dress 397.
SRCH
00397SRCH
END (001)00.4KW
Indicates the address
of END instruction.
Indicates the amount used by the user
program in units of 0.1 Kwords.
4-2-9 Bit Operand Search
This operation is used to find occurrences of the specified operand bit in the pro-
gram and is possible in any mode.
RUN MONITOR PROGRAM
OK OK OK
The status of any displayed bit will be shown if the PC is in RUN or MON-
ITOR mode.
1, 2, 3... 1. Press the CLR Key to bring up the initial display.
2. Input the operand address. It is not necessary to input leading zeroes.
SHIFT CONT
#
F500000CONT SRCH
CONT 00005
3. Press the SRCH Key to begin the search.
SRCH 00200CONT SRCH
LD 00005
4. Press the SRCH Key to search for the next occurrence of the operand bit.
5. The search will continue until an END instruction or the end of Program
Memory is reached. In this case, an END instruction was reached.
SRCH
00397CONT SRCH
END (001)00.4KW
Indicates the address
of END instruction.
Indicates the amount used by the user
program in units of 0.1 Kwords.

4-2SectionProgramming Console Operations
43
4-2-10 Inserting and Deleting Instructions
This operation is used to insert or delete instructions from the program. It is pos-
sible in PROGRAM mode only.
RUN MONITOR PROGRAM
No No OK
To demonstrate this operation, an IR 00105 NO condition will be inserted at
program address 00206 and an IR 00103 NO condition deleted from address
00205, as shown in the following diagram.
00104
00100 00103
00105
00101
00201
END(01)
00102
01000
Delete
Insert
Original Program
Address Instruction Operands
00205 AND 00103
00206 AND NOT 00104
00207 OUT 01000
00208 END(01) -
Delete Insert
Insertion Follow the procedure below to insert the IR 00105 NO condition at address
00206.
1, 2, 3... 1. Press the CLR Key to bring up the initial display.
2. Input the address where the NO condition will be inserted and press the
Down Arrow Key. It is not necessary to input leading zeroes.
C2A0 6 ↓00206READ
AND NOT 00104
3. Input the new instruction and press the INS Key.
AND B1A0F5INS 00206 INSERT?
AND 00105
4. Press the Down Arrow Key to insert the new instruction.
↓00207 INSERT END
AND NOT 00104
Note After inserting more than one word instruction, specify the set values
(operands). After inputting the set values, press the WRITE Key.
Deletion Follow the procedure below to delete the IR 00103 NO condition at address
00205.
1, 2, 3... 1. Press the CLR Key to bring up the initial display.
2. Input the address where the NO condition will be deleted and press the
Down Arrow Key. It is not necessary to input leading zeroes.
C2A0F5↓00205READ
AND 00103
3. Press the DEL Key.
DEL 00205 DELETE?
AND 00103
4. Press the Up Arrow Key to delete the specified instruction.
If the instruction has more operands, the operands will be deleted automati-
cally with the instruction.
↑00205 DELETE END
AND 00105

4-2SectionProgramming Console Operations
44
After completing the insertion and deletion procedures, use the Up and Down
Arrow Keys to scroll through the program and verify that it has been changed
correctly, as shown in the following diagram.
00104
00100 0010500101
00201
END(01)
00102
01000
Corrected Program
Address Instruction Operands
00205 AND 00105
00206 AND NOT 00104
00207 OUT 01000
00208 END(01) -
4-2-11 Entering or Editing Programs
This operation is used to enter or edit programs. It is possible in PROGRAM
mode only.
RUN MONITOR PROGRAM
No No OK
The same procedure is used to either input a program for the first time or to
change a program that already exists. In either case, the current contents of
Program Memory is overwritten.
The program shown in the following diagram will be entered to demonstrate
this operation.
00002
00200 LD IR 00002
00201 TIM 000
#0123
00202 MOV(21)
#0100
LR 10
00203 ADB(50)
#0100
#FFF6
DM 0000
MOV(21)
#0100
LR 10
TIM 000
#0123 12.3 s
ADB(50)
#0100
#FFF6
DM 0000
Address Instruction Operands
1, 2, 3... 1. Press the CLR Key to bring up the initial display.
2. Specify the address where the program will begin.
3. Input the address where the program will begin and press the Down Arrow
Key. It is not necessary to input leading zeroes.
C2A0A0↓00200
4. Input the first instruction and operand.
LD C200200
LD 00002

4-2SectionProgramming Console Operations
45
5. Press the WRITE Key to write the instruction to Program Memory. The next
program address will be displayed.
WRITE 00201READ
NOP (000)
If a mistake was made inputting the instruction, press the Up Arrow Key to
return to the previous program address and input the instruction again. The
mistaken instruction will be overwritten
6. Input the second instruction and operand. (In this case it isn’t necessary to
enter the timer number, because it’s 000.) Press the WRITE Key to write the
instruction to Program Memory.
TIM [Timer number] WRITE 00201 TIM DATA
#0000
7. Input the second operand (123 to specify 12.3 seconds) and press the
WRITE Key. The next program address will be displayed.
B1C2D3WRITE 00202READ
NOP (000)
If a mistake was made inputting the operand, press the Up Arrow Key to re-
turn to display the mistaken operand, press the CONT/# Key and 123 again.
The mistaken operand will be overwritten.
Note Counters are input in the same basic way as timers except the CNT
Key is pressed instead of the TIM Key.
8. Input the third instruction and its operands. First input the instruction by
pressing the FUN Key and then the function code (21 in this case).
FUN C2B100202
MOV (021)
Note To input a differentiated instruction, press the NOT Key after entering
the function code. The “@” symbol will be displayed next to differen-
tiated instructions. Press the NOT Key again to change back the
instruction back to a non-differentiated instruction. The “@” symbol
will disappear. To change an instruction after it has been entered,
simply scroll through the program until the desired instruction is dis-
played and press the NOT Key. The “@” symbol should be displayed
next to the instruction.
9. Press the WRITE Key to write the instruction to Program Memory. The input
display for the first operand will be displayed.
WRITE 00202 MOV DATA A
000
•Writing Hexadecimal, BCD Constant
10. Input the first operand.
CONT
#
B1A0A000202 MOV DATA A
#0100
Press the WRITE Key to write the instruction to Program Memory. The input
display for the second operand will appear.
WRITE 00202 MOV DATA B
000

4-2SectionProgramming Console Operations
46
•Writing a Word Address
11. Input the second operand.
*EM
LR
B1A000202 MOV DATA B
LR 10
Press the WRITE Key to write the instruction to Program Memory. The next
program address will be displayed.
WRITE 00203READ
NOP (000)
Note When an instruction operand is input, the bit or word designation can
be omitted.
12. Input the next instruction.
FUN F5A000203
ADB (050)
Press the WRITE Key to write the instruction to Program Memory.
WRITE 00203 ADB DATA A
000
•Writing an Unsigned Decimal Number
13. The first operand is input as an unsigned integer.
CONT
#SHIFT TR NOT
00203 ADB DATA A
#00000
Input the value of the operand from 0 to 65535.
C2F5 6 00203 ADB DATA A
#00256
Note If an erroneous input is made, press the CLR Key to restore the status
prior to the input. Then enter the correct input.
14. Restore the hexadecimal display.
SHIFT TR 00203 ADB DATA A
#0100
Note If an input is made outside of the permissible range, a buzzer will
sound and the hexadecimal display will not be displayed.
WRITE 00203 ADB DATA B
000
15. The second operand is input as a signed integer.
CONT
#SHIFT TR 00203 ADB DATA B
#+00000
Input the value of the operand from –32,768 to 32,767. Use the SET Key to
input a positive number, and use the RESET Key to input a negative number.
RESET B1A000203 ADB DATA B
#Ć00010
Note If an erroneous input is made, press the CLR Key to restore the status
prior to the input. Then enter the correct input.

4-2SectionProgramming Console Operations
47
16. Restore the hexadecimal display.
SHIFT TR 00203 ADB DATA B
#FFF6
Note If an input is made outside of the permissible range, a buzzer will
sound and the hexadecimal display will not be displayed.
WRITE 00203 ADB DATA C
000
17. Input the final operand and then press the WRITE Key.
DM
EM 00203 ADB DATA C
DM 0000
WRITE 00204READ
NOP (000)
4-2-12 Checking the Program
This operation checks for programming errors and displays the program ad-
dress and error when errors are found. It is possible in PROGRAM mode
only.
RUN MONITOR PROGRAM
No No OK
1, 2, 3... 1. Press the CLR Key to bring up the initial display.
2. Press the SRCH Key. An input prompt will appear requesting the desired
check level.
SRCH 00000PROG CHK
CHK LVL (0Ć2)?
3. Input the desired check level (0, 1, or 2). The program check will begin when
the check level is input, and the first error found will be displayed.
A000178CIRCUIT ERR
OUT 00200
Note Refer to 5-6 Programming Errors for details on check levels.
4. Press the SRCH Key to continue the search. The next error will be dis-
played. Continue pressing the SRCH Key to continue the search.
The search will continue until an END instruction or the end of Program
Memory is reached. A display like this will appear if the end of Program
Memory is reached:
SRCH 00300NO END INST
END
A display like this will appear if an END instruction is reached:
SRCH 00310PROG CHK
END (001) 00.3KW
Error Messages For a listing of program check error messages, refer to Section 5 Test Runs and
Error Processing.
4-2-13 Bit, Digit, Word Monitor
This operation is used to monitor the status of up to 16 bits and words, al-
though only three can be shown on the display at any one time. Operation is
possible in any mode.
RUN MONITOR PROGRAM
OK OK OK

4-2SectionProgramming Console Operations
48
Program Read then Monitor When a program address is being displayed, the status of the bit or word in that
address can be monitored by pressing the MONTR Key.
1, 2, 3... 1. Press the CLR Key to bring up the initial display.
2. Input the desired program address and press the Down Arrow Key.
C2A0A0↓00200READ
TIM 000
3. Press the MONTR Key to begin monitoring.
MONTR T000
1234
If the status of a bit is being monitored, that bit’s status can be changed using
the Force Set/Reset operation. Refer to page 56 for details.
If the status of a word is being monitored, that word’s value can be changed
using the Hexadecimal/BCD Data Modification operation. Refer to page 53
for details.
4. Press the CLR Key to end monitoring.
CLR 00200
TIM 000
Bit Monitor Follow the procedure below to monitor the status of a particular bit.
1, 2, 3... 1. Press the CLR Key to bring up the initial display.
2. Input the bit address of the desired bit and press the MONTR Key.
SHIFT CONT
#
B1MONTR 00001
^ ON
The Up or Down Arrow Key can be pressed to display the status of the pre-
vious or next bit.
The displayed bit’s status can be changed using the Force Set/Reset opera-
tion. Refer to page 56 for details.
3. Press the CLR Key to end monitoring.
CLR 00000
CONT 00001
Word Monitor Follow the procedure below to monitor the status of a particular word.
1, 2, 3... 1. Press the CLR Key to bring up the initial display.
2. Input the word address of the desired word.
SHIFT CH
*DM LR
*EM B100000
CHANNEL LR 01
3. Press the MONTR Key to begin monitoring.
MONTR cL01
FFFF
The Up or Down Arrow Key can be pressed to display the status of the pre-
vious or next word.
The displayed word’s status can be changed using the Hexadecimal/BCD
Data Modification operation. Refer to page 53 for details.
4. Press the CLR Key to end monitoring.
CLR 00000
CHANNEL LR 01
The status of up to six bits and words can be monitored simultaneously, although
only three can be shown on the display at any one time.
1, 2, 3... 1. Press the CLR Key to bring up the initial display.
Multiple Address
Monitoring

4-2SectionProgramming Console Operations
49
2. Input the address of the first bit or word and press the MONTR Key.
TIM MONTR T000
0100
3. Repeat step 2 up to 6 times to display the next addresses to be monitored.
SHIFT CONT
#
B1MONTR 00001 T000
^ OFF 0100
DM
EM MONTR D000000001 T000
0000^ 0FF 0100
If 4 or more bits and words are being monitored, the bits and words that do
not appear on the display can be displayed by pressing the MONTR Key. If
the MONTR Key is pressed alone, the display will shift to the right.
If more than six bits and words are input, monitoring of the bit or word input
first will be canceled.
4. Press the CLR Key to stop monitoring the leftmost bit or word and clear it
from the display.
CLR 00001 T000
^ 0FF 0100
5. Press the SHIFT+CLR Keys to end monitoring altogether.
SHIFT CLR 00000
CONT 00001
Note Press the SHIFT + CLR Keys to return to the display with the multiple address
monitoring state unchanged. Press the SHIFT + MONTR Keys to display the re-
tained multiple address monitoring state. The monitoring states can be retained
for 6 bits and words.
4-2-14 Differentiation Monitor
This operation is used to monitor the up or down differentiation status of a
particular bit. When detected, the up or down differentiation will be displayed
and the buzzer will sound. It is possible in any mode.
RUN MONITOR PROGRAM
OK OK OK
1, 2, 3... 1. Monitor the status of the desired bit according to the procedure described in
4-2-13 Bit, Digit, Word Monitor. If 2 or more bits are being monitored, the de-
sired bit should be leftmost on the display.
In this case the differentiation status of LR 00 will be monitored.
L0000āāā00001āāāH0000
^ OFFāāā^ OFFāāā^ OFF
2. To specify up-differentiation monitoring, press the SHIFT and then the Up
Arrow Key. The symbols “U@” will appear.
SHIFT ↑L000000001H0000
U@OFF^ OFF^ OFF
Indicates waiting for the bit to turn ON.
To specify down-differentiation monitoring, press the SHIFT and then the
Down Arrow Key. The symbols “D@” will appear.
SHIFT ↓L0000āāā00001āāāH0000
D@OFF^ OFF ^ OFF

4-2SectionProgramming Console Operations
50
3. The buzzer will sound when the specified bit goes from off to on (for up-dif-
ferentiation) or from on to off (for down-differentiation).
L0000āāā00001āāāH0000
^ON ^ OFF ^ OFF
4. Press the CLR Key to end differentiation monitoring and return to the normal
monitoring display.
CLR L0000āāā00001āāāāH0000
^OFF ^OFF ^OFF
4-2-15 Binary Monitor
This operation is used to monitor the ON/OFF status of any word’s 16 bits. It
is possible in any mode.
RUN MONITOR PROGRAM
OK OK OK
1, 2, 3... 1. Monitor the status of the desired word according to the procedure described
in 4-2-13 Bit, Digit, Word Monitor. The desired word should be leftmost on
the display if two or more words are being monitored.
(Word monitor)
c010
0000
2. Press the SHIFT and then the MONTR Key to begin binary monitoring. The
ON/OFF status of the selected word’s 16 bits will be shown along the bottom
of the display. A 1 indicates a bit is on, and a 0 indicates it is off.
SHIFT MONTR
c010 MONTR
0000000000000000
Bit 15 Bit 00
The status of force-set bits is indicated by “S,” and the status of a force-reset
bits is indicated by “R,” as shown below.
Force-set bit
000S0000000R0000
Force-reset bit
c010 MONTR
Note a) The status of displayed bits can be changed at this point. Refer to
4-2-22 Binary Data Modification for details.
b) The Up or Down Arrow Key can be pressed to display the status of
the previous or next word’s bits.
3. Press the CLR Key to end binary monitoring and return to the normal moni-
toring display.
CLR c010
0000
4-2-16 Three-Word Monitor
This operation is used to simultaneously monitor the status of three consecu-
tive words. In RUN mode or MONITOR mode, changes are displayed as they
occur. The 3-word monitor operation can be used during I/O monitoring, in-
cluding multiple address monitoring. Refer to 4-2-13 Bit, Digit, Word Monitor.
RUN MONITOR PROGRAM
OK OK OK

4-2SectionProgramming Console Operations
51
1, 2, 3... 1. Monitor the status of the first of the three words according to the procedure
described in 4-2-13 Bit, Digit, Word Monitor.
If two or more words are being monitored, the desired first word should be
leftmost on the display.
(Word monitor)
c200
89AB
2. Press the EXT Key to begin 3-word monitoring. The status of the selected
word and the next two words will be displayed, as shown below. In this case,
DM 0000 was selected.
EXT c202 c201 c200
0123 4567 89AB
The Up and Down Arrow Keys can be used to shift one address up or down.
The status of the displayed words can be changed at this point. Refer to
4-2-19 3-word Data Modification.
3. Press the CLR Key to end 3-word monitoring and return to the normal moni-
toring display. The rightmost word on the 3-word monitor display will be mo-
nitored.
CLR c200
89AB
4-2-17 Signed Decimal Monitor
This operation converts the contents of the specified word from signed hexa-
decimal (two’s complement format) to signed decimal for display. The opera-
tion can be executed while using I/O monitoring, multiple address monitoring
or 3-word monitoring.
RUN MONITOR PROGRAM
OK OK OK
1, 2, 3... 1. Monitor the word that is to be used for decimal monitor with sign. During mul-
tiple address monitoring, the leftmost word will be converted.
(Multiple address monitor)
c200 cL0020000
FFF0 0000^ OFF
2. Press the SHIFT+TR Keys to display the leftmost word as signed decimal.
SHIFT TR c200
Ć00016
At this point, the contents of the displayed word can be changed with a
signed-decimal input. Refer to 4-2-23 Signed Decimal Data Modification.
3. Press the CLR Key or the SHIFT+TR Keys to end the unsigned decimal dis-
play and return to normal monitoring.
CLR c200 cL0020000
FFF0 0000^ OFF
4-2-18 Unsigned Decimal Monitor
This operation is used to convert hexadecimal data in a word to unsigned
decimal for display. The operation can be executed while using I/O monitor-
ing, multiple address monitoring or 3-word monitoring.
RUN MONITOR PROGRAM
OK OK OK

4-2SectionProgramming Console Operations
52
1, 2, 3... 1. Monitor the word that is to be used for decimal monitor without sign. During
multiple address monitoring and 3-word monitoring, the leftmost word will
be converted.
Multiple address monitoring
c200 cL0020000
FFF0 0000^ OFF
2. Press the SHIFT+TR+NOT Keys to display the leftmost word as unsigned
decimal.
SHIFT TR NOT
c200
65520
At this point, the contents of the displayed word can be changed with an un-
signed-decimal input. Refer to 4-2-24 Unsigned Decimal Data Modification.
3. Press the CLR Key or the SHIFT+TR Keys to end the unsigned decimal dis-
play and return to normal monitoring.
CLR c200 cL0020000
FFF0 0000^ OFF
4-2-19 Three-Word Data Modification
This operation is used to change the contents of one or more of the 3 con-
secutive words displayed in the 3-Word Monitor operation. It is possible in
MONITOR or PROGRAM mode only.
RUN MONITOR PROGRAM
No OK OK
1, 2, 3... 1. Monitor the status of the desired words according to the procedure de-
scribed 4-2-16 3-Word Monitor.
(3-word monitor)
D0002D0001D0000
0123 4567 89AB
2. Press the CHG Key to begin 3-word data modification. The cursor will ap-
pear next to the contents of the leftmost word.
CHG D0002 3CH CHG?
00123 4567 89AB
3. Input the new value for the leftmost word on the display and press the CHG
Key if more changes will be made.
(Input the new value and press the WRITE Key to write the changes in
memory if no more changes will be made.)
B1CHG D0002 3CH CHG?
0001 4567 89AB
4. Input the new value for the middle word on the display and press the CHG
Key if the rightmost word will be changed. Input the new value and press the
WRITE Key to write the changes in memory if the rightmost word will not be
changed. (In this case, it will not.)
C2D3E4WRITE D0002D0001D0000
0001 0234 89AB
Note If the CLR Key is pressed before the WRITE Key, the operation will be cancelled
and the 3-word monitor display will return without any changes in data memory.
4-2-20 Changing Timer, Counter SV
There are two operations that can be used to change the SV of a timer or
counter. They are possible in MONITOR or PROGRAM mode only. In MONI-
TOR mode, the SV can be changed while the program is being executed.

4-2SectionProgramming Console Operations
53
RUN MONITOR PROGRAM
No OK OK
The timer or counter SV can be changed either by inputting a new value or
by incrementing or decrementing the current SV.
This operation can be used to input a new SV constant, as well as to change an
SV from a constant to a word address designation and vice versa. The following
examples show how to input a new SV constant and how to change the SV from
a constant to an address.
1, 2, 3... 1. Press the CLR Key to bring up the initial display.
2. Display the desired timer or counter.
TIM B1SRCH 00201SRCH
TIM 001
3. Press the Down Arrow Key and then the CHG Key.
↓CHG 00201DATA?
T001 #0134 #????
4. At this point a new SV constant can be input or the SV constant can be
changed to a word address designation
a) To input a new SV constant, input the constant and press the WRITE
Key.
B1C2E4WRITE 00201 TIM DATA
#0124
b) To change to a word address designation, input the word address and
press the WRITE Key.
SHIFT CH
*DM
AR
HR
B1A0WRITE 00201 TIM DATA
HR 10
This operation can be used to increment and decrement an SV constant. It is
possible only when the SV has been entered as a constant.
1, 2, 3... 1. Press the CLR Key to bring up the initial display.
2. Display the desired timer or counter.
TIM SRCH 00201SRCH
TIM 000
3. Press the Down Arrow, CHG, and then the EXT Key.
↓CHG EXT 00201DATA ? U/D
T000 #0123 #0123
The constant on the left is the old SV and the constant on the right will be-
come the new SV constant in step 5.
4. Press the Up and Down Arrow Keys to decrement and increment the
constant on the right. (In this case the SV is incremented once.)
↓00201DATA ? U/D
T000 #0123 #0124
5. Press the CLR Key twice to change the timer’s SV to the new value.
CLR CLR 00201 TIM DATA
#0124
4-2-21 Hexadecimal, BCD Data Modification
This operation is used to change the BCD or hexadecimal value of a word
being monitored using the procedure described in 4-2-13 Bit, Digit, Word
Monitor. It is possible in MONITOR or PROGRAM mode only.
Inputting a New SV
Constant
Incrementing and
Decrementing a Constant

!
!
4-2SectionProgramming Console Operations
54
RUN MONITOR PROGRAM
No OK OK
Words SR 253 to SR 255 cannot be changed.
Caution Before changing the contents of I/O memory, be sure that the changes will not
cause equipment to operate unexpectedly or dangerously. In particular, take
care when changing the status of output bits. The PC continues to refresh I/O
bits even if the PC is in PROGRAM mode, so devices connected to output points
may operate unexpectedly.
1, 2, 3... 1. Monitor the status of the desired word according to the procedure described
in 4-2-13 Bit, Digit, Word Monitor. If two or more words are being monitored,
the desired word should be leftmost on the display.
(Word monitor)
D0000
0119
2. Press the CHG Key to begin hexadecimal, BCD data modification.
CHG PRES VAL?
D0000 0119 ????
3. Input the new PV and press the WRITE Key to change the PV.
The operation will end and the normal monitoring display will return when
the WRITE Key is pressed.
C2A0A0WRITE D0000
0200
4-2-22 Binary Data Modification
This operation is used to change the status of a word’s bits when the word is
monitored using the procedure described in 4-2-15 Word Monitor. It is pos-
sible in MONITOR or PROGRAM mode only.
RUN MONITOR PROGRAM
No OK OK
Bits SR 25300 to SR 25507 and timer/counter flags cannot be changed.
Caution Before changing the contents of I/O memory, be sure that the changes will not
cause equipment to operate unexpectedly or dangerously. In particular, take
care when changing the status of output bits. The PC continues to refresh I/O
bits even if the PC is in PROGRAM mode, so devices connected to output points
may operate unexpectedly.
1, 2, 3... 1. Monitor the status of the desired word according to the procedure described
4-2-15 Word Monitor.
(BInary monitor)
c010 MONTR
1000010101010101
Bit 15 Bit 00
2. Press the CHG Key to begin binary data modification.
CHG c010 CHG?
1000010101010101
A flashing cursor will appear over bit 15. The cursor indicates which bit can
be changed.

!
4-2SectionProgramming Console Operations
55
3. Three sets of keys are used to move the cursor and change bit status:
a) Use the Up and Down Arrow Keys to move the cursor to the left and right.
↓ ↓ c010 CHG?
1000010101010101
b) Use the 1 and 0 keys to change a bit’s status to on or off. The cursor will
move one bit to the right after one of these keys is pressed.
B1 c010 CHG?
1010010101010101
c) Use the SHIFT+SET and SHIFT+RESET Keys to force-set or force-re-
set a bit’s status. The cursor will move one bit to the right after one of
these keys is pressed. The NOT Key will clear force-set or force-reset
status.
Note Bits in the DM Area cannot be force-set or force-reset.
4. Press the WRITE Key to write the changes in memory and return to the
binary monitor.
WRITE c010 MONTR
1010010101010101
4-2-23 Signed Decimal Data Modification
This operation is used to change the decimal value of a word being moni-
tored as signed decimal data. The contents of the specified word are con-
verted automatically to signed hexadecimal (two’s complement format).
Words SR 253 to SR 255 cannot be changed.
RUN MONITOR PROGRAM
No OK OK
Caution Before changing the contents of I/O memory, be sure that the changes will not
cause equipment to operate unexpectedly or dangerously. In particular, take
care when changing the status of output bits. The PC continues to refresh I/O
bits even if the PC is in PROGRAM mode, so devices connected to output points
may operate unexpectedly.
1, 2, 3... 1. Monitor (signed decimal) the status of the word for which the present value
is to be changed.
(Signed decimal monitor)
D0200
Ć00016
2. Press the CHG Key to begin decimal data modification.
CHG PRES VAL?
D0200Ć00016
3. Input the new PV and press the WRITE Key to change the PV. The operation
will end and the signed-decimal monitoring display will return when the
WRITE Key is pressed.
The PV can be set within a range of –32,768 and 32,767. Use the SET Key to
input a positive number, and use the RESET Key to input a negative number.
RESET D3C2 7 6 8 WRITE D0200
Ć32768
Press the CLR Key or the SHIFT and TR Keys to return to the normal moni-
toring display.
If an erroneous input has been made, press the CLR Key to restore the sta-
tus prior to the input. Then enter the correct input.

!
!
4-2SectionProgramming Console Operations
56
4-2-24 Unsigned Decimal Data Modification
This operation is used to change the decimal value of a word being moni-
tored as unsigned decimal data. A change into hexadecimal data is made
automatically.
Words SR 253 to SR 255 cannot be changed.
RUN MONITOR PROGRAM
No OK OK
Caution Before changing the contents of I/O memory, be sure that the changes will not
cause equipment to operate unexpectedly or dangerously. In particular, take
care when changing the status of output bits. The PC continues to refresh I/O
bits even if the PC is in PROGRAM mode, so devices connected to output points
may operate unexpectedly.
1, 2, 3... 1. Monitor (unsigned decimal) the status of the word for which the present val-
ue is to be changed.
(Unsigned decimal monitor)
c200
65520
2. Press the CHG Key to begin decimal data modification.
CHG PRES VAL?
c200 65520
3. Input the new PV and press the WRITE Key to change the PV. The operation
will end and the decimal-without-sign monitoring display will return when the
WRITE Key is pressed.
The PV can be set within a range of 0 to 65,535.
D3C2 7 6 8 WRITE c200
32768
Press the CLR Key or the SHIFT and TR Keys to return to the normal moni-
toring display.
If an erroneous input has been made, press the CLR Key to restore the sta-
tus prior to the input. Then enter the correct input.
4-2-25 Force Set, Reset
This operation is used to force bits ON (force set) or OFF (force reset) and is
useful when debugging the program or checking output wiring. It is possible
in MONITOR or PROGRAM mode only.
RUN MONITOR PROGRAM
No OK OK
Caution Before changing the contents of I/O memory, be sure that the changes will not
cause equipment to operate unexpectedly or dangerously. In particular, take
care when changing the status of output bits. The PC continues to refresh I/O
bits even if the PC is in PROGRAM mode, so devices connected to output points
may operate unexpectedly.
1, 2, 3... 1. Monitor the status of the desired bit according to the procedure described in
4-2-13 Bit, Digit, Word Monitor. If two or more words are being monitored,
the desired bit should be leftmost on the display.
(Multiple address monitor)
0000020000
^ OFF^ ON

4-2SectionProgramming Console Operations
57
2. Press the SET Key to force the bit ON or press the RESET Key to force the
bit OFF.
SET
0000020000
ON^ ON
The cursor in the lower left corner of the display indicates that the force set/
reset is in progress. Bit status will remain ON or OFF only as long as the key
is held down; the original status will return one cycle after the key is re-
leased.
3. Press the SHIFT+SET or SHIFT+RESET Keys to maintain the status of the
bit after the key is released. In this case, the force-set status is indicated by
an “S” and the force-reset status is indicated by an “R.”
To return the bit to its original status, press the NOT Key or perform the Clear
Force Set/Reset operation. Refer to 4-2-26 Clear Force Set/Reset for de-
tails.
Forced status will also be cleared when the PC’s operating mode is changed
(unless SR 25211 is ON, in which case forced status will not be cleared
when changing from PROGRAM to MONITOR mode) or when operation
stops as the result of a fatal error or power interruption.
4-2-26 Clear Force Set/Reset
This operation is used to restore the status of all bits which have been force
set or reset. It is possible in MONITOR or PROGRAM mode only.
RUN MONITOR PROGRAM
No OK OK
1, 2, 3... 1. Press the CLR Key to bring up the initial display.
2. Press the SET and then the RESET Key. A confirmation message will ap-
pear.
SET RESET
00000FORCE RELE?
Note If the wrong key is mistakenly pressed, press CLR and start again
from the beginning.
3. Press the NOT Key to clear the force-set/reset status of bits in all data areas.
NOT
00000FORCE RELE
END
4-2-27 Hex-ASCII Display Change
This operation is used to convert word data displays back and forth between
4-digit hexadecimal data and ASCII. It is possible in any mode.
RUN MONITOR PROGRAM
OK OK OK
1, 2, 3... 1. Monitor the status of the desired word(s) according to the procedure de-
scribed in 4-2-13 Bit, Digit, Word Monitor.
(Multiple address monitor)
D0000D0001
4142 3031
2. Press the TR Key to switch to ASCII display. The display will toggle between
hexadecimal and ASCII displays each time the TR Key is pressed.
TR D0000D0001
"AB" 3031
TR D0000D0001
4142 3031

4-2SectionProgramming Console Operations
58
4-2-28 Displaying the Cycle Time
This operation is used to display the current average cycle time (scan time).
It is possible only in RUN or MONITOR mode while the program is being exe-
cuted.
RUN MONITOR PROGRAM
OK OK No
1, 2, 3... 1. Press the CLR Key to bring up the initial display.
2. Press the MONTR Key to display the cycle time.
MONTR
00000SCAN TIME
012.1MS
“MS” in the display indicates
the unit “ms” for the cycle time.
There might be differences in displayed values when the MONTR Key is
pressed repeatedly. These differences are caused by changing execution
conditions.
59
SECTION 5
Test Runs and Error Processing
This section describes procedures for test runs of SRM1 operation, self-diagnosis functions, and error processing to identify
and correct the hardware and software errors that can occur during operation.
5-1 Startup Procedure 60. . . . . . . . . . . . . . . . . . . . . . . . . . . . . . . . . . . . . . . . . . . . . . . . . . . . . . . . .
5-1-1 Flowchart for Configuring and Checking the System 60. . . . . . . . . . . . . . . . . . . . . .
5-1-2 SRM1 Test Run Procedure 60. . . . . . . . . . . . . . . . . . . . . . . . . . . . . . . . . . . . . . . . . .
5-1-3 Flash Memory Precautions 61. . . . . . . . . . . . . . . . . . . . . . . . . . . . . . . . . . . . . . . . . .
5-2 Entering the Program 62. . . . . . . . . . . . . . . . . . . . . . . . . . . . . . . . . . . . . . . . . . . . . . . . . . . . . .
5-2-1 Before Programming 62. . . . . . . . . . . . . . . . . . . . . . . . . . . . . . . . . . . . . . . . . . . . . . .
5-2-2 Clearing Memory 62. . . . . . . . . . . . . . . . . . . . . . . . . . . . . . . . . . . . . . . . . . . . . . . . . .
5-2-3 Ladder Programming Example 64. . . . . . . . . . . . . . . . . . . . . . . . . . . . . . . . . . . . . . .
5-2-4 Writing the Program 68. . . . . . . . . . . . . . . . . . . . . . . . . . . . . . . . . . . . . . . . . . . . . . .
5-2-5 Checking the Program 71. . . . . . . . . . . . . . . . . . . . . . . . . . . . . . . . . . . . . . . . . . . . . .
5-3 Test Run 71. . . . . . . . . . . . . . . . . . . . . . . . . . . . . . . . . . . . . . . . . . . . . . . . . . . . . . . . . . . . . . . .
5-4 Error Processing 72. . . . . . . . . . . . . . . . . . . . . . . . . . . . . . . . . . . . . . . . . . . . . . . . . . . . . . . . . .
5-4-1 Non-fatal Errors 72. . . . . . . . . . . . . . . . . . . . . . . . . . . . . . . . . . . . . . . . . . . . . . . . . . .
5-4-2 Fatal Errors 72. . . . . . . . . . . . . . . . . . . . . . . . . . . . . . . . . . . . . . . . . . . . . . . . . . . . . .
5-4-3 Identifying Errors 73. . . . . . . . . . . . . . . . . . . . . . . . . . . . . . . . . . . . . . . . . . . . . . . . . .
5-4-4 User-defined Errors 73. . . . . . . . . . . . . . . . . . . . . . . . . . . . . . . . . . . . . . . . . . . . . . . .
5-4-5 Reading/Clearing Error Messages 74. . . . . . . . . . . . . . . . . . . . . . . . . . . . . . . . . . . . .
5-5 Programming Console Operation Errors 75. . . . . . . . . . . . . . . . . . . . . . . . . . . . . . . . . . . . . . .
5-6 Programming Errors 75. . . . . . . . . . . . . . . . . . . . . . . . . . . . . . . . . . . . . . . . . . . . . . . . . . . . . . .
5-7 Troubleshooting Flowcharts 77. . . . . . . . . . . . . . . . . . . . . . . . . . . . . . . . . . . . . . . . . . . . . . . . .

5-1SectionStartup Procedure
60
5-1 Startup Procedure
5-1-1 Flowchart for Configuring and Checking the System
Check the following items when configuring the system.
SRM1
CompoBus/S transmission line wiring
Slave Unit
Power supply
connection
Node number
setting
SRM1 startup
I/O device
connections
End
CompoBus/S
communications
mode setting
No. Items to check Contents Reference
1CompoBus/S transmission
line wiring Is the CompoBus/S transmission cable securely connected,
and with no loose terminal screws?
Is the end of the transmission path (i.e., the farthest from the
SRM1) connected to a termination resistance?
Pages 23, 24
Also refer to the
CompoBus/S
Operation
Manual (W266)
2Power supply connection Is the wiring correct?
Are there any loose terminal screws?
Are there any short-circuited connectors?
Pages 23, 24
3Slave settings Is the bit allocation correct?
Have the node numbers been set properly, with no
duplication?
Page 8
4 Slave I/O connections Is the wiring correct?
Are there any loose terminal screws?
Are there any short-circuited connectors?
Refer to the
CompoBus/S
Operation
Manual (W266)
5 CompoBus/S
communications mode setting Is the CompoBus/S communications mode setting correct?
Manual (W266)
5-1-2 SRM1 Test Run Procedure
1, 2, 3... 1. Power Supply Application
a) Check the SRM1’s power supply voltage and terminal connections.
b) Check the CompoBus/S transmission line terminal connections and the
Slave’s node number and power supply.
c) Check the I/O devices’ power supply voltage and terminal connections.
d) Turn on the power supply. Turn on the power supply starting from the
Slave.
e) Check that the “PWR” indicator lights.

5-1SectionStartup Procedure
61
f) Use the Programming Console to set the SRM1 to PROGRAM mode.
g) Use the Programming Console to set the maximum number of Slaves
(bits 00 to 03 of DM 6603) and the CompoBus/S communications mode
(bits 04 to 07 of DM 6603). (The SRM1’s power must be turned OFF and
then ON again to enable new settings in DM 6603.)
h) Check that the “SD” and “RD” indicators light.
2. I/O Wiring Checks
a) With the SRM1 in PROGRAM mode, check the output wiring by turning
on the output bits with the force set and force reset operations.
Refer to 4-2-25 Force Set, Reset for details.
b) Check the input wiring with the SRM1’s input indicators or the Program-
ming Console’s monitor operations. Check the input wiring with the
Slaves input indicators, the Programming Console’s I/O monitoring, or
the Programming Console’s multiple address monitoring.
3. Test Run
Use a Programming Console to set the SRM1 to RUN or MONITOR mode
and check that the “RUN” indicator lights.
4. Program Input
a) Use the Programming Console, SYSMAC-CPT, or SYSMAC Support
Software (SSS) to write the program.
b) Check the sequence of operation.
Note When using the SYSMAC-CPT Support Software, set the PC model
to “SRM1.” When using the SYSMAC Support Software, set the PC
model to “CQM1.”
5. Debugging
Correct any programming errors that are detected.
5-1-3 Flash Memory Precautions
The SRM1 uses the flash memory to hold the contents of the user program
memory, the read-only DM area (DM 6144 through DM 6599), and PC Setup
(DM 6600 through DM 6655). Observe the following precautions to protect the
flash memory and ensure proper operation.
1, 2, 3... 1. Perform either one of the following to write the above contents onto the flash
memory.
a) Switch the SRM1 to RUN or MONITOR mode.
b) Restart the power supply to the SRM1.
Note If the power is turned off without changing the mode after making
changes in the above areas using a Peripheral Device, the changes
will not be written to flash memory. Although the data in these areas is
backed up by a lithium battery, the changes will be lost if the battery
fails or is removed because the program in the flash memory will be
automatically read into the user program memory. The standard ser-
vice life of the lithium battery is ten years minimum under an ambient
temperature of 25°C.
2. When the SRM1 is operated for the first time after changing the program
memory, the read-only DM area (DM 6144 through DM 6599), or PC Setup
(DM 6600 through DM 6655), it will take about 850 ms longer than usual be-
fore the SRM1 starts. Be sure to take this one-time startup delay into ac-
count.

!
5-2SectionEntering the Program
62
3. If one of the following three operations is performed in MONITOR or RUN
mode, a “cycle time over” warning will not be issued. When performing on-
line edit operation, take the I/O response time of the SRM1 into account. The
SRM1 will extend the cycle time for up to 850 ms and interrupts will be dis-
abled while the program or PC Setup is being overwritten.
•Program changes with the online edit operation
•Changes to the read-only DM area (DM 6144 through DM 6599)
•Changes to the PC Setup (DM 6600 through DM 6655)
5-2 Entering the Program
5-2-1 Before Programming
Connect the cable from the Programming Console (CQM1-PRO01-E or C200H-
PRO27-E) to the SRM1’s Peripheral Port.
5-2-2 Clearing Memory
This operation is used to clear all or part of the Program Memory and any data
areas that are not read-only, as well as the contents of the Programming Con-
sole’s memory. This operation is possible in PROGRAM mode only.
RUN MONITOR PROGRAM
No No OK
Before beginning to program for the first time or when installing a new program,
clear all areas.
All Clear The following procedure is used to clear memory completely.
1, 2, 3... 1. Bring up the initial display by pressing the CLR key repeatedly.
2. Press the SET, NOT, and then the RESET Key to begin the operation.
SET NOT RESET
00000MEMORY CLR?
HR CNT DM
3. Press the MONTR Key to clear memory completely.
MONTR END HR CNT DM
00000MEMORY CLR
Caution Check to be sure that no equipment is affected when turning the SRM1’s power
supply on or off, or when entering the password. Be careful not to cause any ac-
cidents when starting or stopping SRM1 operation.
Partial Clear It is possible to retain the data in specified areas or part of the Program Memory.
To retain the data in the HR, TC, or DM Areas, press the appropriate key after
pressing SET, NOT, and RESET. Any data area that still appears on the display
will be cleared when the MONTR Key is pressed.
Connecting the
Programming Console

5-2SectionEntering the Program
63
The HR Key is used to specify both the AR and HR Areas, the CNT Key is used to
specify the entire timer/counter area, and the DM Key is used to specify the DM
Area.
It is also possible to retain a portion of the Program Memory from the first
memory address to a specified address. After designating the data areas to
be retained, specify the first Program Memory address to be cleared. For ex-
ample, input 030 to leave addresses 000 to 029 untouched, but to clear ad-
dresses from 030 to the end of Program Memory.
As an example, follow the procedure below to retain the timer/counter area and
Program Memory addresses 000 through 122:
1, 2, 3... 1. Press the CLR Key to bring up the initial display.
2. Press the SET, NOT, and then the RESET Key to begin the operation.
3. Press the CNT Key to remove the timer/counter area from the data areas
shown on the display.
CNT
00000MEMORY CLR?
HR DM
4. Press 123 to specify 123 as the starting program address.
B1C2D300123MEMORY CLR?
HR DM
5. Press the MONTR Key to clear the specified regions of memory.

5-2SectionEntering the Program
64
5-2-3 Ladder Programming Example
In this example, the SRM1’s distributed I/O is used to control a lift (e.g., a dumb
waiter) connecting a kitchen on the first floor and a customer serving area on the
second floor.
MC2 LS22 MC22
MC21
L2
PB2
LS2
LS21
LS1
MC1
LS11
MC12
MC11
L1
PB1
SRM1 SRT1-ROC08
Node #1
(Output word 10,
bits 8 to 15)
SRT1-ID04
Node #1
(Input word 0, bits 8 to 11)
SRT1-ROC08
Node #0
(Output word 10,
bits 0 to 7)
SRT1-ID04
Node #0
Input word 0,
bits 0 to 3
SRS1-T

5-2SectionEntering the Program
65
Explanation of Operations Initially, the lift is on the first floor (where the kitchen is located) and LS1 is ON.
The door is open and LS12 is ON. L1 is ON, and the first-floor indicator light is on.
When food is placed on the lift and the “up” button is pressed to turn ON PB1,
MC11 turns ON and the door closes. After the door has closed, LS11 turns ON.
MC1 turns ON and the lift begins to go up. L1 turns OFF and the first floor indica-
tor light turns off.
When the lift reaches the second floor (the customer serving area), L2 turns ON,
MC1 turns OFF and the lift stops. L2 turns ON and the second-floor indicator
light turns on. MC22 turns ON and the second-floor door opens.
When the food is taken from the lift and the “down” button is pressed, PB2 turns
ON. MC21 turns ON and the door closes. After the door has closed, LS21 turns
ON. MC2 turns ON and the lift begins to go down. L2 turns OFF and the second-
floor indicator light turns off.
When the lift reaches the first floor again, LS1 turns ON. MC2 turns OFF and the
lift stops. L1 turns ON and the first-floor indicator light turns ON. MC12 turns ON
and the door opens.
Sequence Program Diagram
X1
LS22PB1
X1
MC11
X1
1F closed
LS11 MC12
MC1
X1
Down
LS2 MC2
L2 2F indicator light
LS11
LS2
MC22
X1
2F open
MC21LS2
X2
LS12PB2
X2
MC21
X2
2F closed
LS21 MC22
MC2
X2
Up
LS1 MC1
L1 1F indicator light
LS21
LS1
MC12
X2
1F open
MC11LS1

5-2SectionEntering the Program
66
I/O Allocation Bit addresses are assigned as follows for inputs and outputs.
Input Output
Wd Wd Wd Wd

5-2SectionEntering the Program
67
Ladder Program Following the sequence program and I/O allocation, create the ladder program.
X1
00900
END(01)
0010300001
00900
(1) 00000
(11) 00038
PB1 LS22
X1
MC11
01002
0000000900
(2) 00004 1F closed
X1 LS11
01003
MC12
MC1
01000
00900
(3) 00008 Down
X1 LS11
00102
LS2
00000 01100
MC2
L2
01101
00102
(4) 00013 2F indicator light
LS2
MC22
01103
00900
(5) 00015 2F open
X1 LS2
01102
MC21
00102
X2
00901
0000300101
00901
(6) 00019
PB2 LS12
X2
MC21
01102
0010000901
(7) 00023 2F closed
X2 LS21
01103
MC22
MC2
01100
00901
(8) 00027 Up
X2 LS21
00002
LS1
00100 01000
MC1
L1
01001
00002
(9) 00032 1F indicator light
LS1
MC12
01003
00901
(10) 00034 1F open
X2 LS1
01002
MC11
00002
Mnemonic Coding List The following table shows the mnemonic coding for the ladder program. The
subsequent pages explain the procedure for entering the program using the
Programming Console.
Program reference Step Instruction Data
(1) 00000 LD 00001
00001 OR 00900
00002 AND NOT 00103
00003 OUT 00900
(2) 00004 LD 00900
00005 AND NOT 00000
00006 AND NOT 01003
00007 OUT 01002
(3) 00008 LD 00900
00009 AND 00000
0010 AND NOT 00102
00011 AND NOT 01100
00012 OUT 01000
(4) 00013 LD 00102
00014 OUT 01101

5-2SectionEntering the Program
68
Program reference DataInstructionStep
(5) 00015 LD 00900
00016 AND 00102
00017 AND NOT 01102
00018 OUT 01103
(6) 00019 LD 00101
00020 OR 00901
00021 AND NOT 00003
00022 OUT 00901
(7) 00023 LD 00901
00024 AND NOT 00100
00025 AND NOT 01103
00026 OUT 01102
(8) 00027 LD 00901
00028 AND 00100
00029 AND NOT 00002
00030 AND NOT 01000
00031 OUT 01100
(9) 00032 LD 00002
00033 OUT 01001
(10) 00034 LD 00901
00035 AND 00001
00036 AND NOT 01002
00037 OUT 01003
(11) 00038 END (01) ---
5-2-4 Writing the Program
Use the following procedure to write the program, according to the coding sheet.
The numbers in parentheses are in reference to the previous ladder program.
•(1) Writing Steps 00000 to 00003
1, 2, 3... 1. Press the CLR Key to bring up the initial display.
00000
2. Input the first instruction and bit address 00001. It is not necessary to input
leading zeroes.
LD B100000
LD 00001
3. Press the WRITE Key to write the instruction to Program Memory. The next
program address will be displayed.
WRITE 00001READ
NOP (000)
4. Input OR and bit address 00900.
OR 9A0A000001
OR 00900
5. Press the WRITE Key to write the instruction to Program Memory. The next
program address will be displayed.
WRITE 00002READ
NOP (000)

5-2SectionEntering the Program
69
6. Input AND, NOT and bit address 00103.
AND NOT B1A0D300002
AND NOT 00103
7. Press the WRITE Key to write the instruction to Program Memory. The next
program address will be displayed.
WRITE 00003READ
NOP (000)
8. Input the OUT instruction and bit address 00900.
OUT 9A0A000003
OUT 00900
9. Press the WRITE Key to write the instruction to Program Memory. The next
program address will be displayed.
WRITE 00004READ
NOP (000)
•(2) to (11) Writing Steps 00004 to 00038
Enter steps 00004 to 00038 as follows:
(2) 00004 LD 9A0A0WRITE
00005 AND NOT A0WRITE
00006 AND NOT B1A0A0D3WRITE
00007 OUT B1A0A0C2WRITE
(3) 00008 LD 9A0A0WRITE
00009 AND A0WRITE
00010 AND NOT B1A0C2WRITE
00011 AND NOT B1B1A0A0WRITE
00012 OUT B1A0A0A0WRITE
(4) 00013 LD B1A0C2WRITE
00014 OUT B1B1A0B1WRITE
(5) 00015 LD 9A0A0WRITE
00016 AND B1A0C2WRITE
00017 AND NOT B1B1A0C2WRITE
00018 OUT B1B1A0D3WRITE

5-2SectionEntering the Program
70
(6) 00019 LD B1A0B1WRITE
00020 OR 9A0B1WRITE
00021 AND NOT D3WRITE
00022 OUT 9A0B1WRITE
(7) 00023 LD 9A0B1WRITE
00024 AND NOT B1A0A0WRITE
00025 AND NOT B1B1A0D3WRITE
00026 OUT B1B1A0C2WRITE
(8) 00027 LD 9A0B1WRITE
00028 AND B1A0A0WRITE
00029 AND NOT C2WRITE
00030 AND NOT B1A0A0A0WRITE
00031 OUT B1B1A0A0WRITE
(9) 00032 LD C2WRITE
00033 OUT B1A0A0B1WRITE
(10) 00034 LD 9A0B1WRITE
00035 AND C2WRITE
00036 AND NOT B1A0A0C2WRITE
00037 OUT B1A0A0D3WRITE
(11) 00038 FUN A0A0B1WRITE

5-3SectionTest Run
71
5-2-5 Checking the Program
This operation checks for programming errors and displays the program ad-
dress and error when errors are found. It is possible in PROGRAM mode
only.
RUN MONITOR PROGRAM
No No OK
1, 2, 3... 1. Press the CLR Key to bring up the initial display.
00000
2. Press the SRCH Key. An input prompt will appear requesting the desired
check level.
SRCH 00000PROG CHK
CHK LVL (0Ć2)?
3. Input the desired check level (0, 1, or 2). The program check will begin when
the check level is input, and the first error found will be displayed.
Note Refer to 5-6 Programming Errors for details on check levels and error
displays.
4. Press the SRCH Key to continue the search. The next error will be dis-
played. Continue pressing the SRCH Key to continue the search.
A display like this will appear if an END instruction is reached without any
errors being found:
SRCH 00017PROG CHK
END (001) 00.1KW
If errors are displayed, edit the program to correct the errors and check the pro-
gram again. Continue checking the program until all errors have been corrected.
5-3 Test Run
Run the SRM1 in MONITOR mode to check the program. Then follow the proce-
dure described below to perform a test run.
1, 2, 3... 1. Change the mode switch to RUN mode.
RUN
MONITOR
PROGRAM <RUN> BZ
2. Check the SRM1’s LED indicator status. If the SRM1 is operating properly,
the PWR, RUN, SD, and RD indicators should all be lit, the COMM indicator
should flash, and all other indicators should be unlit. If the indicator status is
anything other than this, refer to 5-4 Error Processing.
3. Turn ON either PB1 or PB2 and check to see whether the operations are
executed as described in Explanation of Operations in 5-2-3 Ladder Pro-
gramming Example. If the program is not executed, or the operations are
different from those described in Explanation of Operations, check the pro-
gram and the I/O wiring.
Note For checking the program, refer to 5-6 Programming Errors and the Program-
ming Manual.

5-4SectionError Processing
72
5-4 Error Processing
The SRM1 is equipped with a variety of self-diagnosis functions to help identify
and correct errors that might occur and reduce down time.
Errors are divided into two categories based on their severity. Fatal errors are
more serious errors which stop SRM1 operation. Non-fatal errors are less seri-
ous and don’t stop SRM1 operation.
5-4-1 Non-fatal Errors
SRM1 operation and program execution will continue after one or more of these
errors have occurred. Although SRM1 operation will continue, the cause of the
error should still be corrected and the error cleared as soon as possible.
When one of these errors occurs, the POWER and RUN indicators will remain lit
and the ERR/ALM indicator will flash.
Message FAL No. Meaning and appropriate response
SYS FAIL FAL**
(** is 01 to 99 or 9B.) 01 to 99 An FAL(06) instruction has been executed in the program. Check the FAL number to
determine conditions that would cause execution, correct the cause, and clear the
error.
9B An error has been detected in the PC Setup. Check flags AR 1300 to AR 1302, and
correct as directed.
AR 1300 ON: An incorrect setting was detected in the PC Setup (DM 6600 to
DM 6614) when power was turned on. Correct the settings in PROGRAM Mode and
turn on the power again.
AR 1301 ON: An incorrect setting was detected in the PC Setup (DM 6615 to
DM 6644) when switching to RUN Mode. Correct the settings in PROGRAM Mode
and switch to RUN Mode again.
AR 1302 ON: An incorrect setting was detected in the PC Setup (DM 6645 to
DM 6655) during operation. Correct the settings and clear the error.
SCAN TIME OVER F8 Watchdog timer has exceeded 100 ms. (SR 25309 will be ON.)
This indicates that the program cycle time is longer than recommended. Reduce cycle
time if possible. (The SRM1 can be set so that this error won’t be detected.)
Communication Error
(no message) None If an error occurs in CompoBus/S communications, the COMM indicator will be off
and the ERC indicator will be lit. There is no error flag. Check the Slave and the
connecting cables and restart.
The COMM indicator will be OFF if an error occurs in communications through the
Peripheral Port or RS-232C Port. AR 0804 will be ON if an error occurred in
communications through the RS-232C port. AR 0812 will be ON if an error occurred in
communications through the peripheral port. Check the connecting cables and restart.
5-4-2 Fatal Errors
SRM1 operation and program execution will stop and all outputs from the SRM1
will be turned OFF when any of these errors have occurred. SRM1 operation
cannot be restarted until the SRM1 is turned off and then on again or the Pro-
gramming Console is used to switch the SRM1 to PROGRAM mode and clear
the fatal error.

5-4SectionError Processing
73
All SRM1 indicators will be OFF for the power interruption error. For all other fatal
operating errors, the POWER and ERR/ALM indicators will be lit. The RUN indi-
cator will be OFF.
Message FALS
No. Meaning and appropriate response
Power interruption
(no message) None Power has been interrupted for at least 10 ms. Check power supply voltage and power
lines. Try to power-up again.
MEMORY ERR F1 AR 1308 ON: An unspecified bit area exists in the user program. Check the program
and correct errors.
AR 1309 ON: An error has occurred in the flash memory. Since the number of writings
to the flash memory has exceeded the specified level, replace the SRM1.
AR 1310 ON: A checksum error has occurred in read-only DM (DM 6144 to DM 6599).
Check and correct the settings in the read-only DM area.
AR 1311 ON: A checksum error has occurred in the PC Setup. Initialize all of the PC
Setup and reinput.
AR 1312 ON: A checksum error has occurred in the program. Check the program and
correct any errors detected.
AR 1314 ON: Power interruption hold area was not held. Clear the error and reset the
settings of the power interruption hold area.
AR 1315 ON: An error has occurred in CompoBus/S communications. If the error
cannot be corrected, replace the SRM1.
NO END INST F0 END(01) is not written in the program. Write END(01) at the end of the program.
SYS FAIL FALS**
(** is 01 to 99 or 9F.) 01 to 99 A FALS(07) instruction has been executed in the program. Check the FALS number to
determine the conditions that caused execution, correct the cause, and clear the error.
9F The cycle time has exceeded the FALS 9F Cycle Time Monitoring Time (DM 6618).
Check the cycle time and adjust the Cycle Time Monitoring Time if necessary.
5-4-3 Identifying Errors
Errors can be identified from error messages displayed on the Programming
Console, error flags in the SR or AR areas, and the error code in SR 25300 to
SR 25307.
Error Messages Error messages generated by the self-diagnosis function can be read from a
Programming Console or host computer running SYSMAC Support Software.
Error Flags When the self-diagnosis function detects a hardware error, it will turn on the cor-
responding error flags in the SR and AR areas.
Error Code When an error is detected by the self-diagnosis function, the corresponding er-
ror code is written to SR 25300 to SR 25307. (The error code is an 2-digit hexa-
decimal code.)
5-4-4 User-defined Errors
There are three instructions that the user can use to define his own errors or
messages. FAL(06) causes a non-fatal error, FAL(07) causes a fatal error, and
MSG(46) sends a message to the Programming Console or host computer con-
nected to the SRM1.
FAILURE ALARM – FAL(06) FAL(06) is an instruction that causes a non-fatal error. The following will occur
when an FAL(06) instruction is executed:
1, 2, 3... 1. The ERR indicator on the SRM1 will flash, but operation will continue.
2. The instruction’s 2-digit BCD FAL number (01 to 99) will be written to
SR 25300 to SR 25307.
The FAL numbers can be set arbitrarily to indicate particular conditions. The
same number cannot be used as both an FAL number and an FALS number.
To clear an FAL error, correct the cause of the error and then execute FAL 00 or
clear the error using the Programming Console.

5-4SectionError Processing
74
FALS(07) is an instruction that causes a fatal error. The following will occur when
an FALS(07) instruction is executed:
1, 2, 3... 1. Program execution will be stopped and outputs will be turned OFF.
2. The ERR indicator on the SRM1 will be lit.
3. The instruction’s 2-digit BCD FALS number (01 to 99) will be written to
SR 25300 to SR 25307.
The FALS numbers can be set arbitrarily to indicate particular conditions. The
same number cannot be used as both an FAL number and an FALS number.
To clear an FALS error, switch the SRM1 to PROGRAM Mode, correct the cause
of the error, and then clear the error using the Programming Console.
MESSAGE – MSG(46) MSG(46) is used to display a message on the Programming Console. The mes-
sage, which can be up to 16 characters long, is displayed when the instruction’s
execution condition is ON.
5-4-5 Reading/Clearing Error Messages
This operation is used to display and clear error messages. It is possible to dis-
play and clear non-fatal errors and MESSAGE instruction messages in any
mode, but fatal errors can be displayed and cleared in PROGRAM mode only.
RUN MONITOR PROGRAM
OK OK OK
Before inputting a new program, any error messages recorded in memory
should be cleared. It is assumed here that the causes of any of the errors for
which error messages appear have already been taken care of. If the buzzer
sounds when an attempt is made to clear an error message, eliminate the
cause of the error, and then clear the error message. (Refer to 5-7 Trouble-
shooting Flowcharts for troubleshooting information.)
Key Sequence Follow the procedure below to display and clear messages.
1, 2, 3... 1. Press the CLR Key to bring up the initial display.
2. Press the FUN and then the MONTR Key to begin the operation. If there are
no messages, the following display will appear:
AND MONTR ERR/MSG CHK OK
If there are messages, the most serious message will be displayed when the
MONTR Key is pressed. Pressing MONTR again will clear the present mes-
sage and display the next most serious error message. Continue pressing
MONTR until all messages have been cleared. These are some examples
of error messages:
A memory error:
MONTR MEMORY ERR
A system error:
MONTR SYS FAIL FAL01
A message:
MONTR MATERIAL USED UP
All messages cleared:
MONTR ERR/MSG CHK OK
SEVERE FAILURE ALARM –
FALS(07)

!
5-6SectionProgramming Errors
75
Caution Check to be sure that no equipment is affected when turning the SRM1’s power
supply on or off, or when entering the password. Be careful not to cause any ac-
cidents when starting or stopping SRM1 operation.
5-5 Programming Console Operation Errors
The following error messages may appear when performing operations on the
Programming Console. Correct the error as indicated and continue with the op-
eration.
Message Meaning and appropriate response
REPL ROM An attempt was made to write to write-protected memory. Set bits
00 to 03 of DM 6602 to “0.”
PROG The instruction at the last address in memory is not NOP(00). Erase
all unnecessary instructions at the end of the program.
ADDR OVER An address was set that is larger than the highest memory address
in Program Memory. Input a smaller address.
SETDATA
ERR FALS 00 has been input, and “00” cannot be input. Reinput the
data.
I/O NO. ERR A data area address has been designated that exceeds the limit of
the data area, e.g., an address is too large. Confirm the
requirements for the instruction and re-enter the address.
5-6 Programming Errors
These errors in program syntax will be detected when the program is checked
using the Program Check operation.
Three levels of program checking are available. The desired level must be des-
ignated to indicate the type of errors that are to be detected. The following table
provides the error types, displays, and explanations of all syntax errors. Check
level 0 checks for type A, B, and C errors; check level 1, for type A and B errors;
and check level 2, for type A errors only.

5-6SectionProgramming Errors
76
Type Message Meaning and appropriate response
A????? The program has been damaged, creating a non-existent
function code. Re-enter the program.
CIRCUIT ERR The number of logic blocks and logic block instructions
does not agree, i.e., either LD or LD NOT has been used
to start a logic block whose execution condition has not
been used by another instruction, or a logic block
instruction has been used that does not have the required
number of logic blocks. Check your program.
OPERAND
ERR A constant entered for the instruction is not within defined
values. Change the constant so that it lies within the
proper range.
NO END
INSTR There is no END(01) in the program. Write END(01) at the
final address in the program.
LOCN ERR An instruction is in the wrong place in the program. Check
instruction requirements and correct the program.
JME UNDEFD A JME(05) instruction is missing for a JMP(04) instruction.
Correct the jump number or insert the proper JME(04)
instruction.
DUPL The same jump number or subroutine number has been
used twice. Correct the program so that the same number
is only used once for each.
SBN UNDEFD The SBS(91) instruction has been programmed for a
subroutine number that does not exist. Correct the
subroutine number or program the required subroutine.
STEP ERR STEP(08) with a section number and STEP(08) without a
section number have been used incorrectly. Check
STEP(08) programming requirements and correct the
program.
BIL-ILC ERR IL(02) and ILC(03) are not used in pairs. Correct the
program so that each IL(02) has a unique ILC(03).
Although this error message will appear if more than one
IL(02) is used with the same ILC(03), the program will
executed as written. Make sure your program is written as
desired before proceeding.
JMP-JME ERR JMP(04) and JME(05) are not used in pairs. Make sure
your program is written as desired before proceeding.
SBN-RET ERR If the displayed address is that of SBN(92), two different
subroutines have been defined with the same subroutine
number. Change one of the subroutine numbers or delete
one of the subroutines. If the displayed address is that of
RET(93), RET(93) has not been used properly. Check
requirements for RET(93) and correct the program.
CCOIL DUPL The same bit is being controlled (i.e., turned ON and/or
OFF) by more than one instruction (e.g., OUT, OUT NOT,
DIFU(13), DIFD(14), KEEP(11), SFT(10)). Although this is
allowed for certain instructions, check instruction
requirements to confirm that the program is correct or
rewrite the program so that each bit is controlled by only
one instruction.
JMP UNDEFD JME(05) has been used with no JMP(04) with the same
jump number. Add a JMP(04) with the same number or
delete the JME(05) that is not being used.
SBS UNDEFD A subroutine exists that is not called by SBS(91). Program
a subroutine call in the proper place, or delete the
subroutine if it is not required.

5-7SectionTroubleshooting Flowcharts
77
5-7 Troubleshooting Flowcharts
Use the following flowcharts to troubleshoot errors that occur during operation.
Main Check
Check for non-fatal errors. (See page 80.)
Error
Replace the SRM1.
PWR indicator lit?
RUN indicator lit?
ERR indicator
flashing?
Is I/O sequence
normal?
Operating
environment nor-
mal?
Check for fatal errors. (See page 79.)
Check Slave I/O wiring and I/O devices.
Check operating environment. (See page 82.)
Yes
Check power supply. (See page 78.)
No
No
No
No
No
Yes
Yes
Yes
Yes
Check for CompoBus/S transmission errors.
(See page 81.)
ERC indicator
lit? Yes
No
CompoBus/S
Be sure SRM1 and Slaves are in the same
communications mode.
RD indicator lit or
flashing? No
Yes
Be sure SRM1 and Slaves are in the same
communications mode.
COMM indicator not
lit on any Slave? Yes
No
If the LED indicators are all normal (i.e., ERC off, SD lit, and RD lit), yet there is a
communication error, check the following points. (For details on the Slaves, refer
to the CompoBus/S Operation Manual (W266).)
•Are the Slave’s I/O power supply and I/O wiring okay?
•Are the Slave’s power supply and address settings okay? Is the Slave itself
operating properly?
•Is the termination correctly connected to the end of the transmission line (i.e.
the end farthest from the SRM1)?

5-7SectionTroubleshooting Flowcharts
78
•Are the lengths of the main line and the branch lines, and the total length, all
within the prescribed limits?
•Are flat cables and VCTF cables mixed together among the transmission
lines?
Power Supply Check
Power indicator not lit.
Replace the Power
Supply Unit.
Is power being
supplied?
Is voltage adequate?
Are there any loose
terminal screws or bro-
ken wires?
Connect power
supply.
Is PWR indicator lit?
Set supply voltage with-
in acceptable limits.
Is PWR indicator lit?
Tighten screws or
replace wires.
End
Yes
No
No Yes
Yes
No
No
No Is PWR indicator lit? Yes
No
Yes
Yes

5-7SectionTroubleshooting Flowcharts
79
Fatal Error Check
Identify the error, eliminate its
cause, and clear the error.
Is the ERR indi-
cator lit?
Determine the cause of
the error with the Pro-
gramming Console.
End
RUN indicator not lit.
Replace the SRM1.
Is mode displayed on
Programming Con-
sole?
Turn the power
supply off, and
then ON again.
Switch to RUN or
MONITOR mode.
No
Yes
Is a fatal error
displayed?
Is mode displayed on
Programming Con-
sole?
No
Yes
Yes
No
Is the RUN indi-
cator lit?
No
Yes
Yes
No

5-7SectionTroubleshooting Flowcharts
80
Non-fatal Error Check
Identify the error, eliminate its
cause, and clear the error.
ERR indicator flashing.
Is a non-fatal error in-
dicated?
Is the ERR indicator
flashing?
Replace the SRM1.
End
Determine the cause of the error
with the Programming Console.
No
Yes
Flashing
Not lit

5-7SectionTroubleshooting Flowcharts
81
CompoBus/S Transmission Error Check
Is the RD indica-
tor lit?
End
ERC indicator lit.
Check the transmission lines for broken lines, short
circuits, or incorrect termination resistance.
Check the CompoBus/S communications mode setting.
Check all of the Slaves’ power supplies.
No
Yes
Is the Peripheral
Device Error Flag
set to ON?
Is the RD indicator lit?
No
Yes
No
Check the corre-
sponding Slave’s
power supply,
wiring, and the
Unit itself.
Yes
Replace the SRM1.
Check the Slave’s
status using the
Peripheral Device
Error Flag.
Any error with the
corresponding
Slave?
No
Eliminate the
error in the Slave.
Is the ERC indicator
lit?
Yes
No

5-7SectionTroubleshooting Flowcharts
82
Environmental Conditions Check
Consider using a
fan or cooler.
Is the ambient
temperature
below 55°C?
Is the ambient
temperature above
0°C?
Is noise being
controlled?
Is the installation envi-
ronment okay?
Consider using a
heater.
Consider using an
air conditioner.
Install surge pro-
tectors or other
noise-reducing
equipment at
noise sources.
Consider
constructing an
instrument panel
or cabinet.
End.
Yes
No
Yes
No
No
No
No
Yes
Yes
Yes
Is the ambient humidity
between 10% and
90%?
Environmental conditions check
83
SECTION 6
Expansion Memory Unit
This section describes how to use the CPM1-EMU01-V1 Expansion Memory Unit. Follow the handling precautions and pro-
cedures to properly use the Unit.
6-1 Overview 84. . . . . . . . . . . . . . . . . . . . . . . . . . . . . . . . . . . . . . . . . . . . . . . . . . . . . . . . . . . . . . .
6-1-1 Memory Areas 84. . . . . . . . . . . . . . . . . . . . . . . . . . . . . . . . . . . . . . . . . . . . . . . . . . . .
6-1-2 Precautions 84. . . . . . . . . . . . . . . . . . . . . . . . . . . . . . . . . . . . . . . . . . . . . . . . . . . . . . .
6-2 Specifications and Nomenclature 85. . . . . . . . . . . . . . . . . . . . . . . . . . . . . . . . . . . . . . . . . . . . .
6-2-1 Specifications 85. . . . . . . . . . . . . . . . . . . . . . . . . . . . . . . . . . . . . . . . . . . . . . . . . . . . .
6-2-2 Nomenclature 85. . . . . . . . . . . . . . . . . . . . . . . . . . . . . . . . . . . . . . . . . . . . . . . . . . . . .
6-3 Handling 86. . . . . . . . . . . . . . . . . . . . . . . . . . . . . . . . . . . . . . . . . . . . . . . . . . . . . . . . . . . . . . . .
6-3-1 Mounting/Removing EEPROM 86. . . . . . . . . . . . . . . . . . . . . . . . . . . . . . . . . . . . . . .
6-3-2 PC Connections 87. . . . . . . . . . . . . . . . . . . . . . . . . . . . . . . . . . . . . . . . . . . . . . . . . . .
6-3-3 Uploading Programs 88. . . . . . . . . . . . . . . . . . . . . . . . . . . . . . . . . . . . . . . . . . . . . . .
6-3-4 Downloading Programs 89. . . . . . . . . . . . . . . . . . . . . . . . . . . . . . . . . . . . . . . . . . . . .

6-1SectionOverview
84
6-1 Overview
The CPM1-EMU01-V1 Expansion Memory Unit is a program loader for small-
size or micro PCs. Using the CPM1-EMU01-V1, simple on-site transfer of user
programs and data memory between PCs is possible.
PERIPHERAL
RS-232C
Peripheral port
Downloading
Uploading
SRM1 (-V2)
Note The “PLC” in the “DOWNLOAD TO PLC” Button indicates PCs (Programmable
Controllers).
6-1-1 Memory Areas
The memory areas that are uploaded or downloaded vary with the button used
as shown in the following table.
Button UPLOAD + DM UPLOAD DOWNLOAD TO
PLC
Ladder program
and expansion
instructions
Read from PC to
EEPROM. Read from PC to
EEPROM. All contents of
EEPROM written
to PC.
DM 6144 to 6655 Not affected.
Note For details on program size, DM area, and the availability of expansion instruc-
tions, refer to the relevant PC manual.
6-1-2 Precautions
•Do not attempt to use the CPM1-EMU01-V1 for any applications other than
those described here. Doing so may result in malfunction.
•Do not attempt to upload or download data between different types of PC. Do-
ing so may result in malfunction.
•Do not download when the PC is in RUN or MONITOR mode. If downloading is
performed when the PC is running, it will automatically switch to PROGRAM
mode and operation will stop.
•Do not attempt to disassemble, repair, or modify the CPM1-EMU01-V1. Any
attempt to do so may result in malfunction, fire, or electric shock.
•After downloading has been completed, be sure to confirm the user program,
data, and expansion instruction information. Not doing so may result in faulty
operation.

6-2SectionSpecifications and Nomenclature
85
•Before touching the EEPROM or the CPM1-EMU01-V1, first touch a grounded
metallic object to discharge any static build-up. Not doing so may result in mal-
function or damage.
6-2 Specifications and Nomenclature
6-2-1 Specifications
Item Specifications
Supported PCs CPM1, CPM1A, CPM2A, CPM2C, SRM1 (-V2),
CQM1, CQM1H
Read/Write memory areas User program: 15.2 Kwords max.
Data memory: DM 6144 to DM 6655
(Read-only DM and PC Setup)
Expansion instructions: 18 instructions
Connector Connector compatible with CPM1, CPM1A, CPM2A,
SRM1 (-V2), and CQM1 PCs.
For CPM2C and CQM1H PCs, connect via
CS1W-CN114 or CPM2C-CN111 Connecting Cable.
Communications setting 1 start bit, 7 data bits, even parity, 2 stop bits,
9,600 bps
EEPROM (See note 1.) 256-Kbit EEPROM
ATMEL: AT28C256
OMRON: EEROM-JD
Current consumption 129 mA max.
Dimensions Main body (not including cables or connectors):
57 × 92 × 38 mm (W × H × D)
Weight 200 g max. (not including EEPROM)
Note 1. The EEPROM must be purchased separately.
2. For general specifications, refer to the relevant PC manual.
6-2-2 Nomenclature
Lock Lever
For mounting and removing EEPROM.
DOWNLOAD TO PLC Button
Writes all EEPROM data (ladder programs,
data memory etc.) to the PC.
UPLOAD + DM Button
Reads PC user program and contents of
DM 6144 to DM 6655 to EEPROM.
UPLOAD Button
Reads only PC user program to EEPROM.
Lock Lever
Indicator
UPLOAD + DM Button
EEPROM Socket
DOWNLOAD to PLC Button
UPLOAD Button
Peripheral Port
Connector
Note The “PLC” in the “DOWNLOAD TO PLC” Button indicates PCs (Programmable
Controllers).

!
6-3SectionHandling
86
CONNECT
(green) ERR (red) Meaning
OFF OFF Not connected to PC (power supply OFF).
ON OFF Connected to a recognized PC.
Blinking OFF Uploading/downloading data.
ON Blinking Host link communications error, retry by user.
OFF ON PC model and EEPROM data not compatible.
OFF Blinking One of the following errors has occurred:
An unrecognized PC is connected.
An EEPROM error (EEPROM not present, EEPROM
defect, or no program to download) or checksum
error.
6-3 Handling
6-3-1 Mounting/Removing EEPROM
Caution Do not mount or remove the EEPROM with the CPM1-EMU01-V1 connected to
the PC. Doing so may damage the EEPROM.
Mounting EEPROM
1, 2, 3... 1. Lift up the lock lever.
2. Straighten the pins on the EEPROM, line up with the socket and lower into
the socket, as shown in the following diagram. If the EEPROM is loose,
place it in the center of the socket.
Lift up the lock lever.
EEPROM
Insert the EEPROM.
3. Gently hold down the EEPROM and pull down the lock lever.
Pull down the lock lever.
LED Indicator

!
!
6-3SectionHandling
87
Lift up the lock lever and detach the EEPROM.
6-3-2 PC Connections
Caution Mount the EEPROM to the CPM1-EMU01-V1 before connecting the
CPM1-EMU01-V1 to the PC.
Caution Do not disconnect the CPM1-EMU01-V1 from the PC when the indicator is blink-
ing green.
When connecting to the CPM1, CPM1A, CPM2A, CQM1 or SRM1 (-V2),insert
the connector into the peripheral port making sure that the connector is oriented
correctly.
•Insert the connector until it securely locks into place.
•Connections are not possible to the RS-232C port or any other port.
Connection to SRM1 (-V2)
Peripheral port
When connecting to the CPM2C or CQM1H, connect to the peripheral port via
the CPM2C-CN111 or CS1W-CN114 Connecting Cable. Also, set the pins on
the CPU Unit’s DIP switch as follows:
CPM2C Pin 1: ON (see note)
Pin 2: ON
CQM1H Pin 5: ON (see note)
Pin 7: ON
Note If pin 1 on the CPM2C or pin 5 on the CQM1H is OFF, connection is still possible if
the peripheral port is set to the defaults.
The peripheral port must be set to the default communications settings shown
below.
Start bit: 1
Data bits: 7
Stop bits: 2
Parity: Even
Removing EEPROM
CPM1, CPM1A, CPM2A,
CQM1, and SRM1 (-V2)
PCs
CPM2C and CQM1H PCs
Peripheral Port
Communications
Settings

6-3SectionHandling
88
Baud rate: 9,600 bps
Press the levers on the top and bottom of the connector inwards to unlock the
connector and pull out as shown in the following diagram.
Note Do not attempt to remove the connector by pulling the cable.
6-3-3 Uploading Programs
Ladder programs and the contents of data memory can be uploaded to the
EEPROM using the following procedure. The buttons used will determine
whether the contents of data memory are uploaded or not.
Peripheral port
PERIPHERAL
RS-232C
Button UPLOAD + DM UPLOAD
Ladder program and
expansion instructions Read from PC to
EEPROM. Read from PC to
EEPROM.
DM6144 to 6655 Not affected.
Note Use a Phillips screwdriver or other tool with a diameter of 3.0 mm max. and a
blade length of 10 mm min. to press the upload button.
10 mm min.
3.0 dia. max.
Uploading is possible even if the PC is in RUN or MONITOR mode.
Disconnecting

6-3SectionHandling
89
Operation Procedure
Start
Yes
No
Connect the CPM1-EMU01-V1 to the
PC’s peripheral port.
Mount the EEPROM to the
CPM1-EMU01-V1.
After 2 or 3 s, check if the indicator is
lit green.
See the note
on the right.
Select the memory area to be uploaded.
Press the UPLOAD+DM
Button. Press the UPLOAD But-
ton.
Check if the indicator is blinking green
(indicating that uploading has started).
Yes
No See the note above.
Check if the indicator is lit green (in-
dicating that uploading has been suc-
cessfully completed).
Yes
No See the note above.
Remove the Expansion Memory Unit
from the PC.
End
Mount the EEPROM to the CPM1-EMU01-V1
before connecting to the PC.
Check the orientation of the connector
before connecting the CPM1-EMU01-V1.
Note If the indicator is not lit at all, lit red or
blinks red, uploading will not be pos-
sible. In this case, check the follow-
ing items.
•Is the connector properly con-
nected?
•Is the EEPROM properly mounted?
•Are the EEPROM specifications cor-
rect?
•Are the peripheral port communica-
tions settings correct?
Upload both the ladder
program and DM 6144 to
DM 6655.
Upload only the ladder
program.
6-3-4 Downloading Programs
Ladder programs and the contents of data memory can be downloaded from the
EEPROM to the PC using the procedure given below. When downloading, note
the following points.

!
6-3SectionHandling
90
Caution If the PC is in RUN or MONITOR mode when downloading is started, it will auto-
matically switch to PROGRAM mode and operation will stop. Confirm that no
adverse effects will occur to the system before downloading. Not doing so may
result in unexpected operation.
Note 1. If the PC is in RUN or MONITOR mode, switch the PC mode to PROGRAM
mode.
2. Confirm that the program or other data to be downloaded to the PC is com-
patible with the PC before downloading.
3. For the CQM1 or CQM1H, when downloading programs that use user-as-
signed function codes for expansion instructions, be sure that pin 4 on the
CPU Unit’s DIP switch is ON. If these programs are downloaded while the
pin is OFF, the assignments for the expansion instructions will return to their
default settings.
4. After downloading has been completed, be sure to confirm the user pro-
gram, data, and expansion instructions.
5. When the DOWNLOAD TO PLC Button is pressed, all EEPROM data (lad-
der programs, data memory etc.) is written to the PC.
Peripheral port
PERIPHERAL
RS-232C

6-3SectionHandling
91
Operation Procedure
Start
Yes
No
Change the mode of the PC to PRO-
GRAM mode.
Mount the EEPROM to the
CPM1-EMU01-V1.
After 2 or 3 s, check if the indicator is
lit green.
See the note on
the right.
Press the DOWNLOAD TO PLC But-
ton.
Check if the indicator is blinking
green (indicating that downloading
has started).
Yes
No See the note above.
Check if the indicator is lit green
(indicating that downloading has
been successfully completed).
Yes
No See the note above.
Remove the Expansion Memory Unit
from the PC.
End
Mount the EEPROM to the
CPM1-EMU01-V1 before downloading.
Confirm the safety of the system.
Note If the indicator is not lit at all, lit red or
blinks red, downloading will not be
possible. In this case, check the fol-
lowing items.
•Is the connector properly con-
nected?
•Is the EEPROM properly mounted?
•Are the EEPROM specifications cor-
rect?
•Are the peripheral port communica-
tions settings correct?
Connect the CPM1-EMU01-V1 to the
PC’s peripheral port. Confirm the orientation of the connector
before connecting the CPM1-EMU01-V1.
Before actual operation, check the contents
of the ladder program and the DM area, as
well as the expansion instruction settings.
Check the program.

93
Appendix A
Standard Models
There are three possible power supply configurations.
•Network Power Supply:
Power is provided from a single source over a network, using special-purpose flat cable.
•Multiple Power Supply:
Power must be provided separately for communications and I/O. The power supply for communications can be
provided via special-purpose flat cable, but the power supply for I/O cannot.
•Local Power Supply:
Power can be provided from a single source, which can be a source other than the special-purpose flat cable.
SRT1-series Remote Terminals and Sensor Terminals can operate in high-speed communications mode only. Be
sure to use SRT2-series Remote Terminals and Sensor Terminals when the SRM1(-V2) is used in long-distance
communications mode.
The Analog I/O Terminals can be used with SRM1(-V2) PCs only.
Remote Terminals
SRT2 Series
High-speed or
long-distance
communications
SRT1 Series
High-speed
communications
only
Specifications
SRT2-ID04 SRT1-ID04 4 transistor inputs, multiple power supply, NPN
SRT2-ID04-1 SRT1-ID04-1 4 transistor inputs, multiple power supply, PNP
SRT2-ID08 SRT1-ID08 8 transistor inputs, multiple power supply, NPN
SRT2-ID08-1 SRT1-ID08-1 8 transistor inputs, multiple power supply, PNP
SRT2-ID16 SRT1-ID16 16 transistor inputs, multiple power supply, NPN
SRT2-ID16-1 SRT1-ID16-1 16 transistor inputs, multiple power supply, PNP
SRT2-ID16T None 16 transistor inputs, multipoint common terminal, multiple power
supply, NPN
SRT2-ID16T-1 16 transistor inputs, multipoint common terminal, multiple power
supply, PNP
SRT2-OD04 SRT1-OD04 4 transistor outputs, multiple power supply, NPN
SRT2-OD04-1 SRT1-OD04-1 4 transistor outputs, multiple power supply, PNP
SRT2-OD08 SRT1-OD08 8 transistor outputs, multiple power supply, NPN
SRT2-OD08-1 SRT1-OD08-1 8 transistor outputs, multiple power supply, PNP
SRT2-OD16 SRT1-OD16 16 transistor outputs, multiple power supply, NPN
SRT2-OD16-1 SRT1-OD16-1 16 transistor outputs, multiple power supply, PNP
SRT2-OD16T None 4 transistor outputs, multiple power supply, NPN
SRT2-OD16T-1 16 transistor outputs, multiple power supply, PNP
SRT2-ROC08 SRT1-ROC08 8 relay outputs, local power supply
SRT2-ROC16 SRT1-ROC16 16 relay outputs, local power supply
SRT2-ROF08 SRT1-ROF08 8 power MOSFET relay outputs, local power supply
SRT2-ROF16 SRT1-ROF16 16 power MOSFET relay outputs, local power supply
SRT2-MD16T None 8 transistor inputs/8 transistor outputs, multipoint common terminal,
multiple power supply, NPN
SRT2-MD16T-1 8 transistor inputs/8 transistor outputs, multiple power supply, PNP

Appendix AStandard Models
94
Connector Terminals
Model Specifications
SRT2-VID08S 8 transistor inputs, sensor cable connector, multiple power supply, NPN
SRT2-VID08S-1 8 transistor inputs, sensor cable connector, multiple power supply, PNP
SRT2-VID16ML 16 transistor inputs, MIL connector, multiple power supply, NPN
SRT2-VID16ML-1 16 transistor inputs, MIL connector, multiple power supply, PNP
SRT2-VOD08S 8 transistor outputs, sensor cable connector, multiple power supply, NPN
SRT2-VOD08S-1 8 transistor outputs, sensor cable connector, multiple power supply, PNP
SRT2-VOD16ML 16 transistor outputs, MIL connector, multiple power supply, NPN
SRT2-VOD16ML-1 16 transistor outputs, MIL connector, multiple power supply, PNP
Note All the above models support both high-speed and long-distance communications modes.
Remote I/O Terminals
Model Specifications
SRT1-ROF08 16 inputs, NPN, PCB-mounting type
SRT1-ROF16 16 outputs, NPN, PCB-mounting type
Note The above models do not support long-distance communications mode.
Sensor Amplifier Terminals
SRT2 Series
High-speed or
long-distance
communications
SRT1 Series
High-speed
communications
only
Specifications
SRT2-TID04S (See note.) SRT1-TID04S 4 inputs (1 word x 4), network power supply
SRT2-TKD04S (See note.) SRT1-TKD04S 4 inputs (4 words x 1), network power supply
SRT2-XID04S (See note.) SRT1-XID04S 4 inputs (1 word x 4), Expansion Sensor Amplifier Terminal
SRT2-XKD04S (See note.) SRT1-XKD04S 4 inputs (4 words x 1), Expansion Sensor Amplifier Terminal
Note To be marketed in the near future.
Analog I/O Terminals
Model Specifications
SRT2-AD04 4 analog inputs (settable to 1, 2, 3, or 4 inputs), network power supply
SRT2-DA02 2 analog outputs (settable to 1 or 2 outputs), network power supply
Note All the above models support both high-speed and long-distance communications modes.
Sensor Terminals
SRT2 Series
High-speed or
long-distance
communications
SRT1 Series
High-speed
communications
only
Specifications
SRT2-ID08S (See note.) SRT1-ID08S 8 inputs, network power supply
SRT2-OD08S (See note.) SRT1-OD08S 8 outputs, local power supply
SRT2-MD08S (See note.) SRT1-MD08S 4 inputs, 4 outputs, network power supply
Note To be marketed in the near future.
Bit Chain Terminal
Model Specifications
SRT1-B1T 8 inputs/outputs (I/O set via switch), local power supply
Note The above model does not support long-distance communications mode.

Appendix AStandard Models
95
CPM1A/CPM2A I/O Link Unit
Model Specifications
CPM1A-SRT21 8 inputs, 8 outputs
Exchanges data with CPM1A/CPM2A CPU Unit.
Note All the above models support both high-speed and long-distance communications modes.
Connection Devices
Communications Cables
Model Specifications
Commercially available VCTF cable (JIS C3306), 0.75 mm2 x 2 conductors
SCA1-4F10 Special Flat Cable, 100 m, 0.75 mm2 x 4 conductors
Specified Communications Cables
Model Manufacturer Comments
#9409 Belden USA manufacturer
Note The electrical characteristics of the above cable are the same as those of the following: VCTF cable (JIS
C3306), 0.75 mm2 x 2 conductors. It can thus be used with the same specifications as the VCTF cable listed
above.
Connectors and Terminal Blocks
Name Model Comments
Branch Crimp Connector SCN1-TH4 Connector used to branch from the main line. Can be used only
on the Special Flat Cable.
Extension Crimp Connector SCN1-TH4E Used to extend the Special Flat Cable.
Terminating Resistor Crimp
Connector SCN1-TH4T A connector equipped with terminating resistance. Can be used
only on the Special Flat Cable.
Terminal-block Terminator SRT1-T A terminal block equipped with terminating resistance. Can be
used either on the Special Flat Cable or VCTF cable.
SRM1 RS-232C Port Connecting Cable
Model Name Specifications
CQM1-CIF02 Peripheral Port Conversion Cable For connecting IBM PC/AT compatible
computers. (Cable length: 3.3 m)
RS-422 Adapter
Model Name Specifications
CPM1-CIF11 RS-422 Adapter For level conversion between the
Peripheral Port and RS-422
Link Adapters
Model Name Specifications
NT-AL001 Link Adapter One RS-232C connector and one
RS-422 terminal block.
Power supply: 5 VDC; 150 mA

Appendix AStandard Models
96
Link Adapter for IBM PC/AT-compatible Computers
Model Name Specifications
3G2A9-AL004-E Link Adapter One RS-232C connector, one RS-422
connector, and one fibre-optic
connector.
Power supply: 100/200 VAC
Peripheral Devices
Model Name Specifications
CQM1-PRO01-E CQM1 Programming Console With cable (2 m)
C200H-PRO27-E C200H Programming Console Hand-held, with backlight; requires the
C200H-CN222 or C200H-CN422, see
below.
C200H-CN222 C200H-PRO27-E Connecting Cable length: 2 m
C200H-CN422 Cable Cable length: 4 m
C200H-ATT01 Mounting Bracket For panel mounting.
WS02-CXPC1-E CX-Programmer MS-Windows 95/98 (CD-ROM) for Ver.
2.0 or higher
C500-ZL3AT1-E SYSMAC Support Software 3.5”, 2HD for IBM PC/AT compatible
WS01-CPTB1-E SYSMAC-CPT For IBM PC/AT or compatible
computers
(3.5” disks (2HD) and CDROM)
CPM1-EMU01-V1 Expansion Memory Unit Uploads the ladder program and
DM 6144 to DM 6655 from the PC to
the EEPROM and downloads the
ladder program and DM 6144 to DM
6655 from the EEPROM to the PC.
EEROM-JD EEPROM 256 K bit

97
Appendix B
External Dimensions
The external dimensions of the SRM1 are as shown in the following diagram.
(Unit: mm)
15
30
40
36
60
8
4
85.5
100
110
5
5
When mounting a Peripheral Device, be sure to allow sufficient space as shown in the following diagram.
70
(Unit: mm)
99
Glossary
*DM Indirectly addressed DM area. See indirect address and DM area.
1:1 PC Link A link created between two PCs to create common data in their LR areas.
ACP See add count input.
add count input An input signal used to increment a counter when the signal changes from OFF
to ON.
address A number used to identify the location of data or programming instructions in
memory.
AND A logic operation whereby the result is true if and only if both premises are true.
In ladder-diagram programming the premises are usually ON/OFF states of bits
or the logical combination of such states called execution conditions.
area See data area and memory area.
area prefix A one or two letter prefix used to identify a memory area in the PC. All memory
areas except the IR and SR areas require prefixes to identify addresses in them.
arithmetic shift A shift operation wherein the carry flag is included in the shift.
ASCII Short for American Standard Code for Information Interchange. ASCII is used to
code characters for output to printers and other external devices.
AR Area A PC data area allocated to flags and control bits.
AUTOEXEC.BAT An MS DOS file containing commands automatically executed at startup.
back-up A copy made of existing data to ensure that the data will not be lost even if the
original data is corrupted or erased.
basic instruction A fundamental instruction used in a ladder diagram. See advanced instruction.
baud rate The data transmission speed between two devices in a system measured in bits
per second.
BCD See binary-coded decimal.
BCD calculation An arithmetic calculation that uses numbers expressed in binary-coded deci-
mal.
binary A number system where all numbers are expressed in base 2, i.e., numbers are
written using only 0’s and 1’s. Each group of four binary bits is equivalent to one
hexadecimal digit. Binary data in memory is thus often expressed in hexadeci-
mal for convenience.
binary calculation An arithmetic calculation that uses numbers expressed in binary.
binary-coded decimal A system used to represent numbers so that every four binary bits is numerically
equivalent to one decimal digit.
bit The smallest piece of information that can be represented on a computer. A bit
has the value of either zero or one, corresponding to the electrical signals ON
and OFF. A bit represents one binary digit. Some bits at particular addresses are
allocated to special purposes, such as holding the status of input from external
devices, while other bits are available for general use in programming.
bit address The location in memory where a bit of data is stored. A bit address specifies the
data area and word that is being addressed as well as the number of the bit with-
in the word.

Glossary
100
bit designator An operand that is used to designate the bit or bits of a word to be used by an
instruction.
bit number A number that indicates the location of a bit within a word. Bit 00 is the rightmost
(least-significant) bit; bit 15 is the leftmost (most-significant) bit.
bit-control instruction An instruction that is used to control the status of an individual bit as opposed to
the status of an entire word.
block See logic block and instruction block.
building-block PC A PC that is constructed from individual components, or “building blocks.” With
building-block PCs, there is no one Unit that is independently identifiable as a
PC. The PC is rather a functional assembly of Units.
bus A communications path used to pass data between any of the Units connected
to it.
bus bar The line leading down the left and sometimes right side of a ladder diagram. In-
struction execution proceeds down the bus bar, which is the starting point for all
instruction lines.
byte A unit of data equivalent to 8 bits, i.e., half a word.
call A process by which instruction execution shifts from the main program to a sub-
routine. The subroutine may be called by an instruction or by an interrupt.
Carry Flag A flag that is used with arithmetic operations to hold a carry from an addition or
multiplication operation, or to indicate that the result is negative in a subtraction
operation. The carry flag is also used with certain types of shift operations.
central processing unit A device that is capable of storing programs and data, and executing the instruc-
tions contained in the programs. In a PC System, the central processing unit ex-
ecutes the program, processes I/O signals, communicates with external de-
vices, etc.
CH See word.
channel See word.
character code A numeric (usually binary) code used to represent an alphanumeric character.
checksum A sum transmitted with a data pack in communications. The checksum can be
recalculated from the received data to confirm that the data in the transmission
has not been corrupted.
clock pulse A pulse available at specific bits in memory for use in timing operations. Various
clock pulses are available with different pulse widths, and therefore different fre-
quencies.
clock pulse bit A bit in memory that supplies a pulse that can be used to time operations. Vari-
ous clock pulse bits are available with different pulse widths, and therefore differ-
ent frequencies.
common data Data that is stored in a memory of a PC and which is shared by other PCs in the
same the same system. Each PC has a specified section(s) of the area allocated
to it. Each PC writes to the section(s) allocated to it and reads the sections allo-
cated to the other PCs with which it shares the common data.
communications cable Cable used to transfer data between components of a control system and con-
forming to the RS-232C or RS-422 standards.
comparison instruction An instruction used to compare data at different locations in memory to deter-
mine the relationship between the data.

Glossary
101
Completion Flag A flag used with a timer or counter that turns ON when the timer has timed out or
the counter has reached its set value.
condition A symbol placed on an instruction line to indicate an instruction that controls the
execution condition for the terminal instruction. Each condition is assigned a bit
in memory that determines its status. The status of the bit assigned to each con-
dition determines the next execution condition. Conditions correspond to LOAD,
LOAD NOT, AND, AND NOT, OR, or OR NOT instructions.
CONFIG.SYS An MS DOS file containing environment settings for a personal computer.
constant An input for an operand in which the actual numeric value is specified. Constants
can be input for certain operands in place of memory area addresses. Some op-
erands must be input as constants.
control bit A bit in a memory area that is set either through the program or via a Program-
ming Device to achieve a specific purpose, e.g., a Restart Bit is turned ON and
OFF to restart a Unit.
control data An operand that specifies how an instruction is to be executed. The control data
may specify the part of a word is to be used as the operand, it may specify the
destination for a data transfer instructions, it may specify the size of a data table
used in an instruction, etc.
control signal A signal sent from the PC to effect the operation of the controlled system.
Control System All of the hardware and software components used to control other devices. A
Control System includes the PC System, the PC programs, and all I/O devices
that are used to control or obtain feedback from the controlled system.
controlled system The devices that are being controlled by a PC System.
count pulse The signal counted by a counter.
counter A dedicated group of digits or words in memory used to count the number of
times a specific process has occurred, or a location in memory accessed
through a TIM/CNT bit and used to count the number of times the status of a bit
or an execution condition has changed from OFF to ON.
CPU Unit See central processing unit.
CTS An acronym for clear-to-send, a signal used in communications between elec-
tronic devices to indicate that the receiver is ready to accept incoming data.
CY See Carry Flag.
cycle One unit of processing performed by the CPU Unit, including ladder program ex-
ecution, peripheral servicing, I/O refreshing, etc.
cycle time The time required to complete one cycle of CPU Unit processing.
cyclic interrupt See scheduled interrupt.
data area An area in the PC’s memory that is designed to hold a specific type of data.
data area boundary The highest address available within a data area. When designating an operand
that requires multiple words, it is necessary to ensure that the highest address in
the data area is not exceeded.
data disk A floppy disk used to same user programs, DM area contents, comments, and
other user data.
data length In communications, the number of bits that is to be treated as one unit in data
transmissions.

Glossary
102
data link An automatic data transmission operation that allows PCs or Units within PC to
pass data back and forth via common data areas.
data link area A common data area established through a data link.
data movement instruction An instruction used to move data from one location in memory to another. The
data in the original memory location is left unchanged.
data sharing The process in which common data areas or common data words are created
between two or more PCs.
data trace A process in which changes in the contents of specific memory locations are re-
corded during program execution.
data transfer Moving data from one memory location to another, either within the same device
or between different devices connected via a communications line or network.
debug A process by which a draft program is corrected until it operates as intended.
Debugging includes both the removal of syntax errors, as well as the fine-tuning
of timing and coordination of control operations.
decimal A number system where numbers are expressed to the base 10. In a PC all data
is ultimately stored in binary form, four binary bits are often used to represent
one decimal digit, via a system called binary-coded decimal.
decrement Decreasing a numeric value, usually by 1.
default A value automatically set by the PC when the user does not specifically set
another value. Many devices will assume such default conditions upon the appli-
cation of power.
definer A number used as an operand for an instruction but that serves to define the in-
struction itself, rather that the data on which the instruction is to operate. Defin-
ers include jump numbers, subroutine numbers, etc.
destination The location where an instruction places the data on which it is operating, as op-
posed to the location from which data is taken for use in the instruction. The loca-
tion from which data is taken is called the source.
differentiated instruction An instruction that is executed only once each time its execution condition goes
from OFF to ON. Non-differentiated instructions are executed for each scan as
long as the execution condition stays ON.
differentiation instruction An instruction used to ensure that the operand bit is never turned ON for more
than one scan after the execution condition goes either from OFF to ON for a
Differentiate Up instruction or from ON to OFF for a Differentiate Down instruc-
tion.
digit A unit of storage in memory that consists of four bits.
digit designator An operand that is used to designate the digit or digits of a word to be used by an
instruction.
DIN track A rail designed to fit into grooves on various devices to allow the devices to be
quickly and easily mounted to it.
DIP switch Dual in-line package switch, an array of pins in a signal package that is mounted
to a circuit board and is used to set operating parameters.
direct output A method in which program execution results are output immediately to elimi-
nate the affects of the cycle time.
distributed control A automation concept in which control of each portion of an automated system is
located near the devices actually being controlled, i.e., control is decentralized
and ‘distributed’ over the system. Distributed control is a concept basic to PC
Systems.

Glossary
103
DM area A data area used to hold only word data. Words in the DM area cannot be ac-
cessed bit by bit.
DM word A word in the DM area.
downloading The process of transferring a program or data from a higher-level or host com-
puter to a lower-level or slave computer. If a Programming Device is involved,
the Programming Device is considered the host computer.
EEPROM Electrically erasable programmable read-only memory; a type of ROM in which
stored data can be erased and reprogrammed. This is accomplished using a
special control lead connected to the EEPROM chip and can be done without
having to remove the EEPROM chip from the device in which it is mounted.
electrical noise Random variations of one or more electrical characteristics such as voltage, cur-
rent, and data, which might interfere with the normal operation of a device.
EPROM Erasable programmable read-only memory; a type of ROM in which stored data
can be erased, by ultraviolet light or other means, and reprogrammed.
error code A numeric code generated to indicate that an error exists, and something about
the nature of the error. Some error codes are generated by the system; others
are defined in the program by the operator.
Error Log Area An area used to store records indicating the time and nature of errors that have
occurred in the system.
even parity A communication setting that adjusts the number of ON bits so that it is always
even. See parity.
event processing Processing that is performed in response to an event, e.g., an interrupt signal.
exclusive NOR A logic operation whereby the result is true if both of the premises are true or both
of the premises are false. In ladder-diagram programming, the premises are
usually the ON/OFF states of bits, or the logical combination of such states,
called execution conditions.
exclusive OR A logic operation whereby the result is true if one, and only one, of the premises
is true. In ladder-diagram programming the premises are usually the ON/OFF
states of bits, or the logical combination of such states, called execution condi-
tions.
execution condition The ON or OFF status under which an instruction is executed. The execution
condition is determined by the logical combination of conditions on the same in-
struction line and up to the instruction currently being executed.
execution cycle The cycle used to execute all processes required by the CPU Unit, including pro-
gram execution, I/O refreshing, peripheral servicing, etc.
execution time The time required for the CPU Unit to execute either an individual instruction or
an entire program.
extended counter A counter created in a program by using two or more count instructions in suc-
cession. Such a counter is capable of counting higher than any of the standard
counters provided by the individual instructions.
extended timer A timer created in a program by using two or more timers in succession. Such a
timer is capable of timing longer than any of the standard timers provided by the
individual instructions.
FA Factory automation.
factory computer A general-purpose computer, usually quite similar to a business computer, that
is used in automated factory control.

Glossary
104
FAL error An error generated from the user program by execution of an FAL(06) instruc-
tion.
FALS error An error generated from the user program by execution of an FALS(07) instruc-
tion or an error generated by the system.
fatal error An error that stops PC operation and requires correction before operation can
continue.
FCS See frame checksum.
flag A dedicated bit in memory that is set by the system to indicate some type of oper-
ating status. Some flags, such as the carry flag, can also be set by the operator
or via the program.
flicker bit A bit that is programmed to turn ON and OFF at a specific frequency.
floating-point decimal A decimal number expressed as a number (the mantissa) multiplied by a power
of 10, e.g., 0.538 x 10–5.
force reset The process of forcibly turning OFF a bit via a programming device. Bits are usu-
ally turned OFF as a result of program execution.
force set The process of forcibly turning ON a bit via a programming device. Bits are usu-
ally turned ON as a result of program execution.
forced status The status of bits that have been force reset or force set.
frame checksum The results of exclusive ORing all data within a specified calculation range. The
frame checksum can be calculated on both the sending and receiving end of a
data transfer to confirm that data was transmitted correctly.
function code A two-digit number used to input an instruction into the PC.
hardware error An error originating in the hardware structure (electronic components) of the PC,
as opposed to a software error, which originates in software (i.e., programs).
header code A code in an instruction that specifies what the instruction is to do.
hexadecimal A number system where all numbers are expressed to the base 16. In a PC all
data is ultimately stored in binary form, however, displays and inputs on Pro-
gramming Devices are often expressed in hexadecimal to simplify operation.
Each group of four binary bits is numerically equivalent to one hexadecimal digit.
host computer A computer that is used to transfer data to or receive data from a PC in a Host
Link system. The host computer is used for data management and overall sys-
tem control. Host computers are generally small personal or business comput-
ers.
host interface An interface that allows communications with a host computer.
host link An interface connecting a PC to a host computer to enable monitoring or pro-
gram control from the host computer.
HR area A memory area that preserves bit status during power interrupts and used as
work bits in programming.
I/O bit A bit in memory used to hold I/O status. Input bits reflect the status of input termi-
nals; output bits hold the status for output terminals.
I/O capacity The number of inputs and outputs that a PC is able to handle. This number
ranges from around one hundred for smaller PCs to two thousand for the largest
ones.

Glossary
105
I/O delay The delay in time from when a signal is sent to an output to when the status of the
output is actually in effect or the delay in time from when the status of an input
changes until the signal indicating the change in the status is received.
I/O device A device connected to the I/O terminals on I/O Units. I/O devices may be either
part of the Control System, if they function to help control other devices, or they
may be part of the controlled system.
I/O interrupt An interrupt generated by a signal from I/O.
I/O point The place at which an input signal enters the PC System, or at which an output
signal leaves the PC System. In physical terms, I/O points correspond to termi-
nals or connector pins on a Unit; in terms of programming, an I/O points corre-
spond to I/O bits in the IR area.
I/O refreshing The process of updating output status sent to external devices so that it agrees
with the status of output bits held in memory and of updating input bits in memory
so that they agree with the status of inputs from external devices.
I/O response time The time required for an output signal to be sent from the PC in response to an
input signal received from an external device.
I/O Unit The Units in a PC that are physically connected to I/O devices to input and output
signals. I/O Units include Input Units and Output Units, each of which is available
in a range of specifications.
I/O word A word in the IR area that is allocated to a Unit in the PC System and is used to
hold I/O status for that Unit.
IBM PC/AT or compatible A computer that has similar architecture to, that is logically compatible with, and
that can run software designed for an IBM PC/AT computer.
increment Increasing a numeric value, usually by 1.
indirect address An address whose contents indicates another address. The contents of the sec-
ond address will be used as the actual operand.
initialization error An error that occurs either in hardware or software during the PC System star-
tup, i.e., during initialization.
initialize Part of the startup process whereby some memory areas are cleared, system
setup is checked, and default values are set.
input The signal coming from an external device into the PC. The term input is often
used abstractly or collectively to refer to incoming signals.
input bit A bit in the IR area that is allocated to hold the status of an input.
input device An external device that sends signals into the PC System.
input point The point at which an input enters the PC System. Input points correspond phys-
ically to terminals or connector pins.
input signal A change in the status of a connection entering the PC. Generally an input signal
is said to exist when, for example, a connection point goes from low to high volt-
age or from a nonconductive to a conductive state.
install The preparation necessary to use a program or software package, such as the
LSS or SSS, on a computer.
instruction A direction given in the program that tells the PC of the action to be carried out,
and the data to be used in carrying out the action. Instructions can be used to
simply turn a bit ON or OFF, or they can perform much more complex actions,
such as converting and/or transferring large blocks of data.

Glossary
106
instruction block A group of instructions that is logically related in a ladder-diagram program. A
logic block includes all of the instruction lines that interconnect with each other
from one or more line connecting to the left bus bar to one or more right-hand
instructions connecting to the right bus bar.
instruction execution time The time required to execute an instruction. The execution time for any one in-
struction can vary with the execution conditions for the instruction and the oper-
ands used in it.
instruction line A group of conditions that lie together on the same horizontal line of a ladder dia-
gram. Instruction lines can branch apart or join together to form instruction
blocks. Also called a rung.
interface An interface is the conceptual boundary between systems or devices and usual-
ly involves changes in the way the communicated data is represented. Interface
devices perform operations like changing the coding, format, or speed of the
data.
interlock A programming method used to treat a number of instructions as a group so that
the entire group can be reset together when individual execution is not required.
An interlocked program section is executed normally for an ON execution condi-
tion and partially reset for an OFF execution condition.
interrupt (signal) A signal that stops normal program execution and causes a subroutine to be run
or other processing to take place.
interrupt program A program that is executed in response to an interrupt.
inverse condition See normally closed condition.
JIS An acronym for Japanese Industrial Standards.
jump A type of programming where execution moves directly from one point in a pro-
gram to another, without sequentially executing any instructions in between.
jump number A definer used with a jump that defines the points from and to which a jump is to
be made.
ladder diagram (program) A form of program arising out of relay-based control systems that uses cir-
cuit-type diagrams to represent the logic flow of programming instructions. The
appearance of the program is similar to a ladder, and thus the name.
ladder diagram symbol A symbol used in drawing a ladder-diagram program.
ladder instruction An instruction that represents the conditions on a ladder-diagram program. The
other instructions in a ladder diagram fall along the right side of the diagram and
are called terminal instructions.
Ladder Support Software A software package installed on a IBM PC/AT or compatible computer to func-
tion as a Programming Device.
least-significant (bit/word) See rightmost (bit/word).
LED Acronym for light-emitting diode; a device used as for indicators or displays.
leftmost (bit/word) The highest numbered bits of a group of bits, generally of an entire word, or the
highest numbered words of a group of words. These bits/words are often called
most-significant bits/words.
link A hardware or software connection formed between two Units. “Link” can refer
either to a part of the physical connection between two Units or a software con-
nection created to data existing at another location (i.e., data links).

Glossary
107
load The processes of copying data either from an external device or from a storage
area to an active portion of the system such as a display buffer. Also, an output
device connected to the PC is called a load.
logic block A group of instructions that is logically related in a ladder-diagram program and
that requires logic block instructions to relate it to other instructions or logic
blocks.
logic block instruction An instruction used to locally combine the execution condition resulting from a
logic block with a current execution condition. The current execution condition
could be the result of a single condition, or of another logic block. AND Load and
OR Load are the two logic block instructions.
logic instruction Instructions used to logically combine the content of two words and output the
logical results to a specified result word. The logic instructions combine all the
same-numbered bits in the two words and output the result to the bit of the same
number in the specified result word.
LR area A data area that is used in data links.
LSS See Ladder Support Software.
main program All of a program except for subroutine and interrupt programs.
mark trace A process in which changes in the contents of specific memory locations are re-
corded during program execution.
masked bit A bit whose status has been temporarily made ineffective.
masking ‘Covering’ an interrupt signal so that the interrupt is not effective until the mask is
removed.
megabyte A unit of storage equal to one million bytes.
memory area Any of the areas in the PC used to hold data or programs.
message number A number assigned to a message generated with the MESSAGE instruction.
mnemonic code A form of a ladder-diagram program that consists of a sequential list of the in-
structions without using a ladder diagram.
MONITOR mode A mode of PC operation in which normal program execution is possible, and
which allows modification of data held in memory. Used for monitoring or debug-
ging the PC.
most-significant (bit/word) See leftmost (bit/word).
NC input An input that is normally closed, i.e., the input signal is considered to be present
when the circuit connected to the input opens.
negative delay A delay set for a data trace in which recording data begins before the trace signal
by a specified amount.
nesting Programming one loop within another loop, programming a call to a subroutine
within another subroutine, or programming one jump within another.
NO input An input that is normally open, i.e., the input signal is considered to be present
when the circuit connected to the input closes.
noise interference Disturbances in signals caused by electrical noise.
non-fatal error A hardware or software error that produces a warning but does not stop the PC
from operating.

Glossary
108
normal condition See normally open condition.
normally closed condition A condition that produces an ON execution condition when the bit assigned to it
is OFF, and an OFF execution condition when the bit assigned to it is ON.
normally open condition A condition that produces an ON execution condition when the bit assigned to it
is ON, and an OFF execution condition when the bit assigned to it is OFF.
NOT A logic operation which inverts the status of the operand. For example, AND
NOT indicates an AND operation with the opposite of the actual status of the op-
erand bit.
OFF The status of an input or output when a signal is said not to be present. The OFF
state is generally represented by a low voltage or by non-conductivity, but can be
defined as the opposite of either.
OFF delay The delay between the time when a signal is switched OFF (e.g., by an input
device or PC) and the time when the signal reaches a state readable as an OFF
signal (i.e., as no signal) by a receiving party (e.g., output device or PC).
offset A positive or negative value added to a base value such as an address to specify
a desired value.
ON The status of an input or output when a signal is said to be present. The ON state
is generally represented by a high voltage or by conductivity, but can be defined
as the opposite of either.
ON delay The delay between the time when an ON signal is initiated (e.g., by an input de-
vice or PC) and the time when the signal reaches a state readable as an ON sig-
nal by a receiving party (e.g., output device or PC).
one-shot bit A bit that is turned ON or OFF for a specified interval of time which is longer than
one scan.
one-to-one link See 1:1 PC Link.
online edit The process of changed the program directly in the PC from a Programming De-
vice. Online editing is possible in PROGRAM or MONITOR mode. In MONITOR
mode, the program can actually be changed while it is being
operand The values designated as the data to be used for an instruction. An operand can
be input as a constant expressing the actual numeric value to be used or as an
address to express the location in memory of the data to be used.
operand bit A bit designated as an operand for an instruction.
operand word A word designated as an operand for an instruction.
operating modes One of three PC modes: PROGRAM mode, MONITOR mode, and RUN mode.
operating error An error that occurs during actual PC operation as opposed to an initialization
error, which occurs before actual operations can begin.
OR A logic operation whereby the result is true if either of two premises is true, or if
both are true. In ladder-diagram programming the premises are usually ON/OFF
states of bits or the logical combination of such states called execution condi-
tions.
output The signal sent from the PC to an external device. The term output is often used
abstractly or collectively to refer to outgoing signals.
output bit A bit in the IR area that is allocated to hold the status to be sent to an output de-
vice.

Glossary
109
output device An external device that receives signals from the PC System.
output point The point at which an output leaves the PC System. Output points correspond
physically to terminals or connector pins.
output signal A signal being sent to an external device. Generally an output signal is said to
exist when, for example, a connection point goes from low to high voltage or from
a nonconductive to a conductive state.
overflow The state where the capacity of a data storage location has been exceeded.
overseeing Part of the processing performed by the CPU Unit that includes general tasks
required to operate the PC.
overwrite Changing the content of a memory location so that the previous content is lost.
parity Adjustment of the number of ON bits in a word or other unit of data so that the
total is always an even number or always an odd number. Parity is generally
used to check the accuracy of data after being transmitted by confirming that the
number of ON bits is still even or still odd.
parity check Checking parity to ensure that transmitted data has not been corrupted.
PC See Programmable Controller.
PC configuration The arrangement and interconnections of the Units that are put together to form
a functional PC.
PC System With building-block PCs, all of the Units connected up to, but not including, the
I/O devices. The boundaries of a PC System are the PC and the program in its
CPU Unit at the upper end; and the I/O Units at the lower end.
PCB See printed circuit board.
PC Setup A group of operating parameters set in the PC from a Programming Device to
control PC operation.
Peripheral Device Devices connected to a PC System to aid in system operation. Peripheral de-
vices include printers, programming devices, external storage media, etc.
peripheral servicing Processing signals to and from peripheral devices, including refreshing, com-
munications processing, interrupts, etc.
port A connector on a PC or computer that serves as a connection to an external de-
vice.
positive delay A delay set for a data trace in which recording data begins after the trace signal
by a specified amount.
Power Supply Unit A Unit that connected to a PC that provides power at the voltage required by the
other Units.
present value The current value registered in a device at any instant during its operation. Pres-
ent value is abbreviated as PV. The use of this term is generally restricted to tim-
ers and counters.
printed circuit board A board onto which electrical circuits are printed for mounting into a computer or
electrical device.
PROGRAM mode A mode of operation that allows inputting and debugging of programs to be car-
ried out, but that does not permit normal execution of the program.
Programmable Controller A computerized device that can accept inputs from external devices and gener-
ate outputs to external devices according to a program held in memory. Pro-
grammable Controllers are used to automate control of external devices. Al-
though single-unit Programmable Controllers are available, building-block Pro-
grammable Controllers are constructed from separate components. Such Pro-
grammable Controllers are formed only when enough of these separate compo-
nents are assembled to form a functional assembly.

Glossary
110
programmed alarm An alarm given as a result of execution of an instruction designed to generate the
alarm in the program, as opposed to one generated by the system.
programmed error An error arising as a result of the execution of an instruction designed to gener-
ate the error in the program, as opposed to one generated by the system.
programmed message A message generated as a result of execution of an instruction designed to gen-
erate the message in the program, as opposed to one generated by the system.
Programming Console The portable form of Programming Device for a PC.
Programming Device A Peripheral Device used to input a program into a PC or to alter or monitor a
program already held in the PC. There are dedicated programming devices,
such as Programming Consoles, and there are non-dedicated devices, such as
a host computer.
PROM Programmable read-only memory; a type of ROM into which the program or
data may be written after manufacture, by a customer, but which is fixed from
that time on.
prompt A message or symbol that appears on a display to request input from the opera-
tor.
protocol The parameters and procedures that are standardized to enable two devices to
communicate or to enable a programmer or operator to communicate with a de-
vice.
PV See present value.
RAM Random access memory; a data storage media. RAM will not retain data when
power is disconnected.
RAS An acronym for reliability, assurance, safety.
read-only area A memory area from which the user can read status but to which data cannot be
written.
refresh The process of updating output status sent to external devices so that it agrees
with the status of output bits held in memory and of updating input bits in memory
so that they agree with the status of inputs from external devices.
relay-based control The forerunner of PCs. In relay-based control, groups of relays are intercon-
nected to form control circuits. In a PC, these are replaced by programmable cir-
cuits.
reserved bit A bit that is not available for user application.
reserved word A word in memory that is reserved for a special purpose and cannot be accessed
by the user.
reset The process of turning a bit or signal OFF or of changing the present value of a
timer or counter to its set value or to zero.
response code A code sent with the response to a data transmission that specifies how the
transmitted data was processed.
response format A format specifying the data required in a response to a data transmission.
response monitoring time The time a device will wait for a response to a data transmission before assum-
ing that an error has occurred.
Restart Bit A bit used to restart part of a PC.
result word A word used to hold the results from the execution of an instruction.

Glossary
111
retrieve The processes of copying data either from an external device or from a storage
area to an active portion of the system such as a display buffer. Also, an output
device connected to the PC is called a load.
retry The process whereby a device will re-transmit data which has resulted in an er-
ror message from the receiving device.
return The process by which instruction execution shifts from a subroutine back to the
main program (usually the point from which the subroutine was called).
reversible counter A counter that can be both incremented and decremented depending on the
specified conditions.
reversible shift register A shift register that can shift data in either direction depending on the specified
conditions.
right-hand instruction See terminal instruction.
rightmost (bit/word) The lowest numbered bits of a group of bits, generally of an entire word, or the
lowest numbered words of a group of words. These bits/words are often called
least-significant bits/words.
rising edge The point where a signal actually changes from an OFF to an ON status.
ROM Read only memory; a type of digital storage that cannot be written to. A ROM
chip is manufactured with its program or data already stored in it and can never
be changed. However, the program or data can be read as many times as de-
sired.
rotate register A shift register in which the data moved out from one end is placed back into the
shift register at the other end.
RS-232C interface An industry standard for serial communications.
RUN mode The operating mode used by the PC for normal control operations.
rung See instruction line.
scan The process used to execute a ladder-diagram program. The program is ex-
amined sequentially from start to finish and each instruction is executed in turn
based on execution conditions.
scan time See cycle time.
scheduled interrupt An interrupt that is automatically generated by the system at a specific time or
program location specified by the operator. Scheduled interrupts result in the ex-
ecution of specific subroutines that can be used for instructions that must be ex-
ecuted repeatedly at a specified interval of time.
SCP See subtract count input.
seal See self-maintaining bit.
self diagnosis A process whereby the system checks its own operation and generates a warn-
ing or error if an abnormality is discovered.
self-maintaining bit A bit that is programmed to maintain either an OFF or ON status until set or reset
by specified conditions.
series A wiring method in which Units are wired consecutively in a string.
servicing The process whereby the PC checks a connector or Unit to see if special proces-
sing is required.

Glossary
112
set The process of turning a bit or signal ON.
set value The value from which a decrementing counter starts counting down or to which
an incrementing counter counts up (i.e., the maximum count), or the time from
which or for which a timer starts timing. Set value is abbreviated SV.
shift input signal An input signal whose OFF to ON transition causes data to be shifted one bit.
shift register One or more words in which data is shifted a specified number of units to the right
or left in bit, digit, or word units. In a rotate register, data shifted out one end is
shifted back into the other end. In other shift registers, new data (either specified
data, zero(s) or one(s)) is shifted into one end and the data shifted out at the oth-
er end is lost.
signed binary A binary value that is stored in memory along with a bit that indicates whether the
value is positive or negative.
signed decimal One-word signed hexadecimal values stored in the two’s complement format
can be displayed at the Programming Console as decimal values from –32,768
to 32,767.
software error An error that originates in a software program.
software protect A means of protecting data from being changed that uses software as opposed
to a physical switch or other hardware setting.
source (word) The location from which data is taken for use in an instruction, as opposed to the
location to which the result of an instruction is to be written. The latter is called
the destination.
special instruction An instruction input with a function code that handles data processing opera-
tions within ladder diagrams, as opposed to a basic instruction, which makes up
the fundamental portion of a ladder diagram.
SR area A memory area containing flags and other bits/words with specific functions.
SSS See SYSMAC Support Software.
store The process of recording a program written into a display buffer permanently in
memory.
subroutine A group of instructions placed separate from the main program and executed
only when called from the main program or activated by an interrupt.
subroutine number A definer used to identify the subroutine that a subroutine call or interrupt acti-
vates.
subtract count input An input signal used to decrement a counter when the signal changes from OFF
to ON.
SV See set value.
switching capacity The maximum voltage/current that a relay can safely switch on and off.
synchronous execution Execution of programs and servicing operations in which program execution
and servicing are synchronized so that all servicing operations are executed
each time the programs are executed.
syntax The form of a program statement (as opposed to its meaning).
syntax error An error in the way in which a program is written. Syntax errors can include
‘spelling’ mistakes (i.e., a function code that does not exist), mistakes in specify-
ing operands within acceptable parameters (e.g., specifying read-only bits as a
destination), and mistakes in actual application of instructions (e.g., a call to a
subroutine that does not exist).

Glossary
113
SYSMAC Support Software A software package installed on a IBM PC/AT or compatible computer to func-
tion as a Programming Device.
system configuration The arrangement in which Units in a System are connected. This term refers to
the conceptual arrangement and wiring together of all the devices needed to
comprise the System.
system error An error generated by the system, as opposed to one resulting from execution of
an instruction designed to generate an error.
system error message An error message generated by the system, as opposed to one resulting from
execution of an instruction designed to generate a message.
system setup Operating environment settings for a Programming Device, e.g., the LSS or
SSS.
terminal instruction An instruction placed on the right side of a ladder diagram that uses the final ex-
ecution conditions of an instruction line.
timer A location in memory accessed through a TIM/CNT bit and used to time down
from the timer’s set value. Timers are turned ON and reset according to their ex-
ecution conditions.
TR area A data area used to store execution conditions so that they can be reloaded later
for use with other instructions.
TR bit A bit in the TR area.
trace An operation whereby the program is executed and the resulting data is stored to
enable step-by-step analysis and debugging.
trace memory A memory area used to store the results of trace operations.
transfer The process of moving data from one location to another within the PC, or be-
tween the PC and external devices. When data is transferred, generally a copy
of the data is sent to the destination, i.e., the content of the source of the transfer
is not changed.
transmission distance The distance that a signal can be transmitted.
trigger A signal used to activate some process, e.g., the execution of a trace operation.
trigger address An address in the program that defines the beginning point for tracing. The ac-
tual beginning point can be altered from the trigger by defining either a positive or
negative delay.
UM area The memory area used to hold the active program, i.e., the program that is being
currently executed.
Unit In OMRON PC terminology, the word Unit is capitalized to indicate any product
sold for a PC System. Most of the names of these products end with the word
Unit.
unit number A number assigned to some Units to facilitate identification when assigning
words or other operating parameters.
unmasked bit A bit whose status is effective. See masked bit.
unsigned binary A binary value that is stored in memory without any indication of whether it is
positive or negative.
unsigned decimal One-word hexadecimal values can be displayed at the Programming Console
as decimal values from 0 to 65,535.

Glossary
114
uploading The process of transferring a program or data from a lower-level or slave com-
puter to a higher-level or host computer. If a Programming Devices is involved,
the Programming Device is considered the host computer.
watchdog timer A timer within the system that ensures that the scan time stays within specified
limits. When limits are reached, either warnings are given or PC operation is
stopped depending on the particular limit that is reached.
WDT See watchdog timer.
word A unit of data storage in memory that consists of 16 bits. All data areas consists
of words. Some data areas can be accessed only by words; others, by either
words or bits.
word address The location in memory where a word of data is stored. A word address must
specify (sometimes by default) the data area and the number of the word that is
being addressed.
work area A part of memory containing work words/bits.
work bit A bit in a work word.
work word A word that can be used for data calculation or other manipulation in program-
ming, i.e., a ‘work space’ in memory. A large portion of the IR area is always re-
served for work words. Parts of other areas not required for special purposes
may also be used as work words.
write protect switch A switch used to write-protect the contents of a storage device, e.g., a floppy
disk. If the hole on the upper left of a floppy disk is open, the information on this
floppy disk cannot be altered.
write-protect A state in which the contents of a storage device can be read but cannot be al-
tered.
115
Index
A–B
accessibility, 20
allocations
data areas, 9
I/O, 8
ASCII, converting displays, Programming Console, 57
binary data, modifying, Programming Console, 54
bit status, force-set/reset, Programming Console, 56
bits, searching, Programming Console, 42
buzzer operation, Programming Console, 39
C
cabinet
installation, precautions, 19
Programming Console installation, 35
cable connections
NT Link
1:1, 30
1:N, 31
RS-232C, 24
characteristics, 13
check levels, program checks, 75
checking, program syntax, Programming Console, 47, 71
clearing, memory areas, Programming Console, 37, 62
communications
CompoBus/S specifications, 14
errors, 72
Host Link connections, 26
modes, 6
NT Link, 30
PC Link, 1:1, 31
CompoBus/S
communications specifications, 14
wiring, 23
components, Units, 15
conduit installation, 22
configuration, 3
counters, changing SV, Programming Console, 52
crimp connectors, 22
cycle time, displaying, Programming Console, 58
D
data, modifying, Programming Console, 52, 53, 54, 55, 56
data areas, 9
data link, 31
decimal data with sign. See signed decimal data
decimal data without sign. See unsigned decimal data
differentiated instructions, entering, 45
dimensions, 97
DIN track, installation, 20
displays
converting between hex and ASCII, Programming Console,
57
cycle time, Programming Console, 58
downloading, programs, 89
duct installation, 21
E
EEPROM
mounting/removing, 86
specifications, 85
electrical noise, preventing, 19, 21
ERR/ALM indicator
flashing, 72
lit, 73
errors
communications, 72
error processing, 59
fatal, 72
identifying, 73
non-fatal, 72
programming, 75
Programming Console operations, 75
reading/clearing messages, Programming Console, 38, 74
user-defined errors, 73
expansion instructions, setting, Programming Console, 40–41
Expansion Memory Unit, 83
connections, 87
F
FAL numbers, 72
FAL(06), 73
FALS numbers, 72
FALS(07), 74
fatal errors, troubleshooting, 79
features, 2
flash memory, precautions, 61
force-set/reset
clearing, Programming Console, 57
Programming Console, 56
functions, 2

Index
116
H
hexadecimal data, converting displays, Programming Console,
57
high-speed communications mode, 6
host computer, connecting, 26
Host Link, connections, 26
Host Link communications
1:1, 27
cables, 27
1:N, 28
cables, 29
I
I/O allocation, 8
I/O line noise, preventing, 21
IBM PC/AT or compatible computer, 7
indicators, 16
flashing ERR/ALM indicator, 72
lit ERR/ALM indicator, 73
installation
DIN track, 20
horizontal surface, 20
precautions, 19
instructions
inserting and deleting, Programming Console, 43
searching, Programming Console, 41
interlock circuit, example, 18
interval timer, 2
L–M
limit circuit, 18
lithium battery, backup time vs. temperature, xv, 14
long-distance communications mode, 6
memory
backup, 2
Expansion Memory Unit, 83
memory areas
clearing, Programming Console, 37, 62
partial clear, 38, 62
uploading/downloading, 84
messages, reading/clearing, 38, 74
mode, changing the PC mode, 35
models, SRM1 models, 4
modifying
binary data, Programming Console, 54
data, Programming Console, 52
hexadecimal/BCD data, Programming Console, 53
signed decimal data, Programming Console, 55
SV, Programming Console, 52
unsigned decimal data, Programming Console, 56
MONITOR mode, description, 36
monitoring
3-word monitor, Programming Console, 50–51
binary monitor, Programming Console, 50
differentiation monitor, Programming Console, 49–50
signed decimal monitor, Programming Console, 51
status, Programming Console, 47
unsigned decimal monitor, Programming Console, 51–52
MSG(46), 74
N
noise, preventing electrical noise, 19, 21
non-fatal errors, troubleshooting, 80
NT Link
1:1, 30
1:N, 30
NT Link communications
1:1, 30
1:N, 30
cable connections, 30, 31
O–P
operating conditions, troubleshooting, 82
overheating, 19
panel, Programming Console installation, 35
panel installation, precautions, 19
PC Link communications, 1:1, 31
cable connections, 32
restrictions, 32
PC mode, changing, 35
Peripheral Devices, connecting, 6
peripheral port, 15
peripherals, 5
IBM PC/AT or compatible computer, 7
Programming Consoles, 6
PT, 7
Slaves, 5
SYSMAC Support Software, 6
SYSMAC-CPT, 6
power failure, 18
momentary, 18
power supply, 18
troubleshooting, 78
wiring, 18, 23
precautions
general, xi
uploading/downloading, 84
program memory, setting address and reading content, Pro-
gramming Console, 41
PROGRAM mode, description, 36

Index
117
Programmable Terminal. See PT
programming
checks for syntax, Programming Console, 47, 71–72
errors, 75
inserting and deleting instructions, Programming Console,
43–44
searching, Programming Console, 41–42
setting and reading a memory address, Programming Con-
sole, 41
Programming Console
connecting, 6, 35
keys, 34
models, 34
operations, 36
programs
checking, check levels, 75
downloading, 89
entering and editing, Programming Console, 44
uploading, 88
PT, 2, 7
R–S
RS-232C
cable connections, 24
wiring, 24
RS-232C Adapter, 7, 24
RS-232C port, 15
RUN mode, description, 36
scheduled interrupts, 2
search
instruction, Programming Console, 41–42
operands, Programming Console, 42
signed decimal data
modifying, Programming Console, 55
monitoring, 51
Slaves, list, 5
specifications, 12
CompoBus/S communications, 14
Expansion Memory Unit, 85
SSS. See SYSMAC Support Software
startup procedure, 60
status, monitoring, Programming Console, 47
SV, modifying, Programming Console, 52
syntax, checking the program, Programming Console, 47, 71
SYSMAC Support Software, connecting, 6
SYSMAC-CPT, 6, 7
connecting, 6
system, configuration, 3
T–W
temperature, effect on capacitor backup, 14
terminal block, 15
test run, procedure, 60, 71
timers, changing SV, Programming Console, 52
troubleshooting, 77
fatal errors, 79
non-fatal errors, 80
operating conditions, 82
power supply, 78
UM area information, reading, Programming Console, 40
unsigned decimal data
modifying, Programming Console, 56
monitoring, 51–52
uploading, programs, 88
wiring
CompoBus/S, 23
power supply, 23
precautions, 21
RS-232C, 24

119
Revision History
A manual revision code appears as a suffix to the catalog number on the front cover of the manual.
Cat. No. W318-E1-4
Revision code
The following table outlines the changes made to the manual during each revision. Page numbers refer to the
previous version.
Revision code Date Revised content
1April 1997 Original production
2November 1997 Corrections and modifications resulting from the upgrade to “-V1.”
Information on the SYSMAC-CPT Support Software added throughout the
manual.
Page 41: Second operand display for step 10 corrected.
3April 1999 Corrections and modifications resulting from the upgrade to “-V2.”
4May 2000 Added Section 6 Expansion Memory Unit.
Updated Precautions.
Page 3: Added information on the CPM1-EMU01-V1 Expansion Memory Unit.
Page 12: Removed “1G” and “15G” from the table.
Pages 38 to 58, 62, 63, and 71: Corrected contents of displays.
Page 83: Removed notes from the table.
Page 86: Added models related to the CX-Programmer and Expansion Memory Unit.