OpenCell OPENCELLV2-1 OpenCell Radio Access Node Version 2 User Manual detail block diagrams
OpenCell Corp OpenCell Radio Access Node Version 2 detail block diagrams
OpenCell >
Operators manual

11/18/03
FCC ID: OOJOPENCELLV2-1
OPENCELL CORP. PROPRIETARY
FCC ID: OOJOPENCELLV2-1
OPENCELL CORP. PROPRIETARY
EXHIBIT 10 USER MANUAL

Clear Control 4XD-G2 Operations and Maintenance Manual 1001537 A
Clear Control 4XD-G2
OPERATIONS AND MAINTENANCE
MANUAL
Document No. 1001537
Revision A
October 22, 2003
THIS DOCUMENT CONTAINS PROPRIETARY INFORMATION OF OPENCELL CORP. AND IS NOT TO BE USED FOR ANY PURPOSE,
EXCEPT IN ACCORDANCE WITH CONTRACTUAL NONDISCLOSURE TERMS. THIS DOCUMENT IS NOT TO BE DUPLICATED IN WHOLE OR
IN PART WITHOUT PRIOR WRITTEN PERMISSION FROM A DULY AUTHORIZED REPRESENTATIVE OF OPENCELL CORP.

Clear Control 4XD-G2 Operations and Maintenance Manual 1001537 A
OPENCELL CORP. PROPRIETARY
Page i
TABLE OF CONTENTS
Section Page
1 INTRODUCTION ..................................................................................................................4
1.1 REFERENCE DOCUMENTS...........................................................................................4
1.2 ACRONYMS AND ABBREVIATIONS .........................................................................................4
1.3 SYSTEM OVERVIEW ..........................................................................................................5
1.3.1 System Configuration ..................................................................................................5
1.3.2 General Description.....................................................................................................6
1.4 RAN SUBSYSTEM ASSEMBLIES ......................................................................................7
1.4.1 Central Processing Unit (CPU) ....................................................................................7
1.4.2 System Interface (STF)................................................................................................7
1.4.3 Synchronous Interface (SIF) ........................................................................................8
1.4.4 RAN Down Converter (RDC) .......................................................................................8
1.4.5 RAN Up Converter (RUC)............................................................................................8
1.4.6 RAN Chassis & Backplane ..........................................................................................8
1.4.7 CompactPCI RAN Power Supply (RPS) ......................................................................8
1.4.8 RAN Rectifier (RECT)..................................................................................................8
1.4.9 Power Amplifier (PA) ...................................................................................................8
1.4.10 PA Interface Controller (PIC) ...................................................................................8
1.4.11 Multiplexers .............................................................................................................8
1.4.12 PA Fans.................................................................................................................10
1.4.13 Circuit Breakers .....................................................................................................10
1.4.14 Battery Backup (BAT) ............................................................................................10
1.4.15 Glitch Batteries (GB)..............................................................................................11
1.4.16 Multi-coupler (PCS SMR and Cell).........................................................................11
1.4.17 Antenna (ANT).......................................................................................................11
1.5 HUB SUBSYSTEM ASSEMBLIES ....................................................................................11
1.5.1 Base Station Interface Module (BIM) .........................................................................12
1.5.2 Central Processing Unit (CPU) ..................................................................................12
1.5.3 System Interface (STF)..............................................................................................12
1.5.4 Synchronous Interface (SIF) ......................................................................................12
1.5.5 HUB Down Converter (HDC) .....................................................................................13
1.5.6 Forward Simulcast Card (FSC)..................................................................................13
1.5.7 Reverse Simulcast Card (RSC) .................................................................................13
1.5.8 HUB Up Converter (HUC)..........................................................................................13
1.5.9 HUB Reference Module (HRM) .................................................................................13
1.5.10 Ethernet Hub .........................................................................................................13
1.5.11 RF CompactPCI Chassis & Backplane ..................................................................13
1.5.12 Digital CompactPCI Chassis & Backplane .............................................................13
1.6 COMMUNICATION INTERFACES .....................................................................................13
1.6.1 I2C.............................................................................................................................13
1.6.2 Network Interface ......................................................................................................14
1.6.3 SNMP........................................................................................................................14
2 POWER ON/OFF PROCEDURES......................................................................................15
2.1 HUB POWER-ON/OFF..................................................................................................15
2.2 RAN POWER ON/OFF ..................................................................................................15
3 CONTROLS AND INDICATORS........................................................................................19
3.1 COMMON TO HUB AND RAN .........................................................................................19

Clear Control 4XD-G2 Operations and Maintenance Manual 1001537 A
OPENCELL CORP. PROPRIETARY
Page ii
3.1.1 CPU...........................................................................................................................19
3.1.2 STF ...........................................................................................................................20
3.1.3 SIF.............................................................................................................................22
3.2 RAN...........................................................................................................................24
3.2.1 RDC ..........................................................................................................................24
3.2.2 RUC ..........................................................................................................................25
3.2.3 P/MCPLR ..................................................................................................................25
3.2.4 C/MCPLR ..................................................................................................................27
3.2.5 PIC ............................................................................................................................28
3.2.6 CompactPCI Power Supply .......................................................................................29
3.2.7 RAN Rectifier Front Panel .........................................................................................32
3.3 HUB...........................................................................................................................35
3.3.1 Hub Downconverter, HDC .........................................................................................35
3.3.2 Forward Simulcast Module, FSC ...............................................................................36
3.3.3 Hub Upconverter Module, HUC .................................................................................37
3.3.4 Reverse Simulcast Module, RSC...............................................................................38
3.3.5 Hub Reference Module, HRM....................................................................................40
3.3.6 Ethernet Switch .........................................................................................................44
3.3.7 BTS Interface Module, BIM (OP-BIM-PCS, OP-BIM-CELL and OP-BIM-SMR.).........45
3.3.8 Attenuator Shelf.........................................................................................................46
3.3.9 PDU...........................................................................................................................47
4 NETWORK AND SYSTEM INSTALLATION AND SETUP.................................................47
4.1 NETWORKING OVERVIEW .............................................................................................48
4.2 NODE IDENTIFICATION SCHEMES ..................................................................................49
4.3 IDENTIFICATION USING THE NETWORK IP RECEIVER/SENDER SYSTEM ............................49
4.4 HUB EQUIPMENT IDENTIFICATIONS .....................................................................49
4.5 ASSIGNING TENANTS ...................................................................................................51
4.5.1 Understanding Tenant MIB Indexing..........................................................................51
4.5.2 BTS Connection MIB .................................................................................................51
4.5.2.1 Setting the Tenant Name ...................................................................................51
4.5.2.2 Setting the BTS ID .............................................................................................52
4.5.2.3 Setting the BTS Sector ......................................................................................52
4.5.2.4 Setting the Tenant Band ....................................................................................52
4.5.2.5 Setting the BIM Rack/Shelf ID............................................................................52
4.5.2.6 Designating the Tenant Hardware......................................................................52
4.5.2.7 Clearing tenants.................................................................................................53
4.5.2.8 HUC Invalid Config ............................................................................................53
4.5.2.9 Maximum Number Of Carriers ...........................................................................53
4.5.2.10 Power Attenuator IDs.........................................................................................53
4.6 PATHTRACE FORMAT ...................................................................................................54
4.6.1 Pathtrace Creation.....................................................................................................54
4.6.2 Pathtrace Forward Transmission ...............................................................................55
4.6.3 Pathtrace Forward Reception ....................................................................................55
4.6.4 Pathtrace Reverse Transmission...............................................................................56
4.6.5 Pathtrace Reverse Reception ....................................................................................56
4.6.6 Pathtrace Detection/Reporting...................................................................................56
4.7 TENANT CONFIGURATION.............................................................................................57
4.7.1 Managing the Tenant OAM MIB ................................................................................57
4.7.2 Setting Protocol .........................................................................................................57
4.7.3 Setting Channels .......................................................................................................57
4.7.4 Setting Reverse Gain.................................................................................................57

Clear Control 4XD-G2 Operations and Maintenance Manual 1001537 A
OPENCELL CORP. PROPRIETARY
Page iii
4.7.5 Setting Forward And Reverse Cable Loss .................................................................57
4.7.6 Using Tenant Reset...................................................................................................57
4.7.7 Enabling FGC / RGC .................................................................................................57
4.7.8 Using Tenant Mode ...................................................................................................58
4.7.9 Enabling / Disabling Delay Compensation .................................................................58
4.7.10 Setting Forward / Reverse Delay Skew..................................................................58
4.7.11 Enabling / Disabling RAN slots ..............................................................................58
4.7.12 Forward/Reverse Target Delay..............................................................................58
4.7.13 Target Simulcast Degree .......................................................................................58
4.8 MANAGING THE TENANT OAM ADDRESS AND HOSTNAME TABLES..................................58
4.8.1 RAN Ordering............................................................................................................59
4.8.2 Bracketing of Lost RANs............................................................................................59
4.8.3 Clearing of RANs.......................................................................................................59
4.9 HUB NODE NAMING CONVENTION .................................................................................59
4.9.1 Managing the HUB Node MIB....................................................................................59
4.9.1.1 SiteID.................................................................................................................60
4.9.1.2 CPURackID .......................................................................................................60
4.9.1.3 CPUChassisID...................................................................................................60
4.9.1.4 Hostname ..........................................................................................................60
4.9.1.5 IPAddress ..........................................................................................................60
4.9.1.6 Clean .................................................................................................................60
4.9.1.7 Setting the RF Rack/Chassis ID.........................................................................60
4.9.2 Identification using the Network IP Receiver/Sender .................................................60
4.9.3 Accessing Nodes Locally...........................................................................................61
4.9.4 Accessing Nodes via TCP/IP.....................................................................................61
4.9.5 Using a 3rd party Network Management System with Clear Control-4XD-G2 ............62
4.10 CONFIGURING THE HUB MASTER NODE .....................................................................62
4.10.1 Utilizing the configure-hubmaster script .................................................................63
4.10.1.1 IP address / netmask ............................................................................................63
4.10.1.2 DHCP Address Range ..........................................................................................63
4.10.1.3 Default gateway / router ........................................................................................63
4.10.1.4 Hub Master domain ..............................................................................................63
4.10.1.5 DNS forwarding....................................................................................................63
4.10.2 Using Dynamic Host Configuration Protocol with Clear Control-4XD-G2 ...............64
4.10.2.1 Using the provided HUBMASTER DHCP.................................................................64
4.10.2.2 Incorporating existing LAN DHCP...........................................................................64
4.10.3 Using Domain Name Service with Clear Control-4XD-G2 ......................................64
4.10.3.1 Using the HUBMASTER DNS ................................................................................64
4.10.3.2 Incorporating existing LAN DNS.........................................................................65
4.11 CONFIGURING THE HUB “SLAVE” AND RAN NODES .......................................................65
4.11.1 Managing the RAN Node MIB................................................................................65
4.11.1.1 IP Address...........................................................................................................65
4.11.1.2 Hostname............................................................................................................65
4.11.1.3 PoleNumber.........................................................................................................65
4.11.1.4 SiteID..................................................................................................................65
4.11.1.5 Ruc1Pa1Connection .............................................................................................65
4.11.1.6 Ruc1Pa2Connection ..........................................................................................65
4.11.1.7 Rdc1MulticouplerConnection .................................................................................66
4.11.1.8 Clean ..................................................................................................................66
4.11.1.9 RAN Disable ........................................................................................................66
5 BTS INTEGRATION...........................................................................................................67

Clear Control 4XD-G2 Operations and Maintenance Manual 1001537 A
OPENCELL CORP. PROPRIETARY
Page iv
5.1 BTS VALIDATION.........................................................................................................67
5.2 CHANNEL SELECTION ..................................................................................................67
5.2.1 iDEN - SMR...............................................................................................................67
5.2.2 CDMA Cellular – EIA/TIA-97......................................................................................67
5.2.3 GSM 850 ...................................................................................................................67
5.2.4 TDMA 800 .................................................................................................................68
5.2.5 TDMA 1900 ...............................................................................................................68
5.2.6 GSM 1900 .................................................................................................................68
5.2.7 CDMA 1900...............................................................................................................68
5.3 PATH BALANCING ........................................................................................................69
5.3.1 Forward Path Balancing Automatic............................................................................69
5.3.2 Reverse Path Balancing ............................................................................................69
5.3.3 Functional RAN Call Verification................................................................................70
6 BTS OPTIMIZATION..........................................................................................................71
6.1 NEIGHBOR LIST UPDATES ............................................................................................71
6.2 BTS PARAMETER CHANGES ........................................................................................71
6.2.1 TDMA ........................................................................................................................71
6.2.2 CDMA........................................................................................................................72
6.2.3 iDEN..........................................................................................................................72
6.2.3.1 Clear Control base station interface module setup.............................................72
6.2.3.2 Receiver Multicoupler Setup ..............................................................................73
7 REPLACEMENT PROCEDURES ......................................................................................75
7.1 RAN MODULE REPLACEMENT ......................................................................................75
7.1.1 Inserting cards (blades) and connectors ....................................................................75
7.1.2 CPU...........................................................................................................................78
7.1.3 STF ...........................................................................................................................79
7.1.4 SIF.............................................................................................................................79
7.1.5 RDC ..........................................................................................................................79
7.1.6 RUC ..........................................................................................................................80
7.1.7 P/MCPLR ..................................................................................................................80
7.1.8 C/MCPLR ..................................................................................................................81
7.1.9 COMPACTPCI Power Supplies .................................................................................81
7.1.10 COMPACTPCI Fans..............................................................................................81
7.1.11 PAs........................................................................................................................83
7.1.12 PICs.......................................................................................................................85
7.1.13 PA Fans.................................................................................................................85
7.1.14 Circuit Breakers .....................................................................................................85
7.1.15 Rectifier Module.....................................................................................................86
7.1.16 Glitch Batteries ......................................................................................................87
7.1.17 Extended Time Backup Batteries...........................................................................91
7.1.18 Battery Fuse Replacement ....................................................................................91
7.1.19 GPS Lightning Arrestor..........................................................................................91
7.2 HUB MODULE REPLACEMENT ......................................................................................92
7.2.1 CPU.........................................................................................................................101
7.2.1.1 CPU Removal ..................................................................................................101
7.2.1.2 HUB Master CPU Removal..............................................................................101
7.2.1.3 Local Connection Configuration .......................................................................101
7.2.1.4 Remote Connection Configuration ...................................................................102
7.2.2 STF .........................................................................................................................104
7.2.3 SIF...........................................................................................................................104
7.2.4 RSC.........................................................................................................................104

Clear Control 4XD-G2 Operations and Maintenance Manual 1001537 A
OPENCELL CORP. PROPRIETARY
Page v
7.2.5 HDC ........................................................................................................................105
7.2.6 FSC .........................................................................................................................105
7.2.7 HUC ........................................................................................................................105
7.2.8 COMPACTPCI Power Supply..................................................................................106
7.2.9 HUB COMPACTPCI Fans .......................................................................................108
7.2.10 Ethernet Hub .......................................................................................................111
7.2.11 HRM ....................................................................................................................112
7.2.12 BIM ......................................................................................................................112
7.2.13 PDU.....................................................................................................................114
8 SCHEDULED MAINTENANCE ........................................................................................115
8.1 FILTERS....................................................................................................................115
8.2 ANTENNA AND GPS CABLES ......................................................................................116
8.3 ANTENNA LEVEL........................................................................................................116
8.4 MOUNTING HARDWARE..............................................................................................116
8.5 BATTERIES................................................................................................................116
9 SOFTWARE UPDATES ...................................................................................................117
9.1 SOFTWARE RELEASE DELIVERABLE............................................................................117
9.2 RELEASE NOTES .......................................................................................................117
9.3 UPGRADING EXISTING SYSTEM ..................................................................................117
9.4 UPDATING SPARE CPUS............................................................................................122
9.5 MIB EXTRACTION ......................................................................................................123
10 AUTONOMOUS SOFTWARE FUNCTIONALITY....................................................124
10.1 FORWARD GAIN MANAGEMENT ..................................................................................124
10.2 REVERSE GAIN MANAGEMENT ...................................................................................124
10.3 FORWARD DELAY MANAGEMENT ................................................................................124
10.4 REVERSE DELAY MANAGEMENT .................................................................................125
10.5 FORWARD CONTINUITY ..............................................................................................125
10.6 REVERSE CONTINUITY ...............................................................................................126
10.7 PA OVERPOWER PROTECTION...................................................................................127
11 MIB STRUCTURE...................................................................................................128
11.1 HARDWARE RELATIONSHIPS: .....................................................................................129
11.1.1 Hub/RAN Connection Relationships: ...................................................................129
11.1.2 Tenant Relationships: ..........................................................................................130

Clear Control 4XD-G2 Operations and Maintenance Manual 1001537 A
OPENCELL CORP. PROPRIETARY
Page vi
LIST OF ILLUSTRATIONS
Figure Page
FIGURE 1-1. CLEAR CONTROL 4XD G2 ARCHITECTURAL SUMMARY DIAGRAM ................................6
FIGURE 1-2. CLEAR CONTROL 4XD G2 BLOCK DIAGRAM...............................................................7
FIGURE 1-3 PCS MULTIPLEXERS...................................................................................................9
FIGURE 1-4 CELLULAR/SMR MULTIPLEXERS...............................................................................10
FIGURE 2-1. BATTERY LVD DISCONNECT SWITCH.......................................................................18
FIGURE 3-1. CPU FRONT PANEL ................................................................................................19
FIGURE 3-2. STF 2 FRONT PANEL..............................................................................................21
FIGURE 3-3. SIF FRONT PANEL..................................................................................................23
FIGURE 3-4. RDC FRONT PANEL................................................................................................24
FIGURE 3-5. RUC FRONT PANEL................................................................................................25
FIGURE 3-6. P/MCPLR FRONT PANEL........................................................................................26
FIGURE 3-7. C/MCPLR FRONT PANEL .......................................................................................27
FIGURE 3-8. PIC MODULE..........................................................................................................28
FIGURE 3-9. COMPACTPCI POWER SUPPLY FRONT PANEL ..........................................................31
FIGURE 3-10 RECTIFIER MODULE FRONT PANEL ..........................................................................32
FIGURE 3-11 RAN RECTIFIER .....................................................................................................34
FIGURE 3-12 HUB DOWN CONVERTER FRONT PANEL ..................................................................35
FIGURE 3-13 FORWARD SIMULCAST CARD FRONT PANEL .............................................................36
FIGURE 3-14 HUB UP CONVERTER FRONT PANEL .......................................................................37
FIGURE 3-15 REVERSE SIMULCAST CARD FRONT PANEL ..............................................................39
FIGURE 3-16 HUB REFERENCE MODULE FRONT PANEL ................................................................42
FIGURE 3-17 HUB REFERENCE MODULE REAR PANEL ..................................................................44
FIGURE 3-18 ETHERNET SWITCH FRONT PANEL EXAMPLE ............................................................45
FIGURE 3-19 BTS INTERFACE MODULE FRONT PANEL.................................................................46
FIGURE 3-20 ATTENUATOR SHELF ..............................................................................................46
FIGURE 3-21 POWER DISTRIBUTION UNIT ....................................................................................47
FIGURE 4-1 NETWORK ARCHITECTURE ........................................................................................48
FIGURE 4-2 HUB RACK NUMBERING............................................................................................50
FIGURE 4-3 TRACING PATHTRACE, TWO TENANTS.......................................................................55
FIGURE 4-4 TYPICAL NIPR/S OUTPUT USING TELNET...................................................................61
FIGURE 6-1 BIM SIMPLEX SETUP ................................................................................................73
FIGURE 6-2 RECEIVER MULTICOUPLER SETUP .............................................................................74
FIGURE 7-1. RAN COMPACTPCI SLOT POSITIONS ......................................................................78
FIGURE 7-3. FAN MODULE ..........................................................................................................83
FIGURE 7-4. PA ASSEMBLY LOCATION........................................................................................84
FIGURE 7-5. RAN CIRCUIT BREAKER LOCATION ..........................................................................86
FIGURE 7-6 RAN RECTIFIER MODULE..........................................................................................87
FIGURE 7-7. BATTERY BACKUP CONNECTOR...............................................................................90
FIGURE 7-8. DIGITAL COMPACTPCI CHASSIS FRONT ...................................................................92
FIGURE 7-9. DIGITAL COMPACTPCI CHASSIS REAR.....................................................................95
FIGURE 7-10. RF COMPACTPCI CHASSIS FRONT........................................................................98
FIGURE 7-11. RF COMPACTPCI CHASSIS REAR........................................................................100
FIGURE 7-12. HUB CPCI POWER SUPPLY ................................................................................108
FIGURE 7-13. HUB COMPACTPCI FAN ASSEMBLY ....................................................................110
FIGURE 8-1. RAN FILTER.........................................................................................................115
FIGURE 11-1. MIB RELATIONSHIPS...........................................................................................128

Clear Control 4XD-G2 Operations and Maintenance Manual 1001537 A
OPENCELL CORP. PROPRIETARY
Page vii
LIST OF TABLES
Table Page
TABLE 4-1 RF CHASSIS CONFIGURATION.....................................................................................51
TABLE 5-1. STANDARD CLEAR CONTROL-4XD-G2 CONFIGURATION .............................................69
TABLE 5-2. REVERSE GAIN SETTINGS ..........................................................................................70

Clear Control 4XD-G2 Operations and Maintenance Manual 1001537 A
OPENCELL CORP. PROPRIETARY
Page 1
SAFETY CAUTIONS AND INSTRUCTIONS
Definitions of Symbols Used in this Manual
General Caution
Hot Surface
RF Hazard
Protective Earth Ground
Frame or Chassis Ground
RAN Servicing Cautions
Exterior surface of the RAN may be hot. Use caution during servicing.
Do not work on the RAN or antenna or cables during lightning storms.
Caution This system is a RF Transmitter and continuously emits RF energy. Maintain 3 foot minimum
clearance from the antenna while the system is operating. Wherever possible, shut down the RAN before
servicing the antenna.
Safe Working Distances
The Clear Control-4XD-G2 antenna, which is mounted on top of a utility pole, radiates radio frewquency energy.
For the Occupational Worker, safe working distance from the antenna depends on the workers location with respect
to the antenna and the number of wireless service providers being serviced by that antenna.

Clear Control 4XD-G2 Operations and Maintenance Manual 1001537 A
OPENCELL CORP. PROPRIETARY
Page 2
Emission limits are from OET Bulletin 65 Edition 97-01, Table 1 A.
RF fields are computed using equation 3 from the same document.
RF fields below antenna are computed using equation 10 with F=0.3.
Combining the PCS and cell bands was done in accordance with OET Bulletin 65, page 35 (last paragraph).

Clear Control 4XD-G2 Operations and Maintenance Manual 1001537 A
OPENCELL CORP. PROPRIETARY
Page 3
Worker Location Below Antenna * Beside Antenna
Four WSP 10” 23.0”
Eight WSP 10” 30.2”
* “Below” is defined as a 100
degree cone, 50 degrees each
side of the utility pole, with the tip
of the cone at the base of the
antenna.
Should the criteria for safe working distance not be met, the power amplifiers must be turned off at the site where
work is to be performed prior to commencing work.
HUB Servicing Cautions
Hazardous voltages are present. The inverter located in the HUB FIR converts 12 VDC to 120 VAC. Use
caution when servicing the equipment.
FCC APPROVAL IN PROCESS
FCC License Data
§ The Clear Control-4XD-G2 RAN has been authorized for use as a RF device under Parts 15, 22, and
24 of the FCC rules.
§ The Clear Control-4XD-G2 equipment complies with FCC rules when the antennas and cables having
characteristics and part numbers as specified in the instructions are used with the system. The
installer and operator are responsible for ensuring that only the specified antennas and cables are
used and properly installed.
§ Other than as specifically described in the product manuals, this product shall not be changed or
modified by the operator without the express approval of OpenCell Corp. Failure to do so may void
the operator’s or provider’s authority to operate this equipment.
NOTE: The Clear Control-4XD-G2 Hub has been tested and found to comply with the limits for a Class A digital
device, pursuant to Part 15 of the FCC Rules. These limits are designed to provide reasonable protection against
harmful interference when the equipment is operated in a commercial environment. This equipment generates, uses,
and can radiate radio frequency energy and, if not installed and used in accordance with the instruction manual, may
cause interference to radio communications.
FCC APPROVAL IN PROCESS
Fiber Optic Safety
Fiber optic safety Class 1 Laser Safety per FDA/CDRH and IEC-825-1 regulations

Clear Control 4XD-G2 Operations and Maintenance Manual 1001537 A
OPENCELL CORP. PROPRIETARY
Page 4
1 INTRODUCTION
This manual contains the Operation and Maintenance procedures for the Clear Control-4XD-G2 system.
1.1 REFERENCE DOCUMENTS
Clear Control-4XD-G2 Installation Manual, 1001524
Clear Control-4XD-G2 Hardware Configuration Manual, 1001542
Clear Control-4XD-G2 Faults and Troubleshooting Guide
1.2 ACRONYMS AND ABBREVIATIONS
Common Items (HUB or RAN)
CPU Central Processing Unit
NMS Network Management System
BTS Base TRANsceiver Station
BIF Backplane Interface
STF System Interface
SIF Synchronous Interface (Fiber Interface also referred to as WBOT)
MAC Media Access Control
RAN Radio Access Node
SMR Specialized Mobile Radio
Node Any CPU in the Clear Control-4XD-G2 system
WBDOT Wide Band Optical Transport (see SIF)
HUB Specific
N/HDC Narrowband HUB Down Converter
W/HDC Wideband HUB Down Converter
FSC Forward Simulcast Card
RSC Reverse Simulcast Card
HUC HUB Up Converter
BIM Base Station Interface Module
HRM HUB Reference Module
EHUB Ethernet Hub
DNS Domain Name Service
DHCP Dynamic Host Configuration Protocol
PDU Power Distribution Unit

Clear Control 4XD-G2 Operations and Maintenance Manual 1001537 A
OPENCELL CORP. PROPRIETARY
Page 5
RAN Specific
RUC RAN Up Converter (Dual)
PA800 Power Amplifier(800 MHz)
PA1900 Power Amplifier(1900 MHz)
PASMR Power Amplifier (SMR)
P/MCPLR PCS Multicoupler
C/MCPLR Cellular Multicoupler
RDC RAN Down Converter
PQP PCS Quadplexer
CTP Cellular Triplexer
CDP Cellular Diplexer
RECT Rectifier
GB Glitch Battery
RPS RAN CompactPCI Power Supply
LVD Low Voltage Disconnect
PIC Power Amplifier Interface Controller
ANT Multiband Antenna
BAT Battery Backup
RAN RAN, Tenant 1 - 4
ERAN RAN Tenant 5 - 8
1.3 SYSTEM OVERVIEW
Clear Control-4XD-G2 is a multi-frequency, multi-protocol RF access network, providing microcellular
Cellular and PCS coverage via a distributed RF access system. The Clear Control-4XD-G2 system is
comprised of base station interfaces, located in the Clear Control-4XD-G2 HUB. The Clear Control-4XD-G2
HUB is connected via high speed datalinks to Radio Access Nodes, commonly referred to as RANs, which
are distributed over a geographical area of interest.
1.3.1 System Configuration
The following figure illustrates a Clear Control-4XD-G2 system with RANs distributed over a desired
geographical area, connected back to a group of WSP base stations at a HUB locale. The illustration shows
utility pole mounted RANs, with pole top antennas. The Clear Control-4XD-G2 HUB Equipment is
comprised of a single Hub rack with RF and Digital cPCI chassis. The Clear Control-4XD-G2 HUB
equipment provides the interconnection at the RF layer between the WSP base station sector(s) and the
Clear Control-4XD-G2 Radio Access Nodes.

Clear Control 4XD-G2 Operations and Maintenance Manual 1001537 A
OPENCELL CORP. PROPRIETARY
Page 6
Cl
ear
C
on
t
ro
l
4XD
-
G2
Architectural Summary
Multiple Protocol
Multi Frequency
RAN Network
RF
BTS
Interface
RF
WSP 1 WSP 2 WSP 3 WSP 4
WSP BTSs
Digital RF Transport on Fiber
Hub
Clear Control Hub
Equipment
Figure 1-1. Clear Control 4XD G2 Architectural Summary Diagram
1.3.2 General Description
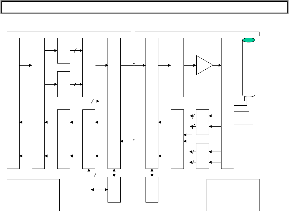
General DescriptionThe following block diagram shows the RF signal path through the Clear Control-4XD-
G2 system. In the Forward direction, the signal starts from the base station sector on the left and moves to
the right. In the Reverse direction, the RF path starts at the Multi-band Antenna and then flows from the
RAN to the HUB and to the base station sector receiver(s).

Clear Control 4XD-G2 Operations and Maintenance Manual 1001537 A
OPENCELL CORP. PROPRIETARY
Page 7
BTS
Sector SIF SIF
HDC
BTS – Base Transceiver Station
HUB – Centralized Equipment Location
BIM – Base Station Interface Module
HDC – Hub Down Converter
FSC – Forward Simulcast Card
DIF – Digital Intermediate Frequency
SIF – Synchronous Interface
RSC – Reverse Simulcast Card
IF – Intermediate Frequency
HDC
FSC
BIM
RUC MCPA
HUB RAN
RAN – Remote Access Node
DIF – Digital Intermediate Frequency
SIF – Synchronous Interface
RUC – RAN Up Converter
MCPA – Multi-Carrier Power Amplifier
MPLX – Multi-plexer/combiner
MB ANT –Multi Band Antenna
MUL – Multi-coupler
RDC – RAN Down Converter
MPLX
MB
ANT
1900
MUL
800
MUL
RDCRSCHUC
4
4
6
6
CPU
Ethernet
CPU
Ethernet
3
3
Pri
Div
Pri
Div
GPS
1900-P
1900-D
800-P
800-D
Pri
Div
DIF DIF RF
IF
IF
RF
RF
Fwd
RF
Fiber
Fiber
DIF
DIF
DIF
DIF
DIF
DIF
Ethernet
To NMS
RF
RF
Rev-P
RF
Rev-D
RF
7
DIF
6
DIF
RF
RF
BTS
Sector SIF SIF
HDC
BTS – Base Transceiver Station
HUB – Centralized Equipment Location
BIM – Base Station Interface Module
HDC – Hub Down Converter
FSC – Forward Simulcast Card
DIF – Digital Intermediate Frequency
SIF – Synchronous Interface
RSC – Reverse Simulcast Card
IF – Intermediate Frequency
HDC
FSC
BIM
RUC MCPA
HUB RAN
RAN – Remote Access Node
DIF – Digital Intermediate Frequency
SIF – Synchronous Interface
RUC – RAN Up Converter
MCPA – Multi-Carrier Power Amplifier
MPLX – Multi-plexer/combiner
MB ANT –Multi Band Antenna
MUL – Multi-coupler
RDC – RAN Down Converter
MPLX
MB
ANT
MB
ANT
1900
MUL
800
MUL
RDCRSCHUC
4
4
6
6
CPU
Ethernet
CPU
Ethernet
3
3
Pri
Div
Pri
Div
GPS
1900-P
1900-D
800-P
800-D
Pri
Div
DIF DIF RF
IF
IF
RF
RF
Fwd
RF
Fiber
Fiber
DIF
DIF
DIF
DIF
DIF
DIF
Ethernet
To NMS
RF
RF
Rev-P
RF
Rev-D
RF
7
DIF
6
DIF
RF
RF
Figure 1-2. Clear Control 4XD G2 Block Diagram
The following paragraphs describe the function of each module.
1.4 RAN SUBSYSTEM ASSEMBLIES
1.4.1 Central Processing Unit (CPU)
The RAN CPU is a x86 machine with hard disk running LINUX. The RAN CPU:
1. Manages all RAN hardware including RF and Digital equipment
2. Manages gain
3. Monitors signal presence and quality
1.4.2 System Interface (STF)
The System Interface (STF) module provides the ability to communicate between the CPU and other
modules (RDC, RUC, PIC) using four I2C busses. The STF also contains the GPS module.

Clear Control 4XD-G2 Operations and Maintenance Manual 1001537 A
OPENCELL CORP. PROPRIETARY
Page 8
1.4.3 Synchronous Interface (SIF)
The Synchronous Interface module provides the fiber interface between the HUB and RANs. This interface
includes:
1. Digitized RF Signal information
2. 10BaseT Ethernet for command and control between HUB and the RANs.
1.4.4 RAN Down Converter (RDC)
The RDC is a dual-diversity wideband receiver that converts PCS, Cellular and SMR800 signals to digitized
IF. It also includes a CW test tone used in reverse continuity testing.
1.4.5 RAN Up Converter (RUC)
The RAN Up Converter converts digitized IF into PCS, Cellular and SMR frequency bands. Each RUC
supports two simultaneous tenants via wideband outputs. The RUC also provides clocking for its
neighboring RDC’s as well as extends an I2C interface to its respective PIC’s
1.4.6 RAN Chassis & Backplane
The RAN chassis is a standard CompactPCI unit. The backplane supports the basic CompactPCI functions
and has been extended to allow the routing of DIF™, reference clocks and I2C signals between
CompactPCI modules.
1.4.7 CompactPCI RAN Power Supply (RPS)
The CompactPCI Power Supplies provide +/-12V, 5V and 3.3 V DC power to the CompactPCI backplane for
use by CompactPCI modules. These units are redundant and hot swappable.
1.4.8 RAN Rectifier (RECT)
The RAN rectifier converts 240 VAC prime power into –48VDC for use with the RAN. It also manages the
batteries (glitch or 2hr).
1.4.9 Power Amplifier (PA)
The Power Amplifiers are multi-channel. Different units are used for PCS, Cellular and SMR800 bands.
1.4.10 PA Interface Controller (PIC)
The PIC interfaces to the discrete signals of the Power Amplifier. The PIC also provides DC power to the
PA by converting from -48VDC to +12VDC or +28VDC depending upon which PA is being used. Each PA
has its own PIC module. The PIC is managed by the CPU over an I2C connection through its corresponding
RUC.
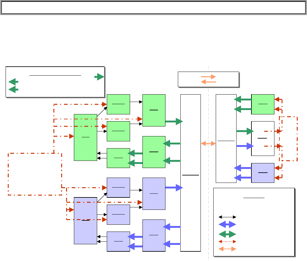
1.4.11 Multiplexers
The multiplexers consist of four units that interface the antenna to the RAN PAs and multicouplers. There
are four types found in every RAN:
1. Quadplexer Primary (PCS Bands A, B, F), interfaces to PCS primary antenna
2. Quadplexer Diversity (PCS Bands D, E, C), interfaces to PCS diversity antenna
3. Triplexer Primary (Cellular Band B, SMR800 band), interfaces to 800 MHz primary antenna
4. Diplexer Diversity (Cellular Band A), interfaces to 800 MHz diversity antenna

Clear Control 4XD-G2 Operations and Maintenance Manual 1001537 A
OPENCELL CORP. PROPRIETARY
Page 9
Figure 1-3 PCS Multiplexers
MCPA
Quadplexer
PCS Band
D/E/C
MCPA
Multicoupler
1850-1910
Tx
C
-45 Slant Pol +45 Slant
Pol
Antenna Assembly
Rx
A
B
C
D
E
F
Quadplexer
PCS
Band
A/B/F
Tx
1945-1950
Tx
1975-1990
Tx
1965-1970
Rx
1850-1910
RUC RUC
RUC
MCPA
Tx
D
Tx
E
MCPA
MCPA
Tx
F
Rx
A
B
C
D
E
F
Tx
1930-1945
Tx
1970-1975
Tx
1950-1965
Rx
1850-1910
RUC RUCRUC
MCPA
Tx
A
Tx
B
Diversity
Primary

Clear Control 4XD-G2 Operations and Maintenance Manual 1001537 A
OPENCELL CORP. PROPRIETARY
Page 10
Figure 1-4 Cellular/SMR Multiplexers
1.4.12 PA Fans
The PA fans are mounted on the PA assembly and provide cooling for the PAs by blowing external air
across the heat sink. They are controlled by a thermistor that is internal to the PA or mounted to the heat
sink. The STF module monitors the TAC (tachometer) outputs of the fans.
1.4.13 Circuit Breakers
There are 5 circuit breakers in the RAN that distributes the –48VDC and protects the RAN electronics:
1. Four @ 15 amp breakers for the PA/PIC’s labeled 1-4 corresponding to each PA location.
2. One @10 amp breakers for the CompactPCI chassis labeled “5”.
1.4.14 Battery Backup (BAT)
The battery backup system consists of a –48VDC battery string (four 12V, 85 AH batteries connected in
series) contained in a separate compartment that provides backed up power for the RAN.
Rx
806-849
Tx
869-894
MCPA
RUC
Duplexer
800 MHz Band Rx
806-845
Tx
880-894
MCPA
RUC
Tx
855-866
Triplexer
800 MHz
Band
MCPA
RUC
Multicoupler
806 -849
Rx
SMR
A”
A’
A
B
B’
Tx
A” A’ A
B B’
Tx
A’
B B’
Tx
SMR
-45 Slant Pol +45 Slant Pol
Antenna Assembly
Rx
SMR
A”
A
B

Clear Control 4XD-G2 Operations and Maintenance Manual 1001537 A
OPENCELL CORP. PROPRIETARY
Page 11
1.4.15 Glitch Batteries (GB)
The glitch battery system consists of –48VDC battery string (four 12V, 12 AH batteries connected in series)
contained within the RAN to provide short duration power backup to the RAN.
1.4.16 Multi-coupler (PCS SMR and Cell)
The Multi-couplers interface to the multiplexer system and contain the front end low noise amplifiers for the
reverse path. They are dual-diversity receive for the PCS and 800 MHZ bands. The PCS band has 12
outputs (bands A-F, with diversity). The 800 MHz has 6 outputs (Cell bands A, B and SMR800, with
diversity).
1.4.17 Antenna (ANT)
OpenCell provides a multi-band antenna designed to be installed atop a utility pole. It interfaces with the
PCS and Cellular/SMR bands and supports 2 branch diversity receive paths. Also included is the GPS
antenna used by the RAN.
Clear Control 4XD-G2 RAN may be deployed and installed in a building space, on a building wall, on a water
tank or on a rooftop. In these deployment examples the antenna(s) may be mounted on a façade,
supporting member, wall or rooftop pedestal mount. These type installations may use conventional
directional antenna, in either a sector or quasi-omni antenna configuration, depending on the site’s coverage
objective and design. In this regard, the azimuth and elevation beamwidths would be selected by the
designer to support the desired coverage and are not specified per se. Proper antenna selection and the
mounting installation is the responsibility of the system designer.
1.5 HUB SUBSYSTEM ASSEMBLIES
The HUB is comprised of a single rack type with two chassis types. The Hub rack houses the following
modules:
1) Attenuator Rack which houses up to twelve (12) attenuators.
2) Base Station Interface Module (BIM). The BIM is a multi-port transition module used to
interface with the Tenant’s base station sector. The BIM accepts either duplexed or non-
duplexed RF from the base station sector and provides the Clear Control-4XD-G2 RF section
separate transmit and receive paths.
3) Ethernet hub with twenty four (24) ports.
4) – 48 VDC Power Distribution Unit.
5) Hub Reference Module.
6) The Digital Chassis houses the following circuit cards;
· CPU (Master or Slave)
· System Interface card (STF)
· Synchronous Interface (SIF)
· Reverse Simulcast card (RSC)
· CompactPCI Power Supply (CPS)
7) The RF Chassis houses the following circuit cards;
· HUB DownConverter card (HDC)

Clear Control 4XD-G2 Operations and Maintenance Manual 1001537 A
OPENCELL CORP. PROPRIETARY
Page 12
· HUB UpConverter card (HUC)
· Forward Simulcast card (FSC)
· CompactPCI Power Supply (CPS)
The functionality of each of these card assemblies is defined in the following section.
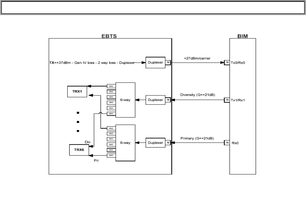
1.5.1 Base Station Interface Module (BIM)
The Base Station Interface Module provides the following BTS interface functionality:
1. Interface to a low power forward BTS RF path
2. Handles duplexed and non-duplexed signals
3. Gain adjust for optional reverse path configurations
The BIM is controlled via an I2C connection from its respective CPU.
1.5.2 Central Processing Unit (CPU)
The HUB CPU is an x86 machine and hard disk. The Operating System is LINUX. A HUB CPU performs
the following functions:
1. Manages a subset of HUB hardware including RF and Digital equipment
2. Manages RANs connected to its HUB managed hardware.
One of the HUB CPUs must be configured as the Master HUB processor. In addition to its regular HUB
CPU duties it is responsible for:
1. Reporting Tenant status
2. Controlling all Tenant specific functions
3. Synchronizing the date for all attached nodes
4. Managing gain
5. Monitoring signal presence and quality
6. Managing network services such as DHCP and DNS
There is one CPU per digital chassis.
1.5.3 System Interface (STF)
The System Interface (STF) module, using four I2C busses, provides the ability to communicate between
the CPU and other modules (HDC, FSC, HUC, PSI, BIM & HRM). The STF also communicates with the
GPS modules found both in the Master HUB Reference Module and internal to the RAN STF.
The four I2C busses are accessible via the CompactPCI backplane or via front panel connectors.
1.5.4 Synchronous Interface (SIF)
The Synchronous Interface module provides the fiber interface between the HUB and RANs. This interface
includes:
1. Digitized RF Signal information
2. 10BaseT Ethernet for command and control between HUB and the RANs.

Clear Control 4XD-G2 Operations and Maintenance Manual 1001537 A
OPENCELL CORP. PROPRIETARY
Page 13
1.5.5 HUB Down Converter (HDC)
The HDC down converts the forward RF carrier to an intermediate frequency (IF) that can be digitized. Each
HDC can support up to four separate RF carriers. A second HDC may be installed to support 5 - 8 RF
channels.
1.5.6 Forward Simulcast Card (FSC)
The Forward Simulcast card converts the IF signals from the HDC to Digitized IF(DIF™) format. There are
eight (8) separate analog-to-digital conversion circuits on one (1) FSC.
1.5.7 Reverse Simulcast Card (RSC)
The RSC sums the Digital IF (DIF™) from up to eight (8) RANs into a single DIF™ signal that is sent to the
appropriate HUC for up conversion to RF.
1.5.8 HUB Up Converter (HUC)
The HUC accepts two (2) Digital IF (DIF™) signals from a SIF or RSC. The two (2) DIF™ signals are
converted from digital-to-analog and provided as two (2) seperate RF signals (primary and diversity) to the
BIM and BTS.
1.5.9 HUB Reference Module (HRM)
The HRM generates the RF reference and fiber clocking for distribution within a Fiber Interface Rack. In
addition, it contains a GPS that generates a 1 PPS (one pulse per second) for distribution to the Digital
equipment for delay management.
1.5.10 Ethernet Hub
Each Hub rack is equipped with a 24 port Ethernet Hub, at the top of the rack, below the HRM. It is powered
by 120 VAC. The Ethernet Hub is used to connect RAN CPU’s (through HUB SIF’s) and HUB CPU’s to and
existing LAN/WAN and to each other.
Note: this is the only unit powered be 120 VAC and is not supported by the -48 VDC power back up system.
1.5.11 RF CompactPCI Chassis & Backplane
The CompactPCI RF Chassis houses the coolong fans, RF transceiver modules, HUC, HDC, FSC Modules
and the power supplies. The backplane provides the distribution for clock, communication and control data
and timing. RF and digital RF signals are interconnected between modules using the appropriate cabling.
1.5.12 Digital CompactPCI Chassis & Backplane
The CompactPCI Digital Chassis houses cooling fans, the CPU, System Interface Module, Synchronous
Interface Module, Reverse Simulcast Module and power supplies. The backplane provides the distribution
for clock, communication, control data and timing.
1.6 COMMUNICATION INTERFACES
1.6.1 I2C
I2C is a bi-directional serial bus that provides a simple, efficient method of data exchange between devices.
It is used for the board level communications protocol.
I2C interfaces are used for communication to the following modules:
1. HUB - HDC, FSC, HUC, BIM, PSI
2. RAN - RDC, RUC, PIC, P/MCPLR, C/MCPLR

Clear Control 4XD-G2 Operations and Maintenance Manual 1001537 A
OPENCELL CORP. PROPRIETARY
Page 14
1.6.2 Network Interface
The HUB Master CPU’s are able to communicate to any other CPU in the Clear Control system (HUB and
RAN) over an Ethernet LAN, using IP based protocols such as Simple Network Management Protocol
(SNMP). Ethernet connections are aggregated with each rack via an Ethernet Hub. Inter-rack
communication is possible by connecting the Ethernet Hubs between racks.
Each SIF has a 10BaseT Ethernet connection. The HUB Master CPUs are able to communicate with the
RANs over this Ethernet connection.
1.6.3 SNMP
SNMP/IP is the primary interface to the Clear Control-4XD-G2 equipment for performing OA&M functions.

Clear Control 4XD-G2 Operations and Maintenance Manual 1001537 A
OPENCELL CORP. PROPRIETARY
Page 15
2 POWER ON/OFF PROCEDURES
This section contains the procedures for powering on and off Clear Control-4XD-G2 equipment.
Warning
The CPU P/N 1001310G001 and G002 are NOT Hot Swappable. Damage can occur if
attempted. Ensure that the CPU is installed before applying power to cPCI chassis. Turn off
power prior to removing or replacing the CPU. CPCI chassis power control is at the PDU.
CPU P/N 1001491G001 and G002 are hot swappable.
2.1 HUB POWER-ON/OFF
HUB Rack Power On
Power to the HUB rack is enabled at the power Back up system which is supplied by the customer, and
located in the Hub shelter.
HUB Rack Power Off
Power to the HUB racks is disabled at the power Back up system.
HUB CompactPCI Chassis Power On
Identify the power supply module for the chassis to be powered on
Insert the power supply module in the chassis
HUB CompactPCI Chassis Power Off
Identify the power supply module for the chassis to be powered off
extract the power supply module from the chassis
2.2 RAN POWER ON/OFF
RAN Equipment Power On
1. The battery system (glitch or extended time power back up) must be properly cabled prior to
powering on RAN.
2. Connect the Anderson connector that is attached to the batteries to the Anderson connector
coming form the rectifier, located in the battery drawer.
3. Turn power on at the customer supplied load center located on the utility pole AND switch on the
circuit breakers located on the RAN rectifier.
RAN Equipment Power Off
1. Turn the circuit breaker off at the customer supplied load center located on the utility pole OR
switch the RAN rectifier circuit breaker (located on the left side of the rectifier) to the OFF position

Clear Control 4XD-G2 Operations and Maintenance Manual 1001537 A
OPENCELL CORP. PROPRIETARY
Page 16
2. The battery system (glitch or extended time power back up) must also be disconnected to ensure
all DC power is removed. Depress the switch located on the rectifier labeled “DISC”. Refer to
Figure 2-1.

Clear Control 4XD-G2 Operations and Maintenance Manual 1001537 A
OPENCELL CORP. PROPRIETARY
Page 17

Clear Control 4XD-G2 Operations and Maintenance Manual 1001537 A
OPENCELL CORP. PROPRIETARY
Page 18
Figure 2-1. Battery LVD Disconnect Switch
LVD
disconnect
switch

Clear Control 4XD-G2 Operations and Maintenance Manual 1001537 A
OPENCELL CORP. PROPRIETARY
Page 19
3 CONTROLS AND INDICATORS
3.1 COMMON TO HUB AND RAN
3.1.1 CPU
The Hub CPU installs into the Digital Chassis and is a x86 machine with hard disk running LINUX. The Hub
Master CPU performs the Master Hub Process controlling all Tenant specific functions, and manages a
subset of Hub hardware including RF and Digital equipment. Each CPU controls up to seven (7) non-CPU
Digital Chassis modules.
The front panel controls for the CPU are:
· Reset – Recessed reset button
The front panel indicators for the CPU are:
· Activity LEDs – 8 Yellow LEDs flashing when the OS is operating
Figure 3-1. CPU Front Panel
Ethernet
connector Activity LED’s

Clear Control 4XD-G2 Operations and Maintenance Manual 1001537 A
OPENCELL CORP. PROPRIETARY
Page 20
3.1.2 STF
The System Interface (STF) module is installed into the Digital Chassis and provides the ability to
communicate between the CPU and other modules (e.g., HDC, FSC, and HUC), using four I2C busses. The
STF also communicates with the GPS module found in the Master Hub Reference Module.
STF modules are specified according to the number of qualifying communications devices being utilized.
This module differs from the RAN STF in that it does not contain the GPS circuitry included in the RAN STF.
The front panel controls for the System Interface are:
· RST – Reset switch, recessed button. This button halts operation of the operating system. A
power on reset is required to restart.
The front panel indicators for the System Interface are:
· Status LED 1/2 – Yellow LED. Reserved for future use. Both LED’s will be lighted when the CPU is
not installed or has malfunctioned
· GPS LED – Green LED indicating 1PPS signal is available. Led blinks once per second (RAN
only)
· FLT LED – Red LED lighted when module has failed or upon startup until the module has been
initialized
· PWR LED – Green LED lighted when module has power
· I2C Comm LED – On each I2C RJ-45 connector. Green LED lighted when I2C message sent
· I2C Error LED – On each I2C RJ-45 connector. Red LED when no response on interface
· HS LED – Hot Swap LED, turns blue when board can be hot swap extracted

Clear Control 4XD-G2 Operations and Maintenance Manual 1001537 A
OPENCELL CORP. PROPRIETARY
Page 21
Figure 3-2. STF 2 Front Panel
I2C
Connectors
I2C Comm LED
I2C Error LED
Power
LED
Fault
LED
Hot
Swap
LED
GPS
LED
Status
LED 2
Status
LED 1
Reset
Switch

Clear Control 4XD-G2 Operations and Maintenance Manual 1001537 A
OPENCELL CORP. PROPRIETARY
Page 22
3.1.3 SIF
The Sychronous interface (SIF) is a Digital Chassis module that provides the RF to fiber interface between
the Hub and RANs. This interface includes RF signal information and 10BaseT Ethernet command and
control information. This module is specified as one per RAN, plus one for each additional pair of tenants in
each RAN (beyond the first pair).
At times the DIF output LED’s can turn orange. This is because the RUC and accompanying RDC’s are not
yet tuned.
The front panel indicators for the Synchronous Interface are:
· DIF Input 1-4 LED – DIF™ Input Tri-color LED
- 1 Off = Interface not enabled
- 2 Green = good
- 3 Yellow = degraded
- 4 Red = bad
- Flashing = Interface is going in and out of lock
· DIF Output 1-4 LED – DIF™ Output Tri-color LED
- 1 Off = Interface not enabled
- 2 Green = good
- 3 Yellow = degraded
- 4 Red = bad data on DIF™ input caused by Alarm Indication Signal (AIS)
· OPTICAL INPUT LED – Optical Input Tri-color LED
- IN Green = good
- IN Yellow = degraded
- IN Red = bad, bad framing, bad parity, no signal
· OPTICAL OUTPUT LED – Optical Output Tri-color LED
- Green = good
- Yellow = degraded
- Red = bad output
· FLT LED – Red fault LED lighted when module has failed or upon startup until the module has
been initialized
· PWR LED – Green Power LED lighted when module has power
· HS LED – Hot Swap Blue LED, turns blue when board can be hot swap extracted
- If this LED is lighted without the green PWR LED lighted then the hot swap controller failed to
initialize. Remove and reinstall module.

Clear Control 4XD-G2 Operations and Maintenance Manual 1001537 A
OPENCELL CORP. PROPRIETARY
Page 23
Figure 3-3. SIF Front Panel
Optical
Input/
Output
LEDs
DIF Output
LED 1-4
DIF Input
LED 1-4
Hot
Swap
LED
Power
LED
Fault
LED
Fiber Optic
Connector
Ethernet
Connection

Clear Control 4XD-G2 Operations and Maintenance Manual 1001537 A
OPENCELL CORP. PROPRIETARY
Page 24
3.2 RAN
This section describes the various controls and indicators for RAN specific modules.
3.2.1 RDC
The front panel indicators for the RAN Down Converter are:
· FLT LED – Red LED lighted when module has failed or upon startup until the module has been
initialized. This light will blink after the module receives a system clock and is awaiting initialization
· PWR LED – Green LED lighted when module has power
Figure 3-4. RDC Front Panel
Power
LED
Fault
LED
Fault LED
Power
LED

Clear Control 4XD-G2 Operations and Maintenance Manual 1001537 A
OPENCELL CORP. PROPRIETARY
Page 25
3.2.2 RUC
The front panel indicators for the RAN Up Converter are:
· COM 1/3 – Yellow LED indicting DIF lock to SIF channel 3
· COM 2/4 – Yellow LED indicting DIF lock to SIF channel 4
· FLT LED – Red LED lighted when module has failed or upon startup until the module has been
initialized. This light will blink after the module receives a system clock and is awaiting initialization
· PWR LED – Green LED lighted when module has power
Figure 3-5. RUC Front Panel
3.2.3 P/MCPLR
The front panel indicators for the PCS Multicoupler are:
· FLT LED – Red Fault LED lighted when module has failed or upon startup until the module has
been initialized.
· PWR LED – Green Power LED lighted when module has power
Com 1/3 LED
Com 2/4 LED
Fault LED
Power LED

Clear Control 4XD-G2 Operations and Maintenance Manual 1001537 A
OPENCELL CORP. PROPRIETARY
Page 26
Figure 3-6. P/MCPLR Front Panel
Power
LED
Fault
LED

Clear Control 4XD-G2 Operations and Maintenance Manual 1001537 A
OPENCELL CORP. PROPRIETARY
Page 27
3.2.4 C/MCPLR
The front panel indicators for the Cellular/SMR Multicoupler are:
· FLT LED – Red LED lighted when module has failed or upon startup until the module has been
initialized.
· PWR LED – Green LED lighted when module has power
Figure 3-7. C/MCPLR Front Panel
Fault LED
Power LED

Clear Control 4XD-G2 Operations and Maintenance Manual 1001537 A
OPENCELL CORP. PROPRIETARY
Page 28
3.2.5 PIC
The front panel indicators for the PA Interface Controller are:
· -48VDC LED – Green LED lighted when module has –48VDC input
· 5VDC LED – Green LED lighted when module has 5VDC power indicating that the I2C interface is
properly connected to the RUC.
· 12VDC LED – Green LED lighted when module has 12VDC power
· RF ON LED – Yellow LED, lighted when the PA is enabled
· PS LED – Red LED lighted when power supply has failed
· PA LED – Red LED lighted when PA has failed
Figure 3-8. PIC Module
PIC LED
Indicators

Clear Control 4XD-G2 Operations and Maintenance Manual 1001537 A
OPENCELL CORP. PROPRIETARY
Page 29
3.2.6 CompactPCI Power Supply
The front panel indicators for the RAN CompactPCI power supplies are:
· Fault LED – Yellow LED lighted when module is failed
· Power LED – Green LED lighted when module has power

Clear Control 4XD-G2 Operations and Maintenance Manual 1001537 A
OPENCELL CORP. PROPRIETARY
Page 30

Clear Control 4XD-G2 Operations and Maintenance Manual 1001537 A
OPENCELL CORP. PROPRIETARY
Page 31
Figure 3-9. CompactPCI Power Supply Front Panel
Power Good
LED Fault LED

Clear Control 4XD-G2 Operations and Maintenance Manual 1001537 A
OPENCELL CORP. PROPRIETARY
Page 32
3.2.7 RAN Rectifier Front Panel
The front panel indicators for the RAN rectifier are:
· AC OK (Green) - Lighted when AC is present
· DC OK (Green) – Lighted when unit is current limiting
· OVP (Red) – Lighted when rectifier has failed
· OTP (RED) – Lighted when over temperature compensation circuit is active
The front panel indicators on the monitoring unit are:
· OK – System operating properly
· Major – Programmable indicator
· Minor – Programmable indicator
The front panel indicators on the LVD unit are:
· LVD Closed LED – when lit indicates when the LVD is active
Figure 3-10 Rectifier Module Front Panel
AC OK
LED
DC OK
LED
Over voltage
protection
LED
Over
temperature
protection
LED

Clear Control 4XD-G2 Operations and Maintenance Manual 1001537 A
OPENCELL CORP. PROPRIETARY
Page 33

Clear Control 4XD-G2 Operations and Maintenance Manual 1001537 A
OPENCELL CORP. PROPRIETARY
Page 34
Figure 3-11 RAN Rectifier
Monitoring
Unit LVD Unit
Rectifiers
System OK
and Fault
LED’s

Clear Control 4XD-G2 Operations and Maintenance Manual 1001537 A
OPENCELL CORP. PROPRIETARY
Page 35
3.3 HUB
This section describes the various controls and indicators for HUB specific modules.
3.3.1 Hub Downconverter, HDC
There are three (3) types of HDC’s.
· Part number 1001326G001 is dual band wideband for CDMA, IS-95 and 1XRTT.
· Part number 100326G002 is 1900 MHZ narrowband for TDMA and GSM/GPRS.
· Part number 100326G003 is 800 MHZ narrowband for iDEN, TDMA and GSM/GPRS.
The front panel indicators for the HUB Down Converter are:
· FLT LED – Red LED lighted when module is failed
· PWR LED – Green LED lighted when module has power
· CDMA LED – Yellow LED indicating Wideband HDC
· GSM/TDMA/iDEN LED – Yellow LED indicating Narrowband HDC
Figure 3-12 HUB Down Converter Front Panel
CDMA LED
GSM/TDMA/
IDEN LED
Fault LED
Power LED

Clear Control 4XD-G2 Operations and Maintenance Manual 1001537 A
OPENCELL CORP. PROPRIETARY
Page 36
3.3.2 Forward Simulcast Module, FSC
The Forward Simulcast module converts the IF signals from the HDC to Digitized IF (DIF) format. This
module is specified at one per sector per tenant per 8 RANs.
The front panel indicators for the Forward Simulcast Card are:
· FLT LED – Red LED lighted when module has failed or upon startup until the module has been
initialized. This light will blink after the module receives a system clock and is awaiting initialization
· PWR LED – Green LED lighted when module has power
Figure 3-13 Forward Simulcast Card Front Panel
Fault LED
Power LED

Clear Control 4XD-G2 Operations and Maintenance Manual 1001537 A
OPENCELL CORP. PROPRIETARY
Page 37
3.3.3 Hub Upconverter Module, HUC
The front panel indicators for the HUB Up Converter are:
· FLT LED – Red LED lighted when module has failed or upon startup until the module has been
initialized. This light will blink after the module receives a system clock and is awaiting initialization
· PWR LED – Green LED lighted when module has power
· P/Lock LED – Yellow LED lighted when Primary path is locked to RSC or SIF
· D/Lock LED – Yellow LED lighted when Diversity path is locked to RSC or SIF
Figure 3-14 HUB Up Converter Front Panel
Diversity Path
Locked LED
Primary Path
Locked LED

Clear Control 4XD-G2 Operations and Maintenance Manual 1001537 A
OPENCELL CORP. PROPRIETARY
Page 38
3.3.4 Reverse Simulcast Module, RSC
The RSC sums the Digital IF (DIF) from up to eight (8) RANs into a single DIF signal that is sent to the HUC
for up conversion to RF. The RSC is utilized in the Digital Chassis and is specified as one per tenant per
sector per 4 RANs, plus an additional one RSC for RANs 5-7, and an additional one RSC for RAN 8.
The front panel indicators for the Reverse Simulcast are:
· DIF INPUT 1-8 LEDs – DIF™ Input Tri-color LEDs
Labeled IN 1 – 8
- Off = No input signal
- Green = Good
- Yellow = Degraded
- Red = Bad
· DIF OUTPUT 1-4 LEDs – DIF™ Output Tri-color LEDs
Labeled OUT 1 – 4
- Off = No input signal
- Green = Good
- Yellow = Degraded
- Red = Bad
· FLT LED – Red LED lighted when module has failed
· PWR LED – Green LED lighted when module has power
· HS LED – Hot Swap LED, turns blue when board can be hot swap extracted
Each RSC module supports primary and diversity reverse DIF path summation and outputs two (2) separate RF
signals.

Clear Control 4XD-G2 Operations and Maintenance Manual 1001537 A
OPENCELL CORP. PROPRIETARY
Page 39
Figure 3-15 Reverse Simulcast Card Front Panel
DIF OUTPUT
LED’S
DIF INPUT
LEDS
FAULT LED
POWER
LED
HOT SWAP
LED

Clear Control 4XD-G2 Operations and Maintenance Manual 1001537 A
OPENCELL CORP. PROPRIETARY
Page 40
3.3.5 Hub Reference Module, HRM

Clear Control 4XD-G2 Operations and Maintenance Manual 1001537 A
OPENCELL CORP. PROPRIETARY
Page 41

Clear Control 4XD-G2 Operations and Maintenance Manual 1001537 A
OPENCELL CORP. PROPRIETARY
Page 42
Figure 3-16 Hub Reference Module Front Panel
GPS
· RS-232 DB 9 connector brings GPS to the STF module
· GPS SMA is the input from the Hub GPS antenna
· AUX SMA brings the GPS to the HRM in the next Hub rack
1 HZ LED –
Clock Test Points
· 1 PPS
· REF
· Samp
LED’s
· PLL lock – Yellow – indicates the phase lock loop circuit is locked
· FLT – Red – indicates there is a fault with the HRM
· PWR – GRN – indicates power is applied to the HRM
Refer to the Clear Control-4XD-G2 Hardware configuration manual for details on I2C configuration.
RS-232
connector
GPS IN
GPS AU
X
1 HZ
LED
Clock test
p
oints
LED
indicators

Clear Control 4XD-G2 Operations and Maintenance Manual 1001537 A
OPENCELL CORP. PROPRIETARY
Page 43

Clear Control 4XD-G2 Operations and Maintenance Manual 1001537 A
OPENCELL CORP. PROPRIETARY
Page 44
Figure 3-17 Hub Reference Module Rear Panel
3.3.6 Ethernet Switch
The front panel indicators for the Ethernet switch are:
· Power LED – Lighted when unit has power
· Module Link/Act LED – Flickering when receiving or transmitting data
· 100 Col LED – Lit when 100 Mbps collisions are occurring
· 10 Col LED –Lit when 10 Mbps collisions are occurring
· Link/Act LEDs –Lit when port is transmitting or receiving data
· 100 LEDs – Lit when operating at 100 Mbps
12 VDC
Input
Clock
Out Status
LED’s
I2C Address
Switch
I2C Indicators
and Output
Connectors
9.6 MHZ
Outputs

Clear Control 4XD-G2 Operations and Maintenance Manual 1001537 A
OPENCELL CORP. PROPRIETARY
Page 45
Figure 3-18 Ethernet Switch Front Panel Example
3.3.7 BTS Interface Module, BIM (OP-BIM-PCS, OP-BIM-CELL and OP-BIM-SMR.)
The front panel controls for the BTS Interface Module are:
· I2C Address selector – Turn dial to select I2C address (0-7)
- The I2C address must be selected prior to power on. Refer to the Clear Control-4XD-G2
Hardware configuration manual for details on I2C configuration.
· The front panel indicators for the BTS Interface Module are:
o FLT LED – Red LED lighted when module is failed
o PWR LED – Green LED lighted when module has power
o SMR/CELL/PCS LED – Yellow LED lighted indicating BIM band configuration
o I2C Address display – Displays I2C address, 0-7
Status
indicator
LED’s for the
24 ports
24 Ethernet
p
orts

Clear Control 4XD-G2 Operations and Maintenance Manual 1001537 A
OPENCELL CORP. PROPRIETARY
Page 46
Figure 3-19 BTS Interface Module Front Panel
3.3.8 Attenuator Shelf
The original BIM had the attenuators mounted internally to the BIM. The later version of the BIM moved the
attenuators outside the BIM and mounted to an attenuator shelf. The attenuator shelf (OP-ATN-TRAY) is
mounted at the top of the Hub rack. It can hold up to twelve (12) 50 watt attenuators.
Figure 3-20 Attenuator Shelf
Front panel
indicators

Clear Control 4XD-G2 Operations and Maintenance Manual 1001537 A
OPENCELL CORP. PROPRIETARY
Page 47
3.3.9 PDU
The PDU provides -48 VDC power to the Hub rack chassis. The exception is the Ethernet Switch which is
powered by 120 VAC.
There are three (3) LED indicators
Overvoltage (red) Lights when the input voltage is greater than -48 VDC
Normal (green) Lights when PDU is operating normally
Undervoltage (yellow) Lights when the input voltage is lower than – 48 VDC
There is one (1) – 48 VDC input which comes from the Hub shelter battery back up system
There are eight (8) – 48 VDC distribution points. One (1) is not used
Figure 3-21 Power Distribution Unit
- 48 VCD
input from
Hub shelter
battery back
up system
- 48 VDC out
put to Hub
rack chassis
Not used LED
indicators

Clear Control 4XD-G2 Operations and Maintenance Manual 1001537 A
OPENCELL CORP. PROPRIETARY
Page 48
4 NETWORK AND SYSTEM INSTALLATION AND SETUP
This section discusses the steps necessary to setup the Clear Control-4XD-G2 system communications and
operating parameters. It is assumed for the purposes of this discussion that the required system elements
have already been installed and powered on, and that the reader has an understanding of TCP/IP
networking basics.
4.1 NETWORKING OVERVIEW
An Clear Control-4XD-G2 network consists of several CPUs running the Linux operating system. As shown
in Figure 4-1 Network Architecture
, the CPUs residing in the Clear Control-4XD-G2 HUB (called “HUB nodes”) are connected through a router
to an existing LAN to effect SNMP status and control. The CPUs in the RANs (called “RAN nodes”) are
connected to the LAN using WAN bridges in each SIF, which transmit packet data across a fiber back-haul
from each RAN node to its corresponding HUB. Each Clear Control-4XD-G2 node supports telnet, ftp, and
vnc by default. See 4.9.4 "Accessing Nodes via TCP/IP" for details.
Figure 4-1 Network Architecture
A CPU called the HUBMASTER is a special HUB node that controls all tenant processing for any Clear
Control-4XD-G2 nodes on its subnet. Each HUBMASTER can serve up to 96 tenant sectors. For a
definition of tenant sectors, see Section 4.5.1. The HUBMASTER also functions as a time server for an
Ethernet HUB
HUB
Master
Slave
N
ode
HUB
Slave
N
ode
Slave
N
ode RA
N
Slave
N
ode
RAN
Slave
N
ode
RAN
Slave
N
ode
RAN
Slave
N
ode
RAN
Fiber
CAT5 Ethernet
ROUTER
Slave
N
ode
RAN
Slave
N
ode
Existing WAN/LAN

Clear Control 4XD-G2 Operations and Maintenance Manual 1001537 A
OPENCELL CORP. PROPRIETARY
Page 49
Clear Control-4XD-G2 subnet (using Network Timing Protocol), and can be set up to provide DHCP
(Dynamic Host Configuration Protocol) and DNS (Domain Name Service) to its subnet as well. It is
important for Clear Control-4XD-G2 system software that only one HUBMASTER node resides on each
subnet, and that each subnet has a unique domain name. The HUBMASTER node is the only node that
requires a static IP. The Clear Control-4XD-G2 network architecture utilizes DHCP and DNS to identify the
rest of the nodes, either through pre-existing LAN servers, or through the Clear Control-4XD-G2
HUBMASTER CPU. For more on configuring these features and the HUBMASTER itself, see Section 4.10,
"Configuring the HUB MASTER node".
4.2 NODE IDENTIFICATION SCHEMES
It is important to follow a convention when naming nodes in the Clear Control-4XD-G2 system so that CPUs
can be quickly located and accessed for troubleshooting and maintenance. The suggested naming
conventions for both HUB and RAN nodes are discussed in the following sections. For more information
concerning node identity configuration, see Sections 4.9.1 and 4.11.1.
4.3 IDENTIFICATION USING THE NETWORK IP RECEIVER/SENDER SYSTEM
The Clear Control-4XD-G2 HUBMASTER node dynamically keeps track of which nodes are under its control
using a script called NIPR (Network IP Receiver). It receives an IP and hostname from every node it
controls via NIPS (Network IP Sender), which runs on all “slave” nodes. NIPR senses any changes to its list
of slave nodes, and updates the HUBMASTER DNS accordingly. The NIPR/S system is also a key
component to maintaining the HUB/RAN Node MIBs and tenant processing, since it is the mechanism by
which the HUB/RAN Node MIB entries are filled. For more on these MIBs, see Sections 4.9.1 and 4.11.1.
4.4 HUB EQUIPMENT IDENTIFICATIONS
The following diagram shows the recommended convention to be used for identifying and placing Hub
equipment:
CHASSIS OR SHELF HEIGHT
LOCATION
*
Attenuator Shelf 2U U44
PDU 2U U42
Ethernet Hub 1U U40
Digital Chassis (top) 4U U39
BIM 1U U35
RF Chassis (top) 4U U34
BIM 1U U30
Digital Chassis (top) 4U U29
BIM 1U U25
RF Chassis (top) 4U U24

Clear Control 4XD-G2 Operations and Maintenance Manual 1001537 A
OPENCELL CORP. PROPRIETARY
Page 50
BIM 1U U20
Digital Chassis (top) 4U U19
BIM 1U U15
RF Chassis (top) 4U U14
BIM 1U U10
Reference Module (bottom) 1U U9
*Measurements are from the bottom of the OP-HUB2 rack.
Figure 4-2 HUB Rack Numbering
· Hub Racks are numbered sequentially, Rack1, Rack2, etc.
· Chassis in Hub racks are numbered sequentially from bottom to top, 1, 2, 3.
· BIMs in racks are numbered sequentially from bottom to top, Shelf 1, Shelf 2, etc.
· Power Attenuators are located at the top of the Hub rack or mounted to a wall.
· WSP Basestations should be given unique Tenant Name and BTS ID designations.
· Each basestation sector is cabled to a separate attenuator and BIM unit in the Hub rack.
· Though in general eight (8) I2C devices can be daisy chained together, the standard Clear Control-
4XD-G2 configuration dictates that only five (5) BIM units be daisy-chained together with I2C cabling.
The BIMs have controls to allow the I2C address to be set. Ensure that each BIM in a single daisy-
chain is set to a unique I2C address from the following set: 1, 2, 3, 5, 6, 7.
· The HRM module in the Hub rack has an I2C control on it - ensure that it is set to ‘4’.
· Ensure that RF cables from the BIM forward output ports are connected to HDC modules in the Hub
Rack.
· Ensure that RF cables from the BIM reverse input ports are connected to HUC modules (primary to
primary and diversity to diversity). Further ensure that the HUC and HDC modules that a given BIM
connects to reside in the same Hub Rack.
· Ensure that HDC modules are connected to FSC modules as shown in the diagram. HDCs to the left
of an FSC have their outputs connected to FSC inputs 1, 3, 5, and 7. HDCs to the right of an FSC
have their outputs connected to FSC inputs 2, 4, 6, and 8.
· An RF chassis in a Hub rack contains enough slots for 2 sets of tenant RF equipment, where a set of
tenant RF equipment consists of one FSC, one HUC and up to two HDCs. A set of tenant equipment
in an RF chassis is installed in a particular manner, from bottom to top, the order of modules is HDC,
FSC, HDC, and HUC. The locations of modules in the chassis must also follow a particular pattern,
such that the first set of tenant modules must occupy the four bottom-most slots in the chassis, the
second set must occupy the next four slots. Refer to Table 4-1 RF Chassis Configuration" for more
details.

Clear Control 4XD-G2 Operations and Maintenance Manual 1001537 A
OPENCELL CORP. PROPRIETARY
Page 51
The following table illustrates the chassis configuration:
Table 4-1 RF Chassis Configuration
Chassis
Slot Module
Tenant
1HUC 1
2HDC 1
3FSC 1
4HDC 1
5HUC 2
6HDC 2
7FSC 2
8HDC 2
4.5 ASSIGNING TENANTS
4.5.1 Understanding Tenant MIB Indexing
Throughout the Clear Control-4XD-G2 system, there are several MIBs that are used to monitor and control
tenant activity. These tenant-based MIBs contain tables with 96 separate entries/columns, where each
entry/column in a table belongs to a given tenant basestation sector. The index value used for each
basestation sector is constant across the entire system such that once a tenant sector is configured and an
index is established, the same index will be associated with that tenant sector in all system-wide tenant-
based MIBs.
(*) The Clear Control-4XD-G2 system, can support up to 96 unique basestation sectors per Hub Master
CPU.
4.5.2 BTS Connection MIB
Within the Hub Master node, the BTS Connection MIB is used to create new tenant basestation sector
instances (simply called "tenants" from here on) to be configured, monitored, and controlled in the Clear
Control-4XD-G2 system. In order to create a new tenant in the Clear Control-4XD-G2 system, the Hub
Config Process in the Hub Master must first locate a unique BIM instance controlled by one of the Hub
CPUs. This requires that the Hub Node first be configured such that the CPU Rack ID and Chassis ID are
known (described in the previous section of this document). The software in the Hub Master continues to
send requests to all configured Hub Nodes to determine if there are any BIM modules that have come
online.
When a never-been-seen-before BIM module is located, the Hub Config Process creates an "Unconfigured"
tenant in the BTS Connection MIB. This can be seen by noticing that the Tenant ID in the BTS Connection
MIB is "UnconfiguredX", where X is 1-96. Also, it can be seen that the CPU Rack and Chassis IDs are filled
in and the BIM I2C Bus/Slot information is filled in. At this point, the rest of this tenant must be configured
manually.
4.5.2.1 Setting the Tenant Name
Tenant Name is the name of the Wireless Service Provider (WSP). The allowable value is a string length of
1-17 characters.

Clear Control 4XD-G2 Operations and Maintenance Manual 1001537 A
OPENCELL CORP. PROPRIETARY
Page 52
4.5.2.2 Setting the BTS ID
Since WSPs may have more than one basestation (BTS) in the system, it is important to uniquely identify
them - the allowable value is a string of 1-8 characters.
4.5.2.3 Setting the BTS Sector
The BTS Sector field of the BTS Connection MIB is an enumerated value, where the allowable selections
are ALPHA (0), BETA (1), or GAMMA (2).
4.5.2.4 Setting the Tenant Band
The Tenant Band field of the BTS Connection MIB is an enumerated value, where the allowable selections
are the bands supported by the Clear Control-4XD-G2 system, currently:
No Band (0) - no band selected, will not result in a configured tenant
US1900A (1) - PCS band A
US1900B (2) - PCS band B
US1900C (3) - PCS band C
US1900D (4) - PCS band D
US1900E (5) - PCS band E
US1900F (6) - PCS band F
US800AAPP (7) - Cellular A and A'' bands
US800BBP (8) - Cellular B and B' bands
US800AP (9) - Cellular A' band
US800SMR (10) - Cellular SMR band
4.5.2.5 Setting the BIM Rack/Shelf ID
The location information (rack/shelf) of the BIM module belonging to this tenant must be configured. The
valid values for these MIB fields are strings of 1-16 characters (see Hub Equipment Identification section
above for more information about the values that should be used). The Hub Config Process will push these
ID strings down to the Network Node MIB of the CPU that controls this BIM. This will allow the NMS to
identify the location of the BIM when it is reporting a fault condition.
4.5.2.6 Designating the Tenant Hardware
The BTS Connection MIB contains several fields pertaining to the location of the tenant-specific hardware.
Some of the connections made between hardware are not automatically detectable, and therefore require
manual intervention.
Using the information in the Hub Cabling section above, the I2C addresses of the RF modules belonging to
the tenant being configured must be set as follows:
· The BIM I2C Address (bus/slot) will automatically be filled in by the Hub Config Process.
· The BIM module belonging to this tenant must have RF connections to either one or two HDC modules.
Based on the table in the Hub Cabling section above, select the I2C Bus and Slot of the HDC module(s)

Clear Control 4XD-G2 Operations and Maintenance Manual 1001537 A
OPENCELL CORP. PROPRIETARY
Page 53
based on the position of the module(s) in the RF chassis. As indicated in the Hub Cabling section above,
the two HDCs belonging to a single tenant (i.e. having RF connections to the same BIM module) should
be co-located in the RF chassis, with only an FSC module separating them.
· The HDC modules belonging to this tenant are cabled to a single FSC module, which is located in a
chassis slot either directly to the left and/or right of the tenant's HDC module(s). Based on the table in the
Hub Cabling section above, select the I2C Bus and Slot of the FSC module belonging to the tenant being
configured.
· The BIM module belonging to this tenant must have two RF connections to a single HUC module. One
for primary reverse signals and the other for diversity reverse signals. The location of the HUC module for
this tenant must be co-located with the HDC and FSC modules belonging to this tenant, as described in
the Hub Cabling section above. Based on the table above, select the I2C Bus and Slot of the HUC
module belonging to the tenant being configured.
Once the above I2C Addresses are set for the tenant being configured, the Hub Config Process will push
this information down to the Hub RF Connection MIB on the node/CPU that manages the tenant RF
hardware.
4.5.2.7 Clearing tenants
It is possible to "de-configure" a tenant, which will clear all of the configuration information described above,
by setting the Clear field in the BTS Connection MIB for this tenant to a value of '1'. This will allow the
configuration process to be restarted from the beginning.
4.5.2.8 HUC Invalid Config
The BTS Connection MIB contains a read-only field that reports the state of the HUC (belonging to this
tenant) Invalid Configuration fault field. This information will allow the person configuring the system to know
that the tenant has been completely and correctly configured - this is known when the value in this field is
reported as "No Fault" or '0'.
4.5.2.9 Maximum Number Of Carriers
The BTS Connection MIB contains a field that allows the maximum number of RF channels (also referred to
as carriers) for a given tenant to be configured. This will allow the output gain of the FSC module in the
forward path to be optimized. The allowable range of values for this field is 0 to MAX_CARRIERS, where
MAX_CARRIERS is currently eight (8) in the Clear Control-4XD-G2 system. If this field is not configured (i.e.
the default value of 0 is used), then the FSC output gain will be set to assume that the maximum number of
carriers supported by Clear Control-4XD-G2 (currently eight (8)) will be used, therefore minimizing the
forward path gain out of the FSC.
4.5.2.10 Power Attenuator IDs
The BTS Connection MIB contains two (2) fields that allow the external power attenuators (used in
conjunction with updated BIM modules that no longer contain the attenuators) to be identified. The
attenuators will reside in a shelf that will be placed in the Hub rack. To configure these two (2) MIB fields, the
nomenclature described in Figure 4-2 HUB Rack Numbering, should be used. This dictates that the
attenuators should be given names that indicate the shelf number and the location on the shelf. For a given
tenant, the two power attenuators must be configured with unique IDs, where the allowable values are
strings of length 1-16. If both attenuators are configured, then software will configure the BIM to operate in
duplexed mode, otherwise, software will configure the BIM to operate in non-duplex mode.

Clear Control 4XD-G2 Operations and Maintenance Manual 1001537 A
OPENCELL CORP. PROPRIETARY
Page 54
4.6 PATHTRACE FORMAT
Pathtrace is a term used to describe the 64-byte data stream that is transmitted between all DIF-connected
modules in the Clear Control-4XD-G2 system. The contents of the pathtrace strings have been designed
such that each set of connected tenant equipment will transmit/receive a pathtrace string containing
information about that particular tenant. The following is the format of the pathtrace string:
<Tenant ID><delimiter><IP Address><delimiter><Path Flag>
· The Tenant ID sub-string is comprised of four particular pieces of information: Tenant Name, BTS ID,
BTS Sector, and Tenant Band. These four pieces of information form the Tenant ID sub-string, where
each piece of information is delimited by a single character (currently a colon ":").
· The IP Address sub-string indicates the IP Address of the CPU node that originates the pathtrace string.
· The Path Flag is a one-character string, “M”, "P" or "D" that indicates the path on which the path trace
was transmitted. The delimiter used to separate the primary sub-strings of the pathtrace string is a single
character, currently a comma (",").
An example of a complete pathtrace string is as follows:
wspname:bts4:alpha:us1900A,192.168.1.1,P
4.6.1 Pathtrace Creation
In the Assigning Tenants and BTS Connection MIB sections above, the components of the Tenant ID portion
of the pathtrace string were configured. When these four pieces of information are configured, they are
combined into the Tenant ID string by a process known as the Tenant Scanner, who spawns a new tenant
process to manage the tenant identified by this Tenant ID. Upon creation, the Tenant ID string is pushed
down to the Hub RF Connection MIB in the node/CPU that is controlling a tenant's RF equipment.
The hardware control processes (HCPs) corresponding to the BIM, HDC(s), and FSC that belong to a given
tenant each create the pathtrace string that will be transmitted throughout the system for this tenant. They
start with the Tenant ID of the Hub RF Connection MIB and append a delimiting character and the IP
address of the CPU that those HCPs are running on. All three HCPs report this pathtrace string in their MIBs
for use by higher-level processes, as described in the following sections. For a graphical depiction of how
pathtrace flows through the Clear Control-4XD-G2 System, see the following figure.

Clear Control 4XD-G2 Operations and Maintenance Manual 1001537 A
OPENCELL CORP. PROPRIETARY
Page 55
Figure 4-3 Tracing Pathtrace, Two Tenants
4.6.2 Pathtrace Forward Transmission
Though the BIM, HDC(s), and FSC all create the pathtrace string and report it in their MIBs, the FSC is the
originator of the pathtrace string in the forward path of the system. The FSC HCP writes the pathtrace string
to its FPGA, which transmits the pathtrace string through all eight (8) of its simulcasted outputs. Therefore,
the pathtrace string will be transmitted to all RANs belonging to the tenant that matches the Tenant ID
portion of this pathtrace string.
4.6.3 Pathtrace Forward Reception
In the forward path, the SIF modules in the Hub that are connected to the FSC outputs, as well as the SIFs
in the simulcasted RANs, simply pass-through the pathtrace strings from their inputs to their outputs. In
addition, the SIF HCPs report the passed-through pathtrace strings in the SIF MIB for use by higher-level
processes, as described in the following sections.
In each of the simulcasted RANs, the RUC module receives the pathtrace string into its FPGA from one of
its two DIF input connections. The RUC HCP then reports the received pathtrace strings in its MIB for use by
higher-level processes, as described in sections below.
PATH TRACE CONTENTS
Tenant,BTS#,sector,band,IP_of_FSC
Tenant,BTS#,sector,band,IP_of_RDC,P
Tenant,BTS#,sector,band,IP_of_RDC,D
BIM
T1
BIM
T2
HDC 1
T1
HDC 2
T1
HDC 1
T2
HDC 2
T2
FSC
T1
HUB SIF
HUC
T1
HUC
T2
FSC
T2
RSC
T1
RSC
T2
RAN SIF RUC
T1/T2
RDC
T1
RDC
T2
Digital Rear I/O port
RF SMA (no PT)
DIF, Tenant 2
DIF, Tenant 1
Set by Software
Optical Link
LEGEND
Operator setup at
hubmaster through
BTS Connection MIB.
Set at node level by
HUB RF Connection MIB.
P.T.
HLP
ADD 3
DROP 3
DROP 4
ADD 4
ADD 1
ADD 2
ADD 3
ADD 4
1
5
6
3
DROP 1
DROP 2
DROP 3
DROP 4
7
8
P
D
P
P
P
D
DD
P
D
P
P
P
DD
D
9
10
9
10
7
MUX
MUX
ADD ‘n’
DROP ‘x’
DROP ‘n’
ADD ‘x’
HUB
RAN

Clear Control 4XD-G2 Operations and Maintenance Manual 1001537 A
OPENCELL CORP. PROPRIETARY
Page 56
4.6.4 Pathtrace Reverse Transmission
The RDC is the originator of the pathtrace string in the reverse paths of the system. However, it is desirable
to maintain continuity between the forward and reverse pathtrace strings. To manage this, the Pathtrace
Process that runs in the RAN CPUs is responsible for reading pathtrace strings from the RUC MIB, parsing
out the Tenant ID sub-strings from the pathtrace strings, and writing the Tenant IDs into the MIBs of the
RDCs that are associated with the RUCs.
The RDC HCP creates two new pathtrace strings (primary/diversity) starting with the Tenant ID that was
provided in its MIB by the Pathtrace Process. The RDC HCP appends its own CPU IP Address to the
pathtrace strings, and then appends the primary/diversity flags ("P" or "D"). Finally, the RDC process writes
the pathtrace strings to its FPGA, which transmits the pathtrace strings out its two outputs
(primary/diversity). The pathtrace strings are then transmitted back to the Hub CPU that initially sent the
pathtrace string in the first place.
4.6.5 Pathtrace Reverse Reception
In the reverse path, the SIF modules in the RANs that are connected to the RDC outputs, as well as the
SIFs in the Hub, simply pass-through the pathtrace strings from their inputs to their outputs. In addition, the
SIF HCPs report the passed-through pathtrace strings in the SIF MIB for use by higher-level processes, as
described in the following sections.
In the Hub, the RSC module receives the pathtrace strings from several RDCs into its FPGA from its DIF
input connection. The RSC HCP reports the received input pathtrace strings in its MIB for use by higher-
level processes, as described in sections below. The RSC has the added responsibility of determining the
"majority inputs" to determine the most-prevalent input pathtrace based on Tenant ID sub-strings. When the
majority input is discovered, the RSC will parse the Tenant ID from one of the majority inputs, append its
own CPU IP Address, and transmit the newly created pathtrace string to its two outputs (primary/diversity).
Finally, the HUC module receives the primary/diversity reverse pathtrace strings into its FPGA from its two
DIF input connections. The HUC HCP then reports the received pathtrace strings in its MIB for use by
higher-level processes, as described in the following sections.
4.6.6 Pathtrace Detection/Reporting
On each node in the system, a Pathtrace Process is responsible for gathering up all the pathtrace strings
reported in the HCP MIBs on its own CPU. The Pathtrace Process then reports all the discovered pathtrace
strings in its own Pathtrace MIB, which indicates the HCP type, I2C address, MIB index, and pathtrace string
value.
On each node in the system, a Node Paths Process is responsible for examining the Pathtrace MIB,
identifying valid, complete, and stable pathtrace strings, and reporting the results in the Node Paths MIB in a
manner that simplifies tenant processing algorithms.
On the Hub Master node, the Tenantscan process is responsible for examining the Node Paths MIBs on all
nodes and determining whether the contents contain Tenant IDs that have been configured in the system. If
so, then the Hostname and IP Address tables in the Tenant OAM are updated.
The Tenant processes in the Hub Master node are responsible for updating the Equipment MIBs on each
node with the appropriate Tenant IDs and indeces that are in used on that node. The Equipment Process
then acts as the middle-level interface to the tenant hardware, reporting status of all the hardware in the
Status Table of the Equipment MIB and allowing hardware configurations to occur via the Control Table of

Clear Control 4XD-G2 Operations and Maintenance Manual 1001537 A
OPENCELL CORP. PROPRIETARY
Page 57
the Equipment MIB. Tenant processing in the Hub Master node is the primary user of the Equipment MIB for
status and control of tenant hardware. The details of this are described in more detail in the following
section.
4.7 TENANT CONFIGURATION
4.7.1 Managing the Tenant OAM MIB
The Tenant OAM MIB is the primary interface for configuring the operating parameters of tenants in the
Clear Control-4XD-G2 system. The Tenant OAM MIB is used exclusively at the Hub Master node, where
any changes made to operating parameters are validated and pushed down to the proper node(s) by Tenant
processing.
4.7.2 Setting Protocol
The Protocol field of the Tenant OAM MIB (TenantProtocol) is an enumerated value, where the allowable
selections are the protocols supported by the Clear Control-4XD-G2 system, currently:
No Protocol (0), CDMA (1), TDMA (2), GSM (3), IDEN (4), AMPS (5), CW_WB (6), CW_NB (7)
4.7.3 Setting Channels
Each Tenant sector in the Clear Control-4XD-G2 system can support from 1-8 channels. Each of these eight
(8) channel values can be individually set in the Tenant OAM MIB (TenantChannelXVal, where X = 1-8). The
valid range of values is based on the band and protocol selected for this tenant, per the specifications used
to define each protocol. Refer to Section 5.2.
4.7.4 Setting Reverse Gain
The Reverse Gain parameter in the Tenant OAM MIB (TenantReverseGain) allows the Reverse Gain Target
to be set. This value sets the gain for the entire reverse path - it is not separated into a separate Hub and
RAN parameter as in the forward path. The valid range of values for this parameter is -100 to +300, which is
-10 to +30 dB in 1/10 dB units. Refer to Section 5.3.2 for details.
4.7.5 Setting Forward And Reverse Cable Loss
Forward and Reverse Cable Loss are two parameters in the Tenant OAM MIB (TenantForwardCableLoss,
TenantReverseCableLoss) to allow the signal loss due to cabling between the basestations and the Clear
Control-4XD-G2 system to be factored into the gain management processing. Each of these two parameters
has a valid range of values of 0 to 50, which is 0 to +5 dB in 1/10 dB units. The maximum cable loss
between the BTS and the BIM is 5 dB. Refer to Section 5.3.2 for details.
4.7.6 Using Tenant Reset
Tenant Reset is a parameter in the Tenant OAM MIB (TenantReset) that will allow all of the hardware that is
associated with a tenant to be reset. This functionality is not currently supported in the Clear Control-4XD-
G2 software.
4.7.7 Enabling FGC / RGC
The Forward and Reverse Gain/Continuity Management processes can be disabled on a per tenant basis
using the enable/disable parameters in the Tenant OAM MIB (TenantForwardAGCDisable,
TenantReverseAGCDisable). These MIB fields are enumerated types with values "Enabled" = 0, and
"Disabled" = 1. The reason for the reverse boolean logic is so that the desired default values are set to be
zero, which is the MIB default value.

Clear Control 4XD-G2 Operations and Maintenance Manual 1001537 A
OPENCELL CORP. PROPRIETARY
Page 58
4.7.8 Using Tenant Mode
Tenant Mode is a parameter in the Tenant OAM MIB (TenantMode) that will allow the tenant to be put into a
special mode such as "disabled", or "test", or something similar. This functionality is not currently supported
in the Clear Control-4XD-G2 software.
4.7.9 Enabling / Disabling Delay Compensation
The Forward and Reverse Delay Compensation processes, which balance the signal delay in a simulcast
group, can be enabled/disabled using the associated parameters in the Tenant OAM MIB
(TenantForwardDelayCompensationDisable, TenantReverseDelayCompensationDisable). These MIB fields
are enumerated types with values "Enabled" = 0, and "Disabled" = 1. The reason for the inverse boolean
logic is so that the desired default values are set to be zero, which is the MIB default value.
4.7.10 Setting Forward / Reverse Delay Skew
The delay skew used in the Forward/Reverse Delay Compensation processes can be adjusted using the
associated Tenant OAM MIB parameters (TenantForwardSkew, TenantReverseSkew). Refer to Sections
10.3 and 10.4 for details.
The valid range of values for the Forward/Reverse Delay Skew parameters is 0-10000, in units of
nanoseconds (0-10 usecs). Default is 2000.
4.7.11 Enabling / Disabling RAN slots
The RAN paths belonging to a tenant can be disabled using the RAN Enable/Disable parameters of the
Tenant OAM MIB (TenantRanDisableX, where X = 1-8). Doing so will disable the PA in the RAN. These
MIB fields are enumerated types with values "Enabled" = 0, and "Disabled" = 1. The reason for the inverse
boolean logic is so that the desired default values are set to be zero, which is the MIB default value.
Example: To disable RAN 3 in a simulcast, set TenantRANDisable3 to a “1” (disabled).
4.7.12 Forward/Reverse Target Delay
The Forward/Reverse Target delays can be adjusted using the Tenant Forward Target Delay and Tenant
Reverse Target Delay entries in the Tenant OAM MIB. The valid range of values for the Forward/Reverse
target Delay is 12,000 to 150,000 ns with a default of 100,000 ns being used if the target delay is not
configured. Refer to Sections 10.3 and 10.4 for details of the usage of these fields.
4.7.13 Target Simulcast Degree
In order for the Clear Control-4XD-G2 software to determine the correct number of tenant paths throughout
the system, it is necessary for the Clear Control-4XD-G2 software to be provided with the target simulcast
degree. This will allow the Tenant process to properly determine and report missing boards and path
conditions and quantities. The Tenant Simulcast Degree field in the Tenant OAM MIB is used to configure
this parameter. This MIB parameter accepts values ranging from 1-8, the range of simulcasting supported in
Clear Control-4XD-G2 on a per sector basis.
4.8 MANAGING THE TENANT OAM ADDRESS AND HOSTNAME TABLES
Within the Tenant OAM MIB, there are two (2) tables used to capture the current IP Addresses and
Hostnames of all CPUs that are associated with a given tenant sector. The ordering of the CPUs in the MIB
tables is such that the RAN CPUs are listed first from 1-8, followed by the Hub CPUs. The RAN ordering
from 1-8 is important so that the RAN CPUs can be correlated to the RAN ID values used throughout the
Tenant OAM MIB.

Clear Control 4XD-G2 Operations and Maintenance Manual 1001537 A
OPENCELL CORP. PROPRIETARY
Page 59
4.8.1 RAN Ordering
The IP Address and Hostname tables in the Tenant OAM MIB indicate which RAN, based on IP address and
hostname, corresponds to RAN X, where X is the RAN ID (1-8).
Tenant processing uses a least-recently-used scheme to determine the RAN ID to assign to newly
discovered RANs. When Tenant processing discovers new RANs that contain hardware associated with that
tenant (based on Tenant ID of pathtrace string), the new RAN is assigned the next sequential "never-been-
used" RAN ID, a value from 1-8. If there are no RAN IDs that have never been used, then Tenant
processing will find the least-recently-used RAN ID and assign that ID to the newly discovered RAN.
The RAN ID is important because it lets the user of the Tenant OAM MIB determine which RAN corresponds
to the RAN-specific MIB parameters, such as TenantRanDisableX, TenantRanXForwardMeasuredGain, and
TenantRanForwardGainOffsetX, where X is the RAN ID, a value from 1-8.
The RAN ID assignments will be persistently maintained through resets of the Hub Master CPU and other
CPUs in the network, which will allow the NMS to program the RAN IDs when new RANs are added to the
tenant simulcast group. In the future, the RAN ID assignments will not be persistent through resets of the
network nodes, which will require that the NMS automatically correlate RAN ID to RAN CPU relationships.
4.8.2 Bracketing of Lost RANs
When a RAN CPU is removed from the network, or if Tenant processing is unable to communicate with one
of its RANs, then that RAN ID in the Hostname table is bracketed. For example hostname would be
reported as [hostname]. In addition, the RAN ID in the Address table is also reported in a different fashion
when a RAN is "lost". The IP address is bracketed, with the IP address string being replaced by another
form of the number. For example, 192.168.1.248 could be replaced by [1921681.248]. The point is that if the
IP address reported in the Address table is not a valid combination of 4 octet values with decimal points
separating the octets, then that RAN should be considered not present.
4.8.3 Clearing of RANs
In order to facilitate swap outs of RAN CPUs, it is possible for the RAN Hostname values in the Hostname
table of the Tenant OAM MIB to be cleared by writing a NULL string into the MIB from the NMS. Doing so
will allow that RAN ID to be cleared, and will allow the next RAN CPU discovered to occupy that RAN ID.
4.9 HUB NODE NAMING CONVENTION
The HUB in an Clear Control-4XD-G2 network consists of several racks and chassis, which translate to
several CPUs per HUB. Since these CPUs all reside at a single geographical location, it is necessary to
establish a relationship of each CPU to its rack and chassis location such that field service personnel can be
deployed to the correct location within the HUB when the need arises.
There can be many CPUs at a single HUB Site within the many racks and chassis, but there is no way to
correlate an IP address to its physical rack/chassis location automatically. Therefore, a convention for
identifying racks and chassis needs to be established. At installation time, each hostname, as written on the
front tag of each CPU, must be recorded in conjunction with its physical location. This information is used
when the operator fills in the transceptClear Control-4XD-G2HubNode MIB, which is discussed in detail
below. Clear Control-4XD-G2 HUB naming conventions are also discussed below.
4.9.1 Managing the HUB Node MIB
This MIB correlates HUB node IP addresses with their hostnames and physical locations. It resides solely at
HUBMASTER nodes. It is comprised of the following elements:

Clear Control 4XD-G2 Operations and Maintenance Manual 1001537 A
OPENCELL CORP. PROPRIETARY
Page 60
4.9.1.1 SiteID
The Site ID designates the physical location of the HUB. Often, wireless operators already have site IDs laid
out for their markets and BTS installations, such as “Memphis203” or “Cell29PA”, and these designators
work well for pinpointing the location of the HUB. GPS coordinates or road names also work well. The Site
ID can be up to 64 characters long.
4.9.1.2 CPURackID
HUB Racks must be given unique identifiers. This can be as simple as numbering HUB Racks from 1...N or
coming up with some other naming convention. Once a plan is adopted, it is highly recommended that the
racks be labeled accordingly at installation. The CPU Rack ID is limited to 15 characters.
4.9.1.3 CPUChassisID
Chassis in a rack also need to be uniquely identifiable. The convention is to number the chassis from bottom
to top. As there are two CPU slots in each chassis, it is advised to append each entry label with A or B.
Convention puts location “A” on the right, with “B” on the left. The CPU Chassis ID can be comprised of up
to 15 characters.
4.9.1.4 Hostname
This entry shows the hostname of the CPU occupying a specific row of the Hub Node MIB. This entry is
automatically set up by Clear Control-4XD-G2 system software. Changing hostnames on Clear Control-
4XD-G2 nodes is not recommended, but can be accomplished by logging into the target node.
4.9.1.5 IPAddress
This entry displays the current IP address for the CPU occupying a specific row in the HUB Node MIB. This
entry is automatically set up by Clear Control-4XD-G2 system software. For more information on the
NIPR/S function, see Section 4.9.2.
4.9.1.6 Clean
The HUB Node MIB contains a history of any Clear Control-4XD-G2 CPU ever seen by the HUBMASTER.
If a CPU is swapped out as part of a maintenance activity, the old entry will still exist. To remove old and
unwanted node information from this MIB, the operator must set the “Clean” value to 1. In a matter of
seconds, the old node information will be removed. No further action is required. Note if the node is valid, it
will re-appear within seconds, even if it is cleared.
4.9.1.7 Setting the RF Rack/Chassis ID
The Hub CPU may manage the I2C communications to the chassis that contains the RF equipment
belonging to some (1 – 5) of the tenants. The chassis and its rack are configured with the Hub Node RF
Rack ID and the Hub Node RF chassis ID fields. Because not all Hub CPU’s control RF chassis, this field is
optional. If used, the allowable values are strings of 1 – 16 characters. The Hub configuration process will
push these values to the Tenant Node MIB of the CPU being configured as well as to the previously used
locations in the BTS Connection MIB.
4.9.2 Identification using the Network IP Receiver/Sender
The Clear Control-4XD-G2 HUBMASTER node dynamically keeps track of which nodes are under its control
using a script called NIPRS (Network IP Receiver/Sender). It receives an IP and hostname from each
element in the subnet it controls via the client functionality of NIPR/S, which runs on all “slave” nodes.
NIPR/s senses any changes to its list of slave nodes, and updates the HUBMASTER DNS accordingly. The

Clear Control 4XD-G2 Operations and Maintenance Manual 1001537 A
OPENCELL CORP. PROPRIETARY
Page 61
NIPR/S script is also a key component to maintaining the HUB/RAN Node MIBs and, ultimately, tenant
processing as a whole, since it is the mechanism by which the HUB/RAN Node MIB entries are filled.
There are two main ways to access the output of NIPR/S for use in the identification of related nodes. The
most accessible way is to utilize SNMP to view the HUB Node MIB and RAN Node MIB at the HUBMASTER
node. To get an unbroken list of Clear Control-4XD-G2 IP addresses that the HUBMASTER is currently
servicing, telnet into the HUBMASTER node on port 7401. No user name or password is necessary. The
output format is a series of text strings, each containing an IP preceded by a “+” or “-“ and terminated with a
line feed. The HUBMASTER is always the first entry in the list. An example of a typical output for a five-
node system is shown below in the following figure.
+192.168.1.1
+192.168.1.249
+192.168.1.250
-192.168.1.246
+192.168.1.247
+192.168.1.242
Figure 4-4 Typical NIPR/S output using telnet.
The “+” indicates the IP has been added to the list. A “-“ would indicate the IP has been removed from the
list. This would occur, for example, if the communication link to that node was removed due to a power
shutdown or other disruption.
4.9.3 Accessing Nodes Locally
Nodes can be accessed locally through the serial link. The required hardware is as follows:
· Terminal with serial interface and terminal software such as Tera-Term Pro or Hyperlink.
· RS-232 cable 9 pin D shell male to male type.
· Adapter for the Clear Control-4XD-G2 CPU low profile I/O connector (GMS P/N 05MA& rev D).
When attaching the adapter, be careful to note which way the key is aligned. The beveled edges face to the
right. The adapter should slide in easily. Rough use and improper insertion will bend pins and will damage
both the adapter and CPU serial port.
Once the link is made, run the terminal software. If a login prompt is not already available in the terminal
window, hit enter a few times to bring it up. Then follow a normal login procedure.
4.9.4 Accessing Nodes via TCP/IP
To perform some installation maintenance activities, the network operator will need to log into Clear Control-
4XD-G2 nodes. Each node runs a daemon for Telnet, File Transfer Protocol (FTP), and Virtual Network
Connections (VNC). Depending on the LAN’s DNS configuration, a user may or may not be able to use
hostnames (instead of literal IP addresses) when accessing Clear Control-4XD-G2 nodes. Nodes can
always be accessed by IP address. The three access types are available for Windows and Unix strains.

Clear Control 4XD-G2 Operations and Maintenance Manual 1001537 A
OPENCELL CORP. PROPRIETARY
Page 62
There are two default user accounts that come standard in the Clear Control-4XD-G2 network. The
“operator” account has access to the Clear Control-4XD-G2 binaries and is used for regular maintenance.
The “root” account has full access privileges to the entire file system. In addition, the “operator” account has
“sudo” privileges, which may be modified by the network operator to tailor operator access. To learn more
about “sudo”, log onto any Linux operating system and type “man sudo” at the prompt. Note that, among
other privileges, a “root” user can create more user accounts on each node.
4.9.5 Using a 3rd party Network Management System with Clear Control-4XD-G2
Clear Control-4XD-G2 control and monitoring is executed via Simple Network Management Protocol
(SNMP). As such, any Network Management System (NMS) based on SNMP will be compatible with the
Clear Control-4XD-G2 system. However, not all NMS products are the same. While it is up to the operator
to determine which NMS is right for their needs, it is recommended that the chosen NMS will have the
following features:
· Auto-polling
· The NMS must regularly poll all nodes for MIB entry updates.
· The NMS must regularly search for new nodes on its network.
· Graphical User Interface for data display and manipulation
· At a minimum, a MIB browser capable of SNMP level 2 sets and gets, coupled with a node map
generator, would suffice.
· Ability to output poll data to a database for customizable GUI operations such as user accounts and
data sorting is strongly recommended.
· Trouble ticket generation
· The Clear Control-4XD-G2 system outputs a wealth of raw event information. It is up to the NMS to
determine what alarms are generated, and how to dispatch resources to rectify the situation. For a
complete list of Clear Control-4XD-G2 faults, see section 8 of this document.
· E-mail, pager, and cell phone notification methods are recommended for a user-defined subset of
fault conditions.
· Scheduling tables are a plus for those operators who are not on call 24 hours a day.
4.10 CONFIGURING THE HUB MASTER NODE
A correctly configured HUBMASTER NODE is the key to an operational Clear Control-4XD-G2 network. To
simplify this task, the Clear Control-4XD-G2 system software includes the configure-hubmaster script. The
use of this script is described in Section 4.10.1. In addition to the common node tasks throughout this
document. The HUBMASTER has the following responsibilities:
· Network Timing Protocol Daemon (/usr/sbin/ntpd), synchronous with GPS input.
· Dynamic Host Configuration Protocol server (/usr/sbin/dhcpd3).
· Domain Name Server (/usr/sbin/named).
· Node IP Receiver/Sender (/usr/sbin/niprs) server-side properties discussed in section 4.9.2.
· Clear Control-4XD-G2 Tenant processing (/usr/bin/tenantscan and /usr/bin/tenant).

Clear Control 4XD-G2 Operations and Maintenance Manual 1001537 A
OPENCELL CORP. PROPRIETARY
Page 63
4.10.1 Utilizing the configure-hubmaster script
Use the following procedure to invoke the configure-hubmaster script:
· Login locally to the target node as operator
· Type “sudo /usr/sbin/configure-hubmaster” and enter the password when prompted.
· Enter the information as shown in the following paragraphs.
4.10.1.1 IP address / netmask
At the IP prompt, enter the static IP address that has been assigned to this HUBMASTER node. This is a
crucial step, as it not only defines the node’s identity, but, in conjunction with the netmask input, it also
defines the subnet it services. It is advised that the node IP be in the form XXX.YYY.ZZZ.1, to match the
default Clear Control-4XD-G2 DHCP settings. The netmask prompt further defines which subnet the
HUBMASTER node will survice. The default is 255.255.255.0, or a “class C netmask”. This is the
recommended netmask value for the Clear Control-4XD-G2 system.
4.10.1.2 DHCP Address Range
The DHCP address range portion of the script first prompts the operator for the beginning of the range. It
uses the IP address and netmask input described previously to provide a default lower limit of
XXX.YYY.ZZZ.3. When in doubt, depress the enter key to select the default lower limit. Likewise, a default
upper limit will be generated, servicing nodes up to and including XXX.YYY.ZZZ.250. Again, unless a
different upper limit is desired, simply press the enter key to use the default value. For examples involving
changing these limits, see Section 4.10.2.2
4.10.1.3 Default gateway / router
At the prompt, enter the IP address of the router interfacing with the node being configured. If there is to be
no upstream router, enter in the IP address of the HUBMASTER node itself. Failure to enter a valid IP
address in this field will result in the improper network operation of the Clear Control-4XD-G2 System.
4.10.1.4 Hub Master domain
Each HUBMASTER node requires its own domain to service. This is to allow multiple HUBMASTER nodes
to use the same upstream DNS, and also negates the problem where slave nodes try to talk to the “wrong”
HUBMASTER. The default value is Clear Control-4XD-G2, which is suggested to be changed to something
more descriptive in the target network. At a minimum, numbering the domains serially will achieve the
desired result (I.E. Clear Control-4XD-G21, Clear Control-4XD-G22, etc.).
4.10.1.5 DNS forwarding
The script will prompt “Enter a list of upstream DNS servers, one per line: (control-d when done)” to set up
DNS forwarding. It is expecting as input the IP address of each Domain Name Server that the
HUBMASTER node can connect to. If there are no upstream DNS servers, leave this entry blank. Hit
CNTRL-D when finished entering DNS upstream servers.
It is advisable to reboot the HUBMASTER node once the script has been run to ensure
that the modifications made via configure-hubmaster are in effect.

Clear Control 4XD-G2 Operations and Maintenance Manual 1001537 A
OPENCELL CORP. PROPRIETARY
Page 64
4.10.2 Using Dynamic Host Configuration Protocol with Clear Control-4XD-G2
All HUB and RAN nodes, except the HUBMASTER node, utilize DHCP to obtain their IP addresses. Each
Clear Control-4XD-G2 HUBMASTER comes standard with a DHCP server to configure its subnet. The
following sections explain its use.
4.10.2.1 Using the provided HUBMASTER DHCP
The Clear Control-4XD-G2 HUBMASTER node comes standard with DHCP already activated. When
employing multiple HUBMASTER nodes, it is important to run the configure-hubmaster script as outlined in
section 4.10.1 to prevent collisions.
4.10.2.2 Incorporating existing LAN DHCP
Using a pre-existing LAN DHCP server is ideal when the Clear Control-4XD-G2 network only contains one
HUBMASTER node. In this configuration, there is no need for a router between the HUBMASTER and the
rest of the LAN, since all nodes are on the same subnet. To use this configuration, the HUBMASTER DHCP
must be disabled using the following steps:
Login to HUBMASTER node.
· Type “sudo rm /etc/init.d/dhcp3-server” and enter your login password at the prompt. This stops
the DHCP server from being run.
· Type “sudo killall dhcpd3” to stop the current service.
· Type “sudo reboot” to reboot the machine.
As the HUBMASTER is not configured to be a DHCP client, it requires a static IP that must be outside the
range of the existing LAN DHCP. This may mean narrowing the existing DHCP server’s address range. For
example, take the case where the original DHCP range is 192.168.88.3 through 192.168.88.254 inclusive,
and assume it assigns these addresses from the upper limit towards the lower. Also assume that there’s a
router at 192.168.88.1 and another static IP device at 192.168.88.2. The HUBMASTER needs a static IP,
but the DHCP is serving all the “free” addresses in that subnet. To avoid DHCP collisions and the
perturbation of preexisting addresses, the operator would increase the DHCP server’s lower address limit
from 192.168.88.3 to 192.168.88.4, and set the HUBMASTER to be IP 192.168.88.3.
It is also important to have a mechanism in place to update the LAN DNS with the HUBMASTER IP address,
so that the Clear Control-4XD-G2 nodes know where to send data. Since the HUBMASTER IP is static, this
can be manually entered at installation time.
The setup becomes more complicated when multiple subnets are introduced however, it is recommended
that in such a case the HUBMASTER DHCP server be utilized instead.
4.10.3 Using Domain Name Service with Clear Control-4XD-G2
The DNS offers a way to represent nodes using hostnames instead of IP addresses. This is an important
relationship when using DHCP, since the hostnames are more likely to be static than their associated IP
addresses. The Clear Control-4XD-G2 HUBMASTER node comes standard with a DNS which services its
related subnet. In addition, the HUBMASTER node can employ DNS forwarding to utilize a pre-existing LAN
DNS. The following sections outline the steps necessary to use the Clear Control-4XD-G2 DNS.
4.10.3.1 Using the HUBMASTER DNS
The Clear Control-4XD-G2 DNS is automatically updated via NIPR/S as outlined in section 4.9.2, so there is
no need to manually configure it. As this process does not interfere with existing upstream DNS activities, it
need not be disabled.

Clear Control 4XD-G2 Operations and Maintenance Manual 1001537 A
OPENCELL CORP. PROPRIETARY
Page 65
4.10.3.2 Incorporating existing LAN DNS
The method of incorporating an existing LAN DNS begins with configuring the HUBMASTER DNS
forwarding as outlined in section 4.10.1.5 and continues with some maintenance at the upstream DNS. At a
minimum, the upstream DNS needs to be updated with each HUBMASTER node’s IP address and full
hostname (including its domain). Ideally, this maintenance would be automated, and the RAN nodes would
also be maintained in the upstream DNS. Implementations of this are as varied as the networks being
maintained, and may need to be custom designed by a network administrator.
4.11 CONFIGURING THE HUB “SLAVE” AND RAN NODES
The Clear Control-4XD-G2 system takes care of networking concerns for the HUB “Slave” and RAN nodes,
leaving only some clerical steps to take to configure these nodes. These clerical steps are encompassed by
the HUB and RAN Node MIBs. The HUB Node MIB is explained previously in section 4.9.1. The RAN Node
MIB is outlined below.
4.11.1 Managing the RAN Node MIB
This MIB correlates RAN node IP addresses with their hostnames and physical locations. It also documents
where RF connections are made in each RAN. It resides solely at HUBMASTER node. It is comprised of
the following elements:
4.11.1.1 IP Address
This entry displays the IP Address of each RAN attached to the HUBMASTER node. RAN IP addresses are
assigned by DHCP. This entry is automatically entered by Clear Control-4XD-G2 system software.
4.11.1.2 Hostname
This entry displays the hostname of each RAN attached to the HUBMASTER node. This entry is
automatically entered by Clear Control-4XD-G2 system software. Changing the default hostname is not
recommended, but can be accomplished.
4.11.1.3 PoleNumber
This entry displays the number of the pole on which each RAN is installed. In conjunction with the Site ID,
this is the mechanism used to pinpoint any RAN’s physical location. GPS can also be used, where
available. The pole number may be 15 characters long.
4.11.1.4 SiteID
This entry displays the RF Network’s Site ID where each RAN is installed. In conjunction with the Pole
Number, this is the mechanism used to pinpoint any RAN’s physical location. GPS can also be used, where
available. The Site ID may be 64 characters long.
4.11.1.5 Ruc1Pa1Connection
This entry manually records the RF connection path between Ran UpConverter A1’s “1/3” PA output and the
antenna. For example, if the PA attached to RUC A1’s “1/3” output is connected to a PCS quadplexer
through the B-band port, then “pcsBQuadplexer” should be selected from the pull-down menu. This data is
best gathered at installation time. Repeat for Ruc2 (A5) and Ruc3 (B2) entries as necessary.
4.11.1.6 Ruc1Pa2Connection
This entry manually records the RF connection path between RAN UpConverter A1’s “2/4” PA output and
the antenna. For example, if the PA attached to RUC A1’s “2/4” output is connected to a cellular triplexer

Clear Control 4XD-G2 Operations and Maintenance Manual 1001537 A
OPENCELL CORP. PROPRIETARY
Page 66
through the B-band port, then “cellular BTriplexer” should be selected from the pull-down menu. This data is
best gathered at installation time. Repeat for Ruc2 (A5) and Ruc3 (B2) entries as necessary.
4.11.1.7 Rdc1MulticouplerConnection
This entry manually records the RF connection between RAN DownConverter A0 and its multi-coupler. For
example, if RDC A0’s primary and diversity inputs are connected to the module labeled “C /MCPLR”, then
“cellularSmr” should be selected from the pull-down menu. This data is best gathered at installation time.
Repeat for Rdc2 through Rdc5 entries as necessary.
4.11.1.8 Clean
This entry is actually in the expansion MIB table of the RAN Node MIB. The RAN Node MIB keeps a history
of every RAN ever seen by the HUBMASTER node. At times these entries will become invalid as CPUs are
swapped out, etc. To remove old and unwanted node information from this MIB, the operator must set the
“Clean” value to 1. In a matter of seconds, the old node information will be removed. No further action is
required. Note that if the node is valid, it will re-appear within seconds, even if it is cleared.
4.11.1.9 RAN Disable
This entry in the RAN Node MIB allows a given RAN to have all of its PAs disabled. By setting this field to
"disabled", the Clear Control-4XD-G2 software will automatically push the value down to the Network Node
MIB on the RAN in question, which will cause all PAs to be turned off. If this value is set to "enabled", then
the RAN Disable states that are maintained on a per-tenant basis in the Tenant OAM MIB will be used
instead.

Clear Control 4XD-G2 Operations and Maintenance Manual 1001537 A
OPENCELL CORP. PROPRIETARY
Page 67
5 BTS INTEGRATION
5.1 BTS VALIDATION
Prior to connecting the base station to the Clear Control-4XD-G2 HUB, the host BTS should be tested to
assure the BTS is operating per the manufacturer’s specification.
5.2 CHANNEL SELECTION
The required channels are to be set in the transceptTenantChannelXVal (X=1-8) fields of the Tenant OAM
MIB for the appropriate Tenant sector. The following sections define the different channel designators used
by Clear Control-4XD-G2 for the different bands and protocols. Up to eight channels can be defined.
5.2.1 iDEN - SMR
Block Valid Channel # Mobile Tx (MHz) BTS Tx (MHz)
SMR iDEN No 1-160 806.0125 + 0.025 * (N-1) 851.0125 + 0.025 * (N-1)
Yes 161-600 806.0125 + 0.025 * (N-1) 851.0125 + 0.025 * (N-1)
5.2.2 CDMA Cellular – EIA/TIA-97
Block Valid Channel # Mobile Tx (MHz) BTS Tx (MHz)
A” No 991-1012 824.040-824.670 869.040-869.670
Yes 1013-1023 824.700-825.000 869.700-870.000
AYes 1-311 825.030-834.330 870.030-879.330
No 312-333 834.360-834.990 879.360-879.990
BNo 334-355 835.020-835.650 880.020-880.650
Yes 356-644 835.680-844.320 880.680-889.320
No 645-666 844.350-844.980 889.350-889.980
A’ No 667-688 845.010-845.640 890.010-890.640
Yes 689-694 845.670-845.820 890.670-890.820
No 695-716 845.850-846.480 890.850-891.480
B’ No 717-738 846.510-847.140 891.510-892.140
Yes 739-777 847.170-848.310 892.170-893.310
No 776-799 848.340-848.970 893.340-893.970
5.2.3 GSM 850
Block Valid Channel # Mobile Tx (MHz) BTS Tx (MHz)
GSM 850 Yes 128-251 824.200 + 0.200 * (N-128) 869.200 + 0.200 * (N-128)

Clear Control 4XD-G2 Operations and Maintenance Manual 1001537 A
OPENCELL CORP. PROPRIETARY
Page 68
5.2.4 TDMA 800
Band Channels Mobile Tx BTS Tx
A" 991 824.040 869.040
1023 825.000 870.000
A 1 825.030 870.030
333 834.990 879.990
B334 835.020 880.020
666 844.980 889.980
A’ 667 845.010 890.010
716 846.480 891.480
B’ 717 846.510 891.510
799 848.970 893.970
5.2.5 TDMA 1900
Block Valid Channel # Mobile Tx (MHz) BTS Tx (MHz)
TDMA 1900 Yes 2-1998 1850.040 + 0.030 * (N-2) 1930.080 + 0.030 * (N-2)
5.2.6 GSM 1900
Block Valid Channel # Mobile Tx (MHz) BTS Tx (MHz)
GSM 1900 Yes 512-810 1850.200 + 0.200 * (N-512) 1930.200 + 0.200 * (N-512)
5.2.7 CDMA 1900
Block Valid Channel # Mobile Tx (MHz) BTS Tx (MHz)
CDMA 1900 Yes 1-1200 1850.000 + 0.050 * (N-1) 1930.000 + 0.050 * (N-1)

Clear Control 4XD-G2 Operations and Maintenance Manual 1001537 A
OPENCELL CORP. PROPRIETARY
Page 69
5.3 PATH BALANCING
This section defines the procedure for balancing the forward and reverse paths for a given Tenant Sector.
The following table outlines the Standard Clear Control-4XD-G2 Configuration for a balanced forward and
reverse path which includes the # of RF channels and simulcast ranges.
Note: When adjusting power and attenuator levels in the Clear Control-4XD-G2 MIBs, values are
represented in 0.1 dB increments (e.g. –100 indicates –10.0 dBm).
Table 5-1. Standard Clear Control-4XD-G2 Configuration
Band Protocol # RF
Channels
PA
Output/carrier
(dBm)
RAN
Output/carrier
(dBm)
Max
simulcast
PCS CDMA 342.0 40.5 8
PCS GSM 443.0 41.5 5
PCS TDMA 643.0 41.5 6
Cell CDMA 339.0 37.5 8
Cell GSM 440.0 38.5 5
Cell TDMA 640.0 38.5 6
SMR IDEN 640.0 38.5 6
For Tenants that require a different number of RF channels, then the forward PA output powers are changed
using the following equation:
· Forward PA output change = 10*log10(baseline # RF channels /new # RF channels).
For example, if a PCS/CDMA WSP requires 6 RF channels, then the forward PA output power per RF
channel is adjusted by 10*log10(3/6) = -3.0 dB. The per RF channel power is changed from 34 to 31dBm.
If the operator requires a different reverse link budget, then the simulcast # can be changed. The equation
for this calculation is:
· New simulcast # = (baseline simulcast #) / 10^(Reverse link budget change/10)
For example, if a Cellular/CDMA WSP requires a change of +3dB in the reverse link budget, then the
simulcast # is changed to (8 / 10^(3/10)) = 4;
5.3.1 Forward Path Balancing Automatic
5.3.2 Reverse Path Balancing
The reverse gain indicates how much gain the Clear Control-4XD-G2 will give to a reverse path signal
before presenting it to the base station (e.g. a –100 dBm signal at the RAN input will be –90 at the input to
the BTS when Reverse Gain is set to 10 dB).

Clear Control 4XD-G2 Operations and Maintenance Manual 1001537 A
OPENCELL CORP. PROPRIETARY
Page 70
Table 5-2. Reverse Gain Settings
Reverse Gain (dB) Comment
+30 Bypass BTS reverse path gain
included in duplexer (e.g. Nortel
TDMA Base Stations)
+10 Normal setting, for dedicated BTS
sector
0Shared BTS tower sector, 3dB impact
on BTS tower coverage
-10 Shared BTS tower sector, no impact
on BTS tower coverage, 3dB impact
on Clear Control-4XD-G2 coverage
In order to balance the reverse path the following procedure is followed:
1. Measure or calculate cable loss from BIM Output to BTS input
2. Enter cable loss value (forward and reverse) into the transceptTenantForwardCableLoss and
transceptTenantReverseCable Loss fields of the Tenant OAM MIB field for this Tenant Sector
3. Enter reverse gain setting (-10 to +10 dB, typically +10 dBm) into the transceptTenantReverseGain
field of the Tenant OAM MIB for this Tenant Sector.
5.3.3 Functional RAN Call Verification
At the completion of BTS integration, that the coverage area is driven to insure all RANs are functional.
Recommended In order to verify RAN calls the following procedure is followed
1. Place calls on all RF channels supported by targeted RAN sector
2. Ensure hand-offs between RANs and RAN to tower are functional

Clear Control 4XD-G2 Operations and Maintenance Manual 1001537 A
OPENCELL CORP. PROPRIETARY
Page 71
6 BTS OPTIMIZATION
6.1 NEIGHBOR LIST UPDATES
The Clear Control-4XD-G2 system has the ability to change the RF footprint of its donor base station on a
sector by sector basis. Therefore, the neighbor list of the donor BTS and of each adjacent BTS (based on
RF footprint) will require review and updating where applicable. Without this modification, mobile handoff
functionality could be degraded or even rendered inoperable.
6.2 BTS PARAMETER CHANGES
The following section defines the required BTS parameter changes for operation with Clear Control-4XD-G2.
6.2.1 TDMA
The following table depicts BTS parameters that should be changed for operation with Clear Control-4XD-
G2. The final parameter settings will be determined by the WSP after optimizing the Clear Control-4XD-G2
BTS interaction and RF environment.
BTS
Manufacturer
Required Change Parameter Performance Problem
Ericsson
Disable DC Bias on BTS Rx Ports BTS Bias Alarm
Increase 10 dB SSB Level (carrier sealing level) Unable to place call on
sealed carrier
Increase 8 dB over
BTS-only settings
SSI (Power Increase) level Repeater/Tower handoff
unbalanced
Increase 8 dB over
BTS-only settings
SSD (Power Decrease) level Repeater/Tower handoff
unbalanced
Lucent
Enable Shortened Burst Mode No calls initiated
Change from 0 to 2. Page 5 of FCI form, field 94 No calls initiated
Set to 2. (Max delay
setting)
If Page 5 is full, go to page 6 of
FCI form, field 118
No calls initiated
Disable Hobbit Intracell handoff occur
Nortel Change from normal
to ABBREV
DCCHDATA datafill FIELD 6 No calls initiated
Disable TLR (TDMA Locate Receiver) No hand ins
Change from enable
to DISABLE for each
sector pair, i.e. Z into
X as well as X into Z.
HOPAIR datafill NBHO field No handoffs or hand ins

Clear Control 4XD-G2 Operations and Maintenance Manual 1001537 A
OPENCELL CORP. PROPRIETARY
Page 72
6.2.2 CDMA
There are four BTS parameters that are unique to the operation of a Clear Control-4XD-G2 sector. Along
with these, the standard search window settings must be adjusted to compensate for the distributed antenna
configuration. The first four BTS parameters are:
· Transmit propagation delay (add 100 usec to normal setting)
· Receive propagation delay (add 100 usec to normal setting)
· Maximum differential transmit delay
· Sector size
The transmit propagation delay compensates for the forward link delay from the channel element of the cell
to the transmit antenna of the nearest RAN in the sector. This parameter determines the system ‘zero time’
for the sector from which all other delays in the forward direction are measured.
The receive propagation delay compensates for the reverse link delay from the receive antenna of the
nearest RAN to the channel card of the cell. This parameter determines the ‘zero time’ for the sector from
which all other reverse link delays are calculated.
The maximum differential transmit delay compensates for the delay differential from the nearest RAN to the
furthest RAN within the sector. This parameter determines the search window sizes necessary to
encompass the differential delay from each RAN in the sector
The sector size parameter compensates for the maximum air delay expected at any RAN in the sector. This
parameter represents the maximum distance from any RAN at which the mobile will be able to access the
system. A standard setting for this parameter is 2 miles.
6.2.3 iDEN
Update neighbor lists to allow hand-off between Clear Control-4XD-G2 and adjacent towers
PTO = 27 (RAN single channel output power)
RXTXGAIN = 10 (account for 10 dB of reverse path gain)
6.2.3.1 Clear Control base station interface module setup
The interface between the EBTS and Clear Control allows for non-duplexed operation. The simplex block
diagram for the BIM is shown in Figure 6-1.

Clear Control 4XD-G2 Operations and Maintenance Manual 1001537 A
OPENCELL CORP. PROPRIETARY
Page 73
Figure 6-1 BIM Simplex Setup
6.2.3.2 Receiver Multicoupler Setup
In the simplex configuration shown in Figure 6-2, the ETBS transmit feen is attenuated by a 30dB pad. The
reverse paths are not attenuated and can provide as much as 40dB of gain. As shown in figure 6-2, each
simplex receive path (primary and diversity) is connected to two external 6-way power dividers respectively.
The 6-way power dividers will appropriately distribute uplink receive signals up to six separate primary and
diversity receivers on the base radios.

Clear Control 4XD-G2 Operations and Maintenance Manual 1001537 A
OPENCELL CORP. PROPRIETARY
Page 74
Figure 6-2 Receiver Multicoupler Setup
OpenCell BIM
Duplexer
B
Duplexer
C
Duplexer
A
6:12:1 6:1
Tx Only Rx Branch 2 Rx Branch 1
Tx 0 Rx 1 Rx 0
Tx 0 Rx 1 Rx 0
Tx 0 Rx 1 Rx 0

Clear Control 4XD-G2 Operations and Maintenance Manual 1001537 A
OPENCELL CORP. PROPRIETARY
Page 75
7 REPLACEMENT PROCEDURES
This section contains the Installation procedures for modules in the Clear Control-4XD-G2 system.
Warning
When inserting CompactPCI modules into the chassis, insure that the card is aligned with card guides. If
card is not within guides, then the backplane pins can be damaged.
When hot swapping modules, allow at least fifteen (15) seconds between the extraction and
insertion of any module. Doing so will allow for proper initialization of the modules.
7.1 RAN MODULE REPLACEMENT
This section contains the installation procedures for modules in the RAN. All cables have labels on them.
Because of the many different possible configurations of Clear Control-4XD-G2 equipment, these labels are
marked during factory configuration and/or field upgrade.
Before removing any cable, insure that the cables have been correctly marked with its location. See the
Clear Control-4XD-G2 Hardware Configuration Manual for the labeling convention.
Every module has two retention screws located at the ejection tabs that must be unscrewed prior to
removing the module.
The tools required to install or remove RAN modules are:
· #1 Phillips screwdriver
· 3/16” flat blade screwdriver
· 5/16” open end wrench
Warning Follow this procedure when inserting modules into the CompactPCI chassis.
7.1.1 Inserting cards (blades) and connectors
Unlike VME cards, whose contacts required several ounces of force per contact to seat correctly, cPCI cards
can and must be gently mated to the midplane.
Slamming the cards into the midplane is:
1. Unnecessary. The latest technology makes possible a gas tight, non-oxidizing, low insertion force, self-
aligning, high frequency, low noise contact.
2. Damaging to the midplane. It is very likely to bend a pin, causing a short, conceivably leading to a
useless midplane or even causing a fire. It could crack the connector housing making it easier to mis-
align the card on the next insertion.

Clear Control 4XD-G2 Operations and Maintenance Manual 1001537 A
OPENCELL CORP. PROPRIETARY
Page 76
3. Damaging to the card. It could dislodge or damage components. Deceleration forces of several G’s
could crack a component, or rip a heat sink off of a component.
Seating a card correctly:
Take your time. Gently guide the card into the card rails.
1. Slide it partially in, stop, inspect. Slide it down the rails, making initial contact with the midplane,
stopping and visually inspecting to see if the guide pins on the card’s connector are lining up with the
guide notches in the midplanes connector. (This is the self-aligning feature.) Use a flashlight if need be.
2. Push with your thumbs. Push it into position by applying force to the top and bottom of the card with
your thumbs. Do NOT rock the card into the chassis by first pushing on the bottom of the card, then the
top of the card.
3. If the card stops or requires increasing force to continue seating it, or it requires more than a couple of
pounds of force stop.
4. Remove the card and check all the pins in the midplane. Observe that they are standing perpendicular
to the board. A flashlight is very helpful.
5. Completely seat the card by moving the card levers into their locked position.
Something to remember:
Once a card has been incorrectly inserted, the pin points will leave a pock mark on the card edge connector
that may snag a pin in the future. The damage to the system can be greater than the cost of the card.
Consider replacing a card if it consistantly bends midplane pins!
The position of modules in the CompactPCI chassis are as shown below.
Torque Requirements
SMA 6 – 8 lb inch
Type N 15 – 20 lb inch

Clear Control 4XD-G2 Operations and Maintenance Manual 1001537 A
OPENCELL CORP. PROPRIETARY
Page 77

Clear Control 4XD-G2 Operations and Maintenance Manual 1001537 A
OPENCELL CORP. PROPRIETARY
Page 78
Figure 7-1. RAN CompactPCI Slot Positions
7.1.2 CPU
Warning
The CPU PN 1001310G001 is not Hot Swappable. Damage can occur if attempted.
The CPU PN 1001491G001 is Hot Swappable.
CPU Removal
1. Power off RAN chassis (See RAN Power Off procedure Section 2.2)
2. Disconnect RJ-45 ethernet cable from CPU front panel
3. Extract CPU from CompactPCI chassis
CPU Installation
1. Insert CPU into CPU position of CompactPCI chassis.
2. Re-cable RJ-45 ethernet cable into 10BaseT input connector
3. If the CPU is part number 1001310G001, remove the STF board and ensure the three (3) jumpers
are on JP-8
Module
positions

Clear Control 4XD-G2 Operations and Maintenance Manual 1001537 A
OPENCELL CORP. PROPRIETARY
Page 79
4. If the CPU is part number 1001491G001 remove the STF board and ensure the three (3) jumpers
are on JP-7
5. Power on RAN chassis (See RAN Power On procedure Section 2.2)
7.1.3 STF
STF Removal
1. Remove GPS RF cable from STF ANT connector using 5/16” wrench
2. Remove RJ-45 cable from STF DA, TLA and RECT connectors
3. Remove I2C Cables (up to 4) from STF A, B, C & D connectors
4. Extract STF from CompactPCI
STF Installation
1. Insert STF into the CompactPCI chassis position labeled STF
2. Re-cable I2C Cables (up to 4) into STF connectors A, B, C, & D
3. Re-cable RJ-45 cables into STF connectors RECT, TLA and DA
4. Re-cable GPS RF cable into STF connector ANT. Torque to 8 in-lbs using 5/16” wrench
5. Insure green power LED is lighted
6. Insure that Fault LED turns off after approximately 10 seconds
7.1.4 SIF
SIF Removal
1. Remove fiber from SIF LC connector
2. Remove RJ-45 ethernet cable from SIF 10BT connector
3. Record slot of SIF to remove (P13 or P14)
4. Extract SIF from CompactPCI chassis
SIF Installation
1. Insert SIF into slot position recorded in the SIF Removal step.
2. Reinstall RJ-45 ethernet cable into SIF 10BT connector
3. Reinstall fiber into SIF LC connector
4. Insure green power LED is lighted
5. Insure that Fault LED turns off after approximately 10 seconds
7.1.5 RDC
RDC Removal
1. Remove RF cables from RDC PRI and DIV connectors using 5/16” wrench
2. Record slot of RDC to remove (A1, A3, A4, A6)
3. Extract RDC from CompactPCI chassis

Clear Control 4XD-G2 Operations and Maintenance Manual 1001537 A
OPENCELL CORP. PROPRIETARY
Page 80
RDC Installation
1. Insert RDC into slot position recorded in RDC Removal step
2. Reinstall RF cables into RDC PRI and DIV connector. Torque connector to 8in-lbs using 5/16”
wrench
3. Insure green power LED is lighted
4. Insure that Fault LED turns off after approximately 10 seconds
7.1.6 RUC
RUC Removal
1. Remove RF cables from RUC CH 1/3 OUT and CH 2/4 connectors using 5/16” wrench (both may
not be present)
2. Remove I2C cables from PA CNTL 1/3 and PA CNTL 2/4 connectors (both may not be present)
3. Record slot of RUC to remove (A2, A5)
4. Extract RUC from CompactPCI chassis
RUC Installation
1. Insert RUC into slot position recorded in RUC Removal step
2. Reinstall RF cable into RUC CH 1/3 and CH 2/4 connectors (both may not be present). Torque
connectors to 8in-lbs using 5/16” wrench
3. Reinstall I2C cable into RUC CH PA CNTL1/3 and PA CNTL 2/4 connectors (both may not be
present)
4. Insure green power LED is lighted
5. Insure that Fault LED turns off after approximately 10 seconds
7.1.7 P/MCPLR
P/MCPLR Removal
1. Remove RF cables from P/MCPLR P IN and D IN connectors using 5/16” wrench
2. Remove RF cables from P/MCPLR P OUT1-6 and D OUT1-6 connectors using 5/16” wrench (not
all may be present)
3. Extract P/MCPLR from CompactPCI chassis
P/MCPLR Installation
1. Insert P/MCPLR into slot B7 of CompactPCI chassis
2. Reinstall RF cables into P/MCPLR P IN and D IN connectors. Torque connector to 8in-lbs using
5/16” wrench
3. Reinstall RF cables into P/MCPLR P OUT1-6 and D OUT1-6 connectors (if present). Torque
connector to 8in-lbs using 5/16” wrench
4. Insure green power LED is lighted
5. Insure that Fault LED turns off after approximately 10 seconds

Clear Control 4XD-G2 Operations and Maintenance Manual 1001537 A
OPENCELL CORP. PROPRIETARY
Page 81
7.1.8 C/MCPLR
C/MCPLR Removal
1. Remove RF cables from C/MCPLR P IN and D IN connectors using 5/16” wrench
2. Remove RF cables from C/MCPLR P OUT1-3 and D OUT1-3 connectors using 5/16” wrench (not
all may be present)
3. Extract C/MCPLR from CompactPCI chassis
C/MCPLR Installation
1. Insert C/MCPLR into slot B4 of CompactPCI chassis
2. Reinstall RF cables into C/MCPLR P IN and D IN connectors (if present). Torque connector to 8in-
lbs using 5/16” wrench
3. Reinstall RF cables into C/MCPLR P OUT1-6 and D OUT1-6 connectors (if present). Torque
connector to 8in-lbs using 5/16” wrench
4. Insure green power LED is lighted
5. Insure that Fault LED turns off after approximately 10 seconds
7.1.9 COMPACTPCI Power Supplies
CompactPCI PS Removal
1. Record slot for Power Supply to be removed
2. Extract CompactPCI PS from CompactPCI chassis
CompactPCI PS Installation
1. Insert Power Supply into slot recorded in removal step
2. Insure green Power LED is lighted
3. Insure that Fault LED turns off after approximately 10 seconds
7.1.10 COMPACTPCI Fans
Warning
Do not insert fingers into fan assembly while the blades are turning
The fan access door hinges down on three horizontal slide pins. When closing the fan access door care
should be taken to push the door to the right prior to rotating the door upward
COMPACT cPCI Fan Removal
1. Unscrew 2 captive screws on fan access door located at the top of the cPCI chassis using a flat
blade screwdriver.
2. Pull down access cover
3. Insert fingers into fan pull holes located on the right side of the fan assembly
4. Extract fan to be replaced from chassis

Clear Control 4XD-G2 Operations and Maintenance Manual 1001537 A
OPENCELL CORP. PROPRIETARY
Page 82
COMPACTPCI Fan Installation
1. Push Installation fan into open slot. Insure that the finger holes are on the right side of the
assembly.
2. Insure that Fan is operational
3. Close access door and secure with 2 captive screws
Fan access
door
Figure 7-2. RAN Fan Access Door

Clear Control 4XD-G2 Operations and Maintenance Manual 1001537 A
OPENCELL CORP. PROPRIETARY
Page 83
Figure 7-3. Fan Module
7.1.11 PAs
Warning
Power Amplifiers generate high localized heat. Insure PA module has cooled sufficiently for safe handling
before removing from door. The RF PA module should be cool to the touch before removal to reduce
possibility of damage to electronics.
Warning
Power to the Power Amplifier’s PIC must be removed by switching off the appropriate circuit breaker on
the rectifier before removing cables from the Power Amplifiers. Otherwise damage to the PA can occur.

Clear Control 4XD-G2 Operations and Maintenance Manual 1001537 A
OPENCELL CORP. PROPRIETARY
Page 84
Figure 7-4. PA Assembly Location
Power
Amplifier
Assemblies

Clear Control 4XD-G2 Operations and Maintenance Manual 1001537 A
OPENCELL CORP. PROPRIETARY
Page 85
PA Assembly Removal
1. Lift the spring loaded retention pin located at the top of the PA assembly and slide the PA assembly
out half way until the retention pin re engages.
2. Disconnect blue positronic connector from the PIC providing power to PA. Allow PA to cool to
touch
3. Disconnect the I2C cable from the PIC
4. Disconnect RF cables from PA input and output
5. Lift spring loaded retention pin located at the top of the PA assembly
6. Slide the PA assembly the rest of the way out
PA Assembly Installation
1. Slice the new PA assembly into the slot pushing it in until the spring loaded retention pin engages
at the half way in point.
2. Connect RF cables to PA input and output. Tighten to 8 in-lbs.
3. Connect the I2C cable.
4. Connect blue positronic connector to PIC
5. Lift spring loaded retention pin located at the top of the PA assembly
6. Push PA assembly all the way in
7. Insure PIC Power Fault LED goes out after 10 seconds
7.1.12 PICs
1. The PIC is part of the PA assembly and is not individually removed.
7.1.13 PA Fans
1. PA fans are part of the PA assembly and are not individually removed
7.1.14 Circuit Breakers
The five (5) RAN circuit breakers are located on the rectifier.
The circuit breakers are as follows:
· 1A PA 1
· 2A PA 2
· 3A PA 3
· 4A PA 4
· 5A cPCI Chassis

Clear Control 4XD-G2 Operations and Maintenance Manual 1001537 A
OPENCELL CORP. PROPRIETARY
Page 86
Circuit
breakers
Figure 7-5. RAN Circuit Breaker Location
7.1.15 Rectifier Module
Rectifier Module Removal
1. Pull the ejection/insertion lever located on the left side of the rectifier module down. Using a small
screw driver helps to start moving the lever.
2. Using the hole in the ejection/insertion lever, extract unit from rectifier chassis
Rectifier Module Installation
1. Insert rectifier module into rectifier chassis aligning guides on bottom of rectifier module with
rectifier chassis.
2. Push until unit is fully seated
3. Secure the rectifier by pushing the ejection/insertion lever on the left side up
4. Insure green AC LED is lighted. Insure yellow CL LED and Red RFA LED are not lighted.

Clear Control 4XD-G2 Operations and Maintenance Manual 1001537 A
OPENCELL CORP. PROPRIETARY
Page 87
Figure 7-6 RAN Rectifier Module
7.1.16 Glitch Batteries
Warning
ONLY TRAINED PERSONNEL SHOULD PERFORM SERVICE ON THE RAN OR ITS BATTERIES.
CAUTION!
RISK OF EXPLOSION IF BATTERY IS REPLACED BY AN INCORRECT TYPE. DISPOSE OF USED
BATTERIES ACCORDING TO THE INSTRUCTIONS
Glitch Battery Removal
1. Disconnect the Anderson connector. See figure 7-7.
2. Depress the “DISC” switch located on the rectifier. See figure 2-1.
Eject/
insert
leve
r

Clear Control 4XD-G2 Operations and Maintenance Manual 1001537 A
OPENCELL CORP. PROPRIETARY
Page 88
3. Be sure the LVD LED goes off
4. Disconnect all cables connected to the glitch batteries
5. Remove batteries from the battery drawer.
Glitch Battery Installation
1. Place batteries in the battery drawer.
2. Connect the battery interconnect cables.
3. Connect the Anderson connector
4. The rectifier will recognize the battery voltage and automatically engage the LVD

Clear Control 4XD-G2 Operations and Maintenance Manual 1001537 A
OPENCELL CORP. PROPRIETARY
Page 89

Clear Control 4XD-G2 Operations and Maintenance Manual 1001537 A
OPENCELL CORP. PROPRIETARY
Page 90
Figure 7-7. Battery Backup Connector
Battery back
up connector
Battery
Compartment
Temp Sensor
70 amp fuse

Clear Control 4XD-G2 Operations and Maintenance Manual 1001537 A
OPENCELL CORP. PROPRIETARY
Page 91
7.1.17 Extended Time Backup Batteries
Battery Removal
1. Use the same procedure (section 7.1.17) as removing the glitch batteries
Battery Replacement
2. Use the same procedure (section 7.1.17) as installing the glitch batteries
7.1.18 Battery Fuse Replacement
Fuse removal
Cut the tie wrap that holds the protective tubing over the fuse
Slide the protective tubing back over the battery cable until both ends of the fuse are exposed
Using two (2) 7/16” wrenches to loosen and remove the nuts and bolts that connect the fuse to the battery
cable on both ends of the fuse.
Fuse replacement
Using two (2) 7/16” wrenches to install and tighten the nuts and bolts that connect the fuse to the battery
cable on both ends of the fuse.
Slide the protective tubing back over the fuse until both ends of the fuse are covered
Install a tie wrap over the center of the fuse to hold the protective tubing in place
7.1.19 GPS Lightning Arrestor
Removing the GPS lightening arrestor fuse.
1. To remove the fuse use a 9/16 inch wrench and turn counter clockwise.
Replacing the GPS lightening arrestor fuse
2. To replace the GPS fuse use a 9/16 inch wrench and turn clockwise.

Clear Control 4XD-G2 Operations and Maintenance Manual 1001537 A
OPENCELL CORP. PROPRIETARY
Page 92
7.2 HUB MODULE REPLACEMENT
This section contains the Installation procedures for modules in the HUB. All cables have labels on them.
Because of the many different possible configurations of Clear Control-4XD-G2 equipment, these labels are
marked during factory configuration and/or field upgrade.
Before removing any cable, insure that the cables have been marked correctly with its location. See the
Clear Control-4XD-G2 Hardware Configuration Manual for the labeling convention.
Every module has two retention screws located at the ejection tabs that must be unscrewed prior to
removing the module.
The position of modules in the CompactPCI chassis are as shown below.
Figure 7-8. Digital CompactPCI Chassis Front

Clear Control 4XD-G2 Operations and Maintenance Manual 1001537 A
OPENCELL CORP. PROPRIETARY
Page 93

Clear Control 4XD-G2 Operations and Maintenance Manual 1001537 A
OPENCELL CORP. PROPRIETARY
Page 94

Clear Control 4XD-G2 Operations and Maintenance Manual 1001537 A
OPENCELL CORP. PROPRIETARY
Page 95
Figure 7-9. Digital CompactPCI Chassis Rear

Clear Control 4XD-G2 Operations and Maintenance Manual 1001537 A
OPENCELL CORP. PROPRIETARY
Page 96

Clear Control 4XD-G2 Operations and Maintenance Manual 1001537 A
OPENCELL CORP. PROPRIETARY
Page 97

Clear Control 4XD-G2 Operations and Maintenance Manual 1001537 A
OPENCELL CORP. PROPRIETARY
Page 98
Figure 7-10. RF CompactPCI Chassis Front

Clear Control 4XD-G2 Operations and Maintenance Manual 1001537 A
OPENCELL CORP. PROPRIETARY
Page 99

Clear Control 4XD-G2 Operations and Maintenance Manual 1001537 A
OPENCELL CORP. PROPRIETARY
Page 100
Figure 7-11. RF CompactPCI Chassis Rear

Clear Control 4XD-G2 Operations and Maintenance Manual 1001537 A
OPENCELL CORP. PROPRIETARY
Page 101
7.2.1 CPU
Warning
The CPU PN 1001310G001 and G002 are not Hot Swappable. Damage can occur if attempted.
The CPU PN 1001491G001 and G002 are Hot Swappable.
7.2.1.1 CPU Removal
ALWAYS REFER TO THE RELEASE NOTES FOR THE REVISION OF SOFTWARE FOR
SPECIFIC INSTRUCTIONS.
7.2.1.2 HUB Master CPU Removal
7.2.1.2.1 Back up Hub Master MIB’s
1. Telnet to Hubmaster targeted for removal
2. cd “sandbox/bin”
3. Press Enter
4. sudo ./backup-hubmaster Operator@[Hubmaster-IP]:/var (make note of the name of the file being
created for later reference.
5. Type: operate
6. Press Enter
7. [Hubmaster-IP] gets replaced with the hub master IP
8. Power off HUB Chassis (See HUB Power Off procedure Section 2.1)
9. Disconnect RJ-45 ethernet cable from CPU front panel
10. Extract CPU from CompactPCI chassis
7.2.1.2.2 HUB Master CPU Installation
1. Insert CPU into CPU position of CompactPCI chassis.
2. Re-cable RJ-45 ethernet cable into 10BaseT input connector
3. Power on HUB (See HUB Power On procedure Section 2.1)
7.2.1.3 Local Connection Configuration
The local computer running Window OS must be configured to the same subnet as the hubmaster to
continue procedure.
To configure the local computer:
DHCP must be enabled.
Shutdown local computer and when it has powered off, restart. This will enable the local computer to renew
its ip to the subnet of hubmaster.
· Click Start (lower left hand corner)

Clear Control 4XD-G2 Operations and Maintenance Manual 1001537 A
OPENCELL CORP. PROPRIETARY
Page 102
· Click Run
· Type: telnet [Hubmaster-IP] (default 192.168.0.2); i.e. telnet 192.168.0.2
· Press Enter
· A DOS window should open and you should be prompted for user name.
· Type: operator
· Press Enter
· You will then be prompted for a password.
· Type: operate
· Press Enter
Proceed to Configuration of Hubmaster
7.2.1.4 Remote Connection Configuration
To remotely access hubmaster you must be able to telnet to the device.
· Click Start (lower left hand corner)
· Click Run
· Type: telnet [Hubmaster-IP] (default 192.168.0.2); i.e. telnet 192.168.0.2
· Press Enter
· A DOS window should open and you should be prompted for user name.
· Type: operator
· Press Enter
· You will then be prompted for a password.
· Type: operate
· Press Enter
Proceed to Configuration of Hubmaster
If you are unable to telnet Hubmaster, contact a Systems Administrator for assistance.
Configuration of Hubmaster
· cd cruft/cloning
· Press Enter
· sudo ./configure-hubmaster
· Type: operate
· Press Enter
You will be prompted for the following information. The inputs are in italics.

Clear Control 4XD-G2 Operations and Maintenance Manual 1001537 A
OPENCELL CORP. PROPRIETARY
Page 103
Press Enter after each field is completed.
· What is machines IP address static IP address that has been assigned to the HubMaster
node.
· What is the machines netmask accept the default
· What is the start of address range served by the DHCP Accept the default
· What is the end of address range served by the DHCP Accept the default
· What is the default gateway/router input router IP address
· What domain shall the DNS Server serve Ocbeta1
· Enter a list of upstream DNS servers enter all IP addresses of each Domain Name
· Server that the Hub master node can connect to. When the list is entered press CTRL D. If
there are none press CTRL D.
After the hubmaster ip is changed, you must shutdown and restart the local computer to access hubmaster
from the local computer.
Restore Hubmaster MIB’s
Telnet hubmaster using procedure from previous sections. Use the new ip address assigned during
hubmaster configuration.
· After logging in type:
· Cd sandbox/bin
· Press Enter
· sudo ./restore-hubmaster Operator@[hubmaster-IP]:/var backupname.tar (backupname.tar is the
file stored while performing the backup of the hubmaster).
· sudo reboot
· Type: operate
· Press Enter
Note: The Hubmaster MIBs can be periodically backed up on any server running SSH.
Hubslave CPU Removal:
· Refer to section 8.2.1.2.1 to back up the Hubslave MIB’s, replacing Hubmaster-IP with Hubslave-IP
· Power down Fiber Interface Rack (FIR).
· Disconnect RJ-45 Ethernet Cable.
· Remove and replace designated CPU.
· Reconnect RJ-45 Ethernet Cable.

Clear Control 4XD-G2 Operations and Maintenance Manual 1001537 A
OPENCELL CORP. PROPRIETARY
Page 104
· Re-apply power to FIR
· Refer to section 8.2.1.6 to restore Hub-slave MIB’s, replacing Hubmaster-IP with Hubslave-IP.
7.2.2 STF
STF Removal
1. Remove GPS RF cable from STF ANT connector using 5/16” wrench
2. Remove I2C Cables (up to 4) from STF A, B, C & D connectors
3. Extract STF from CompactPCI from slot 2 of the digital chassis
STF Installation
1. Insert STF into the CompactPCI chassis position labeled STF
2. Re-cable I2C Cables (up to 4) into STF connectors A, B, C, & D
3. Re-cable GPS RF cable into STF connector ANT. Torque to 8 in-lbs using 5/16” wrench
4. Insure green power LED is lighted
5. Insure that Fault LED turns off after approximately 10 seconds
7.2.3 SIF
SIF Removal
1. Remove fiber from SIF LC connector
2. Remove RJ-45 ethernet cable from SIF 10BT connector
3. Record slot of SIF to remove (slots 3 -8 of in the digital chassis)
4. Extract SIF from CompactPCI chassis
SIF Installation
1. Insert SIF into slot position recorded in the SIF Removal step.
2. Reinstall RJ-45 ethernet cable into SIF 10BT connector
3. Reinstall fiber into SIF LC connector
4. Insure green power LED is lighted
5. Insure that Fault LED turns off after approximately 10 seconds
7.2.4 RSC
RSC Removal
1. Record slot of RSC to remove (slots 3 -8 of in the digital chassis)
2. Extract RSC from CompactPCI chassis
RSC Installation
1. Insert RSC into slot position recorded in the RSC Removal step.
2. Insure green power LED is lighted
3. Insure that Fault LED turns off after approximately 10 seconds

Clear Control 4XD-G2 Operations and Maintenance Manual 1001537 A
OPENCELL CORP. PROPRIETARY
Page 105
7.2.5 HDC
HDC Removal
1. Remove RF cable from HDC RF Input using 5/16” wrench
2. Remove RF cables from HDC RF Outputs 1-4 using 5/16” wrench
3. Record slot of HDC to remove (slots 2, 4, 6, 8 in the RF chassis)
4. Extract HDC from CompactPCI chassis
HDC Installation
1. Insert HDC into slot position recorded in the HDC Removal step
2. Reinstall RF Input cable to HDC using 5/16” wrench, Torque to 8 in-lbs
3. Reinstall RF Output cables 1-4 to HDC using 5/16” wrench, Torque to 8 in-lbs
4. Insure green power LED is lighted
5. Insure that Fault LED turns off after approximately 10 seconds
7.2.6 FSC
FSC Removal
1. Remove RF cables from FSC RF Inputs (4 or 8 depending on configuration) using 5/16” wrench
2. Record slot of FSC to remove (slots 3 and 7 in the RF chassis)
3. Extract FSC from CompactPCI chassis
FSC Installation
1. Insert FSC into slot position recorded in the FSC Removal step
2. Reinstall RF Output cables(4 or 8) to FSC using 5/16” wrench, Torque to 8 in-lbs
3. Insure green power LED is lighted
4. Insure that Fault LED turns off after approximately 10 seconds
7.2.7 HUC
HUC Removal
1. Remove 2 RF cables from HUC RF Outputs (PRI and DIV) using 5/16” wrench
2. Record slot of HUC to remove (slots 1 and 5 in the RF chassis)
3. Extract HUC from CompactPCI chassis
HUC Installation
1. Insert HUC into slot position recorded in the HUC Removal step
2. Reinstall 2 RF Output cables (PRI and DIV) from HUC using 5/16” wrench, Torque to 8 in-lbs
3. Insure green power LED is lighted
4. Insure that Fault LED turns off after approximately 10 seconds

Clear Control 4XD-G2 Operations and Maintenance Manual 1001537 A
OPENCELL CORP. PROPRIETARY
Page 106
7.2.8 COMPACTPCI Power Supply
HUB Compact cPCI Power Supply Removal
1. Unscrew the Philips head screws located on the left and right side of the module.
2. Extract unit from chassis

Clear Control 4XD-G2 Operations and Maintenance Manual 1001537 A
OPENCELL CORP. PROPRIETARY
Page 107

Clear Control 4XD-G2 Operations and Maintenance Manual 1001537 A
OPENCELL CORP. PROPRIETARY
Page 108
Figure 7-12. HUB cPCI Power Supply
HUB Compact cPCI Power Supply Installation
1. Insert power supply module into power supply chassis aligning module with chassis.
2. Push until unit is fully seated
3. Secure unit by fastening thumbscrews
4. Insure green Input LED is lighted and Red Fault LED is not lighted.
7.2.9 HUB COMPACTPCI Fans
Warning
Do not insert fingers into blades of fan during removal and installation procedures
HUB Compact cPCI Fan Removal
1. Unscrew 5 captive screws on Fan access door using a flat blade screwdriver.

Clear Control 4XD-G2 Operations and Maintenance Manual 1001537 A
OPENCELL CORP. PROPRIETARY
Page 109
2. Pull down access cover
3. Insert fingers into fan pull holes
4. Extract fan to be replaced from chassis
HUB Compact cPCI Fan Installation
1. Push Installation fan into open slot. Insure that the connector is aligned with the blind mate in
lower right hand corner.
2. Insure that Fan is operational
3. Close access door and secure with 5 captive screws. Insure that the top of the CompactPCI
chassis is not being depressed when fastening screws. This will prevent misalignment of screws.

Clear Control 4XD-G2 Operations and Maintenance Manual 1001537 A
OPENCELL CORP. PROPRIETARY
Page 110

Clear Control 4XD-G2 Operations and Maintenance Manual 1001537 A
OPENCELL CORP. PROPRIETARY
Page 111
Figure 7-13. HUB CompactPCI Fan Assembly
7.2.10 Ethernet Hub
EHUB Removal
1. Insure power switch is set to off
2. Remove all RJ-45 cables from front panel of EHUB
3. Remove AC line cord from rear of EHUB
4. Remove screws securing EHUB to rack
5. Extract EHUB from Hub rack
EHUB Installation
1. Insert EHUB into Hub rack
2. Install screws securing EHUB to rack
3. Attached AC line cord to rear of EHUB
4. Connect all RJ-45 connectors disconnected during the removal step
5. Insure power switch is set to on
6. Insure power LED is lighted

Clear Control 4XD-G2 Operations and Maintenance Manual 1001537 A
OPENCELL CORP. PROPRIETARY
Page 112
7.2.11 HRM
HRM Removal
1. Remove RF cabling from GPS inputs and auxiliary outputs (front panel)
2. Remove all I2C RJ-45 cables on rear panel. Note: Faults may occur on BIMs that have been
disconnected from their I2C connection. These faults will clear when the I2C cable is reconnected.
3. Remove all Clock RJ-45 cables on rear panel. There may be up to four cables depending upon
the configuration.
4. Remove 12VDC power connector from front panel
5. Remove 48VDC power connector from front panel
6. Remove screws securing HRM to rack rails
7. Extract HRM from rack
HRM Installation
1. Insert HRM into rack
2. Install screws securing HRM to rack rails
3. Attach 12VDC to HRM power input on front panel
4. Attach 48VDC to HRM power input on front panel
5. Attach all Clock RJ-45 cables on rear panel disconnected during removal. There may up to four
cables depending upon the configuration.
6. Connect all I2C RJ-45 connectors disconnected during removal
7. Connect all GPS RF connectors disconnected during removal
8. Insure power LED is lighted and fault LED is not lighted after 30 seconds
9. Insure PLL LED (yellow) is lighted
7.2.12 BIM
Warning
BIM modules may have high RF power on its RF connectors. When replacing a BIM, insure that
the BTS Power Amplifiers for that BIM have been disabled.
BIM Removal
1. Remove RF cabling from BTS to BIM (may be low power or high power input, duplexed or non-
duplexed depending upon configuration). Insure all BTS power amplifiers on this sector have been
disabled before de-cabling.
2. Remove all I2C RJ-45 cables. Note: Faults may occur on BIMs that have been disconnected from
their I2C connection. These faults will clear when the I2C cable is reconnected. To clear the faults
during the install attach I2C to next BIM down in Hub rack to allow I2C communications with the rest of
the BIMs in the chain.
3. Record BIM I2C address as read from the 7 segment display
4. Remove 12VDC power connector from rear panel

Clear Control 4XD-G2 Operations and Maintenance Manual 1001537 A
OPENCELL CORP. PROPRIETARY
Page 113
5. Remove screws securing BIM to Hub rack
6. Extract BIM from Hub rack
BIM Installation
1. Insert BIM into Hub rack
2. Install screws securing BIM to Hub rack
3. Attached 12VDC to BIM power input on rear panel
4. Dial in the I2C address that was recorded in BIM Removal step 3
5. Connect all I2C RJ-45 connectors disconnected during removal step 2
6. Connect all RF connectors disconnected during removal step 1
7. Insure power LED is lighted and fault LED is not lighted
8. Re-enable BTS power amplifiers

Clear Control 4XD-G2 Operations and Maintenance Manual 1001537 A
OPENCELL CORP. PROPRIETARY
Page 114
7.2.13 PDU
PDU Removal
Disconnect the – 48 VDC input from the left most connector
Disconnect the – 48 VDC output to the equipment in the Hub rack
Remove four (4) screws holding the PDU assembly in the Hub rack
Remove the PDU assembly from the front of the Hub rack
PDU Installation
Place the PDU assembly in the Hub rack through the front
Screw four (4) screws to secure the PDU to the Hub rack
Connect the – 48 VDC from the Hub equipment to the PDU
Connect the – 48 VDC feed to the left most connector

Clear Control 4XD-G2 Operations and Maintenance Manual 1001537 A
OPENCELL CORP. PROPRIETARY
Page 115
8 SCHEDULED MAINTENANCE
The HUB and RAN require very little maintenance. Most can be performed while the system is in operation.
No maintenance is required to ensure proper operation of the Clear Control-4XD-G2 elements.
8.1 FILTERS
The RAN filter should be removed for inspection and cleaning every six months. In dusty conditions this
procedure should be performed more often. The inspection should include looking for and replacing
damaged filters. Damaged filters should be replaced immediately.
The filter in the RAN can be washed with water and dried. Alternately, the dirty filter can be replaced with a
clean filter. The dirty one can be cleaned and used later.
There is only one filter on the RAN, which is located on the door. There are six spring loaded retainers
holding the filter to the door.
While the filters are being maintained, the louvers on the rear under the rain shields (left and right) should be
inspected for any blockage. Should there be a blockage, it remove it at this time.
Figure 8-1. RAN Filter

Clear Control 4XD-G2 Operations and Maintenance Manual 1001537 A
OPENCELL CORP. PROPRIETARY
Page 116
8.2 ANTENNA AND GPS CABLES
The waterproofing materials used on the antenna, GPS and RAN cable ends should be inspected annually
for cracks or deterioration. Replace any waterproofing material that has deteriorated.
8.3 ANTENNA LEVEL
The antenna should be checked to be sure that it is plumb on an annual basis. Refer to the installation
manual for this procedure.
8.4 MOUNTING HARDWARE
All hardware that is used to mount the RAN to the utility pole should be checked for tightness annually.Refer
to the installation manual for torque specifications.
8.5 BATTERIES
There are 3 Different batteries in the RAN depending on which option was purchased.
· The Glitch battery which is located inside the RAN
· The battery backup option is located in a separate enclosure beneath the RAN.
· The CPU has an onboard lithium battery. There is a CPU in both the HUB and RAN.
Battery maintenance is predicated on the environment that they are in. The hotter the environment or the
more often a battery is exercised through a discharge cycle, the more often maintenance is required.
As a guideline, the glitch batteries should be removed from the RAN and each cell tested annually.
The full size battery backup should be inspected annually for any signs of corrosion or bulging.
Glitch batteries and full size battery backup batteries should be replaced every three to five years depending
on the environmental conditions.

Clear Control 4XD-G2 Operations and Maintenance Manual 1001537 A
OPENCELL CORP. PROPRIETARY
Page 117
9 SOFTWARE UPDATES
9.1 SOFTWARE RELEASE DELIVERABLE
The OpenCell software upgrade process is based on packaging utilities built into the Linux-based operating
system used by OpenCell. The software upgrade is a set of interdependent packages delivered in a self-
extracting executable named so as to reflect the revision of the contained software; for example: hr-2.1.0-
upgrade would be used to upgrade a target Hub or RAN CPU to version 2.1.0. When invoked, the upgrade
executable will automatically take the appropriate actions to upgrade the target CPU.
9.2 RELEASE NOTES
The release notes delivered with each software release distribution will contain specific details about the
changes being made in that software release. The release notes will itemize each change made, including a
description of the problem/issue being addressed, a description of how the problem/issue was resolved, and
the impact of the change on the NMS.
Included in the release notes are details of any upgrades to the FPGA images, including revision number
information contained in the latest release build. To ensure the latest documentation matches the current
packaged images, the release notes will be the only place where this information is captured in
external/customer documentation.
9.3 UPGRADING EXISTING SYSTEM
The most common upgrade scenario is one where an existing, fielded, operational system is having all of its
CPUs upgraded to the next version of software. Some important notes regarding this type of upgrade:
9.3.1 Preliminary Steps
The following are some general notes that need to be considered when upgrading a fielded system:
The Hub Master should be the final CPU upgraded in the network to ensure that any new network-level
functions are managed and supported properly.
It is assumed that a network administrator will be performing the upgrade.
Upgrading an operational system will interrupt service, so upgrades should be planned during the
maintenance window.
An upgrade of a test CPU should be attempted prior to upgrading an entire system or set of systems.
For upgrade verification purposes, note the PA power, RUC attenuator values, and module pathtrace values
(see the transceptOpencellPathtraceTable MIB) on a test RAN CPU and follow instructions found in the
section in this document labeled “Verification”.
The upgrade executable should be FTP'd to all target machines prior to upgrading any machine. This is
more efficient than updating one machine at a time.

Clear Control 4XD-G2 Operations and Maintenance Manual 1001537 A
OPENCELL CORP. PROPRIETARY
Page 118
The RAN CPUs should be upgraded first, as upgrading the HUB CPUs may interrupt telnet sessions to the
RAN, thereby stopping the RAN upgrades.
9.3.2 Upgrade Steps
The following are the steps for installing and running the upgrade executable:
FTP to the target CPU by entering: ftp <ip/hostname>, with "operator" as the username and "operate" as
the password.
Configure FTP to transfer in binary mode by entering: bin
Explicitly set the target location by entering: cd /var/
Push the distribution executable file to the target CPU by entering: put <filename>, where <filename> is
something like "hr-2.0.0-upgrade".
Exit out of the FTP session using quit or exit, depending on the FTP application being used.
Telnet into the target CPU by entering: telnet <ip/hostname>, with "operator" as the username and
"operate" as the password.
Change to the directory where the upgrade is located by entering: cd /var/
Change the upgrade file mode to be executable by entering: chmod 555 <filename>, where "filename" is
something like "hr-2.0.0-upgrade"
Run the upgrade distribution executable file by entering: ./<filename>, where <filename> is something like
"hr-2.0.0-upgrade".
Upon completion of the upgrade, which will take several minutes, reboot the machine to be sure that
everything starts normally by entering: sudo reboot
9.3.3 Verification
It is important to be sure that the upgrade was successful before continuing on with upgrading other CPUs in
the network. Some of this verification is done automatically by the upgrade executable, but there are certain
steps that need to be done manually as well.
Actions that are automatically taken by the upgrade executable to verify success include the following:
Built in package management checks to be sure that files are being written and removed as expected.
Checks to be sure that upon completion of the upgrade, certain processes are running (or no longer running,
as the case may be) as expected.
Test scripts being run to ensure that processes are running as expected.

Clear Control 4XD-G2 Operations and Maintenance Manual 1001537 A
OPENCELL CORP. PROPRIETARY
Page 119
If the autonomous actions taken by the upgrade executable discover that the upgrade was not successful,
the upgrade executable will report this information in the log file located at /var/log/opencell-upgrade.
Otherwise, a successful status message will be reported to that log.
Manual steps must also be taken to ensure that the upgrade process completed successfully. Note that
some of the manual validation steps below may also be performed by the automatic validation described
above.
The process list should be examined to be sure that the appropriate processes are running. This can be
done by telnetting into the target CPU (see "Upgrade Steps" section above) and entering:
ps ax | grep "/usr/bin/”. The list that is returned will indicate all processes that were run from the system
binary directory. This list should include the following, at a minimum:
/usr/bin/pathtrace /usr/bin/rgc
/usr/bin/nodepaths /usr/bin/equipment
/usr/bin/netnode /usr/bin/stf
/usr/bin/hlpwatch /usr/bin/i2cbusscan
/usr/bin/pcibusscan /usr/bin/i2cbusmaster (6
instances)
/usr/bin/fgc /usr/bin/gps
/usr/bin/niprs (4 instances) /usr/bin/hcp
where hcp represents the listing of all HCPs that correspond to the modules being controlled by the target
CPU. These are specific to the target CPU being upgraded and include HDC, BIM, FSC, HUC, MUC, RUC,
RDC, SIF, AND RSC. There should be one instance of each HCP per module managed by the target CPU.
When evaluating the process list, it is important to be sure that the process IDs of each of the listed
processes above stay stable to ensure that processes are not continually restarting. Run the command ps
ax | grep /usr/bin/ multiple times over the course of a minute or two to be sure that this is the case.
In addition to the above processes, it must be verified that the SNMP agent software is running. This is done
by entering: ps as | grep "/usr/local/sbin" and verifying that /usr/local/sbin/snmpd is one of the
processes listed.
Evaluate the software version to be sure that it matches what is intended. This can be done from the NMS
by evaluating the Network Node MIB field transceptNetworkNodeOpencellSoftwareRev. Alternatively, this
value can be retrieved in the telnet session to the CPU opened in the previous step by entering:
snmpget localhost patriots transceptNetworkNodeOpencellSoftwareRev.0
On the upgraded CPU, verify pathtrace values are as expected by viewing the
transceptOpencellPathtraceTable MIB. Refer to the above "Preliminary Steps" section for details.

Clear Control 4XD-G2 Operations and Maintenance Manual 1001537 A
OPENCELL CORP. PROPRIETARY
Page 120
On the upgraded RAN CPU, verify PAs are functioning and power levels are as expected. Refer to the
above "Preliminary Steps" section for details.
9.3.4 Failed Upgrades
In the case of a failed upgrade, it will be desirable to attempt to return the target CPU to its previous revision
by uninstalling the most recent software upgrade. This action will be accomplished with the use of a
downgrade script that is installed as part of the upgrade. The name of the downgrade script will contain the
name of the version being downgraded to; for example, hr-2.0.0-downgrade would be used to revert a CPU
that has been upgraded to version 2.1.0 back to 2.0.0.
Note that it is difficult to guarantee that a CPU reverted to its previous revision will work exactly as the CPU
did prior to the upgrade. There are simply too many variables to guarantee this. The regression test cycle
here at OpenCell will include a series of steps to validate that the uninstall/downgrade process works, but it
is extremely difficult to guarantee that all possible failure paths will be exercised.
It is important that, upon completion of a downgrade, the verification steps described in the previous section
are taken to ensure that the CPU is left in an operational state.
9.3.5 FPGA Updates
Certain software releases will contain updates to the FPGA images that the OpenCell modules load on
startup. These FPGA image updates need to be programmed into an EEPROM on the module(s) in
question. The OpenCell software processes, upon detection of an out of date FPGA image, will
autonomously and automatically program the EEPROMs. Because FPGA image updates are coupled with
software releases, this autonomous EEPROM programming will take place as soon as the upgrade steps for
a CPU are complete. Depending on the module(s) being updated with new FPGA images, this autonomous
action could take as long as 20-30 minutes to complete
NOTE: While FGPAs are being downloaded, service will be interrupted.
The HCPs (FSC, HUC, RDC, and RUC) will automatically evaluate the hardware module revision and
determine if the FPGA image in the FPGA Prom is outdated. If this is the case, the HCP will automatically
start a download session to update the FPGA Prom with the proper image. The HCPs will use the
transceptHcpLoadFpgaProm fields in the HCP MIBs to report the status of the Prom loading. The
enumerated values in this MIB field are:
noStatus(0) : Indicates that no Prom Load has been attempted
loadingProm(1) : Indicates that a Prom Load is in progress / manually start a Prom Load.
loadSuccess(2) : Indicates that a Prom Load has completed successfully.
loadFailure(3) : Indicates that a Prom Load attempt has failed.

Clear Control 4XD-G2 Operations and Maintenance Manual 1001537 A
OPENCELL CORP. PROPRIETARY
Page 121
The transceptHcpLoadFpgaProm fields in the HUC, RDC, RUC, and FSC MIBs need to be monitored (via
SNMP polling or traps) in order to detect failed FPGA Prom Loads (value = loadFailure(3), which is a fault
condition that needs to be remedied by manually restarting the Prom Load session. This manual restart is
accomplished by changing this MIB field to a value of loadingProm(1). In addition to polling for
loadFailure(3), the NMS should also poll for a value of loadSuccess(2) in order to log the fact that a
successful Prom Load has taken place, and for a value of loadingProm(1) to know that a Prom Load is
underway. Please refer to the Fault and Troubleshooting guide for details.
9.3.6 Backup/Restore
There are several files on a CPU being upgraded that should be backed up in case something goes wrong
with the upgrade and need to be restored. This set of files includes the MIBmap files where MIB data is
stored, as well as several system configuration files.
The upgrade executable will automatically run the backup script to take care of backing up all key files.
These files will be bundled into a file that will be stored on the CPU being upgraded, in the /var directory.
This file will be given a name that associates it with version of the upgrade being performed, for example:
backup-pre-2.1.0.tar.gz.
Upgrading a CPU does not require that a restore of the backed up files be performed unless a problem is
encountered. Any data contained in the MIBmap files and any configuration data in the system configuration
files will remain untouched through a software upgrade. The only time that backup data needs to be
recovered is when an upgrade has failed and the CPU is being reverted to the previous version using the
downgrade script. In this event, the downgrade script will automatically attempt to restore the backup data at
the end of the downgrade process.
Alternatively, the backup/restore steps can be run manually, with the backup file being saved to any location
on any CPU connected to the network. The steps for doing this are as follows:
Backup:
Telnet to the target CPU, using operator/operate as the username/password
Run the backup script: sudo backup-hubmaster operator@<target-IP>:/var <backupname>.tar
Restore:
Again, note that a restore only needs to be performed if problems with the upgrade have been encountered
and the CPU is going to be downgraded.
Telnet to the target CPU, using operator/operate as the username/password
Run the restore script: sudo backup-hubmaster -r operator@<target-IP>:/var <backupname>.tar
Reboot by entering: sudo reboot
Note that the restore script is simply the backup script invoked with a "-r" switch. The "-r" switch is identical
to the switch "--restore".

Clear Control 4XD-G2 Operations and Maintenance Manual 1001537 A
OPENCELL CORP. PROPRIETARY
Page 122
9.4 UPDATING SPARE CPUS
There are times when it is desirable to update the software on a spare CPU. The general approach for
updating a spare CPU is to install the CPU into an available chassis that is connected to the network and
execute the upgrade steps detailed in the previous section above. The software upgrade process associated
with upgrading a spare CPU is exactly as described in the "Upgrading Existing System" section above. The
only difference between upgrading a spare CPU and an existing system is that a physical location for
upgrading the spare CPU must be determined.
There are a few ways to make a CPU chassis slot available:
Each digital chassis in the Hub supports two CPUs - it is possible that one of the installed Hub digital
chassis is only half-populated and contains an available CPU slot. This note is only applicable to Generation
1 Hubs, since Generation 2 Hub chassis only contain one CPU.
Unplug a CPU that resides in the existing fielded system and replace it (temporarily) with the spare CPU.
When finished upgrading the spare CPU, return the original CPU to that slot in the chassis.
Dedicate a chassis to be used strictly for this type of update and for verification and test. This is the
recommended option for CPUs not slated for immediate installation.
There are limitations with this type of update that need to be observed:
It is important that all Hub/RAN CPUs that reside on the same network are able to communicate with their
Hub Master. Therefore, if the spare CPU is too far outdated, this may not be possible. In order to avoid a
conflict, it is only possible to update a spare CPU on the fielded system network if the current major version
of the spare CPU is the same as that of the CPUs in the fielded system. For example, if all the CPUs in the
fielded system are currently at revision 2.2.0 and the spare CPU is at 2.0.0, it is possible to update that CPU
with the method described above. However, if the spare CPU in this example is at 1.7.0, it is not possible.
This implies that if an OpenCell software release is of a new major revision, spare CPUs in stock need to be
upgraded at the same time as all of the other CPUs in the fielded system.
In the event that a spare CPU cannot be updated because of the above restriction, the CPU will have to be
upgraded on a standalone chassis that is not resident on the fielded system or be returned to the factory for
upgrading.
It is NOT possible to update a spare Hub Master CPU while the fielded system's Hub Master is still installed,
because two Hub Masters in the same domain will cause chaos on the network. The only way to update the
software on a spare Hub Master CPU in a fielded system is to unplug the Ethernet cable from the original
Hub Master CPU and plug that cable into the spare Hub Master CPU. When the upgrade of the spare Hub
Master CPU is complete, the Ethernet cable can be plugged back into the original Hub Master CPU. NOTE:
It is highly recommended that spare CPUs not slated for immediate installation are upgraded in a
dedicated chassis in a depot or warehouse environment.

Clear Control 4XD-G2 Operations and Maintenance Manual 1001537 A
OPENCELL CORP. PROPRIETARY
Page 123
9.5 MIB EXTRACTION
The following procedure outlines the process for extracting the MIBs needed to update the NMS after a
software update:
Once the software upgrade is complete, FTP to one of the updated CPUs, logging in as username =
operator and password = operate.
Change to the MIB directory by entering: cd /usr/share/mibs/transcept/
Extract/get all of the MIB text files located there by entering: mget TRANSCEPT-*.txt, answering yes to
each prompt.
Extracting the MIBs in this fashion will ensure that the correct and compatible versions of all of MIBs are
compiled into the NMS.
Alternatively, the MIBs can all be extracted in the form of a tarball by executing the following steps:
FTP to one of the updated CPUs, logging in as username = operator and password = operate.
Change to the directory containing the OpenCell MIBs directory by entering: cd /usr/share/mibs/
Bundle and zip all the MIBs into a tarball and extract them by entering: get transcept.tar.gz.

Clear Control 4XD-G2 Operations and Maintenance Manual 1001537 A
OPENCELL CORP. PROPRIETARY
Page 124
10 AUTONOMOUS SOFTWARE FUNCTIONALITY
This chapter outlines the concepts and performance objectives involved in the gain management and fault
detection (continuity) of the Clear Control-4XD-G2 system. This section breaks these topics down into five
areas:
· Forward gain management
· Reverse gain management
· Forward delay management
· Reverse delay management
· Forward continuity
· Reverse continuity.
· PA Overpower Protection
10.1 FORWARD GAIN MANAGEMENT
The Clear Control-4XD-G2 software contains a Forward Gain Control (FGC) process that manages gain in
the Hub and the RAN on a per-tenant-sector basis. The FGC process runs on each CPU in the Clear
Control-4XD-G2 network and uses the FGC MIB for monitoring and control. The control parameters (enable
state, target gain value) are passed by Tenant Processing based on the contents of the Tenant OAM MIB,
as described in the Tenant Configuration section of this document.
In the RAN, the FGC process measures the PA Output Power and the SIF Forward Power for the path
belonging to each tenant sector. Attenuation is then added or removed to the RUC in order to adjust the
RAN gain so that it matches the target value.
In the Hub, the FGC process measures the FSC Input Power and the BIM Forward Power for the path
belonging to each tenant sector. Attenuation is then added or removed to the HDC in order to adjust the Hub
gain so that it matches the target value.
10.2 REVERSE GAIN MANAGEMENT
Reverse Gain Management is a static process in the Clear Control-4XD-G2 software where the reverse path
gain is balanced to match the Reverse Gain parameter set in the Tenant OAM MIB (see Tenant
Configuration section of this document). This balancing is accomplished solely by Tenant Processing by
using the constant gain factors of the reverse path modules to adjust the BIM attenuators such that the
Reverse Gain (minus the Reverse Cable Loss) is achieved.
10.3 FORWARD DELAY MANAGEMENT
Forward Delay Management (FDM) is a software function that is part of Tenant Processing and whose
responsibility is to equalize the forward path delays to all RANs in a simulcast group. The FDM process is
run each time a RAN is added or removed from the simulcast group, if the FDM process is "enabled" in the

Clear Control 4XD-G2 Operations and Maintenance Manual 1001537 A
OPENCELL CORP. PROPRIETARY
Page 125
Tenant OAM MIB (see Tenant Configuration section of this document). The FDM process algorithm is as
follows:
Start with Forward Base Delay Target configured in the Tenant OAM MIB (See Tenant Configuration section
of this document).
Set the delay value in the RAN SIF’s to make them equal to the base delay plus some delay skew based on
the RAN ID.
The amount of delay skew is based on the Forward Delay Skew configured in the Tenant OAM MIB (See
Tenant Configuration section of this document) and the RAN ID using the following:
Total Delay = Base delay + (delay skew X(RAN ID -1)).
10.4 REVERSE DELAY MANAGEMENT
Reverse Delay Management (RDM) is a software function that is part of Tenant Processing and whose
responsibility is to equalize the reverse path delays from all RANs in a simulcast group. The RDM process is
run each time a RAN is added or removed from the simulcast group, if the RDM process is "enabled" in the
Tenant OAM MIB (see Tenant Configuration section of this document). The RDM process algorithm is as
follows:
Start with Reverse Base Delay Target configured in the Tenant OAM MIB (See Tenant Configuration section
of this document).
Set the delay value in the Hub SIF’s to make them equal to the base delay plus some delay skew based on
the RAN ID.
The amount of delay skew is based on the Reverse Delay Skew configured in the Tenant OAM MIB (See
Tenant Configuration section of this document) and the RAN ID using the following:
Total Delay = Base delay + (delay skew X(RAN ID -1)).
10.5 FORWARD CONTINUITY
Forward Continuity Management (FCM) is a software function that works in conjunction with Forward Gain
Processing (FGC) and is responsible for ensuring that the forward RF paths are functioning properly and are
able to pass signals.
The FCM process runs continuously on a periodic basis (once per minute) and reports any path failures as
faults in the FGC MIB. If fault conditions are no longer present, then the fault indication will be cleared.
Typical events that will clear a fault include:
· Replacement of failed module
· Power failure, followed by power restore
· Autonomous action (E.g. PLL out of lock, re-tune, module okay)
· Intermittent failure.
The following descriptions outlines the logical process by which system level faults are detected and
isolated, where possible, to a particular module:

Clear Control 4XD-G2 Operations and Maintenance Manual 1001537 A
OPENCELL CORP. PROPRIETARY
Page 126
HUB
The FCM process will notify the BIM to inject test tones on one of the 8 tenant-sector channels. The FSC
power for the corresponding channel will be read and checked to be sure that it is no less than 3 dB below
the target value for the BIM Tone. If the signal level is 3 dB below the BIM tone level, a fault will be flagged
for that channel. Once all channels are checked then the module isolation is performed to determine which
piece of hardware is likely failing:
In the case of a single HDC card:
· If all channels fault, then the BIM module is declared to be at fault.
· If not all channels fault, then either the HDC or FSC module is declared to be at fault.
In the case of a dual HDC card:
· If all channels fault, then the BIM module is declared to be at fault.
· If the channel faults are confined to channels 1-4, then either the HDC #1 or the FSC module is
declared to be at fault.
· If channel faults are confined to channels 5-8, then either the HDC #2 or the FSC module is
declared to be at fault.
RAN
The fault detection process in the RAN will generate a fault if the gain drops by 10 dB. This check
will be performed as part of FGC during the normal course of gain management. If the gain does
drop by more than 10 dB, then the faulting module will be determined as follows by the FGC
process:
· Inject the digital test tone in the RUC module and measure the power out of the RUC and the
power out of the PA.
· If the RUC is 3dB below the target output, then the RUC is declared to be at fault.
· If the PA is 3dB below the target output, and the RUC is not faulted, then the PA is declared to be
at fault.
10.6 REVERSE CONTINUITY
Reverse Continuity Management (RCM) is a software function that is a subset of Tenant Processing and is
responsible for ensuring that the reverse RF paths for each tenant-sector are functioning properly and are
able to pass signals.
The RCM process runs continuously on a periodic basis (once per minute) and reports any path failures as
faults in the RGC MIB. If fault conditions are no longer present, then the fault indication will be cleared.
Typical events that will clear a fault include:
· Replacement of failed module
· Power failure, followed by power restore
· Autonomous action (E.g. PLL out of lock, re-tune, module okay)
· Intermittent failure.
The following descriptions outlines the logical process by which system level faults are detected and
isolated, where possible, to a particular module. Noise and an RF tone will be monitored in the reverse

Clear Control 4XD-G2 Operations and Maintenance Manual 1001537 A
OPENCELL CORP. PROPRIETARY
Page 127
direction, in order to confirm an operational reverse path. Noise will be detected using a Power
Measurement in the SIF module. The tone will be detected using an FFT in the SIF and the BIM RF Output
detector. If measured values fall below specified threshold values, then faults will be generated.
Noise
The front-end noise will be monitored by reading the noise power value from the reverse channels in the
RAN SIF module belonging to the tenant-sector being analyzed. The in-band noise power (N) and total
signal power (S+N) will be measured and analyzed in the SIF using an FFT analysis, as follows:
· Integrated power for 24.6 to 39.6 MHz (dBm) using lowest 33% of the bins (Noise Power)
· Integrated power for 24.6 to 39.6 MHz (dBm) using lowest 100% of the bins (Signal Plus Noise
Power)
The RCM software will generate faults if the integrated power levels are below the specified thresholds.
RDC Tone
The RDC Tone will be enabled at all times, unless explicitly disabled via the RDC MIB. Its frequency
corresponds to the first channel in the band set for that tenant-sector. Additional requirements are:
· The RDC tone level is –80 dBm referenced to the front end of the RAN
· The RDC Tone is available on the primary and diversity paths
In the RAN, power measurements are taken at the reverse channels of the RAN SIF belonging
to each tenant-sector. In the Hub, these power measurements are taken at the BIM. These
power measurements are performed continuously on a one-minute poll rate and are compared
to specified threshold values. Two faults can be generated, based on comparisons with the
threshold values:
· If the test tone is not detected in the RAN SIF, then the RDC is reported as faulting.
· If the test tone is not detected in the BIM, then the HUC is reported as faulting.
10.7 PA OVERPOWER PROTECTION
PA Overpower Protection (POP) is a software function that runs in conjunction with Forward Gain
Management (FGM) in order to prevent damage to the PA as well as preventing the PA from exceeding
FCC spurious output limits.
POP will measure the PA Output Power once per second from the RUC/PA MIB. If the PA Output Power
exceeds a determined threshold, then POP will deactivate the FGC process for the tenant-sector in
question, add attenuation to the RUC, and set a fault in the FGC MIB. Once the PA Output Power returns to
a value that is less than a determined threshold, then the POP fault will be cleared and FGC will be
reactivated.
The thresholds used to activate and deactivate POP are controllable parameters that can be changed in the
Tenant OAM MIB. There is a maximum power value that can be set, as well as a high and low margin. If the
power exceeds the maximum value plus the high margin, then POP is activated. If the power falls below the
maximum value minus the low margin, then POP is deactivated.

Clear Control 4XD-G2 Operations and Maintenance Manual 1001537 A
OPENCELL CORP. PROPRIETARY
Page 128
11 MIB STRUCTURE
MIB is an acronym for Management Information Base, and defines a set of managed objects used in the
SNMP protocol. MIBs define the supported interface into an SNMP device. The managed objects defined in
the Clear Control-4XD-G2 MIBs provide the monitoring and control capability into the Clear Control-4XD-G2
system.
SNMP Management applications, such as the customer Network Management System, use the definitions
provided in MIBs to monitor and control SNMP devices, such as the CPUs in the Clear Control-4XD-G2
network. SNMP Management applications may or may not allow direct access to MIBs through a MIB
Browser, so it is important to refer to the users manual for the SNMP Management application being used.
Clear Control-4XD-G2 MIBs are provided as part of the software package delivered to Clear Control-4XD-
G2 customers so that the customer can compile the Clear Control-4XD-G2 MIBs into the NMS and
monitor/control the Clear Control-4XD-G2 equipment.
Figure 11-1. MIB Relationships
HUB MASTER
HUB NODE
RAN NODE
RDC
MIB
RUC
MIB
MUC
MIB
SIF
MIB
SIF
MIB
RSC
MIB
FSC
MIB
HUC
MIB
BIM
MIB
HDC
MIB
PSI
MIB
STF
MIB
STF
MIB
BUS SCANNER
MIB
PATHTRACE MIB
EQUIPMENT MIB
HUB RF CONN MIB
N
ODE PATH MI
B
BUS
SCANNER
MIB
PATHTRACE
MIB
N
ODE PATH
MIB
EQUIPMENT
MIB
N
ETWOR
K
N
ODE
MIB
N
ETWOR
K
N
ODE
MIB
BTS CONNECTION MIB
TENANT OAM MIB
WD
MIB
WD
MIB
HUB NODE MIB
GPS
MIB
GPS
MIB
HRM
MIB
FGC
MIB
RGC
MIB
FGC
MIB
RGC
MIB
MIB RELATIONSHIPS
RAN NODE MIB
HUB CONFIG MIB
HUB MASTER
HUB NODE
RAN NODE
RDC
MIB
RUC
MIB
MUC
MIB
SIF
MIB
SIF
MIB
RSC
MIB
FSC
MIB
HUC
MIB
BIM
MIB
HDC
MIB
PSI
MIB
STF
MIB
STF
MIB
BUS SCANNER
MIB
PATHTRACE MIB
EQUIPMENT MIB
HUB RF CONN MIB
N
ODE PATH MI
B
BUS
SCANNER
MIB
PATHTRACE
MIB
N
ODE PATH
MIB
EQUIPMENT
MIB
N
ETWOR
K
N
ODE
MIB
N
ETWOR
K
N
ODE
MIB
BTS CONNECTION MIB
TENANT OAM MIB
WD
MIB
WD
MIB
HUB NODE MIB
GPS
MIB
GPS
MIB
HRM
MIB
FGC
MIB
RGC
MIB
FGC
MIB
RGC
MIB
MIB RELATIONSHIPS
RAN NODE MIB
HUB CONFIG MIB

Clear Control 4XD-G2 Operations and Maintenance Manual 1001537 A
OPENCELL CORP. PROPRIETARY
Page 129
Figure 11-1 displays the MIBs used in the Clear Control-4XD-G2 system, which node* type(s) each MIB is
used in, and how the MIBs are related to each other. The sections that follow will describe each of the MIBs
and how they are used in the Clear Control-4XD-G2 system.
(*) Within the Clear Control-4XD-G2 network, there are three node types: Hub Node, RAN Node, and Hub
Master Node, where "node" is simply shorthand for "network node". In the Clear Control-4XD-G2 system,
node simply refers to the CPUs used in the Clear Control-4XD-G2 network. It is also important to note that
the Hub Master node is a regular Hub node with additional functionality that is particular to the one and only
Hub Master node in the network.
MIBs described in Figure 30, above and in the sections below provide a general overview of the MIBs used
in the Clear Control-4XD-G2 system. MIBs may be added, deleted or changed as the product is developed
and as enhancements are added.
Changes to MIBs are made in such a way as to make them backward compatible with existing SNMP
Managers. This is accomplished by only allowing new MIB objects to be added to the end of MIBs instead of
deleting or changing existing MIB objects. MIB objects that are no longer required will simply exist in the
MIBs, but will no longer be accessed.
11.1 HARDWARE RELATIONSHIPS:
In Figure 30, the dashed lines seen in the Hub and RAN Nodes show the relationships among MIBs
associated with specific hardware modules.
A separate software HCP (hardware control process) is used to manage each hardware module in a node,
where HCP MIBs are the interface to these HCPs. A single MIB instance is used in each node for each type
of hardware (HDC, RDC, etc.).
Each Hub/RAN node contains a Bus Scanner process whose responsibility is to discover the
presence/absence of hardware modules and to start/stop HCPs to manage those hardware modules. The
Bus Scanner MIB reports the information defining the hardware “discovered” at that node.
Each node contains a Network Node process to manage information about that CPU, where the interface is
the Network Node MIB. This MIB contains information about the CPU itself (e.g. IP Address, Hostname,
etc.), Hub/RAN specific information (Pole ID, RAN Box ID, etc.), and other miscellaneous status information.
In addition, this MIB reports a high-level fault status for each HCP type. If any HCP in that node reports a
fault of any type in its HCP MIB, the Network Node MIB fault field corresponding to that HCP will report a
problem.
11.1.1 Hub/RAN Connection Relationships:
In the above diagram, the solid lines between the Hub Master and Hub/RAN nodes illustrate Hub/RAN
connection relationships.

Clear Control 4XD-G2 Operations and Maintenance Manual 1001537 A
OPENCELL CORP. PROPRIETARY
Page 130
The Hub Master contains a process called the Hub/RAN Config Process that is responsible for managing
the connections between the Hub Master and the other nodes in the network. This process uses the Hub
Node MIB and RAN Node MIB to manage these connections. The Hub/RAN Node MIBs allow specific
information about the Hub/RAN nodes to be configured. This includes such things as Site ID, Pole ID, and
RAN hardware connections. The Hub/RAN Config Process will push the information configured in these
MIBs down to the Network Node MIB at each node. Refer to the section of this document that covers
"Network Setup" and "Configuring Nodes" for a more in-depth explanation of how to use these MIBs.
The Hub/RAN Config Process is also responsible for preparing the Hub Master to have tenant relationships
established. This process uses the information set in the Hub Node MIB and BTS Connection MIB to
configure the tenant relationships. Information that is provided in the BTS Connection MIB as part of Tenant
Setup will be pushed down to the Hub RF Connection MIB in the Hub Nodes. Refer to the section of this
document that covers "Configuring the Clear Control-4XD-G2 System for Operation" for a more in-depth
explanation of how these MIBs are used.
11.1.2 Tenant Relationships:
In the above diagram, the dotted lines among Hub Master and Hub/RAN nodes illustrate tenant
relationships.
Once a tenant is created using the BTS Connection of the previous section, then a Tenant process is kicked
off to manage that new tenant. This tenant process uses the Tenant OAM MIB in the Hub Master node to
allow tenant specific parameters to be configured. These parameters allow the setting of frequency, gain,
and delay values as well as any other tenant specific information. When these values are set, the Tenant
process pushes this information to the Equipment MIB at the appropriate node(s).
In addition, the Tenant process uses the Tenant OAM MIB to report any status information about the tenant,
such as hardware faults and RAN location information, which is gathered from the Equipment MIBs at the
Hub/RAN nodes.
Tenant processing determines the location of its related nodes and hardware using a process called the
Tenant Scan process that polls the Equipment MIBs located at each node in the network. If the Equipment
MIB indicates that there is hardware belonging to that tenant on that node, then the Tenant process in the
Hub Master will add that node to its "managed node" list. The Tenant process will then use the Equipment
MIBs on its managed nodes to interface to the hardware equipment belonging to it.
The Tenant Equipment process on each Hub/RAN node will process all Equipment MIB requests and will
report all tenant equipment status in the Equipment MIB.
In the Hub/RAN nodes, the Node Paths process is responsible for detecting tenant equipment using the
results of the Pathtrace MIB and reporting this information in the Node Path MIB. In effect, the information of
the Node Path MIB is just a reorganization of the Pathtrace MIB information to simplify the Tenant
Equipment process. The Tenant Equipment process uses the information in the Node Paths MIB to identify
equipment belonging to specific tenants.
The information reported in the Pathtrace MIB is generated by the Pathtrace process on each Hub/RAN
node. The Pathtrace process examines the pathtrace fields of each HCP MIB and reports them in a single
MIB containing only information related to pathtrace, such as the HCP type and location, as well as the
pathtrace string value itself.

Clear Control 4XD-G2 Operations and Maintenance Manual 1001537 A
OPENCELL CORP. PROPRIETARY
Page 131
Tenant processes in the Hub Master push down gain control information from the Tenant OAM MIB to the
Forward/Reverse Gain MIBs located in the Hub/RAN nodes. Forward/Reverse Gain processes use the
values set in the Forward/Reverse Gain MIBs as target values when managing the gain in those nodes.
The Forward/Reverse Gain processes in the Hub/RAN nodes use the Equipment MIB to determine the
location of the hardware belonging to the tenant whose gain is being managed. The Forward/Reverse Gain
processes then access the HCP MIBs to read power values and set attenuator values as part of gain
control. The results of the gain control processes are then reported into the Forward/Reverse Gain MIBs.