PAC EK-CON Access controller with low range proximity reader User Manual 17086
PAC International Limited Access controller with low range proximity reader 17086
PAC >
Revised Manual

PAC INTERNATIONAL LTD, 1 Park Gate Close, Bredbury, Stockport, SK6 2SZ, England
Tel: +44 (0) 161 406 3400. Fax: +44 (0) 161 430 8658
www.pac.co.uk
Easikey
Installation and User Guide
17086 Ver 3.3 DRAFT C January 2003

17086 Ver 3.3 DRAFT C ii Easikey
Version 3.3 January 2003
Changes are periodically made to the product, these changes will be incorporated into new
editions of this manual. PAC INTERNATIONAL LTD shall not be liable for errors contained
herein or for any consequential damages connected with the use of this material.
Copyright and Protective Notices
1. The copyright of this document and the associated drawings is the property of PAC
INTERNATIONAL LTD, and is issued on condition that it is not copied, reprinted or
reproduced, nor its contents disclosed, either wholly or in part, without the consent in writing
of, or in accordance with the conditions of a contract with PAC INTERNATIONAL LTD.
2. The publication of information in this document does not imply freedom from patent or other
protective rights of PAC INTERNATIONAL LTD, or others.
3. Performance figures and data quoted in this document are typical, and must be specifically
confirmed by PAC INTERNATIONAL LTD before they become applicable to any tender,
order or contract.
Training and Technical Support
Training courses covering the installation and use of all PAC products are regularly held at
PAC INTERNATIONAL LTD, Stockport. For further information on course availability, or to
discuss your specific requirements, contact the Training Manager at the address below.
It is strongly recommended that any persons installing or commissioning PAC products
attend a suitable training course beforehand.
Technical Support for all PAC products is available during normal office hours:
8:00am to 6:00pm Monday to Friday, excluding public holidays.
Tel: 0161 406 3400 International +44 161 406 3400
Fax: 0161 430 8658 International +44 161 430 8658
This service is provided primarily for the use of trained engineers. End users of PAC products
should first of all contact their installation or maintenance company before contacting PAC.
PAC INTERNATIONAL LTD
1 Park Gate Close
Bredbury
Stockport
SK6 2SZ
England

17086 Ver 3.3 DRAFT C iii Easikey
IMPORTANT:
When installing the PAC equipment the following should be noted:
HEALTH AND SAFETY
Installation must wired in accordance with National Wiring Regulations (BS7671, IEE
National Wiring Regulations in the UK). Failure to do so can result in injury or death by
electric shock.
It must also comply with any local Fire, Health and Safety regulations. A secured door
that may be part of an escape route from an area must be fitted with:
•A fail-safe lock (A) so that the door will be released if the power fails. Ideally a
magnetic lock should be used as these are less likely to jam or seize.
•A normally-closed break-glass or manual pull (B) in the lock supply wiring so that in
an emergency the fail-safe lock can be immediately depowered.
B
A
The controller must be earthed.
Isolate the controller supply before working on the controller.
CABLING
The cabling used in the PAC Access Control Systems (six wire bus, reader cables, etc.) are not
prone to electrical interference. However, you should avoid routing cable close to heavy load
switching cables and equipment. If this is unavoidable, cross the cable at right angles every
3.3-6.6ft/1-2m to reduce the interference.
RFID Devices
As similar RFID technology is now widely used in a number of other industries, for example
automotive immobilisers, it is possible that interaction between your access control ID and other
devices may cause one or the other to function incorrectly. Should you suspect that you have
experienced such a problem the solution is to separate your access control ID from other RFID
devices.
FCC Notice
This device complies with part 15 of the FCC rules. Operation is subject to the following two
conditions (1) this device may not cause harmful interference, and (2) this device must accept
any interference received, including interference that may cause undesired operation.
FCC ID OQL-EK-CON
Changes or modifications not expressly approved by the party responsible for compliance could
void the user's authority to operate the equipment.
Note
This equipment has been tested and found to comply with the limits for a Class B digital
device, pursuant to part 15 of the FCC Rules. These limits are designed to provide
reasonable protection against harmful interference in a residential installation. This
equipment generates, uses and can radiate radio frequency energy and, if not installed
and used in accordance with the instructions, may cause harmful interference to radio
communications. However, there is no guarantee that interference will not occur in a
particular installation. If this equipment does cause harmful interference to radio or
television reception, which can be determined by turning the equipment off and on, the
user is encouraged to try to correct the interference by one or more of the following
measures:
• Reorient or relocate the receiving antenna.
• Increase the separation between the equipment and receiver.
• Connect the equipment into an outlet on a circuit different from that to which
the receiver is connected.
• Consult the dealer or an experienced radio/TV technician for help.

17086 Ver 3.3 DRAFT C iv Easikey
This page is intentionally left blank.

17086 Ver 3.3 DRAFT C v Easikey
Table of Contents
1.1 Facilities...............................................................................................................................1
1.2 Features...............................................................................................................................3
1.3 About this Guide ..................................................................................................................3
2.1 Components ........................................................................................................................4
2.2 How it Works........................................................................................................................4
2.3 Programming .......................................................................................................................4
3.1 Worksheets..........................................................................................................................5
3.2 Editor Keys ..........................................................................................................................5
3.3 Administering Keys ..............................................................................................................5
3.4 Residential Systems ............................................................................................................5
3.5 Easikey User Guide .............................................................................................................5
4.1.1 1. Present the new key to the controller reader.........................................................6
4.2 Possible Problems ...............................................................................................................6
5.1.1 1. Present the key to the controller reader. ...............................................................7
7.1.1 Dimensions.................................................................................................................8
7.1.2 Environment ...............................................................................................................8
7.1.3 Power Requirements..................................................................................................8
7.1.4 Fuses..........................................................................................................................8
7.1.5 Cable Requirements...................................................................................................8
9.1 The Easikey Controller ......................................................................................................10
9.2 Terminal Blocks .................................................................................................................10
9.3 Power Supply.....................................................................................................................11
9.3.1 Connecting Power ....................................................................................................11
9.4 Battery Backup ..................................................................................................................11
9.5 Readers .............................................................................................................................12
9.5.1 Request To Exit (RTE) .............................................................................................12
9.6 Reader Wiring....................................................................................................................12
9.7 Installing Locks and Power Supply....................................................................................13
9.7.1 Lock Suppression.....................................................................................................13
9.8 Note: Health and Safety.....................................................................................................13
9.9 Checking the System.........................................................................................................14
9.9.1 Controller Fuse.........................................................................................................14
9.9.2 Switches ...................................................................................................................14
10.1 Initialisation ......................................................................................................................15
10.2 Adding the Editor Keys ....................................................................................................15
10.3 Setting the Lock Time......................................................................................................15
10.4 Replacing a Lost Editor Key 1 .........................................................................................16
13.1 Reader Wiring..................................................................................................................18
13.2 Lock Wiring ......................................................................................................................18
13.3 Programming ...................................................................................................................19

17086 Ver 3.3 DRAFT C vi Easikey
This page is intentionally left blank.

Introduction
17086 Ver 3.3 DRAFT C 1 Easikey
1. Introduction
Easikey 2-Door Controller:
Easikey
Easikey Readers (Supplied Separately):
Mullion Reader Vandal Resistant Reader Easikey Panel Mount Reader
1.1 Facilities
• Simple Proximity Access Control
• Three Types of Reader
• Controls One or Two Doors
• Up to 99 Keyholders
• Up to Three Editor Keys
• Individual Keys may be Added and Deleted
• Each Lock may be Fail-Safe or Fail Secure
• Request to Exit Input
• Set/Reset Option, (e.g. for Alarm Setting)
• Dual Controller Option - 2 Doors, 198 Keyholders

Introduction
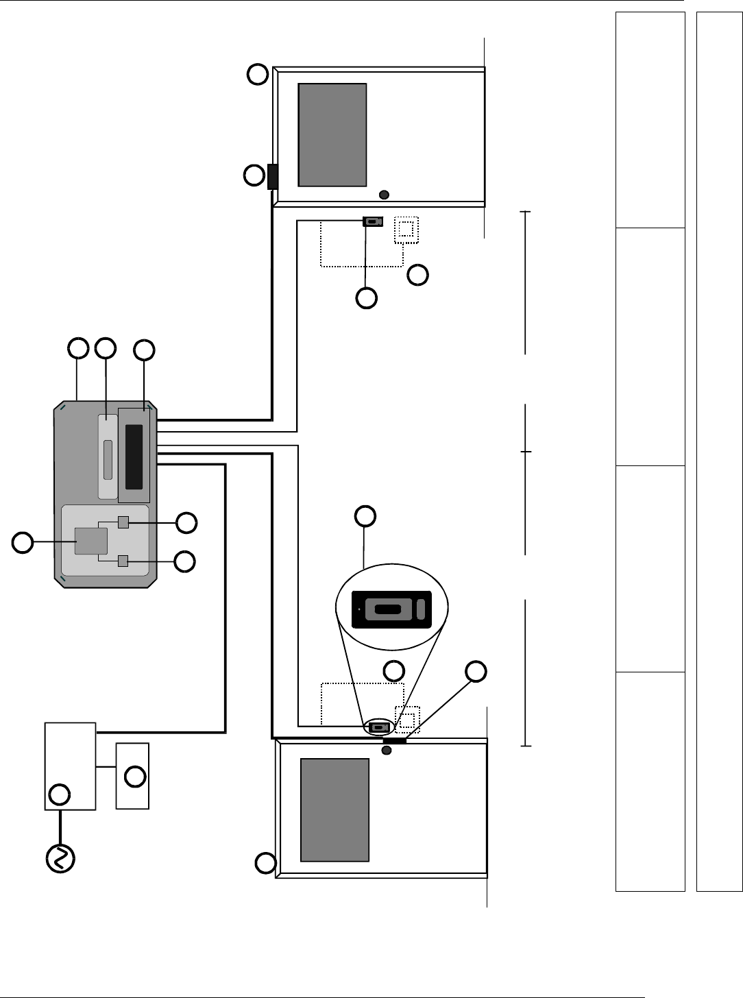
17086 Ver 3.3 DRAFT C 2 Easikey
P
H
K
G
J
C
F
E
D
N
B
L
M
A
+ -
B
L
<100m<100m
Easikey System Configuration
A
B
C
D
Easikey Controller
Easikey Reader
Power Supply for Controller,
Readers and Locks
Battery Backup
E
F
Door 1
Door 2
G
H
J
K
P
Programming Display
Blue Button
Grey Button
Controller Reader
Removable Cover
L
M
N
Request to Exit Switch
(on other side of door)
Example: Magnetic Lock
Example: Electric Release
Readers may be:
Mullion Reader (shown)
Vandal Resistant Reader
Panel Mount Reader
Locks may be:
Fail Secure, e.g. Electric Release
Fail Safe, e.g. Magnetic Lock

Introduction
17086 Ver 3.3 DRAFT C 3 Easikey
1.2 Features
Maximum Number of Keys 99
Number of Doors 2
Types of Reader Mullion (Black or White)
Vandal Resistant (Steel or Brass)
Panel Mount
Access Levels 3, (allowed through Door 1, Door 2 or Both Doors)
Lock Release Time 1-48 seconds
Lock Type Fail-Safe or Fail-Secure
Number of Editor Keys Selectable (1,2 or 3)
Other Features: Request to Exit Input Set/Reset Latch
Database Copy
Display Last 5 Users
1.3 About this Guide
This document contains details on installing and using the Easikey system. Users and
Administrators should read the section How to Use Easikey. This section also describes how
to use the Worksheets provided. Users should also read the sections on Adding Keys, Deleting
Keys and Show Last Five Users. These sections are repeated on a one page User Guide
included with the controller.
Installers should read all of this Guide before continuing with the installation of the system. If
you are already familiar with this product then there is a Quick Start section which will remind
you of the stages of installing and programming the system.

Description
17086 Ver 3.3 DRAFT C 4 Easikey
2. Description
Easikey is a simple two door access control system using PAC's proximity readers and
electronic keys. The system allows you to control the access of up to 99 keys through one or
two doors.
2.1 Components
An Easikey system consists of an Easikey door controller, one or two Easikey readers and up to
99 keys. In addition you will require a power supply, cable and suitable electric locks. Optional
items include Request to Exit switches and backup batteries. PAC also manufacture a Boxed
Easikey, consisting of an Easikey controller housed in a steel cabinet, complete with 3A power
supply, space for backup batteries and complete internal wiring.
2.2 How it Works
Each PAC key contains a unique code. The controller can store the code of up to 99 keys in its
non-volatile memory. When a key is presented to a reader, the code in the key is passed by the
reader to the controller. It is then compared to the codes in the controller's memory. If the key is
recognised by the controller then a relay will be operated allowing the release of an electric
lock.
2.3 Programming
An Easikey system is programmed through the use of Editor Keys. The first one, two or three
keys in the controller's memory are defined as Editor Keys - you select how many at installation.
By use of the Editor Keys, an operator may add and delete keys from the controller's memory
using the built-in reader.
A two digit display is used to indicate key numbers and lock times. The display also includes
two LEDs (light emitting diodes), red and green, for providing extra indications depending on the
type of operation being performed.

How to Use Easikey
17086 Ver 3.3 DRAFT C 5 Easikey
3. How to Use Easikey
This section describes how you should use your Easikey system to its best advantage. Anyone
operating or administering the system should read this section as well as becoming familiar with
Adding Keys and Deleting Keys.
3.1 Worksheets
Supplied with each Easikey controller is a set of worksheets. These should be used for
recording information about the system as well as for keeping a record of keyholders. The
following paragraphs refer to the worksheets and how best to use them.
3.2 Editor Keys
An Easikey controller can store up to 99 keys in its memory. Every one of these keys can be
allowed through Door 1 only, Door 2 only or both doors. Up to three of these keys, known as
Editor Keys, are also given the ability to make changes to the system - such as adding new
keys or deleting existing keys. When the system is first installed the number of Editor Keys is
set to 1, 2 or 3, that is key numbers 1, 2 and 3. You should know how many keys are Editor
Keys, if you do not, then find out from whoever installed the system. Note that there is a section
on the Programming Worksheet to record this number.
It is recommended that you assign two or three keys as editors, and keep at least one in a safe
place. Editor keys can be deleted and added just like normal keys. However if all your Editor
Keys are lost then you will have to follow the procedure to replace Editor Key 1. You cannot
change the number of Editor Keys without clearing the whole memory.
3.3 Administering Keys
Each key added to the system is given a number, 01-99. The lowest available number is
displayed when a new key is presented, although this can be changed to another unused
number if necessary. When a key is deleted from the Easikey's memory, its number becomes
available again.
When you add a key to the Easikey system you need to record the number (01-99) it was given,
and to whom it was issued. This is important so that if the keyholder loses the key you can
delete it by entering its 2-digit number. Use the Worksheets supplied for this purpose.
You can identify keys that have been found by presenting them to the controller reader. Their 2-
digit number will be displayed, along with a red light. (If a green light is displayed, it means the
key is unknown to the Easikey).
The worksheet has an unlabelled column in the keyholder section. You can use this for
recording your own information. Typically you may record Department or Office in a commercial
system, or Flat, Building or Block in a residential system.
Five different coloured pegs are available. These fit into the small hole on one side of the PAC
key. You can use these pegs to identify different keys issued to one keyholder. A residential
system, for instance, may issue a red, blue and yellow key to one resident for use by the
occupants of one dwelling. If one key is lost they can refer to their 'red key' as being missing.
The worksheets contain a column for indicating the colour given to a key.
A grid on one side of the PAC key can also be used for physically marking a key. You put a
small scratch, or drop of paint or correcting fluid, in different boxes to identify individual keys.
3.4 Residential Systems
A special worksheet is included that is designed for use in Residential applications. This is
divided into two parts, Non-Residents and Residents. You should use the top section for
recording personnel such as cleaners, maintenance staff, housing officers etc. and the lower
section for the residents.
3.5 Easikey User Guide
A one page User Guide (17085) is included with each door controller. This repeats most of the
page in this document on Adding and Deleting Keys.
Note
This page is reproduced as the Easikey User Guide (17085) included with the Easikey
controller.

Adding Keys
17086 Ver 3.3 DRAFT C 6 Easikey
4. Adding Keys
The Easikey controller stores up to 99 keys in its memory. Each key is given a number from 1 to
99. When a key is deleted from memory its number is free to be used again. When adding a key
it is automatically assigned the first free number. The operator can however, select a different
number, provided it is not being used by another key.
4.1.1 1. Present the new key to the controller reader.
If the new key is valid then the first free number between 1 and 99 will appear
with a green LED. In this example key 12 is the first free number.
2. To select a different number:
•Press both buttons together. The display will flash briefly.
•Select another number by using the grey button to increment the right hand
digit and the blue button to increment the left hand digit. If a number is
already used then the display will flash.
•When the number required is selected press both buttons again.
3. To Change the Access Level:
The two small dots represent door 1 and door 2. When lit they indicate that the
key has access through those doors.
•To prevent a key from gaining access to one of the doors press the blue
(door 1) or grey (door 2) button. The corresponding dot will go out.
•To allow access again press the same button again - the dot will come
back on. In this example key 12 will have access to door 1 only.
4. Present an Editor Key to the controller reader.
The key is now confirmed as in the controller's memory and the display will
clear, except for the green LED. and the access level dots.
At this point you may:
•Present the same Editor Key to clear the display.
•Allow the display to time-out after 15 seconds.
•Present another key to be added.
5. Block Adding Keys
Once a key has been added as above then further keys can be added by
presenting them to the controller reader one after the other. You do not need
to present an Editor Key again. Each key will be given the next free number,
which can be changed as described above. Also the access level will stay the
same from one key to the next, unless changed.
4.2 Possible Problems
Key Already In Memory
If the key already exists in the controllers memory then its number, 01-99, will
appear in the display with the red LED. lit.
Memory Full
If the Easikey is full then 00 will appear, flashing, in the display.

Deleting Keys
17086 Ver 3.3 DRAFT C 7 Easikey
5. Deleting Keys
There are two ways of deleting a key:
If you have the key then:
5.1.1 1. Present the key to the controller reader.
2. If the key is in the controller's memory then its number will appear in the
display with the red LED. lit. (If the key is not in memory then the next free
number will be displayed with the green LED. lit. )
3. Present an Editor Key to the controller reader. The display will flash briefly and
the display will clear. The key is now deleted.
If you do not have the key:
1. Use the blue and grey buttons to enter the key number. Press the grey button
- the display will change to 00 with the red LED. lit. Press the blue button to
increment the left hand digit, the grey button to increment the right hand digit.
2. If the number displayed is not used then the digits will flash.
3. When you have selected the key number to be deleted, present an Editor key
to the controller reader. The display will flash briefly and the display will clear.
The key is now deleted.
Editor Keys
When the Easikey was installed the number of Editor keys was set to 1,2 or 3. This means the
first 1,2 or 3 keys will be Editors. If an Editor key is deleted, then a key added back with the
same number will also become an Editor. Editor keys can only be deleted by the second
method described above, neither can an Editor key delete itself.
6. Show Last Five Users
It is possible to see the last 5 keys used by pressing the blue button. Press the button once to
see the last key used - the dot indicates which door was used, door 1 - left dot, door 2 - right
dot. Press the blue button again to see the previous keys used. Once the last 5 keys have been
viewed the display will clear.

Specification
17086 Ver 3.3 DRAFT C 8 Easikey
7. Specification
7.1.1 Dimensions
Controller (WxHxD, mm)198 x 90 x 28
Readers see 17063 Easikey Reader Data Sheet
7.1.2 Environment
Temperature Controller 0C to +50C
Reader -15C to +60C
Humidity (RH)Controller 0% to 90%
(non-condensing)
Reader Sealed Construction
7.1.3 Power Requirements
Controller: Input Voltage 10.5v to 20v DC
8v to 14.5v AC 50/60Hz
Current 190mA (Max.)
Reader: Current 90mA (Max.)
7.1.4 Fuses
F1, Power fuse on PCB, 1A, 20mm glass, Quick Blow
7.1.5 Cable Requirements
Controller to Reader:
Gauge 0.22mm², 4 or 6 core
Max. Dist. 100m
Controller to Lock:
Gauge 0.5mm², 2 core
Max.Dist. 100m

Quick Start
17086 Ver 3.3 DRAFT C 9 Easikey
8. Quick Start
If you have installed an Easikey system before then you can follow this simple step-by-step
procedure to get the system up and running.
If you are new to Easikey then all the steps below are described in detail in the following pages.
1. Install the Easikey controller, complete with power supply, in an enclosure or other secure
area. (The Boxed Easikey, 21275, makes this stage easier)
2. Install the readers and reader cables, including request to exit switches, if used.
3. Install the electric locks and their cables.
4. Initialise the Easikey, set the number of Editor Keys and add one or more keys.
5. Set the lock release time for each lock.
6. Check the operation of each reader and lock.
7. Add any remaining keys to the controller - use the Worksheet to record details of keyholders.

Installation
17086 Ver 3.3 DRAFT C 10 Easikey
9. Installation
Installation is only to be carried out by competent, qualified and experienced personnel.
Wire in accordance with the country of installation’s National Wiring Regulations (UK
BS7671, IEE National Wiring Regulations). Failure to do so can result in injury or death
by electric shock.
Note that a 'Boxed Easikey' (Part No. 21275) is available, complete with cabinet, 3 Amp
power supply, internal wiring and space for two 6Ah batteries. If this is being used then
follow the instructions supplied with it for installation and power supply.
9.1 The Easikey Controller
The controller should be mounted in a lockable cabinet or enclosure containing the power
supply and batteries (if used). It should be easily accessible for programming - the display
should be at about eye level. A mounting plate is provided. When using the mounting plate use
two countersunk screws. Take care not to over-tighten the screws as distortion of the backplate
may make it difficult to mount the controller.
198
90
39 120 39
40
50
Easikey Backplate Dimensions (mm)
9.2 Terminal Blocks
P1 P2 L1 L2 -V1 S1 R1 A1 +V1 L3 L4 -V2 S2 R2 A2 +V2
AB C D E
Terminal Markings Function
AP1 P2 Power Input, AC or
DC
BL1 L2 Lock 1 Output
C-V1 S1 R1 A1
+V1
Reader Channel 1
DL3 L4 Lock 2 Output
E-V2 S2 R2 A2
+V2
Reader Channel 2
All connections are made to the controller by removable terminal blocks. Always remove power
from the controller before removing a terminal block.

Installation
17086 Ver 3.3 DRAFT C 11 Easikey
9.3 Power Supply
The Easikey controller and readers are powered from a 12v AC or DC power supply. The locks
are controlled by switching power from the same or different supply. The relays that control the
locks are able to switch 24v AC or DC at up to 2 Amps. A power supply with battery backup
should be selected to provide operation when mains power is lost.
The power supply chosen should be capable of supplying sufficient current to power the
Easikey controller, one or two Easikey readers, one or two electric locks and provide charging
current for the battery.
Use the following table to ensure you do not overload the power supply:
Item Current (mA)
Easikey Controller 190
Easikey Reader 1 90
Easikey Reader 2 90
Lock 1
Lock 2
Charging Current 500
Safety Margin 500
Total
The total current should not exceed the rating of your power supply (or supplies).
9.3.1 Connecting Power
Power is supplied through the P1 and P2 terminal block. See the section Installing Locks for
details of power and lock wiring.
9.4 Battery Backup
The length of time that a backup battery will last depends on the power consumption of the
system. The main factor in this calculation is the power consumption of the locks. A fail-safe
lock draws current continuously and therefore you add the continuous current to the total. A fail-
secure lock only draws current when it operates. In this case you need to estimate how often
the lock will operate and use the following equation to estimate consumption:
Lock Current(mA) x ( no. of operations per hour x lock release time (secs)) / 3600
Example: a 500mA lock operating 100 times an hour for 5 seconds would use
500 x (100 x 5) / 3600 = 69mA per hour.
Once the total power consumption has been estimated then it can be calculated how long the
fully charged batteries will last. The Ah rating of batteries is usually given as a 10 hour
discharge rate. If the batteries discharge over a shorter period of time they will last for less than
their quoted capacity.
Example: an Easikey with two readers and two continuous (fail-safe) locks each drawing
250mA would consume 190 + 90 + 90 + 250 + 250 = 870mA. A fully charged 12Ah battery
would last 12 / 0.870 = 13.7 hours.

Installation
17086 Ver 3.3 DRAFT C 12 Easikey
9.5 Readers
Install readers according to the instructions supplied with each reader. Readers are usually
installed at about door handle height on the unhinged side of the door.
All readers have the same wiring terminals, and are fitted with a green led that illuminates when
access is allowed., and stays illuminated for the duration of the lock release time.
The maximum distance of a reader from the controller is 100m.
If two readers are fitted then they must be at least 300mm apart.
You must only use Easikey readers - no other type of reader is suitable.
9.5.1 Request To Exit (RTE)
A Request to Exit switch may be fitted on the secure side of the door. This should be a
normally-open switch that closes momentarily when pressed and released. Do not allow the
wiring for the RTE switch to be visible if the reader is removed from the wall.
9.6 Reader Wiring
If you do not intend to use the RTE switch then 4-core cable will be suitable, otherwise use 6-
core cable.
-V1 S1 R1 A1 +V1
+V SIG
VCA -V
Easikey
A
B C
100 mA
Reader Wiring, including RTE
ATerminal Block BRTE CReader
Use 7/0.2mm (0.22mm²) 4-core or 6-core unscreened cable.
Controller: Reader: Colour:
Channel 1 Channel 2
+V1 +V2 +V Red
S1 S2 SIG Blue
R1 R2 n/c White
A1 A2 VCA Yellow
-V1 -V2 -V Black
Note
PAC strongly recommend that you fit a 100mA in-line fuse across the reader supply.

Installation
17086 Ver 3.3 DRAFT C 13 Easikey
9.7 Installing Locks and Power Supply
P1 P2 L1 L2
1
L3 L4
A
Z Z
X
ASingle Power Supply
XFuse ZMOV
Locks should be installed according to the manufacturers instructions. The Easikey controls the
operation of a lock by switching power using a voltage-free relay. Up to 24v AC or DC at 2
Amps may be switched by the relays. Each lock may be programmed to be fail-safe
(continuously powered, power removed to unlock) or fail-secure (power supplied to unlock). The
type of cable used should be sufficient to provide the correct operating voltage at the lock.
Usually at least 0.5mm² will be required for up to 100m.
9.7.1 Lock Suppression
Important: All Easikey readers are supplied with a suppression device, an MOV (metal oxide
varistor). This device should be fitted across the lock supply at the lock. These devices prevent
harmful back e.m.f. ('spikes') from damaging the Easikey controller. Failure to fit these
devices may result in long term damage to the controller.
9.8 Note: Health and Safety
Any installation must comply with any local Fire, Health and Safety regulations. A secured door
that may be part of an escape route from an area should be fitted with:
•A Fail-Safe lock (A). So that the door will be released if the power fails. Ideally a magnetic
lock should be used as these are less likely to jam or seize.
•A normally-closed Break-Glass or Manual Pull (B) in the lock supply wiring. So that in an
emergency the fail-safe lock can be immediately depowered.

Installation
17086 Ver 3.3 DRAFT C 14 Easikey
B
A
P1 P2 L1 L2 L3 L4
Z Z
X
X
B
1 2
BSeparate Power Supply for Controller and Lock
XFuse ZMOV
9.9 Checking the System
After completing the wiring of power supply, readers and locks you should make the following
checks:
1. Remove power. Remove all terminal blocks except for the power supply (P1 & P2). Apply
power. You should have between 10.5 and 20v DC or between 8 and 14.5v AC across P1
and P2.
2. Remove power. Connect Reader 1 terminal block. Apply power. You should have between
10 and 16v DC at the controller (+V1, -V1) and 9-16v DC at the reader (+V, -V).
3. Repeat for Reader 2, if used.
9.9.1 Controller Fuse
A 20mm 1 Amp fast blow fuse is fitted to the controller protecting both the controller and reader
supplies.
9.9.2 Switches
Four switches are visible inside the controller near the fuse. These should always be off
(switches towards the fuse).

Initial Programming
17086 Ver 3.3 DRAFT C 15 Easikey
10. Initial Programming
The initialisation of the controller involves clearing its memory and assigning the number of
Editor Keys that will be used. Once the number of Editor Keys has been set then the
number cannot be changed without clearing the Easikey memory. However Editor Keys
can be removed and added - see Adding and Deleting Keys.
Record the number of Editor Keys on the Programming Worksheet.
10.1 Initialisation
Note: This will clear the memory of the Easikey
1. Power up the Easikey with both buttons pressed.
2. The green and red LEDs will be lit and the display will show 03. This is the
number of Editor keys that may be selected. If you want to change the number of
Editor keys then press the grey button to cycle through 01,02,03.
3. Press the blue button to confirm the number of Editors. The display will clear.
10.2 Adding the Editor Keys
The first 1,2 or 3 keys to be added will be Editor keys. These keys will allow access as well as
allowing changes to be made to the system.
1. Present the first Editor Key to the front panel reader.
2. The display will briefly show the green LED. and the number 01. Both dots will
be lit indicating the key has access to both doors.
The display will clear except for 2 dots and the green LED.
3. You may now present another key, which will become key 2. The display will
briefly display 02 and return to the green LED. and two dots.
4. You can change the access of the Editor Keys (except number 1) - see Adding
Keys for details.
5. To finish adding the Editor Keys present the first key again. The display will
clear.
At this point you may continue adding keys as described in Adding Keys.
10.3 Setting the Lock Time
Each of the two lock relays can be set to operate the lock for between 1 and 48 seconds. Each
may also be set to open or close when operated, allowing the use of fail-safe (power to lock) or
fail-secure (power to unlock) locks.
1. Present an Editor key to the controller reader.
2. The Editor Key number will appear - 01 in this example.
•To set the lock release time for door 1 press the blue button.
•To set the lock release time for door 2 press the grey button.
3. The display will show the number of seconds currently set.
•The red LED. will flash for lock 1.
•The green LED. will flash for lock 2.
4. Select a time by pressing:
•the grey button to increment the right digit.
•the blue button to increment the left digit.
Add 50 to the lock release time for the relay to be normally closed (fail-safe).
The example shows a fail-safe lock set to 5 seconds lock release time.

Set-Reset Latch
17086 Ver 3.3 DRAFT C 16 Easikey
5. Present the Editor key again to clear the display.
10.4 Replacing a Lost Editor Key 1
All Editor Keys, including number 1, can be deleted and a new key added in their place.
However if all the Editor Keys are lost then the first key can be reinstalled using the following
procedure:
1. Remove power from the Easikey.
2. Re-apply power with the blue button only pressed down.
3. The display will show 01 with the green LED. lit.
4. Present a new key to the controller reader.
5. The display will flash briefly before it clears
The key presented is now Editor Key 1.
11. Set-Reset Latch
A special facility is available on lock 1 only that allows the lock relay to be set when a valid key
is presented, and reset when a valid key is presented again. This allows the reader to be used
like a light switch to operate another system.
To use this facility you should set the lock release time of door 1 to 99 seconds.
Note
When this facility is used the Request to Exit facility for door 1 will no longer be available.

Database Copy
17086 Ver 3.3 DRAFT C 17 Easikey
12. Database Copy
This facility allows the contents of one Easikey's memory to be copied to another Easikey. The
receiving Easikey will have the contents of its memory completely overwritten by the contents
of the sending Easikey.
To perform this operation you need to connect reader terminal 2 of each Easikey with the
following cable:
Use 0.22mm² reader cable, distance less than 10m.
Sending
Controller
Receiving
Controller
-V2 ———— -V2
S2 ———— A2
A2 ———— S2
+V2 ———— +V2
Only one Easikey needs to be powered.
Sending
Controller
Receiving
Controller
Remove power from both the Easikeys.
Connect reader terminal 2 of both Easikeys with the cable shown
above.
Power up one Easikey.
Present an Editor Key to the sending controller.
The Editor Key number will appear.
Press both buttons on the sending controller.
The display will blank and the green LED. will be lit on the sending
controller. The receiving controller will show 00 plus the red LED.
Press the blue button on the sending controller. Both displays will
now count down from 10 to 01 with the LEDs flashing.
When the copy is finished the LEDs will stop flashing and a check
number will be displayed. This should be the same on both
controllers. If not, then repeat the operation.

Dual Controller Option
17086 Ver 3.3 DRAFT C 18 Easikey
13. Dual Controller Option
It is possible to double the number of keyholders by connecting a reader to the same channel
on two Easikey Controllers. If a key is found in either of the Controllers then the lock relay will
operate. The diagrams below show two controllers controlling one Lock 1. To control Lock 2,
connect a single reader to channel 2 of both controllers, and the lock through terminals L3 and
L4 of each controller. Note that power is supplied to both Easikey controllers.
13.1 Reader Wiring
Notice that the reader wiring shown below includes a diode, (1N4001, not supplied) at each A1
(or A2) terminal. This is essential to provide correct operation of the reader LED.
The Request to Exit switch can be fitted to either controller - it is shown fitted to the second
controller.
-V1 S1 R1 A1 +V1
+V SIG
VCA -V
Easikey
-V1 S1 R1 A1 +V1
12
L
B
Y
Reader Wiring for Dual Controller Operation
1Easikey Controller 1
2Easikey Controller 2
LRequest to Exit BEasikey Reader
YDiodes, 1N4001
13.2 Lock Wiring
Two different lock wiring configurations are required for Fail Secure and Fail-Safe locks. Fail
Secure locks are wired so that the relays are in parallel, that is whichever relay closes then
power will be applied. Fail Secure locks are wired with the relays in series, so whenever one
relay opens then power will be removed.

Dual Controller Option
17086 Ver 3.3 DRAFT C 19 Easikey
P1 P2 L1 L2
P1 P2 L1 L2
L1 L2
L1 L2
12
12
Z
X
P
Z
X
A
B
P
P1 P2
P1 P2
Power and Lock Wiring for Dual Controller Operation
AUsing Fail Secure Locks, Relays in Parallel
BUsing Fail Safe Locks, Relays in Series
1Easikey Controller 1
2Easikey Controller 2
PPower Supply
XFuse ZMOV
13.3 Programming
Both Easikeys should be installed and initialised as described in this manual. However, please
note the following:
•You should add the same Editor keys to each Easikey.
•Ensure that the Lock Release Times for each lock are programmed in exactly the same
way on each controller.
•Note to which controller each key is added. If you need to delete a key then you must know
to which controller it was added.

Easikey System Troubleshooting
17086 Ver 3.3 DRAFT C 20 Easikey
14. Easikey System Troubleshooting
Problem Possible Cause Check
Easikey Controller not
Working
No Power Check AC (mains) power supply and fuse.
Check voltage at P1, P2 terminals, should be
10-16VDC or 10-12VAC.
Fuse Blown Check controller Fuse (1 amp)
Easikey controller OK,
but neither reader
operates.
No power at readers Check power at reader, should be 9-16VDC.
Reader wiring incorrect Check wiring
Lock Release Times set
to 0
Change Lock Release Time to between 1
and 48 seconds.
Key not added Add key to system
One reader OK, but
other is not.
No power at reader Check power at reader, should be 9-16VDC.
Reader wiring incorrect Check wiring
Lock Release Time set to
0
Change Lock Release Time to between 1
and 48 seconds.
Key does not have
access
Check key has access through both doors.
Display 'counts' from
0-99
Switches incorrectly set. Switch all switches OFF, towards fuse.
System fails when a
lock operates
Power supply overload Power supply is not capable of supplying
enough power to operate lock
Lock is faulty and drawing too much current
from power supply.
A key has stopped
working
Faulty reader If the reader is faulty then other keys will also
fail to work - check the reader.
Faulty key Other keys will work without problem -
replace the key.
Incorrect programming Check that the key exists in the controller,
and it has been given correct access

Other Easikey Products
17086 Ver 3.3 DRAFT C 21 Easikey
15. Other Easikey Products
The following items are available for use with the Easikey 2-door Access Control System:
Part No. Description Notes
21275 Boxed Easikey Complete with Easikey Controller 3Amp psu
and wiring.
20377-Black
20387-White
Easikey Mullion Reader For internal use.
20378-Steel
20388-Brass
Easikey Vandal Resistant
Reader
For external use or where resistance to
abuse is required. Supplied with 4 Vandal
Resistant Screws (requires 1950 Screwdriver
below)
20421 Easikey Panel Mount
Reader
For fitting in steel panels, e.g. as part of a
door entry system.
925 Request to Exit Switch Large push switch for mounting on single-
gang back box.
980 Battery 12v 6Ah
590-594 Coloured pegs:
Red, Yellow, Blue, Green,
White
For fitting into PAC keys.
1950 Screwdriver For Vandal Resistant Screws used on Vandal
Resistant Reader

Other Easikey Products
17086 Ver 3.3 DRAFT C 22 Easikey
Declaration of Conformity
Application of Council Directives 73/23/EEC
Standard(s) to which conformity is declared EN55022-B, EN55082-1. EN60950.
Manufacturer's Name PAC International Ltd.
Manufacturer's Address 1 Park Gate Close, Bredbury, Stockport, U.K. SK6 2SZ.
Type of Equipment Access control systems
Product Equipment Easikey Series
I, the undersigned, hereby declare that the equipment specified above conforms to the above directive(s) and
standard(s).
Signed Date 1st September 1995
Full Name Vanda Murray Position Chief Executive