Parabody 445103 Assembly Instruction
445103 to the manual 40e28255-376e-4b51-a5f5-0977e0ab48c3
2014-12-13
: Parabody Parabody-445103-Assembly-Instruction-125577 parabody-445103-assembly-instruction-125577 parabody pdf
Open the PDF directly: View PDF
.
Page Count: 14

Serious Ste~
445103 425 SECOND STACK OPTION
ASSEMBLY INSTRUCTIONS
Part # 6747401
I
l~evision: 09/25/97

NOTE: BOLT LENGTH IS MEASURED FROM THE UNDERSIDE OF THI~ HEAD OF THE BOLT.
Iliiiii!!1
BOLT LENGTH
BOLT LENGTH RULER:
24 5 6
[IMPORTANT NOTES[
WELCOME TO THE WORLD OF Seeiou~
Please note:
* Thank you for purchasing the Parabody 445103 Second Stack Option. Please read these
instructions thoroughly and keep them for future reference. This product must be assembled
on a flat, level surface to assure its proper function.
* We recommend cleaning your product (pads and flame) on a regular basis, using warm soapy
water. Touch-up paint can be purchased from your Parabody customer service representative
’at (800) 328-9714.
There is a risk assumed by individuals who use this type of equipment. To minimize risk, please
follow these rules:
1. Inspect equipment daily. Tighten all loose connections and replace worn parts immediately.
Failure to do so may result in serious injury.
2. Do not allow minors or children to play on or around this equipment.
3. Exercise with care to avoid injury.
4. If unsure of proper use of equipment, call your local Parabody distributor or call the
Parabody customer service department at (800) 328-9714.
~ Tools Required for Assembly
* Rubber mallet or hammer
* 3/4" wrench
* 9/16" wrench
* Ratchet with 3/4" and 9/16" sockets
* 7/32" Allen wrench
* Adjustable wrench
*Tape measure
[ Bolt Length Ruler [

I
2
3
4
5
6
8
9
PART# DESCRrPT~Or~
6523401 GUIDE ROD
6266001 WEIGHT STACK SHAFT ’"
6375902 1-i/4 SQ. X 4-7/8 ~E
671~601 ~ PLA~BLA~
6747501 P~SS-S~ACK ~LE
3’116101 4~’i/~" P~LEY
*h~4o~ SVA~e~
3108002 ~IG~ STA~ COSmON
3117401 C~ PLUG
PARTS LIST
2 10
212
1 16
2 17
4 18
PART# DESCRIP ~N
3102501 3/8" WASHF, R
3102802 3/8" LOCKNUT
6480301 3/8" FLANGE SF’ACER
3102922 3/8X2-3~" DLT
3102901 3/8X 1-1~" DLT
3102503 3~"WASHER
6214501 WEIGHTF~ATE
6382301 WEIGHTPLATEBUSHING 10CT.
6189501 WEIGHTSTAC BF_.L
1
2
15
3
i
FIGURE 1 ~REAR SHROUD
FRONT S CAP SCREW
STEP 1
¯ RIgMOVE the four 3/8" X 1" BUTTON HEAD CAP SCREWS from the top of the front SHROUD & rear SHROUD. See FIGURE 1.
HEAD CAP SCRE~ ~ ~~
FIGURE 2
STEP 2
¯ REMOVE the four 3/8" X 1" BU’I~ON HEAD CAP SCREWS from thebottom of the front SHROUD & re;~r S;HROUD. Remove the
SHROUDS from the 425103 HOME GYM. See FIGURE 2.
0I2I I 4!56
I I I I, ! I I, I I
1 ] , I I Iill
, I I II 1

PLATE
CABLE
FIGURE 3
STEP 3
¯ Unscrew the threaded ends of the HEAD PLATE CABLE from the WEIGHT STACK SHAFT & the D-RING and remove HEAD
PLATE CABLE. The HEAD PLATE CABLE will be used later. See FIGURE 3. (NOTE: Remove pulleys for ease of removal.)

PRESS TENSION CORD
it COTTERPIN~
KEYI-IOLE CLEVIS,,~~
PRESS C
(67249) LAT CABLE
(667248)
LEG CURL/EXTENSION CABLE
(67247)
FIGURE 4
STEP 4
¯ CAREFULLY remove the PRESS TENSION CORD and PRESS CABLE by pulling the COTTER PIN and CLEVIS PIN from the
KEYHOLE CLEVIS as shown in FIGURE 4.
¯ CAREFULLY remove the 1/4" CAP NUT for the PRESS TENSION CORD on the TOP BOOM.
¯ P/ease d/scm’d the previously removed PRESS TENSION CORD, PRESS CABLE, COTTER PIN, CLEVIS PIN, and KEYHOLE
CLEVIS.
[ lt2 I1~2 [ lt~ [ 1/2 [1~ [1/~: [
2 3 ! !
4[ l l l 6
0l l I i
11 ll l i I I l i i , l

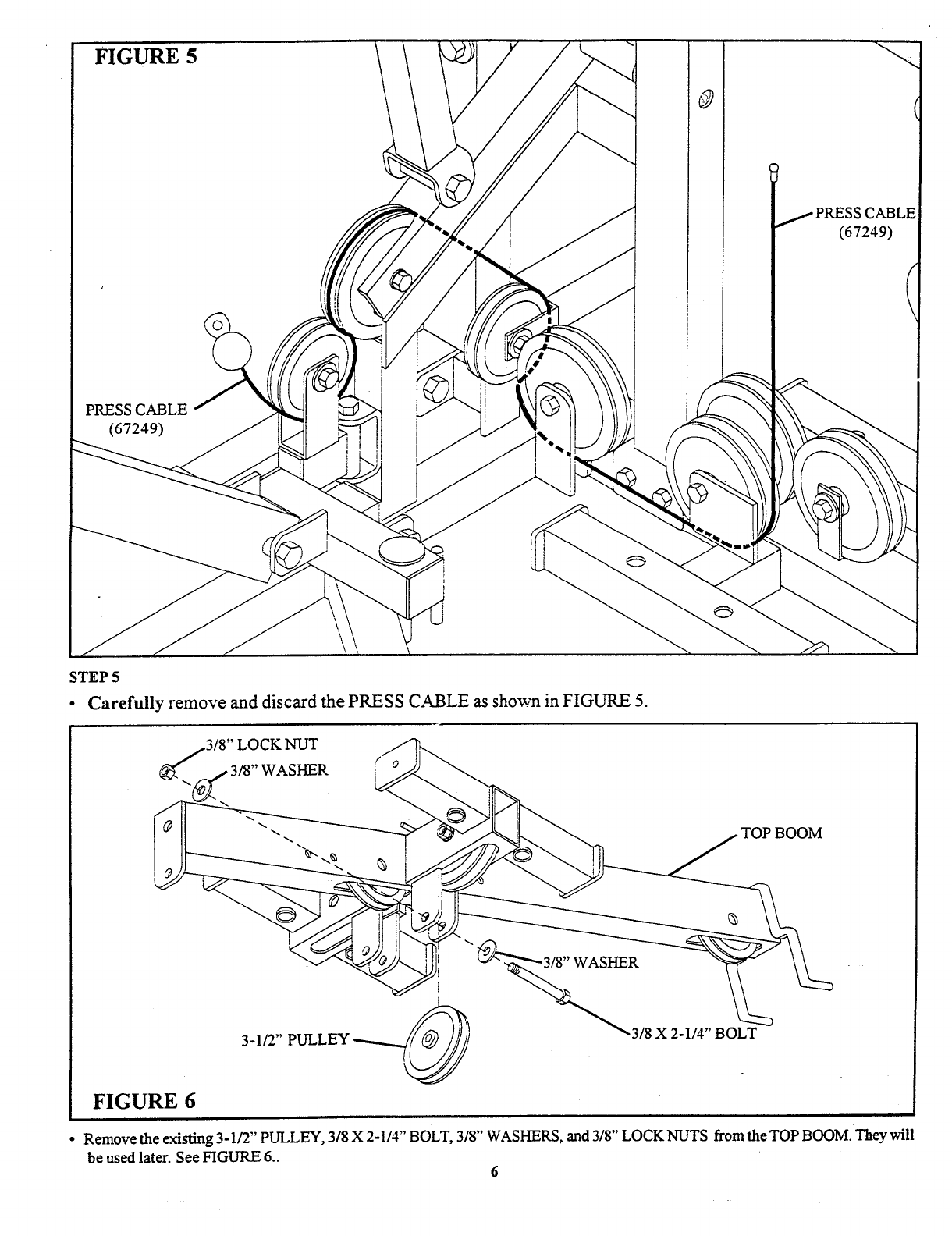
FIGURE 5
(67249)
PRESS CABLE
(67249)
STEP 5
¯ Carefully remove and discard the PRESS CABLE as shown in FIGURE 5.
~3/8" LOCK NUT
3-1/2" P~LEY ~ ~3/8 X 2-1/4" BOLT
FIGURE 6
Remove the existing 3-1/2" PULLEY, 3/8 X 2-1/4" BOLT, 3/8" WASHERS, and 3/8" LOCK NUTS from the TOP BOOM. They will
be used later. See FIGURE 6..

" ~" "-. ~ ~ TOP BOOM
@~ 318 X 2-3/4"
FIGURE 7
STEP 7
¯LOOSELY assemble one 4-1/2" PULLEY (6) to the TOP BOOM using one 3/8 X 2-3/4" BOLT (13), two 3/8" FLANGE
SPACERS (12), and one 3/8" LOCK NUT (11). See FIGURE
3/8" LOCK NUT
~,/ 3/8" WASHER
~~3/8 X 2-1/4" BOLT
3-I/2" PULLEY
FIGURE 8
STEP $
¯LOOSELY assemble the previously removed 3-1/2" PULLEY to the TOP BOOM (17) using the previou.,;ly removed 3/8 X 2-1/4"
BOLT, two 3/8" WASHERS, and one 3/8" LOCKNUT. See FIGURE 8.
I2 3 4 $ 6
Oi I ,,! 11 !, , , ,i.a_ [ I I I [ ! I I I I ! I I I I ’ [ I I ....
7

FIGURE 9
PRESS-STACK
CABLE
(67475)
PRESS-STACK
CABLE
(67475)
STEP 10
¯Route the PRESS-STACK CABLE (5) around the pulleys and 1-brackets as shown in STEP 9, (Remove pulleys for ease instal-
lationo)
PRESS-
STACK
CABLE
(67475)
FIGURE 10 STEP 10
¯ To assemble the PRESS-STACK CABLE (5)
follow the cable routing as shown and use the
following steps:
¯Route the thread end of PRESS-STACK CABLE
(5) up and over the PULLEY in the TOP BOOM
above the WEIGHT STACK. (Remove pulley for
ease of installation.)
¯Screw the threaded end of the PRESS-STACK
CABLE (5) approximately 1" into the end of the
SELECTOR SHAFI" of the HEAD PLATE on the
WEIGHT STACK as shown in FIGURE 10.
¯SECURELY tighten the pulley connection from
the previous step.

STEP 12
¯Insert two WEIGHT PLATE BUSHINGS (17) into the
"PARABODY" side of each of the f’tfteen WEIGHT
PLATES (16) as shownin FIGURE 11.
FIGURE 11
FIGURE 12
STEP 12
BOOM
¯ ---- LOOSEN
LOOSEN the bolts holding the TOP BOOM to the UPRIGHTS. Bolts will have to be removed to install GUq~DE RODS (1). See
FIGURE 12.
65 Lll4 J I I
3J I I I
o J I I
I9

X 1-114"
FIGURE 13
BASE
;TEP 13
¯ Insert four CAP PLUGS (9) into the top and bottom ends of the GUIDE RODS (1) as shown in FIGURE13.
¯ SECURELY assemble the WEIGHT STACK SHAFT (2) to the I-[EAD PLATE (4) using one 3/8 X 1-1/4" BOLT (14) and one
WASHER (10).
¯Insert two GUIDE RODS (1) into the BASE as shown on FIGURE 13. (NOTE: Lubricate GUIDE RODS (1) with silicon
teflon spray available at most hardware stores.)
o Slide two 1-1/4 SQ. X 4-7/8" TUBES (3), two 3/4" WASHERS (15), and two WEIGHT STACK CUSHIONS (8) - IN
ORDER - down over the GUIDE RODS (1).
¯ Using EXTREME CARE slide all fifteen WEIGHT PLATES (16) down over the GUIDE RODS (1) on to the WEIGHT STACK
CUSHIONS (8). Make sure that the keyholes of the WEIGHT PLATES (16) are all facing the right
. Slide the head plate assembly down over the GUIDE RODS (1) onto the weight stack.
¯ Attach the WEIGHT STACK LABELS (18) to the weight stack. Also insert the WEIGHT STACK PIN (7) into the fast WEIGHT
PLATE (16) of the weight stack. 10

(NOTE: Make; sure
LAT CABLE runs over top of
bolts in TOP BOOM.)
FIGURE 14
STEP 14
¯ CAREFULLY lift ortilt the TOP BOOM and insert all GUIDE RODS into the bushings. See FIGURE 14.
¯ With the GLT[DE RODS (1) securely held in the TOP BOOM. Tighten all TOP BOOM connections. (NOTE: Make sure the
CABLE runs over the top of the bolts in the TOP BOOM.)
6
0l I I II I II

STEP 15
~)
¯Screw one of the threaded ends of the previously
removed HEAD PLATE CABLE approximately I"
into the end of the WEIGHT STACK SHAFT. See
FIGURE 15.
FIGURE 15
HEAD PLATE
CABLE
(67250)
STEP 16
¯Route the thread end of HEAD PLATE CABLE up
and over the PULLEYS in the TOP BOOM above
the WEIGHT STACK. (Remove pulleys for case
of installation.)
¯Screw the other threaded end of the HEAD PLATE
CABLE approximately I" into the end of the shaft
on the D-RING. Scc FIGURE 16.
¯SECURELY tighten the pulleys connection from the previous step.
¯Atljust out any slack in the two cable systems. (Refer to your 425103 iuslructious for the proper procedures.)
FIGURE 16
(67250)
!
12

FIGURE 17
STEP 17
If the 435103 LEG PRESS ADAPTER KIT is not installed the rear SHROUD opening must be removed. AI~ply pressure to the
bottom of the SHROUD where the "V" groove is and carefuly remove the weight stack opening on the plastic SHROUD as show~.
in FIGURE 17. "
1/2 [ 1r2 [ 1/2" [ 1/2 [ 1/2 [1/2 [
56
4[ ! ! I I I II,,
1[ I I ! I I
I ! ! ! .

FIGURE 18
FRONT
3/8" X 1" BUTI’ON
HEAD CAP SCREW
STEP 18
¯ SECURELY attach the four previously removed 3/8" X 1" BUTTON HEAD CAP SCREWS from the top of the front SHROUD &
rear SHROUD. See FIGURE 18.
AD C’ BUTTON
FIGURE 19
;TEP 19
¯ SECURELY attach the four previously removed 3/8" X 1" BUTTON HEAD CAP SCREWS from the bottom of the from SHROUD
& rear SHROUD. Remove the SHROUDS from the 425103 HOME GYM. See FIGURE 19.
¯ The PRESS STATION and SWIVEL LOW PULLEY are now operated with the front stack and the LAT, PEC, and LEG STATION are
now operated with the rear stack
Thank you for purchasing the Parabody 445103 Second Stack Option. If unsure ofproper use of equipment,
call your local Parabody distributor or c.all the Parabody customer service department at (800) 328-9714.