0GU4101 TSTT TS960T TS970T IM OM
2017-10-21
: Pdf 0Gu4101 Tstt Ts960T Ts970T Im Om 0GU4101_TSTT_TS960T_TS970T_IM_OM toto
Open the PDF directly: View PDF 
.
Page Count: 32

ENGLISHESPAÑOLFRANÇAIS
InstallatIon and owner’s Manual
Manual de InstruccIones y del ProPIetarIo
Manuel d’InstallatIon et d’utIlIsatIon
trIM only for therMostatIc MIxIng ValVe
3/4” therMostatIc MIxIng ValVe (rough ValVe only)
grIfería de la VálVula de Mezcla terMostátIca
VálVula de Mezcla terMostátIca de ¾” (19MM)  (VálVula ásPera solaMente)
garnIture de la ValVe de Mélange therMostatIque
ValVe de Mélange therMostatIque de 3/4” (19MM) (corPs d’encastreMent 
unIqueMent)
guIneVere® 
ts970t
soIrée® 
ts960t
tstt

2
ENGLISH
TABLE OF CONTENTS
CAUTION
CARE & CLEANING
THANKS FOR USING TOTO® !
THANKS FOR CHOOSING TOTO®! ��������������������������������������������������������������������������������������������2
CARE AND CLEANING �����������������������������������������������������������������������������������������������������������������2
CAUTION ������������������������������������������������������������������������������������������������������������������������������������������2
TOOLS YOU WILL NEED ��������������������������������������������������������������������������������������������������������������3
BEFORE INSTALLATION ��������������������������������������������������������������������������������������������������������������3
INSTALLATION PROCEDURE ����������������������������������������������������������������������������������������������������4
ROUGH-IN  ��������������������������������������������������������������������������������������������������������������������������������������6
TROUBLESHOOTING �������������������������������������������������������������������������������������������������������������������7
ACCESSING AND CLEANING THE VALVES �������������������������������������������������������������������������� 8
REPLACEMENT PARTS  ����������������������������������������������������������������������������������������������������������������9
LIFETIME WARRANTY ���������������������������������������������������������������������������������������������������������������11
your new faucet Is desIgned for years of trouble-free PerforMance.  KeeP It looKIng 
new by cleanIng It PerIodIcally wIth MIld soaP, rInse thoroughly wIth warM water 
and dry wIth a clean, soft cloth.  do not use abrasIVe cleaners, steel wool or harsh 
cheMIcals, as these wIll dull the fInIsh.  faIlure to follow these InstructIons May 
VoId your warranty.
 RequiRes volume contRol valve oR positive shut off valve.
 rIsK of scaldIng: thIs ValVe Must be calIbrated by the Installer (see ValVe 
calIbratIon Procedure). once calIbrated, thIs ValVe has a lIMIter to PreVent the teMPerature 
froM exceedIng 120°f (49°c)
 If solderIng durIng InstallatIon, do not aPPly excessIVe heat to the ValVe body. excessIVe 
heat May daMage the Internal seals and PlastIc coMPonents.
 Please not to use If large dIfference In Pressure between the hot and cold suPPlIes.
 teMPerature wIll be dIfferent when you use one shower or all showers.
 suPPly hot water teMPerature should not exceed 140°f (60°c)
 do not use the Product at aMbIent teMPerature below 32°f (0°c).
 do not reVerse the hot and cold water Inlets
 Insulate the hot water suPPly PIPe to MInIMIze heat loss.
 do not use steaM for hot water suPPly
 do not dIsasseMble the therMo unIt.
the MIssIon of toto® Is to ProVIde the world wIth healthy, hygIenIc and More 
coMfortable lIfestyles. we desIgn eVery Product wIth the balance of forM and 
functIon as a guIdIng PrIncIPle. congratulatIons on your choIce.

3
ENGLISH
TOOLS YOU WILL NEED
BEFORE YOU START INSTALLATION
10°
70°
120°
 obserVe all local PluMbIng codes 
 flush all PIPIng thoroughly before InstallIng the ValVe.
 MaKe sure water suPPly Is shut off
 read these InstructIons carefully to ensure ProPer InstallatIon
 toto® reserVes the rIght to uPdate Product desIgn wIthout notIce
 checK to MaKe sure you haVe the followIng Parts IndIcated below
tstt ValVe &
Plaster guard
MIxIng ValVe and 
MountIng Plate
PIPe taPe therMoMeter adjustable 
PlIers
adjustable 
wrench
screwdrIVer
facePlate, escuncheon, handle 
and set screw*
* these IteMs Vary In aPPearance dePendIng on Model
steM adaPters & 
o-rIngs
ValVe locK-nut 
tool
screw, washer, & 
PlastIc adaPter
long screws
ts960t or ts970t
allen 
wrench
10MM

4
ENGLISH
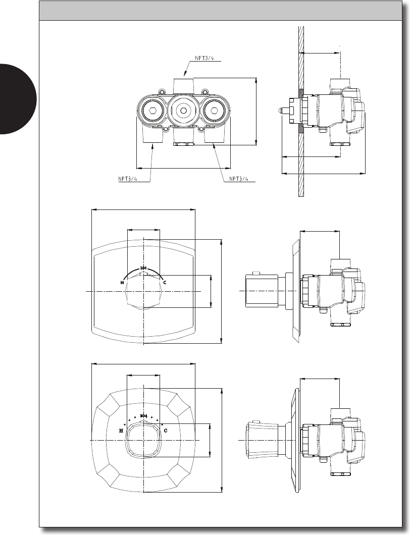
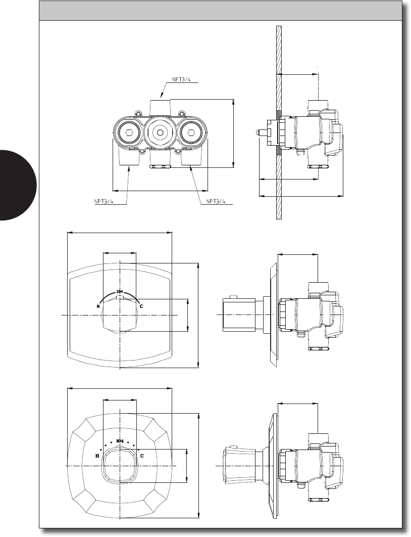
INSTALLATION PROCEDURES
MAX
MIN
UP
A
X
3 3/4”
94.8mm
5 5/16”
134.7mm
 turn off MaIn water suPPly.
 attach Plaster guard to ValVe. do not 
reMoVe untIl Instructed to do so.
 Install ValVe so that  “uP” MarK Is PoIntIng 
uPward.
 PluMb ValVe so that outsIde of fInIshed wall 
lands between Max and MIn IndIcated on Plaster 
guard (I.e. a=2 9/16”-3 3/4” (65-95MM) see 
“a” below.
 connect hot water suPPly to left Inlet 
MarKed “hot” and the cold water suPPly to the 
rIght Inlet MarKed “cold”
 secure PIPes and ValVe to fraMe
 the Plaster guard wIll requIre a rectangu-
lar hole 3 1/4” x 6 5/16” (80MM x 160MM).
 fInIsh wall
 when you are ready to contInue the Instal-
latIon: reMoVe the Plaster guard.
 choose a steM adaPter based on the  
dIstance “x” (see rIght)
 MaKe sure o-rIngs are on the steM adaPter 
and slIde It onto the ValVe steM.
hot water In 
cold water In 
MIxed water out 
steM adaPter sIze
x=
58MM
68MM
78MM
20-30MM
10-20MM
0-10MM
ValVe
Plaster guard
f
InIshed
 w
all
2 3/4” (70MM)
2 5/16” (58MM)
steM adaPter
MountIng Plate
cautIon: rIsK of Personal Injury.   the Installer Must calIbrate thIs ValVe to MInIMIze the rIsK of 
scaldIng.   Max water teMP should neVer exceed 120°f (49°c)
cut to length
2 5/16”
2 11/16”
3 1/16”
13/16”-1 3/16”
3/8”-13/16”
0”-3/8”
x=
x=
 note the dIstance between the holes on the 
MountIng Plate. the two holes that are 2 3/4  ” 
(70 MM) aPart should be on toP.
 Install the MountIng Plate flush wIth the 
fInIshed wall usIng the long screws.

5
ENGLISH
INSTALLATION PROCEDURES
 reMoVe the nut and MaKe sure that the 
alIgnMent MarKs on the lIMIter and the MIxIng 
ValVe are alIgned.  If they are not, reMoVe the 
lIMIter and rePlace It In the correct PosItIon 
then rePlace the nut.
 Install the facePlate flush agaInst the wall  
by tIghtenIng the escutcheon.
 Place the PlastIc adaPter on the end of the 
steM adaPter and secure wIth the screw and 
washer ProVIded.
 hold a therMoMeter under the streaM and 
adjust the teMPerature by rotatIng the steM 
adaPter untIl the water teMPerature Is a steady 
104° f (40°c) 
 turn off water.
 Install handle wIth button at 12 o’clocK. 
It should PoInt to the engraVed MarKIng on the 
facePlate: 104°
 secure handle wIth the set screw.
 turn water on and let It run for a few 
MInutes.
 checK teMPerature wIth a therMoMeter. It 
should read 104°f (40°c) when the button on 
the handle Is In the 12 o’clocK PosItIon.
 If It doesn’t, reMoVe the handle and follow 
the stePs on the PreVIous Page to calIbrate It. 
 If the teMPerature Is correct, turn the 
handle slowly wIthout PushIng the button untIl 
It stoPs. the teMPerature should now be about 
108°f (42°c).
 If the teMPerature Is confIrMed, Press the 
button and rotate counterclocKwIse untIl It 
stoPs. teMPerature should not exceed 120°f 
(49°c)
 If eVerythIng checKs out turn the handle 
bacK to 104° and checK once More.
 If any of the aboVe teMPerature settIngs are 
not confIrMed, rePeat the calIbratIon Process.
MountIng Plate
MIxIng ValVe
lIMIter
nut steM  
adaPter
alIgnMent MarKs
facePlate
foaM 
PacKIng
escuncheon
adaPter
screw and washer
handle
button
set screw
handle
button
104° f
40° c
 turn on the water and allow It to run for 
a few MInutes.
calIbratIon Procedure

6
ENGLISH
ROUGH-IN
6 11/16”
170 mm
2 1/16”
53 mm
6 11/16”
170 mm
2 1/16”
53 mm
6 11/16”
170 mm
2 1/8”
54 mm
6 11/16”
170 mm
2 1/8”
54 mm
2 9/16” - 3 3/4”
65-95 mm
2 9/16” - 3 3/4”
65-95 mm
6”
152 mm
4 5/16”
109 mm
2 9/16” - 3 3/4”
65-95 mm
3 3/4”
94.8 mm
5 5/16”
134.7 mm
tstt
ts960t
ts970t
fInIshed 
wall

7
ENGLISH
TROUBLESHOOTING
ProbleM    area of Interest
low flow        1, 3, 4
leaKage         3, 5, 6, 7, 8, 9
Irregular teMPerature      1, 2, 4
loose handle        12
loose facePlate        10, 11
1 
Is the stoP ValVe 
coMPletely oPened?
2 
Is the therMo unIt 
dIrty?
3 
are the o-rIngs 
dIrty or 
daMaged?
4 
are the fIlters 
clogged?
5 
Is the checK ValVe 
caP tIghtened?
6 
are the o-rIng dIrty 
or daMaged?
7 
Is the ValVe locK nut 
ProPerly tIghtened?
8 
are the o-rIngs dIrty 
or daMaged?
9 
Is the nut ProPerly 
tIghtened?
10 
are the screws 
ProPerly tIghtened?
11 
Is the escutcheon 
ProPerly tIghtened?
12 
are the screws 
ProPerly tIghtened?

8
ENGLISH
ACCESSING AND CLEANING THE VALVES
 before you can serVIce the therMostatIc 
ValVe you Must close off the hot and cold suP-
Ply ValVes usIng the ValVe locK nut tool suPPlIed 
wIth the faucet.
 you can now access the fIlters and checK 
ValVes.
 use a 10MM allen wrench to reMoVe the 
checK ValVe unIts, be careful not to lose the  
fIlters.
 rInse fIlter under water to reMoVe debrIs.
 the therMo unIt can be reMoVed by reMoV-
Ing the ValVe locK nut.
 Insert screwdrIVer Into slot and/or use 
adjustable PlIers to reMoVe therMo unIt. 
 cautIon:  the therMo unIt Is a sPecIally 
constructed PIece and should neVer be dIsas-
seMbled
 clean usIng water and a toothbrush or 
sIMIlar soft brIstled brush
 do not use wIre or steel brush.
ValVe locK-nut 
tool
fIlters
checK ValVes
ValVe 
locK nut
therMo 
unIt
clocKwIse to 
close

9
ENGLISH
REPLACEMENT PARTS
6a
5a
5b
4
3
1a
1b
2
6b
12
11
10
8
7
9
IteM  Product nuMber  descrIPtIon
7  thP4397  long screws
8  thP4398  MountIng Plate
9  1fu4200  nut
10  1fu4201  lIMIter
11  thP4400  o-rIngs
12  thP4399  steM adaPters
IteM  Product nuMber  descrIPtIon
1a  thP4014#$$*  handle
1b  thP4052#$$*  handle
2  thP4051  set screw
3  thP4391  screw and washer
4  thP4392  adaPter
5a  thP4394#$$*  escutcheon
5b  thP4393#$$*  escutcheon
6a  thP4396#$$*  facePlate
6b  thP4395#$$*  facePlate
IteMs labeled wIth “a” are Part of the guIneVere® lIne.  
IteMs labeled wIth “b” are Part of the soIrée® lIne.
*sPecIfy fInIsh when orderIng
ts960t & ts970t

10
ENGLISH
REPLACEMENT PARTS
8
7
6
5
4
3
2
1
IteM  Product nuMber  descrIPtIon
1  thP4385   locK nut
2  thP4387   stoP ValVe unIt
3  thP4388   o-rIng 
4  thP4389   fIlter screen
5  thP4384   3/4” therMo unIt
6  thP4390   gasKet
7  thP4386   o-rIngs
8  thP4271   ValVe locK nut tool
tstt

11
ENGLISH
WARRANTY
TOTO® U.S.A., INC. LIMITED LIFETIME WARRANTY
1.TOTO® warrants its residential faucets and bathroom accessories (“Product”) to be free from defects in 
materials and workmanship during normal use when properly installed and serviced, for the lifetime of the 
Product from date of purchase.  This limited warranty is extended only to the ORIGINAL PURCHASER 
of the Product and is not transferable to any third party, including but not limited to any subsequent 
purchaser or owner of the Product.  This warranty applies only to TOTO® Product purchased and 
installed in North, Central and South America.
2.TOTO®’s obligations under this warranty are limited to repair, replacement or other appropriate 
adjustment, at TOTO®’s option, of the Product or parts found to be defective in normal use, provided 
that such Product was properly installed, used and serviced in accordance with instructions.  TOTO® 
reserves the right to make such inspections as may be necessary in order to determine the cause of the 
defect.  TOTO® will not charge for labor or parts in connection with warranty repairs or replacements.  
TOTO® is not responsible for the cost of removal, return and/or reinstallation of the Product.
3.This warranty does not apply to the following items:
a.Damage or loss sustained in a natural calamity such as re, earthquake, ood, thunder, electrical 
storm, etc.
b.Damage or loss resulting from any accident, unreasonable use, misuse, abuse, negligence, or 
improper care, cleaning, or maintenance of the Product, including the use of an abrasive cleaning 
agent or the use of any other cleaning product in a manner inconsistent with the Product instructions.
c. Damage or loss resulting from sediments or foreign matter contained in a water system.
d.Damage or loss resulting from improper installation or from installation of the Product in a harsh and/or 
hazardous environment, or improper removal, repair or modication of the Product.
e.Damage or loss resulting from electrical surges or lightning strikes or other acts which are not the fault 
of TOTO® or which the Product is not specied to tolerate.
f. Damage or loss resulting from normal and customary wear and tear, such as gloss reduction, 
scratching or fading over time due to use, cleaning practices or water or atmospheric conditions.
4.If the Product is used commercially or is installed outside of North, Central or South America, TOTO® 
warrants the Product to be free from defects in materials and workmanship during normal use for one (1) 
year from the date of installation of the Product, and all other terms of this warranty shall be applicable 
except the duration of the warranty.
5.THIS WARRANTY GIVES YOU SPECIFIC LEGAL RIGHTS.  YOU MAY HAVE OTHER RIGHTS WHICH 
VARY FROM STATE TO STATE OR PROVINCE TO PROVINCE.
6.To obtain warranty repair service under this warranty, you must take the Product or deliver it prepaid 
to a TOTO® service facility together with proof of purchase (original sales receipt) and a letter stating 
the problem, or contact a TOTO® distributor or products service contractor, or write directly to TOTO® 
U.S.A., INC., 1155 Southern Road, Morrow, GA 30260 (888) 295 8134.  If, because of the size of the 
Product or nature of the defect, the Product cannot be returned to TOTO®, receipt by TOTO® of written 
notice of the defect together with proof of purchase (original sales receipt) shall constitute delivery.  In 
such case, TOTO® may choose to repair the Product at the purchaser’s location or pay to transport the 
Product to a service facility.
THIS WRITTEN WARRANTY IS THE ONLY WARRANTY MADE BY TOTO®.  REPAIR, REPLACEMENT 
OR OTHER APPROPRIATE ADJUSTMENT AS PROVIDED UNDER THIS WARRANTY SHALL BE 
THE EXCLUSIVE REMEDY AVAILABLE TO THE ORIGINAL PURCHASER.  TOTO® SHALL NOT 
BE RESPONSIBLE FOR LOSS OF THE PRODUCT OR FOR OTHER INCIDENTAL, SPECIAL OR 
CONSEQUENTIAL DAMAGES OR EXPENSES INCURRED BY THE ORIGINAL PURCHASER, OR FOR 
LABOR OR OTHER COSTS DUE TO INSTALLATION OR REMOVAL, OR COSTS OF REPAIRS BY 
OTHERS, OR FOR ANY OTHER EXPENSE NOT SPECIFICALLY STATED ABOVE.  IN NO EVENT WILL 
TOTO®’S RESPONSIBILITY EXCEED THE PURCHASE PRICE OF THE PRODUCT.  EXCEPT TO THE 
EXTENT PROHIBITED BY APPLICABLE LAW, ANY IMPLIED WARRANTIES, INCLUDING THAT OF 
MERCHANTABILITY OR FITNESS FOR USE OR FOR A PARTICULAR PURPOSE, ARE EXPRESSLY 
DISCLAIMED.  SOME STATES DO NOT ALLOW LIMITATIONS ON HOW LONG AN IMPLIED 
WARRANTY LASTS, OR THE EXCLUSION OR LIMITATION OF INCIDENTAL OR CONSEQUENTIAL 
DAMAGES, SO THE ABOVE LIMITATION AND EXCLUSION MAY NOT APPLY TO YOU.

12
ESPAÑOL
ÍNDICE
PRECAUCIÓN
CUIDADO Y LIMPIEZA
¡GRACIAS POR ELEGIR TOTO®!
¡GRACIAS POR ELEGIR TOTO®! ����������������������������������������������������������������������������������������������12
CUIDADO Y LIMPIEZA ��������������������������������������������������������������������������������������������������������������12
PRECAUCIÓN ������������������������������������������������������������������������������������������������������������������������������� 12
HERRAMIENTAS QUE NECESITA ������������������������������������������������������������������������������������������13
ANTES DE LA INSTALACIÓN �������������������������������������������������������������������������������������������������� 13
PROCEDIMIENTO DE INSTALACIÓN �����������������������������������������������������������������������������������14
BOSQUEJO  ����������������������������������������������������������������������������������������������������������������������������������16
RESOLUCIÓN DE PROBLEMAS ���������������������������������������������������������������������������������������������17
ACCESO Y LIMPIEZA DE VÁLVULAS ������������������������������������������������������������������������������������ 18
PIEZAS DE REPUESTO  ������������������������������������������������������������������������������������������������������������� 19
LIFETIME WARRANTY ���������������������������������������������������������������������������������������������������������������21
 Necesita válvula de coNtrol de volumeN o válvula de cierre positiva.
 rIesgo de queMadura: esta VálVula debe ser calIbrada cuando se Instala (Véase 
el ProcedIMIento de calIbracIón de la VálVula). una Vez calIbrada, esta VálVula lIMItará la 
teMPeratura del agua a un MáxIMo de 120 °f (49 °c).
 sI fuera necesarIo soldar durante la InstalacIón, no PerMIta que la VálVula se calIente 
excesIVaMente. el calor excesIVo Podría dañar las juntas y los coMPonentes PlástIcos Internos.
 no usar la VálVula sI hubIera una dIferencIa consIderable de PresIón entre las líneas de agua 
calIente y fría.
 la teMPeratura VarIará sI se usa una sola ducha o todas las duchas.
 la teMPeratura de suMInIstro de agua calIente no debe ser suPerIor a 140 °f (60 °c).
 no usar este Producto sI la teMPeratura aMbIente es Menor que 32 °f (0 °c).
 no InVertIr la entrada de agua calIente nI de agua fría.
 aPlIcar aIslante térMIco a la línea de agua calIente Para reducIr al MínIMo la PérdIda de 
calor.
 no Inyectar VaPor en la línea de agua calIente.
 no desarMar la unIdad del terMostato.
la MIsIón de toto® es dar al Mundo estIlos de VIda Más saludables, hIgIénIcos y 
cóModos. dIseñaMos cada Producto guIándonos Por el PrIncIPIo del equIlIbrIo entre 
forMa y funcIón. felIcItacIones Por su eleccIón.
su nueVa grIfería está dIseñada Para años de funcIonaMIento sIn ProbleMas.  Manténgala 
lucIendo coMo nueVa MedIante una lIMPIeza PerIódIca con jabón suaVe, enjuague 
MInucIosaMente con agua tIbIa y séquela con un Paño lIMPIo y suaVe.  no use lIMPIadores 
abrasIVos, lana de acero nI Productos quíMIcos fuertes ya que éstos oPacarán el acabado.  el 
no cuMPlIr con estas InstruccIones Podría anular su garantía.

13
ESPAÑOL
HERRAMIENTAS QUE NECESITA
ANTES DE LA INSTALACIÓN
10°
70°
120°
10MM
ANTES DE LA INSTALACIÓN
 cuMPla los códIgos MunIcIPales de PloMería. 
 lIMPIe bIen las tuberías antes de Instalar la VálVula.
 VerIfIque que esté cortado el suMInIstro de agua.
 lea atentaMente estas InstruccIones Para hacer la InstalacIón correctaMente.
 toto® se reserVa el derecho de caMbIar el dIseño del Producto sIn oblIgacIón de aVIso 
PreVIo.
 VerIfIque que se encuentren todas las Partes IndIcadas a contInuacIón.
VálVula y 
Protector de 
Pared tstt
VálVula Mezcladora 
y Placa de Montaje
cInta Para 
rosca
terMóMetro PInza 
ajustable
llaVe 
ajustable
destornIllador
taPa, escudo, ManIja y tornIllo de 
fIjacIón*
* estos coMPonentes Varían de asPecto según el Modelo.
adaPtadores de Vásta-
go y anIllos en o
ValVe locK-nut 
tool
tornIllo, arandela 
y adaPtador de 
PlástIco
tornIllos largos
ts960t o ts970t

14
ESPAÑOL
PROCEDIMIENTO DE INSTALACIÓN
MAX
MIN
UP
A
X
3 3/4”
94.8mm
5 5/16”
134.7mm
 corte el suMInIstro de agua.
 coloque al Protector de Pared en la VálVula y 
no lo quIte hasta que recIba InstruccIones de hacerlo.
 Instale la VálVula con la Marca “uP” hacIa 
arrIba.
 la Parte externa de la Pared terMInada debe 
quedar entre las Marcas de MáxIMo y MínIMo del 
Protector de Pared [Por ejeMPlo, a = 2-9/16” – 3-
3/4” (65 – 95 MM). Véase “a”.
 conecte la línea de agua calIente a la entrada 
de la IzquIerda Marcada con “hot”, y la línea de agua 
fría a la entrada de la derecha Marcada con “cold”.
 asegure la VálVula y la tubería al encofrado.
 Para Instalar el Protector de Pared es necesarIo 
hacer un corte rectangular de 3-1/4” x 6-5/16”  
(8 x 16 cM).
 terMIne la Pared.
 antes de contInuar con la InstalacIón, retIre el 
Protector de Pared.
 seleccIone un adaPtador de Vástago de acuerdo 
con la dIstancIa “x” (Véase la IlustracIón a la 
derecha).
 VerIfIque que los anIllos en o estén colocados 
e Introduzca el Vástago en la VálVula.
entrada agua 
 calIente
entrada agua 
fría
salIda de agua
taMaño adaPtador de Vástago
x=
58MM
68MM
78MM
20-30MM
10-20MM
0-10MM
VálVula
Protector de 
Pared
P
ared
terMInada
2 3/4” (70MM)
2 5/16” (58MM)
adaPtador de 
Vástago
Placa de Montaje
PrecaucIón: rIesgo de lesIón Personal. esta VálVula debe ser calIbrada cuando se Instala, a fIn de 
reducIr al MínIMo el rIesgo de queMadura. la teMPeratura del agua nunca debe ser suPerIor a 120 °f (49 °c).
cortado a MedIda
2 5/16”
2 11/16”
3 1/16”
13/16”-1 3/16”
3/8”-13/16”
0”-3/8”
x=
x=
 obserVe la dIstancIa entre los agujeros de la 
Placa de Montaje. los dos agujeros seParados  
2-3/4” (70 MM) deberían quedar del lado de arrIba.
 Instale la Placa de Montaje a ras con la 
suPerfIcIe terMInada de la Pared, utIlIzando los 
tornIllos largos.

15
ESPAÑOL
PROCEDIMIENTO DE INSTALACIÓN
 quIte la tuerca y VerIfIque que coIncIdan 
las Marcas de alIneacIón del lIMItador y de la 
VálVula Mezcladora. sI así no fuera, desMonte 
el lIMItador, VuelVa a colocarlo en la PosIcIón 
correcta y coloque la tuerca.
 Instale la taPa a ras de la Pared ajustando 
el escudo.
 coloque el adaPtador de PlástIco en el 
extreMo del adaPtador del Vástago y fíjelo con 
su tornIllo y arandela.
Placa de Montaje
VálVula 
Mezcladora
lIMItador
tuerca adaPtador 
del Vástago
Marcas de alIneacIón
taPa
eMPaquetadura 
de esPuMa
escudo
adaPtador
tornIllo y arandela
ManIja
botón
tornIllo de fIjacIón
ManIja
botón
104° f
40° c
 abra el Paso del agua y deje correr agua 
durante algunos MInutos.
 MIda la teMPeratura del agua con el 
terMóMetro y regule la teMPeratura gIrando el 
adaPtador del Vástago hasta se estabIlIce en un 
Valor de 104 °f (40 °c).
 corte el suMInIstro de agua.
 Instale la ManIja con el botón sobre la Ver-
tIcal suPerIor. debería quedar orIentado hacIa 
la Marca en la taPa: 104°
 fIje la ManIja en PosIcIón ajustando el 
tornIllo.
 abra el Paso del agua y déjela correr 
durante algunos MInutos.
 MIda su teMPeratura con el terMóMetro. 
debería leer 104 °f (40 °c) con el botón en la 
PosIcIón VertIcal suPerIor.
 sI esa no fuera la teMPeratura, quIte la 
ManIja y sIga los Pasos exPlIcados anterIorMente 
Para calIbrar la teMPeratura.
 sI la teMPeratura es correcta, gIre la ManIja 
lentaMente sIn eMPujar el botón hasta que se 
detenga. la teMPeratura ahora debería ser de 
aProxIMadaMente 108 °f (49 °c).
 sI todo estuVIera en orden, VuelVa a lleVar 
la ManIja a la PosIcIón de 104 °f y MIda la 
teMPeratura una Vez Más.
 sI cualquIera de las teMPeraturas no se 
confIrMara, rePIta todo el Proceso de calI-
bracIón.
ProcedIMIento de calIbracIón

16
ESPAÑOL
BOSQUEJO
6 11/16”
170 mm
2 1/16”
53 mm
6 11/16”
170 mm
2 1/16”
53 mm
6 11/16”
170 mm
2 1/8”
54 mm
6 11/16”
170 mm
2 1/8”
54 mm
2 9/16” - 3 3/4”
65-95 mm
2 9/16” - 3 3/4”
65-95 mm
6”
152 mm
4 5/16”
109 mm
2 9/16” - 3 3/4”
65-95 mm
3 3/4”
94.8 mm
5 5/16”
134.7 mm
tstt
ts960t
ts970t
Pared 
terMInada

17
ESPAÑOL
RESOLUCIÓN DE PROBLEMAS
ProbleMa    coMPonentes de Interés
Poco caudal        1, 3, 4
fuga          3, 5, 6, 7, 8, 9
teMPeratura Irregular      1, 2, 4
ManIja floja        12
taPa floja        10, 11
1 
¿está la VálVula de cIerre 
totalMente abIerta?
2 
¿está sucIo el 
terMostato?
3 
¿están los anIllos 
en o sucIos o 
dañados?
4 
¿están los fIltros 
taPados?
5 
¿está ajustada la 
taPa de la VálVula de 
retencIón?
6 
¿están los anIllos en 
o sucIos o dañados?
7 
¿está la contratuerca 
de la VálVula bIen 
ajustada?
8 
¿están los anIllos en 
o  sucIos o dañados?
9 
¿está bIen ajustada 
la tuerca?
10 
¿están bIen ajustados 
los tornIllos?
11 
¿está bIen ajustado 
el escudo?
12 
¿están bIen ajustados 
los tornIllos?

18
ESPAÑOL
ACCESO Y LIMPIEZA DE VÁLVULAS
 antes de hacer MantenIMIento de la 
VálVula terMostátIca, corte el suMInIstro de 
agua (clIente y fría) con la herraMIenta de 
contratuerca suMInIstrada con el grIfo.
 ahora Puede acceder a los fIltros y 
VálVulas de retencIón.
 desMonte las VálVulas de retencIón con 
una llaVe allen de 10MM. toMe PrecaucIones 
aPra no Perder los fIltros.
 elIMIne la sIcIedad del fIltro PonIéndolo 
bajo un chorro de agua.c
 la unIdad terMostátIca Puede desMontarse 
quItando la contratuerca de la VálVula.
 Para quItarla, Introduzca el 
destornIllador en la ranura de la VálVula.
 PrecaucIón: la unIdad terMostátIca está 
construIda esPecIalMente y nunca debe ser 
desarMada.
 lIMPIe con agua y un cePIllo de dIentes o 
eleMento sIMIlar.
 no use cePIllo de alaMbre nI de otro Metal.
herraMIenta Para 
contratuerca de 
VálVula
fIltros
VálVulas de 
retencIón
contratuerca de 
la VálVula
en sentIdo horarIo 
Para cerrar
contratuerca

19
ESPAÑOL
PIEZAS DE REPUESTO
6a
5a
5b
4
3
1a
1b
2
6b
12
11
10
8
7
9
ref.  Parte n°  descrIPcIón
7  thP4397  tornIllos largos
8  thP4398  Placa de Montaje
9  1fu4200  tuerca
10  1fu4201  lIMItador
11  thP4400  anIllos en o
12  thP4399  adaPtadores del Vástago
ref.  Parte n°  descrIPcIón
1a  thP4014#$$*  ManIja
1b  thP4052#$$*  ManIja
2  thP4051  tornIllo de fIjacIón
3  thP4391  tornIllo y arandela
4  thP4392  adaPtador
5a  thP4394#$$*  escudo
5b  thP4393#$$*  escudo
6a  thP4396#$$*  taPa
6b  thP4395#$$*  taPa
los eleMentos Marcados con “a” son Parte de la línea guIneVere®.  
los eleMentos Marcados con “b” son Parte de la línea soIrée®.
*esPecIfIcar terMInacIón suPerfIcIal con la orden de coMPra.
ts960t & ts970t

20
ESPAÑOL
PIEZAS DE REPUESTO
8
7
6
5
4
3
2
1
tstt
ref.  Parte n°    descrIPcIón
1  thP4385   contratuerca
2  thP4387   VálVula de cIerre
3  thP4388   anIllo en o 
4  thP4389   fIltro
5  thP4384   unIdad terMostátIca de 3/4” 
6  thP4390   junta
7  thP4386   anIllos en o
8  thP4271   herraMIenta Para contratuerca de VálVula

21
ESPAÑOL
GARANTÍA
TOTO® U.S.A., INC. GARANTÍA LIMITADA DE POR VIDA
1. TOTO® garantiza que sus grifos residenciales y accesorios de baño (“Producto”) no presentan defectos en 
sus materiales ni de fabricación durante su uso normal cuando son instalados y mantenidos adecuadamente, 
de por vida para el Producto a partir de la fecha de compra. Esta garantía limitada es válida solamente para 
el COMPRADOR ORIGINAL del Producto y no es transferible a una tercera persona, incluyendo, pero sin 
limitarse a, cualquier comprador o propietario subsecuente del Producto. Esta garantía aplica solamente al 
Producto TOTO® comprado e instalado en América del Norte, Central, y del Sur. 
2.Las obligaciones de TOTO® bajo esta garantía se limitan a la reparación, cambio o cualquier otro ajuste, a 
petición de TOTO®, del Producto o partes que resulten defectuosas en su uso normal, siempre que dicho 
Producto haya sido instalado, utilizado y mantenido de acuerdo con las instrucciones. TOTO® se reserve el 
derecho de hacer tantas inspecciones como sean necesarias para determinar la causa del defecto. TOTO® no 
cobrará por la mano de obra o partes relacionadas con las reparaciones o cambios garantizados. TOTO® no es 
responsable por el costo de la remoción, devolución y/o reinstalación del Producto. 
3.Esta garantía no aplica en los siguientes casos: 
a.Daño o pérdida ocurrida en un desastre natural, tal como: incendio, sismo, inundación, relámpago, tormenta 
eléctrica, etc.
b.Daño o pérdida resultado de cualquier accidente, uso no razonable, mal uso, abuso, negligencia o cuidado, 
limpieza o mantenimiento inadecuado del Producto, incluyendo el uso de un agente limpiador abrasivo o el 
uso de cualquier otro producto de limpieza de manera inconsistente con las instrucciones del Producto. 
c.Daño o pérdida causada por los sedimentos o material extraña contenida en un sistema de agua. 
d.Daño o pérdida causada por una mala instalación o por la instalación del Producto en un ambiente duro y/o 
peligroso, o una remoción, reparación o modicación inadecuada del Producto. 
e.Daño o pérdida causada por sobrecargas eléctricas o rayos u otros actos que no sean responsabilidad de 
TOTO® o que el Producto no esté especicado para tolerar. 
f.Daño o pérdida causada por el uso normal y personalizado, tal como reducción del brillo, rayado o pérdida de 
color en el tiempo debido al uso, prácticas de limpieza o condiciones del agua o atmosféricas.
4.Si el Si el producto es utilizado comercialmente o es instalado fuera de América del Norte, Central o del Sur, 
TOTO® garantiza que el producto no presenta defectos en sus materiales ni de fabricación durante su uso 
normal por un periodo de un (1) año a partir de la fecha de instalación del Producto, y todos los otros términos 
de esta garantía deberán aplicar excepto la duración de la garantía.
5.ESTA GARANTÍA LE DA DERECHOS LEGALES ESPECÍFICOS. USTED PODRÍA TENER OTROS 
DERECHOS QUE PUEDEN VARIAR DEPENDIENDO DEL ESTADO O PROVINCIA EN EL QUE SE 
ENCUENTRE.  
6.Para obtener el servicio de reparación de esta garantía, debe llevar el Producto o enviarlo prepagado a un 
modulo de servicios TOTO® junto con la prueba de compra (recibo de compra original) y una carta en la que 
plantee el problema, o póngase en contacto con un distribuidor TOTO® o el contratista de servicio de los 
productos, o escriba directamente a TOTO® U.S.A., INC., 1155 Southern Road, Morrow, GA 30260 (888) 295 
8134.  Si, debido al tamaño del producto o naturaleza del defecto, el Producto no puede ser devuelto a TOTO®, 
la recepción en TOTO® del aviso escrito del defecto junto con la prueba de compra (recibo de compra original) 
constituirá el envío. En tal caso, TOTO® podrá escoger entre reparar el Producto en el domicilio del comprador 
o pagar el transporte del Producto a un módulo de servicio.   
ESTA GARANTÍA ESCRITA ES LA ÚNICA GARANTÍA HECHA POR TOTO®. LA REPARACIÓN, CAMBIO 
U OTRO AJUSTE ADECUADO, TAL COMO APARECE EN ESTA GARANTÍA, SERÁ EL ÚNICO REMEDIO 
DISPONIBLE PARA EL COMPRADOR ORIGINAL. TOTO® NO SERÁ RESPONSABLE POR LA PÉRDIDA 
DEL PRODUCTO O POR CUALQUIER OTRO DAÑO ACCIDENTAL, ESPECIAL O CONSECUENTE O POR 
DAÑOS INCURRIDOS POR EL COMPRADOR ORIGINAL, O POR LA MANO DE OBRA U OTROS COSTOS 
RELACIONADOS CON LA INSTALACIÓN O REMOCIÓN, O COSTOS DE REPARACIONES HECHAS POR 
OTROS, O POR CUALQUIER OTRO GASTO NO INDICADO DE MANERA ESPECÍFICA EN LOS PÁRRAFOS 
ANTERIORES. EN NINGÚN CASO LA RESPONSABILIDAD DE TOTO® EXCEDERÁ EL PRECIO DE COMPRA 
DEL PRODUCTO. EXCEPTO EN LA MEDIDA EN QUE QUEDE PROHIBIDO POR LA LEY APLICABLE, TODA 
GARANTÍA IMPLÍCITA, INCLUYENDO AQUELLAS DE COMERCIABILIDAD O IDONEIDAD DE USO PARA EL 
USO O PARA UN PROPÓSITO PARTICULAR, ESTÁ EXPRESAMENTE PROHIBIDA. ALGUNOS ESTADOS NO 
PERMITEN LAS LIMITACIONES ACERCA DE LA DURACIÓN DE UNA GARANTÍA TÁCITA, O LA EXCLUSIÓN 
O LIMITACIÓN DE DAÑOS INCIDENTALES O CONSECUENTES, POR LO QUE LA LIMITACIÓN E INCLUSIÓN 
ANTERIORES PUEDEN NO APLICAR A USTED. 

22
FRANÇAIS
TABLE DES MATIÈRES
PRUDENCE
ENTRETIEN ET NETTOYAGE
MERCI D’AVOIR CHOISI TOTO®!
MERCI D’AVOIR CHOISI TOTO®! ��������������������������������������������������������������������������������������������22
ENTRETIEN ET NETTOYAGE ���������������������������������������������������������������������������������������������������22
PRUDENCE �����������������������������������������������������������������������������������������������������������������������������������22
OUTILS NÉCESSAIRES ��������������������������������������������������������������������������������������������������������������23
AVANT DE COMMENCER ��������������������������������������������������������������������������������������������������������23
PROCÉDURE D’INSTALLATION ��������������������������������������������������������������������������������������������� 24
ROBINETTERIE BRUTE  �������������������������������������������������������������������������������������������������������������26
DÉPANNAGE �������������������������������������������������������������������������������������������������������������������������������� 27
ACCES ET NETTOYAGE DES VANNES ���������������������������������������������������������������������������������28
PIÈCES DE RECHANGE  ������������������������������������������������������������������������������������������������������������ 29
GARANTIE LIMITÉE À VIE �������������������������������������������������������������������������������������������������������� 31
 requiert uNe valve de coNtrôle du volume ou uNe valve d’arrêt.
 rIsque de brulures : cette Vanne doIt être étalonnée Par l’Installateur (rePortez-Vous 
à la Procédure d’étalonnage). une foIs étalonnée, cette Vanne coMPorte un lIMIteur InterdIsant à 
la teMPérature de déPasser 120 °f (49°c)
 en cas de soudure Pendant l’InstallatIon, éVItez d’aPPlIquer une chaleur excessIVe sur le 
corPs de Vanne. une chaleur excessIVe Peut endoMMager les joInts Internes et les coMPosants en 
PlastIque.
 VeuIllez ne Pas l’utIlIser sI une grande dIfférence de PressIon exIste entre l’alIMentatIon en 
eau chaude et en eau froIde.
 la teMPérature sera dIfférente quand Vous utIlIsez une douche ou toutes les douches.
 l’alIMentatIon en eau chaude ne doIt Pas déPasser la teMPérature de 140 °f (60 °c).
 n’utIlIsez Pas le ProduIt à teMPérature aMbIante en dessous de 32 °f (0 °c).
 n’InVersez Pas les entrées d’eau chaude et d’eau froIde.
 Isolez la tuyauterIe d’alIMentatIon en eau chaude afIn de MInIMIser les Pertes de chaleur.
 n’utIlIsez Pas de VaPeur en tant qu’alIMentatIon en eau chaude.
 ne déMontez Pas l’unIté therMIque.
la MIsIón de toto® es dar al Mundo estIlos de VIda Más saludables, hIgIénIcos y 
cóModos. dIseñaMos cada Producto guIándonos Por el PrIncIPIo del equIlIbrIo entre 
forMa y funcIón. felIcItacIones Por su eleccIón.
su nueVa grIfería está dIseñada Para años de funcIonaMIento sIn ProbleMas.  Manténgala 
lucIendo coMo nueVa MedIante una lIMPIeza PerIódIca con jabón suaVe, enjuague 
MInucIosaMente con agua tIbIa y séquela con un Paño lIMPIo y suaVe.  no use lIMPIadores 
abrasIVos, lana de acero nI Productos quíMIcos fuertes ya que éstos oPacarán el acabado.  el 
no cuMPlIr con estas InstruccIones Podría anular su garantía.

23
FRANÇAIS
OUTILS NÉCESSAIRES
AVANT DE COMMENCER
10°
70°
120°
 obserVez toutes les régleMentatIons locales sur la PloMberIe
 Purgez coMPlèteMent toutes les tuyauterIes aVant d’Installer la Vanne.
 assurez-Vous que l’alIMentatIon en eau est couPée
 lIsez aVec attentIon ces InstructIons afIn d’assurer une InstallatIon adéquate
 toto® se réserVe le droIt de Mettre à jour la concePtIon du ProduIt sans aVIs 
Préalable
 assurez-Vous d’aVoIr les PIèces suIVantes IndIquées cI-dessous
Vanne tstt et 
ProtectIon antI-
Plâtre
Vanne Mélangeuse et 
Plaque de Montage
ruban Pour 
tuyaux
therMoMètre PInce 
réglable
clé à 
Molette
tourneVIs
Plaque aVant, brIde, PoIgnée et 
VIs*
* ces artIcles PeuVent VarIer en aPParence selon le Modèle
adaPtateur de tIge 
et joInt torIque
outIl de l’écrou 
de VerrouIllage 
de la Vanne
VIs, rondelle 
et adaPtateur 
PlastIque
VIs longues
ts960t ou ts970t

24
FRANÇAIS
PROCÉDURE D’INSTALLATION
MAX
MIN
UP
A
X
3 3/4”
94.8mm
5 5/16”
134.7mm
 couPez l’alIMentatIon PrIncIPale en eau.
 fIxez la ProtectIon antI-Plâtre sur la 
Vanne. ne la déMontez Pas aVant d’y être InVIté.
 Installez la Vanne Pour que la Marque « uP 
» PoInte Vers le haut.
 Installez la Vanne Pour que l’extérIeur du 
Mur fInI se trouVe entre les Max et MIn IndIqués 
sur la ProtectIon antI-Plâtre (Par exeMPle.  
a = 2 9/16”-3 3/4” (65-95 MM), VoIr « a » 
cI-dessous.
 connectez l’alIMentatIon en eau chaude 
sur l’entrée gauche Marquée « hot » et 
l’alIMentatIon en eau froIde sur l’entrée droIte 
Marquée « cold »
 fIxez les tuyauterIes et la Vanne sur le 
cadre
 la ProtectIon antI-Plâtre nécessIte un trou 
rectangulaIre de 3 1/4” x 6 5/16” (8 cM x  
16 cM).
 Mur fInI
 quand Vous êtes Prêt à PoursuIVre 
l’InstallatIon de PoInts : déPosez la ProtectIon 
antI-Plâtre.
 choIsIssez un adaPtateur de tIge en Vous 
référant à la dIstance x (VoIr à droIte)
 assurez-Vous que les joInts torIques se 
trouVent sur l’adaPtateur de tIge et faItes-le 
glIsser sur la tIge de ManoeuVre.
entrée eau  
chaude
entrée eau  
froIde
eau Mélangée
dIMensIons de l’adaPtateur de tIge
x=
58MM
68MM
78MM
20-30MM
10-20MM
0-10MM
ValVe
ProtectIon 
antI-Plâtre
M
ur
fInI
2 3/4” (70MM)
2 5/16” (58MM)
adaPtateur 
de tIg
Plaque de Montage
attentIon : rIsque d’accIdent. l’Installateur doIt étalonner cette Vanne Pour MInIMIser les rIsques de 
brûlures. la teMPérature ne doIt jaMaIs déPasser 120°f (49°c)
couPez a la longueur
2 5/16”
2 11/16”
3 1/16”
13/16”-1 3/16”
3/8”-13/16”
0”-3/8”
x=
x=
 notez la dIstance entre les trous sur la 
Plaque de Montage. les deux trous dIstants de 
2 3/4 ” (70 MM) doIVent se trouVer en PartIe 
suPérIeure.
 Installez la Plaque de Montage au MêMe 
nIVeau que le Mur fInI en utIlIsant les VIs 
longues.

25
FRANÇAIS
PROCÉDURE D’INSTALLATION
 déMontez l’écrou et assurez-Vous que les 
Marques d’alIgneMent sur le lIMIteur et sur la 
Vanne de Mélanges sont alIgnées. sI elles ne le 
sont Pas, déPosez le lIMIteur et reMettez-le sur 
la PosItIon correcte aVec son écrou.
 Installez la Plaque aVant au MêMe nIVeau 
que le Mur en serrant la PlatIne.
 Placez l’adaPtateur en PlastIque sur 
l’extréMIté de l’adaPtateur de tIge et fIxez-les 
aVec la VIs et la rondelle fournIes.
Plaque de Montage
Vanne de Mélange
lIMIteur
écrou adaPtateur 
de tIge
Marques d’alIgneMent
Plaque 
aVant
garnIture 
en Mousse
brIde
adaPtateur
VIs et rondelle
PoIgnée
bouton 
set screw
PoIgnée
bouton 
104° f
40° c
 ouVrez l’eau et laIssez-la couler Pendant 
quelques MInutes.
 Placez un therMoMètre sous le jet et réglez 
la teMPérature en faIsant tourner l’adaPtateur 
de tIge jusqu’à ce que la teMPérature de l’eau soIt 
stable à 104 °f (40 °c)
 couPez l’eau.
 Installez la PoIgnée aVec le bouton sur la 
PosItIon 12 heures. elle doIt regarder la Marque 
graVée sur la Plaque aVant : 104°
 fIxez la PoIgnée aVec la VIs de serrage.
 ouVrez l’eau et laIssez-la couler Pendant 
quelques MInutes.
 VérIfIez la teMPérature aVec un therMoMètre. 
elle doIt atteIndre 104 °f (40 °c) lorsque le 
bouton sur la PoIgnée se trouVe sur la PosItIon 
12 heures.
 sI tel n’est Pas le cas, déMontez la PoIgnée 
et suIVez les étaPes de la Page Précédente Pour 
l’étalonner.
 sI la teMPérature est correcte, tourner 
douceMent la PoIgnée sans Pousser sur le bouton 
jusqu’à ce qu’elle s’arrête. la teMPérature 
deVraIt MaIntenant être à 108 °f (42 °c).
 sI la teMPérature est confIrMée, aPPuyez sur 
le bouton et faItes-le tourner dans le sens antI-
horaIre jusqu’à l’arrêt. la teMPérature ne doIt 
Pas déPasser 120 °f (49 °c)
 aPrès aVoIr tout VérIfIé, faItes tourner la 
PoIgnée sur 104 ° et VérIfIez à nouVeau.
 sI l’un des réglages de teMPérature cI-dessus 
n’est Pas confIrMé, recoMMencez le Processus 
d’étalonnage.
Procedure d’etalonnage

26
FRANÇAIS
ROBINETTERIE BRUTE
6 11/16”
170 mm
2 1/16”
53 mm
6 11/16”
170 mm
2 1/16”
53 mm
6 11/16”
170 mm
2 1/8”
54 mm
6 11/16”
170 mm
2 1/8”
54 mm
2 9/16” - 3 3/4”
65-95 mm
2 9/16” - 3 3/4”
65-95 mm
6”
152 mm
4 5/16”
109 mm
2 9/16” - 3 3/4”
65-95 mm
3 3/4”
94.8 mm
5 5/16”
134.7 mm
tstt
ts960t
ts970t
Mur fInI

27
FRANÇAIS
DÉPANNAGE
ProblèMes    zone d’Intérêt
débIt faIble        1, 3, 4
fuIte          3, 5, 6, 7, 8, 9
teMPérature IrrégulIère      1, 2, 4
PoIgnée desserrée      12
Plaque aVant desserrée      10, 11
1 
la Vanne d’arret est-elle 
coMPleteMent ouVerte ?
2 
l’unIte therMIque est-
elle sale ?
3 
les joInts torIques 
seront-Ils sales ou 
endoMMages ?
4 
les fIltres sont-
Ils colMates ?
5 
le caPuchon du 
claPet antI-retour 
est-Il serre ?
6 
le joInt torIque est-Il 
sale ou endoMMage ?
7 
l’ecrou de VerrouIllage de 
la Vanne est-Il correcteMent 
serre ?
8 
les joInt torIques 
sont-Ils sales ou 
endoMMages ?
9 
l’ecrou est-Il 
correcteMent 
serre ?
10 
les ecrous sont-Ils 
correcteMent 
serres ?
11 
la brIde est-elle 
correcteMent 
serree ?
12 
les VIs sont-elles 
correcteMent serrees ?

28
FRANÇAIS
ACCES ET NETTOYAGE DES VANNES
dans le sens horaIre 
Pour ferMer
 aVant de PouVoIr entretenIr la Vanne 
therMostatIque, Vous deVez couPer les arrIVées 
d’eau chaude et d’eau froIde en utIlIsant l’outIl 
d’écrou de VerrouIllage de la Vanne fournI aVec 
le robInet.
 Vous PouVez MaIntenant accéder aux fIltres 
et aux claPets antIretour.
 utIlIsez une clé allen de 10MM Pour dé-
Monter les claPets antI-retour, en Prenant soIn 
de ne Pas Perdre les fIltres.
 rIncez le fIltre sous l’eau Pour élIMIner les 
débrIs.
 l’unIté therMIque Peut être déMontée en 
déPosant l’écrou de VerrouIllage de la Vanne.
 Insérez un tourneVIs dans la fente Pour 
déMonter la Vanne.
 attentIon : l’unIté therMIque est une PIèce 
sPécIaleMent construIte et ne doIt jaMaIs être 
désasseMblée
 nettoyez-la aVec de l’eau et une brosse à 
dents ou une brosse douce sIMIlaIre
 n’utIlIsez nI fIl nI brosse MétallIques.
outIl de l’écrou 
de VerrouIllage 
de la Vanne
fIltres
claPets 
antIretour
écrou de  
VerrouIllage de la Vanne
écrou de 
blocage

29
FRANÇAIS
PIÈCES DE RECHANGE
6a
5a
5b
4
3
1a
1b
2
6b
12
11
10
8
7
9
artIcle  n° du ProduIt  descrIPtIon
7  thP4397  VIs longues
8  thP4398  Plaque de Montage
9  1fu4200  écrou
10  1fu4201  lIMIteur
11  thP4400  joInts torIques
12  thP4399  adaPtateurs de tIge
artIcle  n° du ProduIt  descrIPtIon
1a  thP4014#$$*  PoIgnée
1b  thP4052#$$*  PoIgnée
2  thP4051  VIs de serrage
3  thP4391  VIs et rondelles
4  thP4392  adaPtateur
5a  thP4394#$$*  brIde
5b  thP4393#$$*  brIde
6a  thP4396#$$*  Plaque aVant
6b  thP4395#$$*  Plaque aVant
les artIcles aVec un a font PartIe de la sérIe guIneVere®.  
les artIcles aVec un b font PartIe de la sérIe soIrée®.
*sPécIfIez la fInItIon lors de la coMMande
ts960t & ts970t

30
FRANÇAIS
PIÈCES DE RECHANGE
8
7
6
5
4
3
2
1
tstt
artIcle  n° du ProduIt  descrIPtIon
1  thP4385   écrou de blocage
2  thP4387   Vanne d’arrêt
3  thP4388   joInt torIque 
4  thP4389   créPIne
5  thP4384   3/4” unIté therMIque
6  thP4390   joInt
7  thP4386   joInts torIques
8  thP4271   outIl de l’écrou de VerrouIllage de la Vanne

31
FRANÇAIS
GARANTIE LIMITÉE À VIE
TOTO® U.S.A., INC. GARANTIE LIMITÉE À VIE
1.TOTO® garantit ses robinets résidentiels et accessoires de bain (« Produit ») contre tout défaut de matériau et 
de fabrication pendant l’utilisation normale, lorsqu`ils sont  correctement installés et maintenus pendant la durée 
de vie du produit à partir de la date d`achat du produit. La présente garantie limitée ne peut être prolongée que 
pour le seul ACHETEUR D`ORIGINE de l`appareil et n`est pas transférable  à un tiers, y compris mais pas 
limité à tout acheteur ou propriétaire subséquent du produit. Cette garantie n’est applicable qu’aux produits 
achetés et installés en Amérique du Nord, Centrale, et du Sud.
2.Les obligations de TOTO® selon les termes de cette garantie sont limitées à la réparation, remplacement ou 
autre ajustement en conséquent, au choix de TOTO®, des produits ou des pièces défectueuses en service 
normal, pourvu qu’un tel produit ait été installé, utilisé et entretenu conformément aux instructions. TOTO® 
se réserve le droit d`effectuer ce genre de vérications en cas de nécessité an de déterminer la cause du 
défaut. TOTO® ne facturera pas les interventions ou les pièces relatives à la réparation et au remplacement 
sous garantie. TOTO® n`est pas responsable du coût de désinstallation, de renvoi et/ou de réinstallation de 
l`appareil.
3.La garantie ne s`applique pas dans les cas suivants:
a. Dommage ou perte suite à une cause naturelle telle que incendie, tremblement de terre, inondation, 
tonnerre, orage etc.
b. Dommage ou perte causé par tout accident, utilisation non adaptée, abus, négligence ou mauvais traitement, 
nettoyage ou entretien de l`appareil, y compris l`utilisation d`agent abrasif ou l`utilisation d`autres produits de 
nettoyage de façon incompatible aux instructions de l`appareil.
c. Dommage ou perte causé par des sédiments ou tout autre corps étranger contenus dans un réseau 
d`alimentation en eau. 
d. Dommage ou perte suite à une mauvaise installation ou à l`installation de l`appareil dans un environnement 
rude et/ou dangereux ou une mauvaise désinstallation, réparation ou modication de l`appareil.
e. Dommage ou perte suite à des surtensions, foudres ou tous autres actes qui ne sont pas la responsabilité de 
TOTO®, ou actes stipulés non supportables par le produit.
f. Dommage ou perte résultant d`une usure normale et habituelle, telle que la diminution du lustre, grattage ou 
décoloration avec le temps, habitude de nettoyage,  l`eau, ou des conditions atmosphériques. 
4.Si le produit est utilisé dans un but commercial ou installé en dehors de L`Amérique du Nord, Centrale ou du 
Sud, TOTO® garantit que le produit est exempt de tous défauts matériels et de fabrication pour une utilisation 
normale pendant une durée de an (1) à partir de la date d`installation du produit, en plus de respecter tous les 
autres termes sauf la durée de cette garantie.
5.CETTE GARANTIE DONNE DES DROITS SPÉCIFIQUES. IL EST POSSIBLE QUE L’ACHETEUR AIT 
D’AUTRES DROITS QUI VARIENT DUN ÉTAT A UN AUTRE OU D’UNE PROVINCE À L’AUTRE.
6.Pour obtenir une réparation selon les termes de cette garantie, l’acheteur doit livrer le produit dans un centre 
de réparation de TOTO® port payé avec preuve d’achat (reçu de caisse original), et une lettre expliquant 
le problème, ou contacter un distributeur de TOTO® ou un entrepreneur de réparation du produit ou écrire 
directement à TOTO® U.S.A., INC.,  Southern Road, Morrow, Géorgie 30260, (888) 295-8134. Si, à cause de 
la taille du produit ou de la nature du défaut, il n’est pas possible de renvoyer le produit à TOTO®, la réception 
par TOTO® d’un avis écrit du défaut avec preuve d’achat (reçu de caisse original) constitue livraison. Dans un 
tel cas, TOTO® peut choisir de réparer le produit chez l’acheteur ou de payer le transport du produit à un centre 
de réparation.
CETTE GARANTIE ÉCRITE EST LA SEULE GARANTIE FAITE PAR TOTO®. LA RÉPARATION, LE 
REMPLACEMENT OU TOUT AUTRE AJUSTEMENT APPROPRIÉ SELON LES TERMES DE CETTE 
GARANTIE EST LE SEUL RECOURS DE L’ACHETEUR INITIAL. TOTO® N’EST PAS RESPONSABLE DE 
LA PERTE DU PRODUIT OU DE TOUT AUTRE DOMMAGE INDIRECT, SPÉCIAL OU SECONDAIRE OU 
DES DÉPENSES ENCOURUES PAR L’ACHETEUR INITIAL NI DE LA MAIN-D’OEUVRE OU AUTRES FRAIS 
ASSOCIÉS À L’INSTALLATION OU LA MANIPULATION, OU LES FRAIS DE RÉPARATION PAR DES TIERS, NI 
POUR TOUS AUTRES FRAIS PAS SPÉCIFIQUEMENT MENTIONNÉS. EN AUCUN CAS, LA RESPONSABILITÉ 
DE TOTO® NE PEUT DÉPASSER LE PRIX D’ACHAT DU PRODUIT. SAUF QUAND INTERDITE PAR UNE 
LOI APPLICABLE, TOUTE GARANTIE SOUS-ENTENDUE, Y COMPRIS CELLE DE VENDABILITÉ OU 
D’APPLICATION POUR UN USAGE PARTICULIER, EST EXPRESSÉMENT REJETÉ. CERTAINES PAYS 
NE PERMETTENT PAS LA LIMITATION DE LA LONGUEUR D’UNE GARANTIE SOUS-ENTENDUE, OU 
L’EXCLUSION OU LA LIMITATION DES DOMMAGES INDIRECTS OU SECONDAIRES, IL EST DONC 
POSSIBLE QUE CETTE LIMITATION ET EXCLUSION NE S’APPLIQUE PAS À VOTRE CAS.

TOTO® U.S.A., Inc.  1155 Southern Road, Morrow, Georgia 30260
Tel: 888-295-8134    Fax: 800-699-4889
www.totousa.com 0GU4101 
Rev 04/12