135702 Catalog
2014-10-22
: Pdf 135702-Catalog 135702-Catalog Batch9 unilog
Open the PDF directly: View PDF
.
Page Count: 20
- Conduit Outlet Boxes and Bodies: Explosionproof, Dust-Ignitionproof
- General Information
- GR Conduit Outlet Boxes
- GRF Flanged Conduit Outlet Boxes
- GRH Conduit Outlet Boxes
- Covers for GR and GRF Conduit Outlet Boxes
- ELBY and ELBD 90° Pulling Elbows
- GRSS Conduit Outlet Boxes with Multiple Hubs
- CPU Universal Conduit Outlet Boxes and Covers
- GRU and GRUE Universal Conduit Outlet Boxes
- GRJS Universal Conduit Outlet Box
- GRJ Conduit Outlet Boxes
- ER Conduit Outlet Boxes
- GRUO and GRUJ Conduit Outlet Boxes with Multiple Hubs
- GRU Conduit Outlet Boxes with Union Hubs
- GU Conduit Outlet Boxes
- Wiring Capacity

Effective September, 2005
Copyright 2005
800-621-1506
www.appletonelec.com
PAGE 1
J-1
J
Conduit Outlet Boxes and Bodies:
Explosionproof, Dust-Ignitionproof
Page Description
2,3 Features: All Conduit Outlet Boxes
and Bodies
4,5 GR Boxes
5 Dimensions
8 Covers
6 GRF Boxes
6 Dimensions
8 Covers
7 GRH Boxes
7 Dimensions
9 ELBY and ELBD Pulling Elbows
9 Elbow Type/Dimensions
10 GRSS Conduit Outlet Boxes
10 Box Type/Dimensions
11 CPU Boxes
11 Covers/Dimensions
12 GRU and GRUE Boxes
12 Dimensions
8 Covers GRU
17 Covers GRUE
13 GRJS Boxes
13 Covers/Dimensions
14 GRJ Boxes
14 Box Type/Dimensions
15 ER Boxes
15 Hub Type/Dimensions
16 GRUO and GRUJ Boxes
16 Covers/Dimensions
17 GRU Union-Hub Boxes
17 Covers/Dimensions
18 GU Boxes
18 Hub Type/Dimensions
19 Wiring Capacity
GU
GRSS

Effective September, 2005
Copyright 2005
PAGE 2
800-621-1506
www.appletonelec.com
J-2
J
Applications
• Meet a wide range of classified area
requirements.
•
Corrosion-resistant–ideal indoors or
out.
• For pulling of wires.
• Connect conduit lengths and change
direction of conduit.
• Provide access for maintenance.
Features: All Bodies and Boxes
• Malleable iron bodies have high
tensile strength and ductility. Provides
great resistance to corrosion, impact,
and shock.
• Accurately tapped, tapered hub
threads for tight, rigid joints and ground
continuity.
• Furnished with covers.
• General purpose wiring.
Features: GR and GRF
➊GR offers ten hub arrangements.
➋GRF has integral mounting flange.
• Function as sealing fittings when
used with sealing covers (see NEC for
restrictions).
• Internally threaded body with
externally threaded cover.
• Covers have pry notches for bar or
wrench.
• Accommodate sealing, dome, hub
and union hub covers, and canopies.
• Standard O-rings provide raintight fit.
NEMA 3,4.
• Internal ground screw standard.
• Smooth, rounded integral bushing in
each hub type box protects conductor
insulation.
Features: GRH
➌Designed for use in Class I, Groups
A, B, C, and D; Class II, Groups E, F,
and G; and Class III.
• Internally threaded body with
externally threaded covers.
• Standard O-rings provide raintight fit.
NEMA 3,4.
• Internal ground screw standard.
• Smooth, rounded integral bushing in
each hub type box protects conductor
insulation.
Features: ELBD
➍Exclusive built-in pulling rollers in
each end (2-1/2 thru 4” sizes) protect
cable from damage and make cable
pulling easier.
Conduit Outlet Boxes and Bodies:
Malleable Iron or Aluminum;
Explosionproof, Dust-Ignitionproof
UNILETS® for use with Threaded Metal Conduit.
GU
13
14
GRSS

Effective September, 2005
Copyright 2005
800-621-1506
www.appletonelec.com
PAGE 3
J-3
J
Conduit Outlet Boxes and Bodies:
Malleable Iron or Aluminum;
Explosionproof, Dust-Ignitionproof
UNILETS® for use with Threaded Metal Conduit.
• Excellent for use in wiring of motors,
panelboards, circuit breakers, entranc-
es to buildings, etc.
• Body and cover have ground mating
surfaces to meet classified-location
requirements.
• Smooth, rounded integral bushing in
each hub type box protects conductor
insulation.
Features: ELBY
• Serve as pulling fittings.
• Make 90° bends in conduit.
•
Threaded cover opening permits
easy access for pulling conductors thru
hubs
.
• Easily removable threaded cover.
Features: CPU
Universal design with four threaded
universal hubs and three close-up
plugs.
• Serve as mounting outlets for lighting
fixtures when used with hub cover.
• Wide, accurately ground explosion-
proof mating surfaces.
• Smooth, rounded integral bushing in
each hub type box protects conductor
insulation.
Features: GRU and GRUE
Universal design with five threaded
universal hubs and three close-up
plugs.
• Copper-free aluminum body and
cover provide resistance to corrosive
atmospheres.
• Function as sealing fittings when
used with sealing covers (see NEC for
restrictions).
• GRU has internally threaded body
and externally threaded cover with O-
ring for raintight fit, NEMA 3,4. GRUE
has externally threaded body and
internally threaded overlapping cover.
• Covers have pry notches for bar or
wrench.
• Smooth, rounded integral bushing in
each hub type box protects conductor
insulation.
Features: GRJS
Universal design with five threaded
openings and three close-up plugs.
• Compact round box for use where
space is limited.
• Serve as mounting means for lighting
fixtures when used with hub cover.
• Function as sealing fittings when
used with sealing covers (see NEC for
restrictions).
• Internally threaded body with
externally threaded cover.
• Smooth, rounded integral bushing in
each hub type box protects conductor
insulation.
Features: GRJ
Small, round conduit outlet boxes.
• Function as sealing fittings when
used with sealing covers (see NEC for
restrictions).
• Externally threaded body with inter-
nally threaded cover.
• Smooth, rounded integral bushing in
each hub type box protects conductor
insulation.
Features: ER
Compact, rectangular conduit outlet
boxes are ideal in classified locations
where space is limited.
• Six different hub arrangements.
•
Ground surface contact between
body and cover assures a flame-tight
joint.
• Smooth, rounded integral bushing in
each hub type box protects conductor
insulation.
Features: GRUO and GRUJ
• Threaded universal hubs for wiring
flexibility.
GRUO has eight hubs.
GRUJ offers up to eleven hubs.
• Ideally suited for use where space is
limited, such as for gasoline pumps.
• Function as sealing fittings when
used with sealing cover (see NEC for
restrictions).
• Externally threaded body with inter-
nally threaded covers.
• Smooth, rounded integral bushing in
each hub type box protects conductor
insulation.
Features: GRU (Union Hubs)
Union hubs permit easy wiring.
• Function as sealing fittings when
used with sealing covers (see NEC for
restrictions).
• Externally threaded body with inter-
nally threaded cover.
• Smooth, rounded integral bushing in
each hub type box protects conductor
insulation.
Features: GRSS and GRSSA
• Multiple hubs permit flexibility.
• Copper-free aluminum body and
cover provide superior corrosion
resistance.
• Internal ground screw standard.
Features: GU
• Designed for Class I, Groups B,C,D;
Class II, Groups E,F,G; and Class III.
• Externally threaded body with
internally threaded cover.
• Smooth, rounded integral bushing in
each hub type box protects conductor
insulation.
• Internal ground screw standard.
Standard Materials
• GR, GRF, GRH, and GRJS:
Malleable iron bodies with aluminum
covers.
• Aluminum GR Series: Copper-free
body and cover.
• GU, GRUO, GRUJ, GRU (Union),
GRJ, CPU, ER, ELBD and ELBY:
Malleable iron bodies and covers.
• GRU, GRUE, and GRSS: Aluminum
copper-free bodies and covers.
• GRG O-Rings: Neoprene.
Standard Finishes
• Malleable iron bodies and
covers (except ELBY) triple-coat—(1)
zinc electroplate, (2) dichromate, and
(3) epoxy powder coat.
• Aluminum bodies and covers: epoxy
powder coat.
• ELBY malleable iron body and cover:
zinc electroplate and clear chromate.
Compliances
• UL Standard 886.
• Federal Spec. W-C-586B.
• Appleton malleable iron products
conform to ASTM A47-77, Grade
32510, which has the following proper-
ties: tensile strength, 50,000 psi; yield,
32,000 psi; and elongation, 10%.
• Appleton aluminum products are
produced from a high strength copper-
free (4/10 of 1% max.) alloy.
• Suitable for Class I, Div. 1 & 2, if
installed in compliance with NEC 501-
4(a)(b) and for Class II, Div. 1 & 2, if
in compliance with NEC 502-4(a)(b).
• GR Series: CSA -LR25875-30.
14
13

800-621-1506
www.appletonelec.com
J-4
J
Effective August, 2008
Copyright 2008
PAGE 4
Conduit Cover
Hub Size Opening Cubic Form Catalog Number*
Type (Inches) (Inches) Inches No.† Malleable Iron• Aluminum•
1/2 3.38 18 1 GRE50 GRE50-A
3/4 3.38 18 1 GRE75 GRE75-A
GRE 1 3.38 18 1 GRE100 GRE100-A
1-1/4 3.94 31 2 GRE125 GRE125-A
1-1/2 4.88 72 3 GRE150 GRE150-A
1/2 3.38 18 1 GRC50 GRC50-A
3/4 3.38 18 1 GRC75 GRC75-A
GRC 1 3.38 18 1 GRC100 GRC100-A
1-1/4 3.94 31 2 GRC125 GRC125-A
1-1/2 4.88 72 3 GRC150 GRC150-A
2 4.88 76 3 GRC200 GRC200-A
1/2 3.38 18 1 GRL50 GRL50-A
3/4 3.38 18 1 GRL75 GRL75-A
GRL 1 3.38 18 1 GRL100 GRL100-A
1-1/4 3.94 31 2 GRL125 GRL125-A
1-1/2 4.88 72 3 GRL150 GRL150-A
2 4.88 76 3 GRL200 GRL200-A
1/2 3.38 18 1 GRLB50 GRLB50-A
3/4 3.38 18 1 GRLB75 GRLB75-A
GRLB 1 3.38 18 1 GRLB100 GRLB100-A
1-1/4 3.94 31 2 GRLB125 GRLB125-A
1-1/2 4.88 72 3 GRLB150 GRLB150-A
2 4.88 76 3 GRLB200 GRLB200-A
1/2 3.38 18 1 GRN50 GRN50-A
3/4 3.38 18 1 GRN75 GRN75-A
GRN 1 3.38 18 1 GRN100 GRN100-A
1-1/4 3.94 31 2 GRN125 GRN125-A
1-1/2 4.88 72 3 GRN150 GRN150-A
1/2 3.38 18 1 GRT50 GRT50-A
3/4 3.38 18 1 GRT75 GRT75-A
GRT 1 3.38 18 1 GRT100 GRT100-A
1-1/4 3.94 31 2 GRT125 GRT125-A
1-1/2 4.88 72 3 GRT150 GRT150-A
2 4.88 76 3 GRT200 GRT200-A
1/2 3.38 18 1 GRX50 GRX50-A
3/4 3.38 18 1 GRX75 GRX75-A
GRX 1 3.38 18 1 GRX100 GRX100-A
1-1/4 3.94 31 2 GRX125 GRX125-A
1-1/2 4.88 72 3 GRX150 GRX150-A
2 4.88 76 3 GRX200 GRX200-A
* In Class I, Div. 1, Group B atmospheres, all conduit runs must have a sealing fitting (not supplied) field installed adjacent to the enclosure.
• Supplied with Aluminum covers.
† Form number designates body and matching cover sizes. To order body without cover, add suffix -LC to catalog number.
Other covers available—see GR Cover listing page and order separately.
See J-8 for optional Terminal Blocks.
GR Conduit Outlet Boxes:
Explosionproof, Dust-Ignitionproof
UNILETS® for use with Threaded Metal Conduit.
Furnished with Internal Ground Screw and O-Ring.
Class I, Div. 1 and 2
Groups B*,C,D
Class II, Div. 1 and 2
Groups E,F,G
Class III
NEMA 3,4

800-621-1506
www.appletonelec.com
PAGE 5
J-5
J
Effective August, 2008
Copyright 2008
Conduit Cover
Hub Size Opening Form Catalog Number*
Type (Inches) (Inches) No.† Malleable Iron Aluminum
GRCA 1/2 3.38 1 GRCA50 GRCA50-A
3/4 3.38 1 GRCA75 GRCA75-A
GRLA 1/2 3.38 1 GRLA50 GRLA50-A
3/4 3.38 1 GRLA75 GRLA75-A
GRTA 1/2 3.38 1 GRTA50 GRTA50-A
3/4 3.38 1 GRTA75 GRTA75-A
* In Class I, Div. 1, Group B atmospheres, all conduit runs must have a sealing fitting (not supplied) field installed adjacent to the enclosure.
• Supplied with Aluminum covers.
† Form number designates body and matching cover sizes. To order body without cover, add suffix -LC to catalog number.
Other covers available—see GR Cover listing page and order separately.
See J-8 for optional Terminal Blocks.
GR Conduit Outlet Boxes:
Explosionproof, Dust-Ignitionproof
UNILETS® for use with Threaded Metal Conduit.
Furnished with Internal Ground Screw and O-Ring.
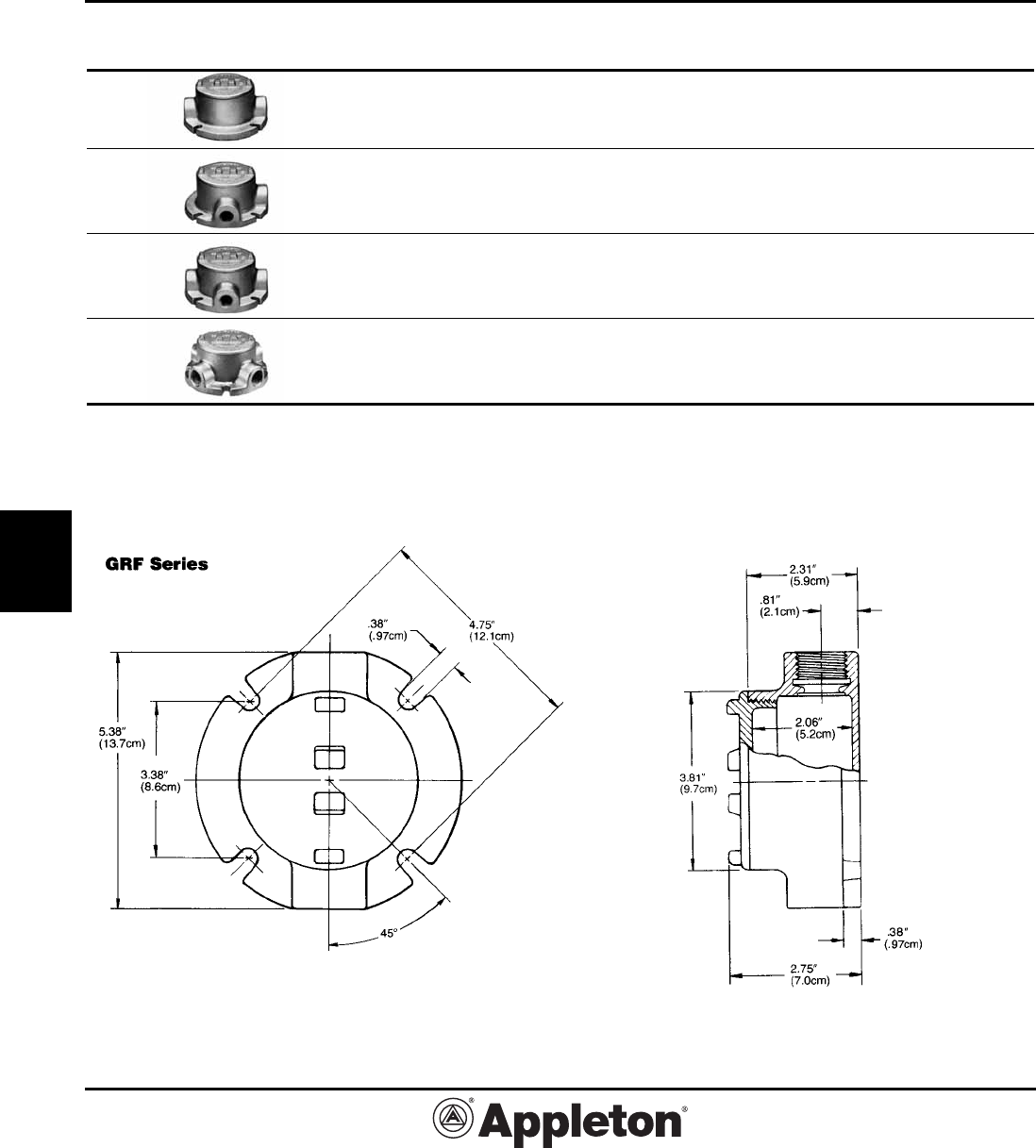
GR Series, Form 1
Dimensions in Inches
Hub Size (In.) A B C D E F G
1/2 3.75 2.44 2.88 .75 .81 2.25 1.25
3/4 3.75 2.44 2.88 .75 .81 2.25 1.25
1 3.75 2.44 2.88 .94 .94 2.25 1.06
Dimensions in Centimeters
1/2 9.5 6.2 7.3 1.9 2.1 5.7 3.2
3/4 9.5 6.2 7.3 1.9 2.1 5.7 3.2
1 9.5 6.2 7.3 2.4 2.4 5.7 2.7
GR Series, Forms 2 and 3
Dimensions in Inches
Hub Size (In.) A B C D E F G
1-1/4 4.50 2.69 3.56 1.19 .88 2.75 1.13
1-1/2 5.75 3.75 4.81 1.38 .94 4.06 1.50
2 5.75 4.00 5.06 1.63 1.00 4.25 1.25
Dimensions in Centimeters
1-1/4 11.4 6.8 9.1 3.0 2.2 7.0 2.9
1-1/2 14.6 9.5 12.2 3.5 2.4 10.3 3.8
2 14.6 10.2 12.9 4.1 2.5 10.8 3.2
For cubic inches information, see page J-19
Class I, Div. 1 and 2
Groups B*,C,D
Class II, Div. 1 and 2
Groups E,F,G
Class III
NEMA 3,4

800-621-1506
www.appletonelec.com
J-6
J
Effective August, 2008
Copyright 2008
PAGE 6
Conduit Cover
Hub Size Opening Form Catalog Number*
Type (Inches) (Inches) No.† Malleable Iron Aluminum
GRFC 1/2 3.38 1 GRFC50 GRFC50-A
3/4 3.38 1 GRFC75 GRFC75-A
1 3.38 1 GRFC100 GRFC100-A
GRFL 1/2 3.38 1 GRFL50 GRFL50-A
3/4 3.38 1 GRFL75 GRFL75-A
1 3.38 1 GRFL100 GRFL100-A
GRFT 1/2 3.38 1 GRFT50 GRFT50-A
3/4 3.38 1 GRFT75 GRFT75-A
1 3.38 1 GRFT100 GRFT100-A
GRFX 1/2 3.38 1 GRFX50 GRFX50-A
3/4 3.38 1 GRFX75 GRFX75-A
1 3.38 1 GRFX100 GRFX100-A
* In Class I, Div. 1, Group B atmospheres, all conduit runs must have a sealing fitting (not supplied) field installed adjacent to the enclosure.
† Form number designates body and matching cover sizes. To order body without cover, add suffix -LC to catalog number.
Other covers available—see GR Cover listing page and order separately.
GRF Flanged Conduit Outlet Boxes:
Explosionproof, Dust-Ignitionproof
UNILETS® for use with Threaded Metal Conduit.
Furnished with Internal Ground Screw and O-Ring.
Class I, Div. 1 and 2
Groups B*,C,D
Class II, Div. 1 and 2
Groups E,F,G
Class III
NEMA 3,4
For cubic inches information, see page J-19

Effective September, 2005
Copyright 2005
800-621-1506
www.appletonelec.com
PAGE 7
J-7
J
Hub Conduit Cover Catalog Number
Type Size (Inches) Opening (Inches) Malleable Iron
GRHC 1/2 3.38 GRHC50
3/4 3.38 GRHC75
1 3.38 GRHC100
GRHL 1/2 3.38 GRHL50
3/4 3.38 GRHL75
1 3.38 GRHL100
GRHLB 1/2 3.38 GRHLB50
3/4 3.38 GRHLB75
1 3.38 GRHLB100
GRHT 1/2 3.38 GRHT50
3/4 3.38 GRHT75
1 3.38 GRHT100
GRHX 1/2 3.38 GRHX50
3/4 3.38 GRHX75
1 3.38 GRHX100
GRH Conduit Outlet Boxes:
Explosionproof, Dust-Ignitionproof
UNILETS® for use with Threaded Metal Conduit.
Furnished with Internal Ground Screw and O-Ring.
GRH Series
Dimensions in Inches
Hub Size (In.) A B C D E F G
1/2 3.75 2.44 2.63 .75 .81 1.63 1.25
3/4 3.75 2.44 2.63 .75 .81 1.63 1.25
1 3.75 2.44 2.63 .94 .94 1.63 1.06
Dimensions in Centimeters
1/2 9.5 6.2 6.7 1.9 2.1 4.1 3.2
3/4 9.5 6.2 6.7 1.9 2.1 4.1 3.2
1 9.5 6.2 6.7 2.4 2.4 4.1 2.7
Class I, Div. 1 and 2
Groups A,B,C,D
Class II, Div. 1 and 2
Groups E,F,G
Class III
NEMA 3,4
For cubic inches information, see page J-19

Effective September, 2005
Copyright 2005
PAGE 8
800-621-1506
www.appletonelec.com
J-8
J
Cover Fixture
Hub Opening Stem Size Form Catalog Number
Type (Inches) (Inches) No.† Malleable Iron Aluminum
Surface 3.38 1 GRK-1M GRK-1
3.94 2 GRK-2M GRK-2
4.88 3 GRK-3M GRK-3
Sealing 3.38 1 GRK-1SC GRK-1SC-A
3.94 2 GRK-2SC GRK-2SC-A
4.88 3 GRK-3SC GRK-3SC-A
Dome 3.38 1 GRK-1DC
2” deep
Union Hub 3.38 3/4 1 GRK-75U GRK-75UA
Hub 3.38 1/2 1 GRK-50 GRK50-A
3.38 3/4 1 GRK-75 GRK75-A
Canopy 3.38 1/2 1 GRK-50C
Length 3.38 3/4 1 GRK-75C
4-1/2” 3.38 1 1 GRK-100C
O-Rings—Buna-N Catalog Number
Provide Raintight fit when used on 1 GRG-1
following series: GR (Forms 1, 2 and 3), 2 GRG-2
GRF (Form 1), GRH, and GRU (Form 1). 3 GRG-3
GRTB Terminal Strip
For use in standard GR series boxes Weidmuller type MK terminal Block*
with wire range of #22-#12 AWG. Mounts on 2 predrilled and tapped standard
holes (furnished in internal GR boxes).
6 position terminal block kit 1+2 GRTB6-12
6 position terminal block kit 3 GRTB6-3
12 position terminal block kit 3 GRTB12-3
*Terminal block is UL listed for 300 volts, 25 ampere. CSA certified for 300 volts, 13 ampere.
†Form numbers designate cover and matching body sizes.
Covers for GR and GRF Conduit Outlet Boxes
Covers and O-rings Fit Bodies with Corresponding
Form Numbers.

Effective September, 2005
Copyright 2005
800-621-1506
www.appletonelec.com
PAGE 9
J-9
J
Catalog Number
Type and Size (Inches) Malleable Iron Aluminum
ELBY Capped Elbow
1/2 ELBY-50 ELBY-50-A
3/4 ELBY-75 ELBY-75-A
1 ELBY-100 ELBY-100-A
1-1/4 ELBY-125 ELBY-125-A
ELBD Pulling Elbow
1/2 ELBD-50 ELBD-50-A
3/4 ELBD-75 ELBD-75-A
1 ELBD-100 ELBD-100-A
1-1/4 ELBD-125 ELBD-125-A
1-1/2 ELBD-150 ELBD-150-A
2 ELBD-200 ELBD-200-A
2-1/2 Patented Roller Feature— ELBD-250 ELBD-250-A
3 Listings in Italic Type ELBD-300 ELBD-300-A
3-1/2 ELBD-350 ELBD-350-A
4 ELBD-400 ELBD-400-A
◆Shaded area indicates items suitable for Class I, Group B, in addition to Class I, Groups C, D; Class II, Groups E, F, G; and Class III.
ELBY and ELBD 90° Pulling Elbows:
Explosionproof, Dust-Ignitionproof
UNILETS® for use with Threaded Metal Conduit.
ELBY Series:
Class I, Div. 1 and 2
Groups B◆,C,D
Class II, Div. 1 and 2
Groups E,F,G
Class III
ELBD Series:
Class I, Div. 1 and 2
Group D
Class II, Div. 1 and 2
Groups E,F,G
Class III
ELBY Series ELBD Series
Dimensions in Inches Dimensions in Inches
Hub Size
(Inches) A B C D A B C D E F
1/2 2.75 1.44 2.06 1.44 5.06 2.63 4.50 1.06 4.69 2.69
3/4 2.88 1.44 2.06 1.44 5.06 2.63 4.50 1.06 4.69 2.69
1 3.19 1.88 2.56 1.75 7.88 3.44 5.00 1.75 7.50 3.94
1-1/4 4.00 2.31 3.13 2.13 7.88 3.44 5.00 1.75 7.50 3.94
1-1/2 10.63 4.81 6.75 2.56 10.69 4.94
2 10.63 4.81 6.75 2.56 10.69 4.94
2-1/2 14.69 6.63 9.25 3.75 13.81 6.69
3 14.69 6.63 9.25 3.75 13.81 6.69
3-1/2 28.25 7.50 12.75 4.63 27.56 7.38
4 28.25 7.50 12.75 4.63 27.56 7.38
Dimensions in Centimeters Dimensions in Centimeters
1/2 7.0 3.7 5.2 3.7 12.9 6.7 11.4 2.7 11.9 6.8
3/4 7.3 3.7 5.2 3.7 12.9 6.7 11.4 2.7 11.9 6.8
1 8.1 4.8 6.5 4.5 20.0 8.7 12.7 4.5 19.1 10.0
1-1/4 10.2 5.9 7.9 5.4 20.0 8.7 12.7 4.5 19.1 10.0
1-1/2 27.0 12.2 17.2 6.5 27.2 12.5
2 27.0 12.2 17.2 6.5 27.2 12.5
2-1/2 37.3 16.8 23.5 9.5 35.1 17.0
3 37.3 16.8 23.5 9.5 35.1 17.0
3-1/2 71.4 19.1 32.4 11.8 70.0 18.7
4 71.4 19.1 32.4 11.8 70.0 18.7
For cubic inches information, see page J-19

Effective September, 2005
Copyright 2005
PAGE 10
800-621-1506
www.appletonelec.com
J-10
J
Box Conduit Cover Opening Cubic
Catalog Number*
Type Size (In.) (Inches) Hubs Plugs Inches Aluminum
GRSS Outlet Box with Cover
Internally threaded aluminum bodies with externally threaded aluminum form 1 covers.
Has 7 hubs; 2 on each of the sides, 1 on the top, 1 on the bottom and 1 on the center
in the back. Furnished with 4 close-up plugs and O-Ring.
GRSS 1/2 3.38 7 4 29.0 GRSS50
3/4 3.38 7 4 29.0 GRSS75
1 3.38 7 4 29.0 GRSS100
GRSSA Outlet Box with Cover
Internally threaded aluminum bodies with externally threaded aluminum form 1 covers.
Has 13 hubs; 2 on each side, 2 each on top and bottom and 5 in the back.
Furnished with 5 close-up plugs and O-Ring.
GRSSA 1/2 3.38 13 5 29.0 GRSSA50
3/4 3.38 13 5 29.0 GRSSA75
For larger size boxes, refer to Catalog Section K.
* In Group “B” atmospheres, all conduit runs must have a sealing fitting (not supplied) field installed adjacent to the enclosure.
GRSS Conduit Outlet Boxes with Multiple Hubs:
Explosionproof, Dust-Ignitionproof
UNILETS® for use with Threaded Metal Conduit.
Furnished with internal ground screw and O ring gasket.
Class I, Div. 1 and 2
Groups B*,C,D
Class II, Div. 1 and 2
Groups E,F,G
Class III
Dimensions
For cubic inches information, see page J-19

Effective September, 2005
Copyright 2005
800-621-1506
www.appletonelec.com
PAGE 11
J-11
J
Fixture Cover
Box Conduit Stem Opening Catalog Number
Type Size (Inches) Size (Inches) (Inches) Malleable Iron
CPU Box with Blank Cover
(Form 20)
Furnished with four threaded
universal 3/4” hubs, four 3/4” to 1/2”
reducers, and three 1/2” close-up plugs.
1/2 or 3/4 3.81 CPU20
CPU Box with Hub Cover
(Form 20)
Furnished with four threaded
universal 3/4” hubs, four 3/4” to 1/2”
reducers, and three 1/2” close-up plugs.
1/2 or 3/4 1/2 3.81 CPU20-50
1/2 or 3/4 3/4 3.81 CPU20-75
CPU Covers only
(Form 20)
Furnished with fastening screws.
Cover Blank 3.81 CPSK20B
Hub Covers 1/2 3.81 CPSK20-50
3/4 3.81 CPSK20-75
CPU Connection Block
Phenolic. With fastening strap and two mounting screws.
5-Wire, 20-Ampere, 300 Volt CB205
CPU Universal Conduit Outlet Boxes and Covers:
Explosionproof, Dust-Ignitionproof
UNILETS® for use with Threaded Metal Conduit.
Class I, Div. 1 and 2
Groups C,D
Class II, Div. 1 and 2
Groups E,F,G
Class III
CPU Dimensions For cubic inches information, see page J-19
0.219” / 0.56 cm
2.875” / 7.06 cm
1.312” / 3.33 cm
➤
➤

Effective September, 2005
Copyright 2005
PAGE 12
800-621-1506
www.appletonelec.com
J-12
J
GRU and GRUE Universal Conduit Outlet Boxes:
Explosionproof, Dust-Ignitionproof
UNILETS® for use with Threaded Metal Conduit. Furnished
with Internal Ground Screw. GRU furnished with O-Ring.
Class I, Div. 1 and 2
Groups C,D
Class II, Div. 1 and 2
Groups E,F,G
Class III
Conduit Cover
Size Body Form Catalog Number
(Inches) Opening No.† Aluminum
GRU Aluminum Box
Furnished with externally threaded
aluminum surface cover, O-Ring.
five threaded hubs, and three close-up
plugs. For additional covers, see Page 8.
1/2 3.38 1 GRU50-A*
3/4 3.38 1 GRU75-A*
1 3.38 1 GRU100-A
GRUE Aluminum Box
Furnished with internally threaded
aluminum surface cover,
five threaded hubs, and three close-up
plugs.
1/2 3.38 GRUE50-A*
3/4 3.38 GRUE75-A*
1 3.38 GRUE100-A
GRU Series
Dimensions in Inches
Hub
Size (Inches) A B C D E F G
1/2 3.75 2.25 2.69 .69 1.38 4.06 2.00
3/4 3.75 2.25 2.69 .69 1.38 4.06 2.00
1 3.75 2.44 2.88 .94 1.44 5.44 2.19
Dimensions in Centimeters
1/2 9.5 5.7 6.8 1.8 3.5 10.3 5.1
3/4 9.5 5.7 6.8 1.8 3.5 10.3 5.1
1 9.5 6.2 7.3 2.4 3.7 13.8 5.6
GRUE Series
Dimensions in Inches
Hub
Size (Inches) A B C D E F G
1/2 4.25 2.25 2.75 .69 1.44 4.06 2.06
3/4 4.25 2.25 2.75 .69 1.44 4.06 2.06
1 4.25 2.44 3.00 .94 1.50 5.44 2.25
Dimensions in Centimeters
1/2 10.8 5.7 7.0 1.8 3.7 10.3 5.2
3/4 10.8 5.7 7.0 1.8 3.7 10.3 5.2
1 10.8 6.2 7.6 2.4 3.8 13.8 5.7
For cubic inches information, see page J-19
†For numbers designate body and matching cover sizes.
* CSA Certifi ed

Effective September, 2005
Copyright 2005
800-621-1506
www.appletonelec.com
PAGE 13
J-13
J
Box Conduit Cover
Type Size (Inches) Opening (Inches) Catalog Number
GRJS Universal Box with Cover
Internally threaded malleable iron body with
externally threaded aluminum surface cover.
Complete with five threaded universal
openings and three close-up plugs.
1/2 2.56 GRJS50
3/4 2.56 GRJS75
1 2.56 GRJS100
GRJS Covers, Aluminum
Surface 2.56 GRJSK
Hub 1/2 2.56 GRJSK-50
Fraction/Decimal
Equivalents (Inches)
Fraction Decimal
1/16 0.06
1/8 0.13
3/16 0.19
1/4 0.25
5/16 0.31
3/8 0.38
7/16 0.44
1/2 0.50
9/16 0.56
5/8 0.63
11/16 0.69
3/4 0.75
13/16 0.81
7/8 0.88
15/16 0.94
1 1.00
GRJS Universal Conduit Outlet Box:
Explosionproof, Dust-Ignitionproof
UNILETS® for Use with Threaded Metal Conduit.
Class I, Div. 1 and 2
Groups C,D
Class II, Div. 1 and 2
Groups E,F,G
Class III
GRJS Dimensions in Inches and Centimeters
GRJSK
GRJSK-50
For cubic inches information, see page J-19

Effective September, 2005
Copyright 2005
PAGE 14
800-621-1506
www.appletonelec.com
J-14
J
GRJ Conduit Outlet Boxes: Malleable Iron;
Explosionproof, Dust-Ignitionproof
UNILETS® for use with Threaded Metal Conduit.
Furnished with Internal Ground Screw.
Class I, Div. 1 and 2
Groups C,D
Class II, Div. 1 and 2
Groups E,F,G
Class III
GRJ Dimensions in Inches and Centimeters
For cubic inches information, see page J-19
Box Conduit Cover Catalog Number
Type Size (Inches) Opening (Inches)
Malleable
Iron
GRJC 1/2 2.13 GRJC50
3/4 2.13 GRJC75
GRJCA 1/2 2.13 GRJCA50
3/4 2.13 GRJCA75
GRJEA 1/2 2.13 GRJEA50
3/4 2.13 GRJEA75
GRJL 1/2 2.13 GRJL50
3/4 2.13 GRJL75
GRJT 1/2 2.13 GRJT50
3/4 2.13 GRJT75
GRJTA 1/2 2.13 GRJTA50
3/4 2.13 GRJTA75
GRJX 1/2 2.13 GRJX50
3/4 2.13 GRJX75
GRJ Covers
Surface 2.13 GRJK-S

Effective September, 2005
Copyright 2005
800-621-1506
www.appletonelec.com
PAGE 15
J-15
J
Box Conduit Catalog Number
Type Size (Inches) Malleable Iron
ERC 1/2 ERC50
3/4 ERC75
ERLB 1/2 ERLB50
3/4 ERLB75
ERLL 1/2 ERLL50
3/4 ERLL75
ERLR 1/2 ERLR50
3/4 ERLR75
ERT 1/2 ERT50
3/4 ERT75
ERTB 1/2 ERTB50
3/4 ERTB75
ER Dimensions
ER Conduit Outlet Boxes:
Explosionproof, Dust-Ignitionproof
UNILETS® for use with Threaded Metal Conduit.
Class I, Div. 1 and 2
Groups D
Class II, Div. 1 and 2
Groups E,F,G
Class III
Dimensions in Inches
Hub
Size (In.) A B C D E F G H
1/2 3.69 1.50 2.00 5.00 .56 .69 1.50 1.06
3/4 4.00 1.75 2.13 5.44 .69 .69 1.75 1.13
Dimensions in Centimeters
1/2 9.4 3.8 5.1 12.7 1.4 1.8 3.8 2.7
3/4 10.2 4.5 5.4 13.8 1.8 1.8 4.5 2.9
For cubic inches information, see page J-19
*If bigger sizes needed, see GR Series on page J-4

Effective September, 2005
Copyright 2005
PAGE 16
800-621-1506
www.appletonelec.com
J-16
J
Catalog Number
Number and Size of Hubs Malleable Iron
GRUO Box with Cover
Externally threaded malleable iron body complete with
internally threaded malleable iron surface cover; eight conduit
hubs and close-up plugs for all but three 3/4” hubs.
Each Side Top Bottom Back
1—3/4” 2—3/4” 2—3/4” 1—3/4” GRUO-2
1—1”
Cover opening—3.25”
GRUJ Box with Cover
Externally threaded malleable iron body complete with internally
threaded malleable iron surface cover; choice of hub arrange-
ments, furnished with close-up plugs for all
but three 3/4” hubs.
Each Side Top Bottom Back
2—3/4” 2—3/4” 1—3/4” None GRUJ-1P
2—3/4” 2—3/4” 1—3/4” 4—3/4” GRUJ-2P
2—3/4” 2—3/4” 1—3/4” 4—1” GRUJ-3P
Cover opening—3.25”
GRU Covers
Malleable iron with internal threads.
For GRUO and GRUJ listed above.
Surface GRUK-S
Cover opening—3.25”
GRUO and GRUJ Conduit Outlet Boxes
with Multiple Hubs:
Explosionproof, Dust-Ignitionproof
UNILETS® for use with Threaded Metal Conduit.
Class I, Div. 1 and 2
Groups C,D
Class II, Div. 1 and 2
Groups E,F,G
Class III
For cubic inches information, see page J-19

800-621-1506
www.appletonelec.com
PAGE 17
J-17
J
Effective August, 2008
Copyright 2008
GRU Conduit Outlet Boxes with Union Hubs:
Explosionproof, Dust-Ignitionproof
UNILETS® for use with Threaded Metal Conduit.
Furnished with Internal Ground Screw.
Class I, Div. 1 and 2
Groups C,D
Class II, Div. 1 and 2
Groups E,F,G
Class III
NEMA 3,4*
GRUT50
Box Type Conduit Size
(Inches)
Cubic Inch
Capacity
Cover Opening
(Inches)
Catalog Number
Malleable Iron Aluminum
GRU with Union Hubs
GRUT 1/2” thru 1” and GRUSE 1/2” thru 3/4” — Malleable iron externally threaded body
complete with internally threaded malleable iron surface cover.
GRUSE 1” — Copper free aluminum cover and body with externally threaded cover
GRUT 1/2 19 3.25 GRUT50
3/4 19 3.25 GRUT75
1 19 3.25 GRUT100
GRUSE 1/2 19 3.25 GRUSE50
3/4 19 3.25 GRUSE75
1 29 3.75 GRUSE100
GRUSE50
GRU Covers
Malleable iron with internal threads.Fit GRUT and GRUSE listed aboveg.
Surface 3.25 GRUK-S
* Applies to GRUSE100 only. g Does not apply to GRUSE100
Dimensions
GRUT GRUSE50 and GRUSE75
GRUSE100
GRUT
Dimensions in Inches
Hub Size
(Inches) A B C D E F
1/2 4.19 2.69 6.25 .75 8.25 2.31
3/4 4.19 2.69 6.25 .75 8.25 2.31
1 4.19 2.69 6.50 .94 8.75 2.31
Dimensions in Centimeters
1/2 10.6 6.8 15.9 1.9 21.0 5.9
3/4 10.6 6.8 15.9 1.9 21.0 5.9
1 10.6 6.8 16.5 2.4 22.2 5.9
GRUSE 1/2” and 3/4”
Dimensions in Inches
Hub Size
(Inches) A B C D E F G
1/2 and 3/4 4.19 2.56 6.13 .94 8.00 2.19 2.13
Dimensions in Centimeters
1/2 and 3/4 10.6 6.5 15.6 2.4 20.3 5.7 5.4

800-621-1506
www.appletonelec.com
J-18
J
Effective June, 2008
Copyright 2008
PAGE 18
Conduit Cover
Hub Size Opening
Catalog Number*
Type (Inches) (Inches) Malleable Iron
GUC 1/2 3.38 GUC50
3/4 3.38 GUC75
1 3.38 GUC100
GUL 1/2 3.38 GUL50
3/4 3.38 GUL75
1 3.38 GUL100
GULB 1/2 3.38 GULB50
3/4 3.38 GULB75
1 3.38 GULB100
GUT 1/2 3.38 GUT50
3/4 3.38 GUT75
1 3.38 GUT100
GUX 1/2 3.38 GUX50
3/4 3.38 GUX75
1 3.38 GUX100
GU Conduit Outlet Boxes:
Explosionproof, Dust-Ignitionproof
UNILETS® for Use with Threaded Metal Conduit.
Furnished with Internal Ground Screw.
GU Series
Dimensions in Inches
Hub Size (Inches) A B C D E F
1/2 4.28 2.44 2.97 .75 .81 2.25
3/4 4.28 2.44 2.97 .75 .81 2.25
1 4.28 2.44 2.97 .94 .94 2.25
Dimensions in Centimeters
1/2 10.9 6.2 7.5 1.9 2.1 5.7
3/4 10.9 6.2 7.5 1.9 2.1 5.7
1 10.9 6.2 7.5 2.4 2.4 5.7
Class I, Div. 1 and 2
Groups B*,C,D
Class II, Div. 1 and 2
Groups E,F,G
Class III
Dimensions in Inches and Centimeters
For cubic inches information, see page J-19
* In Group “B” atmospheres, all conduit runs must have a sealing fitting (not supplied) field installed adjacent to the enclosure.

Effective September, 2005
Copyright 2005
800-621-1506
www.appletonelec.com
PAGE 19
J-19
J
Volume in Cubic Inches and Cubic Centimeters
Wiring Capacity
Type Size Vol./cu. in. Vol./cu. cm
CPU Form 20 21.0 344.1
ER 1/2” 4.8 78.7
ER 3/4” 7.3 119.3
GR Form 1 18.0 295.0
GR Form 2 31.0 508.0
GR Form 3 (1-1/2”) 72.0 1179.9
Form 3 (2”) 76.0 1245.4
GRF All 18.0 295.0
GRH All 13.8 226.2
GRJ All 7.3 119.3
GRJS All 12.5 204.8
GRK (Canopy)- -50C, -75C, -100C 16.0 262.2
GRK (Dome) 1DC 6.0 98.3
GRU (Union Hubs) 1/2”, 3/4” 19.0 311.4
GRU (Universal) 1/2”, 3/4” 13.5 221.2
1” 17.5 286.8
GRUE 1/2”, 3/4” 15.3 250.7
1” 18.5 303.2
GRUJ All 25.0 409.7
GRUO All 25.0 409.7
GRSS All 29.0 475.2
GRSSA All 29.0 475.2
GU All 19.0 311.4
ELBD 90° Pulling Unilets
Size 1/2 3/4 1 1-1/4 1-1/2 2 2-1/2 3 3-1/2 4
Capacity in Cubic Inches
ELBD 7.0 7.0 25.0 25.0 69.0 69.0 240.0 240.0 540.0 540.0
Capacity in Cubic Centimeters
ELBD 114.7 114.7 409.7 409.7 1130.7 1130.7 3932.9 3932.9 8849.0 8849.0
Wiring Capacity:
Explosionproof Conduit Outlet Boxes
J
GU ELBD
GRSS

Effective September, 2005
Copyright 2005
PAGE 20
800-621-1506
www.appletonelec.com
J-20
J
®