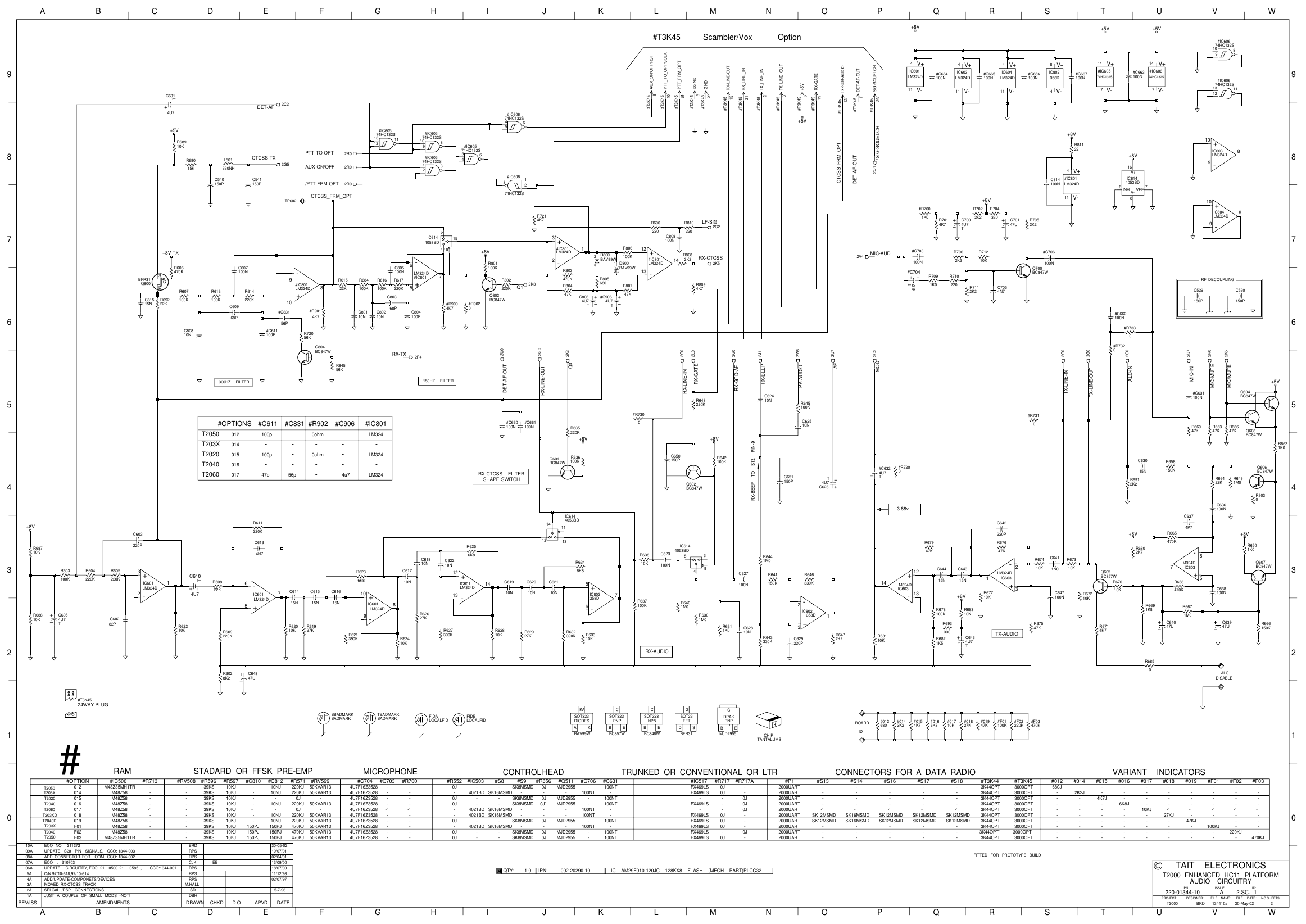
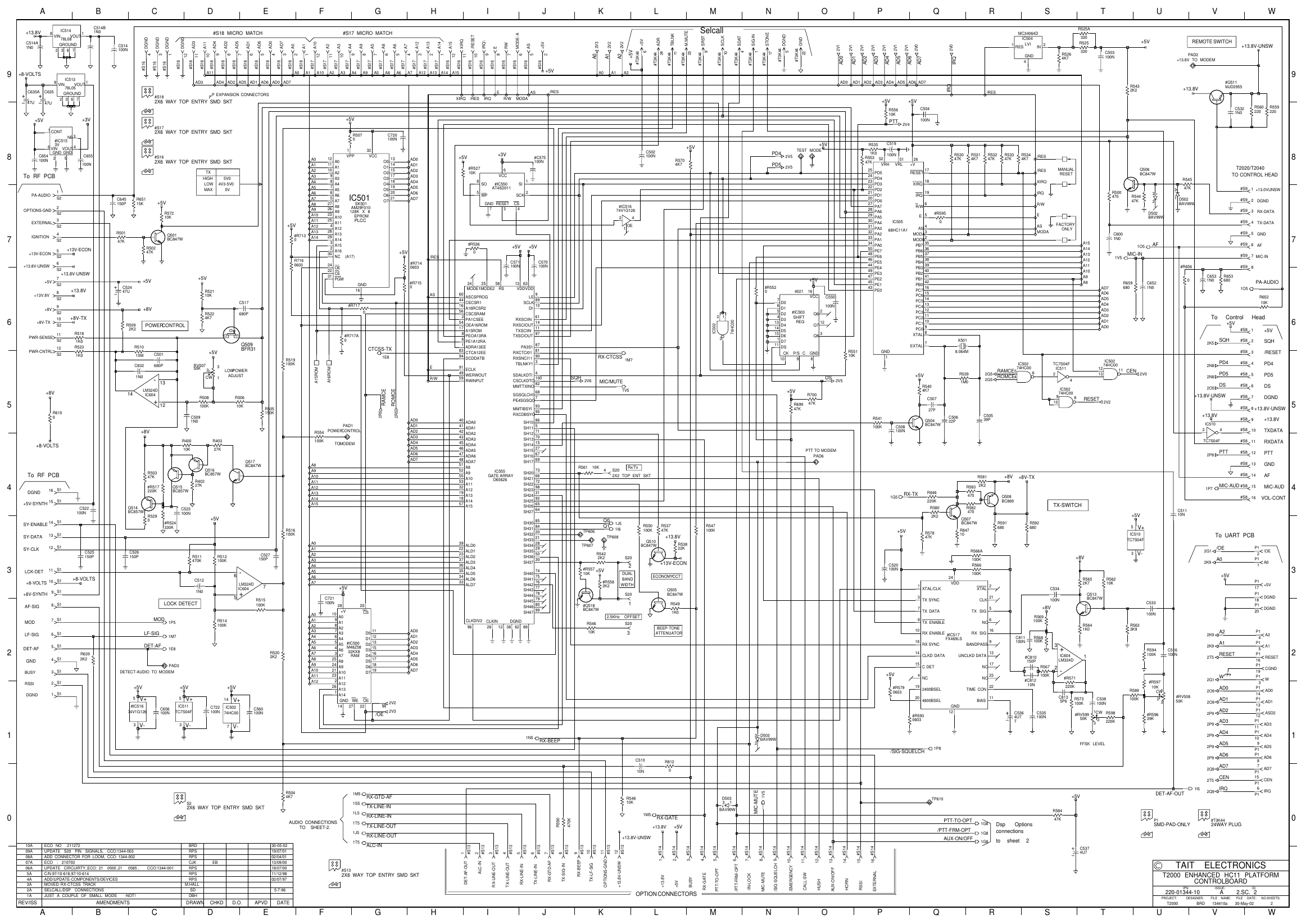
T2000/Service Manual Additions/220 01344 10 T2000 T2020 40 CONTROL BOARD/220 220
T2000/Service manual additions/220-01344-10 T2000 T2020-40 CONTROL BOARD/220-01344-10 220-01344-10
T2000/Service manual additions/220-01344-10 T2000 T2020-40 CONTROL BOARD/220-01344-10 220-01344-10
User Manual: Pdf T2000/Service manual additions/220-01344-10 T2000 T2020-40 CONTROL BOARD/220-01344-10
Open the PDF directly: View PDF
.
Page Count: 4



