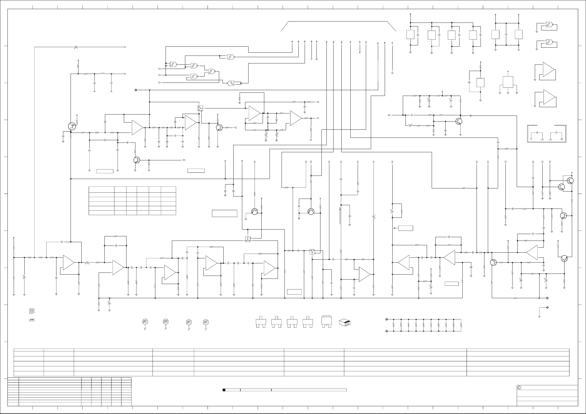
T2000/Service Manual Additions/220 01344 10 T2000 T2020 40 CONTROL BOARD/220 220
T2000/Service manual additions/220-01344-10 T2000 T2020-40 CONTROL BOARD/220-01344-10 220-01344-10
T2000/Service manual additions/220-01344-10 T2000 T2020-40 CONTROL BOARD/220-01344-10 220-01344-10
User Manual: Pdf T2000/Service manual additions/220-01344-10 T2000 T2020-40 CONTROL BOARD/220-01344-10
Open the PDF directly: View PDF
.
Page Count: 4

0
1
2
3
4
5
6
7
8
9
A B C D E F G H I J K L M N O P Q R S T U V W
0
1
2
3
4
5
6
7
8
9
A B C D E F G H I J K L M N O P Q R S T U V W
REV/ISS AMENDMENTS DATEAPVDD.O.CHKDDRAWN NO.SHEETS:FILE NAME:
TAIT ELECTRONICS
IPN:
FILE DATE:
ISSUE: ID:
2.SC.
PROJECT: DESIGNER:
1
2
T2000 ENHANCED HC11 PLATFORM
AUDIO CIRCUITRY
134410a
220-01344-10
30-May-02
A
T2000 BRD
1A JUST A COUPLE OF SMALL MODS -NOT! DBH
B E
C
SOT323
NPN
BC848W
D S
G
SOT23
FET
BFR31
DPAK
PNP
B
C
E
MJD2955
KA
KA
SOT323
DIODES
BAV99W
CHIP
TANTALUMS
B E
C
SOT323
PNP
BC857W
#R713
-
-
-
-
-’
-
-
-
-
-
#RV508
-
-
-
-
-
-
-
-
-
-
#R596
39KS
39KS
39KS
39KS
39KS
39KS
39KS
39KS
39KS
39KS
#R597
10KJ
10KJ
10KJ
10KJ
10KJ
10KJ
10KJ
10KJ
10KJ
10KJ
#C704
4U7F16Z3528
4U7F16Z3528
4U7F16Z3528
4U7F16Z3528
4U7F16Z3528
4U7F16Z3528
4U7F16Z3528
4U7F16Z3528
4U7F16Z3528
4U7F16Z3528
#C703
-
-
-
-
-’
-
-
-
-
-
#R700
-
-
-
-
-’
-
-
-
-
-
#R656
0J
-
0J
0J’
-
-
0J
-
0J
0J
#Q511
MJD2955
-
MJD2955
MJD2955
-
-
MJD2955
-
MJD2955
MJD2955
#C706
-
100NT
-
-
100NT
100NT
-
100NT
-
-
#C631
100NT
-
100NT
100NT
-
-
100NT
-
100NT
100NT
#S9
SK8MSMD
-
SK8MSMD
SK8MSMD
-
-
SK8MSMD
-
SK8MSMD
SK8MSMD
#S8
-
SK16MSMD
-
-
SK16MSMD
SK16MSMD
-
SK16MSMD
-
-
#IC503
-
4021BD
-
-
4021BD
4021BD
-
4021BD
-
-
#R552
0J
-
0J
0J
-
-
0J
-
0J
0J
#IC517
FX469LS
FX469LS
-
FX469LS
-
FX469LS
FX469LS
FX469LS
FX469LS
FX469LS
#R717
0J
0J
-
-
-
0J
0J
0J
-
0J
#R717A
-
-
0J
0J
0J
-
-
-
0J
-
#P1
2000UART
2000UART
2000UART
2000UART
2000UART
2000UART
2000UART
2000UART
2000UART
2000UART
#S18
-
-
-
-
-’
SK12MSMD
SK12MSMD
-
-
-
#S17
-
-
-
-
-’
SK12MSMD
SK12MSMD
-
-
-
#S16
-
-
-
-
-’
SK12MSMD
SK12MSMD
-
-
-
#S13
-
-
-
-
-’
SK12MSMD
SK12MSMD
-
-
-
#S14
-
-
-
-
-’
SK16MSMD
SK16MSMD
-
-
-
#T3K44
3K44OPT
3K44OPT
3K44OPT
3K44OPT
3K44OPT
3K44OPT
3K44OPT
3K44OPT
3K44OPT’
3K44OPT
#T3K45
3000OPT
3000OPT
3000OPT
3000OPT
3000OPT
3000OPT
3000OPT
3000OPT
3000OPT’
3000OPT
#016
-
-
-
6K8J
-
-
-
-
-
-
#015
-
-
4K7J
-
-
-
-
-
-
-
#018
-
-
-
-
-’
27KJ
-
-
-
-
#017
-
-
-
-
10KJ
-
-
-
-
-
#F02
-
-
-
-
-’
-
-
-
220KJ
-
#F01
-
-
-
-
-’
-
-
100KJ
-
-
#F03
-
-
-
-
-’
-
-
-
-
470KJ
#014
-
2K2J
-
-
-
-
-
-
-
-
#012
680J
-
-
-
-
-
-
-
-
-
#019
-
-
-
-
-’
-
47KJ
-
-
-
#RV599
50KVAR13
50KVAR13
-
50KVAR13
-
50KVAR13
50KVAR13
50KVAR13
50KVAR13
50KVAR13
#C812
10NJ
10NJ
-
10NJ
-
10NJ
10NJ
150PJ
150PJ
150PJ
#R571
220KJ
220KJ
0J
220KJ
0J
220KJ
220KJ
470KJ
470KJ
470KJ
#C810
-
-
-
-
-’
-
-
150PJ
150PJ
150PJ
#OPTION
012
014
015
016
017
018
019
F01
F02
F03
#IC500
M48Z35MH1TR
M48Z58
M48Z58
M48Z58
M48Z58
M48Z58
M48Z58
M48Z58
M48Z58
M48Z35MH1TR
2A SELCALL/DSP CONNECTIONS SD 5-7-96
3A MOVED RX-CTCSS TRACK M.HALL
QTY: IPN:1.0 002-20290-10 IC AM29F010-120JC 128KX8 FLASH (MECH PART)PLCC32
4A ADD/UPDATE-COMPONETS/DEVICES RPS 02/07/97
5A C/N:97/10-618,97/10-614 RPS 11/12/98
06A UPDATE CIRCUITRY, RPS 18/07/00
07A ECO : 210703 CJK EB 13/09/00
08A ADD CONNECTOR FOR LOOM, CCO: RPS 02/04/01
09A UPDATE S20 PIN SIGNALS, CCO: RPS 19/07/01
10A ECO NO 211272 BRD 30-05-02
#C631
100N
#C703
100N
T
#C704
4U7
#C706
100N
#F01
100K
#F02
220K
#F03
470K
#R700
1K0
#012
680
#014
2K2
#015
4K7
#016
6K8
#017
10K
#018
27K
#019
47K
ALC
BOARD
C529
150P
C530
150P
C540
150P
C541
150P
T
C601
4U7
C602
82P
C603
220P
T
C605
4U7
C607
100N
C608
10N
C609
68P
T
C610
4U7
#C611
100P
C613
4N7
C614
15N
C615
15N
C616
15N
C617
10N
C618
10N
C619
10N
C620
10N
C621
10N
C622
10N
C623
100N
C624
10N
C625
10N
T
C626
4U7
C627
100N
C628
10N
C629
220P
C630
15N
C636
100N
C637
4P7
C638
100N
C639
47U
C640
47U
C641
1N0
C642
220P
C643
15N
C644
15N
T
C646
4U7
C647
100N
C648
47U
C650
150P
C651
150P
T
C700
4U7
C701
47U
C705
4N7
C801
10N
C802
10N
C803
68P
C805
100N
T
C806
4U7
C808
100N
C814
100N
C815
15N
DISABLE
D800
BAV99W
1
3
D800
BAV99W
3
2
IC601
LM324D
V-
11
V+
4
IC603
LM324D
V-
11
V+
4
IC604
LM324D
V-
11
V+
4
IC614
4053BD
INH
6
V-
8
V+
16
VEE 7
+
-
#IC801
LM324D
10
9
8
+
-
#IC801
LM324D
5
6
7
+
-
#IC801
LM324D
3
2
1
+
-
#IC801
LM324D
12
13
14
#IC801
LM324D
V-
11
V+
4
IC802
358D
V-
4
V+
8
ID
L501
330NH
Q601
BC847W
Q602
BC847W
Q604
BC847W
Q605
BC857W
Q606
BC847W
Q607
BC847W
Q608
BC847W
Q700
BC847W
Q802
BC847W
R600
220
R602
8K2
R603
100K
R604
220K
R605
220K
R606
470K
R607
100K
R608
22K
R609
220K
R611
220K
R613
100K
R614
220K
R615
22K
R616
100K
R617
220K
R619
27K
R620
10K
R621
390K
R622
10K
R623
6K8
R624
10K
R625
6K8
R626
27K
R627
390K
R628
10K
R629
27K
R630
1M0
R631
1K0
R632
390K
R633
10K
R634
6K8
R635
220K
R636
100K
R637
100K
R638
10K
R640
1M0
R641
150K
R642
100K
R643
330K
R644
1M0
R645
100K
R646
330K
R647
2K2
R648
220K
R649
1M0
R650
1K0
R658
150K
R660
47K
R662
1K0
R663
47K
R664
22K
R665
470K
R666
150K
R667
1M0
R668
470K
R669
1K8
R670
10K
R671
4K7
R672
10K
R673
10K
R674
10K
R675
47K
R676
47K
R677
10K
R678
100K
R679
47K
R680
2K7
R681
10K
R682
1K5
R683
10K
R684
100K
R685
0
R686
47K
R687
10K
R688
10K
R689
10K
R690
15K
R691
2K2
R692
22K
R701
4K7
R702
2K2
R704
330
R705
2K2
R706
2K2
R711
2K2
R712
10K
R801
100K
R802
220K
R803
470K
R804
47K
R805
680
R806
100K
R807
47K
R808
2K2
R809
4K7
R810
220
R811
22
TP602
+
-
IC601
LM324D
3
2
1
+
-
IC601
LM324D
12
13
14
+
-
IC601
LM324D
10
9
8
+
-
IC601
LM324D
5
6
7
+
-
IC603
LM324D
5
6
7
+
-
IC603
LM324D
3
2
1
+
-
IC603
LM324D
12
13
14
+
-
IC603
LM324D
10
9
8
+
-
IC604
LM324D
10
9
8
IC614
4053BD
13
11
12
14
IC614
4053BD
3
9
5
4
IC614
4053BD
1 10
2
15
+
-
IC802
358D
5
6
7
+
-
IC802
358D
3
2
1
BBADMARK
BADMARK
FIDA
LOCALFID
FIDB
LOCALFID
TBADMARK
BADMARK
#R720
0
T
#C632
4U7
R709
1K0
R710
220
R721
4K7
#IC605
74HC132S
13
12 11
#IC605
74HC132S
10
98
#IC605
74HC132S
1
23
#IC605
74HC132S
5
46
#IC606
74HC132S
4
56
#IC606
74HC132S
1
2
3
#IC606
74HC132S
10
98
#IC606
74HC132S
13
12 11
#IC605
74HC132S
V-
7
V+
14
#IC606
74HC132S
V-
7
V+
14
#C663
100N
#T3K45
24WAY PLUG
#R730
0
#C661
100N
#C662
100N
#C660
100N
#R731
0
#R732
0
#R733
0
#C664
100N
#C667
100N
#C666
100N
#C665
100N
Q804
BC847W
#C831
56P
R720
56K
R845
56K
#R900
4K7
#R901
4K7
T
#C906
4U7
#R902
0
R903
0
D
S
G
Q800
BFR31
R693
330
C804
100P
+5V
+5V
+8V+8V
+8V
+8V
+8V
+8V
+8V
+8V
+8V
+8V
+8V
+8V-TX
AF
2U7
ALC-IN
2G0
CTCSS-TX
2G5
DET-AF
2C2
DET-AF-OUT
2U0
LF-SIG
2C2
MIC-AUD
2V4
MIC-IN
2U7
MIC-MUTE
2N0
MIC/MUTE
2K5
MOD
2C2
Q0
2K3
Q1
2K3
RX-BEEP
2J1
RX-CTCSS
2K5
RX-GATE
2L0
RX-GTD-AF
2G0
RX-LINE-IN
2G0
RX-LINE-OUT
2G0
TX-LINE-IN
2G0
TX-LINE-OUT
2G0
PA-AUDIO
2W6
+5V +5V
#T3K45 RX-LINE-OUT
15
#T3K45 TX_LINE_OUT
3
#T3K45 RX_LINE_IN
21
#T3K45 +5V
6
#T3K45 AUX_ON/OFF/RST
9
#T3K45 PTT_TO_OPT/SCLK
10
#T3K45 PTT_FRM_OPT
24
#T3K45 DGND
5
#T3K45 GND
22
/PTT-FRM-OPT
2R0
AUX-ON/OFF
2R0
PTT-TO-OPT
2R0
#T3K45 TX_LINE_IN
2
+5V
#T3K45 RX-GATE
19
RX-TX
2P4
#T3K45 TX-SUB-AUDIO
13
#T3K45 DET-AF-OUT
1
#T3K45 SIG-SQUELCH
23
/SIG-SQUELCH
2Q1
RX-CTCSS FILTER
SHAPE SWITCH
RX-BEEP TO S13, PIN-9
RX-AUDIO
TX-AUDIO
150HZ FILTER
300HZ FILTER
RF DECOUPLING
TRUNKED OR CONVENTIONAL OR LTR
STADARD OR FFSK PRE-EMP MICROPHONE CONTROL HEAD CONNECTORS FOR A DATA RADIO VARIANT INDICATORS
RAM
#
T2050
T2050
T203X
T2020
T2040
T2060
T203XD
T203X
T2040D
T2040
FITTED FOR PROTOTYPE BUILD
#T3K45 Scambler/Vox Option
T2050
T203X
T2020
T2040
T2060
#OPTIONS
012
014
015
016
017
#C611 #C831 #R902 #C906
-
-
-
-
-
-
-
-
-
-
-
-
-
47p
100p
100p
56p
0ohm
4u7
#IC801
LM324
LM324
LM324
-
-
0ohm
ECO: 21 0500 , CCO:1344-001,21 0585
3.88v
1344-002
1344-003
CTCSS_FRM_OPT
CTCSS_FRM_OPT
DET-AF-OUT

0
1
2
3
4
5
6
7
8
9
A B C D E F G H I J K L M N O P Q R S T U V W
0
1
2
3
4
5
6
7
8
9
A B C D E F G H I J K L M N O P Q R S T U V W
REV/ISS AMENDMENTS DATEAPVDD.O.CHKDDRAWN NO.SHEETS:FILE NAME:
TAIT ELECTRONICS
IPN:
FILE DATE:
ISSUE: ID:
2.SC.
PROJECT: DESIGNER:
2
2
T2000 ENHANCED HC11 PLATFORM
CONTROL BOARD
134410a
220-01344-10
30-May-02
A
T2000 BRD
TX
HIGH
LOW
MAX
5V0
4V3-5V0
0V
1A JUST A COUPLE OF SMALL MODS -NOT! DBH
2A SELCALL/DSP CONNECTIONS SD 5-7-96
3A MOVED RX-CTCSS TRACK M.HALL
4A ADD/UPDATE-COMPONENTS/DEVICES RPS 02/07/97
5A C/N:97/10-618,97/10-614 RPS 11/12/98
06A UPDATE CIRCUIRTY RPS 18/07/00
07A ECO : 210703 CJK EB 13/09/00
08A ADD CONNECTOR FOR LOOM, CCO: RPS 02/04/01
09A UPDATE S20 PIN SIGNALS, CCO: RPS 19/07/01
10A ECO NO 211272 BRD 30-05-02
#C810
150P
#C812
10N
32KX8
RAM
#IC500
M48Z58
A0
10
A1
9
A2
8
A3
7
A4
6
A5
5
A6
4
A7
3
A8
25
A9
24
A10
21
A11
23
A12
2
A13
26
A14
1
GND
14
WE
27
OE
22
+V
28
CS
20
D0 11
D1 12
D2 13
D3 15
D4 16
D5 17
D6 18
D7 19
SHIFT
D0
D1
D2
D3
D4
D5
D6
D7
DS
CK P/S C GND
VCC
Q6
Q7
Q8
REG
#IC503
4021
7
6
5
4
13
14
15
1
11
10 9 8
16
2
12
3
#IC517
FX469LS
XTAL/CLK
1
TX SYNC
3
TX DATA
7
TX ENABLE
8
RX ENABLE
10
RX SYNC
18
CLKD DATA
14
C DET
15
NC
4
2400BSEL
19
4800BSEL
20
GND
12
VDD
24
XTAL 2
CLK 21
TX SIG 5
NC 6
RX SIG 16
BANDPASS 9
UNCLKD DATA 13
NC 17
NC 23
TIME CON 22
BIAS 11
#Q511
MJD2955
CW
#RV508
50K
3
1
2
CW
#RV599
50K
3
1
2
#R552
0
#R571
220K
#R596
39K
#R597
10K
#R656
0
#R713
0
#R717
0
#R717A
0
A15ROM
I/OPAD
A16ROM
I/OPAD
S1
SKT 16-WAY MICROMATCH
1
S1
SKT 16-WAY MICROMATCH
10
S1
SKT 16-WAY MICROMATCH
11
S1
SKT 16-WAY MICROMATCH
12
S1
SKT 16-WAY MICROMATCH
13
S1
SKT 16-WAY MICROMATCH
14
S1
SKT 16-WAY MICROMATCH
15
S1
SKT 16-WAY MICROMATCH
16
S1
SKT 16-WAY MICROMATCH
2
S1
SKT 16-WAY MICROMATCH
3
S1
SKT 16-WAY MICROMATCH
4
S1
SKT 16-WAY MICROMATCH
5
S1
SKT 16-WAY MICROMATCH
6
S1
SKT 16-WAY MICROMATCH
7
S1
SKT 16-WAY MICROMATCH
8
S1
SKT 16-WAY MICROMATCH
9
#S9
2X4 WAY TOP ENTRY SMD SKT
1
#S9
2X4 WAY TOP ENTRY SMD SKT
2
#S9
2X4 WAY TOP ENTRY SMD SKT
3
#S9
2X4 WAY TOP ENTRY SMD SKT
4
#S9
2X4 WAY TOP ENTRY SMD SKT
5
C501
680P
C502
100N
C503
100N
C504
100N
C505
39P
C506
22P
C507
27P
C508
100N
C509
1N0
C510
10N
C511
10N
C512
1N0
C514
100N
C514A
1N0
C514B
1N0
C516
100N
C517
680P
C519
100N
C520
100N
C522
100N
C523
100N
C524
47U
C525
150P
C526
150P
C527
150P
C532
1N0
C533
100N
C534
100N
C535
100N
T
C536
4U7
C537
4U7
C538
100N
C550
100N
C560
100N
C570
100N
C571
100N
#S9
2X4 WAY TOP ENTRY SMD SKT
6
C600
1N0
C635
47U
C635A
47U
C645
150P
C652
1N0
C653
1N0
#S9
2X4 WAY TOP ENTRY SMD SKT
7
C720
100N
C721
100N
C722
100N
#S9
2X4 WAY TOP ENTRY SMD SKT
8
C811
100N
C813
5P6
#S8
SKT 16-WAY MICROMATCH
1
#S8
SKT 16-WAY MICROMATCH
10
#S8
SKT 16-WAY MICROMATCH
11
#S8
SKT 16-WAY MICROMATCH
12
#S8
SKT 16-WAY MICROMATCH
13
#S8
SKT 16-WAY MICROMATCH
14
#S8
SKT 16-WAY MICROMATCH
15
#S8
SKT 16-WAY MICROMATCH
16
#S8
SKT 16-WAY MICROMATCH
2
#S8
SKT 16-WAY MICROMATCH
3
#S8
SKT 16-WAY MICROMATCH
4
#S8
SKT 16-WAY MICROMATCH
5
D502
BAV99W
1
3
D503
BAV99W
13
#S8
SKT 16-WAY MICROMATCH
6
#S8
SKT 16-WAY MICROMATCH
7
#S8
SKT 16-WAY MICROMATCH
8
#S8
SKT 16-WAY MICROMATCH
9
FACTORY
I/OPAD
EPROM
128K X 8
SK501
AM29F010
A0
12
A1
11
A2
10
A3
9
A4
8
A5
7
A6
6
A7
5
A8
27
A9
26
A10
23
A11
25
A12
4
A13
28
A14
29
A15
3
A16
2
NC (A17)
30
OE
24
CE
22
PGM
31
GND
16
VPP
1
VCC
32
O0 13
O1 14
O2 15
O3 17
O4 18
O5 19
O6 20
O7 21
IC502
74HC00
V-
7
V+
14
IC502
74HC00
12
3
IC502
74HC00
5
46
IC502
74HC00
9
10 8
IC502
74HC00
12
13 11
LVI
IC504
MC34064D
IN 2
GND
4
RES
1
IC505
68HC11A1
RESET 17
XIRQ 18
IRQ 19
R/W 6
E5
AS 4
MODA3
MODB2
PB7 35
PB6 36
PB5 37
PB4 38
PB3 39
PB2 40
PB1 41
PB0 42
PC7 16
PC6 15
PC5 14
PC4 13
PC3 12
PC2 11
PC1 10
PC0 9
XTAL 8
EXTAL 7
GND
1
+V
26
VRL
51
VRH
52
PD5
25
PD4
24
PD3
23
PD2
22
PD1
21
PD0
20
PA7
27
PA6
28
PA5
29
PA4
30
PA3
31
PA2
32
PA1
33
PA0
34
PE7
50
PE6
48
PE5
46
PE4
44
PE3
49
PE2
47
PE1
45
PE0
43
IC510
TC7S04F
V-
3
V+
5
IC510
TC7S04F
24
IC511
TC7S04F
V-
3
V+
5
IC511
TC7S04F
2
4
GROUND
VIN VOUT
IC513
78L05
8
2367
1
GROUND
VIN VOUT
IC514
78L08
8
2367
1
DGND
GATE ARRAY
PE1A12RA
PEOA13RA
PA1CSEE
ADRA13EE
A16RCSR2
A15ROM
CECSR1
OEA16ROM
CSCSRAM
WERWOUT
ASCSPROG
RWINPUT
CTCA12EE
DCDDATB
ECLK
MODE1MODE2 RS
RXSCIOUT
TXSCIIN
RXSCIIN
TXSCIOUT
LE
DI
SCLK
VDDVDD
TBLNKY1
RXCTCI01
RXSNCI11
PA3S1
SH37
SH36
SH31
SH30
SH32
SH33
SH34
SH35
SH11
SH14
SH15
SH16
SH13
SH12
SH17
SH10
SGSQLCHI
MMTTXINO
MMTIBSYI
RXCDBSYO
CSCLKDTO
SDALKDTI
PE4SGSQO
SH20
SH24
SH21
SH22
SH25
SH23
SH27
SH26
SH40
SH41
SH42
SH43
SH44
SH45
SH46
SH47
CLKDIV2 CLKIN
A14
A13
A12
ADA0
ADA1
ADA2
ADA3
ADA4
ADA5
ADA6
A8
A9
A11
A10
A15
ADA7
ALD2
ALD3
ALD0
ALD4
ALD5
ALD6
ALD7
ALD1
IC555
D65626
60
44
16
56
2
54
17
8
6
1
83
94
91
49
59
40
41
42
43
45
46
47
48
51
52
55
53
32
19
18
57
39
22
23
37
36
35
34
33
96 26 12 38 62 88
24 25 58 13 63
9
89
10
61
14
11
97
87
81
90
3
4
100
82
68
7
93
95
86
5
71
70
15
27
67
69
73
66
72
98
31
92
65
64
85
84
20
21
28
29
50
30
74
75
76
77
78
79
80
99
#S14
SKT 16-WAY MICROMATCH
1
#S14
SKT 16-WAY MICROMATCH
10
#S14
SKT 16-WAY MICROMATCH
11
#S14
SKT 16-WAY MICROMATCH
12
#S14
SKT 16-WAY MICROMATCH
13
#S14
SKT 16-WAY MICROMATCH
14
#S14
SKT 16-WAY MICROMATCH
15
#S14
SKT 16-WAY MICROMATCH
16
#S14
SKT 16-WAY MICROMATCH
2
#S14
SKT 16-WAY MICROMATCH
3
#S14
SKT 16-WAY MICROMATCH
4
#S14
SKT 16-WAY MICROMATCH
5
#S14
SKT 16-WAY MICROMATCH
6
#S14
SKT 16-WAY MICROMATCH
7
#S14
SKT 16-WAY MICROMATCH
8
#S14
SKT 16-WAY MICROMATCH
9
MANUAL
I/OPAD
MODE
ONLY
I/OPAD
PAD1
PAD2
PAD3
PAD6
Q501
BC847W
Q504
BC847W
Q505
BC847W
Q506
BC847W
Q507
BC847W
Q508
BC869
Q510
BC847W
Q513
BC847W
Q514
BC857W
Q515
BC857W
Q516
BC857W
Q517
BC847W
RESET
I/OPAD
CW
RV507
50K
3
1
2
R400
10K
R402
27K
R403
27K
R500
470
R501
47K
R502
47K
R503
47K
R504
4K7
R505
150K
R506
10K
R507
0
R508
100K
R509
2K2
R510
10M
R511
470K
R512
100K
R514
100K
R515
100K
R516
100K
R518
1K0
R519
100K
R520
2K2
R521
10K
R522
4K7
R523
1K0
R525
330
R525A
330
R526
4K7
R529
0
R530
47K
R531
4K7
R532
47K
R533
47K
R534
4K7
R535
1K0
R537
47K
R538
22K
R539
1M0
R540
4K7
R541
100K
R543
2K2
R544
47K
R545
47K
R547
100K
R548
10K
R549
1K0
R550
100K
R551
10K
R553
47K
R554
100K
R556
10K
R559
220
R560
220
R562
10K
R563
3K9
R564
1K0
R565
2K7
R566
100K
R566A
100K
R567
100K
R568
100K
R569
100K
R570
4K7
R572
10K
R573
100K
R578
47K
R580
2K2
R581
2K2
R582
470
R583
470
R584
47K
R589
100K
R590
470K
R591
680
R592
680
R594
100K
R598
220K
R610
0
R639
2K2
R651
15K
R652
10K
R653
680
R659
680
R699
47K
R700
47K
#R714
0603
#R715
0
R716
0603
R812
0
TEST
TP606
TP607
TP608
X501
8.064M
+
-
IC604
LM324D
5
6
7
+
-
IC604
LM324D
12
13
14
+
-
IC604
LM324D
3
2
1
#T3K44
24WAY PLUG
#R593
0603
#R579
0603
P1
SMD-PAD-ONLY
TP610
D502
BAV99W
3
2
D503
BAV99W
3
2
#R517
220K
#R524
330K
C832
1N0
R847
10
R846
220K
#R595
0
#S13
2X6 WAY TOP ENTRY SMD SKT
S2
2X6 WAY TOP ENTRY SMD SKT
#S18
2X6 WAY TOP ENTRY SMD SKT
#S17
2X6 WAY TOP ENTRY SMD SKT
#S16
2X6 WAY TOP ENTRY SMD SKT
D
S
G
Q509
BFR31
#R536
0
#IC550
AT45D011
SI 1
SCK 2
CS
4
RESET
3
GND
7
VCC
6
SO
8
WP
5
#R527
10K
#C575
100N
#Q518
BC847W
#R557
10K
R542
2K2
R561 10K
R546
10K
S20
2X2 TOP ENT SKT
4
S20
2X2 TOP ENT SKT
3
S20
2X2 TOP ENT SKT
2
S20
2X2 TOP ENT SKT
1
#R558
2K2
#IC516
74V1G126
2
1OE
4
#IC516
74V1G126
V-
3
V+
5
#IC515
3V
1CONT
4
VOUT
6VIN
3
NB
2
GND
5
GND
C654
100N
C655
100N
C656
100N
+13.8V
+13.8V
+13.8V
+13.8V
+13.8V
+13.8V
+13.8V-UNSW
+13.8V-UNSW
+13.8V-UNSW
+13.8V-UNSW
+13V-ECON
+13V-ECON
+5V
+5V
+5V
+5V
+5V
+5V
+5V +5V
+5V
+5V
+5V
+5V
+5V
+5V
+5V
+5V
+5V
+5V
+5V +5V
+5V
+5V
+5V
+5V
+5V
+5V
+5V
+8-VOLTS
+8-VOLTS
+8-VOLTS
+8V
+8V
+8V
+8V
+8V
+8V
+8V-TX
+8V-TX
/OE
2V3
/OE
2G1
AD0
2O9
AD0
2V1
AD1
2O9
AD1
2V1
AD2
2P9
AD2
2V1
AD3
2V1
AD3
2P9
AD4
2V1
AD4
2P9
AD5
2V1
AD5
2P9
AD6
2V1
AD6
2P9
AD7
2V0
AD7
2Q9
AF
1O5
ALC-IN
1T5
A0
2V3
A0
2K9
A1
2K9
A1
2V2
A2
2K9
A2
2V2
CEN
2V0
CEN
2T5
CTCSS-TX
1E8
DET-AF
1E8
DET-AF-OUT
1I5
DS
2O5
DS
2V5
IRQ
2V0
IRQ
2Q9
LF-SIG
1M7
MIC-AUD
1P7
MIC-IN
1V5
MIC-MUTE
1V5
MIC/MUTE
1V5
MOD
1P5
PD4
2N8
PD4
2V5
PD5
2N8
PD5
2V5
PTT
2P8
PTT
2V4
Q0
1J5
Q1
1I6
RAMCE
2G5
RAMCE
2R5
RESET
2T5
RESET
2V2
ROMCE
2R5
ROMCE
2G5
RX-BEEP
1N5
RX-CTCSS
1M7
RX-GATE
1M5
RX-GTD-AF
1M5
RX-LINE-IN
1L5
RX-LINE-OUT
1J5
SQH
2K5
SQH
2V6
TX-LINE-IN
1S5
TX-LINE-OUT
1T5
W
2G1
W
2V2
#T3K44 ADR
24
#T3K44 SRST
9
#T3K44 SCLK
10
#T3K44 SDAT
4
#T3K44 STONE
17
#T3K44 TBLNK
11
#T3K44 M.MUTE
23
#T3K44 SIG-IN
1
#T3K44 DGND
5
#T3K44 GND
22
#T3K44 +5V
6
+5V
PTT-TO-OPT
1G8
/PTT-FRM-OPT
1G8
AUX-ON/OFF
1G8
+5V
P1 A2
4
P1 A1
5
P1 RESET
16
P1 W
3
P1 AD0
14
P1 AD1
13
P1 ASD2
12
P1 AD3
11
P1 AD4
10
P1 CGND
19
P1 AD5
9
P1 AD6
8
P1 AD7
7
P1 CEN
15
P1 IRQ
6
P1 +5V
17
P1 DGND
18
P1 DGND
20
P1 /OE
2
P1 A0
1
PA-AUDIO
1O5
RX-TX
1G5
/SIG-SQUELCH
1P8
#S13
DET-AF-OUT 1
#S13
ALC-IN 2
#S13
RX-LINE-OUT 3
#S13
TX-LINE-OUT 4
#S13
RX-LINE-IN 5
#S13
TX-LINE-IN 6
#S13
RX-GTD-AF 7
#S13
TX-SIG-IN 8
#S13
RX-BEEP 9
#S13
TX-LF-SIG 10
#S13
OPTIONS-GND 11
#S13
+13.8V-UNSW 12
S2
PA-AUDIO 1
S2
OPTIONS-GND 2
S2
EXTERNAL 3
S2
IGNITION 4
S2
+13V-ECON 5
S2
+13.8V-UNSW 6
S2
+5V 7
S2
+13V.8V 8
S2
+8V 9
S2
+8V-TX 10
S2
PWR-SENSE 11
S2
PWR-CNTRL 12
#S18 DGND
12
#S18 AD3
11
#S18 A11
10
#S18 AD4
9
#S18 AD2
8
#S18 AD5
7
#S18 AD1
6
#S18 AD6
5
#S18 AD0
4
#S18 AD7
3
#S18 A0
2
#S18 A1
1
#S17 A10
12
#S17 A2
11
#S17 A3
10
#S17 A4
9
#S17 A9
8
#S17 A5
7
#S17 A8
6
#S17 A6
5
#S17 A7
4
#S17 A12
3
#S17 A13
2
#S17 A14
1
#S16 DGND
4
#S16 DGND
3
#S16 DGND
1
#S16 XIRQ
11
#S16 /RESET
10
#S16 IRQ\
9
#S16 E
8
#S16 RW
7
#S16 MODE-A
6
#S16 AS
5
#S16 +5V
2
#S16 A15
12
+3V
+5V
+5V
+5V
+5V +3V
+5V
OPTION CONNECTORS
POWER CONTROL
LOW POWER
ADJUST
AUDIO CONNECTIONS
TO SHEET-2.
TO CONTROL HEAD
LOCK DETECT
P EXPANSION CONNECTORS
POWER CONTROL
DETECT-AUDIO TO MODEM
TO MODEM
PTT TO MODEM
+13.8V TO MODEM
REMOTE SWITCH
PLCC
TX-SWITCH
FFSK LEVEL
Selcall
Dsp Options
connections
to sheet 2
IC501
To RF PCB
To RF PCB
To Control Head
To UART PCB
T2020/T2040
DUAL
BAND
,21 0585 , CCO:1344-00121 0500,ECO:
#S18 MICRO MATCH #S17 MICRO MATCH
ECONOMY CCT
BEEP-TONE
ATTENUATOR
2.5KHz OFFSET
1344-002
WIDTH
Rx/Tx
1344-003
/RES
IRQ
/RES
/RES
/RES
XIRQ
IRQ
R/W
E
AS
MODA
AS
MODAR/W
E
IRQ/RESXIRQ
/RES
AS
E
R/W
A11 A0 A1
A0
A1
A2
A3
A4
A5
A6
A7
A8
A9
A10
A11
A12
A13
A14
A8
A9
A10
A11
A12
A13
A14
A15
A0
A1
A2
A3
A4
A5
A6
A7
A0
A1
A2
A3
A4
A5
A6
A7
A8
A9
A10
A11
A12
A10 A2 A3 A4 A9 A5 A8 A6 A7 A12 A13 A14 A15 A0 A1 A2
A15
A14
A13
A12
A11
A10
A9
A8
DGND
+8-VOLTS
DGND
GND
MOD
DGND
GND
+5V
PTT
GND
AF
AF
MIC-AUD
SQH
PD4
PD5
DS
DGND
+13.8V-UNSW
+13.8V
TXDATA
+5V-SYNTH
+8V-SYNTH
SY-ENABLE
+13.8V
CALL-SW
HORN
RSSI
RSSI
EXTERNAL
+5V
RX-GATE
MIC-MUTE
DET-AF
TX-DATA
/IN-LOCK
/RESET
RXDATA
RX-DATA
SY-DATA
+13.0VUNSW
BUSY
BUSY
AF-SIG
MIC-IN
/EMERGENCY
LCK-DET
AD0
AD1
AD2
AD3
AD4
AD5
AD6
AD7
AD7AD6AD5AD4AD3AD2AD1AD0AD7AD0AD6AD1AD5AD2AD4AD3
AD0
AD1
AD2
AD3
AD4
AD5
AD6
AD7
AD0
AD1
AD2
AD3
AD4
AD5
AD6
AD7
AD0
AD1
AD2
AD3
AD4
AD5
AD6
AD7
SY-CLK
/SIG-SQUELCH
VOL-CONT
LF-SIG
/PTT-FRM-OPT
AUX-ON/OFF
HUSH
PTT-TO-OPT

JD
8
B
15
GE F
1C HA
14
7
13
6
12
5
11
4
10
3
9
2
#012
#014
#015
#016
#017
#018
#019
#C575
#C611
#C631
#C632
#C660
#C661
#C662
#C663
#C664
#C665
#C666
#C667
#C703
#C704
#C706
#C810
#C812
#C831
#C906
#F01
#F02
#F03
#IC500
#IC503
#IC515
#IC517
#IC550
#IC605
#IC606
#IC801
#Q511
#Q518
#R517
#R524
#R527
#R536
#R552
#R557
#R558
#R571
#R579
#R593
#R595
#R596
#R597
#R656
#R700
#R713
#R714#R715 #R717
#R717A
#R720
#R730
#R731
#R732
#R733
#R900
#R901
#R902
#RV508#RV599
#S13
#S14
#S16
#S17
#S18
#S8
#S9
#T3K44
#T3K45
C501
C502
C503
C504
C505
C506
C507
C508
C509
C510
C511
C512
C514
C514A
C514B
C516
C517
C519
C520
C522
C523
C524
C525
C526
C527
C529
C530
C532
C533
C534
C535
C536
C537
C538
C540
C541 C550
C560
C570
C571
C600
C601
C602
C603
C605
C607
C608
C609
C610
C613
C614
C615
C616
C617 C618 C619
C620
C621
C622
C623
C624
C625
C626
C627
C628
C629
C630
C635
C635A
C636
C637
C638
C639
C640
C641
C642
C643
C644
C645
C646
C647
C648
C650
C651
C652 C653
C654
C655
C656
C700
C701
C705
C720
C721
C722
C801
C802
C803
C804
C805
C806
C808
C811
C813
C814
C815
C832
D502
D503
D800
FIDA
FIDB
IC502
IC504
IC505
IC510
IC511
IC513
IC514
IC555
IC601
IC603
IC604
IC614
IC802
L501
P1
Q501
Q504
Q505
Q506
Q507
Q508
Q509
Q510
Q513
Q514
Q515
Q516
Q517
Q601
Q602
Q604
Q605
Q606
Q607
Q608
Q700
Q800
Q802
Q804
R400
R402
R403
R500
R501 R502
R503
R504 R505
R506
R507
R508
R509
R510
R511
R512
R514
R515
R516
R518
R519
R520
R521
R522
R523
R525
R525A
R526
R529
R530
R531
R532
R533
R534
R535
R537
R538
R539
R540
R541
R542
R543
R544
R545
R546
R547
R548
R549
R550
R551
R553
R554
R556
R559
R560
R561
R562
R563
R564
R565
R566
R566A
R567
R568
R569
R570
R572
R573
R578
R580
R581
R582
R583
R584
R589
R590
R591R592
R594
R598
R600
R602
R603
R604R605
R606
R607
R608
R609
R610
R611
R613
R614
R615
R616
R617
R619
R620
R621
R622
R623
R624 R625
R626
R627
R628
R629
R630
R631
R632
R633
R634
R635
R636
R637
R638
R639
R640
R641
R642
R643
R644
R645
R646
R647
R648
R649
R650
R651
R652
R653
R658
R659
R660
R662
R663
R664
R665
R666
R667
R668
R669
R670
R671
R672
R673
R674
R675
R676
R677
R678
R679
R680
R681
R682
R683
R684
R685
R686
R687R688
R689
R690
R691
R692
R693
R699
R700
R701
R702
R704
R705
R706
R709
R710
R711
R712
R716
R720
R721
R801
R802
R803
R804
R805
R806
R807
R808
R809
R810
R811
R812
R845
R846
R847
R903
RV507
S1S2
S20
SK501
TBADMARK
TP610
X501
TAIT ELECTRONICS
T2K ENHANCED PCB LAYOUT - TOP SIDE
IPN: ISS: ID: DATE:
220-01344-10 A 1.TA 30 May 2002
Scale:2.3:1 ; Rotation: 270 degrees
#IC516

F
220-01344-10
ID
8
15
J D BEG 1
CFH A
14
7
13
6
12
5
11
4
10
3
9
2
A15ROM
A16ROM
ALC
BBADMARK
BOARD
DISABLE
FACTORY
ID
MANUAL
MODE
ONLY
PAD1
PAD2
PAD3
PAD6
RESET
TEST
TP602
TP606
TP607
TP608
TAIT ELECTRONICS
T2K ENHANCED PCB LAYOUT - BOTTOM SIDE
IPN: ISS: ID: DATE:
220-01344-10 A 2.BA 30 May 2002
Scale:2.3:1 ; Rotation: 90 degrees