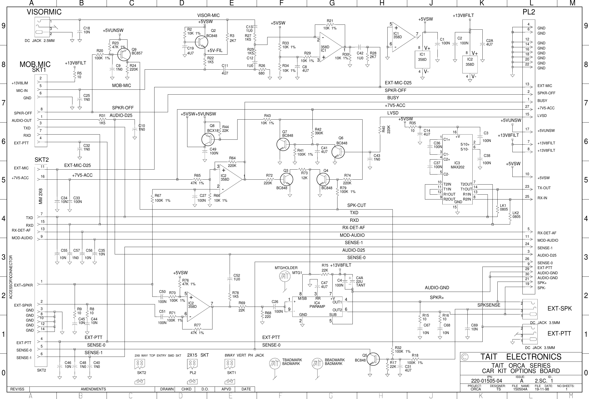
ORCA/ORCA CIRCUIT BOARDS/220 01505 04A_TAIT ORCA SERIES CAR KIT VOX PCB/220 PCB 220 04A TAIT
User Manual: Pdf ORCA/ORCA CIRCUIT BOARDS/220-01505-04A_TAIT ORCA SERIES CAR KIT VOX PCB/220-01505-04A_TAIT ORCA SERIES CAR KIT VOX PCB
Open the PDF directly: View PDF
.
Page Count: 3


