ORCA/ORCA CIRCUIT BOARDS/220 01505 04A_TAIT ORCA SERIES CAR KIT VOX PCB/220 PCB 220 04A TAIT
User Manual: Pdf ORCA/ORCA CIRCUIT BOARDS/220-01505-04A_TAIT ORCA SERIES CAR KIT VOX PCB/220-01505-04A_TAIT ORCA SERIES CAR KIT VOX PCB
Open the PDF directly: View PDF
.
Page Count: 3

0
1
2
3
4
5
6
7
8
9
0
1
2
3
4
5
6
7
8
9
ABCDEFGHJ KLM
REV/ISS AMENDMENTS DATEAPVDD.O.CHKDDRAWN
NO.SHEETS:FILE NAME:
TAIT ELECTRONICS
IPN:
FILE DATE:
ISSUE: ID:.
2.SC.
PROJECT: DESIGNER:
1
1
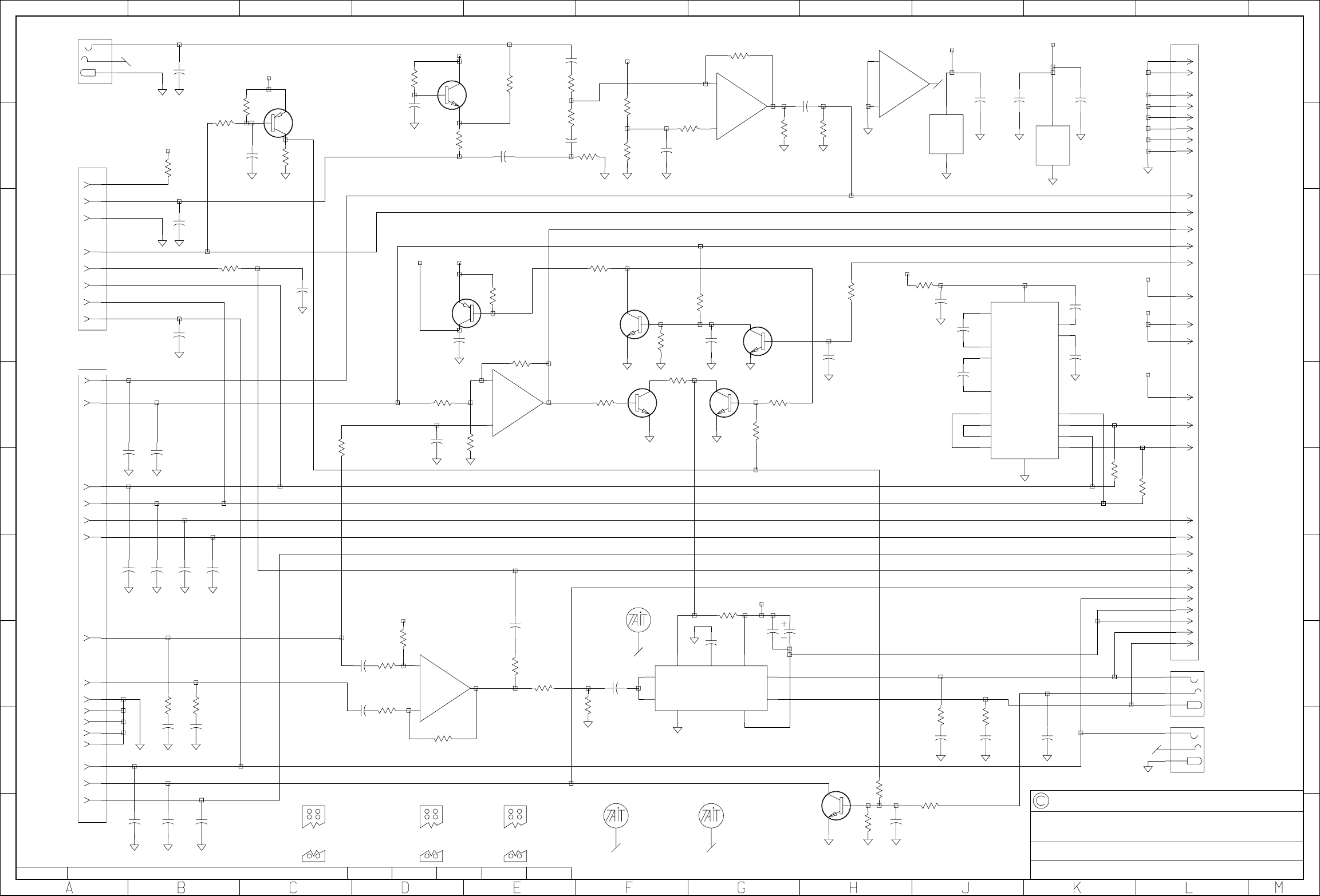
TAIT ORCA SERIES
CAR KIT OPTIONS BOARD
150504A
220-01505-04
19-11-98
A
ORCA TS
R33
10K 1%
R34
10K 1%
+
-
IC1
358D
3
2
1
R30
10K 1%
R28
2K7
R25
1K5 R29
10K 1%
R27
1K5
C12
1U0
C13
1U0
IC1
358D
V-
4
V+
8
R21
10K 1%
PL2
2X15 SKT
R74
220K
R75
22K
C8
4U7
C4
100N
R69
22K
R68
220
C26
100N
SKT2
2X8 WAY TOP ENTRY SMD SKT
R67
100K 1%
C27
100N
R64
220K
R66
10K 1%
R65
47K 1%
R18
100K 1%
R17
22K
C31
4U7
C2
100N
C1
100N
C11
4U7
R26
680
Q5
BC848
IC3
MAX202
C1+
1
C1-
3
C2+
4
C2-
5
T2IN
10
T1IN
11
R1OUT
12
R2OUT
9
GND
15
+V
16
5/10+ 2
5/10- 6
T2OUT 7
T1OUT 14
R1IN 13
R2IN 8
C36
100N
C37
100N
C38
100N
C3
100N
C42
1U0
Q4
BC848
VISORMIC
DC JACK 2.5MM
2
3
1
EXT-SPK
DC JACK 3.5MM
1
3
2
EXT-PTT
DC JACK 3.5MM
1
3
2
PWR AMP
IC4
1
+
9
-
2
GND
5
SUB
8
M/SB
3
RR
7
+V
4
OUT1
6
OUT2
SKT1
8WAY VERT PH JACK
R22
1K5
C47
4U7
Q3
BC848
R72
220K
R73
12K
C46
10N
C48
1N0
R77
47K 1%
C50
100N
C51
100N
R76
47K 1%
C25
1N0
Q2
BC848
R2
10K 1%
C19
4U7
R3
2K7
C18
10N
TANT
C4A
22U
C2A
4U7
C33
100N
C34
10N
C32
1N0
C57
1N0
C55
10N
C45
10N
C44
10N
R16
10
R15
10
C67
10N
C68
10N
C69
10N
R9
10
R8
10
R5
10
R70
100K 1%
R71
100K 1%
C35
10N
C56
10N
+
-
IC1
358D
5
6
7
Q6
BC848
Q7
BC848
Q8
BCX18
R40
220K
R41
100K 1%
R44
22K
R42
390K
R43
10K 1%
C49
100N
+
-
IC2
358D
5
6
7
+
-
IC2
358D
3
2
1
IC2
358D
V-
4
V+
8
C41
4U7
C43
1N0
C40
1N0
MTG1
MTG HOLDER
R79
100K 1%
R32
100K 1%
C9
1N0
C10
1N0
R23
47K 1%
R31
1K5
R35
10
C14
4U7
R24
220K
C52
1U0
R78
1K5
R20
100K 1%
Q9
BC857
TBADMARK
BADMARK
BBADMARK
BADMARK
LK1
0805
LK2
0805
+5VSW
PL2
SPKR-OFF
2
PL2
RX-DET-AF
5
PL2
GND
4
PL2
EXT-MIC
13
PL2
LVSD
15
+13V8FILT
SKT2
EXT+SPKR 1
SKT2
EXT-SPKR 2
SKT2
GND 3
SKT2
EXT-PTT 4
SKT2
SENSE-0 5
SKT2
TXD 7
SKT2
GND 8
SKT2
MOD-AUDIO 9
SKT2
GND 10
SKT2
EXT-MIC 11
SKT2
GND 12
+13V8FILT
+5VSW
+5VUNSW
+5VSW
+13V8FILT
+13V8FILT
SKT1
+13V8LIM
2
SKT1
TXD
3
SKT1
EXT-PTT
4
SKT1
MIC-IN
5
SKT1
GND
6
SKT1
RXD
7
SKT2
RX-DET-AF 13
SKT2
GND 14
SKT2
RXD 15
SKT2
+7V5-ACC 16
PL2
AUDIO-GND
29
PL2
AUDIO-GND
30
PL2
BUSY
1
PL2
GND
16
+5VSW
+5VSW
+5VUNSW+5VSW
PL2
+13V8FILT
7
PL2
EXT-PTT
9
PL2
AUDIO-D25
3
SKT2
SENSE-1 6
PL2
GND
6
PL2
+13V8FILT
8
PL2
+5VSW
10
PL2
MOD-AUDIO
11
PL2
GND
12
PL2
GND
14
PL2
+5VUNSW
17
PL2
GND
18
PL2
SPK-
19
PL2
GND
20
PL2
SPK+
21
PL2
GND
22
PL2
TX-OUT
23
PL2
SENSE-1
24
PL2
RX-IN
25
PL2
SENSE-0
26
PL2
+7V5-ACC
27
SKT1
SPKR-OFF 8
SKT1
AUDIO-OUT 1
+5VUNSW
+5VSW
MM 2X8
MOB.MIC
ACCESSORY CONNECTOR
PL2
VISOR-MIC
SPKSENSE
+5V-FIL
TXD
RXD
RX-DET-AF
EXT-PTTEXT-PTT
+7V5-ACC
SENSE-0SENSE-0
MOD-AUDIO
SPKR+
SENSE-1
SPK-CUT
SENSE-1
AUDIO-D25
SENSE-0
+7V5-ACC
BUSY
SPKR-OFF
EXT-MIC-D25
LVSD
SPKR-OFF
AUDIO-D25
AUDIO-GND
EXT-MIC-D25
MOB-MIC

AIPN 220-01505-04
T S
7
4
3
A
6
B
2
1
5
CD
BBADMARK
PL2
TAIT ELECTRONICS
OPTIONS PCB PCB LAYOUT - BOTTOM SIDE
IPN: ISS: ID: DATE:
220-01505-04 A 2.BA 16 Nov 1998
Scale:2.2:1 ; Rotation: 0 degrees

T S
7
A
4
1
5
3
B
6
C
2
D
C1
C10
C11
C12 C13
C14
C18
C19
C2
C25
C26
C27
C2A
C3
C31
C32
C33
C34C35
C36 C37 C38
C4
C40
C41
C42
C43
C44C45 C46
C47
C48
C49
C4A
C50
C51
C52
C55 C56 C57
C67
C68
C69
C8
C9
EXT-PTTEXT-SPK
IC1
IC2
IC3
LK1
LK2
Q2
Q3 Q4
Q5
Q6Q7 Q8
Q9
R15
R16
R17
R18
R2
R20
R21
R22
R23
R24
R25
R26
R27
R28
R29
R3
R30
R31
R32
R33
R34
R35
R40
R41
R42 R43
R44
R5
R64
R65
R66
R67
R68 R69
R70
R71
R72 R73 R74
R75
R76
R77
R78
R79
R8R9
SKT1
SKT2
TBADMARK
VISORMIC
TAIT ELECTRONICS
OPTIONS PCB PCB LAYOUT - TOP SIDE
IPN: ISS: ID: DATE:
220-01505-04 A 1.TA 16 Nov 1998
Scale:2.2:1 ; Rotation: 0 degrees
MTG1
IC4