Product Detail Manual
2014-10-17
: Pdf 58537-Attachment 58537-Attachment 782113 Batch10 unilog
Open the PDF directly: View PDF
.
Page Count: 55

IEC Contactors and Overload Relays
Technical Solutions Mini Series Contactors and Overload Relays
Freedom Series Contactors and Overload Relays
Modular Series Contactors and Overload Relays
Mini Series Contactors and Overload Relays
Contactors 2
Contactors – reversing 2
Accessories 3
Technical data 4
Lighting circuit switching 6
Overload relay 7
Technical data 7
Dimensions 8
Freedom Series Contactors and Overload Relays
Contactors 10
Accessories 11
Thermal overload relays 14
Type 2 Co-ordination Selection procedure 16
Technical data 18
Dimensions 33
Modular Series Contactors and Overload Relays
Contactors 38
Accessories 40
Technical data 42
Dimensions 47
Thermal overload relays 49
Technical data 50
Dimensions 54

www.eatonelectrical.com
April 2005
TDO3400001U
2
A.C. operating coils - 3.5VA
Coil voltage Suffix
40 to 450Hz
24 T
48 W
110 - 127 A
220 - 240 B
277 H
380 - 415 L
Contactors
AC3 rating 3ph Number of contacts Catalogue
400/440V Main Auxiliary numbers
4kW 3 N.O. 1 N.O. CE12BNC310*
3 N.O. 1 N.C. CE12BNC301*
4 N.O. CE12BNC400*
5.5kW 3 N.O. 1 N.O. CE12CNC310*
3 N.O. 1 N.C. CE12CNC301*
4 N.O. CE12CNC400*
D.C. operating coils - 3.5 watts
Coil voltage Suffix
12 R1
24 T1
48 W1
110 - 125 A1
220 - 240 B1
D.C. low power consumption operating coils for non-reversing
contactors
Coil voltage Suffix
24 (1.4 watts) T2
24 (1.7 watts with surge suppressor) T3
17 - 32 (2.4 watts) V2
17 - 32 (2.8 watts with surge suppressor) V3
Can not be used when auxiliary contacts are fitted.
Contactors – Reversing
AC3 rating 3ph Number of contacts Catalogue
400/440V Main Auxiliary numbers
4kW 3 N.O. 1 N.O. CE52BNC310*
3 N.O. 1 N.C. CE52BNC301*
5.5kW 3 N.O. 1 N.O. CE52CNC310*
3 N.O. 1 N.C. CE52CNC301*
* Add suffix for coil voltage from the tables below
Mini Series Contactors and Overload Relays
Catalogue numbers
Mini Series – 4 and 5.5kW

www.eatonelectrical.com
April 2005
TDO3400001U
3
Auxiliary Contacts ➀
Description Contact Catalogue
configuration numbers
Side mounting 1 N.O. 1 N.C. C320MCS11
Top mounting 1 N.O. 1 N.C. C320MCF11
2 N.O. C320MCF20
2 N.C. C320MCF02
➀
Top and side mounted auxiliary contact blocks can not be used together.
Accessories
Description Voltage Catalogue
numbers
Supressors 24 - 60Vdc C320MSS1
50 - 250Vdc C320MSS2
200 - 420Vdc C320MSS3
Identification markers C320MCM1
Mini Series Contactors and Overload Relays
Catalogue numbers - Accessories
Mini Series – 4 and 5.5kW

www.eatonelectrical.com
April 2005
TDO3400001U
4Mini Series Contactors and Overload Relays
Technical data – Contactors
Contactor CE12BN & CE52BN CE12CN & CE52CN
Specifications IEC 947-4-1, IEC947-5-1 IEC947-4-1
Rated insulation voltage Ui 690V 500V
Air temperature (close to contactor)
Fitted with a thermal O/L relay 25 to +50¡C 25 to +50¡C
Without thermal O/L relay 25 to +55¡ 25 to +55¡C
For storage 40 to +80¡C 40 to +80¡C
Climatic withstand
Acc. to DIN 50 017 Humidity in alternative climate Humidity in alternative climate KFW
Acc. to UTE C 63-100 30 cycles, specification 1 30 cycles, specification 1
Mounting positions All positions All positions
Mechanical durability
Operating cycles 10 million 10 million
Maximum switching frequency
AC-1 300 cycles/h 300 cycles/h
DC-1, DC-3, DC-5, AC-2, AC-3, AC-15, DC-13 600 cycles/h
Rated operational voltage Ue 12 - 500V ac 12 - 500V ac
Rated operational current Ie/AC-1, AC-3 AC-1/Ie (A) AC-2, AC-3 AC-1/Ie (A) AC-2, AC-3
Rated operational power at: 55¡C 40¡C Ie (A) P(kW) 55¡C 40¡C Ie (A) P(kW)
220/240V 16 20 9 2.2 16 20 12/11 3
380/440V 16 20 9/8 4.0 16 20 12/11 5.5
500V 12 12 5.5 3.0 12 12 7.0 4
Shock withstand 1/2 sinusoidal shock for 10ms: 1/2 sinusoidal shock for 10ms:
Standard mounting position: position 1 no change in contact position no change in contact position
Shock directions A B1 B2 C1 C2 A B1 B2 C1 C2
Making position 20g 20g 20g 20g 20g 20g 20g 20g 20g 20g
Breaking position 10g 20g 20g 20g 20g 10g 20g 20g 20g 20g
Operating time B6 BC6 K6 KC6 B7 BC7
Between coil energisation and: (ms) (ms) (ms) (ms) (ms) (ms)
N.O. contact closing/N.C. contact opening 14 - 26 14 - 26 14 - 26 14 - 26 14 - 26 14 - 26
Between coil de-energisation and:
N.O. contact opening/N.C. contact closing 16 - 40 4 - 10 16 - 40 4 - 10 16 - 40 4 - 10
Heat dissipation per pole 2W at 20A 2W at 20A
Short-circuit protection
(for contactors without add-on thermal O/L relay)
Type fuses gG (gl) - co-ordination:
Type 1 20A 25A
Type 2 20A 20A
Coil consumption (average value)
ac pull-in/holding 3.5VA 3.5VA
dc pull-in/holding 3.5W 3.5W
Technical data – Built-in or add-on auxiliary contact blocks
Rated operational voltage Ue 12 - 240V dc
12 - 500V ac
Conventional free air thermal current Ith 6A
Short-circuit protection, type fuses gG (gl) 10A
Rated operational current Ie / AC-15
220/240V 4A
380/440V 3A
500V 2A
Rated operational current Ie / DC-13
24V 1.5A
60V 0.5A
110V 0.4A
220/240V 0.04
Min. switching capacity of auxiliary
contacts ⊕ 17V and ⊕ 5mA
Mini Series – 4 and 5.5kW

www.eatonelectrical.com
April 2005
TDO3400001U
5
Mini Series Contactors and Overload Relays
Technical data
Electrical durability curves for DC-1, DC-3 & DC-5
The curves below take into account the time constant L/R for each utilisation
category and show the electrical drability of the contactors during DC-1, DC-3
and DC-5 use for three poles connected in series.
If one single pole is used, the corresponding breaking capacity (W) is reduced
to 1/3 and for two poles connected in series it is reduced to 2/3.
A = DC-1 3 poles in series C = DC- 5 3 poles in series
B = DC-3 3 poles in series
AC Electrical endurance curves
4kW contactors – AC1 & AC3 duty 4kW contactors – AC4 duty
5.5kW contactors – AC1 & AC3 duty 5.5kW contactors – AC4 duty
DC power circuit switching
Utilisation category DC-1 DC-3 DC-5
L/R ⊕ 1ms L/R ⊕ 2ms L/R ⊕ 7.5ms
24V 16A 16A 16A
48V 16A 8.0A 2.0A
60V 16A 4.0A 1.25A
110V 7.0A 1.5A 0.4A
220V 0.8A 0.25A 0.2A
24V 16A 16A 16A
48V 16A 16A 16A
60V 16A 15A 12A
110V 16A 7.0A 2.0A
220V 5.0A 1.5A 0.5A
24V 16A 16A 16A
48V 16A 16A 16A
60V 16A 16A 16A
110V 16A 15A 8.0A
220V 14A 4.0A 2.0A
+–
+–
+–
Mini Series – 4 and 5.5kW

www.eatonelectrical.com
April 2005
TDO3400001U
6
Lighting circuit switching
The table below shows the
number of lamps per phase in 230V 50Hz
for the main poles (terminals marked 1 to 8):
Note that overshooting of the announced capacitive loads may generate on energisation unacceptable current peaks.
Other factors may influence peak amplitude on energisation.
●Lengths and cross sections of installation conductors
●Electronic arcing devices
●Lamp maufacture
For these reasons, the values in the following tables are given for information only.
Type of lamps Characteristics Number of lamps Capacitive
In per phase load
(W) (A) (230V, 50Hz) in µF
Incandescent 60 0.26 20
lamps 10 0.43 12
200 0.87 6
300 1.30 4
500 2.17 2
1000 4.35 1
Flourescent Without compensation and series compensation
lamps 15 0.35 25
20 0.37 23
40 0.43 20
58 0.67 16
65 0.67 12
115 1.5 5
140 1.5 5
Two lamp circuit
2 x 20 1 x 0.13 2 x 26
2 x 40 1 x 0.22 2 x 20
2 x 58 1 x 0.32 2 x 16
2 x 65 1 x 0.34 2 x 12
2 x 115 1 x 0.65 2 x 5
2 x 140 1 x 0.75 2 x 5
Parallel compensation
15 0.11 7 4.5
20 0.13 6 4.5
40 0.22 7 4.5
58 0.32 5 7
65 0.34 4 7
115 1.65 1 18
140 1.75 1 18
High pressure Without compensation
mercury 50 0.61 10
vapour 80 0.8 7
lamps 125 1.15 5
eg HQL, HPL 250 2.15 3
400 3.25 2
700 5.40 1
Parallel compensation
50 0.28 10 7
80 0.41 7 8
125 0.65 5 10
250 1.22 3 18
400 1.95 2 25
700 3.45 45
1000 4.8 60
Lamps with 1 x 18 17
electronic 2 x 18 8
ignition 1 x 36 11
device 2 x 36 6
1 x 56 11
2 x 58 6
Dual
mounting
Type of lamps Characteristics Number of lamps Capacitive
In per phase load
(W) (A) (230V, 50Hz) in µF
Metal Without compensation
Iodide 35 0.53 10
lamps 70 1.0 5
eg HGI, HPI 150 1.8 3
250 3.0 2
400 3.5 1
Parallel compensation
35 0.25 6 6
70 0.45 3 12
150 0.75 1 20
250 1.5 1 33
400 2.5 1 35
low pressure Without compensation
sodium lamps 35 1.5 4
55 1.5 4
90 2.4 2
135 3.5 2
150 1.0 2
180 3.3 2
200 2.3 2
Parallel compensation
35 0.31 20
55 0.42 20
90 0.63 30
135 0.94 45
150 1.0 40
180 1.16 40
200 1.32 25
High pressure Without compensation
sodium lamps 150 1.8 3
250 3.0 2
330 3.7 2
400 4.7 1
Parallel compensation
150 0.83 20
250 1.5 33
330 2.0 40
400 2.4 48
1000 6.3 106
Transformers Transformer Number of transformers
for low voltage power per phase
halogen (W) (230V, 50Hz)
lamps
20 40
50 20
75 13
100 10
150 7
200 5
300 3
Mini Series Contactors and Overload Relays
Mini Series – 4 and 5.5kW

www.eatonelectrical.com
April 2005
TDO3400001U
7
Mini Series Contactors and Overload Relays
Catalogue numbers
Mini Series – Overload Relay
Technical data
Motor FLA in Amperes Catalogue Number
.10 – .16 C312AN3A
.16 – .24 C312AN3B
.24 – .40 C312AN3C
.40 – .60 C312AN3D
.60 – 1.00 C312AN3E
1.00 – 1.60 C312AN3F
1.60 – 2.40 C312AN3G
2.40 – 4.0 C312AN3H
4.0 – 6.0 C312AN3J
6.0 – 9.0 C312AN3K
9.0 – 12.0 C312AN3L
Overload relays to be used with Pressure Plate Terminal type Mini Contactors only.
Thermal Overload Relay C312 —
Conformity to Standards
¥IEC 947-4-1, 947-5-1, CE
¥UL 508, CSA 22.2
Thermal (Bimetallic) Overload Relay, C312 OL Relay
¥Insulation Voltage (Ui): 690V AC
¥Rated Operational Voltage (Ue): 690V AC
¥Ambient Temperature: -13° to 122°F (-25° to +50°C) temperature
compensated
¥Storage: -40° to 158°F (-40° to +70°C)
¥Impulse Withstand Voltage (Uimp): 6 kV
¥Climatic Resistance —
¥Acc. to DIN 50 017
¥Acc. to UTE C 63 – 100: IEC 68-2-3, IEC 68-2-30
¥Mounting Position: ± 30 from vertical position, not horizontal, not
upside down, 5 mm side by side mounting distance
¥Switching Frequency with Avoidance of Nuisance Trippings —
max. ops./h: 15
¥ 40% ED — max. ops./h: 60 (if 6X in startup time 1 s)
¥Overvoltage Category/Pollution Degree: III/3
¥Safe Isolation to IEC 536: 300V AC
¥Conventional Free Air Thermal Current (Ith): 6.0A
Terminal Capacities
Description Specification
Solid mm 2X (.75X – 2.5) mm
Flexible with Ferrule mm 2X (.5X – 1.5) mm
Solid or Stranded AWG 2X (18X –12)
Trip Contact Ratings AC-15
Operating Voltage (Ue) 120V 220/240V 380/415V 500V
Rated Operational Current (Ie)
Contacts 95 – 96 — NC (Break) – 1.5A .7A .5A
Contacts 97 – 98 — NO (Make) – 1.5A .5A .3A
Trip Contact Ratings DC-13
Operating Voltage (Ue) 24V DC 60V DC 110V DC 220V DC
Rated Operational Current (Ie)
Contacts 95 – 96 — NC (Break) .9A .5A .3A .1A
Contacts 97 – 98 — NO (Make) .9A .5A .3A .1A
Setting Variances

www.eatonelectrical.com
April 2005
TDO3400001U
8
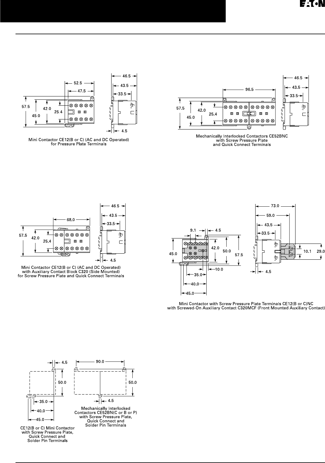
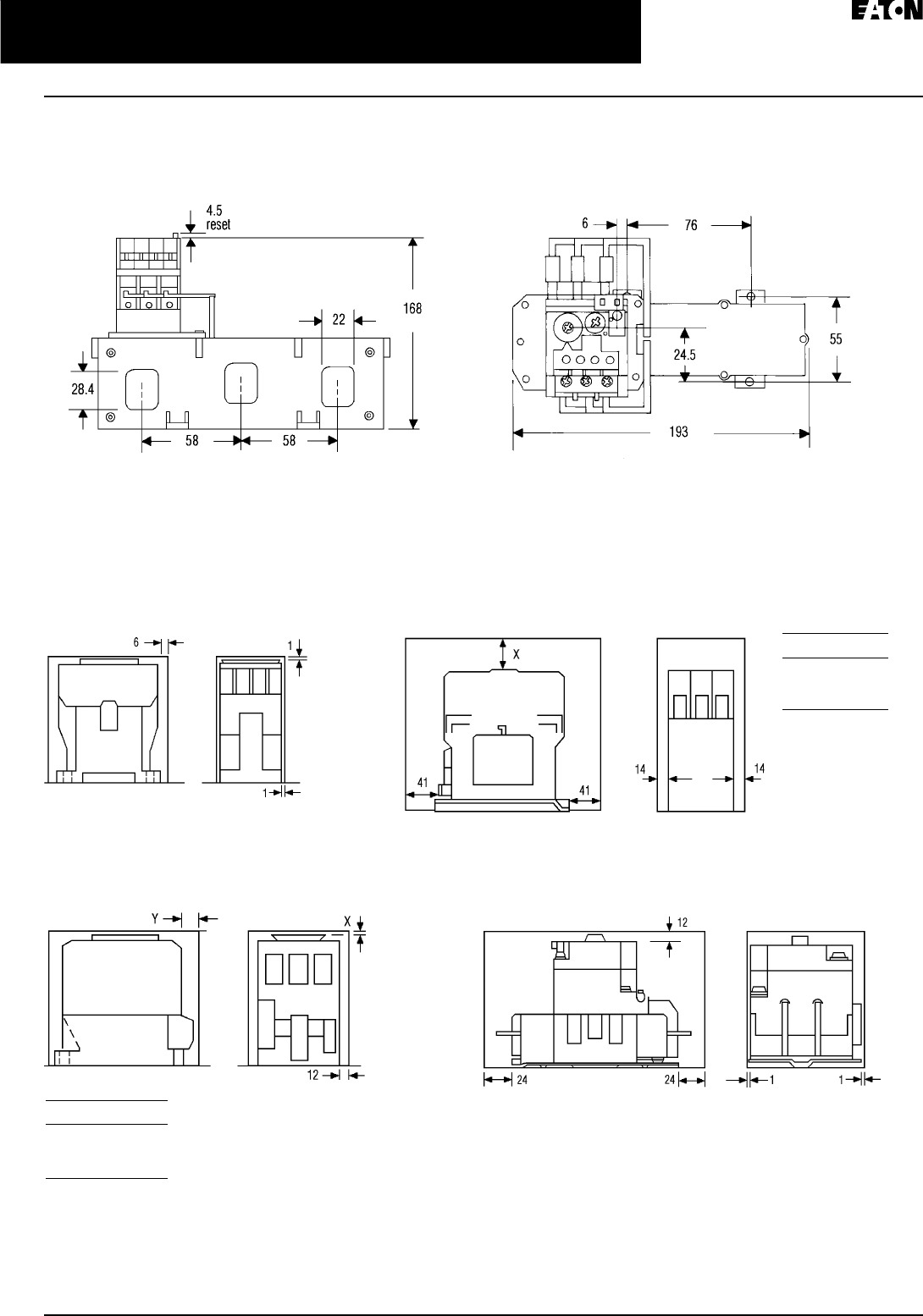
Reversing contactorsContactor
Contactor with top mounted auxiliaryContactor with side mounted auxiliary
Mounting dimensions
Mini Series Contactors and Overload Relays
Mini Series – 4 and 5.5kW
Dimensions (mm)

www.eatonelectrical.com
April 2005
TDO3400001U
9
Dimensions (mm)
Top mounted auxiliary contactSide mounted auxiliary contact
Mini Series Contactors and Overload Relays
Mini Series – 4 and 5.5kW
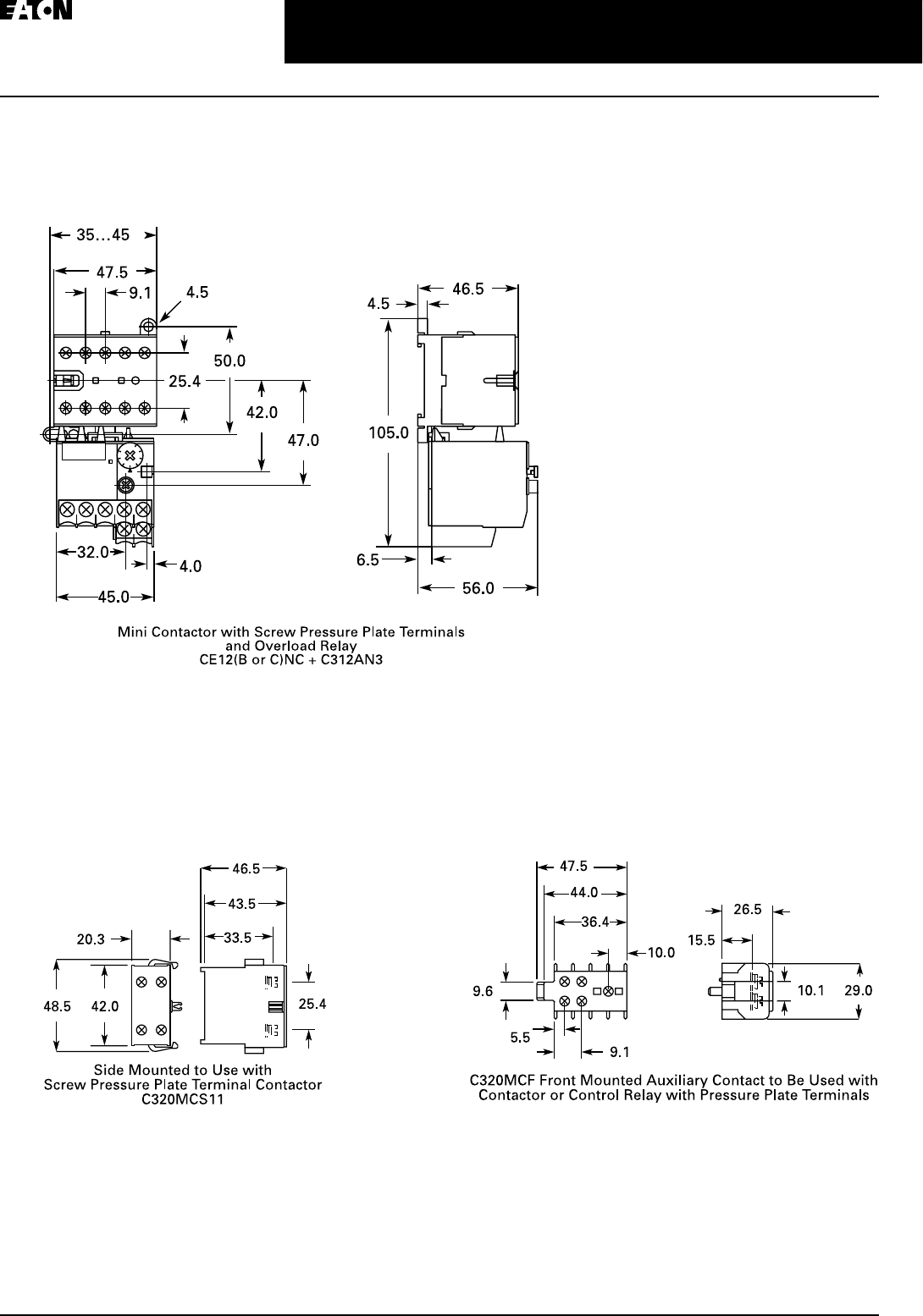
Mini contactor and overload relay

www.eatonelectrical.com
April 2005
TDO3400001U
10
Mounting positions of auxiliary contacts
Contactors CE15LN to NN are supplied with R1 fitted.
Contactors CE15PN to SN with ac coils are supplied with
L1 fitted. With dc coils L1 and L2 are fitted.
By attaching combinations of top and side mounted auxiliary contact blocks
up to 8 additional circuits may be added.
CE15AN to CE15KN up to 8 N.O. or 4 N.O. - 4 N.C.
CE15LN to CE15SN maximum 6 N.O. or 6 N.C. in any one configuration
Catalogue numbers – Contactors
AC3 rating 3 ph Number of contacts Catalogue numbers
380/440V (kW) Main Auxiliary AC operated DC operated
2.2 3 N.O. 1 N.O. CE15ANS3* –
3 N.O. 1 N.C. CE15ANC3* –
4 N.O. CE15AN4* –
4 3 N.O. 1 N.O. CE15BNS3* CE15BNS3*
3 N.O. 1 N.C. CE15BNC3* –
4 N.O. CE15BN4* –
5.5 3 N.O. 1 N.O. CE15CNS3* CE15CNS3*
3 N.O. 1 N.C. CE15CNC3* –
4 N.O. CE15CN4* –
7.5 3 N.O. CE15DN3* CE15DNS3*
11 3 N.O. CE15EN3* CE15ENS3*
15 3 N.O. CE15FN3* CE15FNS3*
18.5 3 N.O. CE15GN3* CE15GNS3*
22 3 N.O. CE15HN3* CE15HNS3*
30 3 N.O. CE15JN3* CE15JNS3*
37 3 N.O. CE15KN3* CE15KNS3*
45 3 N.O. 1 N.O. CE15LN3* CE15LNS3*
55 3 N.O. 1 N.O. CE15MN3* CE15MNS3*
75 3 N.O. 1 N.O. CE15NN3* CE15NNS3*
90 3 N.O. 1 N.O. 1 N.C. MCE15PN3* MCE15PNS3*
110 3 N.O. 1 N.O. 1 N.C. MCE15RN3* MCE15RNS3*
160 3 N.O. 1 N.O. 1 N.C. MCE15SN3* MCE15SNS3*
* Add suffix from tables on page 11 to select coil voltage required. For voltages not shown contact Head Office.
Freedom Series Contactors and Overload Relays
Freedom Series – 2.2 to 160kW

www.eatonelectrical.com
April 2005
TDO3400001U
11
Catalogue numbers – Accessories
Auxiliary contact blocks – top mounting (maximum 1 per contactor)
Contact Contactor type Catalogue
configuration numbers
1 N.O. CE15A to CE15K C320KGT1
1 N.C. C320KGT2
1 N.O. 1 N.C. C320KGT3
2 N.O. C320KGT4
2 N.C. C320KGT5
2 N.O. 2 N.C. C320KGT15
3 N.O. 1 N.C. C320KGT14
4 N.O. C320KGT13
Auxiliary contact blocks – side mounting (maximum 2 per contactor)
Contact Mounting Contactor Catalogue
configuration position ✝type numbers
1 N.O. L1, R1 CE15AN to KN C320KGS1
1 N.C. L1, R1 C320KGS2
1 N.O. 1 N.C. L1, R1 C320KGS3
2 N.O. L1, R1 C320KGS4
Auxiliary contact blocks – base mounting
Contact Mounting Contactor Catalogue
configuration position ✝type numbers
1 N.O. L1, R1 CE15LN to NN C320KGS31
1 N.O. 1 N.C. L1, R1 CE15LN to NN C320KGS32
1 N.O. L1, R1 CE15PN to SN C320KGS41
1 N.O. 1 N.C. L1, R1 CE15PN to SN C320KGS42
Auxiliary contact blocks – add-on
Contact Mounting Contactor Catalogue
configuration position ✝type numbers
1 N.O. L2, L3, R2, R3 CE15LN to SN C320KGS20
1 N.C. L2, L3, R2, R3 C320KGS21
1 N.O. 1 N.C. L2, L3, R2, R3 C320KGS22
✝Mounting postions of auxiliary contacts (See page 33)
A.C. Operating coils
Coil 50Hz 24 48 110 220 240 380 415 440 550
voltage60Hz - - 120 240 - - - 480 600
CE15AN to FN TYABKLMCD
CE15GN to SN UYABKLMCD
D.C. operating coils for contactors 4 to 15 & 45kW to 75kW only
Coil voltage 12 24 48 120
Suffix code R1B T1B W1B A1B
D.C. Operating coils for contactors 18.5 to 37kW only
Coil voltage 12 24 48 120
Suffix code R4B T4B W4B A4B
D.C. Coil elementary diagram for contactors 4 to 15kW
D.C. Operating coils for contactors 90 to 160kW only
Coil voltage 24 48 120 240
Suffix code T1B W1B A1B B1B
Note
DC operating coils come complete with encapsulated coil,
1N.C. early opening side auxiliary and connection wiring.
Freedom Series Contactors and Overload Relays
Suffix
code
Freedom Series – 2.2 to 160kW

www.eatonelectrical.com
April 2005
TDO3400001U
12
Catalogue numbers – Accessories (continued)
Description For contactor Catalogue
type numbers
Pneumatic timer – top mounting
Adjustable range CE15AN to KN
(On or off delay)
0.3 to 30 secs. C320TP1
10 to 180 secs. C320TP2
Note: When timer is used, other top mounting auxiliaries cannot be added.
Mechanical interlock When fitted, auxiliary contacts CE15AN to KN C321KM60B
can be added to one side of
the contactor only. CE15LN to NN C321KM30
MCE15PN to SN C321KM40
Coil surge suppressor To suppress operating coil
switch-off surge.
Control supply 50-60Hz
24 48V CE15AN to KN MC320LRC5
110 240V CE15AN to KN MC320LRC2
110 240V CE15LN to NN MC320LRC3
110 240V MCE15PN to SN MC320LRC3
35mm DIN mounting rail 1 metre length CE15AN to GN MC382MA1
Identification marker Pack of 100 CE15AN to KN C320DL2
Reversing connections kitComprises mechanical interlock and a CE15AN to CN C321KM60K14B
pre-cut trimmed and formed wire set. CE15DN to FN C321KM60K13B
CE15GN to KN C321KM60K16B
CE15LN to NN C321KM60K21 ✝
MCE15PN to SN C321KM60K19 ✝
Termination kits for main contacts
For crimp terminal lugs to allow
connection of up to 2 additional
cables for reversing or star/delta duty. CE15LN to NN C325MTK
Extension plates for reversing connections. MCE15PN to SN MC321TE3
Finger protection shields Shields to prevent accidental contact with
line/load terminals.
Standard mounting CE15LN to NN MC321FK1
Side mounting MC321FK2
Side mounting with overload relay fitted MC321FK3
Standard or side mounting with or without MCE15PN to SN
overload relay fitted MC321FK4
✝ Kit includes 2 off N.C. auxiliary contact blocks.
C321M60B C321KM30
Freedom Series Contactors and Overload Relays
Freedom Series – 2.2 to 160kW

www.eatonelectrical.com
April 2005
TDO3400001U
13
Catalogue numbers – Accessories (continued)
Description For contactor Catalogue
type numbers
Main contact renewal kit CE15GN3 6-65-4
CE15HN3 6-65-6
CE15JN3 6-65-8
CE15KN3 6-65-17
CE15LN3 6-43-4
CE15MN3 6-43-2
CE15NN3 6-43-6
CE15NN 6-293
MCE15PN 6-294
MCE15RN 6-288
MCE15SN 6-286
Freedom Series Contactors and Overload Relays
Freedom Series – 2.2 to 160kW
Replacement operating coils – AC (See note below)
Coil voltage Catalogue numbers
50Hz 60Hz CE15AN to CN CE15DN to FN CE15GN to KN CE15LN to NN MCE15PN to SN
24 MC15CWU MC15FWU MC15KWU MC15WU 9-2412-5A
48 MC15CWY MC15FWY MC15KWY MC15WY 9-2412-8A
110 120 MC15CWA MC15FWA MC15KWA MC15WA 9-2412-1A
220 240 MC15CWB MC15FWB MC15KWB MC15WB 9-2412-2A
240 MC15CWK MC15FWK MC15KWK MC15WK 9-2412-13A
380 MC15CWL MC15FWL MC15KWL MC15WL 9-2412-14A
415 MC15CWM MC15FWM MC15KWM MC15WM 9-2412-16A
440 480 MC15CWC MC15FWC MC15KWC MC15WC 9-2412-3A
550 600 MC15CWD MC15FWD MC15KWD MC15WD 9-2412-4A
Note:
Replacement operating coils are for use with current series 'B' contactors.
For replacement coils for previous series 'A' contactors please contact
Eaton.

www.eatonelectrical.com
April 2005
TDO3400001U
14 Freedom Series Contactors and Overload Relays
For direct connection with CE15AN to FN contactors or independent mounting
Description Motor FLC range A Catalogue numbers
Relay with 1 N.O. 1 N.C. electrically separate contacts, 0.25 0.4 C316FNA3C
selectable hand or auto reset with reset or stop-reset option, 0.4 0.63 C316FNA3D
phase loss protection and trip indicator. 0.63 1.0 C316FNA3E
1.0 1.4 C316FNA3F
1.3 1.8 C316FNA3G
1.7 2.4 C316FNA3H
2.2 3.1 C316FNA3J
2.8 4.0 C316FNA3K
3.5 5.0 C316FNA3L
4.5 6.5 C316FNA3M
6.0 8.5 C316FNA3N
7.5 11.0 C316FNA3P
10 14.0 C316FNA3Q
13 19.0 C316FNA3R
18 24.0 C316FNA3S
24 32.0 C316FNA3T
Separate base for independent connection
and DIN rail or panel mounting C306TB1
For direct connection with CE15GN to KN contactors or independent mounting
Relay with 1 N.O. 1 N.C. electrically separate contacts, 18 25 C316KNA3A
selectable hand or auto reset with reset or stop-reset option, 22 32 C316KNA3B
phase loss protection and trip indicator. 29 42 C316KNA3C
36 52 C316KNA3D
45 63 C316KNA3E
60 80 C316KNA3F
Separate base for independent connection
and panel mounting C316TB1
Catalogue numbers – Thermal overload relays
Note:
For star-delta applications multiply motor FLC by 0.58
Freedom Series – 2.2 to 160kW

www.eatonelectrical.com
April 2005
TDO3400001U
15
Freedom Series Contactors and Overload Relays
Catalogue numbers – Thermal overload relays (continued)
For independent mounting and connection with CE15LN to PN contactors
Description Motor FLC range A Catalogue numbers
Relay with 1 N.O. 1 N.C. electrically separate contacts, 65 90 C316PNA3A
selectable hand or auto reset with reset or stop-reset option, 80 110 C316PNA3B
phase loss protection and trip indicator. 100 135 C316PNA3C
110 150 C316PNA3D
130 175 C316PNA3E
150 200 C316PNA3F
Set of connecting links To contactors CE15LN to NN3 C316MCL
To contactors CE15PN C316PCL
Current transformer operated for independent connection with CE15RN to SN contactors
Relay with 1N.O. 1N.C. electrically separate contacts, 130 185 C316SNA3A
selectable hand or auto reset with reset or stop-reset 165 235 C316SNA3B
option, phase loss protection and trip indicator. 220 310 C316SNA3C
285 400 C316SNA3D
Identification marker (pack of 50) C316MT1
Remote reset module
Description Operating voltage Catalogue numbers
50/60HZ
For use with thermal overload relays C316FNA3, 220/440 C316RR1N
and C316SNA3
Note:
For star-delta applications multiply motor FLC by 0.58
Freedom Series – 2.2 to 160kW
Operating time
Minimum: 0.2 secs
Maximum: 0.3 secs
Inrush VA
Operating voltage Inrush VA
220/440 412

www.eatonelectrical.com
April 2005
TDO3400001U
16 Freedom Series Contactors and Overload Relays
Type 2 co-ordination selection procedure
Step 1.
Determine the motor Full Load Current (FLC) from Table 1. Step 4.
Select overload relay and note it's fuse link rating from table 4.
Step 2.
Decide method of starting and then note the fuse link rating which
corresponds to the Motor FLC from table 2a (Direct on Line) or
2b (Star Delta starting).
Step 5.
Compare the fuse link rating noted in step 2 with the lowest of the ratings
noted in steps 3 and 4.
Example
Step 2 - Motor = 16A
Step 3 - Contactor = 16A
Step 4 - Overload relay = 20A
If this lowest value is less than
the fuse link rating noted in
step 2, then Type 2
co-ordination is not achieved.
NO
Type 2 Co-ordination
is not achieved.
If this lowest value is equal to
or greater than the fuse link
rating noted in step 2, then
Type 2 co-ordination is
achieved.
YES
Type 2 Co-ordination
is achieved.
Step 3.
Select contactor and note it's fuse link rating from table 3.
Freedom Series – 2.2 to 160kW
Table 4. Eaton Freedom Series
overload relays
Table 4. Eaton Freedom Series
contactors

www.eatonelectrical.com
April 2005
TDO3400001U
17
Freedom Series Contactors and Overload Relays
Table 1. Motor full load current
kW HP 220V 380V 415V
1.1 1.0 4.9 2.9 2.6
1.5 2.0 6.3 3.6 3.3
2.2 3.0 9.0 5.2 4.8
3.0 4.0 12 6.8 6.2
4.0 5.5 16 9.1 8.3
5.5 7.5 21 12 11
7.5 10 27 16 14
10 13.5 36 21 19
11 15 40 23 21
15 20 52 30 28
18.5 25 64 37 34
22 30 77 44 41
30 40 100 59 54
37 50 125 73 67
45 60 150 86 79
55 75 180 106 98
75 100 240 140 130
90 125 300 170 160
110 150 350 200 190
132 175 410 240 220
160 220 510 300 270
Table 2a. D.O.L. fuse link rating
Motor FLC (A) Fuse (A)
0 - 0.7 2
0.8 - 1.4 4
1.5 - 2.0 6
2.1 - 3.0 10
3.1 - 6.1 16
6.2 - 9.0 20
9.1 - 11 25
11.1 - 14.4 32
14.5 - 15.4 35
15.5 - 18 40
18.1 - 22 50
22.1 - 28 63
28.1 - 45 80
45.1 - 58 100
58.1 - 80 125
80.1 - 99 160
99.1 - 128 200
128 - 180 250
180 - 216 315
216 - 270 355
Table 2b. Star/delta fuse link rating
Motor FLC (A) Fuse (A)
0 - 1.4 2
1.5 - 2.1 4
2.2 - 3.1 6
3.2 - 5.5 10
5.6 - 10 16
10.1 - 14 20
14.1 - 18 25
18.1 - 22 32
22.1 - 28 35
28.1 - 32 40
32.1 - 40 50
40.1 - 51 63
51.1 - 80 80
80.1 - 100 100
100 - 125 125
125 - 160 160
160 - 200 200
200 - 250 250
250 - 315 315
315 - 355 355
Table 3. Freedom contactors
kW le (AC3) Contactor Fuse (A)
380/415V cat. no.
2.2 5.2 CE15A 16
4 9.1 CE15B 25
5.5 12 CE15C 32
7.5 16 CE15D 35
11 23 CE15E 50
15 30 CE15F 63
18.5 37 CE15G 100
22 44 CE15H 100
30 59 CE15J 125
37 73 CE15K 125
45 86 CE15L 160
55 106 CE15M 200
75 140 CE15N 250
90 170 MCE15P 250
110 200 MCE15R 315
160 300 MCE15S 355
Table 4. Freedom overload relays
Full load current Catalogue Fuse
range (A) number (A)
0.25 - 0.4 C316 FNA3C 2
0.4 - 0.63 FNA3D 2
0.43 - 1.1 FNA3E 4
1.0 - 1.4 FNA3F 4
1.3 - 1.8 FNA3G 6
1.7 - 2.4 FNA3H 10
2.2 - 3.1 FNA3J 10
2.8 - 3.1 FNA3K 16
3.5 - 5.0 FNA3L 20
4.5 - 6.5 FNA3M 20
6.0 - 8.5 FNA3N 25
7.5 - 11 FNA3P 32
10 - 14 FNA3Q 35
13 - 19 FNA3R 50
18 - 24 FNA3S 50
24 - 32 FNA3T 80
Full load current Catalogue Fuse
range (A) number (A)
18 - 25 C316 KNA3A 50
22 - 32 KNA3B 63
29 - 42 KNA3C 80
36 - 52 KNA3D 125
45 - 63 KNA3E 160
60 - 80 KNA3F 200
65 - 90 C316 PNA3A 200
80 - 110 PNA3B 200
100 - 135 PNA3C 200
110 - 150 PNA3D 250
130 - 175 PNA3E 315
150 - 200 PNA3F 315
130 - 185 C316 SNA3A
165 - 235 SNA3B
220 - 310 SNA3C
285 - 400 SNA3D
355 - 500 C316 UNA3A
465 - 650 UNA3B
610 - 850 UNA3C
C/T
overload
relays
No limit
3. Remember all testing has been conducted at 415 Volts. Co-ordination
details are therefore applicable at this voltage or lower.
4. Reference should be made to the Contactor Safety Perimeter Zone
dimensions (page 38) to ensure that within the enclosure used, no part of
the metal work infringes this zone.
Notes:
1. Account of the crossover current (Ic) of the fuse and the overload relay
characteristic has already been made in the formation of table 4.
2. A thermal or electronic overload relay which uses current transformers to
sense primary current, has no restriction on the size of fuse required to
afford Type 2 co-ordination. Determination of the maximum fuse size
should be based on co-ordination of the contactor as shown in table 3.
Selection procedure (continued)
Freedom Series – 2.2 to 160kW

www.eatonelectrical.com
April 2005
TDO3400001U
18
Technical data
Contactor CE15AN CE15BN CE15CN CE15DN
General
kW AC3 rating 380/415V 2.2 4.0 5.5 7.5
Standards and approvals IEC947-4-1, UL508, CSA22.14
Width mm 45 45 45 45
Number of poles (maximum) 4 4 4 3
Protection against direct contact (with terminal cover fitted) IP20 to IEC529 (removable terminal cover)
Mechanical lifespan 20,000,000 20,000,000 20,000,000 20,000,000
Weight kg 0.41 0.41 0.41 0.44
Environment
Pollution degree IEC947-1 3 3 3 3
Impulse withstand voltage IEC947-4-1 6kV 6kV 6kV 6kV
Operating temperature, open 20 to +65¡C 20 to +65¡C 20 to +65¡C 20 to +65¡C
Relative humidity at 40¡C 95% 95% 95% 95%
Operating altitude 2,000m 2,000m 2,000m 2,000m
Operating position (relative to normal mounting position) ±30¡ ±30¡ ±30¡ ±30¡
Main contact ratings
Insulating voltage Ui 690V 690V 690V 690V
Operating frequency limits 50 to 60Hz 50 to 60Hz 50 to 60Hz 50 to 60Hz
Rated thermal current Ith @ 600V 20 20 20 32
AC1 duty Rated operational current Ie (A) P Ie P Ie P Ie P Ie
220/240V 6.1 6.1 6.1 9.7
380/415V 10.5 10.5 10.5 16.8
(p.f.) = 0.8 440/460V 12.1 12.1 12.1 19.5
Non-inductive or slightly inductive loads 500/575V 13.8 13.8 13.8 22
660V 18.2 18.2 18.2 29
AC2 & AC3 Rated operational current Ie (A) P Ie P Ie P Ie P Ie
220/240V 1.1 5.2 1.5 6.8 2.2 9.6 4.0 16.0
380/415V 2.2 5.2 4.0 9.1 5.5 12.0 7.5 16.0
Slipring motors: Starting, switching off 440/460V 2.2 4.8 4.0 7.8 5.5 11.0 7.5 14.0
Squirrel cage motors:Starting, plugging 500/575V 4.0 6.9 5.5 9.4 7.5 12.0 11.0 17.0
& inching 660V 2.2 3.0 4.0 5.2 5.5 7.1 7.5 9.1
Maximum operations per hour 600 600 600 600
AC3 electrical life at 380/415V 2,800,000 2,300,000 2,100,000 1,500,000
AC2 electrical life at 380/415V 260,000 239,000 175,000 272,000
AC4 duty Rated operational current Ie (A) P Ie P Ie P Ie P Ie
220/240V 1.1 5.2 1.5 6.8 2.2 9.6 4.0 16.0
380/415V 2.2 5.2 4.0 9.1 5.5 12.0 7.5 16.0
Squirrel cage motors:Starting, plugging 440/460V 2.2 4.8 4.0 7.8 5.5 11.0 7.5 14.0
& inching 500/575V 4.0 6.9 5.5 9.4 5.5 9.4 7.5 12.0
660V 2.2 3.0 4.0 5.2 5.5 7.1 7.5 9.1
Maximum operations per hour 300 300 300 300
AC4 electrical life at 380/415V 64,000 59,000 43,000 67,000
Other ratings Rated operational current Ie (A) P IL P IL P IL P IL
220/240V 2.2 9.6 4.0 16.0 4.0 16.0 7.5 28.0
380/415V 5.5 12.0 7.5 16.0 11.0 23.0 15.0 30.0
Ratings for contactors delta connected 440/460V 5.5 11.0 7.5 14.0 11.0 21.0 15.0 27.0
500/575V 7.5 12.0 7.5 12.0 11.0 17.0 18.5 28.0
660V 4.0 4.0 5.5 5.5 7.5 7.5 11.0 11.0
Rotor circuit Rated rotor insulation voltage Uir 690V 690V 690V 690V
Rated rotor operational voltage Uer 1320V 1320V 1320V 1320V
AC2 duty, slipring motors starting and switching off 100% DF 12A 16A 21A 29A
Electrical life span > = 1,000,000 operations 60% DF 15A 21A 27A 38A
Ratings for contactors delta connected 40% DF 19A 26A 33A 47A
20% DF 27A 36A 46A 66A
Maximum power rating P (kW)
duty Maximum power rating P (kW)
Maximum power rating P (kW)
Star delta Maximum power rating P (kW)
starter duty
contactors
Freedom Series Contactors and Overload Relays
Freedom Series – 2.2 to 160kW

www.eatonelectrical.com
April 2005
TDO3400001U
19
CE15EN CE15FN CE15GN CE15HN CE15JN CE15KN
11.0 15.0 18.5 22.0 30.0 37.0
IEC947-4-1, UL508, CSA22.14
45 45 65 65 65 65
333333
. Finger and back of hand protection to VDE0106 part 100.
20,000,000 20,000,000 10,000,000 10,000,000 10,000,000 10,000,000
0.44 0.44 1.25 1.25 1.25 1.25
333333
6kV 6kV 6kV 6kV 6kV 6kV
20 to +65¡C 20 to +65¡C 20 to +65¡C 20 to +65¡C 20 to +65¡C 20 to +65¡C
95% 95% 95% 95% 95% 95%
2,000m 2,000m 2,000m 2,000m 2,000m 2,000m
±30¡ ±30¡ ±30¡ ±30¡ ±30¡ ±30¡
690V 690V 690V 690V 690V 690V
50 to 60Hz 50 to 60Hz 50 to 60Hz 50 to 60Hz 50 to 60Hz 50 to 60Hz
32 32 50 60 75 80
P Ie P Ie P Ie P Ie P Ie P Ie
9.7 9.7 15.2 18.3 22.9 24.4
16.8 16.8 26.3 31.6 39.5 42.1
19.5 19.5 30.5 36.6 45.7 48.8
22.0 22.0 38.1 45.7 57.2 61.0
29.0 29.0 45.7 54.9 68.6 73.2
P le P le P le P le P le P le
5.5 22.0 7.5 28.0 10.0 36.0 11.0 42.0 15.0 54.0 18.5 68.0
11.0 23.0 15.0 30.0 18.5 37.0 22.0 44.0 30.0 59.0 37.0 73.0
11.0 21.0 15.0 27.0 18.5 34.0 22.0 40.0 30.0 52.0 37.0 65.0
15.0 23.0 18.5 28.0 22.0 34.0 30.0 45.0 30.0 45.0 37.0 55.0
11.0 13.0 15.0 17.0 11.0 13.0 15.0 17.0 18.5 21.0 22.0 26.0
600 600 600 600 600 600
1,500,000 1,700,000 1,100,000 1,300,000 1,500,000 1,300,000
211,000 199,000 235,000 252,000 138,000 98,000
P le P le P le P le P le P le
5.5 22.0 5.5 22.0 10.0 36.0 11.0 42.0 15.0 54.0 15.0 54.0
11.0 23.0 11.0 23.0 18.5 37.0 22.0 44.0 30.0 59.0 30.0 59.0
11.0 21.0 11.0 21.0 18.5 34.0 22.0 40.0 30.0 52.0 30.0 52.0
11.0 17.0 11.0 17.0 22.0 34.0 30.0 45.0 30.0 45.0 30.0 45.0
7.5 9.1 7.5 9.1 11.0 13.0 15.0 17.0 18.5 21.0 18.5 21.0
600 600 600 600 600 600
52,000 75,000 58,000 62,000 34,000 34,000
P IL P IL P IL P IL P IL P IL
7.5 28.0 11.0 42.0 15.0 54.0 18.5 68.0 22.0 80.0 30.0 104.0
18.5 37.0 22.0 44.0 30.0 59.0 37.0 73.0 45.0 86.0 55.0 106.0
18.5 34.0 22.0 40.0 30.0 52.0 37.0 65.0 45.0 77.0 55.0 96.0
22.0 34.0 30.0 45.0 37.0 55.0 45.0 66.0 45.0 66.0 55.0 81.0
18.5 13.5 22.0 22.0 18.5 18.5 22.0 22.0 30.0 30.0 37.0 37.0
690V 690V 690V 690V 690V 690V
1320V 1320V 1320V 1320V 1320V 1320V
40A 52A 64A 76A 104A 126A
51A 67A 83A 98A 134A 163A
63A 82A 101A 120A 164A 200A
89A 116A 143A 170A 232A 283A
Freedom Series Contactors and Overload Relays
Freedom Series – 2.2 to 160kW

www.eatonelectrical.com
April 2005
TDO3400001U
20 Freedom Series Contactors and Overload Relays
Contactor CE15LN CE15MN CE15NN
General
kW AC3 rating 380/415V 45 55 75
Standards and approvals IEC947-4-1, UL508, CSA 22.14
Width mm 90 90 93
Number of poles 333
Mechanical lifespan 6,000,000 6,000,000 6,000,000
Weight kg 3.8 3.8 3.8
Environment
Pollution degree IEC 947-1 3 3 3
Impulse withstand voltage IEC 947-4-1 6kV 6kV 6kV
Operating temperature, open 20 to +65¡C 20 to +65¡C 20 to +65¡C
Relative humidity 95% 95% 95%
Operating altitude 2,000m 2,000m 2,000m
Operating position (relative to normal mounting position) ±30¡ ±30¡ ±30¡
Main contact ratings
Insulation voltage Ui 690V 690V 690V
Operating frequency limits 50 to 60Hz 50 to 60Hz 50 to 60Hz
Rated thermal current lth @ 600V 100 135 175
AC1 duty Rated operational current le (A) P Ie P Ie P Ie
220/240V 30 41 45
380/415V 52 71 79
(p.f.)=0.8 440/460V 60 82 91
Non-inductive or slightly inductive loads 500/575V 69 93 104
660V 91 123 137
AC2 & AC3 Rated operational current le (A) P le P le P le
220/240V 22 86 30 106 37 140
380/415V 45 86 55 106 75 140
Slipring motors: Starting, switching off 440/460V 45 86 55 106 75 140
Squirrel cage motors: Starting, plugging 500/575V 55 81 75 106 75 105
& inching 660V 37 42 45 50 45 50
Maximum operations per hour 600 600 600
AC3 electrical life at 380/415V 500,000 576,000 620,000
AC2 electrical life at 380/415V 121,000 125,000 160,000
AC4 duty Rated operational current le (A) P le P le P le
220/240V 18.5 68 22 86 30 106
380/415V 37 73 45 86 55 106
Squirrel cage motors:Starting, plugging 440/460V 37 65 45 86 55 106
& inching 500/575V 37 55 45 66 55 81
660V 30 30 37 42 40 46
Maximum operations per hour 300 300 300
AC4 electrical life at 380/415V 39,000 43,000 61,000
Other ratings Rated operational current le (A) P IL P IL P IL
220/240V 45 150 55 180 75 240
380/415V 75 140 90 170 132 240
Ratings for contactors delta connected 440/460V 75 130 90 160 132 220
500/575V 90 130 132 180 132 180
660V 55 55 75 75 75 75
Rated rotor insulation voltage Uir 690V 690V 690V
Rated rotor operational voltage Uer 1320V 1320V 1320V
Slipring motors starting and switching off 100% DF 165A 225A 330A
Electrical life span >=500.000 operations at 100% DF 60% DF 213A 290A 426A
Ratings for contactors delta connected 40% DF 261A 356A 522A
20% DF 369A 503A 738A
Technical data (continued)
duty Maximum power rating P (kW)
Maximum power rating P (kW)
Maximum power rating P (kW)
Star delta Maximum power rating P (kW)
starter duty
Rotor circuit
contactors
Freedom Series – 2.2 to 160kW

www.eatonelectrical.com
April 2005
TDO3400001U
21
Freedom Series Contactors and Overload Relays
MCE15PN MCE15RN MCE15SN
90 110 160
IEC947-4-1, UL508, CSA22.14
178 178 178
333
5,000,000 5,000,000 5,000,000
8.25 8.3 8.3
333
6kV 6kV 6kV
–20 to +65°C –20 to +65°C –20 to +65°C
95% 95% 95%
2,000m 2,000m 2,000m
±30° ±30° ±30°
690V 690V 690V
50 to 60Hz 50 to 60Hz 50 to 60Hz
185 220 315
IP Ie P Ie P Ie
56 67 96
97 115 165
112 134 192
128 152 218
169 200 288
Ple Ple Ple
45 170 55 200 90 300
90 170 110 200 160 300
90 170 110 200 160 300
90 130 110 160 160 210
45 50 55 61 75 80
600 600 300
582,000 520,000 351,000
173,000 166,000 100,000
Ple Ple Ple
37 128 45 150 50 170
65 128 75 140 90 170
65 128 75 140 90 170
65 98 75 105 90 160
45 50 55 61 75 80
300 200 150
67,000 65,000 60,000
PIL PIL PIL
75 240 110 380 160 520
132 240 200 380 250 520
160 220 220 380 300 485
132 180 160 225 220 320
75 75 90 90 110 110
690V 690V 690V
1320V 1320V 1320V
357A 393A 465A
461A 507A 600A
564A 621A 735A
798A 879A 1040A
Freedom Series – 2.2 to 160kW

www.eatonelectrical.com
April 2005
TDO3400001U
22 Freedom Series Contactors and Overload Relays
Contactor CE15AN CE15BN CE15CN CE15DN
Non motor utilisation categories le le le le
AC-5a Switching of electrical discharge lamps.
Ue<=440V, rated current le 18A 25A 25A 32A
AC-5b Switching of incandescent loads. Ue<=575V,
rated current le 3A 4A 5.2A 7.3A
AC-6a Switching of transformers. Having inrush
current peaks not more than 30 times peak 3.1A 4.2A 5.4A 7.6A
of the rated current. Ue<=575V, rated
current le
AC-6b Switching of single capacitor banks. Ue kVAr Ie kVAr Ie kVAr Ie kVAr Ie
220V 2.6 6.1 3.5 8.3 4.6 10.6 6.5 15.1
380V 4.5 6.1 6.1 8.3 7.9 10.6 11.0 15.1
415V 4.9 6.1 6.7 8.3 8.6 10.6 12.0 15.1
440V 5.2 6.1 7.1 8.3 9.1 10.6 13.0 15.1
500V 5.9 6.1 8.1 8.3 10.0 10.6 14.0 15.1
550V 6.5 6.1 8.9 8.3 11.0 10.6 16.0 15.1
575V 6.1 6.1 8.3 8.3 10.6 10.6 15.0 15.1
Average contact resistance per pole (milli-ohms) 2 2 2 1.3
Power dissipated per pole at lth, W 0.8 0.8 0.8 1.3
Power dissipated per pole at le max, W 0.1 0.18 0.29 0.38
Short circuit co-ordination; IEC947-4 Type 2 Type 2 Type 2 Type 2
Circuit breaker type A305 6.3 – 9 9 – 12.5 9 – 12.5 16 – 20
Fuse type: BS88 class gG & gM 16A 25A 32A 35A
Rated conditional short circuit current (Iq) 50kA 50kA 50kA 50kA
Magnet system – AC operated
Pickup >=0.85 <=1.1Uc >=0.85 <=1.1Uc >=0.85 <=1.1Uc >=0.85 <=1.1Uc
Drop out >=0.2 <=0.75Uc >=0.2 <=0.75Uc >=0.2 <=0.75Uc >=0.2 <=0.75Uc
Pick up VA 70 70 70 92
Sealed VA 6.4 6.4 6.4 8
Sealed W 1.9 1.9 1.9 2.7
Duty (continuous rated) maximum rate of operation 12,000 12,000 12,000 12,000
Insulation class of coil to IEC85 (BS2757) B B B B
Pick up time 16 16 16 16
Drop out time 12 12 12 12
Magnet system – DC operated
Pickup VA/W 12V – 6.4/76.8 6.4/76.8 6.4/76.8
24V – 3.2/76.8 3.2/76.8 3.2/76.8
48V – 1.6/76.8 1.6/76.8 1.6/76.8
120V – 0.64/76.8 0.64/76.8 0.64/76.8
Sealed VA/W 12V – 0.28/3.36 0.28/3.36 0.28/3.36
24V – 0.14/3.36 0.14/3.36 0.14/3.36
48V – 0.07/3.36 0.07/3.36 0.07/3.36
120V – 0.028/3.36 0.028/3.36 0.028/3.36
Cabling capacity in accordance with the requirements of EN 60 947
Number of conductors 2 2 2 2
Solid or stranded – Max. wire size (mm2) 2.5 2.5 2.5 6
– Min. wire size (mm2) 0.75 0.75 0.75 1
Flexible – Max. wire size (mm2) 2.5 2.5 2.5 4
– Min. wire size (mm2) 0.75 0.75 0.75 1
Cabling maximum terminal capacity
Number of conductors 2 2 2 2
Solid, stranded or flexible. Max. size (mm2)44410
Having prospective short circuit current Ik
at the location of the capacitor bank.
Ue<=575V Ik<=15kA
Where Ik is between 15kA and 25kA, derate
to 60% of the ratings.
Where Ik is between 25kA and 50kA, derate
to 30% of the ratings.
Coil voltage
Freedom Series – 2.2 to 160kW

www.eatonelectrical.com
April 2005
TDO3400001U
23
Freedom Series Contactors and Overload Relays
CE15EN CE15FN CE15GN CE15HN CE15JN CE15KN
le le le le le le
32A 32A 50A 60A 75A 80A
10A 12A 14.6A 19A 19A 24A
10A 13A 15A 20A 20A 24A
kVAr Ie kVAr Ie kVAr Ie kVAr Ie kVAr Ie kVAr Ie
8.4 20.4 8.4 26.6 13.0 32.8 16.0 39.9 19.0 53.2 21.0 64.7
14.0 20.4 14.0 26.6 23.0 32.8 27.0 39.9 34.0 53.2 36.0 64.7
15.0 20.4 15.0 26.6 25.0 32.8 30.0 39.9 37.0 53.2 40.0 64.7
16.0 20.4 16.0 26.6 26.0 32.8 32.0 39.9 39.0 53.2 42.0 64.7
19.0 20.4 19.0 26.6 30.0 32.8 36.0 39.9 45.0 53.2 48.0 64.7
21.0 20.4 21.0 26.6 33.0 32.8 40.0 39.9 49.0 53.2 53.0 64.7
20.3 20.4 26.5 26.6 32.7 32.8 39.7 39.9 53.0 53.2 64.5 64.7
1.3 1.3 1.75 1.75 1.75 1.75
1.3 1.3 4.4 6.3 9.8 11.2
0.69 1.2 2.4 3.5 6.1 9.3
Type 2 Type 2 Type 2 Type 2 Type 2 Type 2
20 – 25 – – – – –
50A 63A 80A 100A 100A 125A
50kA 50kA 50kA 50kA 50kA 50kA
>=0.85 <=1.1Uc >=0.85 <=1.1Uc >=0.85 <=1.1Uc >=0.85 <=1.1Uc >=0.85 <=1.1Uc >=0.85 <=1.1Uc
>=0.2 <=0.75Uc >=0.2 <=0.75Uc >=0.2 <=0.75Uc >=0.2 <=0.75Uc >=0.2 <=0.75Uc >=0.2 <=0.75Uc
92 92 230 230 230 230
8 8 28 28 28 28
2.7 2.7 8.0 8.0 8.0 8.0
12,000 12,000 12,000 12,000 12,000 12,000
BBBBBB
16 16 24 24 24 24
12 12 19 19 19 19
6.4/76.8 6.4/76.8 15.4/126 15.4/126 15.4/126 15.4/126
3.2/76.8 3.2/76.8 6.2/88.4 6.2/88. 6.2/88.44 6.2/88.4
1.6/76.8 1.6/76.8 2.9/76.2 2.9/76.2 2.9/76.2 2.9/76.2
0.64/76.8 0.64/76.8 1.1/67.3 1.1/67.3 1.1/67.3 1.1/67.3
0.28/3.36 0.28/3.36 0.42/4.98 0.42/4.98 0.42/4.98 0.42/4.98
0.14/3.36 0.14/3.36 0.21/4.96 0.21/4.96 0.21/4.96 0.21/4.96
0.07/3.36 0.07/3.36 0.11/5.04 0.11/5.04 0.11/5.04 0.11/5.04
0.028/3.36 0.028/3.36 0.041/4.87 0.041/4.87 0.041/4.87 0.041/4.87
2 2 2* 2* 2* 2*
6 6 25 (10) 25 (10) 25 (10) 25 (10)
1 1 2.5 (2.5) 2.5 (2.5) 2.5 (2.5) 2.5 (2.5)
4 4 16 (6) 16 (6) 16 (6) 16 (6)
1 1 2.5 (2.5) 2.5 (2.5) 2.5 (2.5) 2.5 (2.5)
2 2 2* 2* 2* 2*
10 10 35 (16) 35 (16) 35 (16) 35 (16)
* 2 Terminal compartments (upper and lower), the upper having the greater capacity. Lower capacities in brackets.
Freedom Series – 2.2 to 160kW

www.eatonelectrical.com
April 2005
TDO3400001U
24 Freedom Series Contactors and Overload Relays
Contactor CE15LN CE15MN CE15NN
Non motor utilisation categories le le le
AC-5a Switching of electrical discharge lamps. Ue<=440V,
rated current le 100A 135A 150A
AC-5b Switching of incandescent loads. Ue<=575V,
rated current le 37A 46A 60A
AC-6a Switching of transformers. Having inrush current
peaks not more than 30 times peak of the rated
current. Ue<=575V, rated current le 39A 48A 63A
AC-6b Switching of single capacitor banks. Ue kVAr le kVAr le kVAr le
220V 26 23 35 28 40 37
380V 46 23 61 28 69 37
415V 50 23 67 28 75 37
440V 53 23 71 28 80 37
500V 60 23 81 28 90 37
550V 66 23 89 28 100 37
575V 23 23 28 28 37 37
Average contact resistance per pole (milli-ohms) 0.45 0.45 0.25
Power dissipated at Ith, W 4.5 8.2 5.6
Power dissipated at le max, W 3.3 5 5
Short circuit co-ordination, IEC947-4 Type 2 Type 2 Type 2
Fuse type, BS88 class gG & gM 160A 200A 250A
Rated conditional short circuit current (lq) 50kA 50kA 50kA
Magnet system
Pick up >=0.85 <=1.1 Uc >=0.85 <=1.1 Uc >=0.85 <=1.1 Uc
Drop out >=0.2 <=0.75 Uc >=0.2 <=0.75 Uc >=0.2 <=0.75 Uc
Pick up VA 390 390 393
Sealed VA 50 50 57
Sealed W 14 14 14
Duty (continuous rated) maximum rate of operation per hour 7,200 7,200 7,200
Insulation class of coil to IEC85 (BS2757) B B B
Pick up time (milli-seconds) 20 20 20
Drop out time (milli-seconds) 11 11 11
Magnet system – DC operated
Pickup VA/W 12V 24/293 24/293 24/293
24V 12/288 12/288 12/288
48V 6.1/295 6.1/295 6.1/295
120V 2.5/298 2.5/298 2.5/298
240V – – –
Sealed VA/W 12V 0.4/4.84 0.4/4.84 0.4/4.84
24V 0.2/4.75 0.2/4.75 0.2/4.75
48V 0.097/4.67 0.097/4.67 0.097/4.67
120V 0.038/4.57 0.038/4.57 0.038/4.57
240V – – –
Cabling capacity
Number of conductors 2 2 2
Number of conductors when using terminal extension kit 3 3 3
Terminal capacity using compression lugs (mm2) 6 to 35 6 to 35 6 to 35
Terminal bolt/stud size 1
/4 UNC 1
/4 UNC 1
/4 UNC
Cabling using box lug (supplied)
Number of conductors 1 1 –
Solid or stranded – Max. size (mm2)5070–
Flexible – Max. size (mm2)3550–
Having prospective short circuit current Ik
at the location of the capacitor bank.
Ue<=575V Ik<=15kA
Where Ik is between 15kA and 25kA,
derate to 60% of the ratings.
Where Ik is between 25kA and 50kA,
derate to 30% of the ratings.
Coil voltage
Freedom Series – 2.2 to 160kW

www.eatonelectrical.com
April 2005
TDO3400001U
25
Freedom Series Contactors and Overload Relays
MCE15PN MCE15RN MCE15SN
le le le
185A 220A 315A
73A 86A 129A
77A 90A 135A
kV Ar le kV Ar le kV Ar le
49 45 58 53 83 61
84 45 101 53 144 61
92 45 110 53 158 61
98 45 117 53 167 61
111 45 133 53 190 61
122 45 146 53 209 61
45 45 53 53 61 61
0.25 0.25 0.25
8.5 12 25
7.5 10 22
Type 2 Type 2 Type 2
250A 315A 355A
50kA 50kA 50kA
>=0.85 <=1.1 Uc >=0.85 <=1.1 Uc >=0.85 <=1.1 Uc
>=0.2 <=0.75 uc >=0.2 <=0.75 Uc >=0.2 <=0.75 Uc
1040 1040 1040
116 116 116
17 17 17
2,400 2,400 2,400
BBB
23 23 23
15 15 15
–––
18/400 18/400 18/400
9/400 9/400 9/400
3.3/450 3.3/450 3.3/450
1.7/440 1.7/440 1.7/440
–––
0.22/5.3 0.22/5.3 0.22/5.3
0.11/5.2 0.11/5.2 0.11/5.2
0.05/5.4 0.05/5.4 0.05/5.4
0.02/4.9 0.02/4.9 0.02/4.9
222
444
16 to 95 25 to 120 25 to 120
M8 M10 M10
–––
–––
–––
Freedom Series – 2.2 to 160kW

www.eatonelectrical.com
April 2005
TDO3400001U
26 Freedom Series Contactors and Overload Relays
Auxiliary contacts Integral contacts Add-on contact blocks
Top mounted Side mounted
General
Standards and approvals IEC947-5-1, UL508, CSA22.14
Protection against direct contact IP20 to IEC529 IP20 to IEC529 IP20 to IEC529
Mechanical life span 20,000,000 10,000,000 10,000,000
Terminal marking EN50012 (BS5582) EN50012 (BS5582) EN50012 (BS5582)
Environment
Pollution degree IEC947-1 3 3 3
Impulse withstand voltage IEC947-1 6kV 6kV 6kV
Operating temperature, open –20 to +65°C –20 to +65°C –20 to +65°C
Relative humidity
Operating altitude 2,000m 2,000m 2,000m
Weight – 58g 46g
Contact ratings
Rated thermal current. Open Ith 10A 10A 10A
Rated insulation voltage Ui 690V 690V 690V
Operating frequency limits 50 to 60Hz 50 to 60Hz 50 to 60Hz
Adjacent contacts 'electrically separate' Yes Yes Yes
AC15 duty Ue VA Ie VA Ie VA Ie
Control of A.C. electromagnetic loads 48 480 10 480 10 480 10
(Greater than 72VA) 120 720 6 720 6 720 6
240 960 4 960 4 960 4
440 880 2 880 2 880 2
660 990 1.5 990 1.5 990 1.5
DC13 duty Ue W Ie W Ie W Ie
Control of D.C. electromagnets 24 19.2 8 19.2 8 19.2 8
48 288 6 288 6 288 6
120 120 1 120 1 120 1
220 110 0.5 110 0.5 110 0.5
440 110 0.25 110 0.25 110 0.25
660 66 0.1 66 0.1 66 0.1
Short circuit co-ordination
Conditional short circuit current Ik 1kA 1kA 1kA
Fuse type BS88 type gG 10A 10A 10A
Average contact resistance per pole (milli-ohms) N.O. N.C. N.O. N.C. N.O. N.C.
3.5 4.5 3.5 5 3.5 5
Power dissipated at Ith (W) 0.35 0.45 0.35 0.5 0.35 0.5
at Ie 6A (W) 0.13 0.16 0.13 0.18 0.126 0.18
Cabling capacity in accordance with the requirements of IEC947
Number of conductors 2 2 2
Solid, stranded or flexible– Max. wire size (mm2) 2.5 2.5 2.5
– Min. wire size (mm2) 0.75 0.75 0.75
Cabling maximum terminal capacity
Number of conductors 2 2 2
Solid, stranded or flexible – max. wire size (mm2)4 4 4
Freedom Series – 2.2 to 160kW

www.eatonelectrical.com
April 2005
TDO3400001U
27
Freedom Series Contactors and Overload Relays
Pneumatic timer Base auxiliary Add-on contact blocks
contact block
IEC947-5-1, UL508, CSA22.14
IP20 to IEC529 IP20 to IEC529 IP20 to IEC529
20,000,000 5,000,000 5,000,000
EN50012 (BS5582) EN50012 (BS5582)
333
6kV 6kV 6kV
–20 to +65°C –20 to +65°C –20 to +65°C
2,000m 2,000m 2,000m
410g 120g 35g
10A 10A 10A
690V 690V 690V
50-60Hz 50-60Hz 50-60Hz
Yes No Yes
VA Ie VA le VA le
– – 480 10 480 10
480 4 720 6 720 6
600 2.5 960 4 960 4
880 2 880 2 880 2
660 1 990 1.5 990 1.5
WIe Wle Wle
– – 192 8 192 8
– – 288 6 288 6
72 0.6 120 1 120 1
66 0.3 110 0.5 110 0.5
66 0.15 110 0.25 110 0.25
66 0.1 66 0.1 66 0.1
1kA 1kA 1kA
10A 10A 10A
12
1.2
0.19
222
2.5 2.5 2.5
0.75 0.75 0.75
222
4
Freedom Series – 2.2 to 160kW

www.eatonelectrical.com
April 2005
TDO3400001U
28
Technical data
Contactors 2.2 to 37kW
AC3 electrical durability
AC4 electrical durability
Freedom Series Contactors and Overload Relays
Freedom Series – 2.2 to 160kW

www.eatonelectrical.com
April 2005
TDO3400001U
29
Freedom Series Contactors and Overload Relays
Contactors 45 to 160kW
AC3 electrical durability
AC4 electrical durability
Freedom Series – 2.2 to 160kW
MCE15S
MCE15R
MCE15P

www.eatonelectrical.com
April 2005
TDO3400001U
30 Freedom Series Contactors and Overload Relays
Overload relays C316FNA3 C316KNA3 C316PNA3 C316SNA3 C316UNA3
General
Thermal current Ith Up to 32A Up to 80A Up to 200A Up to 400A Up to 850A
CT operated CT operated
Standards and approvals IEC 947-4-1, IEC 292-1, BS4941, VDE0660, UL 508, CSA C22-14, NFC 63-650
Trip class IEC947-4-1 10A 10A 10A 30 30
Terminal marking EN50005 (BS5472)
Width (mm) 45 55 80* 193 246
* Width across terminals is greater, <100A = 85mm, >100A = 105mm
Protection against direct contact Protected against unintentional contact in accordance with VDE0106 pt 100
Weight (kg) 0.17 0.32 0.91 1.5 3
Environment
Pollution degree IEC947-1 3 3 3 3 3
Impulse withstand voltage IEC947-4-1 6kV 6kV 6kV 6kV 6kV
Operating temperature, open –25 to +50°C –25 to +55°C –25 to +55°C –25 to +55°C –25 to +55°C
Temperature compensation range –25 to +50°C –25 to +50°C –25 to +50°C –25 to +50°C –25 to +50°C
Maximum altitude 2000m 2000m 2000m 2000m 2000m
Operating position (relative to normal position) ±30° ±30° ±30° ±30° ±30°
Climatic conditions Damp heat constant to IEC68-2-3. Damp heat, cyclic to IEC68-2-30
Mechanical shock resistance 12g for 15ms 12g for 15ms 12g for 15ms 12g for 15ms 12g for 15ms
Vibration @ 45Hz 8g (1mm displacement with N.C. contacts maintained)
Storage temperature –40 to +70°C –40 to +70°C –40 to +70°C –40 to +70°C –40 to +70°C
Main contacts
Insulation voltage Ui 690V 690V 690V 690V 690V
Current range 0.25 – 32A 18 – 80A 100 – 200A 130 – 400A 265 – 850A
Power dissipated at minimum setting 2.2W 3.4W 5.8W 2.2W 2.2W
at maximum setting 3.3W 4.9W 7.3W 3.3W 3.3W
Max operating frequency of motor (starts per hour) 15 (dependent upon starting time and current)
Short circuit co-ordination Type 2 to IEC947-4-1
Rated conditional short circuit current 50kA 50kA 50kA 50kA 50kA
Fuse type See table on page 19
Cabling capacity in accordance with the requirements of IEC947-1
Number of conductors 1 2 1 2 – – –
Solid or stranded - Max. wire size (mm˝) 10 6 35 15 – – –
- Min. wire size (mm˝) 1.5 1.5 2.5 2.5 – – –
Flexible - Max. wire size (mm˝) 6 4 25 10 – – –
- Min. wire size (mm˝) 1.5 1.5 2.5 2.5 – – –
Cabling capacity using compression lugs (mm˝) – – 25 to 120 – –
Terminal flag bolt size - <100A – – M6 – –
- >100A – – M10 – –
CT aperture size (mm) – – – 22 x 28 45 x 22
Technical data
Freedom Series – 2.2 to 160kW

www.eatonelectrical.com
April 2005
TDO3400001U
31
Freedom Series Contactors and Overload Relays
Auxiliary contacts
N.C. (95 – 96) N.O. (97 – 98)
General
Protection against direct contact IP20 to IEC529 IP20 to IEC529
Mechanical life span 50,000 50,000
Contact ratings
Thermal current Ith 10A 6A
Insulation voltage Ui 500V 500V
Operating frequency limits 50/60Hz 50/60Hz
Adjacent contacts 'electrically separate' Yes Yes
AC15 duty
Control of A.C. electromagnetic loads Ue VA Ie VA Ie
(Greater than 72VA) 120 360 3 204 1.7
240 720 3 408 1.7
415 830 2 539 1.3
500 750 1.5 500 1
DC13 duty
Control of D.C. electromagnets Ue W Ie W Ie
220 110 0.5 110 0.5
Short circuit co-ordination
Conditional short circuit current Iq 1kA 1kA
Fuse type BS88 type gG 10A 6A
Cabling capacity in accordance with the requirements of IEC947-1
Number of conductors 2 2
Solid or stranded - Max. wire size (mm˝) 4 4
- Min. wire size (mm˝) 0.75 0.75
Flexible - Max. wire size (mm˝) 2.5 2.5
- Min. wire size (mm˝) 0.75 0.75
Standard features
Trip
Identification
label mounting
Pushbutton
(convertible)
Reset mode
selector
Trip indicator
Calibration
selector
Outgoings.
Main terminals
98 97 96 95
2/T1 4/T2 6/T3
Man Aut
Control terminals
Test trip lever
Remote reset module
Circuit diagram
Cut-out
contact
Overload
relay must be
set in the
manual reset
mode
Command
contact
Remote
reset coil
Impulse duration
0.2 to 0.3 secs.
L1 N L2
E1 E2
98
O/L
97
Technical data
Freedom Series – 2.2 to 160kW

www.eatonelectrical.com
April 2005
TDO3400001U
32 Freedom Series Contactors and Overload Relays
Overload time/current characteristics
C316FNA3 thermal overload relay C316KNA3 thermal overload relay
FLC current ranges 0.25 to 32A FLC current ranges 18 to 80A
C316PNA3 thermal overload relay C316SNA3 thermal overload relay
FLC current ranges 100 to 200A FLC current ranges 130 to 400A
Technical data
Freedom Series – 2.2 to 160kW

www.eatonelectrical.com
April 2005
TDO3400001U
33
Contactors
CE15AN to FN Mechanically interlocked contactors
CE15AN to FN contactor + C316FNA3 thermal C316FNA3 thermal overload relay and C306TB1 overload relay
mounting adaptor
C316FNA3 thermal overload relay + C316RR1 remote reset module
Dimensions (mm)
Freedom Series Contactors and Overload Relays
Freedom Series – 2.2 to 160kW

www.eatonelectrical.com
April 2005
TDO3400001U
34
Contactors
CE15GN to KN Mechanically interlocked contactors
CE15GN to KN contactor + C316KNA3 thermal overload relay C316KNA3 thermal overload relay and C316TB1 overload relay
mounting adaptor
Contactors Mechanically interlocked contactors
CE15LN to NN
Dimensions mm (continued)
Freedom Series Contactors and Overload Relays
Freedom Series – 2.2 to 160kW

www.eatonelectrical.com
April 2005
TDO3400001U
35
Freedom Series Contactors and Overload Relays
Contactors
MCE15PN to SN Mechanically interlocked contactors
C316PNA3 thermal overload relay
CE15LN to NN contactor + CE16PNA3 thermal overload relay MCE15PN to SN contactor + C316PNA3 thermal overload relay
(with links C316MCL) (with links C316PCL)
Freedom Series – 2.2 to 160kW
MCE15PN 236
MCE15RN to SN 265

www.eatonelectrical.com
April 2005
TDO3400001U
36 Freedom Series Contactors and Overload Relays
C316SNA3 CT operated thermal overload relay
Contactors CE15AN to FN Contactors CE15LN to NN
Contactors CE15GN to KN Contactors MCE15PN to SN
X
Ue ≤460V 30
Ue >460V 55
XY
Ue ≤460V 1.5 14
Ue >460V 12 29
Dimensions mm (continued)
Contactor safety perimeter zones (mm)
Freedom Series – 2.2 to 160kW

www.eatonelectrical.com
April 2005
TDO3400001U
37
Freedom Series Contactors and Overload Relays
This table is based on motors of approximately 1450 r.p.m. of average
efficiency and power factor. Motors of higher speed than 1450 r.p.m. usually
take a lower current than that shown in the table; while motors of lower
speed usually take higher current.
Wide variations from these figures can arise and engineers should, whenever
possible, determine the actual FLC from the motor rating plate in each case.
Motor rating Voltage
kW hp 220 380 415 500 550 660
0.37 0.5 2.1 1.2 1.1 0.9 0.8 0.7
0.55 0.75 2.8 1.6 1.5 1.2 1.1 0.9
0.75 1.0 3.5 2.0 1.9 1.5 1.4 1.2
1.1 1.5 4.9 2.9 2.6 2.2 2.0 1.6
1.5 2.0 6.3 3.6 3.3 2.8 2.5 2.1
2.2 3.0 9.0 5.2 4.8 4.0 3.6 3.0
3.0 4.0 12 6.8 6.2 5.1 4.7 3.9
4.0 5.5 16 9.1 8.3 6.9 6.3 5.2
5.5 7.5 21 12 11 9.4 8.5 7.1
7.5 10 27 16 14 12 11 9.1
10 13.5 36 21 19 16 14 12
11 15 40 23 21 17 16 13
15 20 52 30 28 23 21 17
18.5 25 64 37 34 28 26 21
22 30 77 44 41 34 31 26
It is important to note that these figures are average values and that
actual values can vary by +20% –10% for motors up to 7.5kW and by
±10% for motors above 7.5kW.
Motor rating Voltage
kW hp 220 380 415 500 550 660
30 40 100 59 54 45 41 34
37 50 125 73 67 55 50 42
45 60 150 86 79 66 60 50
55 75 180 106 98 81 74 61
75 100 240 140 130 105 96 80
90 125 300 170 160 130 120 99
110 150 350 200 190 160 140 120
132 175 410 240 220 180 160 140
160 220 510 300 270 230 210 170
200 270 630 360 330 280 250 210
220 300 730 420 380 320 290 240
250 350 810 470 430 360 320 270
Starter Main/Delta Starter Ie Star contactor size
(kW) contactor line current (A) Without mech interlock With mech interlock
5.5 CE15A 12 CE15A CE15A
7.5 CE15B 16 CE15A CE15A
11 CE15C 23 CE15B CE15B
15 CE15D 30 CE15C CE15C
18.5 CE15E 37 CE15D CE15D
22 CE15F 44 CE15D CE15D
30 CE15G 59 CE15E CE15G
37 CE15H 73 CE15F CE15G
45 CE15J 86 CE15G CE15G
55 CE15K 100 CE15G CE15G
75 CE15L 140 CE15H CE15L
90 CE15M 170 CE15K CE15L
110 CE15N 190 CE15L CE15N
132 CE15N 240 CE15M CE15N
160 MCE15R 300 CE15N CE15N
200 MCE15R 360 CE15N CE15N
250 MCE15S 470 MCE15P MCE15P
Ue = 380/415V Star delta starters
Notes:
1. Main and delta contactors delta connected.
2. Star contactor life 100,00 operations or greater at normal starting duty
(make 2 x Ie, break 1 x Ie).
3. Maximum starting time in the star connection 25 seconds.
4. For heavy duty starting where the star contactor breaks >1 x Ie, or where
the starting time in the star connection is greater than 25 seconds, or
where contactor life is insufficient, use the same size of contactor as for
main and delta.
Three phase 50Hz motors approx. FLC at line voltage
Star-delta starters utilising smaller star contactor size
Freedom Series – 2.2 to 160kW

www.eatonelectrical.com
April 2005
TDO3400001U
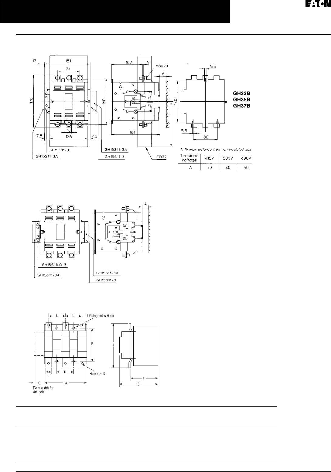
38 Modular Series Contactors
Contactors
AC1 rating Number of poles Width Catalogue
(A) N.O. N.C. (mm) number
30 4 – 45 GH15BN40*
30 2 2 45 GH15BN22*
30 – 4 45 GH15BN04*
40 4 – 45 GH15DN40*
50 4 – 60 GH15FN40*
63 4 – 60 GH15GN40*
63 2 2 60 GH15GN22*
63 – 4 60 GH15GN04*
80 4 – 70 GH15HN40*
100 4 – 70 GH15JN40*
125 4 – 105 GH15LN40*
125 2 2 105 GH15LN22*
125 – 4 105 GH15LN04*
160 3 – 150 GH33B-3-22*
200 3 – 150 GH35B-3-22*
250 3 – 150 GH37B-3-22*
* Add suffix from the table to select coil operating voltage. For voltages not shown please contact Head Office.
Catalogue numbers

www.eatonelectrical.com
April 2005
TDO3400001U
39
Contactors
AC1 rating Number of poles* Width Catalogue
(A) N.O. N.C. (mm) number
350 3 – 177 GH44-3-22*
450 3 – 214 GH52-3-22*
240 3 – 220 GH55-3-22*
280 3 – 220 GH57-3-22*
375 3 – 280 GH62-3-22*
475 3 – 280 GH64-3-22*
550 3 – 334 GH76-3-12*
650 3 – 334 GH78-3-12*
Modular Series Contactors
* Select add-on neutral switching pole, see page 41

www.eatonelectrical.com
April 2005
TDO3400001U
40
Operating coils
Contactors GH76 to 78
Dual frequency AC coils
Coil voltage Suffix
50/60Hz code
110/120 A
220/240 K
380/415 M
440/480 C
DC coils
48 W1
120 A1
220 B1
Contactors GH15 to GH55
Combined dual frequency AC and DC coils
Coil voltage Suffix
50/60Hz D.C. code
110/120 110 A
220/240 200/220 K
380/415 345/380 M
440/480 400/440 C
Accessories
Contactor GH15BN GH15FN GH15LN GH33B GH44 GH52 GH55 GH62 GH76
type GH15DN GH15HN GH35B GH57 GH64 GH78
GH15HN GH37B
Coil type B01– B02– B021– B31– B9– B7– B51– B61– B8–
Feeder / / / / / / FG51 FG61 FG78
group type
Hz 50-60 50 60 50-60(1) 50-60 50 60 50 60 50 60 50-60 50-60 50-60
AC voltage V 24 24 24 24 24 24 24 24 24
V4848 484848 48 48 4848
V 110-120 110 110 110-120 110 110 110 110 110 110 110-120 110-120 110-115
V 115 115 115 115
V 220-240 22-230 220 220-240 220-230 220 220-230 220 220-230 220 220-240 220-240 220-230
V 240 240 240 240 240 240 240 240 240
V 380-415 380-400 380-415 380-400 380-400 380-400 380-415 380-415 380-400
V 415 415 415 415
V 440 440 440 440 440
V 440-480 460 460 460 460 440-480 440-480
V 480 480 480 480
DC voltage V 24 24 24 24 24 24 24 24
V48 48 48 48 48 48 4848
V 110 110 110 110 110 110 100-110 100-110 110
V 220 220 220 220 220 220 200-220 200-220 220
EG B01–240 is a 240V coil for a GH15DN contactor
With these coils at 50Hz the comsumption is increaded by 25% and the mechanical durability is reduced by 50%
Standard available control voltages
Modular Series Contactors

www.eatonelectrical.com
April 2005
TDO3400001U
41
A.C. Operating coil
Coil 50Hz 24 48 110 220 240 380 415 440 550
voltage 60Hz – – 120 240 – – – 480 600
Suffix code U Y A B K L M C D
Auxiliary contact blocks - top mounting (max 1 per contactor)
Contact Catalogue
configuration numbers
1 N.O. – C320KGT1
– 1 N.C. C320KGT2
1 N.O. 1 N.C. C320KGT3
2 N.O. – C320KGT4
– 2 N.C. C320KGT5
2 N.O. 2 N.C. C320KGT15
3 N.O. 1 N.C. C320KGT14
4 N.O. – C320KGT13
Pneumatic timer - top mounting
Description Catalogue
numbers
Adjustable range
(On or off delay)
0.3 to 30 secs. C320TP1
10 to 180 secs. C320TP2
Note: When timer is used, other top mounting auxiliaries cannot be added.
Catalogue numbers – Accessories
Accessories Table
Description GH15BN, GH15DN, GH33B, GH35B, GH44 GH52 GH55 GH57 GH62 & 64 GH76 & 78
GH15FN, GH15HN, GH37B
GH15JN, GH15LN
Add on Aux control blocks
1no GH15T01 - - - - - - -
1nc GH15T10 - - - - - - -
1no-1nc GH15T11 GH15T11-3 - - - - - EB11
1no-1nc Add on* - GH15T11-3A - - - - - -
2no-2nc GH15T22 - EF22 EF22 EF22 EF22 EF22 -
3no-1nc GH15T31 - - - - - - -
4no GH15T40 - - - - - - -
Add on neautral Switching Pole
125 (lth) - NP125-3 - - - - - -
175 (lth) - - NP175-4 - - - - -
250 (lth) - NP250-3 - - - - - -
325 (lth) - - - NP325-5 NP325-5 NP325-5 - -
350 (lth) - - NP350-3 - - - - -
500 (lth) - - - NP500-3 NP500-5 NP500-5 NP500-6 -
760 (lth) - - - - NP760-5 NP760-5 - -
1000 (lth) - - - - - - NP1000-6 NP1000-7
Mechnical interlock
Horizontal BMOH BM07 BM08 BM5H BM5H BM5H BM6H BM6H
Vertical - - BM09 BM5V BM5V BM5V BM6V BM7V
Mechanical Latch Kit
Kit complete - - AM44 AM5-52 AM5 AM5 AM6 -
Three pole shrouds
shrouds - PR37 PR44 PR55 PR55 PR57 PR62 PR64
Modular Series Contactors

www.eatonelectrical.com
April 2005
TDO3400001U
42
Technical data
Contactor GH15BN GH15DN GH15FN GH15HN GH15JN
General
kW AC3 rating 400V 4 7.5 15 22 30
Standards and approvals IEC 60947-4-1 IEC 60947-4-1 IEC 60947-4-1 IEC 60947-4-1 IEC 60947-4-1
Width mm 45 45 60 79
Number of poles (maximum) 4 4 4 4 4
Add on 4th pole N/A N/A N/A N/A N/A
Protection against direct contact IP20-IP10* IP20-IP10* IP20-IP10* IP20-IP10* IP20-IP10*
Mechanical lifespan 1,000,000 1,000,000 1,000,000 1,000,000 1,000,000
Weight kg 0.4 0.4 0.9 1.28 1.28
Environment
Pollution degree 3 3 3 3 3
Operating temperature –25 to +55°C –25 to +55°C –25 to +55°C –25 to +55°C –25 to +55°C
Relative humidity at 40°C 92% 92% 92% 92% 92%
Operating altitude 2000m 2000m 2000m 2000m 2000m
Operating position (relative to normal mounting position) 90° 90° 90° 90° 90°
Main contact ratings
Insulating voltage 690V 690V 690V 690V 690V
Operating frequency limits Per Hour 3000 3000 3000 3000 3000
Rated thermal current Ith 30 40 50 80 100
AC1 Watts
230V 12 15 20 31 39
240V 12 16 20 33 41
400V 20 27 34 55 69
415V 21 28 235 57 71
440V 22 30 38 60 76
500V 25 34 43 69 86
690V 35 47 59 95 119
AC2/3 Watts
230V 2.2 4 7.5 12.5 18.5
240V 2.2 4 7.5 15 18.5
400V 4 7.5 15 22 30
415V 4.3 8 15 22 30
440V 4.7 9 16.5 25 33
500V 5.5 10 15 22 30
690V 5.5 7.5 15 22 30
AC2/3 IE
440V 9 16 32 50 63
500V 9 16 24 38 45
690V 7 9 18 26 34
AC4 Watts
230V 0.9 1.6 3 5.5 7.5
240V 1.5 3 5.5 11 15
400V 1.5 3 5.5 11 15
415V 1.5 3 5.5 11 15
440V 1.5 3 5.5 11 15
500V 1.5 3 5.5 11 15
AC4 IE
440V 4 7 12 23 30
Modular Series Contactors

www.eatonelectrical.com
April 2005
TDO3400001U
43
Technical data
Contactor GH15LN GH33B GH35B GH37B GH44 GH52
General
kW AC3 rating 400V 45 55 75 90 110 160
Standards and approvals IEC 60947-4-1 IEC 60947-4-1 IEC 60947-4-1 IEC 60947-4-1 IEC 60947-4-1 IEC 60947-4-1
Width mm 105 168 168 168 223 223
Number of poles (maximum) 4 3* 3* 3* 3* 3*
Add on 4th pole N/A NP125-3/NP250-3 NP125-3/NP250-3 NP125-3/NP250-3 NP175-4/NP350-4 NP325-5/NP500-5
Protection against direct contact IP20-IP10* IP00 IP00 IP00 IP00 IP00
Mechanical lifespan 1,000,000 1,000,000 1,000,000 1,000,000 800,000 500,000
Weight kg 2.2 5 5 5 7.3 12.8
Environment
Pollution degree 3 3 3 3 3 3
Operating temperature –25 to +55°C –25 to +55°C –25 to +55°C –25 to +55°C –25 to +55°C –25 to +55°C
Relative humidity at 40°C 92% 92% 92% 92% 92% 92%
Operating altitude 2000m 2000m 2000m 2000m 2000m 2000m
Operating position (relative to normal mounting position) 90° 90° 90° 25° 25° 25°
Main contact ratings
Insulating voltage 690V 690V 690V 690V 690V 690V
Operating frequency limits Per Hour 3000 3000 3000 3000 3000 3000
Rated thermal current Ith 125 160 200 250 350 400
AC1 Watts
230V 49 63 79 99 139 179
240V 51 66 83 103 145 187
400V 86 110 138 173 242 311
415V 89 115 143 179 251 323
440V 95 121 152 190 266 342
500V 108 138 173 216 303 389
690V 149 191 239 298 418 537
AC2/3 Watts
230V 25 33 40 50 60 90
240V 25 33 45 55 65 100
400V 45 55 75 90 110 160
415V 47 59 80 95 115 180
440V 51 63 85 100 125 190
500V 51 55 75 100 132 210
690V 51 55 75 110 132 210
AC2/3 IE
440V 95 115 150 175 210 315
500V 80 85 110 145 210 315
690V 60 70 85 120 150 240
AC4 Watts
230V 11 12 15 18.5 25 37
240V 18.5 22 25 30 45 63
400V 18.5 22 25 33 45 65
415V 22 25 30 34 48 67
440V 22 22 25 30 55 75
500V 22 22 25 30 55 75
AC4 IE
440V 40 45 55 63 120
Modular Series Contactors

www.eatonelectrical.com
April 2005
TDO3400001U
44
Electrical and Mechanical Ratings for Contactors to IEC 60947-1
Operating conditions:
Cooling air temperature surrounding contactor = –20°C to +55°C
Maximum altitude = 2000m.
A.C. ratings are 3 phase 50–60Hz for main contacts.
Contactor GH55 GH57 GH62
Insulation voltage Ui 1000 1000 1000
Thermal current (Ith open) 600 760 1000
kW kW kW
AC1 Non-inductive or slightly inductive 220/240V 185 230 306
(2) loads P.F. = 0.95 380V 315 400 527
Ratings are for open contactors at 415/440V 365 465 612
ambient temperatures ≤ 55°C 500/550V 420 530 697
660V 550 730 918
1000V 835 1060 1360
kW leA kW leA kW IeA
AC2 Slipring motors starting and plugging 220/240V 129 450 160 550 220 700
380V 220 450 280 550 375 700
AC3 Squirrel cage motors starting and 415/440V 240 450 315 550 400 700
F.L.C. breaking 500/550V 300 420 375 520 500 630
660V 335 350 450 450 600 630
1000V 280 170 355 260 500 350
AC4 Squirrel cage motor starting, 220/240V 45 180 51 200 68 220
inching, plugging. 380V 75 180 90 200 120 220
Stopping during run up 415/440V 80 180 100 200 132 220
500/550V 100 140 110 145 150 150
660V 100 140 110 145 150 150
Maximum number of operations per hour at above ratings AC2/AC3 – AC4 duty 300 – 100 300 – 100 300 – 100
Other kW IL kW IL kW IL
Star delta starter 220V 220 700 270 900 300 1100
(Delta loop connected) 380V 335 700 450 900 600 1100
415/440V 400 700 500 900 650 1100
500/550V 400 650 500 800 700 900
660V 450 550 600 650 800 850
Rotor contactors Intermediate (1) A 1000 1300 1600
(Delta connected) Final A 700 900 1100
Transformer primary switching 440V A 180 220 300
Tungsten or infra-red lamps 250V A 260 315 440
Mercury vapour lamps 440V A 400 500 650
Non-compensated fluorescent lamps 440V A 360 450 570
Compensated fluorescent and sodium vapour lamps 440V A 300 360 460
Capacitor switching 380V 3ph kVAr 200 250 350
(Single bank only)
General Average operating times Pick up ms 100 100 105
data (AC coil) Drop out ms 170 170 200
AC coil consumption Pick up – Seal VA 950 – 11 950 - 11 1600 - 25
Seal Watts 10 10 22
Mechanical endurance Millions of operations 5 5 5
(1) Ratings apply when intermediate contactors are shorted out by final contactor and have an on-load time ≤ 15 secs.
(2) When contactors are operated continuously at maximum AC1 ratings excessive terminal temperature rises can occur due to oxidation of terminals and/or contamination
of contacts. It is recommended that plated or oxidation protected external connections are used.
Note: leA figures given are contactor maximum amperes.
ratings
Technical data (continued)
Modular Series Contactors

www.eatonelectrical.com
April 2005
TDO3400001U
45
GH64 GH76 GH78
1000 660 660
1100 1200 1350
kW kW kW
335 365 415
580 635 715
670 735 830
765 835 945
1000 1100 1245
1525 – –
kW leA kW leA kW leA
270 860 320 1000 380 1200
475 860 550 1000 650 1200
500 860 600 1000 700 1200
600 760 720 1000 840 1200
650 680 930 1000 1120 1200
550 380 – – – –
80 240 110 370 132 400
150 240 185 370 220 400
160 240 200 370 230 400
180 160 240 300 250 350
180 160 240 250 275 285
300 – 100 120 – 30 120 – 30
kW IL kW IL kW IL
400 1300 450 1500 – –
700 1300 850 1500 950 –
750 1300 900 1500 – –
850 1000 1000 1100 1100 –
900 1000 1200 1100 1400 –
2000 2500 3000
1300 1500 1700
350 400 500
500 560 630
800 950 1100
700 850 1000
500 660 800
400 450 500
105 70 70
200 50 50
1600 – 25 2450 – 75 2450 – 75
22 60 60
511
Modular Series Contactors

www.eatonelectrical.com
April 2005
TDO3400001U
46
Technical data (continued)
Auxiliary C320TP2 GH15S11 GH15S11-3 GH15S11-3A* EF22 EB11
TypeTop mount Aux Side mount Aux Side mount Aux Side mount Aux Side mount Aux Side mount Aux
Contacts 1 N/O – 1 N/C 1 N/O – 1 N/C 1 N/O – 1 N/C 1 N/O – 1 N/C 2 N/O – 2 N/C 1 N/O – 1 N/C
Time delay 10-180 SEC - - - - -
Weight kg 0.08 0.05 0.08 0.08 0.12 0.17
Ui 690 690 690 690 690 690
ith A 10 10 10 10 16 16
Short time withstand 500ms 60A 500ms 60A 500ms 60A 500ms 60A 500ms 60A 500ms 60A
Protection fuse 10 A gG 10 A gG 10 A gG 10 A gG 10 A gG 10 A gG
AC15
120V 4 6 6 6 6 6
240V 2.5 3 3 3 3 3
400V 2 2 2 2 2 2
500V 1.5 1.5 1.5 1.5 1.5 1.5
690V 1 1 1 1 1 1
DC13
24V-44466
48V 1 1.5 1.5 1.5 3 3
110V 0.6 0.5 0.5 0.5 1 1
220V 0.3 0.2 0.2 0.2 0.5 0.5
Auxiliary GH15T01 GH15T10 GH15T11 GH15T22 GH15T31 GH15T40 C320TP1
TypeTop mount Aux Top mount Aux Top mount Aux Top mount Aux Top mount Aux Top mount Aux Top mount Aux Top mount Aux
Contacts 1 N/C 1 N/O 1 N/O – 1 N/C 2 N/O – 2 N/C 3 N/O – 1 N/C 4 N/O 1 N/O – 1 N/C
Time delay - - - - - - 0.3 – 30SEC
Weight kg 0.011 0.011 0.05 0.05 0.05 0.05 0.08
Ui 690 690 690 690 690 690 690
ith A 10 10 10 10 10 10 10
Short time withstand 500ms 60A 500ms 60A 500ms 60A 500ms 60A 500ms 60A 500ms 60A 500ms 60A
Protection fuse 10 A gG 10 A gG 10 A gG 10 A gG 10 A gG 10 A gG 10 A gG
AC15
120V 6 6 6 6 6 6 4
240V 3 3 3 3 3 3 2.5
400V 2 2 2 2 2 2 2
500V 1.5 1.5 1.5 1.5 1.5 1.5 1.5
690V 1 1 1 1 1 1 1
DC13
24V555555 -
48V222222 -
110V 0.8 0.8 0.8 0.8 0.8 0.8 0.6
220V 0.4 0.4 0.4 0.4 0.4 0.4 0.3
Modular Series Contactors

www.eatonelectrical.com
April 2005
TDO3400001U
47
Sizes GH15BN & DN
Dimensions (mm)
Sizes GH15GN, HN & JN
Modular Series Contactors
Four-pole contactors - AC coil
GH15FN
GH15GN
GH15HN
GH15JN
GH15LN

www.eatonelectrical.com
April 2005
TDO3400001U
48
Three/Four-pole Contactors - AC coil
Contactor Dimension Mechanical intlk. Weight
A B C D E F G H J K L mounting matrix (kg)
Horiz Vert
GH55 220 233 225 110 220 160 72 8 30 10.5 80 262 314 13
GH57 220 258 225 110 220 160 72 8 40 12.5 80 262 314 13.5
GH62 280 307 291 175 280 200 90 10 50 13 100 312 380 26
GH64 280 361 291 175 280 200 90 10 50 15 100 312 380 28
GH76 334 490 345 120 380 220 111 12 50 17 x 2 100 380 580 49
GH78 334 490 345 120 380 220 111 12 60 17 x 2 100 380 580 53
Three-pole contactors - AC coil
DC coil
Modular Series Contactors

www.eatonelectrical.com
April 2005
TDO3400001U
49
Modular Series Overload Relays
Catalogue numbers
Overload Relays
➀
Relay with 1N.O. – 1N.C. electrically separate contacts, selectable hand or auto reset with reset or stop-reset option, phase loss protection and trip indicator.
For direct connection with CE15AN to FN contactors or independent mounting
Description Motor FLC range A Catalogue numbers
Relay with 1 N.O. – 1 N.C. electrically separate contacts, 0.25 – 0.4 C316FNA3C
selectable hand or auto reset with reset or stop-reset option, 0.4 – 0.63 C316FNA3D
phase loss protection and trip indicator. 0.63 – 1.0 C316FNA3E
1.0 – 1.4 C316FNA3F
1.3 – 1.8 C316FNA3G
1.7 – 2.4 C316FNA3H
2.2 – 3.1 C316FNA3J
2.8 – 4.0 C316FNA3K
3.5 – 5.0 C316FNA3L
4.5 – 6.5 C316FNA3M
6.0 – 8.5 C316FNA3N
7.5 – 11.0 C316FNA3P
10 – 14.0 C316FNA3Q
13 – 19.0 C316FNA3R
18 – 24.0 C316FNA3S
24 – 32.0 C316FNA3T
Separate base for independent connection
and DIN rail or panel mounting C306TB1
Thermal overload relays for independent mounting and connection with GH33 & GH37 contactors.➀
65 – 90 C316PNA3A
80 – 110 C316PNA3B
100 – 135 C316PNA3C
110 – 150 C316PNA3D
130 – 175 C316PNA3E
150 – 200 C316PNA3F
Thermal overload relays, current transformer operated, for independent connection with GH44 contactors.➀
130 – 185 C316SNA3A
165 – 235 C316SNA3B
220 – 310 C316SNA3C
285 – 400 C316SNA3D
Identification marker (pack of 50) C316MT1
Thermal overload relays, current transformer operated, for independent connection to GH55 to 78 contactors.➀
355 – 500 C316UNA3A
465 – 650 C316UNA3B
610 – 850 C316UNA3C
Remote reset module
Description Operating voltage 50/60HZ Catalogue number
For use with thermal 220/440 C316RR1N
overload relays C316SNA3
and C316UNA3

www.eatonelectrical.com
April 2005
TDO3400001U
50 Modular Series Overload Relays
Electrical life
The two graphs below show average contact life for AC3 and AC4 duties
respectively.
To obtain the contact life for duties which include a proportion of both AC3
and AC4 operations the following may be used. N = AC3 life Z = % AC4 operations
P = AC4 life S = % AC3 operations
N.P
Z.N. + S.P
where
Auxiliary contacts
Specifications
IEC337-1, BS4774-1
Maximum number
4 N.O. - 4 N.C.
Thermal rating
25A
Contact ratings AC11
Rated operational Rated operational
voltage UeV current IeA
120 14
240 7
440 4
600 2
Contact rating DC11
Rated operational Rated operational
voltage dc current IeA
24 18
48 15
110 7
220 4
Terminal capacity
Solid or stranded: 2 x 4mm˝
Contact life =
Technical data
Terminal markings
Select AC3 and AC4 life for operational current required from graphs below. Estimate number of AC4 operations in percent and calculate from above equation.
Overload Relays

www.eatonelectrical.com
April 2005
TDO3400001U
51
Modular Series Overload Relays
Overload relays C316PNA3 C316SNA3 C316UNA3
General
Thermal current Ith Up to 200A Up to 400A Up to 850A
CT operated CT operated
Standards and approvals IEC 947-4-1, IEC 292-1, BS4941, VDE0660, UL 508, CSA C22-14, NFC 63-650
Trip class IEC947-4-1 10A 30 30
Terminal marking EN50005 (BS5472)
Width (mm) 80* 193 246
* Width across terminals is greater, <100A = 85mm, >100A = 105mm
Protection against direct contact Protected against unintentional contact in accordance with VDE0106 pt 100
Weight (kg) 0.91 1.5 3
Environment
Pollution degree IEC947-1 3 3 3
Impulse withstand voltage IEC947-4-1 6kV 6kV 6kV
Operating temperature, open –25 to +55°C –25 to +55°C –25 to +55°C
Temperature compensation range –25 to +50°C –25 to +50°C –25 to +50°C
Maximum altitude 2000m 2000m 2000m
Operating position (relative to normal position) ±30° ±30° ±30°
Climatic conditions Damp heat constant to IEC68-2-3. Damp heat, cyclic to IEC68-2-30
Mechanical shock resistance 12g for 15ms 12g for 15ms 12g for 15ms
Vibration @ 45Hz 8g (1mm displacement with N.C. contacts maintained)
Storage temperature –40 to +70°C –40 to +70°C –40 to +70°C
Main contacts
Insulation voltage Ui 690V 690V 690V
Current range 100 – 200A 130 – 400A 265 – 850A
Power dissipatedat minimum setting 5.8W 2.2W 2.2W
at maximum setting 7.3W 3.3W 3.3W
Max operating frequency of motor (starts per hour) 15 (dependent upon starting time and current)
Short circuit co-ordination Type 2 to IEC947-4-1
Rated conditional short circuit current 50kA 50kA 50kA
Fuse type See table on page 46
Cabling capacity in accordance with the requirements of IEC947-1
Cabling capacity using compression lugs (mm˝) 25 to 120 – –
Terminal flag bolt size - <100A M6 – –
- >100A M10 – –
CT aperture size (mm) – 22 x 28 45 x 22
Technical data
Overload Relays

www.eatonelectrical.com
April 2005
TDO3400001U
52 Modular Series Overload Relays
Auxiliary contacts Remote reset
N.C. (95 – 96) N.O. (97 – 98) module
General
Protection against direct contact IP20 to IEC529 IP20 to IEC529
Mechanical life span 50,000 50,000
Contact ratings
Thermal current Ith 10A 6A
Insulation voltage Ui 500V 500V
Operating frequency limits 50/60Hz 50/60Hz
Adjacent contacts 'electrically separate' Yes Yes
AC15 duty
Control of A.C. electromagnetic loads Ue VA Ie VA Ie
(Greater than 72VA) 120 360 3 204 1.7
240 720 3 408 1.7
415 830 2 539 1.3
500 750 1.5 500 1
DC13 duty
Control of D.C. electromagnets Ue W Ie W Ie
220 110 0.5 110 0.5
Short circuit coordination
Conditional short circuit current Iq 1kA 1kA
Fuse type BS88 type gG 10A 6A
Circuit breaker type To be announced To be announced
Cabling capacity in accordance with the requirements of IEC947-1
Number of conductors 2 2
Solid or stranded- Max. wire size (mm˝) 4 4
- Min. wire size (mm˝) 0.75 0.75
Flexible - Max. wire size (mm˝) 2.5 2.5
- Min. wire size (mm˝) 0.75 0.75
Auto
Automatic reset after tripping. Normally
associated with three-wire controls.
Reset button (internal reset)
To reset after tripping when reset is set to "Man".
If fault still exists, trips free even if reset button is
held down.
Test lever
To simulate tripping of overload relay.
Off button
To de-energise self maintaining contactors.
Current transformer operated overload relay
The specified primary rated current applies to one
cable loop (C316UNA3*). For lower rated motor
currents loop cable several times.
Standard features
3 pole adjustable overload relay or current
transformer operated relay for heavy starting duty.
Auxiliary contacts make & break (separate).
For fitting directly on to contactor, or for separate
mounting.
Temperature compensated.
Clearly marked setting scale
Facilitates accurate setting, even for intermediate
values.
Setting lever for hand or auto reset
Supplied set to "Man" (with hand reset)
Manual
After tripping, reset button must be operated.
Normally associated with two-wire controls for
safety reasons and to prevent "pumping".
Trip
Identification
label mounting
Pushbutton
(convertible)
Reset mode
selector
Trip indicator
Calibration
selector
Outgoings.
Main terminals
Control terminals
98 97 96 95
2/T1 4/T2 6/T3
Test trip lever
Aut
Man
Technical data (continued)
Overload Relays

www.eatonelectrical.com
April 2005
TDO3400001U
53
Modular Series Overload Relays
Recommended fuse sizes for type 2 co-ordination
Catalogue Motor full load current BS88 gG/gM DIN type gL/gi DIN type aM
number range (A) (A) (A) (A)
C316PNA3A 65 – 90 200 200 160
C316PNA3B 80 – 100 200 224 200
C316PNA3C 100 – 135 200 224 200
C316PNA3D 110 – 150 250 250 224
C316PNA3E 130 – 175 315 315 250
C316PNA3F 150 – 200 315 315 250
C316SNA3A 130 – 185 355 355 –
C316SNA3B 165 – 235 450 400 –
C316SNA3C 220 – 310 630 500 –
C316SNA3D 285 – 400 750 630 –
C316UNA3A 265 – 375 500 800 –
C316UNA3B 355 – 500 750 1000 –
C316UNA3C 465 – 650 1000 1250 –
C316UNA3D 610 – 850 1250 1250 –
C316UNA3 thermal overload relay
FLC current ranges 265 to 850A
10000
5000
1.06 1.2
1.126
1000
500
120100
50
10
5
2
1
0.8 Multiples of full load current
1.5 546
7.2 10820
Cold Top line: 3 phase
Bottom line: 2 phase
Hot Top line: 3 phase
Bottom line: 2 phase
Trip time
(secs)
0.7 1 2 3
Overload time/ Current characteristics
C316PNA3 thermal overload relay C316SNA3 thermal overload relay
FLC current ranges 100 to 200A FLC current ranges 130 to 400A
10000
5000
1.06 1.2
1.126
1000
120100
50
10
1
0.8 Multiples of full load current
1.5 20
Cold Top line: 3 phase
Bottom line: 2 phase
Hot Top line: 3 phase
Bottom line: 2 phase
Trip time
(secs)
500
5
2
0.7 123 546
7.2
810
10000
5000
1.06 1.2
1.126
1000
120100
50
10
1
0.8 Multiples of full load current
1.5 20
Cold Top line: 3 phase
Bottom line: 2 phase
Hot Top line: 3 phase
Bottom line: 2 phase
Trip time
(secs)
500
5
2
0.7 123 546
7.2
810
Technical data (continued)
Overload Relays

www.eatonelectrical.com
April 2005
TDO3400001U
54 Modular Series Overload Relays
C316UNA3 thermal overload relays
Approvals and standards
IEC947-4 class 10A relay with single phase detection
IEC337, BS4941, VDE0660, CSA, UL
Electrical ratings
Insulation voltage Ui: 660 Volts AC
Climatic conditions
Maximum altitude: 2000 metres
Ambient temperature compensation range: –25°C to +55°C
Storage temperature range: –40°C to +70°C
Relative humidity: 95% RH at 40°C DIN50017
Control contact ratings
1N.O. – 1N.C. electrically separate
Typical trip characteristics
Co-ordination with short circuit protection devices
Catalogue Ratings of fuses for type 2 coordination
number BS88 class Q1 VDE0660 gl
C316UNA3A 450A 500A
C316UNA3B 630A 800A
C316UNA3C 710A 1000A
C316UNA3A 1000A 1250A
Thermal overload relay
Reset function
Selectable: Automatic, manual or manual/stop
Reset time
<5 minutes
Terminal capacities
Terminals nos. 95 to 98: 2 x 2.5 or 2 x 4
Terminal markings
245
22
83 83
44
203
45
4.5 Reset
Rating N.C. 95-96 N.O. 97-98
Thermal current Ith 10A 6A
Rated operational current Ie
at AC15 220V 3A 1.7A
380V 2A 1.3A
500V 1.5A 1A
Maximum fuse size 10A 6A
Technical data (continued)
Dimensions (mm)
Overload Relays

© 2005 Eaton Electric Limited
All rights reserved
Printed in UK
Form No TDO3400001U
April 2005
Eaton Electric Limited
Reddings Lane
Birmingham B11 3EZ
United Kingdom
Customer Support Centre
Tel: +44 (0)8700 545 333
Fax: +44 (0)8700 540 333
email: ukcommorders@eaton.com
Eaton Electric NV
PO Box 23
7550 AA Hengelo
The Netherlands
Customer Support Centre
Tel: +31 (0)74 246 7066
Fax: +31 (0)74 246 7070
email: c-heuropesupport@eaton.com
Eaton’s Electrical business is a global leader in electrical control, power
distribution, and industrial automation products and services. Through
advanced product development, world-class manufacturing methods,
and global engineering services and support, Eaton’s Electrical business
provides customer-driven solutions under brand names such as
Cutler-Hammer® , Durant® , Heinemann® , Holec® and MEM® , which
globally serve the changing needs of the industrial, utility, light
commercial, residential, and OEM markets. For more information, visit
www.EatonElectrical.com.
Eaton Corporation is a diversified industrial manufacturer with 2004 sales
of $9.8 billion. Eaton is a global leader in fluid power systems and
services for industrial, mobile and aircraft equipment; electrical systems
and components for power quality, distribution and control; automotive
engine air management systems and powertrain controls for fuel
economy; and intelligent drivetrain systems for fuel economy and safety
in trucks. Eaton has 55,000 employees and sells products to customers in
more than 125 countries. For more information, visit www.eaton.com.
www.eatonelectrical.com