Prology_DVU 1500_A5_RUS Dvu 1500 Manual
2013-01-23
: Pdf Dvu-1500-Manual dvu-1500-manual instruction upload
Open the PDF directly: View PDF .
Page Count: 29

Íàèìåíîâàíèå: Ïðîëîäæè ÄÂÓ-1500
Ñòðàíà-ïðîèçâîäèòåëü: Êèòàé
Îñíîâíîå ïðåäíàçíà÷åíèå òîâàðà:
ÔM/ÓÊÂ ÑÄ/ÓÑÁ-ðåñèâåð ñ ýêðàíîì 3,5"
Ñðîê ñëóæáû: 2 ãîäà
Èçãîòîâèòåëü: ÑÕÒ Ãðîóï ÀÃ
Þðèäè÷åñêèé àäðåñ èçãîòîâèòåëÿ:
ÅÁÑ Áèçíåññ Ôîðóì, Áààðåðøòðàññå 135,
ÑÕ-6301 Çóã, Øâåéöàðèÿ
DVU-1500
Àâòîìîáèëüíûé ìóëüòèìåäèéíûé öåíòð
âîçüìè
êèíî
â äîðîãó
Ðóêîâîäñòâî ïîëüçîâàòåëÿ
www.prology.ru

Ñîäåðæàíèå
Íàçíà÷åíèå óñòðîéñòâà
2
Ô
ó
íêöèè
ó
ñòðîéñòâà
3
Ê
î
ìïëåêò ï
î
ñòàâêè 3
Äëÿ áåçîïàñíîãî è ýôôåêòèâíîãî èñïîëüçîâàíèÿ
ó
ñòðîéñòâà 4
Ý
ëåìåíòû óïðàâëåíèÿ íà ïåðåäíåé ïàíåëè
6
Ïó
ëüò äèñòàíöèîííîãî
ó
ïðàâëåíèÿ
7
Î
áùèå îïåðàöèè
8
Óï
ð
àâëåíèå
ð
àäèîï
ð
èåìíèêîì 1
0
Î
ïåðàöèè
ó
ïðàâëåíèÿ âîñïðîèçâåäåíèåì òðåêîâ 11
Î
ñíîâíûå îïåðàöèè ïî èçìåíåíèþ íàñòðîåê
ó
ñòðîéñòâà 1
3
Èñïîëüçîâàíèå êà
ð
ò ïàìÿòè
S
D/U
S
B 1
6
Ð
åæèì
AV
17
Î
ñíîâíûå òåõíè÷åñêèå õà
ð
àêòå
ð
èñòèêè 17
Óñòàíîâêà óñòðîéñòâà 1
8
Ïåðâûé âàðèàíò óñòàíîâêè óñòðîéñòâà 1
8
Âòîðîé âàðèàíò óñòàíîâêè óñòðîéñòâà 1
9
Ñ
úåìíàÿ ïåðåäíÿÿ ïàíåëü óñòðîéñòâà
20
Ñ
õåìà ïîäêëþ÷åíèÿ ïðîâîäîâ óñòðîéñòâà
22
Íàçíà÷åíèå ï
ð
îâîäîâ
23
Òåõíè÷åñêèå äîïóñêè íà âîçìîæíûå íåçíà÷èòåëüíûå äåôåêòû èçîáðàæåíèÿ
2
4
Ý
êñïë
ó
àòàöèîííûå îãðàíè÷åíèÿ è òåê
ó
ùèé ðåìîíò
2
4
Äëÿ áåçîïàñíîãî
ó
ïðàâëåíèÿ àâòîìîáèëåì
26
Õðàíåíèå, òðàíñïîðòèðîâàíèå, ðåñ
ó
ðñ,
ó
òèëèçàöèÿ
26
Ãà
ð
àíòèè ïîñòàâùèêà
2
7
Ðàñøèôðîâêà äàòû âûï
ó
ñêà
ó
ñòðîéñòâà,
ó
êàçàííîé â ñåðèéíîì íîìåðå
2
7
Ä
ëÿ çàìåòîê
2
8

2PROLOGY DVU-1500
Ðóêîâîäñòâî ïîëüçîâàòåëÿ îïðåäåëÿåò ïîðÿäîê óñòàíîâêè è ýêñïëóàòàöèè FM/
ÓÊÂ-ï
ð
èåìíèêà è ï
ð
îèã
ð
ûâàòåëÿ JPEG/MP3/MPEG4/WMA-
ô
àéëîâ (äàëåå
ó
ñòðîéñòâà) â àâòîìîáèëå ñ íàïðÿæåíèåì áîðòîâîé ñåòè 1
2
Â. Óñòàíîâê
ó
ó
ñòðîé
-
ñòâà ðåêîìåíäóåòñÿ ïðîèçâîäèòü ñ ïðèâëå÷åíèåì ñïåöèàëèñòà ïî ýëåêòðîî
á
îðó
-
ä
îâàíèþ àâòîìîáèëåé
.
Ñàìîñòîÿòåëüíîå âñêðûòèå
ó
ñòðîéñòâà, ìåõàíè÷åñêèå ïîâðåæäåíèÿ è íàð
ó
øåíèå
ï
ðà
âèë
ý
ê
ñ
ïë
óà
ò
à
öèè ìîã
ó
ò ï
ð
èâ
åñ
òè ê
å
ãî í
å
è
ñ
ï
ðà
âíî
ñ
òÿì è ê ëèø
å
íèþ ï
ðà
â
à
í
à
ãàðàíòèéíîå îáñë
ó
æèâàíèå
.
Ï
ðè ïîêóïêå óñòðîéñòâà òðåáóéòå ïðîâåðêè åãî ðàáîòîñïîñîáíîñòè.
Ó
áåäèòåñü,
÷òî â ãàðàíòèéíîì òàëîíå íà óñòðîéñòâî ïîñòàâëåí øòàìï ìàãàçèíà, ðàç
á
îð÷è
-
âàÿ ïîäïèñü è äàòà ïðîäàæè
.
Â
ñâÿçè ñ ïîñòîÿííîé ðàáîòîé ïî ñîâåðøåíñòâîâàíèþ
ó
ñòðîéñòâà, ïîâûøàþùåé
åãî íàäåæíîñòü è
ó
ë
ó
÷øàþùåé ýêñïë
ó
àòàöèîííûå õàðàêòåðèñòèêè, â êîíñòð
ó
êöèþ
è ñåðâèñíûå ìåíþ óïðàâëåíèÿ ìîãóò
á
ûòü âíåñåíû èçìåíåíèÿ, íå îòðàæåííûå â
íàñòîÿùåì Ðóêîâîäñòâå
.
Ï
ðåæäå ÷åì âêëþ÷èòü óñòðîéñòâî, âíèìàòåëüíî îçíàêîìüòåñü ñ íàñòîÿùèì
Ð
óêîâîäñòâîì ïî ýêñïëóàòàöèè
.
Íàçíà÷åíèå óñòðîéñòâà
Óñòðîéñòâî Prolog
y
DVU-1500 ïðåäíàçíà÷åíî äëÿ âîñïðîèçâåäåíèÿ ôàéëîâ ñ
êàðò ïàìÿòè
S
D/U
S
B ôîðìàòîâ MP
3
, JPE
G
, WMA èëè MPE
G
4 è ïðîñë
ó
øèâàíèÿ
ð
àäèîñòàíöèé ñ èñïîëüçîâàíèåì âñò
ð
îåííîãî FM/ÓÊÂ-òþíå
ð
à
.
Óñò
ð
îéñòâî îáåñïå÷èâàå
ò
:
•
âîñï
ð
îèçâåäåíèå öâåòíîãî èçî
áð
àæåíèÿ ÷å
ð
åç êîìïîçèòíûé âèäåîâûõîä â
ñ
èñòåìàõ
ö
âåòíîñòè NT
SC
/PAL;
•
ï
ð
èåì
ð
àäèîñòàíöèé â äèàïàçîíàõ FM è ÓÊÂ
;
•âîñïðîèçâåäåíèå çâóêà ÷åðåç âíåøíèå ãðîìêîãîâîðèòåëè èëè ÷åðåç ëèíå
é-
íûé âûõî
ä
R
C
A
.

3
Ôóíêöèè óñòðîéñòâà
•
Âñòðîåííûé øèðîêîôîðìàòíûé ÆÊ-ìîíèòîð ñ äèàãîíàëüþ
3
,5” (88 ìì
)
•
Ñ
èñòåìû
ö
âåòíîñòè PAL/NT
SC
•
Ì
àêñèìàëüíàÿ âûõî
ä
íàÿ ìî
ù
íîñòü
4
õ 55
Âò
•
Âûñîêîñêî
ð
îñòíîé öè
ôð
îâîé PLL òþíå
ð
•
Ïàìÿòü íà
30
ð
àäèîñòàíöèè (18 FM, 1
2
Ñ
Â
)
•
Ñ
îâìåñòèìîñòü ñ ôîðìàòàìè MP
3
, MPE
G
4, WMA, JPE
G
•
Ñëîò äëÿ êàðò ïàìÿòè SD
•
Ïîääå
ð
æêà êà
ð
ò ïàìÿòè ñ èíòå
ðô
åéñîì U
S
B
•
Ä
èñòàíöèîííîå óïðàâëåíèå
•
À
ó
äèî/âèäåîâõîä mini-Jack íà ïåðåäíåé ïàíåëè
•Âè
ä
åîâûõî
ä
R
CA
•
Âèäåîâõîä RCA äëÿ êàìå
ð
û çàäíåãî îáçî
ðà
•
Ñ
òå
ð
åîâûõîä R
CA
•
Ý
ëåêòðîííàÿ ðåãóëèðîâêà ïàðàìåòðî
â
•
Ñ
òàíäàðòíûé ìîíòàæíûé ðàçìåð 1 DIN
•
Ñ
òàíäàðòíûé ðàçúåì I
SO
Êîìïëåêò ïîñòàâêè
Óñòðîéñòâî Prolog
y
DVU-1500 1 øò
.
Ï
àíåëü ïå
ð
åäíÿÿ ñúåìíàÿ 1 øò.
Ôó
òëÿð ïàíåëè ïåðåäíåé ñúåìíîé
1
øò.
Äåêî
ð
àòèâíàÿ âíåøíÿÿ
ð
àìêà 1 øò.
Ï
óëüò äèñòàíöèîííîãî óïðàâëåíèÿ 1 øò.
Ñ
îåäèíèòåëüíûå êàáåëè 1 êîìïëåêò
Ì
îíòàæíûé êîìïëåêò 1 êîìïëåêò
Í
àñòîÿùåå
Ðó
êîâîäñòâî ïîëüçîâàòåëÿ
1
øò.
Ãà
ð
àíòèéíûé òàëîí 1 øò.
È
íäèâèäóàëüíàÿ ïîòðåáèòåëüñêàÿ òàðà 1 êîìïëåêò

4PROLOGY DVU-1500
Äëÿ áåçîïàñíîãî è ýôôåêòèâíîãî èñïîëüçîâàíèÿ óñòðîéñòâà
•
Ä
àííîå
ó
ñòðîéñòâî ÿâëÿåòñÿ òåõíè÷åñêè ñëîæíûì òîâàðîì è îòíîñèòñÿ ê áû
-
òîâîé ðàäèîýëåêòðîííîé àïïàðàòóðå. Ïî
Î
áùåðîññèéñêîìó êëàññèôèêàòîðó
ïðîäóêöèè è óñëóã Óñòðîéñòâî îòíîñèòñÿ ê ãðóïïèðîâêå
3230
115 «Óñòðîéñòâà
ðàäèîïðèåìíûå êîìáèíèðîâàííûå ïðî÷èå» (÷àñòü IV ÎÊÄÏ)
.
•
Ì
îíòàæ è ýêñïë
ó
àòàöèÿ äàííîãî
ó
ñòðîéñòâà äîëæíû îñ
ó
ùåñòâëÿòüñÿ â ñî
-
î
òâåòñòâèè ñ íàñòîÿùèì
Ðó
êîâîäñòâîì.
Ì
îíòàæ
ó
ñòðîéñòâà îñ
ó
ùåñòâëÿåò
-
ñ
ÿ â øòàòíîå ìåñòî â ïàíåëè ïðè
á
îðîâ àâòîìî
á
èëÿ, ïîäêëþ÷åíèå è íàñòðîé
-
êà óñòðîéñòâà ïîïóëÿðíî èçëîæåíû â íàñòîÿùåì Ðóêîâîäñòâå è ìîãóò áûòü
ïðîèçâåäåíû ïîòðåáèòåëåì â ïîëíîì îáú¸ìå ñàìîñòîÿòåëüíî.
Î
äíàêî çàâîä
-
èçãîòîâèòåëü íàñòîÿòåëüíî ðåêîìåíä
ó
åò
Â
àì ïîð
ó
÷èòü ïðîâåäåíèå
ó
êàçàí
-
íîãî êîìïëåêñà ðàáîò ñåðâèñíîì
ó
öåíòð
ó
, ñåðòèôèöèðîâàííîì
ó
ïî Ã
ÎÑ
Ò Ð
5
17
0
9-
200
1 (
Î
ÊÓÍ
0
17
6
1
3
) — óñòàíîâêà íà ëåãêîâîé àâòîìîáèëü äîïîë
-
íèòåëüíîãî ýëåêòðîîáîðóäîâàíèÿ, ñèãíàëèçàöèé è äð. (äàëåå — ñåðòèôèöèðî
-
âàííûé ñåðâèñíûé öåíòð
).
•
Ç
àâîä-èçãîòîâèòåëü íå íåñåò îòâåòñòâåííîñòü çà ïðîáëåìû, âîçíèê
-
øèå âñëåäñòâèå ñàìîñòîÿòåëüíîé óñòàíîâêè óñòðîéñòâà
!
•
Ä
ëÿ ïîäà÷è ïèòàíèÿ íà äàííîå óñòðîéñòâî ìîæåò èñïîëüçîâàòüñÿ òîëüêî
èñòî÷íèê ïèòàíèÿ ñ íàïðÿæåíèåì +1
2
 ïîñòîÿííîãî òîêà; îòðèöàòåëüíàÿ
êëåììà àêê
ó
ì
ó
ëÿòîðíîé áàòàðåè äîëæíà áûòü ñîåäèíåíà ñ «ìàññîé»
.
•
Ï
åðåä
ó
ñòàíîâêîé
ó
ñòðîéñòâà, ïîæàë
ó
éñòà, ïîëíîñòüþ ïðî÷èòàéòå äàííîå
Ðó
êîâîäñòâî.
Ó
ñòàíîâêà
ó
ñòðîéñòâà òðåá
ó
åò ïîäêëþ÷åíèÿ êî ìíîãèì
øòàòíûì ñèñòåìàì àâòîìîáèëÿ. Àâòîìîáèëè èìåþò íèçêîâîëüòíûå
èëè ìóëüòèïëåêñíûå ñèñòåìû, êîòîðûå ìîãóò
á
ûòü ïîâðåæäåíû ïðè
èñïîëüçîâàíèè íèçêîîìíûõ ï
ð
îâå
ð
î÷íûõ ï
ð
è
á
î
ð
îâ, íàï
ð
èìå
ð
, ï
ð
îâå
ð
î÷íûõ
ëàìï èëè ëîãè÷åñêèõ ïðîáíèêîâ
(
êîòîðûå èñïîëüç
ó
þòñÿ äëÿ òåñòèðîâàíèÿ
êîìïüþòå
ð
îâ
)
. Äëÿ ï
ð
îâå
ð
êè âñåõ øòàòíûõ öåïåé àâòîìîáèëÿ ïå
ð
åä
ïîäêëþ÷åíèåì óñòàíàâëèâàåìîãî óñòðî
é
ñòâà èñïîëüçó
é
òå òîëüêî
âûñîêîêà÷åñòâåííûé öè
ô
ðîâîé ìóëüòèìåòð
.
•
Í
å ïûòàéòåñü â ñë
ó
÷àå ïîëîìêè îòêðûòü êîðï
ó
ñ
ó
ñòðîéñòâà è îòðåìîíòèðî
-
âàòü åãî ñàìîñòîÿòåëüíî.
Å
ñëè
ó
ñòðîéñòâî íå ðàáîòàåò ïðàâèëüíî, îáðàòèòåñü
ê ñîîòâåòñòâ
ó
þùåì
ó
ðàçäåë
ó
äàííîãî Ð
ó
êîâîäñòâà.
Î
øèáêè, äîï
ó
ùåííûå ïðè
óñòàíîâêå è ýêñïëóàòàöèè óñòðîéñòâà, ìîãóò
á
ûòü èíîãäà ïðèíÿòû çà åãî íåèñ
-
ïðàâíîñòü.
Å
ñëè íåèñïðàâíîñòü íå óñòðàíåíà, îáðàòèòåñü â ñåðâèñíûé öåíòð
.
•
Ï
ðè ìîéêå àâòîìîáèëÿ ñëåäèòå, ÷òîáû âíóòðü óñòðîéñòâà íå ïîïàëà âîäà, òàê êàê
ýòî ìîæåò ïðèâåñòè ê åãî ïîâðåæäåíèþ.
Í
åäîïóñòèìî ïîïàäàíèå æèäêîñòåé â
óñòðîéñòâî ïðè ìîéêå ïàíåëè ïðèáîðîâ, âíóòðåííåé ÷àñòè âåòðîâîãî ñòåêëà è
/
èëè ñëó÷àéíîå ïðîëèòèå æèäêîñòè íà ïðè
á
îðíóþ ïàíåëü, à òàêæå ÷åðåç íåïëîò
-
íîñòè ìîòîðíîãî ùèòà ïðè ìî
é
êå ìîòîðíîãî îòñåêà, ïðè ïîäà÷å ìîþùå
é
ñìåñè
ïîä äàâëåíèåì, ò.ê. ýòî ìîæåò ïðèâåñòè ê âûõîäó èç ñòðîÿ óñòðî
é
ñòâà.
•
Ï
îñëå èñïîëüçîâàíèÿ àâòîìîáèëÿ íà îòêðûòîì âîçäóõå â ëåòíèé ïåðèîä
íåî
á
õîäèìî ïûëåñîñèòü ñàëîí â öåëÿõ ñ
á
îðà âîçìîæíûõ òðóïîâ íàñåêîìûõ è
íåïîïàäàíèÿ èõ âíóòðü óñòðîéñòâà è åãî ñîñòàâíûõ ÷àñòåé.
Ï
îïàäàíèå âíóòðü
ó
ñòðî
é
ñòâà è åãî ñîñòàâíûõ ÷àñòå
é
íàñåêîìûõ íåäîï
ó
ñòèìî
.

5
•
Òåìïåðàò
ó
ðà
.
Ó
ñòðîéñòâî ìîæåò ðàáîòàòü íåïðàâèëüíî ïðè ýêñòðåìàëüíî
âûñîêèõ èëè ýêñòðåìàëüíî íèçêèõ òåìïåðàò
ó
ðàõ.
Â
òàêîì ñë
ó
÷àå ïðåêðàòèòå
èñïîëüçîâàòü óñòðî
é
ñòâî äî òåõ ïîð, ïîêà òåìïåðàòóðà íå ñòàíåò íîðìàëüíî
é
,
ó
ñòðîéñòâî îáîð
ó
äîâàíî âñòðîåííîé ñõåìîé çàùèòû.
Ê
îãäà òåìïåðàò
ó
ðà âí
ó-
òðè
ó
ñòðî
é
ñòâà ïîâûøàåòñÿ äî îïðåäåëåííî
é
âåëè÷èíû, ñõåìà çàùèòû àâòî
-
ìàòè÷åñêè îñòàíàâëèâàåò âîñïðîèçâåäåíèå.
Â
ýòîì ñëó÷àå äàéòå óñòðîéñòâó
âîçìîæíîñòü îõëàäèòüñÿ, à çàòåì ñíîâà âêëþ÷èòå âîñï
ð
îèçâåäåíèå
.
• Êîíäåíñàò
.
 äîæäëèâóþ ïîãîäó èëè â óñëîâèÿõ ïîâûøåííîé âëàæíîñòè, à
òàêæå â õîëîäíîå âðåìÿ ãîäà ñðàç
ó
æå ïîñëå òîãî, êàê âêëþ÷åí î
á
îãðåâàòåëü
(îòîïèòåëü) ñàëîíà àâòîìîáèëÿ, âí
ó
òðè
ó
ñòðîéñòâà ìîæåò ñêîíäåíñèðîâàòüñÿ
âëàãà.
Â
ñëó÷àå âîçíèêíîâåíèÿ êîíäåíñàöèè âëàãè óñòðîéñòâî ìîæåò ðàáîòàòü
íåïðàâèëüíî.
Ä
ëÿ
ó
ñòðàíåíèÿ òàêîé íåèñïðàâíîñòè îòêëþ÷èòå
ó
ñòðîéñòâî è
ïîäîæäèòå, ïîêà ñêîíäåíñè
ð
îâàâøàÿñÿ âëàãà íå èñïà
ð
èòñÿ (îêîëî ÷àñà).
•
Î
÷èñòêà
.
Í
å ïûòàéòåñü î÷èùàòü óñòðîéñòâî ñ ïîìîùüþ êàêèõ-ëèáî õèìè÷å-
ñ
êèõ â
å
ù
åñ
òâ, ò
à
ê ê
à
ê
ý
òî ìîæ
å
ò ï
ð
èâ
åñ
òè ê
ó
õ
ó
äø
å
íèþ
å
ãî âí
å
øí
å
ãî âèä
à
.
Ä
ëÿ î÷èñòêè êîðïóñà óñòðîéñòâà èñïîëüçóéòå òîëüêî ÷èñòóþ è ñóõóþ òêàíü
.
•
Ä
ëÿ òîãî ÷òîáû èçáåæàòü ïîâðåæäåíèÿ æèäêîêðèñòàëëè÷åñêîãî ìîíèòîðà
ñëåäèòå çà òåì, ÷òî
á
û âíóòðü ìîíèòîðà íå ïîïàëà âîäà èëè êàêèå-ëè
á
î íàïèò-
êè
(
æèäêîñòè
)
.  ñëó÷àå ïîïàäàíèÿ æèäêîñòè âíóòðü æèäêîêðèñòàëëè÷åñêîãî
ìîíèòî
ðà
âûêëþ÷èò
å
ïèò
à
íè
å
, îòêëþ÷èò
å
ï
ðå
äîõ
ðà
íèò
å
ëü ö
å
ïè ïèò
à
íèÿ è ê
à
ê
ìîæíî ñêî
ð
åå î
áð
àòèòåñü â ñå
ð
âèñíûé öåíò
ð.
•
Ñëåäèòå çà òåì, ÷òîáû âí
ó
òðü æèäêîêðèñòàëëè÷åñêîãî ìîíèòîðà ÷åðåç âåí-
òèëÿöèîííû
å
îòâ
åðñ
òèÿ í
å
ïîï
à
ä
à
ëè ì
å
ò
à
ëëè÷
åñ
êè
å
èëè ë
å
ãêîâî
ñ
ïë
à
ì
å
íÿþ
-
ùèåñÿ ïðåäìåòû
.

6
PROLOGY DVU-1500
Ýëåìåíòû óïðàâëåíèÿ íà ïåðåäíåé ïàíåëè
1
.
Ê
íîïêà îòêèäûâàíèÿ ïåðåäíåé ïàíåëè
2
.
Â
îçâðàò â ïðåäûäóùåå ìåíþ E
SC
3
. Êíîïêà âêëþ÷åíèÿ/îòêëþ÷åíèÿ ïèòàíèÿ
(
äîëãîå íàæàòèå
)
, âêëþ÷åíèÿ
/
îò
-
êëþ÷åíèÿ çâóêà
(
êîðîòêîå íàæàòèå
)
MUTE
4
.
Ê
íîïêà : ïåðåìåùåíèå ê
ó
ðñîðà ââåðõ; âûáîð ïðåäûä
ó
ùåé ñîõðàí¸ííîé ðàäè
-
î
ñòàíöèè; ïåðåõîä ïî äåðåâ
ó
êàòàëîãîâ íà îäèí
ó
ðîâåíü ââåðõ (USB/SD/MP3)
5
. Âðàùàþùèéñÿ ðåã
ó
ëÿòîð ãðîìêîñòè; âõîä â ðåæèì íàñòðîåê
ó
ñòðîéñòâà
(
äîë
-
ãîå íàæàòèå
)
; âõîä â ðåæèì íàñòðîåê çâó÷àíèÿ
(
êîðîòêîå íàæàòèå
)
6
. ÈÊ-ïðè¸ìíèê ñèãíàëîâ äèñòàíöèîííîãî óïðàâëåíè
ÿ
7
.
Ê
íîïêà ïîäòâå
ð
æäåíèÿ âûáî
ð
à â ìåíþ íàñò
ð
îåê
O
K
,
î
ñ
ò
à
íîâê
à
à
âòîì
à
òè÷
å-
ñ
êîãî ïîè
ñ
ê
à
ðà
äèî
ñ
ò
à
íöè
è
8
.
Ä
èñïëå
é
9
.Êí
î
ïêà : ïåðåõîä ê ïðåäûäóùåìó òðåêó; àâòîìàòè÷åñêàÿ íàñòðî
é
êà íà ðà
-
ä
èîñòàíöèè â íàïðàâëåíèè óìåíüøåíèÿ ÷àñòîòû íàñòðî
é
êè; ðó÷íàÿ íàñòðî
é-
êà íà ðàäèîñòàíöèè â íàïðàâëåíèè
ó
ìåíüøåíèÿ ÷àñòîòû íàñòðîéêè
(
äîëãîå
íàæàòèå
)
; âêëþ÷åíèå ðåæèìà
ó
ñêîðåííîãî âîñïðîèçâåäåíèÿ â îáðàòíîì íà
-
ï
ð
àâëåíèè
(
äîëãîå íàæàòèå
)
1
0
. Êíîïêà âûáî
ð
à äèàïàçîíà
ð
àäèîï
ð
è¸ìíèêà
BAND
,
êíîïêà ïàóçû è âîçî
á-
íîâë
å
íèÿ âî
ñ
ï
ð
îè
ç
â
å
ä
å
íèÿ
11
.
Ê
íîïêà âûáîðà èñòî÷íèêà ñèãíàë
à
S
R
C
(
êîðîòêîå íàæàòèå
)
, âûõîä â ìåíþ
âûáîðà èñòî÷íèêà ñèãíàëà
(
äîëãîå íàæàòèå
)
1
2
.
Ê
íîïêà : ïåðåìåùåíèå êóðñîðà âíèç; ïåðåõîä ê ñëåäóþùå
é
ñîõðàí
¸
ííî
é
ðàäè
-
î
ñòàíöèè; ïåðåõîä ïî äåðåâó êàòàëîãîâ íà îäèí óðîâåíü âíèç (U
S
B/
S
D/MP
3)
1
3
.
Ë
èíåéíûé àóäèî
/
âèäåîâõîä
Mi
n
i
-
J
ac
k
AUX
IN
14
.
Ê
íîïêà îñòàíîâêè âîñïðîèçâåäåíèÿ, àâòîìàòè÷åñêîãî ñîõðàíåíèÿ íàñòðîéêè
íà ðàäèîñòàíöèè â ïàìÿòè óñòðîéñòâà
(
äîëãîå íàæàòèå
)
è ñêàíèðîâàíèÿ ïðåä
-
âàðèòåëüíî íàñòðîåííûõ ðàäèîñòàíöèé
(
â ðåæèìå ðàäèîïðèåìíèêà
)
/
AM
S
1
5.
Ê
íîïêà
: ïåðåõîä ê ñëåäóþùåìó òðåêó; àâòîìàòè÷åñêàÿ íàñòðîéêà íà ðàäè-
î
ñòàíöèè â íàïðàâëåíèè
ó
âåëè÷åíèÿ ÷àñòîòû íàñòðî
é
êè; ð
ó
÷íàÿ íàñòðî
é
êà íà
ðàäèîñòàíöèè â íàïðàâëåíèè
ó
âåëè÷åíèÿ ÷àñòîòû íàñòðîéêè
(
äîëãîå íàæàòèå
)
;
âêëþ÷
å
íè
å
ðå
æèì
à
óñ
êî
ðå
ííîãî âî
ñ
ï
ð
îè
ç
â
å
ä
å
íèÿ â ï
ð
ÿìîì í
à
ï
ðà
âë
å
íè
è
1
6
.U
S
B-ðàçú¸
ì

7
Ïóëüò äèñòàíöèîííîãî óïðàâëåíèÿ
1. Êíîïêà âêëþ÷åíèÿ
/
îòêëþ÷åíèÿ ïèòàíèÿ
2.
Êíîïêà âûçîâà ìåíþ íàñò
ð
îåê
S
ETU
P
3
.
Ê
íîïêè óïðàâëåíèÿ ïåðåìåùåíèåì êóð
-
ñî
ð
à
4.
Êíîïêà ïîäòâå
ð
æäåíèÿ âûáî
ð
à
ENTER
5
. Êíîïêà ïðîãðàììèðîâàíèÿ ïîðÿäêà âîñ
-
ï
ð
îèçâåäåíèÿ PROG
6
. Öèôðîâàÿ êëàâèàòóðà
7. Êíîïêà âûáîðà ïàðàìåòðà çâ
ó
÷àíèÿ
S
E
L
8. Êíîïêè ðåã
ó
ëèðîâêè ãðîìêîñòè èëè âû
-
áðàííîãî ïàðàìåòðà çâó÷àíèÿ VOL-,
V
O
L
+
9
. Êíîïêè íàñò
ð
îéêè
ð
àäèîï
ð
èåìíèêà è
ïåðåõîäà ê ïðåäûä
ó
ùåì
ó
/ñëåä
ó
þùåì
ó
ò
ðå
ê
ó
/
1
0
. Êíîïêà âûáîðà ðåæèìà ðàáîòû
S
R
C
11.
Êíîïêà
ó
âåëè÷åíèÿ èçîáðàæåíèÿ Z
OO
M
12. Êíîïêà
ó
ïðàâëåíèÿ ðåæèìîì ïîâòîðíîãî
âî
ñ
ï
ð
îè
ç
â
å
ä
å
íèÿ
REPEAT
1
3
. Êíîïêà ïîâòî
ð
íîãî âîñï
ð
îèçâåäåíèÿ ï
ð
î
-
èçâîëüíîãî ó÷àñòêà çàïèñè A-
B
14
.
Ê
íîïêà îñòàíîâêè âîñï
ð
îèçâåäåíèÿ
1
5
. Êíîïêà ïàóçû/âîñïðîèçâåäåíèÿ
1
6
.
Ê
íîïêà ïåðåõîäà ê ïðîèçâîëüíîì
ó
ìåñò
ó
çàïèñè
GO
T
O
17. Êíîïêà âûâîäà íà ýê
ð
àí êîíòåêñòíîãî ìåíþ, ïîèñêà è ñîõ
ð
àíåíèÿ
ðàäèîñòàíöèé â ïàìÿòè óñòðîéñòâà
OS
D
/
AM
S
1
8
.
Ê
íîïêà âûáî
ð
à
ð
åæèìà äåìîíñò
ð
àöèè â
ð
åìåíè âîñï
ð
îèçâåäåíèÿ è âîçâ
ð
àòà
â ï
ðå
äûäóù
åå
ì
å
íþ DI
S
P/E
SC
1
9
.
Ê
íîïêà âûáîðà ñèñòåìû öâåòíîñòè
ó
ñòðîéñòâà è âûáîðà äèàïàçîíà ðàäèî-
ï
ð
è
å
ìíèê
à
BAND/P/N
20
.
Ê
íîïêà îòêëþ÷åíèÿ çâóêà M
U
TE
Èñïîëüçîâàíèå ïóëüòà äèñòàíöèîííîãî óïðàâëåíè
ÿ
•
Ï
ðè èñïîëüçîâàíèè ïóëüòà äèñòàíöèîííîãî óïðàâëåíèÿ íàïðàâëÿéòå åãî íà
âñòðîåííûé
ÈÊ
-ïðèåìíèê ñèãíàëîâ
ÄÓ.
•
Ä
àëüíîñòü äåéñòâèÿ ïóëüòà äèñòàíöèîííîãî óïðàâëåíèÿ ñîñòàâëÿåò
4
-5 ìå-
ò
ð
îâ
.
•
Î
òêëîíåíèå ïî ãîðèçîíòàëè îò ïðÿìîãî íàïðàâëåíèÿ íà ÈÊ-ïðèåìíèê íå
äîëæíî ïðåâûøàòü
30°
Óñòàíîâêà áàòàðååê â ï
ó
ëüò äèñòàíöèîííîãî
ó
ïðàâëåíè
ÿ
1
.
È
çâëåêèòå áàòàðåéíûé ìîä
ó
ëü, ðàñïîëîæåííûé â òîðöå ï
ó
ëüòà äèñòàíöèîí
-
íîãî
ó
ï
ðà
âë
å
íèÿ, í
à
æ
à
â í
à
âû
ñ
ò
ó
ï è ïîòÿí
ó
â, ê
à
ê ïîê
àçà
íî í
à
ð
è
ñó
íê
å
.
2
.
Ó
ñòàíîâèòå íîâóþ áàòàðåéêó, ïðàâèëüíî ðàñïîëîæèâ êîíòàêòû «+» è «–».
Ç
àòåì âñòàâüòå áàòàðåéíûé ìîä
ó
ëü â ï
ó
ëüò äî ùåë÷êà. Ïîäõîäÿùèé òèï ëèòè-
åâûõ áàòàðååê -
C
R
202
5
.

8
PROLOGY DVU-1500
Îáùèå îïåðàöèè
Âêëþ÷åíèå óñòðîéñòâà
Ä
ëÿ âêëþ÷åíèÿ óñòðîéñòâà íàæìèòå êíîïêó íà ïåðåäíå
é
ïàíåëè óñòðî
é
ñòâà èëè
íà ïóëüòå ÄÓ
(
1
)
(
ñòð. 7
)
.
Âûêëþ÷åíèå óñòðîéñòâà
Äëÿ âûêëþ÷åíèÿ óñòðîéñòâà íàæìèòå è óäåðæèâàéòå íå ìåíåå
2
-õ ñåêóíä êíîïêó
íà ïåðåäíåé ïàíåëè (3) (ñòð. 6) èëè íàæìèòå êíîïê
ó
íà ï
ó
ëüòå ÄÓ (1) (ñòð. 7).
Î
òêëþ÷åíèå çâ
ó
ê
à
Äëÿ îòêëþ÷åíèÿ çâ
ó
êà íàæìèòå êíîïê
y
(
3
) (ñòð.
6
) íà ïåðåäíåé ïàíåëè
ó
ñòðîé
-
ñòâà èëè êíîïêó M
U
TE (
20
) (ñòð.
6
) íà ïóëüòå ÄÓ. Íà äèñïëåå óñòðîéñòâà áóäåò ìè
-
ãàòü íàäïèñü MUTE.
Ðåã
ó
ëèðîâêà ãðîìêîñòè
Äëÿ
ó
âåëè÷åíèÿ ãðîìêîñòè âðàùàéòå ðåã
ó
ëÿòîð (5) (ñòð.
6
) ïî ÷àñîâîé ñòðåëêå èëè
íàæèìà
é
òå êíîïêó V
O
L+
(8)
(
ñòð. 7
)
. Äëÿ óìåíüøåíèÿ ãðîìêîñòè âðàùàéòå ðåãó
-
ëÿòîð (5) (ñòð.
6
) ïðîòèâ ÷àñîâîé ñòðåëêè èëè íàæèìàéòå êíîïê
ó
V
O
L-
(8)
(
ñò
ð
.7
)
ï
ó
ëüòà ÄÓ. Äèàïàçîí ðåã
ó
ëèðîâêè ãðîìêîñòè - îò
0
(ìèíèì
ó
ì) äî
3
9 (ìàêñèì
ó
ì)
.
Âûáî
ð
èñòî÷íèêà ñèãíàë
à
Ï
îñëåäîâàòåëüíî íàæèìàéòå êíîïêó
S
R
C
í
à ïåðåäíåé ïàíåëè (11) (ñòð.
6
)
èëè íà ïóëüòå ÄÓ (1
0
) (ñòð. 7) äëÿ âûáîðà îäíîãî èç èñòî÷íèêîâ ñèãíàëà â
ñ
ë
å
äóþù
å
ì ïî
ð
ÿäê
å
.
Radi
o
(
ðàäèîïðèåìíèê
)
US
B
*
(êàðòà ïàìÿòè U
S
B)
S
D* (êàðòà ïàìÿòè
S
D)
A
V
(àóäèî/âèäåîâõîä íà ïåðåäíåé ïàíåëè)
V
…
*
Ïðè óñëîâèè, ÷òî ê óñòðîéñòâó ïîäêëþ÷åíà ñîîòâåòñòâóþùàÿ êàðòà ïàìÿòè
.
21
(CR 2025)
!
•Íèêîãäà íå èñïîëüçóéòå ìåòàëëè
-
÷åñêèé ïèíöåò èëè äð
ó
ãîé ïîäîá-
íûé èíñòð
ó
ìåíò äëÿ òîãî, ÷òîáû
ä
åðæàòü áàòàðåéê
ó
.
Ý
òî ìîæåò ïðè-
âåñòè ê êîðîòêîìó çàìûêàíèþ
.
•Íèêîãäà íå
ð
àçáè
ð
àéòå áàòà
ð
åéêè,
íå ïîäâåðãàéòå èõ ñèëüíîì
ó
íàãðåâàíèþ è íå êëàäèòå èõ â âîä
ó
, òàê êàê ýòî
ìîæåò ïðèâåñòè ê èõ íàãðåâàíèþ ñ áîëüøèì âûäåëåíèåì òåïëà
.
•
Êîãäà çàðÿä áàòàðååê èçðàñõîäîâàí, îíè äîëæíû áûòü óòèëèçèðîâàíû â ñîîò
-
âåòñòâèè ñ ìåñòíûìè çàê
î
íàìè
.

9
Í
àñòðîéêà çâ
ó
÷àíèÿ è èçîáðàæåíè
ÿ
Äëÿ âûáîðà æåëàåìîãî ðåæèìà íàñòðîéêè çâ
ó
÷àíèÿ êðàòêîâðåìåííî íàæèìàéòå
íà ðåã
ó
ëÿòîð ïàðàìåòðîâ (5) (ñòð.
6
).
Ð
åæèìû âûáèðàþòñÿ â ñëåä
ó
þùåì ïîðÿäêå
:
EQ
(
ýêâàëàéçå
ð)
BA
SS/
ÁÀ
Ñ
(
íèçêèå ÷àñòîòû
)
TRE
/
ÂÛ
ÑÎ
Ê
(
âûñîêèå ÷à-
ñòîòû
)
BAL
/
ÁÀ
Ë
(áàëàíñ ëåâîãî – ïðàâîãî êàíàëîâ)
Ë
F
AD
(
áàëàíñ ïå
ð
åä
-
í
èõ – òûëîâûõ êàíàëîâ
)
B
RI
/
ßÐ
Ê
(ÿðêîñòü)
Ê
CO
N
/
Ê
Î
Í
Ò
(
êîíò
ð
àñòíîñòü
)
S
AT/ÍÀ
Ñ
Û
Ù
(
íàñû
ù
åííîñòü
)
..
.
Í
àñòðîéêà æåëàåìîãî çâó÷àíèÿ îñóùåñòâëÿåòñÿ âðàùåíèåì ðåãóëÿòîðà ïàðàìå-
òðîâ (5) (ñòð.
6
). Ïðè ïîìîùè îïöèè E
Q
ìîæíî âûáðàòü íàèáîëåå ïðèÿòíóþ äëÿ âà-
øåãî ñëóõà íàñòðî
é
êó çâó÷àíèÿ
:
USER/ÏÎËÜÇ.
FLAT/ÐÎÂÍ
POP/ÏÎÏ
ROCK/ÐÎÊ
CLASSIC/ÊËÀÑÑ.
J
AZZ/
Ä
ÆÀ
Ç…
Â
î âðåìÿ ðàáîòû ëþáîãî ðåæèìà âîñïðîèçâåäåíèÿ íàæìèòå è
ó
äåðæèâàéòå êíîï-
êó
S
R
C
íà ïåðåäíåé ïàíåëè (11) (ñòð.
6
) èëè íà ïóëüòå ÄÓ (1
0
) (ñòð.7). Íà äèñïëåå
ó
ñòðîéñòâà ïîÿâèòñÿ ñïèñîê èñòî÷íèêîâ ñèãíàëà
:
È
ñïîëüçóÿ êíîïêè íàâèãàöèè âûáåðèòå èñòî÷íèê è íàæìèòå êíîïêó ÎÊ (7) (ñòð. 6)
íà ïåðåäíå
é
ïàíåëè óñòðî
é
ñòâà èëè êíîïêó
ENTER
(
4
)
(
ñòð.7
)
íà ïóëüòå ÄÓ
.
Ä
ëÿ âîçâðàòà â ïðåäûäóùèé ðåæèì ðàáîòû óñòðîéñòâà íàæìèòå êíîïêó ESC (2)
(ñòð.
6
) íà ëèöåâîé ïàíåëè èëè íà ïóëüòå ÄÓ (18) (ñòð.7
)

10
PROLOGY DVU-1500
Âûáîð äèàïàçîíà ðàäèîïðèåìíèêà
Ä
ëÿ ïåðåêëþ÷åíèÿ äèàïàçîíîâ ðàäèîïðèåìíèêà íàæèìàéòå êíîïêó BAND í
à
ï
å-
ðåäíåé ïàíåëè (1
0
) (ñòð.
6
) èëè íà ïóëüòå ÄÓ (19) (ñòð. 7)
.
Äèàïàçîíû á
ó
ä
ó
ò ïåðåêëþ÷àòüñÿ öèêëè÷åñêè â ñëåä
ó
þùåì ïîðÿäêå
:
FM1
FM2
FM
3
FM FM1
Ï
ð
èìå÷àíè
å
.
Ä
èàïàçîí
FM
ñîîòâåòñòâ
ó
åò äèàïàçîí
ó
ÓÊÂ
.
Àâòîìàòè÷åñêàÿ íàñò
ð
îéêà íà
ð
àäèîñòàíöè
þ
Íàæìèòå êíîïê
ó
äëÿ àâòîìàòè÷åñêîãî ïîèñêà
ð
àäèîñòàíöèè â íàï
ð
àâëåíèè
ó
âåëè÷åíèÿ ÷àñòîòû íàñòðîéêè. Íàæìèòå êíîïê
ó
äëÿ àâòîìàòè÷åñêîãî ïîèñêà
ðàäèîñòàíöèè â íàïðàâëåíèè
ó
ìåíüøåíèÿ ÷àñòîòû íàñòðîéêè
.
Ðó
÷íàÿ íàñòðîéêà íà ðàäèîñòàíöè
þ
Íàæìèòå è
ó
äåðæèâàéòå êíîïêè
/
äëÿ ïåðåõîäà â ðåæèì ð
ó
÷íîé íàñòðîéêè
íà ðàäèîñòàöèþ. Äëÿ
ó
âåëè÷åíèÿ ÷àñòîòû íàñòðîéêè íà îäèí øàã êðàòêîâðåìåí
-
íî í
à
æìèò
å
êíîïê
ó
.
Ä
ëÿ
ó
ìåíüøåíèÿ ÷àñòîòû íàñòðîéêè íà îäèí øàã êðàòêîâ
-
ðåìåííî íàæìèòå êíîïê
ó
.
Ï
ðèìå÷àíèå.
Â
ûõîä èç ðåæèìà ðó÷íîãî ïîèñêà îñóùåñòâëÿåòñÿ, åñëè â òå÷åíèå
5
-òè ñåêóíä íå íàæèìàëèñü êíîïêè
/
Ðó÷íîå ñîõðàíåíèå íàñòðîéêè íà ðàäèîñòàíöèþ â ïàìÿòè óñòðîéñòâ
à
Í
àñòðîéòåñü íà íåîáõîäèìóþ ðàäèîñòàíöèþ è óäåðæèâàéòå â íàæàòîì ïîëîæå
-
íèè íå ìåíåå
2
ñåêóíä êíîïêó
OK
(
7) (ñòð.
6
) íà ïåðåäíåé ïàíåëè. Íà äèñïëåå áó
-
äåò ìèãàòü íîìåð çàïèñûâàåìîãî êàíàëà (
2
) (ñòð. 1
0
). Íàæèìàéòå
/
/
äëÿ âûáî-
ðà íîìåðà êàíàëà ïðåäâàðèòåëüíî íàñòðîåííîé ðàäèîñòàíöèè.
Í
àæìèòå
OK
(
7
)
(
ñòð.
6
)
ä
ëÿ ñîõðàíåíèÿ ðàäèîñòàíöèè ïîä âûáðàííûì íîìåðîì êàíàëà
.
Èëè íàæìèòå îäíó èç êíîïîê öèôðîâîé êëàâèàòóðû
(
1
–
6
) íà ïóëüòå ÄÓ (
3
) (ñòð. 7)
è
ó
äåðæèâàéòå åå â íàæàòîì ïîëîæåíèè íå ìåíåå
2
ñåê
ó
íä. Â ïàìÿòü äàííîé êíîï
-
êè á
ó
äåò çàïðîãðàììèðîâàíà ðàäèîñòàíöèÿ, íà êîòîð
ó
þ íàñòðîåí ðàäèîïðèåìíèê.
Àâòîìàòè÷åñêàÿ íàñòðîéêà íà ðàäèîñòàíöèè ñ ñîõðàíåíèåì â ïàìÿòè
ó
ñòðîéñòâà
Íàæìèòå è
ó
äåðæèâàéòå êíîïê
ó
AM
S
(14) (ñòð.
6
)
í
à ïåðåäíå
é
ïàíåëè èëè íà
Óïðàâëåíèå ðàäèîïðèåìíèêîì
Ï
ðè íåîáõîäèìîñòè ïåðåêëþ÷åíèÿ
ó
ñòðîéñòâà â ðåæèì ðàáîòû ðàäèîïðèåìíèêà
ïîñëåäîâàòåëüíî íàæèìàéòå êíîïê
ó
S
R
C
íà ïå
ð
åäíåé ïàíåëè (11) (ñò
ð
.
6
) èëè
íà ïóëüòå ÄÓ (1
0
) (ñòð.7), ïîêà íà
ä
èñïëåå íå ïîÿâèòñÿ ìåíþ
R
a
dio
:
1
.
È
íäèêàöèÿ ðåæèìà ðàáîò
û
2
.
Í
îìåð êàíàëà ïðåäâàðèòåëüíî
íàñò
ð
îåííî
é
ð
àäèîñòàíöè
è
3
.
Î
òîáðàæåíèå òåê
ó
ùåãî âðåìåí
è
4. Ðà
ä
èî
ä
èàïàçî
í
5.
×
àñòîòà
ð
àäèîñòàíöè
è
6
.
È
íäèêàöèÿ íàñò
ð
îéêè
ýêâàëà
é
çå
ðà

11
Îïåðàöèè óïðàâëåíèÿ âîñïðîèçâåäåíèåì òðåêîâ
Ì
åíþ óïðàâëåíèÿ âîñïðîèçâåäåíèå
ì
Â
î âðåìÿ âîñïðîèçâåäåíèÿ êàðò ïàìÿòè
U
SB/SD, ñîäåðæàùèõ ôàéëû MP3, WMA,
M
PEG-4, JPG, íà äèñïëåé âûâîäèòñÿ
ì
å
íþ óï
ðà
âë
å
íèÿ âî
ñ
ï
ð
îè
ç
â
å
ä
å
íè
å
ì
:
1
.
Í
àçâàíèå
ð
åæèìà
ð
àáîò
û
2. Íîìå
ð
âîñï
ð
îèçâîäèìîãî ò
ð
åêà
/
î
á
ùåå êîëè÷åñòâî ò
ð
åêî
â
3
.
Í
àçâàíèå âîñï
ð
îèçâîäèìîãî ò
ð
åê
à
4. Ðàçäåë à
ó
äèîôàéëî
â
5
. Ðàçäåë
ô
àéëîâ èçîá
ð
àæåíè
é
6
. Ðàçäåë âèäåî
ô
àéëî
â
1
.
Í
àæìèòå êíîïê
ó
íà ï
ó
ëüòå
ÄÓ
èëè êíîïê
ó
íà ïå
ð
åäíåé ïàíåëè äëÿ ïå-
ðåõîäà ê âûáîð
ó
êàòåãîðèé ôàéëîâ. Íàæèìàéòå
/
äëÿ âûáî
ð
à íåîáõî-
äèìîé êàòåãîðèè ôàéëîâ. Íàæìèòå êíîïê
ó
ENTER
(
4
)
(
ñò
ð
. 7
)
í
à ï
ó
ëüòå
ÄÓ èëè êíîïê
ó
,
O
K
(
7) (ñò
ð
.
6
) íà ïå
ð
åäíåé ïàíåë
è
äëÿ ïîäòâå
ð
æäåíèÿ
âûáîðà. Íàæèìàéòå êíîïê
ó
íà ï
ó
ëüòå ÄÓ èëè íà ïå
ð
åäíåé ïàíåëè äëÿ
ïåðåõîäà ê ñïèñê
ó
ôàéëîâ
.
2
.
Â
ûáåðèòå ïàïêó ïðè ïîìîùè êíîïîê óïðàâëåíèÿ êóðñîðîì
/
.
Í
àæìèòå
êí
î
ïê
ó
ENTER
(
4
)
(
ñòð. 7
)
íà ïóëüòå
ÄÓ
èëè êíîïêó
OK
(7) (ñòð.
6
) íà ïåðåä-
íå
é
ïàíåë
è
ä
ëÿ ïîäòâåðæäåíèÿ âû
á
îðà
.
3
.
Ç
àòåì âûáåðèòå ôàéë ïðè ïîìîùè êíîïîê óïðàâëåíèÿ êóðñîðîì
/
.
Í
àæìèòå êíîïê
ó
ENTER
(
4
)
(
ñòð. 7
)
íà ïóëüòå ÄÓ èëè êíîïêó,
O
K (7) (ñòð.
6
) íà
ïåðåäíåé ïàíåëè äëÿ ïîäòâåðæäåíèÿ âûáîðà
.
Ïð
èìå÷àíèå
.
1
.
Â
ðåæèìå âûâîäà èçîáðàæåíèé íàæèìàéòå êíîïêó ïåðåäíå
é
ïàíåëè
óñòðîéñòâà èëè íà ïóëüòå
ÄÓ
äëÿ âêëþ÷åíèÿ
/
îòêëþ÷åíèÿ ðåæèìà ñëàéä-øîó.
 ðåæèìå âîñïðîèçâåäåíèÿ JPE
G
-ôàéëîâ íàæèìàéòå êíîïê
ó
PR
OG
(
5) (ñòð. 7)
íà ïóëüòå ÄÓ äëÿ âûáîðà ðàçëè÷íûõ ý
ôô
åêòîâ ïðè âûâîäå î÷åðåäíîãî
èçî
á
ðàæåíèÿ
.
2
. Â ðåæèìå âîñïðîèçâåäåíèÿ à
ó
äèîôàéëîâ íàæàòèå êíîïêè ïðèâîäèò ê âû-
õîä
ó
íà ýêðàí çàñòàâêè. Äëÿ âîçâðàòà â ìåíþ
ó
ïðàâëåíèÿ âîñïðîèçâåäåíèåì
ï
ó
ëüòå ÄÓ (17) (ñòð. 7) äëÿ âêëþ÷åíèÿ ô
ó
íêöèè àâòîìàòè÷åñêîé íàñòðîéêè íà ðà-
äèîñòàíöèè â âûáðàííîì äèàïàçîíå è ñîõðàíåíèÿ â ïàìÿòè óñòðîéñòâà øåñòè ðà-
ä
èîñòàí
ö
èé ñ íàè
á
îëåå ìî
ù
íûì ñèãíàëîì.
Ñ
êàíè
ð
îâàíèå ï
ð
åäâà
ð
èòåëüíî íàñò
ð
îåííûõ
ð
àäèîñòàíöè
é
Ä
ëÿ ñêàíè
ð
îâàíèÿ ï
ð
åäâà
ð
èòåëüíî íàñò
ð
îåííûõ
ð
àäèîñòàíöèé ê
ð
àòêîâ
ð
åìåííî
í
à
æìèò
å
êíîïê
ó
A
M
S
í
à ïåðåäíåé ïàíåëå (14) (ñòð.
6
) èëè íà ï
ó
ëüòå ÄÓ (17) (ñòð.
7). Âî âðåìÿ ñêàíèðîâàíèÿ ðàäèîïðèåìíèê á
ó
äåò ïîñëåäîâàòåëüíî íà ïÿòü ñå
-
ê
ó
íä íàñòðàèâàòüñÿ íà êàæä
ó
þ ðàäèîñòàíöèþ, õðàíÿù
ó
þñÿ â ïàìÿòè
ó
ñòðîéñòâà.
Ï
îðÿäêîâûé íîìåð êàæäîé ðàäèîñòàíöèè â ïàìÿòè
ó
ñòðîéñòâà á
ó
äåò ìèãàòü íà
äèñïëåå.
Ä
ëÿ îñòàíîâêè ñêàíèðîâàíèÿ íàæìèòå åùå ðàç êíîïê
ó
A
M
S
(
14) (ñò
ð
. 6)
èëè (17) (ñòð. 7) èëè íàæìèòå ëþá
ó
þ èç öèôðîâûõ êíîïîê
1
-
6
.

12
PROLOGY DVU-1500
íàæìèòå êíîïêó
.
3
. Âî âðåìÿ âîñïðîèçâåäåíèÿ âèäåîôàéëîâ èëè JPEG-ôàéëîâ íàæàòèå êíîïêè
ïðèâîäèò ê îñòàíîâêå âîñïðîèçâåäåíèÿ è âîçâðàò
ó
â êîðíåâîé êàòàëîã
.
4
.
×
òîáû ïåðåéòè ê ïðåäûä
ó
ùåì
ó
êàòàëîã
ó
, íàæìèòå êíîïê
ó
E
SC
(
2
) (ñò
ð
.
6
) íà ïå
-
ðåäíåé ïàíåëè èëè íà ïóëüòå ÄÓ (18) (ñòð. 7) äëÿ ïåðåõîäà ê ïðåäûäóùåìó ðàçäåëó.
Â
ð
åìåííàÿ îñòàíîâêà âîñï
ð
îèçâåäåíè
ÿ
Âî âðåìÿ âîñïðîèçâåäåíèÿ à
ó
äèîôàéëîâ íàæìèòå êíîïê
ó
íà ï
ó
ëüòå
ÄÓ
èëè íà
ïåðåäíåé ïàíåëè
ó
ñòðîéñòâà äëÿ âðåìåííîé îñòàíîâêè âîñïðîèçâåäåíèÿ.
Í
à äèñ
-
ïëåå ïîÿâèòñÿ íàäïèñü «PAU
S
E». Äëÿ ï
ð
îäîëæåíèÿ âîñï
ð
îèçâåäåíèÿ ïîâòî
ð
íî
íàæìèòå êíîïê
ó
.
Îñòàíîâêà âîñï
ð
îèçâåäåíèÿ
Âî âðåìÿ âîñïðîèçâåäåíèÿ à
ó
äèîôàéëîâ íàæìèòå îäèí ðàç êíîïê
ó
íà ï
ó
ëüòå
ÄÓ äëÿ ïðåäâàðèòåëüíîé îñòàíîâêè âîñïðîèçâåäåíèÿ.
Ç
àòåì íàæìèòå êíîïêó
íà ïóëüòå
ÄÓ
èëè íà ïåðåäíåé ïàíåëè óñòðîéñòâà äëÿ ïðîäîëæåíèÿ âîñïðîèçâå
-
ä
å
íèÿ
ñ
ì
åñ
ò
à
î
ñ
ò
à
íîâêè
.
Âî âðåìÿ âîñïðîèçâåäåíèÿ àóäèîôàéëîâ íàæìèòå äâà ðàçà êíîïêó í
à
ïóëüò
å
ÄÓ
äëÿ ïîëíîé îñòàíîâêè âîñïðîèçâåäåíèÿ
.
Ï
îñëå ýòîãî íàæìèòå êíîïêó
äëÿ
âêëþ÷åíèÿ ðåæèìà âîñïðîèçâåäåíèÿ ñ ïåðâîãî ôàéëà íà êàðòå ïàìÿòè
.
Ïåðåõîä ê ñëåä
ó
þùåé èëè ïðåäûä
ó
ùåé ÷àñòè (òðåê
ó)
Í
àæèìàéòå êíîïêè
/
íà ï
ó
ëüòå
ÄÓ
èëè íà ïåðåäíåé ïàíåëè âî âðåìÿ âîñ
-
ïðîèçâåäåíèÿ äëÿ ïåðåõîäà ê ñëåä
ó
þùåé/ïðåäûä
ó
ùåé ÷àñòè
(
òðåê
ó).
Èñïîëüçóéòå êíîïêè 1...9,
0
, 1
0
+ (
6
) (ñòð. 7) íà ïóëüòå ÄÓ, ÷òîáû âûáðàòü íóæíûé
íîìå
ð
ò
ð
åêà
.
Óñêî
ð
åííîå âîñï
ð
îèçâåäåíèå â ï
ð
ÿìîì è îá
ð
àòíîì íàï
ð
àâëåíè
è
Íàæìèòå è
ó
äåðæèâàéòå íàæàòîé â òå÷åíèå
2
ñåê
ó
íä êíîïê
ó
/
íà ï
ó
ëüòå
ÄÓ èëè íà ïåðåäíåé ïàíåëè äëÿ óñêîðåííîãî âîñïðîèçâåäåíèÿ â îáðàòíîì/ïðÿ
-
ìîì íàïðàâëåíèè íà îäíîé èç ñëåä
ó
þùèõ ñêîðîñòåé:
2
x, 4x, 8x,
20
x. Äëÿ îñòàíîâ
-
êè
ó
ñêîðåííîãî âîñïðîèçâåäåíèÿ íàæìèòå êíîïê
ó
íà ï
ó
ëüòå ÄÓ èëè íà ïåðåä
-
íåé ïàíåëè
ó
ñòðîéñòâà
.
Ï
ð
èìå÷àíèå
.
Âî âðåìÿ
ó
ñêîðåííîãî âîñïðîèçâåäåíèÿ çâ
ó
ê
ó
ñòðîéñòâà îòêëþ÷àåòñÿ.
Ïîâòîðíîå âîñïðîèçâåäåíè
å
Â
î âðåìÿ âîñïðîèçâåäåíèÿ íàæèìàéòå ïîñëåäîâàòåëüíî êíîïêó REPEAT (1
2
)
(
ñòð. 7
)
íà ïóëüòå ÄÓ äëÿ âûáîðà îäíîãî èç ñëåäóþùèõ ðåæèìîâ ïîâòîðíîãî
âî
ñ
ï
ð
îè
ç
â
å
ä
å
íèÿ:
«Ï
Î
Â. 1» (ïîâòîð òðåêà) «REP DIR»
(
ïîâòîð àëüáîìà
)
«Ï
Î
ÂÒ. Â
Ñ
ÅÃ
Î
» (ïî-
âòîð âñåõ òðåêîâ íà êàðòå ïàìÿòè
S
D/U
S
B) «ÂÛÊË.»
(
ïîâòîðíîå âîñïðîèçâå-
ä
åíèå îòêëþ÷åíî
).
Ïîâòîðíîå âîñïðîèçâåäåíèå ôðàãìåíòà çàïèñè A-
B
Âî âðåìÿ âîñïðîèçâåäåíèÿ íàæìèòå êíîïê
ó
A
-
B
(
1
3
) (ñòð. 7) íà ï
ó
ëüòå ÄÓ äëÿ âû
-
áîðà íà÷àëà ôðàãìåíòà.
Ç
àòåì ïîâòîðíî íàæìèòå êíîïê
ó
A
-B
ä
ëÿ âûáîðà îêîí
-
÷àíèÿ ôðàãìåíòà. Íàæìèòå êíîïê
ó
A-B
å
ù
å
ðàç
äëÿ îòêëþ÷
å
íèÿ
ðå
æèì
à
ïîâòî
ð-
íîãî âîñïðîèçâåäåíèÿ ôðàãìåíòà çàïèñè
.

1
3
Ïåðåõîä ê ïðîèçâîëüíîì
ó
ìåñò
ó
âèäåîçàïèñ
è
Â
î âðåìÿ âîñïðîèçâåäåíèÿ âèäåîçàïèñè íàæìèòå êíîïêó
GO
T
O
(1
6
) (ñò
ð
. 7) íà
ï
ó
ëüòå ÄÓ. Çàòåì ïðè ïîìîùè êíîïîê
ó
ïðàâëåíèÿ
/
âû
á
åðèòå íåî
á
õîäèì
ó
þ ïî-
çèöèþ íîìåðà ×àñòè (òðåêà) èëè âðåìåíè âîñïðîèçâåäåíèÿ òåê
ó
ùåé ×àñòè (òðå-
êà).
Ç
àòåì ïðè ïîìîùè öèôðîâûõ êíîïîê (
6
) (ñòð. 7) íà ïóëüòå ÄÓ ââåäèòå íåîáõî-
äèìûé íîìåð ×àñòè
(
òðåêà
)
èëè âðåìÿ îò íà÷àëà òåê
ó
ùåé ×àñòè
(
òðåêà
)
. Íàæìèòå
êíîïê
ó
ENTER (4) (ñò
ð
. 7) èëè
O
K (7) (ñò
ð
.
6
) äëÿ ïîäòâå
ð
æäåíèÿ âûáî
ð
à
.
Ï
ð
îã
ð
àììè
ð
îâàíèå ïîñëåäîâàòåëüíîñòè âîñï
ð
îèçâåäåíè
ÿ
Âî âðåìÿ âîñïðîèçâåäåíèÿ íàæìèòå êíîïê
ó
PR
OG
(5) (ñòð. 7) íà ï
ó
ëüòå ÄÓ.
Ç
àòåì
ïðè ïîìîùè êíîïîê
ó
ïðàâëåíèÿ ê
ó
ðñîðîì âûáåðèòå íåîáõîäèì
ó
þ ïîçèöèþ â ïî-
ñëåäîâàòåëüíîñòè âîñï
ð
îèçâåäåíèÿ. Ââåäèòå íåîáõîäèìûé íîìå
ð
ò
ð
åêà ï
ð
è ïî-
ìîùè öè
ôð
îâûõ êíîïîê
.
Äëÿ íà÷àëà âîñïðîèçâåäåíèÿ ïî ïðîãðàììå íàæìèòå êíîïê
ó
èëè âûáåðèòå îïöèþ
«Â
ÎÑ
Ïл â ýêðàííîì ìåíþ è íàæìèòå êíîïê
ó
ENTE
R
(4) (ñò
ð
. 7) èëè
O
K (7) (ñò
ð
.
6
)
.
Ä
ëÿ òîãî, ÷òîáû óäàëèòü âñå çàïèñè â ïðîãðàììå âîñïðîèçâåäåíèÿ, âûáåðèòå îï-
öèþ «
Ñ
ÁÐ
ÎÑ
» è íàæìèòå êíîïêó
ENTER
èëè
O
K
.
Ä
ëÿ òîãî, ÷òîáû âûéòè èç ðåæèìà âîñïðîèçâåäåíèÿ ïî ïðîãðàììå, íàæìèòå êíîï-
êó
PROG
(
5
)
(
ñòð. 7
)
åùå ðàç
.
Óâåëè÷åíèå/
ó
ìåíüøåíèå èçîáðàæåíè
ÿ
Â
î âðåìÿ âîñïðîèçâåäåíèÿ âèäåî
ô
àéëà íàæèìàéòå ïîñëåäîâàòåëüíî êíîïê
ó
Z
OO
M
(
11
)
(
ñò
ð
.7
)
íà ï
ó
ëüòå ÄÓ äëÿ âûáîðà îäíîãî èç ñëåä
ó
þùèõ ðåæèìîâ
ó
âå-
ëè÷åíèÿ: x
2
, x
3
, x4, x1/
2
, x1/
3
, x1/4, ÂÛÊË. (ðåæèì
ó
âåëè÷åíèÿ âûêëþ÷åí). Â
ðåæèìå
ó
âåëè÷åííîãî èçî
á
ðàæåíèÿ èñïîëüç
ó
éòå êíîïêè ïåðåìåùåíèÿ ê
ó
ðñîðà
äëÿ çàäàíèÿ âèäèìîé î
á
ëàñòè êàä
ð
à
.
Îñíîâíûå îïåðàöèè ïî èçìåíåíèþ íàñòðîåê óñòðîéñòâà
Äëÿ âûâîäà íà äèñïëåé ìåíþ íàñòðîéêè
ó
äåðæèâàéòå íàæàòûì íå ìåíåå
2
ñåê
ó
íä
ðåã
ó
ëÿòîð ãðîìêîñòè (5) (ñòð.
6
) íà ïåðåäíåé ïàíåëè èëè íàæìèòå êíîïê
ó
S
ET
U
P
(
2
) (ñòð. 7) íà ï
ó
ëüòå ÄÓ. Âîñïðîèçâåäåíèå ôàéëîâ ïðè ýòîì îñòàíàâëèâàåòñÿ
.
1. Êîãäà ê
ó
ðñîð íàõîäèòñÿ â âåðõíåé ÷àñòè ìåíþ, èñïîëüç
ó
éòå êíîïêè
/
í
à
ï
ó
ëüòå
ÄÓ
èëè êíîïêè
/
íà ïå
ð
åäíåé ïàíåëè äëÿ ïå
ð
åìåùåíèÿ ïî
ð
àç-
ëè÷íûì ñòðàíèöàì ìåíþ.
È
êîíêà âûáðàííîãî ðàçäåëà ïîäñâå÷èâàåòñÿ áå-
ëûì öâ
å
òîì
.
2
.
Í
àæìèòå êíîïê
ó
äëÿ ïåðåõîäà â ñïèñîê îïöèé âûáðàííîé ñòðàíèöû. Çàòåì èñ-
ïîëüçó
é
òå êíîïêè
/
/
èëè âðàùàéòå ðåãóëÿòîð ãðîìêîñòè äëÿ âûáîðà íåîáõî-
ä
èìîé îïöèè.
Í
àæìèòå êíîïêó
èëè íàæìèòå ðåãóëÿòîð ãðîìêîñòè äëÿ ïåðåõîäà
â ñïèñîê çíà÷åíèé âûáðàííîé îïöèè.
Ç
àòåì èñïîëüçóéòå êíîïêè
/
/
èëè âðà-
ùàéòå ðåãóëÿòîð ãðîìêîñòè äëÿ âûáîðà íåîáõîäèìîãî çíà÷åíèÿ.
Ï
îäòâåðäèòå
âûáîð íîâîãî çíà÷åíèÿ êíîïêîé ENTER
(
4
)
(
ñòð. 7
)
íà ïóëüòå ÄÓ,
Î
Ê
(
7) (ñòð.
6
)
íà ïåðåäíå
é
ïàíåëè èëè íàæàòèåì íà ðåãóëÿòîð ãðîìêîñòè íà ïåðåäíå
é
ïàíåëè
.
3
.
Ä
ëÿ âîçâðàòà â ñïèñîê îïöèé íàæèìàéòå êíîïêó
.
4.
×
òîáû âåðí
ó
òüñÿ ê âûáîð
ó
ñòðàíèö ìåíþ, íàæèìàéòå , ïîêà ê
ó
ðñîð íå äî
-
ñòèãíåò âåðõíåé ñòðîêè ñ èêîíêàìè
.
5. Äëÿ âûõîäà èç ìåíþ íàñòðîåê
ó
ñòðîéñòâà íàæèìàéòå êíîïê
ó
E
SC
(2
) (ñòð.
6
)
íà ëèöåâîé ïàíåëè èëè íà ï
ó
ëüòå ÄÓ
.

1
4PROLOGY DVU-1500
Ì
åíþ îáùèõ íàñò
ð
îå
ê
BEEP
Çâ
ó
êîâîå ïîäòâåðæäåíèå íàæàòèÿ
êíîïîê ïåðåäíåé ïàíåëè
ó
ñòðîéñòâà
O
N
/
O
F
F
(
âêë/âûêë
)
.
ÒÎÍÎÊÎÌÏ
.
Ï
ðè ïðîñë
ó
øèâàíèè ñ íèçêèì
ó
ðîâ
-
íåì ãðîìêîñòè èñïîëüç
ó
éòå äàíí
ó
þ
ôóíêöèþ äëÿ óâåëè÷åíèÿ óðîâíÿ
íèçêèõ ÷àñòîò
O
N/
O
FF (âêë/âûêë).
ÐÅÆ. ÂÐÅÌÅÍ
È
Â
ûáè
ð
àåòñÿ ï
ð
åäñòàâëåíèå ïîêàçà
-
íèé ÷àñ
î
â â 1
2
-÷àñ
î
â
î
ì èëè
2
4-ֈ
-
ñîâîì
ô
îðìàòå
.
ÓÑÒ. ÂÐÅÌÅÍ
È
Äàíàÿ ôóíêöèÿ íåîáõîäèìà äëÿ íàñòðîéêè ïîêàçàíèé ÷àñîâ èëè èçìåíåíèÿ òå
-
êóù
å
ãî â
ðå
ì
å
íè
.
ÏÀÐÊÎÂÊ
À
Äàííàÿ ô
ó
íêöèÿ
ó
ïðàâëÿåò ðåæèìîì àêê
ó
ðàòíîé åçäû. Åñëè ðåæèì âêëþ÷åí
(O
N), òî ï
ð
îñìîò
ð
âèäåî
ô
àéëîâ è èçîá
ð
àæåíèé âî â
ð
åìÿ äâèæåíèÿ àâòîìîáè
-
ëÿ
áó
äåò íåâîçìîæåí äî òåõ ïîð, ïîêà íå
áó
äåò ïîäíÿò ðû÷àã ñòîÿíî÷íîãî òîð
-
ìîçà. Ïðè ýòîì íà ýêðàíå ïîÿâëÿåòñÿ ïðåäóïðåæäàþùàÿ íàäïèñü: “Parking is
enabled. No video in drivin
g
!”.
Ï
ð
èìå÷àíèå
.
Äëÿ ïðàâèëüíîé ðàáîòû ô
ó
íêöèè çåëåíûé/áåëûé ïðîâîä Parkin
g
S
W, ðàñïîëîæåííûé íà çàäíåé ïàíåëè
ó
ñòðîéñòâà, äîëæåí
á
ûòü ïîäêëþ÷åí
ñîãëàñíî ñõåìå íà ñò
ð
.
22.
Ç
ÅÐÊÀËÜÍ
ÎÅ
Äàííàÿ ô
ó
íêöèÿ ïîçâîëÿåò âêëþ÷èòü çåðêàëüíîå îòîáðàæåíèå êàðòèíêè c êàìå
-
ðû çàäíåãî îáçîðà, êîãäà îíà ïîäêëþ÷åíà ê
ó
ñòðîéñòâ
ó.
Ìåíþ íàñòðîåê VIDE
O
ÒÂ
Ñ
È
Ñ
ÒÅÌ
À
Â
û ìîæåòå âûáðàòü ñèñòåìó öâåò
-
íîñòè óñòðî
é
ñòâà, êîòîðàÿ ñîîòâåò
-
ñ
òâó
å
ò
ñ
è
ñ
ò
å
ì
å
â
à
ø
å
ãî ò
å
ë
å
âè
ç
î
-
ðà
/
ìîíèòîðà
.
Âûáèðàéòå «NT
SC
» äëÿ òåëåâèçî
-
ðà/ìîíèòîðà ñèñòåìû NT
SC
. Åñëè
âèäåîôàéë çàïèñàí â ñèñòåìå PAL,
òî óñòðî
é
ñòâî âî âðåìÿ âîñïðîèçâå
-
äåíèÿ á
ó
äåò ïåðåêîäèðîâàòü âèäåî
-
ñèãíàë â ñèñòåì
ó
NT
SC.

1
5
Â
ûáè
ð
àéòå «PAL» äëÿ òåëåâèçî
ð
à/ìîíèòî
ð
à ñèñòåìû PAL. Åñëè âèäåî
ô
àéë çàïè-
ñ
àí â ñèñòåìå NT
SC
, òî óñòðîéñòâî âî âðåìÿ âîñïðîèçâåäåíèÿ áóäåò ïåðåêîäèðî-
âàòü âèäåîñèãíàë â ñèñòåì
ó
PAL
.
Â
ûáèðàéòå «AUT
O
» äëÿ ì
ó
ëüòèñèñòåìíîãî òåëåâèçîðà/ìîíèòîðà. Â ýòîì ñë
ó
÷àå
âèäåîïðîãðàììà áóäåò âîñïðîèçâîäèòüñÿ â òîé ñèñòåìå, â êîòîðîé îíà çàïèñàíà.
Ô
Î
ÐÌÀÒ T
V
Ñóùåñòâóåò äâà òèïà ìîíèòîðîâ: îáû÷íûå ìîíèòîðû, èìåþùèå ôîðìàò èçîáðà-
æåíèÿ (ñîîòíîøåíèå øèðèíû è âûñîòû èçîáðàæåíèÿ íà ýêðàíå) 4:3, è øèðîêîý-
ê
ð
àííûå ìîíèòî
ð
û, èìåþùèå
ô
î
ð
ìàò èçîá
ð
àæåíèÿ 1
6
:9
.
Óñòàíîâèòå òîò ôîðìàò èçîáðàæåíèÿ, êîòîðûé ñîîòâåòñòâ
ó
åò ôîðìàò
ó
èçîáðàæå-
íèÿ è
ñ
ïîëü
çóå
ìîãî ìîíèòî
ðà.
4:
3
P
S
: Âûáèðàéòå äàííûé ôîðìàò, åñëè äëÿ ïðîñìîòðà èñïîëüç
ó
åòñÿ îáû÷íûé
ìîíèòî
ð
. Åñëè âîñï
ð
îèçâîäèòñÿ âèäåî
ô
àéë ñ øè
ð
îêîýê
ð
àííîé çàïèñüþ
ô
î
ð
ìàòà
1
6
:9, èçîáðàæåíèå á
ó
äåò îáðåçàíî ñ ïðàâîé è ëåâîé ñòîðîíû
.
4:3 L
B
: Âûáèðàéòå äàííûé
ô
îðìàò, åñëè äëÿ ïðîñìîòðà èñïîëüçóåòñÿ îáû÷íûé
ìîíèòîð. Åñëè âîñïðîèçâîäèòñÿ âèäåî
ô
àéë ñ øèðîêîýêðàííîé çàïèñüþ
ô
îðìàòà
16:9, èçîáðàæåíèå áóäåò èìåòü ÷åðíûå ïîëîñû â âåðõíåé è íèæíåé ÷àñòè ýêðàíà
.
16:
9
: Âûáèðàéòå äàííûé ôîðìàò, åñëè äëÿ ïðîñìîòðà èñïîëüçóåòñÿ øèðîêîý-
êðàííû
é
ìîíèòîð èëè òåëåâèçîð
.
ÎÐÈÃ. ÍÀÑÒÐÎÉÊ
È
Äàííàÿ îïöèÿ ïîçâîëÿåò ñá
ð
îñèòü âñå íàñò
ð
îéêè ìåíþ â ñîñòîÿíèå, êîòî
ð
îå áûëî
ó
ñòàíîâëåíî ïðè èçãîòîâëåíèè
ó
ñòðîéñòâà
.
ßÐÊ
ÎÑ
Ò
Ü
Í
àñò
ð
îéêà ÿ
ð
êîñòè èçîá
ð
àæåíèÿ
.
ÊÎ
ÍÒÐÀ
ÑÒ
Í
àñò
ð
îéêà êîíò
ð
àñòà èçîá
ð
àæåíèÿ
.
Î
ÒÒÅÍ
ÎÊ
Í
àñò
ð
îéêà öâåòíîñòè èçîá
ð
àæåíèÿ
.
Í
À
Ñ
ÛÙÅÍÍ
ÎÑ
Ò
Ü
Í
àñòðîéêà íàñûùåííîñòè èçîáðàæåíèÿ
.
Ìåíþ ÿçûêîâûõ íàñòðîå
ê
ß
Ç
ÛÊ
OSD
Ä
àííàÿ îïöèÿ ïîçâîëÿåò ïîëüçîâàòå
-
ëþ âûáðàòü ïðåäïî÷òèòåëüíûé ÿçûê
ñèñòåìû ýêðàííûõ ìåíþ óñòðî
é
ñòâà
.

16
PROLOGY DVU-1500
Ì
åíþ íàñò
ð
îåê
ð
àäèîï
ð
èåìíèê
à
LOC_D
X
Âûáîð ìåñòíîãî (LOC) èëè äàëüíå
-
ãî
(
DX
)
ð
åæèìîâ ï
ð
èåìà. Â
ð
åæèìå
ì
åñ
òíîãî ï
ð
è
å
ì
à
÷óâ
ñ
òâèò
å
ëüíî
ñ
òü
àâòîïîèñêà íåìíîãî ñíèæåíà
ä
ëÿ
íàèáîëåå òî÷íîé íàñò
ð
îéêè íà
ð
àäè
-
î
ñ
ò
à
íöèè,
óð
îâ
å
íü ï
åðå
ä
à
â
àå
ìîãî
ñèãíàëà êîòîðûõ ÷ðåçìåðíî âûñîê
.
Ñ
ÒÅÐÅ
Î
/Ì
Î
Í
Î
Ðåæèì âîñï
ð
îèçâåäåíèÿ ï
ð
èíèìàå
-
ìîé
ð
àäèîñòàíöèè
.
Èñïîëüçîâàíèå êàðò ïàìÿòè SD/USB
Ïîäêëþ÷åíèå/èçâëå÷åíèå USB-êàðò
û
Âñòàâüòå êàðòó ïàìÿòè â USB-ðàçúåì êàê ïî
-
êàçàíî íà ðèñóíêå.
Ó
ñòðîéñòâî àâòîìàòè÷åñêè
ï
åðå
êëþ÷èò
ñ
ÿ â
ðå
æèì âî
ñ
ï
ð
îè
ç
â
å
ä
å
íèÿ ê
àð
òû ï
à
ìÿòè
.
Äëÿ èçâëå÷åíèÿ êàðòû ïàìÿòè ñíà÷àëà âûáåðèòå ëþáîé äð
ó
ãîé ðåæèì ñ ïîìî
-
ùüþ êíîïêè SR
C
íà ï
ó
ëüòå ÄÓ (10) (ñòð. 7) èëè íà ïåðåäíåé ïàíåëè
ó
ñòðîéñòâà
(
11) (ñò
ð
.
6
), çàòåì ï
ð
îñòî ïîòÿíèòå åå íà ñåáÿ
.
Ïîäêëþ÷åíèå/èçâëå÷åíèå
S
D-êà
ð
ò
û
Î
òêèíüòå ïåðåäíþþ ïàíåëü, íàæàâ êíîïê
ó
(1) (ñò
ð
.
6
).
Âñòàâüòå êàðò
ó
â ñëîò äî ùåë÷êà, êàê ïîêàçàíî íà ðèñ
ó
íêå –
ó
ãëî-
âîé ñðåç êàðòû äîëæåí íàõîäèòüñÿ âïåðåäè ñíèç
ó.
Äëÿ èçâëå÷åíèÿ êàðòû ïàìÿòè ñíà÷àëà âûáåðèòå ëþáîé äð
ó
ãîé
ð
åæèì ñ ïîìîùüþ êíîïêè
S
R
C
í
à ïóëüòå ÄÓ (1
0
) (ñòð. 7) èëè íà
ïåðåäíåé ïàíåëè
ó
ñòðîéñòâà (11) (ñòð.
6
), çàòåì íàæìèòå íà âû-
ñò
ó
ïàþùèé êðàé êàðòû äî ùåë÷êà è âûíüòå èç ñëîòà
.
Ï
ð
èìå÷àíèå
.
•
Ïîääåðæèâàþòñÿ
S
D-êàðòû îáú¸ìîì äî
32
Ã
Á
•
Ïîääåðæèâàþòñÿ U
S
B-êàðòû îáúåìîì äî
32
Ã
Á
Ðåêîìåíäóþòñÿ êàðòû ïàìÿòè ôèðì Kingston è Transcen
d
•
Ô
àéëîâàÿ ñèñòåìà FAT 1
6
/ FAT
32
•
Íàçâàíèÿ ôàéëîâ è ïàïîê íà ðóññêîì ÿçûêå ïîääåðæèâàþòñÿ íå âî âñåõ ñëó÷àÿ
õ
•
Èíôîðìàöèÿ ID
3
: ïåñíÿ/èñïîëíèòåëü/àëüáîì:
32
ñèìâîë
à
•
Í
å ïîääåðæèâàåòñÿ ÷òåíèå ìóëüòèêàð
ò
•
U
S
B 1.1/ U
S
B
2
.
0
(
Ñ
êîðîñòü U
S
B
2
.
0
íå ïîääåðæèâàåòñÿ, òîëüêî ÷òåíèå ñî
ñ
êîðîñòüþ U
S
B 1.1)
;
•
Íå âñå âèäû U
S
B-êàðò ñîâìåñòèìû ñ äàííûì óñòðîéñòâî
ì
Âîñïðîèçâîäÿòñÿ ñëåä
ó
þùèå òèïû è ôîðìàòû ôàéëîâ
:
à
ó
äèîôàéëû: MP
3
(*.mp
3
), WMA (*.wma);
âèäåîôàéëû:
MPE
G
-4 (*.avi – DivX
3
.11, ðåêîìåíä
ó
åìûé áèòðåéò – íå áîëåå 14
00
êáèò/ñ
,

17
ðàçðåøåíèå 512/288; DivX 5, ðåêîìåíä
ó
åìûé áèòðåéò – íå áîëåå
1
000
êáèò/ñ, ðàçðåøåíèå 7
20
/4
00
; XviD, ðåêîìåíäóåìûé áèòðåéò – íå áîëåå
1500 êáèò/ñ,
ð
àç
ð
åøåíèå 720/400);
ôàéëû èçîáðàæåíèé: JPE
G
(*.jpg)
.
Ðåæèì AV
Ï
îäêëþ÷èòå âíåøíèé èñòî÷íèê ñèãíàëà êî âõîäó AUX IN íà ïåðåäíåé ïàíåëè (6)
(ñòð. 6). Äëÿ ïðîñìîòðà ñèãíàëà ñ âíåøíåãî èñòî÷íèêà íàæèìàéòå êíîïê
ó
SR
C
íà
ï
ó
ëüòå ÄÓ (1
0
) (ñòð. 7) èëè íà ïåðåäíåé ïàíåëè
ó
ñòðîéñòâà (11) (ñòð.
6
), èëè âûáåðè-
òå èñò
î
÷íèê
AV
â ìåí
þ
Â
ûáî
ð
èñòî÷íèêà ñèãíàëà
(
ñò
ð
.
8).
Îñíîâíûå òåõíè÷åñêèå õàðàêòåðèñòèêè
Î
á
ù
è
å
Í
àïðÿæåíèå ïèòàíèÿ, ïðåäåëüíûå çíà÷åíèÿ:
11
—
14
,
4
Â
ïîñò. òîê
à
Ï
îëÿðíîñòü èñòî÷íèêà ïèòàíèÿ:
Ò
îëüêî ñèñòåìû ñ çàçåìëå
-
íè
å
ì îò
ð
èö
à
ò
å
ëüíîãî ïîëþ-
ñà
á
àòàðåè
Ì
àêñèìàëüíàÿ âûõîäíàÿ ìîùíîñòü
4
x 55
Âò
Íîìèíàëüíîå ñîï
ð
îòèâëåíèå äèíàìèêîâ 4—8 Î
ì
Íîìèíàë âñò
ð
îåííîãî ï
ð
åäîõ
ð
àíèòåëÿ 15
À
Óðîâåíü âõîäíîãî à
ó
äèîñèãíàëà
500
ìÂ
Ë
èíåéíûé âûõîä ñàáâ
ó
ôåðà
2
Â
Ð
àçìåðû
ó
ñòàíîâî÷íûå (Ø õ  õ Ã) 178 õ 5
0
õ 1
66
ì
ì
Â
åñ
0,
85 ê
ã
Ð
àäèîï
ð
è¸ìíè
ê
Ä
èàïàçîí ÷àñòîò FM 87,5—1
0
8 ÌÃö
Ä
èàïàçîí ÷àñòîò ÓÊÂ
6
5—74 ÌÃ
ö
Ï
îëåçíàÿ ÷
ó
âñòâèòåëüíîñòü FM-äèàïàçîíà 1
2
äÁ (ìêÂ
)
Ãë
ó
áèíà ðàçäåëåíèÿ ñòåðåîêàíàëîâ (1 êÃö)
30
äÁ
Äèàïàçîí âîñï
ð
îèçâîäèìûõ ÷àñòîò
30
—15
000
Ãö
Î
òíîøåíèå ñèãíàë-ø
ó
ì > 55 ä
Á
Äèàïàçîí ÷àñòîò AM 5
22
—1
620
êÃö
Ï
îëåçíàÿ ÷óâñòâèòåëüíîñòü AM-äèàïàçîíà
30
ä
Á
Ì
îíèòî
ð
Ò
èï äèñïëåÿ
TFT
, æèäêîêðèñòàëëè÷åñêè
é
Äèàãîíàëü ýêðàíà
3
,5'' (88 ìì
)
Ð
àçìåð ýêðàíà (ØõÂ) 7
6
,
3
õ 4
2
,8 ì
ì
Ð
àçìåð ýêðàííîãî ýëåìåíòà
0
,
2
4 x
0
,18 ì
ì
Ð
àçðåøåíèå äèñïëåÿ
320
õ
23
4 òî÷å
ê
ßðêîñòü
3
5
0
êä/
ì
2
Êîíòðàñòíîñòü 350
Ï
ð
èìå÷àíèå
.
Ò
åõíè÷åñêèå õàðàêòåðèñòèêè
ó
ñòðîéñòâà ìîã
ó
ò áûòü èçìåíåíû ïðîèçâîäèòåëåì
áåç ïðåäâàðèòåëüíîãî
ó
âåäîìëåíèÿ
.

18
PROLOGY DVU-1500
Óñòàíîâêà óñòðîéñòâà
Ïðèìå÷àíèå
.
•
Ä
ëÿ óñòàíîâêè óñòðîéñòâà âûáåðèòå òàêîå ìåñòî, ãäå îíî íå áóäåò ìåøàòü âî
-
ä
èòåëþ íîðìàëüíî óïðàâëÿòü àâòîìî
á
èëåì
.
•Ïåðåä îêîí÷àòåëüíîé
ó
ñòàíîâêîé
ó
ñòðîéñòâà âðåìåííî ïîäêëþ÷èòå ê íåì
ó
âñå ïðîâîäà è
ó
áåäèòåñü, ÷òî âñå ñîåäèíåíèÿ ñäåëàíû ïðàâèëüíî è ñèñòåìà
ðàáîòàåò íîðìàëüíî.
•
Èñïîëüçóéòå òîëüêî ïðèëàãàþùèåñÿ ê óñòðîéñòâó êðåïåæíûå èçäå
-
ëèÿ. Òîëüêî â ýòîì ñë
ó
÷àå
ó
ñòàíîâêà á
ó
äåò íàäåæíîé è áåçîïàñíîé.
Èñïîëüçîâàíèå äåòàëåé, íå âõîäÿùèõ â êîìïëåêò
ó
ñòðîéñòâà, ìîæåò ïðèâå
-
ñ
òè ê íàð
ó
øåíèþ åãî íîðìàëüíîé ðàáîòû
.
•
Å
ñëè
ó
ñòàíîâêà
ó
ñòðîéñòâà òðåá
ó
åò ñâåðëåíèÿ îòâåðñòèé èëè ëþáîãî äð
ó
ãî
-
ãî èçìåíåíèÿ øòàòíûõ äåòàëåé àâòîìî
á
èëÿ, î
á
ÿçàòåëüíî ïðîêîíñóëüòèðóé
-
òåñü ó
á
ëèæàéøåãî äèëåðà
.
•
Ó
ñòàíàâëèâàéòå óñòðîéñòâî òàêèì îáðàçîì, ÷òîáû îíî íå ìîãëî ñòàòü ïðè
-
÷èíîé òðàâìû âîäèòåëÿ èëè ïàññàæèðîâ âî âðåìÿ âíåçàïíîé îñòàíîâêè èëè
ðåç
êîãî òî
ð
ìîæ
å
íèÿ
.
•
Í
èêîãäà íå óñòàíàâëèâàéòå óñòðîéñòâî òàì, ãäå îíî áóäåò ñèëüíî íàãðåâàòü
-
ñ
ÿ, íàïðèìåð, îò âîçäå
é
ñòâèÿ ïðÿìûõ ñîëíå÷íûõ ë
ó
֌
é
èëè ãîðÿ÷åãî âîçä
ó-
õ
à, ïîñò
ó
ïàþùåãî îò îòîïèòåëÿ. Òàêæå èçáåãàéòå ìåñò, â êîòîðûõ
ó
ñòðîé
-
ñ
òâî
áó
äåò ïîäâåðãàòüñÿ âîçäåéñòâèþ ñèëüíîé âè
á
ðàöèè èëè íà íåãî
áó
äåò
ïîïàäàòü ïûëü èëè ã
ð
ÿçü
.
Ïðîöåä
ó
ðà
ó
ñòàíîâê
è
Ñó
ùåñòâ
ó
åò äâà âàðèàíòà
ó
ñòàíîâêè
ó
ñòðîéñòâà. Ïðè èñïîëüçîâàíèè ïåðâîãî âà
-
ðèàíòà
ó
ñòðîéñòâî
ó
ñòàíàâëèâàåòñÿ â ïðè
á
îðí
ó
þ ïàíåëü àâòîìî
á
èëÿ ñïåðåäè, à
ïðè èñïîëüçîâàíèè âòîðîãî âàðèàíòà
ó
ñòðîéñòâî
ó
ñòàíàâëèâàåòñÿ ñçàäè ïðèáîð
-
íîé ïàíåëè
(
óñòðîéñòâî óñòàíàâëèâàåòñÿ âìåñòî øòàòíîãî ðàäèîïðèåìíèêà àâòî
-
ìîáèëÿ, äëÿ çàêðåïëåíèÿ èñïîëüç
ó
þòñÿ ðåçüáîâûå îòâåðñòèÿ íà áîêîâûõ ïàíåëÿõ
ó
ñòðîéñòâà
)
. Áîëåå ïîäðîáíî îáà âàðèàíòà
ó
ñòàíîâêè
ó
ñòðîéñòâà îïèñûâàþòñÿ â
ä
à
ííîì
ðó
êîâîä
ñ
òâ
å.
Ïåðâûé âàðèàíò óñòàíîâêè óñòðîéñòâà
1
.
Ï
ðèáîðíàÿ ïàíåëü àâòîìîáèëÿ
.
2
.
Ê
îæóõ.
3
.
Ï
îñëå óñòàíîâêè êîæóõà óñòðîé
-
ñòâà â ïðèáîðíóþ ïàíåëü àâòîìî
-
áèëÿ, âûáåðèòå íà êîæóõå òå ìåòàë
-
ëè÷
åñ
êè
å
ÿ
ç
û÷êè, êîòî
ð
û
å
ñ
îîòâ
å
ò
-
ñòâóþò òîëùèíå ïðèáîðíîé ïàíåëè,
è îòîãíèòå èõ, ÷òîáû çàôèêñèðîâàòü
êîæ
ó
õ íà ìåñòå
.
4. Âèíò
.

1
9
1.
Ïð
èáî
ð
íàÿ ïàíåëü àâòîìîáèëÿ
.
2
.
Ã
àéêà (5 ìì)
.
3
.
Ï
ð
ó
æèííàÿ øàéáà
.
4.
Âèíò (4 õ 1
2
ìì)
.
5
.
Â
èíò
.
6.
Ì
åòàëëè÷åñêàÿ ïëàíêà
.
7
.
Ä
ëÿ çàêðåïëåíèÿ çàäíåé ÷àñòè
ó
ñòðîé
-
ñòâà îáÿçàòåëüíî èñïîëüç
ó
éòå ìåòàëëè÷å
-
ñê
ó
þ ïëàíê
ó
. Ìåòàëëè÷åñêàÿ ïëàíêà ìîæåò
áûòü ñîãí
ó
òà ïîä íåîáõîäèìûì
ó
ãëîì.
Âòîðîé âàðèàíò óñòàíîâêè óñòðîéñòâà
Ä
àííûé âàðèàíò óñòàíîâêè ïðåäóñìàòðèâàåò èñïîëüçîâàíèå ðåçüáîâûõ îòâåð
-
ñòèé, êîòîðûå íàõîäÿòñÿ íà
á
îêîâûõ ïàíåëÿõ óñòðîéñòâà
.
Çàêðåïèòå óñòðîéñòâî íà êðåïåæíûõ êðîíøòåéíàõ øòàòíîãî ðàäèîïðèåìíèêà.
1
.
Â
ûáåðèòå ïîëîæåíèå êðîíøòåéíîâ, ïðè êîòîðîì áóäóò ñîâìåùåíû ðåçüáî
-
âûå îòâåðñòèÿ íà êðîíøòåéíàõ è ðåçüáîâûå ñîåäèíåíèÿ íà êîðï
ó
ñå
ó
ñòðîé
-
ñòâà.
Ç
àêðåïèòå êðîíøòåéíû ñ îáåèõ ñòîðîí
ó
ñòðîéñòâà íå ìåíåå ÷åì â äâ
ó
õ
ìåñòàõ. Äëÿ ýòîãî èñïîëüç
ó
éòå ëèáî êðåïåæíûå âèíòû
(
5 õ
8
ìì
)
, ëèáî âèí-
òû ñ ïîòàéíîé ãîëîâêîé (4 õ 8 ìì), â çàâèñèìîñòè îò òèïà ðåçüáîâûõ îòâåð-
ñòèé íà êðîíøòåéíå
.

2
0
PROLOGY DVU-1500
2.
Âèíò.
3
. Êðåïåæíûå êðîíøòåéíû øòàòíîãî ðàäèîïðèåìíèêà
.
4
.
Ï
ðèáîðíàÿ ïàíåëü èëè êîíñîëü àâòîìîáèëÿ
.
5
.
Ñ
êîáà (íåîáõîäèìî
ó
äàëèòü)
.
Ïð
èìå÷àíèå
.
Ïðè
ó
ñòàíîâêå
ó
ñòðîéñòâà ïî âòîðîì
ó
ìåòîä
ó
êîæ
ó
õ, äåêîðàòèâíàÿ âíåøíÿÿ ðàì
-
ê
à
è ì
å
ò
à
ëëè÷
åñ
ê
à
ÿ ïë
à
íê
à
í
å
è
ñ
ïîëü
çó
þò
ñ
ÿ
.
Óäàëåíèå óñòðîéñòâà
1.
Ñ
íèìèòå äåêîðàòèâí
ó
þ âíåøíþþ ðàìê
ó
ó
ñòðîéñòâà.
2.
Â
ñòàâüòå ñúåìíèêè, âõî
ä
ÿ
ù
èå â êîìïëåêò
ó
ñòðîéñòâà, ñòðîãî ïåðïåíäèê
ó
ëÿðíî ïåðåä
-
íåé ïàíåëè â ïàçû íà î
á
åèõ ñòîðîíàõ óñòðîé
-
ñ
òâ
à
, ê
à
ê ïîê
àçà
íî í
à
ð
è
ñ
óíê
å
, äî óïî
ðà
, ÷òî
-
á
û îñâîáîäèòü çàùåëêè êîæóõà. Çàòåì èç
-
âëåêèòå óñòðîéñòâî èç ïåðåäíåé ïàíåëè
.
Ñúåìíàÿ ïåðåäíÿÿ ïàíåëü óñòðîéñòâà
Îòñîåäèíåíèå ïå
ð
åäíåé ïàíåë
è
1
.
Í
àæìèòå êíîïê
ó
í
à ïå
ð
åäíåé ïàíåëè
ó
ñòðîéñòâà (1
0
) (ñòð.
6
) èëè íà ï
ó
ëüòå ÄÓ
(
1
)
(
ñò
ð
. 7
).
2
. Íàæìèòå íà êíîïê
ó
(1) (ñò
ð
.
6
) îòêèäûâàíèÿ
ïå
ð
åäíåé ïàíåëè.
Î
òêèíüòå ïàíåëü â
ãî
ð
è
ç
îíò
à
ëüíî
å
ïîëîæ
å
íè
å
.
3
. ×òîáû ñíÿòü ïàíåëü, ïîòÿíèòå ïðàâ
ó
þ ÷àñòü
ïàíåëè ãî
ð
èçîíòàëüíî íà ñåáÿ, êàê ïîêàçàíî íà
ðèñ
ó
íêå ñïðàâà.
4. Õ
ð
àíèòå ïå
ð
åäíþþ ïàíåëü â ï
ð
èëàãàþùåìñÿ
ê
ó
ñòðîéñòâ
ó
ô
ó
òëÿðå
.
Ó
ñòàíîâêà ïåðåäíåé ïàíåëè íà ìåñòî
1
.
Â
ñòàâüòå ñíà÷àëà ëåâóþ ñòîðîíó ïàíåëè, çà
-
ò
å
ì ï
ðà
âóþ
ñ
òî
ð
îíó äî ù
å
ë÷ê
à
.
2
.
Í
àäàâèòå íà âåðõíþþ ÷àñòü ïàíåëè äî ùåë÷-
êà è ó
á
åäèòåñü, ÷òî ïàíåëü óñòàíîâëåíà ïðà
-
âèëüíî.  ïðîòèâíîì ñëó÷àå íåêîòîðûå êíîïêè áóäóò
ô
óíêöèîíèðîâàòü íå
-
ïðàâèëüíî, à íà äèñïëåå áóäåò îøèáî÷íàÿ èíäèêàöèÿ
.
Î
ñòîðîæíî
!
1
.
Í
èêîãäà íå ðîíÿéòå ïåðåäíþþ ïàíåëü óñòðîéñòâà
.
2
. Íèêîãäà íå íàæèìàéòå íà äèñïëåé èëè êíîïêè ïðè îòñîåäèíåíèè èëè
ó
ñòàíîâ
-
êå ïåðåäíåé ïàíåëè
.
3
. Íèêîãäà íå äîòðàãèâàéòåñü äî ðàçúåìîâ, íàõîäÿùèõñÿ íà ïåðåäíåé ïàíåëè
ó
ñòðîéñòâà.
Ý
òî ìîæåò ïðèâåñòè ê çàãðÿçíåíèþ ðàçúåìîâ è ïëîõîì
ó
ýëåêòðè
-
÷åñêîì
ó
êîíòàêò
ó.

21
4.
Â
ñë
ó
÷àå çàãðÿçíåíèÿ êîíòàêòîâ, èõ ìîæíî î÷èùàòü ñ
ó
õîé è ÷èñòîé òêàíüþ
.
5
. Íå ïîäâåðãàéòå ïåðåäíþþ ïàíåëü ñèëüíîìó íàãðåâàíèþ èëè âîçäåéñòâèþ
ïðÿìûõ ñîëíå÷íûõ ë
ó
÷åé
.
6
.
Ñ
ëåäèòå çà òåì, ÷òîáû íà ïåðåäíþþ ïàíåëü
ó
ñòðîéñòâà íå ïîïàëè áåíçèí,
ðàñòâîðèòåëè èëè äðóãèå ëåòó÷èå æèäêîñòè
.
7.
Í
èêîãäà íå ïûòàéòåñü ðàçîáðàòü ïåðåäíþþ ïàíåëü
ó
ñòðîéñòâà
.
Ñá
ð
îñ íàñò
ð
îå
ê
Êíîïêà ñáðîñà RESE
T
íàõîäèòñÿ çà ïåðåä-
íåé ïàíåëüþ (ñòð.
6
) è äëÿ åå íàæàòèÿ ñëåä
ó
-
åò âîñïîëüçîâàòüñÿ øàðèêîâîé ð
ó
÷êîé èëè
ä
ð
ó
ãèì ïîäîáíûì çàîñòðåííûì ïðåäìåòîì.
Êíîïêà íàõîäèòñÿ â îòâåðñòèè íà êîðï
ó
ñå
ó
ñòðîéñòâà, ÷òî ïîçâîëÿåò èçáåæàòü åå ñë
ó
-
÷àéíîãî íàæàòèÿ.
Î
òêèíüòå èëè îòñîå
ä
èíèòå
ïåðåäíþþ ïàíåëü (ñì. «Îòñîåäèíåíèå ïåðåäíåé ïàíåëè» íà ñòð. 20) è íàæìèòå
êíîïêó RE
S
E
T
.
Ï
îñëå íàæàòèÿ äàííîé êíîïêè èç ïàìÿòè óñòðîéñòâà áóäóò ñòåðòû
âñå çàïðîãðàììèðîâàííûå ðàäèîñòàíöèè, è óñòðîéñòâî âûêëþ÷èòñÿ.
Ò
àêæå äàí
-
íàÿ êíîïêà äîëæíà
á
ûòü íàæàòà ïðè ïîÿâëåíèè íà äèñïëåå îøè
á
î÷íîé èíäèêàöèè,
íåâåðíîì ôóíêöèîíèðîâàíèè èëè ïðè «çàâèñàíèè» óñòðîéñòâà
.
Ï
ð
èìå÷àíèå
.
Å
ñëè ïîñëå íàæàòèÿ êíîïêè RESET
ó
ñòðîéñòâî ïðîäîëæàåò ðà
á
î
-
òàòü íåïðàâèëüíî, ïîëíîñòüþ îòêëþ÷èòå ïèòàíèå
ó
ñòðîéñòâà (îòñîåäèíèâ æåëòûé
è ê
ð
àñíûå ï
ð
îâîäà
)
, çàòåì âîññòàíîâèòå ïèòàíèå è ï
ð
îâå
ð
üòå
ð
àáîòîñïîñîáíîñòü
.

2
2
PROLOGY DVU-1500
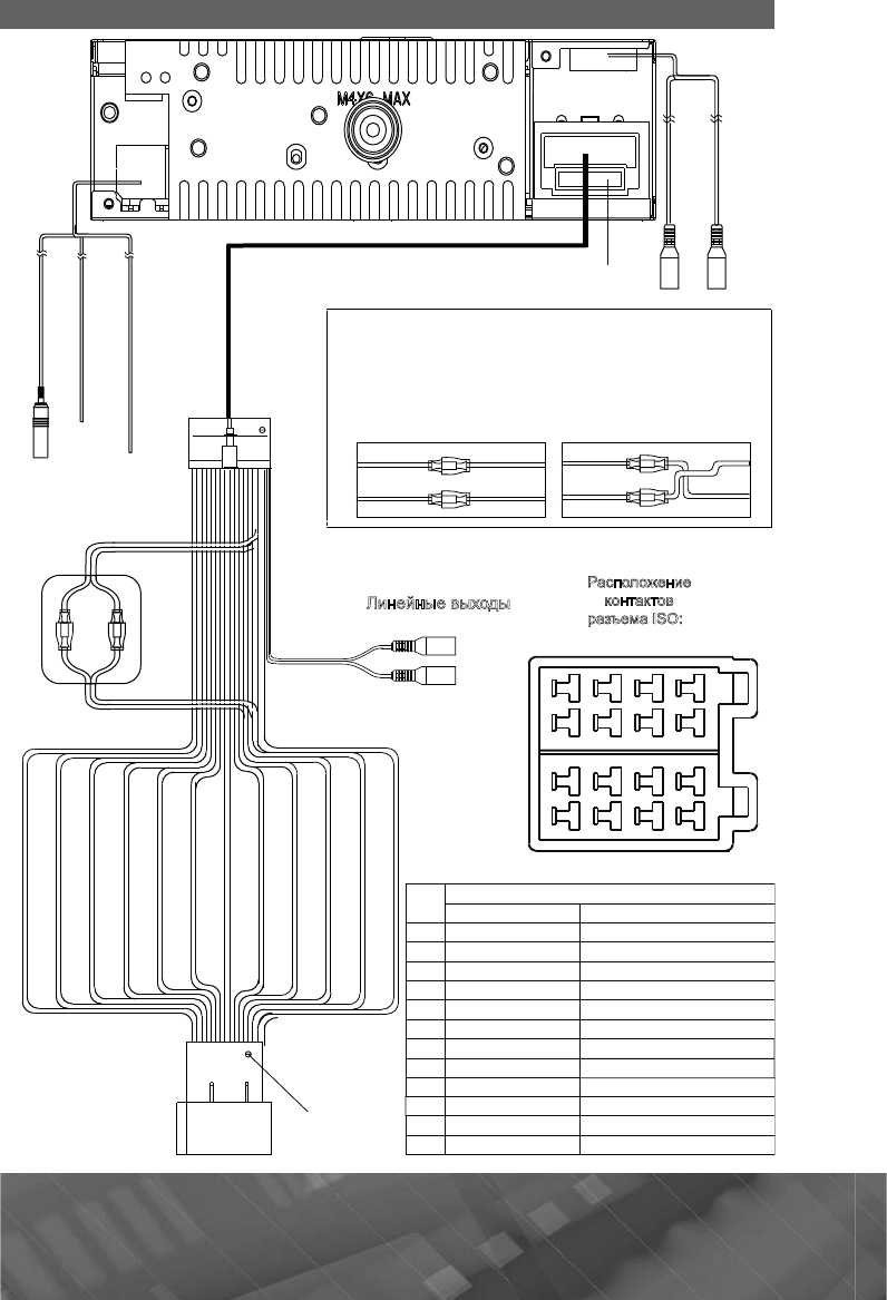
Ñõåìà ïîäêëþ÷åíèÿ ïðîâîäîâ óñòðîéñòâà
Ɋɚɫɩɨɥɨɠɟɧɢɟ
ɤɨɧɬɚɤɬɨɜ
ɪɚɡɴɟɦɚ,62
ɋɟɤɰɢɹȺ
ɋɟɤɰɢɹȼ
1
2
3
4
5
6
7
8
1
2
3
4
5
6
7
8
Ⱦɥɹɧɟɤɨɬɨɪɵɯɦɨɞɟɥɟɣɚɜɬɨɦɨɛɢɥɟɣɧɟɨɛɯɨɞɢɦɨɩɨɦɟɧɹɬɶ
ɩɨɞɤɥɸɱɟɧɢɟɩɪɨɜɨɞɨɜɢɫɬɨɱɧɢɤɚɩɢɬɚɧɢɹɤɚɤɩɨɤɚɡɚɧɨɧɚ
ɪɢɫɭɧɤɟɢɧɚɱɟɩɚɦɹɬɶɭɫɬɪɨɣɫɬɜɚɦɨɠɟɬɛɵɬɶɭɬɟɪɹɧɚ
ɩɨɫɥɟɜɵɤɥɸɱɟɧɢɹɩɢɬɚɧɢɹɋɜɹɠɢɬɟɫɶɫȼɚɲɢɦ
ɚɜɬɨɦɨɛɢɥɶɧɵɦɞɢɥɟɪɨɦɩɟɪɟɞɭɫɬɚɧɨɜɤɨɣɭɫɬɪɨɣɫɬɜɚ
Ɉɪɢɝɢɧɚɥɶɧɨɟɩɨɞɤɥɸɱɟɧɢɟ
ɀɺɥɬɵɣ
Ʉɪɚɫɧɵɣ
ɀɺɥɬɵɣ
Ʉɪɚɫɧɵɣ
ɂɡɦɟɧɺɧɧɨɟɩɨɞɤɥɸɱɟɧɢɟ
ɀɺɥɬɵɣɀɺɥɬɵɣ
ɄɪɚɫɧɵɣɄɪɚɫɧɵɣ
ɤɨɧɬ ɇɚɡɧɚɱɟɧɢɟɤɨɧɬɚɤɬɨɜɪɚɡɴɟɦɚ,62
ɐɜɟɬɩɪɨɜɨɞɚ ɇɚɡɧɚɱɟɧɢɟ
Ⱥ
Ⱥ
Ⱥ
Ⱥ
B1
B2
B3
B4
B5
B6
B7
Ʉɪɚɫɧɵɣ
ɋɢɧɢɣ
ɀɟɥɬɵɣ
ɑɟɪɧɵɣ
Ɏɢɨɥɟɬɨɜɵɣ
Ɏɢɨɥɟɬɨɜɵɣɑɟɪɧɵɣ
ɋɟɪɵɣ
ɋɟɪɵɣɑɟɪɧɵɣ
Ȼɟɥɵɣ
Ȼɟɥɨɵɣɑɟɪɧɵɣ
Ɂɟɥɟɧɵɣ
ȼɩɪɢɜɤɥɸɱɟɧɧɨɦȺɋɋ
ȼɵɯɨɞȼɧɚɚɜɬɚɧɬɟɧɧɭ
Ɇɚɫɫɚ
ȼɩɨɫɬɨɹɧɧɨ
ɉɪɚɜɵɣɡɚɞɧɢɣɞɢɧɚɦɢɤ
ɉɪɚɜɵɣɡɚɞɧɢɣɞɢɧɚɦɢɤ
ɉɪɚɜɵɣɩɟɪɟɞɧɢɣɞɢɧɚɦɢɤ
ɉɪɚɜɵɣɩɟɪɟɞɧɢɣɞɢɧɚɦɢɤ
Ʌɟɜɵɣɩɟɪɟɞɧɢɣɞɢɧɚɦɢɤ
Ʌɟɜɵɣɩɟɪɟɞɧɢɣɞɢɧɚɦɢɤ
Ʌɟɜɵɣɡɚɞɧɢɣɞɢɧɚɦɢɤ
B8 Ɂɟɥɟɧɵɣɑɟɪɧɵɣ Ʌɟɜɵɣɡɚɞɧɢɣɞɢɧɚɦɢɤ
ɉɪɟɞɨɯɪɚɧɢɬɟɥɶȺ
Ɋɚɡɴɟɦɞɥɹɩɨɞɤɥɸɱɟɧɢɹ
)0ɍɄȼɚɧɬɟɧɧɵ
.ɤɨɧɰɟɜɨɦɭɜɵɤɥɸɱɚɬɟɥɸ
ɫɬɨɹɧɨɱɧɨɝɨɬɨɪɦɨɡɚ
PARKING SW
ȼɤɥɸɱɟɧɢɟɤɚɦɟɪɵ
ɡɚɞɧɟɝɨɨɛɡɨɪɚ
REVERSE
ȼɯɨɞɤɚɦɟɪɵɡɚɞɧɟɝɨ
ɨɛɡɨɪɚCAMERA IN
ȼɢɞɟɨɜɵɯɨɞVIDEO OUT
Ʉɪɚɫɧɵɣ$
ɀɺɥɬɵɣ$
Ɂɟɥɺɧɵɣɑɺɪɧɵɣȼ
Ɂɟɥɺɧɵɣȼ
Ȼɟɥɵɣɑɺɪɧɵɣȼ
Ȼɟɥɵɣȼ
ɋɟɪɵɣɑɺɪɧɵɣȼ
ɋɟɪɵɣȼ
Ɏɢɨɥɟɬɨɜɵɣɑɺɪɧɵɣȼ
Ɏɢɨɥɟɬɨɜɵɣȼ
ɑɺɪɧɵɣ$
ɋɢɧɢɣ$
Ɋɚɡɴɺɦ,62
ɋɟɪɵɣ
Ʌɢɧɟɣɧɵɟɜɵɯɨɞɵ
Ɂɚɞɧɢɟ
ɤɚɧɚɥɵ ɉɪɚɜɵɣ
Ʌɟɜɵɣ
Ʉɪɚɫɧɵɣ
Ȼɟɥɵɣ
Ɋɨɡɨɜɵɣ
Ɂɟɥɟɧɵɣ
ɛɟɥɵɣ

2
3
ÂÍÈÌÀÍÈÅ
!
•Íåâåðíîå ïîäêëþ÷åíèå óñòðîéñòâà ìîæåò ïðèâåñòè ê åãî ïîëîìêå è ëèøåíèþ
ïðàâà íà ãàðàíòèéíîå î
á
ñë
ó
æèâàíèå
.
•
 äàííîì
ó
ñòðîéñòâå èñïîëüç
ó
þòñÿ
ó
ñèëèòåëè ìîùíîñòè, ïîäêëþ÷åííûå ïî
ìîñòîâîé ñõåìå.
Ï
ðè ïîäêëþ÷åíèè äèíàìèêîâ íå äîïóñêàåòñÿ çàìûêàíèå
ïðîâîäîâ íà ìàññ
ó
àâòîìîáèëÿ, íà ïðîâîä ïèòàíèÿ +12 Â èëè äð
ó
ã ñ äð
ó
ãîì
.
•
Ê
ðàñíûé ïðîâîä
ó
ñòðîéñòâà äîëæåí áûòü ïîäêëþ÷åí ê öåïè çàæèãàíèÿ âî
èçáåæàíèå ðàçðÿäà àêê
ó
ì
ó
ëÿòîðíîé áàòàðåè àâòîìîáèëÿ ïðè ïðîäîëæè-
òåëüíîé ñòîÿíêå.
Íàçíà÷åíèå ïðîâîäîâ
Ðîçîâûé ï
ð
îâîä (REVERSE
)
Å
ñëè ê ðàçúåì
ó
CAMERA IN (ñòð. 22) ïîäêëþ÷åíà êàìåðà çàäíåãî îáçîðà, òî
ï
ð
è âêëþ÷åíèè ïå
ð
åäà÷è çàäíåãî õîäà àâòîìîáèëÿ
ð
åæèì âîñï
ð
îèçâåäåíèÿ
à
âòîìàòè÷åñêè ïåðåêëþ÷èòñÿ íà îáçîð ñ êàìåðû.
Ï
îñëå âûêëþ÷åíèÿ ïåðåäà÷è
çàäíåãî õîäà óñòðî
é
ñòâî àâòîìàòè÷åñêè âåðí
¸
òñÿ ê ïðåäûäóùåìó ðåæèìó.
Âíèìàíèå!
Å
ñëè ïðîâîä íå ïîäêëþ÷åí â ñîîòâåòñòâèè ñî ñõåìîé, òî ïðè
âêëþ÷åíèè çàäíåãî õîäà óñòðîéñòâî íå ñìîæåò àâòîìàòè÷åñêè ïåðåêëþ÷àòüñÿ â
ðåæèì «
Ê
àìåðà»
.
Ç
åëåíûé/áåëûé ïðîâîä (PARKIN
G
S
W)
Ï
îäêëþ÷èòå ê ïðîâîäó êîíöåâîãî âûêëþ÷àòåëÿ ñòîÿíî÷íîãî òîðìîçà.
×
òîáû ïðå-
äîòâðàòèòü ïðîñìîòð âèäåî è èçî
á
ðàæåíèé âî âðåìÿ äâèæåíèÿ, íà ýêðàí
á
óäåò
âûâîäèòüñÿ ïðåäóïðåæäàþùåå ñîîáùåíèå äî òåõ ïîð, ïîêà íå áóäåò âêëþ÷åí ñòî
-
ÿ
íî÷íûé òîðìîç.
Ï
àññàæèðû íà çàäíåì ñèäåíèè ìîãóò ïðîñìàòðèâàòü èçîáðàæå
-
íèå íà äîïîëíèòåëüíîì ìîíèòîðå
(
â êîìïëåêò íå âõîäèò
).
Ëàìïà ñèãíàëà çàäíåãî õîäà
Àêêóìóëÿòîð
Êîðïóñ àâòîìîáèëÿ
Êîðïóñ àâòîìîáèëÿ
Êîðîáêà
ïåðåêëþ÷åíèÿ ïåðåäà÷
Ðîçîâûé ïðîâîä REVERSE
Ïðîâîä
êîíöåâîãî
âûêëþ÷àòåëÿ
ñòîÿíî÷íîãî
òîðìîçà
Ëàìïà ñòîï-ñèãíàëà Êîðï
ó
ñ àâòîìîáèëÿ
Àêêóìóëÿòîð

24 PROLOGY DVU-1500
Òåõíè÷åñêèå äîïóñêè íà âîçìîæíûå íåçíà÷èòåëüíûå äåôåêòû
èçîáðàæåíèÿ
Æ
èäêîê
ð
èñòàëëè÷åñêàÿ ïàíåëü ñîñòîèò èç ìíîæåñòâà òî÷åê, íàçûâàåìûõ ïèêñå
-
ëÿìè.
Ï
èêñåëü ñîñòîèò èç òðåõ ñóáïèêñåëåé îñíîâíûõ öâåòîâ – êðàñíîãî, çåëåíî
-
ãî è ñèíåãî. Ïîÿâëåíèå íà ÆÊ-ïàíåëè íåáîëüøîãî êîëè÷åñòâà äå
ô
åêòíûõ ïèêñå
-
ëåé (ïîñòîÿííî ñâåòÿùèõñÿ îäíèì öâåòîì) îáúÿñíÿåòñÿ îã
ð
îìíûì îáùèì êîëè÷å
-
ñòâîì ïèêñåëåé è ñëîæíîñòüþ òåõíîëîãè÷åñêîãî ïðîöåññà.
Ì
èíèìèçàöèÿ ïîäîá
-
íûõ äåôåêòîâ äîñòèãàåòñÿ òùàòåëü-
íûì êîíò
ð
îëåì êà÷åñòâà ï
ð
îèçâîäñòâà
ÆÊ-ïàíåëåé,
ð
åãëàìåíòè
ð
îâàííîãî
ò
ð
åáîâàíèÿìè ñòàíäà
ð
òà ISO 13406-2
.
Ï
àíåëü ìîíèòîðà
ó
ñëîâíî ðàçäåëÿåò-
ñÿ íà
ä
âå çîíû, «
À
» è «
Á
», êàê ïîêàçà-
íî íà ðèñóíêå ñïðàâà. ÆÊ-ïàíåëü ïîä
-
ëåæèò
á
åñïëàòíîé çàìåíå â òå÷åíèå ãà
-
ðàíòèéíîãî ñðîêà, åñëè ÷èñëî ïèêñå-
ëåé, ïîñòîÿííî ñâåòÿùèõñÿ îäíèì öâå
-
òîì, ïðåâûøàåò ëþ
á
îå ÷èñëî ïèêñåëåé,
óêàçàííîå â òà
á
ëèöå
.
Ö
âåò ïèêñåë
ÿ
Ç
îíà “À
”
Ç
îíà “Á”
Á
åëû
é
0
0
×
å
ð
íû
é
3
6
Öâåò ñ
ó
áïèêñåë
ÿ
Ñèíè
é
3
6
Ê
ðàñíû
é
3
6
Çå
ë
å
íû
é
3
6
Â
ñå
ã
î
3
6
Ýêñïëóàòàöèîííûå îãðàíè÷åíèÿ è òåêóùèé ðåìîíò
Ó
ñòðîéñòâî ïðåäíàçíà÷åíî äëÿ ýêñïëóàòàöèè â àâòîìîáèëÿõ ñ íàïðÿæåíèåì áîð
-
òîâîé ñåòè 1
2
Â. Íå ñëåäóåò ýêñïëóàòèðîâàòü óñòðîéñòâî, èìåþùåå ïîâðåæäåíèÿ
êîðïóñà èëè ñîåäèíèòåëüíûõ êàáåëåé
.
Î
øèáêè, äîïóùåííûå ïðè óñòàíîâêå è ýêñïëóàòàöèè óñòðîéñòâà, ìîãóò áûòü èíî
-
ãäà ïðèíÿòû çà åãî íåèñïðàâíîñòü.
Í
èæå ïðèâîäèòñÿ òàáëèöà, â êîòîðîé ñâåäåíû
ïðîñòûå ìåòîäû ïðîâåðêè, ñïîñîáíûå ïîìî÷ü
Â
àì óñòðàíèòü áîëüøóþ ÷àñòü ïðî
-
áëåì, âîçíèêàþùèõ ïðè èñïîëüçîâàíèè
ó
ñòðîéñòâà
.
Ïðè îòñ
ó
òñòâèè âèäèìûõ ïðè÷èí íåèñïðàâíîñòè
ó
ñòðîéñòâî ñëåä
ó
åò äåìîíòè
-
ðîâàòü è îáðàòèòüñÿ â ñåðâèñíûé öåíòð. Ïåðåä òåì, êàê ïåðåéòè ê ìåòîäàì
ïðîâåðêè, îïèñàííûì â äàííîé òàáëèöå, òùàòåëüíî ïðîâåðüòå ïðàâèëüíîñòü
ïîäêëþ÷åíèÿ
ó
ñòðî
é
ñòâà
.

2
5
Íåèñï
ð
àâíîñò
ü
Ïð
è÷èíà Óñò
ð
àíåíè
å
Í
å
ò ïèò
à
íè
ÿ
Ïåðåãîðåë ïðåäîõðàíèòåëü
ó
ñòðî
é
ñòâà
Ï
îìåíÿéòå ïåðåãîðåâøèé ïðåäî
-
õðàíèòåëü íà ïðåäîõðàíèòåëü í
ó
æ
-
í
îãî íîìèíàëà.
Å
ñëè ï
ð
åäîõ
ð
àíè
-
òåëü ïåðåãîðèò ñíîâà, îáðàòèòåñü â
ñå
ð
âèñíû
é
öåíò
ð
Í
åï
ð
àâèëüíîå ïîäêëþ÷åíè
å
Ïð
îâå
ð
üòå ïîäêëþ÷åíèå ïèòàíè
ÿ
Ä
âèãàòåëü íå çàâåä¸
í
Ï
îâåðíèòå êëþ÷ çàæèãàíè
ÿ
Íåò çâóê
à
Ã
ðîìêîñòü óñòàíîâëåíà íà
ì
èíèì
ó
ì, èëè âûêëþ÷åí
çâ
ó
ê (MUTE
)
Ï
ðîâåðüòå ãðîìêîñòü èëè âêëþ÷è
-
òå çâ
óê
Íåï
ð
àâèëüíîå ïîäêëþ÷åíè
å
Ïð
îâå
ð
üòå ïîäêëþ÷åíèå äèíàìèêî
â
Í
åò èçîáðàæåíè
ÿ
Í
åïðàâèëüíîå ïîäêëþ÷åíè
å
Ï
ðîâåðüòå ïðàâèëüíîñòü ïîäêëþ
-
÷
åíèÿ óñòðî
é
ñòâ
à
Ï
îëíîñòüþ óáðàíà ÿðêîñòü
è
çîáðàæåíè
ÿ
Î
òðåãóëèðóéòå ÿðêîñòü íà ìîíèòî
-
ð
å èëè íà âíåøíåì ìîíèòîðå, êîòî
-
ð
û
é
ïîäêëþ÷åí ê óñòðî
é
ñòâ
ó
Í
åâåðíîå îòîáðà
-
æåíèå ô
ó
íêöèé íà
ý
êðàí
å
Í
åñòàáèëüíîñòü ñèñòåì
û
Í
àæìèòå êíîïêó RE
S
ET
.
Íå óäà¸òñÿ ïîäêëþ
-
÷èòü U
S
B/
S
D-êàðòó
ï
à
ìÿò
è
Êà
ð
òà ïîäêëþ÷àåòñÿ íåï
ð
à
-
â
èëüí
î
Ïîäêëþ÷èòå êàðòó, êàê óêàçàíî íà
ñòð. 1
6
Íå óäà¸òñÿ ïðî÷è
-
òàòü USB/SD-êàðò
ó
ï
à
ìÿò
è
Ôîðìàò NTF
S
íå ïîääåðæè
-
âàå
ò
ñ
ÿ
Óáåäèòåñü, ÷òî ôàéëîâàÿ ñèñòåìà
í
à USB/SD-êà
ð
òå ïàìÿòè FAT16
è
ëè FAT
3
2
Êà
ð
òà íåèñï
ð
àâí
à
Çàìåíèòå êàðò
ó
ïàìÿò
è
Ï
óëüò äèñòàíöèîí
-
íîãî óï
ðà
âë
å
íèÿ í
å
ðà
á
îòàå
ò
Ñ
âåòîèçëó÷àþùèé ýëå
-
ìå
íò ïóëüò
à
äè
ñ
ò
à
íöèîííî
-
ã
î óï
ðà
âë
å
íèÿ í
å
í
à
ï
ðà
âë
å
í
íà
ñ
â
å
òîï
ð
è
å
ìíèê
ñå
í
ñ
î
ðà
ä
è
ñ
ò
à
íöèîííîãî óï
ðà
âë
å
íè
ÿ
Ä
ëÿ îñóùåñòâëåíèÿ óïðàâëåíèÿ
ñâåòîèçëó÷àþùè
é
ýëåìåíò ïóëü
-
ò
à
äè
ñ
ò
à
íöèîííîãî óï
ðà
âë
å
íèÿ äîë
-
æ
åí
á
ûòü íàïðàâëåí íà ñâåòîïðè
-
å
ìíèê
ñå
í
ñ
î
ðà
äè
ñ
ò
à
íöèîííîãî
ó
ï
ðà
âë
å
íè
ÿ
Ï
ó
ëüò äèñòàíöèîííîãî
óïðàâëåíèÿ è óñòðî
é
ñòâî
íà
õîäÿò
ñ
ÿ
ñ
ëèøêîì ä
à
ë
å
êî
ä
ð
ó
ã îò äð
ó
ã
à
Ð
àññòîÿíèå ïî ïðÿìîé ìåæä
ó
ï
ó
ëü
-
òîì ÄÓ è ñåíñîðîì äèñòàíöèîííîãî
ó
ï
ðà
âë
å
íèÿ í
å
äîëæíî ï
ðå
âûø
à
òü
ï
ÿòè ìåòðî
â
Ìåæäó ïóëüòîì ÄÓ è ñåíñî
-
ð
îì äèñòàíöèîííîãî
ó
ïðàâ
-
ëåíèÿ èìåþòñÿ ïðåïÿòñòâè
ÿ
Óñòðàíèòå ïðåïÿòñòâè
ÿ
Èçðàñõîäîâàí çàðÿä áàòà
-
ð
å
é
êè ïóëüòà äèñòàíöèîííî
-
ã
î
ó
ï
ðà
âë
å
íè
ÿ
Çàìåíèòå áàòàðåéê
ó

2
6
PROLOGY DVU-1500
Äëÿ áåçîïàñíîãî óïðàâëåíèÿ àâòîìîáèëåì
•
Äëÿ áåçîïàñíîãî èñïîëüçîâàíèÿ
ô
óíêöèé óñòðîéñòâà, ïîæàëóéñòà, íå
çàáûâàéòå âûïîëíÿòü ò
ð
åáîâàíèå Ï
ð
àâèë äî
ð
îæíîãî äâèæåíèÿ Ðîññèéñêîé
Ô
åäå
ð
àöèè.
Ï
îìèìî ýòîãî ñòà
ð
àéòåñü ñîáëþäàòü î÷åâèäíûå ï
ð
àâèëà
î
á
ð
àùåíèÿ ñ
Â
àøèì àâòîìîáèëåì, êàê èñòî÷íèêîì ïîâûøåííîé îïàñíîñòè
.
•
Ý
òè ïðàâèëà, â ïåðâ
ó
þ î÷åðåäü, îïðåäåëÿþòñÿ ðèñêîì íàñò
ó
ïëåíèÿ âðåäà äëÿ
æèçíè èëè çäîðîâüÿ òðåòüèõ ëèö, ïðè÷èíåíèÿ âðåäà èõ èìóùåñòâó, äîìàøíèì
æèâîòíûì èëè îêð
ó
æàþùåé ñðåäå
.
•
Äëÿ ï
ð
îñìîò
ð
à âèäåî
ô
àéëîâ è èçîá
ð
àæåíèé ïîñëå îêîí÷àíèÿ äâèæåíèÿ
îá
ÿçàòåëüíî
ó
ñòàíàâëèâàéòå ðû÷àã
ó
ïðàâëåíèÿ àâòîìàòè÷åñêîé òðàíñìèññèè
â ïîëîæåíèå «PARK», à ðû÷àã ïåðåêëþ÷åíèÿ ð
ó
÷íîé êîðîáêè ïåðåäà÷ – â
íå
é
ò
ð
àëüíîå ïîëîæåíèå
.
•
Ïîñëå çàâåðøåíèÿ
ó
ïðàâëåíèÿ àâòîìîáèëåì âñåãäà ñòàâüòå àâòîìîáèëü íà
ñ
òîÿíî÷íûé òî
ð
ìîç, êîòî
ð
ûé äîëæåí íàõîäèòüñÿ â èñï
ð
àâíîì ñîñòîÿíèè è
èñêëþ÷àòü âîçìîæíîñòü äâèæåíèÿ àâòîìîáèëÿ.
Â
ñåãäà ïàðê
ó
éòå àâòîìîáèëü
íà îòê
ð
ûòî
é
, õî
ð
îøî ï
ð
îâåò
ð
èâàåìî
é
ïëîùàäêå
.
•
Ï
îääåðæèâàéòå îòíîñèòåëüíî íèçêèé óðîâåíü ãðîìêîñòè, ÷òîáû âî âðåìÿ
ä
âèæåíèÿ èìåòü âîçìîæíîñòü ñëûøàòü âñå, ÷òî ïðîèñõîäèò âîêðóã àâòîìî
á
èëÿ
.
•
Í
å ìåíÿéòå êàðòû ïàìÿòè, íå ðåãóëèðóéòå ãðîìêîñòü è íå îñóùåñòâëÿéòå
êàêèå-ëè
á
î äðóãèå îïåðàöèè óïðàâëåíèÿ óñòðîéñòâîì, êîòîðûå ìîãóò îòâëå÷ü
Â
àñ îò óïðàâëåíèÿ àâòîìîáèëåì
.
Íåèñï
ð
àâíîñò
ü
Ïð
è÷èíà Óñò
ð
àíåíè
å
Ðàäèîï
ð
èåìíèê íå
ð
àáîòàå
ò
Ê
ó
ñòðîéñòâ
ó
íå ïîäêëþ÷åí
ê
àáåëü àíòåíí
û
Íà
ä
åæíî ïî
ä
êëþ÷èòå êàáåëü àí
-
òåííû ê óñòðî
é
ñòâ
ó
À
íòåííà ñëîæåíà èëè ñëî
-
ì
àíà
Ïîëíîñòüþ âûòÿíèòå àíòåííó, èëè
çàìåíèòå àíòåíí
ó
Íå ðàáîòàåò
ôó
íê
-
öèÿ àâòîíàñòðîéêè
íà ðàäèîñòàíöè
è
Ð
à
ä
èîñòàí
ö
èè èìåþò ñëèø
-
ê
îì ñëà
á
ûé ñèãíà
ë
Í
àñòðàèâàéòåñü íà ñòàíöèè âð
ó
÷
-
í
ó
þ
Íà ýêðàíå
ïîÿâëÿ
å
ò
ñ
ÿ í
à
äïè
ñ
ü
«
Parking is enabled.
No video in driving!
»
Ïðîñìîòð âèäåîôàéëîâ,
è
çîáðàæåíèé âî âðåìÿ
ä
âèæåíèÿ àâòîìî
á
èë
ÿ
Ïîñòàâüòå àâòîìîáèëü íà
ñòîÿíî÷íûé òîðìî
ç
Çåëåíûé/áåëûé ï
ð
îâîä
P
arkin
g
S
W
íå ïîäêëþ÷åí
ñîãëàñíî ñõåìå íà ñò
ð
. 2
3
Ïîäêëþ÷èòå ï
ð
îâîä ñîãëàñíî
ñ
õ
å
ì
å
Õðàíåíèå, òðàíñïîðòèðîâàíèå, ðåñóðñ, óòèëèçàöèÿ
Ó
ñòðîéñòâî ðåêîìåíäóåòñÿ õðàíèòü â ñêëàäñêèõ èëè äîìàøíèõ óñëîâèÿõ ïî ãðóïïå
«Ë» Ã
ÎÑ
Ò 1515
0
è ïðè íåîáõîäèìîñòè òðàíñïîðòèðîâàòü ëþáûì âèäîì ãðàæäàí
-
ñêîãî òðàíñïîðòà â èìåþùåéñÿ èíäèâèä
ó
àëüíîé ïîòðåáèòåëüñêîé òàðå ïî ãð
ó
ïïå
«Æ
2
» Ã
ÎÑ
Ò 1515
0
ñ
ó
÷åòîì Ã
ÎÑ
Ò Ð 5
0
9
0
5 ï.4.9.5. Ìåñòî õðàíåíèÿ (òðàíñïîðòè
-
ðîâêè
)
äîëæíî áûòü íåäîñò
ó
ïíûì äëÿ ïîïàäàíèÿ âëàãè, ïðÿìîãî ñîëíå÷íîãî ñâå
-
òà è äîëæíî èñêëþ÷àòü âîçìîæíîñòü ìåõàíè÷åñêèõ ïîâðåæäåíèé
.

27
Ñðîê ñë
ó
æáû
ó
ñòðîéñòâà – 2 ãîäà. Óñòðîéñòâî íå ñîäåðæèò âðåäíûõ ìàòåðèàëîâ
è áåçîïàñíî ïðè ýêñïëóàòàöèè è óòèëèçàöèè (êðîìå ñæèãàíèÿ â íåïðèñïîñîáëåí-
íûõ
ó
ñëîâèÿõ
).
Ãàðàíòèè ïîñòàâùèêà
À
âòîìîáèëüíûé ì
ó
ëüòèìåäèéíûé öåíòð Prolog
y
DVU-15
00
ñîîòâåòñòâ
ó
-
å
ò óòâåðæäåííîìó îáðàçöó, ÷òî ïîäòâåðæäàåò äåêëàðàöèÿ î ñîîòâåòñòâèè
¹
ÐÎÑÑ GB.ÌË04.
Ä
00300.
È
çãîòîâèòåëü ãàðàíòèð
ó
åò ñîîòâåòñòâèå
ó
ñòðîéñòâà òðåáîâàíèÿì
ÃÎÑÒ 122006-87, ÃÎÑÒ 22505-97, ÃÎÑÒ 28002-88 è íî
ð
ìàì ýëåêò
ð
îìàãíèò
-
íîé ñîâìåñòèìîñòè
Ý
Ì
Ñ
1
0
-94 è
Ý
Ì
Ñ
2
1-94. Ï
ð
è ñîáëþäåíèè âëàäåëüöåì ï
ð
à
-
âèë ýêñïë
ó
àòàöèè, èçëîæåííûõ â íàñòîÿùåì Ð
ó
êîâîäñòâå ïîëüçîâàòåëÿ,
ó
ñòðîé
-
ñ
òâî îáåñïå÷èâàåò áåçîïàñíîñòü è ýëåêòðîìàãíèòí
ó
þ ñîâìåñòèìîñòü â ïîëíîì
îáúåìå ò
ð
åáîâàíèé, ïîäëåæàùèõ îáÿçàòåëüíîé ñå
ð
òè
ô
èêàöèè â ñèñòåìå Ã
ÎÑ
Ò Ð,
íå îêàçûâàåò âðåäíîãî âîçäåéñòâèÿ íà îêðóæàþùóþ ñðåäó è ÷åëîâåêà è ïðèçíà
-
íî ãîäíûì ê
ý
ê
ñ
ïëó
à
ò
à
öèè.
Óñòðîéñòâî èìååò ãàðàíòèéíûé ñðîê ýêñïëóàòàöèè — 1
2
ìåñÿöåâ ñ ìîìåíòà ïî-
êóïêè
á
åç ó÷åòà âðåìåíè ïðå
á
ûâàíèÿ â ðåìîíòå ïðè ñî
á
ëþäåíèè ïðàâèë ýêñ-
ïëóàòàöèè.
Ï
ðàâî íà ãàðàíòèþ äàåòñÿ ïðè çàïîëíåíèè ñâåäåíèé ïðèëàãàåìîãî ãà-
ð
àíòèéíîãî òàëîíà
.
Ãà
ð
àíòèéíûå îáÿçàòåëüñòâà íå
ð
àñï
ð
îñò
ð
àíÿþòñÿ íà ïå
ð
å÷èñëåííûå íèæå ï
ð
è-
íàäëåæíîñòè èçäåëèÿ, åñëè èõ çàìåíà ïðåä
ó
ñìîòðåíà êîíñòð
ó
êöèåé è íå ñâÿçà-
íà ñ
ð
àç
á
î
ð
êîé èçäåëèÿ
:
•
íà ï
ó
ëüò äèñòàíöèîííîãî
ó
ïðàâëåíèÿ, ýëåìåíòû ïèòàíèÿ
(
áàòàðåéêè
);
•ñîåäèíèòåëüíûå ïðîâîäà, ìîíòàæíûå ïðèñïîñî
á
ëåíèÿ, äîê
ó
ìåíòàöèþ, ïðè-
ëàãàåì
ó
þ ê èçäåëèþ
.
Ðàñøèôðîâêà äàòû âûïóñêà óñòðîéñòâà, óêàçàííîé â ñåðèéíîì íîìåðå
Ñ
åðèéíûé íîìåð
ó
ñòðîéñòâà
ó
êàçûâàåòñÿ ïîä øòðèõ-êîäîì íà
ó
ïàêîâêå, à òàêæå
íà ñòèêåðå, êîòîðûé êëåèòñÿ íà êîðï
ó
ñ èçäåëèÿ
.
Äëÿ òîãî, ÷òîáû
ó
çíàòü èíôîðìàöèþ î äàòå âûï
ó
ñêà
ó
ñòðîéñòâà, äîñòàòî÷íî ðàñ-
øèôðîâàòü 5 è
6
öèôð
ó
èç 1
2
-çíà÷íîãî ñåðèéíîãî íîìåðà. Ïðèìåð ðàñøèôðîâ-
êè ï
ð
èâ
å
ä
å
í íèæ
å.
1AAA
0A
00000
1
À
– ìåñÿö âûïóñêà (A – ÿíâàðü, B – ôåâðàëü,
C
– ìàðò,
D – àïðåëü, E – ìàé, F – èþíü,
G
– èþëü, H – àâãóñò,
I – ñåíòÿáðü, J – îêòÿáðü, K – íîÿáðü, L – äåêàáðü
).
0
– ãîä âûïóñêà (
0
-
20
1
0
, 1 –
20
11,
2
–
20
1
2
è ò. ä.
)
Äàííîå
ó
ñòðîéñòâî âûï
ó
ùåíî â ÿíâàðå 2010 ãîäà
.

2
8
PROLOGY DVU-1500
Äëÿ çàìåòîê