Goodman GMSS92 Specs
2019-02-12
: Pdf Goodman Gmss92 Specs Goodman GMSS92 Specs Forms
Open the PDF directly: View PDF
.
Page Count: 12

SS-GMSS92 www.goodmanmfg.com 9/18
Supersedes 1/18
Single-Stage, Multi-Speed
Gas Furnace
Up to 92% AFUE
Contents
Nomenclature ............................................2
...............................3
................................................ 5
................................ 7
Wiring Diagram ........................................10
..............................................11
Standard Features Cabinet Features
•
•
•
•
•
•
•
•
•
•
•
•
•
•
• Q
•
•
•
GMSS92 / GCSS92
Heating Input: 40,000–120,000 BTU/h

2 goodmanmfg.com SS-GMSS92 SS-GMSS92 goodmanmfg.com 3
Nomenclature
G M S S 92 060 3 B N **
12345,6 7,8,9 10 11 12 13,14
Brand Engineering
G - Goodman® Brand
Configuration NOx
Cabinet Width
Motor
S - Single Speed Maximum CFM
Gas Valve
MBTU/h
S - Single Stage
AFUE

2 goodmanmfg.com SS-GMSS92 SS-GMSS92 goodmanmfg.com 3
GMSS92
0403ANA
GMSS92
0402BNA
GMSS92
0603BNA
GMSS92
0803BNA
GMSS92
0804CNA
GMSS92
0805CNA
GMSS92
1004CNA
GMSS92
1005CNA
GMSS92
1205DNA
Heating Data
92 92 92 92 92 92 92 92 92
25 - 55
Vent Diameter³
2 2 3 5 5
Circulator Blower
1.5 - 3 1.5 - 3 1.5 - 3 1.5 - 3 3 - 5 3 - 5 3 - 5 3 - 5 3 - 5
½ ¾ ½ ¾ ¾
Speed
Filter Size (in²) (Qty)
Electrical Data
9.3 11.7 13.7 11.7 13.7 13.7
15 15 15 15 15 15 15 15 15
Shipping Weight (lbs) 109 112 115 137 138 139 152
Notes
•
•
•
•
•
GMSS92 Product Specifications

goodmanmfg.com SS-GMSS92 SS-GMSS92 goodmanmfg.com 5
GCSS92 Product Specifications
GCSS92
0402BNA
GCSS92
0603BNA
GCSS92
0804CNA
GCSS92
1005CNA
Heating Data
92 92 92 92
Vent Diameter³
2 3 5
Circulator Blower
1.5 - 3 1.5 - 3
½ ¾
Speed
Electrical Data
11.7 13.7
15 15 15 15
Shipping Weight (lbs) 109 112 137
Notes
•
•
•
•
• -

goodmanmfg.com SS-GMSS92 SS-GMSS92 goodmanmfg.com 5
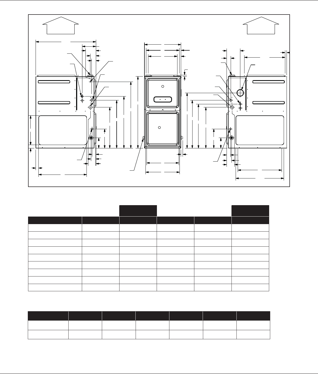
GMSS92 Dimensions
Air
Discharge Air
Return
Model A B C D E
17½
GMSS920803BNA
GMSS921205DNA
Minimum Clearances to Combustible Materials
Position Sides Rear Front Bottom Flue Top
Horizontal
5
9¼
19⅝
34½
¾
19½
⅞
¾
B
C
23
2⅜
1⅞
2½
2
6½
5
9¼
19⅝
23
24⅞
31⅞
A
21⅛
2⅝
14
23
1
½
1⅜
¾
28¾
2⅜
1⅞
2½
2
2¾
6½
1⅞
26½
23½
Folded Flanges
22
Unfolded Flanges
D
Unfolded Flanges
E
Folded Flanges
Air
Discharge
Air
Discharge
LEFT SIDE VIEW FRONT VIEW RIGHT SIDE VIEW
Condensate Drain
Trap Exterior
Connecon
(Right or Le Side)
¾ PVC
Vent/ Flue Pipe
2" PVC Alternate
Vent/ Flue
Locaon
Right-Side
Drain Trap
Exterior Holes
High-Voltage
Electrical Outlet
Alternate
Gas Supply
Low-Voltage
Electrical Outlet
Standard
Gas Supply
Locaon
Center Dimple
For Alternate
Air Intake Pipe
3" OD Hole
Air Intake
2" Pipe
Le-Side
Drain Trap
Exterior Holes
High-Voltage
Electrical Outlet
Low-voltage
Electrical Outlet

goodmanmfg.com SS-GMSS92 SS-GMSS92 goodmanmfg.com 7
GCSS92 Dimensions
Air
Return Air
Discharge
Model A B C D E
Minimum Clearances to Combustible Materials
Position Sides Rear Front Bottom Flue Top
Horizontal
A
34½
4⅛
11⅜
14¾
25⅛
28¾
C
6⅞ 6⅞
11⅜
14⅞
14¾
25⅛
3½
2½
2
1⅞
2⅝
23
14
1⅜
1½
1⅝
E
D
Unfolded Flanges
18⅛
Unfolded Flanges
20⅛
Folded Flanges
2⅝
1⅞
2½
6½
2
Front View
Right-Side View
Low-Voltage
Electrical Outlet
Alternate Gas
High-Voltage
Electrical Outlet
Standard Drain Trap
Drain Trap Holes
Alternate
Gas Supply
Alternate Vent/
High-Voltage
Electrical Outlet
Right Side Exterior
Drain Trap Holes
Low-Voltage
Electrical Outlet
Air
Discharge
Air
Discharge
Folded Flanges
B
18¼

goodmanmfg.com SS-GMSS92 SS-GMSS92 goodmanmfg.com 7
GMSS92 Airflow Data
(CFM & Temperature Rise vs. External Static Pressure)
Model Motor
Speed
Tons
AC¹
External Static Pressure, (Inches Water Column)
0.1 0.2 0.3 0.4 0.5 0.6 0.7 0.8
CFM Rise CFM Rise CFM Rise CFM Rise CFM Rise CFM CFM CFM
GMSS92
3 1205 1153 1081 31 1023 871 790
Med 2.5 1115 31 1019 33 959 35 893 817
Med-Lo 21028 33 993 959 35 915 39 810
1.5 938 903 37 873 38 791 597
GMSS92
3
Med 2.5 30 31 32 982 901 813
Med-Lo 2983 35 971 35 919 37 878 39 813
1.5 758 50 597 523
GMSS92
3 38 39 972
Med 2.5 927 831
Med-Lo 2977 52 53 939 57 59 801
1.5 801 751
GMSS92
0803BNA
3 51 57 952
Med 2.5 57 58 973 889 797
Med-Lo 2985 932 900 859 805 731
1.5 808 785 758 590 513
GMSS92
5 35 38
Med 38 39
Med-Lo 3.5
3 57 58
GMSS92
5 30 31 31 32 33
Med 37 38 39
Med-Lo 3.5
3 50 51 53
GMSS92
5
Med 50 51
Med-Lo 3.5 55 57 59
3 1237
GMSS92
5
Med 50 52
Med-Lo 3.5 55 58
3
GMSS92
1205DNA
5 50 51
Med 57 58 59
Med-Lo 3.5
3
Notes
•
•
•
•
•
•
Minimum Filter Sizes
GMSS92
0403ANA
GMSS92
0402BNA
GMSS92
0603BNA
GMSS92
0803BNA
GMSS92
0804CNA
GMSS92
0805CNA
GMSS92
1004CNA
GMSS92
1005CNA
GMSS92
1205DNA
Filter Size (in²) (Qty)

8 goodmanmfg.com SS-GMSS92 SS-GMSS92 goodmanmfg.com 9
GCSS92 Airflow Data
(CFM & Temperature Rise vs. External Static Pressure)
Model Motor
Speed
Tons
AC¹
External Static Pressure, (Inches Water Column)
0.1 0.2 0.3 0.4 0.5 0.6 0.7 0.8
CFM Rise CFM Rise CFM Rise CFM Rise CFM Rise CFM CFM CFM
3 31
Med 2.5 30 32 927 853
Med-Lo 2 33 998 35 923 37 880 39 820 739
1.5 827 797 727
3 31 38 955
Med 2.5 50 859 759
Med-Lo 2 50 51 988 52 893 57 830 751
1.5 859 830 815 789 751
39
Med 3.5
Med-Lo 3 52
2.5 51 52 55 58
50 53 58
Med 3.5 50 53 55 58
Med-Lo 3 52 55 57
2.5
Notes
•
•
•
•
•
•
Minimum Filter Sizes
GCSS92
0402BNA
GCSS92
0603BNA
GCSS92
0804CNA
GCSS92
1005CNA

8 goodmanmfg.com SS-GMSS92 SS-GMSS92 goodmanmfg.com 9
Temperature Rise Range Chart
30 40 50 60 70 80 90 110 120
100 130 140 150
100
90
80
70
60
50
40
30
20
10
OUTPUT BTU/HR x 1000
BTU OUTPUT vs TEMPERATURE RISE CHART
TEMPERATURE RISE
600 CFM
700
900
1000
1100
1200
1400
1600
1800
2000
2200
2400 CFM
FORMULAS
BTU OUTPUT = CFM x 1.08 x RISE
RISE =
BTU OUTPUT
1.08
÷ CFM
800
Output BTU/h x 1,000
BTU Output Vs. Temperature Rise Chart

10 goodmanmfg.com SS-GMSS92 SS-GMSS92 goodmanmfg.com 11
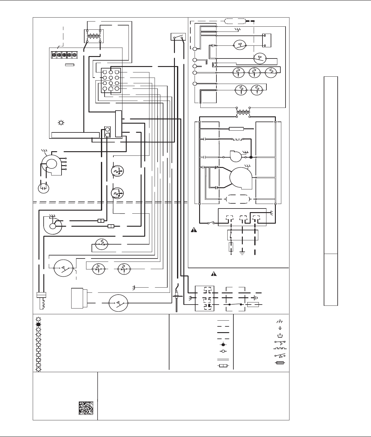
Wiring Diagram
⚠ Warning High Voltage:
⚡
R
YLYELLOW
ORORANGE
PUPURPLE
GNGREEN
BKBLACK
BRBROWN
WHWHITE
BLBLUE
GYGRAY
RDRED
COLORCODES:
LOWVOLTAGE(24V)
LOWVOLTAGEFIELD
HIVOLTAGE(115V)
HIVOLTAGEFIELD
NOTES:
1.SETHEATANTICIPATORONROOMTHERMOSTATAT0.7AMPS.
2.MANUFACTUR'S SPECIFIEDREPLACEMENTPARTSMUSTBEUSEDWHENSERVICING.
0140F01908-A
OR(MEDLOW)
BL(MED)
RD(LOW)
GASVALVE
C2
CGW
INTERNALTO
INTEGRATEDCONTROL
JUNCTION
EQUIPMENTGND
FIELDGND
DIAGNOSTIC
LED
2CIRCUIT
CONNECTOR
HOT
SURFACE
IGNITER
OVERCURRENT
PROT.DEVICE
IGNITER
TH(3)
INTEGRATED
CONTROLMODULE
JUNCTIONBOX
LINE-H
XFMR-H
INTEGRATED CONTROL MODULE
INTEGRATED CONTROL MODULE
GND
DISCONNECT
LN
DISCONNECTPOWER
BEFORESERVICING.
WIRINGTOUNIT
MUSTBE
PROPERLY
POLARIZED
ANDGROUNDED.
OVERCURRENTPROTECTIONDEVICE
RD
BL
BK
4.BLOWERSPEEDSSHOULDBEADJUSTEDBYINSTALLERTOMATCHTHEINSTALLATIONREQUIREMENTSSO
ASTOPROVIDETHECORRECTHEATINGTEMPERATURERISEANDTHECORRECTCOOLINGCFM.
3.IF ANYOFTHEORIGINALWIREASSUPPLIEDWITHTHEFURNACEMUSTBEREPLACED,IT MUSTBEREPLACEDWITHWIRINGMATERIAL
HAVINGATEMPERATURERATINGOFATLEAST105
TERMINAL
SWITCH(PRESS.)
5.UNITMUSTBEPERMANENTLYGROUNDEDANDCONFORMTON.E.C.ANDLOCALCODES.
PKPINK
115VACHOTANDPARKTERMINALS
LINE-H
FLAME
SENSOR
(SINGLECONTROLON40KBTU)
BK
PLUGCONNECTION
FIELDSPLICE
SWITCH(TEMP.)
OR
24VTHERMOSTAT
CONNECTIONS
GR
GND
115VAC
24VAC
BLOWER
COMPARTMENT
DOORSWITCH
(OPENWHEN
DOOROPEN)
DOOR
SWITCH
WARNING:DISCONNECTPOWERBEFORE
SERVICING.WIRINGTOUNITMUSTBE
PROPERLYPOLARIZEDANDGROUNDED.
BK
GND
DISCONNECT
L
N
POWER SUPPLY WITH
OVERCURRENT PROTECTION
DEVICE
WH
JUNCTION
BOX
1
TO 115 VAC / 1Ø / 60HZ
OR
ID BLOWER
PRESSURE
SWITCH
HEAT-H
GND
WH
RD
WH
GND
BURNERCOMPARTMENT
BLOWERCOMPARTMENT
N
O
COOL-H
BK(HI)
BRBR
CAPACITOR
YL
WH
CONTROL
PRIM ARYLI M IT
AUTORESET
BL
PU
MANUALRESETROLLOUTLIM IT CONTROL(S )
RD
OR
PK
BK
WHWH
BLOWER
INDUCEDDRAFT
AUXILIARYLIMIT
CONTROLS
C
CIRCULATOR
BLOWER
FS
LIMIT CONTROLS
AUXILIARY
HEAT-H
COOL
IGNITER
HOTSURFACE
IND
IGN
BLWR
CIRCULATOR
BLWR
ID
FLAMESENSOR
115VAC
TRANSFORMER
40VA
24VAC
GND
CONTROL
LIMIT
PRIMARY
AUTORESET
(SINGLECONTROLON40KBTU)
LIMIT CONTROL(S)
MANUALRESETROLLOUT
RO1(5)
RO2(11)
HLO(1)
HLI(7)
MVC(9)
GND(8)
TR(6)
OR
WH
WH
BL
YL OR
RD
GR BR
PK
PK
WH
115 VAC NEUTRAL
BK
BK
BK
GY
24V THERMOSTAT CONNECTIONS
MICRO
TO
C
G
Y
W
R
TRANSFORMER
40VA
2
WH
OR
BL
YL
OR
PK
RD
OR
WH
XFMR-H
TERMINALS
BL
GY
GR
1
2
3
121110
987
654
WARNING:
°C.USECOPPERCONDUCTORSONLY.
24VAC
HUMIDIFIER
24VAC
HUMIDIFIER
HUMIDIFIER
PSO(4)
MV(12)
PS(10)CNO
IDBLOWER
PRESSURE
SWITCH
OFF=CONTROLFAILURE
STEADYON=NORMALOPERATION
1FLASH=
2FLASHES=PRESSURESWITCHSTUCKCLOSED
3FLASHES=PRESSURESWITCHSTUCKOPEN
4FLASHES=OPENHIGHLIMIT
5FLASHES=FLAMESENSEWITHOUTGASVALVE
OPENROLLOUT
6FLASHES=
SYSTEMLOCKOUT(RETRIESEXCEEDED)
CONTINUOUS/RAPID FLASHES=REVERSED115VACPOLARITY
CONTROL
MODULE
INTEGRATED
FUSE
MI
GY
GY
M1
GAS
VALVE
C2
TO115VAC/1Ø/60HZPOWERSUPPLYWITH
PU
Y
BR
GY
BR
LINE NEUTRALS
NOC
FRONTCOVER
PRESSURESWITCH
C
N
O
FRONTCOVER
PRESSURESWITCH
YL
7FLASHES=
8FLASHES=
6FLASHES=
7FLASHES=LOWFLAMESIGNAL
8FLASHES=CHECKIGNITERORIMPROPERGROUNDING
ELECTRONIC
AIRCLEANER
EAC-H
GND
GR

10 goodmanmfg.com SS-GMSS92 SS-GMSS92 goodmanmfg.com 11
Accessories
Model Description GMSS92
0403ANA
GMSS92
0402BNA
GMSS92
0603BNA
GMSS92
0803BNA
GMSS92
0804CNA
GMSS92
0805CNA
GMSS92
1004CNA
GMSS92
1005CNA
GMSS92
1205DNA
---
--- --- --- --- --- --- --- --- ---
--- --- --- --- --- --- --- --- ---
--- --- --- --- --- --- --- --- ---
Permanent Filter --- --- ---
---
TBD
TBD
LPLP03
LPM-07
Model Description GCSS92
0402BNA
GCSS92
0603BNA
GCSS92
0804CNA
GCSS92
1005CNA
--- ---
--- ---
--- --- --- ---
--- --- --- ---
---
LPLP03
LPM-07

12 goodmanmfg.com SS-GMSS92 SS-GMSS92 goodmanmfg.com PB
Goodman Manufacturing Company, L.P., reserves the right to disconnue, or change at any me, specicaons or designs
without noce or without incurring obligaons. © 2018 Goodman Manufacturing Company, L.P. • Houston, Texas
Notes