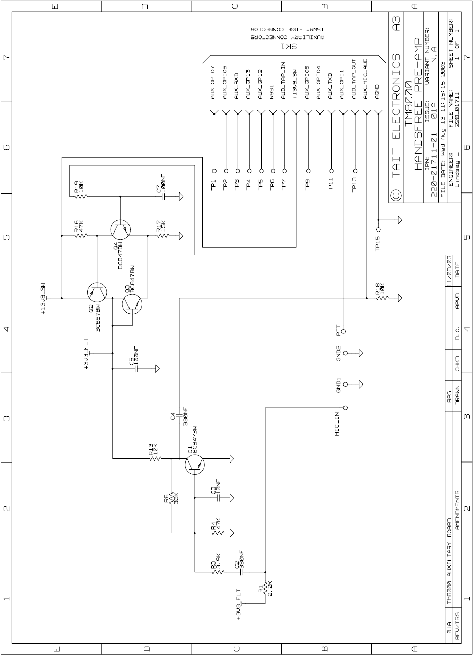
TM8100/TM8200 Accessories Manual TM8000/TM8100 8200 Manual/MMA 00012 02 TM8100 MMA
TM8000/TM8100-8200 Accessories Manual MMA-00012-02/TM8100-8200 Accessories Manual MMA-00012-02 TM8100-8200 Accessories Manual MMA-00012-02
TM8000/TM8100-8200 Accessories Manual/MMA-00012-02 TM8100-8200 Accessories Manual MMA-00012-02 TM8100-8200 Accessories Manual
User Manual: Pdf TM8000/TM8100-8200 Accessories Manual/MMA-00012-02 TM8100-8200 Accessories Manual
Open the PDF directly: View PDF
.
Page Count: 140 [warning: Documents this large are best viewed by clicking the View PDF Link!]
- Cover
- Tait Contact Information
- Contents
- Preface
- 1 Safety and Servicing Information
- 2 TMAA01-01 Line-Interface Board
- 3 TMAA01-02 RS-232 Board
- 4 TMAA01-05 Options-Extender Board
- 5 TMAA02-02 DTMF Microphone
- 6 TMAA02-06 Support Kit for Concealed & Dynamic Microphones
- 7 TMAA02-07 Concealed Microphone
- 8 TMAA02-08 Keypad Microphone
- 9 TMAA03-02 Security Bracket
- 10 Installing a Remote Kit
- 10.1 Installation
- 10.1.1 Overview
- 10.1.2 Parts Required
- 10.1.3 Removing the Control Head from the Radio Body (if necessary)
- 10.1.4 Installing the Torso Interface
- 10.1.5 Mounting the Remote U-Bracket
- 10.1.6 Installing the Control-Head Interface
- 10.1.7 Mounting the U-Bracket and Installing the Radio Body
- 10.1.8 Connecting the Remote Cable
- 10.2 Circuit Description
- 10.3 Servicing the Remote Kit Parts
- 10.4 PCB Information
- 10.1 Installation
- 11 Installing an Enhanced Remote Kit
- 11.1 Installation
- 11.1.1 Overview
- 11.1.2 Parts Required
- 11.1.3 Removing the Control Head from the Radio Body (if necessary)
- 11.1.4 Installing the Torso Interface
- 11.1.5 Mounting the Remote U-Bracket
- 11.1.6 Installing the Control-Head Interface
- 11.1.7 Mounting the U-Bracket and Installing the Radio Body
- 11.1.8 Connecting the Remote Cable
- 11.2 Circuit Description
- 11.3 Servicing the Remote Control-Head Installation Parts
- 11.4 PCB Information
- 11.1 Installation
- 12 TMAA04-04 Crossband Linking Cable
- 13 TMAA04-05 Ignition Sense Kit
- 14 TMAA10-01 Desktop Microphone
- 15 TMAA10-02 Handset
- 16 TMAA10-03 and TMAA10-06 HighPowerRemoteSpeakers
- 17 TMAA10-04 Remote PTT Kit and TMAA1005Hands-Free Kit
- 18 TOPA-SV-024 Test Unit
- Tait General Software Licence Agreement

TM8100 mobiles
TM8200 mobiles
Accessories Manual
MMA-00012-02
Issue 02
August 2005

2TM8100/TM8200 Accessories Manual
© Tait Electronics Limited August 2005
Tait Contact Information
Tait Radio Communications
Corporate Head Office
Tait Electronics Ltd
P.O. Box 1645
Christchurch
New Zealand
For the address and telephone number of
regional offices, refer to the TaitWorld
website:
We b s i t e : http://www.taitworld.com
Technical Support
For assistance with specific technical issues,
contact Technical Support:
E-mail: support@taitworld.com
We b s i t e : http://support.taitworld.com
To our European customers:
Tait Electronics Limited is an environmentally responsible company which
supports waste minimization and material recovery. The European Union’s
Waste Electrical and Electronic Equipment Directive requires that this
product be disposed of separately from the general waste stream when its
service life is over. Please be environmentally responsible and dispose
through the original supplier, your local municipal waste “separate collec-
tion” service, or contact Tait Electronics Limited.

TM8100/TM8200 Accessories Manual 3
© Tait Electronics Limited August 2005
Contents
Tait Contact Information . . . . . . . . . . . . . . . . . . . . . . . . . . . . . . . . . . . . . 2
Preface . . . . . . . . . . . . . . . . . . . . . . . . . . . . . . . . . . . . . . . . . . . . . . . . . 7
Scope of Manual. . . . . . . . . . . . . . . . . . . . . . . . . . . . . . . . . . . . . . . . . . . . . . . . . 7
Enquiries and Comments . . . . . . . . . . . . . . . . . . . . . . . . . . . . . . . . . . . . . . . . . . 7
Updates of Manual and Equipment . . . . . . . . . . . . . . . . . . . . . . . . . . . . . . . . . . . 7
Copyright. . . . . . . . . . . . . . . . . . . . . . . . . . . . . . . . . . . . . . . . . . . . . . . . . . . . . . 7
Disclaimer . . . . . . . . . . . . . . . . . . . . . . . . . . . . . . . . . . . . . . . . . . . . . . . . . . . . . 7
Associated Documentation . . . . . . . . . . . . . . . . . . . . . . . . . . . . . . . . . . . . . . . . . 8
Publication Record. . . . . . . . . . . . . . . . . . . . . . . . . . . . . . . . . . . . . . . . . . . . . . . 8
Alert Notices . . . . . . . . . . . . . . . . . . . . . . . . . . . . . . . . . . . . . . . . . . . . . . . . . . . 9
Abbreviations . . . . . . . . . . . . . . . . . . . . . . . . . . . . . . . . . . . . . . . . . . . . . . . . . . 10
1 Safety and Servicing Information. . . . . . . . . . . . . . . . . . . . . . . . . . . . 11
1.1 Personal Safety . . . . . . . . . . . . . . . . . . . . . . . . . . . . . . . . . . . . . . . . . . . . 11
1.2 Equipment Safety . . . . . . . . . . . . . . . . . . . . . . . . . . . . . . . . . . . . . . . . . . 11
1.3 Identifying Screw Types . . . . . . . . . . . . . . . . . . . . . . . . . . . . . . . . . . . . . 12
1.4 Regulatory Information. . . . . . . . . . . . . . . . . . . . . . . . . . . . . . . . . . . . . . 14
1.5 PCB Information . . . . . . . . . . . . . . . . . . . . . . . . . . . . . . . . . . . . . . . . . . 14
2 TMAA01-01 Line-Interface Board . . . . . . . . . . . . . . . . . . . . . . . . . . . 15
2.1 Operation . . . . . . . . . . . . . . . . . . . . . . . . . . . . . . . . . . . . . . . . . . . . . . . . 15
2.2 Configuring the Line-Interface Board. . . . . . . . . . . . . . . . . . . . . . . . . . . . 15
2.3 Installing the Line-Interface Board . . . . . . . . . . . . . . . . . . . . . . . . . . . . . . 19
2.4 Programming Information . . . . . . . . . . . . . . . . . . . . . . . . . . . . . . . . . . . . 22
2.5 Interface Specification . . . . . . . . . . . . . . . . . . . . . . . . . . . . . . . . . . . . . . . 23
2.6 Line-Interface Board Application . . . . . . . . . . . . . . . . . . . . . . . . . . . . . . . 24
2.7 Line-Interface Board Specifications . . . . . . . . . . . . . . . . . . . . . . . . . . . . . 25
2.8 Circuit Description . . . . . . . . . . . . . . . . . . . . . . . . . . . . . . . . . . . . . . . . . 27
2.9 PCB Information . . . . . . . . . . . . . . . . . . . . . . . . . . . . . . . . . . . . . . . . . . 29
3 TMAA01-02 RS-232 Board . . . . . . . . . . . . . . . . . . . . . . . . . . . . . . . . 35
3.1 Operation . . . . . . . . . . . . . . . . . . . . . . . . . . . . . . . . . . . . . . . . . . . . . . . . 35
3.2 Installing the RS-232 Board. . . . . . . . . . . . . . . . . . . . . . . . . . . . . . . . . . . 36
3.3 Interface Specification . . . . . . . . . . . . . . . . . . . . . . . . . . . . . . . . . . . . . . . 38
3.4 PCB Information . . . . . . . . . . . . . . . . . . . . . . . . . . . . . . . . . . . . . . . . . . 39
4TM8100/TM8200 Accessories Manual
© Tait Electronics Limited August 2005
4 TMAA01-05 Options-Extender Board . . . . . . . . . . . . . . . . . . . . . . . . 43
4.1 Changing the Options-Extender Links. . . . . . . . . . . . . . . . . . . . . . . . . . . 43
4.2 Installing the Options-Extender Board . . . . . . . . . . . . . . . . . . . . . . . . . . . 45
4.3 Interface Specification . . . . . . . . . . . . . . . . . . . . . . . . . . . . . . . . . . . . . . . 47
4.4 PCB Information . . . . . . . . . . . . . . . . . . . . . . . . . . . . . . . . . . . . . . . . . . 49
5 TMAA02-02 DTMF Microphone . . . . . . . . . . . . . . . . . . . . . . . . . . . . 53
5.1 Installation . . . . . . . . . . . . . . . . . . . . . . . . . . . . . . . . . . . . . . . . . . . . . . . 53
5.2 Adjustment. . . . . . . . . . . . . . . . . . . . . . . . . . . . . . . . . . . . . . . . . . . . . . . 54
5.3 Radio Programming . . . . . . . . . . . . . . . . . . . . . . . . . . . . . . . . . . . . . . . . 54
5.4 Interface Specification . . . . . . . . . . . . . . . . . . . . . . . . . . . . . . . . . . . . . . . 54
5.5 Circuit Description . . . . . . . . . . . . . . . . . . . . . . . . . . . . . . . . . . . . . . . . . 55
6 TMAA02-06 Support Kit for Concealed & Dynamic Microphones . . . . . 57
6.1 Installation . . . . . . . . . . . . . . . . . . . . . . . . . . . . . . . . . . . . . . . . . . . . . . . 57
6.2 Radio Programming . . . . . . . . . . . . . . . . . . . . . . . . . . . . . . . . . . . . . . . . 58
6.3 Interface Specification . . . . . . . . . . . . . . . . . . . . . . . . . . . . . . . . . . . . . . . 59
6.4 PCB Information . . . . . . . . . . . . . . . . . . . . . . . . . . . . . . . . . . . . . . . . . . 60
7 TMAA02-07 Concealed Microphone . . . . . . . . . . . . . . . . . . . . . . . . . 65
7.1 Installation . . . . . . . . . . . . . . . . . . . . . . . . . . . . . . . . . . . . . . . . . . . . . . . 65
7.2 Radio Programming . . . . . . . . . . . . . . . . . . . . . . . . . . . . . . . . . . . . . . . . 67
8 TMAA02-08 Keypad Microphone . . . . . . . . . . . . . . . . . . . . . . . . . . . 69
8.1 Operation. . . . . . . . . . . . . . . . . . . . . . . . . . . . . . . . . . . . . . . . . . . . . . . . 69
8.2 Installation . . . . . . . . . . . . . . . . . . . . . . . . . . . . . . . . . . . . . . . . . . . . . . . 71
8.3 Radio Programming . . . . . . . . . . . . . . . . . . . . . . . . . . . . . . . . . . . . . . . . 72
8.4 Interface Specification . . . . . . . . . . . . . . . . . . . . . . . . . . . . . . . . . . . . . . . 73
8.5 Circuit Description . . . . . . . . . . . . . . . . . . . . . . . . . . . . . . . . . . . . . . . . . 73
8.6 PCB Information . . . . . . . . . . . . . . . . . . . . . . . . . . . . . . . . . . . . . . . . . . 74
9 TMAA03-02 Security Bracket . . . . . . . . . . . . . . . . . . . . . . . . . . . . . . 79
9.1 Installing the Security Bracket and Radio. . . . . . . . . . . . . . . . . . . . . . . . . 80
9.2 Installation Planning . . . . . . . . . . . . . . . . . . . . . . . . . . . . . . . . . . . . . . . . 80
9.3 Removing a Radio from the Security Bracket . . . . . . . . . . . . . . . . . . . . . 81
9.4 Replacing the Radio in the Security Bracket . . . . . . . . . . . . . . . . . . . . . . 81
9.5 Disassembling the Security Bracket . . . . . . . . . . . . . . . . . . . . . . . . . . . . . 81
9.6 Re-Ordering Extra Parts . . . . . . . . . . . . . . . . . . . . . . . . . . . . . . . . . . . . . 82
TM8100/TM8200 Accessories Manual 5
© Tait Electronics Limited August 2005
10 Installing a Remote Kit . . . . . . . . . . . . . . . . . . . . . . . . . . . . . . . . . . 83
10.1 Installation . . . . . . . . . . . . . . . . . . . . . . . . . . . . . . . . . . . . . . . . . . . . . . . 83
10.2 Circuit Description . . . . . . . . . . . . . . . . . . . . . . . . . . . . . . . . . . . . . . . . . 89
10.3 Servicing the Remote Kit Parts . . . . . . . . . . . . . . . . . . . . . . . . . . . . . . . . 90
10.4 PCB Information . . . . . . . . . . . . . . . . . . . . . . . . . . . . . . . . . . . . . . . . . . 92
11 Installing an Enhanced Remote Kit . . . . . . . . . . . . . . . . . . . . . . . . . . 99
11.1 Installation . . . . . . . . . . . . . . . . . . . . . . . . . . . . . . . . . . . . . . . . . . . . . . . 99
11.2 Circuit Description . . . . . . . . . . . . . . . . . . . . . . . . . . . . . . . . . . . . . . . . 105
11.3 Servicing the Remote Control-Head Installation Parts . . . . . . . . . . . . . . 106
11.4 PCB Information . . . . . . . . . . . . . . . . . . . . . . . . . . . . . . . . . . . . . . . . . 108
12 TMAA04-04 Crossband Linking Cable . . . . . . . . . . . . . . . . . . . . . . . .115
12.1 Installation . . . . . . . . . . . . . . . . . . . . . . . . . . . . . . . . . . . . . . . . . . . . . . 115
12.2 Radio Programming . . . . . . . . . . . . . . . . . . . . . . . . . . . . . . . . . . . . . . . 115
12.3 Operational Testing. . . . . . . . . . . . . . . . . . . . . . . . . . . . . . . . . . . . . . . . 117
12.4 Interface Specification . . . . . . . . . . . . . . . . . . . . . . . . . . . . . . . . . . . . . . 117
12.5 PCB Information . . . . . . . . . . . . . . . . . . . . . . . . . . . . . . . . . . . . . . . . . 118
13 TMAA04-05 Ignition Sense Kit . . . . . . . . . . . . . . . . . . . . . . . . . . . . .121
13.1 Installation . . . . . . . . . . . . . . . . . . . . . . . . . . . . . . . . . . . . . . . . . . . . . . 121
13.2 Radio Programming . . . . . . . . . . . . . . . . . . . . . . . . . . . . . . . . . . . . . . . 121
14 TMAA10-01 Desktop Microphone . . . . . . . . . . . . . . . . . . . . . . . . . . .123
14.1 Operation . . . . . . . . . . . . . . . . . . . . . . . . . . . . . . . . . . . . . . . . . . . . . . . 123
14.2 Installation . . . . . . . . . . . . . . . . . . . . . . . . . . . . . . . . . . . . . . . . . . . . . . 123
14.3 Adjustment . . . . . . . . . . . . . . . . . . . . . . . . . . . . . . . . . . . . . . . . . . . . . . 124
14.4 Interface Specification . . . . . . . . . . . . . . . . . . . . . . . . . . . . . . . . . . . . . . 124
14.5 Circuit Description . . . . . . . . . . . . . . . . . . . . . . . . . . . . . . . . . . . . . . . . 125
15 TMAA10-02 Handset . . . . . . . . . . . . . . . . . . . . . . . . . . . . . . . . . . . .127
15.1 Installation . . . . . . . . . . . . . . . . . . . . . . . . . . . . . . . . . . . . . . . . . . . . . . 127
15.2 Radio Programming . . . . . . . . . . . . . . . . . . . . . . . . . . . . . . . . . . . . . . . 129
15.3 Interface Specification . . . . . . . . . . . . . . . . . . . . . . . . . . . . . . . . . . . . . . 130
16 TMAA10-03 and TMAA10-06 High-Power Remote Speakers . . . . . . . .131
16.1 Installation . . . . . . . . . . . . . . . . . . . . . . . . . . . . . . . . . . . . . . . . . . . . . . 131
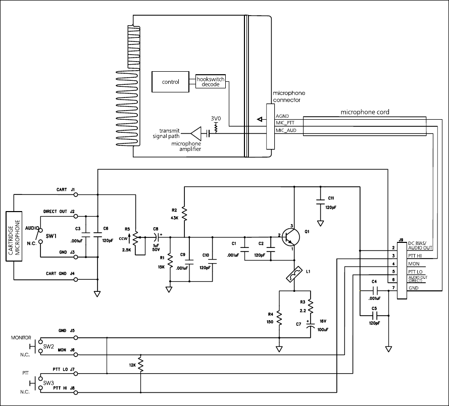
17 TMAA10-04 Remote PTT Kit and TMAA10-05 Hands-Free Kit . . . . . .133
17.1 VOX Operation (TMAA10-05 Hands-Free Kit). . . . . . . . . . . . . . . . . . . 133
6TM8100/TM8200 Accessories Manual
© Tait Electronics Limited August 2005
17.2 Installation . . . . . . . . . . . . . . . . . . . . . . . . . . . . . . . . . . . . . . . . . . . . . . 134
17.3 Radio Programming for the TMAA10-04 Remote PTT Kit. . . . . . . . . . 135
17.1 Radio Programming for the TMAA10-05 Hands-Free Kit . . . . . . . . . . . 136
17.1 Interface Specification . . . . . . . . . . . . . . . . . . . . . . . . . . . . . . . . . . . . . . 136
17.2 Circuit Description . . . . . . . . . . . . . . . . . . . . . . . . . . . . . . . . . . . . . . . . 137
17.3 PCB Information . . . . . . . . . . . . . . . . . . . . . . . . . . . . . . . . . . . . . . . . . 138
18 TOPA-SV-024 Test Unit . . . . . . . . . . . . . . . . . . . . . . . . . . . . . . . . .139
18.1 Test Equipment Setup. . . . . . . . . . . . . . . . . . . . . . . . . . . . . . . . . . . . . . 139
18.2 Operation. . . . . . . . . . . . . . . . . . . . . . . . . . . . . . . . . . . . . . . . . . . . . . . 141
18.3 PCB Information . . . . . . . . . . . . . . . . . . . . . . . . . . . . . . . . . . . . . . . . . 143
Tait General Software Licence Agreement . . . . . . . . . . . . . . . . . . . . . . . .145

TM8100/TM8200 Accessories Manual Preface 7
© Tait Electronics Limited August 2005
Preface
Scope of Manual
This manual contains information on installing, operating and servicing
accessory products for TM8100 and TM8200 radios.
Enquiries and Comments
If you have any enquiries regarding this manual, or any comments,
suggestions and notifications of errors, please contact Technical Support
(refer to “Tait Contact Information” on page 2).
Updates of Manual and Equipment
In the interests of improving the performance, reliability or servicing of the
equipment, Tait Electronics Ltd reserves the right to update the equipment
or this manual or both without prior notice.
Copyright
All information contained in this manual is the property of
Tait Electronics Ltd. All rights are reserved. This manual may not, in whole
or in part, be copied, photocopied, reproduced, translated, stored, or
reduced to any electronic medium or machine-readable form, without prior
written permission from Tait Electronics Ltd.
All trade names referenced are the service mark, trademark or registered
trademark of the respective manufacturers.
Disclaimer
There are no warranties extended or granted by this manual.
Tait Electronics Ltd accepts no responsibility for damage arising from use of
the information contained in the manual or of the equipment and software
it describes. It is the responsibility of the user to ensure that use of such
information, equipment and software complies with the laws, rules and
regulations of the applicable jurisdictions.

8Preface TM8100/TM8200 Accessories Manual
© Tait Electronics Limited August 2005
Associated Documentation
MMA-00002-0X TM8100 Mobiles User’s Guide
MMA-00003-0X TM8200 Mobiles User’s Guide
MMA-00005-0X TM8100/TM8200 Mobile Radio Service Manual
All available TM8000 product documentation is provided on the
TM8000 Product Support CD, product code TMAA20-01. Updates may
also be published on the Tait support website.
Publication Record
Issue Publication Date Description
1.00 September 2003 first release
2.00 December 2003 added information about the TMAA01-01 line-
interface board, TMAA02-06 support kit for
concealed and dynamic microphones,
TMAA10-02 handset and TMAA10-03 high-
power remote speaker
01 December 2004 ■changed product code to MMA-00012-01
■
added information about the TMAA02-07
concealed microphone, TMAA02-08 keypad
microphone, TMAA03-02 security bracket,
installing a remote control head, TMAA10-05
hands-free kit and TMAA10-06 high-power
remote speaker (for 40W/50W radios
02 June 2005 ■
added information about the TMAA01-02
RS-232 board, TMAA02-06 support kit for a
concealed microphone, TMAA03-02 security
bracket and installing an enhanced remote kit.
■updated information about the TMAA01-01
line-interface board and
installing a remote
control head.
■corrected errors in the TMAA01-05 options
extender board (Table 4.4), TMAA02-02 DTMF
microphone (Section 5.2).

TM8100/TM8200 Accessories Manual Preface 9
© Tait Electronics Limited August 2005
Alert Notices
Within this manual, four types of alerts are given to the reader: warning,
caution, important and note. The following paragraphs illustrate each type
of alert and its associated symbol.
Warning!! This alert is used when there is a potential risk
of death or serious injury.
Caution This alert is used when there is the risk of minor or
moderate injury to people.
Important This alert is used to warn about the risk of equipment dam-
age or malfunction.
Note This alert is used to highlight information that is required to
ensure that procedures are performed correctly.

10 Preface TM8100/TM8200 Accessories Manual
© Tait Electronics Limited August 2005
Abbreviations
Abbreviation Description
AF Audio Frequency
ALC Automatic Level Control
CD Compact Disk
CMOS Complementary Metal Oxide Semiconductor
DTMF Dual Tone Multiple Frequency
DIP Dual In-Line Package
ESD Electrostatic Discharge
IC Integrated Circuit
IPN Internal Part Number
LED Light Emitting Diode
NB Narrow Bandwidth (12.5kHz channel spacing)
PABX Private Automatic Branch Exchange
PCB Printed Circuit Board
PGA Programmable-Gain Amplifier
PSTN Public Switched Telephone Network
PTT Press-To-Talk
PSTN Public Switched Telephone Network
RF Radio Frequency
SPI Serial Peripheral Interface
WB Wide Bandwidth (25kHz channel spacing)

TM8100/TM8200 Accessories Manual Safety and Servicing Information 11
© Tait Electronics Limited August 2005
1 Safety and Servicing Information
This chapter contains general information about safety and servicing
procedures when working with TM8000 radios. While many TM8000
accessories plug into external radio interfaces, some accessories are fitted
inside the radio. Refer to the service manual for detailed disassembly and
reassembly information.
1.1 Personal Safety
Explosive Environments
Warning!! Do not operate equipment near electrical blast-
ing caps or in an explosive atmosphere. Operat-
ing the equipment in these environments is a
definite safety hazard.
Proximity to RF Transmissions
Do not operate the transmitter when someone is standing within 0.9m (35
inches) of the antenna. Do not operate the transmitter unless you have
checked that all RF connectors are secure.
High Temperatures
The bottom surface of the radio and heatsink fins can become hot during
prolonged operation. Do not touch these parts of the radio.
1.2 Equipment Safety
ESD Precautions
Important This equipment contains devices which are susceptible to
damage from static discharges. You must handle these
devices carefully and according to the procedures described
in the manufacturers’ data books.

12 Safety and Servicing Information TM8100/TM8200 Accessories Manual
© Tait Electronics Limited August 2005
Purchase an antistatic bench kit from a reputable manufacturer and install
and test it according to the manufacturer’s instructions. Figure 1.1 shows a
typical antistatic bench set-up.
You can obtain further information on antistatic precautions and the dangers
of electrostatic discharge (ESD) from standards such as ESD S4.1-1997
(revised) or BS EN 100015-4 1994. The Electrostatic Discharge Association
website is http://www.esda.org/.
Antenna Load
This radio has been designed to operate safely under a wide range of antenna
loading conditions. However, the radio should always be operated with a
suitable load to prevent damage to the transmitter output power stage.
1.3 Identifying Screw Types
Torx Recess Head Screws
Torx recess head screws are the standard type of screw used in TM8000
equipment, although Pozidriv head screws are also used in a few special
applications.
The Torx recess head has the advantage of improved screwdriver tip
location, reducing the chances of screw head damage caused by the driver
tip rotating within the recess. In addition, using a ball-tip Torx screwdriver
allows you to drive a Torx head screw with the driver on a slight angle,
which can be useful in situations where access is restricted.
It is important that you use the correct Torx screwdriver tip:
■M2.5 screws - T8
■M3 screws - T10
■M4 screws - T20.
Figure 1.1 Typical antistatic bench set-up
to building ground or
mains ground via
1MΩ series resistor
conductive wrist strap dissipative rubber
bench mat

TM8100/TM8200 Accessories Manual Safety and Servicing Information 13
© Tait Electronics Limited August 2005
Figure 1.2 below shows a typical Torx recess head screw (the actual hardware
may differ slightly from this illustration due to variations in manufacturing
techniques).
Allen UNC Screws
Allen 4-40 UNC thread screws are used in some locations in the TM8000
radio and cannot be interchanged with M3 screws.
Pozidriv and Philips Screws
Both Pozidriv and Philips head screws are used on certain TM8000
accessories. It is important that you use the correct type and size screwdriver
to avoid damaging screw heads.
It is particularly important that you do not use Philips screwdrivers on
Pozidriv screw heads as the tapered driving flutes of the Philips screwdriver
do not engage correctly with the parallel-sided slots in the Pozidriv screw
head. This can result in considerable damage to the screw head if the
screwdriver tip turns inside the recess.
Note If you find you need excessive downwards pressure to keep the
screwdriver tip in the Pozidriv screw head, you are probably using
the wrong type or size screwdriver.
Figure 1.3 on the following page shows the main differences between typical
Pozidriv and Philips screw heads and screwdriver tips (actual hardware may
differ slightly from these illustrations due to variations in manufacturing
techniques).
Figure 1.2 Identifying Torx screws
“star” shaped recess with
six internal notches

14 Safety and Servicing Information TM8100/TM8200 Accessories Manual
© Tait Electronics Limited August 2005
1.4 Regulatory Information
Any modifications you make to this equipment which are not authorised by
Tait Electronics Ltd may invalidate your compliance authority’s approval to
operate the equipment.
1.5 PCB Information
All PCBs are identified by a unique 10 digit IPN (internal part number)
which is printed onto the PCB (usually on the top side), as shown in the
example below:
The last two digits of this number define the issue status, which starts at 01
and increments through 02,03, 04, etc. as the PCB is updated. If the PCB
information contained in a section of this manual does not match the PCB
number printed on your board, contact Technical Support (refer to “Tait
Contact Information” on page 2).
Figure 1.3 Identifying Pozidriv and Philips screws and screwdrivers
internal notches
Pozidriv Philips
no special
markings
“star” markings
between slots
slots with
parallel sides
slots with
tapered sides
driving flutes with
parallel sides
driving flutes with
tapered sides
ridges between
driving flutes

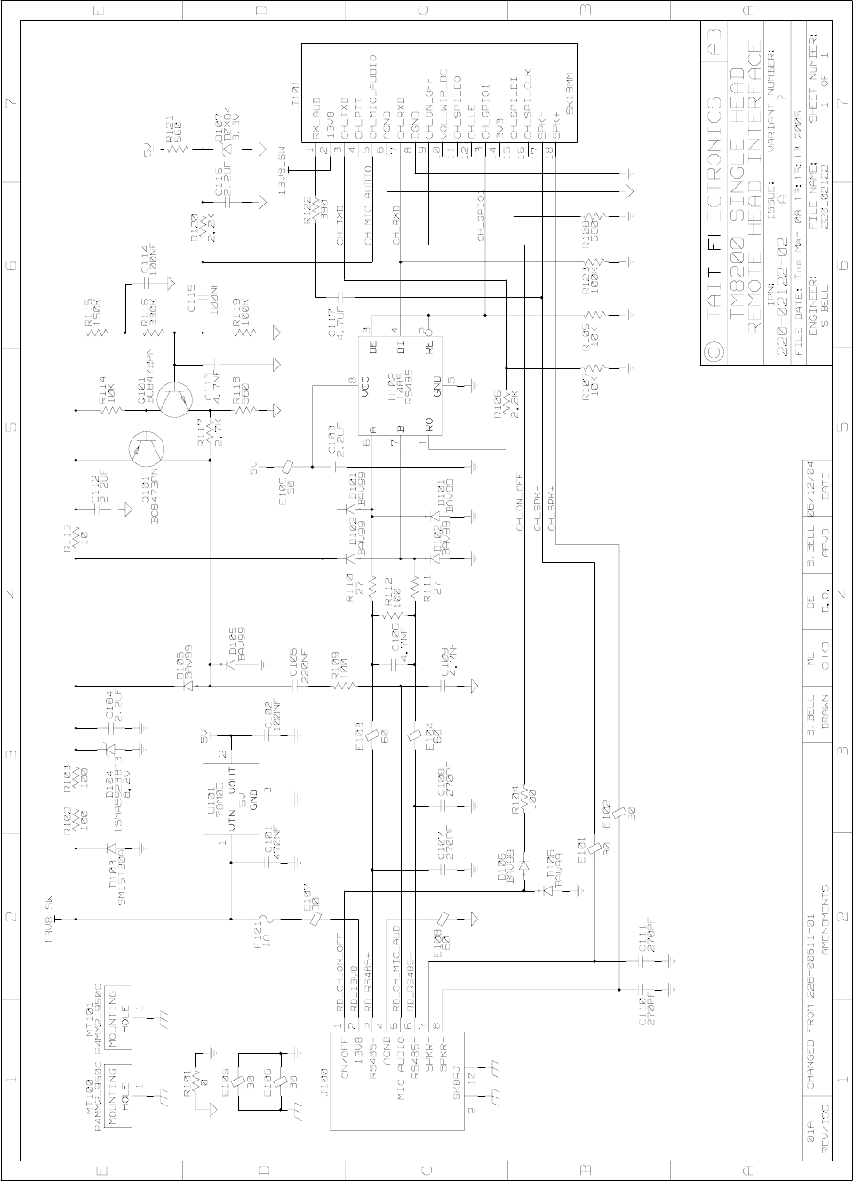
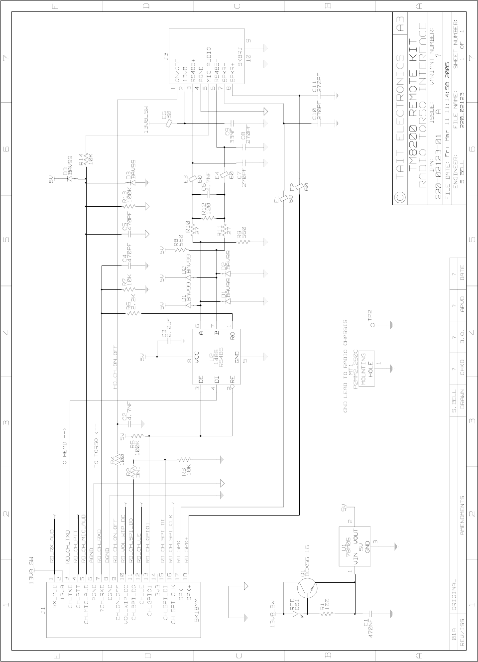
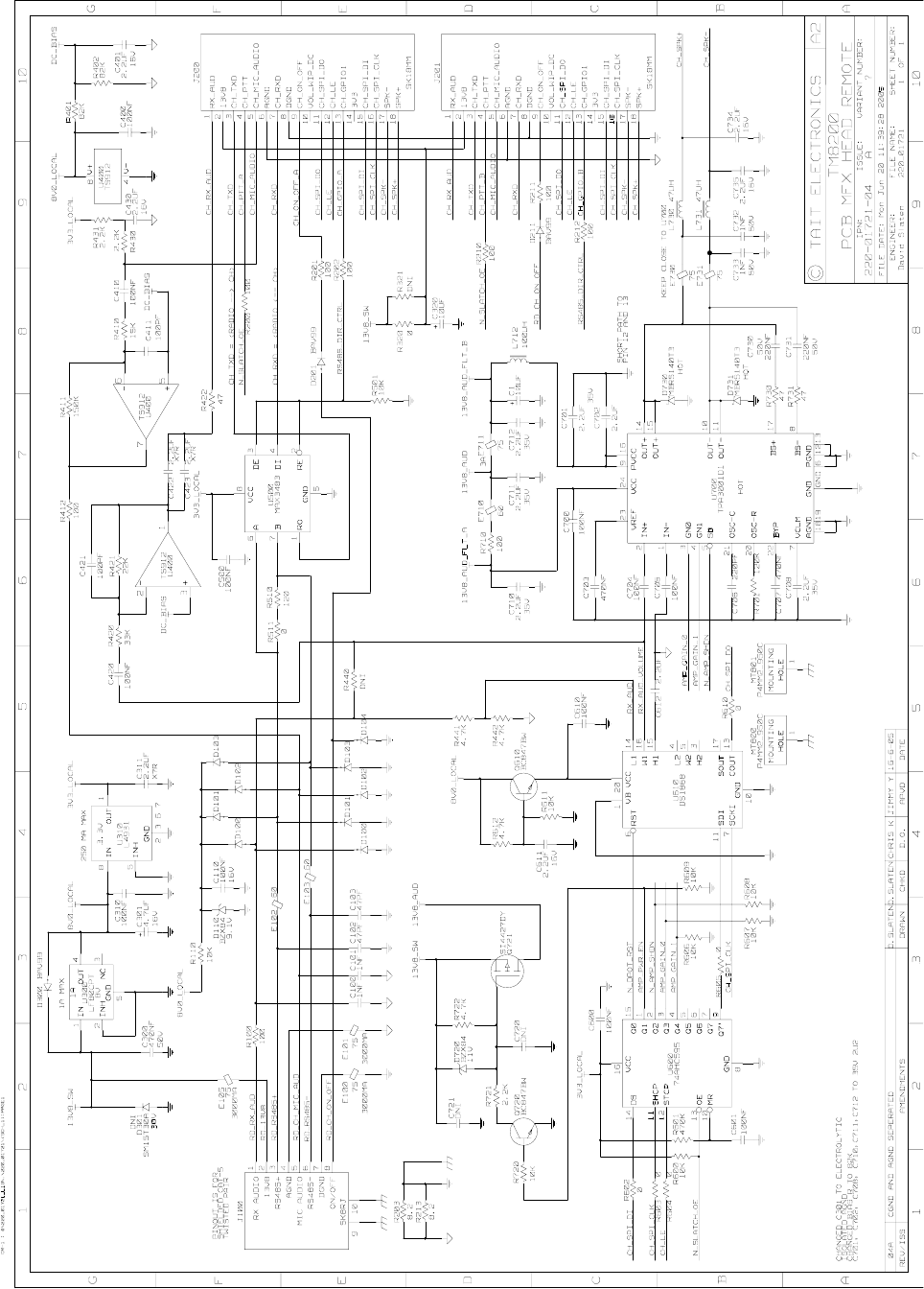
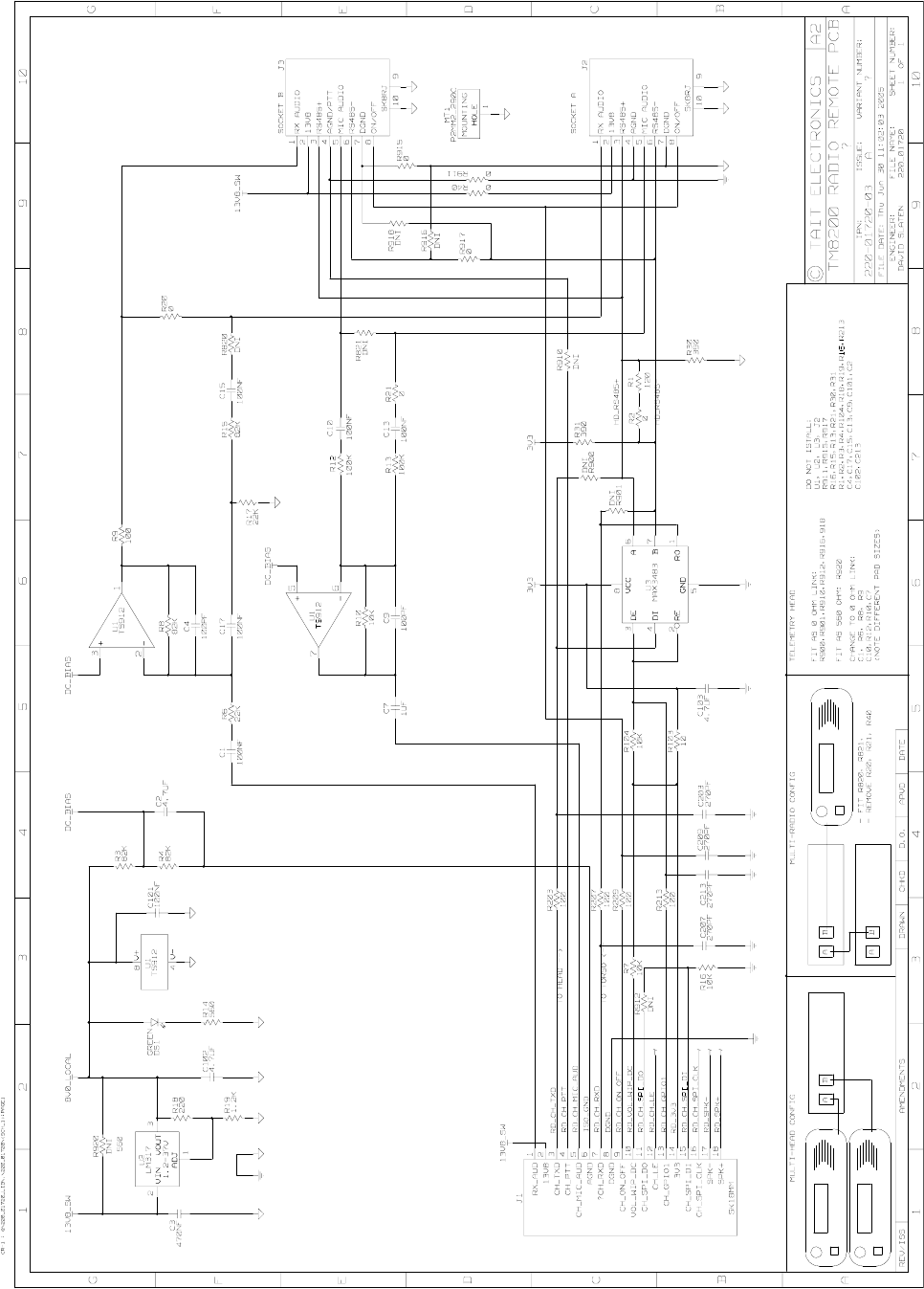
TM8100/TM8200 Accessories Manual TMAA01-01 Line-Interface Board 15
© Tait Electronics Limited August 2005
2 TMAA01-01 Line-Interface Board
The TMAA01-01 line-interface board provides both audio and digital
interfaces for a variety of systems. The interfaces available are:
■an isolated 600Ω audio interface which is capable of both
simplex operation on a two-wire system, or duplex operation on
a four-wire system
■a keying interface which allows for two-wire keying or single
line bi-directional keying
■a variable delay timer
■a logic sense control.
The line-interface board fits inside the radio in the options cavity
and is connected to the main PCB by the internal options loom.
The high-density 15-way D-range connector mounted on the line-
interface board fits through the external options connector hole
provided in the radio chassis.
2.1 Operation
One of the control head function keys may be programmed to toggle the
line-interface board on and off. When the function key LED is glowing,
the line-interface board is on and when the LED is off, the line-interface
board is off.
Refer to “Programming Information” on page 22 for information on the
radio programming procedure.
2.2 Configuring the Line-Interface Board
Important This equipment contains devices which are susceptible to
damage from static discharges. Refer to “ESD Precautions”
on page 11 for more information.
Important This kit does not meet the IP54 protec-
tion standard. Care must be taken when a
radio with a TMAA01-01 line-interface
board kit installed is being operated in an
environment where there is water, dust or
other environmental hazards.
external options
connector
internal options
connector
D-range hood
parts
D-range plug
line-interface board
line-interface
installation parts
internal options
loom
external options
cover seal

16 TMAA01-01 Line-Interface Board TM8100/TM8200 Accessories Manual
© Tait Electronics Limited August 2005
2.2.1 Adjustment Points on the Line-Interface Board
The following table describes the line-interface adjustment points.
Adjustments are made by setting the DIP switches on S1 to either “on” or
“off” and by three variable resistors (RV1, RV2 and RV3).
2.2.2 Test Equipment Setup
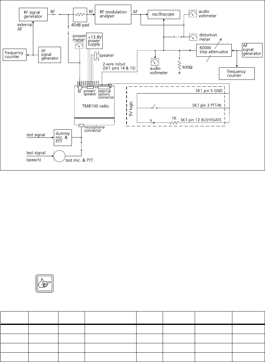
The following diagram shows the setup of the test equipment used when
a d j u s t i n g RV 1 , RV 2 a n d RV 3 .
Table 2.1 Line-interface board adjustment points
Function Selection 1 Selection 2
two-wire audio interface DIP1 on DIP2 off
four-wire audio interface DIP1 off DIP2 on
busy/gate = busy DIP3 on DIP4 off
busy/gate = rx-gate DIP3 off DIP4 on
busy/gate logic (active
high)
DIP5 on DIP6 off
busy/gate logic (active
low)
DIP5 off DIP6 on
bi-directional keying line DIP7 on
two-wire keying DIP 7 off
enable gate/keying delay DIP8 on
gate/keying delay adjust RV1
audio line out level adjust RV2
audio line in level adjust RV3
time delay range W1 open
line-interface board
top side

TM8100/TM8200 Accessories Manual TMAA01-01 Line-Interface Board 17
© Tait Electronics Limited August 2005
:
2.2.3 Configuration Procedure
The line-interface board configuration must be completed before the board
is installed in the radio, as the top side of the line-interface board is not
accessible once the board is screwed to the radio lid. To configure the line-
interface board, carry out the following steps.
1. Program the radio in which the line-interface board is being
installed with default line-interface test settings. The default test
settings are explained in the following tables.
Note A general description of IOP_GPIO lines used with the line-
interface board is given in Table 2.6 on page 22.
Figure 2.1 Line-interface test equipment setup
Table 2.2 Line-interface default test settings in the Programmable I/O form, Digital tab
Pin Direction Label Action Active Debounce Signal State Mirrored
IOP_GPIO1 Input None External PTT 1 Low 60 None None
IOP_GPIO2 Output 0 No Action Low None None None
IOP_GPIO3 Output BUSY Busy Status High None None None
IOP_GPIO4 Output FKEY F1 Key StatusaLow None Latching None
a. One of the four control head function keys may be selected to control the line-interface AUX line,
which turns the line-interface board on and off. For the associated LED to reflect the status of the
line-interface board, the Function Key Action field on the Key Settings form must be set to Action
Digital Output Line.

18 TMAA01-01 Line-Interface Board TM8100/TM8200 Accessories Manual
© Tait Electronics Limited August 2005
2. Set the DIP switches on the line-interface board (S1) to the following
default test settings:
■DIP1 on (two-wire audio interface)
■DIP2 off
■DIP3 off
■DIP4 on (busy/gate = rx-gate)
■DIP5 on (busy/gate logic active high)
■DIP6 off
■DIP7 off (two-wire keying)
■DIP8 off (time delay disabled).
3. Disassemble the radio in order to gain access to the options cavity. For
detailed disassembly instructions, refer to the disassembly procedure
in the service manual.
Note When installing the internal options loom, take care that it is
folded in the way shown in Figure 2.2.
Connect the internal options loom between SK2 on the line-inter-
face board and SK102 on the radio’s main PCB.
4. Set up the test equipment shown in
Figure 2.1
, and follow the adjustment
procedure for RV1, RV2 and RV3 described in the following section.
2.2.4 Adjusting RV1, RV2 and RV3
Setting the Keying
Time Delay (RV1) The keying time delay circuit is used to prevent the burst of noise occurring
before a mobile is able to mute the audio when the carrier signal disappears.
The keying time delay is used in conjuction with the keying signal
(SK1 pin 1).
Set DIP8 on, and adjust RV1 for the required time delay. Rotate RV1
clockwise to increase the delay, and counterclockwise to reduce the delay.
Note If the W1 link is fitted, the maximum time delay available is
reduced from 5 seconds to approximately 2.5 seconds.
Table 2.3 Line-interface settings in the Programmable I/O form, Audio tab
Rx/PTT Type Tap In Tap In Type Tap In Unmute Tap Out Tap Out Type Tap Out Unmute
Rx None A-Bypass In On PTT R7 D - Split Busy Detect
EPTT1 T5 A-Bypass In On PTT None C-Bypass 0 On PTT
Table 2.4 Line-interface settings in the PTT form, External PTT (1) tab
Field Setting
Advanced PTT PTT Transmission Type Voice
Audio Source Audio Tap In

TM8100/TM8200 Accessories Manual TMAA01-01 Line-Interface Board 19
© Tait Electronics Limited August 2005
Setting the Line
Output Level (RV2) Monitor the line output (SK1 pins 14 and 15) and apply an on-channel
signal from the RF signal generator at an output level of -47dBm,
modulated to 60% of system deviation, at 1kHz AF.
Adjust the RV2 for a line output level of -10dBm.
Setting the Line
Input Level (RV3) Apply a line input signal of -10dBm and key the transmitter.
■For a two-wire configuration, apply the line input signal to pins 14 and
15 on SK1.
■For a four-wire configuration, apply the line input signal to pins 4 and
10 on SK1.
Adjust RV3 until 60% of system deviation at 1kHz is achieved.
2.3 Installing the Line-Interface Board
Note The line-interface board link options must be set before the board
is installed in the radio, as the top side of the line-interface board
is not accessible once the board is screwed to the radio lid.
2.3.1 Parts Required
The following table describes the parts required to install a line-interface
board in a radio. The parts marked with an asterisk (*) are not shown in
Figure 2.2 and are used to connect to the radio’s external options connector.
Table 2.5 Line-interface installation parts required
Quantity Internal Part Number Description Figure 2.2
Reference
1 362-01111-XXa
a. Contact Technical Support for the exact IPN.
foam seal d
1 362-01108-XXacover seal 1!
2 347-00011-00 4-40x3/16 screws 1@
2 354-01043-00 screw-lock fasteners h
6 349-02062-00 M3x8 screws j
*1 240-00010-80 D-range plug —
*1 240-06010-29 D-range hood —

20 TMAA01-01 Line-Interface Board TM8100/TM8200 Accessories Manual
© Tait Electronics Limited August 2005
2.3.2 Installation Procedure
1. Disassemble the radio in order to gain access to the options cavity.
For detailed disassembly instructions, refer to the disassembly proce-
dure in the service manual.
The circled numbers in the following instructions refer to items in the
diagram on the previous page.
2. Remove the top cover and lid b from the radio to access the
options cavity.
3. Remove the external options connector bung c, if it is fitted.
4. On the inside of the radio lid place the foam seal d over the external
options connector cavity e.
5. With the top side of the line-interface board f facing the radio lid,
guide the external options connector g (the D-range connector on
the line-interface board) into the external options connector cavity.
6. Screw the external options connector to the radio lid using the two
screw-lock fasteners h.
Tighten the fasteners to a torque of 0.9N·m (8lbf·in).
Important The external options connector screw-lock fasteners must
be tightened correctly before screwing the line-interface
board onto the mounting posts i.
7. Screw the line-interface board to the mounting posts on the radio lid
using six M3x8 self-tapping screws j.
Tighten the M3x8 screws to a torque of 1.9N·m (17lbf·in)
Important For the line-interface board to be installed correctly in the
radio’s options cavity, the internal options connector
loom 1) must be looped in the way shown in Figure 2.2.
8. Plug the unattached end of internal options connector loom 1) into
the internal options connector on the radio main PCB.
9. Refit the radio lid and top cover to the radio and screw the external
options cover seal 1! over the external options connector, using the
two 4-40x3/16 screws 1@.

TM8100/TM8200 Accessories Manual TMAA01-01 Line-Interface Board 21
© Tait Electronics Limited August 2005
Figure 2.2 Installing the line-interface board
bradio lid hscrew-lock fasteners
cexternal options connector bung imounting posts
dfoam seal jM3x8 self-tapping screws
eexternal options connector cavity 1) internal options loom
fline-interface board 1! external options cover seal
gexternal options connector 1@ 4-40x3/16 screws
b
c
e
h
i
1@
1!
j
1)
d
f
g

22 TMAA01-01 Line-Interface Board TM8100/TM8200 Accessories Manual
© Tait Electronics Limited August 2005
2.4 Programming Information
The lines from the radio’s internal options connector that are used by the
line-interface board are IOP_GPIO1 to IOP_GPIO4. The behaviour of
these lines is configured in the Programmable I/O and PTT forms of the
programming application. Refer to the online help of the programming
application for more information.
The Table 2.6 explains the required input and output line-interface
connections.
s
Table 2.6 Line-interface input and output connections
Radio Signal Function Comments
GPIO1 PTT FROM OPT This signal causes the radio to transmit. This normally
requires External PTT1 to be set up in the Digital tab of
the Programmable I/O form and the External PTT (1) tab
of the PTT form.
GPIO2 Busy/Gate This active high signal allows connection to the Busy/Gate
output signal. If this is not used, the Action field is set to
No Action and the Active field is set to Low.
GPIO3 Busy/Gate (Keying Line) This active high signal allows connection to the Busy/
Gate output signal. This signal also allows the single line
keying functionality.
GPIO4 AUX This allows the line-interface board to be disabled. One of
the four control head function keys is selected to control
this AUX line.
For the associated LED to reflect the status of the line-
interface board, the Function Key Action field on the Key
Settings form must be set to Action Digital Output Line.

TM8100/TM8200 Accessories Manual TMAA01-01 Line-Interface Board 23
© Tait Electronics Limited August 2005
2.5 Interface Specification
The following tables summarize the signals used for the line-interface board
on the internal options connector (SK2 on the line-interface board) and the
external options connector (SK1 on the line-interface board).
Table 2.7 Internal options connector (SK2)—pins and signals
Pin Radio Signal Line-Interface
Signal Description
113V8_SW
13V8 FROM RADIO switched 13V8 supply from the radio
2 AUD_TAP_OUT AUDIO TAP OUT
Programmable tap point out of the receive or
transmit audio chain.
3 AGND AGND
analogue ground
4 AUX_MIC_AUD —
not connected
5 RX_BEEP_IN —
not connected
6 AUD_TAP_IN AUD_TAP_IN
Programmable tap point into the receive or
transmit audio chain.
7 RX_AUD —
not connected
8RSSI — not connected
9 IOP_GPIO1 PTT FROM OPT
IOP_GPIO1 from the radio
3V3 logic level, 5V tolerant
10 IOP_GPIO2 SECONDARY BUSY
IOP_GPIO2 from the radio
3V3 logic level, 5V tolerant
11 IOP_GPIO3 BUSY
IOP_GPIO3 from the radio
3V3 logic level, 5V tolerant
12 IOP_GPIO4 AUX
IOP_GPIO4 from the radio
3V3 logic level, 5V tolerant
13 IOP_GPIO5 GPIO5
IOP_GPIO5 from the radio
3V3 logic level, 5V tolerant
14 IOP_GPIO6 — not connected
15 IOP_GPIO7 — not connected
16
DGND
AGND
analogue ground
17
IOP_RXD
RXD
asynchronous serial port - receive data
18
IOP_TXD
TXD
asynchronous serial port - transmit data
B
D
F
H
J
1!
1#
1%
1&
C
E
G
I
1)
1@
1$
1^
1*
top view

24 TMAA01-01 Line-Interface Board TM8100/TM8200 Accessories Manual
© Tait Electronics Limited August 2005
2.6 Line-Interface Board Application
The following diagram shows the control of two radios operated together,
crossband or repeater linked.
Table 2.8 External options connector (SK1—pins and signals
Pin Signal Description
1 KEYING signal line keying
2 RS-422/RS-232
serial data TX-/RS-232 TXD
11 RS-422
serial data TX+
3 PTT-IN bi-directional keying input
4 4W_LINE_IN - 4-wire line in negative
10 4W_LINE_IN + 4-wire line in positive
5 RS-422/RS-232 serial data RX+/RS-232 RXD
6 RS-422 serial data RX-
7GND
ground
8 — not connected
9 13V8 FROM RADIO switched 13.8V supply from the radio
12 BUSY/GATE busy or receiver gate output. 5V CMOS logic level.
13 — not connected
14 4W_LINE_OUT - 4-wire line out negative or 2-wire line in/out negative
15 4W_LINE_OUT + 4-wire line out positive or 2-wire line in/out positive
front view
Figure 2.3 Two radios connected as a repeater/crossband link
keying
logic
SK2
TXD
AUD_TAP_OUT
AGND
DGND
PTT FROM OPT
RXD
13V8
—
—
—
—
AUD_TAP_IN
BUSY
2° BUSY
AUX
GPIO5
—
—
KEYING
PTT_IN
BUSY/GATE
LINE IN+
LINE IN-
LINE OUT+
LINE OUT-
AGND
13V8_SW
11
2
1
3
12
9
4
5
6
SK1
15
14
10
11
2
1
3
12
9
4
5
6
15
14
10
keying
logic
KEYING
PTT_IN
BUSY/GATE
RS-422/RS-232 TX
RS-422 TX
LINE IN+
LINE IN-
LINE OUT+
LINE OUT-
AGND
13V8_SW
11 11
22
11
33
1212
99
1010
44
1515
1414
5
6
5
6
SK1SK2
external
options
connector
external
options
connector
internal
options
connector
internal
options
connector
line-interface board line-interface board
18
18
17
17
9
9
10
15
12
12
11
11
6
6
7
10
4
13
5
11
2
2
14
8
7
10
4
13
5
14
8
1616
3
18
17
9
10
12
11
6
1
2
16
3
18
17
9
15
12
11
6
2
16
3
3
TXD
IOP_TXD
AUD_TAP_OUTAUD_TAP_OUT
AUX_MIC_AUD
AGND
AGND
DGND
DGND
PTT FROM OPT
IOP_GPIO1
RX_AUD
RXD
IOP_RXD
RX_BEEP_IN
13V8
—
—
—
—
13V8_SW
AUD_TAP_INAUD_TAP_IN
RSSI
IOP_GPIO2
BUSY
2° BUSY
IOP_GPIO3
AUX
IOP_GPIO4
IOP_GPIO5 GPIO5
IOP_GPIO6
IOP_GPIO7
1
IOP_TXD
AUD_TAP_OUT
AUX_MIC_AUD
AGND
DGND
IOP_GPIO1
RX_AUD
IOP_RXD
RX_BEEP_IN
13V8_SW
AUD_TAP_IN
RSSI
IOP_GPIO2
IOP_GPIO3
IOP_GPIO4
IOP_GPIO5
IOP_GPIO6
IOP_GPIO7
—
—
5
6
RS-422/RS-232 RX
RS-422 RX
RS-422/RS-232 TX
RS-422 TX
RS-422/RS-232 RX
RS-422 RX
5
6

TM8100/TM8200 Accessories Manual TMAA01-01 Line-Interface Board 25
© Tait Electronics Limited August 2005
2.7 Line-Interface Board Specifications
Input Voltage 10.8V to 16VDC
Operating Temperature Range -10°C to +60°C ambient
DC Input Current <40mA total (+13.8V supply)
Line Input Sensitivity (60% deviation) -20dBm to +6dBm (600Ω)
Line Output Level (60% deviation) -20dBm to +6dBm (600Ω)
Line Impedance 600Ω
Return Loss (300Hz to 3kHz) >20dB relative to 600Ω
Line Output Filter Response (stopband)
2 pole
6 pole
-12dB/octave, f >4kHz
-36dB/octave, f >4kHz
2.7.1 Radio With Line-Interface Board: Receiver + Line Output
Receiver Frequency Response*
Receiver Processed
Bandwidth
Response
Receiver Unprocessed
*relative to 1kHz, 60% deviation
300Hz to 3kHz (standard
400Hz to 3kHz (CTCSS)
+1, -3dB relative to -6dB/octave
+1, -3dB (300Hz to 3kHz)
Test Signal -46dBm RF*, 0dBm line output,
audio tap T4
*60% deviation at 1kHz
Signal-to-Noise Ratio
Narrow Bandwidth
Wide Bandwidth
>40dB
>43dB
Mute Ratio >60dB
Distortion*
Narrow Bandwidth
Wide Bandwidth
*30kHz bandwidth distortion meter
<4%
<4%

26 TMAA01-01 Line-Interface Board TM8100/TM8200 Accessories Manual
© Tait Electronics Limited August 2005
2.7.2 Radio With Line-Interface Board: Receiver + Line Input
Transmitter Frequency Response*
Bandwidth
Response
*relative to 1kHz, 20 % deviation, below
limiting
300Hz to 3kHz
+1, -3dB relative to -6dB/octave
Test Signal 0dBm line input*, audio tap T1
*60% deviation at 1kHz
Signal-to-Noise Ratio*
Narrow Bandwidth
Wide Bandwidth
*demodulated, filtered 300Hz to 3kHz and
de-emphasised 750µs rms
>40dB
>43dB
Mute Ratio >60dB
Distortion*
*demodulated, filtered 15kHz low pass
<3%
TM8100/TM8200 Accessories Manual TMAA01-01 Line-Interface Board 27
© Tait Electronics Limited August 2005
2.8 Circuit Description
2.8.1 Audio Interface
When the line-interface board is used for repeater applications, the audio
passed between the two radios must be of such a level that the message is able
to be repeated intelligibly. The audio interface is therefore capable of
handling a wide range of input and output levels (-20 to +6dBm). The
audio interface is also capable of using either a two- or four-wire isolated
interface formats, which are selectable using S1.
The input to the line driver IC (U5) is the AUDIO TAP OUT line from
the radio. This line is a software-programmabable tap point which can be
chosen from various audio signals available within the radio and is coupled
through a capacitor into the audio line out level control (RV2). This variable
resister is AC coupled into the line driver (U5) which is used in a bridged-
output format, with gain set to provide the necessary 21dB gain.
The resistors on the output of the line driver provides the necessary 600Ω
terminating impedance, but also cause a 50% loss of signal. This is
compensated for by the higher-than-necessary gain of the line driver. Line
out protection is provided by two zener diodes, and the transformer (T1)
provides isolation.
The audio interface is capable of using a two- or four-wire interface, so a
tap is taken from one side of the balanced line out and is feed directly into
the line input level control (RV3). When using a four-wire interface, the
signal comes in through a second isolation transformer, T2. T2 is terminated
with 600Ω and also acts as a voltage divider. This means that the signal level
at RV3 will be identical to the level at RV3 when using a two-wire interface.
To achieve the required output level the non-inverting AC amplifier (U7)
has a gain of 10, which provides the necessary 13dB of gain. The output of
the amplifier is AC coupled into the AUDIO_TAP_IN line (pin 6 of SK2).
2.8.2 Logic Interface
The line-interface board is able to provide simple interface solutions with
other radios. Logic is used to control keying of both radios as well as
providing time delays to prevent squelch or cycling problems. The logic uses
gates rather than discrete components.
The choice of which input controls BUSY/GATE can be selected using
switches 3 and 4 of S1, while the sense of BUSY/GATE (pin 12 of SK1) can
be selected using switches 5 and 6. Switch 7 accommodates either a two-
line keying system or a single bi-directional keying line.
28 TMAA01-01 Line-Interface Board TM8100/TM8200 Accessories Manual
© Tait Electronics Limited August 2005
The comparators (in U1) operate off a single sided regulated 5V supply.
U1 pins 2,4 and 5 provide receiver gate delay. Once the busy signal is not
active, C4 charges through R12 and causes U4 to go low. Once charging
exceeds the voltage at U1 pin5. This also locks out the keying state until this
delay has occurred (U6 pin 5).
2.8.3 Data Communication
The Line Interface circuitry is designed to provide RS-232 and RS-422 data
communication. RS-232 is provided by U9, but if RS-422 is required, U9
is removed and replaced by U2 and U10. Also resistors R15,16,43 and 47
need to be fitted.
2.8.4 Power Supply
The power supply for the line-interface board comes from the radio via
the internal options connector and is a 13.8V switched supply. Digital
logic components are used in the line-interface board so there is a 5V
regulator provided.
Initially the 13.8V from the radio is filtered and used for the audio line
driver (U5) with reference to analogue ground. This 13.8V is also used to
supply the 5V regulator, which is filtered separately for either 5V digital or
analogue devices. A simple voltage divider is used to provide a 2.5V half-rail
for the digital and a 2.2V rail for the analogue sections.

TM8100/TM8200 Accessories Manual TMAA01-01 Line-Interface Board 29
© Tait Electronics Limited August 2005
Ref. IPN Description Ref. IPN Description
2.9 PCB Information
2.9.1 TMAA01-01 Parts List (PCB IPN 220-65202-03)
C1 014-08100-03 Cap Tant SMD 10u 35v 20% D
C2 015-26100-08 Cap Cer 0805 100n 10% X7r 50v
C3 014-07470-01 Cap Tant SMD 4u7 25v 10% B
C4 014-18100-05 Cap Tant SMD 10u 10v 10% A
C5 015-26100-08 Cap Cer 0805 100n 10% X7r 50v
C7 014-07470-01 Cap Tant SMD 4u7 25v 10% B
C8 018-14100-00 Cap 0603 1n 50v X7r ±10%
C9 018-14100-00 Cap 0603 1n 50v X7r ±10%
C10 015-26100-08 Cap Cer 0805 100n 10% X7r 50v
C12 015-26220-08 Cap 0805 220n 10% X7r 16v
C13 015-26100-08 Cap Cer 0805 100n 10% X7r 50v
C14 018-14100-00 Cap 0603 1n 50v X7r ±10%
C15 018-14100-00 Cap 0603 1n 50v X7r ±10%
C16 014-06220-00 Cap Tant SMD 2.2Mf 50v
C17 015-26220-08 Cap 0805 220n 10% X7r 16v
C18 016-08470-01 Cap Elec SMD 47uf 6*4 16v
C19 018-15100-00 Cap 0603 10n 50v X7r ±10%
C20 018-15100-00 Cap 0603 10n 50v X7r ±10%
C21 014-07470-01 Cap Tant SMD 4u7 25v 10% B
C22 018-15100-00 Cap 0603 10n 50v X7r ±10%
C25 015-26220-08 Cap 0805 220n 10% X7r 16v
C26 018-13150-00 Cap 0603 150p 50v NPO ±5%
C27 015-26220-08 Cap 0805 220n 10% X7r 16v
C28 015-26220-08 Cap 0805 220n 10% X7r 16v
C29 018-15100-00 Cap 0603 10n 50v X7r ±10%
C30 018-15100-00 Cap 0603 10n 50v X7r ±10%
C31 018-15100-00 Cap 0603 10n 50v X7r ±10%
C32 018-15100-00 Cap 0603 10n 50v X7r ±10%
C35 015-26220-08 Cap 0805 220n 10% X7r 16v
C37 018-15100-00 Cap 0603 10n 50v X7r ±10%
C38 018-15100-00 Cap 0603 10n 50v X7r ±10%
C39 018-15100-00 Cap 0603 10n 50v X7r ±10%
C40 018-15100-00 Cap 0603 10n 50v X7r ±10%
C41 018-15100-00 Cap 0603 10n 50v X7r ±10%
D1 001-10084-47 Diode SMD BZX84C4V7 Zen SOT23
D2 001-10099-01 Diode BAV99w Dual Ss
D4 001-10070-01 Diode BAV70W Dual Ss SOT323
D5 001-10084-51 Diode SMD BZX84C5V1 Zen SOT23
D6 001-10084-51 Diode SMD BZX84C5V1 Zen SOT23
D7 001-10084-51 Diode SMD BZX84C5V1 Zen SOT23
D8 001-10099-01 Diode BAV99w Dual Ss
D9 001-10084-51 Diode SMD BZX84C5V1 Zen SOT23
D10 001-10099-01 Diode BAV99w Dual Ss
D11 001-10099-01 Diode BAV99w Dual Ss
D12 001-10284-51 Diode SMD BZX284B5V1 Zensod110
E1 057-10120-03 Ind 0805 120e@100m .2 Emi Supr
E2 057-10120-03 Ind 0805 120e@100m .2 Emi Supr
E3 057-10120-03 Ind 0805 120e@100m .2 Emi Supr
E4 057-10120-03 Ind 0805 120e@100m .2 Emi Supr
FL1 057-10120-03 Ind 0805 120e@100m .2 Emi Supr
FL2 057-10120-03 Ind 0805 120e@100m .2 Emi Supr
FL3 057-10120-03 Ind 0805 120e@100m .2 Emi Supr
FL4 057-10120-03 Ind 0805 120e@100m .2 Emi Supr
FL5 057-11220-02 Ind 0603 Blm11a221 Emi Supr
FL6 057-11220-02 Ind 0603 Blm11a221 Emi Supr
FL7 057-11220-02 Ind 0603 Blm11a221 Emi Supr
FL8 057-11220-02 Ind 0603 Blm11a221 Emi Supr
FL9 012-14100-00 Cap Cer SMD 1N Array EMI Supr
Q1 000-10084-71 Xstr BC847BW NPN SOT323
Q2 000-10084-71 Xstr BC847BW NPN SOT323
Q3 000-10084-71 Xstr BC847BW NPN SOT323
R1 036-02100-03 RES Pwr 1218 10R 5% 1W
RV1 042-05100-06 Res Pre TH 10k 6mm Top
R2 038-15100-10 RES 0603 10k 1% 1/10W
RV2 042-05100-06 Res Pre TH 10k 6mm Top
R3 038-14100-10 RES 0603 1k0 1% 1/10W
RV3 042-05100-06 Res Pre TH 10k 6mm Top
R4 038-15100-10 RES 0603 10k 1% 1/10W
R5 038-16470-00 RES 0603 470k 5% 1/10W
R8 038-17100-10 RES 0603 1M 1% 1/10W
R9 036-02100-03 RES Pwr 1218 10R 5% 1W
R10 038-13100-10 RES 0603 100R 1% 1/10W
R11 038-14330-10 RES 0603 3k3 1% 1/10W
R12 038-14560-00 RES 0603 5k6 5% 1/10W
R13 038-16330-10 RES 0603 330k 1% 1/10W
R14 038-16330-10 RES 0603 330k 1% 1/10W
R15A 038-13680-00 RES 0603 680R 5% 1/10W
R16A 038-13120-00 RES 0603 120R 5% 1/10W
R17 038-13680-00 RES 0603 680R 5% 1/10W
R18 038-15100-10 RES 0603 10k 1% 1/10W
R19 036-13270-00 RES 0805 270R 5% 1/8W
R20 038-15100-10 RES 0603 10k 1% 1/10W
R21 038-14330-10 RES 0603 3k3 1% 1/10W
R22 038-10000-00 RES 0603 0R
R23 038-15100-10 RES 0603 10k 1% 1/10W
R24 038-14330-10 RES 0603 3k3 1% 1/10W
R25 038-15100-10 RES 0603 10k 1% 1/10W
R26 038-15470-10 RES 0603 47k 1% 1/10W
R27 038-15820-10 RES 0603 82k 1% 1/10W
R28 038-15470-10 RES 0603 47k 1% 1/10W
R29 038-16120-10 RES 0603 120k 1% 1/10W
R30 038-15470-10 RES 0603 47k 1% 1/10W
R31 038-15470-10 RES 0603 47k 1% 1/10W
R32 038-16120-10 RES 0603 120k 1% 1/10W
R34 038-12560-00 RES 0603 56R 5% 1/10W
R35 038-14100-10 RES 0603 1k0 1% 1/10W
R36 038-15470-10 RES 0603 47k 1% 1/10W
R37 038-15100-10 RES 0603 10k 1% 1/10W
R38 038-15120-10 RES 0603 12k 1% 1/10W
R39 038-16180-00 RES 0603 180k 5% 1/10W
R40 038-13180-10 RES 0603 180R 1% 1/10W
R41 038-13180-10 RES 0603 180R 1% 1/10W
R43A 038-13680-00 RES 0603 680R 5% 1/10W
R44 038-13680-00 RES 0603 680R 5% 1/10W
R45 038-13330-00 RES 0603 330R 5% 1/10W
R47A 038-13120-00 RES 0603 120R 5% 1/10W
R48 038-16120-10 RES 0603 120k 1% 1/10W
R49 038-16150-10 RES 0603 150k 1% 1/10W
R50 038-15120-10 RES 0603 12k 1% 1/10W
R51 038-16120-10 RES 0603 120k 1% 1/10W
R52 038-15470-10 RES 0603 47k 1% 1/10W
R53 038-10000-00 RES 0603 0R
R54 038-10000-00 RES 0603 0R
R55 038-10000-00 RES 0603 0R
R56 038-12560-00 RES 0603 56R 5% 1/10W
S1 230-10010-44 Sw SMD Spst 16dil X8
SK1 240-00011-67 Skt 15w Drng Ra Slim Dsub 7912
SK2 240-10000-11 Conn SMD 18w Skt M/Match
T1 054-00010-18 Xfmr Line SMD 600 Ohm P2781
T2 054-00010-18 Xfmr Line SMD 600 Ohm P2781
U1 002-10339-00 IC SMD LM339 4x CMplt S014
U3 002-10740-40 IC 74AHCT04 SOIC14 Hex Inv
U4 002-10740-80 IC 74AHCT08 SOIC14 4x2IP AND
U5 002-10854-10 IC TDA8541T 1w Audio Amp
U6 002-10740-80 IC 74AHCT08 SOIC14 4x2IP AND
U7 002-10003-58 IC SMD LM358 Dual 0-Amp
U8 002-10078-05 IC SMD 78l05 5v Reg
U9 002-10002-02 IC SMD ADM202E RS232/Esd S016
220-65202-03 PCB 600 OHM line Interface TMA
402-00012-0X MANL f/instr TMAA01-01
600-00009-00 Pkg Kit Opt 15w parts:
240-00032-00 Plg 15w Drng Hi-D UL-CSA P/Mtg
240-06010-29 Conn 9w Hood/Cvr Lets
600-00010-00 Pkg Kit Opt Int parts:
219-00329-00 Loom TMA Int Opt
354-01043-00 Fsnr Scrw Lok 1pr 4-40
362-01108-01 Seal Drng Cvr 9way TMA
362-01111-00 Seal Drng 9way TMA
347-00011-00 Scrw 4-40*3/16 Unc P/P Blk
349-02062-00 Scrw M3*8 T/T P/T ContiR

30 TMAA01-01 Line-Interface Board TM8100/TM8200 Accessories Manual
© Tait Electronics Limited August 2005
Ref. PCB Circuit Ref. PCB Circuit Ref. PCB Circuit
2.9.2 TMAA01-01 Grid Reference List (PCB IPN 220-65202-03)
C1 B2 2:A2
C2 B1 2:A2
C3 C5 2:A4
C4 F6 1:D5
C5 D8 2:G3
C7 B6 2:A4
C8 D2 2:F6
C9 D2 2:G6
C10 B6 2:B4
C12 E2 1:K3
C13 F8 2:C3
C14 D2 2:B6
C15 C2 2:C6
C16 C7 1:B10
C17 E3 1:K4
C18 E3 1:J7
C19 E6 1:A9
C20 C6 1:A9
C21 F3 1:K8
C22 D6 1:A10
C24 C1 2:G8
C25 E5 1:H2
C26 F5 1:H3
C27 G4 1:G3
C28 F4 1:H4
C29 E5 1:A12
C30 D6 1:A11
C31 C1 1:J13
C32 C1 1:H13
C33 B1 2:G8
C35 D5 1:J9
C37 E8 2:E3
C38 D8 2:E3
C39 E8 2:E3
C40 E8 2:E4
C41 D8 2:E4
D1 E1 1:C11
D2 D2 1:F12
1:G12
D4 D6 1:C10
1:B10
D5 B3 1:J12
D6 C2 1:K12
D7 C3 1:J12
D8 G5 1:H4
D9 B2 1:H12
D10 D2 1:E12
D11 C2 1:D12
D12 B5 2:A3
E1 C2 2:C6
E2 D2 2:C6
E3 C1 2:C7
E4 D1 2:C7
FL1 D2 2:G6
FL2 D2 2:F6
FL3 D1 2:G7
FL4 D1 2:F7
FL5 E3 1:K11
FL6 D3 1:J11
FL7 C3 1:J11
FL8 C3 1:H11
FL9 C1 1:D13
1:G13
1:E13
MT1 B9 2:A5
MT2 G9 2:A6
MT3 A6 2:A6
MT4 G6 2:A7
MT5 A1 2:A7
MT6 G1 2:A8
Q1 G5 1:E9
Q2 E2 1:G10
Q3 C6 1:D4
R1 B1 2:B2
R2 D6 1:E7
R3 D2 1:E12
R4 F8 2:G3
R5 E6 1:E6
R8 E6 1:D5
R9 C6 2:B3
R10 B6 2:A4
R11 C4 1:D2
R12 E6 1:E5
R13 E6 1:E5
R14 C7 1:E4
R15A A7 2:E8
R15 F8 2:G5
R16A A7 2:E8
R16 E8 2:F5
R17 E8 2:F5
R18 F7 1:E6
R19 F7 1:D5
R20 D6 1:D4
R21 C4 1:D2
R22 D1 2:B8
R23 D7 1:B8
R24 C3 1:G2
R25 F5 1:E9
R26 E2 1:G9
R27 D7 1:B9
R28 E7 1:B9
R29 E7 1:B10
R30 E3 1:F9
R31 D2 1:G11
R32 D7 1:B10
R34 F5 1:D9
R35 C2 1:D12
R36 E2 1:E11
R37 D6 1:B11
R38 E3 1:K4
R39 E4 1:K7
R40 E4 1:K8
R41 D4 1:J8
R43A A7 2:E9
R43 C8 2:C4
R44 C8 2:B4
R45 C4 1:H10
R46 E8 2:F2
R47A A7 2:E9
R47 C8 2:C4
R48 F5 1:H3
R49 E5 1:H3
R50 F4 1:G3
R51 F5 1:H3
R52 D2 1:D12
R53 C3 1:H11
R54 D3 1:J11
R55 F8 2:F3
R56 E3 1:F10
R57 F9 2:F2
RV1 E7 1:E5
RV2 F2 1:K3
RV3 F4 1:H5
S1 G3 1:D5
1:D11
1:F4
1:G4
1:G9
1:J9
1:H9
1:F9
SK1 D1 2:B8
2:F9
2:C8
2:G9
SK1 D1 1:K13
1:J13
1:H13
1:B13
1:G13
1:D13
1:E13
SK2 B3 2:F1
2:C1
2:B1
2:G1
SK2 B3 1:C1
1:H1
1:D1
1:G1
1:F1
1:K1
T1 D4 1:J11
T2 C4 1:H11
TP1 B4 1:D2
TP2 B3 1:F2
TP3 B4 1:D2
TP4 B3 1:G2
TP5 D2 1:E13
TP6 C2 1:G12
TP7 C2 1:D13
U1 E7 1:C5
1:E6
1:B9
1:A11
1:C4
U2 E8 2:F3
U3 F5 1:G6
1:G7
1:F2
1:B6
1:C10
1:A9
U4 E5 1:B6
1:A10
1:E8
1:F3
U5 E3 1:J7
U6 D5 1:A8
1:C10
1:B11
1:B7
1:D3
U7 E4 1:H3
1:J3
1;A12
U8 B5 2:A3
U9 D8 2:E3
U10 C8 2:C3
W1 C7 1:E4

TM8100/TM8200 Accessories Manual TMAA01-01 Line-Interface Board 31
© Tait Electronics Limited August 2005
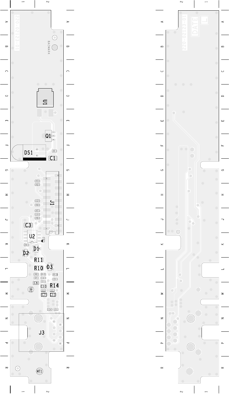
2.9.3 Line-Interface Board Layout (top side)
IPN 220-65202-03

32 TMAA01-01 Line-Interface Board TM8100/TM8200 Accessories Manual
© Tait Electronics Limited August 2005
2.9.4 Line-Interface Board Layout (bottom side)
IPN 220-65202-03

TM8100/TM8200 Accessories Manual TMAA01-01 Line-Interface Board 33
© Tait Electronics Limited August 2005
2.9.5 Line-Interface Board Circuit Diagram

34 TMAA01-01 Line-Interface Board TM8100/TM8200 Accessories Manual
© Tait Electronics Limited August 2005

TM8100/TM8200 Accessories Manual TMAA01-02 RS-232 Board 35
© Tait Electronics Limited August 2005
3 TMAA01-02 RS-232 Board
The TMAA01-02 RS-232 board fits inside the radio in the
options cavity and is connected to the main PCB by the internal
options connector and loom.
The RS-232 signals are then made available on the 9-way D-
range connector mounted on the RS-232 board. This connector
fits through the external options connector hole provided in the
radio chassis.
3.1 Operation
The TMAA01-02 RS-232 board provides a suitable interface to external
devices requiring full RS-232 level compatibility. As well as supporting
transmit and receive data lines, the board also supports RTS and CTS
hardware flow control lines.
3.1.1 Hardware Flow Control
Although the serial transmit and receive lines are dedicated connections on
the internal options connector, the RTS and CTS lines have to be assigned.
For hardware flow control, these lines are set up in the programming
application. RTS should be assigned to IOP_GPIO3 and CTS should be
assigned to IOP_GPIO1.
Refer to the online help of the programming application for
more information.
Important The radio does not meet the IP54 protec-
tion standard once an RS-232 board has
been installed unless the external options
cover seal is installed.
Important To comply with EN 301 489-5, all
cables connected to the external options
connector must be less than three metres
(10 feet) in length.
external options
connector
internal options
connector
RS-232
board
D-range hood
parts
D-range plug
options-extender
installation parts
internal options
loom
external options
cover seal

36 TMAA01-02 RS-232 Board TM8100/TM8200 Accessories Manual
© Tait Electronics Limited August 2005
3.2 Installing the RS-232 Board
3.2.1 Parts Required
The following table describes the parts required to install an RS-232 board in
a radio. The parts marked with an asterisk (*) are not shown in Figure 3.1 and
are used to connect to the radio’s external options connector.
3.2.2 Installation Procedure
1. Disassemble the radio in order to gain access to the options cavity.
For detailed disassembly instructions, refer to the disassembly proce-
dure in the service manual.
Refer to the diagram on the following page and the instructions below.
2. Remove the top cover and lid b from the radio to access the
options cavity.
3. Remove the external options connector bung c, if it is fitted.
4. On the inside of the radio lid place the foam seal d over the external
options connector cavity e.
5. Plug one end of the internal options connector loom into the internal
options connector on the RS-232 board.
6. With the top side of the RS-232 board f facing the radio lid, guide
the external options connector g (the D-range connector on the
RS-232 board) into the external options connector cavity.
Important The external options connector screw-lock fasteners must
be tightened correctly before screwing the RS-232 board
onto the mounting posts i.
7. Screw the external options connector to the radio lid using the two
screw-lock fasteners h.
Tighten the fasteners to a torque of 0.9N·m (8lbf·in).
Table 3.1 RS-232 installation parts required
Quantity Internal Part Number Description Figure 3.1
Reference
1 362-01111-XXa
a. Contact Technical Support for the exact IPN.
foam seal d
1 362-01108-XXacover seal 1!
2 347-00011-00 4-40x3/16 screws 1@
2 354-01043-00 screw-lock fasteners h
4 349-02062-00 M3x8 screws j
*1 240-00034-00 D-range plug —
*1 240-06010-29 D-range hood —

TM8100/TM8200 Accessories Manual TMAA01-02 RS-232 Board 37
© Tait Electronics Limited August 2005
8. Screw the RS-232 board to the mounting posts on the radio lid using
four M3x8 self-tapping screws j.
Tighten the M3x8 screws to a torque of 1.9N·m (17lbf·in)
Important For the RS232 board to be installed correctly in the radio’s
options cavity, the internal options connector loom 1)
must
be looped in the way shown in Figure 3.1.
9. Plug the unattached end of internal options connector loom 1) into
the internal options connector on the radio main PCB.
10. Refit the radio lid and top cover to the radio and screw the external
options cover seal 1! over the external options connector, using the
two 4-40x3/16 screws 1@.
Figure 3.1 RS-232 board installation
bradio lid hscrew-lock fasteners
cexternal options connector bung imounting posts
dfoam seal jM3x8 self-tapping screws
eexternal options connector cavity 1) internal options loom
fRS-232 board 1! external options cover seal
gexternal options connector 1@ 4-40x3/16 screws
b
c
e
h
i
j
1@
1!
1)
df
g

38 TMAA01-02 RS-232 Board TM8100/TM8200 Accessories Manual
© Tait Electronics Limited August 2005
3.3 Interface Specification
The following tables summarize the signals used for the RS-232 board on the
internal options connector (SK1 on the RS-232 board) and the external
options connector (SK2 on the RS-232 board).
Note The TM8000 3DK Hardware Developer’s Kit Application
Manual (product code MMAA30-01-00-807) contains a detailed
electrical specification for the signals available on the radio’s inter-
nal options connector. This manual is part of the 3DK Resource
CD, which can be purchased using product code TMAA30-01.
Table 3.2 Internal options connector—pins and signals
Pin Connector
Signal Description
113V8_SW
switched 13V8 supply from the radio
2 AUD_TAP_OUT
Programmable tap point out of the receive or transmit audio chain.
DC-coupled
3AGND
analogue ground
4 AUX_MIC_AUD
Auxiliary microphone input, with electret microphone biasing
provided.
Dynamic microphones are not supported.
5 RX_BEEP_IN
receive sidetone input, AC-coupled
6 AUD_TAP_IN
Programmable tap point into the receive or transmit audio chain.
DC-coupled
7RX_AUD
not connected
8RSSI
analogue RSSI output
9-15 IOP_GPIO1 to
IOP_GPIO7
programmable function and direction
16
DGND digital ground
17
IOP_RXD an RS-232 compliant asynchronous serial port - receive data
18
IOP_TXD an RS-232 compliant asynchronous serial port - transmit data
B
D
F
H
J
1!
1#
1%
1&
C
E
G
I
1)
1@
1$
1^
1*
top view
Table 3.3 External options connector—pins and signals
Pin Signal Direction
2 serial transmit data
output from the radio
3 serial receive data
input to the radio
5 data ground
—
7 RTS using IOP_GPIO3
input to the radio
8 CTS using IOP_GPIO1
output from the radio
front view

TM8100/TM8200 Accessories Manual TMAA01-02 RS-232 Board 39
© Tait Electronics Limited August 2005
Ref. IPN Description Ref. IPN Description
3.4 PCB Information
3.4.1 TMAA01-02 Parts List (PCB IPN 220-01740-01)
C1 014-07100-02 Cap Tant SMD 1u0 16v 20% A
C2 018-14100-00 Cap 0603 1n 50v X7r ±10%
C3 018-14100-00 Cap 0603 1n 50v X7r ±10%
C4 018-14100-00 Cap 0603 1n 50v X7r ±10%
C5 018-14100-00 Cap 0603 1n 50v X7r ±10%
C6 018-16100-00 Cap 0603 100n 16v x7r + - 10%
C7 014-07470-10 Cap Tant SMD 4u7 10V 20% 0603
C8 018-16100-00 Cap 0603 100n 16v x7r + - 10%
C9 018-16100-00 Cap 0603 100n 16v x7r + - 10%
C10 018-16100-00 Cap 0603 100n 16v x7r + - 10%
C11 018-14100-00 Cap 0603 1n 50v X7r ±10%
C12 018-16100-00 Cap 0603 100n 16v x7r + - 10%
C13 018-16100-00 Cap 0603 100n 16v x7r + - 10%
C14 018-14100-00 Cap 0603 1n 50v X7r ±10%
C15 018-14100-00 Cap 0603 1n 50v X7r ±10%
C16 018-14100-00 Cap 0603 1n 50v X7r ±10%
C17 018-14100-00 Cap 0603 1n 50v X7r ±10%
C18 018-14100-00 Cap 0603 1n 50v X7r ±10%
LK1 036-14100-10 RES 0805 1k 1% 1/8W
LK3 036-14100-10 RES 0805 1k 1% 1/8W
R1 038-15100-10 RES 0603 10k 1% 1/10W
R2 038-15100-10 RES 0603 10k 1% 1/10W
R3 038-15100-10 RES 0603 10k 1% 1/10W
R4 038-15100-10 RES 0603 10k 1% 1/10W
R8 038-13100-10 RES 0603 100R 1% 1/10W
R9 038-13100-10 RES 0603 100R 1% 1/10W
R10 038-13100-10 RES 0603 100R 1% 1/10W
R13 038-13100-10 RES 0603 100R 1% 1/10W
SK1 240-10000-11 Conn SMD 18w Skt M/Match
SK2 240-06009-20 Conn DIP D-Sub 9W Female TM8K
U1 002-10740-40 IC 74AHCT04 SOIC14 Hex Inv
U2 002-10078-00 IC SMD MC78M05CDT5v Reg0.5a
U3 002-10022-22 IC SMD ST202E RS232/ESD SO16
220-01740-01 PCB TMA RS232 Options
402-00019-0X F/Inst TMAA01-02 RS232 Brd
600-00010-00 Pkg Kit Opt Int parts:
219-00329-00 Loom TMA Int Opt
354-01043-00 Fsnr Scrw Lok 1pr 4-40
362-01108-01 Seal Drng Cvr 9way TMA
362-01111-00 Seal Drng 9way TMA
347-00011-00 Scrw 4-40*3/16 Unc P/P Blk
349-02062-00 Scrw M3*8 T/T P/T ContiR
600-00012-00 Pkg Kit Opt 9w parts:
240-00034-00 Plg 9w Drng UL-CSA Pnl Mtg
240-06010-29 Conn 9w Hood/Cvr Lets

40 TMAA01-02 RS-232 Board TM8100/TM8200 Accessories Manual
© Tait Electronics Limited August 2005
3.4.2 RS-232 Board Layout (top side)
IPN 220-01740-01

TM8100/TM8200 Accessories Manual TMAA01-02 RS-232 Board 41
© Tait Electronics Limited August 2005
3.4.3 RS-232 Board Layout (bottom side)
IPN 220-01740-01

42 TMAA01-02 RS-232 Board TM8100/TM8200 Accessories Manual
© Tait Electronics Limited August 2005
3.4.4 RS-232 Board Circuit Diagram

TM8100/TM8200 Accessories Manual TMAA01-05 Options-Extender Board 43
© Tait Electronics Limited August 2005
4 TMAA01-05 Options-Extender Board
The TMAA01-05 options-extender board provides external
access to most of the signal lines provided by the radio’s internal
options connector.
The options-extender board fits inside the radio in the options
cavity and is connected to the main PCB by the internal options
connector and loom.
The internal options connector signals are then made available on
the high-density 15-way D-range connector mounted on the
options-extender board. This connector fits through the external
options connector hole provided in the radio chassis.
4.1 Changing the Options-Extender Links
The options-extender board configuration must be completed before the
board is installed in the radio, as the top side of the options-extender board
is not accessible once the board is screwed to the radio lid.
Important This equipment contains devices which are susceptible to
damage from static discharges. Refer to “ESD Precautions”
on page 11 for more information.
The options-extender board has various link options which allow the user
to re-configure the outputs available on the external options connector. The
outputs that can be made available by changing linking resistors are:
■the 5V supply line, and
■the RX_BEEP_IN line.
In both cases, these lines replace other lines that are available when the
linking resistors are in the factory-set configuration. Note that there is no
external connection available for the RX_AUD line.
Important The radio does not meet the IP54 protec-
tion standard once an options-extender
board has been installed unless the exter-
nal options cover seal is installed.
Important To comply with EN 301 489-5, all
cables connected to the external options
connector must be less than three metres
(10 feet) in length.
external options
connector
internal options
connector
options-
extender
board
D-range hood
parts
D-range plug
options-extender
installation parts
internal options
loom
external options
cover seal

44 TMAA01-05 Options-Extender Board TM8100/TM8200 Accessories Manual
© Tait Electronics Limited August 2005
4.1.1 Power Supply Line
The power supply output available on pin 2 of the external options
connector is factory-set to 13.8V. The output on this pin can be changed to
5V if R11 (a 0Ω surface mount resistor) is moved to position R10.
Figure 4.1 at the top of the page shows the component locations.
Important The maximum current for the 5V supply line is 400mA.
4.1.2 RX_BEEP_IN Line
If the RX_BEEP_IN line is required on the external options connector,
it must replace one of the following lines:
■IOP_RSSI
■AUD_TAP_IN
■AUX_MIC_AUD
■AUD_TAP_OUT.
The following table explains the resistor link changes required and
Figure 4.1 at the top of the page shows the component locations.
Figure 4.1 Options-extender board linking resistor locations
power supply line
RX_BEEP_IN line
Table 4.1 RX_BEEP_IN resistor changes
RX_BEEP_IN Line Replaces Remove Resistor Add Resistor
IOP_RSSI R2 R3
AUD_TAP_IN R4 R5
AUX_MIC_AUD R6 R7
AUD_TAP_OUT R8 R9

TM8100/TM8200 Accessories Manual TMAA01-05 Options-Extender Board 45
© Tait Electronics Limited August 2005
4.2 Installing the Options-Extender Board
4.2.1 Parts Required
The following table describes the parts required to install an options-extender
board in a radio. The parts marked with an asterisk (*) are not shown in
Figure 4.2 and are used to connect to the radio’s external options connector.
4.2.2 Installation Procedure
1. Disassemble the radio in order to gain access to the options cavity.
For detailed disassembly instructions, refer to the disassembly proce-
dure in the service manual.
Refer to the diagram on the following page and the instructions below.
2. Remove the top cover and lid b from the radio to access the
options cavity.
3. Remove the external options connector bung c, if it is fitted.
4. On the inside of the radio lid place the foam seal d over the external
options connector cavity e.
5. With the top side of the options-extender board f facing the radio
lid, guide the external options connector g (the D-range connector
on the options-extender board) into the external options connector
cavity.
6. Screw the external options connector to the radio lid using the two
screw-lock fasteners h.
Tighten the fasteners to a torque of 0.9N·m (8lbf·in).
Important The external options connector screw-lock fasteners must
be tightened correctly before screwing the options-
extender board onto the mounting posts i.
Table 4.2 Options-extender installation parts required
Quantity Internal Part Number Description Figure 4.2
Reference
1 362-01111-XXa
a. Contact Technical Support for the exact IPN.
foam seal d
1 362-01108-XXacover seal 1!
2 347-00011-00 4-40x3/16 screws 1@
2 354-01043-00 screw-lock fasteners h
4 349-02062-00 M3x8 screws j
*1 240-00010-80 D-range plug —
*1 240-06010-29 D-range hood —

46 TMAA01-05 Options-Extender Board TM8100/TM8200 Accessories Manual
© Tait Electronics Limited August 2005
7. Screw the options-extender board to the mounting posts on the radio
lid using four M3x8 self-tapping screws j.
Tighten the M3x8 screws to a torque of 1.9N·m (17lbf·in)
Important For the options-extender board to be installed correctly in
the radio’s options cavity, the internal options connector
loom 1) must be looped in the way shown in Figure 4.2.
8. Plug the unattached end of internal options connector loom 1) into
the internal options connector on the radio main PCB.
9. Refit the radio lid and top cover to the radio and screw the external
options cover seal 1! over the external options connector, using the
two 4-40x3/16 screws 1@.
Figure 4.2 Options-extender board installation
bradio lid hscrew-lock fasteners
cexternal options connector bung imounting posts
dfoam seal jM3x8 self-tapping screws
eexternal options connector cavity 1) internal options loom
foptions-extender board 1! external options cover seal
gexternal options connector 1@ 4-40x3/16 screws
b
c
e
h
i
j
1@
1!
1)
df
g

TM8100/TM8200 Accessories Manual TMAA01-05 Options-Extender Board 47
© Tait Electronics Limited August 2005
4.3 Interface Specification
The following tables summarize the signals used for the options-extender
board on the internal options connector (SK1 on the options-extender board)
and the external options connector (SK2 on the options-extender board).
Note The TM8000 3DK Hardware Developer’s Kit Application
Manual (product code MMAA30-01-00-807) contains a detailed
electrical specification for the signals available on the radio’s inter-
nal options connector. This manual is part of the 3DK Resource
CD, which can be purchased using product code TMAA30-01.
Table 4.3 Internal options connector—pins and signals
Pin Connector
Signal Description
1 13V8_SW
switched 13V8 supply from the radio
2 AUD_TAP_OUT
Programmable tap point out of the receive or transmit audio chain.
DC-coupled
3AGND
analogue ground
4 AUX_MIC_AUD
Auxiliary microphone input, with electret microphone biasing
provided.
Dynamic microphones are not supported.
5 RX_BEEP_IN
receive sidetone input, AC-coupled
6 AUD_TAP_IN
Programmable tap point into the receive or transmit audio chain.
DC-coupled
7 RX_AUD
not connected
8 RSSI
analogue RSSI output
9-15 IOP_GPIO1 to
IOP_GPIO7
programmable function and direction
16
DGND digital ground
17
IOP_RXD an RS-232 compliant asynchronous serial port - receive data
18
IOP_TXD an RS-232 compliant asynchronous serial port - transmit data
B
D
F
H
J
1!
1#
1%
1&
C
E
G
I
1)
1@
1$
1^
1*
top view

48 TMAA01-05 Options-Extender Board TM8100/TM8200 Accessories Manual
© Tait Electronics Limited August 2005
Table 4.4 External options connector—pins and signals
Pin Signal Description
213V8_SW
a
13V8 supply
6 AUD_TAP_OUTb
Programmable tap point out of the Rx or Tx audio
chain. DC-coupled
7AGND
analogue ground
11 AUX_MIC_AUDb
Auxiliary microphone input, with electret microphone
biasing provided.
Dynamic microphones are not supported.
1 AUD_TAP_INb
Programmable tap point into the Rx or Tx audio chain.
DC-coupled.
3RSSI
b
analogue RSSI output
15 IOP_GPIO1c
programmable function and direction
14 IOP_GPIO2c
programmable function and direction
13 IOP_GPIO3c
programmable function and direction
10 IOP_GPIO4c
programmable function and direction
9 IOP_GPIO5c
programmable function and direction
5 IOP_GPIO6c
programmable function and direction
4 IOP_GPIO7c
programmable function and direction
8IOP_RXD
an RS-232 compliant asynchronous serial port -
receive data
12 IOP_TXD
an RS-232 compliant asynchronous serial port -
transmit data
a. This can be configured to be 5V. Refer to “Power Supply Line” on page 44.
b. This can be re-configured to be RX_BEEP_IN. Refer to “RX_BEEP_IN Line” on page 44.
c. 3V3 CMOS output via 1kΩ series resistance. 5V tolerant input.
front view

TM8100/TM8200 Accessories Manual TMAA01-05 Options-Extender Board 49
© Tait Electronics Limited August 2005
Ref. IPN Description Ref. IPN Description
C1 018-16100-00 Cap 0603 100n 16v x7r + - 10%
C2 018-16100-00 Cap 0603 100n 16v x7r + - 10%
C3 018-16100-00 Cap 0603 100n 16v x7r + - 10%
C4 018-16100-00 Cap 0603 100n 16v x7r + - 10%
C5 018-16100-00 Cap 0603 100n 16v x7r + - 10%
C6 018-16100-00 Cap 0603 100n 16v x7r + - 10%
C7 018-15100-00 Cap 0603 10n 50v X7r ±10%
C8 014-08100-30 Cap Tant SMD 100u 10v Loesr D
C9 015-26100-08 Cap Cer 0805 100n 10% X7r 50v
C10 016-08470-01 Cap Elec SMD 47uf 6*4 16v
C11 014-08100-30 Cap Tant SMD 100u 10v Loesr D
C12 018-16100-00 Cap 0603 100n 16v x7r + - 10%
C13 016-08470-01 Cap Elec SMD 47uf 6*4 16v
C14 018-15100-00 Cap 0603 10n 50v X7r ±10%
C15 018-15100-00 Cap 0603 10n 50v X7r ±10%
C16 018-15100-00 Cap 0603 10n 50v X7r ±10%
C17 015-07220-35 Cap Cer 1210 2u2 X5R 35v
C18 015-06470-01 Cap Cer 1206 470n X7r 20% 50v
C19 018-13470-00 Cap 0603 470p 50v X7r±10%
C20 018-13470-00 Cap 0603 470p 50v X7r±10%
C21 018-13470-00 Cap 0603 470p 50v X7r±10%
C22 018-13470-00 Cap 0603 470p 50v X7r±10%
C23 018-13470-00 Cap 0603 470p 50v X7r±10%
C24 018-13470-00 Cap 0603 470p 50v X7r±10%
C25 018-13470-00 Cap 0603 470p 50v X7r±10%
C26 018-13470-00 Cap 0603 470p 50v X7r±10%
C27 018-13470-00 Cap 0603 470p 50v X7r±10%
C28 018-15100-00 Cap 0603 10n 50v X7r ±10%
C29 015-07220-35 Cap Cer 1210 2u2 X5R 35v
C30 018-14100-00 Cap 0603 1n 50v X7r ±10%
C31 018-14100-00 Cap 0603 1n 50v X7r ±10%
C32 018-14100-00 Cap 0603 1n 50v X7r ±10%
C33 018-14100-00 Cap 0603 1n 50v X7r ±10%
C34 018-14100-00 Cap 0603 1n 50v X7r ±10%
C35 018-14100-00 Cap 0603 1n 50v X7r ±10%
C36 018-14100-00 Cap 0603 1n 50v X7r ±10%
D1 001-10014-03 Diode SMD MBRS140T3 Sch
D2 001-10099-01 Diode BAV99w Dual Ss
D3 001-10099-01 Diode BAV99w Dual Ss
D4 001-10099-01 Diode BAV99w Dual Ss
D5 001-10099-01 Diode BAV99w Dual Ss
D6 001-10099-01 Diode BAV99w Dual Ss
D7 001-10099-01 Diode BAV99w Dual Ss
D8 001-10099-01 Diode BAV99w Dual Ss
IC1 002-10020-20 IC SMD ADM202 Rs-232 Con S0-16
IC2 002-10267-40 IC LM2674 S08 Swtch Volt Regul
L1 057-10100-65 Ind SMD Pwr Cdrh6D38 100UH .65
L2 057-10010-20 Ind 0603 Blm11-B102s 0.1a
L3 057-10010-20 Ind 0603 Blm11-B102s 0.1a
L4 057-10010-20 Ind 0603 Blm11-B102s 0.1a
L5 057-10010-20 Ind 0603 Blm11-B102s 0.1a
L6 057-10010-20 Ind 0603 Blm11-B102s 0.1a
L7 057-10010-20 Ind 0603 Blm11-B102s 0.1a
L8 057-10010-20 Ind 0603 Blm11-B102s 0.1a
L9 057-10010-45 Ind SMD Pwr CDRH2D18 10UH .43A
L10 057-10010-45 Ind SMD Pwr CDRH2D18 10UH .43A
L11 057-10600-05 Ind 0603 Blm11p600s .5a F/Bead
L12 057-10010-20 Ind 0603 Blm11-B102s 0.1a
L13 057-10010-20 Ind 0603 Blm11-B102s 0.1a
L14 057-10010-20 Ind 0603 Blm11-B102s 0.1a
L15 057-10600-05 Ind 0603 Blm11p600s .5a F/Bead
L16 057-10010-20 Ind 0603 Blm11-B102s 0.1a
L17 057-10010-20 Ind 0603 Blm11-B102s 0.1a
L18 057-10010-20 Ind 0603 Blm11-B102s 0.1a
R2 036-10000-00 RES 0805 0R 1/8W
R4 036-10000-00 RES 0805 0R 1/8W
R6 036-10000-00 RES 0805 0R 1/8W
R8 036-10000-00 RES 0805 0R 1/8W
R11 036-10000-00 RES 0805 0R 1/8W
R12 038-13100-10 RES 0603 100R 1% 1/10W
R13 038-13100-10 RES 0603 100R 1% 1/10W
R14 038-13100-10 RES 0603 100R 1% 1/10W
R15 038-13100-10 RES 0603 100R 1% 1/10W
R16 038-13100-10 RES 0603 100R 1% 1/10W
R17 038-13100-10 RES 0603 100R 1% 1/10W
R18 038-13100-10 RES 0603 100R 1% 1/10W
R19 038-13100-10 RES 0603 100R 1% 1/10W
SK1 240-10000-11 Conn SMD 18w Skt M/Match
SK2 240-00011-67 Skt 15w Drng Ra Slim Dsub 7912
220-65203-00 PCB TM8000 Options Extender
402-00008-0X MANL f/instr TMAA01-05
600-00009-00 Pkg Kit Opt 15w parts:
240-00032-00 Plg 15w Drng Hi-D UL-CSA P/Mtg
240-06010-29 Conn 9w Hood/Cvr Lets
600-00010-00 Pkg Kit Opt Int parts:
219-00329-00 Loom TMA Int Opt
354-01043-00 Fsnr Scrw Lok 1pr 4-40
362-01108-01 Seal Drng Cvr 9way TMA
362-01111-00 Seal Drng 9way TMA
347-00011-00 Scrw 4-40*3/16 Unc P/P Blk
349-02062-00 Scrw M3*8 T/T P/T ContiR
4.4 PCB Information
4.4.1 TMAA01-05 Parts List (PCB IPN 220-65203-00)

Ref. PCB Circuit Ref. PCB Circuit Ref. PCB Circuit
50 TMAA01-05 Options-Extender Board TM8100/TM8200 Accessories Manual
© Tait Electronics Limited August 2005
4.4.2 TMAA01-05 Grid Reference List (PCB IPN 220-65203-00)
C1 D5 1G4
C10 F3 1G5
C11 E3 1G8
C12 E2 1G8
C13 F2 1G5
C14 D2 1E2
C15 D2 1D2
C16 D2 1D2
C17 E1 1G9
C18 B1 1G2
C19 B1 1F8
C2 D4 1F2
C20 B1 1C2
C21 B1 1A2
C22 C1 1B3
C23 C1 1D2
C24 C1 1B3
C25 C1 1C3
C26 C1 1B2
C27 D1 1F8
C28 D1 1E2
C29 F1 1G4
C3 D4 1G4
C30 C4 1D1
C31 C4 1C1
C32 C4 1C1
C33 C4 1B1
C34 C4 1B1
C35 C4 1B1
C36 C4 1A1
C4 D4 1G2
C5 D4 1G4
C6 E4 1G7
C7 F3 1G7
C8 E3 1G8
C9 F3 1G6
D1 G3 1G7
D2 B2 1A2
D3 C2 1D2
D4 C2 1C3
D5 B2 1C2
D6 C2 1C3 1B3
D7 C2 1B3
D8 C2 1B2
IC1 D4 1F3
IC2 F3 1G6
L1 F4 1G7
L10 F2 1G5
L11 E2 1G9
L12 D2 1E2
L13 D2 1D2
L14 D2 1E2
L15 F1 1G5
L16 B1 1F7
L17 D1 1F7
L18 D1 1E2
L2 B2 1C2
L3 B2 1A2
L4 C2 1B3
L5 C2 1D2
L6 C2 1B3
L7 C2 1C3
L8 C2 1B2
L9 E2 1G9
R1 B4 1A2
R10 D1 1F9
R11 D1 1G9
R12 C4 1D2
R13 C4 1C2
R14 C4 1C2
R15 C4 1B2
R16 C4 1B2
R17 C4 1B2
R18 C4 1A2
R19 C3 1E2
R2 B3 1E2
R20 B2 1F2
R21 D2 1F2
R3 C3 1E2
R4 B3 1E2
R5 C3 1E2
R6 B3 1E2
R7 C3 1E2
R8 B3 1D2
R9 C3 1D2
SK1 B3 1D2
1G2
1E2
1F2
1D1
1C1
1B1
1A1
SK2 D1 1D9
1C9
1A9
1B9
1E9
1F9

TM8100/TM8200 Accessories Manual TMAA01-05 Options-Extender Board 51
© Tait Electronics Limited August 2005
4.4.3 Options-Extender Board Layout (top side)
4.4.4 Options-Extender Board Layout (bottom side)
IPN 220-65203-00
IPN 220-65203-00

52 TMAA01-05 Options-Extender Board TM8100/TM8200 Accessories Manual
© Tait Electronics Limited August 2005
4.4.5 Options-Extender Board Circuit Diagram

TM8100/TM8200 Accessories Manual TMAA02-02 DTMF Microphone 53
© Tait Electronics Limited August 2005
5 TMAA02-02 DTMF Microphone
The TMAA02-02 DTMF microphone plugs into the
microphone socket on the radio control head, and enables users
to make calls to a PABX or PSTN.
To make a call, enter the required number using the DTMF keypad
and the DTMF microphone generates audible DTMF tones as the
microphone keys are pressed. Press the PTT key and speak clearly
into the microphone then release the PTT key when you have
finished speaking.
The microphone button operates a hookswitch, which is closed
when the microphone is connected to the microphone clip and open
when the microphone is removed from the microphone clip. The
function of the hookswitch is determined by the radio programming.
5.1 Installation
Installing the
Microphone Important The DTMF microphone grommet must be installed when-
ever the microphone is plugged into the microphone
socket. When installed, the grommet has two functions:
■to prevent damage to the microphone socket when
there is movement of the microphone cord, and
■to ensure that the control head is sealed against water,
dust and other environmental hazards.
1. Plug the DTMF microphone cord into the microphone socket on the
radio control head.
2. Slide the microphone grommet along the microphone cord and push
two adjacent corners of the grommet into the microphone socket cavity.
3. Squeeze the grommet and push the remaining corners into position.
4. Check that the grommet is seated correctly in the cavity.
PTT key
grommet
microphone
button not shown
(to rear of
microphone)
Figure 5.1 Correct DTMF microphone grommet seating
microphone
grommet
control head

54 TMAA02-02 DTMF Microphone TM8100/TM8200 Accessories Manual
© Tait Electronics Limited August 2005
Installing the
Microphone Clip Install the microphone clip in the most convenient location for the radio
user. It must be within easy reach of the user, but in such a position that the
microphone PTT key cannot be inadvertently activated or jammed on.
Connect the microphone clip to the negative supply if hookswitch
operation is required.
5.2 Adjustment
Remove the DTMF microphone back cover and set the DTMF tone level
to approximately 60% deviation (±3kHz for wide bandwidth radios and
±1.5kHz for narrow bandwidth radios).
5.3 Radio Programming
The following table shows the settings required for CH_GPIO1 in the
Programmable I/O form of the programming application. This setting
means that when a key is pressed on the microphone, the DTMF tones are
fed into the radio’s speaker at a reduced volume, giving the radio user
confidence that the tones are being transmitted. Refer to the online help of
the programming application for more information.
5.4 Interface Specification
The following table and diagram summarizes the signals used for the DTMF
microphone on the radio’s microphone connector and shows the interface
between the DTMF microphone and the radio.
Table 5.1 DTMF microphone settings in the Programmable I/O form, Digital tab
Pin Direction Label Action Active Debounce Signal State Mirrored To
CH_GPIO1 Input None Send Mic Audio
To Spkr
High None None None
Table 5.2 DTMF microphone connector—pins and signals
Pin Signal Colour Description
1——not connected
2 13V8_SW red power supply (switched)
3—yellow not connected
4 MIC_PTT black PTT and hookswitch
5 MIC_AUD white audio from the microphone
6 AGND blue analogue ground
7——not connected
8 MIC_GPIO1 green mute out

TM8100/TM8200 Accessories Manual TMAA02-02 DTMF Microphone 55
© Tait Electronics Limited August 2005
.
5.5 Circuit Description
The microphone has a standard 12-key telephone keypad. When one of the
keypad keys is pressed, a DTMF tone specific to that key is generated on the
MIC_AUD line (pin 5). For the duration of the tone, the tone generator
activates the PTT, so that the user is not required to press the PTT key to
transmit each tone.
Figure 5.2 DTMF microphone to radio interface
56 TMAA02-02 DTMF Microphone TM8100/TM8200 Accessories Manual
© Tait Electronics Limited August 2005

TM8100/TM8200 Accessories Manual TMAA02-06 Support Kit for Concealed & Dynamic Microphones 57
© Tait Electronics Limited August 2005
6 TMAA02-06 Support Kit for Concealed &
Dynamic Microphones
The support kit for concealed and dynamic microphones can be
used in two main applications:
■to monitor activity around the radio if the radio is placed in
emergency mode, and
■to support the use of a dynamic microphone, such as that used in
the TMAA10-02 handset.
The concealed and dynamic microphone support board plugs onto
the radio’s control head PCB and contains circuitry for a pre-
amplifier and a microphone switch circuit. The concealed electret
microphone is installed inside the speaker grille of the control head.
6.1 Installation
Important This equipment contains devices which are susceptible to
damage from static discharges. Refer to “ESD Precautions”
on page 11 for more information.
Disassembling the
Radio Control Head To install the concealed-microphone capsule and concealed and dynamic
microphone support board, the control head must be removed from the
radio and disassembled. For detailed disassembly instructions, refer to the
disassembly procedure in the service manual.
Installing the
Microphone
Capsule and
Dynamic
Microphone Board
1. Disassemble the control head in order to gain access to the speaker
grille. This will mean removing the control head PCB, the space
frame, and the speaker.
2. Drill a 1mm diameter hole in the
concealed-microphone cavity b in
the position indicated by the small
‘dimple’ c.
P2
P3
concealed microphone
(capsule, rubber seal & wires)
concealed & dynamic
microphone support
board
bc

58 TMAA02-06 Support Kit for Concealed & Dynamic Microphones TM8100/TM8200 Accessories Manual
© Tait Electronics Limited August 2005
Important To maintain the IP54 protection class, great care must be
taken when installing the microphone capsule and seal d
into the concealed-microphone cavity.
3. Push the microphone capsule and seal
into the concealed-microphone
cavity, with the capsule wires e
towards the speaker grille f.
4. Reassemble the control head. This
includes reinstalling the speaker g,
the space frame h and the control
head PCB i.
Plug the speaker lead into the speaker
connector j.
5. On the control head PCB, solder the positive concealed-microphone
wire to the MIC+ pad 1) and the negative wire to AGND 1!.
Note
The positive wire on the microphone capsule is identified by a red stripe.
6. On the control head PCB, remove R11 1@ and
solder P2 1# and P3 1$ in the positions shown.
7. Plug S2 1% and S3 1^ on the concealed and
dynamic microphone support board onto P2
and P3 on the control head PCB.
8. Re-install the control head on the radio body.
6.2 Radio Programming
When the support kit for concealed and dynamic microphones is installed
in a radio, two fields in the UI Preferences form of the programming
application may need to be selected.
■Enable Options Board Preamp: select this field if a dynamic microphone
is installed. An example of an accessory that uses a dynamic microphone
is the TMAA10-02 handset.
■Emergency Mic: select Concealed if a concealed microphone is installed.
Refer to the online help of the programming application for more information.
efd
1!
h
gij 1#
1@ 1$
1)
1%
1^

TM8100/TM8200 Accessories Manual TMAA02-06 Support Kit for Concealed & Dynamic Microphones 59
© Tait Electronics Limited August 2005
6.3 Interface Specification
The following table and diagram summarizes the signals used for the
concealed and dynamic microphone support kit and shows the interface
between the support kit and the radio control head.
Table 6.1 Concealed and dynamic microphone support board—pins and signals
Pin Signal Colour
1 CH_LE SPI latch signal to latch microphone select data into
the concealed and dynamic microphone board
2 D2-D3 data from the control head shift register
3 OE enables the output of the shift register of the audio
switch
4 CH_SPI_CLK SPI clock signal to clock microphone select data into
concealed and dynamic microphone board
5 +13V8_SW power for analogue parts
6 +3V3 power for digital parts
7 RST initialise the concealed and dynamic microphone
board shift register
8 DGND digital ground
1 MIC_AUD_IN-P1 microphone audio from microphone interface
2 MIC_AUD_OUT processed microphone signal output to radio
3—not connected
4 MIC_AUD_OUT processed microphone signal output to radio
5 MIC+ audio from the concealed microphone
6 AGND analogue ground
BDFH
CEGI
S2 top view
BDF
CEG
S3 top view
Figure 6.1 Concealed and dynamic microphone support kit to radio interface

60 TMAA02-06 Support Kit for Concealed & Dynamic Microphones TM8100/TM8200 Accessories Manual
© Tait Electronics Limited August 2005
Ref. IPN Description Ref. IPN Description
6.4 PCB Information
6.4.1 TMAA02-06 Parts List (PCB IPN 220-01712-01)
C1 015-26330-08 Cap Cer 0805 330n 5% 10v X7r
C2 015-26330-08 Cap Cer 0805 330n 5% 10v X7r
C3 018-15100-00 Cap 0603 10n 50v X7r +-10%
C4 015-26330-08 Cap Cer 0805 330n 5% 10v X7r
C5 018-16100-00 Cap 0603 100n 16vx7r+-10%
C6 018-16100-00 Cap 0603 100n 16vx7r+-10%
C7 018-16100-00 Cap 0603 100n 16vx7r+-10%
C8 018-16100-00 Cap 0603 100n 16vx7r+-10%
C10 018-16100-00 Cap 0603 100n 16vx7r+-10%
IC1 002-13740-53 IC 74LV4053 Mux/Demux Tssop16
IC2 002-13745-95 IC 74LV595 8BIT SHIFTREG TSSOP
Q1 000-10084-71 Xstr BC847BW NPN SOT323
Q2 000-10085-71 Xstr SMD BC857BW PNP SOT323
Q3 000-10084-62 Xstr BC846S Dual SOT363 NPN
Q4 001-10099-01 Diode BAV99w Dual Ss
R1 038-14220-00 Res 0603 2k2 1/16w +-5%
R2 038-14680-00 Res 0603 6k8 1/16w +-5%
R3 038-14470-00 Res 0603 4k7 1/16w +-5%
R4 038-15470-10 Res 0603 47k 1/16w+-1%
R5 038-14100-10 Res 0603 1k0 1/16w +-1%
R6 038-15330-10 Res 0603 33k 1%
R13 038-15100-10 Res 0603 10k 1/16w +-1%
R14 038-14100-10 Res 0603 1k0 1/16w +-1%
R15 038-14100-10 Res 0603 1k0 1/16w +-1%
R16 038-15470-10 Res 0603 47k 1/16w+-1%
R17 038-15150-10 Res 0603 15K 1% WDS
R18 038-15470-10 Res 0603 47k 1/16w+-1%
R20 036-10000-00 Res M/F SMD 0805 0e 0.125w
S2 240-10002-00 Skt SMD 8w 2x4 Lo-Prof 2mm
S3 240-10001-00 Skt SMD 6w 2x3 Lo-Prof 2mm
220-01712-01 Pcb Dynamic/Covert Mic
P2 240-10004-00 Hdr SMD 8w 2x4 Lo-Prof 2mm
P3 240-10003-00 Hdr SMD 6w 2x3 Lo-Prof 2mm
252-00010-41 Mic Capsule Electret 2.7*6mm
369-01031-00 Rbbr Mic Upper A3M2751 T3K

TM8100/TM8200 Accessories Manual TMAA02-06 Support Kit for Concealed & Dynamic Microphones 61
© Tait Electronics Limited August 2005
6.4.2 Concealed and Dynamic Microphone Support Board (top side)
IPN 220-01712-01

62 TMAA02-06 Support Kit for Concealed & Dynamic Microphones TM8100/TM8200 Accessories Manual
© Tait Electronics Limited August 2005
6.4.3 Concealed and Dynamic Microphone Support Board (bottom side)
IPN 220-01712-01

TM8100/TM8200 Accessories Manual TMAA02-06 Support Kit for Concealed & Dynamic Microphones 63
© Tait Electronics Limited August 2005
6.4.4
Concealed and Dynamic Microphone Board
Circuit Diagram
64 TMAA02-06 Support Kit for Concealed & Dynamic Microphones TM8100/TM8200 Accessories Manual
© Tait Electronics Limited August 2005

TM8100/TM8200 Accessories Manual TMAA02-07 Concealed Microphone 65
© Tait Electronics Limited August 2005
7 TMAA02-07 Concealed Microphone
The concealed microphone can be used to monitor activity around
the radio if the radio is placed in emergency mode, and is installed
beside the speaker grille of the graphical-display control head.
7.1 Installation
Important This equipment contains devices which are susceptible to
damage from static discharges. Refer to “ESD Precautions”
on page 11 for more information.
Removing the Radio
Control Head To install the concealed-microphone capsule, the control head must be
removed from the radio.
Important During this procedure, take care that the control-head seal
is not damaged. Damage to this seal reduces environmental
protection.
1. On the underside of the radio,
insert a 5mm (3/16 inch) flat-
bladed screwdriver between the
control head and the control-head
seal, in either position or .
Insertion points and are
lever points and are indicated on
the radio chassis by a dot-dash-dot pattern (•–•).
2. Use the screwdriver to lift the control head off the chassis clip, then
repeat in the other position.
3. Unplug the control head loom from the radio body.
Installing the
Microphone
Capsule
1. Unscrew the two screws holding the adaptor flange to the control
head. The adaptor flange can now be separated from the control head.
2. Drill a 1mm diameter
hole in the concealed-
microphone cavity b,
in the position
indicated by the small
‘dimple’ c.
concealed microphone
(capsule, rubber seal & wires)
lever point
control-head seal
indication of
lever point
1
2
12
12
c
b

66 TMAA02-07 Concealed Microphone TM8100/TM8200 Accessories Manual
© Tait Electronics Limited August 2005
Important To maintain the IP54 protection class, great care must be
taken when installing the microphone capsule and seal d
into the concealed-microphone cavity.
3. Push the microphone capsule and
seal into the concealed-
microphone cavity.
4. On the control head PCB, solder
the negative wire to the
COV MIC- pad e
and the positive
concealed-microphone wire to the
COV MIC+ pad f.
Note The positive wire on the micro-
phone capsule is identified by a
red stripe.
5. Re-install adaptor flange onto the control head.
6. Plug the control head loom
onto the control
head connector .
7. Insert the bottom edge of the
control head onto the two clips
in the front of the radio
chassis , then snap
into place.
7.2 Radio Programming
When the concealed microphone is installed in a radio for use in emergency
situations, a field in the UI Preferences form, Audio tab of the programming
application may need to be selected.
■Emergency Mic: select Concealed.
Refer to the online help of the programming application for more information.
efd
2
1
2
1
2

TM8100/TM8200 Accessories Manual TMAA02-08 Keypad Microphone 67
© Tait Electronics Limited August 2005
8 TMAA02-08 Keypad Microphone
The TMAA02-08 keypad microphone plugs into the
microphone socket on the graphical-display radio control
head, and enables users to make calls to other radios, groups,
or to a PABX or PSTN. The types of call that you can make
depends on the way your radio has been programmed.
As well as the PTT key, there are twelve alphanumeric keys,
two scroll keys, and a left and right selection key on the keypad
microphone. The selection keys and scroll keys duplicate the
keys on the control head and the 12 alphanumeric keys on the
keypad microphone are used to dial call strings and enter text.
The microphone button operates a hookswitch, which is
closed when the microphone is connected to the microphone
clip, and open when the microphone is removed from the
microphone clip. The function of the hookswitch is
determined by the way the radio is programmed.
8.1 Operation
Dialling Characters If an incorrect character has been dialled, use the left selection key on either
the microphone keypad or control head to clear it and move
back one character.
Dialling Text
Messages When the keypad microphone is used to enter a text message, the
microphone keys have special functions. Use the key to toggle between
upper and lower case characters and use the left selection key to delete
a character from the display.
The alphanumeric keys to are used to enter letters, numbers and
punctuation. Repeated presses of these keys will give you the characters
shown in the table below.
PTT key
scroll keys
grommet
right selection keyleft selection key
alphanumeric
keys
Key Characters Key Characters
.,?!1 P QRS7
ABC2 T UV8
DEF 3 W XYZ9
GHI 4 space0
JKL5 *
MN O 6

68 TMAA02-08 Keypad Microphone TM8100/TM8200 Accessories Manual
© Tait Electronics Limited August 2005
8.2 Installation
Installing the
Microphone Important The keypad microphone grommet must be installed when-
ever the microphone is plugged into the microphone
socket. When installed, the grommet has two functions:
■to prevent damage to the microphone socket when
there is movement of the microphone cord, and
■to ensure that the control head is sealed against water,
dust and other environmental hazards.
1. Make sure the radio is turned off, then plug the keypad microphone
cord into the microphone socket on the radio control head.
Important The radio will only recognize the presence of the keypad
microphone when the radio is powered on, so that if the
microphone is plugged in after the radio has been powered
on, it will not recognize the keypad microphone. Also, if
the keypad microphone is plugged in on power up but is
later unplugged, then plugged back in, the radio will not
recognize it again until the next power cycle.
2. Slide the microphone grommet along the microphone cord and push
two adjacent corners of the grommet into the microphone
socket cavity.
3. Squeeze the grommet and push the remaining corners into position.
4. Check that the grommet is seated correctly in the cavity.
Installing the
Microphone Clip Install the microphone clip in the most convenient location for the radio
user. It must be within easy reach of the user, but in such a position that the
microphone PTT key cannot be inadvertently activated or jammed on.
Figure 8.1 Correct keypad microphone grommet seating
microphone
grommet
control head

TM8100/TM8200 Accessories Manual TMAA02-08 Keypad Microphone 69
© Tait Electronics Limited August 2005
8.3 Radio Programming
The radio does not need to be programmed to recognize the presence of a
keypad microphone, as this is automatically done when the radio is
powered on. However, there are a few related fields that should be
configured, as required, to enable the keypad microphone to be
used effectively.
Note Yo u must power-cycle the radio after replacing the keypad micro-
phone with a programming lead, in order to read or program
the radio.
Conventional Forms In conventional mode, there are check boxes labelled “Selcall Call Dialling”,
“DTMF Call Dialling” and “Phone Patch Call Dialling”. There is also an
option “Conventional Dialling Type” field, where you can program the
radio to dial labels or channels from the default display.
Refer to the online help of the programming application for more information
about these programming options.
MPT Trunked Forms In MPT trunked mode, there may be check boxes labelled “DTMF
Dialling”, “PABX Calls” and “PSTN Calls”. These check boxes need to be
selected before you can make these types of calls.
Refer to the online help of the programming application for more information
about these programming options.
8.4 Interface Specification
The following table and diagram summarizes the signals used for the keypad
microphone on the radio’s microphone connector and shows the interface
between the keypad microphone and the radio.
Table 8.1 Keypad microphone connector—pins and signals
Pin Signal Colour Description
1RX audio—not connected
2 13.8V black power supply
3 TXD green transmit serial data
4 PTT white PTT and hookswitch
5 MIC blue audio from the microphone
6 GND red ground
7 RXD yellow receive serial data
8IO —not connected
70 TMAA02-08 Keypad Microphone TM8100/TM8200 Accessories Manual
© Tait Electronics Limited August 2005

TM8100/TM8200 Accessories Manual TMAA03-02 Security Bracket 71
© Tait Electronics Limited August 2005
9 TMAA03-02 Security Bracket
The TMAA03-02 security bracket can be used in place of the standard
U-bracket in locations where you want to stop opportunistic removal of the
radio by a third party, or where you want to have a quick release setup that
allows you to swap over radios (e.g. leasing situation). The security bracket
also provides electrical isolation to the radio.
The parts of the TMAA03-02 security bracket are illustrated in Figure 9.1.
Figure 9.1 Parts of the TMAA03-02 security bracket
Description Quantity
Bsecurity bracket cradle base 1 Eshort mounting rails for TM8100 2
Cslide locks 1 left
1 right
screws (M4x25 T/T P/T ContiR) -
for attaching short mounting rails
to TM8100 radio (not pictured)
4
Dslide lock key 2 Ftall mounting rails for TM8200 2
self-tapping screws (10Gx20 hex/
poz) - for fixing security bracket in
place (not pictured)
4 screws (M4x30 T/T P/T ContiR) -
for attaching tall mounting rails to
TM8200 (not pictured)
4
anti-vibration washers for self-
tapping screws (not pictured)
4
Note: B and C are pre-assembled
B
D
Mounting rails (see E and F)
C
F
E

72 TMAA03-02 Security Bracket TM8100/TM8200 Accessories Manual
© Tait Electronics Limited August 2005
9.1 Installing the Security Bracket and Radio
9.2 Installation Planning
Before installing the security bracket, make sure that the site you have
chosen for the installation meets the following criteria:
1. The site has enough height for the radio to be easily installed
and removed.
The measurements given at the bottom of Figure 9.1 are the heights
of the radios and base only. Allow extra space for manipulation.
Note You will need more space if you are installing a TM8200 radio.
2. The site has enough depth for the radio.
Check that the front and rear overhang of the radios will fit where you
are mounting the security bracket.
3. The site allows for good air circulation, particularly at the rear of
the radio.
Installation
Procedure Important The security bracket must be securely installed. Otherwise
there is a risk that the whole assembly of the radio and secu-
rity bracket may become loose over time, or as a result of
serious impact.
Note Because some model control heads are taller than others, each
security bracket kit comes with two different heights of mounting
rail and mounting screws, depending on the radio type you
are installing.
Once you have identified a suitable site for the security bracket and radio,
installation is as follows:
1. Use the four self-tapping screws and washers to fix the security bracket
base in place. The base actually has five screw holes available, but the
centre screw hole does not need to be used. The layout and dimen-
sions of the five screw holes is identical to that of the T2000 cradle.
2. Depending on whether you are installing a TM8100 or TM8200
radio, select the correct height mounting rails and screws, and attach
a rail to each side of the bottom of the radio body (two screws per rail,
minimum torque 20in.lbf [2.26N.m]).
3. To insert the radio, with the mounting rails attached, into the security
bracket base, check that the left and right slide locks are open.

TM8100/TM8200 Accessories Manual TMAA03-02 Security Bracket 73
© Tait Electronics Limited August 2005
4. If the slide locks are closed, open them by inserting the slide lock key
into the keyhole. Rotate the key 90° (it will slip into a detent),
and pull.
Two slide lock keys are supplied so that you can either use them both
at once, or so that you can keep one as a spare.
5. Place the radio over the security bracket base so that the feet of the
mounting rails fit securely into the base.
6. Close the slide locks by pressing them into the base. You should hear
an audible click as the internal spring lock mechanism engages.
Warning!! For continued safe operation, replace and do
not re-use Security Bracket once it has been
involved in a crash greater than 50km/h.
9.3 Removing a Radio from the Security Bracket
Remove the radio from the security bracket as follows:
1. Open the slide locks by inserting the slide lock key into the keyhole.
Rotate the key 90° (it will slip into a detent), and pull. The pull will
be need to be quite firm to open each slide lock.
2. Remove the radio and its mounting rails by lifting it up and out of
the security bracket base.
3. If required, remove the mounting rails from the radio body base by
unscrewing them.
9.4 Replacing the Radio in the Security Bracket
To replace the radio in a security bracket, first follow the steps in
“Removing a Radio from the Security Bracket” on page 73, and then
follow from step 2 in “Installing the Security Bracket and Radio” on
page 72.
9.5 Disassembling the Security Bracket
Disassemble the security bracket as follows:
1. Remove the radio from the security bracket by following the steps in
“Removing a Radio from the Security Bracket” on page 73.
2. Unscrew the four self-tapping screws holding the security bracket
base in place.

74 TMAA03-02 Security Bracket TM8100/TM8200 Accessories Manual
© Tait Electronics Limited August 2005
9.6 Re-Ordering Extra Parts
The following parts can be re-ordered separately in case of loss, or in
situations where, for example, one security bracket is installed where several
different radios may be installed at different times.
Part Part Number Quantity
Security Crdl Key TM8
(slide lock key)
319-60004-XXa
a. Contact Technical Support for the exact IPN.
2
Security Crdl Mtg Short TM8
(short mounting rails for TM8100)
319-60002-XXa2
Scrw M4*25 T/T P/T ContiR
(for attaching short mounting rails to TM8100 radio)
349-02063-XXa4
Security Crdl Mtg Tall TM8
(tall mounting rails for TM8200)
319-60003-XXa2
Scrw M4*30 T/T P/T ContiR
(for attaching tall mounting rails to TM8200 radio)
349-02068-XXa4

TM8100/TM8200 Accessories Manual Installing a Remote Kit 75
© Tait Electronics Limited August 2005
10 Installing a Remote Kit
A TMAA03-16 remote kit can be used to install the control head of a graphical-
display radio remotely from the radio body. The diagram below shows the parts
used for this installation.
Note Although the torso interface is similar in appearance to the dual-
RJ45 on the telemetry radio, the control head on the telemetry
radio cannot be used for remote installation.
Note The interfaces in the TMAA03-16 single-head remote kit appear
similar to the TMAA03-03, TMAC34-0T or TMAC34-1T.
However, the interfaces in the TMAA03-16 are not compatible
with TMAA03-03, TMAC34-0T or TMAC34-1T
control-head interfaces.
10.1 Installation
Warning!! Mount the remote U-bracket with the remote
control-head assembly and the U-bracket with
the radio body securely. These units must not
break loose in the event of a collision. Unse-
cured radio units are dangerous to the
vehicle occupants.
Caution Observe the installation warnings and safety regula-
tions in the installation procedures of the radio.
Important This equipment contains devices which are susceptible to
damage from static discharges. Refer to “ESD Precautions”
on page 11 for more information.
Note Torx T10 and T20 screwdrivers are required for most of the screws
in this installation.
The circled numbers in the following sections refer to the items in Figure 10.1
on page 76.
remote U-bracket
control-head interface
remote cable torso interface

76 Installing a Remote Kit TM8100/TM8200 Accessories Manual
© Tait Electronics Limited August 2005
10.1.1 Overview
Installing the control head remotely is done in six steps:
1. Remove the control head from the radio body, if necessary.
2. Install the torso interface b onto the radio body.
3. Mount the remote U-bracket d in the required position.
4. Install the control-head interface c onto the control head and install
the remote control-head assembly in the remote U-bracket.
5. Mount the U-bracket in the required position and install the radio
body in the U-bracket.
6. Route the remote cable e between the remote control-head
assembly and the radio body.
10.1.2 Parts Required
The following diagram identifies the parts for remote control-
head installation and shows how they fit together.
Figure 10.1 Parts for remote control-head installation
btorso interface hRJ45 bung
ccontrol-head interface icontrol-head interface loom
dremote U-bracket jtorso-interface loom
eremote cable 1) earthing tag
fself-drilling screw 1! earthing-tag screw
gthumb screw 1@ remote cable grommets
c
b
f
g
d
e
i
1)
j
1!
1@
h

TM8100/TM8200 Accessories Manual Installing a Remote Kit 77
© Tait Electronics Limited August 2005
10.1.3 Removing the Control Head from the Radio Body (if necessary)
Caution During this procedure, take care that the control-
head seal is not damaged. Damage to this seal
reduces environmental protection.
1. On the underside of the radio,
insert a 5mm (3/16 inch) flat-
bladed screwdriver between the
control head and the control-head
seal, in the positions shown.
Insertion points and are lever
points and are indicated on the
radio chassis by a dot-dash-dot pattern (•–•).
2. Use the screwdriver to lift the control head off the chassis clip, then
repeat in the other position.
3. Unplug the control-head loom from the radio body.
The control head is now separate from the radio body.
10.1.4 Installing the Torso Interface
The torso interface must be installed onto the radio body, in place of the
existing control head.
1. Screw the solder tag 1) onto one of the screw bosses on the
radio chassis.
2. Plug the torso-interface loom j
onto the control-head connector.
3. Insert the bottom edge of the
torso interface b onto the two
clips in the front of the radio
chassis, then snap into place.
4. Remove the bung h covering
the outer RJ45 connector. The
remote cable e will plug into this
connector once the installation is complete.
Important The inner RJ45 cavity is not used and has no connector
installed so the RJ45-cavity bung must be installed at
all times.
This ensures that the torso interface is sealed against water,
dust and other environmental hazards.
lever point
control-head seal
indication of
lever point
j
1)
b
h

78 Installing a Remote Kit TM8100/TM8200 Accessories Manual
© Tait Electronics Limited August 2005
10.1.5 Mounting the Remote U-Bracket
The remote U-bracket with its self-drilling screws, is used to install the remote
control-head assembly on the dashboard or on any sufficiently flat surface.
Caution When drilling holes in the vehicle, check that drilling
at the selected points will not damage existing wiring.
Important Check that the remote U-bracket is not distorted when the
screws are tightened.
1. Drill any holes required for cables and install suitable grommets or
bushings in the holes.
2. If precise positioning is required, predrill 3mm (1/8 inch) pilot
holes for the self-drilling screws. Reduce the hole size in metal that
is less than 1mm (1/32 inch) thick.
3. Screw the remote U-bracket in the chosen mounting position using the
self-drilling screws provided. Use all four screws provided.
10.1.6 Installing the Control-Head Interface
With the control head separated from the radio body, the control-head
interface c must be installed on the rear of the control head.
1. Undo the two Torx T-20 screws
on the adaptor flange of the
control head, and remove the
adaptor flange.
2. Unplug the control-head loom.
The adaptor flange and control-
head loom are not used for the
remote control-head installation.
Keep the two screws for step (4).
3. Plug the control-head interface
loom i into the connector on
the control head.
Important When fitting the control-head interface to the control-
head, be careful not to damage the space-frame seal.
4. Use the two screws from step (2) to fit the control-head interface to
the control head through the two screw holes at the rear of the
control-head interface.
adaptor flange
control head loom
control head
space-frame seal

TM8100/TM8200 Accessories Manual Installing a Remote Kit 79
© Tait Electronics Limited August 2005
Installing the
Remote Control-
Head Assembly in
the Remote
U-Bracket
1. Position the control-head assembly in the remote U-bracket and
position it for a good viewing angle.
Note Adjusting the contrast on the control-head display may also
improve its readability.
2. Screw the remote control-head assembly into position using the two
thumb screws provided.
10.1.7 Mounting the U-Bracket and Installing the Radio Body
Mounting the
U-Bracket Install the U-bracket on any sufficiently flat surface, using self-drilling screws
and washers.
Caution When drilling holes in the vehicle, check that drilling
at the selected points will not damage existing wiring,
petrol tanks, fuel lines, brake pipes or battery cables.
Important When mounting the U-bracket, check whether the
mounting surface needs to be reinforced.
Important Install the U-bracket using at least four screws.
1. If the U-bracket is being mounted over a curved surface, bend the
U-bracket tabs slightly, to match the surface shape.
2. Drill any holes required for cables and install suitable grommets or
bushings in the holes.
Important Check that the U-bracket is not distorted when the screws
are tightened.
3. If precise positioning is required, predrill 3mm (1/8 inch) pilot
holes for the self-drilling screws. Reduce the hole size in metal that
is less than 1mm (1/32 inch) thick.
4. Screw the U-bracket in the chosen mounting position using the self-
drilling screws washers.
Installing the Radio
Body in the
U-Bracket
1. Connect the antenna and power cables to the rear of the radio.
2. Position the radio body in the U-bracket so that the holes in the
U-bracket line up with the holes in the radio chassis.
3. Screw the radio into position using the four thumb screws.

80 Installing a Remote Kit TM8100/TM8200 Accessories Manual
© Tait Electronics Limited August 2005
10.1.8 Connecting the Remote Cable
Caution When drilling holes in the vehicle, check that drilling
at the selected points will not damage existing wiring,
petrol tanks, fuel lines, brake pipes or battery cables.
1. Drill any holes required for cables and install suitable grommets or
bushings in the holes.
2. Plug one end of the remote cable into the control-head interface.
3. Run the remote cable to the torso interface and plug it into the
RJ45 connector without a bung.
Installing the
Remote-Cable
Grommets
Install both the remote cable grommets, using the following procedure.
Important The remote cable grommets must be installed whenever the
remote cable is plugged into the RJ45 sockets. When
installed, the grommets have two functions:
■to prevent damage to the RJ45 sockets when there is
movement of the remote cable, and
■
to ensure that the radio and remote control-head assembly
is sealed against water, dust and other environmental
hazards.
1. Slide the grommet along the remote cable and push two adjacent
corners of the grommet into the RJ45 socket cavity.
2. Squeeze the grommet and push the remaining corners into position.
3. Check that the grommet is seated correctly in the cavity.
Figure 10.2 Correct remote cable grommet seating
microphone
grommet
control head

TM8100/TM8200 Accessories Manual Installing a Remote Kit 81
© Tait Electronics Limited August 2005
10.2 Circuit Description
Figure 10.3 shows a block diagram of the remote control-head installation.
The control heads contain circuit boards with RS-485 driver components
and an audio amplifier or attenuator.
Figure 10.3 Block diagram of remote control-head installation

82 Installing a Remote Kit TM8100/TM8200 Accessories Manual
© Tait Electronics Limited August 2005
10.3 Servicing the Remote Kit Parts
10.3.1 Disassembling the Torso Interface
Disassemble only as much as is necessary to replace the defective parts.
Re-assembly is carried out in reverse order of disassembly.
1. Remove the remote cable from the RJ45 connector.
2. Release the clips of the PCB bracket E and remove the control-
head board B.
3. Disconnect the torso-interface loom C.
4. Unscrew the four PT type screws D and remove the PCB bracket E.
Figure 10.4 Parts of the torso interface
Description IPN
Bcontrol-head board
Ctorso-interface loom 219-02882-00
D3 x 8 PT screw (x4) 346-10030-XXa
EPCB bracket 302-10063-XXa
Ffront panel 316-06843-XXa
Glabel 365-01751-XXa
HRJ45 bung 302-50002-XXa
a Contact Technical Support for the exact IPN.
B
D
F
x4
C
G
H
E

TM8100/TM8200 Accessories Manual Installing a Remote Kit 83
© Tait Electronics Limited August 2005
10.3.2 Disassembling the Control-Head Interface
Disassemble only as much as necessary to replace the defective parts or to
swap the Micromatch connector loom. Re-assembly is carried out in reverse
order of disassembly.
1. Remove the remote cable from the RJ45 connector.
2. Unscrew the seven PT type screws B and remove the PCB C.
3. Remove the control-head interface loom (not illustrated).
Figure 10.5 Parts of the control-head interface
Description IPN
B3 x 8 PT screw (x5) 346-10030-XXa
Ccontrol-head interface PCB
Dcontrol-head interface 316-06842-XXa
control-head interface loom219-02914-00
a Contact Technical Support for the exact IPN.
D
x5
B
C

Ref. IPN Description Ref. IPN Description
84 Installing a Remote Kit TM8100/TM8200 Accessories Manual
© Tait Electronics Limited August 2005
C101 015-06470-01 Cap Cer 1206 470n X7r 20% 50v
C102 018-16100-00 Cap 0603 100n 16v x7r + - 10%
C103 015-07220-08 Cap Cer 1206 2u2 16v X7r
C104 015-07220-08 Cap Cer 1206 2u2 16v X7r
C105 015-26220-18 CAP CER 0805 220N 10% X7R 50V
C106 018-14470-00 Cap 0603 4n7 50v X7r±10%
C107 015-23270-05 Cap 0805 270p 1% 200v Grm40
C108 015-23270-05 Cap 0805 270p 1% 200v Grm40
C109 018-14470-00 Cap 0603 4n7 50v X7r±10%
C110 015-23270-05 Cap 0805 270p 1% 200v Grm40
C111 015-23270-05 Cap 0805 270p 1% 200v Grm40
C112 015-07220-08 Cap Cer 1206 2u2 16v X7r
C113 018-14470-00 Cap 0603 4n7 50v X7r±10%
C114 018-16100-00 Cap 0603 100n 16v x7r + - 10%
C115 018-16100-00 Cap 0603 100n 16v x7r + - 10%
C116 015-07220-08 Cap Cer 1206 2u2 16v X7r
C117 015-07470-20 CAP Cer 1206 4u7 10% 25V X7R
D101 001-10000-99 Diode SMD BAV99 D-Sw SOT23
D102 001-10000-99 Diode SMD BAV99 D-Sw SOT23
D103 001-10153-00 Diode SMD SM15T30a TranSIl Smc
D104 001-00010-47 Diode 1SMA5923 8v2 1.5w Zen
D105 001-10000-99 Diode SMD BAV99 D-Sw SOT23
D106 001-10000-99 Diode SMD BAV99 D-Sw SOT23
D107 001-10084-33 Diode SMD BZX84C3V3 Zen SOT23
E101 057-10020-02 Ind 0603 BlM18pg300 Emi Supr
E102 057-10020-02 Ind 0603 BlM18pg300 Emi Supr
E103 057-10600-05 Ind 0603 Blm11p600s .5a F/Bead
E104 057-10600-05 Ind 0603 Blm11p600s .5a F/Bead
E105 057-10020-02 Ind 0603 BlM18pg300 Emi Supr
E106 057-10020-02 Ind 0603 BlM18pg300 Emi Supr
E107 057-10020-02 Ind 0603 BlM18pg300 Emi Supr
E108 057-10600-05 Ind 0603 Blm11p600s .5a F/Bead
E109 057-10600-05 Ind 0603 Blm11p600s .5a F/Bead
F101 265-10150-00 Fuse SMD 1A 50V 0805 UL Cert
J100 240-00016-00 Conn RJ45 Shld 8P8C LP RA TH
J101 240-10000-11 Conn SMD 18w Skt M/Match
Q101 000-10084-73 Xstr BC847BPNNPN/PNP SOT363
R101 038-10000-00 Res 0603 Zero 0hm 1/16w ± 5%
R102 036-03100-10 Res 2512 100R 5% 1W
R103 036-03100-10 Res 2512 100R 5% 1W
R104 038-13100-10 Res 0603 100R 1/10w 1%
R105 038-15100-10 Res 0603 10k 1/10w 1%
R106 038-14220-00 Res 0603 2k2 1/10w 5%
R107 038-15100-10 Res 0603 10k 1/10w 1%
R108 038-13560-10 Res 0603 560R 1/10w 1%
R109 038-13100-10 Res 0603 100R 1/10w 1%
R110 036-02270-10 Res 1206 27.0e 1%
R111 036-02270-10 Res 1206 27.0e 1%
R112 038-13100-10 Res 0603 100R 1/10w 1%
R113 038-12100-10 Res 0603 10e 1%
R114 038-15100-10 Res 0603 10k 1/10w 1%
R115 038-16150-10 Res 0603 150k 1%
R116 038-16330-10 Res 0603 330k 1/10w 1%
R117 038-14270-00 Res 0603 2k7 1/10w 5%
R118 038-13560-10 Res 0603 560R 1/10w 1%
R119 038-16100-10 Res 0603 100k 1/10w 1%
R120 038-14220-00 Res 0603 2k2 1/10w 5%
R121 038-13560-10 Res 0603 560R 1/10w 1%
R122 038-13390-10 Res 0603 390R 1/10w 1%
R123 038-16100-10 Res 0603 100k 1/10w 1%
U101 002-10078-00 IC SMD MC78M05CDT5v Reg0.5a
U102 002-10014-85 IC ADM1485 RS485 Transc S08
220-02122-02 PCB MFx Single Rmt Head I/F
Mechanical Parts for the Control-Head Interface and
the Torso Interface
219-02882-00 Loom Control Head TMA
219-02914-00 Loom MFX Remote Head
219-02918-00 Cbl Rmt Ctrl Hd Kit
302-10062-00 Brkt Remote Head TM8200
302-10063-00 Brkt PCB Remote TM8200 Body
316-06842-00 Pnl Rear TM8200 MF2
316-06843-00 Pnl Frt Remote TM8200 MF0
349-02062-00 Scrw M3*8 T/T P/T ContiR
402-00020-00 F/Inst TMAA03-16 Sngl Hd Rmt
302-05263-00 Brkt U Thumb Scrw TMA
302-50002-00 Bung RJ45 MFO
353-05007-00 Wshr Rubber M4*19*1.0 S/A
354-01052-00 Fsnr Bush PSM SHK-B-M4 Ins
349-00060-00 Scrw 10GX20 SLFDRL Hex/Poz TMA
Remote Cable Parts
219-02918-00 Cbl Rmt Ctrl Hd Kit, comprising:
240-02158-00 Conn Shld RJ45 Shortbody Plg
360-02022-00 Grommet Mic TMA
10.4 PCB Information
10.4.1 Control-Head Interface (PCB IPN 220-02122-02)
Parts List

TM8100/TM8200 Accessories Manual Installing a Remote Kit 85
© Tait Electronics Limited August 2005
Ref. PCB Circuit Ref. PCB Circuit Ref. PCB Circuit
C101 F3 1D2
C102 F2 1D3
C103 K1 1D5
C104 F4 1E3
C105 E4 1D3
C106 G1 1C4
C107 F1 1C2
C108 G1 1C3
C109 E4 1C3
C110 F4 1B2
C111 F4 1B2
C112 M3 1E5
C113 M3 1D5
C114 M3 1E6
C115 M3 1D6
C116 M4 1D6
C117 M4 1D6
D101 J2 1C4 1C5
D102 J1 1C4
D103 G4 1E2
D104 J4 1E3
D105 F4 1D4 1D3
D106 D4 1B2
D107 M4 1D7
E101 F3 1B2
E102 F4 1B3
E103 G1 1C3
E104 G1 1C3
E105 K3 1D1
E106 D3 1D1
E107 E4 1D2
E108 E4 1C2
E109 K1 1D5
F101 F3 1D2
J100 E4 1C1
J101 L2 1C7
MT100 A3 1E1
MT101 J3 1E1
Q101 M2 1E5
R101 K3 1D1
R102 G4 1E3
R103 G4 1E3
R104 D4 1B3
R105 K1 1B6
R106 K2 1C5
R107 K2 1B5
R108 M2 1B6
R109 E4 1D3
R110 G2 1C4
R111 G1 1C4
R112 G1 1C4
R113 M2 1E4
R114 M3 1E5
R115 M3 1E6
R116 M3 1E6
R117 M2 1D5
R118 M3 1D5
R119 M3 1D6
R120 M3 1D6
R121 M4 1E7
R122 L4 1D6
R123 K2 1B6
U101 G3 1D3
U102 K1 1C5
Grid Reference List

86 Installing a Remote Kit TM8100/TM8200 Accessories Manual
© Tait Electronics Limited August 2005
Board Layout
IPN 220-02122-02

TM8100/TM8200 Accessories Manual Installing a Remote Kit 87
© Tait Electronics Limited August 2005
Circuit Diagram

Ref. IPN Description Ref. IPN Description
Ref. PCB Circuit Ref. PCB Circuit Ref. PCB Circuit
88 Installing a Remote Kit TM8100/TM8200 Accessories Manual
© Tait Electronics Limited August 2005
C1 015-06470-01 Cap Cer 1206 470n X7r 20% 50v
C2 018-14470-00 Cap 0603 4n7 50v X7r±10%
C3 015-07220-08 Cap Cer 1206 2u2 16v X7r
C4 018-13470-00 Cap 0603 470p 50v X7r±10%
C5 018-13470-00 Cap 0603 470p 50v X7r±10%
C6 018-14470-00 Cap 0603 4n7 50v X7r±10%
C7 015-23270-05 Cap 0805 270p 1% 200v Grm40
C8 015-23270-05 Cap 0805 270p 1% 200v Grm40
C9 018-15330-00 Cap 0603 33n 50v X7r10%
C10 015-23270-05 Cap 0805 270p 1% 200v Grm40
C11 015-23270-05 Cap 0805 270p 1% 200v Grm40
D1 001-10000-99 Diode SMD BAV99 D-Sw SOT23
DS1 008-00014-74 LED Hp Red Rang PCB Mtg
D2 001-10000-99 Diode SMD BAV99 D-Sw SOT23
D3 001-10000-99 Diode SMD BAV99 D-Sw SOT23
E1 057-10600-05 Ind 0603 Blm11p600s .5a F/Bead
E2 057-10600-05 Ind 0603 Blm11p600s .5a F/Bead
E3 057-10600-05 Ind 0603 Blm11p600s .5a F/Bead
E4 057-10600-05 Ind 0603 Blm11p600s .5a F/Bead
E5 057-10020-02 Ind 0603 BlM18pg300 Emi Supr
J1 240-10000-11 Conn SMD 18w Skt M/Match
J3 240-00016-00 Conn RJ45 Shld 8P8C LP RA TH
Q1 000-10561-60 XSTR BCX56-16 AF NPN SOT89
R1 038-13100-10 Res 0603 100R 1/10w 1%
R3 038-15100-10 Res 0603 10k 1/10w 1%
R4 038-13100-10 Res 0603 100R 1/10w 1%
R5 038-16100-10 Res 0603 100k 1/10w 1%
R6 038-14220-00 Res 0603 2k2 1/10w 5%
R7 038-15100-10 Res 0603 10k 1/10w 1%
R8 038-13560-10 Res 0603 560R 1/10w 1%
R9 038-13560-10 Res 0603 560R 1/10w 1%
R10 036-02270-10 Res 1206 27.0e 1%
R11 036-02270-10 Res 1206 27.0e 1%
R12 038-13120-00 Res 0603 120R 1/10w 5%
R13 038-16100-10 Res 0603 100k 1/10w 1%
R14 036-05100-01 Res M/F 1206 10k 5%
U1 002-10078-00 IC SMD MC78M05CDT5v Reg0.5a
U2 002-10014-85 IC ADM1485 RS485 Transc S08
220-02123-01 PCB Single Rmt Radio I/F
10.4.2 RJ-45 Control Head (PCB IPN 220-02123-01)
Parts List
Grid Reference List
C1 F2 1B1
C10 M2 1B6
C11 M2 1B7
C2 H2 1D3
C3 J1 1D4
C4 J2 1D5
C5 L2 1D5
C6 L2 1C6
C7 M2 1C6
C8 M2 1C6
C9 N2 1C6
D1 K2 1C4 1D4
D2 K1 1C5 1D5
D3 L2 1D6 1E6
DS1 F2 1B1
E1 L2 1C5
E2 M2 1B6
E3 M2 1D6
E4 L2 1C6
E5 N2 1D6
J1 H2 1D1
J3 N2 1C7
MT1 R2 1B4
Q1 F2 1B1
R1 F2 1B1
R10 L2 1D5
R11 L2 1C5
R12 L2 1C5
R13 L2 1D5
R14 M2 1E6
R2 H2 1D2
R3 G2 1D3
R4 H2 1D3
R5 K2 1D3
R6 J2 1D4
R7 J2 1D4
R8 K1 1D5
R9 L2 1C5
TP2 M1 1B4
U1 D2 1B2
U2 K1 1C4

TM8100/TM8200 Accessories Manual Installing a Remote Kit 89
© Tait Electronics Limited August 2005
Board Layout
IPN 220-02123-01

90 Installing a Remote Kit TM8100/TM8200 Accessories Manual
© Tait Electronics Limited August 2005
Circuit Diagram

TM8100/TM8200 Accessories Manual Installing an Enhanced Remote Kit 91
© Tait Electronics Limited August 2005
11 Installing an Enhanced Remote Kit
The control head of a graphical-display radio can be installed remotely from
the radio body. The diagram below shows the parts used for this installation.
Note Although the torso interface is similar in appearance to the dual-
RJ45 on the telemetry radio, the control head on the telemetry
radio cannot be used for remote installation.
11.1 Installation
Warning!! Mount the remote U-bracket with the remote
control-head assembly and the U-bracket with
the radio body securely. These units must not
break loose in the event of a collision. Unse-
cured radio units are dangerous to the
vehicle occupants.
Caution Observe the installation warnings and safety regula-
tions in the installation procedures of the radio.
Important This equipment contains devices which are susceptible to
damage from static discharges. Refer to “ESD Precautions”
on page 11 for more information.
Note Torx T10 and T20 screwdrivers are required for most of the screws
in this installation.
The circled numbers in the following sections refer to the items in Figure 11.1
on page 92.
TMAA03-03 remote
control-head back
(includes remote U-bracket)
TMAA04-01 remote cable
TMAC34-0T (TM8200) or
TMAC34-1T(TM9100)
torso interface
remote U-bracket
control-head interface

92 Installing an Enhanced Remote Kit TM8100/TM8200 Accessories Manual
© Tait Electronics Limited August 2005
11.1.1 Overview
Installing the control head remotely is done in six steps:
1. Remove the control head from the radio body, if necessary.
2. Install the torso interface b onto the radio body.
3. Mount the remote U-bracket d in the required position.
4. Install the control-head interface c onto the control head and install
the remote control-head assembly in the remote U-bracket.
5. Mount the U-bracket in the required position and install the radio
body in the U-bracket.
6. Route the remote cable e between the remote control-head
assembly and the radio body.
11.1.2 Parts Required
The following diagram identifies the parts for remote control-
head installation and shows how they fit together.
Figure 11.1 Parts for remote control-head installation
btorso interface hRJ45 bung
ccontrol-head interface icontrol-head interface loom
dremote U-bracket jtorso-interface loom
eremote cable 1) earthing tag
fself-drilling screw 1! earthing-tag screw
gthumb screw 1@ remote cable grommets
c
b
f
g
d
e
h
i
1)
j
1!
1@

TM8100/TM8200 Accessories Manual Installing an Enhanced Remote Kit 93
© Tait Electronics Limited August 2005
11.1.3 Removing the Control Head from the Radio Body (if necessary)
Caution During this procedure, take care that the control-
head seal is not damaged. Damage to this seal
reduces environmental protection.
1. On the underside of the radio,
insert a 5mm (3/16 inch) flat-
bladed screwdriver between the
control head and the control-head
seal, in the positions shown.
Insertion points and are lever
points and are indicated on the
radio chassis by a dot-dash-dot pattern (•–•).
2. Use the screwdriver to lift the control head off the chassis clip, then
repeat in the other position.
3. Unplug the control-head loom from the radio body.
The control head is now separate from the radio body.
11.1.4 Installing the Torso Interface
The torso interface must be installed onto the radio body, in place of the
control head.
1. Screw the solder tag 1) onto one of the screw bosses on the
radio chassis.
2. Plug the torso-interface loom j
onto the control-head connector.
3. Insert the bottom edge of the
remote control head b onto the
two clips in the front of the radio
chassis, then snap into place.
4. Remove one of the bungs h
covering the RJ45 connectors.
The remote cable e will plug
into this connector once the installation is complete.
If the remote cable is not installed in the RJ45 cavity, then
the RJ45 bung must be installed. This ensures that the torso
interface is sealed against water, dust and other
environmental hazards.
lever point
control-head seal
indication of
lever point
j
1)
b
h

94 Installing an Enhanced Remote Kit TM8100/TM8200 Accessories Manual
© Tait Electronics Limited August 2005
11.1.5 Mounting the Remote U-Bracket
The remote U-bracket with its self-drilling screws, is used to install the remote
control-head assembly on the dashboard or on any sufficiently flat surface.
Caution When drilling holes in the vehicle, check that drilling
at the selected points will not damage existing wiring.
Important Check that the remote U-bracket is not distorted when the
screws are tightened.
1. Drill any holes required for cables and install suitable grommets or
bushings in the holes.
2. If precise positioning is required, predrill 3mm (1/8 inch) pilot
holes for the self-drilling screws. Reduce the hole size in metal that
is less than 1mm (1/32 inch) thick.
3. Screw the remote U-bracket in the chosen mounting position using the
self-drilling screws provided. Use all four screws provided.
11.1.6 Installing the Control-Head Interface
With the control head separated from the radio body, the control-head
interface c must be installed on the rear of the control head.
1. Undo the two Torx T-20 screws
on the adaptor flange of the
control head, and remove the
adaptor flange.
2. Unplug the control-head loom.
The adaptor flange and control-
head loom are not used for the
remote control-head installation.
Keep the two screws for step (4).
3. Plug the control-head interface
loom i into the connector on
the control head.
Important When fitting the control-head interface to the control-
head, be careful not to damage the space-frame seal.
4. Use the two screws from step (2) to fit the control-head interface to
the control head through the two screw holes at the rear of the
control-head interface.
Changing the
Remote U-Bracket
Orientation
The control-head interface is configured for installation with the RJ45
socket facing downwards (U-bracket below control head, as in Figure 11.1).
If the RJ45 socket is required to face upwards (control head hanging from
adaptor flange
control head loom
control head
space-frame seal

TM8100/TM8200 Accessories Manual Installing an Enhanced Remote Kit 95
© Tait Electronics Limited August 2005
U-bracket), the control-head interface loom i must be moved, so that it
can reach the control head connector.
To move the control-head interface loom:
1. Undo the seven Torx T-10 screws on the control-head board, and
remove the control-head interface board from the
control-head interface.
2. Change the control-head interface loom i to the
opposite connector.
3. Reinstall the control-head interface board.
Installing the
Remote Control-
Head Assembly in
the Remote
U-Bracket
1. Position the control-head assembly in the remote U-bracket and
position it for a good viewing angle.
Note Adjusting the contrast on the control-head display may also
improve its readability.
2. Screw the remote control-head assembly into position using the two
thumb screws provided.
11.1.7 Mounting the U-Bracket and Installing the Radio Body
Mounting the
U-Bracket Install the U-bracket on any sufficiently flat surface, using self-drilling screws
and washers.
Caution When drilling holes in the vehicle, check that drilling
at the selected points will not damage existing wiring,
petrol tanks, fuel lines, brake pipes or battery cables.
Important When mounting the U-bracket, check whether the
mounting surface needs to be reinforced.
Important Install the U-bracket using at least four screws.
1. If the U-bracket is being mounted over a curved surface, bend the
U-bracket tabs slightly, to match the surface shape.
2. Drill any holes required for cables and install suitable grommets or
bushings in the holes.
Important Check that the U-bracket is not distorted when the screws
are tightened.
3. If precise positioning is required, predrill 3mm (1/8 inch) pilot
holes for the self-drilling screws. Reduce the hole size in metal that
is less than 1mm (1/32 inch) thick.

96 Installing an Enhanced Remote Kit TM8100/TM8200 Accessories Manual
© Tait Electronics Limited August 2005
4. Screw the U-bracket in the chosen mounting position using the self-
drilling screws washers.
Installing the Radio
Body in the
U-Bracket
1. Connect the antenna and power cables to the rear of the radio.
2. Position the radio body in the U-bracket so that the holes in the
U-bracket line up with the holes in the radio chassis.
3. Screw the radio into position using the four thumb screws.
11.1.8 Connecting the Remote Cable
Caution When drilling holes in the vehicle, check that drilling
at the selected points will not damage existing wiring,
petrol tanks, fuel lines, brake pipes or battery cables.
1. Drill any holes required for cables and install suitable grommets or
bushings in the holes.
2. Plug one end of the remote cable into the control-head interface.
3. Run the remote cable to the torso interface and plug it into the
RJ45 connector without a bung.
Installing the
Remote-Cable
Grommets
Install both the remote cable grommets, using the following procedure.
Important The remote cable grommets must be installed whenever the
remote cable is plugged into the RJ45 sockets. When
installed, the grommets have two functions:
■to prevent damage to the RJ45 sockets when there is
movement of the remote cable, and
■
to ensure that the radio and remote control-head assembly
is sealed against water, dust and other environmental
hazards.
1. Slide the grommet along the remote cable and push two adjacent
corners of the grommet into the RJ45 socket cavity.
2. Squeeze the grommet and push the remaining corners into position.
3. Check that the grommet is seated correctly in the cavity.
Figure 11.2 Correct remote cable grommet seating
microphone
grommet
control head

TM8100/TM8200 Accessories Manual Installing an Enhanced Remote Kit 97
© Tait Electronics Limited August 2005
11.2 Circuit Description
Figure 11.3 shows a block diagram of the remote control-head installation.
Both control heads contain a circuit board with audio amplifiers and RS-
485 driver components.
Figure 11.3 Block diagram of remote control-head installation

98 Installing an Enhanced Remote Kit TM8100/TM8200 Accessories Manual
© Tait Electronics Limited August 2005
11.3 Servicing the Remote Control-Head Installation Parts
11.3.1 Disassembling the Torso Interface
Disassemble only as much as is necessary to replace the defective parts.
Re-assembly is carried out in reverse order of disassembly.
1. Release the clip of the PCB bracket E and remove the control-
head board B.
2. Disconnect the torso-interface loom C.
3. Unscrew the four PT type screws D and remove the PCB bracket E.
Figure 11.4 Parts of the torso interface
Description IPN
Bcontrol-head board
Ctorso-interface loom 219-02882-XXa
D3 x 8 PT screw (x4) 346-10030-XXa
EPCB bracket 302-10063-XXa
Ffront panel 316-06843-XXa
Glabel 365-01751-XXa
HRJ45 bung 302-50002-XXa
a Contact Technical Support for the exact IPN.
B
D
F
x4
C
G
H
E

TM8100/TM8200 Accessories Manual Installing an Enhanced Remote Kit 99
© Tait Electronics Limited August 2005
11.3.2 Disassembling the Control-Head Interface
Disassemble only as much as necessary to replace the defective parts or to
swap the Micromatch connector loom. Re-assembly is carried out in reverse
order of disassembly.
1. Unscrew the seven PT type screws B and remove the PCB C.
2. Remove the control-head interface loom (not illustrated).
Figure 11.5 Parts of the control-head interface
Description IPN
B3 x 8 PT screw (x7) 346-10030-XXa
Ccontrol-head interface PCB
Dcontrol-head interface 316-06842-XXa
control-head interface loom219-02914-XXa
a Contact Technical Support for the exact IPN.
D
x7
B
C

Ref. IPN Description Ref. IPN Description
100 Installing an Enhanced Remote Kit TM8100/TM8200 Accessories Manual
© Tait Electronics Limited August 2005
11.4 PCB Information
11.4.1 TMAA03-03 Control-Head Interface (PCB IPN 220-01721-04)
Parts List
C1 016-08100-03 Cap Elec SMD 10uF 35V 105/2000
C100 018-14100-00 Cap 0603 1n 50v X7r ±10%
C101 018-14100-00 Cap 0603 1n 50v X7r ±10%
C102 015-02470-06 Cap Cer 1210 47p NPO 500v
C103 015-02470-06 Cap Cer 1210 47p NPO 500v
C110 018-16100-00 Cap 0603 100n 16v x7r + - 10%
C300 015-06470-01 Cap Cer 1206 470n X7r 20% 50v
C301 016-07470-01 Cap Elec SMD 4u7 6*4 16v 20%
C310 015-26100-08 Cap Cer 0805 100n 10% X7r 50v
C312 014-07470-05 Cap Tant SMD 4u7 16v 10% A
C320 016-08100-03 Cap Elec SMD 10uF 35V 105/2000
C400 018-16100-00 Cap 0603 100n 16v x7r + - 10%
C401 015-07220-08 Cap Cer 1206 2u2 16v X7r
C410 018-16100-00 Cap 0603 100n 16v x7r + - 10%
C411 018-13100-00 Cap 0603 100p 50v NPO ±5%
C420 018-16100-00 Cap 0603 100n 16v x7r + - 10%
C421 018-13100-00 Cap 0603 100p 50v NPO ±5%
C422 015-07220-08 Cap Cer 1206 2u2 16v X7r
C423 015-07220-08 Cap Cer 1206 2u2 16v X7r
C430 015-07220-08 Cap Cer 1206 2u2 16v X7r
C500 015-26100-08 Cap Cer 0805 100n 10% X7r 50v
C600 015-26100-08 Cap Cer 0805 100n 10% X7r 50v
C601 015-26100-08 Cap Cer 0805 100n 10% X7r 50v
C610 015-26100-08 Cap Cer 0805 100n 10% X7r 50v
C611 015-07220-08 Cap Cer 1206 2u2 16v X7r
C612 015-07220-08 Cap Cer 1206 2u2 16v X7r
C700 015-26100-08 Cap Cer 0805 100n 10% X7r 50v
C701 015-07220-35 Cap Cer 1210 2u2 X5R 35v
C702 015-07220-35 Cap Cer 1210 2u2 X5R 35v
C703 015-06470-01 Cap Cer 1206 470n X7r 20% 50v
C704 018-16100-00 Cap 0603 100n 16v x7r + - 10%
C705 018-16100-00 Cap 0603 100n 16v x7r + - 10%
C706 018-13220-00 Cap 0603 220p 50v NPO±5%
C707 015-06470-01 Cap Cer 1206 470n X7r 20% 50v
C708 015-07220-35 Cap Cer 1210 2u2 X5R 35v
C710 015-07220-35 Cap Cer 1210 2u2 X5R 35v
C711 015-07220-35 Cap Cer 1210 2u2 X5R 35v
C712 015-07220-35 Cap Cer 1210 2u2 X5R 35v
C730 015-26220-18 CAP CER 0805 220N 10% X7R 50V
C731 015-26220-18 CAP CER 0805 220N 10% X7R 50V
C732 018-14100-00 Cap 0603 1n 50v X7r ±10%
C733 018-14100-00 Cap 0603 1n 50v X7r ±10%
C734 015-07220-08 Cap Cer 1206 2u2 16v X7r
C735 015-07220-08 Cap Cer 1206 2u2 16v X7r
D100 001-10000-99 Diode SMD BAV99 D-Sw SOT23
D101 001-10000-99 Diode SMD BAV99 D-Sw SOT23
D102 001-10000-99 Diode SMD BAV99 D-Sw SOT23
D103 001-10000-99 Diode SMD BAV99 D-Sw SOT23
D104 001-10000-99 Diode SMD BAV99 D-Sw SOT23
D110 001-10084-91 Diode SMD BZX84C9V1 Zen SOT23
D201 001-10000-99 Diode SMD BAV99 D-Sw SOT23
D211 001-10000-99 Diode SMD BAV99 D-Sw SOT23
D300 001-10000-99 Diode SMD BAV99 D-Sw SOT23
D720 001-10841-10 Diode SMD BZX84C11v ZEN SOT23
D730 001-10014-03 Diode SMD MBRS140T3 Sch
D731 001-10014-03 Diode SMD MBRS140T3 Sch
E100 057-10081-06 Ind 1806 Blm41p750s Emi Supr
E101 057-10081-06 Ind 1806 Blm41p750s Emi Supr
E102 057-10600-05 Ind 0603 Blm11p600s .5a F/Bead
E103 057-10600-05 Ind 0603 Blm11p600s .5a F/Bead
E105 057-10081-06 Ind 1806 Blm41p750s Emi Supr
E710 057-10600-05 Ind 0603 Blm11p600s .5a F/Bead
E711 057-10081-06 Ind 1806 Blm41p750s Emi Supr
E730 057-10081-06 Ind 1806 Blm41p750s Emi Supr
E731 057-10081-06 Ind 1806 Blm41p750s Emi Supr
J100 240-00016-00 Conn RJ45 Shld 8P8C LP RA TH
J200 240-10000-11 Conn SMD 18w Skt M/Match
J201 240-10000-11 Conn SMD 18w Skt M/Match
L712 057-10100-65 Ind SMD Pwr Cdrh6D38 100UH .65
L730 057-10470-10 Ind SMD Pwr CDRH104R 47uH 1A
L731 057-10470-10 Ind SMD Pwr CDRH104R 47uH 1A
Q610 000-10084-71 Xstr BC847BW NPN SOT323
Q720 000-10084-71 Xstr BC847BW NPN SOT323
Q721 000-10442-71 Xstr SI4427BDY PCH MOSFET SO8
R100 038-13100-10 RES 0603 100R 1% 1/10W
R110 038-15100-10 RES 0603 10k 1% 1/10W
R200 038-13100-10 RES 0603 100R 1% 1/10W
R201 038-13100-10 RES 0603 100R 1% 1/10W
R202 038-13100-10 RES 0603 100R 1% 1/10W
R210 038-13100-10 RES 0603 100R 1% 1/10W
R211 038-13100-10 RES 0603 100R 1% 1/10W
R212 038-13100-10 RES 0603 100R 1% 1/10W
R320 036-00000-01 RES 1206 0R 5% 0.25W
R401 038-15820-10 RES 0603 82k 1% 1/10W
R402 038-15820-10 RES 0603 82k 1% 1/10W
R410 038-15150-10 RES 0603 15k 1% 1/10W
R411 038-16150-10 RES 0603 150k 1% 1/10W
R412 038-13100-10 RES 0603 100R 1% 1/10W
R420 038-15330-10 RES 0603 33k 1% 1/10W
R421 038-15220-10 RES 0603 22k 1% 1/10W
R422 038-12470-00 RES 0603 47R 5% 1/10W
R430 038-14220-00 RES 0603 2k2 5% 1/10W
R431 038-14220-00 RES 0603 2k2 5% 1/10W
R441 038-14470-10 Res 0603 4k7 1% 100ppm
R442 038-14470-10 Res 0603 4k7 1% 100ppm
R501 038-15100-10 RES 0603 10k 1% 1/10W
R510 038-13120-00 RES 0603 120R 5% 1/10W
R511 038-10000-00 RES 0603 0R
R600 038-15100-10 RES 0603 10k 1% 1/10W
R601 038-16470-00 RES 0603 470k 5% 1/10W
R602 038-10000-00 RES 0603 0R
R603 038-10000-00 RES 0603 0R
R604 038-10000-00 RES 0603 0R
R605 038-10000-00 RES 0603 0R
R606 038-15100-10 RES 0603 10k 1% 1/10W
R607 038-15100-10 RES 0603 10k 1% 1/10W
R608 038-15100-10 RES 0603 10k 1% 1/10W
R609 038-15100-10 RES 0603 10k 1% 1/10W
R611 038-15100-10 RES 0603 10k 1% 1/10W
R612 038-14470-10 Res 0603 4k7 1% 100ppm

Ref. IPN Description Ref. IPN Description
Ref. PCB Circuit Ref. PCB Circuit Ref. PCB Circuit
TM8100/TM8200 Accessories Manual Installing an Enhanced Remote Kit 101
© Tait Electronics Limited August 2005
R701 038-16120-10 RES 0603 120k 1% 1/10W
R710 036-13100-10 RES 0805 100R 1% 1/8W
R720 038-15100-10 RES 0603 10k 1% 1/10W
R721 038-14220-00 RES 0603 2k2 5% 1/10W
R722 038-14470-10 Res 0603 4k7 1% 100ppm
R730 038-12470-00 RES 0603 47R 5% 1/10W
R731 038-12470-00 RES 0603 47R 5% 1/10W
U300 002-10800-00 IC LDO REG LF80C 8V@1A PPAKT/R
U310 002-14931-00 IC L4931CD33 3.3v 250Ma Regso8
U400 002-19120-00 IC TS912ID Cmos R2R Opamp
U500 002-13483-00 IC XCVR RS485 LTD SLEW RATE 3V
U600 002-15595-00 IC 74AHC595 8bit Shiftreg Tsop
U610 002-10126-71 IC SMD DS1868 Dgtl Pot Tsop20
U700 002-13001-00 IC TPA3001 20W Mono PA TSSOP24
220-01721-04 PCB MFX Head Remote
219-02914-00 LOOM MFX Remote Head
302-05263-00 Brkt U Thumb Scrw TMA
302-10062-00 Brkt Remote Head TM8200
316-06842-00 Pnl Rear TM8200 MF2
346-10030-08 Scrw P/T Wn1412 Kc30x08 Zbc
349-00060-00 Scrw 10G*20 SLFDRL Hex/Poz TMA
353-05007-00 Wshr Rubber M4*19*1.0 S/A
354-01052-00 Fsnr Bush PSM SHK-B-M4 Ins
402-00015-00 MANL f/instr TMAA03-05
410-01183-02 Pkg Box 220x82x65 TMA
410-01197-01 Pkg Ins Lg Ctrl Hd TMA
TMAA04-01 Remote Cable Parts
219-02918-00 Cbl Rmt Ctrl Hd Kit, comprising:
219-00025-00 loom 6m shld Bonded+Drain
240-02158-00 Conn Shld RJ45 Shortbody Plg
360-02022-00 Grommet Mic TMA
Grid Reference List
C1 D1 D7
C100 J3 E3
C101 L4 E3
C102 J4 E3
C103 J4 E3
C110 L4 F4
C300 M5 G2
C301 N5 G3
C310 M2 G4
C311 N2 G4
C312 M2 G5
C320 P4 D8
C400 L3 G10
C401 L3 G10
C410 M3 G8
C411 M3 G8
C420 L3 G5
C421 L3 G6
C422 K3 F7
C423 K3 F7
C430 M2 G9
C500 L4 F6
C600 L2 C3
C601 L2 B2
C610 K1 C5
C611 K1 C4
C612 J2 C5
C700 F2 C6
C701 G3 C7
C702 E3 C7
C703 E2 C6
C704 G2 C6
C705 F2 B6
C706 E3 B6
C707 E2 B6
C708 G2 A6
C710 E2 D6
C711 F2 D7
C712 E2 D7
C720 F1 D2
C721 G1 D2
C730 E3 B8
C731 G3 A8
C732 F4 B9
C733 G4 B9
C734 F4 B10
C735 F4 B9
D100 K3 F4
E4
D101 K4 E4
F4
D102 K4 F4
E4
D103 K4 E5
F5
D104 K5 E5
D110 L5 F3
D201 K5 E8
D211 K5 C9
D300 N5 G3
D301 M5 G2
D720 G1 D2
D730 F3 B7
D731 G3 B7
E100 J5 E2
E101 H5 E2
E102 K4 F3
E103 K4 E4
E105 H5 F2
E710 F2 D7
E711 E2 D7
E730 E4 B8
E731 G4 B8
J100 H4 E1
J200 P3 E10
J201 B4 C10
L712 D2 D8
L730 E4 B9
L731 G4 B9
MT800 D3 B5
MT801 M3 B5
Q610 K1 D4
Q720 F1 D2
Q721 G2 D3
R100 J3 F2
R110 L4 F3
R200 N4 F8
R201 R3 E8
R202 R2 E8
R203 J5 E1
R210 C3 D9
R211 B3 C9
R212 B4 C9
R213 J5 D1
R320 N4 E8
R321 M4 E8
R401 L3 G10
R402 L3 G10
R410 M3 G8
R411 M3 G7
R412 L4 G7
R420 L3 G6
R421 L3 G6
R422 K3 F7
R430 M2 G9
R431 M2 G9
R440 K3 E5
R441 K3 D5
R442 J3 D5
R501 M4 E7
R510 K4 F6
R511 K4 F6
R600 L2 B1
R601 L2 B2
R602 L1 C1
R603 L2 C1
R604 L2 B1
R605 L2 B3
R606 M2 B3
R607 M2 B3
R608 M2 B3
R609 M2 B4
R610 J2 B5
R611 K1 C4
R612 K1 D4
R701 E3 B6
R710 F2 D6
R720 F1 D1
R721 F1 D2
R722 G1 D2
R730 E3 B7
R731 G3 A7
U300 P5 G3
U310 N2 G4
U400 L3 F6
G7
1G9
U500 L4 F7
U600 L2 B2
U610 K2 B4
U700 F3 B7

102 Installing an Enhanced Remote Kit TM8100/TM8200 Accessories Manual
© Tait Electronics Limited August 2005
Board Layout
IPN 220-01721-04

TM8100/TM8200 Accessories Manual Installing an Enhanced Remote Kit 103
© Tait Electronics Limited August 2005
Circuit Diagram

Ref. IPN Description Ref. IPN Description
Ref. PCB Circuit Ref. PCB Circuit Ref. PCB Circuit
104 Installing an Enhanced Remote Kit TM8100/TM8200 Accessories Manual
© Tait Electronics Limited August 2005
C1 018-16100-00 Cap 0603 100n 16v x7r + - 10%
C2 015-07470-20 CAP Cer 1206 4u7 10% 25V X7R
C3 015-06470-01 Cap Cer 1206 470n X7r 20% 50v
C4 018-13100-00 Cap 0603 100p 50v NPO ±5%
C7 015-27100-08 Cap Cer 0805 X7R 1uF 16V 10%
C9 018-13100-00 Cap 0603 100p 50v NPO ±5%
C10 018-16100-00 Cap 0603 100n 16v x7r + - 10%
C13 018-16100-00 Cap 0603 100n 16v x7r + - 10%
C15 018-16100-00 Cap 0603 100n 16v x7r + - 10%
C17 018-16100-00 Cap 0603 100n 16v x7r + - 10%
C101 018-16100-00 Cap 0603 100n 16v x7r + - 10%
C102 015-07470-20 CAP Cer 1206 4u7 10% 25V X7R
C103 015-07470-20 CAP Cer 1206 4u7 10% 25V X7R
C203 018-13270-00 Cap 0603 270p 50v NPO±5%
C207 018-13270-00 Cap 0603 270p 50v NPO±5%
C209 018-13270-00 Cap 0603 270p 50v NPO±5%
C213 018-13270-00 Cap 0603 270p 50v NPO±5%
DS1 008-00014-73 LED Hp Grn Rang PCB Mtg
J1 240-10000-11 Conn SMD 18w Skt M/Match
J2 240-00016-00 Conn RJ45 Shld 8P8C LP RA TH
J3 240-00016-00 Conn RJ45 Shld 8P8C LP RA TH
R1 038-13120-00 RES 0603 120R 5% 1/10W
R2 038-10000-00 RES 0603 0R
R3 038-15820-10 RES 0603 82k 1% 1/10W
R4 038-15820-10 RES 0603 82k 1% 1/10W
R6 038-15220-10 RES 0603 22k 1% 1/10W
R7 038-15100-10 RES 0603 10k 1% 1/10W
R8 038-15820-10 RES 0603 82k 1% 1/10W
R9 038-13100-10 RES 0603 100R 1% 1/10W
R10 038-15100-10 RES 0603 10k 1% 1/10W
R12 038-16100-10 RES 0603 100k 1% 1/10W
R13 038-16100-10 RES 0603 100k 1% 1/10W
R14 036-13560-10 RES 0805 560R 1% 1/8W
R15 038-15820-10 RES 0603 82k 1% 1/10W
R16 038-15100-10 RES 0603 10k 1% 1/10W
R17 038-15220-10 RES 0603 22k 1% 1/10W
R18 038-13220-10 RES 0603 220R 1% 1/10W
R19 038-14120-10 RES 0603 1k2 1% 1/10W
R20 038-10000-00 RES 0603 0R
R21 038-10000-00 RES 0603 0R
R30 038-13390-10 RES 0603 390R 1% 1/10W
R31 038-13390-10 RES 0603 390R 1% 1/10W
R40 036-00000-01 RES 1206 0R 5% 0.25W
R103 038-12100-10 RES 0603 10R 1% 1/10W
R104 038-15100-10 RES 0603 10k 1% 1/10W
R203 038-13100-10 RES 0603 100R 1% 1/10W
R207 038-13100-10 RES 0603 100R 1% 1/10W
R209 038-13100-10 RES 0603 100R 1% 1/10W
R213 038-13100-10 RES 0603 100R 1% 1/10W
R911 036-00000-01 RES 1206 0R 5% 0.25W
R915 036-00000-01 RES 1206 0R 5% 0.25W
R917 038-10000-00 RES 0603 0R
U1 002-19120-00 IC TS912ID Cmos R2R Opamp
U2 002-12523-17 IC LM317l Reg T0252 0.5a
U3 002-13483-00 IC XCVR RS485 LTD SLEW RATE 3V
219-02950-00 CBL MFX Remote Kit Gnd Lead
220-01720-03 PCB MFX Radio Remote
219-02882-00 Loom Control Head TMA
302-10063-00 Brkt PCB Remote TM8200 Body
302-50002-00 Bung RJ45 MFO
316-06843-00 Pnl Frt Remote TM8200 MF0
11.4.2 TMAC34-0T Torso Interface (PCB IPN 220-01720-03)
Parts List
Grid Reference List
C1 1:J2 1F5
C2 1:K1 1F4
C3 1:D2 1F1
C4 1:J1 1F6
C7 1:J2 1E5
C9 1:K2 1E6
C10 1:N2 1E7
C13 1:N2 1E7
C15 2:L2 1F8
C17 2:L2 1F6
C101 1:J1 1F3
C102 1:D1 1F2
C103 1:E2 1B5
C203 1:J2 1B4
C207 1:H2 1B3
C209 1:H2 1B4
C213 1:H1 1B4
DS1 1:F2 1F2
J1 1:H2 1C1
J2 1:N2 1C10
J3 1:L2 1E10
MT1 1:R2 1D10
R1 2:N2 1C8
R2 2:P2 1C7
R3 1:J1 1G4
R4 1:J1 1F4
R6 1:J1 1F5
R7 1:G2 1C3
R8 1:J1 1F6
R9 2:L2 1G6
R10 1:K2 1E6
R12 1:N2 1E7
R13 1:N2 1E7
R14 1:F2 1F2
R15 2:L2 1F7
R16 1:H2 1B3
R18 1:D2 1F2
R17 2:L2 1F7
R19 1:E2 1F2
R20 2:L2 1F8
R21 1:N2 1E7
R30 1:F2 1B8
R31 1:E2 1C7
R40 2:N2 1D9
R103 1:G2 1B5
R104 1:G2 1C5
R203 1:J2 1C3
R207 1:J2 1C3
R209 1:H2 1C3
R213 1:H2 1B3
R820 2:L2 1F8
R821 1:N2 1E8
R900 1:F2 1C7
R920 1:D2 1G2
R910 2:J2 1C8
R901 1:E2 1C7
R911 2:L2 1D9
R912 1:H2 1C3
R915 2:M2 1D9
R916 1:M2 1D9
R917 1:N2 1D9
R918 2:M2 1E9
U1 1:K1 1G6
1E6
1F3
U2 1:D2 1F1
U3 1:F2 1C6

TM8100/TM8200 Accessories Manual Installing an Enhanced Remote Kit 105
© Tait Electronics Limited August 2005
Board Layout
IPN 220-01720-03

106 Installing an Enhanced Remote Kit TM8100/TM8200 Accessories Manual
© Tait Electronics Limited August 2005
Circuit Diagram

TM8100/TM8200 Accessories Manual TMAA04-04 Crossband Linking Cable 107
© Tait Electronics Limited August 2005
12 TMAA04-04 Crossband Linking Cable
The TMAA04-04 crossband linking cable is used to connect
the auxiliary connectors of two radios configured as a
crossband repeater. Components in the TMAA04-04 are
optomized for voice applications.
12.1 Installation
1. Remove the rubber bung that covers the auxiliary connector on each
of the radios.
2. Plug each end of the crossband linking cable into the auxiliary
connector on each radio.
12.2 Radio Programming
After the transmit and receive channels have been programmed for both
radios, settings in the following forms must also be configured:
■PTT form (refer to Table 12.1)
■Programmable I/O form — Digital tab (refer to Table 12.2)
■Programmable I/O form — Audio tab (refer to Table 12.3).
If a repeater transmit tail is required, settings in the following forms must be
configured in both radios:
■PTT form (TM8100 radios only) (refer to Table 12.4)
■Basic Settings form—Subaudible Signalling tab (TM8200 radios and
optional for TM8100 radios) (refer to Table 12.5 and Table 12.6).
Some of the settings shown in the tables are default settings and may not
need to be changed. In all cases, refer to the online help of the programming
application for more information.
Crossband Settings
in the PTT Form The following table shows the crossband linking settings required in the
External PTT (1) tab of the PTT form.
Important The radio does not meet the IP54 protec-
tion standard once the auxiliary connector
rubber bung has been removed and a cross-
band linking cable has been installed. Care
must be taken when the radio is being oper-
ated in an environment where there is
water, dust or other environmental hazards.
Table 12.1 Crossband settings in the PTT form, External PTT (1) tab
Field Setting
Advanced EPTT1 PTT Transmission Type Voice
Audio Source Audio Tap In

108 TMAA04-04 Crossband Linking Cable TM8100/TM8200 Accessories Manual
© Tait Electronics Limited August 2005
Programmable I/O
Form—Digital Tab The following table shows the crossband linking settings required in the
Digital tab of the Programmable I/O form.
Programmable I/O
Form—Audio Tab The following table shows the crossband linking settings required in the
Audio tab of the Programmable I/O form.
12.2.1 Repeater Transmit Tail Settings
TM8100 Radios If the transmitter requires a “tail”, then this can be set in the External
PTT (1) tab of the PTT form. During the PTT deactivation delay period,
any signalling, such as CTCSS or DCS, is still present.
If a further transmitter tail is required, then this can be configured in the
Subaudible Signalling tab of the Basic Settings form. During the lead-out
delay period, no signalling, such as CTCSS or DCS, is present.
TM8200 Radios If the transmitter requires a “tail”, then this can be configured in the
Subaudible Signalling tab of the Basic Settings form. During the lead-out
delay period, no signalling, such as CTCSS or DCS, is present.
Table 12.2 Crossband settings in the Programmable I/O form, Digital tab
Pin Direction Label Action Active Debounce Signal State Mirrored To
AUX_GPI1 Input PTT_INS External PTT 1 Low 10 None None
AUX_GPIO5 Output BUSY Busy StatusaLow None None None
a. To transmit only when the signalling is valid, set this field to Signalling Audio Mute Status.
Table 12.3 Crossband settings in the Programmable I/O form, Audio tab
Pin Tap In Tap In Ty p e Ta p In Unm u t e Tap Out Ta p Out Type Ta p Out Unmu t e
Rx None A-Bypass In On PTT R7 D-Split Busy Detecta
EPTT1 T5 A-Bypass In On PTT None C-Bypass 0 On PTT
a. This can be set to Busy Detect + Sub if the mute is to open only when valid subaudible signalling is present with
the transmission.
Table 12.4 Transmit tail settings in the PTT form, External PTT (1) tab
Field Setting
Advanced EPTT1 PTT Deactivation Delay up to 1000ms
Table 12.5 Additional Transmit tail in the Basic Settings form, Subaudible
Signalling tab
Field Setting
CTCSS Settings Lead-Out Delay any duration, up to 1000ms
DCS Settings Lead-Out Delay any duration, up to 1000ms
Table 12.6 Transmit tail in the Basic Settings form, Subaudible Signalling tab
Field Setting
CTCSS Settings Lead-Out Delay any duration, up to 1000ms
DCS Settings Lead-Out Delay any duration, up to 1000ms

TM8100/TM8200 Accessories Manual TMAA04-04 Crossband Linking Cable 109
© Tait Electronics Limited August 2005
12.3 Operational Testing
1. On the receiving radio, inject an on-channel RF signal at a level of
-70dBm, modulated to ±3kHz deviation (wide bandwidth channel)
or ±1.5kHz (narrow bandwidth channel), at 1kHz AF.
2. On the transmitting radio, the resulting deviation should be:
■±3kHz (with a tolerance of ±200Hz) on a 25kHz wide
bandwidth channel.
■±1.5kHz (with a tolerance of ±200Hz) on a 12.5kHz narrow
bandwidth channel.
12.4 Interface Specification
The following table and diagram summarizes the signals used for the crossband
linking cable on the radios’ auxiliary connectors and shows the interface
between the cable and the radios.
Figure 12.1 TMAA04-04 crossband linking cable
auxiliary connector
radio 1
auxiliary connector
radio 2
crossband linking board
Table 12.7 Auxiliary connectors—pins and signals
Pin Signal name Description
2 AUX_GPIO5
busy (output)
7 AUD_TAP_IN
audio tap input
12 AUX_GPI1
PTT (input)
13 AUD_TAP_OUT
audio tap output
15 AGND
analogue ground
J
B
C
D
E
F
G
H
I
1)
1!
1@
1#
1$
1%
rear view

110 TMAA04-04 Crossband Linking Cable TM8100/TM8200 Accessories Manual
© Tait Electronics Limited August 2005
Ref. IPN Description Ref. IPN Description
12.5 PCB Information
12.5.1 TMAA04-04 Parts List (PCB IPN 220-02127-01)
C2 018-16100-00 Cap 0603 100n 16v x7r + - 10%
C10 018-16100-00 Cap 0603 100n 16v x7r + - 10%
J1 240-00031-00 Plg 15w Drng UL-CSA Pnl Mtg
R1 038-13560-10 RES 0603 560R 1% 1/10W
R6 038-13560-10 RES 0603 560R 1% 1/10W
205-00110-50 CBL 8wy Oval Std Telecom
219-03005-00 CBL TMA X-Band
220-02127-01 PCB MFX Programming cable
240-00031-00 Plg 15w Drng UL-CSA Pnl Mtg
240-06010-18 Conn 15w Hood/Cvr Drng MDJ15
402-00030-0X MANL f/instr TMAA04-04 XB

TM8100/TM8200 Accessories Manual TMAA04-04 Crossband Linking Cable 111
© Tait Electronics Limited August 2005
12.5.2 Crossband Linking Board Layouts
IPN 220-02127-01

112 TMAA04-04 Crossband Linking Cable TM8100/TM8200 Accessories Manual
© Tait Electronics Limited August 2005
12.5.3 Crossband Linking Board Circuit Diagram

TM8100/TM8200 Accessories Manual TMAA04-05 Ignition Sense Kit 113
© Tait Electronics Limited August 2005
13 TMAA04-05 Ignition Sense Kit
The TMAA04-05 ignition sense kit provides a
mating plug for the radio’s auxiliary connector.
The four metre length of cable from pin 4 of the
plug connects to the vehicle’s ignition signal.
Once the kit is installed, the ignition signal is used
to power up and power down the radio, so that the
radio turns off when the vehicle ignition is off.
This avoids any possibility that the radio may
flatten the vehicle’s battery. When the vehicle
ignition is turned on, the radio either turns on, or
returns to the state that it was in when the vehicle
ignition was turned off.
Important The radio does not meet the IP54 protection standard once
the bung for the auxiliary connector is removed. Therefore,
once the
TMAA04-05 ignition sense kit is installed,
mount
the radio in areas where it is not exposed to water, dust or
other environmental hazards
.
13.1 Installation
1. Connect the auxiliary connector plug to the radio’s
auxiliary connector
2. Connect the ignition sense cable to the 13.8V signal controlled by the
vehicle’s ignition key.
13.2 Radio Programming
Program the AUX GPI3 line to ‘Power Sense (Ignition)’ and active
to ‘High’.
Refer to the online help of the programming application for
more information.
ignition sense cable
plug into the
radio’s auxiliary
connector
auxiliary connector plug
114 TMAA04-05 Ignition Sense Kit TM8100/TM8200 Accessories Manual
© Tait Electronics Limited August 2005

TM8100/TM8200 Accessories Manual TMAA10-01 Desktop Microphone 115
© Tait Electronics Limited August 2005
14 TMAA10-01 Desktop Microphone
The TMAA10-01 desktop microphone is an omnidirectional
dynamic microphone which can be used in dispatch
situations, where the microphone is positioned on a flat
surface. The desktop microphone plugs into the microphone
socket on the radio control head.
The desktop microphone has an internal pre-amplifier and an
adjustable sensitivity control on the underside of the desktop
microphone base.
14.1 Operation
Hold down the monitor key and check whether the channel is clear.
If the channel is clear, press the PTT key to transmit. Speak clearly into the
microphone and release the PTT key when you have finished talking.
Note The monitor key can be locked in the ‘on’ position. To do this,
hold the monitor key down and slide the monitor key towards
you. The monitor key should now be locked on.
14.2 Installation
Important The desktop microphone grommet must be installed
whenever the desktop microphone is plugged into the
microphone socket. When installed, the grommet has two
functions:
■to prevent damage to the microphone socket when
there is movement of the microphone cord, and
■to ensure that the control head is sealed against water,
dust and other environmental hazards.
1. Plug the microphone cord into the microphone socket on the radio
control head.
2. Slide the grommet along the cord and push two adjacent corners of the
grommet into the microphone socket cavity.
PTT key monitor key
grommet
microphone
base
grille
TRANSMIT
MONITOR

116 TMAA10-01 Desktop Microphone TM8100/TM8200 Accessories Manual
© Tait Electronics Limited August 2005
3. Squeeze the grommet and push the remaining corners into position.
4. Check that the grommet is seated correctly in the cavity.
14.3 Adjustment
Adjust the output sensitivity of the desktop
microphone using R5. R5 is accessible from the
underside of the desktop microphone, as shown.
The microphone sensitivity is set to maximum by
rotating R5 counterclockwise.
14.4 Interface Specification
The following table and diagram summarizes the signals used for the desktop
microphone on the radio’s microphone connector and shows the interface
between the desktop microphone and the radio.
Figure 14.1 Correct desktop microphone grommet seating
microphone
grommet
control head
adjust R5 here
Table 14.1 Desktop microphone connector—pins and signals
Pin Signal Colour Description
1——not connected
2——not connected
3——not connected
4 MIC_PTT yellow PTT
5 MIC_AUD red audio from the microphone
6 AGND bare analogue ground
7——not connected
8——not connected

TM8100/TM8200 Accessories Manual TMAA10-01 Desktop Microphone 117
© Tait Electronics Limited August 2005
.
14.5 Circuit Description
The desktop microphone uses a dynamic microphone capsule and contains
a pre-amplifier (Q1) to boost the microphone level to that required by the
radio. Power for the pre-amplifier is provided by the electret microphone
bias circuit within the radio. R5 is used to adjust the gain.
PTT and hookswitch signals are combined onto one line and fed to the
control head PTT input of the radio.
Figure 14.2 Desktop microphone to radio interface
118 TMAA10-01 Desktop Microphone TM8100/TM8200 Accessories Manual
© Tait Electronics Limited August 2005

TM8100/TM8200 Accessories Manual TMAA10-02 Handset 119
© Tait Electronics Limited August 2005
15 TMAA10-02 Handset
The TMAA10-02 handset provides the user with privacy and also
improves the audio quality in noisy environments. The handset
uses a dynamic microphone capsule, so for TM8100 radios, the
TMAA02-06 support kit for concealed and dynamic microphones
needs to be installed.
When your radio receives a call and the handset is mounted in
its locking cradle, the radio unmutes and you can hear the call
from your radio’s internal speaker and from any connected
remote speaker.
If you remove the handset from its cradle when you receive a call,
the radio unmutes and you can hear the call from your radio’s
internal speaker, from any connected remote speaker and from the
handset earpiece.
Using private handset mode, the radios internal and external speakers
are muted and the call can only be heard from the handset earpiece.
15.1 Installation
15.1.1 Handset Wiring
1. Drill a hole in the chosen mounting surface for the radio to handset
cord and pass the cord through the hole.
2. Prepare the radio to handset cord, as follows.
■Cut the radio to handset cord to the required length.
■Strip away about 60mm (2 inches) of the cable outer sheath on the
end without a connector.
■Cut off the exposed orange, red, black and bare wires.
■Strip about 6mm (0.2 inches) of the coating off each of the five
remaining wires.
3. Secure the radio to handset cord in the handset PCB P-clip b, as
shown in the diagram.
4. Connect the five wires to the handset PCB connector c.
locking
cradle
push-
button
handset
grommet
radio to
handset cord
mounting
plate

120 TMAA10-02 Handset TM8100/TM8200 Accessories Manual
© Tait Electronics Limited August 2005
15.1.2 Handset Installation
1. Press the pushbutton and remove the handset from the locking cradle.
2. Disassemble the locking cradle by removing the four locking cradle
screws.
3. Screw the handset mounting plate to the required mounting surface.
Note that mounting screws are not provided in this kit.
4. Clamp the top part of the locking cradle onto the mounting plate,
and secure it with the four locking cradle screws.
15.1.3 Connecting the Handset to the Radio
Important The handset microphone grommet must be installed when-
ever the handset to radio cord is plugged into the microphone
socket. When installed, the grommet has two functions:
■to prevent damage to the microphone socket when there
is movement of the microphone cord, and
■to ensure that the control head is sealed against water,
dust and other environmental hazards.
1. Plug the radio to microphone cord into the microphone socket on
the radio control head.
2. Slide the grommet along the cord and push two adjacent corners of the
grommet into the microphone socket cavity.
3. Squeeze the grommet and push the remaining corners into position.
4. Check that the grommet is seated correctly in the cavity.
Table 15.1 Handset PCB connector wiring
Handset PCB
Connector
Colour Reference
2white
or violet
d
3blue e
8brown
f
9yellow
g
10 green h
b
c
de fgh

TM8100/TM8200 Accessories Manual TMAA10-02 Handset 121
© Tait Electronics Limited August 2005
15.2 Radio Programming
Dynamic
Microphone
Support
Dynamic microphone support must be enabled in the UI Preferences form
of the radio’s programming application, so that audio is optomized for
dynamic microphones. Refer to the online help of the programming
application for more information.
Private Handset
Mode If private handset mode is required, the radio needs to be programmed to
mute the audio power amplifier when the handset is out of the cradle. The
audio path is then only through the RX AUDIO line to the handset earpiece.
The following table shows the settings required in the Programmable I/O
form of the radio’s programming application. Refer to the online help of the
programming application for more information.
Note If private handset mode is programmed, then no audio will be
heard from the speakers if the handset is unplugged.
Figure 15.1 Correct handset microphone grommet seating
microphone
grommet
control head
Table 15.2 Handset settings in the UI Preferences form
(TM8100 Programming Application)
Field Setting Selected/Cleared
Audio Setup Enable Options Board Preamp selected
Table 15.3 Handset settings in the UI Preferences form
(TM8200, TM9000/TP9000 Programming Application)
Field Setting Selected/Cleared
Audio>Audio Setup Dynamic Mic Support selected
Table 15.4 Handset settings in the Programmable I/O form, Digital tab
Pin Direction Label Action Active Debounce Signal State Mirrored To
CH_GPIO1 Input None Force Audio PA Off High 25 None None

122 TMAA10-02 Handset TM8100/TM8200 Accessories Manual
© Tait Electronics Limited August 2005
15.3 Interface Specification
The following table and diagram summarizes the signals used for the handset
on the radio’s microphone connector and shows the interface between the
handset and the radio.
.
Table 15.5 Handset microphone connector—pins and signals
Pin Signal Handset PCB
Connector Colour Description
1 RX_AUD 8 brown receive audio to handset
2—— —not connected
3—— —not connected
4 PTT 2 white PTT and hookswitch
5 MIC 9 yellow audio from the handset to dynamic-mic
support board
6 GND 10 green analogue ground
7—— —not connected
8 CH_GPIO1 3 blue programmable line controlling private mode
Figure 15.2 Handset to radio interface

TM8100/TM8200 Accessories Manual TMAA10-03 and TMAA10-06 High-Power Remote Speakers 123
© Tait Electronics Limited August 2005
16 TMAA10-03 and TMAA10-06
High-Power Remote Speakers
The TMAA10-03 remote speaker (for the 25W radio) and
the TMAA10-06 remote speaker (for the 40W/50W radio)
are installed in parallel with the radio’s existing internal
speaker. The remote speaker can then be installed at some
distance from the radio, or it can be used to increase the
volume of the audio from the radio’s existing internal speaker.
The remote speaker cable is terminated with two receptacles.
These receptacles are different between the TMAA10-03 and
the TMAA10-06 remote speakers.
Two spare receptacles are included with the remote speaker,
along with four mounting screws and washers.
16.1 Installation
Remote Speaker
Mounting 1. Choose a mounting position for the remote speaker where it will not
interfere with the operation of any of the vehicle controls.
2. Remove the remote speaker from the mounting bracket and use the
screws and washers provided to fix the mounting bracket securely in
the chosen location.
Important Check before drilling that the drill will not damage any
components or wiring behind the mounting location.
■If mounting the bracket onto a metal surface, drill two 3.5mm
(0.14 inch) holes in the appropriate locations and secure the
bracket with the supplied self tapping screws.
■If mounting the bracket to any other material, such as plastic, drill
two 4.5mm (0.18 inch) holes and attach the bracket with screws
and captive nuts, or similar.
3. Attach the speaker to the mounting bracket using the thumbscrews.
4. Run the free end of the speaker cable to the radio power cable and
install the two receptacles in the power connector, as described in the
“Power Connector Wiring” procedure.
Important Check that the speaker cable is protected from engine heat,
sharp edges and from being pinched or crushed.
remote speaker cable
mounting
bracket
receptacles

124 TMAA10-03 and TMAA10-06 High-Power Remote Speakers TM8100/TM8200 Accessories Manual
© Tait Electronics Limited August 2005
Power Connector
Wiring Insert the remote speaker receptacles into the power connector socket, as
shown in the diagrams below.
Note The positive remote speaker wire has a white stripe.
With the TMAA10-03 remote speaker (25 W radio), insert the
positive remote speaker wire into the position nearest to the red
wire.
With the TMAA10-06 remote speaker (40W/50W radio),
insert the positive remote speaker wire into the upper position
(marked “3”).
.
.
Figure 16.1 Power connector wiring of the TMAA10-03 remote speaker
Figure 16.2 Power connector wiring of the TMAA10-06 remote speaker
power
connector
remote
speaker cable
speaker +
speaker –
+13.8V
(red)
ground
(black)
power
connector
remote
speaker cable
speaker – (to pin 2)
speaker + (to pin 3)
+13.8V
(red)
ground
(black)

TM8100/TM8200 Accessories Manual TMAA10-04 Remote PTT Kit and TMAA10-05 Hands-Free Kit 125
© Tait Electronics Limited August 2005
17 TMAA10-04 Remote PTT Kit and
TMAA10-05 Hands-Free Kit
The TMAA10-04 remote PTT kit and the TMAA10-05
hands-free kit plug into the radio’s auxiliary connector.
Both kits use the remote electret microphone to replace
communication through the usual rugged microphone.
The rugged microphone can still provide hookswitch
operation, if this is required.
The TMAA10-04 kit uses a conveniently mounted remote
PTT key for PTT operation. When the remote PTT is
activated, the remote microphone is used for communication.
There are three mounting options for the remote microphone
and an extension lead is provided for the remote PTT in the
TMAA10-04 kit.
17.1 VOX Operation (TMAA10-05 Hands-Free Kit)
Your radio may able to detect the sound of your voice, so that you can make
calls without using the PTT key. Voice-operated transmit (VOX) is turned
on and off either by using a function key programmed for VOX or by
using the radio’s Main menu.
Changing to VOX
Using a Function
Key
The function key programmed for VOX toggles VOX between on and off.
When VOX is turned on, it remains on until the function key is pressed again.
Changing to VOX by
using the Main
Menu
1. Select Menu>Radio Settings>
Function Settings>VOX.
2. In the VOX menu, choose On.
Important These kits do not meet the IP54 pro-
tection standard. Care must be taken
when a radio with a TMAA10-04 or
TMAA10-05 kit installed is being
operated in an environment where
there is water, dust or other
environmental hazards.
auxiliary
connector plug
extension lead for
remote PTT
remote microphone
remote PTT (TMAA10-04)
remote microphone
mounting options

126 TMAA10-04 Remote PTT Kit and TMAA10-05 Hands-Free Kit TM8100/TM8200 Accessories Manual
© Tait Electronics Limited August 2005
3. Press Select.
While VOX is on, the VOX indication may be
programmed to appear below the channel infor-
mation on your display.
Changing the
Sensitivity of VOX You may need to change the threshold at which the radio detects your voice
and makes a call. To do this, you use the VOX Sensitivity menu.
1. Select Menu>Radio Settings>
Function Settings>VOX Sensitivity.
2. In the VOX Sensitivity menu, use the scroll keys
or to adjust the VOX sensitivity to the
desired level.
3. Press Done to save this setting.
17.2 Installation
Important Care should be taken to avoid routing any cables near vehi-
cle pedal controls, steering column and other moving parts.
Installing the
Remote
Microphone
1. Choose one of the three mounting options provided for the remote
microphone and determine its most appropriate location.
The mounting position of the microphone should be no more than
50cm (20 inches) from the user’s mouth.
2. Route the remote microphone cable so as not to distract the driver.
3. Mount the remote microphone in the chosen location and check
that the microphone and cable are clear of all the usual movements
performed by the user.
Installing the
Remote PTT
(TMAA10-04)
Important The remote PTT must be operable from a normal
driving position.
1. Secure the remote PTT in position using the velcro strap and plug the
remote PTT cord into the remote PTT extension lead.
A common position for the remote PTT is on the gear lever of
the vehicle.
2. Check that the cord and lead do not interfere with the safe operation
of the vehicle.

TM8100/TM8200 Accessories Manual TMAA10-04 Remote PTT Kit and TMAA10-05 Hands-Free Kit 127
© Tait Electronics Limited August 2005
17.3
Radio Programming for the
TMAA10-04 Remote PTT Kit
Remote PTT
Settings in the PTT
Form
The following table shows the settings required in the PTT form of the
programming application. Some of these settings are default settings and
may not need to be changed. Refer to the online help of the programming
application for more information.
Note If hookswitch operation is programmed for the rugged micro-
phone and the Inhibit PTT Transmission When Mic On Hook
field is selected in the PTT tab of the PTT form, then the hands-
free remote PTT cannot transmit when the rugged microphone
hookswitch is closed (the microphone is on the microphone clip).
Remote PTT
Settings in the
Programmable I/O
Form
The following table shows the settings required in the Programmable I/O
form of the programming application. Some of these settings are default
settings and may not need to be changed. Refer to the online help of the
programming application for more information.
Note The Programmable I/O form setting for AUX_GPIO4 must have
the default programming settings and the AUX_GPIO4 pullup
resistor on the radio main PCB must be set for the factory default
of 3.3V (R769 fitted).
17.4 Radio Programming for the TMAA10-05 Hands-Free Kit
VOX Settings in the
PTT Form The following table shows the settings required in the PTT form of the
programming application. For detailed instructions on how to configure a
radio for VOX operation, refer to the section “Configuring VOX” in the
online help of the programming application.
Table 17.1 Remote PTT settings in the PTT form, External PTT (1) tab
Field Setting
Advanced EPTT1 PTT Transmission Type Voice
Audio Source AUX MIC
Table 17.2 Remote PTT settings in the Programmable I/O form, Digital tab
Pin Direction Label Action Active Debounce Signal State Mirrored To
AUX_GPI1 Input None External PTT 1 Low 25 None None
AUX_GPIO4 None None No Action None None None None

128 TMAA10-04 Remote PTT Kit and TMAA10-05 Hands-Free Kit TM8100/TM8200 Accessories Manual
© Tait Electronics Limited August 2005
VOX Settings in the
Key Settings Form In the Key Settings form of the programming application, one of the
function keys on the control head can be programmed to activate VOX.
17.5 Interface Specification
The following table and diagram summarizes the signals used for the remote
PTT and hands-free kits on the radio’s auxiliary connector and shows the
interface between the kits and the radio.
Table 17.3 VOX settings in the PTT form, External PTT (2) or VOX tab
Field Setting
EPTT2 or VOX Inhibit Inhibit PTT When Emergency Active selecta
a. These are recommended settings only.
Inhibit PTT Transmission When Mic on Hook cleara
Indicate PTT Inhibit to User cleara
Advanced EPTT2 or VOX PTT Transmission Type Voice
Audio Source AUX MIC
PTT Priority Highesta
Table 17.4 VOX settings in the Key Settings form
Field Setting
Function Key Actions Key 1a
a. Select the required function key.
VOX Activation
Table 17.5 Auxiliary connector—pins and signals
Pin Signal name Description
8 +13V8_SW
power to hands-free microphone pre-
amplifier
10 AUX_GPIO4
reference voltage to pre-amplifier
regulator
12 AUX_GPI1
PTT signal from hands-free kit
14 AUX_MIC_AUD
microphone audio to the radio
15 AGND
analogue ground
J
B
C
D
E
F
G
H
I
1)
1!
1@
1#
1$
1%
rear view

TM8100/TM8200 Accessories Manual TMAA10-04 Remote PTT Kit and TMAA10-05 Hands-Free Kit 129
© Tait Electronics Limited August 2005
.
17.6 Circuit Description
The remote microphone signal is amplified by a pre-amplifier in the
auxiliary connector plug. The power supply to this amplifier is provided by
the +13.8V supply on the auxiliary connector. This supply is filtered and
regulated down to approximately 3.3V. The reference voltage for the
regulator is provided by AUX_GPIO4 line.
The remote microphone signal is fed via AUX_MIC_AUD and an input
selector to the radio’s internal microphone amplifier. The microphone input
selected depends on the PTT source used to make the call. If the remote PTT
is used, then AUX_MIC_AUD is selected. If the control head microphone
PTT is used, then CH_MIC_AUD is selected. Test points for all other
auxiliary connections are provided on the auxiliary connector plug PCB to
facilitate the connection of other devices or signals e.g ignition switch signal.
Figure 17.1 TMAA10-04/TMAA10-05 to radio interface

130 TMAA10-04 Remote PTT Kit and TMAA10-05 Hands-Free Kit TM8100/TM8200 Accessories Manual
© Tait Electronics Limited August 2005
Ref. IPN Description Ref. IPN Description
17.7 PCB Information
17.7.1 TMAA10-04/TMAA10-05 Parts List (PCB IPN 220-01711-01)
C2 015-26330-08 Cap Cer 0805 330n 5% 10v X7r
C3 018-15100-00 Cap 0603 10n 50v X7r +-10%
C4 015-26330-08 Cap Cer 0805 330n 5% 10v X7r
C6 015-26100-08 Cap Cer 0805 100n 10% X7r 50v
C7 015-26100-08 Cap Cer 0805 100n 10% X7r 50v
Q1 000-10084-71 Xstr BC847BW NPN SOT323
Q2 000-10085-71 Xstr SMD BC857BW PNP SOT323
Q3 000-10084-71 Xstr BC847BW NPN SOT323
Q4 000-10084-71 Xstr BC847BW NPN SOT323
R1 038-14220-00 Res 0603 2k2 1/16w +-5%
R3 038-14390-10 Res 0603 3k9 1%
R4 038-15470-10 Res 0603 47k 1/16w+-1%
R6 038-15330-10 Res 0603 33k 1%
R13 038-15100-10 Res 0603 10k 1/16w +-1%
R16 038-15470-10 Res 0603 47k 1/16w+-1%
R17 038-15150-00 Res 0603 15k 1/16w +-5%
R18 038-15100-10 Res 0603 10k 1/16w +-1%
R19 038-15100-10 Res 0603 10k 1/16w +-1%
219-00305-00 cable
220-01711-01 Pcb HFree
240-06010-18 Conn 15w Hood/Cvr Drng MDJ15
252-00010-72 Mic Electret Unidir 2.5mm Plg
402-00006-01 F/Inst TMAA10-04/TMAA10-05 Eng
TMAA10-04 Remote PTT only
236-00001-00 Sw Ptt W/Cbl & Strap

TM8100/TM8200 Accessories Manual TMAA10-04 Remote PTT Kit and TMAA10-05 Hands-Free Kit 131
© Tait Electronics Limited August 2005
17.7.2 Pre-Amplifier Board Layout
IPN 220-01711-01 IPN 220-01711-01

132 TMAA10-04 Remote PTT Kit and TMAA10-05 Hands-Free Kit TM8100/TM8200 Accessories Manual
© Tait Electronics Limited August 2005
17.7.3 Pre-Amplifier Board Circuit Diagram

TM8100/TM8200 Accessories Manual TOPA-SV-024 Test Unit 133
© Tait Electronics Limited August 2005
18 TOPA-SV-024 Test Unit
The TOPA-SV-024 test unit is used to test and maintain Tait Orca
portables (TOP) and TM8000 radios by providing an interface between
the radio, a test PC, and an RF communications test set.
The diagram below shows the front panel of the test unit.
18.1 Test Equipment Setup
The diagram on the following page shows how the test unit is connected to
the radio, the test PC, and the RF communications test set.
Note The test unit can also be connected to a T2000 radio using the
T2000-11 cable. Use with T2000 radios is not described in
this document.
Figure 18.1 TOPA-SV-024 test unit

134 TOPA-SV-024 Test Unit TM8100/TM8200 Accessories Manual
© Tait Electronics Limited August 2005
Figure 18.2 Test setup
RF COMMS
TEST SET
OSCILLOSCOPE
transmit audio
receive audio /
speaker
connector
power
connector
auxiliary
connector
RF connector
(BNC)
SINAD
AUDIO AUDIO
IN HIOUT
audio
monitor
out (BNC)
RF in/out
(N-TYPE)
(BNC)(BNC)
radio connector
microphone
connector (RJ45)
TEST
PC
(DB15)
serial port
(DB9)
(DB15)
TMAA21-01
TMAA20-03 cable
computer
connector
(RJ12)
AC input
(BNC)
connector
(BNC)
connector
(BNC)
programming
connector (DB9)
TMAA20-02 cable
microphone
connector (RJ45)
TMAA21-01 cable
banana plugs
DC POWER SUPPLY
TOPA-SV-024
T2000-A19
cable
cable
radio with
radio without
user interface
user interface

TM8100/TM8200 Accessories Manual TOPA-SV-024 Test Unit 135
© Tait Electronics Limited August 2005
18.2 Operation
This section explains the function of the TOPA-SV-024 test unit controls.
The procedure for using the test unit is described in the section of the
service manual covering test equipment.
18.2.1 TOP / TM8000 switch
This 2-way toggle switch is used to switch attenuation resistors (R4, R5, R6)
in and out of the line from the radio’s positive speaker output to the positive
receive audio/SINAD output of the test unit (before the isolating transformer).
■When set to TOP, the attenuation resistors are switched out.
■When set to TM8000, the attenuation resistors are switched in
(attenuation 10:1).
Important Selecting the wrong switch position can result in incorrect
SINAD readings.
18.2.2 TOP Mod Audio / Off / Mic Audio switch
This 3-way toggle switch is used to switch between Mod Audio (Tait Orca
portables only), Mic Audio, and Off (no audio signal).
■With the Tait Orca portables, this switch can be used for setting up dual
point modulation by applying modulation to different parts of the radio.
■For normal transmit deviation tests (Tait Orca portables and TM8000),
this switch is set to Mic Audio.
18.2.3 Hook On / Hook Off switch
Important When using the test unit with Tait Orca portables, the
Hook On / Hook Off toggle switch must be set to
Hook Off. Tait Orca portables do not have a hookswitch,
and if the switch is set to Hook On, the Tait Orca portable
F1 function is activated.
This 2-way toggle switch is used to simulate the microphone hookswitch
opening (“hook off”) and closing (“hook on”). This is done by switching a
12kΩ resistor (R3) in or out of the MIC_PTT line.
■When set to Hook Off, the 12kΩ resistor (R3) is switched out of the
MIC_PTT line. This simulates the microphone being removed from the
microphone clip.
■When set to Hook On, a 12kΩ resistor (R3) is switched into the
MIC_PTT line. This simulates the microphone being placed on the
microphone clip.

136 TOPA-SV-024 Test Unit TM8100/TM8200 Accessories Manual
© Tait Electronics Limited August 2005
18.2.4 Rx / Tx/PTT switch
This 2-way toggle switch is used to switch between receive and transmit mode.
■When set to Rx, the PTT line is switched to high impedance.
■When set to Tx/PTT, the PTT line is pulled to ground.
18.2.5 Speaker / Radio / Load switch
This 3-way toggle switch is used during receive audio tests to switch the audio
to the test unit speaker (Speaker), to the radio’s internal speaker (Radio) or to
a dummy load consisting of R1 and R2 (Load).
Note This switch does not disconnect the radio’s internal speaker on
M8100 radios with a user interface. If the switch is set to Speaker
or Load, this simulates an external speaker being connected in par-
allel to the radio’s internal speaker. TM8000 radios without a user
interface do not have an internal speaker.
With all settings, a low level audio signal is available for testing through
the SINAD port.
Tait Orca portables ■When set to Speaker, only the speaker of the test unit is active.
■When set to Radio, only the speaker of the Tait Orca portable is active.
■When set to Load, no speaker is active. The audio signal is terminated in
the test unit dummy load.
TM8000 radios with
user interface
■When set to Speaker, the speakers of the test unit and the TM8000 are
both active. The speaker of the TM8000 cannot be disconnected.
■When set to Radio, only the speaker of the TM8000 is active.
■When set to Load, the TM8000 speaker remains active.

TM8100/TM8200 Accessories Manual TOPA-SV-024 Test Unit 137
© Tait Electronics Limited August 2005
18.3 PCB Information
18.3.1 Parts List (PCB IPN 220-01418-02A Rev. 4)
18.3.2 PCB Layout
BNC1 240-02100-11 Skt Coax BNC 3.5mm Pnl N/Tag
BNC2 240-02100-11 Skt Coax BNC 3.5mm Pnl N/Tag
C1 011-54100-01 Cap Cer AI 1n 10% T/C B 50v
C2 011-54100-01 Cap Cer AI 1n 10% T/C B 50v
C3 020-59100-06 Cap Elec Rdl 100m 16v 6.3x11
C4 011-54100-01 Cap Cer AI 1n 10% T/C B 50v
PL1 240-00010-55 Plg 15w Drng W-Wrap Pnl Mtg
PL2 240-04021-60 Skt 6w Modr Ph Vrt T-Ent
R1 032-31820-01 Res M/F Pwr 17x5 8e2 5% 2.5w
R2 032-31820-01 Res M/F Pwr 17x5 8e2 5% 2.5w
R3 030-55120-20 Res Flm 4x1.6 12k 5% 0.4w
R4 030-53560-20 Res Flm 4x1.6 560e 5% 0.4w
R5 030-54270-20 Res Flm 4x1.6 2k7 5% 0.4w
R6 030-52560-20 Res Flm 4x1.6 56e 5% 0.4w
R7 030-55100-20 Res Flm 4x1.6 10k 5% 0.4w
SW1 230-00010-42 Sw Tgl On Off On Dpdt Ms500hb
SW2 230-00010-57 Sw Tgl Dpdt On-On Pnl Mtg
SW3 230-00010-03 Sw Tgl Spst Mini Pnl Mtg
SW4 230-00010-16 Sw Tgr Spst 3-Pos Pnl Mtg
SW5 230-00010-03 Sw Tgl Spst Mini Pnl Mtg
TRAN 054-00010-17 Xfmr Line 600 Ohm 1:1
Not part of the PCB:
SPKR 032-31820-01 Res M/F Pwr 17x5 8e2 5% 2.5w
250-00010-19 Spkr C/W Rubber Sealing Ring
R
e
f
.
IPN D
escr
i
pt
i
on
R
e
f
.
IPN D
escr
i
pt
i
on
top side
bottom side
IPN 220-01418-02

138 TOPA-SV-024 Test Unit TM8100/TM8200 Accessories Manual
© Tait Electronics Limited August 2005
18.3.3 Circuit Diagram
The component values in the schematic diagram are
indicative only. Refer to the parts list for actual values
used.
SPEAKER 4Ω
SPKR 8.2Ω
SHOULD BE DPTT IPN 032-31820-01
IPN 250-00010-19
not part of PCB
not fitted not fitted
not fitted
TOP
TM8000
TM8000
TOP
TOP
TM8000
TOP
TM8000
TOP
TM8000
TOP
TOP
TM8000
TM8000
TM8000
TOP
TOP
TM8000
RADIO
RADIO

TM8100/TM8200 Accessories Manual 139
© Tait Electronics Limited August 2005
Tait General Software Licence Agreement
This legal document is an Agreement between
you (the “Licensee”) and Tait Electronics
Limited (“Tait”). By using any of the Software
or Firmware items prior-installed in the
related Tait product, included on CD or
downloaded from the Tait website,
(hereinafter referred to as “the Software or
Firmware”) you agree to be bound by the
terms of this Agreement. If you do not agree
to the terms of this Agreement, do not install
and use any of the Software or Firmware.
If you install and use any of the Software or
Firmware that will be deemed to be
acceptance of the terms of this
licence agreement.
The terms of this Agreement shall apply
subject only to any express written terms of
agreement to the contrary between Tait and
the Licensee.
Licence
TAIT GRANTS TO YOU AS LICENSEE THE NON-
EXCLUSIVE RIGHT TO USE THE SOFTWARE OR
FIRMWARE ON A SINGLE MACHINE PROVIDED
YOU MAY ONLY:
1. COPY THE SOFTWARE OR FIRMWARE INTO
ANY MACHINE READABLE OR PRINTED FORM
FOR BACKUP PURPOSES IN SUPPORT OF YOUR
USE OF THE PROGRAM ON THE SINGLE MACHINE
(CERTAIN PROGRAMS, HOWEVER, MAY INCLUDE
MECHANISMS TO LIMIT OR INHIBIT COPYING,
THEY ARE MARKED “COPY PROTECTED”),
PROVIDED THE COPYRIGHT NOTICE MUST BE
REPRODUCED AND INCLUDED ON ANY SUCH
COPY OF THE SOFTWARE OR FIRMWARE;
AND / OR
2. MERGE IT INTO ANOTHER PROGRAM FOR
YOUR USE ON THE SINGLE MACHINE (ANY
PORTION OF ANY SOFTWARE OR FIRMWARE
MERGED INTO ANOTHER PROGRAM WILL
CONTINUE TO BE SUBJECT TO THE TERMS AND
CONDITIONS OF THIS AGREEMENT).
THE LICENSEE MAY NOT DUPLICATE, MODIFY,
REVERSE COMPILE OR REVERSE ASSEMBLE ANY
SOFTWARE OR FIRMWARE IN WHOLE OR PART.
Important Notice
THE SOFTWARE OR FIRMWARE MAY CONTAIN
OPEN SOURCE SOFTWARE COMPONENTS
(“OPEN SOURCE COMPONENTS”). OPEN SOURCE
COMPONENTS ARE EXCLUDED FROM THE TERMS
OF THIS AGREEMENT EXCEPT AS EXPRESSLY
STATED IN THIS AGREEMENT AND ARE COVERED
BY THE TERMS OF THEIR RESPECTIVE LICENCES
WHICH MAY EXCLUDE OR LIMIT ANY
WARRANTY FROM OR LIABILITY OF THE
DEVELOPERS AND/OR COPYRIGHT HOLDERS OF
THE OPEN SOURCE COMPONENT FOR THE
PERFORMANCE OF THOSE OPEN SOURCE
COMPONENTS. YOU AGREE TO BE BOUND BY
THE TERMS AND CONDITIONS OF EACH SUCH
LICENCE. FOR MORE INFORMATION SEE:
http://support.taitworld.com/go/opensource
Title to Software
THIS AGREEMENT DOES NOT CONSTITUTE A
CONTRACT OF SALE IN RELATION TO THE
SOFTWARE OR FIRMWARE SUPPLIED TO THE
LICENSEE. NOT WITHSTANDING THE LICENSEE
MAY OWN THE MAGNETIC OR OTHER PHYSICAL
MEDIA ON WHICH THE SOFTWARE OR
FIRMWARE WAS ORIGINALLY SUPPLIED, OR HAS
SUBSEQUENTLY BEEN RECORDED OR FIXED, IT IS
A FUNDAMENTAL TERM OF THIS AGREEMENT
THAT AT ALL TIMES TITLE AND OWNERSHIP OF
THE SOFTWARE OR FIRMWARE, WHETHER ON
THE ORIGINAL MEDIA OR OTHERWISE, SHALL
REMAIN VESTED IN TAIT OR THIRD PARTIES
WHO HAVE GRANTED LICENCES TO TAIT.
Term a nd Termi nation
THIS LICENCE SHALL BE EFFECTIVE UNTIL
TERMINATED IN ACCORDANCE WITH THE
PROVISIONS OF THIS AGREEMENT. THE LICENSEE
MAY TERMINATE THIS LICENCE AT ANY TIME BY
DESTROYING ALL COPIES OF THE SOFTWARE OR
FIRMWARE AND ASSOCIATED WRITTEN
MATERIALS. THIS LICENCE WILL BE TERMINATED
AUTOMATICALLY AND WITHOUT NOTICE FROM
TAIT IN THE EVENT THAT THE LICENSEE FAILS TO
COMPLY WITH ANY TERM OR CONDITION OF
THIS AGREEMENT. THE LICENSEE AGREES TO
DESTROY ALL COPIES OF THE SOFTWARE OR
FIRMWARE AND ASSOCIATED WRITTEN
MATERIALS IN THE EVENT OF
SUCH TERMINATION.
140 TM8100/TM8200 Accessories Manual
© Tait Electronics Limited August 2005
Limited Warranty
THE SOFTWARE OR FIRMWARE (INCLUDING
OPEN SOURCE COMPONENTS) IS SUPPLIED BY
TAIT AND ACCEPTED BY THE LICENSEE “AS IS”
WITHOUT WAR RANTY OF ANY KIND EITHER
EXPRESSED OR IMPLIED, INCLUDING BUT NOT
BEING LIMITED TO ANY IMPLIED WARRANTIES AS
TO MERCHANTABILITY OR FITNESS FOR ANY
PARTICULAR PURPOSE. THE LICENSEE
ACKNOWLEDGES THAT THE SOFTWARE OR
FIRMWARE (INCLUDING OPEN SOURCE
COMPONENTS) IS USED BY IT IN BUSINESS AND
ACCORDINGLY TO THE MAXIMUM EXTENT
PERMITTED BY LAW NO TERMS OR WARRANTIES
WHICH ARE IMPLIED BY LEGISLATION SHALL
APPLY TO THIS AGREEMENT. TAIT DOES NOT
WARRANT THAT THE FUNCTIONS CONTAINED
IN THE SOFTWARE OR FIRMWARE (INCLUDING
OPEN SOURCE COMPONENTS) WILL MEET THE
LICENSEE’S REQUIREMENTS OR THAT THE
OPERATION OF THE SOFTWARE OR FIRMWARE
(INCLUDING OPEN SOURCE COMPONENTS) WILL
BE UNINTERRUPTED OR ERROR FREE.
Exclusion of Liability
IN NO CIRCUMSTANCES SHALL TAIT BE UNDER
ANY LIABILITY TO THE LICENSEE, OR ANY
OTHER PERSON WHATSOEVER, WHETHER IN
TORT (INCLUDING NEGLIGENCE), CONTRACT
(EXCEPT AS EXPRESSLY PROVIDED IN THIS
AGREEMENT), EQUITY, UNDER ANY STATUTE,
OR OTHERWISE AT LAW FOR ANY LOSSES OR
DAMAGES WHETHER GENERAL, SPECIAL,
EXEMPLARY, PUNITIVE, DIRECT, INDIRECT OR
CONSEQUENTIAL ARISING OUT OF OR IN
CONNECTION WITH ANY USE OR INABILITY OF
USING THE SOFTWARE OR FIRMWARE
(INCLUDING OPEN SOURCE COMPONENTS).
THE LICENSEE’S SOLE REMEDY AGAINST TAIT
WILL BE LIMITED TO BREACH OF CONTRACT
AND TAIT’S SOLE AND TOTAL LIABILITY FOR ANY
SUCH CLAIM SHALL BE LIMITED AT THE OPTION
OF TAIT TO THE REPAIR OR REPLACEMENT OF
THE SOFTWARE OR FIRMWARE OR THE REFUND
OF THE PURCHASE PRICE OF THE SOFTWARE
OR FIRMWARE.
General
THE LICENSEE CONFIRMS THAT IT SHALL
COMPLY WITH THE PROVISIONS OF LAW IN
RELATION TO THE SOFTWARE OR FIRMWARE.
Law and Jurisdiction
THIS AGREEMENT SHALL BE SUBJECT TO AND
CONSTRUED IN ACCORDANCE WITH
NEW ZEALAND LAW AND DISPUTES BETWEEN
THE PARTIES CONCERNING THE PROVISIONS
HEREOF SHALL BE DETERMINED BY THE NEW
ZEALAND COURTS OF LAW. PROVIDED HOWEVER
TAIT MAY AT ITS ELECTION BRING PROCEEDINGS
FOR BREACH OF THE TERMS HEREOF OR FOR
THE ENFORCEMENT OF ANY JUDGEMENT IN
RELATION TO A BREACH OF THE TERMS HEREOF
IN ANY JURISDICTION TAIT CONSIDERS FIT FOR
THE PURPOSE OF ENSURING COMPLIANCE WITH
THE TERMS HEREOF OR OBTAINING RELIEF FOR
BREACH OF THE TERMS HEREOF.
No Dealings
THE LICENSEE MAY NOT SUBLICENSE, ASSIGN OR
TRANSFER THE LICENCE OR THE PROGRAM
EXCEPT AS EXPRESSLY PROVIDED IN THIS
AGREEMENT. ANY ATTEMPT OTHERWISE TO
SUBLICENSE, ASSIGN OR TRANSFER ANY OF THE
RIGHTS, DUTIES OR OBLIGATIONS HEREUNDER
IS VOID.
No Other Terms
THE LICENSEE ACKNOWLEDGES THAT IT HAS
READ THIS AGREEMENT, UNDERSTANDS IT AND
AGREES TO BE BOUND BY ITS TERMS AND
CONDITIONS. THE LICENSEE FURTHER AGREES
THAT SUBJECT ONLY TO ANY EXPRESS WRITTEN
TERMS OF AGREEMENT TO THE CONTRARY
BETWEEN TAIT AND THE LICENSEE THIS IS THE
COMPLETE AND EXCLUSIVE STATEMENT OF THE
AGREEMENT BETWEEN IT AND TAIT IN
RELATION TO THE SOFTWARE OR FIRMWARE
WHICH SUPERSEDES ANY PROPOSAL OR PRIOR
AGREEMENT, ORAL OR WRITTEN AND ANY
OTHER COMMUNICATIONS BETWEEN THE
LICENSEE AND TAIT RELATING TO THE
SOFTWARE OR FIRMWARE.