Manual VMB TL A400 8.. 8 18 06
User Manual: Pdf Manual-VMB-TL-A400-8..
Open the PDF directly: View PDF
.
Page Count: 40

V.05.18
OPERATING INSTRUCTIONS USER MANUAL
MANUAL DE INSTRUCCIONES
TL-A400/8
LINE ARRAY
GBE USA D
TOWERLIFT
TORRE ELEVADORA
TRAVERSENLIFT

LIFTING TOWER TL-A400/8
TORRE ELEVADORA TL-A400/8
TRAVERSENLIFT TL-A400/8
PRO LIFTS S.L.
C/ Ciudad de Barcelona Nº19
Pol.Ind. Fuente del Jarro
46988 Paterna (Valencia)
Tlf Export: +34 96 171 81 86
Tlf Nacional: 96 171 81 83
info@prolifts.es - www.prolifts.es
Manufacturer - Fabricante
Este manual de usuario y catálogo anexo de piezas de repuesto es propiedad de PRO LIFTS S.L.
Queda prohibida su reproducción total o parcial por cualquier medio que la tecnología actual permita.
Deposito legal y copyright 2015. Todos los derechos reservados.
MADE IN SPAIN (EU)
BGV-C1
BGG-912
EC Conformity Declaration pursuant to the EC Machinery Directives 89/392/CE and
98/37/CE: Manual lifters
Find a copy of the certications at the end of this booklet.
Puede ver una copia de las certicaciones al nal del manual.
CONTENTS / ÍNDICE
Features of the TL-A400/8 Towerlift / Características TL-A400/8.............3 - 4
English Quick operation guide.............................................................................5 - 11
Manual de usuario Español...................................................................................12 - 19
Bedienungsanleitung Deutsch.................................................................... ........20 - 26
Sketches / Planos piezas.........................................................................................27 - 35
Spare part list / Lista de repuestos.............................................................. ........36 - 39
Certifications / Certificaciones..............................................................................40
Actualizado a partir de número de serie 74214
Updated from serial number 74214

Depósito legal y copyright. Todos los derechos reservados. 3PRO LIFTS S.L.
T
V
E
A
TL-A400/8
S
A: Reinforcement struts for line array / Refuerzo especial para Line Array
E: Anchor points for struts / Anclaje del tirante refuerzo frontal para Line Array
F: Load forks / Brazos de carga
S: Transport compartment for legs / Alojamiento de transporte para patas
T: Transport wheels / Ruedas de transporte
V: Working compartment for legs / Alojamiento de trabajo para patas
F

Depósito legal y copyright. Todos los derechos reservados. 4PRO LIFTS S.L.
TL-A400/8
ALS-C: Auto Lock System carriage / Gatillo automático carro
ALS-1: Auto Lock System 1st prole / Gatillo automático tramo 1
ALS-2: Auto Lock System 2nd prole / Gatillo automático tramo 2
ALS-3: Auto Lock System 3rd prole / Gatillo automático tramo 3
H: Handle / Manivela
L: Spirit level
N: Force on hand crank / Fuerza sobre manivela
P: Leg / Pata
Q1: Stabilizer / Estabilizador
Q2: Base stabilizer / Estabilizador central base
R: Catch pawl / Gatillo bloqueo patas
SRS: Sequence Retainer System
W: Winch / Cabrestante
W
N1
N2
Q2
L
ALS-C
ALS-1
ALS-2
ALS-3
ALS-4
P
Q1 H
SRS
R

Depósito legal y copyright. Todos los derechos reservados. 5PRO LIFTS S.L.
Quick operation guide ENGLISH
CONTENTS
1. Introduction.
2. Technical information.
3. Safety precautions.
4. Operation.
5. Maintenance.
6. Guarantee.
1. INTRODUCTION
Dear customer, in order to ensure a safe
and reliable operation of the TL-A400
towerlift please follow the instructions in
this booklet carefully. Before operating the
lift, read the instructions completely and
please note the technical information con-
tained within this manual.
All VMB products undergo very rigorous
testing, under strict conditions and they
are monitored continuously during the ma-
nufacturing process.
In order to guarantee the lifts function and
safety, only original parts from the manu-
facturer must be used. If any parts other
than those of the manufacturer are used,
or the product is modied in any way, the
user forfeits all warranty rights to claim.
VMB reserves the right to modify the pro-
duct specications without prior notice.
The model type, production year and se-
rial number must be quoted in any queries
or orders for spare parts.
2. TECHNICAL INFORMATION
2.1 - TL-A400/8 Towerlift.
2.2 - Designed to lift audio systems, such
as PA systems or Line Array, up to diffe-
rent heights.
2.3 - Maximum load : 400 kg (881.9 lb).
2.4 - Minimum load: 25 Kg (55 lb).
2.5 - Security :
ALS (Automatic Lock System).
2.6 - Maximum height : 8.20 m (26.9’).
2.7 - Folded height : 1.98 m (6.5’).
2.8 - Transport surface:
0,55 x 0,68 x 1,98m (1.8 x 2.23 x 6,5’)
2.9 - Shipping dimension:
0,56 x 0,70 x 2,00m (1.84 x 2.30 x 6.56’)
2.10 - Work surface :
2.57 x 2.12 m (8.4’ x 7’).
2.11 - Unit weight: 230 kg (507.1lb).
2.12. - Load support:
Long reinforced forks (74.5 cm).
2.13 - Construction material : 6082-T6
alluminium for the main body, comprised
of ve proles and a lifting carriage. Base
and legs are made of steel prole accor-
ding to DIN 2394. Catches and pulleys of
ST-37 steel.
2.14 - Winch: 1200 Kg. maximum load
with automatic brake.
Certication CE and GS TÜV.

Depósito legal y copyright. Todos los derechos reservados. 6PRO LIFTS S.L.
Quick operation guide ENGLISH
3. SAFETY PRECAUTIONS.
2.15 - Cable : Steel DIN 3060. Quality
180 kg/mm2 twist resistant.
Cable diameter: Ø6 mm.
2.16 - Adjustable stabilizing feet with rub-
ber non-slip supports.
2.17 - Safety catches to anchor the legs.
2.18 - Antirust protection, primed paint
with cured polyester dust cover. The tower
can be supplied with natural aluminium
nish or black (version B).
2.19 - Spirit level to adjust the tower ver-
tically.
2.20 - Swivel wheels to transport the lift
when folded.
3.1 - The TL-A400/8 is a machine designed to elevate
loads upwards in a vertical direction, It should NEVER
be used as a platform to elevate people.
3.3 - The maximum load indicated on the characteristics
label and the instructions manual should not be excee-
ded.
3.4 - This lift should NEVER be used to elevate a load
that has not been properly checked. It is necessary to
verify that the load is correctly supported and centred
on the appropriate lift support so that the weight of the
load will only elevate in a vertical direction.
3.2 - Only place the lift on hard, at surfaces always
checking that it is in a vertical position by using the bub-
ble level indicator (L) found on the base. Adjust the leg
stabilizers (Q) by turning the handles (H) to level if ne-
cessary. NEVER use wedges or other foreign objects to
balance the lift.

Depósito legal y copyright. Todos los derechos reservados. 7PRO LIFTS S.L.
Quick operation guide ENGLISH
3.6 - NEVER use the lift on a vehicle or any other mobile
surface.
3.7 - If there is a possibility of strong winds or gusts,
place the lift on the ground rmly and secure it with the
use of straps. NEVER attach a strap to a vehicle or any
other object that can possibly be moved.
3.8 - NEVER move the lift whilst it is carrying a load. It
is not advisable to carry out any type of horizontal mo-
vement even small positional adjustments.
3.9 - NEVER allow any team member below the load or
anybody else in the lifts operating zone.
3.10 - Take care with all obstacles above the lift and
its extension zone such as cornices, balconies, and
luminous signboards. It is very important to avoid the
presence of all types of cables below the extended lift.
3.5 - Check that the legs (P) are placed and set-up co-
rrectly with their safety pins (R) inserted and locked.
3.11 - Do not use stepladders on the lift or use it as a
support for them.

Depósito legal y copyright. Todos los derechos reservados. 8PRO LIFTS S.L.
Quick operation guide ENGLISH
3.12 - Before using the lift, check the condition of the
cable. The cable should not have broken threads or
show any signs of crushed/attened areas. NEVER use
faulty cables, always change them if there is any doubt.
Only use VMB steel cables; reference: DIN 3060.
Quality: 180KG/mm and torsion resistant.
3.14 - Do not grease or lubricate the winch’s braking
mechanism. The brake disks have been greased with
a special heat and pressure resistant solution. Other
products should not be used to avoid negative effects
regarding the braking mechanism.
3.15 - The minimum load to avoid problems regarding
the braking mechanism is 25Kg. Without this load the
brake will not work.
3.16 - NEVER take apart the crank of the winch when
the lift is carrying a load or extended.
3.13 - All sections must be lowered rst, and the legs
placed in its transport position, before transportation.
3.17 - Only original replacement parts should be used.
ORIGINAL

Depósito legal y copyright. Todos los derechos reservados. 9PRO LIFTS S.L.
Quick operation guide ENGLISH
4. USER INSTRUCTIONS.
4.1 - Place the lift on a rm, at surface
in the area it is to be used with the help of
the transport wheels (T).
4.2 - Remove the legs (P) from their trans-
port compartment (S) and fully insert them
into their working positions (V) checking
that they are xed by the pins (R). Remo-
ve the reinforcement struts (A) as well and
place them in their anchor points (E), x
them with their corresponding pins and
clips.
4.3 - Check that the lift is in vertical posi-
tion using the spirit level (L) at the base of
the tower, adjust the stabilizer of the legs
(Q1), turning the handle (H) if necesary.
Finally, adjust the base stabilizer (Q2)
until it touches the oor.
4.4 - Release the forks (F) and place them
in its working horizontal position ready to
take the load on them. Insert the pins to
block the forks.
4.5 - DO NOT OVERLOAD THE LIFT.
MAXIMUM LOAD IS 400 kg (881.9 lb)
The lift should NEVER be overloaded.
Safety at work is the most important is-
sue. Place the load onto the lift using an
adequate VMB support according to the
need, use so that the weight of the load
will only be elevated in a vertical direction.
The minimum load is 25 Kg.
4.6 - How to place the load: Always load
as close to the tower as possible.
The maximum load diminishes according
to the distance from the body of the tower
as illustrated in the diagram 4.6.1, which
shows the load on the gravity centre with
distances to the lifting carriage at a maxi-
mum lifting. Use a VMB adaptor if neces-
sary.
CAUTION
When two towers are used to elevate a
truss bridge, or many towers to elevate a
structure of any type, it is almost impos-
sible that two or more people co-ordinate
the winches elevating or lowering the
loads, at exactly the same pace. At a cer-
tain point each tower will be extended to
different height. For this reason it is ne-
cessary that the structure does not stretch
and allows for these differences.
With a rigid xation and if the level diffe-
rence is signicant, the force generated
from the handle of the winch will deform
the structure and apply a lateral force to
the lifts causing them to break and block.
WIND SPEED CALCULATIONS
The BGV-C1 is an indoor certication. If you are going to use the towerlift
outdoor and require a wind speed calculation please contact us, or con-
tact a certied structural engineer.

Depósito legal y copyright. Todos los derechos reservados. 10PRO LIFTS S.L.
Quick operation guide ENGLISH
B
C
D
E
A
4.7 - Elevation:
Turn the winch crank clockwise (N1) to lift
the carriage and proles. The ALS sys-
tem enable the lift to rise and automati-
cally block the carriage and proles whilst
rising ensuring that it will never fall. This
enables the cable to be without any force
and means it is only used for the elevation
and descent of the lift. The SRS (Sequen-
ce-Retainer-System) will also ensure that
the proles rise in sequence, one after the
other.
4.8 - Hold:
The tower can be left in any intermediate
position if it is necessary. Just stop turning
the handle of the winch and gently turn it
in an anticlockwise direction (N2) to block
the last prole risen. The ALS lock will
take the pressure of the load and release
strain applied on the cable.
4.9 - Lowering:
To bring the lift down you need to rst
turn the winch handle slightly clockwise
(N1) and at the same time pull the red
ALS lock (ALS-1) out. This releases the
blocking systems. Then turn the handle
anti-clockwise (N2), whilst maintaining the
ALS lock pulled out until the prole has
been completely lowered. All red ALS
locks (ALS-2, ALS-3 & ALS-C) should be
pulled out one by one whilst the handle is
turned anti-clockwise (N2) and the proles
are brought down, one by one.
Security system ALS / ILS
The TL-A400/8 incorporates the patented
security system ALS (Automatic Lock Se-
curity). This VMB red trigger system auto-
matically blocks the tower in the position it
is left in. Each section of lift has an ALS
that blocks the section in the unlikely event
of the cable breaking. For a more complete
security the lifting carriage incorporates the
ILS system (Inertial Lock Security).
Diagram 4.6.1
Distance from the
load’s center to the
axel of the tower
Maximum load
TL-A400/8
A50 cm
(1.64’)
400 kg
(881.9 lb)
B55 cm
(1.80’)
330 kg
(727.5 lb)
C60 cm
(1.97’)
260 kg
(573.2 lb)
D65 cm
(2.13’)
205 kg
(451.95 lb)
E70 cm
(2.30’)
150 kg
(330.7 lb)

Depósito legal y copyright. Todos los derechos reservados. 11PRO LIFTS S.L.
Quick operation guide ENGLISH
spiral of the crank, and the sections.
5.3 - All lifts should undergo an annual
technical inspection carried out by an
authorized VMB dealer to check the cer-
tications and general condition of all the
lift’s elements and security systems invol-
ved in the lift’s use.
5.4 - Only use original spare parts to gua-
rantee a continued security level. The
user loses all rights to warranty if any spa-
re parts other than originals are used or
carries out any modication or alteration
to the towerlift.
5.5 - To request a spare part please in-
dicate the corresponding code which can
be found in this manual together with the
lift’s serial number and year of manufac-
ture.
6. GUARANTEE.
The warranty period for this lift is 2 years
from the date of purchase.
PRO LIFTS S.L. promises, that from the
date of purchase and during the warranty
period to resolve any faults that may oc-
cur, produced through defect material or
fabrication. Damage caused by improper
use, product modication, third party ma-
nipulation or accidental re are not cove-
red by this warranty.
If you release your nger from the ALS
lock it will automatically block. In this
case, repeat the rst operation by turning
slightly clockwise (N1) and then anti-cloc-
kwise (N2) whilst always pulling the red
ALS lock out. It is necessary to completely
lower each prole before starting to lower
the next. DO NOT pull another red ALS
lock without having completely lowered
the previous prole.
4.10 - Transport:
For the transport of the tower is necessary
to fold the machine lowering every prole
completely. Once the towerlift is comple-
tely folded, place the legs and the struts
(A) in their transport compartment (S),
and tighten the transport knobs (K), then
the lift will be ready to be transported.
5. MAINTENANCE.
5.1 - Regularly check the state of the ca-
ble. If the cable has broken threads, or if
it shows any signs of crushed/attened
areas, it should be changed and replaced
immediately with a new one. Do not use
the lift if the cables are in bad condition.
Only use VMB steel cables reference: DIN
3060 torsion resistant.
5.2 - The lift is supplied from the factory
completely greased. However, it is recom-
mended to periodically grease according
to use, the gearing, the axis bearings, the

Depósito legal y copyright. Todos los derechos reservados. 12PRO LIFTS S.L.
Manual de usuario ESPAÑOL
CONTENIDO
1. Introducción.
2. Información técnica.
3. Precauciones de seguridad.
4. Instrucciones de uso.
5. Mantenimiento.
6. Garantía.
1. INTRODUCCIÓN
Estimado cliente: Con el n de garantizar
un funcionamiento seguro y able de la
torre elevadora TL-A400 por favor, siga
cuidadosamente las instrucciones de este
manual. Antes de manipular la torre ele-
vadora, lea las instrucciones completas
y tenga en cuenta la información técni-
ca contenida en este manual. Todos los
productos de VMB se someten a pruebas
muy rigurosas, en condiciones estrictas y
son monitorizados continuamente duran-
te el proceso de fabricación. Con el n de
garantizar el correcto funcionamiento y
seguridad de los elevadores, sólo deben
ser utilizadas piezas originales del fabri-
cante. Si se utilizan piezas que no sean
las originales del fabricante, o el producto
se modica de alguna manera, el usuario
pierde todos los derechos de garantía.
VMB se reserva el derecho de modicar
las especicaciones y las piezas del pro-
ducto sin previo aviso. El tipo de modelo,
año de producción y el número de serie
deben ser citadas en cualquier consulta o
pedido de piezas de recambio.
2. INFORMACIÓN TÉCNICA
2.1 - Torre elevadora TL-A400/8.
2.2 - Diseñada para levantar sistemas de
audio, como sistemas de Line Array o PA,
en sentido vertical a diferentes alturas.
2.3 - Carga máxima: 400 kg (881.9 lb).
2.4 - Carga mínima: 25 Kg (55 lb).
2.5 - Seguridad: ALS (Sistema de gatillo
automático de seguridad).
2.6 - Altura máxima: 8.20 m (26.9’).
2.7 - Altura plegada: 1,98 m (6.5’).
2.8 - Dimensiones de la torre plegada:
0,55 x 0,68 x 1,98m (1.8 x 2.23 x 6.5’)
2.9 - Dimensiones de la caja transporte:
0,56 x 0,70 x 2,00m (1.84 x 2.30 x 6.59’)
2.10 - Área de la base:
2.57 x 2.12 m (8.4’ x 7’).
2.11 - Peso de la torre: 230 kg (507.1 lb).
2.12 - Soporte de carga: Brazos de carga
largos reforzados (74.5cm).
2.13 - Material de construcción: Cuerpo
principal de cinco tramos más carro ele-
vador en perl de aluminio extrusionado
6082-T6. Base, patas y soportes varios,
en perleria de acero según DIN 2394.
Gatillos de seguridad y poleas acanala-
das en acero ST-37.
2.14 - Cabestrante: 1200 kg de carga
máxima con freno automático de retención
de la carga. Certicación CE y GS TÜV.

Depósito legal y copyright. Todos los derechos reservados. 13PRO LIFTS S.L.
Manual de usuario ESPAÑOL
3. PRECAUCIONES DE SEGURIDAD
2.15 - Cable: Acero DIN 3060. Calidad de
resistencia a la torsión 180 kg/mm2.
Diámetro del cable: Ø6 mm.
2.16 - Patas estabilizadoras ajustables
con soportes de goma antideslizante.
2.17 - Gatillos de seguirdad para anclar
las patas.
2.18 - Protección anti-óxido, imprimación
con pintura de polvo poliester al horno. La
torre puede ser suministrada con acaba-
do natural de aluminio o negro (versión
B).
2.19 - Nivel de burbuja para ajustar la ver-
ticalidad de la torre.
2.20 - Ruedas direccionales para el trans-
porte de la torre cuando este plegada.
3.1 - La torre elevadora TL-A400/8 es una máquna diseña-
da para la elevación de cargas en dirección vertical. NUNCA
se debe utilizar como plataforma eleavadora de personas.
3.3 - La carga máxima indicada en las características téc-
nicas mostradas en la etiqueta de la torre o en este manual
NO deben ser excedidas.
3.2 - Colocar el elevador sólo en supercies rmes y planas,
vericando que está en posición vertical, utilizando el indi-
cador de nivel de burbuja (L) que se encuentra en la base.
Ajuste los estabilizadores (Q) girando las manivelas (H)
hasta nivelar, si es necesario. Nunca utilice cuñas u otros
objetos extraños para equilibrar el elevador.
3.4 - Este elevador NUNCA debe utilizarse para elevar una
carga que no ha sido correctamente revisada. Es necesario
vericar que la carga está correctamente apoyada y centra-
da en el soporte de elevación apropiado para que el peso de
la carga sólo actúe en una dirección vertical.

Depósito legal y copyright. Todos los derechos reservados. 14PRO LIFTS S.L.
Manual de usuario ESPAÑOL
3.6 - NUNCA use el elevador sobre un vehículo o cualquier
supercie móvil.
3.7 - Si existe la posibilidad de vientos fuertes o ráfagas,
coloque el elevador en el suelo con rmeza y jelo median-
te tirantes tensores. Nunca je un tirante a un vehículo o
cualquier otro objeto que se pueda mover.
3.8 - NUNCA mueva el elevador mientras esté cargado. No
es aconsejable llevar a cabo cualquier tipo de movimiento
horizontal, ni tan sólo pequeños ajustes de posición.
3.9 - NUNCA permita que ningún miembro del equipo o
cualquier otra persona se sitúe debajo de la carga en la
zona de operación de las torres elevadoras.
3.5 - Comprobar que las patas (P) estén situadas correcta-
mente, y jadas con los gatillos de seguridad (R) los cuales
deben estar introducidos y bloqueados.
3.10 - Tenga cuidado con todos los obstáculos por encima
de la elevación y su zona de extensión, como cornisas,
balcones, letreros luminosos, etc. Es muy importante evi-
tar la presencia de todo tipo de cables por debajo de la
torre extendida.
3.11 - No usar escaleras encima del elevador ni utilizarlo
como un apoyo para éstas.

Depósito legal y copyright. Todos los derechos reservados. 15PRO LIFTS S.L.
Manual de usuario ESPAÑOL
3.12 - Antes de utilizar el elevador, compruebe el estado
del cable. El cable no debe contener hilos rotos o mostrar
signos de áreas aplastadas/aplanadas.
NUNCA use cables defectuosos, siempre debe cambiarlos
si hay alguna duda. Utilice solamente cable de acero VMB
referencia: DIN 3060. Calidad: 180kg/mm y resistente a la
torsión.
3.13 - Antes de transportar la torre, todos los tramos deben
ser bajados, y las patas deben extraerse y colocarse en su
posición de transporte.
3.14 - No engrasar ni lubricar el mecanismo de freno del
cabestrante. Los discos de freno vienen engrasados con
una solución especial resistente a la presión y al calor. No
deben utilizarse otros productos, para evitar los efectos
negativos sobre el mecanismo de frenado.
3.15 - La carga mínima para evitar problemas relaciona-
dos con el mecanismo de rotura es 25 kg. Sin esta carga
mínima el freno no funcionará.
3.16 - NUNCA desmontar la manivela del cabrestante
cuando el elevador está soportando una carga o exten-
dido.
3.17 - Sólo deben ser utilizadas piezas de repuesto
originales de VMB PRO LIFTS S.L.
ORIGINAL

Depósito legal y copyright. Todos los derechos reservados. 16PRO LIFTS S.L.
Manual de usuario ESPAÑOL
4. INSTRUCCIONES DE USO.
4.1 - Coloque el elevador sobre una su-
percie rme y plana de la zona de traba-
jo sirviendose de las ruedas direccionales
de transporte (T).
4.2 - Extraiga las patas (P) de su aloja-
miento para transporte (S) e insertelas
totalmente en su posición de trabajo (V),
comprobando que los gatillos de seguri-
dad (R) se insertan y jan la pata. Extrai-
ga también los tirantes de apoyo especial
(A) y coloquelos en su posición de sujec-
ción (E) asegurandolos con su pasador y
clip de seguridad.
4.3 - Compruebe que la torre esta en
posición vertical sirviendose del nivel de
burbuja (L) situado en el perl base, si es
necesario ajuste la vertical de la torre con
los estabilizadores (Q1) de las patas, gi-
rando las manivelas (H). Por último ajuste
el estabilizador central situado en la base
(Q2) hasta que este toque el suelo.
4.4 - Libere los brazos de carga (F) y co-
loquelos en posición horizontal e inserte
los pasadores de seguridad con sus clips.
4.5 - LA CARGA MÁXIMA PARA
TL-A400 ES 400 kg (881.9 lb).
La torre elevadora NUNCA debe ser so-
brecargada. La Seguridad en el Trabajo
es el elemento más importante. Coloque
la carga en el elevador mediante un so-
porte adecuado según la necesidad de
modo que el peso de la carga sólo actúe
en dirección vertical. La carga mínima
son 25 kg.
4.6 - Como colocar la carga:
Cargue siempre tan cerca de la torre
como pueda. La capacidad de carga de
la torre decrece cuanto más lejos este la
carga separada de la torre, como se ilus-
tra en el esquema (4.6.1) de la siguiente
página. El cual muestra la carga en su
centro de gravedad con distancias al ca-
rro elevador que sostiene los brazos y a
máxima altura.
PRECAUCIÓN
Cuando se utilizan dos torres para elevar
un puente, descender truss o varias torres
para elevar una estructura de cualquier
tipo, es casi imposible que dos o más per-
sonas coordinen los cabrestantes exacta-
mente a la misma velocidad al elevar o
bajar las cargas. En un momento deter-
CÁLCULOS DE VELOCIDAD DE VIENTO
Tenga en cuenta que el certicado BGV-C1 es para montajes en interiores. Si usted va a
usar la torre al aire libre y requiere de un cálculo de velocidad de viento puede ponerse
en contacto con nosotros, o bien acudir a un ingeniero estructural colegiado.

Depósito legal y copyright. Todos los derechos reservados. 17PRO LIFTS S.L.
Manual de usuario ESPAÑOL
B
C
D
E
A
Sistema de seguridad ALS / ILS
El TL-A400/8 incorpora el sistema de
seguridad patentado ALS (bloqueo auto-
mático de seguridad). Este sistema VMB
de gatillo rojo bloquea automáticamente
la torre en la posición que se deja. Cada
tramo de elevación tiene un ALS que blo-
quea el tramo en el caso improbable de
que el cable se rompa. Para aún más se-
guridad el carro también incorpora el sis-
tema ILS de bloqueo de inercia.
4.7 - Elevación:
Gire la manivela del cabestrante en sen-
tido horario (N1) para elevar el carro y los
tramos. El sistema de gatillos ALS le per-
mitirá elevar todos los tramos mientras
que estos se van bloqueando automáti-
camente, asegurando que la torre nunca
caerá. Esto hace que no actue ninguna
fuerza sobre el cable mientras la torre
esta parada, lo que signica que solo será
usado para elevar y descender la torre.
El sistema único SRS permite que los
perles se eleven de forma secuencial u
ordenada, uno detrás de otro.
4.8 - Bloqueo:
La torre puede dejarse en cualquier po-
sición intermedia si se requiere. Una vez
el sistema esta elevado hasta la altura
deseada tan solo deje de girar la mani-
vela y el freno automático del cabrestan-
te bloqueará y sujetará la carga, en este
momento gire la manivela del cabrestante
minado cada torre se elevará a una altura
diferente a la de las demás. Por ello, es
necesario que la estructura no se esti-
re y permita estas diferencias. Con una
jación rígida y si la diferencia de nivel es
importante, la fuerza generada a partir de
la manivela del cabrestante deformará la
estructura y aplicará una fuerza lateral a
los elevadores provocando su bloqueo y
ruptura.
Esquema 4.6.1
Distancia del
centro de la carga
al eje de la torre
Carga Máxima
TL-A400/8
A50 cm
(1.64’)
400 kg
(881.9 lb)
B55 cm
(1.80’)
330 kg
(727.5 lb)
C60 cm
(1.97’)
260 kg
(573.2 lb)
D65 cm
(2.13’)
205 kg
(451.95 lb)
E70 cm
(2.30’)
150 kg
(330.7 lb)

Depósito legal y copyright. Todos los derechos reservados. 18PRO LIFTS S.L.
Manual de usuario ESPAÑOL
4.7 - Transporte:
Para el transporte de la torre es necesa-
rio bajar completamente todos los tramos.
Una vez la torre haya sido plegada, co-
loque las patas y los tirantes de refuerzo
especial para Line Array en su alojamien-
to para transporte (S) y apriete los pomos
de transporte (K), y la torre ya estará lista
para su transporte.
5. MANTENIMIENTO
5.1 - Comprobar periódicamente el esta-
do del cable. Si en el cable existen hilos
rotos, o si muestra signos de zonas aplas-
tadas/aplanadas, debe ser sustituido in-
mediatamente por uno nuevo. No use el
elevador si los cables están en mal esta-
do. Utilice solamente cable de acero DIN
3060 resistente a la torsión.
5.2 - La torre elevadora es suministrada
de fábrica completamente engrasada.
Sin embargo, se recomienda un engrase
periódico, según el uso, de las ruedas de
fricción, los cojinetes de eje, la espiral de
la manivela, y los tramos.
RECUERDE: NUNCA engrasar ni lubricar
el mecanismo de freno. No es necesario
engrasar los discos de freno. Los discos
de freno vienen engrasados con una so-
lución especial resistente a la presión y al
calor. No deben utilizarse otros productos,
para evitar los efectos negativos sobre el
mecanismo de frenado.
en sentido anti-horario (N2) para bloquear
el último tramo con el gatillo ALS rojo. Los
gatillos tomarán la presión de la carga y
liberará la tensión aplicada al cable.
4.9 - Descenso:
Para descender la torre es necesario,
primero girar la manivela del cabrestan-
te ligeramente en sentido horario (N1)
para liberar el gatillo ALS rojo (ALS-1), a
continuación girar la manivela en sentido
anti-horario (N2) mientras se sigue tirando
del gatillo ALS rojo (ALS-1), hasta que el
tramo esté completamente bajado. Todos
los gatillos ALS rojos (ALS-2, ALS-3 &
ALS-C) deben ser desbloqueados mien-
tras se gira la manivela del cabrestante
en sentido anti-horario (N2), repita esta
operación hasta descender todos los per-
les de uno en uno.
Si en el proceso se quita el mano del ALS
se bloqueará automáticamente. En este
caso, repita la primera operación girando
ligeramente la manivela en sentido hora-
rio, desbloquando el ALS y siguiendo en
sentido anti-horario, mantener al tiempo
los ALS rojos desbloqueados. Debe des-
cender completamente cada tramo antes
de empezar a bajar el siguiente.
NUNCA tire de otro ALS rojo sin haber
bajado completamente el tramo anterior.

Depósito legal y copyright. Todos los derechos reservados. 19PRO LIFTS S.L.
Manual de usuario ESPAÑOL
5.3 - Todos los elevadores se someten a
una inspección técnica anual llevada a
cabo por un distribuidor autorizado VMB
para comprobar las certicaciones y el
estado general de todos los elementos de
elevación y sistemas de seguridad que in-
tervienen en el uso del elevador.
5.4 - Utilice únicamente piezas de repues-
to originales para garantizar el nivel de
seguridad de forma continuada. El usua-
rio pierde todos los derechos de garantía
si las piezas de repuesto utilizadas no son
originales o se utilizan o se lleva a cabo
cualquier modicación o alteración de la
torre elevadora.
5.5 - Para solicitar una pieza de recam-
bio indique el código correspondiente que
se encuentra en este manual junto con el
número de serie de la torre y el año de
fabricación.
6. GARANTÍA
El período de garantía para este elevador
es de 2 años a partir de la fecha de com-
pra.
PRO LIFTS S.L. se compromete, que a
partir de la fecha de compra y durante el
período de garantía, a resolver los fallos
que puedan producirse, debidos a mate-
rial defectuoso o fabricación. Los daños
causados por un uso inadecuado, modi-
cación del producto, la manipulación de
terceros o incendio accidental no están
cubiertos por esta garantía.

Depósito legal y copyright. Todos los derechos reservados. 20PRO LIFTS S.L.
Bedienungsanleitung DEUTSCH
INHALTSVERZEICHNIS
1. Einführung.
2. Technische Daten.
3. Sicherheitsmaßnahmen.
4. Bedienungsanleitung.
5. Wartung.
6. Garantie.
7. Zertikat.
1. EINFÜHRUNG
Sehr geehrte Damen und Herren,
die vorliegende Betriebsanleitung wurde
mit dem Zweck erstellt, eine zuverlässige
Bedienung des TL-A400/8 Hebeturms
zu ermöglichen. Lesen Sie bitte die Be-
triebsanleitung vor der Inbetriebnahme
sorgfältig durch. Bitte beachten Sie auch
die technische Daten.
Unsere Produkte unterliegen strengsten
Prüfungen und Kontrollen bei der Fertigung.
Es sind ausschließlich Original-Ersatzteile
zu verwenden. Für den Anwender werden
alle Gewährleistungsansprüche aufge-
hoben, wenn er Nicht-Original-Ersatzeile
verwendet bzw. änderungen am Produkt
selbst vormimmt.
2. TECHNISCHE DATEN.
2.1 - Hebeturm, Typ TL-A400/8.
2.2 - Das Gerät ist zum senkrechten Heben
von Lasten, wie Beleuchtungskörper auf
verschiede Höhen, konzipiert worden.
2.3 - Zulässige Hubkraft: 400 kg (881.9 lb)
2.4 - Mindesthublast : 25 Kg.
2.5 - Zulässige Hubhöhe: 8.20 m (26.9’)
2.6 - Mindesthöhe: 1.98 m (6.5’)
2.7 - Gefaltete Dimensionen:
0,55 x 0,68 x 1,98m (1.8 x 2.23 x 6.5’)
2.8 - Abmessungen Box:
0,56 x 0,70 x 2,00m (1.84 x 2.30 x 6.56’)
2.9 - Grundplattenäche:
2.57 x 2.12 m (8.4’ x 7’).
2.10 - Transportgewicht: 230 kg (507.1 lb)
2.11 - Werkstoffe: Aluminium 6082-T6 Prol.
Basisplatte und Ausleger aus Stahlprol
DIN 2349. Verschlüsse aus ST-37 Stahl.
2.12 - Exklusive ALS System
( Pat. Pen. 200501056)
2.13 - Die Winde: 1200 kg.
2.14 - Seildurchmesser: Steel DIN 3060.
Qualität 180 kg/ mm2
Durchmesser: Ø6 mm
2.15 - Ausleger mit verstellbaren Spindeln
und rutschfesten Gummifüßen.
2.16 - Verankerung der Ausleger über
Sicherheitsrastbolzen.
2.17 - Wasserwaage zum Einstellen der
senkrechten Turmlage.
2.18 - Korrosionsschutz und Veredelung
durch elektrolytische Cadmierung oder
(Version B) Satinpolyester. Erhältlich in
Natur Aluminium oder.
2.19 - Transportrollen zum Bewegen des
Turms bei senkrechter und eingefahrener
Stellung zur Arbeitsstelle.

Depósito legal y copyright. Todos los derechos reservados. 21PRO LIFTS S.L.
Bedienungsanleitung DEUTSCH
3. SICHERHEITSMAßNAHMEN.
3.1 - Der TL-A400/8 wurde konzipiert zum Heben und
Senken von vertikalen Lasten. Nutzen Sie Ihn niemals zur
Beförderung von Personen.
3.4 - Niemals sollten Sie eine ungesicherte Ladung heben.
Vergewissern Sie sich immer, das die Ladung zentriert auf
der Gabel auiegt und nur in vertikaler Richtung hebt!
3.2 - Achten Sie darauf, das der TL-A400 Tower auf festem,
geraden Untergrund steht. Und vergewissern Sie sich mit Hilfe
der Wasserwaage (F), dass er eine vertikale Position zum
Boden eingenommen hat.Bei Bedarf mittels des Stelltellers
(Q) durch Drehen der Spindelkurbel (H) die entsprechende
Tunlage einstellen.
3.3 - Die zulässige Höchstlast, die Sie auf den Typenschild,
welche sie in der Bedienungsanleitung nden, darf niemals
überschritten werden
3.5 - Vergewissern Sie sich, dass die Ausleger richtig ein-
gesteckt sind und nutzen Sie die Rastbolzen zum feststellen!

Depósito legal y copyright. Todos los derechos reservados. 22PRO LIFTS S.L.
Bedienungsanleitung DEUTSCH
3.10 - Achten Sie auf alle Gegenstände im oberen Hubbe-
reich des Liftes. Achten Sie auf Balkone, Leuchtschriften
und besonders auf stromführende Kabel.
3.8 - Bewegen Sie den Lift niemals unter Belastung.
3.9 - Halten Sie sich niemals während des Hebens und
Senkens in Gefahrenbereich auf.
3.7 - Bei Freiluftanwendungen den Turm auf festen Boden
stellen und mittels Seilanker gegen Windbelastung sichern.
Niemals an Fahrzeugen die Abspannungen befestigen oder
an Gegenständen, die ausweichen könnten.
3.11 - Stellen Sie niemals Leitern an den Tower.
3.6 - Es ist nicht gestattet den Lift auf einem Fahrzeug mit
einen mobilen Unterbau zu installieren!

Depósito legal y copyright. Todos los derechos reservados. 23PRO LIFTS S.L.
Bedienungsanleitung DEUTSCH
3.14- Ölen oder Fetten der Fallbremsen ist zu unterlassen,
da diese mit einem Druck und Hitzebeständigen Material
bearbeitet wurden. Andere Werkstoffe führen in der Hand-
habung zu negativen Effekten.
3.15 - Die maximale Belastung zur Überprüfung der Si-
cherungen ist 50 kg. Ohne Belastung ist die Überprüfung
nicht möglich.
3.16 - Niemals die Winde, oder Teile der Winde unter Be-
lastung demontieren.
3.13 - Alle Angebauten Teile sind für den Transport einzu-
fahren.
3.17 - Es sind ausschließlich Original Ersatzteile zu verwen-
den. Für den Anwender werden alle Gewährleistungsans-
prüche aufgehoben, wenn nicht Original Ersatzteile verendet
bzw.Änderungen an Produkten vorgenommen werden.
ORIGINAL
3.12 - Vor Gebrauch Seilzustand kontrollieren. Das Seil
darf keine Seilbrüche oder Quetschungen aufweisen. Es
dürfen auf keinem Fall Seile in einem schlechten Zustand
verwendet werden.

Depósito legal y copyright. Todos los derechos reservados. 24PRO LIFTS S.L.
Bedienungsanleitung DEUTSCH
4. Bedienungsanleitung.
4.1 - Den Hebeturm auf den Transportrollen
( T ) abgestützt auf eine ebene und feste
Fläche an der Arbeitsstelle aufstellen.
4.2 - Die Ausleger (P) aus der Transpor-
halterung (S) herausnehmen und in deren
Arbeitsaufnahmen (V) voll einschieben.
Dabei achten Sie bitte darauf, daß sie mittels
der Sicherheitsbolzen (R) befestigt sind.
4.3 - Die senkrechte Turmlage über die
verstellbaren Stellteller ( Q ) durch Drehen
der Kurbel ( H ) in entsprechender Richtung
zum Zentrieren der Wasserwaagenblase (
F ) an der Kreismitte einstellen.
4.4 - Die Sicherheitsbolzen ( L ) der Lastau-
fnahmeausleger entfernen, die Ausleger zur
Lastaufnahme ( U ) in einer waagerechten
Position bringen und die Sicherheitsbolzen
wieder anbringen.
4.5 - Die zu hebende Last auf dem Turm
mittels eines geeigneten Trägers so aufs-
tellen, dass das Lastgewicht nur senkrecht
wirkt. Die maximale Last von 400 kg darf
nie überschritten werden.
4.6 - Plazieren der Ladung:
Plazieren Sie die Ladung so nah wie
möglich in Richtung des Towers. Die Maxi-
malbelastung reduziert sich, gemäß dem
nebenstehenden Diagramm.
Achtung!
Werden zweit Stative dazu benutzt, eine
Traverse oder mehrere Stative dazu be-
nutzt, eine Konstruktion jedweden Typs
anzuheben, ist es fast unmöglich, dass
zwei oder mehrere Bediener in der Lage
sind, die Winde in der exakt gleichen
B
C
D
E
A
Diagram 4.6.1
Distance from the
load’s center to the
axel of the tower
Maximum load
TL-A400/8
A50 cm
(1.64’)
400 kg
(881.9 lb)
B55 cm
(1.80’)
330 kg
(727.5 lb)
C60 cm
(1.97’)
260 kg
(573.2 lb)
D65 cm
(2.13’)
205 kg
(451.95 lb)
E70 cm
(2.30’)
150 kg
(330.7 lb)

Depósito legal y copyright. Todos los derechos reservados. 25PRO LIFTS S.L.
Bedienungsanleitung DEUTSCH
Geschwindigkeit zu bedienen, um die Last
anzuheben oder abzusenken.
Ab einem bestimmten Punkt wird sich
jeder Tower in einer anderen Höhe als der
andere benden.
Aus diesem Grund ist es notwendig, dass
die Konstruktion in der Lage ist, diese
Differenz auszuhalten. Bei einer starren
Fixierung und wenn der Höhenunterschied
sehr groß ist, wir die Kraft, die von der
Winde erzeugt wird, die Konstruktion de-
formieren und dazu führen, dass die Lifte,
ausgelöst durch seitlich wirkende Kräfte,
brechen oder blockieren.
Die Tower können in jeder notwendigen
Zwischenposition belassen werden. Been-
den Sie einfach das Drehen der Winde. Die
automatische Bremse wird die Position der
Last halten.
4.7 - Heben:
Die Transportsicherung ( O ) entriegeln.
Den Lift mittels Drehen der Winde ( W )
in Uhrzeigersinn ( N1 ) in die gewünschte
Höhe kurbeln.
4.8 - Halten:
Die Last kann in jeder Position ehalten
werden. Stoppen Sie dazu lediglich das
drehen der Kurbel. Die Automatic in der
Winde und die Fallbremse sichern die
Ladung. Für den Transport des Turmes ist
dieser durch Senken der Einzelabschnitte
herunterzufahren. Es ist sehr wichtig den
Schlitten in seiner Parkposition wieder zu
verriegeln ( B ). Die Ausleger entsperren und
diese in ihre Transportstellung ( S ) bringen.
Die Befestigungsschraube anziehen.
4.9 - Senken:
Zum Transport die Sicherung ( O ) weder
einrasten die Handkurbel der Winde gegen
den Uhrzeigersinn drehen, bis der Lift in
einer Endposition ist. Der Lift kann in jeder
beiliegenden Zwischenstellung angehalten
werden. Durch kurzes anheben der Ladung
mittels der Winde lässt sich ALS - Lock
entriegeln ( rot ). Drücken Sie diese und
lassen Sie die Last mittels Winde ab. Sollte
der ALS – Lock blockieren heben Sie die
Last erneut an und wiederholen Sie den
Vorgang.
5. Wartung.
5.1 - Regelmäßig den Seilzustand kontro-
llieren. Weist ein Seil Drahtbrüche bzw.
Quetschungen auf, ist es sofort durch ein
meues zu ersetzen. Unter keinen Umstän-
den den Hebeturm mit Seilen in schlechtem
Zustand verwenden.
Nur verwindungssteifes Stahlseil nach DIN
3060 verwenden.
5.2 - Der Hebeturm wird werkseitig komplett
geschmiert geliefert. Es wird jedoch

Depósito legal y copyright. Todos los derechos reservados. 26PRO LIFTS S.L.
Bedienungsanleitung DEUTSCH
empfohlen, regelmäßig ( je nach Bedarf )
das Zahnrad des Winde, die Wälzlager der
Antriebswelle und Hülse, das Kurbelgewin-
de und die Abschnitte zu schmieren.
Achtung: Die Bremsscheiben nicht
einölen oder fetten !!!
5.3 - Der Hebeturm TL-A400 sollte von
einer Fachkraft mindestens einmal jährlich
geprüft werden.
5.4 - Für eine kontinuierliche Betriebs-
sicherheit sind ausschließlich Original
– Ersatzteile zu verwenden. Alle Gewähr-
leistungsansprüche sind für den Anwender
aufgehoben, wenn er Nicht- Original – Er-
satzteile verwendet bzw. änderungen am
Produkt selbst vornimmt.
5.5 - Für die Bestellung von Ersatzteilen ist
stets dessen Bestellnummer anzugeben,
welche den Stücklisten-Blättern dieser
Anleitung zu entnehmen ist.
VMB Service Deutschland:
Tel : 04442 - 92900
Fax: 04442 - 929090
6. Garantie.
Ab Kaufdatum und innerhalb der Garantie-
zeit beim Händler beseitigt die PRO LIFTS
S.L. alle material-order herstellungsbe-
dingten Mängel durch Reparatur order
Austausch.
In Europa gilt eine Garantiezeit von min-
destens 24 Monaten.
Von der garantie ausgenommen sind
Schäden aufgrund von unsachgemäBen
Gebrauch, VerschleiB oder Eingriffen
Dritter. Die Garantie umfasst keine Ver-
brauchsmaterialien und Mängel, die dedn
Wert oder die Gebrauchstaugllichkeit nur
unerheblich beeinträchtigen.
7. Zertikat
BGV-C1
BGG-912
EC Conformity Declaration pursuant to the
EC Machinery Directives 89/392/CE and
98/37/CE: Manual lifters

Depósito legal y copyright. Todos los derechos reservados. 27PRO LIFTS S.L.
TL-A400/8
4014
C
D
4095
B
A.1
A.2
E.3
E.4
A.8
E.2
A.10
4094
4093
4092
4091

Depósito legal y copyright. Todos los derechos reservados. 28PRO LIFTS S.L.
TL-A400/8 A
A.3
A.7
4090
40954094409340924091
A.7 A.7A.7
A.4
D.2D.2 D.2 D.2 D.2
A.5 A.5 A.5 A.5
A.6 A.6 A.6 A.7
A.7
D.1
A.10 A.11A.10A.10

Depósito legal y copyright. Todos los derechos reservados. 29PRO LIFTS S.L.
TL-A400/8 A
A.2
3233
3233
2244
2244
1540
3253
3253
A.1
A.3
4097
3252
3251
3251
3031 /
3032
6 mm 3 mm 3 mm
3031
1540
7 mm
4 mm
3032
7 mm
4 mm
3032
7 mm
4 mm
Profile 4 (TL-A400)
Ref: 4094
Profile 3 (TL-A400)
Ref: 4093
Profile 2 (TL-A400)
Ref: 4092
3032
7 mm
4 mm
Profile 1 (TL-A400)
Ref: 4091
7208
7208 2152
2152 4005N 4004N
4078
4098 7242 7243

Depósito legal y copyright. Todos los derechos reservados. 30PRO LIFTS S.L.
TL-A400/8 A
7593
7595
20472047
7232
5421
3219
7246 (x2)
7573 (x2)
3218
A.6
7234 (x4)
2152 (x4)2152 (x2)
7234 (x2)
A.5 4015
7593
20472047
7232
7595
2152 (x2)
7234 (x2)
2152
7234 2152
7234
2152
7234
2152
7234
2152
7234
4057
4056
2047x2
A.4 7962
2047
2162N
2047
2047
4078
4079 4080
2158
7246
2047 2140
20472158
7246
7962 2047 4078

Depósito legal y copyright. Todos los derechos reservados. 31PRO LIFTS S.L.
TL-A400/8
A.8
A.11
B.6
6320
6321
2155
3272 2047
4001
2140
2047 (x2)
2047
3272 21402047 (x2)2047 (x2)
4099
B.2
A.9 5421
7246
7246
8019
A.10
3228
2152
7078
TRAMOS 4/5
4030B
TRAMOS 2,3/4
4031B
4030B
5432
A.12
A.13
TRAMOS 4/5
4030B
TRAMOS 2,3/4
4031B
4031B
5432
A
7593
7595
20472047
7232
5421
3219
7246 (x2)
7573 (x2)
3218
A.7
7234 (x4)
2152 (x4)2152 (x2)
7234 (x2)

Depósito legal y copyright. Todos los derechos reservados. 32PRO LIFTS S.L.
TL-A400/8 B
7209 7209D
B.3
PAT-02
MR-PAS
B.5
2141 2152 (x2) 7078
B.2
79622140 20472047 8021
B.4
4059
7549
7242
7550
3232
6409
7587
7962
2047
B.1
2140
B.2
B.4
4000
B.6

Depósito legal y copyright. Todos los derechos reservados. 33PRO LIFTS S.L.
TL-A400/8 C
4014
4100
2160P
4060N
7061
2044
8021
8021
7061
2044
7061 2044
3244
7078
2152
3244
70782152
3257
3257
3257

Depósito legal y copyright. Todos los derechos reservados. 34PRO LIFTS S.L.
TL-A400/8 D
D.3
D.2
7242 7242 7243
7518N
7222N7061
2044
7247
3250
7248
7244
C
7245
4090
D.2
D.3
D.4
D.1
7061
D.4 7873
D.2
D.1
7593
7595
2047 2047 2134F
2152
7234
2152
7234
7573 (x2)
3219
7573 (x2) 3219
3218R
3258

Depósito legal y copyright. Todos los derechos reservados. 35PRO LIFTS S.L.
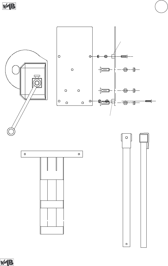
TL-A400/8 E
E.2
Stabilizer kit
TL-A400/8
Ref: 3011N
E.1
7541
7964
7065
2244
3009N
7549
3246
7066
7242
7550
3232
4071 (x2)
MR-SPI
PAS-SPI
E.3 5461
5466
2141 2152
21522141
E.4
Perfil pata corta / Short leg profile - Ref: 4072
Pata corta completa / Complete short leg - Ref: 4074
Perfil pata larga / Long leg profile - Ref: 4073
Pata larga completa / Complete long leg - Ref: 4075

Depósito legal y copyright. Todos los derechos reservados. 36PRO LIFTS S.L.
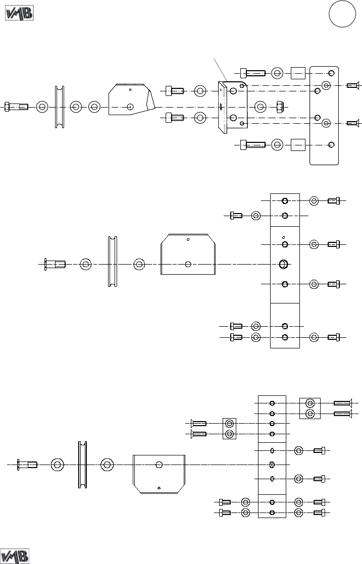
SPARE PARTS LIST / LISTA DE REPUESTOS TL-A400/8
Code Description GB / USA Descripción ES
1540 (B) SRS Unlock (B Black) Desbloqueador sistema SRS (B Negro)
2044 M10 Auto-block nut Tuerca autoblocante M10
2047 M12 Washer Arandela M12
2140 M12 Auto-block nut Tuerca autoblocante M12
2141 M8x25 Allen screw Tornillo allen M8x25
2152 M8 Washer Arandela M8
2158 M12x25 Allen screw Tornillo allen M12x25
2160P 1201 Plus Winch Cabrestante 1201 Plus
2162N M12x40 Hexagonal screw Tornillo hexagonal M12x40
2244 M6 Auto-block nut Tuerca autoblocante M6
3009N M24x330 Screw Perno roscado M24x330
3011N Complete stabilizer TL-A400 Estabilizador completo TL-A400
3031 (B) SRS Unit prole 3 (B Black) Pieza retentor SRS tramo 3 (B Negro)
3032 (B) SRS Unit prole 1 & 2 (B Black) Pieza retentor SRS tramo 1 y 2 (B Negro)
3218 Inferior pulley support alluminium piece Pieza aluminio soporte polea inferior
3219 Wide inner stop piece Tope interior ancho
3228 Anchor points for slings Anclaje vientos
3232 Allen screw M8x16 Tornillo allen M8x16
3233 Conic screw M6x16 Tornillo cabeza cónica M6x16
3244 M8x40 Conic screw Tornillo cónico M8x40
3246 M12x25 Allen screw Tornillo allen M12x25
3250 M8x20 Conic screw Tornillo cabeza cónica M8x20
3251 M6x16 Allen screw Tornillo allen M6x16
3252 SRS screwed plate Pletina roscada Retentor
3253 M6x10 Headless allen bolt Tornillo allen sin cabeza M6x10
3257 M10x25 Conic screw Tornillo cabeza cónica M10x25
4000 (B) TL-A400/8 Base (B Black) Base TL-A400/8 (B Negro)
4001 Support piece cable guide for TL-A400/8 Soporte orejeta guía cable TL-A400/8
4004N ALS xation alluminium piece Pieza roscada aluminio jación gatillo ALS
4005N ALS catch lock (Big piston pin) Gatillo ALS (Bulón grande)
4014 (B) Forks (B Black) Brazos de carga (B Negro)
4015 Reinforced upper pulley alluminium support Soporte reforzado polea superior aluminio
4019 (B) Pulley protector (B Black) Protector polea entrada (B Negro)
4030 (B) Upper stop piece last section (B Black) Ángulo acero tope plegado (B Negro)

Depósito legal y copyright. Todos los derechos reservados. 37PRO LIFTS S.L.
Code Description GB / USA Descripción ES
4031 (B) Upper stop piece rsts sections (B Black) Ángulo acero tope plegado (B Negro)
4056 17mm wide steel Ø90 pulley Polea de acero Ø90 ancha 17mm
4057 Wide cable protection Ø90 pulley Protección cable polea Ø90 ancha
4059 Ø24x330mm Bolt with bakelite ball Perno Ø24x330mm con bola de baquelita
4060N (B) Winch xation plate (B Black) Placa porta-cabrestante (B Negro)
4078 Alluminium tube Ø25x3mm Long=29mm Tubo aluminio M25x3mm Long=29mm
4079 Steel support piece for pulley Pieza acero soporte de poleas
4080 Steel xation piece for pulley support Pieza de acero sujección porta-poleas
4081 (B) Cable xation plate (B Black) Pletina sujección cable (B Negro)
4090 (B) Lifting carriage TL-A400/8 (B Black) Tramo carro aluminio TL-A400 (B Negro)
4091 (B) Base prole 1 TL-A400/8 (B Black) Tramo Base 1 TL-A400/8 (B Negro)
4092 (B) Prole 2 TL-A400/8 (B Black) Tramo 2 TL-A400/8 (B Negro)
4093 (B) Prole 3 TL-A400/8 (B Black) Tramo 3 TL-A400/8 (B Negro)
4094 (B) Prole 4 TL-A400/8 (B Black) Tramo 4 TL-A400/8 (B Negro)
4095 (B) Prole 5 TL-A400/8 (B Black) Tramo 5 TL-A400/8 (B Negro)
4097 Steel cable Ø6 x 19.4m Cable de acero Ø6 x 19.4m
4098 M14x60 din 7991 Screw Tornillo M14x60 DIN 7991
4099 Long protective pulley cover TL-A400/8 Protector cubre-polea TL-A400/8
4100 TL-A400/8 Steel carriage (B Black) Carro de acero TL-A400/8 (B Negro)
5421 Alluminium stop piece Tope de aluminio
5432 Conic allen screw M8x20 Tornillo allen cabeza cónica M8x20
5461 (B) Fixation piece for strut (B Black) Oreja soporte tirante refuerzo frontal (B Negro)
5466 Screwed piece for strut’s xation Pieza jación oreja de tirante de refuerzo
6409 Spirit level Ø30mm Nivel de burbuja Ø30mm
7061 M10 Washer Arandela M10
7065 M6x35 Allen screw Tornillo allen M6x35
7066 M12 Nut Tuerca M12
7078 M8 Auto-block nut Tuerca autoblocante M8
7208 M8x35 Allen screw Tornillo allen M8x35
7209 Left reinforcement strut (B Black) Tirante de refuerzo izquierdo (B Negro)
7209D Right reinforcement strut (B Black) Tirante de refuerzo derecho (B Negro)
7222N Special screw for nylatron roller (07.15) Tornillo especial rodillo nylatron (07.15)
7232 M12 Special pulley screw Tornillo especial M12 para polea
7234 M8x16 Screw Tornillo M8x16

Depósito legal y copyright. Todos los derechos reservados. 38PRO LIFTS S.L.
Code Description GB / USA Descripción ES
7242 M14 Washer Arandela M14
7243 M14 Auto-block nut Tuerca autoblocante M14
7244CInertial brake lock rod (Ø22mm disk) Varilla freno de inercia (Disco Ø22mm)
7245 Brake lock support Soporte varilla freno de inercia
7246 M8x25 Conic screw Tornillo cabeza cónica M8x25
7247 M5x10 Conic screw Tornillo cabeza cónica M5x10
7248 Brake spring Muelle freno de inercia
7518N Black nylatron roller Ø39 Rodillo nylatron negro Ø39
7541 Stabilizer crank ball Ø51 Bola de baquelita Ø51 para estabilizador
7549 Stabilizer round plate Platillo apoyo estabilizador
7550 M8 Washer Arandela carrocero M8
7573 M8x30 Conic screw Tornillo cónico M8x30
7587 White wheel Ø100 Rueda blanca Ø100
7593 Cable protection for Ø90 pulley Protección cable para polea Ø90
7595 Steel Ø90 pulley Polea de acero Ø90
7873 M14x235 Allen screw Tornillo allen M14x235
7962 M12x40 Allen screw Tornillo allen M12x40
7964 Steel hand crank for stabilizer Manivela de acero para estabilizador
8019 Threaded alluminium piece inner stop Pletina roscada tope interior de aluminio
8021 Base and winch support shell Casquillo separador portacabrestante y base
MR-PAS ‘R’ Clip Clip de seguridad ‘R’
MR-SPI Ring safety clip Clip de seguridad anillo
PAS-SPI Fastener steel pin Ø16 x 65.5mm Pasador de acero Ø16 x 65.5mm
PAT-02 Fastener steel pin Ø10 x 88.5mm Pasador de acero Ø10 x 88.5mm
REMEBER TO QUOTE THE TYPE, PRODUCTION YEAR
AND SERIAL NUMBER OF THE TOWERLIFT.
RECUERDE CITAR EL MODELO, EL AÑO DE PRODUCCIÓN
Y EL NÚMERO DE SERIE DE LA TORRE ELEVADORA.
Vergessen Sie nicht den MODELLJAHR DER PRODUKTION
und Seriennummer des HEBETURM zitieren.

Depósito legal y copyright. Todos los derechos reservados. 39PRO LIFTS S.L.

PRO LIFTS S.L.
C/ Ciudad de Barcelona Nº19
Pol. Ind. Fuente del Jarro
46988 Paterna (Valencia) Spain
Tlf Export: +34 96 171 81 86
Tlf Nacional: 96 171 81 83
email: info@prolifts.es web: www.prolifts.es
facebook / vmblifts
Canal VMBLifts
Para más información consulte con nuestros técnicos en:
For further information follow the advise of our technicians: