Roland TB 303 Service Notes

User Manual: Pdf Roland TB-303 Service Notes Synthfool:Docs:Roland:TB303

Open the PDF directly: View PDF PDF.
Page Count: 3

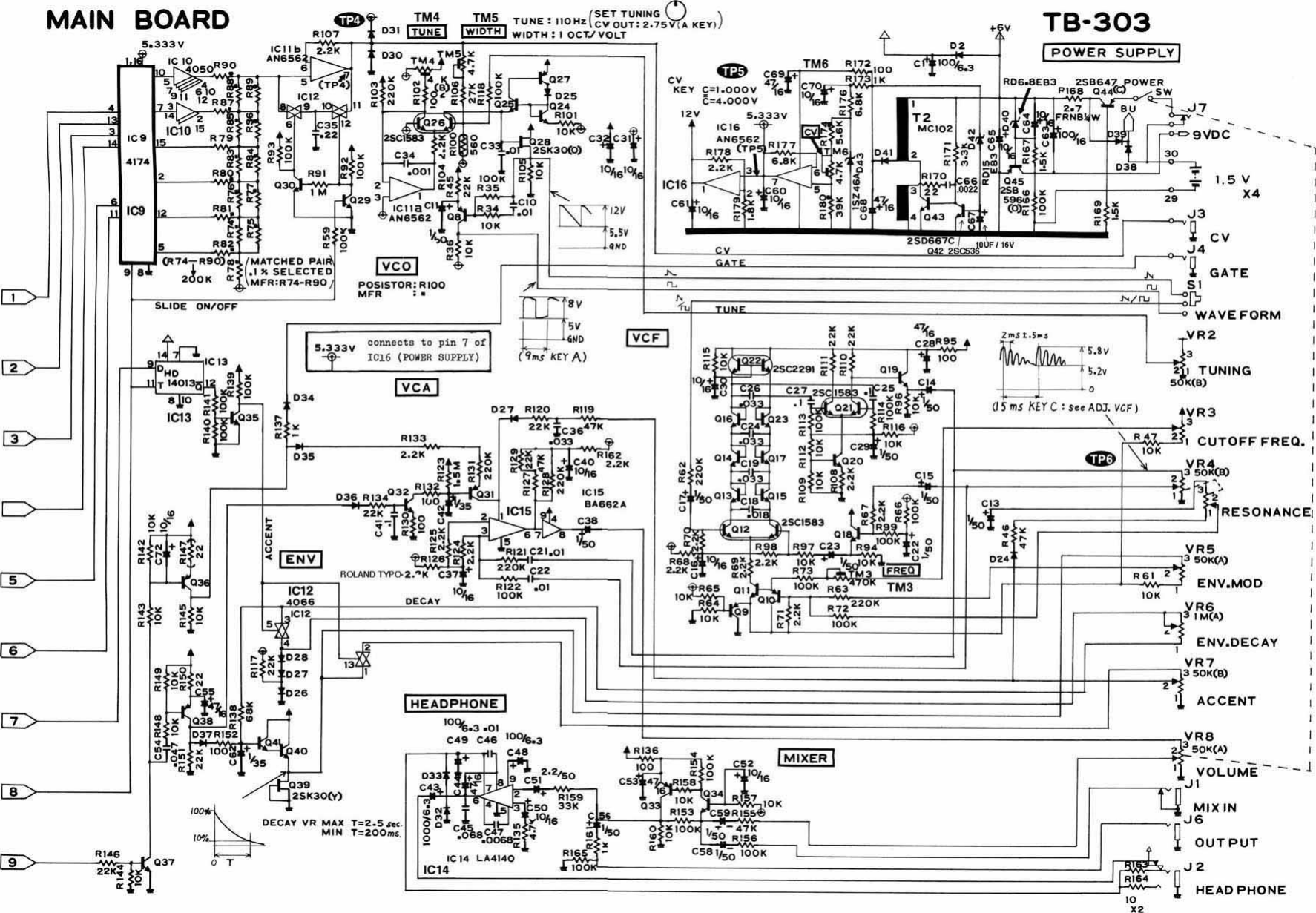
Page 1 of 3 - Roland TB-303 Service Notes
Page 2 of 3 - Roland TB-303 Service Notes
Page 3 of 3 - Roland TB-303 Service Notes

Navigation menu