Roland TB 303 Service Notes
User Manual: Pdf Roland TB-303 Service Notes Synthfool:Docs:Roland:TB303
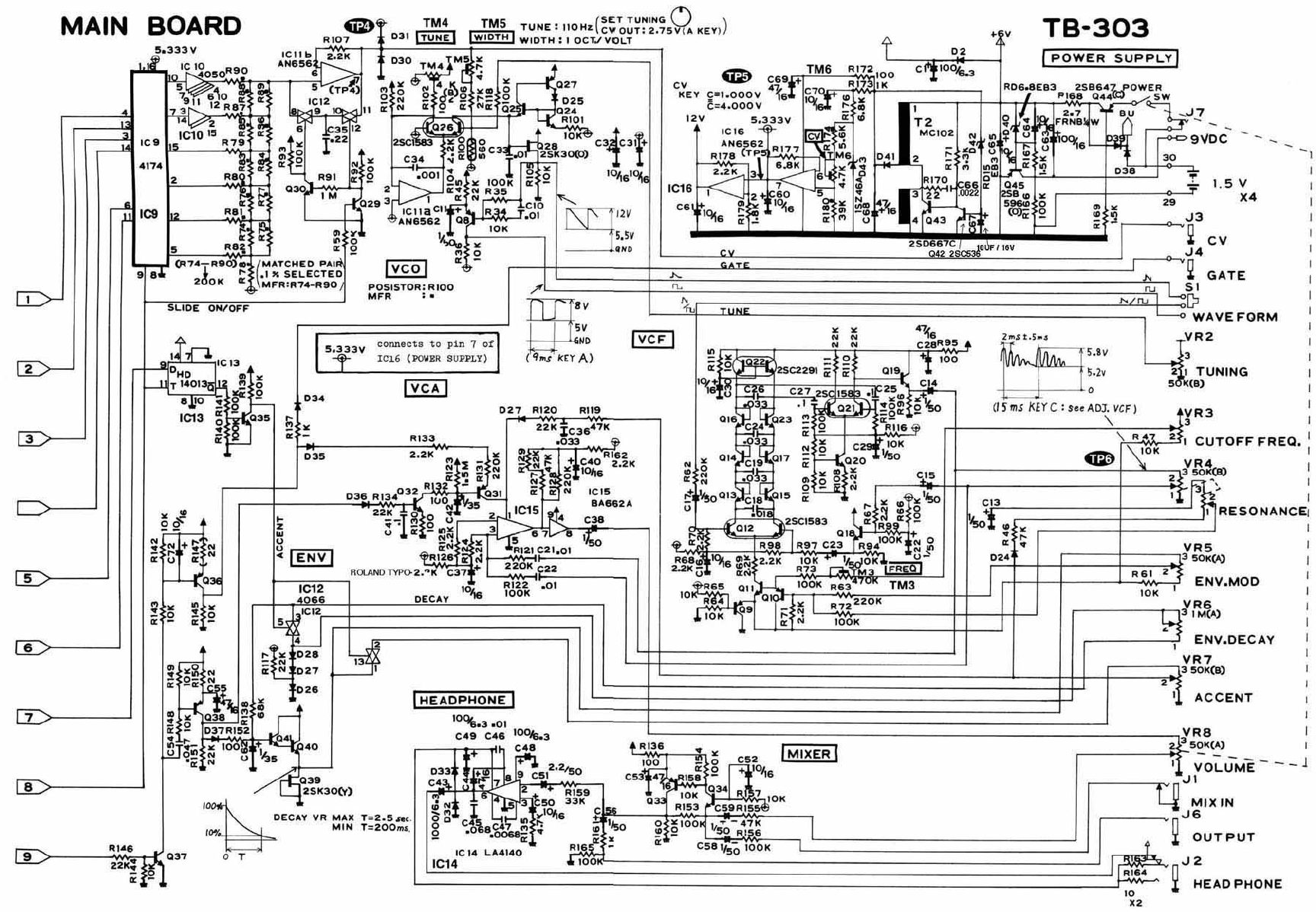
Open the PDF directly: View PDF 
.
Page Count: 3



User Manual: Pdf Roland TB-303 Service Notes Synthfool:Docs:Roland:TB303
Open the PDF directly: View PDF 
.
Page Count: 3


