Edwards Diffuision Pumps Diffstak
User Manual: Pdf diffstak
Open the PDF directly: View PDF
.
Page Count: 16

Shop online at www.bocedwards.com
3
PAGE
2
VAPOR PUMPS FOR SCIENTIFIC
INSTRUMENTS AND R&D APPLICATIONS
Vapor pumps for scientific instruments and R&D applicationsDiffusion pumps – technology and applicationsVapor pumps for scientific instruments and R&D applications
Scientific and R & D applications require special vapor pumps and accessories.
It is important to minimize any backstreaming of the vapor pump fluid, and the
number of elastomer seals used in system design needs to be kept to a
minimum, to give clean pumping with minimal outgassing. For bench-top or
transportable instruments, compact air-cooled pumps are essential.
BOC Edwards offers a range of vapor pumps and accessories which are
designed to meet these needs.
Measurement methods
The methods used to measure pressure and flow have become more
accurate in recent years allowing much tighter controls over system
conditions. The speeds and throughputs quoted in the catalog for the
diffusion pumps are based on actual pump data derived from measurements
made with the latest technology total pressure gauges and mass flow
transducers in accordance with ISO standards.
Some confusion could arise with previously published speed and throughput
figures for older designed pumps where, historically, pressure
measurements were made with partial pressure gauges like the McLeod
gauge. This older gauge can indicate speeds up to 30% higher than that
expected using state of the art total pressure gauges.
Further confusion could arise from the measurement standards chosen to
determine pumping performance. In the case of AVS (American Vacuum
Society), this can indicate speeds and throughput up to 15% higher than
ISO figures.
Historical industry practice meant that in considering the above, and
potential gauge accuracy of ± 15%, it was possible to have speeds quoted
60% higher than might be expected using modern total pressure
measurement equipment. This should be carefully considered when
comparing specifications for older derived data published for similarly sized
competitor pumps and BOC Edwards diffusion pumps.
Ultimate vacuum
The ultimate vacuum of a vapor pump is the lowest pressure achieved in
tests on the pump, measured above the inlet of the pump (or above the
high vacuum valve for the Diffstaks). The ultimate vacuum depends on: the
type of fluid used in the pump; the temperature of the inlet baffle; the
amount of outgassing from the vacuum system; and the amount of leakage
into the system.
Critical backing pressure
The critical backing pressure is the highest pressure that a pump can
tolerate in the backing line. If the pressure is higher than the critical backing
pressure, the pump may stall. The critical backing pressure depends on: the
pump design; the power of the heaters; and the fluid used in the vapor
pump.
Backstreaming
Backstreaming is the direct movement of molecules of pump fluid vapor
from the pump toward the vacuum system. All BOC Edwards pumps are
specially designed to minimize backstreaming; the pumps have a guard ring
(sometimes called a cool-cap) fitted above the top jet. The guard ring
condenses vapor molecules moving from the top jet toward the vacuum
system.
In some sensitive applications, backstreaming may be very undesirable; you
can minimize backstreaming if you fit a baffle or a trap to the top of the
pump.
Diffstak vapor diffusion pumps
The compact water-cooled Diffstak pumps with an integral cooled baffle
offer exceptionally clean pumping with very low backstreaming, reduced
outgassing, and a reduction in the number of elastomer seals required for
installation.
The Diffstak design has been proven over many years with thousands of
pumps installed. They are supplied in three types: standard, cryo-cooled
and unvalved. (C – collar model pumps).
The standard Diffstak pumps have integral high vacuum valves and water-
cooled baffles. The cryo-cooled versions (CR – model pumps) have a liquid
nitrogen cooled baffle supplied from a reservoir attached to the pump and
are intended for pumping heavy vapor loads. Valves on both versions are
supplied as either manually operated (M-model pumps) or pneumatically
operated (P-model pumps). When comparing pumping speeds, note that
the speeds quoted for valved Diffstaks are the speeds above the high
vacuum valve, taking full account of the valve's impedance.
The unvalved Diffstaks are for systems requiring the highest possible
ultimate vacuum or for those which do not need a high vacuum valve. All
sizes are available with ISO flanges while two sizes are also available with
CF flanges. (F – ConFlat® model pump).
The complete range is shown in the table below. Refer to the following
pages for full technical data for each of the pumps and also for full details
of installations, spares and accessories.
Fast cycling on unvalved systems
For fast cycling pumping systems we recommend our TV range of water
or air-cooled pumps. Primarily designed for the evacuation of cathode ray
tubes, they will also suit other fast cycling pumping applications.
Accessories
For vapor pump accessories see page 3-15.
APPLICATIONS
•Mass spectrometry
•Gas analysis
•Leak detection
•Thin film coating
•High vacuum systems
•Lamp evacuation
•Surface physics
•Small vacuum ovens
•Vacuum isolation/cryo transfer
EO50/60 diffusion pump
The EO50/60 is a compact, fast warm-up, air-cooled diffusion pump and
makes a good choice for small, low-cost systems. The high helium pumping
speed from a pump only 176 mm high is a particular benefit for GCMS
applications.
For EO2, EO4, EO6 diffusion pumps contact BOC Edwards.
STANDARD CRYO-COOLED UNVALVED DIFFSTAK
DIFFSTAK DIFFSTAK ISO FLANGE CF FLANGE
63/150M or P CR63/150M or P 63/150C –
100/300M or P CR100/300M or P 100/300C 100/300F
160/700M or P CR160/700M or P 160/700C 160/700F
250/2000M or P CR250/2000M or P 250/2000C –
ConFlat® is a registered trademark of Varian, Inc

Shop online at www.bocedwards.com
3
PAGE
3
SCIENTIFIC VAPOR PUMPS
DATA SUMMARY VAPOR PUMPS
1
For maximum throughput. (63/150M and 63/150P – For applications where maximum throughput is not required, use an RV3.)
PUMP 63/150M
63/150P
63/150C
Catalog page 3-4 3-5
Pumping speed
Nitrogen l s-1 135 150
Hydrogen l s-1 200 225
Hydrogen (baffled) l s-1 ––
Minimum backing pump displacement1m3h-1 55
Inlet connection ISO63 ISO63
Backing connection NW10 NW10
PUMP 100/300M
100/300P
100/300C
100/300F
Catalog page 3-6 3-7
Pumping speed
Nitrogen l s-1 280 300
Hydrogen l s-1 500 535
Hydrogen (baffled) l s-1 ––
Minimum backing pump displacement1m3h-1 55
Inlet connection ISO100 ISO100 / 6 in
Backing connection NW25 NW25
PUMP 160/700M
160/700P
160/700C
160/700F
Catalog page 3-8 3-9
Pumping speed
Nitrogen l s-1 700 760
Hydrogen l s-1 1300 1410
Hydrogen (baffled) l s-1 ––
Minimum backing pump displacement1m3h-1 12 12
Inlet connection ISO160 ISO160 / 8 in
PUMP 250/2000M
250/2000P
250/2000C
Catalog page 3-10 3-11
Pumping speed
Nitrogen l s-1 2000 2130
Hydrogen l s-1 3000 3200
Hydrogen (baffled) l s-1 ––
Minimum backing pump displacement1m3h-1 40 40
Inlet connection ISO250 ISO250
Backing connection NW40 NW40
PUMP EO50/60
Catalog page 3-14
Pumping speed
Air l s-1 60
Air (baffled) l s-1 27
Nitrogen l s-1 –
Hydrogen l s-1 70
Hydrogen (baffled) l s-1 50
Minimum backing pump displacement1m3h-1 1
Inlet connection NW50 flange
Backing connection NW10 flange

Shop online at www.bocedwards.com
3
PAGE
4
STANDARD DIFFSTAK 63/150M AND
63/150P
Diffstak
Standard Diffstak 63/150M Standard Diffstak 63/150P
TECHNICAL DATA
Diffstak 63/150M
Diffstak 63/150P
The BRV and PVK valves shown in these dimension diagrams are optional accessories.
For information about installation of Diffstak pumps, see page 3-12. For
details of suitable backing/ roughing valves, see page 5-14; for
electropneumatic control valves, see page 5-20; for thermal snap-switch
accessories, see page 3-15; for hardware components, see page 6-1; and
for vapor pump fluids, see page 6-46.
M – model pumps have a manually operated high vacuum isolation valve.
P – model pumps have a pneumatically actuated high vacuum isolation valve.
Pumping speed
nitrogen 135 l s-1
hydrogen 200 l s-1
Minimum backing pump displacement1 5 m3h-1
Recommended backing pump RV5
Recommended fluid Santovac® 5
Fluid charge (dry) 60 ml
Inlet connection compatible with ISO63
Backing connection NW10
Cooling water connection 6 mm compression fittings
Heater power 0.45 kW
Minimum cooling-water flow at 20 °C 42 l h-1
Pneumatic connections26 mm coupling x !/4 BSP male stud
Pneumatic actuating pressure2
Minimum 2.4 bar / 35 psi
Maximum 6.9 bar / 100 psi
Weight
63/150M 8 kg
63/150P 9 kg
1For maximum throughput. For applications where maximum throughput is not required, use an RV3.
263/150P only
CRITICAL BACKING
PRESSURE ULTIMATE PRESSURE
FLUID (mbar) (mbar)
Santovac® 5 0.6 5 × 10-9
Silicone DC702 1.2 7 × 10-6
Silicone DC704EU 0.8 7 × 10-8
Silicone DC705 0.6 3 × 10-8
Santovac® is a registered trademark of Santovac Fluids Inc, USA
10-8
10
10-7 -6
10
-1
l s
10
10
1010-5 10 -4 -2-3 10
1
2
3
-4
10-6 10 -5 10 -3
10 10-2 1010-1 0
Diffstak 63/150
mba
r
Pa
ORDERING INFORMATION
PRODUCT DESCRIPTION ORDERING NUMBER
Diffstak 63/150M
110-125 V 1-ph 50/60 Hz B34431976
210-225 V 1-ph 50/60 Hz B34431977
230-250 V 1-ph 50/60 Hz B34431978
Diffstak 63/150P
110-125 V 1-ph 50/60 Hz B34432976
210-225 V 1-ph 50/60 Hz B34432977
230-250 V 1-ph 50/60 Hz B34432978
Supplied with: NW10 elbow, NW10 centering-ring, NW10 clamp, water pipe couplings and
ferrules, inlet ISO 63 Co-Seal
SPARES ORDERING NUMBER
Heater (0.45 kW)
110-125 V H01700182
210-225 V H01700186
230-250 V H01700191
Valve plate "O" ring VIT0335 H02106050
Valve shaft seal "O" ring VIT00121H02106010
Valve blanking plate "O" ring VIT01121H02106012
Backing "O" ring assembly (fluoroelastomer) C10511395
Drain and filler plug "O" rings1H02123027
1 Pack of 5
125 (4.92)
4 x Ø9 (0.35)
x Ø110 (4.33)
Ø76
70
50
94
360 (14.17)
Ø130 (5.12)
213 (8.38)
131
65 85
216 (8.50)
105 17
(4.13) (0.67)
(1.97)
(2.75)
(3.70)
(2.56) (3.35)
(5.16)
(2.99)
125 (4.92)
4 x Ø9 (0.35)
x Ø110 (4.33)
135 (5.31)
Ø76
50
70
94
360
(
14.17
)
Ø130 (5.12)
213 (8.38)
220 (8.66)
65 85
105 17
(0.67)(4.13)
(3.35)(2.56)
(2.99)
(1.97)
(2.75)
(3.70)

Shop online at www.bocedwards.com
3
PAGE
5
SCIENTIFIC VAPOR PUMPS
UNVALVED DIFFSTAK 63/150C
Unvalved Diffstak 63/150C
TECHNICAL DATA
For information about spares, refer to standard Diffstak 63/150
(see page 3-4). For information about installation of Diffstak pumps,
see page 3-12. For details of suitable backing/ roughing valves,
see page 5-14; for electropneumatic control valves, see page 5-20; for
thermal snap-switch accessories, see page 3-15; for hardware components,
see page 6-1; and for vapor pump fluids, see page 6-46.
For information on the Cryo-cooled version, contact BOC Edwards.
C – model pumps have an unvalved ISO collar inlet flange.
Pumping speed
nitrogen 150 l s-1
hydrogen 225 l s-1
Minimum backing pump displacement1 5 m3h-1
Recommended backing pump RV5
Recommended fluid Santovac® 5
Fluid charge (dry) 60 ml
Inlet connection ISO63
Backing connection NW10
Cooling water connection 6 mm compression fittings
Minimum cooling-water flow at 20 °C 42 l h-1
Heater power 0.45 kW
Weight 5 kg
1For maximum throughput.
CRITICAL BACKING
PRESSURE ULTIMATE PRESSURE
FLUID (mbar) (mbar)
Santovac® 5 0.6 5 × 10-9
Silicone DC702 1.2 7 × 10-6
Silicone DC704EU 0.8 7 × 10-8
Silicone DC705 0.6 3 × 10-8
10-8
10
10-7 -6
10
-1
l s
10
10
1010-5 10 -4 -2-3 10
1
2
3
1010-6 10 -5 -4 10-3 10 -2 10-1 10 0
mba
r
Pa
Diffstak 63/150C
ORDERING INFORMATION
PRODUCT DESCRIPTION ORDERING NUMBER
Diffstak 63/150C
110-125 V 1-ph 50/60 Hz B34433976
210-225 V 1-ph 50/60 Hz B34433977
230-250 V 1-ph 50/60 Hz B34433978
Supplied with: NW10 elbow, NW10 centering-ring, NW10 clamp, water pipe couplings and
ferrules, inlet ISO 63 Co-Seal.
SPARES ORDERING NUMBER
Heater (0.45 kW)
110-125 V H01700182
210-225 V H01700186
230-250 V H01700191
Ø95 (3.74)
179 (7.05)
334 (13.15)
69
122 (4.80)
192 (7.56)
94 (3.70)
Ø76
70
50
85 (3.35)
155 (6.10)
148 (5.83)
(2.72)
(2.76)
(1.97)
(2.99)

Shop online at www.bocedwards.com
3
PAGE
6
STANDARD DIFFSTAK 100/300M AND
100/300P
Standard Diffstak 100/300M Standard Diffstak 100/300P
TECHNICAL DATA
Diffstak 100/300M
Diffstak 100/300P
The BRV and PVK valves shown in these dimension diagrams are optional accessories.
For information about installation of Diffstak pumps, see page 3-12. For
details of suitable backing/ roughing valves, see page 5-14; for
electropneumatic control valves, see page 5-20; for thermal snap-switch
accessories, see page 3-15; for hardware components, see page 6-1; and
for vapor pump fluids, see page 6-46.
M – model pumps have a manually operated high vacuum isolation valve.
P – model pumps have a pneumatically actuated high vacuum isolation valve.
Pumping speed
nitrogen 280 l s-1
hydrogen 500 l s-1
Minimum backing pump displacement1 5 m3h-1
Recommended backing pump RV5 or RV8
Recommended fluid Santovac® 5
Fluid charge (dry) 125 ml
Inlet connection compatible with ISO100
Backing connection NW25
Cooling water connection 6 mm compression fittings
Heater power 0.65 kW
Minimum cooling-water flow at 20 °C 60 l h-1
Pneumatic connections26 mm coupling x ¼ BSP male
stud
Pneumatic actuating pressure2
Minimum 2.4 bar / 35 psi
Maximum 6.9 bar / 100 psi
Weight
100/300M 12 kg
100/300P 13 kg
1For maximum throughput
2100/300P only
CRITICAL BACKING
PRESSURE ULTIMATE PRESSURE
FLUID (mbar) (mbar)
Santovac® 5 0.6 5 × 10-9
Silicone DC702 1.2 7 × 10-6
Silicone DC704EU 0.8 7 × 10-8
Silicone DC705 0.6 3 × 10-8
10
-8
10
10
-7 -6
10
-1
l s
10
10
1010
-5
10
-4 -2-3
10
1
2
3
-4
10
-6 -5
10 10 10
-3
10
-2
1010
-1 0
Diffstak 100/300
mba
r
Pa
ORDERING INFORMATION
PRODUCT DESCRIPTION ORDERING NUMBER
Diffstak 100/300M
110-125 V 1-ph 50/60 Hz B34631976
210-225 V 1-ph 50/60 Hz B34631977
230-250 V 1-ph 50/60 Hz B34631978
Diffstak 100/300P
110-125 V 1-ph 50/60 Hz B34632976
210-225 V 1-ph 50/60 Hz B34632977
230-250 V 1-ph 50/60 Hz B34632978
Supplied with: NW25 elbow, NW25 centering-ring, NW25 clamp, water pipe couplings and
ferrules, inlet ISO 100 Co-Seal
SPARES ORDERING NUMBER
Heater (0.65 kW)
110-125 V H01700199
210-225 V H01700097
230-250 V H01700190
Valve plate "O" ring VIT0346 H02106061
Valve shaft seal "O" ring VIT00121H02106010
Valve blanking plate "O" ring VIT01121H02106012
Backing "O" ring assembly (fluoroelastomer) C10514395
Drain and filler plug "O" rings1H02123027
1 Pack of 5
8 x Ø9 (0.35)
x Ø145 (5.71)
Ø111
183
127
437 (17.2)
Ø165 (6.5)
276 (10.87)
86
40 (1.58)
122106
271 (10.67)
108 35
(1.38)(4.25)
(5.0)
(4.37)
(7.2)
(3.39)
(4.8)(4.17)
183 (7.2)
x Ø145 (5.71)
153
8 x Ø9 (0.35)
Ø110
127 (5.0)
127 (5.0)
437 (17.2)
Ø165 (6.5)
276 (10.87)
86
40 (1.57)
122106
275 (10.83)
108 35
(1.38)(4.25)
(6.02)
(3.39)
(4.8)(4.17)
(4.33)

Shop online at www.bocedwards.com
3
PAGE
7
SCIENTIFIC VAPOR PUMPS
UNVALVED DIFFSTAK 100/300C AND
100/300F
Unvalved Diffstak 100/300C Unvalved Diffstak 100/300F
TECHNICAL DATA
Diffstak 100/300C
Diffstak 100/300F
For information about spares, refer to standard Diffstak 100/300
(see page 3-6). For information about installation of Diffstak pumps,
see page 3-12. For details of suitable backing/ roughing valves,
see page 5-14; for electropneumatic control valves, see page 5-20; for
thermal snap-switch accessories, see page 3-15; for hardware components,
see page 6-1; and for vapor pump fluids, see page 6-46.
For information on the Cryo-cooled version, contact BOC Edwards.
C – model pumps have an unvalved ISO collar inlet flange.
F – model pumps are unvalved and have a copper compression gasket flange
(ConFlat®).
Pumping speed
nitrogen 300 l s-1
hydrogen 535 l s-1
Minimum backing pump displacement1 5 m3h-1
Recommended backing pump RV5 or RV8
Recommended fluid Santovac® 5
Fluid charge (dry) 125 ml
Inlet connection
100/300C ISO100
100/300F 6 inch
Backing connection NW25
Cooling water connection 6 mm compression fittings
Minimum cooling-water flow at 20 °C 60 l h-1
Heater power 0.65 kW
Weight
100/300C 9 kg
100/300F 10 kg
1For maximum throughput
CRITICAL BACKING
PRESSURE ULTIMATE PRESSURE
FLUID (mbar) (mbar)
Santovac® 5 0.6 5 × 10-9
Silicone DC702 1.2 7 × 10-6
Silicone DC704EU 0.8 7 × 10-8
Silicone DC705 0.6 3 × 10-8
10
-8
10
10
-7 -6
10
-1
l s
10
10
1010
-5
10
-4 -2-3
10
1
2
3
1010
-6 -5
10
-4 -3
10 10
-2
1010
-1 0
Diffstak 100/300C, F
mba
r
Pa
ORDERING INFORMATION
PRODUCT DESCRIPTION ORDERING NUMBER
Diffstak 100/300C
110-125 V 1-ph 50/60 Hz B34633976
210-225 V 1-ph 50/60 Hz B34633977
230-250 V 1-ph 50/60 Hz B34633978
Diffstak 100/300F
110-125 V 1-ph 50/60 Hz B34640976
210-225 V 1-ph 50/60 Hz B34640977
230-250 V 1-ph 50/60 Hz B34640978
Supplied with: NW25 elbow, NW25 centering-ring, NW25 clamp, water pipe couplings and
ferrules inlet ISO Co-Seal (C version only).
SPARES ORDERING NUMBER
Heater (0.65 kW)
110-125 V H01700199
210-225 V H01700097
230-250 V H01700190
Ø130 (5.12)
206 (8.11)
414 (16.30)
84
86
252 (9.92)
159 (6.26)
127 (5.0)
Ø111
40
127 (5.0)
122 (4.8)
216 (8.5)
177 (6.97)
(3.31)
(3.39)
(4.37)
(1.57)
Ø152 (5.98)
227 (8.94)
435 (17.13)
105
86
252 (9.92)
159 (6.26)
127 (5.0)
Ø109
40
127 (5.0)
122 (4.8)
216 (8.5)
198 (7.8)
16 x Ø8.3 (0.33)
(4.13)
x Ø130.2 (5.13)
(3.39)
(1.57)
(4.29)

Shop online at www.bocedwards.com
3
PAGE
8
STANDARD DIFFSTAK 160/700M AND
160/700P
Standard Diffstak 160/700P
TECHNICAL DATA
Diffstak 160/700M
Diffstak 160/700P
The BRV and PVK valves shown in these dimension diagrams are optional accessories.
For information about installation of Diffstak pumps, see page 3-12. For
details of suitable backing/ roughing valves, see page 5-14; for
electropneumatic control valves, see page 5-20; for thermal snap-switch
accessories, see page 3-15; for hardware components, see page 6-1; and
for vapor pump fluids, see page 6-46.
M – model pumps have a manually operated high vacuum isolation valve.
P – model pumps have a pneumatically actuated high vacuum isolation valve.
Pumping speed
nitrogen 700 l s-1
hydrogen 1300 l s-1
Minimum backing pump displacement112 m3h-1
Recommended backing pump RV12 or E2M18
Recommended fluid Santovac® 5
Fluid charge (dry) 255 ml
Inlet connection compatible with ISO160
Backing connection NW25
Cooling water connection 10 mm compression fittings
Heater power 1.35 kW
Minimum cooling-water flow at 20 °C 115 l h-1
Pneumatic connections26 mm coupling x ¼ BSP male
stud
Pneumatic actuating pressure2
Minimum 2.4 bar / 35 psi
Maximum 6.9 bar / 100 psi
Weight
160/700M 26 kg
160/700P 27 kg
1For maximum throughput
2160/700P only
CRITICAL BACKING
PRESSURE ULTIMATE PRESSURE
FLUID (mbar) (mbar)
Santovac® 5 0.6 5 × 10-9
Silicone DC702 1.2 7 × 10-6
Silicone DC704EU 0.8 7 × 10-8
Silicone DC705 0.6 3 × 10-8
10
-8
10
10
-7 -6
10
-1
l s
10
10
1010
-5
10
-4 -2-3
10
2
3
4
10
-6
10
-5
10
-4 -3
10
-2
10 1010
-1 0
Diffstak 160/700
mba
r
Pa
ORDERING INFORMATION
PRODUCT DESCRIPTION ORDERING NUMBER
Diffstak 160/700M
110-125 V 1-ph 50/60 Hz B34831976
210-225 V 1-ph 50/60 Hz B34831977
230-250 V 1-ph 50/60 Hz B34831978
Diffstak 160/700P
110-125 V 1-ph 50/60 Hz B34832976
210-225 V 1-ph 50/60 Hz B34832977
230-250 V 1-ph 50/60 Hz B34832978
Supplied with: NW25 elbow, NW25 centering-ring, NW25 clamp, water pipe couplings and
ferrules, inlet ISO 160 Co-Seal
SPARES ORDERING NUMBER
Heater (one heater of each power is required)
110-125 V 0.35 kW H01700102
110-125 V 1 kW H01700059
210-225 V 0.35 kW H01700107
210-225 V 1 kW H01700063
230-250 V 0.35 kW H01700113
230-250 V 1 kW H01700054
Valve plate "O" ring VIT1221 H02106221
Valve shaft seal "O" ring VIT01111H02106011
Valve blanking plate "O" ring VIT01111H02106011
Backing "O" ring assembly (fluoroelastomer) C10514395
Drain and filler plug "O" rings1H02123027
1 Pack of 5
218 (8.58)
170
192 (7.56)
x Ø200 (7.87)
8 x Ø11 (0.43)
Ø157
150
610 (24.02)
Ø225 (8.86)
364 (14.33)
124 150
90
354 (13.94)
123 58
(4.84) (2.28)
(5.91)
(6.18)
(6.69)
(3.54)
(4.88) (5.91)
218 (8.58)
170
192 (7.56)
150
x Ø200 (7.87)
8 x Ø11 (0.43)
191
Ø157
610
(
24.02
)
490 (19.29)
Ø225 (8.86)
124 150
89
330 (12.99)
123 58
(4.84) (2.28)
(3.50)
(5.91)(4.88)
(5.91)
(6.18)
(6.69)
(7.52)

Shop online at www.bocedwards.com
3
PAGE
9
SCIENTIFIC VAPOR PUMPS
UNVALVED DIFFSTAK 160/700C AND
160/700F
Unvalved Diffstak 160/700C Unvalved Diffstak 160/700F
TECHNICAL DATA
Diffstak 160/700C
Diffstak 160/700F
For information about spares, refer to standard Diffstak 160/700
(see page 3-8). For information about installation of Diffstak pumps,
see page 3-12. For details of suitable backing/ roughing valves,
see page 5-14; for electropneumatic control valves, see page 5-14; for
thermal snap-switch accessories, see page 3-15; for hardware components,
see page 6-1; and for vapor pump fluids, see page 6-46.
For information on the Cryo-cooled version, contact BOC Edwards.
C – model pumps have an unvalved ISO collar inlet flange.
F – model pumps are unvalved and have a copper compression gasket flange
(ConFlat®).
Pumping speed
nitrogen 760 l s-1
hydrogen 1410 l s-1
Minimum backing pump displacement1 12 m3h-1
Recommended backing pump RV12 or E2M18
Recommended fluid Santovac® 5
Fluid charge (dry) 250 ml
Inlet connection
160/700C ISO160
160/700F 8 inch
Backing connection NW25
Cooling water connection 10 mm compression fittings
Minimum cooling-water flow at 20 °C 115 l h-1
Heater power 1.35 kW
Weight
160/700C 18 kg
160/700F 20 kg
1For maximum throughput
CRITICAL BACKING
PRESSURE ULTIMATE PRESSURE
FLUID (mbar) (mbar)
Santovac® 5 0.6 5 × 10-9
Silicone DC702 1.2 7 × 10-6
Silicone DC704EU 0.8 7 × 10-8
Silicone DC705 0.6 3 × 10-8
PHOTO REQUIRED
10
-8
10
10
-7 -6
10
-1
l s
10
10
1010
-5
10
-4 -2-3
10
1
2
3
1010
-6
10
-5 -4
10
-3
10
-2
10
-1
10
0
Diffstak 160/700C, F
mba
r
Pa
ORDERING INFORMATION
PRODUCT DESCRIPTION ORDERING NUMBER
Diffstak 160/700C
110-125 V 1-ph 50/60 Hz B34833976
210-225 V 1-ph 50/60 Hz B34833977
230-250 V 1-ph 50/60 Hz B34833978
Diffstak 160/700F
110-125 V 1-ph 50/60 Hz B34840976
210-225 V 1-ph 50/60 Hz B34840977
230-250 V 1-ph 50/60 Hz B34840978
Supplied with: NW25 elbow, NW25 centering-ring, NW25 clamp, water pipe couplings and
ferrules, inlet ISO 160 Co-Seal (C version only).
SPARES ORDERING NUMBER
Heater (one heater of each power is required)
110-125 V 0.35 kW H01700102
110-125 V 1 kW H01700059
210-225 V 0.35 kW H01700107
210-225 V 1 kW H01700063
230-250 V 0.35 kW H01700113
230-250 V 1 kW H01700154
Ø180 (7.09)
290 (11.42)
578 (22.76)
108
355 (13.98)
218 (8.58)
170 (6.69)
Ø156
192 (7.56)
150
150
90
287 (11.3)
242 (9.53)
(4.25)
(3.54)
(5.91)
(6.14)
(5.91)
Ø203 (7.99)
300 (11.81)
588 (23.15)
118
355 (13.98)
218 (8.58)
170 (6.69)
Ø156
192 (7.56)
150
150
90
287 (11.3)
252 (9.92)
20 x Ø8.3 (0.33)
(4.65)
(3.54)
x Ø181 (7.12)
(5.91)
(6.14)
(5.91)

Shop online at www.bocedwards.com
3
PAGE
10
STANDARD DIFFSTAK 250/2000M AND
250/2000P
Standard Diffstak 250/2000M
TECHNICAL DATA
Diffstak 250/2000M
Diffstak 250/2000P
The BRV and PVK valves shown in these dimension diagrams are optional accessories.
For information about installation of Diffstak pumps, see page 3-12. For
details of suitable backing/ roughing valves, see page 5-14; for
electropneumatic control valves, see page 5-20; for thermal snap-switch
accessories, see page 3-15; for hardware components, see page 6-1; and
for vapor pump fluids, see page 6-46.
M – model pumps have a manually operated high vacuum isolation valve.
P – model pumps have a pneumatically actuated high vacuum isolation valve.
Pumping speed
nitrogen 2000 l s-1
hydrogen 3000 l s-1
Minimum backing pump displacement1 40 m3h-1
Recommended backing pump E2M40
Recommended fluid Santovac® 5
Fluid charge (dry) 500 ml
Inlet connection compatible with ISO250
Backing connection NW40
Cooling water connection 10 mm compression fittings
Heater power 2.25 kW
Minimum cooling-water flow at 20 °C 180 l h-1
Pneumatic connections26 mm coupling x ¼ BSP male
stud
Pneumatic actuating pressure2
Minimum 2.4 bar / 35 psi
Maximum 6.9 bar / 100 psi
Weight
250/2000M 59 kg
250/2000P 60 kg
1For maximum throughput.
2250/2000P only
CRITICAL BACKING
PRESSURE ULTIMATE PRESSURE
FLUID (mbar) (mbar)
Santovac® 5 0.6 5 × 10-9
Silicone DC702 1.2 7 × 10-6
Silicone DC704EU 0.8 7 × 10-8
Silicone DC705 0.6 3 × 10-8
10
-8
10
10
-7 -6
10
-1
l s
10
10
1010
-5
10
-4 -2-3
10
2
3
4
-5
10
-6
10 10
-4
10
-3 -2
10 1010
-1 0
Diffstak 250/2000
mba
r
Pa
ORDERING INFORMATION
PRODUCT DESCRIPTION ORDERING NUMBER
Diffstak 250/2000M
110-125 V 1-ph 50/60 Hz B35031976
210-225 V 1-ph 50/60 Hz B35031977
230-250 V 1-ph 50/60 Hz B35031978
Diffstak 250/2000P
110-125 V 1-ph 50/60 Hz B35032976
210-225 V 1-ph 50/60 Hz B35032977
230-250 V 1-ph 50/60 Hz B35032978
Supplied with: NW40 elbow, NW40 centering-ring, NW40 clamp, water pipe couplings and
ferrules, inlet ISO 250 trapped "O" ring
SPARES ORDERING NUMBER
Heater (one heater of each power is required)
110-125 V 0.85 kW H01700140
110-125 V 1.4 kW H01700161
210-225 V 0.85 kW H01700134
210-225 V 1.4 kW H01700155
230-250 V 0.85 kW H01700137
230-250 V 1.4 kW H01700158
Valve plate "O" ring VIT0449 H02106093
Valve shaft seal "O" ring VIT1121 (pack of 2) H02106121
Valve blanking plate "O" ring VIT1128 (pack of 2) H02106128
Backing "O" ring assembly (fluoroelastomer) C10516395
Drain and filler plug "O" rings (pack of 5) H02123027
x Ø310 (12.2)
12 x Ø11 (0.43)
Ø261
412 (16.22)
242
180 (7.09)
290 (11.42)
769 (30.28)
625 (24.61)
Ø335
633 (24.92)
100
134 310
408 (18.31)
212
343 (13.5)
94
(13.19)
(3.7)(8.35)
(10.28)
(9.53)
(3.94)
(12.2)(5.28)
412 (16.22)
x Ø310 (12.2)
12 x Ø11 (0.43)
229
Ø261
242
180 (7.09)
290 (11.42)
769 (30.28)
724 (28.5)
Ø335
100
134 310
590 (23.23)
343 (13.5)
212 94
465 (18.31)
(13.19)
(3.7)(8.35)
(10.28)
(9.53)
(9.02)
(3.94)
(12.2)(5.28)

Shop online at www.bocedwards.com
3
PAGE
11
SCIENTIFIC VAPOR PUMPS
UNVALVED DIFFSTAK 250/2000C
TECHNICAL DATA
For information about spares, refer to standard Diffstak 250/2000
(see page 3-10). For information about installation of Diffstak pumps,
see page 3-12. For details of suitable backing/ roughing valves,
see page 5-14; for electropneumatic control valves, see page 5-20; for
thermal snap-switch accessories, see page 3-15; for hardware components,
see page 6-1; and for vapor pump fluids, see page 6-46.
For information on the Cryo-cooled version, contact BOC Edwards.
C – model pumps have an unvalved ISO collar inlet flange.
Pumping speed
nitrogen 2130 l s-1
hydrogen 3200 l s-1
Minimum backing pump displacement1 40 m3h-1
Recommended backing pump E2M40
Recommended fluid Santovac® 5
Fluid charge (dry) 500 ml
Inlet connection ISO250
Backing connection NW40
Cooling water connection 10 mm compression fittings
Minimum cooling-water flow at 20 °C 180 l h-1
Heater power 2.25 kW
Weight 46 kg
1For maximum throughput
CRITICAL BACKING
PRESSURE ULTIMATE PRESSURE
FLUID (mbar) (mbar)
Santovac® 5 0.6 5 × 10-9
Silicone DC702 1.2 7 × 10-6
Silicone DC704EU 0.8 7 × 10-8
Silicone DC705 0.6 3 × 10-8
10-8
10
10-7 -6
10
-1
l s
10
10
1010-5 10 -4 -2-3 10
2
3
4
1010-6 -5 10-4 10-3 10-2 1010-1 0
mba
r
Pa
Diffstak 250/2000C
Ø290 (11.42)
381 (15.0)
706 (27.8)
142
100
503 (19.8)
290 (11.42)
242 (9.53)
180
Ø261
310 (12.2)
522 (20.55)
357 (14.06)
290 (11.42)
(5.59)
(3.94)
(7.09)
(10.28)
ORDERING INFORMATION
PRODUCT DESCRIPTION ORDERING NUMBER
Diffstak 250/2000C
110-125 V 1-ph 50/60 Hz B35033976
210-225 V 1-ph 50/60 Hz B35033977
230-250 V 1-ph 50/60 Hz B35033978
Supplied with: NW40 elbow, NW40 centering-ring, NW40 clamp, water pipe couplings and
ferrules, inlet ISO 250 trapped "O" ring
SPARES ORDERING NUMBER
Heater (one heater of each power is required)
110-125 V 0.85 kW H01700140
110-125 V 1.4 kW H01700161
210-225 V 0.85 kW H01700134
210-225 V 1.4 kW H01700155
230-250 V 0.85 kW H01700137
230-250 V 1.4 kW H01700158

Shop online at www.bocedwards.com
3
PAGE
12
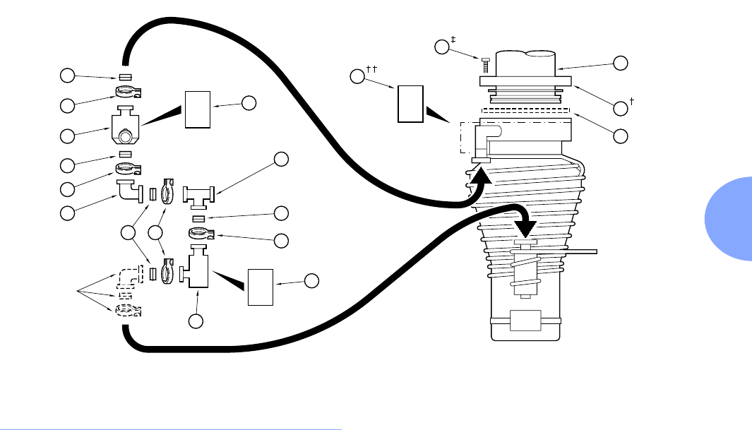
DIFFSTAK INSTALLATION
Diffstak installation
•M-model pumps have a manually operated high vacuum valve. P-model
pumps have a pneumatically operated high vacuum valve. Both M-model
and P-model pumps have inlet flanges which are compatible with ISO
flanges: the internal diameter of the inlet flange is narrower and the
flange is deeper than a standard ISO flange, to accommodate the high
vacuum valve.
•C-model pumps do not have a high vacuum valve and have an ISO flange
on the inlet (see pages 3-5 – 3-11).
•F-model pumps do not have a high vacuum valve and have a CF flange
on the inlet (see pages 3-7 and 3-9).
Refer to the diagrams and the tables on these pages to identify the pipeline
components and valves required to complete the typical Diffstak
installation shown. Items supplied with the pump are shown as a dotted
line. Read the footnotes below the diagrams and the tables for more
information and for details of the installation requirements for the different
models of Diffstaks.
63/150, 100/300, 160/700 installation
DIAGRAM COMPONENT 63/150 COMPONENT 100/300 COMPONENT 160/700 COMPONENT
KEY DESCRIPTION SIZE QUANTITY SIZE QUANTITY SIZE QUANTITY
1 2ISO tube/collar assembly ISO63 1 ISO100 1 ISO160 1
2 2 3Rotable flange pack ISO63 1 ISO100 1 ISO160 1
3 4Bolts (size × minimum length, mm)
M- and P-model M8 × 75 4 M8 × 75 8 M10 × 90 8
F-model – – M8 × 55 16 M8 × 60 20
4 5Inlet seal ISO63 1 ISO100 1 ISO160 1
5 BRV valve, manual BRV10M 1 BRV25M 1 BRV25M 1
BRV valve, pneumatic BRV10P 1 BRV25P 1 BRV25P 1
6 Clamp NW101NW251NW251
7 "O' ring assembly NW101NW251NW251
8 64-port light-weight electropneumatic
control valve
–2–2–2
9 65-port electropneumatic control valve–1–1–1
10 *** 5-port electropneumatic control valve–1–1–1
8
4P 4P
5
5P
9
6
7
10
***
5P
3
**
2
1
*
*
4
1These items are supplied with the pumps, except that the inlet seal for the F-model pumps is not supplied.
2Not required for F-model pumps; use CF fittings (which must be obtained from another supplier)
3Not required for C-model pumps; use claw clamps to bolt the pump ISO inlet flange directly to the ISO tube/collar assembly.
4Bolts are not available from BOC Edwards. Bolts are not required for C-model pumps; use claw clamps to bolt the pump ISO inlet flange directly to the ISO tube/collar assembly; use 4 claw clamps for ISO63,
ISO100 and ISO160 flanges.
5These inlet seals are suitable for standard, cryo-cooled and C-model pumps only; use CF fittings (which must be obtained from another supplier) for F-model pumps.
6Required only for pneumatic operation BRV valves; use either 1 5-port control valve or 2 4-port control valves. If you use 2 4-port control valves, you can use the isolation position of the BRV valve.
7Required only for P-model pumps, to control the operation of the high vacuum valve.

Shop online at www.bocedwards.com
3
PAGE
13
SCIENTIFIC VAPOR PUMPS
250/2000 installation
3P
3P 5P
7
6
5
7
6
9
7 6
8
10
7
6
5
11
3
1
2
**
10
**
4
*
*
DIAGRAM COMPONENT COMPONENT
KEY DESCRIPTION SIZE QUANTITY
1 ISO tube/collar assembly ISO250 1
2 2Rotatable flange pack ISO250 1
3 3Bolts (size, minimum length,
mm) M- & P-model
M10 × 110 12
4 Inlet seal, trapped "O" ring ISO250 1
5 PV40 valve, manual PV40MK 2
PV40 valve, pneumatic PV40PK 2
6 Clamp NW40 5
7 "O' ring assembly NW40 5
8"T' piece NW40 1
1
2
3
4
5
These items are supplied with the pump.
Not required for C-model pumps; use 6 claw clamps to bolt the pump ISO inlet flange directly to
the ISO tube/collar assembly.
Bolts are not available from BOC Edwards. Bolts are not required for Model-C pumps; use 6 claw
clamps to clamp the pump ISO inlet flange directly to the ISO tube/collar assembly.
Required only for pneumatic operation PVPK valves; use 1 3-port control valve for each of the two
PVPK valves.
Required only for P-model pumps, to control the high vacuum valve.
9 Elbow NW40 1
10 43-port electropneumatic
control valve 2
11 55-port electropneumatic
control valve
–
1

Shop online at www.bocedwards.com
3
PAGE
14
EO50/60 AIR COOLED DIFFUSION PUMP
EO50/60
The model EO50/60 is a compact, fast warm-up air-cooled diffusion pump
supplied complete with high integrity inlet Co-Seal, flange clamping ring and
optional baffle. The jet assembly is removable for easy cleaning. It meets
the need for a low-cost, high vacuum pump for use in desk top or mobile
scientific instruments, leak detectors, and general laboratory applications.
In many applications the rapid warm-up capability will enable the EO50/60
to be used without an isolation valve. However, the pump is not intended
for use on valveless systems where rapid cycling from atmospheric
pressure through the hot pump is required. BOC Edwards offers the TV
range of diffusion pumps for these applications.
TECHNICAL DATA
1DC704EU 2Santovac® 5
For valves, see page 5-4. For NW pipeline fittings, see page 6-7. For vapor
pump fluids, see page 6-46.
For EO2, EO4, EO6 diffusion pumps contact BOC Edwards.
Pumping speed
Air 60 l s-1 (27 l s-1 baffled)
Hydrogen 70 l s-1 (50 l s-1 baffled)
Fluid charge 20 ml
Recommended fluid Santovac® 5, Silicone DC704EU
Minimum backing pump displacement 1 m3h-1
Recommended backing pump E2M1.5
Inlet connection NW50 flange
Backing connection NW10 flange
Heater power 200 W or 250 W
Warm-up time 4 min
Weight 2 kg
Minimum cooling air flow 4.5 m3h-1
CRITICAL BACKING
PRESSURE ULTIMATE PRESSURE
FLUID (mbar) (mbar)
Santovac® 5 0.6 5 × 10-8
Silicone DC702 1.2 5 × 10-6
Silicone DC704EU 0.8 5 × 10-7
Silicone DC705 0.6 5 × 10-7
-5
10
0
l s
-1
10
-4 -3
10 10
-2
10
-1
10
20
30
40
50
60
1
2
70
-3
10 10
-2 0
10
-1
10 10
1
EO50/60
mba
r
Pa
ORDERING INFORMATION
PRODUCT DESCRIPTION ORDERING NUMBER
EO50/60 pump, 50/60 Hz, single phase
Pump voltage Fan voltage
90 V (0.25 kW) 115 V B30207090
110-125 V (0.2 kW) 115 V B30207110
180 V (0.25 kW) 230 V B30207180
210-225 V (0.2 kW) 230 V B30207210
230-250 V (0.2 kW) 230 V B30207240
Supplied with: NW50 combined baffle and centering-ring, NW50 centering-ring and "O"
ring, NW50 clamp and NW10 Co-Seal and clamp.
SPARES ORDERING NUMBER
Heater (0.2 kW)
110-125 V H01707060
210-225 V H01707062
230-250 V H01707063
Heater (0.25 kW)
90 V H01707075
180 V H01707073
Inlet Co-Seal fluoroelastomer B27158466
Backing NW10 "O" ring assembly, nitrile C10511393
ACCESSORIES ORDERING NUMBER
Pump ready thermal snap-switch B02304000
Cooling fail thermal snap-switch B27903006
Santovac® 5 (100 ml) H11401001
Silicone DC704EU (500 ml) H11201040
82 (2.23)
54
76 (2.99) 1641
176 (6.93)
540 (21.26)
91 (3.58)
80 (3.15)
62 (2.44)
142 (5.59)
NW10
NW50
(1.61)
(2.13)
(0.63)

Shop online at www.bocedwards.com
3
PAGE
15
SCIENTIFIC VAPOR PUMPS
DIFFSTAK COMBINED OUTFITS
Diffstak combined outfits
•Compact unit, delivering ~3 x 10-8 mbar ultimate pressure (depending
on vapor pump fluid used)
•Integrated manual backing/roughing valve and water cooled baffle
•Active Pirani gauge head* in backing line automatically interlocks the
Diffstak
•Enhanced safety shields for the highest temperature surfaces
•Castors are fitted as standard
•Fully factory tested
These are compact, high performance units featuring either the 63 mm or
100 mm Diffstak both backed by the RV5 two-stage rotary pump. Inlet
pumping speeds above the valve are 135 l s-1 and 280 l s-1 respectively.
The Diffstak has an integral water cooled baffle and is fitted with manual
quarterswing and backing/roughing valves. A manual air admittance valve
and a Pirani gauge are fitted in the backing line to the rotary pump. The
unit is supplied complete with rotary pump oil but vapor pump fluid should
be selected from the fluids and sealants section. Additional gauges are
optional extras.
1 A separate display or controller is required to show the pressure measured by the Pirani gauge head.
TECHNICAL DATA
The Diffstak combination includes the inlet flange Co-Seal, rotary pump oil
and instruction manual.
The Diffusion pump oil is not included, but can be ordered through
BOC Edwards, see page 6-46.
The power cable (line cord) is not included and needs to be ordered
separately, through BOC Edwards, see above.
To meet your special requirements we also offer custom built Diffstak
combined outfits or combined outfits featuring turbomolecular pumps,
see page 2-27. Please contact us for further details.
VAPOR PUMP – THERMAL
SNAP-SWITCHES
Vapor pump accessories
COOLING-FAIL THERMAL SNAP-SWITCH
This switch opens at a preset temperature to indicate failure of the cooling
water flow. The switch resets (closes) when the pump cools down to a
preset temperature.
Use with these pumps Diffstak, EO2, EO4, EO6, EO9
18B4A and 30B5A
Electrical data 25 A at 120 V a.c. or 240 V a.c.
Preset operation temperatures
Open 46 ± 5 ºC
Close (automatic reset) 38 ± 5 ºC
63 mm Diffstak outfit
Pumping speed above Diffstak valve 135 l s-1
Ultimate vacuum (with Santovac® 5 fluid) 3 x 10-8 mbar
3 x 10-6 Pa
Minimum cooling water flow 42 l h-1
Maximum power 0.8 kW
Weight (approx.) 51 kg
Vapor pump Diffstak 63 / 150M
Rotary vacuum pump RV5
Backing/roughing valve BRV10K
Vacuum gauge – pirani APG-M-NW16
100 mm Diffstak outfit
Pumping speed above Diffstak valve 280 l s-1
Ultimate vacuum (with Santovac® 5 fluid) 3 x 10-8 mbar
3 x 10-6 Pa
Minimum cooling water 60 l h-1
Maximum power 1.0 kW
Weight (approx.) 61 kg
Inlet connection ISO 100
Outlet connection NW25
Vapor pump Diffstak 100 / 300M
Rotary vacuum pump RV5
Backing/roughing valve BRV25K
Vacuum gauge – pirani APG-M-NW25
ORDERING INFORMATION
PRODUCT DESCRIPTION ORDERING NUMBER
63 mm Diffstak Combined Outfit (requires electrical supply cable)
115 V 1-ph 50/60 Hz B62426990
220 V 1-ph 50/60 Hz B62426952
245 V 1-ph 50/60 Hz B62426960
100 mm Diffstak Combined Outfit (requires electrical supply cable)
115 V 1-ph 50/60 Hz B62613990
220 V 1-ph 50/60 Hz B62613952
245 V 1-ph 50/60 Hz B62613960
ACCESSORIES ORDERING NUMBER
Line cords for combined outfit – 2m electrical supply cable with IEC socket
UK, three pin plug A50505000
North European plug A50506000
No plug A50508000
USA plug A50507000
ORDERING INFORMATION
PRODUCT DESCRIPTION ORDERING NUMBER
Cooling-fail thermal snap-switch B02302000
615 (24.21)
540 (21.26) 340 (13.39)
35 (1.38)
65 (2.56)
14
(0.55)

Shop online at www.bocedwards.com
3
PAGE
16
COOLING-FAIL THERMAL SNAP-SWITCH
(EO50/60 AND SI100)
This switch opens at a preset temperature to indicate failure of the cooling
water flow. The switch resets (closes) when the pump cools down to a
preset temperature.
Use with these pumps EO50/60, SI100, EO100/90
Electrical data 15 A at 120 V a.c. resistive or
10 A at 240 V a.c. resistive
Preset operation temperatures
Open 50 ± 3 ºC
Close (automatic reset) 35 ± 3 ºC
COOLING-FAIL THERMAL SNAP-SWITCH
(TVA50/60 AND TVW50/60)
This switch opens at a preset temperature to indicate failure of the cooling
water flow. The switch resets (closes) when the pump cools down to a
preset temperature.
Use with these pumps TVA50/60, TVW50/60
Electrical data 15 A at 120 V a.c. resistive or
10 A at 240 V a.c. resistive
Preset operation temperatures
Open 60 ± 3 ºC
Close (automatic reset) 50 ± 3 ºC
PUMP-READY THERMAL SNAP-SWITCH
This switch opens at a preset temperature to indicate that the pump is at
operating temperature. It can be used to control the opening of a high
vacuum valve. The switch resets (closes) when the pump cools down to a
preset temperature.
Use with these pumps All Diffstak, EO50/60, SI100, EO100/
90
EO4, EO6, EO9
Electrical data 6 A at 120 V a.c. resistive or
3 A at 240 V a.c. resistive or
7 A ar 30 V a.c. or dc, resistive
Preset operation temperatures
Open 80 ± 2.8 ºC
Close (automatic reset) 60 ± 2.8 ºC
BOILER PROTECTION THERMAL
SNAP-SWITCH
This switch opens at a preset temperature when the pump boiler base
exceeds the maximum safe operating temperature. The switch resets
(closes) when the pump cools down to a preset temperature.
Use with these pumps EO50/60, EO100/90, SI100
Electrical data 15 A at 220 V a.c. 50/60 Hz
10 A at 240 V a.c. 50/60 Hz
Pre-set operation temperatures
Open 200 ± 4.4 ºC
Close (automatic reset) 184 ± 4.4 ºC
ORDERING INFORMATION
PRODUCT DESCRIPTION ORDERING NUMBER
Cooling-fail thermal snap-switch B27903006
ORDERING INFORMATION
PRODUCT DESCRIPTION ORDERING NUMBER
Cooling-fail thermal snap-switch B02304002
30.15
Ø15.88
Ø3.68
23.8
18.540.51
(0.63)
(1.19)
(0.94)
(0.02) (0.73)
(0.14)
30.15
Ø15.88
Ø3.68
23.8
18.540.51
(0.63)
(1.19)
(0.94)
(0.02) (0.73)
(0.14)
ORDERING INFORMATION
PRODUCT DESCRIPTION ORDERING NUMBER
Pump-ready thermal snap-switch B02304000
ORDERING INFORMATION
PRODUCT DESCRIPTION ORDERING NUMBER
Boiler protection thermal snap-switch B02304001
Ø16.00 15.500.51
23.8
30.15
Ø3.62
(0.02) (0.61)
(0.94)
(1.19)
(0.63)
(0.14)
30.15
Ø18.03
Ø3.62
23.8
0.51 15.49
(1.19)
(0.94)
(0.02) (0.61)
(0.71)
(0.14)
