Philips Tda6107Jf Users Manual Triple Video Output Amplifier
TDA6107JF to the manual 1e50f9a6-3094-431c-ba53-68f314c79b6e
2015-02-05
: Philips Philips-Tda6107Jf-Users-Manual-384835 philips-tda6107jf-users-manual-384835 philips pdf
Open the PDF directly: View PDF
.
Page Count: 20

DATA SHEET
Product specification 2002 Oct 18
INTEGRATED CIRCUITS
TDA6107JF
Triple video output amplifier

2002 Oct 18 2
Philips Semiconductors Product specification
Triple video output amplifier TDA6107JF
FEATURES
•Typical bandwidth of 5.5 MHz for an output signal of
60 V (p-p)
•High slew rate of 900 V/µs
•No external components required
•Very simple application
•Single supply voltage of 200 V
•Internal reference voltage of 2.5 V
•Fixed gain of 50
•Black-Current Stabilization (BCS) circuit with voltage
window from 1.8 to 6 V and current window from
−100 µA to 10 mA
•Thermal protection
•Internal protection against positive flashover discharges
appearing on the CRT.
GENERAL DESCRIPTION
The TDA6107JF includes three video output amplifiers
and is intended to drive the three cathodes of a colour CRT
directly. The device is contained in a plastic DIL-bent-SIL
9-pin medium power (DBS9MPF) package, and uses
high-voltage DMOS technology.
To obtain maximum performance, the amplifier should be
used with black-current control.
ORDERING INFORMATION
TYPE
NUMBER
PACKAGE
NAME DESCRIPTION VERSION
TDA6107JF DBS9MPF plastic DIL-bent-SIL medium power package with fin; 9 leads SOT111-1

2002 Oct 18 3
Philips Semiconductors Product specification
Triple video output amplifier TDA6107JF
BLOCK DIAGRAM
handbook, full pagewidth
MBL525
TDA6107JF
VDD
6
1, 2, 3
4
9, 8, 7 Voc(3),
Voc(2),
Voc(1)
5Io(m)
Rf
MIRROR 5
DIFFERENTIAL
STAGE
VIP
REFERENCE
CURRENT
SOURCE
Ri
Vi(1),
Vi(2),
Vi(3)
Ra
3×
3×
CASCODE 1
CASCODE 2
MIRROR 2
1×
MIRROR 4
MIRROR 3
MIRROR 1
THERMAL
PROTECTION
CIRCUIT
1×
Fig.1 Block diagram (one amplifier shown).
PINNING
SYMBOL PIN DESCRIPTION
Vi(1) 1 inverting input 1
Vi(2) 2 inverting input 2
Vi(3) 3 inverting input 3
GND 4 ground (fin)
Iom 5 black-current measurement output
VDD 6 supply voltage
Voc(3) 7 cathode output 3
Voc(2) 8 cathode output 2
Voc(1) 9 cathode output 1
handbook, halfpage
Vi(1)
Vi(2)
Vi(3)
GND
Iom
VDD
Voc(3)
Voc(2)
Voc(1)
1
2
3
4
5
6
7
8
9
TDA6107JF
MBL524
Fig.2 Pin configuration.

2002 Oct 18 4
Philips Semiconductors Product specification
Triple video output amplifier TDA6107JF
LIMITING VALUES
In accordance with the Absolute Maximum Rating System (IEC 60134); voltages measured with respect to pin 4
(ground); currents as specified in Fig.1; unless otherwise specified.
HANDLING
Inputs and outputs are protected against electrostatic discharge in normal handling. However, to be totally safe, it is
desirable to take normal precautions appropriate to handling MOS devices (see
“Handling MOS Devices”
).
QUALITY SPECIFICATION
Quality specification
“SNW-FQ-611 part D”
is applicable and can be found in the
“Quality reference Handbook”
.
The handbook can be ordered using the code 9397 750 00192.
SYMBOL PARAMETER MIN. MAX. UNIT
VDD supply voltage 0 250 V
Viinput voltage at pins 1 to 3 0 12 V
Vo(m) measurement output voltage 0 6 V
Voc cathode output voltage 0 VDD V
Iocsm(L) LOW non-repetitive peak cathode output current at a flashover
discharge of 100 µC
03A
I
ocsm(H) HIGH non-repetitive peak cathode output current at a flashover
discharge of 100 nC
06A
T
stg storage temperature −55 +150 °C
Tjjunction temperature −20 +150 °C
Ves electrostatic handling voltage
Human Body Model (HBM) −3000 V
Machine Model (MM) −300 V

2002 Oct 18 5
Philips Semiconductors Product specification
Triple video output amplifier TDA6107JF
THERMAL CHARACTERISTICS
Note
1. An external heatsink is necessary.
SYMBOL PARAMETER CONDITIONS VALUE UNIT
Rth(j-a) thermal resistance from junction to ambient 56 K/W
Rth(j-fin) thermal resistance from junction to fin note 1 11 K/W
Rth(h-a) thermal resistance from heatsink to ambient 18 K/W
Thermal protection
The internal thermal protection circuit gives a decrease of
the slew rate at high temperatures: 10% decrease at
130 °C and 30% decrease at 145 °C (typical values on the
spot of the thermal protection circuit).
handbook, halfpage
−40
Ptot
(W)
0
8
6
2
0
4
40 80 160120
Tamb (°C)
MBH989
(1)
(2)
Fig.3 Power derating curves.
(1) Infinite heatsink.
(2) No heatsink.
handbook, halfpage
MGK279
5 K/W
outputs
fin
thermal protection circuit
6 K/W
Fig.4 Equivalent thermal resistance network.

2002 Oct 18 6
Philips Semiconductors Product specification
Triple video output amplifier TDA6107JF
CHARACTERISTICS
Operating range: Tj=−20 to +150 °C; VDD = 180 to 210 V. Test conditions: Tamb =25°C; VDD = 200 V;
Vo(c1) =V
o(c2) =V
o(c3) =1⁄2VDD; CL= 10 pF (CL consists of parasitic and cathode capacitance); Rth(h-a) = 18 K/W
(measured in test circuit of Fig.8); unless otherwise specified.
SYMBOL PARAMETER CONDITIONS MIN. TYP. MAX. UNIT
Iqquiescent supply current 5.6 6.6 7.6 mA
Vref(int) internal reference voltage
(input stage)
−2.5 −V
Riinput resistance −3.6 −kΩ
G gain of amplifier 47.5 51.0 55.0
∆G gain difference −2.5 0 +2.5
VO(oc) nominal output voltage at
pins 7, 8 and 9 (DC value)
Ii=0µA 116 129 142 V
∆VO(oc)(offset) differential nominal output
offset voltage between
pins 7 and 8, 8 and 9 and
9 and 7 (DC value)
Ii=0µA−05V
∆V
o(c)(T) output voltage temperature
drift at pins 7, 8 and 9
−10 −mV/K
∆Vo(c)(T)(offset) differential output offset
voltage temperature drift
between pins 7 and 8,
8 and 9 and 7 and 9
−0−mV/K
Io(m)(offset) offset current of measurement
output (for three channels)
Io(c) =0µA;
1.5 V < Vi< 5.5 V;
1.8 V < Vo(m) <6V
−50 −+50 µA
∆Io(m)/∆Io(c) linearity of current transfer
(for three channels)
−100 µA<I
o(c) < 100 µA;
1.5 V < Vi< 5.5 V;
1.8 V < Vo(m) <6V
−0.9 −1.0 −1.1
−100 µA≤Io(c) <10mA;
1.5 V < Vi< 5.5 V;
1.8 V < Vo(m) <4V
−0.9 −1.0 −1.1
Io(c)(max) maximum peak output current
(pins 7, 8 and 9)
50V<V
o(c) <V
DD −50 V −20 −mA
Vo(c)(min) minimum output voltage
(pins 7, 8 and 9)
Vi= 7.0 V; at Io(c) = 0 mA;
note 1
−−10 V
Vo(c)(max) maximum output voltage
(pins 7, 8 and 9)
Vi= 1.0 V; at Io(c) = 0 mA;
note 1
VDD −15 −−V
B
Ssmall signal bandwidth
(pins 7, 8 and 9)
Vo(c) = 60 V (p-p) −5.5 −MHz
BLlarge signal bandwidth
(pins 7, 8 and 9)
Vo(c) = 100 V (p-p) −4.5 −MHz
tPco cathode output propagation
time 50% input to 50% output
(pins 7, 8 and 9)
Vo(c) = 100 V (p-p) square
wave; f <1 MHz;
tr=t
f=40ns
(pins 1, 2 and 3);
see Figs 6 and 7
−60 −ns

2002 Oct 18 7
Philips Semiconductors Product specification
Triple video output amplifier TDA6107JF
Notes
1. See also Fig.5 for the typical DC-to-DC transfer of VIto VO(oc).
2. The ratio of the change in supply voltage to the change in input voltage when there is no change in output voltage.
∆tPco difference in cathode output
propagation time 50% input to
50% output (pins 7 and 8,
7 and 9 and 8 and 9)
Vo(c) = 100 V (p-p) square
wave; f < 1 MHz;
tr=t
f=40ns
(pins 1, 2 and 3)
−10 0 +10 ns
to(r) cathode output rise time
10% output to 90% output
(pins 7, 8 and 9)
Vo(c) = 50 to 150 V square
wave; f < 1 MHz; tf=40ns
(pins 1, 2 and 3); see Fig.6
67 91 113 ns
to(f) cathode output fall time
90% output to 10% output
(pins 7, 8 and 9)
Vo(c) = 150 to 50 V square
wave; f < 1 MHz; tr=40ns
(pins 1, 2 and 3); see Fig.7
67 91 113 ns
tst settling time 50% input to
99% < output < 101%
(pins 7, 8 and 9)
Vo(c) = 100 V (p-p) square
wave; f < 1 MHz;
tr=t
f=40ns
(pins 1, 2 and 3);
see Figs 6 and 7
−−350 ns
SR slew rate between
50Vto(V
DD −50 V)
(pins 7, 8 and 9)
Vi= 4 V (p-p) square wave;
f < 1 MHz; tr=t
f=40ns
(pins 1, 2 and 3)
−900 −V/µs
Ovcathode output voltage
overshoot (pins 7, 8 and 9)
Vo(c) = 100 V (p-p) square
wave; f < 1 MHz;
tr=t
f=40ns
(pins 1, 2 and 3);
see Figs 6 and 7
−2−%
PSRR power supply rejection ratio f < 50 kHz; note 2 −55 −dB
αct(DC) DC crosstalk between
channels
−−50 −dB
SYMBOL PARAMETER CONDITIONS MIN. TYP. MAX. UNIT

2002 Oct 18 8
Philips Semiconductors Product specification
Triple video output amplifier TDA6107JF
handbook, halfpage
0
Vo(c)
(V)
22.5 46
V
i
(V)
200
0
160
120
129
80
40
MBH988
Fig.5 Typical DC-to-DC transfer of VIto VOC.

2002 Oct 18 9
Philips Semiconductors Product specification
Triple video output amplifier TDA6107JF
150
140
100
60
50
151
149
tst
Ov (in %)
t
t
3.08
4.04
2.12
to(r)
tPco
Vo(c)
(V)
Vi
(V)
MGK280
Fig.6 Output voltage (pins 7, 8 and 9) rising edge as a function of the AC input signal.

2002 Oct 18 10
Philips Semiconductors Product specification
Triple video output amplifier TDA6107JF
51
49
Ov (in %)
t
t
MGK281
150
140
100
60
50
3.08
4.04
2.12
Vo(c)
(V)
Vi
(V)
tst
to(f)
tPco
Fig.7 Output voltage (pins 7, 8 and 9) falling edge as a function of the AC input signal.

2002 Oct 18 11
Philips Semiconductors Product specification
Triple video output amplifier TDA6107JF
Cathode output
The cathode output is protected against peak current
(caused by positive voltage peaks during high-resistance
flash) of 3 A maximum with a charge content of 100 µC(1).
The cathode is also protected against peak currents
(caused by positive voltage peaks during low-resistance
flash) of 6 A maximum with a charge content of 100 nC (1).
The DC voltage of VDD (pin 6) must be within the operating
range of 180 to 210 V during the peak currents.
Flashover protection
The TDA6107JF incorporates protection diodes against
CRT flashover discharges that clamp the cathodes output
voltage up to a maximum of VDD +V
diode.
To limit the diode current an external 1.5 kΩ carbon
high-voltage resistor in series with the cathode output and
a 2 kV spark gap are needed (for this resistor value, the
CRT has to be connected to the main PCB (1).
VDD must be decoupled to GND:
1. With a capacitor >20 nF with good HF behaviour
(e.g. foil); this capacitor must be placed as close as
possible to pins 6 and 4, but definitely within 5 mm.
2. With a capacitor >3.3 µF on the picture tube base
print, depending on the CRT size.
Switch-off behaviour
The switch-off behaviour of the TDA6107JF is controllable.
This is because the output pins of the TDA6107JF are still
under control of the input pins for low power supply
voltages (approximately 30 V and higher).
Bandwidth
The addition of the flash resistor produces a decreased
bandwidth and increases the rise and fall times; see
“Application Note AN96072”
.
Dissipation
Regarding dissipation, distinction must first be made
between static dissipation (independent of frequency) and
dynamic dissipation (proportional to frequency).
The static dissipation of the TDA6107JF is due to voltage
supply currents and load currents in the feedback network
and CRT.
The static dissipation Pstat equals:
Where:
VDD = supply voltage
IDD = supply current
VOC = DC value of cathode voltage
IOC = DC value of cathode current.
The dynamic dissipation Pdyn equals:
Where:
CL= load capacitance
Cint = internal load capacitance (≈4 pF)
fi= input frequency
Voc(p-p) = output voltage (peak-to-peak value)
δ= non-blanking duty cycle.
The IC must be mounted on the picture tube base print to
minimize the load capacitance CL.
(1)External protection against higher currents is described
in
“Application Note AN96072”
.
Pstat VDD IDD 3V
OC IOC
××+×=
Pdyn 3V
DD CLCint
+()f
i
V
oc(p-p) δ×××××=

2002 Oct 18 12
Philips Semiconductors Product specification
Triple video output amplifier TDA6107JF
TEST AND APPLICATION INFORMATION
handbook, full pagewidth
MBL526
2 MΩ
C1
19
1
J1
22 µF
22 nF
C2
4
probe 1
R1
100 kΩ
R2
6.8 pF
C10
20 nF
C7 10 µF
C8
3.2 pF
C9
136 pF
C11
VIP
REFERENCE
Vi(1) Vof
Iom
Voc(1)
VDD
Ri
Rf
Ra
2 MΩ
C3
2
6
8
2
J2
22 µF
22 nF
C4
probe 2
R3
100 kΩ
R4
6.8 pF
C13
3.2 pF
C12
136 pF
C14
Vi(2) Vof
Iom
Voc(2)
Ri
Rf
Ra
2 MΩ
C5
TDA6107JF
37
5
3
J3
22 µF
22 nF
C6
probe 3
R5
100 kΩ
R6
4 V
6.8 pF
C16
3.2 pF
C15
136 pF
C17
Vi(3) Vof
Iom
Vo(m)
Voc(3)
Ri
Rf
Ra
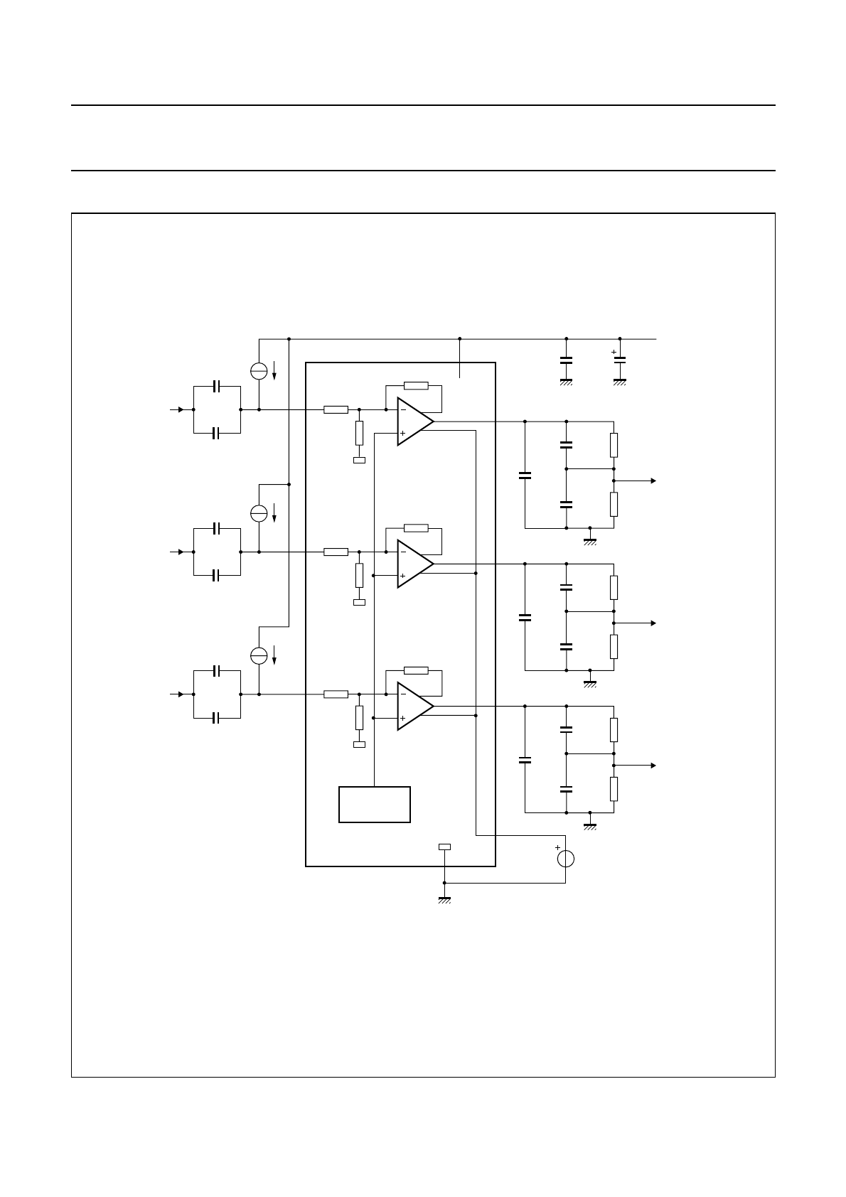
Fig.8 Test circuit.
Current sources J1, J2 and J3 are to be tuned so that Vo(c) of pins 9, 8 and 7 is set to 100 V.

2002 Oct 18 13
Philips Semiconductors Product specification
Triple video output amplifier TDA6107JF
INTERNAL CIRCUITRY
handbook, full pagewidth
7, 8, 9
MBL527
esd
6.8 Vesd
esd
GND VDD
esd
from
input
circuit
from
input
circuit
from
control
circuit
from black
current
measurement
circuit
from
control
circuit
to black current
measurement circuit
to black current
measurement circuit
to black current
measurement circuit
to black current
measurement circuit
esd
TDA6107JF
(1)
esd
flash
to cascode
stage
1, 2, 3
46
5
V
bias
(1) All pins have an energy protection for positive or negative overstress situations.
Fig.9 Internal pin configuration.

2002 Oct 18 14
Philips Semiconductors Product specification
Triple video output amplifier TDA6107JF
PACKAGE OUTLINE
UNIT A A3b1D12
b
2
bcD
(1) E(1) Z(1)
eLPP
1q
1
q
2
q
REFERENCES
OUTLINE
VERSION EUROPEAN
PROJECTION ISSUE DATE
IEC JEDEC EIAJ
mm 18.5
17.8 8.7
8.0
A4
15.5
15.1 1.40
1.14 0.67
0.50 1.40
1.14 0.48
0.38 21.8
21.4 21.4
20.7 6.48
6.20 3.4
3.2
2.54
e
2.54 1.0 65
55
5.9
5.7
4.4
4.2
3.9
3.4 15.1
14.9
Q
1.75
1.55
DIMENSIONS (mm are the original dimensions)
Note
1. Plastic or metal protrusions of 0.25 mm maximum per side are not included.
2.75
2.50
SOT111-1 92-11-17
95-03-11
0 5 10 mm
scale
0.25
w
D
E
A
A
c
A2
3
A4
q1
q2
L
e2
Q
wM
b
b1
b2
D1
P
q
1
Ze
19
P
seating plane
pin 1 index
θ
θ
o
o
DBS9MPF: plastic DIL-bent-SIL medium power package with fin; 9 leads SOT111-1
A
max. max.
2
3.7

2002 Oct 18 15
Philips Semiconductors Product specification
Triple video output amplifier TDA6107JF
SOLDERING
Introduction to soldering through-hole mount
packages
This text gives a brief insight to wave, dip and manual
soldering. A more in-depth account of soldering ICs can be
found in our
“Data Handbook IC26; Integrated Circuit
Packages”
(document order number 9398 652 90011).
Wave soldering is the preferred method for mounting of
through-hole mount IC packages on a printed-circuit
board.
Soldering by dipping or by solder wave
The maximum permissible temperature of the solder is
260 °C; solder at this temperature must not be in contact
with the joints for more than 5 seconds.
The total contact time of successive solder waves must not
exceed 5 seconds.
The device may be mounted up to the seating plane, but
the temperature of the plastic body must not exceed the
specified maximum storage temperature (Tstg(max)). If the
printed-circuit board has been pre-heated, forced cooling
may be necessary immediately after soldering to keep the
temperature within the permissible limit.
Manual soldering
Apply the soldering iron (24 V or less) to the lead(s) of the
package, either below the seating plane or not more than
2 mm above it. If the temperature of the soldering iron bit
is less than 300 °C it may remain in contact for up to
10 seconds. If the bit temperature is between
300 and 400 °C, contact may be up to 5 seconds.
Suitability of through-hole mount IC packages for dipping and wave soldering methods
Note
1. For SDIP packages, the longitudinal axis must be parallel to the transport direction of the printed-circuit board.
PACKAGE SOLDERING METHOD
DIPPING WAVE
DBS, DIP, HDIP, SDIP, SIL suitable suitable(1)

2002 Oct 18 16
Philips Semiconductors Product specification
Triple video output amplifier TDA6107JF
DATA SHEET STATUS
Notes
1. Please consult the most recently issued data sheet before initiating or completing a design.
2. The product status of the device(s) described in this data sheet may have changed since this data sheet was
published. The latest information is available on the Internet at URL http://www.semiconductors.philips.com.
3. For data sheets describing multiple type numbers, the highest-level product status determines the data sheet status.
LEVEL DATA SHEET
STATUS(1) PRODUCT
STATUS(2)(3) DEFINITION
I Objective data Development This data sheet contains data from the objective specification for product
development. Philips Semiconductors reserves the right to change the
specification in any manner without notice.
II Preliminary data Qualification This data sheet contains data from the preliminary specification.
Supplementary data will be published at a later date. Philips
Semiconductors reserves the right to change the specification without
notice, in order to improve the design and supply the best possible
product.
III Product data Production This data sheet contains data from the product specification. Philips
Semiconductors reserves the right to make changes at any time in order
to improve the design, manufacturing and supply. Relevant changes will
be communicated via a Customer Product/Process Change Notification
(CPCN).
DEFINITIONS
Short-form specification The data in a short-form
specification is extracted from a full data sheet with the
same type number and title. For detailed information see
the relevant data sheet or data handbook.
Limiting values definition Limiting values given are in
accordance with the Absolute Maximum Rating System
(IEC 60134). Stress above one or more of the limiting
values may cause permanent damage to the device.
These are stress ratings only and operation of the device
at these or at any other conditions above those given in the
Characteristics sections of the specification is not implied.
Exposure to limiting values for extended periods may
affect device reliability.
Application information Applications that are
described herein for any of these products are for
illustrative purposes only. Philips Semiconductors make
no representation or warranty that such applications will be
suitable for the specified use without further testing or
modification.
DISCLAIMERS
Life support applications These products are not
designed for use in life support appliances, devices, or
systems where malfunction of these products can
reasonably be expected to result in personal injury. Philips
Semiconductors customers using or selling these products
for use in such applications do so at their own risk and
agree to fully indemnify Philips Semiconductors for any
damages resulting from such application.
Right to make changes Philips Semiconductors
reserves the right to make changes in the products -
including circuits, standard cells, and/or software -
described or contained herein in order to improve design
and/or performance. When the product is in full production
(status ‘Production’), relevant changes will be
communicated via a Customer Product/Process Change
Notification (CPCN). Philips Semiconductors assumes no
responsibility or liability for the use of any of these
products, conveys no licence or title under any patent,
copyright, or mask work right to these products, and
makes no representations or warranties that these
products are free from patent, copyright, or mask work
right infringement, unless otherwise specified.

2002 Oct 18 17
Philips Semiconductors Product specification
Triple video output amplifier TDA6107JF
NOTES

2002 Oct 18 18
Philips Semiconductors Product specification
Triple video output amplifier TDA6107JF
NOTES

2002 Oct 18 19
Philips Semiconductors Product specification
Triple video output amplifier TDA6107JF
NOTES

© Koninklijke Philips Electronics N.V. 2002 SCA74
All rights are reserved. Reproduction in whole or in part is prohibited without the prior written consent of the copyright owner.
The information presented in this document does not form part of any quotation or contract, is believed to be accurate and reliable and may be changed
without notice. No liability will be accepted by the publisher for any consequence of its use. Publication thereof does not convey nor imply any license
under patent- or other industrial or intellectual property rights.
Philips Semiconductors – a worldwide company
Contact information
For additional information please visit http://www.semiconductors.philips.com. Fax: +31 40 27 24825
For sales offices addresses send e-mail to: sales.addresses@www.semiconductors.philips.com.
Printed in The Netherlands 753504/02/pp20 Date of release: 2002 Oct 18 Document order number: 9397 750 10545