Phychips PRM92K20CE UHF RFID MODULE User Manual

Phychips Inc. UHF RFID MODULE

User Manual

           PRM92K20CEUHF RFID ModuleUser’s Manual
      28 December 2012  2 of 12         PRM92x20CE USER’s MANUAL – PRM92x20CE_ADK01      Contents  1 Revision History ................................................................................................................................ 3 2 Introduction ....................................................................................................................................... 4 2.1 Package configuration ......................................................................................................................... 4 2.2 Features .............................................................................................................................................. 5 3 DK description ................................................................................................................................... 6 3.1 PRM92x10C_CTRL ............................................................................................................................. 6 4 Specifications .................................................................................................................................... 9 5 Address Information ....................................................................................................................... 10
      28 December 2012  3 of 12         PRM92x20CE USER’s MANUAL – PRM92x20CE_ADK01      1 Revision History  Version  Date  Description ADK01  2012.10. 09  Initial Release
        28 Decem   2 Intro The PRM92xsupports DCPRM92x20C 2.1 Packa PRM92x20C PRM PRM AQU Tag  Mini FFC Des   mber 2012 oduction x20CE DK cC power suppCE is UHF Rage configCE DK includM92x20CE : M9x10C_CTRUAxxxS_601Samples (Ui-USB cable C cable ign Kit Docu consists of PRply and PC inFID reader mFigure 1 Coguration des RF board RL : PC inter0 Antenna UPM Short Diment CD  RM92x20CEnterface.  module usingonnection to Prface boardipole) PRM92x2E and PRM9xg PR9200 anPRM92x10C 0CE USER’sx10C_CTRLnd include TCC_CTRL & PRs MANUAL –board. The CXO. RM92x20CE– PRM92x20PRM9x10C_E  4 of 120CE_ADK01_CTRL board    1   d
      28 December 2012  5 of 12         PRM92x20CE USER’s MANUAL – PRM92x20CE_ADK01      2.2 Features  PRM92x20CE is reference designed module of PR9200 and low cost components.  PRM9x10C_CTRL is control board that connects Reader Module to PC, supporting USB-to-UART interface and DC power management for reader module.  PRM92x20CE - EPC Gen2 support -  RCP protocol with CRC - FCC,EN certified -  PR9200, TCXO, Coupler, Antenna port -  Module size : 30mm x 35mm -  U.FL connector for Antenna port (50ohm) -  30pin FFC connector (PR9200 full IO including I2C, GPIO)  PRM92x10C_CTRL -  Board size: 70mm x 70mm -  DC power supply to USB -  UART based PC interface -  Mini USB connector -  FFC connector for DC supplement & data interface -  2.54mm pitch application connector (ALL GPIO) - SWD support  Firmware & GUI -  RCP protocol with CRC - Read, Write, access, lock, kill operation -  Bi-directional transfer to host microcontroller -  Bi-directional transfer via I2C interface -  Modular and easy to customize to final use case -  Easy to access to GPIOs
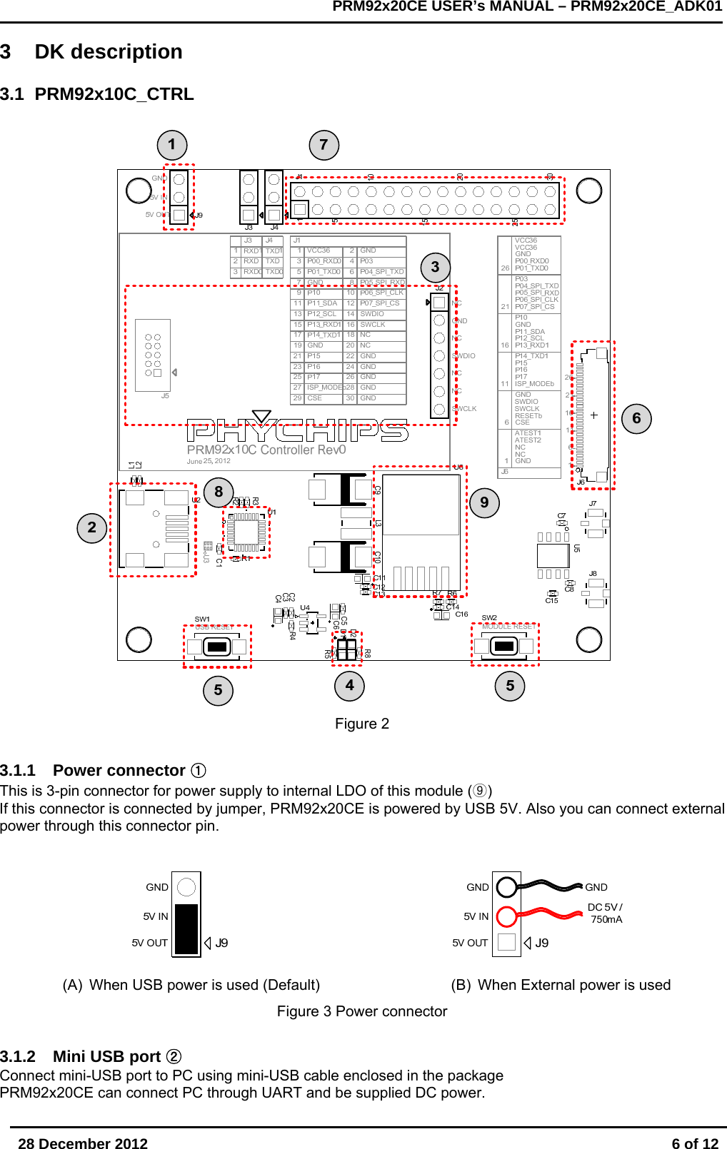
      28 December 2012  6 of 12         PRM92x20CE USER’s MANUAL – PRM92x20CE_ADK01      3 DK description  3.1 PRM92x10C_CTRL    Figure 2  3.1.1 Power connector ① This is 3-pin connector for power supply to internal LDO of this module (⑨)  If this connector is connected by jumper, PRM92x20CE is powered by USB 5V. Also you can connect external power through this connector pin.     (A)  When USB power is used (Default)  (B)  When External power is used Figure 3 Power connector   3.1.2  Mini USB port ② Connect mini-USB port to PC using mini-USB cable enclosed in the package PRM92x20CE can connect PC through UART and be supplied DC power.
      28 December 2012  7 of 12         PRM92x20CE USER’s MANUAL – PRM92x20CE_ADK01      3.1.3 SWD port ③ In order to debug or firmware download, this SWD port is connected to H/W debugger such as ULINK2 and X-LINK                                                           (A) X-LINK port  (B) ULINK2 port Figure 4 SWD port   [Notice] SWD port power (3.3V) is provided by ULINK2 or X-LINK adapter. Please check jumper setting of adapter (refer to ULINK2 user’s guide, http://www.keil.com/support/man/docs/ulink2/ulink2_hw_jumpers.htm)  3.1.4 LED part ④ PRM9x10C_CTRL has two LED. One indicate POWER, the other indicate ACTIVE. When DC power is normally supplied, “POWER” LED is ON. When RFID reader is ready, “ACTIVE” LED is ON. “ACTIVE” LED is connected to GPIO(P07) of PRM92x20CE and change that function in Firmware  Figure 5 PRM92x20CE_CTRL LED   3.1.5 RESETb button ⑤ This button is used when user want to reset PRM92x20CE and CP2102.     (C) USB Reset  (D) Module Reset Figure 6 Reset button  3.1.6 FFC connector ⑥ 30pin FFC connector has used for interconnection with PRM92x20CE
      28 December 2012  8 of 12         PRM92x20CE USER’s MANUAL – PRM92x20CE_ADK01      3.1.7 Application connector ⑦ User can connect GPIO, SPI, I2C through application connector and use PRM92x20CE MCU all IO function. This connector has 2.54mm pitch. Each pin location help user connect IO in many way.   28262422201816141210864227252321191715131197531ISP_MODEbP17P16P15GNDP14_TXD1P13_RXD1P12_SCLP11_SDAP10GNDP01_TXD0P00_RXD0VCC36GNDGNDGNDGNDNCNCSWCLKSWDIOP07_SPI_CSP06_SPI_CLKP05_SPI_RXDP04_SPI_TXDP03GND29CSE 30 GND Figure 7 Application connector  3.1.8 USB-to-UART ⑧ PRM92x10C_CTRL use CP2102 (Silicon Labs) as USB-to-UART bridge. In order to connect PRM92x20CE to PC, user must install driver at first time.  3.1.9 LDO ⑨ This LDO make 3.6V power supply voltage for PR9200 and TCXO.
      28 December 2012  9 of 12         PRM92x20CE USER’s MANUAL – PRM92x20CE_ADK01      4 Specifications  Parameter  Symbol  Min  Typ  Max  Unit PRM92x10C_CTRL supply voltage      5    V PRM92x10C_CTRL output voltage  VDD_36    3.6    V PRM92x10C Current consumption in active mode  IOP    550 mA TX output maximum power 1 POUT   25   dBm Frequency range  fC 917.1  926.9 MHz  1.  Current board max power is about 25dBm.
      28 December 2012  10 of 12         PRM92x20CE USER’s MANUAL – PRM92x20CE_ADK01      5 Address Information  PHYCHIPS Inc. #204 Migun Techno world 1, 533 Yongsan-dong, Yuseong-gu, Daejeon, Korea, 305-500 http://www.phychips.com sales@phychips.com Tel: +82-42-864-2402  Fax: +82-42-864-2403   Disclaimer: PHYCHIPS reserves the right to make changes to the information in this document without prior notice. The purchase of PHYCHIPS products does not convey any license under patent rights owned by PHYCHIPS or others. PHYCHIPS does not assume any responsibility for the use of this product. It is the customer’s responsibility to make sure that the system complies with regulations.  © 2012 PHYCHIPS Inc. All rights reserved. The reproduction of this document is NOT allowed without approval of PHYCHIPS Inc.
      28 December 2012  11 of 12         PRM92x20CE USER’s MANUAL – PRM92x20CE_ADK01       [Appendix1] Channel Number Table   1. US band  Channel  Channel Frequency  Channel  Channel Frequency 1  917.10 MHz  26  922.10 MHz 2  917.30 MHz  27  922.30 MHz 3  917.50 MHz  28  922.50 MHz 4  917.70 MHz  29  922.70 MHz 5  917.90 MHz  30  922.90 MHz 6  918.10 MHz  31  923.10 MHz 7  918.30 MHz  32  923.30 MHz 8  918.50 MHz  33  923.50 MHz 9  918.70 MHz  34  923.70 MHz 10  918.90 MHz  35  923.90 MHz 11  919.10 MHz  36  924.10 MHz 12  919.30 MHz  37  924.30 MHz 13  919.50 MHz  38  924.50 MHz 14  919.70 MHz  39  924.70 MHz 15  919.90 MHz  40  924.90 MHz 16  920.10 MHz  41  925.10 MHz 17  920.30 MHz  42  925.30 MHz 18  920.50 MHz  43  925.50 MHz 19  920.70 MHz  44  925.70 MHz 20  920.90 MHz  45  925.90 MHz 21  921.10 MHz  46  926.10 MHz 22  921.30 MHz  47  926.30 MHz 23  921.50 MHz  48  926.50 MHz 24  921.70 MHz  49  926.70 MHz 25  921.90 MHz  50  926.90 MHz
      28 December 2012  12 of 12         PRM92x20CE USER’s MANUAL – PRM92x20CE_ADK01      [Appendix2] FCC Certification Requirements 1. Caution Any changed or modifications not expressly approved by the party responsible for compliance could void the user`s authority to operate this equipment.  2.  OEM installation guide I.  OEM integrators must be instructed to ensure that the end-user has no manual instructions to remove or install the module. II.  This module is to be installed only in mobile of fixed devices. ▪ Mobile device: The devices is to be generally used in such a way that a separation distance of at least 20cm is normally maintained between the transmitter`s radiating structures and the body of the user or nearby persons. ▪ Fixed devices: The device is physically secured at one location and is not able to be easily moved to another location. III.  To ensure compliance with all non-transmitter functions the host manufacturer is responsible for ensuring compliance with the module(s) installed and fully operational. IV.  To satisfy FCC exterior labeling requirements, the following text must be placed on exterior of the end product. V.  An additional permanent label referring to the enclosed module: “Contains Transmitter Module FCC ID: XYZMODEL1” or “Contains FCC ID: XYZMODEL1” must be used. The host OEM user manual must also contain clear instructions on how end users can find and/or access the module and the FCC ID.  3.  FCC RF exposure requirements The antenna used with this module must be installed to provide a separation distance of at least 20cm from all persons, and must not transmit simultaneously with any other antenna or transmitter except in accordance with FCC multi-transmitter product procedures.  4.  FCC authorization for this module If this module is installed in portable devices or the different antenna configurations are used, the FCC authorizations are no longer considered valid and FCCID for module cannot be used on the final product.  And the OEM installer will be responsible for re-evaluating the final product including this module and obtaining separate FCC authorization.  5.  Information for importation of radio frequency devices in to the United States To ensure compliance with all non-transmitter functions the host manufacturer is responsible for ensuring compliance with the module(s) installed and fully operational.  For example, if a host was previously authorized as an unintentional radiator under the Declaration of Conformity procedure without a transmitter certified module and a module is added, the host manufacturer is responsible for ensuring that the after the module is installed and operational the host continues to be compliant with the Part 15B unintentional radiator requirements. Please see CFR47 Part 2 Subpart J Equipment Authorization Procedures, KDB784748 D01 v07, and KDB 997198.  6. User Information This device complies with Part 15 of the FCC`s Rule. Operation is subject to the following  to conditions;    1. This device may not cause harmful interference, and  2. This device must accept any interference received, including interference that may cause   undesirable operation.  This equipment has been tested and found to comply with the limits for a Class B digital device, pursuant to part 15 of the FCC Rules. These limits are designed to provide reasonable protection against harmful interference in a residential installation. This equipment generates, uses and can radiate radio frequency energy and, if not installed and used in accordance with the instructions, may cause harmful interference to radio communications. However, there is no guarantee that interference will not occur in a particular installation. If this equipment does cause harmful interference to radio or television reception, which can be determined by turning the equipment off and on, the user is encouraged to try to correct the interference by one or more of the following measures: - Reorient or relocate the receiving antenna.        - Increase the separation between the equipment and receiver.         - Connect the equipment into an outlet on a circuit different from that to which the receiver is  connected.         - Consult the dealer or an experienced radio/ TV technician for help.

Navigation menu