Physik Instrumente . H824T0005 TN H 824 D2 G2 D2V G2V
H824T0005_TN_H-824_D2_G2_D2V_G2V H-824 6-Axis Hexapod
User Manual: Physik Instrumente H-824 6-Axis Hexapod
Open the PDF directly: View PDF .
Page Count: 12

Technical Note
BRo, 2016-01-22
H824T0005, valid for H-824.G2, H-824.G2V, H-824.D2, H-824.D2V
Physik Instrumente (PI ) GmbH & Co. KG_Auf der Römerstraße 1_76228 Karlsruhe/Germany
Telefon +49 721 4846-0, Telefax +49 721 4846-1019 E-Mail info@pi.ws, www.pi.ws
H-824 Hexapod Microrobots
Contents
Introduction .......................................................................................................................................................... 1
Precision-Class 6-Axis Positioning System ..................................................................................................... 1
Model Overview ............................................................................................................................................... 1
Recommended Controller (to be ordered separately) ..................................................................................... 1
Other Applicable Documents ............................................................................................................................... 2
Scope of Delivery ................................................................................................................................................. 2
Connecting the Hexapod to the C-887 Hexapod Controller ................................................................................ 4
Only H-824.G2V and H-824.D2V models: Installing vacuum feedthroughs .................................................... 4
Connecting the Hexapod to the C-887 with the Cable Set .............................................................................. 5
Optional: Removing the Coordinate Cube ........................................................................................................... 6
Dimensions .......................................................................................................................................................... 7
Technical Data ..................................................................................................................................................... 8
Data Table ....................................................................................................................................................... 8
Specifications for Vacuum Versions ................................................................................................................ 9
Maximum Ratings .......................................................................................................................................... 10
Ambient Conditions and Classifications ........................................................................................................ 10
Pin Assignment .................................................................................................................................................. 10
Power Supply ................................................................................................................................................. 10
Data Transmission ......................................................................................................................................... 11
Introduction
Precision-Class 6-Axis Positioning System
Parallel-kinematic design for six degrees of freedom making it significantly more compact and stiff than serial-
kinematic systems, higher dynamic range, no moved cables: Higher reliability, reduced friction
Model Overview
H-824.G2 Compact Hexapod Microrobot, DC Motor Gearhead,
1 mm/s, 10 kg Load, Sub-D Connector, Cable Set 3 m
H-824.D2 Compact Hexapod Microrobot, Direct Drive, 25 mm/s,
5 kg Load, Sub-D Connector, Cable Set 3 m
H-824.G2V Compact Hexapod Microrobot, DC Motor Gearhead,
0.5 mm/s, 5 kg Load, Vacuum-Compatible to 10-6 hPa, Sub-D
Connector, 2 m Vacuum-Side Cable, Feedthrough, 3 m Air-Side Cable
H-824.D2V Compact Hexapod Microrobot, Direct Drive, 12.5 mm/s,
2.5 kg Load, Vacuum-Compatible to 10-6 hPa, Sub-D Connector,
2 m Vacuum-Side Cable, Feedthrough, 3 m Air-Side Cable
Recommended Controller (to be ordered separately)
C-887.5xx 6D Hexapod Controller, TCP/IP, RS-232, Bench-Top Device, Control of Two Additional Servo-Motor
Axes Included; various models available

Page 2 / 12
2016-01-22
H824T0005, valid for H-824.G2, H-824.G2V, H-824.D2, H-824.D2V
Physik Instrumente (PI ) GmbH & Co. KG_Auf der Römerstraße 1_76228 Karlsruhe/Germany
Telefon +49 721 4846-0, Telefax +49 721 4846-1019 E-Mail info@pi.ws, www.pi.ws
Other Applicable Documents
Description Document
H-824 Hexapod
Microrobot
MS200E user manual for H-824.G1, .GV, .D1 and .DV Hexapod models.
This manual is also valid for H-824.G2, .G2V, .D2 and .D2V Hexapod models, except for
the information superseded by the H824T0005 Technical Note (this document).
Refer to the MS200E user manual for the following information:
− Safety instructions and product description
− Instructions for unpacking, installation, start-up, and maintenance of the Hexapod
− Overview for troubleshooting
C-887.5xx
Hexapod
Controller
Technical Notes for the individual controller models
MS204E user manual
Documentation for the PC software that comes with the Hexapod controller
Scope of Delivery
Order Number Items
H-824 Hexapod according to your order
Cable set With H-824.G2 and .D2 models:
K040B0241 Data transmission cable, HD Sub-D 78 f/m, 1:1, 3 m
K060B0111 Power supply cable, M12m 180° to M12f 90°, 3 m
With H-824.G2V and .D2V models:
K040B0254 Data transmission cable for vacuum, HD Sub-D 78 m/f, 1:1, 2 m
4668 Vacuum feedthrough for data transmission, HD Sub-D 78 m/f
K040B0241 Data transmission cable on the air side, HD Sub-D 78 f/m, 1:1, 3 m
K060B0132 Power supply cable for vacuum, LEMO 2-pin (m) 180° to 2-pin (f) 90°, 2 m
C887B0002 Vacuum feedthrough for power supply, LEMO 2-pin (f) to M12 (m)
K060B0111 Power supply cable on the air side, M12 (m) 180° to M12 (f) 90°, 3 m
000015165 Steward snap-on ferrite suppressor
Packaging, consisting of:
– Transport lock consisting of:
2 struts, length 291 mm
2 struts, length 225 mm
1 strut, length 130 mm
9 M6x20 screws
4 plastic flat washers
000012251 Internal cushion, bottom
000012252 Internal cushion, cover

Page 3 / 12
2016-01-22
H824T0005, valid for H-824.G2, H-824.G2V, H-824.D2, H-824.D2V
Physik Instrumente (PI ) GmbH & Co. KG_Auf der Römerstraße 1_76228 Karlsruhe/Germany
Telefon +49 721 4846-0, Telefax +49 721 4846-1019 E-Mail info@pi.ws, www.pi.ws
Order Number Items
000012899 Inner box with handle, 560 mm x 560 mm x 400 mm
000012323 Outer box with soft foam cushions
2026 Pallet
Documentation, consisting of:
H824T0005 Technical Note for H-824.G2, .G2V, .D2 and .D2V Hexapod models (this document)
H824T0001 Technical Note in printed form on unpacking the Hexapod
MS200E User manual for the Hexapod
Screw sets:
000034605 Mounting accessories:
6 M6x30 hex-head cap screws ISO 4762
1 Allen wrench 5.0 DIN 911
000036450 Accessories for connection to the grounding system:
1 M4x8 flat-head screw with cross recess ISO 7045
2 washers, form A-4.3 DIN 7090
2 safety washers, Schnorr Ø 4 mm N0110

Page 4 / 12
2016-01-22
H824T0005, valid for H-824.G2, H-824.G2V, H-824.D2, H-824.D2V
Physik Instrumente (PI ) GmbH & Co. KG_Auf der Römerstraße 1_76228 Karlsruhe/Germany
Telefon +49 721 4846-0, Telefax +49 721 4846-1019 E-Mail info@pi.ws, www.pi.ws
Connecting the Hexapod to the C-887 Hexapod Controller
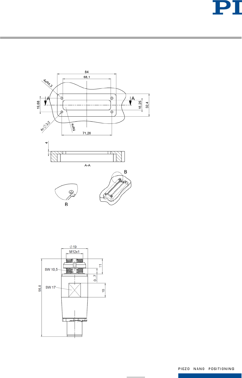
Only H-824.G2V and H-824.D2V models: Installing vacuum feedthroughs
Figure 1: Dimensions of the vacuum feedthrough for data transmission (4668) (dimensions in mm)
B 4 holes 45°xØ6 for M3 countersunk screw
Figure 2: Dimensions of the vacuum feedthrough for Hexapod power supply (C887B0002) (dimensions in mm)

Page 5 / 12
2016-01-22
H824T0005, valid for H-824.G2, H-824.G2V, H-824.D2, H-824.D2V
Physik Instrumente (PI ) GmbH & Co. KG_Auf der Römerstraße 1_76228 Karlsruhe/Germany
Telefon +49 721 4846-0, Telefax +49 721 4846-1019 E-Mail info@pi.ws, www.pi.ws
1. See the above figures for the dimensions of the vacuum feedthroughs.
2. Provide the vacuum chamber with suitable openings.
3. Install the vacuum feedthroughs:
a) Install the vacuum feedthrough for data transmission (4668) so that the HD Sub-D socket 78 (f) is
in the vacuum chamber.
b) Install the vacuum feedthrough for Hexapod power supply (C887B0002) so that the 2-pin LEMO
socket is in the vacuum chamber.
Connecting the Hexapod to the C-887 with the Cable Set
1. Read and observe the following installation instructions:
• Instructions in the user manual of the Hexapod, especially sections „General Notes on Installation“,
„Determining the Permissible Load and Working Space“, „Attaching the Snap-On Ferrite
Suppressor“, „Grounding the Hexapod“, „Mounting the Hexapod on a Surface“ and „Affixing the
Load to the Hexapod“.
• Instructions in the user manual of the Hexapod controller, especially sections „General Notes on
Installation“ and „Determining the Working Space and Permissible Load of the Hexapod“.
2. Make sure that the Hexapod controller is switched off (see user manual of the Hexapod controller).
3. Connect the Hexapod to the Hexapod controller as shown in the figure that belongs to your Hexapod
model, see below.
Figure 3: Connection diagram for H-824.G2 and H-824.D2 Hexapod models
Controller C-887.5x or C-887.5xx Hexapod controller
Hexapod H-824.G2 or H-824.D2 Hexapod
Power Supply C-887.5PS power supply, included with the Hexapod controller
1 K040B0241 Data transmission cable, HD Sub-D 78 (m) to HD Sub-D 78 (f), 3 m
2 K060B0111 Power supply cable, M12 (m) to M12 (f), 3 m

Page 6 / 12
2016-01-22
H824T0005, valid for H-824.G2, H-824.G2V, H-824.D2, H-824.D2V
Physik Instrumente (PI ) GmbH & Co. KG_Auf der Römerstraße 1_76228 Karlsruhe/Germany
Telefon +49 721 4846-0, Telefax +49 721 4846-1019 E-Mail info@pi.ws, www.pi.ws
Figure 4: Connection diagram for H-824.G2V and H-824.D2V Hexapod models
Controller C-887.5x or C-887.5xx Hexapod controller
Hexapod H-824.G2V or H-824.D2V Hexapod
Power Supply C-887.5PS power supply, included with the Hexapod controller
1 Vacuum chamber
2 K040B0241 Data transmission cable on the air side, HD Sub-D 78 (m) to HD Sub-D 78 (f), 3 m
3 4668 Vacuum feedthrough for data transmission, HD Sub-D 78 m/f
4 K040B0254 Data transmission cable on the vacuum side, HD Sub-D 78 (m) to HD Sub-D 78 (f), 2 m
5 K060B0111 Power supply cable on the air side, M12 (m) to M12 (f), 3 m
6 C887B0002 Vacuum feedthrough for power supply, M12 (m) to LEMO 2-pin (f)
7 K060B0132 Power supply cable on the vacuum side, LEMO 2-pin (m) to LEMO 2-pin (f), 2 m
Optional: Removing the Coordinate Cube
You can remove the coordinate cube from the base plate of the H-824 Hexapod.
1) Loosen the M4x6
threaded pin
2) Pull the
coordinate cube
upwards

Page 7 / 12
2016-01-22
H824T0005, valid for H-824.G2, H-824.G2V, H-824.D2, H-824.D2V
Physik Instrumente (PI ) GmbH & Co. KG_Auf der Römerstraße 1_76228 Karlsruhe/Germany
Telefon +49 721 4846-0, Telefax +49 721 4846-1019 E-Mail info@pi.ws, www.pi.ws
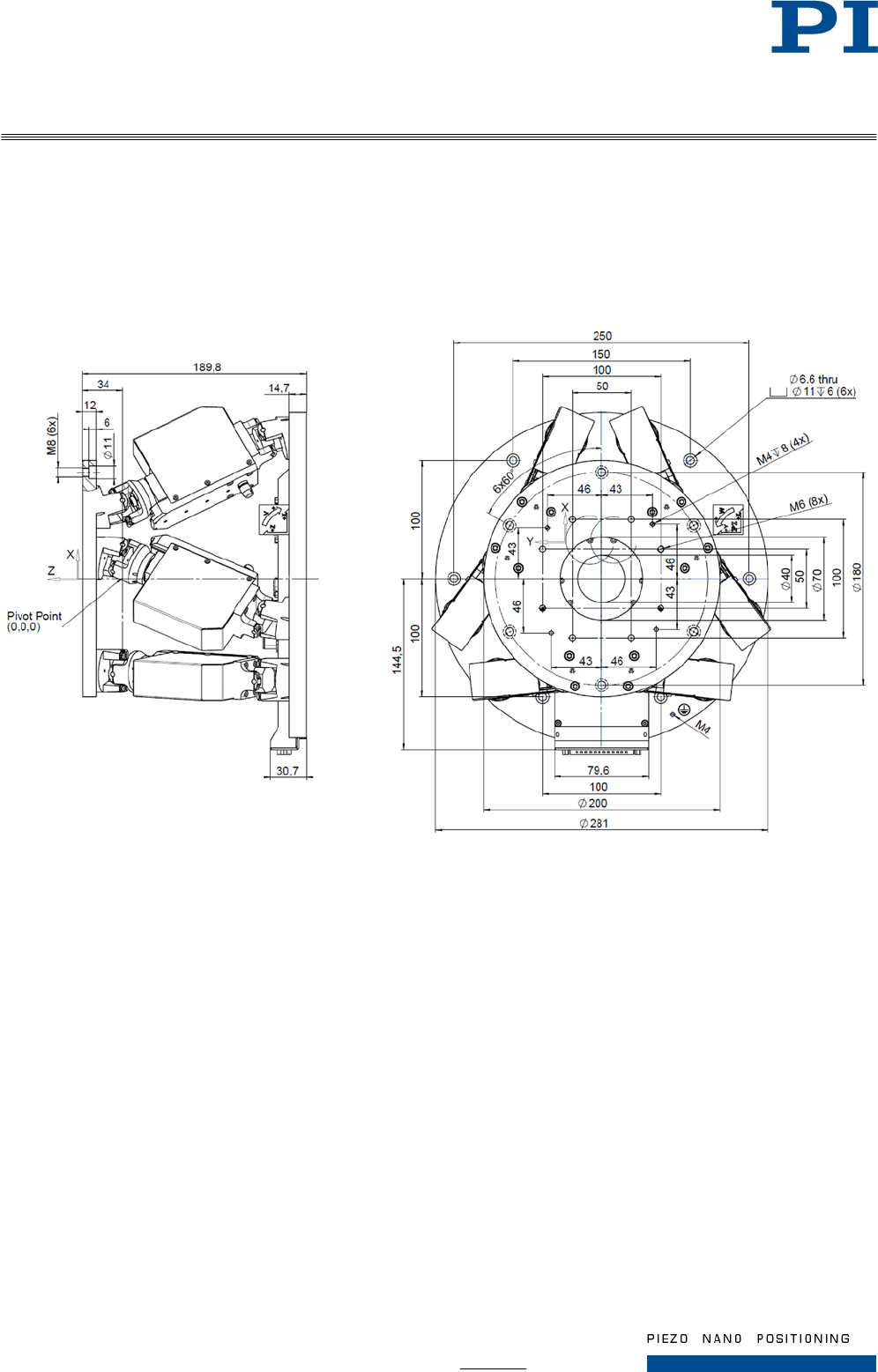
Dimensions
All figures show the Hexapod in the reference position. Dimensions in mm. Note that the decimal places are
separated by a comma in the drawings.
Figure 5: Dimensions of H-824.D2, .D2V, .G2, .G2V Hexapods
The (0,0,0) coordinates refer to the origin of the XYZ coordinate system. When the default settings of the
Hexapod controller are used and the Hexapod is in the reference position, the pivot point is located at the origin
of the XYZ coordinate system.

Page 8 / 12
2016-01-22
H824T0005, valid for H-824.G2, H-824.G2V, H-824.D2, H-824.D2V
Physik Instrumente (PI ) GmbH & Co. KG_Auf der Römerstraße 1_76228 Karlsruhe/Germany
Telefon +49 721 4846-0, Telefax +49 721 4846-1019 E-Mail info@pi.ws, www.pi.ws
Technical Data
Data Table
H-824.G2
H-824.D2
Unit
Tolerance
ffor higher resolution and load
for higher velocity
Active axes
X, Y, Z, θX, θY, θZ
X, Y, Z, θX, θY, θZ
Motion and positioning
Travel range* X, Y
±22.5
±22.5
mm
Travel range* Z
±12.5
±12.5
mm
Travel range* θX, θY
±7.5
±7.5
°
Travel range* θZ
±12.5
±12.5
°
Single-actuator design resolution
0.007
0.5
µm
Min. incremental motion X, Y, Z 0.3 1 µm typ.
Min. incremental motion θX, θY, θZ
3.5
12
µrad
typ.
Backlash X, Y 3 1 µm typ.
Backlash Z
1
1
µm
typ.
Backlash θX, θY
20
15
µrad
typ.
Backlash θZ
25
25
µrad
typ.
Repeatability X, Y
±0.5
±0.5
µm
typ.
Repeatability Z
±0.1
±0.1
µm
typ.
Repeatability θX, θY
±2
±2
µrad
typ.
Repeatability θ
Z
±2.5
±2.5
µrad
typ.
Max. velocity X, Y, Z
1
25
mm/s
Max. velocity θX, θY, θZ 11 270 mrad/s
Typ. velocity X, Y, Z
0.5
10
mm/s
Typ. velocity θX, θY, θZ 5.5 55 mrad/s
Mechanical properties
Stiffness X, Y
1.7
1.7
N/µm
Stiffness Z
7
7
N/µm
Load (base plate horizontal / any
orientation)
10 / 5
5 / 2.5
kg
max.
Holding force, de-energized (base
plate horizontal / any orientation)
100 / 50
15 / 5
N
max.
Motor type DC gear motor DC motor
Miscellaneous
Operating temperature range
-10 to 50
-10 to 50
°C
Material
Aluminum
Aluminum
Mass
8
8
kg
±5 %
Cable length
3
3
m
±10 mm
Vacuum versions to 10-6 hPa are available under the following ordering numbers: H-824.G2V, H-824.D2V.
Specifications for vacuum versions can differ, see p. 9.
Technical data specified at 20±3°C.
* The travel ranges of the individual coordinates (X, Y, Z, θX, θY, θZ) are interdependent. The data for each
axis in this table shows its maximum travel, where all other axes are at their zero positions. If the other
linear or rotational coordinates are not zero, the available travel may be less.

Page 9 / 12
2016-01-22
H824T0005, valid for H-824.G2, H-824.G2V, H-824.D2, H-824.D2V
Physik Instrumente (PI ) GmbH & Co. KG_Auf der Römerstraße 1_76228 Karlsruhe/Germany
Telefon +49 721 4846-0, Telefax +49 721 4846-1019 E-Mail info@pi.ws, www.pi.ws
Specifications for Vacuum Versions
H-824.G2V H-824.D2V Unit Tolerance
Motion and positioning
Velocity X, Y, Z 0.5 12.5 mm/s max.
Velocity θX, θY, θZ 5.5 135 mrad/s max.
Velocity X, Y, Z 0.2 5 mm/s typ.
Velocity θX, θY, θZ 2.3 28 mrad/s typ.
Mechanical properties
Load (base plate horizontal / any orientation) 5 / 2.5 2.5 / 1.25 kg max.
Holding force (base plate horizontal / any
orientation)
50 / 25 15 / 5 N max.
Drive and sensor
Motor Manufacturer: Faulhaber
Motor type: DC, 2224R036SR
Gearhead H-824.G2V only: 22/5 Reduction ratio 69:1
Encoder Manufacturer: Faulhaber
Encoder type: magnetic encoder, IE2-512
Reference point switch Magnetic, vacuum-compatible
Limit switches Magnetic, vacuum-compatible
Materials used
Machine-made parts 94% of the machine-made parts, i.e., base plate, struts, moving platform:
AlMg4.5Mn0.7 (3.3547) chemically nickel-plated, stainless steel 1.4310, 1.4305
6% of the machine-made parts, e.g., coupling elements:
Various vacuum-compatible materials
Bearing Stainless steel
Drivetrain elements Drive screw: Stainless steel
Drive belt: Polyurethane and Kevlar
Electrical components Cable insulation: Teflon (PTFE, FEP)
Shrink tubing: Kynar, PTFE
Solder: Sn95.5Ag3.8Cu0.7
Connector types: AMP HD20, Lemo
PCB's: Adapter board, limit switch board, PWM board
Grease Molykote HP-300, Klüber Barrierta L55/2
Sealing compound and
adhesive
Araldite 2014-1 (Huntsmann)
Other
Bakeout temperature 80 °C (176 °F)

Page 10 / 12
2016-01-22
H824T0005, valid for H-824.G2, H-824.G2V, H-824.D2, H-824.D2V
Physik Instrumente (PI ) GmbH & Co. KG_Auf der Römerstraße 1_76228 Karlsruhe/Germany
Telefon +49 721 4846-0, Telefax +49 721 4846-1019 E-Mail info@pi.ws, www.pi.ws
Maximum Ratings
The Hexapod is designed for the following operating data:
Maximum
operating voltage
Maximum operating
frequency (unloaded)
Maximum current
consumption
24 V DC 5 A
Ambient Conditions and Classifications
Degree of pollution: 2
Transport temperature: –25°C to +85°C
Storage temperature: 0 °C to 70 °C
Humidity: Maximum relative humidity of 80% at temperatures of up
to 31°C, linearly decreasing until relative humidity of
50% at 40°C
Degree of protection according to IEC 60529: IP20
Area of application: For indoor use only
Maximum altitude: 2000 m
Pin Assignment
Power Supply
H-824.D2, H-824.G2: 4-pin M12 panel plug
Pin Function
1 GND
2 GND
3 24 V DC
4 24 V DC
H-824.D2V, H-824.G2V: 2-pin LEMO panel plug, male, type ECJ.1B.302.CLD
Pin Function
1 GND
2 24 V DC
1
2
3
4

Page 11 / 12
2016-01-22
H824T0005, valid for H-824.G2, H-824.G2V, H-824.D2, H-824.D2V
Physik Instrumente (PI ) GmbH & Co. KG_Auf der Römerstraße 1_76228 Karlsruhe/Germany
Telefon +49 721 4846-0, Telefax +49 721 4846-1019 E-Mail info@pi.ws, www.pi.ws
Data Transmission
HD Sub-D 78 (m)
Pin*
Pin*
Signal*
Pin*
Pin*
Signal*
1
CH1 Sign
40
CH1 MAGN
21
CH1 Ref
60
CH1 LimP
2
CH1 VDD
41
CH1 LimN
22
CH1 A+
61
CH1 B+
3
CH1 A-
42
CH1 B-
23
GND
62
GND
4
CH2 Sign
43
CH2 MAGN
24
CH2 Ref
63
CH2 LimP
5
CH2 VDD
44
CH2 LimN
25
CH2 A+
64
CH2 B+
6
CH2 A-
45
CH2 B-
26
GND
65
GND
7
CH3 Sign
46
CH3 MAGN
27
CH3 Ref
66
CH3 LimP
8
CH3 VDD
47
CH3 LimN
28
CH3 A+
67
CH3 B+
9
CH3 A-
48
CH3 B-
29
GND
68
GND
10
CH4 Sign
49
CH4 MAGN
30
CH4 Ref
69
CH4 LimP
11
CH4 VDD
50
CH4 LimN
31
CH4 A+
70
CH4 B+
12
CH4 A-
51
CH4 B-
32
GND
71
GND
13
CH5 Sign
52
CH5 MAGN
33
CH5 Ref
72
CH5 LimP
14
CH5 VDD
53
CH5 LimN
34
CH5 A+
73
CH5 B+
15
CH5 A-
54
CH5 B-
35
GND
74
GND
16
CH6 Sign
55
CH6 MAGN
36
CH6 Ref
75
CH6 LimP
17
CH6 VDD
56
CH6 LimN
1
20
21
39
40
59
60
78

Page 12 / 12
2016-01-22
H824T0005, valid for H-824.G2, H-824.G2V, H-824.D2, H-824.D2V
Physik Instrumente (PI ) GmbH & Co. KG_Auf der Römerstraße 1_76228 Karlsruhe/Germany
Telefon +49 721 4846-0, Telefax +49 721 4846-1019 E-Mail info@pi.ws, www.pi.ws
Pin*
Pin*
Signal*
Pin*
Pin*
Signal*
37
CH6 A+
76
CH6 B+
18
CH6 A-
57
CH6 B-
38
GND
77
GND
19
Reserved
58
Brake/Enable drive
39
GND
78
GND
20
24 V output
59
Power good 24 V input
* Pin assignment of the C-887.5xx Hexapod controller. Since not all signals are required for all Hexapod
models, some pins may be not assigned with your Hexapod model.