Physik Instrumente Datasheet UPR 120
User Manual: Physik Instrumente Product ation & Software
Open the PDF directly: View PDF
.
Page Count: 4

08.05.2017
UPR-120
Ultraprecision Rotation Stage
Excellent Stability and Travel Accuracy
Reference-class rotation stage
High travel accuracy. High position resolution due to incremental encoder with analog signal transmission
(sin/cos, 1 Vpp)
Magnetic direct drive
Ironless magnetic direct drive (torque motor) for high velocity and acceleration. High position resolution.
Fields of application
Industry and research. Metrology, semiconductor manufacturing and testing, synchrotron applications
Specifications
6808911130
UPR-120
6824911130
UPR-120 AIR
Unit
Tolerance
Motion and Positioning
Active axes
θ
Z
θ
Z
Travel range
>360
>360
°
Integrated sensor
Incremental angle
measuring system
Incremental angle
measuring system
Sensor resolution*
0.00002
0.00002
°
Min. incremental motion
0.00008
0.00004
°
typ.
Unlimited travel range
Velocity to 360 °/s
Incremental angle measuring system with
0.00002° resolution
Clear aperture with 35 mm diameter
Optional: Air bearings for optimized
flatness

08.05.2017
Unidirectional repeatability
0.00008
0.00005
°
typ.
Bidirectional repeatability
±0.0001
±0.00008
°
typ.
Flatness
±1
±0.05
µm
typ.
Eccentricity
±3
±0.1
µm
typ.
Wobble
±25
±1.25
µrad
typ.
Velocity
360
360
°/s
max.
Mechanical Properties
Max. load, axial
100
100
N
max.
Max. load, radial
50
50
N
max.
Moved mass
0.8
1.1
kg
Overall mass
6
6.5
kg
Drive Properties
Drive type
Torque motor, ironless
Torque motor, ironless
Intermediate circuit voltage
48
48
VDC
max.
Peak torque
2.08
2.08
Nm
typ.
Nominal torque
0.76
0.76
Nm
typ.
Nominal current, effective
7.7
7.7
A
typ.
Torque constant, effective
0.26
0.26
Nm/A
typ.
Resistance per phase
2.2
2.2
Ω
typ.
Inductivity per phase
1.17
1.17
mH
typ.
Back EMF phase-phase
0.18
0.18
Vs/rad
max.
Limit switches
optical
optical
Miscellaneous
Operating temperature range
10 to 50
10 to 50
°C
Humidity
20 – 90% rel., not
condensing
20 – 90% rel., not
condensing
Material
Aluminum, (black anodized)
Aluminum, (black anodized)
Recommended controller
SMC Hydra, ACS SPii+EC
and other industrial
solutions
SMC Hydra, ACS SPii+EC
and other industrial
solutions
* With SMC Hydra controller.

08.05.2017
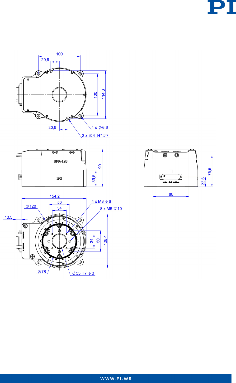
Drawings and Images
UPR-120, dimensions in mm

08.05.2017
Direction of the axes and torques for rotation stages
Ordering Information
6808911130
UPR-120 Ultra Precision Rotation Stage, Torque Motor, High-Resolution Angle Measuring System with
Sin/Cos Signal Transmission, Optical Limit Switch
6824911130
UPR-120 AIR Ultra Precision Rotation Stage, Torque Motor, Air Bearing, High-Resolution Angle
Measuring System with Sin/Cos Signal Transmission, Optical Limit Switch