Polvac V250PCB 13A
User Manual: Polvac v250pcb
Open the PDF directly: View PDF
.
Page Count: 78

Turbo-V 250 PCB Controller


ISTRUZIONI PER L’USO .............................................................................................. 1
GEBRAUCHSANLEITUNG ........................................................................................... 5
MODE D’EMPLOI .......................................................................................................... 9
INSTRUCCIONES DE USO .......................................................................................... 13
INSTRUÇÕES PARA O USO ........................................................................................ 17
GEBRUIKSAANWIJZINGEN ......................................................................................... 21
BRUGSANVISNING ...................................................................................................... 25
BRUKSANVISNING ...................................................................................................... 29
BRUKERVEILEDNING .................................................................................................. 33
KÄYTTÖOHJEET .......................................................................................................... 37
ODHGIES CRHSEWS........................................................................................................ 41
INSTRUCTIONS FOR USE ........................................................................................… 45
TECHNICAL INFORMATION ......................................................................................... 49
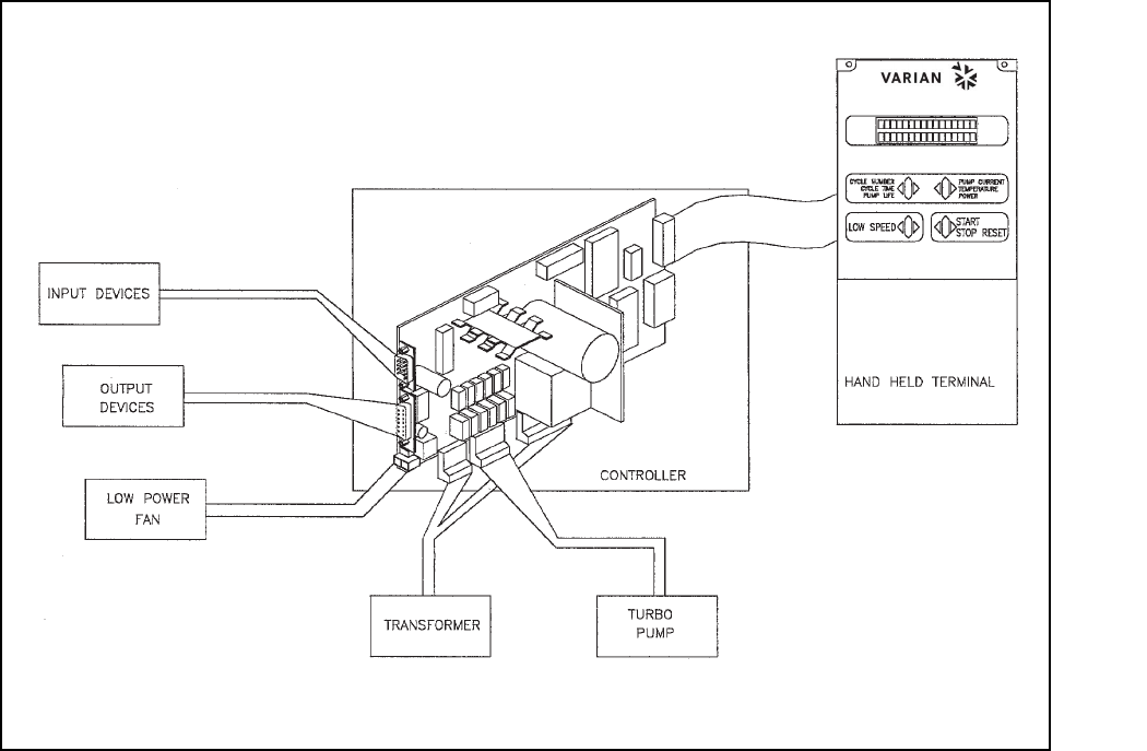
TURBO-V 250 PCB CONTROLLER DESCRIPTION ..................................................................... 49
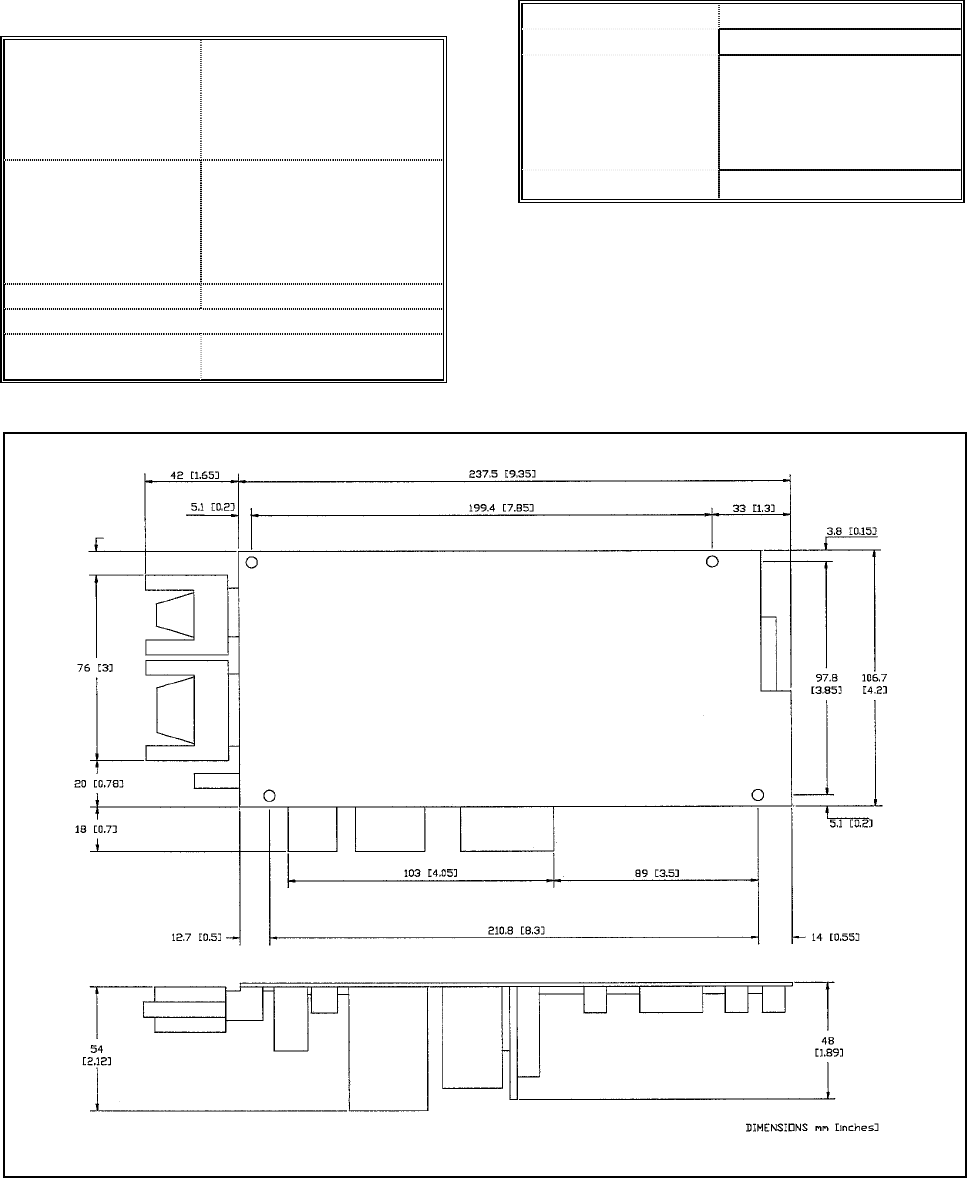
CONTROLLER SPECIFICATIONS ................................................................................................. 50
CONTROLLER OUTLINE ............................................................................................................... 50
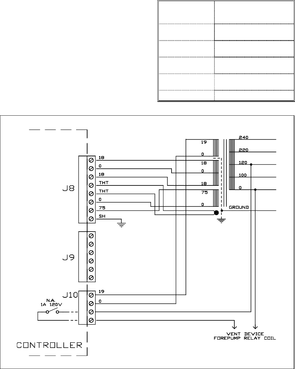
INTERCONNECTIONS ................................................................................................................... 51
Connection P1 - Logic Input Interconnections .........................................................………..
52
Connection J2 - Logic Output Interconnections ................................................................…
53
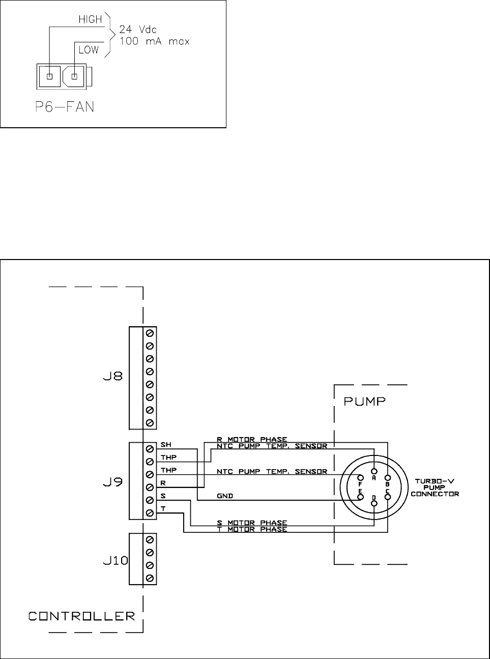
Connection P6 - Low Power Fan ................................................……………………………...
54
Controller to Pump Connection .……………………...............................................................
55
RS 232 OPTION ..........................................................................................................……………. 56
RS 232 Installation
.........................................................................................................…… 56
RS 232 Communication Descriptions.....................................................................................
56
USE ................................................................................................................................................. 59
General ..................................................................................................................................
59
Startup ...................................................................................................................................
59
Front/Remote/Serial Selection ..............................................................................................
60
Monitor Relay Programming ..................................................................................................
63
Starting the Pump...........................................................................................................……
66
Operating the Pump........................................................................................................……
67
Low Speed Operation ............................................................................................................
67
Pump Shutdown ..........................................................................................................……..
68
Power Failure ........................................................................................................................
68
Remote Control Mode Operation ..........................................................................................
68
RS 232 Control Mode Operation ...........................................................................…………..
68
ACCESSORIES AND SPARE PARTS ........................................................................................... 69
OPTIONS ........................................................................................................................................ 69

ISTRUZIONI PER L’USO
187-900-854-01 (C)
INFORMAZIONI GENERALI
Questa apparecchiatura è destinata ad uso
professionale. L'utilizzatore deve leggere attentamente
il presente manuale di istruzioni ed ogni altra
informazione addizionale fornita dalla Varian prima
dell'utilizzo dell'apparecchiatura. La Varian si ritiene
sollevata da eventuali responsabilità dovute
all'inosservanza totale o parziale delle istruzioni, ad uso
improprio da parte di personale non addestrato, ad
interventi non autorizzati o ad uso contrario alle
normative nazionali specifiche.
Il controller Turbo-V 250 PCB è un convertitore di
frequenza, controllato da un microprocessore,
realizzato con componenti a stato solido e con capacità
di autodiagnostica e autoprotezione. Esso incorpora
tutta la circuiteria necessaria per il funzionamento
automatico delle pompe della serie Turbo-V 250 PCB.
Il controller pilota le pompe della serie Turbo-V 250
PCB (con un processo suddiviso in dieci passi) durante
la fase di avvio controllando la tensione e la corrente in
rapporto alla velocità raggiunta dalla pompa. Tramite
connettori ausiliari sono disponibili i comandi per l'avvio
e l'arresto della pompa da remoto, i segnali che
indicano lo stato operativo della pompa, i comandi per
l'avvio e l'arresto della pompa di pre-vuoto, segnali di
bloccaggio (per interruttori a pressione, interruttori di
controllo del flusso dell'acqua, ecc.). Il controller deve
essere alimentato da un trasformatore esterno (non
fornito con il controller). Per controllare le funzioni e
visualizzare lo stato del controller è disponibile in
opzione un apposito apparato (Hand Held Terminal)
costituito da una tastiera di comando e da un display di
visualizzazione. Nei paragrafi seguenti sono riportate
tutte le informazioni necessarie a garantire la sicurezza
dell'operatore durante l'utilizzo dell'apparecchiatura.
Informazioni dettagliate sono fornite nell'appendice
"Technical Information".
Questo manuale utilizza le seguenti convenzioni:
!
I messaggi di pericolo attirano l'attenzione
dell'operatore su una procedura o una pratica specifica
che, se non eseguita in modo corretto, potrebbe
provocare gravi lesioni personali.
ATTENZIONE!
I messaggi di attenzione sono visualizzati prima di
procedure che, se non osservate, potrebbero causare
danni all'apparecchiatura.
NOTA
Le note contengono informazioni importanti estrapolate
dal testo.
IMMAGAZZINAMENTO
Durante il trasporto e l'immagazzinamento del
controller devono essere soddisfatte le seguenti
condizioni ambientali:
• temperatura: da -20 °C a +70 °C
• umidità relativa 0 - 95% (non condensante)
PREPARAZIONE PER L’INSTALLAZIONE
Il controller viene fornito in un imballo protettivo
speciale; se si presentano segni di danni, che
potrebbero essersi verificati durante il trasporto,
contattare l'ufficio vendite locale.
Imballo dei controller
Durante l'operazione di disimballaggio, prestare
particolare attenzione a non lasciar cadere il controller
e a non sottoporlo ad urti. Non disperdere l'imballo
nell'ambiente. Il materiale è completamente riciclabile e
risponde alla direttiva CEE 85/399 per la tutela
dell'ambiente. Prima di installare il controller occorre
preparare alcuni cavi di interconnessione, quali ad
esempio i cavi per le interconnessioni con
l'alimentazione, quelli per le interconnessioni logiche e
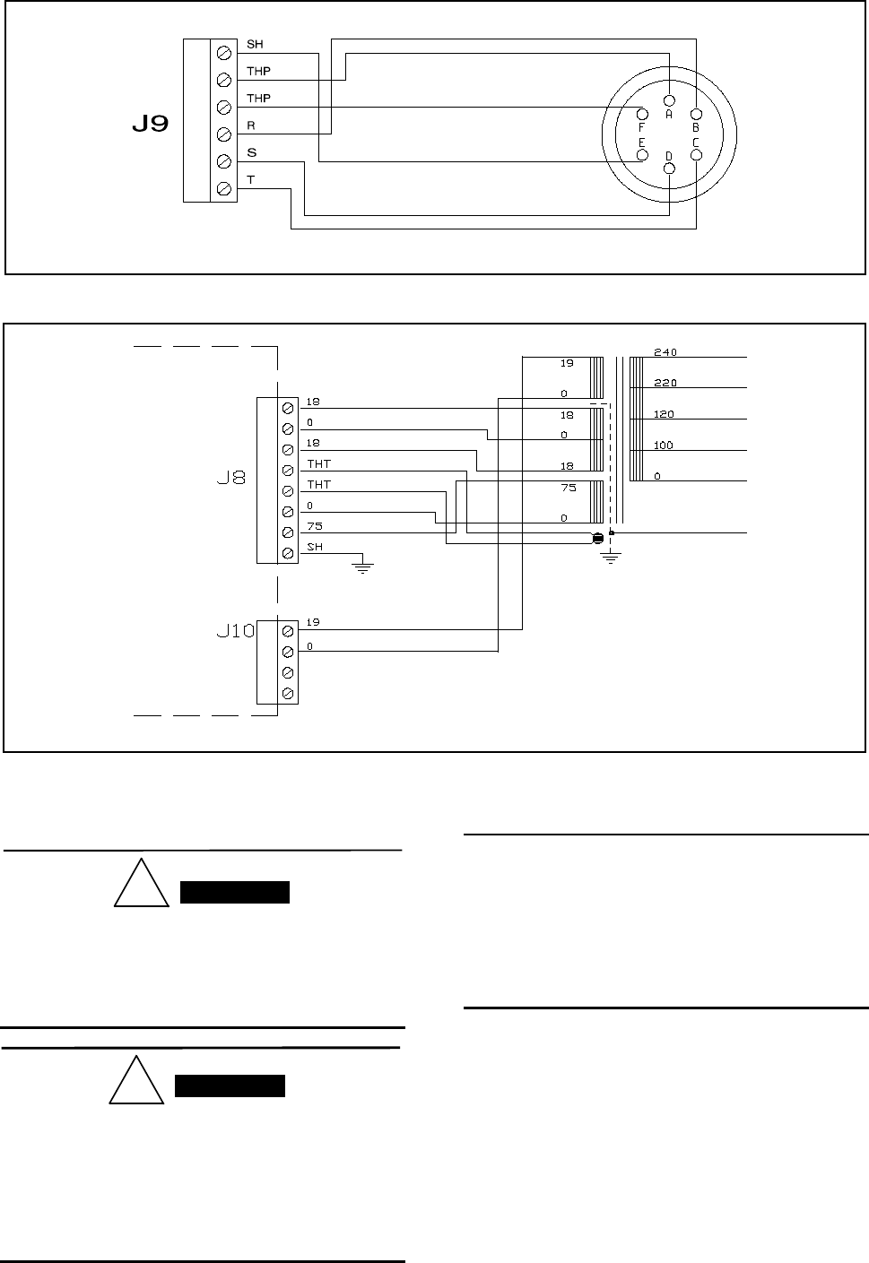
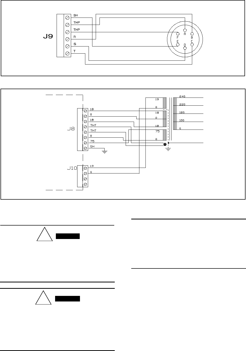
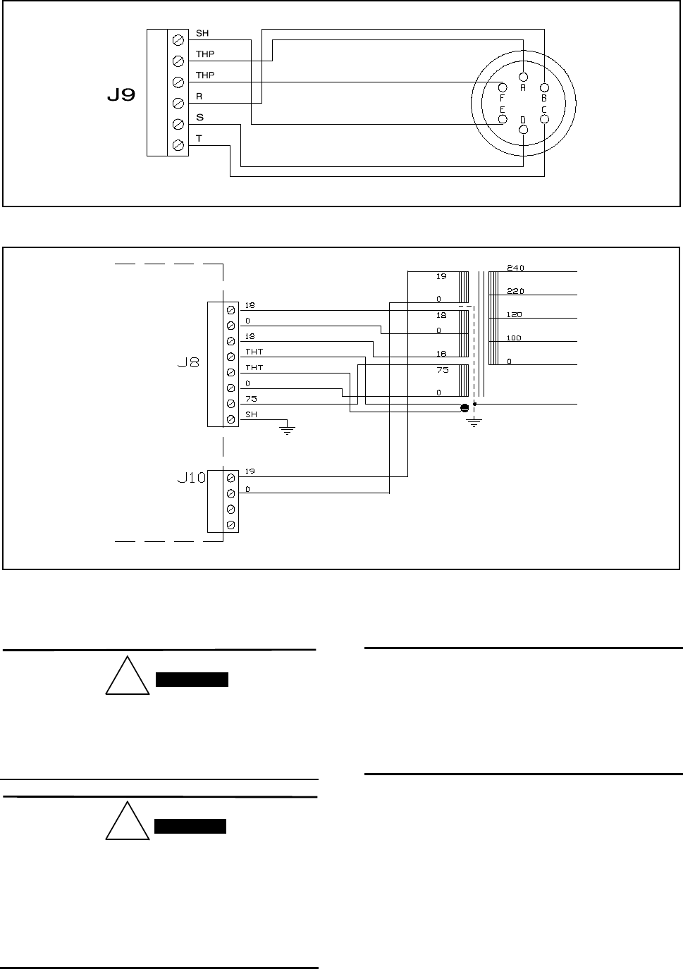
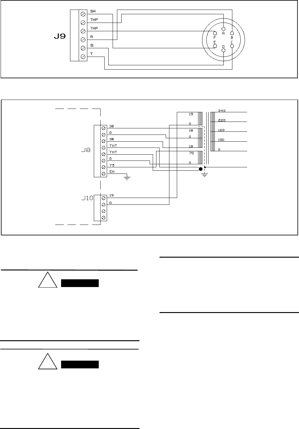
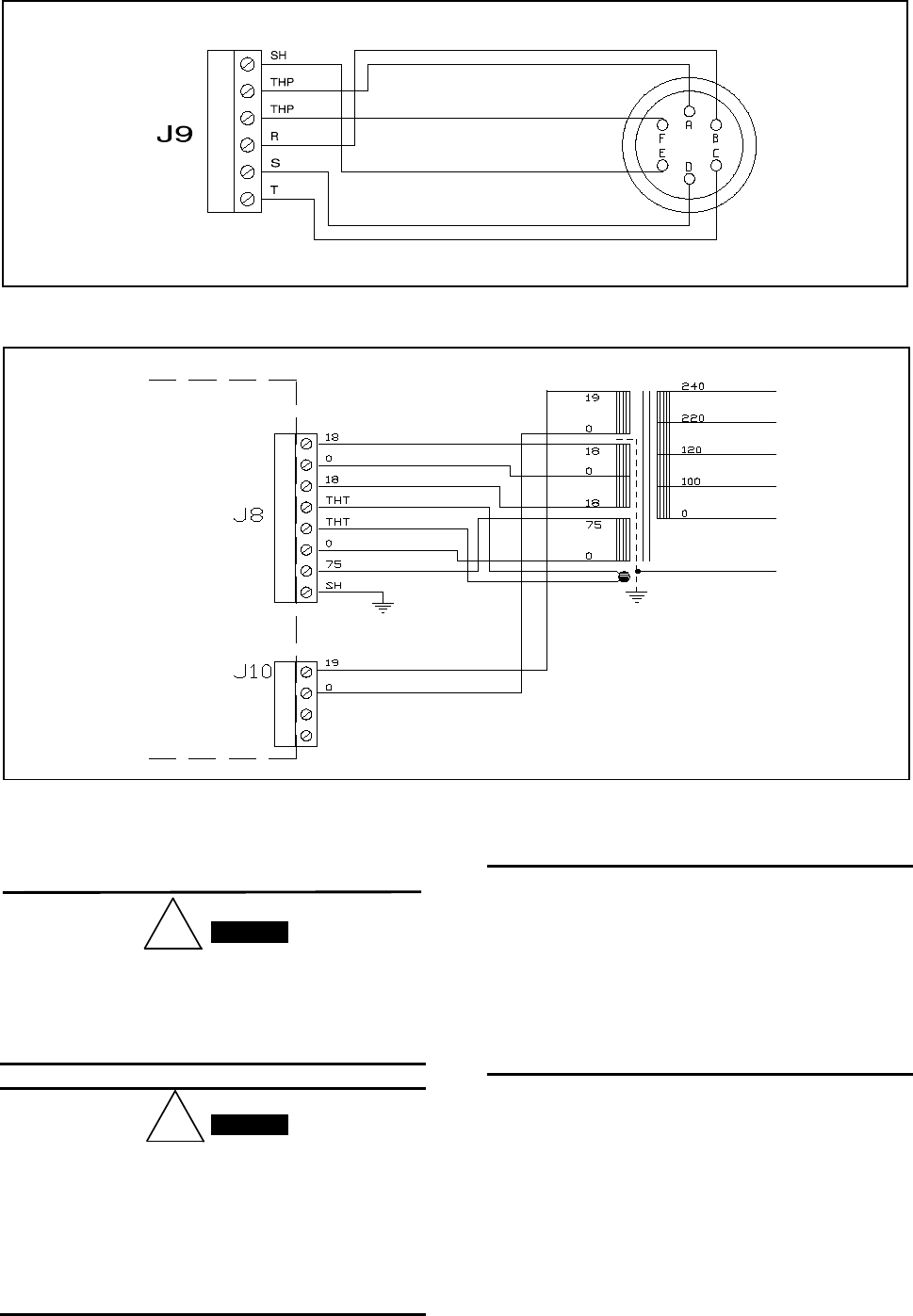
quello per il collegamento con la pompa. Nelle figure
seguenti sono schematizzati i collegamenti da
effettuare tra il controller e la pompa e tra il controller
ed il trasformatore di alimentazione.
Per ulteriori dettagli sulle suddette interconnessioni e le
caratteristiche tecniche del trasformatore (disponibile
come opzione) vedere l'appendice "Technical
Information".
PERICOLO!

ISTRUZIONI PER L’USO
287-900-854-01 (C)
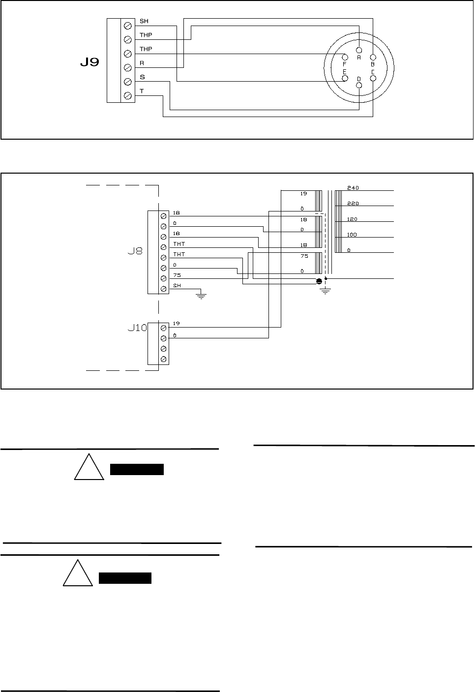
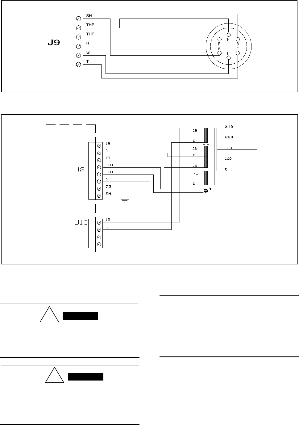
Cavo di Interconnessione tra il Controller e la Pompa
Interconnessioni tra il Controller ed il Transformatore
INSTALLAZIONE
!
Le tensioni presenti tra il controller ed il relativo
trasformatore, e tra il trasformatore e la rete di
alimentazione sono tali da costituire pericolo per chi ne
venisse a contatto. Proteggere adeguatamente il
controller ed il trasformatore di alimentazione nella loro
installazione definitiva da contatti accidentali.
!
All'interno del controller si sviluppano alte tensioni che
possono recare gravi danni o la morte. Prima di
eseguire qualsiasi operazione di installazione o
manutenzione del controller scollegarlo dalla
alimentazione. All'interno del controller si sviluppano
elevate temperature che possono recare gravi danni.
Proteggere adeguatamente il controller nella sua
installazione definitiva da contatti accidentali.
NOTA
Il controller installato nel sistema definitivo deve essere
posizionato in modo tale che l'aria di raffreddamento
possa circolare liberamente intorno all'apparato. Non
installare e/o utilizzare il controller in ambienti esposti
ad agenti atmosferici (pioggia, gelo, neve), polveri, gas
aggressivi, in ambienti esplosivi o con elevato rischio di
incendio.
Durante il funzionamento è necessario che siano
rispettate le seguenti condizioni ambientali:
• temperatura: da 0 °C a +40 °C
• umidità relativa: 0 - 95% (non condensante).
PERICOLO!
PERICOLO!

ISTRUZIONI PER L’USO
387-900-854-01 (C)
USO
In questo paragrafo sono riportate le principali
procedure operative. Per ulteriori dettagli e per
procedure che coinvolgono collegamenti o particolari
opzionali, fare riferimento al paragrafo "USE"
dell'appendice "Technical Information". Alcune delle
istruzioni riportate nel seguito sono possibili solo se al
controller è collegato l'accessorio "Hand held terminal".
Prima di usare il controller effettuare tutti i collegamenti
elettrici e pneumatici e fare riferimento al manuale della
pompa collegata.
!
Per evitare danni alle persone ed all'apparato, nel caso
in cui la pompa sia appoggiata su di un tavolo
assicurarsi che sia stabile. Non far funzionare mai la
pompa se la flangia di ingresso non è collegata al
sistema o non è chiusa con la flangia di chiusura.
Di seguito è illustrato il pannello di comando dell'hand
held terminal.
1. Pulsante per la selezione del modo LOW SPEED. È
attivo solo quando è selezionato il modo di comando
dal pannello frontale. Premendolo una volta, la pompa
ruota a circa 2/3 della velocità nominale. Premendolo
ancora si disattiva il modo LOW SPEED.
2. Pulsante per inviare i comandi di START, STOP o
RESET. È attivo solo quando è selezionato il modo di
comando dal pannello frontale. Premendolo una volta
si attiva la fase di avvio; premendolo nuovamente si
arresta la pompa. Se la pompa si è fermata
automaticamente a causa di un guasto, occorre
premere questo pulsante una prima volta per eseguire
il reset del controller ed una seconda volta per riavviare
la pompa.
3. Pulsante per richiamare sul display i parametri cycle
number, cycle time e pump life.
4. Pulsante per richiamare sul display i parametri pump
current, pump temperature, pump power e rotational
speed. È sempre attivo indipendentemente dal modo di
funzionamento scelto. Premendo assieme i pulsanti 3 e
4 per almeno 2 secondi viene attivato un programma
con il quale è possibile programmare alcuni parametri
operativi.
5. Display alfanumerico a cristalli liquidi: matrice di punti,
2 linee x 16 caratteri.
Pannello frontale dell’Hand Held Terminal
PROCEDURE DI USO
Accensione del Controller
Per accendere il controller è sufficiente fornire la
tensione di alimentazione al controller stesso.
Avvio della Pompa
Per avviare la pompa occorre inviare il comando di
START ai relativi pin del connettore di ingresso del
controller (pin 1 - 6 di P1) o, se è presente l'opzione
"hand held terminal", premere il pulsante START.
Arresto della Pompa
Per arrestare la pompa occorre rimuovere il comando
di START dai relativi pin del connettore di ingresso del
controller (pin 1 - 6 di P1) o, se è presente l'opzione
"hand held terminal", premere il pulsante STOP.
MANUTENZIONE
I controller della serie Turbo-V 250 PCB non richiedono
alcuna manutenzione. Qualsiasi intervento deve essere
eseguito da personale autorizzato. In caso di guasto è
possibile usufruire del servizio di riparazione Varian o
del "Varian advance exchange service", che permette
di ottenere un controller ricondizionato in sostituzione
di quello guasto.
!
Prima di effettuare qualsiasi intervento sul controller
scollegare il cavo di alimentazione.
Qualora un controller dovesse essere rottamato,
procedere alla sua eliminazione nel rispetto delle
normative nazionali specifiche.
PERICOLO!
PERICOLO!

ISTRUZIONI PER L’USO
487-900-854-01 (C)
MESSAGGI DI ERRORE
In alcuni casi di guasto la circuiteria di autodiagnosi del
controller presenta alcuni messaggi di errore elencati
nella tabella seguente.
NOTA
I messaggi di errore sono presentati solo se è installata
l'opzione "hand held terminal".
MESSAGGIO DESCRIZIONE AZIONE CORRETTIVA
CHECK CONNECTION TO
PUMP
Malfunzionamento nel collegamento tra
pompa e controller. Verificare che il cavo di collegamento tra
pompa e controller sia ben fissato da
entrambe le estremità e non sia interrotto.
Premere due volte il pulsante START per
riavviare la pompa.
PUMP WAITING
INTERLOCK
È attivo il segnale di interlock presente
sul connettore P1 a causa
dell'interruzione del corto circuito tra il
pin 3 ed il pin 8 del connettore J1, o a
causa dell'apertura del segnale di
interlock esterno.
Ripristinare il corto circuito tra il pin 3 ed il
pin8 del connettore J1, o chiudere il
segnale di interlock esterno.
FAULT: OVERTIME SX Durante l'avvio della pompa nel modo
"soft start", la pompa non ha raggiunto la
velocità prevista ad ogni passo entro 15
minuti. (X può valere da 0 a 9 ed indica il
passo non superato).
Verificare che il sistema non presenti delle
perdite.
Premere due volte il pulsante START per
riavviare la pompa.
FAULT: PUMP OVERTEMP. La temperatura del cuscinetto superiore
o della pompa ha superato i 60 °C.
Attendere che la temperatura ritorni al di
sotto della soglia. Premere due volte il
pulsante START per riavviare la pompa.
FAULT: CONTROLLER
OVERTEMPERATURE
La temperatura del trasformatore del
controller ha superato i 90 °C.
Attendere che la temperatura ritorni al di
sotto della soglia. Premere due volte il
pulsante START per riavviare la pompa.
FAULT: TOO HIGH L0AD Durante il funzionamento normale (dopo
la fase di avvio) la corrente assorbita
dalla pompa è maggiore di quella
programmata (1,5 A).
Verificare che il rotore della pompa abbia la
possibilità di ruotare liberamente. Premere
due volte il pulsante START per riavviare la
pompa.
FAULT: SHORT CIRCUIT Durante il funzionamento normale (dopo
la fase di avvio) la connnessione di
uscita è in corto circuito (corrente di
uscita maggiore di 2,2 A).
Verificare i collegamenti tra pompa e
controller.
Premere due volte il pulsante START per
riavviare la pompa.
SYSTEM OVERRIDE La pompa è stata fermata da un segnale
di emergenza proveniente da un
contatto remoto.
Staccare il cavo di alimentazione del
controller e correggere la causa
dell'emergenza. Ricollegare il cavo di
alimentazione e premere due volte il
pulsante START per riavviare la pompa.
OVERVOLTAGE Si è verificato un guasto nella sezione di
alimentazione del controller, o il
controller ha ricevuto un segnale spurio.
Premere due volte il pulsante START per
riavviare la pompa. Se il messaggio si
ripresenta rivolgersi in Varian per la
manutenzione.

GEBRAUCHSANLEITUNG
587-900-854-01 (C)
ALLGEMEINES
Dieser Apparat ist für Fachbetriebe bestimmt. Vor
Gebrauch sollte der Benutzer dieses Handbuch sowie
alle weiteren mitgelieferten Zusatzdokumentationen
genau lesen. Bei Nichtbeachtung - auch teilweise - der
enthaltenen Hinweise, unsachgemäßem Gebrauch
durch ungeschultes Personal, nicht autorisierten
Eingriffen und Mißachtung der einheimischen, hier zur
Geltung kommenden Bestimmungen übernimmt die
Firma Varian keinerlei Haftung. Der Controller der Serie
Turbo-V 250 PCB ist ein mikroprozessorgesteuerte
Frequenzwandler. Er ist aus Festkörperbauteilen
gefertigt und verfügt über ein Selbstdiagnose- und ein
Selbstschutzsystem. Er enthält alle für den
automatischen Betrieb der Pumpenserie Turbo-V 250
PCB erforderlichen Schaltungen. Der Controller steuert
die Pumpen der Serie Turbo-V 250 PCB (durch einen
10-Schritte-Prozeß) in der Startphase, indem er die
Spannung und die Stromstärke im Verhältnis zur
Pumpen-geschwindigkeit kontrolliert. Mittels
Hilfsverbinder sind die Fernsteuerungen für
Pumpenstart- und stopp, die Signale für die Anzeige
des Pumpenzustands, die Start- und Stoppsteuerungen
der Vorvakuumpumpen, sowie die Sperrsignale (für
Druckschalter, Wasserstrom-Kontrollschalter, etc.)
verfügbar. Der Controller muß über einen externen
Trafo gespeist werden (nicht mit dem Controller
mitgeliefert). Für die Funktionskontrolle und die
Visualisierung des Controllerzustandes ist ein
entsprechendes Gerät (Hand Held Terminal) erhältlich;
es besteht aus einer Steuertastatur und einem Display
für die Visualisierung. In den folgenden Abschnitten
sind alle erforderlichen Informationen für die Sicherheit
des Bedieners bei der Anwendung des Geräts
aufgeführt. Detaillierte technische Informationen sind
im Anhang "Technical Information" enthalten.
In dieser Gebrauchsanleitung werden Sicher-
heitshin-weise folgendermaßen hervorgehoben:
!
Die Gefahrenhinweise lenken die Aufmerksamkeit des
Bedieners auf eine bestimmte Prozedur oder Praktik,
die bei unkorrekter Ausführung schwere Verletzungen
hervorrufen können.
ACHTUNG!
Die Warnhinweise werden vor Prozeduren visualisiert,
die bei Nichtbeachtung Schäden an der Anlage
verursachen könnten.
ANMERKUNG
Die Anmerkungen enthalten wichtige Informationen, die
aus dem Text hervorgehoben werden.
LAGERUNG
Beim Transport und bei der Lagerung des Controllers
müssen folgende klimatische Verhältnisse eingehalten
werden:
• Temperatur: von -20 °C bis +70 °C
• Relative Luftfeuchtigkeit: 0-95 %
(nicht kondensierend).
VOR DER INSTALLATION
Der Controller wird mit einer speziellen
Schutzverpackung geliefert. Eventuelle
Transportschäden müssen der zuständigen örtlichen
Verkaufsstelle gemeldet werden.
Verpackung des Controllers
Der Controller sollte vorsichtig ausgepackt werden,
damit er nicht fällt oder Stößen ausgesetzt wird.
Das Verpackungsmaterial muß korrekt entsorgt
werden. Es ist vollständig recyclebar und entspricht der
EG-Richtlinie 85/399 für Umweltschutz. Vor der
Installation des Controllers müssen
einigeVerbundkabel vorbereitet werden; wie zum
Beispiel die Kabel für die Vermaschung mit der
Versorgung, die Kabel für die logischen
Vermaschungen und das Kabel für den Anschluß mit
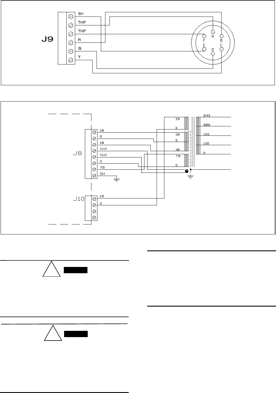
der Pumpe. Auf den folgenden Abbildungen werden die
Anschlüsse aufgezeigt, die zwischen dem Controller
und der Pumpe und zwischen dem Controller und dem
Versorgungstransformator ausgeführt werden müssen.
Weitere Einzelheiten zu den oben genannten
Vermaschungen und zu den Merkmalen des
Versorgungstransformators (erhältlich als Optional),
sind im Anhang Technical Information aufgeführt.
GEFAHR!

GEBRAUCHSANLEITUNG
687-900-854-01 (C)
Verbundkabel zwischen Controller und Pumpe
Verbundkabel zwischen Controller und Transformator
INSTALLATION
!
Die Spannungen auf dem Controller und dem zugehörigen
Transformator, sowie zwischen dem Transformator und
dem Versorgungsnetz sind bei Berührung gefährlich.
Schützen Sie den Controller und den Speisungs-
transformator bei ihrer definitiven Installation vor zufälligen
Berührungen.
!
Im Innern des Controllers bilden sich hohe Spannungen,
die schwere Schäden bis hin zum Tod verursachen
können. Vor jedem Installations- oder Wartungseingriff
den Controller von der Stromversorgung trennen. Im
Innern des Controllers bilden sich erhöhte Temperaturen,
die schwere Schäden verursachen können. Schützen Sie
den Controller bei seiner definitiven Installation vor
zufälligen Berührungen.
ANMERKUNG
Der im definitiven System installierte Controller muß so
positioniert sein, daß die Kühlungsluft frei um das Gerät
zirkulieren kann. Der Controller darf nicht in
Umgebungen installiert u/o benutzt werden, die
Witterungseinflüssen (Regen, Frost, Schnee), Staub
und aggressiven Gasen ausgesetzt sind und in denen
Explosions- und erhöhte Brandgefahr besteht.
Beim Betrieb müssen folgende Umgebungs-
bedingungen eingehalten werden:
• Temperatur: von 0 °C bis +40 °C;
• Relative Luftfeuchtigkeit: 0 - 95 %
(nicht kondensierend).
GEFAHR!
GEFAHR!

GEBRAUCHSANLEITUNG
787-900-854-01 (C)
GEBRAUCH
In diesem Kapitel sind die wichtigsten Betriebsvorgänge
aufgeführt. Für weitere Hinweise bezüglich Anschlüsse
und Montage des bestellbaren Zubehörs siehe Kapitel
"USE" im Anhang zu "Technical Information". Einige der
nachstehen-den Gebrauchshinweise lassen sich beim
Controller nur dann ausführen, wenn das Zubehör
"Handheld terminal" angeschlossen ist. Vor Benutzung
des Controllers sämtliche elektrischen und pneumatischen
Anschlüsse ausführen und die Betriebsanleitung der
angeschlossenen Pumpe durchlesen.
!
Steht die Pumpe auf einem Tisch, muß auf den stabilen
Stand geachtet werden, da sonst Gefahr für Personen-
und Geräteschäden bestehen könnte. Die Pumpe nie
einschalten, wenn der Eingangsflansch nicht an das
System angeschlossen bzw. nicht mit dem
Schließflansch verschlossen ist.
Nachstehend wird die Steuertafel des "Hand Held
Terminals" beschrieben.
1. Taste für die Einstellung des Modus LOW SPEED. Sie
ist nur aktiv, wenn der Steuermodus auf Fronttafel
eingestellt ist. Bei einmaligem Drücken dreht die
Pumpe mit ca. 2/3 der Nenngeschwindigkeit. Bei
nochmaligem Drücken wird der Modus LOW SPEED
deaktiviert.
2. START-, STOPP- oder RESET-Taste. Sie ist nur aktiv,
wenn der Steuermodus auf der Fronttafel eingestellt ist.
Bei einmaligem Drücken wird die Startphase aktiviert.
Bei nochmaligem Drücken stoppt die Pumpe. Bei
automatischem Pumpenstopp durch Störung muß diese
Taste ein erstes Mal zur Controller-Rücksetzung und
dann ein zweites Mal zum Neustarten der Pumpe
gedrückt werden.
3. Taste für die Anzeige der Parameter "cycle number",
"cycle time" und "pump life".
4. Taste für die Anzeige der Parameter "pump current",
"pump temperature", "pump power" und "rational
speed". Sie ist immer aktiv, unabhängig vom gewählten
Betriebsmodus. Bei gemeinsamer, mindestens 2
Sekunden langer Betätigung der Tasten 3 und 4 wird
ein Programm aktiviert, mit dem einige
Betriebsparamter programmiert werden können.
5. Alphanumerisches Flüssigkristall-Display: Punkt-matrix,
2 Zeilen mit 16 Stellen.
Frontpaneel des “Hand Held Terminals”
BEDIENUNG
Einschalten des Controllers
Zum Einschalten des Controllers genügt es, das
Netzkabel an die Steckdose anzuschließen.
Pumpenstart
Zum Starten der Pumpe muß der START- Befehl an die
entsprechenden Pins des Eingangsverbinders des
Controllers (Pin 1 - 6 von P1) gesandt werden; sollte
der hand held terminal als Optional vorhanden sein,
drücken Sie die START- Taste.
Pumpenstopp
Zum Stoppen der Pumpe muß der STOPP- Befehl an
die entsprechenden Pins des Eingangsverbinders des
Controllers (Pin 1 - 6 von P1) gesandt werden; sollte
der hand held terminal als Optional vorhanden sein,
drücken Sie die STOPP - Taste.
WARTUNG
Die Controller der Serie Turbo-V 250 PCB sind
wartungsfrei. Eventuell erforderliche Eingriffe müssen
von dazu befugtem Fachpersonal ausgeführt werden.
Bei einem Defekt kann der Varian-Reparaturdienst
bzw. der "Varian advanced exchange service" in
Anspruch genommen werden, der für die Erneuerung
des defekten Controllers sorgt.
!
Vor jedem Eingriff am Controller muß der Netzstecker
gezogen werden.
Eine eventuelle Verschrottung muß unter Einhaltung
der spezifischen landesüblichen Vorschriften erfolgen.
GEFAHR!
GEFAHR!

GEBRAUCHSANLEITUNG
887-900-854-01 (C)
FEHLERMELDUNGEN
In einigen Störungsfällen zeigt das Selbstdiagnoses-
system des Controllers die in der nachstehenden
Tabelle zusammengefaßten Meldungen an.
ANMERKUNG
Die Störungsmeldungen werden nur angezeigt, wenn
das Zubehör "handheld terminal" installiert ist.
MELDUNG BESCHREIBUNG BEHEBUNG
CHECK CONNECTION TO
PUMP
Fehlfunktion der Pumpen-Controller Ver-
bindung.
Sicherstellen, daß das Verbindungs-kabel
zwischen Pumpe und Controller an beiden
Seiten korrekt befestigt ist und keine
Unterbrechung vorliegt. Die Pumpe durch
zweimalige Betätigung der START-Taste
neustarten.
PUMP WAITING
INTERLOCK
Das Interlock-Signal auf dem Verbinder
P1 ist wegen der Kurzschlußunter-
brechung zwischen Pin 3 und Pin 8 des
Verbinders K1 oder wegen der Öffnung
des externen Interlock-Signals aktiv.
Den Kurzschluß zwischen Pin 3 und Pin 8
des Verbinders J1 rücksetzen oder das
externe Interlock-Signal schließen.
FAULT: OVERTIME SX Beim Punpenstart im Modus "soft start"
hat die Pumpe die bei jedem Schritt
vorgesehene Geschwindigkeit inner-halb
von 15 Minuten nicht erreicht (X kann 0-
9 sein und zeigt den nicht
überwundenen Schritt an).
Sicherstellen, daß das System keine
Leckagen aufweist.
Die Pumpe durch zweimalige Betätigung
der START-Taste neustarten.
FAULT: PUMP OVERTEMP. Die Temperatur des oberen Lagers bzw.
der Pumpe hat 60 °C überschritten.
Warten bis die Temperatur unter den
Schwellenwert gesunken ist. Die Pumpe
durch zweimalige Betätigung der START-
Taste neustarten.
FAULT: CONTROLLER
OVERTEMPERATURE
Die Temperatur des Controller-Trafos
hat 90 °C überschritten.
Warten bis die Temperatur unter den
Schwellenwert gesunken ist. Die Pumpe
durch zweimalige Betätigung der START-
Taste neustarten.
FAULT: TOO HIGH L0AD Während des Normalbetriebs (nach der
Startphase) ist die Pumpen
stromaufnahme größer als die
vorgesehene (1,5 A).
Sicherstellen,, daß der Pumpenrotor
ungehindert drehen kann. Die Pumpe
durch zweimalige Betätigung der START-
Taste neustarten.
FAULT: SHORT CIRCUIT Während des Normalbetriebs (nach der
Startphase) erfolgt ein Kurzschluß der
Ausgangsverbindung (Ausgangs-strom
größer als 2,2 A).
Die Verbindung zwischen Pumpe und
Controller prüfen. Die Pumpe durch
zweimalige Betätigung der START-Taste
neustarten.
SYSTEM OVERRIDE Die Pumpe wurde durch ein von einem
entfernten Kontakt kommendes
Notsignal gestoppt.
Das Netzkabel des Controllers ausstecken
und die Störungsursache beheben. Das
Netzkabel wieder anschließen und die
Pumpe durch zweimalige Betätigung der
START-Taste neustarten.
OVERVOLTAGE Defekt im Versorgungsbereich des
Controllers bzw. der Controller hat ein
falsches Signal erhalten.
Die Pumpe durch zweimalige Betätigung
der START-Taste neustar-ten. Erscheint
die Meldung wieder sollte der Varian-
Wartungs-dienst gerufen werden.

MODE D'EMPLOI
987-900-854-01 (C)
INDICATIONS GENERALES
Cet appareillage a été conçu en vue d'une utilisation
professionnelle. Il est conseillé à l'utilisateur de lire
attentivement cette notice d'instructions ainsi que toute
autre indication supplémentaire fournie par Varian,
avant l'utilisation de l'appareil. Varian décline par
conséquent toute responsabilité en cas d'inobservation
totale ou partielle des instructions données, d'utilisation
incorrecte de la part d'un personnel non formé,
d'opérations non autorisées ou d'un emploi contraire
aux réglementations nationales spécifiques. Le
contrôleur Turbo-V 250 PCB est un convertisseur de
fréquence, contrôlé par un microprocesseur, réalisé
avec des éléments à l'état solide et ayant des
capacités d'autodiagnostic et d'autoprotection. Il
incorpore l'ensemble de circuits nécessaire au
fonctionnement automatique des pompes de la série
Turbo-V 250 PCB. Le contrôleur pilote les pompes de
la série Turbo-V 250 PCB (selon un processus
subdivisé en dix pas) pendant la phase de mise en
marche, en contrôlant la tension et le courant par
rapport à la vitesse atteinte par la pompe. Des
connecteurs auxiliaires permettent de disposer des
commandes de mise en marche et d'arrêt de la pompe
à distance, des signaux indiquant l'état opérationnel de
la pompe, des commandes de mise en marche et
d'arrêt de la pompe à pré-vide ainsi que de signaux de
blocage (pour interrupteurs à pression, interrupteurs de
contrôle du flux de l'eau, etc.). Le contrôleur doit être
alimenté par un transformateur èxtérieur (non fourni
avec le contrôleur). Pour contrôler les fonctions et
afficher l'état du contrôleur, il est possible de disposer -
en option - d'un appareil prévu à cet effet (Hand Held
Terminal), constitué d'un clavier de commande et d'un
écran d'affichage. Les paragraphes suivants donnent
toutes les indications nécessaires à garantir la sécurité
de l'opérateur pendant l'utilisation de l'appareillage.
Des renseignements plus détaillés se trouvent dans
l'appendice "Technical Information".
Cette notice utilise les signes conventionnels
suivants:
!
Les messages de danger attirent l'attention de
l'opérateur sur une procédure ou une manoeuvre
spéciale qui, si elle n'est pas effectuée correctement,
risque de provoquer de graves lésions.
ATTENTION!
Les message d'attention apparaissent avant certaines
procédures qui, si elles ne sont pas observées,
pourraient endommager sérieusement l'appareillage.
NOTE
Les notes contiennent des renseignements importants,
isolés du texte.
EMMAGASINAGE
Pendant le transport et l'emmagasinage des
contrôleurs, il faudra veiller à respecter les conditions
environnementales suivantes:
• température: de - 20 °C à + 70 °C
• humidité relative: de 0% à 95 %
(non condensante).
PREPARATION POUR L'INSTALLATION
Le contrôleur est fourni dans un emballage de
protection spécial; si l'on constate des marques de
dommages pouvant s'être produits pendant le
transport, contacter aussitôt le bureau de vente local.
Emballage des contrôleurs
Pendant l'opération d'ouverture de l'emballage, veiller
tout particulièrement à ne pas laisser tomber le
contrôleur et à ne lui faire subir aucun choc. Ne pas
jeter l'emballage dans la nature. Le matériel est
entièrement recyclable et il est conforme aux directives
CEE 85/399 en matière de protection de l'environne-
ment. Avant d'installer le contrôleur, il est nécessaire
de préparer quelques câbles d'interconnexion, par
exemple les câbles pour les interconnexions avec
l'alimentation, ceux pour les interconnexions logiques
et celui pour le branchement avec la pompe. Les
schémasqui suivent indiquent les connexions à
effectuer entre le contrôleur et la pompe et entre le
contrôleur et le transformateur d'alimentation. Pour
tous autres détails concernant les interconnexions
susdites et les caractéristiques du transformateur
d'alimentation (disponible en option), se reporter à
l'appendice "Technical Information".
DANGER!

MODE D'EMPLOI
10 87-900-854-01 (C)
Câble d’Interconnexion entre le contrôleur et la pompe
Interconnexions entre le contrôleur et le transformateur
INSTALLATION
!
Les tensions présentes entre le contrôleur et le
transformateur correspondant et entre le transformateur
et le réseau d'alimentation constituent un danger: éviter
tout contact. Protéger de façon appropriée le contrôleur
et le transformateur d'alimentation, dans leur installation
définitive, contre tous contacts accidentels.
!
A l'intérieur du contrôleur se développent de hautes
tensions qui peuvent causer de graves dommages et
même la mort. Avant d'effectuer toute opération
d'installation ou d'entretien du contrôleur, le débrancher
de la prise d'alimentation. A l'intérieur du contrôleur se
développent des températures élevées qui peuvent
causer de graves dommages. Protéger de façon
appropriée le contrôleur, dans son installation
définitive, contre tous contacts accidentels.
NOTE
Le contrôleur installé dans le système définitif doit être
positionné de façon à ce que l'air de refroidissement
puisse circuler librement autour de l'appareil. Ne pas
installer et/ou utiliser le contrôleur dans des milieux
exposés à des agents atmosphériques (pluie, gel,
neige), à des poussières, à des gaz de combat ainsi
que dans des milieux explosifs ou à risque élevé
d'incendie.
Pendant le fonctionnement, il est nécessaire de
respecter les conditions environnementales suivantes:
• température: de 0 °C à + 40 °C
• humidité relative: de 0% à 95% (non condensante).
DANGER!
DANGER!

MODE D'EMPLOI
11 87-900-854-01 (C)
UTILISATION
Dans ce paragraphe, on indique les principales
procédures opérationnelles. Pour tous autres détails et
pour les procédures concernant des connexions ou des
éléments en option, se reporter au paragraphe "USE" de
l'appendice "Technical Information". Quelques-unes des
instructions données ci-après ne sont possibles que si
l'accessoire "Hand held terminal" est connecté au
contrôleur. Avant d'utiliser le contrôleur, effectuer toutes
les connexions électriques et pneumatiques et se référer
à la notice de la pompe connectée.
!
Pour éviter tous dommages aux personnes et à
l'appareil, si la pompe est placée sur un plateau d'appui
s'assurer que ce dernier est stable. Ne jamais faire
fonctionner la pompe si la bride d'entrée n'est pas
connectée au système ou n'est pas fermée à l'aide de
la bride de fermeture.
On présente ci-dessous le tableau de commande du
“Hand Held Terminal”.
1. Interrupteur de sélection du mode LOW SPEED. Il n'est
actif que lorsque le mode de commande est sélectionné
depuis le tableau frontal. En le pressant une fois, la
pompe tourne à 2/3 environ de la vitesse nominale. En le
pressant une deuxième fois, on désactive le mode LOW
SPEED.
2. Interrupteur envoyant les commandes de START, STOP
ou RESET. Il n'est actif que lorsque le mode de
commande est sélectionné depuis le tableau frontal. Une
première pression de l'interrupteur active la phase de
mise en marche; une deuxième pression provoque l'arrêt
de la pompe. Si la pompe s'est arrêtée automatiquement
à cause d'une panne, il faut presser cet interrupteur une
première fois pour effectuer la mise à zéro du contrôleur
et une deuxième fois pour remettre la pompe en marche.
3. Interrupteur rappelant sur l'afficheur les paramètres de
cycle number, cycle time et pump life.
4. Interrupteur rappelant sur l'afficheur les paramètres de
pump current, pump temperature, pump power et
rotational speed. Il est toujours actif, indépendamment du
mode de fonctionnement choisi. En pressant
simultanément les interrupteurs 3 et 4 pendant 2
secondes au moins, on active un programme avec lequel
il est possible de programmer certains paramètres
opérationnels.
5. Ecran alphanumérique à cristaux liquides: matrice de
points, 2 lignes x 16 caractères.
Tableau avant du “Hand Held Terminal
PROCEDURES D'UTILISATION
Allumage du Contrôleur
Pour allumer le contrôleur, il suffit d'introduire le câble
d'alimentation dans la prise du réseau.
Mise en marche de la Pompe
Pour mettre la pompe en marche, il est nécessaire
d'envoyer la commande de START aux pins
correspondants du connecteur d'entrée du contrôleur
(pin 1 - 6 de P1) ou bien, si l'otpion "hand held
terminal" est présente, presser l'interrupteur START.
Arrêt de la Pompe
Pour arrêter la pompe, il est nécessaire d'enlever la
commande de START des pins correspondants du
connecteur d'entrée du contrôleur (pin 1 - 6 de P1) ou
bien, si l'option "hand held terminal" est présente,
presser l'interrupteur STOP.
ENTRETIEN
Les contrôleurs de la série Turbo-V 250 PCB n'exigent
aucun entretien. Toute opération doit être effectuée par
un personnel agréé. En cas de panne, il est possible
de s'adresser au Service de réparation Varian ou bien
au "Varian advance exchange service" qui permet
d'obtenir un contrôler régénéré à la place du contrôleur
détraqué.
!
Avant d'effectuer toute opération sur le contrôleur,
débrancher le câble d'alimentation.
En cas de panne, il est possible de s'adresser au
Service de réparation Varian ou bien au "Varian
advance exchange service" qui permet d'obtenir un
contrôler régénéré à la place du contrôleur détraqué.
DANGER!
DANGER!

MODE D'EMPLOI
12 87-900-854-01 (C)
MESSAGES D'ERREUR
Dans certains cas de panne, l'ensemble de circuits
d'autodiagnostic du contrôleur présente certains
messages d'erreur indiqués dans le tableau ci-
dessous.
NOTE
Les messages d'erreur ne sont affichés que si l'option
"hand held terminal" est installée.
MESSAGE DESCRIPTION INTERVENTION
CHECK CONNECTION TO
PUMP
Dysfonctionnement de la connexion
entre la pompe et le contrôleur.
S'assurer que le câble de connexion entre
la pompe et le contrôleur et le contrôleur
est bien fixé aux deux extrémités et qu'il
n'est pas coupé. Presser deux fois
l'interrupteur START pour réactiver la
pompe.
PUMP WAITING
INTERLOCK
Le signal d'interlock situé sur le
connecteur P1 est actif à cause de la
coupure du court-circuit entre le pin 3 et
le pin 8 du connecteur J1 ou à cause de
l'ouverture du signal d'interlock extérieur.
Rétablir le court-circuit entre le pin 3 et le
pin 8 du connecteur J1 ou fermer le signal
d'interlock extérieur.
FAULT: OVERTIME SX Pendant la mise en marche de la pompe
dans le mode soft start", la pompe n'a
pas atteint la vitesse prévue à chaque
pas dans les 15 minutes (X peut valoir
de 0 à 9 et indique le pas non franchi).
S'assurer que le systéme ne présente pas
de fuites. Presser deux fois l'interrupteur
START pour remettre la pompe en marche.
FAULT: PUMP OVERTEMP. La température du palier supérieur ou de
la a dépassé 60 °C.
Attendre que la température retourne au-
dessous du seuil. Presser deux fois
l'interrupteur START pour remettre la
pompe en marche.
FAULT: CONTROLLER
OVERTEMPERATURE
La température du transformateur du
contrôleur a dépassé 90 °C.
Attendre que la température retourne au-
dessous du seuil. Presser deux fois
l'interrupteur START pour remettre la
pompe en marche.
FAULT: TOO HIGH L0AD Pendant le fonctionnement normal
(après la phase de mise en marche), le
courant absorbé par la pompe est plus
grand que celui qui a été programmé
(1,5 A).
S'assurer que le rotor de la pompe a la
possibilité de tourner librement. Presser
deux fois l'interrupteur START pour
remettre la pompe en marche.
FAULT: SHORT CIRCUIT Pendant le fonctionnement normal
(après la phase de mise en marche), la
connexion de sortie est en court-circuit
(courant de sortie plus grand que 2,2 A).
Vérifier les connexions entre la pompe et
le contrôleur. Presser deux fois
l'interrupteur START pour remettre la
pompe en marche.
SYSTEM OVERRIDE La pompe a été arrêtée par un signal
d'alerte provenant d'un contact éloigné.
Débrancher le câble d'alimentation du
contrôleur et corriger la cause de l'alerte.
Reconnecter le câble d'alimentation et
presser deux fois l'interrupteur START
pour remettre la pompe en marche.
OVERVOLTAGE Il s'est produit une panne de la section
d'alimentation du contrôleur, ou bien le
contrôleur a reçu un faux signal.
Presser deux fois l'interrupteur START
pour remettre la pompe en marche.
Si le message se présente à nouveau,
s'adresser à Varian pour l'entretien.

INSTRUCCIONES DE USO
13 87-900-854-01 (C)
INFORMACIÓN GENERAL
Este equipo se ha concebido para un uso profesional.
El usuario deberá leer atentamente el presente manual
de instrucciones y cualquier otra información
suplementaria facilitada por Varian antes de utilizar el
equipo. Varian se considera libre de cualquier
responsabilidad debida al incumplimiento total o parcial
de las instrucciones, al uso poco apropiado por parte
de personal sin formación, a las operaciones no
autorizadas o al uso que no cumpla con las normas
nacionales específicas.
El controler Turbo-V 250 PCB es un convertidor de
frecuencia, controlado por un microprocesador,
realizado con componentes en estado sólido y con
capacidad de autodiagnosis y autoprotección.
Éste incorpora todos los circuitos necesarios para el
funcionamiento automático de la serie Turbo-V 250
PCB.
El controler pilota las bombas de la serie Turbo-V 250
PCB (con un proceso dividido en diez pasos) durante
la fase de puesta en marcha, controlando la tensión y
la corriente en relación a la velocidad alcanzada por la
bomba. Mediante conectores auxiliares están
disponibles los mandos para la puesta en marcha y la
parada de la bomba de remoto, las señales que
indican el estado operativo de la bomba, los mandos
para la puesta en marcha y la parada de la bomba de
pre-vacío, las señales de control del caudal del agua,
etc.). El controler ha de ser alimentado por un
transformador exterior (no suministrado con el
controler).
Para controlar las funciones y visualizar el estado del
controler se ofrece opcionalmente un aparato (Hand
Held Terminal) específico compuesto por un teclado de
mando y por un visor de visualización. En los
apartados siguientes se facilita toda la información
necesaria para garantizar la seguridad del operador
durante el uso del equipo. Una información más
detallada se facilita en el Suplemento "Technical
Information".
Este manual utiliza los símbolos convencionales
siguientes:
!
Los mensajes de peligro atraen la atención del
operador sobre un procedimiento o una operación
específica que, al no realizarse correctamente, podría
provocar graves lesiones personales.
¡ATENCIÓN!
Los mensajes de atención se visualizan antes de
procedimientos que, al no respetarse, podrían provocar
daños al equipo.
NOTA
Las notas contienen información importante extraída
del texto.
ALMACENAMIENTO
Durante el transporte y el almacenamiento de los
controlers se deberá cumplir con las condiciones
ambientales siguientes:
• temperatura: de -20 °C a +70 °C
• humedad relativa: 0 - 95% (no condensadora)
PREPARACIÓN PARA LA INSTALACIÓN
El controler se suministra en un embalaje de
protección especial; si se observan señales de daños,
que podrían haberse producido durante el transporte,
ponerse en contacto con la oficina de venta más
cercana.
Embalaje del Controler
Durante la operación de desembalaje, prestar una
atención especial a no dejar caer el controler y evitarle
golpes.
No dispersar el embalaje en el medio ambiente. El
material es totalmente reciclable y cumple con la
directiva CEE 85/399 para la preservación del medio
ambiente. Antes de instalar el controlador habrá que
preparar algunos cables de interconexión, como por
ejemplo los cables para las interconexiones con la
alimentación, los de las interconexiones lógicas y el de
acopliamiento con la bomba. En las figuras siguients
están esquematizados los acopliamientos que hay que
realizar entre el controlador y la bomba y entre el
controlador y el trasformador de alimentación. Para
más detalles sobre las interconexiones indicadas
anteriormente y sobre las características del
trasformador de alimentación (disponible como opción)
véase el suplemento "Techinical Information".
¡PELIGRO!

INSTRUCCIONES DE USO
14 87-900-854-01 (C)
Cable de interconexión entre el controler y la bomba
Interconexiones entre el controler y el transformador
INSTALLACIÓN
!
Las tensiones que existen entre el controler y el
transformador correspondiente, y entre el transforma-dor y
la red de alimentación representan peligro para quienes
entren en contacto con los mismos. Proteger adecuada-
mente el controler y el transformador de alimentación en
su instalación definitiva contra contactos accidentales.
!
Dentro del controler se desarrollan altas tensiones que
pueden causar graves daños o la muerte. Antes de
efectuar cualquier operación de instalación o
mantenimiento del controler, desconectarlo de la
alimentación. Dentro del controler se desarrollan altas
temperaturas que pueden causar graves daños.
Proteger el controler adecuadamente en su instalación
definitiva contra contactos accidentales.
NOTA
El controler instalado en el sistema definitivo ha de
colocarse de manera que el aire de refrigeración pueda
circular libremente alrededor del aparato. No instalar
y/o utilizar el controler en ambientes expuestos a
agentes atmosféricos (lluvia, hielo y nieve), polvos,
gases agresivos, en ambientes explosivos o con alto
riesgo de incendio.
Durante el funcionamiento es necesario que se
respeten las condiciones ambientales siguientes:
• temperatura: de 0 ºC a + 40 ºC
• humedad relativa: 0 - 95% (no condensadora).
¡PELIGRO!
¡PELIGRO!

INSTRUCCIONES DE USO
15 87-900-854-01 (C)
USO
En este apartado se citan los procedimientos operativos
principales. Para más detalles y para procedimientos
que impliquen conexiones u opcionales especiales, les
remitimos al apartado “USE” del anexo “Technical
Information”. Algunas de las instrucciones citadas a
continuación pueden realizarse sólo si al mismo va
conectado el accesorio “Hand held terminal”. Antes de
usar el controler efectuar todas las conexiones eléctricas
y neumáticas y consultar el manual de la bomba
conectada.
!
Para evitar lesiones a las personas y al aparato, si la
bomba está apoyada sobre una mesa cerciorarse que
es estable. No poner en marcha nunca la bomba si la
brida de entrada no está conectada al sistema o no
está cerrada con la brida de cierre.
A continuación se ilustra el panel de mando del hand
held terminal.
1. Pulsador para la selección del modo LOW SPEED.
Está activado sólo cuando está seleccionado el modo
de mando del panel frontal. Apretando una vez, la
bomba gira a 2/3 aproximadamente de la velocidad
nominal. Apretándolo una vez más se desactiva el
modo LOW SPEED.
2. Pulsador para enviar los mandos de START, STOP o
RESET. Está activo sólo cuando se selecciona el
modo de mando del panel frontal. Apretándolo una vez
se activa la fase de puesta en marcha; apretándolo
otra vez se para la bomba. Si la bomba se ha parado
automáticamente a causa de una avería, hay que
apretar este pulsador primero una vez para efectuar el
reset del controler y la segunda vez para volver a
poner en marcha la bomba.
3. Pulsador para que aparezcan en el display los
parámetros cycle number, cycle time y pump life.
4. Pulsador para que aparezcan en el display los
parámetros pump current, pump temperature, pump
power y rotational speed. Está siempre activado
independientemente del modo de funcionamiento
elegido. Apretando juntos los pulsadores 3 y 4 durante
2 segundos por lo menos, se activa un programa con
el cual se pueden programar algunos parámetros
operativos.
5. Display alfanumérico de cristales líquidos: matriz de
puntos, 2 líneas x 16 caracteres.
Panel frontal del “Hand Held Terminal”
PROCEDIMIENTOS DE USO
Encendido del controler
Para encender el controler es suficiente introducir el
cable de alimentación en la toma de red.
Puesta en marcha de la Bomba
Para poner en marcha la bomba hay que enviar el
mando de START a los pins correspondientes del
conector de entrada del controler (pin 1 - 6 de P1) 0, si
existe la opción “hand held terminal”, apretar el
pulsador START.
Parada de la Bomba
Para detener la bomba hay que quitar el mando de
START de los pins correspondientes del conector de
entrada del controler (pin 1 - 6 de P1) o, si existe la
opción hand held terminal, apretar el pulsador STOP.
MANTENIMIENTO
Los controlers de la serie Turbo-V 250 PCB no
necesitan ningún mantenimiento. Cualquier operación
ha de ser efectuada por personal autorizado. En caso
de avería es posible utilizar el servicio de reparación
Varian o del “Varian advance exchange service”, que
permite obtener un controler regenerado en vez del
averiado.
!
Antes de efectuar cualquier operación en el controler
desenchufar el cable de alimentación.
En caso de que un controler se tenga que desguazar,
efectuar su eliminación respetando las normas
nacionales específicas.
¡PELIGRO!
¡PELIGRO!

INSTRUCCIONES DE USO
16 87-900-854-01 (C)
MENSAJES DE ERROR
En algunos casos de avería los circuitos de
autodiagnosis del controler presenta algunos mensajes
de error detallados en la tabla siguiente.
NOTA
Los mensajes de error se presentan sólo si se instala
la opción “hand held terminal”.
MENSAJE DESCRIPCIÓN ACCIÓN CORRECTIVA
CHECK CONNECTION TO
PUMP
Mal funcionamiento en la conexión entre
la bomba y el Controler. Comprobar que el cable de conexión entra
en la bomba y el controler está bien fijado
por ambos extremos y no está
interrumpido. Apretar dos veces el
pulsador START para volver a poner en
marcha la bomba.
PUMP WAITING
INTERLOCK
Está activa la señal de interlock
presente en el conector P1 a causa de
la interrupción del cortocircuito entre el
pin 3 y el pin 8 del conector J1, o a
causa de la apertura de la señal de
interlock externo.
Eliminar el cortocircuito entre el pin 3 y el
pin 8 del conector J1, o cerrar la señal de
interlock exterior.
FAULT: OVERTIME SX Durante la puesta en marcha de la
bomba en el modo “soft start” la bomba
no ha alcanzado la velocidad prevista a
cada paso antes de 15 minutos. (X
puede valer de 0 a 9 e indica el paso no
superado).
Comprobar que el sistema no presenta
pérdidas.
Apretar dos veces el pulsador START para
volver a poner en marcha la bomba.
FAULT: PUMP OVERTEMP. La temperatura del rodamiento superior
o de la bomba ha superado los 60 ºC. Esperar a que la temperatura vuelva por
debajo del umbral.
Apretar dos veces el pulsador START para
volver a poner en marcha la bomba.
FAULT: CONTROLLER
OVERTEMPERATURE
La temperatura del transformador del
controler ha superado los 90 ºC. Esperar a que la temperatura vuelva por
debajo del umbral.
Apretar dos veces el pulsador START para
volver a poner en marcha la bomba.
FAULT: TOO HIGH L0AD Durante el funcionamiento normal (tras
la fase de puesta en marcha) la
corriente absorbida por la bomba es
superior a la programada (1,5 A).
Comprobar que el rotor de la bomba tiene
la posibilidad de girar libremente.
Apretar dos veces el pulsador START para
volver a poner en marcha la bomba.
FAULT: SHORT CIRCUIT Durante el funcionamiento normal (tras
la fase de puesta en marcha) la
conexión de salida está en cortocircuito
(corriente de salida más 2,2 A).
Comprobar las conexiones entre la bomba
y el controler.
Apretar dos veces el pulsador START para
volver a poner en marcha la bomba.
SYSTEM OVERRIDE La bomba ha sido parada por una señal
de emergencia procedente de un
contacto remoto.
Desenchufar el cable de alimentación del
controler y corregir la causa de la
emergencia.
Volver a conectar el cable de alimentación
y apretar dos veces el pulsador START
para volver a poner en marcha la bomba.
OVERVOLTAGE Se ha producido una avería en la
sección de alimentación del controler o
el controler ha recibido una señal
espurio.
Apretar dos veces el pulsador START para
volver a poner en marcha la bomba.
Si el mensaje se vuelve a presentar
dirigirse a Varian para el mantenimiento.

INSTRUÇÕES PARA O USO
17 87-900-854-01 (C)
INFORMAÇÕES GERAIS
Esta aparelhagem destina-se ao uso profissional. O
utilizador deve ler atentamente o presente manual de
instruções e todas as informações adicionais
fornecidas pela Varian antes de utilizar a aparelhagem.
A Varian não se responsabiliza pela inobservância total
ou parcial das instruções, pelo uso indevido por parte
de pessoas não treinadas, por operações não
autorizadas ou pelo uso contrário às normas nacionais
específicas. O controller Turbo-V 250 PCB é um
conversor de frequência, controlado por um
microprocessador, realizado com componentes em
estado sólido e com capacidade de autodiagnóstico e
autoprotecção. Incorpora todos os circuitos
necessários para o funcionamento automático das
bombas da série Turbo-V 250 PCB. O controller
comanda as bombas da série Turbo-V 250 PCB (com
um processo subdividido em dez passos) durante a
fase de activação, controlando a tensão e a corrente
em relação à velocidade atingida pela bomba. Através
de conectores auxiliares, estão disponíveis os
comandos para a activação e a paragem da bomba por
controlo remoto, os sinais que indicam o estado
operativo da bomba, os comandos para a activação e a
paragem da bomba de pré-vácuo, os sinais de
bloqueio (para interruptores de pressão, interruptores
de controlo do fluxo de água, etc.). O controller deve
ser alimentado por um transformador externo (não
fornecido com o controller). Para controlar as funções
e visualizar o estado do controller, está disponível
como opcional uma aparelhagem específica (Hand
Held Terminal) constituída por um teclado de comando
e por um mostrador para a visualização. Nos
parágrafos seguintes estão descritas todas as
informações necessárias para garantir a segurança do
operador durante o uso da aparelhagem. Informações
pormenorizadas são fornecidas no apêndice "Technical
Information".
Este manual utiliza as seguintes convenções:
!
As mensagens de perigo chamam a atenção do
operador para um procedimento ou uma prática
específica que, se não efectuada correctamente, pode
provocar graves lesões pessoais.
ATENÇÃO!
As mensagens de atenção são visualizadas antes de
procedimentos que, se não observados, podem causar
danos à aparelhagem.
NOTA
As notas contêm informações importantes destacadas
do texto.
ARMAZENAGEM
Durante o transporte e a armazenagem do controller,
devem ser satisfeitas as seguintes condições
ambientais:
• temperatura: de -20 ºC a + 70 ºC
• humidade relativa: 0 - 95% (não condensadora)
PREPARAÇÃO PARA A INSTALAÇÃO
O controller é fornecido numa embalagem protectora
especial; se se apresentarem sinais de danos, que
poderiam verificar-se durante o transporte, entrar em
contacto com o escritório de vendas local.
Embalagem do controller
Durante a remoção da embalagem, tomar muito
cuidado para não deixar cair o controller e para não
submetê-lo a choques. Não depositar a embalagem no
meio ambiente. O material é completamente reciclável
e responde à norma CEE 85/399 para a protecção do
meio ambiente. Antes de instalar o controller, é
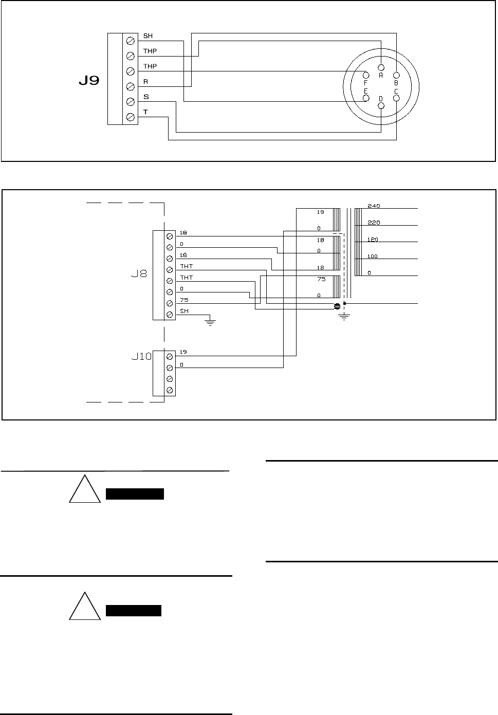
necessário preparar alguns cabos de interconexão,
como por exemplo os cabos para as interconexões
com a alimentação, para as interconexões lógicas e
para a ligação com a bomba. Nas figuras a seguir
estão esquematizadas as ligações a efectuar entre o
controller e a bomba, entre o controller e a bomba
primária e entre o controller e a rede de alimentação.
Para maiores detalhes sobre as interconexões citadas
acima ver o apêndice "Technical Information".
PERIGO!

INSTRUÇÕES PARA O USO
18 87-900-854-01 (C)
Cabo de interconexão entre o controller e a bomba
Interconexões entre o controller e o transformador
INSTALAÇÃO
!
As tensões existentes entre o controller e o respectivo
transformador e entre o transformador e a rede de
alimentação podem ser causa de perigo para quem
entrar em contacto com estas partes. Proteger
adequadamente o controller e o transformador de
alimentação contra contactos acidentais durante a sua
instalação definitiva.
!
No interior do controller desenvolvem-se altas tensões
que podem provocar graves danos ou a morte. Antes de
efectuar qualquer operação de instalação ou
manutenção do controller, desligar a tomada de
alimentação. No interior do controller desenvolvem-se
temperaturas elevadas que podem provocar graves
danos. Proteger adequadamente o controller contra
contactos acidentais durante a sua instalação definitiva.
NOTA
O controller instalado no sistema definitivo deve ser
posicionado de modo que o ar de refrigeração possa
circular livremente ao redor da aparelhagem. Não
instalar e/ou utilizar o controller em ambientes
expostos a agentes atmosféricos (chuva, gelo, neve),
poeiras, gases agressivos ou em ambientes explosivos
ou com elevado risco de incêndio.
Durante o funcionamento é necessário que sejam
respeitadas as seguintes condições ambientais:
• temperatura: de 0 °C a + 40 °C
• humidade relativa: 0 - 95% (não condensadora).
PERIGO!
PERIGO!

INSTRUÇÕES PARA O USO
19 87-900-854-01 (C)
UTILIZAÇÃO
Neste parágrafo são descritos os principais
procedimentos operativos. Para maiores detalhes e
para procedimentos que envolvam ligações ou peças
opcionais, consultar o parágrafo "USE" do apêndice
"Technical Information". Algumas das instruções
descritas a seguir são possíveis só se o controller
estiver ligado ao acessório "hand held terminal". Antes
de usar o controller, efectuar todas as ligações
eléctricas e pneumáticas e consultar o manual da
bomba ligada.
!
Para evitar danos às pessoas e à aparelhagem, caso a
bomba esteja apoiada numa mesa, certificar-se da
sua estabilidade. Nunca activar a bomba se o flange
de entrada não estiver ligado ao sistema ou não estiver
fechado com o flange de fecho.
A seguir, está ilustrado o painel de comando do “Hand
Held Terminal”.
1. Pulsador para la selección del modo LOW SPEED.
Está activado sólo cuando está seleccionado el modo
de mando del panel frontal. Apretando una vez, la
bomba gira a 2/3 aproximada-mente de la velocidad
nominal. Apretándolo una vez más se desactiva el
modo LOW SPEED.
2. Pulsador para enviar los mandos de START, STOP o
RESET. Está activo sólo cuando se selecciona el modo
de mando del panel frontal. Apretándolo una vez se
activa la fase de puesta en marcha; apretándolo otra
vez se para la bomba. Si la bomba se ha parado
automáticamente a causa de una avería, hay que
apretar este pulsador primero una vez para efectuar el
reset del controler y la segunda vez para volver a poner
en marcha la bomba.
3. Pulsador para que aparezcan en el display los
parámetros cycle number, cycle time y pump life.
4. Pulsador para que aparezcan en el display los
parámetros pump current, pump temperature, pump
power y rotational speed. Está siempre activado
independiente- mente del modo de funcionamiento
elegido. Apretando juntos los pulsadores
3 y 4 durante 2 segundos por lo menos, se activa un
programa con el cual se pueden programar algunos
parámetros operativos.
5. Display alfanumérico de cristales líquidos: matriz de
puntos, 2 líneas x 16 caracteres.
Painel frontal do “Hand Held Terminal”
PROCEDIMENTOS DE USO
Acendimento do Controller
Para ligar o controller é suficiente fornecer a tensão de
alimentação ao controller.
Activação da bomba
Para activar a bomba é necessário enviar o comando
de START aos respectivos pins do conector de entrada
do controller (pin 1 - 6 de P1) ou, se existir a opção
"hand held terminal", premer o botão START.
Paragem da bomba
Para parar a bomba é necessário remover o comando
de START dos respectivos pins do conector de entrada
do controller (pin 1 - 6 de P1) ou, se existir a opção
"hand held terminal", premer o botão STOP.
MANUTENÇÃO
O controller da série Turbo-V 250 PCB não requer
qualquer manutenção. Todas as operações devem ser
efectuadas por pessoal autorizado. Em caso de defeito
é possível utilizar o serviço de reparação Varian ou o
"Varian advance exchange service", que permite obter
um controller regenerado que substitua o controller
com defeito.
!
Antes de efectuar qualquer operação no controller,
desligar o cabo de alimentação.
Caso um controller deva ser destruído, proceder à sua
eliminação respeitando as normas nacionais
específicas.
PERIGO!
PERIGO!

INSTRUÇÕES PARA O USO
20 87-900-854-01 (C)
MENSAGENS DE ERRO
Em alguns casos de defeito, os circuitos de
autodiagnóstico do controller apresentam mensagens
de erro relacionadas na tabela abaixo.
NOTA
As mensagens de erro apresentam-se só se estiver
instalada a opção "hand held terminal".
MENSAGEM DESCRIÇÃO ACÇÃO CORRECTIVA
CHECK CONNECTION TO
PUMP
Mau funcionamento na ligação entre a
bomba e o controller. Verificar se o cabo de ligação entre a
bomba e o controller está bem fixado em
ambas as extremidades e não está
interrompido. Premer duas vezes o botão
START para reactivar a bomba.
PUMP WAITING
INTERLOCK
É activado o sinal de interlock existente
no conector P1 devido à interrupção do
curto circuito entre o pin 3 e o pin 8 do
conector J1 ou devido à abertura do
sinal de interlock externo.
Restabelecer o curto circuito entre o pin 3
e o pin 8 do conector J1 ou fechar o sinal
de interlock externo.
FAULT: OVERTIME SX Durante o accionamento da bomba no
modo "soft start", a bomba não atingiu a
velocidade prevista a cada passo em 15
minutos. (X pode valer de 0 a 9 e indica
o passo não superado).
Verificar se o sistema não apresenta
perdas.
Premer duas vezes o botão START para
reactivar a bomba.
FAULT: PUMP OVERTEMP. A temperatura do rolamento superior ou
da bomba superou os 60 ºC. Aguardar até que a temperatura volte ao
limite estabelecido.
Premer duas vezes o botão START para
reactivar a bomba.
FAULT: CONTROLLER
OVERTEMPERATURE
A temperatura do transformador do
controller superou os 90 ºC. Aguardar até que a temperatura volte ao
limite estabelecido.
Premer duas vezes o botão START para
reactivar a bomba.
FAULT: TOO HIGH L0AD Durante o funcionamento normal (após
a fase de accionamento) a corrente
absorvida pela bomba é maior do que a
programada (1,5 A).
Verificar se o rotor da bomba pode rodar
livremente.
Premer duas vezes o botão START para
reactivar a bomba.
FAULT: SHORT CIRCUIT Durante o funcionamento normal (após
a fase de accionamento) a conexão de
saída está em curto circuito (corrente de
saída maior que 2,2 A).
Verificar as ligações entre a bomba e o
controller.
Premer duas vezes o botão START para
reactivar a bomba.
SYSTEM OVERRIDE A bomba parou por um sinal de
emergência proveniente de um contacto
remoto.
Remover o cabo de alimentação do
controller e corrigir a causa da emergência.
Ligar novamente o cabo de alimentação e
premer duas vezes o botão START para
reactivar a bomba.
OVERVOLTAGE Verificou-se um defeito na secção de
alimentação do controller, ou o controller
recebeu um sinal falso.
Premer duas vezes o botão START para
reactivar a bomba. Se a mensagem se
reapresentar, dirigir-se à Varian para a
manutenção.

GEBRUIKSAANWIJZINGEN
21 87-900-854-01 (C)
ALGEMENE INFORMATIE
Deze apparatuur is bestemd voor beroepsmatig
gebruik. De gebruiker wordt verzocht aandachtig deze
hand- leiding en alle overige door Varian verstrekte
informatie door te lezen alvorens het apparaat in
gebruik te nemen. Varian acht zich niet aansprakelijk
voor de gevolgen van het niet of gedeeltelijk in acht
nemen van de aanwij- zingen, onoordeelkundig gebruik
door niet hiervoor opgeleid personeel, reparaties
waarvoor geen toestem- ming is verkregen of gebruik
in strijd met de specifieke nationale wetgeving.
De controller Turbo-V 250 PCB is een frequentieom-
zetter die gestuurd wordt door een microprocessor, is
gemaakt van halfgeleiderelementen en is in staat om
zelfdiagnose en zelfbescherming uit te voeren. De
controller is van circuits voorzien die noodzakelijk zijn
voor de automatische werking van de pompen van de
serie Turbo-V 250 PCB. De controller stuurt de pompen
van de serie Turbo-V 250 PCB (met een proces
bestaande uit tien stappen) tijdens de startfase, en
controleert hierbij de spanning en de stroom in
verhouding tot de door de pomp bereikte snelheid. Via
hulpconnectors zijn de sturingen voor het op afstand
starten en stoppen van de pomp beschikbaar, de
signalen die de bedrijfstoestand van de pomp
aangeven, de sturingen voor het starten en stoppen
van de pre-vacuümpomp, blokkeersignalen (voor
drukschakelaars, regelschakelaars van de
waterstroom, enz.). De controller moet door een
externe transformator worden gevoed (niet geleverd bij
de controller). De controller moet van buitenaf gevoed
worden door een transformator die niet bij de controller
geleverd wordt. Om de functies te controleren en de
toestand van de controller aan te geven is als extra een
speciaal apparaat (Hand Held Terminal) leverbaar dat
uit een toetsenbord en een display bestaat. In de
volgende paragrafen is alle informatie vermeld om de
veiligheid van de operator tijdens het gebruik van de
apparatuur te verzekeren. Gedetailleerde informatie is
te vinden in de bijlage "Technical information".
Deze handleiding hanteert de volgende symbolen:
!
Bij dit symbool staat tekst die de aandacht van de
operator vestigt op een speciale procedure of methode
die, indien niet correct uitgevoerd, ernstig lichamelijk
letsel kan veroorzaken.
ATTENTIE
Bij dit symbool staat tekst met procedures die, indien
niet opgevolgd, schade aan apparatuur kunnen
veroorzaken
OPMERKING
De opmerkingen bevatten belangrijke informatie die uit
de tekst is gelicht.
OPSLAG
Tijdens het transport en de opslag van de controllers
moeten de volgende omgevingscondities aanwezig
zijn:
• temperatuur: van -20 °C tot +70 °C
• relatieve vochtigheid: 0 - 95% (niet condenserend)
VOORBEREIDING VOOR INSTALLATIE
De controller wordt in een speciale beschermende
verpakking geleverd; als er schade wordt
geconstateerd die tijdens het transport veroorzaakt zou
kunnen zijn, meteen contact opnemen met het
plaatselijke verkoopkantoor.
Verpakking van de controller
Zorg er bij het uitpakken voor dat de controller niet kan
vallen of stoten te verduren krijgt. Laat de verpakking
niet ergens buiten achter. Het verpakkingsmateriaal is
volledig recyclebaar en voldoet aan de EEG
milieurichtlijn 85/399.
Alvorens de controller te installeren, moeten enkele
verbindingskabels worden voorbereid, zoals
bijvoorbeeld kabels voor verbinding met de voeding,
kabels voor de logicaverbindingen en de kabel voor
aansluiting op de pomp. Op de volgende afbeeldingen
zijn de verbindingen tussen controller en pomp en
tussen controller en voedingstransformator
schematisch weergegeven. Voor meer informatie over
deze verbindingen en over de kenmerken van de
voedingstransformator (leverbaar als extra) wordt
verwezen naar de bijlage "Technical Information".
GEVAAR!

GEBRUIKSAANWIJZINGEN
22 87-900-854-01 (C)
Verbindingskabel tussen controller en pomp
Verbindingskabel tussen controller en transformator
INSTALLATIE
!
De spanningen aanwezig tussen de controller en de
bijbehorende transformator, en tussen de transformator
en het aanvoernet zijn dusdanig dat ze gevaar
opleveren voor degene die hiermee in contact komt. Bij
de definitieve installatie van controller en voedings-
transformator, deze op passende wijze tegen eventueel
contact beschermen.
!
In de controller ontwikkelen zich hoge spanningen die
zware beschadigingen of de dood kunnen veroorzaken.
Alvorens installatie- of onderhoudswerkzaamheden uit
te voeren, de controller van de voeding afkoppelen. In
de controller ontwikkelen zich hoge temperaturen die
zware schade kunnen veroorzaken. Bij de definitieve
installatie van de controller, deze op passende wijze
tegen eventueel contact beschermen.
OPMERKING
De controller die definitief in het systeem geïnstalleerd
wordt moet zodanig geplaatst worden dat de koellucht
vrij rondom het apparaat kan circuleren. De controller
mag niet geïnstalleerd en/of gebruikt worden in ruimten
die blootgesteld zijn aan de weersomstandigheden
(regen, vorst, sneeuw), stof, agressieve gassen, of in
ruimten met explosiegevaar of zeer hoog brandgevaar.
Tijdens de werking moeten de volgende omgevings-
condities aanwezig zijn:
• temperatuur: van 0 °C tot +40 °C
• relatieve vochtigheid: 0 - 95%
(niet condenserend).
GEVAAR!
GEVAAR!

GEBRUIKSAANWIJZINGEN
23 87-900-854-01 (C)
GEBRUIK
In deze paragraaf worden de voornaamste
bedieningswijzen uitgelegd. Voor meer informatie of
procedures die aansluitingen of speciale opties betreffen
wordt verwezen naar de paragraaf "USE" van de bijlage
"Technical Information". Enkele hier vermelde instructies
zijn alleen van toepassing indien de op de controller het
accessoire "Hand held terminal" is aangesloten. Breng,
alvorens de controller in gebruik te nemen, alle elektrische
en pneumatische aansluitingen tot stand en raadpleeg
hiervoor de handleiding van de aan te sluiten pomp.
!
Indien de pomp op een tafel is geplaatst, controleren of
deze stabiel staat om letsel aan personen en schade
aan het apparaat te voorkomen. Laat de pomp nooit
werken zonder dat de ingangsflens aan het systeem is
gekoppeld of de afsluitflens is gesloten.
Hier volgt de beschrijving van het bedieningspaneel
van de hand-terminal.
1. Drukknop voor selectie van de bedrijfswijze LOW
SPEED. Is alleen actief wanneer de bedrijfswijze op het
frontpaneel wordt geselecteerd. Door de knop een maal
in te drukken, draait de pomp op circa 2/3 van de
nominale snelheid. Door de knop opnieuw in te drukken,
wordt LOW SPEED geïnactiveerd.
2. Drukknop voor het zenden van de sturingen START,
STOP of REST. Is alleen actief wanneer de
bedrijfswijze op het frontpaneel wordt geselecteerd.
Door de knop een maal in te drukken wordt de startfase
geactiveerd; door de knop opnieuw te bedienen wordt
de pomp gestopt. Als de pomp automatisch is gestopt
ten gevolge van een storing, moet deze knop een eerste
maal worden bediend om de controller te resetten en
een tweede maal om de pomp weer op te starten.
3. Drukknop voor weergave op het display van de
parameters cycle number, cycle time en pump life.
4. Drukknop voor weergave op het display van de
parameters pump current, pump temperature, pump
power en rotational speed. Is altijd actief,
onafhankelijk van de gekozen bedrijfswijze. Door
drukknoppen 3 en 4 gelijktijdig gedurende ten minste
2 seconden in te drukken, wordt een programma
gestart waarmee enkele bedrijfsparameters kunnen
worden geprogrammeerd.
5. Alfanumeriek display met vloeibare kristallen (LCD):
puntjespatroon, 2 lijnen x 16 karakters.
Frontpaneel van de “hand terminal”
GEBRUIKSPROCEDURES
Inschakelen van de controller
Om de controller in te schakelen, de voedingskabel in
de netcontactdoos inbrengen.
Starten van de pomp
Voor het starten van de pomp moet het START com-
mando naar de betreffende pins van de ingangs-
connector van de controller gezonden worden (pins 1-6
van P1) of, indien de hand-terminal aanwezig is, de
START knop worden bediend.
Stoppen van de pomp
Voor het stoppen van de pomp moet het START
commando aan de betreffende pins van de ingangs-
connector van de controller onttrokken worden (pins 1-
6 van P1) of, indien de hand-terminal aanwezig is, de
STOP knop worden bediend.
ONDERHOUD
De controllers van de serie Turbo-V 250 PCB zijn
onderho- udsvrij. Eventuele werkzaamheden moeten
door bevoegd personeel worden uitgevoerd. In geval
van storing is het mogelijk om de reparatiedienst van
Varian of de "Varian advanced exchange service" in te
schakelen: zo krijgt men een ruilcontroller ter
vervanging van de defecte controller.
!
Alvorens werkzaamheden aan de controller uit te
voeren, de voedingskabel afkoppelen.
Mocht de controller gesloopt worden, ga dan overeen-
komstig de specifieke nationale wetgeving te werk.
GEVAAR!
GEVAAR!

GEBRUIKSAANWIJZINGEN
24 87-900-854-01 (C)
FOUTMELDINGEN
In geval van storingen wekt het zelfdiagnose-circuit van
de controller enkele foutmeldingen op die in de
volgende tabel zijn omschreven.
OPMERKING
De foutmeldingen worden alleen getoond als de optie
"hand-held terminal" is geïnstalleerd.
BOODSCHAP OMSCHRIJVING REMEDIE
CHECK CONNECTION TO
PUMP
Foutieve verbinding tussen pomp en
controller.
Controleren of de verbindingskabel tussen
pomp en controller aan beide uiteinden
goed bevestigd is en geen onderbrekingen
vertoond. Bedien twee maal de START-
knop om de pomp weer op te starten.
PUMP WAITING
INTERLOCK
Het interlock-signaal op connector P1 is
actief wegens onderbreking van de
kortsluiting tussen pin 3 en pin 8 van
connector J1 of wegens het openen van
het externe interlock-signaal.
Herstel de kortsluiting tussen pin 3 en pin 8
van connector J1 of sluit het externe
interlock-signaal.
FAULT: OVERTIME SX Tijdens de "soft start" van de pomp,
heeft de pomp niet binnen 15 minuten
de snelheid die voor elke stap is
voorzien bereikt (X kan waarde tussen 0
en 9 aannemen en geeft de niet
overschreden stap aan).
Controleer of het systeem geen lekkage
vertoont.
Bedien twee maal de START-knop om de
pomp weer op te starten.
FAULT: PUMP OVERTEMP. De temperatuur van het bovenste
pomplager bedraagt meer dan 60 °C.
Wacht tot de temperatuur weer onder de
drempelwaarde is gezakt.
Bedien twee maal de START-knop om de
pomp weer op te starten.
FAULT: CONTROLLER
OVERTEMPERATURE
De temperatuur van de transformator
van de controller bedraagt meer dan 90
°C.
Wacht tot de temperatuur weer onder de
drempelwaarde is gezakt.
Bedien twee maal de START-knop om de
pomp weer op te starten.
FAULT: TOO HIGH L0AD Tijdens normale werking (na startfase)
ligt de door de pomp geabsorbeerde
stroom hoger dan de geprogrammeerde
waarde (1,5 A).
Controleer of de pomprotor vrij kan
draaien.
Bedien twee maal de START-knop om de
pomp weer op te starten.
FAULT: SHORT CIRCUIT Tijdens normale werking (na startfase) is
de uitgangsverbinding in kortsluiting
(uitgangsstroom groter dan 2,2 A).
Controleer de verbindingen tussen pomp
en controller.
Bedien twee maal de START-knop om de
pomp weer op te starten.
SYSTEM OVERRIDE De pomp is stilgelegd door een
noodsignaal afkomstig van een
afstandscontact.
Koppel de voedingskabel van de controller
af en elimineer de oorzaak van de
noodstop. Sluit de voedingskabel weer aan
en bedien twee maal de START-knop om
de pomp weer op te starten.
OVERVOLTAGE Er is een storing opgetreden in de
voedingssectie van de controller of de
controller heeft een stoorsignaal
ontvangen.
Bedien twee maal de START-knop om de
pomp weer op te starten. Als de melding
weer verschijnt zich voor onderhoud tot
Varian wenden.

BRUGSANVISNING
25 87-900-854-01 (C)
GENEREL INFORMATION
Dette materiel er beregnet til professionel anvendelse.
Brugeren bør læse denne brugsanvisning og anden
yderligere information fra Varian, før udstyret
anvendes. Varian tager ikke ansvar for skader helt eller
delvis som følge af tilsidesættelse af disse
instruktioner, fejlagtig brug af personer uden
tilstrækkelig kendskab, ukorrekt anvendelse af udstyret
eller håndtering, der strider imod gældende lokale
regler.
Styreenheden i Turbo-V 250 PCB serien er en
mikroprocessorstyret frekvens-omformer, der består af
komponenter med fast tilstand. Styreenheden er
udstyret med selvdiagnose og selvbeskyttelses-
funktioner. Styreenheden kontrollerer pumperne i
Turbo-V 250 PCB serien (med en ti-trins-proces) i
forbindelse med start. Spænding og strøm reguleres i
forhold til pumpens opnåede hastighed. Styreenheden
omfatter alle midler, der kræves for automatisk drift af
pumperne i Turbo-V 250 PCB serien. Hjælpekontakter
forsyner kontrol til fjernstart og -stop af pumpen,
signaler om pumpens tilstand, kontrol til start og stop af
førvakuum-pumpen, blokeringssignaler (til tryk- og
vandføringsafbrydere, osv.). Styreenheden skal
forsynes via en ekstern transformator (medleveres
ikke). Et specielt apparat (Hand Held Terminal) er
tilgængeligt som ekstra tilbehør for at kontrollere
styreenhedens funktioner og vise dens tilstand. Dette
apparat omfatter et styretastatur og en billedskærm. De
følgende afsnit indeholder al information der behøves,
for at garantere operatørens sikkerhed under
anvendelsen. Detaljeret information findes i bilaget
"Technical Information".
I brugsanvisningen anvendes følgende standard-
rubrikker:
!
Advarselsmeddelelserne informerer operatøren om, at
en speciel procedure eller en vis type arbejde skal
udføres præcist efter anvisningerne. I modsat fald er
der risiko for svære personskader.
VIGTIGT!
Denne advarselsmeddelelse vises før procedurer, der
skal følges nøje for ikke at risikere maskinskader.
BEMÆRK
Dette gør opmærksom på vigtig information i teksten.
OPBEVARING
Følgende krav til omgivelsesforholdene gælder ved
transport og opbevaring af styreenheden:
• temperatur: fra -20 °C til +70 °C
• relativ luftfugtighed: 0 - 95% (ikke kondenserende)
FORBEREDELSER FØR INSTALLATION
Styreenheden leveres i en speciel beskyttende
emballage. Kontakt den lokale forhandler, hvis
emballagen viser tegn på skader, der kan være opstået
under transporten.
Styreenhedens emballage
Sørg for at styreenheden ikke tabes eller udsættes for
stød ved udpakningen.
Smid ikke emballagen ud. Materialet kan genbruges
100% og opfylder EU-direktiv 85/399 om
miljøbeskyttelse.
Inden styreenheden installeres, skal man klargøre de
nødvendige forbindelseskabler, d v s
forbindelseskabler til strømforsyning og pumpe samt
kabler til logiske signaler. Følgende billeder viser de
nødvendige forbindelser mellem styreenhed og pumpe
samt mellem styreenhed og strømkilde.
For yderligere information om forbindelser og
strømkilde (ekstra tilbehør) henvises til bilag "Technical
Information".
ADVARSEL!

BRUGSANVISNING
26 87-900-854-01 (C)
Forbindelseskabel mellem styreenhed og pump
Forbindelseskabel mellem styreenhed og transformator
INSTALLATION
!
Spænding mellem styreenheden og transformatoren
samt mellem transformatoren og elnettet kan nå høje
værdier og forårsage stor skade og dødsfald. I
forbindelse med permanent installation skal
styreenheden og transformatoren på egnet måde
beskyttes mod utilsigtet tilslutning.
!
Spænding frembragt i styreenheden kan nå høje
værdier og forårsage stor skade og dødsfald. Frakobl
altid strømkablet, inden der udføres installations- eller
vedligeholdelsesarbejde på styreenheden.
Temperaturen frembragt i styreenheden kan nå høje
værdier og forårsage stor skade. I forbindelse med
permanent installation skal styreenheden og
transformatoren på egnet måde beskyttes mod
utilsigtet tilslutning.
BEMÆRK
Styreenheden skal anbringes på en sådan måde, at luft
kan cirkulerer frit omkring apparatet. Installér og
anvend ikke styreenheden i miljøer, der udsættes for
påvirkninger fra atmosfæren (regn, sne, is), damp,
aggressive gasser, og ligeledes ikke i eksplosivt eller
brandfarligt miljø.
Følgende krav til omgivelsesforholdene gælder veddrift:
• temperatur: fra 0 °C til +40 °C
• relativ luftfugtighed: 0 - 95% (ikke kondenserende).
ADVARSEL!
ADVARSEL!

BRUGSANVISNING
27 87-900-854-01 (C)
ANVENDELSE
Dette afsnit beskriver de vigtigste driftsprocedurer. For
en detaljeret beskrivelse samt procedurer, der
involverer tilslutninger eller tilbehør, henvises til
afsnittet "USE" i bilag "Technical Information". Visse
procedurer, der beskrives nedenstående, kan kun
udføres på styreenheden, når den er udstyret med
tilbehøret "Hand held terminal". Inden styreenheden
anvendes, bør samtlige elektriske og pneumatiske
tilslutninger udføres. Læs brugsanvisningen før
pumpen tilsluttes.
!
Sørg for, at pumpen står fast, hvis den er installeret på
et bord. Dette er for at forebygge skader på apparatet
og personer. Start aldrig pumpen, hvis pumpetilløbet
ikke er tilsluttet systemet eller er blokeret.
Følgende beskriver manøvrepanelet til hand-held
terminalen.
1. Trykknap til installering af LOW SPEED driftvalg.
Trykknappen fungerer kun, når der vælges fra
frontpanelet. Tryk på knappen en gang for at få pumpen
til at rotere med 2/3 af nominel hastighed. Tryk på
knappen igen for at gå ud af LOW SPEED driften.
2. Trykknap til overføring af START, STOP eller RESET.
Trykknappen fungerer kun, når der vælges fra
frontpanelet. Tryk på knappen en gang for at starte
pumpen, tryk på knappen igen for at standse pumpen.
Hvis pumpen standser automatisk ved en fejl, tryk på
denne knap en gang for at tilbagestille styreenheden, og
yderligere en gang for at starte pumpen igen.
3. Trykknap til at hente cycle number, cycle time og pump
lift frem på displayet.
4. Trykknap til at hente pump current, pump temperature,
pump power og rotational speed frem på displayet.
Trykknappen fungerer altid, uanset den valgte styretype.
Når trykknapperne 3 og 4 holdes trykket ind samtidigt i
mindst 2 sekunder, starter et program, der tillader, at
programmere visse driftparametre.
5. LCD-display med tal og bogstaver: punktmatrice, 2
rader med 16 tegn.
Frontpanelet på “Hand-held terminalen”
INSTRUKTION
Start af styreenheden
Styreenheden startes ved at sætte strømkablet i
vægudtaget.
Start af pumpen
Pumpen startes ved at give START-signal til stifterne
på styreenhedens indgangskonnektor (stift 1-6 på P1)
eller trykke på START-trykknappen, hvis hand-held
terminalen er installeret.
Stop af pumpen
Pumpen stopper ved at frakoble START-signalet fra
stifterne på styreenhedens indgangskonnektor (stift 1-6
på P1) eller trykke på STOP-trykknappen, hvis hand-
held terminalen er installeret.
VEDLIGEHOLDELSE
Styreenhederne i Turbo-V 250 PCB serien behøver
ikke nogen vedligeholdelse. Ethvert indgreb på pumpen
skal foretages af autoriseret personale. Hvis pumpen
går i stykker, kan man benytte sig af Varians
reparations-service eller Varian udvekslingsservice,
hvor man kan få en repareret pumpe i bytte for den, der
er gået i stykker.
!
Inden der foretages noget som helst indgreb på
styreenheden, skal strømmen først afbrydes.
Skrotning af pumpen skal foregå i overensstemmelse
med det pågældende lands særlige love.
ADVARSEL!
ADVARSEL!

BRUGSANVISNING
28 87-900-854-01 (C)
FEJLMEDDELELSER
Styreenheden viser ved selvdiagnose aktuelle fejl på
displayet. De mulige meddelelser listes i følgende
tabel.
BEMÆRK
Fejlmeddelelserne vises kun, hvis tilbeøret "Hand Held
Terminal" er installeret.
MEDDELELSE BESKRIVELSE KONTROL
CHECK CONNECTION TO
PUMP
Tilslutning mellem pumpe og styreenhed
er defekt.
Controllér at tilslutningskabel mellem
pumpe og styreenhed er korrekt monteret
samt at ingen afbrydninger forekommer.
Tryk to gange på START for at starte
pumpen igen.
PUMP WAITING
INTERLOCK
Interlocksignalet findes på kontakt P1
p.g.a. kortslutning mellem stift 3 og stift
8 i kontakten J1 eller p.g.a. at det
eksterne interlocksignal er åbent.
Tilbagestil kortslutningen mellem stift 3 og
stift 8 på kontakt J1 eller sluk for det
eksterne interlocksignal.
FAULT: OVERTIME SX Ved opstart af pumpen med "blød start"
har pumpen ikke nået den korrekte
hastighed for hvert trin indenfor 15
minutter (X kan gælde 0 til 9 og angiver
hvilket trin, der ikke blev gennemført).
Kontrollér om systemet er utæt.
Tryk to gange på START, for at starte
pumpen igen.
FAULT: PUMP OVERTEMP. Temperaturen på det øverste leje eller
pumpen overskrider 60 °C.
Vent på at temperaturen falder til under
tærskelværdi.
Tryk to gange på START for at starte
pumpen igen.
FAULT: CONTROLLER
OVERTEMPERATURE
Temperaturen på styreenhedens
transfor- mator overskrider 90 °C.
Vent på at temperaturen falder til under
tærskelværdi.
Tryk to gange på START for at starte
pumpen igen.
FAULT: TOO HIGH L0AD Under normal drift (efter startfasen)
forbruger pumpen en større effekt end
den programmerede værdi (1,5 A).
Kontrollér om pumpens rotor kan rotere frit.
Tryk to gange på START for at starte
pumpen igen.
FAULT: SHORT CIRCUIT Under normal drift (efter startfasen) er
udgangseffekten kortsluttet (udgangs-
strømmen højere end 2,2 A).
Kontrollér forbindelserne mellem pumpe og
styreenhed.
Tryk to gange på START for at starte
pumpen igen.
SYSTEM OVERRIDE Pumpen er blevet standset af et
nødstopsignal fra en fjernkontakt.
Frakobel styreenhedens strømkabel og
kontrollér årsagen til nødstoppet. Sæt
derefter strømkablet i.
Tryk to gange på START, for at starte
pumpen igen.
OVERVOLTAGE Der er opstået fejl i styreenhedens
fødespænding eller styreenheden har
fået et falsk signal.
Tryk to gange på START-knappen for at
starte pumpen igen.
Hvis meddelelsen kommer igen tag kontakt
med Varian for nødvendig vedligeholdelse.

BRUKSANVISNING
29 87-900-854-01 (C)
ALLMÄN INFORMATION
Utrustningen är avsedd för yrkesmässig användning.
Användaren bör läsa denna bruksanvisning, samt övrig
dokumentation från Varian före användning av
utrustningen. Varian tar inget ansvar för skador som
helt eller delvis orsakats av åsidosättande av
instruktionerna, olämplig användning av person utan
tillräcklig kunskap, obehörigt bruk av utrustningen eller
hantering som strider mot gällande lokala föreskrifter.
Styrenheten i Turbo-V 250 PCB serien är en mikro-
processorstyrd frekvensomvandlare som består av
komponenter med fast tillstånd. Styrenheten är
försedda med självdiagnos- och självskyddsfunktion.
Styrenheten kontrollerar pumparna i Turbo-V 250 PCB
serien (med en tiostegs-process) i samband med start.
Spänning och ström regleras i förhållande till pumpens
uppnådda hastighet. Styrenheten omfattar alla kretsar
som behövs för automatisk drift av pumparna i Turbo-V
250 PCB serien. Hjälpkontakter erbjuder kontroller för
fjärrstart och fjärrstopp av pumpen, signaler för
pumpens tillstånd, kontroller för start och stopp av
förvakuum-pumpen, blockeringssignaler (för
tryckvakter, kontrollbrytare för vattenflöde osv).
Styrenheten ska förses med ström av en extern
transformator (levereras ej med styrenheten). En
speciell apparat (Hand Held Terminal) finns som tillval
för att kontrollera styrenhetens funktioner och
visualisera dess tillstånd. Detta apparat består av ett
styrtangentbord och en bildskärm. De följande
avsnitten innehåller all information som behövs för att
garantera operatörens säkerhet under driften.
Detaljerade uppgifter finns i bilagan "Technical
information".
I bruksanvisningen används följande standard-
rubriker:
!
Varningsmeddelandena informerar operatören om att
en speciell procedur eller en viss typ av arbete måste
utföras exakt enligt anvisningarna. I annat fall finns risk
för svåra personskador.
VIKTIGT!
Detta varningsmeddelande visas framför procedurer
som måste följas exakt för att undvika skador på
maskinen.
OBSERVERA
Detta visar på viktig information i texten
.
FÖRVARING
Följande krav på omgivningsförhållanden gäller vid
transport och förvaring av styrenheten:
• temperatur: från -20 °C till +70 °C
• relativ luftfuktighet: 0 - 95% (utan kondens)
FÖRBEREDELSER FÖR INSTALLATION
Styrenheten levereras i ett särskilt skyddande
emballage. Kontakta det lokala försäljningskontoret om
emballaget visar tecken på skador som kan ha uppstått
under transporten. Se till att styrenheten inte tappas
eller utsätts för stötar vid uppackningen.
Styrenhetens förpackning
Kasta inte packmaterialet i soporna. Materialet är
återvinningsbart till 100% och uppfyller EU-direktiv
85/399 om miljöskydd. Innan styrenheten installeras
ska du förbereda de nödvändiga anslutningskablarna,
det vill säga anslutningskablar till matarspänning och
pump samt kablar för logiska signaler. Följande bilder
visar de nödvändiga anslutningarna mellan styrenhet
och pump samt mellan styrenhet och strömkälla. För
ytterligare information om anslutningar och strömkälla
(tillval) hänvisas till bilaga “Technical Information".
VARNING!

BRUKSANVISNING
30 87-900-854-01 (C)
Anslutningskabel mellan styrenhet och pump
Anslutningskabel mellan styrenhet och transformator
INSTALLATION
!
Spänningen mellan styrenhet och transformator samt
mellan transformator och elnätet kan nå höga värden
och förorsaka allvarliga skador och dödsfall. I samband
med permanent installation ska styrenhet och
transformator lämpligen skyddas mot oavsiktlig kontakt.
!
Spänningen inuti styrenheten kan nå höga värden och
förorsaka allvarliga skador och dödsfall. Frånkoppla
alltid strömkabeln innan något installations- eller
underhålls-moment utförs på styrenheten.
Temperaturen inuti styrenheten kan nå höga värden
och förorsaka allvarliga skador. I samband med
permanent installation ska styrenhet och transformator
lämpligen skyddas mot oavsiktlig kontakt.
OBSERVERA
Styrenheten ska installeras permanent på ett sådant
ställe, att kylluften kan cirkulera fritt kring apparaten.
Installera och använd inte styrenheten i miljöer som
utsätts för påverkan från atmosfären (regn, snö, is),
damm, aggressiva gaser, och inte heller i explosiv eller
brandfarlig miljö.
Följande krav på omgivningsförhållanden gäller vid
drift:
• temperatur: från 0 °C till +40 °C
• relativ luftfuktighet: 0 - 95% (utan kondens)
VARNING!
VARNING!

BRUKSANVISNING
31 87-900-854-01 (C)
ANVÄNDNING
Detta avsnitt beskriver de viktigaste driftmomenten. För
en detaljerad beskrivning samt beträffande moment
som involverar anslutningar eller tillbehör hänvisas till
avsnittet "USE" i bilaga "Technical Information".
Vissa anvisningar som listas nedan kan endast utföras
på styrenheten när den är utrustad med tillbehöret
"Hand held terminal". Innan styrenheten används bör
samtliga elektriska och pneumatiska anslutningar
utföras. Läs bruksanvisningen för den anslutna
pumpen.
!
Försäkra dig att pumpen står stadigt, om den är
installerad på ett bord, detta för att förebygga skador på
apparaten och personer. Sätt aldrig igång pumpen, om
intagsflänsen varken är kopplad till systemet eller är
blockerad på plats med låsflänsen.
Nedan beskrivs manöverpanelen för Hand Held
Terminalen.
1. Tryckknapp för inställning av LOW SPEED driftsätt.
Tryckknappen fungerar endast när styrsätt från
frontpanelen har valts. Tryck på knappen en gång för att
få pumpen att rotera vid 2/3 av nominell hastighet. Tryck
på knappen igen för att gå ur LOW SPEED driftsättet.
2. Tryckknapp för överföring av START, STOP eller
RESET. Tryckknappen fungerar endast när styrsätt från
frontpanelen har valts. Tryck på knappen en gång för att
starta pumpen, tryck på knappen igen för att stanna
pumpen. Om pumpen stannat automatiskt i samband
med ett fel, tryck på denna knapp en gång för att
återställa styrenheten, och ytterligare en gång för att
starta om pumpen.
3. Tryckknapp för att hämta parametrarna cycle number,
cycle time och pump life på displayen.
4. Tryckknapp för att hämta parametrarna pump current,
pump temperature, pump power och rotational speed på
displayen. Tryckknappen fungerar alltid, oavsett det
valda styrsättet. När tryckknapparna 3 och 4 hålls
samtidigt intryckta i minst 2 sekunder, startas ett
program som tillåter att programmera vissa
driftparametrar.
5. LCD-display med siffror och bokstäver: punktmatris, 2
rader med 16 tecken.
Frontpanelen på “Hand Held Terminalen”
INSTRUKTIONER FÖR BRUK
Start av styrenheten
Styrenheten startas enkelt genom att sätta strömkabeln
i vägguttaget.
Start av pumpen
Pumpen startas genom att skicka START-kommando
till stiften på inmatningsmodulen till styrenheten (stift 1-
6 på P1) alternativt trycka på tryckknappen START, om
Hand Held Terminalen är installerad.
Stopp av pumpen
Pumpen stoppas genom att ta bort START-kommando
från stiften på inmatningsmodulen till styrenheten (stift
1-6 på P1) alternativt trycka på tryckknappen STOPP,
om Hand Held Terminalen är installerad.
UNDERHÅLL
Styrenheterna i Turbo-V 250 PCB serien är
underhållsfria. Allt servicearbete måste utföras av
auktoriserad personal.
Om styrenheten havererar, kontakta Varian reparation-
sverkstad eller Varian utbytesservice, som kan ersätta
styrenheten med en renoverad styrenhet.
!
Innan något arbete utförs på styrenheten måste dess
strömförsörjning brytas.
Skrotning av pumpen skall ske enligt gällande
lagstiftning.
VARNING!
VARNING!

BRUKSANVISNING
32 87-900-854-01 (C)
FELMEDDELANDEN
När vissa fel uppstår visar styrenhetens
självdiagnoskrets aktuellt felmeddelande på displayen.
De möjliga medde-landena listas i följande tabell.
OBSERVERA
Felmeddelandena visas endast om tillbehöret "Hand
Held Terminal" är installerat.
MEDDELANDE BESKRIVNING ÅTGÄRD
CHECK CONNECTION TO
PUMP
Anslutningen mellan pump och styrenhet
är defekt. Kontrollera att anslutningskabeln mellan
pump och styrenhet är ordentligt monterad
samt att inget avbrott förekommer. Tryck
två gånger på knappen START för att
starta om pumpen.
PUMP WAITING
INTERLOCK
Interlock-signalen finns på kontakt P1 på
grund av kortslutning mellan stift 3 och
stift 8 i kontakten J1, eller på grund av
att den externa interlock-signalen är
öppen.
Åtgärda kortslutningen mellan stift 3 och
stift 8 på kontakt J1 eller stäng den externa
interlock- signalen.
FAULT: OVERTIME SX Vid uppstart av pumpen med "mjukstart"
har pumpen inte nätt korrekt hastighet
för varje steg inom 15 minuter (X kan
gälla 0 till 9 och anger vilket steg, som
inte genomförts).
Kontrollera om systemet läcker.
Tryck två gånger på knappen START för
att starta om pumpen.
FAULT: PUMP OVERTEMP. Temperaturen på det övre lagret eller
pumpen överskrider 60 °C. Vänta tills temperaturen sjunker under
tröskelvärdet.
Tryck två gånger på knappen START för
att starta om pumpen.
FAULT: CONTROLLER
OVERTEMPERATURE
Temperaturen på styrenhetens transfor-
mator överskrider 90 °C. Vänta tills temperaturen sjunker under
tröskelvärdet.
Tryck två gånger på knappen START för
att starta om pumpen.
FAULT: TOO HIGH L0AD Under normal drift (efter startmomentet)
förbrukar pumpen en större effekt än det
programmerade värdet (1,5 A).
Kontrollera att pumpens rotor kan rotera
fritt.
Tryck två gånger på knappen START för
att starta om pumpen.
FAULT: SHORT CIRCUIT Under normal drift (efter startmomentet)
har utgången kortslutits (utgångsström
högre än 2,2 A).
Kontrollera anslutningarna mellan pump
och styrenhet.
Tryck två gånger på knappen START för
att starta om pumpen.
SYSTEM OVERRIDE Pumpen har stannats av en
nödstoppssignal från en fjärrkontakt. Frånkoppla styrenhetens strömkabel och
kontrollera nödstoppets orsak.
Sätt därefter i strömkabeln. Tryck två
gånger på knappen START för att starta
om pumpen.
OVERVOLTAGE Ett fel i styrenhetens matningsdel har
uppstått eller styrenheten har fått en
falsk signal.
Tryck två gånger på knappen START för
att starta om pumpen.
Om meddelandet visas igen, ta kontakt
med Varian för nödvändigt underhåll.

BRUKERVEILEDNING
33 87-900-854-01 (C)
GENERELL INFORMASJON
Dette utstyret er beregnet til bruk av profesjonelle
brukere. Brukeren bør lese denne brukerveiledningen
og all annen informasjon fra Varian før utstyret tas i
bruk.
Varian kan ikke holdes ansvarlig for hendelser som
skjer på grunn av manglende oppfølging, selv delvis, av
disse instruksjonene, feilaktig bruk av utrenet personell,
ikke godkjente endringer av utstyret eller handlinger
som på noen måte er i strid med nasjonale
bestemmelser.
Styreenheten i Turbo-V 250 PCB serien er en
mikroprosessorstyrt frekvensomvender, som består av
komponenter med fast tilstand. Styreenheten har
funksjoner for selvdiagnose og selvbeskyttelse.
Styreenheten kontrollerer pumpene i Turbo-V 250 PCB
serien (med en titrinnsprosess) ved oppstart. Spenning
og strømstyrke justeres i forhold til pumpens oppnådde
hastighet. Styreenheten omfatter alle kretser som er
nødvendige for automatisk drift av pumpene i
Turbo-V 250 PCB serien. Hjelpekontakter gir
muligheter for fjernstyrt start og stopp av pumpen,
signaler for pumpens tilstand, kontroller for start og
stopp av forvakuum-pumpen, blokkeringssignaler (for
trykksensorer, kontrollbrytere for vannstrøm osv).
Styreenheten skal forsynes gjennom en ekstern
transformator (som leveres ikke med styreenheten).
Et spesielt apparat (Hand Held Terminal) kan bestilles
som ekstrautstyr for å kontrollere styreenhetens
funksjoner og vise dets tilstand. Dette apparatet
omfatter et styretastatur og en bildeskjerm. De
følgende avsnittene inneholder all informasjon som er
nødvendig for å sikre brukeren når utstyret er i bruk.
For mer detaljert bruk vises det til tillegget "Technical
Information".
Denne veiledningen bruker følgende standard-
protokoll:
!
Disse meldingene skal tiltrekke seg brukerens
oppmerksomhet til en spesiell fremgangsmåte eller
praksis som, hvis den ikke følges, kan medføre
alvorlige skader.
FORSIKTIG!
Denne advarselen vises foran fremgangsmåter som,
dersom de ikke følges, kan fore til at utstyret skades.
MERK
Merknadene inneholder viktig informasjon som er
hentet fra teksten.
LAGRING
Når styreenhetene transporteres eller lagres, må
følgende forhold være oppfylt:
• temperatur: fra 20 °C til +70 °C
• relativ fuktighet:0 - 95% (uten kondens)
FORBEREDE INSTALLASJONEN
Styreenheten leveres i en spesiell
beskyttelsesemballasje. Viser denne tegn på skader
som kan ha oppstått under transporten, må du ta
kontakt med det lokale salgskontoret.
Styreenhetens emballasje
Når styreenheten pakkes ut, må du passe på at den
ikke slippes ned eller utsettes for noen form for støt.
Emballasjen må ikke kastes på en ulovlig måte. Alle
materialer er 100% resirkulerbare og er i samsvar med
EU-direktiv 85/399 om miljøbeskyttelse.
Før styreenheten installeres skal du klargjøre de
nødvendige forbindelseskablene, det vil si
forbindelseskabler til matespenning og pumpe samt
kabler for logiske signaler. Følgende bilder viser de
nødvendige forbindelsene mellom styreenhet og
pumpe samt mellom styreenhet og strømkilde. For
ytterligere informasjon om forbindelser og strømkilde
(ekstrautstyr) vises det til vedlegget "Technical
Information".
ADVARSEL!

BRUKERVEILEDNING
34 87-900-854-01 (C)
Forbindelseskabel mellom styreenhet og pump
Forbindelseskabel mellom styreenhet og transformator
INSTALLASJON
!
Spenningen mellom styreenheten og transformatoren
samt mellom transformatoren og elnettet kan nå høye
verdier og kan føre til alvorlige skader og dødsfall.
Kople alltid strømkabelen fra strømnettet før alle
installasjons- eller vedlikeholdsarbeider som utføres på
styreenheten. I forbindelse med permanent installasjon
skal styreenhet og transformator beskyttes mot
utilsiktet kontakt på en passende måte.
!
Spenningen inne i styreenheten kan nå høye verdier og
kan føre til alvorlige skader og dødsfall. Kople alltid
strømkabelen fra strømnettet før alle installasjons- eller
vedlikeholds-arbeider som utføres på styreenheten.
Temperaturen inne i styreenheten kan nå høye verdier
og kan føre til alvorlige skader. I forbindelse med
permanent installasjon skal styreenhet og
transformator beskyttes mot utilsiktet kontakt på en
passende måte.
MERK
Styreenheten skal installeres på slik måte, at
kjøleluften kan sirkulere fritt rundt apparatet. Ikke
installer eller bruk styreenheten i miljøer som utsettes
for regn, snø eller is, støv, aggressive gasser,
eksplosjonsfarlige miljøer eller i miljøer med stor
brannfare.
Under bruk må følgende forhold respekteres:
• temperatur: fra 0 °C til + 40 °C
• relativ fuktighet: 0 - 95% (uten kondens)
ADVARSEL!
ADVARSEL!

BRUKERVEILEDNING
35 87-900-854-01 (C)
BRUK
Dette avsnittet beskriver de viktigste driftsmomentene.
For en detaljert beskrivelse samt moment som omfatter
tilkoplinger eller ekstrautstyr vises det til avsnittet "Use"
i vedlegget "Technical Information". Visse anvisninger
som listes nedenfor kan kun gjennomføres på
styreenheten når den er utstyrt med ekstrautstyret
"Hand Held Terminal".
Før styreenheten tas i bruk bør samtlige elektriske og
pneumatiske tilkoplinger gjøres. Les
brukerveiledningen for pumpen som er tilkoplet.
!
Dersom pumpen er installert på et bord må du
kontroller at pumpen står støtt. Dette er viktig for å
forhindre skader på apparatet og på personer. Dersom
inngangsflensen hverken er tilkoplet systemet eller
dersom den er blokkert av låseflensen må pumpen
aldri startes opp.
Nedenfor beskrives styrepanelet til styreenheten.
1. Trykknapp for innstilling av LOW SPEED drift.
Trykknappen fungerer kun når det er valgt styremåte fra
frontpanelet. Trykk på knappen en gang for at pumpen
skal rotere med 2/3 av nominell hastighet. Trykk på
knappen igjen for å gå ut av LOW SPEED drift.
2. Trykknapp for overføring av START, STOP eller
RESET. Trykknappen fungerer kun når det er valgt
styremåte fra frontpanelet. Trykk på knappen en gang
for å starte pumpen, trykk på knappen igjen for å stanse
pumpen. Har pumpen stanset automatisk i forbindelse
med en feil, trykk en gang på denne knappen for å
tilbakestille styreenheten, en gang til for å startet
pumpen.
3. Trykknapp for å vise parametrene cycle number, cycle
time og pump life på displayet.
4. Trykknapp for å vise parametrene pump current, pump
temperature, pump power og rotational speed på
displayet. Trykknappen fungerer alltid, uavhengig av
styremåten. Når trykknappene 3 og 4 trykkes ned
samtidig i minst to sekunder, startes et program som
tillater programmering av visse driftsparametre.
5. LCD-display med siffer og bokstaver: punkt-matrise, 2
rader med 16 tegn.
Frontpanelet til “Hand held terminalen”
INSTRUKSJONER FOR BRUK
Starte styreenheten
Styreenheten startes ved å sette strømkabelen i
veggkontakten.
Starte pumpen
Pumpen startes ved å gi START-kommando til stiftene
på styreenhetens inngangskonnektor (stift 1-6 på P1)
eller ved å trykke på knappen START, dersom Hand
Held Terminalen er installert.
Stoppe pumpen
Pumpen stopper ved å fjerne START-kommando fra
stiftene på styreenhetens inngangskonnektor (stift 1-6
på P1) eller ved å trykke på knappen STOPP, dersom
Hand Held Terminalen er installert.
VEDLIKEHOLD
Turbo-V 250 PCB seriens styreenheter er
vedlikeholdsfrie. Alt arbeid på styreenheten må kun
utføres av autorisert personell. Dersom styreenheten
stanser, må du ta kontakt med Varians
reparasjonservice eller med Varians avanserte
bytteservice, som kan tilby overhalte styreenheter til
erstatning for den ødelagte styreenheten.
!
Før noe arbeid utføres på styreenheten, må den
frakoples strømnettet.
Dersom en styreenhet skal kasseres, må dette skje i
henhold til nasjonale bestemmelser.
ADVARSEL!
ADVARSEL!

BRUKERVEILEDNING
36 87-900-854-01 (C)
FEILMELDINGER
Selvdiagnosekretsen i styreenheten viser den aktuelle
feilmeldingen i displayet. De aktuelle feilmeldingen
fremgår av tabellen nedenfor.
MERK
Feilmeldingene vises kun dersom ekstrautstyret "Hand
Held Terminal" er installert.
MELDING BESKRIVELSE FORHOLDSREGEL
CHECK CONNECTION
TO PUMP
Defekt kopling mellom pumpe og
styreenhet.
Kontroller at tilkoplingskabelen mellom
pumpe og styreenhet er skikkelig montert
samt at kabelen ikke er skadet. Trykk to
ganger på knappen START for å starte
pumpen.
PUMP WAITING
INTERLOCK
Låsesignalet for kontakt P1 skyldes en
kortslutning mellom stift 3 og stift 8 i
kontakten J1 eller fordi det eksterne
låsesignalet er åpent.
Tilbakestill kortslutningen mellom stift 3 og
stift 8 på kontakt J1 eller steng det
eksterne låsesignalet.
FAULT: OVERTIME SX Ved oppstart av pumpen med "mykstart"
har pumpen ikke nådd den korrekte
hastigheten for hvert trinn i løpet av 15
minutter (X kan gjelde 0 til 9 og angir
hvilket trinn som ikke har blitt
gjennomført).
Kontroller om systemet lekker.
Trykk to ganger på knappen START for å
starte pumpen.
FAULT: PUMP OVERTEMP. Temperaturen på det øvre lageret eller
pumpen er over 60 °C.
Vent til temperaturen synker under
terskelverdien.
Trykk to ganger på knappen START for å
starte pumpen.
FAULT: CONTROLLER
OVERTEMPERATURE
Temperaturen på styreenhetens
transformator er over 90 °C.
Vent til temperaturen synker under
terskelverdien.
Trykk to ganger på knappen START for å
starte pumpen.
FAULT: TOO HIGH L0AD Ved normal drift (etter startmo- mentet)
bruker pumpen mer effekt enn den
programmerte verdien (1,5 A).
Kontroller om pumpens rotor kan rotere
fritt.
Trykk to ganger på knappen START for å
starte pumpen.
FAULT: SHORT CIRCUIT Ved normal drift (etter startmo-mentet)
er utgangen kortsluttet (utgangsstrøm
over 2,2 A).
Kontroller tilkoplingene mellom pumpe og
styreenhet.
Trykk to ganger på knappen START for å
starte pumpen.
SYSTEM OVERRIDE Pumpen har stanset av et
nødstoppsignal en fra fjernkontakt.
Kople fra styreenhetens strømkabel og finn
frem til årsaken til nødstoppen.
Kople deretter maskinen til strømnettet
igjen. Trykk to ganger på knappen START
for å starte pumpen.
OVERVOLTAGE Det har oppstått en feil i styreenhetens
matedel, eller så har styreenheten fått et
falskt signal.
Trykk to ganger på knappen START for å
starte pumpen igjen. Vises feilmeldingen
om igjen, må du ta kontakt med Varian for
nødvendig vedlikehold.

KÄYTTÖOHJEET
37 87-900-854-01 (C)
YLEISIÄ TIETOJA
Tämä laite on tarkoitettu ammattimaiseen käyttöön.
Ennen laitteen käyttöönottoa käyttäjän tulee lukea
huolellisesti mukana seuraava käyttöohje sekä kaikki
muut Varianin toimittamat lisätiedot. Varian ei vastaa
seurauksista, jotka johtuvat laitteen käyttöohjeiden
täydellisestä tai osittaisesta laiminlyömisestä,
ammattitaidottomien henkilöiden suorittamasta laitteen
virheellisestä käytöstä, valtuuttamattomista
toimenpiteistä tai maakohtaisten säädösten ja normien
vastaisesta käytöstä.
Sarjan Turbo-V 250 PCB valvoja on mikroprosessorin
valvoma kiinteistä materiaaleista tehtyjä
taajuudenmuuntimia, jotka kykenevät itsemäärittelyyn
ja itsesuojaukseen. Valvoja ajaa Turbo-V 250 PCB
sarjan pumppuja (kymmenportaisessa järjestelmässä)
käynnistysvaiheessa valvoen jännitettä ja sähkövirtaa
suhteessa pumpun saavuttamaan nopeuteen.
Ne yhdistävät kaikki sähköpiirit, jotka ovat
välttämättömiä Turbo-V 250 PCB sarjan pumpun
automaattiselle toiminnalle. Apuliittimiä käyttäen on
mahdollista käyttää kauko-ohjattua pumpun
käynnistystä ja pysähdystä, signaaleja, jotka ilmaisevat
pumpun toimintatilan, esityhjennyspumpun käynnistys-
ja pysähdyssäätimiä, veden virtauksen
säätelykatkaisijaa jne. Valvojan tulee saada sähkö
ulkopuoliselta muuuntajalta (tämä ei tule valvojan
kanssa). Yhdistäkää valvoja ulko-virtalähteseen
muuntajan avulla (muuntaja ostettava erikseen). "Käsin
Pidettävä Pääte"-lisälaite käytetään toimintojen
tarkistamiseksi ja valvojan tilan näkemiseksi. Lisälaite
sisältää ohjausnäppäimistön ja näyttölaitteen.
Seuraavilla sivuilla on luettavissa tarpeelliset tiedot
laitteen käyttäjän turvallisuuden takaamiseksi laitteen
käytön aikana. Yksityiskohtaiset tiedot löytyvät liitteestä
"Tekniset tiedot".
Tämä käsikirja käyttää seuraavia merkintöjä:
!
Vaara-merkinnät saavat käyttäjän huomion
kiinnittymään erityisiin toimintotatapoihin, joiden
seuraamatta jättäminen voi aiheuttaa vakavia
henkilövaurioita.
HUOMIO!
Huomio-merkinnät varoittavat toiminnoista, joiden
laiminlyönti voi johtaa laitteen vaurioitumiseen.
HUOM
Huomiot sisältävät tärkeätä tekstistä otettua tietoa.
VARASTOINTI
Valvojan kuljetuksen ja varastoinnin aikana tulevat
seuraavat ympäristövaatimukset olla täytettyinä:
• lämpötila: -20 °C ja +70 °C asteen välillä
• suhteellinen kosteus: 0 - 95% (ilman lauhdetta).
VALMISTELUT ASENNUSTA VARTEN
Valvoja toimitetaan erityisessä suojaavassa
pakkauksessa. Mikäli havaitsette mahdollisesti
kuljetuksen aikana sattuneita vaurioita, ottakaa yhteys
paikalliseen myyntitoimistoon.
Valvojan pakkaus
Pakkauksen purkamisen yhteydessä huolehtikaa, että
valvoja ei pääse putoamaan ja välttäkää sen joutumista
iskujen kohteeksi. Älkää jättäkö pakkausta
ympäristöön. Materiaali voidaan kokonaisuudessaan
kierrättää ja se vastaa EY:n 85/399 direktiiviä
ympäristön suojelusta.
Ennen kuin asennatte valvojan, pitää valmistaa
liitoskaapeleita, esimerkiksi sähkövirtakaapeleita,
loogisten signaleiden kaapeleita ja pumpun
liitoskaapeli. Seuraavissa piirroksissa näkyy liitännät
valvojan ja pumpun välillä ja valvojan ja muuntajan
välillä.
Liitännän ja (lisä-) muuntajan lähimmet tiedot löytyvät
liitteestä "Tekniset tiedot".
VAARA!

KÄYTTÖOHJEET
38 87-900-854-01 (C)
Valvojan ja muuntajan litoskaapeli
Valvojan ja muuntajan litäntä
ASENNUS
!
Valvojan ja muuntajan välille ja myös muuntajan ja
sähköverkon välille syntyy korkeajännitettä, joka voi
aiheuttaa vakavia vammoja tai jopa kuoleman.
Suojatkaa valvoja ja muuntaja tahattomalta
kosketukselta, kun ne ovat jo asennetut.
!
Valvojan sisällä syntyy korkeajännitettä, joka voi
aiheuttaa vakavia vammoja tai jopa kuoleman. Ennen
minkätahansa valvojan huolto-tai asennustoimenpiteen
suorittamista, irroittakaa valvoja sähköverkosta.
Valvojan sisällä syntyy ylikuumenemista, joka voi
aiheuttaa vakavia vammoja. Suojatkaa valvoja ja
muuntaja tahattomalta kosketukselta, kun ne ovat jo
asennetut.
HUOM
Valvojan sisällä syntyy korkeajännitettä, joka voi
aiheuttaa vakavia vammoja tai jopa kuoleman. Ennen
minkätahansa valvojan huolto-tai asennustoimenpiteen
suorittamista, irroittakaa valvoja sähköverkosta.
Valvojan sisällä syntyy ylikuumenemista, joka voi
aiheuttaa vakavia vammoja. Suojatkaa valvoja ja
muuntaja tahattomalta kosketukselta, kun ne ovat jo
asennetut.
Toiminnan aikana tulee noudattaa seuraavia
ympäristönoloja koskevia sääntöjä:
• lämpötila: 0 °C ja +40 °C välillä
• suhteellinen kosteus: 0 - 95% välillä
(ilman lauhdetta).
VAARA!
VAARA!

KÄYTTÖOHJEET
39 87-900-854-01 (C)
KÄYTTÖ
Tähän kappaleeseen on kirjattu tärkeimmät
käyttötoimen-piteet. Tarkempia lisätietoja sekä
kytkentöjä, että valinnaisia lisälaitteita koskevien
toimenpiteiden suorittamista käsittäviä tietoja löydätte
kappaleesta "Käyttö", joka on "Tekniset tiedot"-
kappaleen liitteenä. Jotkin seuraavista ohjeista ovat
mahdollisia valvojalle vain mikäli se on kytkettynä
"Käsin Pidettävä Pääte"-lisälaitteeseen. Ennen valvojan
käyttöä suorittaakaa kaikki sähkökytkennät seuraten
kytkettävän pumpun käyttöohjeita.
!
Mikäli pumppu on asetettu pöydälle, varmistakaa että
se on vakaassa asennossa. Näin vältytään vammoilta
ihmisille sekä itse koneelle. Älkää myöskään käyttäkö
pumppua, mikäli sisääntulon laippaa ei ole kytketty
järjestelmään tai mikäli sitä ei ole suljettu
laippasulkijalla.
Seuraavassa on esitelty käsin pidettävän päätteen
valvontapaneeli.
1. LOW SPEED -moodin valintaan käytettävä painonappi.
Se aktivoituu vain silloin, kun etupaneelin toiminta-
moodi on valittu. Yhden kerran painettaessa pumppu
kiertää noin 2/3 nimellisnopeudesta. Painonappia
uudelleen painettaessa LOW SPEED- moodi
disaktivoituu.
2. KÄYNNISTYKSEN, PYSÄYTYKSEN JA UUDELLEN
ASETUKSEN käskyjen painonappi. Se aktivoituu vain
silloin, kun etupaneelin toiminta-moodi on valittu. Yhden
kerran painettaessa käynnistysvaihe aktioituu.
Uudelleen painettaessa pumppu pysähtyy. Mikäli
pumppu on toimintahäiriön vuoksi pysähtynyt
automaattisesti, painakaa painonappia yhden kerran,
jolloin valvoja saadaan asetettua uudelleen .Toisen
kerran painonappia painettaessa pumppu käynnistyy.
3. Painonappi, jonka avulla näyttöön saadaan
kiertonumero, kiertoaika ja pumpun toiminta.
4. Painonappi, jonka avulla näyttöön saadaan pumpun
sähkövirran, pumpun lämpötilan, pumpun tehon ja
kiertonopeuden parametrit. Tämä on aina aktiivi
riippumatta valitusta toimintamoodista. Painamalla
painonappeja 3 ja 4 vähintään kahden sekunnin ajan,
aktivoituu ohjelma, jonka avulla on mahdollista
ohjelmoida joitakin toimintaparametrejä.
5. Kirjainnumerollinen digitaalinäyttö: pistematriisi, 2 riviä
x 16 merkkiä.
Käsin Pidettävän Pääteen etupaneli
KÄYTTÖTOIMENPITEET
Valvojan päälle pano
Valvoja käynnistyy asettamalla virtakaapeli
pistorasiaan.
Pumpun käynnistys
Pumppu käynnistyy lähettämällä START-signaali
valvojan sisääntulokonnektorin nuppeihin (P1:n
nuppeihin 1-6) tai painamalla START painonappia, jos
on Käsin Pidettävä Pääte.
Pumpun pysäyttäminen
Pumppu pysähtyy ottamalla START-signaali pois päältä
valvojan sisääntulokonnektorin nupeilta (P1:n nupeilta
1-6) tai painamalla STOP painonappia, jos on Käsin
Pidettävä Pääte.
HUOLTO
Turbo-V 250 PCB sarjan valvojat eivät kaipaa
minkäänlaista huoltoa. Mahdolliset valvojaan tehtävät
toimenpiteet tulee jättää aina valtuutetun henkilön
tehtäviksi. Toimintahäiriön sattuessa on mahdollista
käyttää Varianin korjauspalvelua tai "Varian advance
exchange service" -palvelua, jolloin on mahdollista
vaihtaa rikkoontunut valvoja ladattuun valvojaan.
!
Ennen minkätahansa valvojaan tehtävän toimenpiteen
suorittamista irroittakaa sähkökaapeli pistorasiasta.
Mikäli valvoja täytyy romuttaa, toimikaa sen
hävittämisessä kansallisten säädösten ja normien
määräävällä tavalla.
VAARA!
VAARA!

KÄYTTÖOHJEET
40 87-900-854-01 (C)
VIANETSINTÄ
Joidenkin toimintahäiriöiden yhteydessä valvojan
itsemäärittelypiiri analysoi virheen, joka näkyy
viesteinä, jotka on kuvailtu seuraavassa taulukossa.
HUOM
Virheviestit näkyvät vain siinä tapauksessa, että siihen
on asennettu valinnainen "Käsin pidettävä pääte".
VIESTI VIKA KORJAUSTOIMENPITEET
CHECK CONNECTION
TO PUMP
Toimintahäiriö pumpun ja valvojan
liitännässä.
Tarkistakaa että pumpun ja valvojan
välinen yhteyskaapeli on hyvin kiinnitetty
päistään eikä sen varrella ole esteitä.
Painakaa kaksi kertaa painonappia START
jolloin pumppu käynnistyy.
PUMP WAITING
INTERLOCK
Lukitussignaali (interlock) liittimessä P1
on aktiivinen johtuen liittimen J1
neulojen 3 ja 8 välillä tapahtuneen
oikosulun keskeytyksestä tai ulkoisen
lukitussignaalin (interlock)
avautumisesta.
Palauttakaa liittimen J1 neulojen 3 ja 8
välinen oikosulku tai sulkekaa ulkopuolinen
lukitussignaali (interlock).
FAULT: OVERTIME SX "Soft Start" moodissa tapahtuvan
pumpun käynnistyksen aikana pumppu
ei ole saavuttanut sille joka askeleella
tarkoitettua nopeutta 15 minuutin sisällä.
(X on askelnumero 09 ja ilmaisee sen
askeleen, jota ei ole ylitetty).
Tarkistakaa, ettäjärjestelmässä ei ole
vuotoja. Painakaa painonappia START
kaksi kertaa, jolloin pumppu käynnistyy.
FAULT: PUMP OVERTEMP. Ylemmän laakerin tai pumpun lämpötila
on ylittänyt 60 °C.
Odottakaa että lämpötila putoaa
kynnysarvon alapuolelle. Painakaa
painonappia START kaksi kertaa jolloin
pumppu käynnistyy.
FAULT: CONTROLLER
OVERTEMPERATURE
Valvojan muuntajan lämpötila on ylittänyt
90 °C.
Odottakaa, että lämpötila putoaa
kynnysarvon alapuolelle. Painakaa
painonappia START kaksi kertaa jolloin
pumppu käynnistyy.
FAULT: TOO HIGH L0AD Normaalityöskentelyn aikana
(käynnistyksen jälkeen) pumpun
absorboima sähkövirta on korkeampi
kuin sille on ohjelmoitu (1,5 A).
Tarkistakaa, että pumpun roottori pyörii
vapaasti. Painakaa painonappia START
kaksi kertaa jolloin pumppu käynnistyy.
FAULT: SHORT CIRCUIT Normaalityöskentelyn aikana
(käynnistyksen jälkeen) poistoliitin on
oikosulussa (poistuva virta suurempi
kuin 2,2 A).
Tarkistakaa pumpun ja valvojan välinen
liitos. Painakaa painonappia START kaksi
kertaa jolloin pumppu käynnistyy.
SYSTEM OVERRIDE Kaukokytkimestä tuleva hälytyssignaali
on pysäyttänyt pumpun.
Irroittakaa valvojan sähkökaapeli
verkkovirrasta ja korjatkaa hälytyksen
aiheuttaja. Kytkekää sähkökaapeli
uudelleen ja painakaa painonappia START
kaksi kertaa jolloin pumppu käynnistyy.
OVERVOLTAGE Valvojan sähkövirran syötössä on
ilmennyt ongelma tai valvojan saama
signaali on väärä.
Painakaa painonappia START kaksi
kertaa, jolloin pumppu käynnistyy. Mikäli
viesti näkyy uudelleen kääntykää Varian
huoltopalvelun puoleen.

ODHGIES CRHSEWS
41 87-900-854-01 (C)
GENIKES PLHROFORIES
Authv h suskeuhv proorivzetai gia epaggelmatikhv crhvsh.
O crhvsthÇ qa prevpei na diabavsei prosektikav tiÇ
odhgiveÇ tou parovntoÇ egceiridivou kai opoiadhvpote avllh
provsqeth plhroforiva pou parevcetai apov th Varian, prin
apov th crhsimopoivhsh thÇ suskeuhvÇ. H Varian den fevrei
kamiva euquvnh ovson aforav thn olikhv hv merikhv aqevthsh
twn odhgiwvn, thn akatavllhlh crhvsh ek mevrouÇ
anekpaivdeutou proswpikouv, auqaivreteÇ epembavseiÇ hv
crhvsh pou den sumfwneiv me tiÇ eidikevÇ eqnikevÇ
diatavxeiÇ.
Oi ruqmistevÇ thÇ seiravÇ Turbo-V 250 PCB eivnai evnaÇ
metatropevaÇ sucnovthtaÇ, elegcovmenoÇ apov evnan
mikroepexergasthv. Eivnai kataskeuasmevnoi me exarthvmata
se stereav katavstash kai evcoun autodiagnwstikhv kai
autoprostateutikhv ikanovthta.
O ruqmisthvÇ enswmatwvnei ovla ta anagkaiva kuklwvmata
gia thn autovmath leitourgiva twn antliwvn thÇ seiravÇ
Turbo-V 250 PCB.
O ruqmisthvÇ odhgeiv tiÇ antliveÇ thÇ seiravÇ
Turbo-V 250 PCB me mia diadikasiva pou diaireivtai se
devka stavdia) katav th diavrkeia ekkivnhshÇ elevgcontaÇ
thn tavsh kai to hlektrikov reuvma se scevsh me thn
tacuvthta sthn opoiva qa ftavsei h antliva.
Me th bohvqeia bohqhtikwvn busmavtwn eivnai diaqevsimoi
ovloi oi ceirismoiv gia thn ekkivnhsh kai to stamavthma
thÇ antlivaÇ ex apostavsewÇ, ta shvmata pou deivcnoun
thn katavstash leitourgivaÇ thÇ antlivaÇ, oi ceirismoiv
ekkivnhshÇ kai stamathvmatoÇ thÇ antlivaÇ pro-kenouv, ta
shvmata mplokarivsmatoÇ (gia diakovpteÇ piveshÇ,
diakovpteÇ elevgcou thÇ rohvÇ tou nerouv, klp.).
O ruqmisthvÇ qa prevpei na trofodoteivtai exwterikav
diamevsw enovÇ metaschmatisthv o opoivoÇ (den
promhqeuvetai me ton ruqmisthv)/.
Gia na elegcqouvn oi leitourgiveÇ kai na parousiasteiv
sthn oqovnh h katavstash leitourgivaÇ tou ruqmisthv
diativqetai miva eidikhv suskeuhv (Hand Held Terminal) h
opoiva apoteleivtai apov evna plhktrolovgio dioivkhshÇ kai
miva oqovnh. StiÇ epovmeneÇ paragravfouÇ anafevrontai ovleÇ
oi aparaivthteÇ plhroforiveÇ pou egguouvntai thn
asfavleia tou ceiristhv katav th diavrkeia thÇ
crhsimopoivhshÇ thÇ suskeuhvÇ. LeptomereivÇ plhroforiveÇ
parevcontai sto paravrthma ″Technical Information″.
Autov tov egceirivdio crhsimopoieiv tiÇ akovlouqeÇ
sumbavseiǜ
!
Oi endeivxeiÇ kinduvnou proselkuvoun thn prosochv tou
ceiristhv se mia diadikasiva hv se mia eidikhv ergasiva h
opoiva eavn den ektelesteiv swstav, qa mporouvse na
prokalevsei sobarevÇ proswpikevÇ blavbeÇ.
PROSOCH
Oi endeivxeiÇ prosochvÇ emfanivzontai prin apov tiÇ
diadikasiveÇ oi opoiveÇ eavn den ektelestouvn me prosochv,
qa mporouvsan na prokalevsoun zhmievÇ sth suskeuhv.
SHMEIWSH
Oi shmeiwvseiÇ perievcoun shmantikevÇ plhroforiveÇ pou
evcoun apospasteiv apov to keivmeno.
APOQHKEUSH
Katav th diavrkeia thÇ metaforavÇ kai thÇ apoqhvkeushÇ
twn ruqmistwvn prevpei na throuvntai oi akovlouqeÇ
periballontikevÇ sunqhvkeÇœ
• qermokrasiva: -20 °C evwÇ +70 °C
• scetikhv ugrasiva 0 - 95% (asumpuvknwth).
PROETOIMASIA GIA THN EGKATASTASH
O ruqmisthvÇ eivnai exoplismevnoÇ me miva euruvcwrh
prostateutikhv suskeuasiva. An upavrcoun endeivxeiÇ
blavbhÇ pou qa mporouvsan na evcoun proklhqeiv katav th
diavrkeia thÇ metaforavÇ, sumbouleuteivte to topikov
tmhvma pwlhvsewn.
Suskeuasiva tou ruqmisthv
Katav th diavrkeia tou anoivgmatoÇ thÇ suskeuasivaÇ,
dwvste idiaivterh prosochv evtsi wvste na mhn pevsei kai
na mhn ctuphqeiv o ruqmisthvÇ. Mhn egkataleivpete th
suskeuasiva sto peribavllon. To ulikov anakuklwvnetai
plhvrwÇ kai antapokrivnetai sthn Odhgiva thÇ
E.E. 85/399 gia thn diafuvlaxh tou peribavllontoÇ. Prin
apov thn egkatavstash tou ruqmisthv eivnai anagkaivo na
proetoimavsete merikav kalwvdia diasuvndeshÇ, ovpwÇ gia
paravdeigma ta kalwvdia gia th suvndesh me thn
trofodosiva, ta kalwvdia gia tiÇ sundevseiÇ logikhvÇ kai
thÇ antlivaÇ. Sta akovlouqa schvmata parousiavzontai oi
sundevseiÇ pou prevpei na pragmatopoihqouvn metaxuv tou
ruqmisthv kai twn antliwvn kai metaxuv tou ruqmisthv kai
tou metaschmatisthv trofodosivaÇ. PerissovtereÇ
plhroforiveÇ ovson aforav tiÇ parapavnw sundevseiÇ kai ta
ta carakthristikav tou metaschmatisthv trofodosivaÇ
(diaqevsimoÇ wÇ evxtra) parevcontai sto paravrthma
″Technical Information″.
KINDUNOS

ODHGIES CRHSEWS
42 87-900-854-01 (C)
SundevseiÇ metaxuv tou ruqmisthv kai thÇ antlivaÇ
SundevseiÇ metaxuv tou ruqmisthv kai tou Metaschmatisthv
EGKATASTASH
!
Oi tavseiÇ pou anaptuvssontai ston ruqmisthv kai ton scetikov
metaschmatisthv, kaqwvÇ kai metaxuv tou metaschmatisthv kai tou
diktuvou trofodosivaÇ eivnai tevtoiou uvyouÇ pou na apotelouvn
kivnduno gia ovpoion evrqei se epafhv maziv touÇ. Prostateuvete
katavllhla ton ruqmisthv kai ton metaschmatisthv trofodosivaÇ
sthn telikhv touÇ qevsh apov tiÇ tucaiveÇ epafevÇ.
!
Sto eswterikov tou ruqmisthv anaptuvssontai uyhlevÇ
tavseiÇ pou mporouvn na prokalevsoun sobarouvÇ
traumatismouvÇ hv kai to qavnato. Prin ektelevsete
opoiadhvpote ergasiva egkatavstashÇ hv sunthvrhshÇ tou
ruqmisthv aposundevste ton apov thn privza trofodosivaÇ.
Sto eswterikov tou ruqmisthv anaptuvssontai uyhlevÇ
qermokrasiveÇ pou mporeiv na prokalevsoun sobarevÇ blavbeÇ
hv traumatismouvÇ. Prostateuvete katavllhla ton ruqmisthv
trofodosivaÇ sthn telikhv tou qevsh apov tiÇ tucaiveÇ
epafevÇ.
SHMEIWSH
O ruqmisthvÇ pou evcei egkatastaqeiv sto telikov suvsthma
qa prevpei na topoqethqeiv me tevtoio trovpo wvste o aevraÇ
yuvxhÇ na mporeiv na kukloforeiv eleuvqera guvrw apov th
suskeuhv.
Mhn topoqeteivte kai - hv crhsimopoieivte ton ruqmisthv
se cwvrouÇ ekteqeimevnouÇ stiÇ kairikevÇ sunqhvkeÇ (brochv,
pavgo, ciovni, skovneÇ, aevria, se cwvrouÇ ovpou upavrcei
kivndunoÇ evkrhxhÇ hv purkagiavÇ).
Katav th diavrkeia thÇ leitourgivaÇ prevpei na throuvntai
oi akovlouqeÇ periballontikevÇ sunqhvkeÇœ
• qermokrasiva: 0 °C evwÇ +40 °C
• scetikhv ugrasiva: 0 - 95% (asumpuvknwth).
KINDUNOS
KINDUNOS

ODHGIES XRHSEWS
43 87-900-854-01 (C)
CRHSH
S` authvn thn paravgrafo anafevrontai oi kuriovtereÇ diadikasiveÇ
leitourgivaÇ. Gia perissovtereÇ leptomevreieÇ kai gia diadikasiveÇ
pou apaitouvn idiaivtereÇ sundevseiÇ hv axesouavr, anaferqeivte sthn
paravgrafo ″Crhvsh″ tou PararthvmatoÇ ″TecnikevÇ
PlhroforiveÇ″. MerikevÇ apov tiÇ anaferovmeneÇ sth sunevceia
plhroforiveÇ mporouvn na efarmostouvn kai ston ruqmisthv movnon
an autovÇ eivnai sundedemevnoÇ me to exavrthma ″Hand Held
Terminal″. Prin crhsimopoihvsete ton ruqmisthv kavnte ovleÇ tiÇ
hlektrikevÇ kai pneumatikevÇ sundevseiÇ bavsei tou egceiridivou thÇ
antlivaÇ suvndeshÇ.
!
Gia na apofuvgete blavbeÇ se avtoma hv sth suskeuhv,
ovtan h antliva eivnai topoqethmevnh se evna trapevzi
sigoureuteivte ovti eivnai kalav staqeropoihmevnh. Mhn
qevtete se leitourgiva thn antliva an h flavntza eisovdou
den eivnai sundedemevnh sto suvsthma hv an den eivnai
kleisthv me thn flavntza kleisivmatoÇ.
Sth sunevceia parousiavzetai o pivnakaÇ elevgcou tou
Hand Held Terminal.
1. Mpoutovn gia thn epiloghv tou LOW SPEED (camhlhv
tacuvthta). Energopoieivtai movnon ovtan evcei epilegeiv
h leitourgiva ston mprostinov pivnaka. PatwvntaÇ to
miva forav h antliva peristrevfetai perivpou katav ta
2/3 thÇ onomastikhvÇ tacuvthtaÇ. PatwvntaÇ to akovmh
miva forav stamatav h leitourgiva tou LOW SPEED.
2. Mpoutovn gia touÇ ceirismouvÇ START, STOP kai
RESET. Eivnai energov movnon ovtan evcei epilegeiv h
leitourgiva ston mprostinov pivnaka. PatwvntaÇ to miva
forav energopoieivtai h favsh ekkivnhshÇ. PatwvntaÇ to
akovma miva forav stamatav h antliva. An h antliva
stamavthse autovmata lovgw blavbhÇ qa prevpei na
pathqeiv autov to mpoutovn miva forav evtsi wvste na
givnei h epanaruvqmish tou ruqmisthv kai miva deuvterh
forav gia na energopoihqeiv h antliva.
3. Mpoutovn gia na emfanistouvn sthn oqovnh oi
paravmetroi cycle number, cycle time kai pump life.
4. Mpoutovn gia thn emfavnish sthn oqovnh twn
paramevtrwn pump current, pump temperature, pump
power kai rotational speed. Eivnai pavnta
energopoihmevno avsceta me th leitourgiva pou qa
epilegeiv. PatwvntaÇ maziv ta mpoutovn 3 kai 4 gia
toulavciston 2 deuterovlepta energopoieivtai evna
provgramma me to opoivo mporeivte na
programmativsete merikevÇ leitourgikevÇ paramevtrouÇ.
5. Alfariqmhtikhv oqovnh me ugrouvÇ krustavllouÇ, mhvtra
koukivdwn, 2 seirevÇ x 16 carakthvreÇ.
EmprovsqioÇ pivnakaÇ tou
Hand Held Terminal
DIADIKASIES SCETIKA ME TH CRHSH
vAnamma tou Ruqmisthv
Gia na anavyei o ruqmisthvÇ eivnai arketov na bavlete to
kalwvdio trofodosivaÇ sthn privza tou diktuvou.
Ekkivnhsh thÇ AntlivaÇ
Gia na teqeiv se kivnhsh h antliva qa prevpei na
pathvsete to mpoutovn START sta scetikav pin tou
buvsmatoÇ eisovdou tou ruqmisthv (pin 1 - 6 tou P1) hv, an
upavrcei to Hand Held Terminal, patwvntaÇ to koumpiv
START.
Stamavthma thÇ antlivaÇ
Gia na teqeiv se kivnhsh h antliva qa prevpei na
pathvsete to mpoutovn START sta sCetikav pin tou
buvsmatoÇ eisovdou tou ruqmisthv (pin 1 - 6 tou P1) hv, an
upavrcei to Hand Held Terminal, patwvntaÇ to koumpiv
STOP.
SUNTHRHSH
Oi ruqmistevÇ thÇ seiravÇ Turbo-V 250 PCB den
apaitouvn kamiva sunthvrhsh. Opoiadhvpote epevmbash qa
prevpei na pragmatopoihqeiv apov exousiodothmevno
proswpikov.
Se perivptwsh blavbhÇ mporeivte na crhsimopoihvsete thn
uphresiva episkeuwvn thÇ Varian hv thÇ ″Varian advance
exchange service″, pou saÇ divnei th dunatovthta na
evcete evnan anazwogonhmevno ruqmisthv se antikatavstash
tou calasmevnou.
!
Prin apov opoiadhvpote epevmbash ston ruqmisthv
aposundevste to kalwvdio trofodosivaÇ.
An prevpei na katastrafeiv o ruqmisthvÇ akolouqhvste th
diadikasiva pou problevpetai apov touÇ eidikouvÇ eqnikouvÇ
kanonismouvÇ.
KINDUNOS
KINDUNOS

ODHGIES XRHSEWS
44 87-900-854-01 (C)
MUNHMATA LAQOUS
Se orismevneÇ periptwvseiÇ blavbhÇ ta kuklwvmata
autodiavgnwshÇ tou ruqmisthv parousiavzoun orismevna
mhnuvmata lavqouÇ ta opoiva parousiavzontai ston pivnaka
pou akolouqeiv.
SHMEIWSH
Ta mhnuvmata lavqouÇ parousiavzontai movnon an evcei
egkatastaqeiv h epiplevon leitourgiva
″
Hand Held
terminal
″
.
MHNUMA PERIGRAFH DIORQWSH
CHECK CONNECTION TO
PUMP
Kakhv leitourgiva στη suvndesh antlivaς
kai ruqmisthv.
Elevgcete an to kalwvdio suvndeshÇ metaxuv
antlivaÇ kai ruqmisthv eivnai kalav
staqeropoihmevno kai sta duvo avkra kai ovti
den upavrcei diakophv. Pathvste duvo forevÇ to
mpoutovn START gia na qevsete xanav se
kivnhsh thn Antliva.
PUMP WAITING
INTERLOCK
vEcei energopoihqeiv to shvma interlock pou
brivskete ston sundethvra P1 lovgw
diakophvÇ tou bracukuklwvmatoÇ metaxuv
tou pin 3 kai tou pin 8 tou buvsmatoÇ
J1, hv lovgw anoivgmatoÇ tou shvmatoÇ tou
exwterikouv interlock.
Epanafevrate to bracukuvklwma metaxuv tou
pin 3 kai tou pin 8 tou buvsmatoÇ J1, hv
kleivste to shvma tou exwterikouv interlock.
FAULT: ovERTIME SX Katav th diavrkeia ekkivnhshÇ thÇ antlivaÇ
me to "soft start", h antliva den evftase
sthn problepovmenh tacuvthta gia kavqe
stavdio mevsa se 15 leptav. (To X mporeiv
na eivnai apov 0 wÇ 9 kai deivcnei to
stavdio pou den evcei xeperasteiv).
Elevgcete evtsi wvste to suvsthma na mhn
parousiavzei diarroevÇ.
Pathvste duvo forevÇ to mpoutovn START gia
na qevsete xanav se kivnhsh thn Antliva.
FAULT: PUMP OVERTEMP. H qermokrasiva tou avnw kouzinevtou thÇ
antlivaÇ cepevrase touÇ 60 °C.
Perimevnete wvspou h qermokrasiva na katebeiv
kavtw apov to anwvtato epitreptov shmeivo.
Pathvste duvo forevÇ to mpoutovn START gia
na qevsete xanav se kivnhsh thn Antliva.
FAULT: CONTROLLER
ovERTEMPERATURE
H qermokrasiva tou metaschmatisthv
cepevrase touÇ 90 °C.
Perimevnete wvspou h qermokrasiva na katebeiv
kavtw apov to anwvtato epitreptov shmeivo.
Pathvste duvo forevÇ to mpoutovn START gia
na qevsete xanav se kivnhsh thn Antliva.
FAULT: TOO HIGH L0AD Katav thn kanonikhv leitourgiva (metav th
favsh ekkivnhshÇ) to aporrofouvmeno reuvma
apov thn antliva eivnai megaluvtero apov to
programmatismevno. (1,5 A).
Elevgcte an o rovtoraÇ thÇ antlivaÇ mporeiv
na peristrafeiv eleuvqera.
Pathvste duvo forevÇ to mpoutovn START gia
na qevsete xanav se kivnhsh thn Antliva.
FAULT: SHORT CIRCUIT Katav thn kanonikhv leitourgiva (metav th
favsh ekkivnhshÇ) h suvndesh exovdou evcei
bracukuklwvsei (reuvma exovdou megaluvtero
apov 2,2 A).
Elevgcete tiÇ sundevseiÇ metaxuv antlivaÇ kai
ruqmisthv.
Pathvste duvo forevÇ to mpoutovn START gia
na qevsete xanav se kivnhsh thn Antliva.
SYSTEM OVERRIDE H antliva stamavthse apov evna shvma
kinduvnou pou proevrcetai apov thn makrinhv
epafhv.
Bgavlte to kalwvdio trofodosivaÇ tou
ruqmisthv kai diorqwvste thn aitiva provklhshÇ
tou shvmatoÇ kinduvnou.
Epanasundevste to kalwvdio trofodosivaÇ kai
pathvste duvo forevÇ to mpoutovn START gia
na qevsete xanav se kivnhsh thn antliva.
OVERVOLTAGE Parousiavsthke blavbh ston tomeva
trofodosivaÇ tou ruqmisthv hv o ruqmisthvÇ
devcqhke evna lanqasmevno shvma.
Pathvste duvo forevÇ to mpoutovn START gia
na qevsete xanav se kivnhsh thn antliva.
An xanaparousiasteiv to mhvnuma
apeuqunqeivte sthn Varian gia sunthvrhsh.

INSTRUCTIONS FOR USE
45 87-900-854-01 (C)
GENERAL INFORMATION
This equipment is destined for use by professionals.
The user should read this instruction manual and any
other additional information supplied by Varian before
operating the equipment. Varian will not be held
responsible for any events occurring due to non-
compliance, even partial, with these instructions,
improper use by untrained persons, non-authorised
interference with the equipment or any action contrary
to that provided for by specific national standards. The
Turbo-V 250 PCB controller is a microprocessor-
controlled, solid-state, frequency converter with self-
diagnostic and self-protection features.
It incorporates all the facilities required for the
automatic operation of the Turbo-V 250 PCB pump
series. The controller drives (within ten steps) the
Turbo-V 250 PCB pump during the starting phase by
controlling the voltage and current respect to the speed
reached by the pump.
Remote start/stop, pump status signals, forepump
start/stop, interlock control (for pressure switch, water
flow switch, etc.) capability, are provided via auxiliary
connectors. The controller needs to be powered by an
external transformer (not supplied with the PCB).
An hand held terminal is available as an option to
control and display the controller operation. The
following paragraphs contain all the information
necessary to guarantee the safety of the operator when
using the equipment. Detailed information is supplied in
the appendix "Technical Information".
This manual uses the following standard protocol:
!
The warning messages are for attracting the attention
of the operator to a particular procedure or practice
which, if not followed correctly, could lead to serious
injury.
CAUTION!
The caution messages are displayed before
procedures which, if not followed, could cause damage
to the equipment.
NOTE
The notes contain important information taken from the
text.
STORAGE
When transporting and storing the controllers, the
following environmental requirements should be
satisfied:
• temperature: from -20 °C to + 70 °C
• relative humidity: 0 - 95%
(without condensation).
PREPARATION FOR INSTALLATION
The controller is supplied in a special protective
packing. If this shows signs of damage which may have
occurred during transport, contact your local sales
office.
Controller Packing
When unpacking the controller, ensure that it is not
dropped or subjected to any form of impact.
Do not dispose of the packing materials in an
unauthorized manner. The material is 100% recyclable
and complies with EEC Directive 85/399.
Before installing the controller you must prepare some
interconnection cables, i.e. the power interconnections,
the logic interconnections and the pump connections.
The following pictures show the interconnections
between pump and controller and between controller
and power transformer.
Detailed information about interconnections and
transformer chatacteristics (available as an option) are
supplied in the appendix "Technical Information".
WARNING!

INSTRUCTIONS FOR USE
46 87-900-854-01 (C)
Interconnection Cable Controller - Pump
Interconnection Cable Controller - Power Transformer
INSTALLATION
!
Voltages between controller and power transformer and
transformer and mains are dangerous in case of
contact. Protect adequately the controller and the
transformer installed into the customer system from
accidental contacts.
!
High voltage developed in the controller can cause
severe injury or death. Before servicing the unit,
disconnect the input power cable. High temperature
developed in the controller can cause severe injury.
Protect adequately the controller from accidental
contacts.
NOTE
The controller installed into the customer system must
be positioned so that cold air can flow through the PCB
components.
Do not install or use the controller in an environment
exposed to atmospheric agents (rain, snow, ice), dust,
aggressive gases, or in explosive environments or
those with a high fire risk.
During operation, the following environmental
conditions must be respected:
• temperature: from O °C to +40 °C
• relative humidity: 0 - 95%
(without condensation).
WARNING!
WARNING!

INSTRUCTIONS FOR USE
47 87-900-854-01 (C)
USE
This paragraph describes the fundamental operating
procedures. Detailed information and operating
procedures that involve optional connections or options
are supplied in the paragraph "USE" of the appendix
"Technical Information". Some procedures can be
executed with controller only when the accessory
"Hand held terminal" is available. Make all vacuum
manifold and electrical connections and refer to Turbo-
V pump instruction manual prior to operating the Turbo-
V controller.
!
To avoid injury to personnel and damage to the
equipment, if the pump is laying on a table make sure it
is steady. Never operate the Turbo-V pump if the pump
inlet is not connected to the system or blanked off.
The following figure shows the hand held terminal
control panel.
1. Keyboard push-button for LOW SPEED mode
selection. It is active only when the front panel
operation has been selected. Pressed once, the pump
runs at about 2/3 of the nominal speed. To unselect
the mode, press the push-button again.
2. Keyboard push-button for START, STOP, RESET
mode selection. It is active only when the front panel
operation has been selected. By pressing once the
starting phase begins; if pressed again it stops the
pump. If the pump has been stopped automatically by
a fault, this push-button must be pressed once to reset
the controller and a second time to restart the pump.
3. Keyboard push-button to recall on the display the
cycle number, cycle time and pumplife.
4. Keyboard push-button to recall on the display the
pump current, pump temperature, pump power and
rotational speed. It is always active regardless of the
operating mode selected. Push-buttons 3 and 4, if
pressed together for at least 2 seconds put the
controller in a routine where it is possible to program
some operation parameters.
5. LCD back-lighted alphanumeric display: dot matrix 2
lines x 16 characters.
Hand Held Terminal Control Panel
USE PROCEDURE
Controller Startup
To startup the controller plug the power cable into a
suitable power source.
Starting the pump
To start the pump send the START command to related
pins of the input connector (pin 1 - 6 of P1 connector),
or, when the hand held terminal is available, press the
START pushbutton.
Pump Shutdown
To shutdown the pump remove the START command
from the related pins of the input connector (pin 1 - 6 of
P1 connector), or, when the hand held terminal is
available, press the STOP pushbutton.
MAINTENANCE
The Turbo-V 250 PCB series controller does not
require any maintenance. Any work performed on the
controller must be carried out by authorized personnel.
When a fault has occurred it is possible to use the
Varian repair service. Replacement controllers are
available on an advance exchange basis through
Varian.
!
Before carrying out any work on the controller,
disconnect it from the supply.
If a controller is to be scrapped, it must be disposed of
in accordance with the specific national standards.
WARNING!
WARNING!

INSTRUCTIONS FOR USE
48 87-900-854-01 (C)
ERROR MESSAGES
For a certain type of failure, the controller will self-
diagnose the error and the messages described in the
following table are displayed.
NOTE
The error messages are displayed only when the option
hand held terminal is available.
MESSAGE DESCRIPTION REPAIR ACTION
CHECK CONNECTION TO
PUMP
Wrong connection between the pump
and the controller.
Check connection between controller and
pump.
Press the START push-button twice to start
the pump.
PUMP WAITING
INTERLOCK
The interlock signal of P1 connector is
activated by an interruption of the link
between pin 3 and 8 of J1 connector, or
because the external interlock signal is
open.
Reset the short circuit between pin 3 and
pin 8 of J1 connector, or close the external
interlock signal.
FAULT: OVERTIME SX Within each step of the soft start mode
the rotational speed of the pump does
not reach the planned value within 15
minutes.
(X) is the step number from 0 to 9
indicating the step number not passed).
Verify that system has no leaks. Press the
START pushbutton twice to start the pump.
FAULT: PUMP OVERTEMP. The upper bearing/pump temperature
exceeds 60 °C.
Wait until the temperature decrease below
threshold value.
Press the START push-button twice
to start the pump.
FAULT: CONTROLLER
OVERTEMPERATURE
The controller transformer temperature
exceeds 90 °C.
Wait until the temperature decrease below
threshold value.
Press the START push-button twice
to start the pump.
FAULT: TOO HIGH L0AD In normal operation (after the starting
phase) the current drawn by the pump is
higher than programmed (1.5 A)
Check that the pump rotor is free to rotate.
Press the START push-button twice to start
the pump.
FAULT: SHORT CIRCUIT After the starting phase the output
connection is shorted (output current
higher than 2.2 A).
Check connections and shortages between
pump and controller.
Press the START push-button twice
to start the pump.
SYSTEM OVERRIDE The pump is stopped by an emergency
stop signal provided via a remote
contact.
Remove the controller power cable and
check the emergency condition. Then
reconnect the power cable and
press the START push-button twice
to start the pump.
OVERVOLTAGE Controller power supply circuitry is
faulty, or the Controller received a spike.
Press the START push-button twice to start
the pump.
Should the message still be present, call
the Varian service.

TECHNICAL INFORMATION
49 87-900-854-01 (C)
TURBO-V 250 PCB CONTROLLER DESCRIPTION
The controller (model 969-9866) is a solid-state
frequency converter which is driven by a single chip
microcomputer and is composed of a PCB which
includes power supply and 3-phase output, analog and
input/output section, microprocessor and digital
section.
The power supply converts the single phase (50-60 Hz)
AC mains supply into a 3-phase, low voltage, medium
frequency output which is required to power the Turbo-
V pump.
The microcomputer generates the variable output
frequency and controls the 3-phase output voltage
according to the software and the gas load condition of
the pump.
Moreover, it manages signals from sensors,
input/output connection information to be displayed,
and gives outputs for a fully automatic operation.
A dedicated non-volatile RAM is used to store pump
operating parameters and the input/output programmed
information upon failure for a period of 10 years
accumulated off time.
The controller can be operated via remote signals
through input/output connectors.
The following figure is a picture of the Turbo-V
controller.
Turbo-V 250 PCB Controller

TECHNICAL INFORMATION
50 87-900-854-01 (C)
CONTROLLER SPECIFICATIONS
Input:
Voltage
Frequency
Power
19, 18, 75 Vac ±10%,
1-phase
47 to 63 Hz
450 VA maximum
Output:
Voltage
Frequency
Power
54 Vac nominal ±10%,
3-phase
933 Hz, ±2%
150 W maximum
Operating temperature 0 °C to +40 °C
Storage temperature -20 °C to +70 °C
P1 optically insulated Minimum ON 3 mA
Maximum 5 mA
J2 optically insulated 24 Vdc, 60 mA
P6 output fan 100 mA
Auxiliary connectors:
P1
J2
P6
External input signals (pins)
Output signals (socket)
Output fan voltage (pins)
Weight: 0,5 Kg (1.1 lbs)
CONTROLLER OUTLINE
The outline dimensions for the Turbo-V 250 PCB
controllers are shown in the following figures.
Controller outline

TECHNICAL INFORMATION
51 87-900-854-01 (C)
INTERCONNECTIONS
The following figure shows the Controller interconnections.
Controller interconnections

TECHNICAL INFORMATION
52 87-900-854-01 (C)
Connection P1 - Logic Input Interconnections
P1 input connector
All the logic input to the controller must be connected
at J-1 mating connector.
With the provided J1 mating connector (shipped with
pin 3 and pin 8 shorted) make the connections with
AWG 24, (0.24 mm2) or smaller wire to the pins
indicated in the figure to obtain the desired capability.
The following table describes the signals available on
the connector.
1-6 Remote START/STOP optically isolated from
the internal circuit, requires a permanently
closed contact (relay contact. transistor, etc.).
When the contact closes, the turbopump
starts, and when the contact opens, the
turbopump is stopped. With the remote mode
operation selected, the front panel push-
button is inoperative.
2-7 Remote LOW SPEED optically isolated from
the internal circuit, requires a permanently
closed contact (relay contact, transistor. etc.).
When the contact closes, the turbopump runs
at low speed and when the contact opens, the
turbopump reverts to high speed mode. With
the remote mode operation selected, the front
panel push-button is inoperative.
3-8 INTERLOCK optically isolated from the
internal circuit, this signal can be used to
delay the starting of the turbopump. It
requires a permanent closed contact before
starting the turbopump.
4-9 SYSTEM OVERRIDE optically isolated from
the internal circuit, this signal is used to stop
the pump in emergency condition, requires a
closed contact.
When the contact is closed, the turbopump
and the interconnected devices are stopped.
NOTE
Pin 3-8 must be shorted to allow the
Turbo-V 250 PCB pump to start if no interlock contact
is connected. If, after starting the pump, the interlock
contact opens, it has no effect on the operation and the
pump continues to turn.
The following figure shows a typical contact logic input
connection and the related simplified circuit of the
controller.
Typical logic input connection
+24 V

TECHNICAL INFORMATION
53 87-900-854-01 (C)
Connection J2 - Logic Output Interconnections
Logic output connector
All the logic output from the controller must be
connected at P2 mating connector.
With the optional P2 mating connector make the
connection with AWG 24 (0.25 mm2) or smaller wire to
the pins indicated in the figure to obtain the desired
capability. The following table describes the signals
available on the connector.
PIN DESCRIPTION
1-2 Analog output Voltage of DC power drawn by
the turbopump (pin 2 positive, pin 1 negative).
2 Vdc ≡ 1 A.
4-11 R1 signal 24 V, 60 mA, optically isolated
output (pin 11 positive, pin 4 negative). The
output voltage will be present when the
rotational speed of the pump is higher than the
selected speed threshold.
5-12 LOW SPEED signal, 24 V, 60 mA, optically
isolated output (pin 12 positive, pin 5
negative). The output voltage will be present
when the low speed mode is selected, either
through the front panel, the remote signal or
RS 232.
6-13 START signal 24 V, 60 mA, optically isolated
output (pin 13 positive, pin 6 negative).
The output voltage will be present when the
START push-button on front panel is pressed,
or the remote start is present, or the function
has been requested by RS 232, until NORMAL
operation is reached.
PIN DESCRIPTION
7-14 R2 signal 24 V, 60 mA, optically isolated
output (pin 14 positive, pin 7 negative).
The output Voltage will be present upon the
programmed condition delay YES or delay NO
(see the cycle diagram in the following pages).
If YES is selected, R2 is off and the output
is zero over all run up time, then:
a) If running speed > speed threshold
R2 = OFF
b) If running speed < speed threshold
R2 = ON
If NO is selected:
a) If running speed > speed threshold
R2 = OFF
b) If running speed < speed threshold
R2 = ON
8-15 FAULT signal 24 V, 60 mA, optically isolated
output (pin 15 positive pin 8 negative).
The output Voltage will be present when a fault
condition is displayed on the front panel
display.
The following figure shows a typical logic output
connection (relay coil) but any other device may be
connected e.g. a LED, a computer, etc., and the related
simplified circuit of the controller.
8
1
9
15
+ 24
1
8
9
15
Typical output connection
+24 V

TECHNICAL INFORMATION
54 87-900-854-01 (C)
Connection P6 - Low Power Fan
P6 connector
The 24 Vdc, 100 mA maximum output voltage is
present on connector P6 after START pushbutton is
pressed and will remain present until a fault condition is
displayed on front panel display or the turbopump is
stopped.
This is a dedicated output for the optional
Turbo-V 250 PCB pump cooling fan.
The mating connector and cable are provided
assembled with the air cooling kit.
Controller-to-Pump Connection
To connect the controller to the pump, an appropriate
interconnection cable must be prepared to connect the
J9 terminal board of the controller with the pump
connector.
The following figures show the controller output
connector configuration where pins:
• A-F = pump temperature sensor
• B-C-D = 54 Vac 3-phase output to pump motor
stator
• E = ground.
Controller to pump cable

TECHNICAL INFORMATION
55 87-900-854-01 (C)
Controller-to-Power Connection
The power supply from the external transformer must
be connected to J10 and J8 connectors.
The technical characteristics of the power transformer
are detailed in the following table.
The following figure shows the interconnection details.
Primary 240 Vac 50/60 Hz
with 220/120/100 Vac
intermediate taps
1st secondary 19 Vac
0.3 A
2st secondary 18 Vac
0.4 A
3st secondary 18 Vac
0.4 A
4st secondary 75 Vac
1.8 A
Power 160 VA
J10 and J8 Connectors Interconnection

TECHNICAL INFORMATION
56 87-900-854-01 (C)
RS 232 OPTION
RS 232 Installation
To install it, proceed as follows:
• Switch off the power and disconnect the power
cord.
• Unscrew the cover screws and remove the cover.
• On rear panel, remove the J5 connector plate.
• Insert the flat cable through the rear panel and plug
it into the socket located on the internal board of the
controller.
• Install and tighten the connector screws.
• Replace the cover.
RS 232 connector installation
RS 232 Communication Descriptions
Communication format:
• 8 data bit
• no parity
• 1 stop bit
• The baud rate is programmable via front panel from
600 to 9600 baud. The controller is factory-set for
9600 baud operation.
NOTE
When a baud rate of 2400, 4800, 9600 baud is used,
the requested information from Host to controller must
be sent with a minimum interval of 1 second to avoid
the controller hang-up.
Communication protocol:
Host = Master
Controller = Slave
The communication is performed in the following way:
Communication RS 232 serial port connections
Minimum connection configuration
Request is an ASCII character identifying the action that
must be performed by the controller or the requested
information.
Allowed ASCII characters:
• "A" = START
• "B" = STOP
• "C" = Low Speed ON
• "D" = Low Speed OFF
• "E" = Request for operational parameters
• "F" = Pump times zeroing
• "G" = Parameters reading
• "H" = Parameters writing
• "I" = Request for operating status
• "J" = Request for numerical reading
• "K" = Request for counters reading.
CRC corresponds to the sum (with inverted sign) of all the
preceding bytes.
e.g., the START command "A" in ASCII code = 41;
inverted it will be: FF + 1 - 41 = BF.

TECHNICAL INFORMATION
57 87-900-854-01 (C)
Character ASCII Converted ASCII
for CRC calculation
"A"
CRC
41h
-
-
BFh
"B"
CRC
42h
-
-
BEh
"C"
CRC
43h
-
-
BDh
"D"
CRC
44h
-
-
BCh
"E"
CRC
45h
-
-
BBh
"F"
CRC
46h
-
-
BAh
"G"
CRC
47h
-
-
B9h
"H" 48h -
"I "
CRC
49h
-
-
B7h
"J"
CRC
4Ah
-
-
B6h
"K"
CRC
4Bh
-
-
B5h
"ACK"
CRC
06h
-
-
FAh
"NACK"
CRC
15h
-
-
EBh
Answer
= after a request from the host, the
Turbo-V 250 PCB controller will answer in one of the
following ways:
• ACK
• NACK
• Message
When the Request is "A, "B”, "C", "D", "F", the Turbo-V
250 PCB controller will Answer the ACK or NACK.
When the Request is "E, the Answer will contain the
complete set of the following parameters:
Bytes Meaning
LSB X
X
X
X
1
X
X
X
MSB X
0000=STOP
0001=WAITING INTERLOCK
0010= STARTING
0011 = NORMAL OPERATION
0100= HIGH LOAD
0101= "" ""
0110 =FAILURE
0111=APPROACHING LOW SPEED
...
...
...
...
2÷5Cycle Time
6÷9Pump Life
10÷11 Pump Temperature
12 Current*
13 Voltage*
14÷17 Frequency
18÷19 Cycle #
20 R1 Status
21 R2 Status
22 CRC
*The values for current and voltage are given as numbers,
scaled from 0 to 255, where 0 corresponds to 0 V and 255
to the full scale voltage (100 V) or current (2,5 A).
When the
Request
is "G", the
Answer
will contain a string
of 11 characters with the following parameters:
Bytes Meaning
1-2 Pump cycles number (integer
coded in 2 bytes)
3Speed threshold
4-7 Run up time in seconds
(long coded in 4 bytes)
8Deat time
(0 = NO 1 = YES)
9Controller OFF when R2 OFF
(0 = NO 1=YES)
10 Soft Start Mode
(0 = NO 1=YES)
11 CRC
When the configuration parameters have to be changed,
send a
Request
string with the letter “H” and a series of
characters as shown below:
"H" + .... data .... + CRC

TECHNICAL INFORMATION
58 87-900-854-01 (C)
The following parameters can be changed:
Bytes Meaning
1Speed threshold
2-5 Run up time in seconds
(long coded in 4 bytes)
6Deat time
(0 = NO 1 = YES)
7Controller OFF when R2 OFF
(0 = NO I=YES)
8Soft Start Mode
(0 = NO I=YES)
9CRC
When the
Request
is "I" (Status readings), the
Answer
will contain a string of 2 characters with the following
parameters:
Bytes Meaning
LSB X
X
X
X
1
X
X
X
MSB X
0000 = STOP
0001 = WAITING INTERLOCK
0010 = STARTING
0011 = NORMAL OPERATION
0100 = HIGH LOAD
0101 = " " " "
0110 = FAILURE
0111 = APPROACHING LOW SPEED
R2 status (0 = OFF 1 = ON)
R1 status (0 = OFF 1 = ON)
...
...
2CRC
When the
Request
is "J" (Numerical readings), the
Answer
will contain a string of 5 characters with the
following parameters:
Bytes Meaning
1Current (0-255 scaled)
2Voltage (0-255 scaled)
3Rotational speed KRPM
4Pump temperature °C
(0-70 temperature reading, 255 = fail)
5CRC
When the
Request
is "K" (Counters readings), the
Answer
will contain a string of 11 characters with the
following parameters:
Bytes Meaning
1-4 Cycle time
5-8 Pump life
9-10 Cycle number
11 CRC
On request a sample program in QBasic language is
available by Varian.

TECHNICAL INFORMATION
59 87-900-854-01 (C)
USE
General
Make all vacuum manifold and electrical connections and
refer to Turbo-V pump instruction manual before to
operating the Turbo-V controller.
!
To avoid injury to personnel and damage to the
equipment, if the pump is laying on a table make sure it
is steady. Never operate the Turbo-V pump if the pump
inlet is not connected to the system or blanked off.
NOTE
The input signal P1 connector should be left in position
including the shipping links if no external connections
are made. The forepump and the Turbo-V pump can be
switched on at the same time.
NOTE
When the Turbo-V 250 PCB pump is baked by a
membrane pump, the Soft Start mode should be
deselected.
NOTE
The following instructions are applicable to
Turbo-V 250 PCB Controller only when the optional
“Hand Held Terminal” is installed.
Startup
• Apply the mains to the controller.
• The display lights, and shows:
READY FOR LOCAL
SOF T START
The controller with the Soft Start mode allows the
pump to ramp-up to Normal speed slowly with a
minimum ramp-up time of 250 seconds and a
maximum of about 45 minutes.
The Soft Start mode is always operative as default
mode. If it is necessary to deselect this mode refer
to the following paragraph.
If the Soft Start mode is deselected, the ramp-up
will be done within 180 seconds and the display
changes as follows:
PUMP READY : PUSH
START BUTTON
• Press the CURRENT push-button and the display
shows:
I=0.00A P= 0W
X..KRPMXX°C
where:
• I = is the DC current drawn by the pump range (0.00
to 9.99 Ampere)
• P = is the DC power drawn by the pump (range 0 to
999 Watt)
• KRPM = is the theoretical rotational speed of the
pump as a function of the controller output
frequency (range 3 to 56 KRPM)
• °C = is the temperature of the outer ring of the
upper bearing (range 00 to 99 °C)
• X = during operation a selected set point condition
(1 or 2 contrast inverted) appears when the
programmed threshold speed value is not reached.
WARNING!

TECHNICAL INFORMATION
60 87-900-854-01 (C)
• Press the CYCLE NUMBER twice and the display
shows:
XXXXCYCLE XXXXXm
PUMP LI FE XXXXXh
where:
• CYCLE = are the cycles performed (range 0 to 9999)
• m = is the elapsed time related to the cycle number
displayed (range 0 to 99999 minutes)
• PUMP LIFE = is the total operation time of the pump
(range 0 to 99999 hours).
FRONT / REMOTE Selection
• Press CYCLE NUMBER and PUMP CURRENT
pushbuttons together for at least 2 seconds and the
processor enters in a routine where it is possible to
program the controller.
In this routine, the CYCLE pushbutton is used for
choosing/changing the value or condition; the
PUMP CURRENT push-button is used to enter and
confirm the value. At any time it is possible to exit
this routine by pressing the CYCLE and PUMP
CURRENT pushbuttons at the same time for at
least 2 seconds.
The display shows:
SOFT START MODE
SELECTI ON: XXX
where: XXX = YES or NO.
If YES is selected, the Soft Start mode allows the pump
to ramp-up the Normal speed within ten steps.
When NO is selected, the Soft Start mode is
deselected and the ramp-up of the pump will be done
within 180 seconds.
The controller is factory set to YES.
NOTE
The Soft Start mode may be deselected/selected only
when the pump is stopped.
• Press CYCLE NUMBER to select YES or NO
SOFT START MODE
SELECTI ON: YES

TECHNICAL INFORMATION
61 87-900-854-01 (C)
• Enter the selection by pressing the PUMP
CURRENT pushbutton, and the display shows:
FRONT / REMOTE / 2 3 2
SELECT I ON : XXXXXX
where: XXXXXX = means the word FRONT or
REMOTE, or RS 232 depending on the last
selection.
The controller is factory-set for FRONT panel
operation.
• Choose the desired selection by pressing the
CYCLE pushbutton:
FRONT / REMOTE / 2 3 2
SELECT I ON : FRONT
• Press the PUMP CURRENT pushbutton to enter the
value and the display shows:
RS2 3 2
BAUD RAT E XXXX
where: XXXX = means 600, 1200, 2400, 4800,
9600 baud rate for the host computer or printer
communication. The controller is factory-set for
9600 baud rate operation.
• Select the desired value by pressing the CYCLE
NUMBER:
RS2 3 2
BAUD RATE 9 6 0 0

TECHNICAL INFORMATION
62 87-900-854-01 (C)
• Enter the value by pressing the PUMP CURRENT
pushbutton, and the display shows:
RS2 3 2 HOST / PR I NT
SELECT I ON : XXXXX
where: XXXX == means HOST or PRINT.
• Select HOST or PRINT by pressing the CYCLE
pushbutton.
RS2 3 2 HOST / PR I NT
SELECT I ON : HOST
With the RS 232 connected, a bidirectional
communication is established by selecting HOST. Data
are sent to an external computer every time the
external computer asks for the values.
The data available are:
• Pump/controller operating condition
• Cycle time
• Pump life
• Pump temperature
• Pump current
• Pump voltage
• Controller output frequency
• Cycle number
• R1 condition
• R2 condition
• Pump life and cycle # zeroing
• Configuration parameter readings
• Configuration parameter setting
If PRINT is selected and a printer is connected on
RS 232 line, a unidirectional communication is
established and every minute the data are sent to the
printer, even if the pump is not running.
The set of data available are:
• Pump speed KRPM
• Pump temperature
• Pump current A
• Pump power W
• R1 condition
• R2 condition
The controller is factory-set to HOST.
• Confirm the selection by pressing the PUMP
CURRENT pushbutton.
• In this way you enter into an operating phase
named "Monitor Relay Programming" described in
the following paragraph.

TECHNICAL INFORMATION
63 87-900-854-01 (C)
Monitor Relay Programming
• The display shows:
SPEED THRESHOLD
SELECT I ON : XXKRPM
where: XXKRPM = is the switch point of relay R1 at
the preset turbopump speed, adjustable from 00 to
99 KRPM.
The speed threshold will condition the R1 and R2
operation (see the following cycle diagram) and it is
factory-set to 53 KRPM.
• Press the CYCLE NUMBER pushbutton to select
the first number.
SPEED THRESHOLD
SELECT I ON : XXKRPM
Cycle diagram

TECHNICAL INFORMATION
64 87-900-854-01 (C)
• Enter the value by pressing the PUMP CURRENT
pushbutton.
• Press the CYCLE NUMBER pushbutton to select the
second number.
SPEED THRESHOLD
SELECT I ON : XXKRPM
• Enter the value by pressing the PUMP CURRENT
push-button, and the display shows:
RUN - UP T I ME
SEL : XXh XXm XXs
where: RUN-UP TIME = is the interval time from
start to speed threshold value in hours, minutes,
seconds. Select from 00 to 99 hours, and from 00 to
59 minutes or seconds.
• Select the run-up time according to the chamber
volume and/or operating cycle feature (see the
preceeding cycle diagram) by pressing the CYCLE
NUMBER pushbutton to select the desired number.

TECHNICAL INFORMATION
65 87-900-854-01 (C)
• Press the PUMP CURRENT push-button to enter
the data.
The run up time is factory-set to:
00h 08m 00s.
• When the last digit is entered, the display shows:
DELAY EVEN AFTER
THRESHOLD : XXX
where: XXX = YES or NO.
• Press the CYCLE NUMBER pushbutton and select
YES if relay R2 must operate only after the run-up
time or select NO when the R2 operation is needed
right from start of the turbopump and after the
rotational speed of the turbopump exceeds for the
first time the speed threshold value (see the
preceeding cycle diagram). This function is factory-
set to YES.
DELAY EVEN AFTER
THRESHOLD : YES
• Press PUMP CURRENT to confirm, and the display
shows:
PUMP L I FE XXXXXh
RESET? XXX
where:
• PUMP LIFE = is the elapsed operating time range
000 to 99999 hours.
• RESET XXX = YES or NO.
The controller is factory-set to NO.
• If YES is selected, the pump life shall be reset to 000.
After selecting YES, press the PUMP CURRENT push-
button to enter the command and the display shows:
READY FOR LOCAL
SOF T S TART
or
PUMP READY : PUSH
START BUTTON
and the controller is ready to restart (see paragraph
"Startup").
NOTE
When PUMP LIFE is reset to 000, the CYCLE number
is also reset to 000.

TECHNICAL INFORMATION
66 87-900-854-01 (C)
Starting the Pump
If the forepump and vent device are not operated by the
controller, close the vent valve and switch on the
forepump.
NOTE
With the FRONT panel operation selected, the
REMOTE and RS 232 operations are inoperative;
conversely, the CYCLE NUMBER and PUMP
CURRENT pushbuttons are always active, even when
the operating mode selected is REMOTE or
RS 232.
• Press the START pushbutton (or use the remote or
RS 232 start signal), and the display shows:
SOF T S TART ON
[..........]
Where the sign minus (-) become a square ( ž )
when the pump finish the ramp-up step.
The active step is indicated by a flashing
square (€ ž ).
• As the ten steps are fully covered, the pump will
reach the Normal operation. If during the Soft Start
mode the current drawn by the pump exceed 1.7 A
the speed of the pump is decreased to maintain the
maximum power allowable (1.7 A).
• If the Soft Start mode has been deselected the display
will change and shows:
PUMP I S START I NG
12 XX KRPM
where:
1 2 = contrast inverted identifies the set point
condition:
− 1 is displayed when relay R1 is de-energized
and the related output is zero voltage.
− 2 is displayed when relay R2 is energized and
the related output is 24 V.
XX KRPM = indicates the actual theoretical
rotational speed of the pump as a function of the
controller output frequency (range 3 to
56 KRPM).
After START command, voltage and frequency
output will be at the maximum level, then the
frequency will decrease to a value proportional to
the pump rotational speed (about 1/8 of nominal
frequency if the pump is completely stopped). The
pump will accelerate to its normal rotational speed.
During acceleration of the pump or during any
operating condition, it is always possible to select
the other parameters to be displayed pressing the
PUMP CURRENT or the CYCLE NUMBER
pushbuttons.
• When the normal rotational speed is reached, the
display will be as follows, even if any previous
display selection was made, and the normal
condition has been reached.
NORMAL OPERAT I ON
XX KRPM
where: XX =indicates the rotational speed
(56 KRPM for high speed, or 37 KRPM for low
speed).

TECHNICAL INFORMATION
67 87-900-854-01 (C)
Operating the Pump
After the starting period, if the system has a vacuum
leak or the pressure in the pump/chamber is high (from
1 mbar to atmosphere), the pump continues to operate
indefinitely.
If the gas load at the turbopump inlet flange continues
to stay high, the power drawn by the turbopump
increases up to the maximum value. Than the Turbo-V
pump is slowed down in proportion to the gas load at
least until it reaches 3 KRPM.
Even if any previous display selection was made.
This will occur either in NORMAL operation or with the
LOW SPEED selected.
As soon as the gas load decreases, the pump will
automatically accelerate to reach normal operation.
The pump can be stopped at any rotational speed and
can be restarted at any rotational speed from either the
front panel buttons or the remote connections.
The controller automatically synchronizes the output to
the rotational speed of the pump and then accelerates
linearly up to the nominal speed or within steps if the
Soft Start has been selected.
Low Speed Operation
NOTE
With the FRONT panel operation selected, the remote
and RS 232 operations are inoperative; conversely, the
CYCLE NUMBER and PUMP CURRENT pushbuttons
are always active, even when the operating mode
selected is REMOTE or RS 232.
This feature is provided for operating the pump at
moderate high pressure with high gas throughput. To
operate in this low speed mode, engage the LOW
SPEED pushbutton once if the display shows
READY FOR LOCAL
SOF T S TART
or:
PUMP READY : PUSH
START BUTTON
or:
NORMAL OPERAT I ON
XX KRPM
or twice if the display shows other parameters, either
before starting the pump or after it is operating.
If LOW SPEED is selected before starting the pump,
the display shows:
READY FOR LOCAL
SOF T S TART L S
The pump reaches the Normal high speed, then
decrease the speed to the low speed value and the
display shows:
APPROACH I NG LS
XX KRPM LS
If the Soft Start has been deselected the display shows:
PUMP READY : PUSH
START BUTTON LS
where: LS = means low speed mode is selected.
After starting, a LS appears on the right bottom corner
of the following displays:
SOF T S TART ON
[----------]LS
PUMP I S START I NG
12 XX KRPM LS
NORMAL OPERAT I ON
XX KRPM LS

TECHNICAL INFORMATION
68 87-900-854-01 (C)
With normal LOW SPEED operation, the pump will run
at about 2/3 of its nominal speed and achieves a base
pressure somewhat higher than the standard
specifications. If the gas load becomes higher, the
controller output frequency and voltage start to
decrease automatically, and the Turbo-V pump is
slowed down in proportion to the gas load until it
reaches about 3 KRPM.
If the LOW SPEED mode is selected after normal
operating condition is reached, the display shows:
APPROACH I NG LS
XX KRPM LS
while approaching the low speed value.
When the low speed mode is deselected, the pump
starts to accelerate to its rotational speed.
The display shows:
NORMAL OPERAT I ON
XX KRPM
Pump Shutdown
Press the front panel STOP pushbutton or remove the
remote signal; the power from the turbopump will be
removed and the pump will begin to slow down.
Power Failure
In the event of a power failure (momentary or long
term), the Turbo-V controller will stop the turbopump
and all the interconnected pumps/devices. The Turbo-V
vent valve device, if used, will vent the turbopump only
if the power failure is longer than the preset delay time.
When power is restored, the Turbo-V controller
automatically restarts the interconnected devices and
the turbopump in the proper sequence.
The display shows:
PUMP I S START I NG
12 XX KRPM
until normal operation achieved.
Remote Control Mode Operation
If remote signals are used to operate the controller, it
must be programmed for remote operation (see
paragraph "FRONT/REMOTE/232 Selection") and
when ready to start, the display shows:
READY FOR REMOTE
SOF T S TART
If the Soft Start has been deselected the display shows:
PUMP READY : USE
REMOTE START
With or wihout Soft Start mode selected the
START/STOP and LOW SPEED front panel
pushbuttons are inoperative, while the CYCLE
NUMBER and PUMP CURRENT pushbuttons are
always active.
RS 232 Control Mode Operation
If the RS 232 option is installed and the controller has
been programmed for RS 232 operation, the controller
may be driven by a computer and when ready to
operate, the display shows:
READY FOR RS2 3 2
SOF T S TART
If the Soft Start has been deselected the display shows:
PUMP READY : USE
RS2 3 2 L I NE
With or wihout Soft Start mode selected the
START/STOP, LOW SPEED functions are under
computer control, while the CYCLE NUMBER and
PUMP CURRENT front panel pushbuttons are always
active.

TECHNICAL INFORMATION
69 87-900-854-01 (C)
ACCESSORIES AND SPARE PARTS
DESCRIPTION PART NUMBER
J1 input mating connector 969-9853
Power transformer 969-9867
RS 232 interface link kit 969-9851
OPTIONS
DESCRIPTION PART NUMBER
P2 output mating connector 969-9852
Hand held terminal 969-9860

Request for Return
1. A Return Authorization Number (RA#) WILL NOT be issued until this Request for Return is completely filled out,
signed and returned to Varian Customer Service.
2. Return shipments shall be made in compliance with local and international Shipping Regulations (IATA, DOT, UN).
3. The customer is expected to take the following actions to ensure the Safety of workers at Varian: (a) Drain any oils or
other liquids, (b) Purge or flush all gasses, (c) Wipe off any excess residues in or on the equipment, (d) Package the
equipment to prevent shipping damage, (for Advance Exchanges please use packing material from replacement unit).
4. Make sure the shipping documents clearly show the RA# and then return the package to the Varian location nearest you.
North and South America
Varian Vacuum Technologies
121 Hartwell Ave
Lexington, MA 02421
Phone : +1 781 8617200
Fax: +1 781 8609252
Europe and Middle East
Varian SpA
Via Flli Varian 54
10040 Leini (TO) – ITALY
Phone: +39 011 9979111
Fax: +39 011 9979330
Asia and ROW
Varian Vacuum Technologies
Local Office
CUSTOMER INFORMATION
Company name: ..………………….……..……………….………………………………..……………………...…………..….
Contact person: Name: ……………………………………..… Tel: ……………………….…...…………….….…....
Fax: …………………………….…...…..…… E-Mail: ..……………………..…………..…..…..…..
Ship Method: …………….……....…… Shipping Collect #: ………….…..………… P.O.#: ………………….…......………..
Europe only: VAT reg. Number: ………………..……………... USA only: Taxable Non-taxable
Customer Ship To: ………………………….……… Customer Bill To: …………………..……………...
……………..…………………... ..………………………………...
………………..………………... ..………………………………...
PRODUCT IDENTIFICATION
Product Description Varian P/N Varian S/N Purchase Reference
TYPE OF RETURN (check appropriate box)
Paid Exchange Paid Repair Warranty Exchange Warranty Repair Loaner Return
Credit Shipping Error Evaluation Return Calibration Other ……………….
HEALTH and SAFETY CERTIFICATION
Varian Vacuum Technologies CAN NOT ACCEPT any equipment which contains BIOLOGICAL HAZARDS or
RADIOACTIVITY. Call Varian Customer Service to discuss alternatives if this requirement presents a problem.
The equipment listed above (check one):
HAS NOT been exposed to any toxic or hazardous materials
OR
HAS been exposed to any toxic or hazardous materials. In case of this selection, check boxes for any materials that
equipment was exposed to, check all categories that apply:
Toxic Corrosive Reactive Flammable Explosive Biological Radioactive
List all toxic or hazardous materials. Include product name, chemical name and chemical symbol or formula.
.……………………………………………………………………………………………………………………..
Print Name: …………………………………. Customer Authorized Signature: ……………...…………………….
Print Title: …………………………………... Date: ..…../..…../……
NOTE: If a product is received at Varian which is contaminated with a toxic or hazardous material that was not disclosed, the customer
will be held responsible for all costs incurred to ensure the safe handling of the product, and is liable for any harm or injury to Varian
employees as well as to any third party occurring as a result of exposure to toxic or hazardous materials present in the product.
Do not write below this line
Notification (RA)#: ……………………….……….. Customer ID#: ……….…………. Equipment #: ……………………..

Request for Return
FAILURE REPORT
TURBO PUMPS and TURBOCONTROLLERS
POSITION PARAMETERS
Does not start Noise Vertical Power: Rotational Speed:
Does not spin freely Vibrations Horizontal Current: Inlet Pressure:
Does not reach full speed Leak Upside-down Temp 1: Foreline Pressure:
Mechanical Contact Overtemperature Other: Temp 2: Purge flow:
Cooling defective …………………. OPERATION TIME:
TURBOCONTROLLER ERROR MESSAGE:
ION PUMPS/CONTROLLERS VALVES/COMPONENTS
Bad feedthrough Poor vacuum Main seal leak Bellows leak
Vacuum leak High voltage problem Solenoid failure Damaged flange
Error code on display Other Damaged sealing area Other
Customer application: Customer application:
LEAK DETECTORS INSTRUMENTS
Cannot calibrate No zero/high backround Gauge tube not working Display problem
Vacuum system unstable Cannot reach test mode Communication failure Degas not working
Failed to start Other Error code on display Other
Customer application: Customer application:
PRIMARY PUMPS DIFFUSION PUMPS
Pump doesn’t start Noisy pump (describe) Heater failure Electrical problem
Doesn’t reach vacuum Over temperature Doesn’t reach vacuum Cooling coil damage
Pump seized Other Vacuum leak Other
Customer application: Customer application:
FAILURE DESCRIPTION
(Please describe in detail the nature of the malfunction to assist us in performing failure analysis):
NOTA: Su richiesta questo documento è disponibile anche in Tedesco, Italiano e Francese.
REMARQUE : Sur demande ce document est également disponible en allemand, italien et français.
HINWEIS: Auf Aufrage ist diese Unterlage auch auf Deutsch, Italienisch und Französisch erhältlich.

Sales and Service Offices
Argentina
Varian Argentina Ltd.
Sucursal Argentina
Av. Ricardo Balbin 2316
1428 Buenos Aires
Argentina
Tel : ( 5 4 ) 1 7 8 3 5306
Fax: (54) 1 786 5172
Australia
Varian Australia Pty Ltd.
679-701 Springvale Road
Mulgrave, Victoria ZZ 3170
Australia
Tel : ( 6 1 ) 395 6 0 7 1 3 3
Fax: (61) 395607950
Benelux
Varian Vacuum Technologies
Rijksstraatweg 269 H,
3956 CP Leersum
The Netherlands
Tel : ( 3 1 ) 343 469910
Fax: (31) 343 469961
Brazil
Varian Industria e Comercio Ltda.
Avenida Dr. Cardoso de Mello 1644
Vila Olimpia
Sao Paulo 04548 005
Brazil
Tel : ( 5 5 ) 11 3 8 4 5 0444
Fax: (55) 11 3845 9350
Canada
Central coordination through:
Varian Vacuum Technologies
121 Hartwell Avenue
Lexington, MA 02421
USA
Tel : ( 7 8 1 ) 86 1 7200
Fax: (781) 860 5437
Tol l Fre e : (800) 8 8 2 7426
China
Varian Technologies - Beijing
Room 1201, Jinyu Mansion
No. 129A, Xuanwumen Xidajie
Xicheng District
Beijing 1000031 P.R. China
Tel : ( 8 6 ) 10 6 608 1530
Fax: (86) 10 6608 1534
France and Wallonie
Varian s.a.
7 avenue des Tropiques
Z.A. de Courtaboeuf – B.P. 12
Les Ulis cedex (Orsay) 91941
France
Tel : ( 3 3 ) 1 6 9 8 6 3 8 1 3
Fax: (33) 1 69 28 23 08
Germany and Austria
Varian Deutschland GmbH
Alsfelder Strasse 6
Postfach 11 14 35
64289 Darmstadt
Germany
Tel : ( 4 9 ) 615 1 703 353
Fax: (49) 6151 703 302
India
Varian India PVT LTD
101-108, 1st Floor
1010 Competent House
7, Nangal Raya Business Centre
New Delhi 110 046
India
Tel : ( 9 1 ) 11 5 5 4 8 4 44
Fax: (91) 11 5548445
Italy
Varian Vacuum Technologies
Via F.lli Varian, 54
10040 Leini, (Torino)
Italy
Tel : (39) 0 11 9 97 9 111
Fax: (39) 011 997 9350
Japan
Varian Vacuum Technologies
Sumitomo Shibaura Building, 8th Floor
4-16-36 Shibaura
Minato-ku, Tokyo 108
Japan
Tel : ( 8 1 ) 3 5 2 3 2 1253
Fax: (81) 3 5232 1263
Korea
Varian Technologies Korea, Ltd.
Shinsa 2nd Bldg. 2F
966-5 Daechi-dong
Kangnam-gu, Seoul
Korea 135-280
Tel : ( 8 2 ) 2 3 4 5 2 2452
Fax: (82) 2 3452 2451
Mexico
Varian S.A.
Concepcion Beistegui No 109
Col Del Valle
C.P. 03100
Mexico, D.F.
Tel : ( 5 2 ) 5 5 2 3 9465
Fax: (52) 5 523 9472
Ta i w a n
Varian Technologies Asia Ltd.
18F-13 No.79, Hsin Tai Wu Road
Sec. 1, Hsi Chih
Tai p e i Hsie n
Tai w a n , R.O. C .
Tel : ( 8 8 6 ) 2 2 6 98 9555
Fax: (886) 2 2698 9678
UK and Ireland
Varian Ltd.
28 Manor Road
Walton-On-Thames
Surrey KT 12 2QF
England
Tel: ( 4 4) 1 9 3 2 89 8000
Fax: (44) 1932 22 8769
United States
Varian Vacuum Technologies
121 Hartwell Avenue
Lexington, MA 02421
USA
Tel: ( 7 81) 8 6 1 7200
Fax: (781) 860 5437
Toll F ree : ( 8 0 0 ) 88 2 7 4 2 6
Other Countries
Varian Vacuum Technologies
Via F.lli Varian, 54
10040 Leini, (Torino)
Italy
Tel: ( 3 9) 0 11 9 9 7 9111
Fax: (39) 011 997 9350
Internet Users:
Customer Service & Technical Support:
vtt.customer.service@varianinc.com
Worldwide Web Site:
www.varianinc.com/vacuum
Order On-line:
www.evarian.com
Representatives in most countries
11/01
