Powermate Pm0601250 Parts List 0065247.qxp
2015-07-28
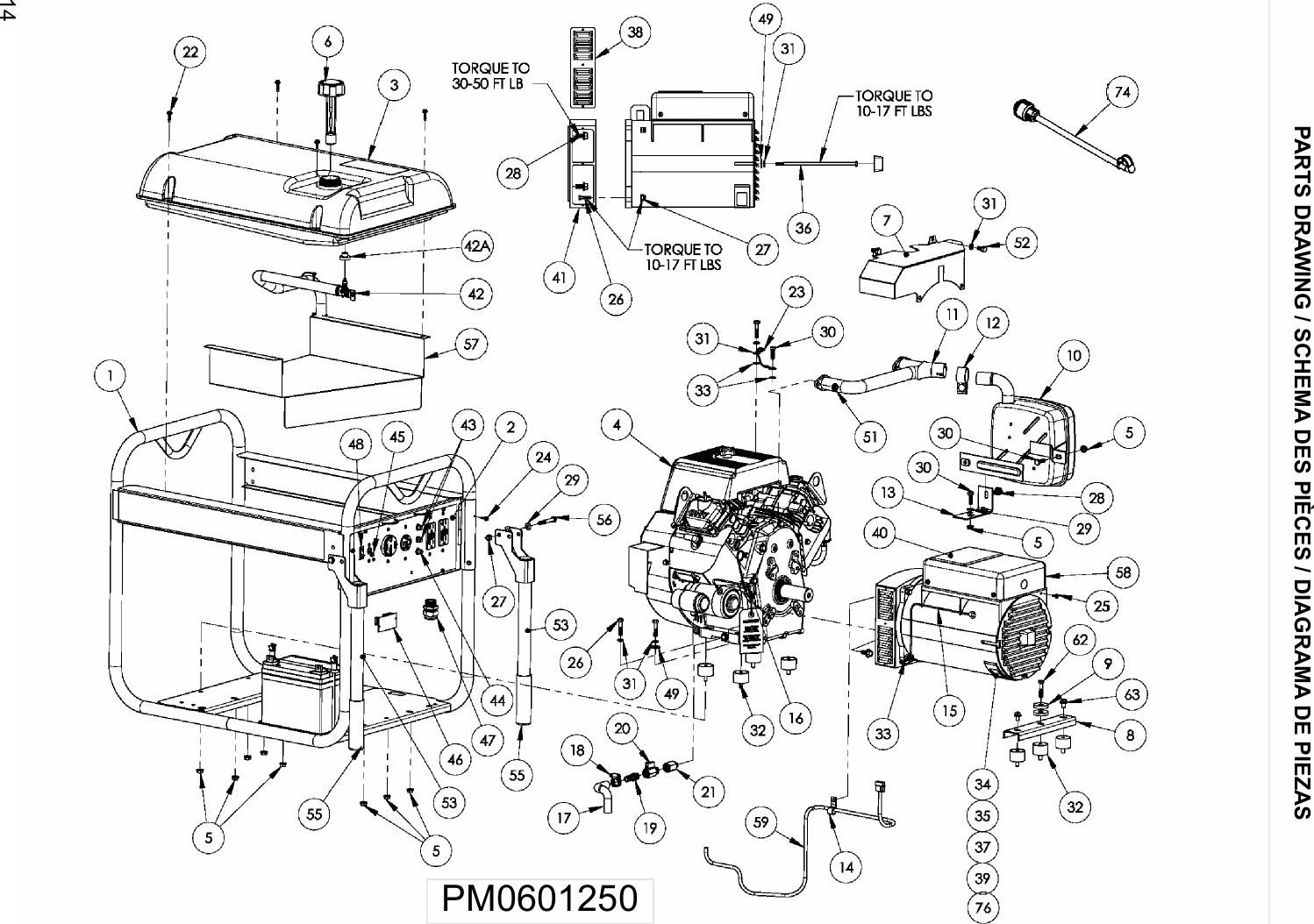
: Powermate Powermate-Pm0601250-Parts-List-781079 powermate-pm0601250-parts-list-781079 powermate pdf
Open the PDF directly: View PDF
.
Page Count: 4




: Powermate Powermate-Pm0601250-Parts-List-781079 powermate-pm0601250-parts-list-781079 powermate pdf
Open the PDF directly: View PDF
.
Page Count: 4



