Powermate Pm0601250 Parts List 0065247.qxp
2015-07-28
: Powermate Powermate-Pm0601250-Parts-List-781079 powermate-pm0601250-parts-list-781079 powermate pdf
Open the PDF directly: View PDF
.
Page Count: 4

14
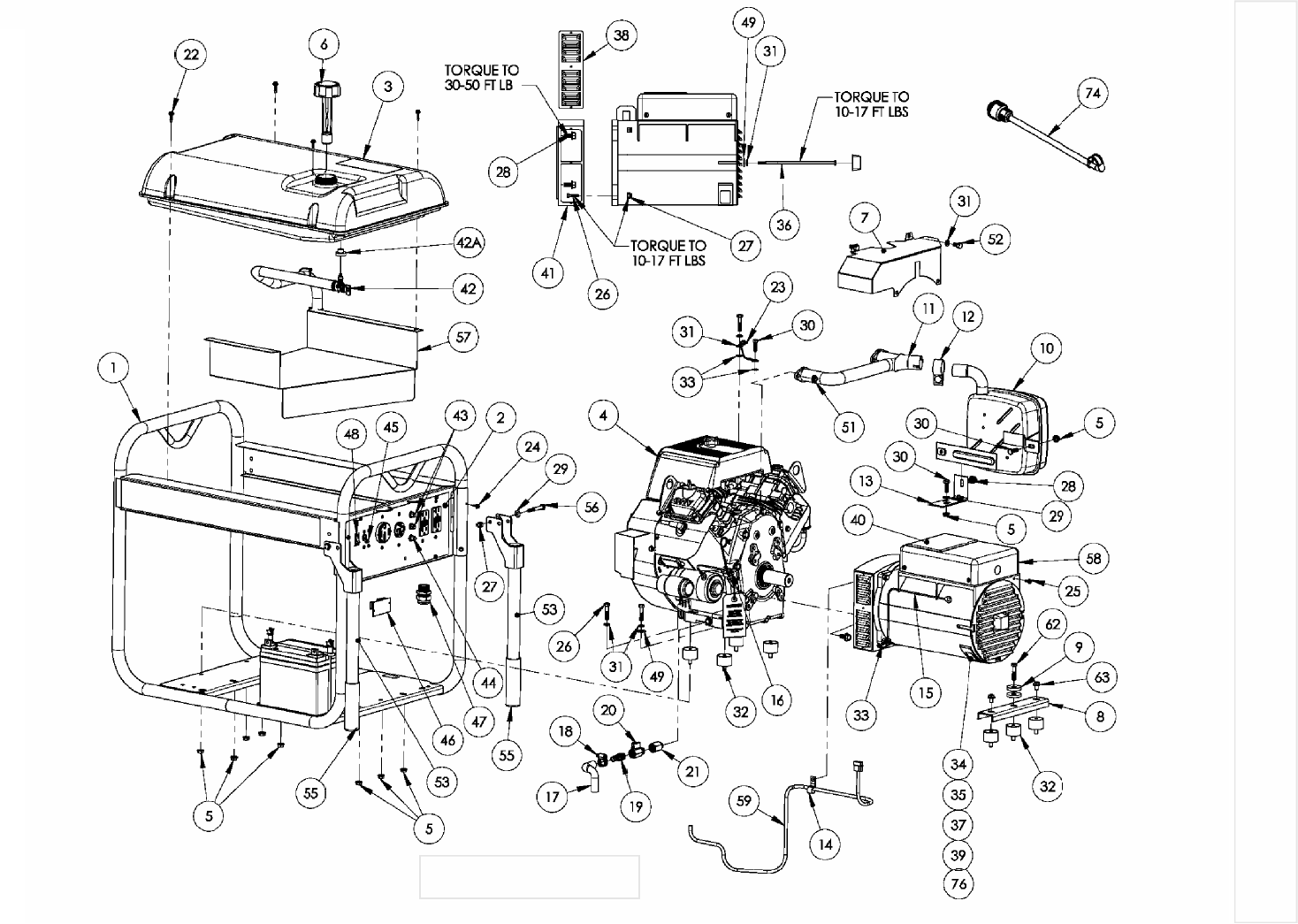
PARTS DRAWING / SCHEMA DES PIÈCES / DIAGRAMA DE PIEZAS
PM0601250

15
REF.PARTDESCRIPTION DESCRIPTION DESCRIPCIÓNQTY
NO.NO.
10064486Carrier, assembly, fullEnsemble transportTransportador, conjunto1
20065243Panel, wired completeTableau compl. câbléPanel, abeado completo1
3Note CFuel tank AssemblyAssemb. complet du réservoirConjunto tanque1
4Note AEngine, 22hp Subaru MoteurMotor1
50057254Nut, hex flg 5/16-18Écrous 5/16-18 Tuerca, 5/16-1810
60056231Cap Fuel w/Gauge 6”Capuchon, réservoir Tapa combustible
d’essence1
70064607Assy, deflector Assemblage, déflecteurAssemb. déflecteur1
80056427Assy, Stator bracketPatte de fixation statorSoporte, estator1
90055620Washer, flat .42 x 1.5Rondelles platesArandela plana2
100062503MufflerSilencieuxSilenciador1
110064597Manifold, ExhaustSilencieux jointDescarga colector de escape1
120062498Muffler ClampSilencieux jointGrapa de silenciador1
13 0050941.01 Muffler BracketSilencieux fixationSoporte de silenciador.1
140052931Clamp, Vinyl J 1/2”CollierAbrazadera1
150006253Assy Wire Blk 8ga 17.25FilAlambre1
160006254Assy Wire Red 8ga 17.25FilAlambre1
17 1130564770 Oil Drain HoseBoyau de vidange d’huileManguera para drenar el
aceite6”
18Note BClamp hose worm SAE6Collier SAE6Abrazadera SAE61
190057747Fitting 3/8NPT x 1/2 barbRaccordAdaptador1
200057746Valve ball 3/8NPT M/FSoupapeVálvula1
210062499Fitting 3/8NPTF 14mm-MRaccordAdaptador1
220058618Screw, #10 x 1VisTornillo4
230049224Assembly, ground wireEns. fil de masse tresséConjunto, cable trenzado a tierra1
240053320Screw HWH #10-14 x .63VisTornillo4
250047864Screw HSW #10-32 x .5VisTornillo1
26Note BBolt HH 5/16-18 x 1.5BoulonPerno12
270048736Nut Nyloc 5/16-18Écrous nylocTuerca, nyloc16
28 0000919.01 Bolt whz 3/8-16 X 3/4Boulon whzPerno whz5
29Note BWasher, flat 5/16Rondelles platesArandela plana16
30Note BBolt HH 5/16-18 x 1BoulonPerno7
31Note BWasher, lock 5/16Contre-écrouArandela, de cierre7
320051094IsolatorSectionneurAislador7
33Note BWasher, star ext 5/16Rondelles à dentsArandela, estrella externa3
340062580Rotor, assemblyRotor, ensembleRotor, conjunto1
350062581DiodeDiodeDiode2
360062582Bolt, rotorBoulon, rotorPerno, rotor1
370062583Stator, 60 HzStatorEstator1
380056629Louvered Side PanelPanneau latéral à persiennesTablero lateral con rejillas2
390062584Capacitor, 40 mfd 500VCapaciteurCapacitor2
400062585Generator Head coverCouvercle de la tête de la Cubierta del cabezal del
génératricegenerador1
410056623Adapter, engineAdaptateur pour moteurAdaptador, motor1
420064729Fuel valve with filterRobinet de carburant avec Válvula combustible con filtro
filtre1
42A0062673Fuel bushingBague d’essenceBuje de combustible1
430049071Circuit Breaker 20ADisjoncteursCortacircuitos2
440049382Circuit Breaker 30ADisjoncteursCortacircuitos1
450056705Circuit Breaker 50A dualDisjoncteursCortacircuitos1
460062543I/C Module DCModule de commande du Módulo, control en vacío
ralenti1
470049291Strain ReliefRéducteur de tensionProtección contra tirones1
480050298Rocker SwitchInterrupteur à basculeInterruptor de balancín.1
490049352Washer, flat 5/16 WRondelles platesArandela plana3
510061393Nut, whz 8mmÉcrous whz 8mmTuerca whz 8mm4
520056813Bolt HH M8 x 18mmBoulon M8 x 18mmPerno M8 x 18mm2
530064890HandlePoignéeManija2
PARTS LIST / LISTE DES PIÈCES / LISTA DE PIEZAS

REF.PARTDESCRIPTION DESCRIPTION DESCRIPCIÓNQTY
NO.NO.
550062495Grip, handlePoignéeEmpuñadura2
56Note BBolt HH 5/16-18 x 2.25BoulonPerno2
570062540Shield, heat
Écran de chaleurPantalla para el calor1
580057183Grommet 7/8 IDOeillet Arandela de cabo1
590064639Assy, wire harnessEnsemble, d'harnais de filConjunto de arreos de alambre1
62Note BBolt HH 5/16-18 x 1.25BoulonPerno1
630049279Bolt whz 5/16-18 X .50Boulon whzPerno whz2
640062507WheelRoueRueda2
650056406Wheel bracketFerrure de la roueMénsula de la rueda2
660056237Foot bracketFerrure de la piedMénsula de la pie1
670008433Foot, rubberPiedPie2
680056409Strap, foot bracketSangler, ferrure de la piedCorrea, ménsula de la pie1
690056444Cap, axleCapuchonTapa2
700062510Wheel spacerBague d’espacementEspaciador de la rueda2
71Note BBolt HH 5/16-18 x 2.00BoulonPerno4
720062174LanyardLanyardAcollador2
730059392Pin, releaseEpingle de relâchementAlfileres de la liberación2
740056680Filler Flootool FunnelEntonnoirEmbudo1
75Note BWasher, flat 7/16Rondelles platesArandela plana2
760063133VaristorVaristorVaristor2
Note A:
Powermate Corporation will not provide engines as replacement parts. Engines are covered through the engine manufacturer's warranty. Consult the accompanying
engine manual or contact our service department for assistance.
Note B:
These are standard parts available at your local hardware store.
Note C:
Contact your nearest Powermate Corporation Service Center for replacement fuel tanks.
WARNING: To avoid possible personal injury or equipment damage, a registered electrician or an authorized service representative should
perform installation and all service. Under no circumstances should an unqualified person attempt to wire into a utility circuit.
Remarque A:
Powermate Corporation ne fournit pas de moteurs dans ses pièces détachées. Les moteurs sont couverts par la garantie du fabricant de moteurs. Consulter le
manuel du moteur inclus ou contacter notre département de service après-vente pour toute assistance.
Remarque B:
Ces pièces sont des pièces standard disponibles en quincaillerie.
Remarque C:
Pour commander un réservoir de rechange, contacter Centre de service Powermate Corporation le plus proche.
AVERTISSEMENT: Pour éviter toute blessure personnelle ou dommage à l’équipement, l’installation et tout entretien devralent être effectués par un
électricien qualifié ou un préposé au service autorisé. En aucun cas, une personne non-qualifiée ne devrait essayer de faire le raccord au circuit principal.
Nota A:
Powermate Corporation no proporcionará los motores como repuestos. Los motores están cubiertos por medio de la garantía del fabricante del motor. Consulte el
manual adjunto del motor o comuníquese con nuestro departamento de servicio para recibir ayuda al respecto.
Nota B:
Estas son piezas estándar disponibles en su ferretería local.
Nota C:
Para hacer pedidos de tanques, localice el Centro de Servicio de Powermate Corporationmás cercano.
ADVERTENCIA: Para evitar posibles lesiones físcas o daños materiales, es necesario que la instalación y todo el servicio sea realizado por un electricista
matriculado o representatnte de servicio autorizado. Bajo ninguna circunstancia debe permitirse que una persona que no está capacitad trate de
manipular cables dentro del circuito de servicio eléctrico.
PARTS LIST / LISTE DES PIÈCES / LISTA DE PIEZAS
16

06/07 9900310
REF. PART DESCRIPTION DESCRIPTION DESCRIPCIÓN QTY
NO. NO.
1 0064486 Carrier, assembly, full Ensemble transport Transportador, conjunto 1
2 0065243 Panel, wired complete Tableau compl. câblé Panel, abeado completo 1
3 Note C Fuel tank Assembly Assemb. complet du réservoir Conjunto tanque 1
4 Note A Engine, 22hp Subaru Moteur Motor 1
5 0057254 Nut, hex flg 5/16-18 Écrous 5/16-18 Tuerca, 5/16-18 10
6 0056231 Cap Fuel w/Gauge 6” Capuchon, réservoir Tapa combustible
d’essence 1
7 0064607 Assy, deflector Assemblage, déflecteur Assemb. déflecteur 1
8 0056427 Assy, Stator bracket Patte de fixation stator Soporte, estator 1
9 0055620 Washer, flat .42 x 1.5 Rondelles plates Arandela plana 2
10 0062503 Muffler Silencieux Silenciador 1
11 0064597 Manifold, Exhaust Silencieux joint Descarga colector de escape 1
12 0062498 Muffler Clamp Silencieux joint Grapa de silenciador 1
13 0050941.01 Muffler Bracket Silencieux fixation Soporte de silenciador. 1
14 0052931 Clamp, Vinyl J 1/2” Collier Abrazadera 1
15 0006253 Assy Wire Blk 8ga 17.25 Fil Alambre 1
16 0006254 Assy Wire Red 8ga 17.25 Fil Alambre 1
17 1130564770 Oil Drain Hose Boyau de vidange d’huile Manguera para drenar el
aceite 6”
18 Note B Clamp hose worm SAE6 Collier SAE6 Abrazadera SAE6 1
19 0057747 Fitting 3/8NPT x 1/2 barb Raccord Adaptador 1
20 0057746 Valve ball 3/8NPT M/F Soupape Válvula 1
21 0062499 Fitting 3/8NPTF 14mm-M Raccord Adaptador 1
22 0058618 Screw, #10 x 1 Vis Tornillo 4
23 0049224 Assembly, ground wire Ens. fil de masse tressé Conjunto, cable trenzado a tierra 1
24 0053320 Screw HWH #10-14 x .63 Vis Tornillo 4
25 0047864 Screw HSW #10-32 x .5 Vis Tornillo 1
26 Note B Bolt HH 5/16-18 x 1.5 Boulon Perno 12
27 0048736 Nut Nyloc 5/16-18 Écrous nyloc Tuerca, nyloc 16
28 0000919.01 Bolt whz 3/8-16 X 3/4 Boulon whz Perno whz 5
29 Note B Washer, flat 5/16 Rondelles plates Arandela plana 16
30 Note B Bolt HH 5/16-18 x 1 Boulon Perno 7
31 Note B Washer, lock 5/16 Contre-écrou Arandela, de cierre 7
32 0051094 Isolator Sectionneur Aislador 7
33 Note B Washer, star ext 5/16 Rondelles à dents Arandela, estrella externa 3
34 0065112 Rotor, assembly Rotor, ensemble Rotor, conjunto 1
35 0062581 Diode Diode Diode 2
36 0065113 Bolt, rotor Boulon, rotor Perno, rotor 1
37 0065111 Frame & Stator, 60 Hz Encadrer et stator Encuadre y estator 1
38 0065114 Louvered Side Panel Panneau latéral à persiennes Tablero lateral con rejillas 2
39 0062584 Capacitor, 40 mfd 500V Capaciteur Capacitor 2
40 0062585 Generator Head cover Couvercle de la tête de la Cubierta del cabezal del
génératrice generador 1
41 0056623 Adapter, engine Adaptateur pour moteur Adaptador, motor 1
42 0064729 Fuel valve with filter Robinet de carburant avec Válvula combustible con filtro
filtre 1
42A 0062673 Fuel bushing Bague d’essence Buje de combustible 1
43 0049071 Circuit Breaker 20A Disjoncteurs Cortacircuitos 2
44 0049382 Circuit Breaker 30A Disjoncteurs Cortacircuitos 1
45 0056705 Circuit Breaker 50A dual Disjoncteurs Cortacircuitos 1
46 0062543 I/C Module DC Module de commande du Módulo, control en vacío
ralenti 1
47 0049291 Strain Relief Réducteur de tension Protección contra tirones 1
48 0050298 Rocker Switch Interrupteur à bascule Interruptor de balancín. 1
49 0049352 Washer, flat 5/16 W Rondelles plates Arandela plana 3
51 0061393 Nut, whz 8mm Écrous whz 8mm Tuerca whz 8mm 4
52 0056813 Bolt HH M8 x 18mm Boulon M8 x 18mm Perno M8 x 18mm 2
53 0064890 Handle Poignée Manija 2
PARTS LIST / LISTE DES PIÈCES / LISTA DE PIEZAS
© 2007 Powermate Corporation. All rights reserved. Tous droits réservés. Reservados todos los derechos.
This insert replaces page 15 of your manual insert serial number ending in B.
Remplacer les page 15 dans votre insertion manuel par celles-ci.
Esta adición reemplaza página 15 de su adición manual.