Pro Lite ZF01-D Wireless module User Manual User guide
Pro-Lite, Inc. Wireless module User guide
Pro Lite >
Contents
- 1. TWNZF01-D_Operation Manual_Rev2
- 2. user manual
TWNZF01-D_Operation Manual_Rev2

ZF01-D Wireless Module
User guide
Figure 1. ZF01-D wireless module
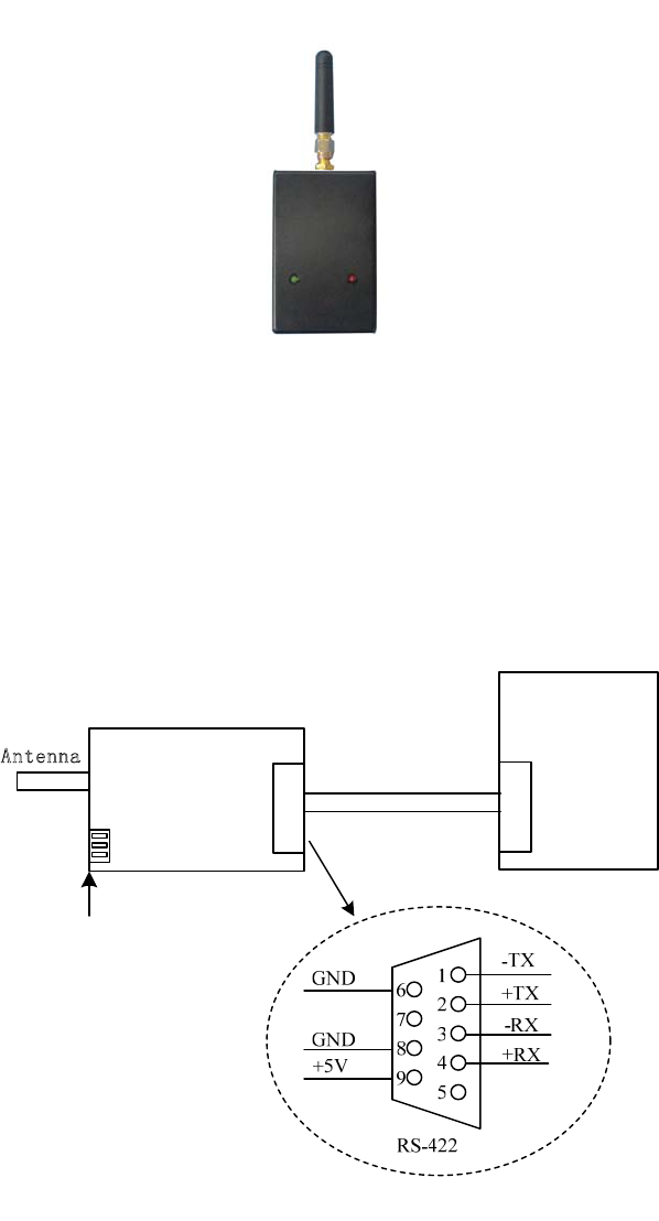
z Interface & Cable:
channel setting
switch
PC
Antenna
LED Sign
Interface
Interface
cable
Figure 2. ZF01-D RS-422 Interface & Cable
.

channel setting
switch
PC
Antenna
LED Sign
Interface
Interface
cable
Figure 3. ZF01-D RS-232 Interface & Cable
USB
channel setting
switch
PC
Antenna
LED Sign
Interface
Interface
cable
VCC
D-
D+
GND
Figure 4. ZF01-D USB Interface & Cable

channel setting
switch
PC
Antenna
LED Sign
Interface
Interface
cable
Figure 5. ZF01-D TTL Interface & Cable
Main Technical Specifications:
RF channels(MHz) 433.050,432.700,433.310,433.540,434.050,434.310,434.610,434.910
modulation mode GFSK
baud rate 9600bps
Interface data
format UART ,8E1/8N1 data format
Power supply DC 3.6V---5V
overall dimensions 70 X 45 X 17 mm

z Communication Application:
Figure6. ZF01-D wireless communication application diagram
Channel setting
There is a channel setting switch as shown in Figure 2, defined as A,B,C respectively, so
there are 8 channels can be set .
Channel A2 A1 A0 Freq.
0 OFF OFF OFF 433.050MHz
1 OFF OFF ON 432.700MHz
2 OFF ON OFF 433.310MHz
3 OFF ON ON 433.540MHz
4 ON OFF OFF 434.050MHz
5 ON OFF ON 434.310MHz
6 ON ON OFF 434.610MHz
7 ON ON ON 434.910MHz
Wireless
communication
channel setting
PC
LED Sign
Interface
Interface
PC
LED Sign
Interface
Interface
TTL
RF
MCU
RS422
USB
RS232 TTL
RF
MCU
RS422
USB
RS232
z FCC Notices
1. The manufacturer is not responsible for any radio or TV Interference caused by unauthorized
modifications to this equipment. Such modifications could void the user’s authority to operate
the equipment.
2. This device complies with Part 15 of the FCC Rules. (1) This device may not cause harmful
interference, and (2) this device must accept any interference received, including interference
that may cause undesired operation.
NOTE: This equipment has been tested and found to comply with the limits for a Class B digital
device, pursuant to part 15 of the FCC Rules. These limits are designed to provide reasonable
protection against harmful interference in a residential installation. This equipment generates,
uses and can radiate radio frequency energy and, if not installed and used in accordance with the
instructions, may cause harmful interference to radio communications. However, there is no
guarantee that interference will not occur in a particular installation. If this equipment does cause
harmful interference to radio or television reception, which can be determined by turning the
equipment off and on, the user is encouraged to try to correct the interference by one or more of
the following measures:
—Reorient or relocate the receiving antenna.
—Increase the separation between the equipment and receiver.
—Connect the equipment into an outlet on a circuit different from that to which the receiver is
connected.
—Consult the dealer or an experienced radio/TV technician for help.
This equipment complies with FCC RF radiation exposure limits set forth for an uncontrolled
environment. This equipment should be installed and operated with a minimum distance of 20
centimeters between the radiator and your body.