Proform 831280442 User Manual WHIRLWIND Manuals And Guides L0312032
PROFORM Cycle Manual L0312032 PROFORM Cycle Owner's Manual, PROFORM Cycle installation guides
User Manual: Proform 831280442 831280442 PROFORM WHIRLWIND PROFORM - Manuals and Guides View the owners manual for your PROFORM WHIRLWIND PROFORM #831280442. Home:Fitness Equipment Parts:Proform Parts:Proform WHIRLWIND PROFORM Manual
Open the PDF directly: View PDF
.
Page Count: 16

Model No, 831.280442
Serial No.
Serial
Number
Decal
EX EE R C I _. E
E(_UIPM ENT
HELPLINE!
1-800-736-6879
SEARS, ROEBUCK AND CO.,
HOFFMAN ESTATES, IL 60179
irlwind
DUAL ACTION
USER'S MANUAL
Patent Pending
www.proform.com
new products, prizes,
fitness tips, and much more!

DUAL ACTION
TABLE OF CONTENTS
IMPORTANT PRECAUTIONS ............................................................. 3
BEFORE YOU BEGIN ................................................................... 4
ASSEMBLY ........................................................................... 5
HOW TO OPERATE THE EXERCISE CYCLE ................................................. 9
MAINTENANCE AND TROUBLESHOOTING ................................................. 11
EXERCISE GUIDELINES ................................................................ 12
PART LIST ........................................................................... 14
EXPLODED DRAWING ................................................................. 15
HOW TO ORDER REPLACEMENT PARTS ........................................... Back Cover
FULL 90 DAY WARRANTY ....................................................... Back Cover
2

3

BEFORE YOU BEGIN
Congratulationsfor selectingthe new PROFORM®
WHIRLWIND exercise cycle. Cycling is one of the
most effective exercises for increasing cardiovascular
fitness, buildingendurance, and toning the entire
body. The PROFORM ®WHIRLWIND offers an array
of features designed to let you enjoy this healthful
exercise in the comfort and privacy of your home.
For your benefit, read this manual carefully before
you use the exercise cycle. If you have questions
after reading this manual, please call our toll-free
HELPLINE at 1-800-736-6879, Monday through
Saturday, 7 a.m. until7 p.m. Central Time (excluding
holidays).To help us assist you, please mentionthe
product model numberwhen calling.The model num-
ber is 831.280442. The serial number can be found
on a decal attached to the exercise cycle (see the
front cover of this manual).
Before reading further, please familiarize yourselfwith
the parts that are labeled in the drawing below.
Bookrack
Console
T-handle
Seat
Seat Knob
BACK
Water Bottle Holder*
Pulse Sensor
Handlebar
FRONT
LinkArm
Lock Rod
Pedal
RIGHT SIDE
*Water bottle is not included
4

ASSEMBLY
Assembly requires two persons. Place all partsof the exemise cycle in a cleared area and remove the packing
materials. Do not dispose of the packingmatedals untilassembly is completed.
Assembly can be completed using the included tools; however, a rubber mallet (_ Iis also
recommended. t_J
Usa the drawings below to identifythe small partsused in assembly.The numberin parenthesisbelow each
drawing refers to the key number of the part, fromthe PART LIST on page 14. The second number refersto the
quantityneeded for assembly. Note: Some small parts may have been prs-attached for shipping. If a part is
not in the parts bag, check to see if it has been pre-assembled.
M6 Nylon
Locknut(56)-4 M8 Nylon
Locknut(66)-6 M10 Nylon
Locknut (64)-4
M4 x 12ram M6 x 38mm Button
Screw (77)-2 Bolt (57)-4
M8 x 77mm ButtonBolt (58)-2 [_
M8 Split M8 Flat
Washer (81)-4 Washer (73)-4
M10 x 17mm Button
Screw (55)-3
M10 Split
Washer (54)-12
M10 x 22ram Button
Screw (60)-9
M1O x 75mm Carriage Bolt (65_
1. Attach one of the Stabilizers (19) to the front of the
Frame (t) with two M1O x 75mm Carriage Bolts (65)
and two M10 Nylon Locknuts(64).
1
65 19
5

2. Attach the Frame Extension(84) to the Frame (1)
with six M10 x 22mm ButtonScrews (80) and six
M10 Split Washers (54).
Attach the other Stabilizer (19) to the Frame
Extension(84) withtwo M10 x 75mm Carriage Bolts
(65) and two M1O Nylon Locknuts(64).
3. Attachthe Seat (20) to the Seat Post (6) with four
M8 Nylon Locknuts(66) and four M8 Split Washers
(81). Note: The Nylon Locknutsand Split Washers
may be preattached to the Seat.
Turn the Seat Knob (29) counterclockwisetwo or
three turns to loosen it. Next, pullthe Seat Knob,
insertthe Seat Post (6) into the Frame (1), and then
release the Seat Knob. Move the Seat Post up and
down slightly until it locks into position.
Push the Seat Guide (46) intothe top of the Frame
(1). Secure the Seat Guide to the Frame with an M4
x 4ram Screw (70). Then, tightenthe Seat Knob.
4. Apply a small amount of the includedgrease to the
Handlebar Axle (33). Insertthe HandlebarAxle into
the Frame (1) and center it. To avoid damaging
the Reed Switch Wire (3t), make sure that it is
positioned as shown in the inset drawing. (Note:
It may be helpfulto use a rubber mallet to insertthe
HandlebarAxle.)
While another person holdsthe Upright(2) in the
positionshown, connect the ExtensionWire (39) to
the Reed Switch Wire (31). Carefully pull the
upper and of the Reed Switch Wire to remove
any slack.
Set the Upright(2) on the Frame (1); be careful not
to pinch the Extension Wire (39) or the Reed
Switch Wire (31). Attach the Updght with three M10
x 17mm ButtonScrews (55) and three M10 Split
Washers (54).
3
55 54
54 80 64
80
7O
19
Side

5. The Console (3) requires four "D"batteries (not
included); alkaline batteries are recommended.
Press the tab on the batterycover, and liftoff the
batterycover. Insert four batteries intothe battery
compartment. Make sure that the batteries are
oriented as shown by the diagram inside the
battery compartment. Reattach the batterycover.
6. Refer to the inset drawing. Insert the T-handle (4)
intothe opening inthe bottom of the Console (3) as
shown. Be careful not to pinch the console wire.
Align the holes in the metal tube on the T-handle
with the holes in the bracketon the Console.
"13ghtentwo M4 x 12mm Screws (77) into the holes.
While another personholds the Console (3) near
the Updght (2), connect the console wire to the
ExtensionWire (39). Insert the excess consolewire
and ExtensionWire intothe Upright.
Attach the Console (3) to the Upright (2) withthree
M10 x 22ram ButtonScrews (80) and three M10
Split Washers (54). Be careful to avoid pinching
the console wire or the Extension Wire (3g).
Snap the bookrack onto the Console (3) in the loca-
tion shown.
7. Identifythe Left Handlebar (7) and the Left
Handlebar Base (8), which are marked with stickers.
Attach the Left Handlebar to the Left Handlebar
Base with two M6 x 38mm Button Bolts(57) and
two M6 Nylon Locknuts(56).
Attach the Right Handlebar (not shown) to the Right
Handlebar Base (not shown) in the same way.
Batteries < 3
Be careful
not to pinch
the console wire
during this step.
3_
Consok
Sookrack
77
7

8. Slide the Left and Right Handlebars (7, 9) onto the
Handlebar Axle (33). Make sure that the
Handlebars are on the correct sides.
Using the included pedal tool, tap a Push Nut (78)
onto each end of the Handlebar Axle (33). Make
sure that the Push Nuts are turned as shown in
the inset drawing. (Note: It may be helpful if anoth-
er personholds a block of wood against one end of
the Handlebar Axle while you tap a Push Nut onto
the other end.) Then, tap a Large Axle Cap (49)
onto each end of the HandlebarAxle.
9. Identify the Left LinkArm (15), which is marked with
a sticker.
Apply a small amount of grease to an M8 x 77mm
Button Bolt (58). insert the ButtonBolt into the Left
Handlebar Base (8). Slide an M8 Flat Washer (73),
a Link Arm Bushing(45), the Left LinkArm (15), and
another M8 Washer (73) onto the ButtonBolt. Make
sure that the Link Arm Bushing and the Left
Link Arm are tumed as shown. Tighten an M8
Nylon Locknut(66) onto the ButtonBolt. Rest the
notch inthe Left LinkArm on the left lockrod.
Attach the Right LinkArm (not shown) to the Right
Handlebar Base (not shown) inthe same way.
10. Remove the 112"Pedal Nut (68) from the shaft of
one of the Pedals (23). Make sure that there is a
Pedal Spdng (42), a Red Washer (71), a Pedal
Bushing(43), a Black Pedal Washer (79), and a
Pedal Spacer (44) on the shaft of the Pedal. In addi-
tion, make sure that the Pedal Bushing (43) is
turned as shown. Firmlytighten the shaft of the
Pedal clockwise intothe left Crank Arm (28).
Tighten the 1/2" Pedal Nut (68) back onto the shaft.
Attach the other Pedal (not shown) inthe same way.
8
9
78
8.
58
;raase
23
33
Rod Notch
71
79
43
11. Make sure that all parts are properly tightened before you use the exercise cycle. Place a mat
beneath the exercise cycle to protect the floor.
8

HOW TO OPERATE THE EXERCISE CYCLE
HANDLEBAR OPERATION
The handlebars can be used in either the dual-action
mode, for both upper-body and lower-bodyexercise,
or the stationarymode, for pedaling exercise only.
Dual-action Mode
To convertthe
handlebarsto
the dual-
action mode,
the link arms
must be con-
nected to the
pedals. Refer
to drawing 1.
Liftthe link
arms offthe
lock rods.
Refer to draw-
ing 2. Pull the
link arms out-
ward against
the tops of
the red wash-
ers, while
pulling
against the
bottoms of the
red washers
with your fin-
Rod
2 Red
_--t l _'_edal
Link Arm \
gem as shown. Be careful not to pinch your fin-
gers. Next, slide the link arms onto the pedal bush-
ings. Move the linkarms up and down slightlyto
make sure that they are fully seated on the pedal
bushings.CAUTION: Make sure that the link arms
are fully seated on the pedal bushings, If the link
arms are not on the pedal bushings, they may slip
off during use, resulting in injury to the user.
Stationary Mode
To convert the handlebars to the stationarymode, the
link arms must be disconnectedfrom the pedals. Pull
the link arms outwardagainst the red washers until
the link arms are free of the pedal bushings(see
drawing 2 above). Be careful not to pinch your fin-
gers. Next, lif_the link arms off the pedals, and clip
them onto the lock rods (see drawing 1 above).
HOW TO ADJUST THE SEAT
For effective exer-
cise, the seat must Seat
be at the proper
height. As you
pedal, there should
be a slightbend in
your knees when
the pedals are in
the lowest position.
To adjust the seat,
firstturn the seat Post
knob counterclock-
wise two or three
turnsto loosen it.
Next, pullthe seat
knob,raise or lower the seat post, and then release
the seat knob. Move the seat post up and down
slightly until it locks into position. Then, tightenthe
seat knob. CAUTION: Make sure that the pin on the
seat knob is inserted into one of the adjustment
holes in the seat post. Do not rest the seat post
on top of the pin on the seat knob.
Knob
DESCRIPTION OF THE CONSOLE
The consolefeatures six modesthat provide instant
exercise feedback dudng your workouts.The modes
are described below.
• Time--This mode displays the elapsed time.
•Distance--This mode displays the total distance you
have pedaled.
•Speed_This mode displaysyour pedaling speed.
Note: Speed and distance can be displayed in either
miles or kilometers.An MPH or a KPH will appear
when the speed is displayed to show which unit of
measurement is selected. To change the unit of
measurement, press and hold the On/Reset button
for ten seconds.
•Calories--This mode displays the approximate num-
ber of calodes you have bumed.
• Fat calories---This mode displays the approximate
number of fat calodes you have burned (see FAT
BURNING on page 12).
• Pulse--This mode displaysyour heart rate when the
thumb pulse sensor is used (see step 3 on page 10).
9

BATTERY INSTALLATION To reset the displaysat any time, press the
On/Reset button.
The console requiresfour "D"batteries. To installbat-
teries, refer to assembly step 5 on page 7.
HOW TO OPERATE THE CONSOLE
Note: If there is a piece of clear plasticon the face of
the console, remove it before operatingthe console.
1. To turn on the
power, press
the On/Reset
button or begin
pedaling.
2. Beginexercisingand monitoryour progresswiththe
two displays.
Left display--
This display
shows the
elapsed time
and the dis-
tance that you
have pedaled.
The displaywill
change from
TIME_ DISTANCE
Indicators
one number to the other every seven seconds, as
shown by the indicators in the display.
Rightdisplay--
This display SPEED PULSE
showsyour [ " 1
pedalingspeed _"_--|
and the approx- _I,C' up,
imate numbers CALS. FAT CALS.
of calodes and
fat celodes you
have burned.
When the thumb pulse sensor is used, the display
will also show your heart rate (see step 3 at the
right). Every seven seconds, the displaywill change
from one number to the next, as shown by the indi-
cators in the display.
3. Measure your heart rate, if desired.
To measure
your head rate,
stop pedaling
and place your
thumb on the
pulse sensor as
shown.The
pulse sensor is
pressureactivat-
ed---fullypressit down. Do not press too hard, or
the circulation in your thumb will be restricted,
and your pulse will not be detected. Next, raise
your thumb slightlyuntilthe heart-shaped indicator
in the rightdisplayflashes steadily. Hold your
thumb at this
level.After a few
seconds,two SPEED PULSE
dashes will { 1
appear inthe I "JI __. U
display,and I _JI --|
thenyour heart OALS. FAT CALS.
rate will be
shown. Hold
yourthumb on
the pulse sensorfor another 15 secondsfor the
most accurate reading. If the displayedheart rate
appears to be too highor too low,or if your heart
rate is not displayed,liftyour thumb off the pulse
sensor and allow the displayto reset. Press down
again on the pulse sensor as describedabove.
Make surethat you are applyingthe proper amount
of pressure to the pulse sensor.Trythe pulse sensor
severaltimes untilyou becomefamiliar withit.
Remember to sit still while measuring your heart
rate.
4. Toturn off the power, simplywait for afew minutes.
The console has an "auto-off' feature. If the
pedals are not moved and the On/Reset button
is not pressed for a few minutes, the power will
turn off automatically to conserve the batteries.
10

MAINTENANCE AND TROUBLESHOOTING
Inspect and tightenall parts of the exercise cycle regu-
larly.To clean the exercise cycle, use a damp cloth
and mild detergent. Never use abrasives or solvents;
keep liquidaway from the console.
CONSOLETROUBLESHOOTING
If the consoledoes notfunction properly,the batteries
should be replaced. See assembly step 5 on page 7
for battery installationinstructions.
ADJUSTING THE BELT
The exercisecycle features a precisionbeltthat must
be kept properlyadjusted. If the belt is too tight,the
bearings may be damaged; if the belt is too loose,the
fan may be damaged. If the belt causes excessive
noise or slips as you pedal,follow the steps below.
Carefully removethe four Guard Clips(76), the left
Guard Fastener (35), and the Left Guard (13). Press
down on the Belt (22). There should be no more
than 3/4 inch, and no less than 1/4 inch, of verti-
cal movement in the center of the Belt.
76 <
the M6 Nuts counterclockwise. Make surethat the fan
is straight,and thenreattachthe LeftGuard,tightenthe
GuardFasteners,and reattachthe GuardClips.
ADJUSTING THE REED SWITCH
If the console does not display correct feedback, the
reed switchshould be adjusted,To adjust the reed
switch,the Right Side Shield (18) must be moved (refer
to the drawing below). Remove the four M4 x 25mm
Screws (69) from the Left Side Shield (17). Liftthe
Right LinkArm (16) off the pedal or the lookred and
move it clear of the Right Side Shield, Pullthe top of
the Right Side Shield away from the Left Side Shield.
18
69
Next, locate the Reed Switch (31). Turnthe Crank Arm
(26) until the Magnet (48) is alignedwith the Reed
Switch. Loosen,but do not remove, the M4 x 16mm
Screw (27). Slide the Reed Switchslightlycloserto or
away fromthe Magnet. Retighten the Screw. Turnthe
Crank for a moment. Repeat untilthe console displays
correctfeedback. When the Reed Switch is correctly
adjusted, reattach the Right Side Shield.
If the Belt(22) needs to be adjusted,loosenthe right
Guard Fastener (not shown). To tighten the Belt, turn
the M6 Nuts (53) clockwise; to loosen the Belt, turn
Note: For clarity, the
Right Side Shield is
not shown.
26
11

EXERCISE GUIDELINES
The following guidelineswill help you to plan your
exercise program. Remember that proper nutdtionand
adequate rest are essential for successful results.
EXERCISE INTENSITY
Whether your goal is to burnfat or to strengthen your
cardiovascularsystem, the key to achieving the
desired resultsis to exercise with the proper intensity.
The proper intensitylevelcan be found by usingyour
heart rate as aguide. The chart below shows recom-
mended heart rates forfat burning, maximumfat bum-
ing, and cardiovascular(aerobic) exercise.
PULSE TRAINING ZONES
AGE 20 30 40 50 60 70 80
MAX 165 155 145 140 130 125 115
bpm 145 138 130 125 118 110 103
MIN 125 120 115 110 105 95 90
To find the proper heart rate for you, firstfind your age
on the chart above (ages are roundedoff to the near-
est ten years). Next, find the three numbersbelow your
age; the three numbersare your _training zone." The
lowest number is the recommended heart rate for fat
burning;the middle number is the recommended heart
rate for maximumfat burning;and the highestnumber
is the heart rate for aerobic exercise.
Fat Burning
To burnfat effectively,you must exercise at a relative-
ly low intensitylevel for a sustained periodof time.
Duringthe firstfew minutes of exercise, your body
uses easily accessible carbohydratecaloriesfor ener-
gy. Only after the firstfew minutesof exercise does
your body beginto use stored fat caloriesfor energy. If
your goal is to bum fat, adjust the intensityof your
exercise untilyour heart rate is near the lowestnum-
ber or the middle number in your trainingzone as you
exercise.
Aerobic Exercise
If your goal is to strengthenyour cardiovascularsys-
tem, your exercise must be "aerobic."Aerobic exercise
is activitythat requires large amounts of oxygen for
prolongedperiods of time. This increases the demand
on the heart to pump bloodto the muscles, and on the
lungsto oxygenate the blood. For aerobic exercise,
adjust the intensityof your exercise untilyour heart
rate is near the highest numberin your trainingzone.
WORKOUT GUIDELINES
Each workoutshould include the followingthree parts:
A warm-up, consistingof 5to 10 minutes of stretching
and lightexercise. A proper warm-up increasesyour
body temperature, heart rate, and circulationin prepa-
rationfor exercise.
Training zone exercise, consistingof 20 to 30 min-
utes of exercisingwith your heart rate in your training
zone. (Duringthe firstfew weeks of your exercise pro-
gram, do not keep your heart rate in your training
zone for longer than 20 minutes.)
A cool-down, with 5 to 10 minutes of stretching.This
will increase the flexibilityof your musclesand will
help to prevent post-exerciseproblems.
EXERCISE FREQUENCY
To maintainor improveyour condition,plan three work-
outs each week, with at least one day of rest between
workouts.After a few months of regular exercise, you
may complete up to five workoutseach week, if
desired. The key to success is make exercise a regu-
lar and enjoyable part of your everyday life.
12

SUGGESTED STRETCHES
The correctform for several basic stretchesis shown at the right.
Move slowly as you stretch---neverbounce.
1. Toe Touch Stretch
Stand with your knees bent slightlyand slowly bend forwardfrom
your hips.Allow your back and shouldersto relax as you reach down
toward your toes as far as possible. Hold for 15 counts, then relax.
Repeat 3 times. Stretches:Hamstdngs, back of knees and back.
2. Hamstring Stretch
Sit with one leg extended. Bdngthe sole of the oppositefoottoward
you and rest it against the inner thighof your extended leg. Reach
toward your toes as far as possible.Hold for 15 counts, then relax.
Repeat 3 times for each leg. Stretches: Hamstdngs, lower back and
groin.
3. CelflAchilles Stretch
With one leg in front of the other, reach forward and place your hands
against a wall. Keep your back leg straightand your backfoot flat on
the floor. Bend your front leg, lean forward and move your hips
toward the wall. Holdfor 15 counts,then relax. Repeat 3 times for
each leg. To cause further stretchingof the achillestendons, bend
your back leg as well. Stretches:Calves, achillestendonsand ankles.
4. Quadriceps Stretch
With one hand against a wall for balance, reach back and grasp one
foot withyour other hand. Bdngyour heel as close to your buttocks
as possible. Hold for 15 counts,then relax. Repeat 3 times for each
leg. Stretches: Quaddceps and hip muscles.
2
13

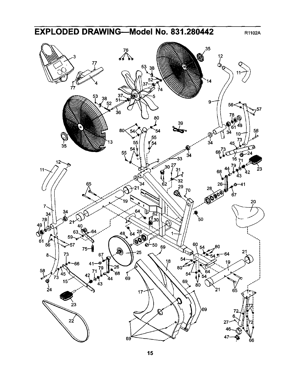
EXPLODED DRAWING--Model No. 831.280442 R1102A
Key No. Qty. Description Key No. Qty. Description
1 1 Frame 42 2 Pedal Spring
2 1 Upright 43 2 Pedal Bushing
31Console 44 2 Pedal Spacer
4 1 T-handle 45 2 Link Arm Bushing
51Fan 46 1 Seat Guide
6 1 Seat Post 47 1 Seat Post Bushing
7 1 Lett Handlebar 48 1 Magnet
8 1 Left Handlebar Base 49 2 Large Axle Cap
9 1 Right Handlebar 50 2 Small Axle Cap
10 1Right Handlebar Base 51 1 Fan Washer
11 2 Foam Grip 52 2 Eyebolt
12 2 Handlebar Endcap 53 2 M6 Nut
13 1 Laf_Guard 54 12 M10 Split Washer
14 1 Right Guard 55 3 M10 x 17mm ButtonScrew
15 1 Left LinkArm 56 4 M6 Nylon Locknut
16 1 Right LinkArm 57 4 M6 x 38ram ButtonBolt
17 1 Left Side Shield 58 2 M8 x 77mm ButtonBolt
18 1 Right Side Shield 59 1 M10 x 25ram Flat Head Bolt
19 2Stabilizer 60 1 Frame Extension
20 1 Seat 61 2 Axle Bushing
21 4 Stabilizer Endcap 62 4 M4 x 16mm Round Screw
22 1 Belt 63 1 idler Arm Washer
23 2 Pedal 64 5 M10 Nylon Locknut
24 2 Handlebar Base Endcap 65 4 M1O x 75ram Carriage Bolt
25 1 Pulley!Crank 66 6 M8 Nylon Locknut
26 2 Crank Arm 67 2 Flange Screw
27 2 M4 x 16mm Screw 68 2 1/2" Pedal Nut
28 1 BearingAssembly 69 9 M4 x 25mm Screw
29 1 Seat Knob 70 1 M4 x 4mm Screw
30 2 Guard Bracket 71 2 Red Washer
31 1 Reed Switch/Wire 72 4 M8 Split Washer
32 1 Clamp 73 4 M8 Flat Washer
33 1 Handlebar Axle 74 1 Fan Spacer
34 6 Handlebar Bushing 75 1IdlerSpdng
35 2 Guard Fastener 76 4 Guard Clip
36 1 Fan Axle 77 2 M4 x 12mm Screw
37 2 Fan Beadng 78 2 Push Nut
38 2 Adjustment Bracket 79 2 Black Pedal Washer
39 1 Extension Wire 80 9 Mt0 x 22ram ButtonScrew
40 1 Idler Arrn # 1 User's Manual
41 2 Crank Cover
Note: "#" indicatesa non-illustratedpart. Specifications are subjectto change withoutnotice. See the back cover
of this manual for informationabout ordering replacement parts.
14

EXPLODED DRAWING--Model No. 831.280442 R1102A
38
76
53
12
56
35
36
55
8O 39
65 "32
29
69
.J
5O
68
28
80
23
43
67
20
21
73 69
43
65
::72
66
15

SEARS
Model No. 831.280442
QUESTIONS?
If you find that:
• you need help assembling or
operating the PROFORI_
WHIRLWIND
• a part is missing
•or you need to schedule repair
service
call our toll-frae HELPLINE
1-800-736-6879
Monday-Saturday, 7 am-7 pm
Central Time (excluding holidays)
REPLACEMENT
PARTS
If parts become worn and need to
be replaced, call the following toll-
free number
1-800-FON-PART
(1-800-366-7278)
All replacement parts are available for immediate purchaseor
special order when you visityour nearest SEARS Service
Center. To request service or to order parts by telephone, call
the toll-freenumbers listed at the left.
When requestinghelp or service, or ordering parts, please be
prepared to providethe followinginformation:
•The MODEL NUMBER of the product (831.280442)
• The NAME of the product(PROFORM ®WHIRLWIND
exercise cycle)
•The KEY NUMBER and DESCRIPTION of the PART (see
the PART LIST andthe EXPLODED DRAWING on pages 14
and 15)
FULL 90 DAY WARRANTY
For 90 days fi'omthe date of purchase,if failureoccurs due to defect in material or workmanshipinthis
SEARS BIKE EXERCISER, contactthe nearest SEARS Service Center throughoutthe United States
and SEARS will repair or replace the BIKE EXERCISER, free of charge.
This warrantydoes not applywhen the BIKE EXERCISER is used commerciallyor for rental purposes.
This warranty gives you specific legal rights, and you may also have other rights which vary from state
to state.
SEARS, ROEBUCK AND CO., DEPT. 817WA, HOFFMAN ESTATES, IL 60179
Part No. 193742 R1102A Pdnted in China © 2002 Sears, Roebuck and Co.