Proform 831293060 User Manual TREADMILL Manuals And Guides L0309012
PROFORM Treadmill Manual L0309012 PROFORM Treadmill Owner's Manual, PROFORM Treadmill installation guides
831.293060 L0309012
User Manual: Proform 831293060 831293060 PROFORM TREADMILL - Manuals and Guides View the owners manual for your PROFORM TREADMILL #831293060. Home:Fitness Equipment Parts:Proform Parts:Proform TREADMILL Manual
Open the PDF directly: View PDF
.
Page Count: 30

I NTEI:;_I:::I CTI VE TI:;_R I N EI:;_
Model No. 831.293060
Serial No.
/ Serial Number Decal
L\
• Assembly
• Operation
•Maintenance
• Part List and Drawing
Read all precautions and instruc-
tions in this manual before using
this equipment. Save this manual
for future reference.
TREADMILL EXERCISER
User's Manual
Sears, Roebuck and Co., Hoffman Estates, IL 60179

TABLE OF CONTENTS
IMPORTANT PRECAUTIONS
BEFORE YOU BEGIN
ASSEMBLY
OPERATION AND ADJUSTMENT
HOW TO FOLD AND MOVE THE TREADMILL
TROUBLESHOOTING
CONDITIONING GUIDELINES
PART LIST
PART IDENTIFICATION CHART
ORDERING REPLACEMENT PARTS
FULL 90 DAY WARRANTY
Note An EXPLODED DRAWING_sattachedmthecen[erofthlsmanual
2
4
5
8
21
22
24
26
27
Back Cover
Back Cover
IMPORTANT PRECAUTIONS
WARNING: To reduce the risk of burns, fire, electric shock, or injury to persons, read the
following important precautions and information before operating the treadmill.
1. It is the responsibility of the owner to ensure
that all users of this treadmill are adequately
informed of all warnings and precautions.
2. Use the treadmill only as described.
3. Place the treadmill on alevel surface, with at
least eight feet of clearance behind it and two
feet on each side. Do not place the treadmill
on any surface that blocks air openings. To
protect the floor or carpet from damage, place
a mat under the treadmill.
4. Keep the treadmill indoors, away from mois-
ture and dust. Do not put the treadmill in a
garage or covered patio, or near water.
5. Do not operate the treadmill where aerosol
products are used or where oxygen is being
administered.
6. Keep children under the age of 12 and pets
away from the treadmill at all times.
7. The treadmill should be used only by persons
weighing 250 pounds or less.
8. Never allow more than one person on the
treadmill at a time.
9. Wear appropriate exercise clothes when
using the treadmill. Do not wear loose clothes
that could become caught in the treadmill.
Athletic support clothes are recommended for
both men and women. Always wear athletic
shoes. Never use the treadmill with bare feet,
wearing only stockings, or in sandals.
10. When connecting the power cord (see page 8),
plug the power cord into a surge suppressor
(not included) and plug the surge suppressor
into a grounded circuit capable of carrying 15
or more amps. No other appliance should be on
the same circuit. Do not use an extension cord.
11. Use only a single-ouUet surge suppressor that
meets all of the specifications described on
page 8. To purchase a surge suppressor, see
your local Sears or call 1-800-366-7278 and
order part number 146148,
12. Failure to use a properly functioning surge
suppressor could result in damage to the con-
trol system of the treadmill. If the control sys-
tem is damaged, the walking belt may change
speed or stop unexpectedly, which may result
in a fall and serious injury.
13. Keep the power cord and the surge suppres-
sor away from heated surfaces.
14. Never move the walking belt while the power
is turned off. Do not operate the treadmill if
the power cord or plug is damaged, or if the
treadmill is not working properly. (See BE-
FORE YOU BEGIN on page 4 if the treadmill is
not working properly.)

15.Neverstartthetreadmillwhileyouarestand-
ingonthewalkingbelt.Alwaysholdthe
handrailswhileusingthetreadmill.
16.Thetreadmillis capable of high speeds.
Adjust the speed msmall increments to
avoid sudden jumps in speed.
17. Never leave the treadmill unattended while it
is running, Always remove the key, unplug
the power cord and move the onloff circuit
breaker to the off position when the treadmill
is not in use. (See the drawing on page 4 for
the location of the on/off circuit breaker.)
18. Do not attempt to raise, lower, or move the
treadmill until it is properly assembled. (See
ASSEMBLY on page 5, and HOW TO FOLD
AND MOVE THE TREADMILL on page 21.)
You must be able to safely lift 45 pounds (20
kg) to raise, lower, or move the treadmill.
19. When folding or moving the treadmill, make
sure that the storage latch is fully closed.
20. When using iFiT.com CDs and videos, an
electronic "chirping" sound will alert you
when the speed of the treadmill is about to
change. Always listen for the "chirp" and be
prepared for speed changes. In some in-
stances, the speed may change before the
personal trainer describes the change.
21. When using iFIT.com CDs and videos, you
can manually override the speed setting at
any time by pressing the speed buttons.
However, when the next "chirp" is heard, the
speed will change to the next setting for the
CD or video program.
22. Remove iFIT.com CDs and videos from your
CD player or VCR when you are not using
them.
23.
24.
25.
Inspect and properly tighten all parts of the
treadmill regularly.
Never insert any object into any opening.
DANGER: Always unplug the power
cord immediately after use, before cleaning the
treadmill, and before performing the mainte-
nance and adjustment procedures described in
this manual. Never remove the motor hood un-
less instructed to do so by an authorized ser-
vice representative. Servicing other than the
procedures in this manual should be performed
by an autho_zed service representative only.
26. This treadmill is intended for in-home use
only. Do not use this treadmill in a commer-
cial, rental, or institutional setting.
SAVE THESEINSTRUCTIONS
WARNING: Before beginning this or any exercise program, consult your physician. This
is especially important for persons over the age of 35 or persons with pre-existing health problems.
Read all instructions before using. Sears assumes no responsibility for personal injury or property
damage sustained by or through the use of this product.
The decals shown have been placed on your treadmill. If a
decal is missing, or if it is not legible, please call toll-tree
1-800-999-3756 to order a free replacement decal. Apply the
decal mthe Iocatmn shown. Note: The decals are not
shown at actual size.
,&,CAUTION J
KEEP HANDS AND FEET AWAY
FROM THIS AREA WHILE THE
TREADMILL IS IN OPERATIOrJ
E_) _.'da'.

BEFORE YOU BEGIN
Thank you for selecting the revolutionary PROFORM _'
580X treadmill The 580X treadmill combines ad-
vanced technology with innovative design to help you
get the most from your exercise program in the conve
nience and privacy of your home. And when you're not
exercising, the unique 580X treadmill can be folded up,
requiring less than halt the floor space of other tread-
mills.
For your benefit, read this manual carefully before
using the treadmill. If you have questions after read-
ing this manual, call 1-800-4-MY-HOME" (1 800*469-
4863).To help us assist you, please note the product
model number and serial number before calling. The
model number of the treadmill is 831.293060 The ser-
ial number can be found on a decal attached to the
treadmill (see the front cover of this manual for the lo-
cation).
Before reading further, please review the drawing
below and familiarize yourself with the labeled parts.
CD Holder
Accessory Tray
Fan ....
Handrail - -- g_.
Storage Latch ___e._
Upright l
Walking Belt _/_
Foot Rail
Console
Key/Clip
On/Off
Circuit Breaker
_- Power Cord
RIGHT SIDE
BACK Cushioned Walking Platform
for maximum exercise comfort
Rear Roller
Adjustment Bolts
4

ASSEMBLY
Assembly requires two persons. Set the treadmill in acleared area and remove all packing materials. Do not
dispose of the packing materials until assembly is completed Note: The underside of the treadmill walking belt is
coated with high performance lubricant• During shipping, a sma!t amount of lubricant may be transferred to the
top of the walking belt or the shipping carton• This is a normal condition and does not affect treadmill perfor-
mance. If there is lubricant on top of the walking belt, simply wipe off the lubricant with a soft cloth and a mild,
non-abrasive cleaner
Assembly requires the included allen wren_ees_l and your own phillips screwdriver (_=:=_==_
and wire cutters _>_ .
1. Make sure that the power cord is unplugged.
To identify small parts, use the PART IDENTIFICA-
TION CHART on page 27. Note: If a part is not in the
parts bag, check to see if it has been pre-assembled. If
apart is missing, call toll-free 1-800-999-3756.
With the help of a second person, carefully raise the
Upright Base (97) to the position shown. Insert one of
the Extension Legs (92) into the Upright Base. (Note: It
may be helpful to tip the Upright Base forward as you in-
sert the Extension Leg.) Make sure that the Warning
Decal (9!) is in the location shown.
Insert the other Extension Leg (not shown) in the same
way.
97
92
2. With the help of a second person, carefully tip the
Upright Base (97) down as shown. (Note: It may be help-
ful to place your foot on one of the Extension Legs [92]
as you tip the Uprights.) Make sure that the Extension
Legs remain in the Uprights.
Attach each Extension Leg (92) with two Extension Leg
Bolts (96) and two 1/4" Washers (39) as shown. Thread
a Leveling Foot (95) into each side of the Upright Base
(97); do not thread the Leveling Feet fully into the
Upright Base.
Attach the two Base Pads (99) to the Upright Base (97)
in the locations shown with two 1" Tek Screws (135).
With the help of a second person, raise the Upright Base
(97) to the vertical position.
39 96
96
97
99
\135
96
} 95
96

3. AttachtheLatchAssembly(82)totheLeftUpright(84)
withthetwoLatchScrews(134)StartbothLatchScrews
beforetighteningeitherofthem.Note:TheLatchScrews
maybepreattachedtotheLeftUpright
134 82
4. Refertostep6andlocatethefourUprightBolts(86).
LoosentheUprightBoltstwotothreeturns.
Refertodrawing4c.Withthehelpofasecondperson,
holdtheConsoleBase(101)neartheUprights(80,84).
LookundertheConsoleBaseandlocatethewireson
thesidesoftheConsoleBase.Makesurethatthewires
arenotroutedthroughtheopeningsfortheTrays(109,
111).Drawing4ashowsthecorrectrouteforthewires.
Drawing4bshowsanincorrectroute.
Refertodrawing4c.CuttheplastictiesholdingtheWire
Harness(74)andthePulseWire(70)intheUprights(80,
84).ConnecttheWireHarnessandthePulseWiretothe
wiresonthesidesoftheConsoleBase(101).Make sure
to connect the connectors properly (see the inset
drawings). IF THE CONNECTORS ARE NOT CON-
NECTED PROPERLY, THE CONSOLE MAY BE DAM-
AGED WHEN THE POWER IS TURNED ON. The con-
nectors should slide together easily and snap into
place. If the connectors do not slide together easily and
snap into place, turn one connector and try again. Insert
the excess Wire Harness and Pulse Wire up into the
Console Base.
Press the Right and Left Top Endcaps (75, 81) into the
Uprights (80, 84) as shown.
4a
Correct Incorrect
4c
io
5. Set the Console Base (101) on the Uprights (80, 84). Be
careful not to pinch the Wires (not shown) in the
Uprights. Attach the Console Base to each Upright with
two Console Bolts (76) and two Internal Star Washers
(77); start all four Console Bolts before tightening any of
them.
Make sure that the Left and Right Trays (109, 111) are
pressed into the Console Base (101).
5
7E
101
76

6. IftheWheels(notshown)aretouchingthefloor,orifthe
treadmillrocksslightly,seeHOWTOLEVELTHE
TREADMILLonpage20.
Ifyouwishto adjusttheheightoftheUprights(80,
84),gotostep7.IftheUprightsareat the desired
height, tighten the four Upright Bolts (86) and go to step 8.
7. Note: The Uprights (80, 84) can be attached at three di_
ferent heights. The Uprights are preattached in the mid-
dle position. Adjusting the Uprights requires two persons.
While a second person holds the Console Base (101) and
the Uprights (80, 84), loosen the four Upright Bolts (86).
Then, remove the two Upright Bolts and Upright Star
Washers (127) from the Right Upright (80). Raise or lower
the Right Upright to the desired height, being careful not
to damage the Wire Harness (74). If the Upright Spacer
(79) falls, press it back onto the Upright Base (97).
Loosely thread the two Upright Bolts and Upright Star
Washers back into the Right Upright and the Upright Base.
Adjust the Left Upright (84) in the same way. (Note: There
are no wires in the Left Upright.) Make sure that both
Uprights are at the same height. Lift the Walking
Platform (13) and make sure that it is cented between
the Uprights. Retighten all four Upright Bolts (86).
7
8. Make sure that all parts are properly tightened before you use the treadmill. Note: Extra hardware may
be included. Keep the included allen wrenches in a secure place. The large allen wrench is used to adjust the
walking belt (see page 23). To protect the floor or carpet, place a mat under the treadmill.
If you purchase the optional chest pulse sensor (see
page 20), follow the steps below to install the receiver
included with the chest pulse sensor.
1. Make sure that the power cord is unplugged. Remove
the indicated Screw (108) and the Access Door (122).
2. Remove the paper from the adhesive pad on the back of
the Receiver (A). Hold the Receiver so the small cylin-
der is near the lower edge of the Receiver and facing
the Console (107) as shown. Firmly press the Receiver
onto the indicated corner of the Access Door (122).
Connect the wire on the Receiver to the indicated wire
extending from the Console.
3, Make sure that no wires are pinched. Reattach the
Access Door (122) with the Screw (108).
Wire
/ 122 _ "_r"Cylinder
///'-108

OPERATION AND ADJUSTMENT
THE PERFORMANT LUBE TM WALKING BELT
Your treadmill features a walking belt coated with
PERFORMANT LUBE TM, a high-performance lubricant.
IMPORTANT: Never apply silicone spray or other
substances to the walking belt orthe walking plat-
form. Such substances will deteriorate the walking
belt and cause excessive wear.
HOW TO PLUG IN THE POWER CORD
DANGER: Improper connection
of the equipment-grounding conductor can
result in an increased risk of electric shock.
Check with a qualified electrician or service-
man if you are in doubt as to whether the
product is properly grounded. Do not modify
the plug provided with the product--if it will
not fit the outlet, have a proper outlet
installed by a qualified electrician,
Your treadmill, like any other type of sophisticated
electronic equipment, can be seriously damaged by
sudden voltage changes in your home's power.
Voltage surges, spikes, and noise interference can
result from weather conditions or from other appliances
being turned on or off. To decrease the possibility of
your treadmill being damaged, always use a surge
suppressor with your treadmill (see drawing I at
the right). To purchase asurge suppressor, see
your local Sears or call 1-800-366-7278 and order
part number 146148.
Use only a single-outlet surge suppressor that is
UL 1449 listed as a transient voltage surge sup-
pressor (TVSS). The surge suppressor must have a
UL suppressed voltage rating of 400 volts or less
and a minimum surge dissipation of 450 joules.
The surge suppressor must be electrically rated
for 120 volts AC and 15 amps. There must be a
monitoring light on the surge suppressor to indi-
cate whether it is functioning properly. Failure to
use a properly functioning surge suppressor could
result in damage to the control system of the
treadmill. If the control system is damaged, the
walking belt may change speed or stop unexpect-
edly, which may result in afall and serious injury.
This product must be grounded. If it should malfunc-
tion or break down, grounding provides a path of least
resistance for electric current to reduce the risk of elec
tric shock. This product is equipped with a cord having
an equipment-grounding conductor and a grounding
plug. Plug the power cord into a surge suppressor,
and plug the surge suppressor into an appropriate
outlet that is properly installed and grounded in
accordance with all local codes and ordinances.
Important: The treadmill is not compatible with
GFCl-equipped outlets.
This product is for use on a nominal 120-volt circuit,
and has a grounding plug that looks like the plug illus-
trated in drawing 1 below. A temporary adapter that
looks like the adapter illustrated in drawing 2 may be
used to connect the surge suppressor to a 2-pole
receptacle as shown in drawing 2 if a properly
grounded outlet is not available.
_/_ Grounded Outlet Box
_._>" _SurgeSuppressor
E._ } ']_". G'r°undingPin
Grounding P_
Grounded Outlet Grounding Plug "_
Grounded Outlet Box
Adapter
_. Surge Suppressor
Metal Screw
The temporary adapter should be used only until a
properly grounded outlet (drawing 1) can be installed
by a qualified electrician.
The green-colored rigid ear, lug, or the like extending
from the adapter must be connected to a permanent
ground such as a properly grounded outlet box cover.
Whenever the adapter is used it must be held in place
by a metal screw. Some 2-pole receptacle outlet box
covers are not grounded. Contact aqualified elec-
trician to determine if the outlet box cover is
grounded before using an adapter.
8

Note: If there are thin sheets of clear
plastic on the console, remove them, Key
FEATURES OF THE CONSOLE
The treadmill console offers an impressive array of
features that help you get the most from your workouts.
When the manual mode of the console is selected, the
speed and incline of the treadmill can be changed with
a touch of a button. As you exercise, the console will
display instant exercise feedback. You can even mea-
sure your heart rate using the handgrip pulse sensor or
the optional chest pulse sensor (see page 20).
In addition, the console offers six preset workout pro
grams Each program automatically controls the speed
and incline of the treadmill as it guides you through an
effective workout. Two pulse programs are also offered.
Each program automatically adjusts the speed and in-
cline of the treadmill to keep your heart rate within a tar-
get range while you exercise.
The console also features iFIT.com interactive technol-
ogy. Having iFIT.com technology is like having a per-
sonal trainer in your home. Using the included audio
cable, you can connect the treadmill to your home
stereo, per[able stereo, or computer and play special
iFIT.com CD and videocassette programs (one
iFIT.com CD is included; additional CDs and videocas-
settes are available separately), iFIT.com CD and
videocassette programs automatically control the
speed and incline of the treadmill as a personal trainer
guides you through every step of your workout. High
energy music provides added motivation. To purchase
iFIT.com CDs or videocassettes, call toll-free
1-800-735-0768.
With the treadmill connected to your computer, you
can also go to our Web site at www.iFIT.com and ac_
cess programs directly from the intemet. Additional op-
tions are soon to be available. See www.iFIT.com for
more information.
To use the manual mode of the console, follow the
steps beginning on page 10. To use preset programs,
see page 12. To use heart rate programs, see page
13. To use an iFIT.com CD or video program, see
page 17. To use iFIT.com programs directly from
our Web site, see page 19.
9

HOW TO TURN ON THE POWER
_lPlug in the power cord (see page 8).
[]Locate the on/off cir
cult breaker near the
power cord Make
sure that the circuit
breaker is in the reset
position.
Reset _ I
Position
[] Stand on the foot rails of the treadmill. Find the clip
attached to the key (see the drawing on page 9)
and slide the clip onto the waistband of your
clothes. Next, route the cord attached to the clip
under the handgrip pulse sensor, and insert the
key into the console. After a moment, the displays
and various indicators will light. Test the clip by
carefully taking a few steps backward until the
key is pulled from the console. If the key is not
pulled from the console, adjust the position of
the clip.
HOW TO USE THE MANUAL MODE
_1 Insert the key fully into the console.
See HOW TO TURN ON THE POWER above.
B Select the manual mode.
When the key is in
serted, the manual
mode will be selected.
To reselect the manual
mode, press the
Program Select button
repeatedly until a track
appears in the matrix. Make sure that the indicator
on the iFIT.com button is not lit.
O0@@@@Q@O0
O@O000OO@O
@00000000@
@O00000OO@
@00000000@
OQOOOOOOO0
O0@I@@@@O0
_1 Press the Start button or the Speed b_ button to
start the walking belt.
A moment after the button is pressed, the walking
belt will begin to move at 1 mph. Hold the handrails
and begin walking.
As you exercise, change the speed of the walking
belt as desired by pressing the Speed V and Z!,
buttons. Each time a
button is pressed, the
speed setting will
change by 0.1 mph; ira
button is held down, the
speed setting will
O_M/,,
change in increments of 0.5 mph. To change the
speed setting quickly, press the Quick Speed but-
tons. Note: The console can display speed and
distance in either miles or kilometers. For sim-
plicity, all instructions in this section refer to
miles.
To stop the walking belt, press the Stop button.
The Time/Pace display will begin to flash. To
restart the walking belt, press the Start button or
the Speed A button.
Note: The first time the treadmill is used, observe
the alignment of the walking belt, and align the
walking belt if necessary (see page 23).
[] Change the incline of the treadmill as desired.
To change the incline of
the treadmill, press the
Incline V and ,G buttons.
Each time a button is
pressed, the incline will
change by 0.5%.
OIST_NCE
-I l-I
I/ ......
[]Follow your progress with the matrix and the
displays.
The matrix--When the
manual mode or the
iFIT.com mode is se-
lected, the matrix will
display a 1/4-mile track.
As you exercise, the in-
dicators around the track
IO@I@@Q@O I
O@OOOOOOaO
@O0000OO0@
@O0000OO0@
O00OOOO00@
O000oooo@o
0000@@00
will light, one at a time, until the entire track is lit.
The track will then darken and begin to light again.
Speed display--This
display shows the speed
of the walking belt. Note:
When the KM/H indica-
tor is lit, the console will
display speed and dis-
tance in kilometers; when the KM/H indicator _s
net lit, the console will display speed and distance
in miles.
10

To change the unit of
measurement, first hold
down the Stop button
while inserting the key
into the console. An "E"
for English miles or an
'M" for metric kilometers will appear in the Speed
display. Press the Speed/\ button to change the
unit of measurement. When the desired unit of
measurement is selected, remove the key.
Calories/Pulse
display--This display
shows the approximate
numbers of calories and
fat calories you have
burned (see FAT BURN
ING on page 24). The
display will change from one number to the other
every few seconds. The display will also show
your hear_ rate when you use the handgrip pulse
sensor or the optional chest pulse sensor.
CALORIE5
tt_lt-I
O FAT C_:_L_
O PULSEq)
0--e,,nc,°e0,,/i.....
play--This display I
shows the distance that I.
you have walked or run O'NCL'NE
and the incline level of ......
the treadmill. The display
will change from one number to the other every
few seconds. Note: Each time the incline changes,
the display will show the incline setting for several
seconds•
Time/Pace display--
When the manual mode
orthe iFIT.com mode is
selected, this display will
show the elapsed time
and your current pace
(pace is measured in minutes per mile). The dis-
play will change from one number to the other
every few seconds. When a preset program or a
heart rate program is selected, the display will
show the time remaining in the program rather
than the elapsed time.
TIME
Measure your heart rate if desired.
You can measure your heart rate using either the
handgdp pulse sensor or the optional chest pulse
sensor
To use the hand-
grip pulse sen-
sor, first make
sure that your
hands are clean.
Next, stand on
the foot rails
and place your
hands on the
d.o': [?
metal contacts on the handgrip pulse sensor, Your
palms should be resting on the contacts• Avoid
moving your hands. When your pulse is detected,
two dashes ( ) will appear in the Calories/Pulse
display, and then your heart rate will be shown•
For the most accurate heart rate reading, con-
tinue to hold the contacts for about 15 sec-
onds.
BTurn on the fan if desired.
To turn on the fan, press the button below the fan.
To turn on the fan at high speed, press the button
a second time To turn off the fan, press the but-
ton a third time Note: A few minutes after the
walking belt is stopped, the fan will automatically
turn off
[]When you are finished exercising, remove the
key from the console.
Step onto the foot rails, press the Stop button, and
adjust the incline of the treadmill to the lowest
setting. The incline must be at the lowest setting
when the treadmill is folded to the storage posi-
tion or the treadmill will be damaged. Next, re-
move the key from the console and put it in a se-
cure place. Note: If the displays and various indi-
cators on the console remain lit after the key is
removed, the console is in the "demo" mode.
See page 20 and turn offthe demo mode.
To reset the displays, press the Stop button, re-
move the key, and then reinsert the key. When you are finished using the treadmill, move
the on/off circuit breaker switch near the power
cord to the off position and unplug the power cord.
11

HOW TO USE PRESET PROGRAMS
_1 Insert the key fully into the console.
See HOW TO TURN ON THE POWER on page
10.
BSelect one of the preset programs.
When the key
is inserted, the
manual mode
will be se-
lected. To se-
lect a preset
program, p ....: t
press the Program Select button repeatedly until
one of the six preset program indicators lights.
When a preset program is selected, the Speed
display will flash the maximum speed setting of
the program, and the Distance/Incline display will
flash the maximum incline setting, for six seconds.
The Time/Pace display will show how long the
program will last.
The matrix will show
the first seven speed
settings of the program.
Note: The profiles
below the matrix show
how the speed and in
cling of the treadmill
0000©00000
ICODOOOOOOD
iOOOOOOOOOO
iOOOOOO_@O1
!OOOQO_@OOO
iOOOO_eOOO
will change during the programs.
[]Press the Start button orthe Speed A button to
start the program.
A moment after the button is pressed, the tread-
mill will automatically adjust to the first speed and
incline settings of the program. Hold the handrails
and begin walking.
Each program is divided into several time seg-
ments of different lengths. One speed setting and
one incline setting are programmed for each seg-
ment. Note: The same speed setting and/or in-
cline setting may be programmed for consecutive
segments.
The speed setting for the
first segment is shown in
the flashing Current
Segment column of the
matrix (The incline set
tings are not shown in
the matrix) The speed
settings for the next
seven segments are
Current Segment
0o ©o©ooQo
©© ©©o©@Qo
OO 000_
O0 _@O_O_O
shown in the seven columns to the right.
When only three seconds remain in the first seg-
ment of the program, both the Current Segment
column and the column to the right will flash and a
series of tones will sound. In addition, if the speed
and/or incline of the treadmill is about to change,
the Speed display and/or the Distance/Incline dis
play will flash to alert you. When the first segment
is completed, all speed settings will move one col-
umn to the left. The speed setting for the second
segment will then be shown in the flashing Current
Segment column and the treadmill will automati
cally adjust to the speed and incline settings for
the second segment. Note: If all of the indicators in
the Current Segment column are lit after the speed
settings have moved to the left, the speed settings
will move downward so that only the highest indi-
cators appear in the matrix. If some of the indica
tors in the Current Segment column are not lit
when the speed settings move to the left again, the
speed settings will move back up.
The program will continue in this way until the
speed setting for the last segment is shown in the
Current Segment column of the matrix and the
Time/Pace display counts down to zero. The walk-
ing belt will then slow to a stop.
If the speed or incline setting is too high or too low
at any time during the program, you can manually
override the setting by pressing the Speed or
Incline buttons. Every few times a Speed button is
pressed, an additional indicator will light or darken
in the Current Segment column. (If any of the
columns to the right of the Current Segment col-
umn have the same number of lit indicators as the
Current Segment column, an additional indicator
may light or darken in those columns as well.)
Note: When the next segment of the program
begins, the treadmill will automatically adjust
to the speed and incline settings for the next
segment.
12

To stop the program temporarily, press the Stop
button. The Time/Pace display will begin to flash.
To restart the program, press the Start button or
the Speed A button To end the program, press
the Stop button, remove the key, and then reinsert
the key.
BFollow your progress with the displays.
See step 5 on page 1El
[]Measure your heart rate if desired.
See step 6 on page 11
r_ Turn on the fan if desired.
See step 7 on page !1.
B When the program is finished, remove the key
from the console.
When the program has ended, make sure that
the incline of the treadmill is at the lowest set-
ting. Next, remove the key from the console and
put it in a safe place. Note: If the displays and
various indicators on the console remain lit
after the key is removed, the console is in the
"demo" mode. Refer to page 20 and turn off the
demo mode.
When you are finished using the treadmill, move
the on/off circuit breaker switch near the power
cord to the off position and unplug the power cord.
HOW TO USE HEART RATE PROGRAMS
CAUTION: If you have heart prob-
lems, or if you are over 60 years Of age and
have been inactive, do not use the heart rate
programs. If you are taking medication regu-
larly, consult your physician to find whether the
medication will affect your exercise heart rate.
Follow the steps below to use a heart rate program.
Note: You must wear the optional chest pulse sen-
sor (see page 20) to use a heart rate program.
B Put on the chest pulse sensor.
See the instructions included with the optional
chest pulse sensor.
B Insert the key fully into the console.
See HOW TO TURN ON THE POWER on page
10.
_'1 Select aheart rate program.
When the key
is inserted, the
manual mode
will be se-
lected. To se-
lect a heart
rate program,
press the Program Select button repeatedly until
one of the two heart rate program indicators lights,
The two profiles on the left side of the matrix show
how the target heart rate will change during the
programs. During heart rate program 1, your heart
rate will reach approximately 85% of your esti-
mated maximum heart rate; during heart rate pro-
gram 2, your heart rate will reach approximately
80% of your estimated maximum heart rate.
Note: Your estimated maximum heart rate is de-
termined by subtracting your age from 220. For
example, if you are 30 years old, your estimated
maximum heart rate is 190 beats per minute
(220 - 30 = 190),
13

During heart rate pro
grams, the matrix will
show a graphic that
represents your heart
rate. Each time a heart
beat is detected, an ad
ditional peak will ap
pear.
9000OO0000
DO@OO©O©OO
DO@O©O000C
DOQO00OO00
I@OQO_OO0_
DOO000_
BEnter your age and a maximum speed setting.
When a heart rate pro-
gram is selected, the
word "AGE" and the
current age setting will
flash in the Calories/
Pulse display. If you
have already entered
I-II- I-]
qr21r2
0 puLs_
your age, simply press the Enter Age button. If
you have not entered your age, press the A and _7
buttons beside the Enter Age button to enter your
age. Then, press the Enter Age button.
After you have entered
your age, the letters
"SPd" and the maxi-
mum speed setting of
the program will flash in
the Calories/Pulse dis-
play. If desired, press
CALORI_
1_1727-1II
O'P"¢_T C_LS
0 PU_-SE q9
the A and V buttons beside the Enter Age button
to adjust the maximum speed setting. When the
desired setting is shown, press the Enter Age but-
ton.
Press the Start button or the Speed Abutton to
start the program.
A moment after the button is pressed, the tread-
mill will automatically adjust to the first speed and
incline settings of the program. Hold the handrails
and begin walking.
Each heart rate program is divided into several time
segments of different lengths. One target heart rate
is programmed for each segment.
During each segment, the console will regularly
compare your heart rate to the current target heart
rate. If your heart rate is too far below or above
the target heart rate, the speed of the treadmill will
automatically increase or decrease to bring your
heart rate closer to the target heart rate, If the
speed reaches the maximum speed setting of the
program (see step 4 at the left) and your heart
rate is still too far below the current target heart
rate, the incline of the treadmill will also _ncrease
to bring your heart rate closer to the target heart
rate.
During the last three seconds of each segment, a
series of tones will sound and the Speed display
and the Distance/Incline display will flash.
The program will continue until no time remains in
the program. The walking belt will then slow to a
stop.
If the speed or incline setting is too high or too low
at any time during the program, you can adjust the
setting with the Speed or Incline buttons. However,
each time the console compares your heart rate to
the current target heart rate, the speed and/or in-
cline of the treadmill may automatically change to
bring your heart rate closer to the target heart
rate.
If your pulse is not detected during the program,
the letters "PLS" will flash in the Calories/
Pulse display and the speed and incline of the
treadmill may automatically decrease until your
pulse is detected. If this occurs, refer to the instruc-
tions included with the optional chest pulse sensor.
To stop the program at any time, press the Stop
button. Heart rate programs cannot be stopped
temporarily and then restarted. To use a heart rate
program again, reselect the program and start it at
the beginning.
r_ Follow your progress with the displays.
See step 5 on page 10
BTurn on the fans if desired.
See step 7 on page 11.
[]When the program is finished, remove the key
from the console.
See step 7 on page 13.
14

HOW TO CONNECT THE TREADMILL TO YOUR
CD PLAYER, VCR, OR COMPUTER
To use iFIT.com CDs, the treadmill must be connected
to your portable CD player, portable stereo, home
stereo, or computer with CD player. See pages 15 and
16 for connecting instructions. To use iFIT.com video-
cassettes, the treadmill must be connected to your
VCR. See page 17 for connecting instructions. To use
iFIT.com programs directly from our internet site,
the treadmill must be connected to your home com-
puter. See page 16 for connecting instructions.
HOW TO CONNECT YOUR PORTABLE CD PLAYER
Note: If your CD player has separate LINE OUT and
PHONES jacks, see instruction A below. If your CD
player has only one jack, see instruction B.
A. Plug one end of the audio cable into the jack on the
front of the treadmill near the power cord. Plug the
other end of the cable into the LINE OUT jack on
your CD player. Plug your headphones into the
PHONES jack.
A
i_] @i A udio ;phones
B. Plug one end of the audio cable into the jack on the
front of the treadmill near the power cord. Plug the
other end of the cable into a 3.5mm Y-adapter (avail
able at electronics stores). Plug the Y-adapter into
the PHONES jack on your CD player. Plug your
headphones into the other side of the Y-adapter.
h u
i@@ Audio
Cable
Head_
HOW TO CONNECT YOUR PORTABLE STEREO
Note: If your stereo has an RCA-type AUDIO OUT
jack, see instruction A below. If your stereo has a
3.5mm LINE OUT jack, see instruction B. If your
stereo has only a PHONES jack, see instruction C.
A. P{ug one end of the audio cable into the jack on the
front of the treadmill near the power cord. Plug the
other end of the cable into the included adapter. Plug
the adapter into an AUDIO OUT jack on your stereo.
A
! .................
i@@ Audio
, Cable Adapter
B. Plug one end of the audio cable into the jack on the
front of the treadmill near the power cord. Plug the
other end of the cable into the LINE OUT jack on
your stereo.
B
It"
I
t........... •
Aud,o
C. Plug one end of the audio cable into the jack on the
front of the treadmill near the power cord. Plug the
other end of the cable into a 3.5ram Y-adapter
(available at electronics stores). Plug the Y-adapter
into the PHONES jack on your stereo. Plug your
headphones into the other side of the Y-adapter.
C
,................. 3.5mm
i_]@::i _ Audio Y-adapter
! @ ['_--_ i Ca,ble )ter [
15

HOW TO CONNECT YOUR HOME STEREO
Note: If your stereo has an unused LINE OUT jack,
see instruction Abelow. If the LINE OUT jack is
being used, see instruction B.
A. Plug one end of the audio cable into the jack on the
front of the treadmill near the power cord. Plug the
other end of the cable into the included adapter.
Plug the adapter into the LINE OUT jack on your
stereo.
A
iLINEOUT(_) i
:............L.:
i_ (_i Audio Adapter_
!_i Cable ,"
B. Plug one end of the audio cable into the jack on the
front of the treadmill near the power cord. Plug the
other end of the cable into the included adapter.
Plug the adapter into an RCA Y-adapter (available
at electronics stores). Next, remove the wire that is
currently plugged into the LINE OUT jack on your
stereo and plug the wire into the unused side of the
Y-adapter. Plug the Y-adapter into the LINE OUT
jack on your stereo.
B
[d-:::b -,
q
.................: RCA
i![_-'] @i Audio Y-adapter,
::(_ _ _ Cable Adapter
Wire removed from
LINE OUT jack
HOW TO CONNECT YOUR COMPUTER
Note: If your computer has a 3.5mm LINE OUT jack,
see instruction A. If your computer has only a
PHONES jack, see instruction B.
A. Plug one end of the audio cable into the jack on the
front of the treadmill near the power cord. Plug the
other end of the cable into the LINE OUT jack on
your computer.
A
(Shi Audio
!_ _ ] Cable
m
q
B. Plug one end of the audio cable into the jack on the
front of the treadmill near the power cord. Plug the
other end of the cable into a 3.5mm Y-adapter
(available at electronics stores). Plug the Y-adapter
into the PHONES jack on your computer. Plug your
headphones or speakers into the other side of the
Y-adapter.
h.................:A
i r_ (_i Audio = 3.5mm
i Cable--=Y-adapte
Head phones/Spea kers--a_c:]D -_
16

HOW TO CONNECT YOUR VCR
Note: If your VCR has an unused AUDIO OUT jack,
see instruction A below. If the AUDIO OUT jack is
being used, see instruction B. If you have a TV
with a built-in VCR, see instruction B. If your VCR
is connected to your home stereo, see HOW TO
CONNECT YOUR HOME STEREO on page 16.
A. Plug one end of the audio cable into the jack on the
front of the treadmill near the power cord. Plug the
other end of the cable into the included adapter.
Plug the adapter into the AUDIO OUT jack on your
VCR.
HOW TO USE IFIT.COM CD AND VIDEO
PROGRAMS
To use iFIT.corn CDs or videocassettes, the treadmill
must be connected to your portable CD player, portable
stereo, home stereo, computer with CD player, or
VCR. See HOW TO CONNECT THE TREADMILL TO
YOUR CD PLAYER, VCR, OR COMPUTER on pages
15 to 17. Note: To purchase iFIT.com CDs or video-
cassettes, call toll-free 1-800-735-0768.
Follow the steps below to use an iFI F.com CD or video
program.
A
*u_c0JT
i__) Audio Adapter_
B. Plug one end of the audio cable into the jack on the
front of the treadmill near the power cord. Plug the
other end of the cabte into the included adapter.
Plug the adapter into an RCA Y-adapter (available
at electronics stores). Next, remove the wire that is
currently plugged into the AUDIO OUT jack on your
VCR and plug the wire into the unused side of the
Y-adapter. Plug the Y-adapter into the AUDIO OUT
jack on your VCR.
[]
[]
[]
Insert the key into the console.
See HOW TO TURN ON THE POWER on page 11.
Select the iFIT,com mode.
When the key
is inserted, the
manual mode
will be se-
lected. To use
iFIT.com CDs
or videocas-
settes, press the iFIT.com button. The iFIT.com
indicator will light.
Insert the iFIT.com CD or videocassette.
if you are using an iFIT.com CD, insert the CD
into your CD player. If you are using an iFIT.com
videocassette, insert the videocassette into your
VCR.
..................: RCA Y-adapter-
@@! Audio
' Cable Adapter
Wire removed from-_.,-[_]=--'
AUDIO OUT jack
B Press the PLAY button on your CD player or
VCR.
A moment after the button is pressed, your per-
sonal trainer will begin guiding you through your
workout. Simply follow your personal trainer's
instructions. Note: If the Time/Pace display is
flashing, press the Start button or the Speed z&
button on the console. The treadmill will not re-
spond to a CD or video program when the
Time/Pace display is flashing.
During the CD or video program, an electronic
"chirping" sound will alert you when the speed
and/or incline of the treadmill is about to change.
CAUTION: Always listen for the "chirp" and be
prepared for speed and/or incline changes, In
some instances, the speed and/or incline may
change before the personal trainer describes
the change.
17

If the speed or incline settings are too high or too
low, you can manually override the settings at any
time by pressing the Speed or Incline buttons on
the console. However, when the next "chirp" is
heard, the speed and/or incline will change to
the next settings of the CD or video program.
To stop the walking belt at any time, press the
Stop button on the console. The Time/Pace dis-
play will begin to flash. To restart the program,
press the Start button or the Speed A button. After
a moment, the walking belt will begin to move at 1
mph. When the next "chirp" is heard, the
speed and incline will change to the next set-
tings of the CD or video program.
When the CD or video program is completed, the
walking belt will stop and the Time/Pace display
will begin to flash. Note: To use another CD or
video program, press the Stop button or remove
the key and go to step 1 on page 17.
Note: If the speed or incline of the treadmill
does not change when a "chirp" is heard:
•Make sure that the iFIT.com indicator is lit and
that the Time/Pace display is not flashing. If
the Time/Pace display is flashing, press the
Start button orthe Speed Abutton on the
console.
•Adjust the volume of your CD player or VCR.
If the volume is too high ortoo low, the con-
sole may not detect the program signals.
•Make sure that the audio cable is properly
connected, that it is fully plugged in, and that
it is not wrapped around a power cord.
• If you are using your portable CD player and
the CD skips, set the CD player on the floor or
another flat surface instead of on the console.
[]Follow your progress with the track and the
displays.
See step 5 on page 10.
r_ Measure your heart rate if desired.
See step 6 on page 11.
BTurn on the fans if desired.
See step 7 on page 11.
When the program is completed remove the
key.
See step 7 on page 13.
CAUTION: Always remove iFIT.com CDs and
videocassettes from your CD player and VCR
when you are finished using them.
18

HOW TO USE PROGRAMS DIRECTLY FROM
OUR WEB SITE
To use programs from our Web site, the treadmill must
be connected to your home computer. See HOW TO
CONNECT YOUR COMPUTER on page 16. In addi-
tion, you must have an internet connection and an in-
ternet service provider. A list of specific system re-
quirements is found on our Web site.
Follow the steps below to use a program from our
Web site.
BInsert the key into the console.
See HOW TO TURN ON THE POWER on page 10.
[] Select the iFIT.com mode.
When the key
is inserted, the
manual mode
will be se-
lected. To use
a program
from our Web
i 'ore
site, press the iFIT,com button. The iFIT.com indi-
cator will light.
]Go to your computer and start an intereet
connection.
B Start your web browser, if necessary, and go to
our Web site at www.iFIT.com.
_'4_ Follow the desired links on our Web site to se-
lect a program.
Read and follow the on-line instructions for using a
program.
r_ Follow the on-line instructions to start the
program.
When you start the program, an on-screen count-
down will begin.
B Return to the treadmill and stand on the foot
pads. Find the clip attached to the key and slide
the clip onto the waistband of your clothes.
When the on-screen countdown ends, the program
will begin and the walking belt will begin to move.
Hold the handrails, step onto the walking belt, and
begin walking. During the program, an electronic
"chirping" sound will alert you when the speed
and/or incline of the treadmill is about to change.
CAUTION: Always listen for the "chirp" and be
prepared for speed andlor incline changes.
If the speed or incline settings are too high or too
low, you can manually override the settings at any
time by pressing the Speed or Incline buttons on
the console. However, when the next "chirp" is
heard, the speed and/or incline will change to
the next settings of the program.
To stop the walking belt at any time, press the
Stop button on the console. The Time/Pace dis-
play will begin to flash. To restart the program,
press the Start button or the Speed A button. After
a moment, the walking belt will begin to move at 1
mph. When the next "chirp" is heard, the speed
and incline will change to the next settings of
the program.
When the program is completed, the walking belt
will stop and the Time/Pace display will begin to
flash. Note: To use another program, press the
Stop button and go to step 5.
Note: If the speed or incline of the treadmill
does not change when a "chirp" is heard, make
sure that the iFIT.com indicator is lit and that
the Time/Pace display is not flashing. In addi-
tion, make sure that the audio cable is properly
connected, that it is fully plugged in, and that it
is not wrapped around a power cord.
[]Follow your progress with the track and the
displays.
See step 5 on page 10.
[]When the program has ended, remove the key.
See step 7on page 13.
19

THE INFORMATION MODE/DEMO MODE
The console features an information mode that keeps
track of the total number of hours that the treadmill has
been operated and the total number of miles that the
walking belt has moved. The information mode also al-
lows you to switch the console from miles per hour to
kilometers per hour. In addition, the information mode
allows you to turn on and turn offthe demo mode.
To select the information mode, hold down the Stop
button while inserting the key into the console. When
the information mode is selected, the following informa-
tion will be shown:
The Distance/Incline display
will show the total number of
miles (or kilometers) that the
walking belt has moved.
DISq',qNCE
O INCUN_
l/ ......
The Time/Pace display will
show the total number of
hours the treadmill has been
used.
TIME
I-I -I
-I/_-
OPACE MI_ /r,_l_
An "E" for English miles or
an "M" for metric kilometers
will appear in the Speed dis-
play. Press the Speed A but-
ton to change the unit of
measurement.
IMPORTANT: The
Calories/Pulse display iAL°_'____/
should be blank. If a "d" ap-
pears in the display, the con- OFRT C_L_
sole is in the "demo" mode. O'=ULSE
This mode is intended to be
used only when a treadmill is displayed in a store.
When the console is in the demo mode, the power cord
can be plugged in, the key can be removed from the
console, and the displays and indicators on the console
will automatically light in a preset sequence, although
the buttons on the console will not operate. If a "d" ap-
pears in the Calories/Pulse display when the infor-
mation mode is selected, press the Speed Vbutton
so the display is blank.
To exit the information mode, remove the key from the
console.
THE OPTIONAL CHEST PULSE SENSOR
An optional chest pulse sensor adds even more
features to the console. The chest pulse sensor provides
hands-free operation and allows the console's heart
rate programs to be used. To purchase the optional
chest pulse sensor, call toll-free 1-800-734-2377.
HOW TO LEVEL THE TREADMILL
If the treadmill wheels are touching the floor or if the
treadmill rocks slightly, turn one or both of the leveling
feet under the upright base until the wheels are off the
floor and the rocking motion is eliminated. Note: If nec-
essary, tip the treadmill and use a phillips screwdriver
to turn the leveling feet.
_Leveling
Whe_ et
2O

HOW TO FOLD AND MOVE THE TREADMILL
HOW TO FOLD THE TREADMILL FOR STORAGE
Before folding the treadmill, adjust the incline to the
lowest position. If this is not done, the treadmill may be per-
manently damaged. Next, unplug the power cord. CAUTION:
You must be able to safely lift 45 pounds (20 kg) in order to
raise, lower, or move the treadmill.
1. Hold the treadmill with your hands in the locations shown at the
right. To decrease the possibility of injury, bend your legs
and keep your back straight. As you raise the treadmill,
make sure to lift with your legs rather than your back.
Raise the treadmill about halfway to the vertical position.
2. Move your right hand to the position shown and hold the
treadmill firmly. Using your left hand, pull the latch knob to
the left and hold it. Raise the treadmill until the frame is past
the latch pin. Slowly release the latch knob. Make sure that
the frame is securely held by the latch pin.
To protect the floor or carpet from damage, place a mat
under the treadmill. Keep the treadmill out of direct sun-
light. Do not leave the treadmill in the storage position in
temperatures above 85 ° Fahrenheit.
Engaged
Knob
Latch Pin i
HOW TO MOVE THE TREADMILL
Before moving the treadmill, convert the treadmill to the storage
position as described above. Make sure that the frame is se-
curely held by the latch pin.
1. Hold the upper ends of the handrails. Place one foot on the
base as shown.
2. Tilt the treadmill back until it rolls freely on the front wheels.
Carefully move the treadmill to the desired location. To re-
duce the risk of injury, use extreme caution while mov-
ing the treadmill. Do not move the treadmill over an un-
even surface.
3. Place one foot on the base, and carefully lower the treadmill
until it is resting in the storage position. S
HOW TO LOWER THE TREADMILL FOR USE
1. See drawing 2 above. Hold the upper end of the treadmill with your right hand. Pull the latch knob to the left
and hold it. Pivot the treadmill down until the frame is past the latch pin.
2. See drawing 1 above. Hold the treadmill firmly with both hands, and lower the treadmill to the floor.
CAUTION: To decrease the possibility of injury, bend your legs and keep your back straight.
21

TROUBLESHOOTING
Most treadmill problems can be solved by following the simple steps below. Find the symptom that
applies, and follow the steps listed. If further assistance is needed, call toll-free 1-800-4-MY-HOME "_
(1-800-469-4663).
PROBLEM: The power does not turn on
Make sure that the power cord is plugged into a surge suppressor, and that the surge suppressor
is plugged into a properly grounded outlet (see page 8). Use only a single-outlet surge suppressor
that meets al! of the specifications described on page 8. Important: The treadmill is not compatible
with GFCI-equipped outlets.
SOLUTION: a,
b.
c.
After the power cord has been plugged in, make sure that the key is fully inserted into the console.
Check the on/off circuit breaker located on the
treadmill frame near the power cord. If the switch
protrudes as shown, the on/off circuit breaker has
tripped. To reset the on/off circuit breaker, wait for
five minutes and then press the switch back in.
PROBLEM: The power turns off during use 1
Tripped
SOLUTION: a. Check the on/off circuit breaker (see the drawing above), If the on/off circuit breaker has tripped,
wait for five minutes and then press the switch back in.
b. Make sure that the power cord is plugged in. If the power cord is plugged in, unplug it, wait for
five minutes, and then plug it back in.
c. Remove the key from the console. Reinsert the key fully into the console.
d. If the treadmill still will not run, please call toll-free 1-800-4-MY-HOME _ (1-800-469 4663).
PROBLEM: The incline of the treadmill does not change correctly
SOLUTION: a. With the key in the console, press one of the Incline buttons. While the incline is changing, re-
move the key. After afew seconds, re-insert the key. The treadmill will automatically rise to the
maximum incline level and then return to the minimum level• This will recalibrate the incline system.
PROBLEM: The console is too high ortoo low
SOLUTION: a. See assembly step 7 on page 7.
PROBLEM: The treadmill rocks during use
SOLUTION: a. See HOW TO LEVEL THE TREADMILL on page 20.
PROBLEM: The displays of the console do not function properly
SOLUTION: a. Remove the key from the console and UNPLUG THE
POWER CORD. With the help of a second person,
carefully tip the Upright Base (97) down as shown.
Remove the three Hood Screws (44).
22

With the help of a second person, carefully raise the
Upright Base (97) as shown. Carefully pivot the Hood
(123) off. \L/97
/
K
Locate the Reed Switch (22) and the Magnet (19) on
the left side of the Pulley (18). Turn the Pulley until the
Magnet is aligned with the Reed Switch. Make sure
that the gap between the Magnet and the Reed
Switch is about 1/8". If necessary, loosen the Screw
(23) and move the Reed Switch slightly. Retighten the
Screw. Reattach the Hood, and run the treadmill for a
few minutes to check for a correct speed reading.
PROBLEM: The walking belt slows when walked on
1/8" 2_3/
22_ i
E
Top
View
SOLUTION: a. Use only a single-outlet surge suppressor that meets all of the specifications described on page 8.
b. If the walking belt is overtightened, treadmill perfor-
mance may decrease and the walking belt may be-
come damaged. Remove the key and UNPLUG THE
POWER CORD. Using the allen wrench, turn both
rear roller adjustment bolts counterclockwise, 1/4 of a
turn. When the walking belt is properly tightened, you
should be able to lift each side of the walking belt 2 to
3 inches off the walking platform. Be careful to keep
the walking belt centered. Plug in the power cord, in-
sert the key, and run the treadmill for a few minutes.
Repeat until the walking belt is properly tightened. Rear Roller Adjustment Bolts
c. If the walking belt still slows when walked on, please call toll-free 1-800-4-MY-HOME" (1-800-
469-4663).
PROBLEM: The walking belt is off-center or slips when walked on
SOLUTION: a. If the walking belt is off-center, first remove the key
and UNPLUG THE POWER CORD. If the walking
belt has shifted to the left, use the allen wrench to
turn the left rear roller bolt clockwise 1/2 of a turn; if
the walking belt has shifted to the right, turn the
bolt counterclockwise 1/2 of a turn. Be careful not to
overtighten the walking belt. Plug in the power cord,
insert the key, and run the treadmill fora few minutes.
Repeat until the walking belt is centered.
b. If the walking belt slips when walked on, first re-
move the key and UNPLUG THE POWER CORD.
Using the allen wrench, turn both rear roller bolts
clockwise, 1!4 of a turn. When the walking belt is cor-
rectly tightened, you should be able to lift each side of
the walking belt 2 to 3 inches off the walking platform.
Be careful to keep the walking belt centered. Plug in
the power cord, insert the key, and carefully walk on
the treadmill for a few minutes. Repeat until the walk-
ing belt is properly tightened.
23
b

CONDITIONING GUIDELINES
WARNI NG: Beforebeginning this
or any exercise program, consult your physi-
cian. This is especially important for individu-
als over the age of 35 or individuals with pre-
existing health problems.
The pulse sensor is not a medical device.
Various factors, including your movement,
may affect the accuracy of heart rate readings.
The sensor is intended only as an exercise aid
in determining heart rate trends in general.
The following guidelines will help you to plan your ex-
ercise program. For more detailed exercise informa-
tion, obtain a reputable book or consult your physician.
EXERCISE INTENSITY
Whether your goal is to burn fat or to strengthen your
cardiovascular system, the key to achieving the
desired results is to exercise with the proper intensity.
The proper intensity level can be found by using your
heart rate as a guide The chart below shows recom-
mended heart rates for fat burning and aerobic exercise.
HEART RATE TRAINING ZONES
AEROBIC 165 155 145 140 130 125 115
MAX FAT t}URN 145 138 130 125 118 110 103
FAT 8URN 125 120 115 110 105 95 90
Age 20 30 40 50 60 70 80
To find the proper heart rate for you, first find your age
near the bottom of the chart (ages are rounded off to
the nearest ten years). Next, find the three numbers
above your age. The three numbers define your "train-
ing zone." The lower two numbers are recommended
heart rates for fat burning; the higher number is the
recommended heart rate for aerobic exercise.
To measure your heart rate during exercise, use the
pulse sensor. If your heart rate is too high or too low,
adjust the speed and incline of the treadmill.
Fat Burning
To burn fat effectively, you must exercise at a relatively
low intensity level for a sustained period of time.
During the first few minutes of exercise, your body
uses easily accessible carbohydrate calories for en-
ergy. Only after the first few minutes does your body
begin to use stored fat calories for energy. If your goal
is to burn fat, adjust the speed and incline of the tread-
mill until your heart rate is near the lowest number in
your training zone.
For maximum fat burning, adjust the speed and incline
of the treadmill until your heart rate is near the middle
number in your training zone.
Aerobic Exercise
If your goal is to strengthen your cardiovascular sys-
tem, your exercise must be "aerobic." Aerobic exercise
is activity that requires large amounts of oxygen for
prolonged periods of time. This increases the demand
on the heart to pump blood to the muscles, and on the
lungs to oxygenate the blood. For aerobic exercise,
adjust the speed and incline of the treadmill until your
heart rate is near the highest number in your training
zone.
WORKOUT GUIDELINES
Each workout should include the following three parts:
AWarm-up--Start each workout with 5 to 10 minutes
of stretching and light exercise. A proper warm-up in-
creases your body temperature, heart rate and circula-
tion in preparation for exercise.
Training Zone Exercise--After warming up, increase
the intensity of your exercise until your pulse is in your
training zone for 20 to 60 minutes. (During the first few
weeks of your exercise program, do not keep your
pulse in your training zone for longer than 20 minutes.)
Breathe regularly and deeply as you exercise--never
hold your breath.
A Cool-down--Finish each workout with 5 to 10 min-
utes of stretching to cool down. This will increase the
flexibility of your muscles end will help prevent post-
exercise problems.
EXERCISE FREQUENCY
To maintain or improve your condition, complete three
workouts each week, with at least one day of rest be-
tween workouts. After a few months, you may com-
plete up to five workouts each week if desired. The key
to success is to make exercise a regular and enjoyable
part of your everyday life.
24

SUGGESTED STRETCHES
The correct form for several basic stretches is shown at the right. Move slowly as you stretch--never bounce.
1. Toe Touch Stretch
Stand with your knees bent slightly and slowly bend forward from
your hips. A_low your back and shoulders to relax as you reach
down toward your toes as far as possible. Hold for 15 counts, then
relax. Repeat 3 times. Stretches: Hamstrings, back of knees and
back.
2. Hamstring Stretch
Sit with one leg extended. Bring the sole of the opposite foot toward
you and rest it against the inner thigh of your extended leg. Reach
toward your toes as far as possible. Hold for 15 counts, then relax.
Repeat 3 times for each leg. Stretches: Hamstrings, lower back and
groin.
3. Calf/Achilles Stretch
With one leg in front of the other, reach forward and place your
hands against a wall. Keep your back leg straight and your back
foot flat on the floor. Send your front leg, lean forward and move
your hips toward the wall. Hold for 15 counts, then relax. Repeat 3
times for each leg. To cause further stretching of the achilles ten-
dons, bend your back leg as well. Stretches: Calves, achilles ten-
dons and ankles.
4. Quadriceps Stretch
With one hand against a wall for balance, reach back and grasp
one foot with your other hand. Bring your heel as close to your but-
tocks as possible. Hold for 15 counts, then relax. Repeat 3 times for
each leg. Stretches: Quadriceps and hip muscles.
5. Inner Thigh Stretch
Sit with the soles of your feet together and your knees outward. Pull
your feet toward your groin area as far as possible. Hold for 15
counts, then relax. Repeat 3 times. Stretches: Quadriceps and hip
muscles.
2
25

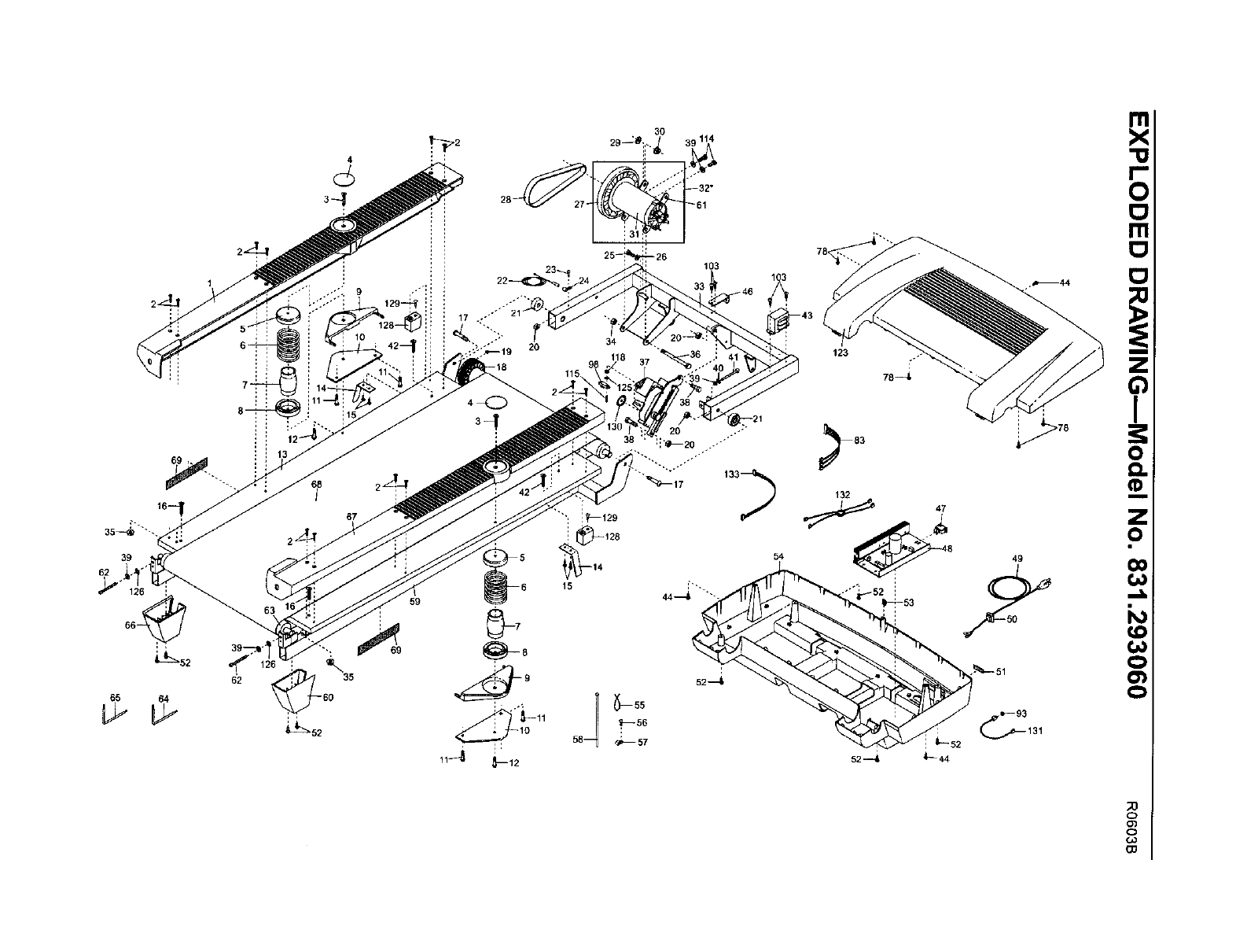
PART LISTmModel No. 831.293060 Ro6o3B
To locate the parts listed below, refer to the EXPLODED DRAWING attached in the center of this manual.
Key No. Qty. Description Key No. Qty. Description
1 1 Left Foot Rail 51 2 Static Decal
212 Foot Rail Screw 52 10 3/4" Tek Screw
3 2 Isolator Bolt (Top) 53 1 Belly Pan Clip
4 2 Isolator Decal 54 1 Belly Pan
5 2 Isolator Top Cap 55 1 Releasable Tie
6 2 Isolator Spring 56 1 Clamp Screw
7 2 Isolator 57 1 Tie Holder Clamp
8 2 Isolator Bottom Cap 58 1 Cable Tie
9 2 Isolator Bracket Cover 59 1 Frame
10 2 Isolator Bracket 60 1 Right Rear Foot
11 4 Isolator Bracket Bolt 61 1 Motor Bracket
12 2 Isolator Bolt 62 2 Rear Roller Adj, Bolt
13 1 Walking Platform 63 1 Rear Roller
14 2 Belt Guide 64 1 Allen Wrench
15 4 Belt Guide Screw 65 1 5/32" Alien Wrench
16 2 Walking Platform Screw (Rear) 66 1 Left Rear Foot
17 2 Frame Pivot Bolt 67 1 Right Foot Rail
18 1 Front Roller/Pulley 68 1 Walking Belt
19 1 Magnet 69 2 Warning Decal
20 8 Pivot Nut 70 1 Pulse Wire
21 2 Pivot Bushing 71 1 Pulse Bar
22 1 Reed Switch 72 4 Pulse Bar Screw
23 1 Reed Switch Screw 73 1 iFIT.com CD
24 1 Reed Switch Clip 74 1 Wire Harness
25 1 Motor Tension Bolt]Lift Pivot 75 1 Right Top Endcap
26 1 Motor Tension Washer 76 4 Console Bolt
27 1 Pulley/Flywheel/Fan 77 4 Internal Star Washer
28 1 Motor Pulley 78 5 Hood Cover Screw
29 1 Motor Star Washer 79 2 Upright Spacer
30 1 Motor Tension Nut 80 1 Right Upright
31 1 Motor 81 1 Right Top Endcap
32* 1 Motor Assembly 82 1Latch Assembly
33 1 Lift Frame 83 1 Controller Wire
34 1 Motor Pivot Nut 84 1 Left Upright
35 2 Walking Platform Nut 85 2 Upright Endcap
36 1 Motor Pivot Bolt 86 4 Upright Bolt
37 1 Incline Motor 87 8 U-nut
38 2 Incline Motor Bolt 88 2 Upright Endcap (Lower)
39 10 1/4" Washer 89* 2 Extension Leg Assembly
40 1 Roller Star Washer 90 2 Wheel Bolt
41 1 Front Roller Adj. Bolt 91 2 Warning Decal
42 2 Walking Platform Screw (Front) 92 2 Extension Leg
43 1 Choke 93 1 Small Nut
44 3 Hood Screw 94 2 Wheel
45 1 Console Top 95 2 Leveling Foot
46 1 Hood Bracket 96 4 Extension Leg Bolt
47 1 On/Off Circuit Breaker 97 1 Upright Base
48 1 Controller 98 1 Photo Switch
49 1 Power Cord 99 2 Base Pad
50 1 Power Cord Grommet 100 2 Upright Base Endcap
26

Key No. Qty. Description Key No. Qty. Description
101 1 Console Base 124 1 Console Back
102 2 Lift Frame Pivot Nut 125 1 Photo Switch Star Washer
103 8 Ground Screw/Choke Screw 126 2 Rear Roller Star Washer
104 1 Key Clip 127 4 Upright Star Washer
105 2 Fan Screw 128 2 Front Isolator
106 1 Fan 129 2 Front Isolator Screw
107 1 Console 130 1 Optic Disk
108 44 Screw 131 1 iFIT.com Wire
109 1 Left Tray 132 1 Filter Wire
110 1 CD Holder 133 1 Photo Switch Wire
111 1 Right Tray 134 2 Latch Screw
112 1 iFIT.com Wire 135 2 1" Tek Screw
113 1 iFIT.com Jack 136 1 Right Handrail
114 2 Motor Bracket Bolt # 1 12" Green Wire, FIRing
115 1 Photo Switch Screw # 1 8" Green Wire, 2 Ring
116 1 Left Handrail # 1 8" Red Wire, M/F
117 1 Left Top Handgrip # 1 4" Black Wire, M/F
118 1 Photo Switch Nut # 1 4" Blue Wire, 2F
119 1 Left Bottom Handgrip # 1 User's Manual
120 1 Right Top Handgrip *includes all parts shown in the box
121 1 Right Bottom Handgrip #These parts are not illustrated
122 1 Access Door
123 1 Hood If a part is missing, call toll-free 1-800-999-3756.
PART IDENTIFICATION CHART
Use the drawings below to identify small parts used during assembly. Note: If a part is not in the parts bag,
check to see if it has been preattached to one of the parts to be assembled.
D
1/4" Washer
(39)-4
1©
Internal Star
Washer (77)-4 1" Tek Screw (135)-2
Latch Screw (134)-2 Extension Leg Bolt (96)-4
Console Bolt (76)-4
27

1
7-
39
62
39_ A
62
65 64
35
59
103
123
78_
._44
83
132
o
':;0
o
03
o
(3o

82
71
79
103
95
00_88
72
85
2O
104
105 I
110
45
108
117
k
108
112
,,"_L 108
108
108
122
108
-116
136_44
108 "'""'i ; 108
120 .-'"' , :: '
'"'_'" J._ 108
F,
.o=
0
o
o')
Q
t.,0
W

Your Home
For repair- in your home -of all major brand appliances, lawn and garden equipment,
or heating and cooling systems, no matter who made it, no matter who sold it!
For the replacement parts, accessories, and user's manuals that you need to do-it-yourself.
For Sears professional installation of home appliances
and items like garage door openers and water heaters.
1-600-4-MY-HOME ® Anytime, day or night
(1-800-469-4663) (U.S.A. and Canada)
www.sears.com www.sears.ca
Our Home
For repair of carry-in products like vacuums, lawn equipment,
and electronics, call or go on,line for the location of your nearest
Sears Parts and Repair Center.
1-800-488-1222 Anytime, day or night (U.S.A. only)
www.sears.com
To purchase aprotection agreement (U.S.A.)
or maintenance agreement (Canada) on a product serviced by Sears:
1-800-827-6655 (u,s,A.) 1-800-361-6665 (Canada)
Para pedir servicio de reparaci6n a domicilio, y para ordenar piezas:
1-888-SU-HOGAR sM (188s 784
®Registered Trademark /TMTrademark /SMService Mark of Seam, Roebuck and Co.
®Mama Registreda /TMMama de F&bdca /sMMama de Servicio de Sears, Roebuck and Co.
f
FULL ONE YEAR WARRANTY
For one year from the date of purchase, if failure occurs due to defect in material or workmanship in this
Sears Treadmill Exerciser, contact the nearest Sears Service Center throughout the United States and
Sears will repair or replace the Treadmill Exerciser, free of charge.
This warranty does not apply when the Treadmill Exerciser is used commercially or for rental purposes.
This warranty gives you specific legal rights, and you may also have other rights which vary from state to
state.
Sears, Roebuck and Co., Dept, 817WA, Hoffman Estates, IL 60179
j
Part No. 197207 R0603B Printed in USA © 2003 Sears, Roebuck and Co.