Proform 831297793 User Manual J6SI EKG Manuals And Guides L0802678
PROFORM Treadmill Manual L0802678 PROFORM Treadmill Owner's Manual, PROFORM Treadmill installation guides
User Manual: Proform 831297793 831297793 PROFORM PROFORM J6SI EKG - Manuals and Guides View the owners manual for your PROFORM PROFORM J6SI EKG #831297793. Home:Fitness Equipment Parts:Proform Parts:Proform PROFORM J6SI EKG Manual
Open the PDF directly: View PDF
.
Page Count: 22

Model No. 831.297793
Serial No.
Find the serial number in the location
shown below. Write the serial number
in the space above for reference.
Serial
Decal
EXERCISE
EO u I P M E NT
O
HELPL|NE!
1-800-736-6879
kCAUTION
Read all precautions and instruc-
tions in this manual before using
this equipment. Save this manual
for future reference.
'S AL
SEARS, ROEBUCK AND CO., HOFFMAN ESTATES, IL 60179

®
TABLE OF CONTENTS
IMPORTANT PRECAUTIONS ................................................................. 3
BEFORE YOU BEGIN ....................................................................... 5
ASSEMBLY ............................................................................... 6
OPERATION AND ADJUSTMENT ............................................................. 9
HOW TO FOLD AND MOVE THE TREADMILL .................................................. 14
MAINTENANCE AND TROUBLE-SHOOTING ................................................... 15
CONDITIONING GUIDELINES ............................................................... 17
PART LIST ............................................................................... 19
ORDERING REPLACEMENT PARTS .................................................. Back Cover
FULL 90-DAY WARRANTY ........................................................... Back Cover
Note: An EXPLODED DRAWING is attached in the center of this manual.

iMPORTANT PRECAUTIONS
DANG ER: Toreducetheriskofburns,fire,electricshock,orinju topersons,readthe
following important precautions and information before operating the treadmill.
It is the responsibility of the owner to ensure of 400 volts or less and aminimum surge dis-
that all users of this tread mill are adequately sipation of 450 joules. The surge suppressor
informed of all warnings and precautions, must be electrically rated for 120 volts AC and
15 amps.
2. Use the treadmill only as described in this
manual.
3. Place the treadmill on a level surface, with at
least eight feet of clearance behind it. Do not
place the treadmill on any surface that blocks
air openings. To protect the floor or carpet
12. Keep the power cord and the surge suppres-
sor away from heated surfaces.
13. Never move the walking belt while the power
is turned off. Do not operate the treadmill if
the power cord or plug is damaged, or if the
from damage, place a mat under the treadmill, treadmill is not working properly. (See
BEFORE YOU BEGIN on page 5if the tread-
4. Keep the treadmill indoors, away from mois-
ture and dust. Do not put the treadmill in a
garage or covered patio, or near water.
5. Do not operate the treadmill where aerosol
products are used or where oxygen is being
administered.
6. Keep children under the age of 12 and pets
away from the treadmill at all times.
7. The treadmill should not be used by persons
weighing more than 250 pounds.
8. Never allow more than one person on the
treadmill at a time.
mill is not working properly.)
14. Never start the treadmill while you are stand-
ing on the walking belt. Always hold the
handrails while using the treadmill.
15. The treadmill is capable of high speeds.
Adjust the speed in small increments to avoid
sudden jumps in speed.
16. The pulse sensor is not a medical device.
Various factors, including the user's move-
merit, may affect the accuracy of heart rate
readings. The pulse sensor is intended only
as an exercise aid in determining heart rate
trends in general.
9. Wear appropriate exercise clothing when 17. Never leave the treadmill unattended while it
using the treadmill. Do not wear loose cloth- is running. Always remove the key, unplug
ing that could become caught in the treadmill, the power cord and move the on/off switch to
Athletic support clothes are recommended for the off position when the treadmill is not in
both men and women. Always wear athletic use. (See the drawing on page 5 for the Ioca-
shoes. Never use the treadmill with bare feet.
wearing only stockings, or in sandals.
10. When connecting the power cord (see page
9), plug the power cord into asurge suppres-
sor (not included) and plug the surge sup-
pressor into a grounded circuit capable of
carrying 15 or more amps. No other appliance
should be on the same circuit. Do not use an
extension cord.
11. Use only a single-outlet surge suppressor
that is UL 1449 listed as a transient voltage
tion of the on/off switch.)
18. Do not attempt to raise, lower, or move the
treadmill until it is properly assembled. (See
ASSEMBLY on page 6. and HOW TO MOVE
THE TREADMILL on page 14.) You must be
able to safely lift 45 pounds (20 kg) in order to
raise, lower, or move the treadmill.
19. Do not change the incline of the treadmill by
placing objects under the treadmill.
20. When folding or moving the treadmill, make
surge suppressor (TVSS). The surge suppres- sure that the storage latch is fully closed.
sot must have a UL suppressed voltage rating
3

21. Inspect and tighten all parts of the treadmill
regularly.
22. Never drop or insert any object into any
epening.
23.DAN GER: Always unplug thepower
cord immediately after use, before cleaning
the treadmill, and before performing the main-
tenance and adjustment procedures de-
scribed in this manual. Never remove the
motor hood unless instructed to do so by an
authorized service representative. Servicing
other than the procedures in this manual
should be performed by an authorized service
representative only.
24. This treadmill is intended for in-home use
only. Do not use this treadmill in any commer-
cial, rental, or institutional setting.
_WARNING: Before beginning this or any exercise program, consult your physician. This
is especially important for persons over the age of 35 or persons with pre-existing health problems.
Read all instructions before using. SEARS assumes no responsibility for personal injury or property
damage sustained by or through the use of this product.
SAVE THESE INSTRUCTIONS
The decals shown at the right and below
have been placed on your treadmill. If a
decal is missing, or if it is not legible,
please call our toll-free HELPLINE to
order a free replacement decal (see the
back cover of this manual). Apply the
decal in the location shown.
ACAUTiON
KEEP HANDSAND FEETAWAY
FROMTHiSAREAWHILETHE
TREADMILLiS iN OPERATION.
,Never allow children on
or around treadmill,
•Storage latch must be
fully engaged before
treadmill is moved or
stored,
• incline must be set at
lowest level before folding
treadmill into storage
position.

BEFORE YOU BEGIN
Thank you for selecting the new PROFORM ®J6si
treadmill. The J6si treadmill combines advanced tech-
nology with innovative design to let you enjoy an excel-
lent form of cardiovascular exercise in the convenience
and privacy of your home. And when you're not exer-
cising, the unique J6si can be folded up, requiring less
than half the floor space of other treadmills.
For your benefit, read this manual carefully before
using the treadmill. If you have additional questions,
please call our toll-free HELPLINE at 1-800-736-6879,
Monday through Saturday, 7 a.m. until 7 p.m. Central
Time (excluding holidays). To help us assist you,
please note the product model number and serial num-
ber before calling. The model number of the treadmill
is 831.297793. The serial number can be found on a
decal attached to the treadmill (see the front cover of
this manual for the location).
Before reading further, please review the drawing
below and familiarize yourself with the parts that are
labeled.
Foot Rails
Water Bottle
Holder (Bottle
not included)
Pulse Sensor
Storage Latch
LEFT SIDE
Walking Belt
Book Holder
JConsole
Handrail
RIGH SIDE
On/Off Switch
Circuit
Breaker
Front
Wheel
r Roller
Adjustment Bolts
Cushioned Walking Platform
Power Cord
5

ASSEMBLY
Assembly requires two people. Set the treadmill in a cleared area and remove all packing materials. Do not
dispose of the packing materials until assembly is completed. Assembly requires the included allen wrench J
and your own phillips screwdriver @_C]_, adjustable wrench _ and scissors ___.
With the help of a second person, carefully raise the
treadmill to the upright position. While the other person
tips the treadmill to one side and holds it, insert one of the
Extension Legs (103) into the treadmill. Make sure that
the Extension Leg is turned so the Warning Decal (20) is
on top. Tighten two of the four Short Screws (101) into the
treadmill and the Extension Leg.
Next, tip the treadmill to the other side and attach the other
Extension Leg (not shown) in the same way. Lower the
side of the treadmill so that both Extension Legs (103) are
resting flat on the floor.
Refer to HOW TO LOWER THE TREADMILL FOR USE
on page 14. Follow step 2 to lower the treadmill.
Attach the latch support to the center hole in the left Upright
(82) with a 3/4" Screw (81) as shown. Make sure that the
Screw is tight, but do not overtighten it; if the Screw
is overtightened, the latch will not slide smoothly.
Remove the tape from the Latch Assembly (77). Be care-
ful to hold the parts together. Inset drawings A and B
show how the parts fits together. Make sure that the tabs
on the latch are touching one side of the bracket and the
back end of the latch is flush with the other side of the
bracket. Then, insert the two springs into the bracket.
Attach the Latch Assembly (77) to the left Upright (82)
with two 3/4" Screws (81).
Cut the plastic tie off the bracket on the base of each
Upright (82).
Next, cut the plastic tie off the Left Handrail (74).
Position the Left Handrail on the left Upright (82). The
bracket on the base of the left Upright should be inside
of the lower end of the Left Handrail, as shown in the
inset drawing.
10
20
A
2 82_ Bracket
77 81 ....° II_'_"_._'_ [
I B _ Tabs
_ Latch Spring._ i!_._7,
Support Flush,_
Spring-- _._ /
Pla 9:
Tie _)/_
6

While a second person holds the Right Handrail (85) and
the Console Base (87) near the right Upright (82), cut the
indicated plastic ties off the Right Handrail. Do not cut
the other plastic tie off the Right Handrail, Next, cut
the plastic tie off the Upright Wire Harness (34) in the
right Upright (82). Do not drop the Upright Wire
Harness into the right Upright,
Refer to the inset drawing. Connect the Upright Wire
Harness (34) to the Console Wire Harness (48). The
latch on the Console Wire Harness should snap onto the
Upright Wire Harness. If the Wire Harnesses do not fit
together easily, turn them; do not force the Wire
Harnesses together,
Next, connect the right pulse wire, the left pulse wire and
the ground wire to the corresponding connectors on the
Console Wire Harness (48); make sure that the wires
with tags are connected to each other,
Note that there is still a wire tie in the Right
Handrail (85); do not remove this wire tie,
Set the left side of the Console Base (87) on the Left
Handrail (74). Insert as much of the wires as possi-
ble into the Right Handrail (85) and down into the
right Upright (82).
Next, set the right side of the Console Base (87) on the
Right Handrail (85). Insert all excess Console Wire
Harness (48) into the Right Handrail,
6. Position the Right Handrail (85) on the right Upright (82)
as shown; be careful not to damage the wires, The
bracket on the base of the right Upright should be inside
of the lower end of the right Handrail, as shown in the
inset drawing.
Thread two Handrail Bolts (78) with Washers (36) into the
Left Handrail (74) and the left Upright (82) as shown. Do
not tighten the Handrail Bolts yet. Next, thread two
Handrail Bolts (78) with Washers (36) into the Right
Handrail (85) and the right Upright (82). Do not tighten
the Handrail Bolts yet. Be careful to avoid damaging
the wires,
36
36 78
Do not
85
Cut Plastic Tie
Do not
Remove
87 Wire Tie
85
87
"ket

7. AttachtheConsoleBase(87)totheLeftandRight 7
Handrails(74,85)withfourLongScrews(114).
Refer to assembly step 6. Tighten the four Handrail
Bolts (78) used in assembly step 6,
8. Press two Small Upright Plugs (79) into the holes near
the upper ends of the Uprights (82).
9. Remove the backing from the Adhesive Clip (99). Press
the Adhesive Clip onto the base of the right Upright (82)
as shown. Press the Allen Wrench (100) into the
Adhesive Clip.
87
S O
99
10. Make sure that all parts are tightened before you use the treadmill, To protect the floor or carpet, place a
mat under the treadmill.
8

OPERATION AND ADJUSTMENT
THE PERFORMANT LUBE TM WALKING BELT
Your treadmill features a walking belt coated with
PERFORMANT LUBE TM, a high-performance lubricant.
IMPORTANT: Never apply silicone spray or other
substances to the walking belt or the walking plat-
form. Such substances will deteriorate the walking
belt and cause excessive wear,
HOW TO PLUG IN THE POWER CORD
Jk DANG ER: Improper connection
of the equipment-grounding conductor can
result in an increased risk of electric shock.
Check with a qualified electrician or service-
man if you are in doubt as to whether the
product is properly grounded. Do not modify
the plug p rovided with the product--if it will
not fit the outlet, have a proper outlet
installed by a qualified electrician.
Your treadmill, like any other type of sophisticated
electronic equipment, can be seriously damaged by
sudden voltage changes in your home's power.
Voltage surges, spikes, and noise interference can
result from weather conditions or from other appliances
being turned on or off. To decrease the possibility of
your treadmill being damaged, always use a surge
suppressor with your treadmill (see drawing 1 at
the right).
Surge suppressors are sold at most hardware stores
and department stores. Use only a single-outlet surge
suppressor that is UL 1449 listed as a transient voltage
surge suppressor (TVSS). The surge suppressor must
have a UL suppressed voltage rating of 400 volts or
less and a minimum surge dissipation of 450 joules.
The surge suppressor must be electrically rated for
120 volts AC and 15 amps.
This product must be grounded. If it should malfunc-
tion or break down, grounding provides a path of least
resistance for electric current to reduce the risk of elec-
tric shock. This product is equipped with a cord having
an equipment-grounding conductor and a grounding
plug. Plug the power cord into a surge suppressor,
and plug the surge suppressor into an appropriate
outlet that is properly installed and grounded in
accordance with all local codes and ordinances,
This product is for use on a nominal 120-volt circuit,
and has a grounding plug that looks like the plug illus-
trated in drawing 1 below. A temporary adapter that
looks like the adapter illustrated in drawing 2 may be
used to connect the surge suppressor to a 2-pole
receptacle as shown in drawing 2 if a properly
grounded outlet is not available.
Outlet Box
Suppressor
Grounding Pin
Grounding Pin
Grounded Outlet Grounding Plug
Grounded Outlet Box
Adapter
Metal Screw
The temporary adapter should be used only until a
properly grounded outlet (drawing 1) can be installed
by a qualified electrician.
The green-colored rigid ear, lug, or the like extending
from the adapter must be connected to a permanent
ground such as a properly grounded outlet box cover.
Whenever the adapter is used it must be held in place
by a metal screw. Some 2-pole receptacle outlet box
covers are not grounded. Contact a qualified elec-
trician to determine if the outlet box cover is
grounded before using an adapter,
9

CONSOLE DIAGRAM
Incline Display LED Track Displays
Note: If there is a thin sheet of clear plastic
on the face of the console, remove it.
SI'_ED mODE
CAUTION: Beforeoperating the
console, read the following precautions.
• Do not stand on the walking belt when turn-
ing on the power.
•Always wear the cli p (see the drawing above)
while operating the treadmill.
•Adjust the speed in small increments to
avoid sudden jumps in speed.
• To reduce the possibility of electric shock, keep
the console dry. Avoid spilling liquids on the
console, and place only sealed water
bottles in the water bottle holders.
FEATURES OFTHECONSOLE
The treadmill console offers an impressive array of fea-
tures designed to help you get the most from each
workout. When the manual mode of the console is se-
lected, the speed and incline of the treadmill can be
changed with a touch of a button. As you exercise, an
LED track and four displays will provide continuous
exercise feedback. With the built-in pulse sensor, you
can even measure your heart rate. In addition, the con-
sole offers four workout programs. Each program will
automatically control the speed of the treadmill as it
guides you through an effective workout.
STEP-BY-STEP CONSOLE OPERATION
Note: The treadmill console can display speed and
distance in either miles or kilometers (see SPEED
DISPLAY on page 12). For simplicity, all instructions
in this section refer to miles.
Before operating the
console, make sure that
the on/off switch, lo-
cated near the power
cord, is in the on posi-
tion.
Position
Next, plug in the power cord (see HOW TO PLUG IN
THE POWER CORD on page 9). Note: If the key is in
the console, remove it before plugging in the power
cord.
Step onto the foot rails of the treadmill. Find the clip
attached to the key (see the drawing above), and slide
the clip onto the waistband of your clothing. Follow the
steps below to operate the console.
nA moment after the
key is inserted, the
four displays and
various indicators
will light.
Insert the key into the console.
10

BPress the MODE button to select the desired
mode,
When the key is
inserted, the manual
mode will be
selected, as shown
by the MANUAL indi-
cator. The manual
mode can also be
selected by repeat-
edly pressing the
MODE button.
SPEED PROGRAMS
__A ROBIC 1
_4 U U
MANUAL
MODE
To select one of the
four workout programs, press the MODE button
repeatedly until the AEROBIC 1, AEROBIC 2, FAT
BURN 1 or FAT BURN 2 indicator lights.
Note: The two AEROBIC programs are twenty
minutes long; the two FAT BURN programs are
thirty minutes long. The graphs on the right side of
the console show how the speed of the walking
belt will change during the programs. During the
AEROBIC 1 program, for example, the speed will
gradually increase during the first ten minutes and
then gradually decrease during the last ten min-
utes. Each program begins with a warm-up period
and ends with a cool-down period.
Set the desired maximum speed setting.
If you selected the manual mode, go to step 4.
If a workout pro-
gram is selected, a
number will flash in
the SPEED display.
This number is the
maximum speed that
the walking belt will
A, _L
........... MA_
reach during the selected program. If you want to
change the maximum speed setting, press the
SPEED/_ button. The maximum speed setting can
be from 4 mph and 10 mph. If the maximum speed
setting is increased, the difficulty level of the entire
program will increase, tf the maximum speed set-
ting is decreased, the difficulty level of the entire
program will decrease.
Press the START/STOP button to start the
walking belt.
A moment after the START/STOP button is
pressed, the walking belt will begin to move.
Hold the handrails and carefully begin walking.
if the manual mode is selected: As you exercise,
change the speed of the walking belt as desired by
pressing the SPEED buttons.
To stop the walking belt, press the START/STOP
button. The TIME/PACE display will begin to flash.
To restart the walking belt, press the START/STOP
button again. To stop the walking belt and reset
the displays, press the START/STOP button, re-
move the key from the console and then reinsert
the key.
If a preset program is selected: The speed of the
walking belt will change automatically during the
program as shown by the graphs on the right side
of the console. The time remaining in the program
will be shown in the TIME/PACE display. When the
program is completed, the walking belt will slow to
a stop.
If the program is too
difficult or too easy, the
difficulty level of the
program can be ad-
justed. Press the
SPEED J_,or '_:'button.
A number will begin to
flash in the SPEED display. This number is the
maximum speed that the walking belt will reach
during the program. Press the SPEED J%or V but-
ton repeatedly to change the maximum speed set-
ting. If the maximum speed setting is increased, the
difficulty level of the entire program will increase, tf
the maximum speed setting is decreased, the diffi-
culty level of the entire program will decrease.
To stop the program for a moment, press the
START/STOP button. The TIME/PACE display
will begin to flash. To restart the program, press
the START/STOP button again. To stop the pro-
gram and reset the displays, press the START/
STOP button, remove the key from the console
and then reinsert the key. Note: Pressing the
MODE button will also stop the program, reset the
displays and select a different mode.
11
9

_.'t Change the incline of the treadmill as desired.
To change the incline of the treadmill, press the
incline buttons. Each time one of the buttons is
pressed, the incline will change by 0.5%. The but-
tons can be held down to change the incline rapidly.
% GRADE
123 456 78 9 _O
f
POWER INCLINE
Note: In the incline display, the first indicator will
light when the incline is set at 1.5%. The second
indicator will light when the incline is set at 2% or
2.5%, the third indicator will light when the incline
is set at 3% or 3.5%, and so forth. After the incline
buttons are pressed, it will take a moment for the
treadmill to reach the selected incline setting.
r_ Follow your progress with the LED track and
the four displays.
The LED Track--
The LED track rep-
resents a distance
of 1/4 mile. As you
exercise, the indi-
cators around the
track will light one
at a time until you
have completed 1/4 mile. A new lap will then begin.
DISTANCE/LAPS
display--This display
shows the distance that
you have walked or run
and the number of laps
you have completed (one
lap equals 1/4 mile). The display will alternate
between one number and the other every seven
seconds, as shown by the arrows in the display.
Arrow
v
DISTANCE LAPS
TIME/PACE display--
This display shows the
elapsed time and your cur-
rent pace (pace is mea-
sured in minutes per mile).
The display will alternate
between one number and the other every seven
seconds, as shown by the arrows in the display.
TIME PACE
B
SPEEOd"P'ay--Th'sI '11
display shows the speed MPH
of the walking belt, in
miles per hour or kilome- _] SPE_
ters per hour. The letters
"MPH" or "KPH" will ap-
pear to show which unit of measurement is selected.
To change the unit of
measurement, hold down
the START/STOP button
while inserting the key
into the console. An "E,"
for english miles, or an
[E
DISTANCE LAPS
"M," for metric kilometers, will appear in the DIS-
TANCE/LAPS display. Press the SPEED _ button
to change the unit of measurement. Remove and
then reinsert the key.
CALS/FAT CALS/
PULSE display--This
display shows the ap-
proximate numbers of
calories and fat calories
you have burned (see
FAT BURNING on page 17). Every seven sec-
onds, the display will change from one number to
the other, as shown by the arrows in the display.
This display will also show your heart rate when
the pulse sensor is used (see step 7).
PULSE
122
CALS. EAT CALS.
Measure your heart rate, if desired.
Stand on the
foot rails and
place your
hands on the
metal contacts
on the handrail.
Your palms
must be resting
on the upper
contacts, and
your fingers must
be touching the
lower contacts--
avoid moving
Metal Contacts
PULSE
-t29
CALS. FAT CALS.
your hands while measuring your heart rate. After
a moment, the heart-shaped indicator in the
CALS/FAT CALS/PULSE display will flash
steadily and a "P" will appear in the display. After
a few seconds, three dashes (- - -) will appear in
the display and your heart rate will be shown. For
the most accurate heart rate reading, continue to
hold the contacts for about 15 seconds.
12

When you are finished exercising, remove the
key.
Step onto the foot rails and remove the key from
the console. Keep the key in a secure place.
In addition, move the on/off switch to the off posi-
tion and unplug the power cord. (See the drawing
on page 10.)
THE INFORMATION MODE
To access the information mode, hold down the START/
STOP button while inserting the key into the console.
An "Ei' for english miles, or
an "M," for metric kilometers,
will appear in the DISTANCE/
LAPS display. If you want to
change the unit of measure-
ment, press the SPEED _
button.
......! E
DISTANCE LAPS
The TIME/PACE display will
show the total number of
hours the treadmill has been
used.
TiME PACE
PULSE SENSOR TROUBLE-SHOOTING
Make sure to stand on the foot rails and avoid
moving your hands while measuring your heart
rate. Excessive movement may interfere with heart
rate readings. If the pulse sensor is not used correctly,
your heart rate will not be shown.
Do not hold the metal contacts too tightly; doing so
may interfere with heart rate readings.
For the most accurate heart rate reading, wait for
about 15 seconds.
For optimal performance of the pulse sensor, keep
the metal contacts clean. The contacts can be
cleaned with a soft cloth--never use alcohol,
abrasives, or chemicals.
The SPEED display will
show the total number of
miles that the walking belt
has moved.
To exit the information mode, remove the key from the
console.
13

HOW TO FOLD AND MOVE THE TREADMILL
HOW TO FOLD THE TREADMILL FOR STORAGE
Before folding the treadmill, adjust the incline to the
lowest position. If this is not done, the treadmill may be
permanently damaged. Next, unplug the power cord.
CAUTION: You must be able to safely lift 45 pounds (20
kg) in order to raise, lower, or move the treadmill.
1. Hold the treadmill with your hands in the locations shown
at the right. CAUTION: To decrease the possibility of in-
jury, bend your legs and keep your back straight. As
you raise the treadmill, make sure to lift with your legs
rather than your back. Raise the treadmill about halfway
to the vertical position.
2. Move your right hand to the position shown and hold the
treadmill firmly. Using your left thumb, slide the storage
latch to the left and hold it. Raise the treadmill until the
storage latch closes over the catch. Make sure that the
storage latch is fully closed over the catch,
To protect the floor or carpet from damage, place a
mat under the treadmill. Keep the treadmill out of
direct sunlight. Do not leave the treadmill in the stor-
age position in temperatures above 85° Fahrenheit.
HOW TO MOVE THE TREADMILL
Before moving the treadmill, convert the treadmill to the stor-
age position as described above. Make sure that the stor-
age latch is closed fully over the catch.
1. Hold the handrails as shown and place one foot against a
wheel. Do not hold or push on the book holder or the
book holder may be damaged,
2. Tilt the treadmill back until it rolls freely on the front wheels.
Carefully move the treadmill to the desired location. Never
move the treadmill without tipping it back. To reduce
the risk of injury, use extreme caution while moving
the treadmill, Do not attempt to move the treadmill
over an uneven surface,
3. Place one foot on the base, and carefully lower the tread-
mill until it is resting in the storage position.
Storage
_ Latch_
--_ Catch --
Open
Closed
_i_
uff=_.
-Book Holder
Base
- Front Wheels
HOW TO LOWER THE TREADMILL FOR USE
1. Refer to drawing 2 above. Hold the upper end of the treadmill with your right hand as shown. Using your left
thumb, slide the storage latch to the left and hold it. Pivot the treadmill down until the frame is past the storage
latch.
2. Refer to drawing 1 above. Hold the treadmill firmly with both hands, and lower the treadmill to the floor.
CAUTION: To decrease the possibility of injury, bend your legs and keep your back straight,
14

MAINTENANCE AND TROUBLE-SHOOTING
Most treadmill problems can be solved by following the simple steps below. Find the symptom that
applies, and follow the steps listed. If further assistance is needed, call our toll-free HELPLINE at
1-800-736-6879, Monday through Saturday, 7 a.m. until 7 p.m. Central Time (excluding holidays).
1. SYMPTOM: THE POWER DOES NOT TURN ON
a. Make sure that the power cord is plugged into a surge suppressor, and that the surge suppressor is plugged
into a properly grounded outlet (see page 9). Use only a single-outlet surge suppressor that is UL 1449
listed as a transient voltage surge suppressor (TVSS). The surge suppressor must have a UL suppressed
voltage rating of 400 volts or less and a minimum surge dissipation of 450 joules. The surge suppressor
must be electrically rated for 120 volts AC and 15 amps.
b. After the power cord has been plugged in, make sure that the key is inserted into the console as far as it will
go. See step 1 on page 10.
c. Check the circuit breaker located on the treadmill near the
power cord. If the switch protrudes as shown, the circuit
breaker has tripped. To reset the circuit breaker, wait for five
minutes and then press the switch back in.
d. Check the on/off switch located on the treadmill near the
power cord. The switch must be in the on position.
c
Tripped
S
Reset
on
Position
2. SYMPTOM: THE POWER TURNS OFF DURING USE
a. Check the circuit breaker located on the treadmill frame near the power cord (see 1. c. above). If the circuit
breaker has tripped, wait for five minutes and then press the switch back in.
b. Make sure that the power cord is plugged in.
c. Remove the key from the console. Reinsert the key fully into the console. See step 1 on page 10.
d. Make sure that the on/off switch is in the on position.
e. If the treadmill still will not run, please call our toll-free HELPLINE.
3, SYMPTOM: THE DISPLAYS OF THE CONSOLE DO NOT FUNCTION PROPERLY
a. Remove the key and unplug the power cord, Remove the
screws from the hood. Carefully remove the hood. Locate the
Reed Switch (21) and the Magnet (43) on the left side of the
Pulley (42). Turn the Pulley until the Magnet is aligned with the
Reed Switch. Make sure that the gap between the Magnet and
the Reed Switch is about 1/8". If necessary, loosen the Reed
Switch Screw (76) and move the Reed Switch slightly. Retighten
the Screw. Re-attach the hood, and run the treadmill for a few
minutes to check for a correct speed reading.
15

4, SYMPTOM: The walking belt slows when walked on
a. Use only a UL-listed surge suppressor, rated at 15 amps, with a 14-gauge cord of five feet or less in length.
b. If the walking belt is overtightened, treadmill performance may
decrease and the walking belt may be permanently damaged.
Remove the key and UNPLUG THE POWER CORD. Using the
allen wrench, turn both rear roller adjustment bolts counterclock-
wise, 1/4 of a turn. When the walking belt is properly tightened,
you should be able to lift each side of the walking belt 3 to 4
inches off the walking platform. Be careful to keep the walking
belt centered. Plug in the power cord, insert the key and run the
treadmill for a few minutes. Repeat until the walking belt is prop-
erly tightened.
bo,, A"
Rear Roller Adjustment Bolts
c. If the walking belt still slows when walked on, please call our toll-
free HELPLINE.
5, SYMPTOM: The walking belt is off-center
a. If the walking belt has shifted to the left, first remove the key and
UNPLUG THE POWER CORD. Using the allen wrench, turn the
left rear roller adjustment bolt clockwise, and the right bolt coun-
terclockwise, 1/4 of a turn each. Be careful not to overtighten the
walking belt. Plug in the power cord, insert the key and run the
treadmill for a few minutes. Repeat until the walking belt is cen-
tered.
b. If the walking belt has shifted to the right, first remove the key
and UNPLUG THE POWER CORD. Using the allen wrench, turn
the left rear roller adjustment bolt counterclockwise, and the right
bolt clockwise, 1/4 of a turn each. Be careful not to overtighten
the walking belt. Plug in the power cord, insert the key and run
the treadmill for a few minutes. Repeat until the walking belt is
centered.
6, SYMPTOM: The walking belt slips when walked on
a. If the walking belt slips when walked on, first remove the key and
UNPLUG THE POWER CORD. Using the allen wrench, turn
both rear roller adjustment bolts clockwise, 1/4 of a turn. When
the walking belt is correctly tightened, you should be able to lift
each side of the walking belt 3 to 4 inches off the walking plat-
form. Be careful to keep the walking belt centered. Plug in the
power cord, insert the key and carefully walk on the treadmill for
a few minutes. Repeat until the walking belt is properly tight-
ened.
16

CONDITIONING GUIDELINES
_WARNING: Before beginning this
or any exercise program, consult your physi-
cian. This is especially important for individu-
als over the age of 35 or individuals with pre-
existing health problems.
The pulse sensor is not a medical device.
Various factors, including your movement,
may affect the accuracy of heart rate readings,
The sensor is intended only as an exercise aid
in determining heart rate trends in general.
The following guidelines will help you to plan your ex-
ercise program. Remember--these are general guide-
lines only. For more detailed exercise information, ob-
tain a reputable book or consult your physician.
EXERCISE INTENSITY
Whether your goal is to burn fat or to strengthen your
cardiovascular system, the key to achieving the
desired results is to exercise with the proper intensity.
The proper intensity level can be found by using your
heart rate as a guide. The chart below shows recom-
mended heart rates for fat burning and aerobic exercise.
HEART RATE TRAiNiNG ZONES
• AEROBIC 165 155 145 140 130 125 115
MAX FAT 8URN 145 138 130 125 118 110 103
FAT BURN 125 120 115 110 105 95 90
• Age 20 30 40 50 60 70 80
To find the proper heart rate for you, first find your age
near the bottom of the chart (ages are rounded off to
the nearest ten years). Next, find the three numbers
above your age. The three numbers define your "train-
ing zone." The lower two numbers are recommended
heart rates for fat burning; the higher number is the
recommended heart rate for aerobic exercise.
To measure your heart rate during exercise, use the
pulse sensor on the console. If your heart rate is too
high or too low, adjust the speed and incline of the
treadmill.
Fat Burning
To burn fat effectively, you must exercise at a relatively
low intensity level for a sustained period of time.
During the first few minutes of exercise, your body
uses easily accessible carbohydrate calories for en-
ergy. Only after the first few minutes does your body
begin to use stored fat calories for energy. If your goal
is to burn fat, adjust the speed and incline of the tread-
mill until your heart rate is near the lowest number in
your training zone. It may also be helpful to use one of
the console's FAT BURN programs (see pages 10 to 13).
For maximum fat burning, adjust the speed and incline
of the treadmill until your heart rate is near the middle
number in your training zone.
Aerobic Exercise
If your goal is to strengthen your cardiovascular sys-
tem, your exercise must be "aerobic." Aerobic exercise
is activity that requires large amounts of oxygen for
prolonged periods of time. This increases the demand
on the heart to pump blood to the muscles, and on the
lungs to oxygenate the blood. For aerobic exercise,
adjust the speed and incline of the treadmill until your
heart rate is near the highest number in your training
zone. It may also be helpful to use one of the console's
AEROBIC programs (see pages 10 to 13).
WORKOUT GUIDELINES
Each workout should include the following three parts:
A Warm-up--Start each workout with 5 to 10 minutes
of stretching and light exercise. A proper warm-up in-
creases your body temperature, heart rate and circula-
tion in preparation for exercise.
Training Zone Exercise--After warming up, increase
the intensity of your exercise until your pulse is in your
training zone for 20 to 60 minutes. (During the first few
weeks of your exercise program, do not keep your
pulse in your training zone for longer than 20 minutes.)
Breathe regularly and deeply as you exercise--never
hold your breath.
A Cool-down--Finish each workout with 5 to 10 min-
utes of stretching to cool down. This will increase the
flexibility of your muscles and will help prevent post-ex-
ercise problems.
Exercise Frequency
To maintain or improve your condition, complete three
workouts each week, with at least one day of rest be-
tween workouts. After a few months, you may com-
plete up to five workouts each week if desired. The key
to success is to make exercise a regular and enjoyable
part of your everyday life.
17
17

SUGGESTED STRETCHES
The correct form for several basic stretches is shown at the right. Move slowly as you stretch--never bounce.
1. Toe Touch Stretch
Stand with your knees bent slightly and slowly bend forward
from your hips. Allow your back and shoulders to relax as you
reach down toward your toes as far as possible. Hold for 15
counts, then relax. Repeat 3 times. Stretches: Hamstrings,
back of knees and back.
2. Hamstring Stretch
Sit with one leg extended. Bring the sole of the opposite foot
toward you and rest it against the inner thigh of your extended
leg. Reach toward your toes as far as possible. Hold for 15
counts, then relax. Repeat 3 times for each leg. Stretches:
Hamstrings, lower back and groin.
3. Calf/Achilles Stretch
With one leg in front of the other, reach forward and place your
hands against a wall. Keep your back leg straight and your
back foot flat on the floor. Bend your front leg, lean forward and
move your hips toward the wall. Hold for 15 counts, then relax.
Repeat 3 times for each leg. To cause further stretching of the
achilles tendons, bend your back leg as well. Stretches:
Calves, achilles tendons and ankles.
4. Quadriceps Stretch
With one hand against a wall for balance, reach back and
grasp one foot with your other hand. Bring your heel as close
to your buttocks as possible. Hold for 15 counts, then relax.
Repeat 3 times for each leg. Stretches: Quadriceps and hip
muscles.
5. Inner Thigh Stretch
Sit with the soles of your feet together and your knees outward.
Pull your feet toward your groin area as far as possible. Hold
for 15 counts, then relax. Repeat 3 times. Stretches:
Quadriceps and hip muscles.
4
18

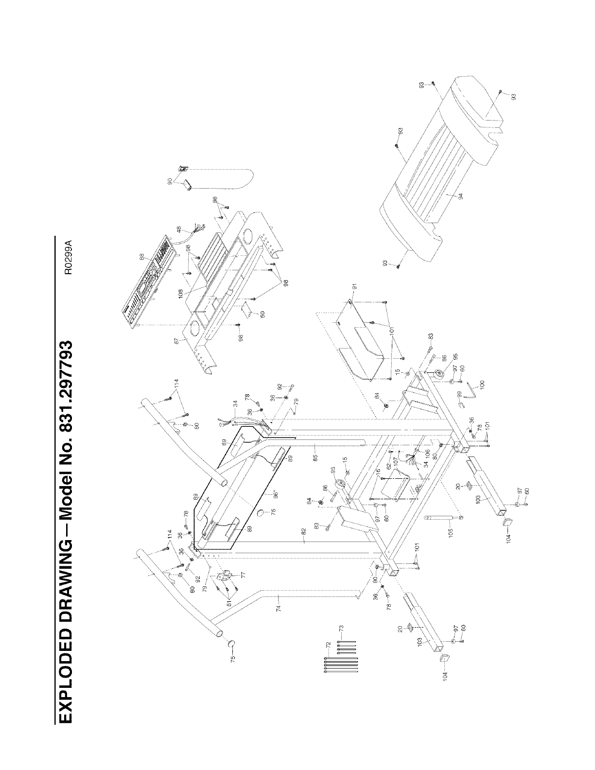
PART LIST--Model No. 831.297793 RO299A
To locate the parts listed below, refer to the EXPLODED DRAWING attached in the center of this manual.
Key Key Key
No, Qty, Description No, Qty, Description No, Qty, Description
1 1 Motor Belt 44 6 Platform Screw 87 1 Console Base
2 1 Pulley/Flywheel/Fan 45 4 Isolator 88 1 Console
3 4 Motor Nut 46 4 Isolator Screw 89 4 Pulse Sensor Plate
4* 1 Motor/Pulley/Fly./Fan 47 17 Belly Pan Fastener 90 1 Key/Clip
5 3 Incline Motor Bolt 48 1 Console Wire Harness 91 1 Incline Motor Plate
6 1 Incline Motor Spacer 49 2 Belt Guide 92 2 Pulse Bar Bolt
7 1 Incline Motor 50 1 Console Cover 93 4 Hood Screw
8 1 Stop Bracket 51 1 Front Belly Pan 94 1 Motor Hood
9 1 Small Nut 52 1 Power Supply 95 2 Front Wheel
10 2 Star Washer 53 2 Cable Tie Clamp 96 1 Pulse Bar
11 1 Optic Switch 54 1 Cable Tie 97 4 Base Pad
12 1 Frame 55 1 Walking Belt 98 8 Console Screw
13 1 Small Bolt 56 2 Roller Guard 99 1 Wrench Clip
14 1 Incline Optic Disk 57 1 Rear Roller 100 1 Allen Wrench
15 8 Incline Motor Nut 58 2 Rear Isolator 101 8 Short Screw
16 16 Screw 59 2 Rear Foot 102 1 Front Roller Adj. Nut
17 4 Plastic Stand-Off 60 11 Rear Foot Screw 103 2 Extension Leg
18 2 Hood Bracket (short) 61 1 Ground Wire 104 2 Extension Leg Cap
19 2 Hood Bracket (long) 62 3 Ground Wire Screw 105 1 Shock
20 2 Warning Decal 63 1 Belly Pan 106 1 Incline Spacer
21 1 Reed Switch 64 1 Rear Endcap 107 1 Incline Motor Shield
22 1 Reed Switch Clip 65 2 Rear Roller Bolt 108 1 Book Holder
23 1 Motor/Controller Wire 66 1 Motor 109 1 Right Foot Rail Cap
24 1 Controller 67 1 Latch Decal 110 1 Plastic Shield
25 1 Electronics Bracket 68 2 Rear Platform Screw 111 2 Foot Rail Insert
26 1 Circuit Breaker 69 1 Access Plate 112 1 Motor Tension Nut
27 1 Power Cord 70 1 Latch Catch 113 1 Motor Tension Bolt
28 1 Power Cord Grommet 71 1 Walking Platform 114 4 Long Screw
29 1 On/Off Switch 72 5 8" cable Tie 115 1 Motor Tension Bushing
30 1 Inlet Bracket 73 4 4" cable Tie 116 1 Motor Tension Washer
31 1 Incline Leg 74 1 Left Handrail # 1 8" Blue Wire, 2 F
32 2 Frame Pivot Bolt 75 2 Handrail Endcap # 1 4" Blue Wire, 2 F
33 2 Frame Pivot Spacer 76 7 Reed Switch Screw # 1 10" White Wire, 2 F
34 1 Upright Wire Harness 77 1 Storage Latch # 1 4" White Wire, M/F
35 1 Front Roller Adj. Bolt 78 4 Handrail Bolt # 1 9" Wire Harness
36 7 Washer 79 2 Small Upright Plug # 1 4" Black Wire, 2 F
37 1 Choke 80 4 Cage Nut # 1 4" Green Wire
38 4 Motor Bolt 81 4 Motor Star Washer # 1 8" Green/Yellow Wire
39 4 Cap Screw 82 1 Upright # 1 User's Manual
40 1 Left Foot Rail Cap 83 2 Incline Pivot Bolt
41 2 Foot Rail 84 2 Incline Pivot Washer * Includes all parts shown in the box
42 1 Front Roller/Pulley 85 1 Right Handrail # These parts are not illustrated
43 1 Magnet 86 2 Wheel Bolt
19

i
o_
co
oJ
o
CK
CO
6
"0
0
I
_z
8
_J
i,i
'\ /
,\/
//\\
©
/
I/
i
/
/
/
/
/
/
/
/
/
\

/
(5)
0")
0
n"
\
o
\
/
/
/
/ /
/
/
/
i
i \'\
/
/
/
/
'\ ,_ \
_S

Model No, 831,297793
QUESTIONS?
If you find that:
• you need help assembling or
operating the PROFORM J6si
treadmill
•a part is missing
•or you need to schedule repair
service
call our toll-free HELPLINE
1-800-736-6879
Monday-Saturday, 7 am-7 pm
Central Time (excluding holidays)
REPLACEMENT
PARTS
If parts become worn and need
to be replaced, call the following
toll-free number
1-800-FON-PART
(1-800-366-7278)
The model number and serial number of your PROFORM _"J6si
treadmill are listed on a decal attached to the frame. See the front
cover of this manual to find the location of the decal.
All replacement parts are available for immediate purchase or
special order when you visit your nearest SEARS Service Center.
To request service or to order parts by telephone, call the toll-free
numbers listed at the left.
When requesting help or service, or ordering parts, please be
prepared to provide the following information:
• The NAME OF THE PRODUCT (PROFORM _ J6si treadmill)
• The MODEL NUMBER OF THE PRODUCT (831.297793)
• The KEY NUMBER AND DESCRIPTION OF THE PART (see the
EXPLODED DRAWING and PART LIST included in this manual)
FULL 90 DAY WARRANTY
For 90 days from the date of purchase, if failure occurs due to defect in material or workmanship in this
SEARS TREADMILL EXERCISER, contact the nearest SEARS Service Center throughout the United
States and SEARS will repair or replace the TREADMILL EXERCISER, free of charge.
This warranty does not apply when the TREADMILL EXERCISER is used commercially or for rental pur-
poses.
This warranty gives you specific legal rights, and you may also have other rights which vary from state
to state.
SEARS, ROEBUCK AND CO,, DEPT, 817WA, HOFFMAN ESTATES, IL 60179
Part No. 152906 J00352-C RO299A Printed in USA © 1999 Sears, Roebuck and Co.