Proform 285820 225C Stepper Users Manual *285820 152065
Proform-285820-Owner-S-Manual proform-285820-owner-s-manual
831.285820 744d21c2-a3b1-4af4-abea-f21f54ec5de8
831.285820 to the manual 744d21c2-a3b1-4af4-abea-f21f54ec5de8
2015-04-13
: Proform Proform-285820-225C-Stepper-Users-Manual-697275 proform-285820-225c-stepper-users-manual-697275 proform pdf
Open the PDF directly: View PDF
.
Page Count: 12

USERÕS MANUAL
CAUTION
Read all precautions and
instructions in this manual
before using this equipment.
Keep this manual for future
reference.
Serial
Number
Decal
Model No. 831.285820
Serial No.
Write the serial number in the
space above for future reference.
¨
SEARS, ROEBUCK AND CO., HOFFMAN ESTATES, IL 60179

2
TABLE OF CONTENTS
IMPORTANT PRECAUTIONS . . . . . . . . . . . . . . . . . . . . . . . . . . . . . . . . . . . . . . . . . . . . . . . . . . . . . . . . . . . . .2
BEFORE YOU BEGIN . . . . . . . . . . . . . . . . . . . . . . . . . . . . . . . . . . . . . . . . . . . . . . . . . . . . . . . . . . . . . . . . . . .3
PART IDENTIFICATION CHART . . . . . . . . . . . . . . . . . . . . . . . . . . . . . . . . . . . . . . . . . . . . . . . . . . . . . . . . . . .3
ASSEMBLY . . . . . . . . . . . . . . . . . . . . . . . . . . . . . . . . . . . . . . . . . . . . . . . . . . . . . . . . . . . . . . . . . . . . . . . . . . .4
HOW TO USE THE STEPPER . . . . . . . . . . . . . . . . . . . . . . . . . . . . . . . . . . . . . . . . . . . . . . . . . . . . . . . . . . . . .6
MAINTENANCE AND TROUBLE-SHOOTING . . . . . . . . . . . . . . . . . . . . . . . . . . . . . . . . . . . . . . . . . . . . . . . . .8
CONDITIONING GUIDELINES . . . . . . . . . . . . . . . . . . . . . . . . . . . . . . . . . . . . . . . . . . . . . . . . . . . . . . . . . . . . .9
PART LIST . . . . . . . . . . . . . . . . . . . . . . . . . . . . . . . . . . . . . . . . . . . . . . . . . . . . . . . . . . . . . . . . . . . . . . . . . . .10
EXPLODED DRAWING . . . . . . . . . . . . . . . . . . . . . . . . . . . . . . . . . . . . . . . . . . . . . . . . . . . . . . . . . . . . . . . . .11
HOW TO ORDER REPLACEMENT PARTS . . . . . . . . . . . . . . . . . . . . . . . . . . . . . . . . . . . . . . . . . . .Back Cover
FULL 90 DAY WARRANTY . . . . . . . . . . . . . . . . . . . . . . . . . . . . . . . . . . . . . . . . . . . . . . . . . . . . . . .Back Cover
IMPORTANT PRECAUTIONS
WARNING: To reduce the risk of serious injury, read the following important precautions before
using the stepper.
1. Read all instructions in this manual before
using the stepper. Use the stepper only as
described.
2. It is the responsibility of the owner to ensure
that all users of the stepper are adequately
informed of all precautions.
3. Use the stepper indoors, away from mois-
ture and dust. Place the stepper on a level
surface, with a mat beneath it to protect the
floor or carpet from damage.
4. Inspect and tighten all parts regularly.
Replace any worn parts immediately.
5. Keep children under the age of 12 and pets
away from the stepper at all times.
6. The stepper should not be used by persons
weighing more than 250 pounds.
7. Wear appropriate clothing when exercising;
do not wear loose clothing that could become
caught on the stepper. Always wear athletic
shoes for foot protection.
8. Always keep your back straight when using
the stepper. Do not arch your back.
9. The resistance cylinders may become hot
after a period of use. Allow the cylinders to
cool before touching them.
10. If you feel pain or dizziness at any time
while exercising, stop immediately and
begin cooling down.
11. The stepper is intended for in-home use
only. Do not use the stepper in a commer-
cial, rental, or institutional setting.
12. The decal shown below has been placed on
the weight bench. If the decal is missing, or
if it is not legible, please call our toll-free
HELPLINE at 1-800-736-6879, Monday
through Saturday, 7 a.m. until 7 p.m. Central
Time, to order a replacement decal. Apply
the replacement decal to the location shown.
WARNING: Before beginning this or any exercise program, consult your physician. This is especial-
ly important for persons over the age of 35 or persons with pre-existing health problems. Read all
instructions before using. SEARS assumes no responsibility for personal injury or property damage
sustained by or through the use of this product.

3
BEFORE YOU BEGIN
Thank you for selecting the new PROFORM¨225c
stepper. The 225c blends advanced engineering with
contemporary styling to provide you with a low-impact
workout in the convenience and privacy of your own
home.
For your benefit, read this manual carefully before
using the 225c. If you have additional questions,
please call our toll-free HELPLINE at 1-800-736-6879,
Monday through Saturday, 7 a.m. until 7 p.m. Central
Time (excluding holidays). To help us assist you,
please note the product model number and serial
number before calling. The model number is
831.285820. The serial number can be found on a
decal attached to the PROFORM¨225c stepper (see
the front cover of this manual).
M8 Lock Washer (23)Ð2
M10 Locknut (15)Ð8
M10 x 82mm Carriage Bolt (24)Ð2
M4 x 16mm Screw (27)Ñ4
M4 x 10mm Screw (28)Ñ8
M4 x 12mm Console
Screw (22)Ð4
M10 x 40mm Bolt (25)Ð2
M8 x 19mm Button
Head Bolt (21)Ð2
PART IDENTIFICATION CHART
Use the drawings below to identify the small parts used in assembly. The number in parenthesis below each
drawing refers to the key number of the part, from the PART LIST on page 10. The second number refers to the
quantity used in assembly. Note: If a part is not found in the parts bag, check to see if it has been
preassembled.

4
ASSEMBLY
Place all parts of the stepper in a cleared area and remove the packing materials. Do not dispose of the packing
materials until assembly is completed. Assembly requires the included allen wrench , a phillips
screwdriver , two adjustable wrenches and a rubber mallet .
1. Attach the Stabilizer (8) to the Base (2) with two
M10 x 82mm Carriage Bolts (24) and two M10
Locknuts (15).
Slide the Upright (1) onto the threaded bolts in the
Base (2). Make sure that the Upright is angled in
the direction shown. Attach the Upright with four
M10 Locknuts (15).
1
24
82
15
2. Refer to drawing 2a. Identify the Right Pedal Leg (7)
and the Left Pedal Leg (6). Note the positions of the
welded tubes and the Magnet (26).
Refer to drawing 2b. Attach a Pedal (11) to each
Pedal Leg (6, 7) with four M4 x 10mm Screws (28).
3. Slide a Metal Cap (30) onto the indicated shaft on
the Base (2). Make sure that the open side of the
Metal Cap is facing the Base.
Next, apply grease to the shaft on the Base (2).
Apply grease to the Pedal Leg Bushings (16) that
are in the Right Pedal Leg (7).
Slide the Right Pedal Leg (7) onto the shaft on the
Base (2). Tap a 3/4Ó Axle Cap (17) onto the shaft.
Repeat this step to attach the Left Pedal Leg (6).
3
716
2
6
30
17
Apply Grease
to Shaft
Apply
Grease
28
11
6, 7
2b
1
15
2a
7
26
6
Tubes

5
4
6. Plug the Reed Switch Wire (12) into the socket in
the back of the Console (10). Next, insert the
excess Reed Switch Wire down into the Upright (1).
Attach the Console to the Upright with four M4 x
12mm Console Screws (22). Be careful to avoid
pinching the Reed Switch Wire.
The Console (10) requires two ÒAAÓ batteries (not
included). Alkaline batteries are recommended.
Refer to the inset drawing. To install batteries, first
slide off the battery cover and carefully remove the
battery clip from the Console. Insert two batteries
into the battery clip. Make sure that the negative
ends of the batteries (marked ÒÐÓ) are touching
the springs in the battery clip. Insert the battery
clip into the Console and reattach the battery cover.
9
19
9
6
25
7
1
Arrow
15
18
18
21
23
3
12
27
20
1
21
4
5
27
5
7. Make sure that all parts are properly tightened before you use the stepper.
4. Apply grease to the lower shafts on the Upright (1).
Slide a Cylinder Spacer (19) and a Resistance
Cylinder (9) onto each of the lower shafts on the
Upright (1). Make sure that the Resistance
Cylinders are turned so the arrows are on the
side shown. Tap a 5/8Ó Axle Cap (18) onto each
shaft.
Attach the lower ends of the Resistance Cylinders
(9) to the brackets on the Right and Left Pedals (6,
7) with the M10 x 40mm Bolts (25) and two M10
Locknuts (15).
5. Insert the Handlebar Bushings (20) into the Right
and Left Handlebars (4, 5). Slide the Handlebar
Bushings and the Handlebars onto the upper shafts
on the Upright (1). While another person holds the
Handlebars, slide the Top Handlebar (3) into the
Right and Left Handlebars. Loosely thread four M4 x
16mm Screws (27) into the Handlebars and the Top
Handlebar. Do not tighten the Screws yet.
Insert the Reed Switch Wire (12) through the Top
Handlebar (3). Attach the Top Handlebar to the
Upright (1) with two M8 x 19mm Button Head Bolts
(21) and two M8 Lock Washers (23).
Tighten the four M4 x 16mm Screws (27).
Cover
Clip
22
10
1
12
6
Apply
Grease
19
Bracket

6
HOW TO USE THE STEPPER
The innovative console offers a manual mode and
three pacer programs. The pacer programs are
designed to help you achieve your exercise goals by
pacing your exercise. The console also features six
monitor modes that provide continuous exercise feed-
back.
HOW THE PACER PROGRAMS OPERATE
When you use a
pacer program,
two columns of
bars will appear in
the display. The
left column will
show a target
pace, which is
determined by the
program you have
selected; the right
column will show your actual pace. The target pace
will change periodically during the program; as the tar-
get pace changes, simply adjust your pace to keep
both columns at the same height. Important: The tar-
get pace is a goal pace. Your actual pace may be
slower than the target pace, especially during the
first few months of your exercise program. Be
sure to exercise at a pace that is comfortable for
you.
The three graphs on the console show how the target
pace will change during the pacer programs (see the
drawing above). Each graph is divided into ten
columns, and each column represents a two-minute
time period. The bars in each column show what the
target pace will be during that two-minute period. For
example, in the first column of graph 2, there is one
bar. This shows that during the first two minutes of
program 2, the target pace will be 40 repetitions
(steps) per minute (see the scale at the right end of
the graph). In the second column, there are three
bars. This shows that during the second two-minute
period, the target pace will be 60 repetitions per
minute. Each pacer program is twenty minutes long.
DESCRIPTION OF THE MONITOR MODES
The six monitor modes provide continuous exercise
feedback. The modes are described below.
¥ Reps/MinÑThis mode shows your pace, in repeti-
tions (steps) per minute.
¥ TimeÑIf you select one of the three pacer pro-
grams, this mode will count down the time remain-
ing in the program. If you select the manual mode,
this mode will count up the length of time you have
exercised. Note: If you stop exercising for ten sec-
onds or longer, the time mode will pause.
Note: If there is a thin sheet of clear plastic on
the face of the console, remove it.
Target Pace
Actual Pace

7
¥ DistanceÑThis mode shows the total number of
repetitions (steps) you have completed, up to 999.
The display will then reset to zero and continue
counting.
¥ Fat calories (FAT CALS)ÑThis mode shows the
approximate number of fat calories you have
burned. (See BURNING FAT on page 9 for an
explanation of fat calories.)
¥ Calories (CALS)ÑThis mode shows the approxi-
mate number of calories you have burned. (This
number includes both fat calories and carbohydrate
calories.)
¥ ScanÑThis mode displays the calories, fat calories,
reps/min, time, and distance modes, for five sec-
onds each, in a repeating cycle.
STEP-BY-STEP CONSOLE OPERATION
Before the console can be operated, two ÒAAÓ bat-
teries must be installed. (See assembly step 6 on
page 5 for installation instructions.) Follow the steps
below to operate the console.
Turn on the power
To turn on the
power, press
the on/reset
button or sim-
ply begin
exercising on
the stepper. When the power is turned on, the
entire display will appear for two seconds. The
console will then be ready for use. Note: If batter-
ies were just installed, the power will already be on.
Select one of the three pacer programs or the
manual mode
To select one
of the pacer
programs,
repeatedly
press the pro-
gram button.
The program
indicator will
show which
program you
have selected. To select the manual mode, press
the program button until the program indicator dis-
appears. The programs will be selected in the fol-
lowing order: program 1, program 2 , program 3,
manual mode.
Begin your workout
If you selected
the manual
mode, go to
step 4. If you
selected one of
the pacer pro-
grams, two
columns of
bars will
appear in the
display. The left column will show one bar, show-
ing that the target pace is 40 repetitions per
minute. The right column will show your actual
pace. Adjust your pace until only one bar appears
in the right column. As the program progresses,
the target pace will change periodically; as the tar-
get pace changes, adjust your pace to keep both
columns at the same height. Remember, the tar-
get pace is a goal pace. Your actual pace may
be slower than the target pace, especially dur-
ing the first few months of your exercise pro-
gram. Be sure to exercise at a pace that is
comfortable for you.
Follow your progress with the monitor modes
When the
power is turned
on, the scan
mode will auto-
matically be
selected. One
mode indicator
will show that
the scan mode
is selected, and
a flashing mode indicator will show which mode is
currently displayed. Note: If you select a different
mode, you can select the scan mode again by
repeatedly pressing the mode button.
If desired, you can select the reps/min, time, dis-
tance, fat calories or calories mode for continuous
display. To select one of these modes, repeatedly
press the mode button. The mode indicators will
show which mode is selected. (Make sure that the
scan mode is not selected.)
If desired, the display can be reset by pressing
the on/reset button.
Turn off the power
To turn off the power, simply wait for about six
minutes. If the pedals are not moved and the
console buttons are not pressed for six minutes,
the power will turn off automatically.
5
4
3
2
1
Mode Indicators
Actual PaceTarget Pace
Program Indicator

HOW TO EXERCISE ON THE STEPPER
Place the stepper on a level surface and place a mat
under the stepper. (The stepper features precision
hydraulic cylinders. However, there is a possibility of
slight oil leakage due to the nature of hydraulic cylin-
ders.)
Hold the handlebars and step onto the pedals. Begin
stepping, alternately depressing the right and left ped-
als with a smooth, continuous motion. Because the
pedals move independently of each other, you must
maintain a continuous motion or both pedals will sink
to the floor. Change the height of your step or the
stepping pace until you can comfortably maintain a
continuous motion.
As you step, you can exercise your upper leg mus-
cles by keeping your feet flat on the pedals. To focus
on your calf muscles, rise on your toes as you step.
Stand erect or lean forward slightly as you exercise.
Always keeping your back straight in order to avoid
injury.
HOW TO ADJUST THE RESISTANCE
To change the stepping resistance, simply turn the
resistance collars on the upper ends of the Resistance
Cylinders (9) (see the inset drawing). The arrows on
the Resistance Cylinders and the markings on the
resistance collars show which resistance level has
been selected. Make sure that both Resistance
Cylinders are at the same resistance setting.
WARNING: The resistance cylinders become very
hot during use. Touch only the resistance collars
when changing the stepping resistance.
8
MAINTENANCE AND TROUBLE-SHOOTING
Inspect and tighten all parts each time you use the
stepper. The stepper can be cleaned using a soft cloth
and mild, non-abrasive detergent.
To prevent damage to the
console, use only a
sealed water bottle in the
water bottle holder. In
addition, keep liquid away
from the console, keep
the console out of direct
sunlight, and remove the
batteries when storing the stepper.
REED SWITCH ADJUSTMENT
If the console does not function properly, or if the dis-
play becomes faint, the batteries should be replaced.
See assembly step 6 on page 5.
If the console still
does not function
properly, the Reed
Switch (12) should
be adjusted. Hold
down the Right Pedal
Leg (7) so that the
Magnet (26) is level
with the Reed Switch
(12). Slide the Reed
Switch (12) in or out
slightly. The gap
between the Reed
Switch and the Magnet should be about 1/8Ó. Make
sure that the Magnet will not hit the Reed Switch when
the Right Pedal Leg is moved. Repeat until the con-
sole displays correct feedback.
5
Resistance
Collar
9
9
12
7
26
Water Bottle
Holder

9
CONDITIONING GUIDELINES
The following guidelines will help you to plan your
exercise program. Remember that proper nutrition
and adequate rest are essential for successful results.
EXERCISE INTENSITY
Whether your goal is to burn fat or to strengthen your
cardiovascular system, the key to achieving the
desired results is to exercise with the proper intensity.
The proper intensity level can be found by using your
heart rate as a guide. The chart below shows recom-
mended heart rates for fat burning, maximum fat
burning, and cardiovascular (aerobic) exercise.
To find the proper heart rate for you, first find your age
on the left side of the chart (ages are rounded off to
the nearest ten years). Next, find the three numbers
to the right of your age. The three numbers are your
Òtraining zone.Ó The lowest number is the recommend-
ed heart rate for fat burning; the middle number is the
heart rate for maximum fat burning; the highest
number is the heart rate for aerobic exercise.
Burning Fat
To burn fat effectively, you must exercise at a rela-
tively low intensity level for a sustained period of time.
During the first few minutes of exercise, your body
uses easily accessible carbohydrate calories for ener-
gy. Only after the first few minutes of exercise does
your body begin to use stored fat calories for energy.
If your goal is to burn fat, adjust the intensity of your
exercise until your heart rate is near the lowest num-
ber in your training zone as you exercise.
For maximum fat burning, adjust the intensity of your
exercise until your heart rate is near the middle num-
ber in your training zone as you exercise.
Aerobic Exercise
If your goal is to strengthen your cardiovascular sys-
tem, your exercise must be Òaerobic.Ó Aerobic exer-
cise is activity that requires large amounts of oxygen
for prolonged periods of time. This increases the
demand on the heart to pump blood to the muscles,
and on the lungs to oxygenate the blood. For aerobic
exercise, adjust the intensity of your exercise until
your heart rate is near the highest number in your
training zone.
HOW TO MEASURE YOUR HEART RATE
To measure your
heart rate, first exer-
cise for at least four
minutes. Then, stop
exercising and place
two fingers on your
wrist as shown. Take
a six-second heart-
beat count, and mul-
tiply the result by 10
to find your heart rate. For example, if your six-second
heartbeat count is 14, your heart rate is 140 beats per
minute. (A six-second count is used because your
heart rate will drop rapidly when you stop exercising.)
WORKOUT GUIDELINES
Each workout should include the following three parts:
A warm-up, consisting of 5 to 10 minutes of stretch-
ing and light exercise. A proper warm-up increases
your body temperature, heart rate, and
circulation in preparation for exercise.
Training zone exercise, consisting of 20 to 30 min-
utes of exercising with your heart rate in your training
zone. (During the first few weeks of your exercise pro-
gram, do not keep your heart rate in your training
zone for longer than 20 minutes.)
WARNING: Before beginning this or any exer-
cise program, consult your physician. This is
especially important for persons over the age
of 35 or persons with pre-existing health
problems.

10
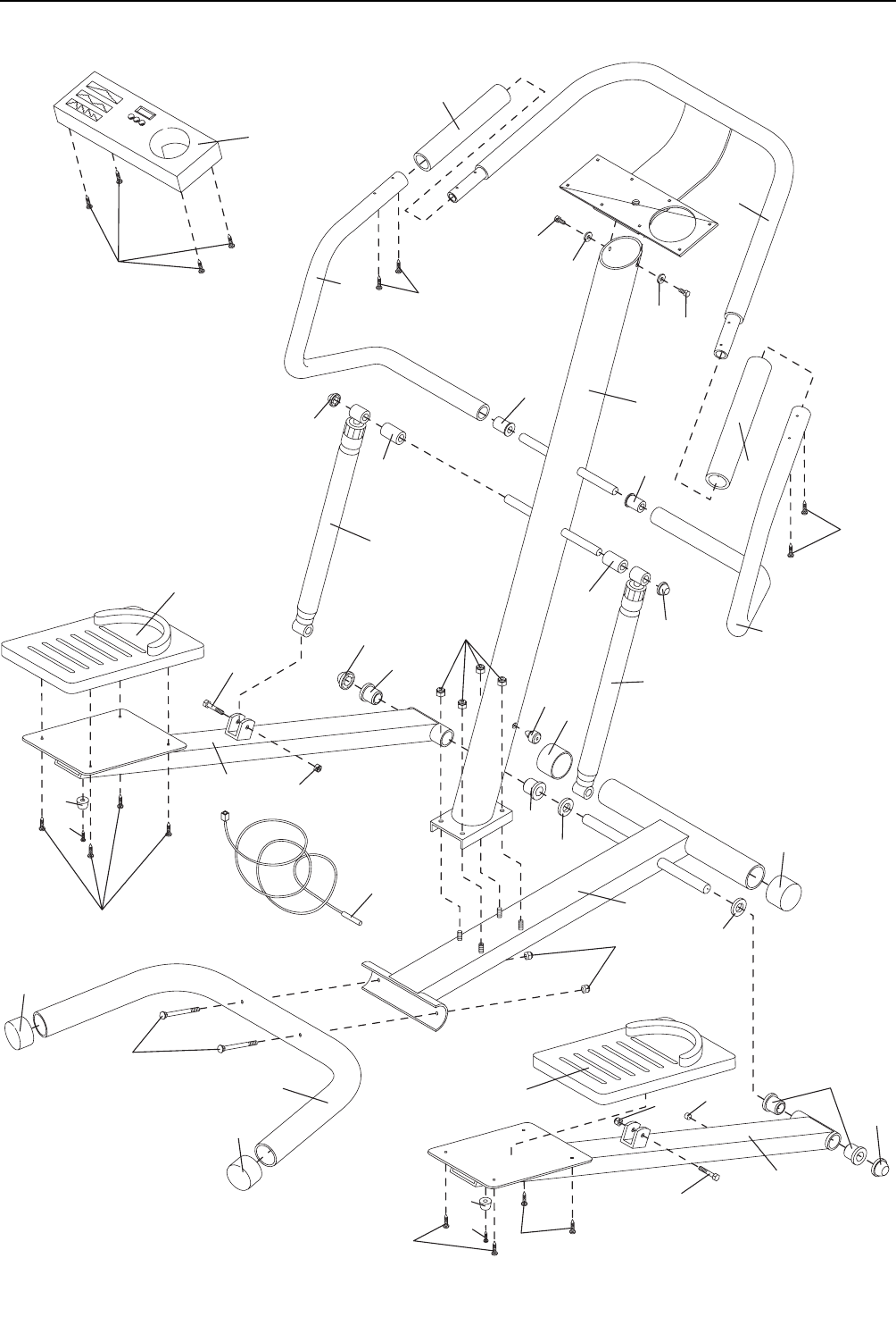
PART LISTÑModel No. 831.285820 R1298A
Note: Ò#Ó refers to a non-illustrated part. Specifications are subject to change without notice. See the back cover
of this manual for information about ordering replacement parts.
Key No. Qty. Description Key No. Qty. Description
A cool-down, with 5 to 10 minutes of stretching. This
will increase the flexibility of your muscles and will
help to prevent post-exercise problems.
EXERCISE FREQUENCY
To maintain or improve your condition, plan three work-
outs each week, with at least one day of rest between
workouts. After a few months of regular exercise, you
may complete up to five workouts each week, if
desired. Caution: Be sure to progress at your own
pace and avoid overdoing it. Incorrect or excessive
training may result in injury to your health.
Remember, the key to success is make exercise a
regular and enjoyable part of your everyday life.
1 1 Upright
2 1 Base
3 1 Top Handlebar
4 1 Right Handlebar
5 1 Left Handlebar
6 1 Left Pedal Leg
7 1 Right Pedal Leg
8 1 Stabilizer
9 2 Resistance Cylinder w/Bushing
10 1 Console
11 2 Pedal
12 1 Reed Switch w/Wire
13 4 Endcap
14 1 Grommet
15 8 M10 Locknut
16 4 Pedal Leg Bushing
17 2 3/4Ó Axle Cap
18 2 5/8Ó Axle Cap
19 2 Cylinder Spacer
20 2 Handlebar Bushing
21 2 M8 x 19mm Button Head Bolt
22 4 M4 x 12mm Console Screw
23 2 M8 Lock Washer
24 2 M10 x 82mm Carriage Bolt
25 2 M10 x 40mm Bolt
26 1 Magnet w/Holder
27 6 M4 x 16mm Screw
28 8 M4 x 10mm Screw
29 2 Plastic Bumper
30 2 Metal Cap
31 2 Foam Grip
# 1 UserÕs Manual
# 1 Grease Packet
# 1 Allen Wrench

11
EXPLODED DRAWINGÑModel No. 831.285820 R1298A
1
2
3
4
5
6
7
8
9
9
10
11
11
12
13
13
13
13
14
15
16
16
16
17
17 18
18
19
19
20
20
21
21
22
28
28
28
25
15
25
25
15
15
27
31
31
23
23
30
30
29
27
29
27
26
27

Part No. 152065 R1298A Printed in China © 1998 Sears, Roebuck and Co.
QUESTIONS?
If you find that:
¥ you need help assembling or
operating the PROFORM¨225c
stepper
¥ a part is missing
¥ or you need to schedule repair
service
call our toll-free HELPLINE
1-800-736-6879
MondayÐSaturday, 7 amÐ7 pm
Central Time (excluding holidays)
REPLACEMENT
PARTS
If parts become worn and need to
be replaced, call the following toll-
free number
1-800-FON-PART
(1-800-366-7278)
The model number and serial number of your PROFORM¨225c
stepper are listed on a decal attached to the frame. See the front
cover of this manual to find the location of the decal.
All replacement parts are available for immediate purchase or
special order when you visit your nearest SEARS Service Center.
To request service or to order parts by telephone, call the toll-free
numbers listed at the left.
When requesting help or service, or ordering parts, please be pre-
pared to provide the following information:
¥ The MODEL NUMBER of the product (831.285820).
¥ The NAME of the product (PROFORM¨225c).
¥ The KEY NUMBER and DESCRIPTION of the PART (see the
PART LIST and EXPLODED DRAWING on pages 10 and 11).
FULL 90 DAY WARRANTY
For 90 days from the date of purchase, if failure occurs due to defect in material or workmanship in this
STEPPER EXERCISER, contact the nearest SEARS Service Center throughout the United States and
SEARS will repair or replace the STEPPER EXERCISER, free of charge.
This warranty does not apply when the STEPPER EXERCISER is used commercially or for rental pur-
poses.
This warranty gives you specific legal rights, and you may also have other rights which vary from state
to state.
SEARS, ROEBUCK AND CO., DEPT. 817WA, HOFFMAN ESTATES, IL 60179