Proform 308050 Xp Strideclimber600 Elliptical Users Manual 285430
2015-04-13
: Proform Proform-308050-Xp-Strideclimber600-Elliptical-Users-Manual-697655 proform-308050-xp-strideclimber600-elliptical-users-manual-697655 proform pdf
Open the PDF directly: View PDF  .
.
Page Count: 28

ATTENTION
Lisez toutes les précautions et
les instructions contenues dans
ce manuel avant dʼutiliser cet
appareil. Gardez ce manuel pour
vous y référer ultérieurement.
Autocollant du
Numéro de Série
(sous le cadre)
Nº. du Modèle 30805.0
Nº. de Série
Notez le numéro de série sur la
ligne ci-dessus comme référence. MANUEL DE LʼUTILISATEUR
QUESTIONS ?
En tant que fabricant nous nous
engageons à satisfaire notre
clientèle entièrement. Si vous
avez des questions ou si des
pièces sont manquantes,
VEUILLEZ NOUS CONTACTER
AU SERVICE À LA CLIENTELE
DIRECTEMENT.
APPUYEZ SANS FRAIS :
1-888-936-4266
du lundi au vendredi de 8h00 à
17h00, heure de lʼest (exceptés
les jours fériés).
OU PAR COURRIEL :
customerservice@iconcanada.ca
www.proform.com
Visit our website at
w

TABLE DES MATIÈRES
EMPLACEMENT DE LʼAUTOCOLLANT DʼAVERTISSEMENT . . . . . . . . . . . . . . . . . . . . . . . . . . . . . . . . . . . . . . .2
PRÉCAUTIONSIMPORTANTES ..............................................................3
AVANTDECOMMENCER ...................................................................4
ASSEMBLAGE ............................................................................5
COMMENTUTILISERLʼAPPAREILELLIPTIQUE................................................13
ENTRETIENETPROBLÈMES...............................................................20
CONSEILSPOURLʼEXERCICE .............................................................21
LISTEDESPIÈCES .......................................................................23
SCHÉMADÉTAILLÉ .......................................................................25
POUR COMMANDER DES PIÈCES DE RECHANGE . . . . . . . . . . . . . . . . . . . . . . . . . . . . . . . . . . .Dernière Page
GARANTIELIMITÉE .............................................................DernièrePage
2
EMPLACEMENT DE LʼAUTOCOLLANT DʼAVERTISSEMENT
Lʼautocollant illustré à droit ont été apposés
sur lʼapparaeil elliptique à lʼendroit indiqué.
Si le texte sur lʼautocollant est en
anglais, trouvez la feuille dʼautocollants
qui contient lʼinformation dans autres
langues. Placez lʼautocollant en français
par-dessus lʼautocollant en anglais à
lʼendroit indiqué. Si lʼautocollant est
manquant ou illisible, voir la page de cou-
verture de ce manuel pour commander un
nouvel autocollant gratuit. Placez lʼautocol-
lant de remplacement à lʼendroit indiqué.
Remarque : les autocollants ne sont pas
illustrés à leurs tailles réelles.
ATTENTION
Le mauvais usage de
cet appareil peut causer
des blessures graves.
Lisez le manuel de l’uti-
lisateur et suivez tous les
avertissements et les ins-
tructions d’utilisation
avant d’utiliser.
Ne permettez pas aux
enfants de monter sur
ou de se tenir près de 
l’appareil.
Les pédales tournantes
peuvent causer des bles-
sures.
Cet appareil n’a pas de 
roue libre.
Réduisez la vitesse des 
pédales d’une manière
controllée.
Le poids de l’utilisateur
ne devrait pas excéder
125kg.
Remplacez l’étiquette si
elle est endommagée,
illisible ou
manquante.
J
PROFORM est une marque enregistrée de ICON IP, Inc.

3
AVERTISSEMENT : afin de réduire les risques de blessures graves, lisez toutes
les précautions et directives de ce manuel, ainsi que tous les avertissements inscrits sur votre
appareil elliptique avant dʼutiliser cet appareil. ICON ne se tient aucunement responsable des bles-
sures ou dégâts matériels résultants de lʼutilisation de cet appareil.
PRÉCAUTIONS IMPORTANTES
1. Consultez votre médecin avant dʼentre-
prendre un programme dʼexercice. Ceci
sʼadresse plus particulièrement aux per-
sonnes âgées de plus de 35 ans et aux
personnes ayant déjà eu des problèmes de
santé.
2. Il est de la responsabilité du propriétaire de
sʼassurer que tous les utilisateurs de lʼappa-
reil elliptique sont correctement informés de
toutes les précautions.
3. Lʼappareil elliptique est conçu pour être utili-
sé chez vous. Lʼappareil elliptique ne doit
pas être utilisé dans une institution commer-
ciale ou pour la location.
4. Utilisez et gardez lʼappareil elliptique à lʼinté-
rieur, à lʼabri de lʼhumidité et de la poussière.
Placez lʼappareil elliptique sur une surface
plane et sur un tapis pour protéger votre sol
ou votre moquette. Assurez-vous quʼil y a
suffisamment dʼespace autour de lʼappareil
elliptique pour vous permettre de monter, de
descendre et dʼutiliser facilement lʼappareil.
5. Inspectez et serrez correctement toutes les
pièces régulièrement. Remplacez immédiate-
ment toute pièce usée.
6. Tenez les enfants de moins de 12 ans et les
animaux domestiques éloignés de lʼappareil
elliptique.
7. Lʼappareil elliptique ne doit jamais être utilisé
par des personnes dont le poids est supé-
rieur à 124 kg (275 lbs).
8. Portez des vêtements appropriés quand
vous utilisez lʼappareil elliptique; ne portez
pas de vêtements trop larges qui pourraient
se coincer dans le votre appareil elliptique.
Portez toujours des chaussures de sport
pour protéger vos pieds.
9. Tenez le détecteur du rythme cardiaque des
poignées ou des poignées mobiles lorsque
vous montez, descendez ou utilisez lʼappa-
reil elliptique.
10. Gardez toujours votre dos bien droit quand
vous vous servez de lʼappareil elliptique ; évi-
tez dʼarquer le dos.
11. Le détecteur cardiaque nʼest pas un appareil
médical. Divers facteurs peuvent rendre la
lecture du rythme cardiaque moins précise.
Le détecteur cardiaque ne sert quʼà donner
une idée approximative des fluctuations du
rythme cardiaque pendant lʼexercice.
12. Lorsque vous arrêtez de vous entraîner, lais-
sez les pédales ralentir jusquʼà lʼarrêt.
13. Cessez immédiatement vos exercices si
vous ressentez une douleur ou des étourdis-
sements, et commencez des exercices de
retour à la normale.
14. Nʼutilisez lʼappareil elliptique que de la
manière décrite.

4
AVANT DE COMMENCER
Merci dʼavoir choisit lʼappareil elliptique révolutionaire
PROFORM XP™ STRIDECLIMBER 600. Le PRO-
FORM XP STRIDECLIMBER 600 est équipé dʼun large
éventail de fonctionnalités conçues pour rendre vos
entraînements chez vous plus efficaces et plus
agréables.
Nous vous conseillons de lire attentivement ce
manuel avant dʼutiliser votre appareil elliptique. Si
vous avez des questions supplémentaires après avoir
lu ce manuel, référez-vous à sa page de couverture
pour nous contacter. Pour que nous puissions mieux
vous assister, notez le numéro du modèle et le numé-
ro de série de lʼappareil avant de nous appeler. Le
numéro du modèle et la localization de lʼautocollant du
numéro de série sont illustrés sur la couverture de ce
manuel.
Avant de continuer à lire ce manuel, familiarisez-vous
avec les pièces illustrées sur le schéma ci-dessous.
Détecteur Cardiaque de
la Poignée
Rampe
Roue
Sélecteur
Pédale
Console
Porte-Bouteille*
Plateau dʼAccessoires
Pied de
Nivelement
Porte Livre
*La bouteille nʼest pas incluse

5
ASSEMBLAGE
Lʼassemblage requiert deux personnes. Placez toutes les pièces de lʼappareil elliptique sur une aire dégagée
et enlevez les emballages. Ne jetez pas les emballages avant dʼavoir terminé lʼassemblage.
En plus des clés hexagonales incluses, lʼassemblage requiert un tournevis cruciforme une
clé à molette , et un maillet en caoutchouc .
Alors que vous assemblez lʼappareil elliptique, utilisez les schémas ci-dessous pour identifier les petites pièces.
Le nombre entre parenthèses sous chaque schéma est le numéro clé de la pièce dans la LISTE DES PIÈCES
vers la fin de ce manuel. Le nombre après les parenthèses est la quantité de pièce requise pour lʼassemblage.
Remarque : certaines petites pièces ont peut-être été pré-assemblées. Si une pièce nʼest pas dans le sac
des pièces, vérifiez quʼelle nʼest pas déjà assemblée.
Vis
Autoperçante
M5 x 16mm
(79)–10
Bague
d’Espacement de
M10 (76)–2
Rondelle
Fendue de M6
(88)–8
Rondelle de
M10 x 20mm x
2mm (81)–2
Rondelle de
M10 x 25mm x
1,5mm (83)–10
Écrou de
Verrouillage de
M8 (96)–4
Rondelle
Ondulée (93)–6
Rondelle
Fendue de M10
(72)–2
Vis de M4 x 65mm (91)–4
Vis de M4 x
16mm (86)–4 Vis à Collerette de
M4 x 16mm (84)–2
Vis à Collerette
de M4 x 12mm
(73)–6
Boulon en Bouton de
M8 x 42mm (71)–4
Vis en Métal/Nylon de
M8 x 16mm (95)–3
Vis à Épaulement
en Métal/Nylon de
M8 x 23mm (80)–2
Vis en Métal/Nylon de
M10 x 15mm (82)–10
Vis Cruciforme en
Métal/Nylon de M6 x
16mm (87)–8
Boulon en Métal/Nylon de
M10 x 62mm (97)–2
Vis en Métal/Nylon de M10 x 48mm
(78)–2
Vis à Épaulement en
Métal/Nylon de M10
x 35mm (94)–2

6
1.
Pendant quʼune deuxième personne bascule le
Cadre (2) vers lʼarrière, attachez une Roue (25)
de chaque côté du Cadre à lʼaide dʼune Vis à
Épaulement en Métal/Nylon de M10 x 35mm
(94).
2. Basculez doucement le Cadre (2) sur son côté.
Orientez la Base (1) comme sur le schéma
puis, enfoncez la Base dans le Cadre. Attachez
la Base à lʼaide de deux Boulons en
Métal/Nylon de M10 x 62mm (97), deux Bagues
dʼEspacement de M10 (76), deux Vis en
Métal/Nylon de M10 x 48mm (78), et deux
Rondelles Fendues de M10 (72).
Ensuite, replacez doucement lʼappareil elliptique
dans sa position droite.
94
1
2
25
2
2
1
72
76
78 97
Pour faciliter lʼassemblage, lisez lʼinforma-
tion à la page 5 avant de commencer.

7
3. Identifiez la Jambe du Rouleau Droit (21) et la
Jambe de la Pédale Droite (16) sur lesquelles
se trouvent la lettre Rou Right (droit). Orientez
la Jambe du Rouleau Droit et la Jambe de la
Pédale Droite comme sur le schéma.
Appliquez une petite quantité de la graisse
incluse sur lʼEssieu du Rouleau (24). Attachez
le Bouton de Sélection (34) qui se trouve sur la
Jambe de la Pédale Droite (16), sur la Jambe
du Rouleau Droit (21) avec lʼEssieu du
Rouleau, deux Rondelles de M10 x 25mm x
1,5mm (83) et deux Vis en Métal/Nylon de M10
x 15mm (82).
Répétez cette étape avec la Jambe du
Rouleau Gauche (non-illustrée) et la Jambe
de la Pédale Gauche (non-illustrée).
21
16
34
3
24 82
Graisse
83
83
82
4. Identifiez la Pédale Droite (15) et la Jambe de
la Pédale Droite (16) sur lesquelles des autocol-
lants sont collés (Lou Left pour le le côté
Gauche ; Rou Right pour le côté Droit).
Orientez la Pédale Droite et la Jambe de la
Pédale Droite comme sur le schéma. Attachez
la Pédale Droite à lʼaide de quatre Vis
Cruciformes en Métal/Nylon de M6 x 16mm (87)
et quatre Rondelles Fendues de M6 (88).
Répétez cette étape avec la Jambe du
Rouleau Gauche (non-illustrée) et la Jambe
de la Pédale Gauche (non-illustrée).
15
16
4
87
87
88
88

8
6. Attachez la Protection du Cadre Central (27)
sur la Base (1) à lʼaide de six Vis à Collerette
de M4 x 12mm (73).
6
27
1
73
73
73
73
5. Appliquez un peu de graisse sur l'essieu du
Bras du Pédalier (36) droit et sur une Rondelle
Ondulée (93). Ensuite, glissez la Rondelle
Ondulée sur le Bras du Pédalier.
De plus, utilisez le sachet de graisse sur lequel
est écrit « For Wheels » (pour les roues) pour
lubrifier le Rouleau (22) sur la Jambe du
Rouleau Droit (21) ; étalez bien la graisse sur
tout le rouleau.
Glissez la Jambe du Rouleau Droit (21) sur
lʼessieu sur le Bras du Pédalier (36) droit puis,
placez le Rouleau (22) sur la Base (1). Attachez
la Jambe du Rouleau Droit à lʼaide dʼune Vis en
Métal/Nylon de M10 x 15mm (82), un Embout
de lʼEssieu du Pédalier (30) et une Rondelle de
M10 x 25mm x 1,5mm (83).
Répétez cette étape de lʼautre côté de lʼap-
pareil elliptique.
5
30
22
82
83
93
Graisse
Graisse
21
36
1

9
8. Demandez à une deuxième personne de tenir
le Montant (6) près du Cadre (2) comme illustré.
Tirez le Groupement de Fils (48) hors du Cadre
(2) et enfilez-le vers le haut dans le Montant (6).
Conseil : utilisez un morceau de ruban
adhésif ou un élastique pour maintenir le
Groupement de Fils en place jusquʼà lʼétape
14.
Enfoncez le Montant (6) dans le Cadre (2).
Conseil : vissez légèrement toutes les vis
avant de les serrer complètement. Attachez le
Montant à lʼaide de trois Vis en Métal/Nylon de
M8 x 16mm (95). Évitez de pincer le
Groupement de Fils (48) entre le Montant et
le Cadre.
8
9. Appliquez une couche généreuse de graisse
sur lʼEssieu de Pivot (65) puis, enfoncez-le
dans le Cadre (2).
Orientez les deux Boîtiers du Cadre (17)
comme sur le schéma. Attachez les Protections
du Cadre sur le Cadre (2) à lʼaide de quatre Vis
de M4 x 16mm (86).
9
86
86
65
17 17
2
48
95
95
6
2
Graisse
Evitez de pincer le
Groupement de
Fils (48) durant
cette étape
7. Orientez la Protection du Cadre Arrière (23)
comme sur le schéma. Pendant quʼune deux-
ième personne bascule lʼappareil elliptique vers
lʼavant, attachez la Protection du Cadre Arrière
sur la Base (1) à lʼaide de quatre Vis de M4 x
65mm (91) et deux Vis Autoperçantes de M4 x
16mm (79).
23
79
91
7
1

10
11. Placez un Boîtier Intérieur de la Poignée Mobile
(18) et un Boîtier Extérieur de la Poignée Mobile
(19) autour de la Poignée Mobile Droite (9)
comme sur le schéma.
Attachez le Boîtier Extérieur de la Poignée
Mobile (19) à lʼaide dʼune Vis à Collerette de M4
x 16mm (84). Ensuite, attachez le Boîtier
Intérieur de la Poignée Mobile (18) à lʼaide de
deux Vis Autoperçantes de M4 x 16mm (79).
Répétez cette étape avec la Poignée Mobile
Gauche (non-illustrée).
11
19
18
79
84
9
10. Identifiez la Poignée Mobile Droite (9) sur laque-
lle se trouve un autocollant avec la lettre « R ».
Enfoncez la Poignée Mobile Droite dans une
des Jambes de la Poignée Mobile (11), comme
sur le schéma.
Attachez la Poignée Mobile Droite (9) à lʼaide de
deux Boulons de M8 x 42mm (71) et deux
Écrous de Verrouillage de M8 (96). Assurez-
vous que les Écrous de Verrouillage sont
bien à lʼintérieur des trous hexagonaux.
Répétez cette étape avec la Poignée Mobile
Gauche (non-illustrée) et lʼautre Jambe de la
Poignée Mobile (non-illustrée).
10
9
96
71
11
Trous
Hexagonaux

11
13. La Console (5) peut utiliser quatre piles de 1,5
volts de type « D » ; nous recommandons les
piles alcalines. IMPORTANT : si la console a
été entreposée dans un endroit froid, lais-
sez-la se réchauffer à la température
ambiante avant d'insérer les piles. Si cette
précaution nʼest pas prise, vous pourriez
endommager les affichages de la console ou
dʼautres composantes électroniques.
Enlevez la vis, puis le couvercle du comparti-
ment des piles, insérez les piles dans celui-ci
puis, revissez le couvercle. Assurez-vous que
les piles sont orientées comme sur le dia-
gramme dans le compartiment des piles.
Pour acheter un adaptateur AC en option,
contactez le magasin où vous avez acheté
cet appareil ou appelez le numéro de télé-
phone sur la page de couverture de ce
manuel. Pour éviter dʼendommager la con-
sole, utilisez uniquement un bloc
dʼalimentation fourni par le fabricant.
Branchez le bloc dʼalimentation dans la prise
sur lʼappareil elliptique ; branchez lʼautre bout
dans une prise murale conforme aux normes
électriques locales.
13
5
Couvercle
des Piles Piles
Vis des
Piles
Vis des
Piles
Vis de la
Console
12. Appliquez une légère couche de graisse sur
une Rondelle Ondulée (93). Glissez la Rondelle
Ondulée sur le côté droit de lʼEssieu de Pivot
(65). Ensuite, glissez la Poignée Mobile Droite
(9) sur lʼEssieu de Pivot.
Attachez la Poignée Mobile Droite (9) à lʼaide
dʼune Vis à Épaulement en Métal/Nylon de M8
x 23mm (80) et dʼune Rondelle de M10 x 20mm
x 2mm (81).
Répétez cette étape pour attachez la
Poignée Mobile Gauche (8) sur lʼEssieu de
Pivot (65).
12
Graisse
Graisse
93
65
93
81
80
81
80
9
8

12
16. Assurez-vous que toutes les pièces de lʼappareil elliptique sont serrées correctement. Remarque : il
est possible quʼil reste des pièces une fois lʼassemblage terminé. Pour protéger votre sol ou votre moquette,
placez un tapis sous lʼappareil elliptique.
15
15. Appliquez une couche généreuse de graisse sur
un Essieu de la Jambe de la Pédale (32).
Insérez lʼEssieu de la Jambe de la Pédale en
bas de la Jambe de la Poignée Mobile (11)
droite.
Appliquez une légère couche de graisse sur une
Rondelle Ondulée (93). Glissez la Rondelle
Ondulée sur le côté droit de lʼEssieu de la
Jambe de la Pédale (32).
Orientez la Jambe de la Pédale Droite (16)
comme sur le schéma puis, glissez-la sur
lʼEssieu de la Jambe de la Pédale (32).
Attachez la Jambe de la Pédale Droite sur la
Jambe de la Poignée Mobile (11) droite à lʼaide
de deux Vis en Métal/Nylon de M10 x 15mm
(82), deux Embouts de lʼEssieu (31) et deux
Rondelles de M10 x 25mm x 1,5mm (83).
Répétez cette étape de lʼautre côté de lʼap-
pareil elliptique.
83
83
93
32
16
11
31
82
Graisse
31
82
14 5
Fil de la
Console
486
79
14. Pendant quʼune deuxième personne tient la
Console (5) près du Montant (6), branchez le
groupement de fils de la console dans le
Groupement de Fils (48) Supérieur. Insérez lʼex-
cès de groupement de fils dans le Montant.
Conseil : faites attention de ne pas pincer
les Groupements de Fils (48, 65) durant cette
étape. Attachez la Console (5) sur le Montant
(6) à lʼaide de quatre Vis Autoperçante de M4 x
16mm (79).
Evitez de pincer le
Groupement de
Fils (48)

13
COMMENT UTILISER LʼAPPAREIL ELLIPTIQUE
COMMENT DÉPLACER LʼAPPAREIL ELLIPTIQUE
En raison de la taille et du poids de lʼappareil ellip-
tique, il faut deux personnes pour le déplacer.
Ensuite, tenez-vous devant lʼappareil elliptique et
placez un pied contre le centre du stabilisateur avant.
Tirez le montant et demandez à une deuxième per-
sonne de soulever la bas jusquʼà ce que lʼappareil
elliptique roule sur les roues avant. Déplacez douce-
ment lʼappareil elliptique vers lʼendroit désiré, puis
baissez-le.
COMMENT SʼENTRAÎNER SUR LʼAPPAREIL ELLIP-
TIQUE
Tenez le guidon et montez sur la pédale qui est au
niveau le plus bas. Ensuite, mettez lʼautre pied sur
lʼautre pédale. Poussez les pédales jusquʼà ce quʼelles
bougent dʼune manière continue. Remarque : les dis-
ques des pédales peuvent tourner dans les deux
sens. Il est recommandé de tourner les pédales
dans la direction indiquée par la flèche sur le
schéma à droite ; cependant pour varier vos exer-
cices, vous pouvez choisir de tourner les bras du
pédalier dans la direction opposée.
Pour descendre de lʼappareil elliptique, attendez que
les pédales soient à lʼarrêt complet. Remarque : lʼap-
pareil elliptique nʼa pas de roue libre ; les pédales
continueront à bouger jusquʼà ce que le volant
sʼarrête. Quand les pédales sont immobiles, descen-
dez dʼabord de la pédale la plus haute. Descendez
ensuite de la pédale la plus basse.
Placez
votre
Pied ici
Tirez le
montant
Soulevez
ici
Pédales
Couvercle
du Bras du
Pédalier
Poignées Mobiles

14
COMMENT RÉGLER LES BOUTONS DE
SÉLECTION
Les pédales de lʼappareil elliptique déplacent vos
pieds dans un mouvement elliptique naturel. Vous
pouvez régler les boutons de sélection sur lʼappareil
elliptique pour que les pédales se déplacent sur un
axe plus vertical ou plus horizontal.
Pour régler lʼappareil elliptique pour que les pédales
se déplacent sur un axe plus vertical, faites pivoter les
deux boutons de sélection jusquʼà la position
supérieur ; pour régler lʼappareil elliptique pour que les
pédales se déplacent sur un axe plus horizontal, faites
pivoter les deux boutons de sélection sur la position
inférieure. IMPORTANT : assurez-vous de placer les
deux boutons sur la même position.
COMMENT NIVELER LʼAPPAREIL ELLIPTIQUE
Si lʼappareil
elliptique est
bancal durant
son utilisation,
tournez un ou
les deux pieds
de nivellement
sous la base
jusquʼà ce que
lʼappareil soit
stable.
Boutons de Sélection
Position
Supérieure
Position
Inférieure
Pieds de
Nivellement

15
FONCTIONNALITÉS DE LA CONSOLE
La console de pointe offre une sélection de fonction-
nalités conçues pour rendre vos exercices plus
agréables et plus efficaces.
Lorsque vous utilisez le mode manuel de la console,
vous pouvez changer la résistance des pédales dʼune
pression de touche. Alors que vous vous entraînez, la
console vous fournit des données continues sur votre
entraînement. Vous pouvez aussi mesurer votre
rythme cardiaque en utilisant le détecteur cardiaque
intégré dans le guidon.
La console offre quatre programmes de perte de poids
conçus pour vous aider à brûler des calories et à per-
dre vos kilos en trop. La console vous guide tout au
long dʼun entraînement efficace de perte de poids en
vous invitant à varier votre cadence et en contrôlant la
résistance des pédales.
La console est équipée de six programmes intelligents
qui changent automatiquement la résistance des
pédales et vous motivent pour varier votre cadence
tout en vous guidant lors dʼun entraînement efficace.
Vous pouvez aussi utiliser le journal dʼentraînement
pour voir les informations dʼutilisation de votre appareil
elliptique.
Pour utiliser le mode manuel, allez à la page 16.
Pour utiliser un programme de perte de poids,
allez à la page 18. Pour utiliser un programme pré-
enregistré, allez à la page 19. Pour voir le journal
dʼentraînement, allez à la page 19.
SCHÉMA DE LA CONSOLE

16
COMMENT UTILISER LE MODE MANUEL
Remarque : si la console est recouverte dʼun film de
plastique transparent, retirez-le avant dʼutiliser la con-
sole.
1. Commencez à pédaler pour allumer la console.
Quelques secondes après avoir mis en marche la
console, lʼécran sʼallume.
2. Sélectionnez le mode manuel.
Le mode manuel est sélectionné automatiquement
chaque fois que vous allumez la console. Si vous
avez sélectionné un programme, sélectionnez de
nouveau le mode manuel en appuyant plusieurs
fois sur la touche Entrer/Sortir [ENTER/EXIT]
jusquʼà ce que les mots MANUAL MODE (Mode
Manuel) apparaissent sur la partie supérieure de
lʼécran.
3. Changez la résistance de lʼappareil elliptique,
comme désiré.
Appuyez sur la touche Marche ou commencez à
pédaler. Alors que vous pédalez, changez la résis-
tance des pédales en appuyant sur une des dix
touches numérotées Résistance Rapide [QUICK
RESISTANCE]. Remarque : après avoir appuyé
sur les touches, lʼappareil prend quelques secon-
des pour atteindre le niveau sélectionné.
4. Suivez votre progression sur lʼécran.
La section gauche de
lʼécran—Cette section
affiche le temps [TIME]
écoulé. Remarque :
lorsquʼun programme
est sélectionné, lʼécran
affiche le temps restant avant la fin du programme
plutôt que le temps écoulé.
Lʼécran affiche aussi votre rythme cardiaque
quand vous utilisez le détecteur cardiaque de la
poignée (voir lʼétape 5 page 17).
Quand vous sélectionnez un programme, la sec-
tion gauche de lʼécran affiche le nombre
approximatif de calories [CALS.] que vous avez
brûlées.
La section centrale
de lʼécran—Quand
vous sélectionnez le
mode manuel, lʼécran
affiche une piste qui
représente 640 tours.
Alors que vous vous entraînez, les indicateurs
apparaissent successivement autour de la piste
jusquʼà ce que toute la piste soit allumée. La piste
disparaît alors et les indicateurs recommencent à
sʼafficher un à un.
La section centrale de
lʼécran affichera aussi
la résistance des
pédales [RESIST.],
pendant quelques sec-
ondes, chaque fois que
celle-ci change.
La section droite de
lʼécran—Cette section
de lʼécran affiche la
distance [DIST.] que
vous avez parcourue
(en nombre de tours)
en pédalant.
Quand vous sélectionnez un programme, la sec-
tion droite de lʼécran affiche aussi la cadence des
pédales, en tours par minutes [RPM].
La section supérieure de lʼécran—Quand vous
sélectionnez le mode manuel, la section
supérieure de lʼécran affiche le nombre approxi-
matif de calories brûlées et la cadence des
pédales en tours par minutes [RPM].
Remarque : quand vous sélectionnez un pro-
gramme, vous pouvez changer le mode
dʼaffichage pour voir les informations sur votre
entraînement qui vous intéressent le plus. Pour
changer le mode dʼaffichage, appuyez sur la
touche Affichage [DISPLAY] jusquʼà ce que lʼinfor-
mation désirée soit affichée sur la section
inférieure ou supérieure de lʼécran. Après
quelques secondes, lʼécran affiche automatique-
ment les modes comme auparavant.

17
5. Mesurez votre rythme cardiaque, si désiré.
Si les plaques
métalliques sur les
poignées sont recou-
vertes dʼun film de
plastique, retirez-le.
Pour mesurer votre
rythme cardiaque,
tenez la poignée du
détecteur cardiaque,
les paumes des mains
sur les plaques
métalliques. Evitez de
bouger vos mains ou de trop serrer les plaques.
Quand votre rythme
cardiaque est détecté,
un symbole en forme
de cœur se met à clig-
noter sur lʼécran
gauche. Chaque fois
que votre cœur bat, un ou deux tirets apparaissent
puis, votre rythme cardiaque sʼaffiche sur lʼécran.
Pour une lecture plus précise de votre rythme car-
diaque, tenez les plaques pendant au moins 15
secondes. Remarque : si vous continuez à tenir la
poignée du détecteur cardiaque, la section
inférieure de lʼécran affiche votre rythme cardiaque
pendant 30 secondes.
Si votre rythme cardiaque ne sʼaffiche pas,
assurez-vous que vos mains sont dans la position
décrite. Faites attention de ne pas bouger vos
mains ou de ne pas trop serrer les plaques
métalliques. Pour de meilleures performances, net-
toyez les plaques métalliques à lʼaide dʼun chiffon
doux ; nʼutilisez jamais de lʼalcool ou des déter-
gents abrasifs ou chimiques.
6. Quand vous avez fini de vous entraîner, la con-
sole sʼéteint automatiquement.
Si les pédales ne bougent pas pendant plusieurs
secondes, une tonalité se fait entendre, la console
se met en pause, et le temps se met à clignoter à
lʼécran.
Si les pédales ne bougent pas pendant environ
cinq minutes, la console sʼéteint et les affichages
se remettent à zéro.
Plaque
Métalliques

18
COMMENT UTILISER UN PROGRAMME DE PERTE
DE POIDS
1. Commencez à pédaler pour allumer la console.
Référez-vous à lʼétape 1 page 16.
2. Sélectionnez un programme de perte de poids.
Pour sélectionner un des quatre programmes de
perte de poids, appuyez sur la touche Entrer/Sortir
[ENTER/EXIT] jusquʼà ce que le nom dʼun
Programme de Perte de Poids [WEIGHTLOSS]
apparaisse sur la section supérieure de lʼécran.
Quand vous sélectionnez un programme de perte
de poids, le nom du programme et la durée du
programme apparaissent sur lʼécran et un
graphique des résistances du programme défile au
centre de lʼécran.
3. Lancez le programme.
Pour mettre le programme en marche, appuyez
sur la touche Marche [START] ou commencez à
pédaler.
Les programmes sont divisés en 25, 30 ou 45
segments dʼune minute. Un niveau de résistance
et un objectif de tours par minute [RPM] sont pro-
grammés pour chaque segment. Remarque : la
même résistance ou la même cadence peuvent
être programmées pour des segments consécutifs.
Pendant le programme, le graphique du pro-
gramme affiche votre progression (voir le schéma
ci-dessus). Le segment du programme qui clignote
représente le segment en cours. La hauteur du
segment qui clignote indique le niveau de résis-
tance du segment en cours. À la fin de chaque
segment du programme, une suite de tonalités se
fait entendre et le segment suivant du graphique
se met à clignoter. Si une résistance différente est
programmée pour le segment suivant, la résis-
tance apparaît sur lʼécran pendant quelques
secondes pour vous prévenir. La résistance des
pédales change à ce moment.
Pendant votre entraînement, vous serez invité à
maintenir une cadence proche de lʼobjectif de
tours par minute programmé pour le segment en
cours. Quand les mots PEDAL FASTER (Pédalez
plus rapidement) apparaissent dans la section
supérieure de lʼécran, accélérez. Quand les mots
PEDAL SLOWER (Pédalez plus doucement)
apparaissent, ralentissez. Quand les mots PEDAL-
ING IN RANGE (Objectif Atteint) apparaissent,
maintenez votre cadence.
IMPORTANT : les objectifs de cadence sont un
outil pour vous motiver. Vous pouvez maintenir
une cadence plus lente que la cadence pro-
grammée. Assurez-vous de vous entraîner à
une cadence qui vous soit confortable.
Si le niveau du segment en cours est trop élevé
ou trop faible, vous pouvez modifier le niveau de
résistance manuellement en appuyant sur les
touches de Résistance Rapide [QUICK RESIS-
TANCE]. Cependant, quand le segment en cours
se termine, lʼappareil se règle automatiquement
sur la résistance programmée pour le segment
suivant.
Si vous cessez de pédaler pendant plusieurs sec-
ondes, une suite de tonalités se fera entendre
pour signaler lʼentrée en pause dʼentraînement.
Pour relancer lʼentraînement, recommencez tout
simplement à pédaler. Le programme continue
jusquʼà ce que le dernier segment du graphique se
mette à clignoter et que le dernier segment du
programme se termine.
Quand le dernier segment du programme se ter-
mine, les mots PROGRAM DONE (programme
terminé) apparaissent dans la section supérieure
de lʼécran.
4. Suivez votre progression sur lʼécran.
Référez-vous à lʼétape 4 page 16.
5. Mesurez votre rythme cardiaque, si désiré.
Référez-vous à lʼétape 5 page 17.
6. Quand vous avez fini de vous entraîner, la con-
sole sʼéteint automatiquement.
Référez-vous à lʼétape 6 page 17.
Graphique

COMMENT UTILISER UN PROGRAMME PRÉ-
ENREGISTRÉ
1. Commencez à pédaler pour allumer la console.
Référez-vous à lʼétape 1 page 16.
2. Sélectionnez un programme pré-enregistré.
Pour sélectionner un des huit programmes pré-
enregistrés, appuyez sur la touche Entrer/Sortir
[ENTER/EXIT] jusquʼà ce que le nom dʼun
Entraînement [WORKOUT] apparaisse dans la
section supérieure de lʼécran.
Quand vous sélectionnez un programme pré-
enregistré, le nom du programme et la durée du
programme apparaissent sur lʼécran ; un graphique
des résistances programmées défile aussi au cen-
tre de lʼécran.
3. Lancez le programme.
Pour lancez le programme, appuyez sur la touche
Marche ou commencez à pédaler.
Les programmes sont divisés en 20, 30 ou 45 seg-
ments dʼune minute. Une résistance et une cadence
sont programmées pour chaque segment.
Remarque : le même niveau de résistance ou le
même objectif de cadence peut être programmé
pour des segments consécutifs. Lʼécran fonctionne
de la même manière que lʼécran durant un pro-
gramme de perte de poids (voir lʼétape 3 page 18).
Pendant votre entraînement, vous serez invité à
maintenir une cadence proche de lʼobjectif de tours
par minute programmé pour le segment en cours.
Quand les mots PEDAL FASTER (pedaler plus vite)
apparaissent dans la section supérieure de lʼécran,
accélérez. Quand les mots PEDAL SLOWER (peda-
ler moins vite) apparaissent, ralentissez. Quand les
mots PEDALING IN RANGE (pedaler dans les
limites) apparaissent, maintenez votre cadence.
IMPORTANT : les objectifs de cadence program-
més sont uniquement un outil pour vous
motiver. Vous pouvez maintenir une cadence
plus lente que la cadence programmée. Assurez-
vous de vous entraîner à une cadence qui vous
soit confortable.
Si la résistance du segment en cours est trop élevé
ou trop faible, vous pouvez la modifier le manuelle-
ment en appuyant sur les touches de Résistance
Rapide [QUICK RESISTANCE]. Cependant, quand
le segment en cours se termine, lʼappareil se règle
automatiquement sur la résistance programmée
pour le segment suivant.
Si vous cessez de pédaler pendant plusieurs sec-
ondes, une suite de tonalités se fera entendre
pour signaler lʼentrée en pause dʼentraînement.
Pour relancer lʼentraînement, recommencez tout
simplement à pédaler. Le programme continue
jusquʼà ce que le dernier segment du graphique se
mette à clignoter et que le dernier segment du
programme se termine.
Quand le dernier segment du programme se ter-
mine, les mots PROGRAM DONE (programme
terminé) apparaissent dans la section supérieure
de lʼécran.
4. Suivez votre progression sur lʼécran.
Référez-vous à lʼétape 4 page 16.
5. Mesurez votre rythme cardiaque cardiaque, si
désiré.
Référez-vous à lʼétape 5 page 17.
6. Quand vous avez fini de vous entraîner, la con-
sole sʼéteint automatiquement.
Référez-vous à lʼétape 6 page 17.
COMMENT ACCÉDER AU JOURNAL
DʼENTRAÎNEMENT
Pour accéder au journal dʼentraînement, appuyez
sur la touche Distance/Total [TRIP/TOTAL]. La dis-
tance parcourue pendant le programme en cours
et le nombre dʼheures dʼutilisation de lʼappareil
elliptique durant le programme en cours apparais-
sent sur lʼécran. Remarque : la distance se remet à
zéro chaque fois que vous utilisez la console.
Pour voir la distance totale parcourue et le nombre
total dʼheures dʼutilisation de lʼappareil elliptique
depuis son achat, appuyez sur la touche
Distance/Total une nouvelle fois. Remarque :
quand le mot K-REVS apparaît dans la section
supérieure de lʼécran, le nombre affiché dans la
section droite de lʼécran doit être multiplié par mille
pour obtenir la distance totale.
Pour sortir du journal dʼentraînement, appuyez sur
la touche Distance/Total une troisième fois.
Graphique
19

Vérifiez et vissez toutes les pièces de lʼappareil ellip-
tique régulièrement. Remplacez toute pièce usée
immédiatement.
Pour nettoyer lʼappareil elliptique, utilisez un chiffon
doux et humide avec un peu dʼeau savonneuse.
IMPORTANT : pour éviter dʼendommager la con-
sole, éloignez-la de tout liquide et des rayons
directs du soleil.
INSTALLATION DES PILES
Si lʼaffichage de la console nʼest plus lisible, vous devez
changer les piles ; la plupart des problèmes de console
sont dus à des piles faibles. Référez-vous aux instruc-
tions de lʼétape 13 à la page 11 pour changer les piles.
COMMENT NIVELER LʼAPPAREIL ELLIPTIQUE
Si lʼappareil elliptique est légèrement bancal sur votre
sol durant son utilisation, référez-vous à COMMENT
NIVELER LʼAPPAREIL ELLIPTIQUE à la page 14.
COMMENT AJUSTER LE CAPTEUR MAGNÉTIQUE
Si lʼaffichage de la console nʼest pas correct, le capteur
magnétique devrait être ajusté. Pour ajuster le capteur
magnétique, retirez tout dʼabord les vis des panneaux
latéraux droit et gauche. Il y a deux tailles de vis sur
les panneaux latéraux ; notez quelle vis va dans
chaque trou quand vous retirez les vis. Ouvrez
doucement les panneaux latéraux et retirez le plateau à
accessoires.
Ensuite, référez-vous au schéma ci-dessous pour
localisez le Capteur Magnétique (50). Dévissez mais ne
retirez pas la Vis de M4 x 16mm (79) indiquée. Glissez
le Capteur Magnétique plus près ou plus loin de
lʼAimant (55) sur le volant.
Ensuite, revissez la Vis. Tournez un des Bras du
Pédaliez (36) pendant quelques secondes. Répétez
lʼopération jusquʼà ce que la console affiche des don-
nées correctes. Quand le Capteur Magnétique est
correctement réglé, replacez le plateau à accessoires et
ré-attachez les panneaux latéraux droit et gauche.
COMMENT RÉGLER LA COURROIE DE TRACTION
Si les pédales glissent quand vous pédalez, même
quand la résistance est réglée sur le niveau le plus
élevé, vous devez ajuster la courroie. Pour ajuster la
courroie de traction, retirez tout dʼabord les vis des pan-
neaux latéraux droit et gauche. Il y a deux tailles de
vis sur les panneaux latéraux ; notez quelle vis va
dans chaque trou quand vous retirez les vis. Ouvrez
doucement les panneaux latéraux et retirez le plateau à
accessoires.
Ensuite, localisez la Vis du Tendeur (68) et dévissez-la
dʼun demi tours. Montez sur lʼappareil elliptique et
déplacez les pédales. Si les pédales continue de gliss-
er, tournez la Vis du Tendeur dʼun demi tours
supplémentaire puis, testez de nouveau les pédales.
Continuez ainsi jusquʼà ce que les pédales ne glissent
plus. Ensuite, ré-attachez le plateau à accessoires et
les panneaux latéraux.
20
ENTRETIEN ET PROBLÈMES
68
36
55
50
40
79

21
Les conseils suivants vous aideront à planifier votre
programme dʼexercice. Pour plus de détails sur lʼexer-
cice, procurez-vous un livre réputé sur le sujet, ou
consultez votre médecin. Une alimentation équilibrée
et un repos adéquat sont aussi essentiels pour la
réussite de votre programme.
INTENSITÉ DES EXERCICES
Que votre objectif soit de brûler de la graisse ou de ren-
forcer votre système cardio-vasculaire, la clé de la
réussite est de sʼentraîner à la bonne intensité. Vous
pouvez utiliser votre rythme cardiaque comme repère
pour trouver le niveau dʼintensité approprié. Le tableau
ci-dessous indique les rythmes cardiaques recomman-
dés pour brûler de la graisse, pour brûler un maximum
de graisse et pour des exercices aérobics.
Pour déterminer le niveau dʼintensité approprié, trouvez
votre âge en bas du tableau (les âges sont arrondis à la
dizaine supérieure). Les trois nombres au-dessus de
votre âge définissent votre « zone dʼentraînement ». Le
nombre du bas est le rythme cardiaque approprié pour
brûler de la graisse. Le nombre du milieu est le rythme
cardiaque approprié pour brûler un maximum de grais-
se, et le nombre du haut est le rythme cardiaque pour
des exercices aérobics.
Brûler de la graisse—Pour brûler efficacement de la
graisse, vous devez vous entraîner à une intensité
modérée pendant une période de temps soutenue.
Durant les premières minutes dʼeffort, votre corps utili-
se des calories de glucide pour générer de lʼénergie. Il
faut plusieurs minutes dʼeffort pour que votre corps
commence à puiser dans ses réserves de graisse
pour générer de lʼénergie. Si votre objectif est de brû-
ler de la graisse, réglez lʼintensité de vos exercices
pour que votre rythme cardiaque soit proche du
nombre du bas dans votre zone dʼentraînement. Pour
brûler un maximum de graisse, entraînez-vous de
manière à ce que votre rythme cardiaque soit proche
du nombre du milieu dans votre zone dʼentraînement.
Des Exercices Aérobics—Si votre objectif est de ren-
forcer votre système cardio-vasculaire, vous devez
effectuer des exercices aérobics, une activité qui requiert
de grandes quantités dʼoxygène pendant une période de
temps soutenue. Pour des exercices aérobics, réglez lʼin-
tensité de vos exercices jusquʼà ce que votre rythme
cardiaque soit proche du nombre du haut dans votre
zone dʼentraînement.
ENTRAÎNEMENT CONSEILLÉ
Un échauffement—Commencez votre entraînement
par 5 à 10 minutes dʼétirements et dʼexercices légers.
Lʼéchauffement fait monter la température de votre
corps, accélère votre rythme cardiaque et votre circu-
lation pour vous préparer à lʼeffort.
Des exercices dans votre zone dʼentraînement—
Entraînez-vous pendant 20 à 30 minutes en
maintenant votre rythme cardiaque dans votre zone
dʼentraînement. (Durant les premières semaines de
votre programme dʼexercice, ne maintenez pas votre
rythme cardiaque dans votre zone dʼentraînement
pendant plus de 20 minutes). Respirez profondément
et de manière régulière pendant vos exercices—ne
retenez jamais votre souffle.
Le retour à la normale—Finissez votre entraînement
avec 5 à 10 minutes dʼétirements. Les étirements aug-
mentent la flexibilité de vos muscles et aident à
prévenir les maux qui surviennent après lʼexercice.
FREQUENCE DES EXERCICES
Pour maintenir ou améliorer votre forme physique,
effectuez trois entraînements par semaine, avec au
moins un jour de repos entre chaque entraînement.
Après quelques mois dʼexercice régulier, vous pourrez
effectuer jusquʼà cinq entraînements par semaine, si
vous le désirez. Souvenez-vous que la clé du succès
est de faire de vos exercices un élément régulier et
agréable de votre vie de tous les jours.
CONSEILS POUR LʼEXERCICE
ATTENTION : consultez votre
médecin avant de commencer ce programme,
ou tout autre programme dʼexercice. Ceci est
tout particulièrement important pour les per-
sonnes de plus de 35 ans ou les personnes
ayant des problèmes de santé.
Le détecteur cardiaque nʼest pas un appareil
médical. Divers facteurs peuvent rendre la lec-
ture du rythme cardiaque moins précise. Le
détecteur cardiaque est un outil pour lʻexercice
conçu pour vous fournir une idée générale des
fluctuations de votre rythme cardiaque.

22
EXERCICES DʼASSOUPLISSEMENT CONSEILLÉS
La position correcte pour plusieurs étirements est montrée ci-des-
sous. Bougez lentement quand vous vous étirez. Ne vous étirez
jamais par à-coups.
1. Exercices dʼassouplissement en touchant vos pieds
Tenez-vous debout avec vos genoux légèrement pliés et baissez-
vous lentement en avant à la hauteur de la taille. Laissez votre dos
et vos épaules se relaxer alors que vous touchez vos orteils aussi
loin que possible. Comptez jusquʼà 15 puis détendez-vous.
Répétez lʼexercice 3 fois. Régions sollicitées: Tendons des mollets,
partie arrière des genoux et dos.
2. Exercices dʼassouplissement des tendons des mollets
Asseyez-vous sur le sol avec une jambe tendue. Ramenez lʼautre
jambe vers vous et posez votre plante de pieds contre lʼintérieur de
la cuisse de la jambe qui est tendue. Touchez vos orteils aussi loin
que possible. Comptez jusquʼà 15 puis détendez-vous. Répétez
lʼexercice 3 fois pour chaque jambe. Régions sollicitées: Tendons
des mollets, bas du dos et aine.
3. Exercices dʼassouplissement du tendon dʼAchille
Avec une jambe devant lʼautre, penchez-vous vers lʼavant et pla-
cez vos mains contre un mur. Gardez votre jambe arrière tendue et
votre pied arrière à plat sur le sol. Pliez votre jambe avant.
Penchez-vous en avant et déplacez vos hanches en direction du
mur. Comptez jusquʼà 15 puis détendez-vous. Répétez lʼexercice 3
fois pour chaque jambe. Si vous souhaitez un assouplissement
plus accentué du tendon dʼAchille, pliez également votre jambe
arrière. Régions sollicitées: Mollets, tendon dʼAchille et chevilles.
4. Exercices dʼassouplissement des quadriceps
Avec une main contre le mur pour garder votre équilibre, prenez
votre pied (par lʼarrière) avec votre main libre. Amenez votre talon
aussi près que possible de votre fessier. Comptez jusquʼà 15 puis
détendez-vous. Répétez lʼexercice 3 fois pour chaque jambe.
Régions sollicitées: Quadriceps et muscles des hanches.
5. Exercices dʼétirement de lʼintérieur des cuisses
Asseyez-vous avec les plantes de pieds lʼune contre lʼautre et vos
genoux dirigés vers lʼextérieur. Ramenez vos pieds aussi près que
possible de la région de lʼaine. Comptez jusquʼà 15 puis détendez-
vous. Répétez lʼexercice 3 fois. Régions sollicitées: Quadriceps et
muscles des hanches.
1
2
3
4
5

23
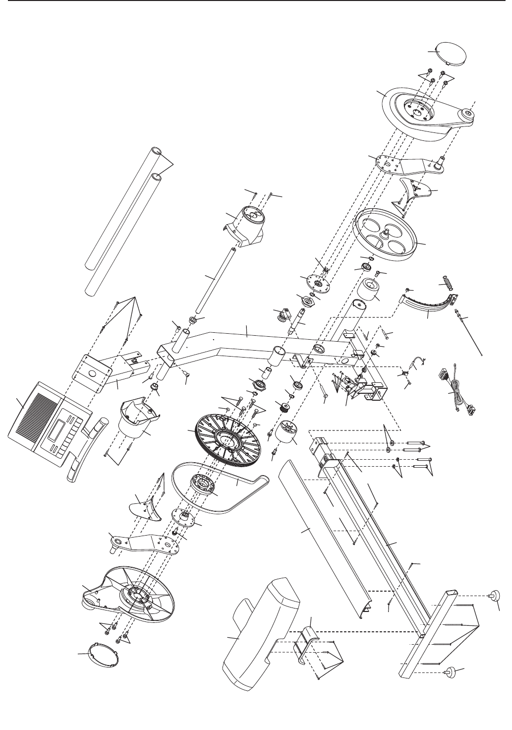
11Base
21Cadre
32Disque Extérieur du Bras du
Pédalier
42Disque Intérieur du Bras du
Pédalier
51Console
61Montant
72Embout du Rouleau
81Poignée Mobile Gauche
91Poignée Mobile Droite
10 2 Embout de la Poignée Mobile
11 2 Jambe de la Poignée Mobile
12 1 Jambe du Rouleau Gauche
13 1 Pédale Gauche
14 1 Jambe de la Pédale Gauche
15 1 Pédale Droite
16 1 Jambe de la Pédale Droite
17 2 Boîtier du Cadre
18 2 Boîtier Intérieur de la Poignée
Mobile
19 2 Boîtier Extérieur de la Poignée
Mobile
20 2 Roulement à Billes de lʼEssieu
21 1 Jambe du Rouleau Droit
22 2 Rouleau
23 1 Protection du Cadre Arrière
24 2 Essieu du Rouleau
25 2 Roue
26 2 Pied
27 1 Protection du Cadre Central
28 1 Capot Gauche
29 1 Capot Droit
30 2 Embout de lʼEssieu du Pédalier
31 4 Embout de lʼEssieu
32 2 Essieu de la Jambe de la Pédale
33 8 Bague de lʼEssieu
34 2 Bouton de Sélection
35 2 Essieu de Sélection
36 2 Bras du Pédalier
37 1 Plateau à Accessoires
38 2 Moyeu du Pédalier
39 1 Bague d'Espacement de la Poulie
40 1 Poulie
41 12 Bague de lʼEssieu
42 2 Embout de la Jambe de la Pédale
43 1 Manchon du Pédalier
44 1 Jeu de Roulements de Billes du
Pédalier Gauche
45 1 Pédalier
46 2 Couvercle de Sélection
47 4 Bague-attache
48 1 Groupement de Fils
49 2 Bague dʼEspacement de Sélection
50 1 Capteur Magnétique/Fil
51 1 Courroie
52 1 Volant
53 1 Aimant en « C »
54 2 Jeu de Roulements à Billes
Extérieur
55 2 Aimant
56 1 Ressort
57 1 Tendeur
58 1 Poulie du Volant
59 1 Pince
60 2 Jeu de Roulements à Billes Intérieur
61 1 Moteur
62 1 Poulie du Câble de la Résistance
63 1 Jeu du Câble de la Résistance
64 2 Poignée en Mousse
65 1 Essieu de Pivot
66 2 Couvercle du Moyeu
67 1 Vis dʼArrêt
68 1 Vis du Tendeur
69 1 Vis à Collerette de M8
70 4 Vis de M8 x 35mm
71 4 Boulon en Bouton de M8 x 42mm
72 2 Rondelle Fendue de M10
73 10 Vis à Collerette de M4 x 12mm
74 8 Vis de M8 x 25mm
75 2 Vis à Collerette de 3/8"
76 2 Bague dʼEspacement de M10
77 2 Bague de Pivot
78 2 Vis en Métal/Nylon de M10 x 48mm
79 20 Vis Autoperçante de M5 x 16mm
80 2 Vis à Épaulement en Métal/Nylon
de M8 x 23mm
81 2 Rondelle de M10 x 20mm x 2mm
82 14 Vis en Métal/Nylon de M10 x 15mm
Nº. Qté. Description Nº. Qté. Description
LISTE DES PIÈCES—Nº. du Modèle 30805.0 R0908A

24
83 14 Rondelle de M10 x 25mm x 1,5mm
84 2 Vis à Collerette de M4 x 16mm
85 8 Vis de M4 x 25m
86 6 Vis de M4 x 25m
87 8 Vis Cruciforme en Métal/Nylon de
M6 x 16mm
88 8 Rondelle Fendue de M6
89 2 Attache en « E »
90 1 Couvercle
91 4 Vis de M4 x 25m
92 1 Vis de M4 x 25m
93 8 Rondelle Ondulée
94 2 Vis à Épaulement en Métal/Nylon
de M10 x 35mm
95 3 Vis en Métal/Nylon de M8 x 16mm
96 6 Écrou de Verrouillage de M8
97 2 Boulon en Métal/Nylon de M10 x
62mm
98 2 Embout de lʼEssieu du Sélecteur
99 1 Jeu de Roulements à Billes du
Pédalier Droit
*–Clé Hexagonale
*–Graisse
*–Manuel de lʼUtilisateur
Remarque : les spécifications peuvent être modifiées sans notification. Référez-vous au dos de ce manuel pour
commander des pièces de rechange. *indique quʼune pièce nʼest pas illustrée.
Nº. Qté. Description Nº. Qté. Description

25
SCHÉMA DÉTAILLÉ A—Nº. du Modèle 30805.0 R0908A
89
71
96
84
81
80
18
19
41
79
93
41
8
10
11
87
88
88
14
13
33
33
93
37
28
93
33
33
41
41
42
82
85
7
12
22
24
34
35
41
82
82 83
83
93
54 60
82
31
32
31
82
41
82
79
86
79
79
98
49
46
83
83
83
83
30
83

26
23
48
64
73
68
67
51
5
6
65
17
1
26
79
74
74
66 3
95
95
95
17 77
77
86
86
86
36
75
38
44
45
47
43 2
99
47
57
39
36
38
75
70
70
3
66
74
74
40
47
52
96
96 94
58
20
47
53
61 73
50
59
79
62
56 4
4
63
20
85
85
69
25
25
97
78
72
76
92
27
73
73
73
94 55
55
90
79
91
26
SCHÉMA DÉTAILLÉ B—Nº. du Modèle 30805.0 R0908A

27
11
18 19
33
33
41
79
79
80
81
93
15
31
31
32
33
33
54
60
7
21
22
24
35
41
41
41
41
42
82 83
83
82
82
82
82
82
88
83
88
87
9
10
29
84
71
96
41
93
93
86
79
79
79
79
16
85
93
34
98
49
46
89
83
83
83
30
82
83
SCHÉMA DÉTAILLÉ C—Nº. du Modèle 30805.0 R0908A

Nº. de Pièce 272084 R0908A Imprimé en Chine © 2008 ICON IP, Inc.
GARANTIE LIMITÉE
ICON of Canada, Inc. (ICON) garantit que cet équipement est exempt de tout vice de matériau et de
fabrication dans les conditions normales dʼutilisation et dʼentretien. Le cadre est garanti à vie. Le
mécanisme de résistance est garanti pendant sept (7) ans à compter de la date dʼachat. Les pièces et
la main dʼœuvre sont garanties pendant un (1) an à compter de la date dʼachat.
La présente garantie est accordée uniquement à lʼacquéreur initial. L'obligation d'ICON, en vertu des
clauses de la présente garantie, est limitée, à sa discrétion, au remplacement ou à la réparation de
lʼéquipement dans lʼun de ses centres de réparation agréés. Toutes les réparations, pour lesquelles
sont présentées des réclamations au titre de la garantie, doivent préalablement être autorisées par
ICON. La présente garantie ne couvre pas les équipements dans le cas de dommages subis durant le
transport, de dommages causés suite à un emploi abusif ou inapproprié ou dans le cas de réparations
non effectuées par un centre de réparation agréé ICON ; les équipements utilisés à des fins commer-
ciales ou de location ; ou les équipements qui servent de modèle de démonstration. ICON nʼautorise
aucune autre garantie que celle expressément énoncée ci-dessus.
ICON nʼest pas responsable et ne peut être tenu responsable des dommages indirects, particuliers ou
consécutifs survenant ou en relation avec lʼutilisation ou le fonctionnement de lʼéquipement ; ou des
dommages résultant de pertes économiques, de pertes de propriétés, de pertes de revenues ou de
profits, de perte de jouissance ou dʼutilisation ou de coûts de retrait, dʼinstallation ; ou de tout autre
dommage indirect de quelque nature que ce soit. Certains états nʼautorisent pas lʼexclusion ou la limita-
tion des dommages accessoires ou indirects. Par conséquent, les limitations mentionnées ci-dessus
peuvent ne pas vous concerner.
La garantie fournie à la présente remplace toute autre garantie, et toute garantie implicite de commercialité
ou de qualité pour un usage particulier est limitée dans sa portée et sa durée aux conditions énoncées
dans le présent document. Certains états nʼautorisent pas de limitations sur la durée dʼune garantie
implicite. Par conséquent, les limitations mentionnées ci-dessus peuvent ne pas vous concerner.
La présente garantie vous accorde des droits spécifiques reconnus par la loi. Vous pouvez également
avoir dʼautres droits qui varient dʼune province à lʼautre.
ICON of Canada, Inc., 900 de lʼIndustrie, St. Jérôme, QC J7Y 4B8
POUR COMMANDER DES PIÈCES DE RECHANGE
Pour commander des pièces de rechange, voir la page de couverture de ce manuel. Merci de nous fournir les
renseignements suivants :
• le numéro du modèle et le numéro de série du produit (voir la page de couverture de ce manuel)
•le nom du produit (voir la page de couverture de ce manuel)
• le numéro et la description de la pièce/des pièces (voir la LISTE DES PIÈCES et au SCHÉMA DÉTAILLÉ pré-
sentés vers la fin de ce manuel)