Proform Petl507070 Style 4500 Treadmill Users Manual WLTL19012 186811
2015-04-13
: Proform Proform-Petl507070-Style-4500-Treadmill-Users-Manual-698619 proform-petl507070-style-4500-treadmill-users-manual-698619 proform pdf
Open the PDF directly: View PDF
.
Page Count: 28

BEDIENUNGSANLEITUNG
Modell-Nr. PETL50707.0
Serien-Nr.
VORSICHT
Lesen Sie bitte aufmerksam alle
Anleitungen, bevor Sie dieses
Gerät in Betrieb nehmen. Heben
Sie diese Anleitung für späteren
Gebrauch auf.
FRAGEN?
Als Hersteller verpflichten wir
uns zur vollkommenen Zufrie-
denstellung unserer Kunden.
Falls Sie irgendwelche Fragen
haben oder falls Teile fehlen,
rufen Sie bitte an.
01805 231 244
Unsere Bürozeiten sind von
10.00 bis 15.00 Uhr.
E-mail: csgermany@iconeu-
rope.com
Unsere Website:
www.iconsupport.eu
Aufkleber mit
Serien-Nr.
Schreiben Sie die Seriennummer in
den oben dafür freigehaltenen Platz,
falls sie in Zukunft gebraucht wer-
den sollte.

INHALTSVERZEICHNIS
WARNUNGSAUFKLEBER ANBRINGEN . . . . . . . . . . . . . . . . . . . . . . . . . . . . . . . . . . . . . . . . . . . . . . . . . . . . . . . .2
WICHTIGE VORSICHTSMASSNAHMEN . . . . . . . . . . . . . . . . . . . . . . . . . . . . . . . . . . . . . . . . . . . . . . . . . . . . . . . .3
BEVOR SIE ANFANGEN . . . . . . . . . . . . . . . . . . . . . . . . . . . . . . . . . . . . . . . . . . . . . . . . . . . . . . . . . . . . . . . . . . . . .5
MONTAGE . . . . . . . . . . . . . . . . . . . . . . . . . . . . . . . . . . . . . . . . . . . . . . . . . . . . . . . . . . . . . . . . . . . . . . . . . . . . . . . .6
BEDIENUNG UND EINSTELLUNG . . . . . . . . . . . . . . . . . . . . . . . . . . . . . . . . . . . . . . . . . . . . . . . . . . . . . . . . . . . .10
ZUSAMMENKLAPPEN UND TRANSPORTIEREN . . . . . . . . . . . . . . . . . . . . . . . . . . . . . . . . . . . . . . . . . . . . . . . .17
FEHLERSUCHE . . . . . . . . . . . . . . . . . . . . . . . . . . . . . . . . . . . . . . . . . . . . . . . . . . . . . . . . . . . . . . . . . . . . . . . . . .19
TRAININGSRICHTLINIEN . . . . . . . . . . . . . . . . . . . . . . . . . . . . . . . . . . . . . . . . . . . . . . . . . . . . . . . . . . . . . . . . . . .21
TEILELISTE . . . . . . . . . . . . . . . . . . . . . . . . . . . . . . . . . . . . . . . . . . . . . . . . . . . . . . . . . . . . . . . . . . . . . . . . . . . . . .22
DETAILZEICHNUNG . . . . . . . . . . . . . . . . . . . . . . . . . . . . . . . . . . . . . . . . . . . . . . . . . . . . . . . . . . . . . . . . . . . . . . .24
BESTELLUNG VON ERSATZTEILEN . . . . . . . . . . . . . . . . . . . . . . . . . . . . . . . . . . . . . . . . . . . . . . . . . . . .Rückseite
INFORMATION ZUM PRODUKTRECYCLING . . . . . . . . . . . . . . . . . . . . . . . . . . . . . . . . . . . . . . . . . . . . .Rückseite
PROFORM ist ein eingetragenes Warenzeichen von icon IP, Inc.
2
DIE WARNUNGSAUFKLEBER ANBRINGEN
Die hier abgebildeten Warnungsaufkleber wur-
den an den angezeigten Stellen angebracht.
Sollte ein Aufkleber fehlen oder unlesbar
sein, rufen Sie die Telefonnummer auf der
Vorderseite der Bedienungsanleitung an
und fordern Sie einen kostenlosen
Ersatzaufkleber an. Geben Sie den
Aufkleber dann an die angezeigte Stelle.
Anmerkung: Die Aufkleber sind nicht unbedingt
in wahrer Größe abgebildet.
French Spanish Italian German Dutch
252913

3
1. Bevor Sie mit der irgendeinem anderen
Trainingsprogramm beginnen, konsultieren
Sie bitte zunächst Ihren Hausarzt. Dies ist
besonders wichtig für diejenigen Personen,
die über 35 Jahre alt sind oder gesund-
heitliche Probleme haben oder hatten.
2. Der Eigentümer dieses Gerätes ist dafür ver-
antwortlich, dass alle Benutzer des
Fitnessge-rätes hinreichend über alle
Vorsichtsmaßnah-men informiert sind.
3. Benutzen Sie den Lauftrainer nur wie
vorgeschrieben.
4. Stellen Sie das Gerät nur auf eine ebene
Fläche. Achten Sie darauf, dass hinter dem
Lauftrainer ein Freiraum von mindestens 2,4
mverbleibt und an beiden Seiten je min-
destens mindestens 0,5 m. Blockieren Sie mit
dem Lauftrainer keinesfalls einen
Luftschacht. Legen Sie zum Schutz Ihres
Bodens oder Teppichs eine Unterlage unter
das Gerät.
5. Stellen Sie den Lauftrainer nicht in die
Garage, auf den Balkon, oder in die Nähe von
Wasser sondern in einen trockenen und
staubfreien Raum.
6. Vermeiden Sie einen Standort, wo Aerosol-
Produkte oder Sauerstoff eingesetzt werden.
7. Kinder jünger als 12 und Haustiere sollten
unbedingt vom Gerät fern gehalten werden.
8. Der Lauftrainer sollte nur von Personen mit
weniger als 113 kg benutzt werden.
9. Erlauben Sie niemals mehr als einer Person
die Benutzung des Lauftrainers.
10. Angemessene Kleidung ist notwendig. Train-
ieren Sie nur in (nicht zu weiter) Sportklei-
dung, die sich nicht im Gerät verfangen kann
und ausschließlich mit Sportschuhen.
Betreten Sie das Laufband niemals barfuß,
auch nicht mit Strümpfen oder mit Sandalen.
11. Wenn Sie den Lauftrainer an das Stromnetz
anschließen (sehen Sie sich Seite 12 an),
stecken Sie das Netzkabel in eine
vorschriftsmäßig geerdete Steckdose.
Schließen Sie keine weiteren elektrischen
Geräte an diesen Stromkreis an.
12. Sollten Sie ein Verlängerungskabel brauchen,
verwenden Sie niemals eines von mehr als 1,5
mLänge.
13. Halten Sie das Netzkabel von heißen Ober
Flächen fern.
14. Benutzen Sie das Laufband nie, wenn der
Strom abgeschaltet ist. Trainieren Sie nie,
wenn das Netzkabel oder die Steckdose
beschädigt ist oder wenn das Gerät einmal
nicht einwandfrei funktionieren sollte. (Siehe
FehlersuchE auf Seite 19, falls das
Lauftrainer nicht richtig funktioniert.)
15. Bevor Sie den Lauftrainer in Gebrauch
nehmen, lesen Sie zum klaren Verständnis
wie man im Notfall das Laufband anhält und
probieren Sie dieses Verfahren aus. (Siche
EINSCHALETEN DES GERƒTS auf Seite 13
an.)
16. Stellen Sie sich, bevor Sie den Lauftrainer ein
schalten, nie direkt auf das Laufband. Halten
Sie immer die Haltegriffe wenn Sie den Lauf-
trainer benutzen.
17. Dieses Gerät ist auch für hohe Geschwindig-
keiten geeignet. Steigern Sie die Geschwin-
digkeit langsam, um plötzliche sprunghafte
Veränderungen zu vermeiden.
18. Der Pulssensor ist kein medizinisches
Instrument. Die Genauigkeit der Herzfre-
quenzmessung kann durch verschiedene
Faktoren, z.B. durch Ihre Bewegungen, beein-
flusst werden. Der Pulssensor dient auss-
chließlich als Trainingshilfe, um allgemeine
Veränderungen der Herzfrequenz zu bestim-
men.
ACHTUNG : Um ernsthafte Verletzungen zu vermeiden, lesen Sie bitte alle wichtigen
Vorsichtsmaßnahmen und Anleitungen in dieser Bedienungsanleitung und alle Warnungen, die auf
dem Lauftrainer angebracht wurden, bevor Sie dieses Lauftrainer benutzen. Der Hersteller (ICON)
übernimmt keine Haftung für Personen oder Sachschäden, die durch dieses Produkt oder seine
Benutzung entstehen könnten.
WICHTIGE VORSICHTSMASSNAHMEN

4
19. Lassen Sie den Lauftrainer niemals unbeauf-
sichtigt, solange sie eingeschaltet ist. Wenn
Sie das Laufgerät nicht mehr benutzen,
ziehen Sie immer den Schlüssel ab, ziehen
Sie das Netzkabel heraus und stellen Sie den
Überlastschalter in die AUS-Position. (Siehe
die Abb. auf Seite 5, um den Überlastschal-
ter zu finden.)
20. Versuchen Sie nicht, den Lauftrainer
hochzuheben, oder zu bewegen, bevor es
vollständig zusammengebaut ist. (Sehen Sie
den Abschnitt MONTAGE auf Seite 6, und
den Abschnitt ZUSAMMENKLAPPEN UND
TRANSPORTIEREN auf Seite 17.) Sie
müssen in der Lage sein, ohne Überanstren-
gung 20 kg hochzuheben, um den
Lauftrainer zu transportieren; bzw. für
Transport zu kippen.
21. Beim Zusammenklappen oder
Transportieren des Lauftrainers muss die
Feststellvorrichtung vollständig
geschlossen sein.
22. Alle Teile des Lauftrainers müssen
regelmäßig überprüft und richtig festgezo-
gen werden.
23. Führen Sie keine Fremdkörper in irgendeine
Benutzen Sie das Laufgerät nur, wie
beschrieben.
24. GEFAHR: Ziehen Sie das Netzkabel
immer sofort raus nach Benutzung, bevor
Sie den Lauftrainer reinigen und bevor Sie
Wartung und Einstellungen durchführen, wie
in der Bedienungsanleitung beschrieben.
Entfernen Sie niemals die Motorhaube, es
sei denn, dies wurde von einem autorisierten
Kundendienst-vertreter genehmigt und un-
terwiesen. War-tungsarbeiten, die nicht in
dieser Bedienungs-anleitung beschrieben
sind, sollten nur durch einen autorisierten
Kundendienstvertreter durchgeführt werden.
25. Dieses ist nur für den Hausgebrauch vorge-
sehen. Verwenden Sie diesen Lauftrainer
nicht in kommerziellem, verpachtetem oder
institutionellem Rahmen.
VERWAHREN SIE DIESE ANLEITUNGEN

5
Zunächst möchten wir uns dafür bedanken, dass Sie
sich für den Kauf eines PROFORM® STYLE 4500
Lauftrainers entschieden haben. Der STYLE 4500
Lauftrainer verbindet fortschrittliche Techno-logie mit
innovativem Design, durch die Sie bequem bei sich
zuhause das meiste aus Ihrem Training machen kön-
nen. Wenn Sie nicht trainieren, können Sie den einzi-
gartigen STYLE 4500 Lauftrainer so zusammenklap-
pen, dass es weniger als die Hälfte des Platzes an-
derer Lauftrainer in Anspruch nimmt.
Lesen Sie bitte zu Ihrem eigenen Vorteil diese
Bedienungsanleitung genauestens durch, bevor
Sie das Lauftrainer in Betrieb setzen. Sollten Sie
nach der Lekt¸re dieser Bedienungsanleitung noch
Fragen haben, beziehen Sie sich bitte auf die
Vorderseite. Damit wir Ihnen schneller helfen kˆnnen,
halten Sie bitte die Produktmodell–nummer und die
Serien–nummer bereit, bevor Sie mit uns in Kontakt
treten. Die Modell–nummer und die Stelle, wo der
Aufkleber mit der Serien–nummer angebracht ist,
finden Sie auf der Vorderseite der
Bedienungsanleitung.
Bevor Sie weiterlesen, werfen Sie bitte zuerst einen
Blick auf die unten abgebildete Zeichnung und machen
Sie sich mit den gekennzeichneten Einzelteilen ver-
traut.
BEVOR SIE ANFANGEN
Handgriff
Feststellvorrichtung
Computer
Schlüssel/Klipp
Entstör-/Aus-
Stromkreisunter-
brecher
Laufband Haube
Rad
Fußschiene
hinteren Laufrolle
Justierbolzen
Zubehör-Ablage

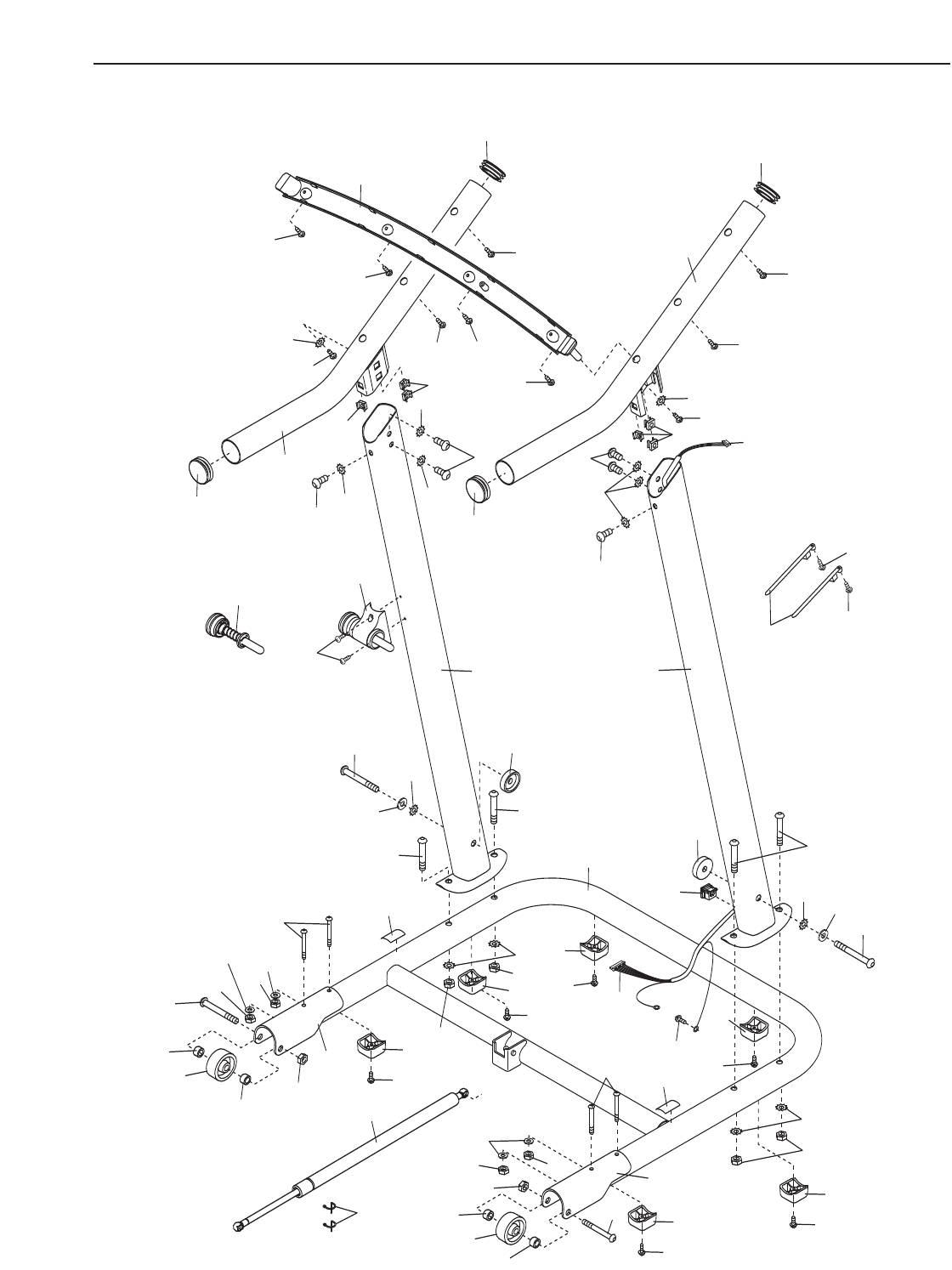
MONTAGE
Zur Montage braucht man zwei Personen. Legen Sie alle Teile des Lauftrainers auf einer dafür freigemachten
Fläche aus und entfernen Sie alle Verpackungsmaterialien; werfen Sie diese jedoch erst weg, wenn die
Montage komplett fertiggestellt ist. Anmerkung: Die Unterseite des Laufbands wurde mit einem
Hochleistungsschmiermittel behandelt. Während des Transports kann eine kleine Menge der Schmiermittel auf
den oberen Teil des Laufbandes oder Verpackung gelangt sein. Dies ist normal und wird die Leistung des
Lauftrainers nicht beeinflussen. Sollte sich Schmiermittel auf das Laufband befinden, dann wischen Sie es mit
einem weichen Tuch und einem milden, nicht-Schleifmittel Reiniger ab.
Für die Montage braucht man zu der beigelegten Innensechskantschlüssel , einen
Kreuzschraubenzieher , eine Drahtzange , und verstellbarer
Schraubenschlüsse .
Benutzen Sie die Zeichnungen unten, um die Montageteile zu identifizieren. Die Zahl in Klammern, die sich unter
jeder Zeichnung befindet, ist die Bestellnummer des Teils, welches Sie in der TEILELISTE am Ende der
Bedienungsanleitung finden. Die Zahl hinter der Klammer ist die für die Montage benötigte Stückzahl. Anmerkung:
Wenn sich ein Teil nicht im Teilebeutel befindet, überprüfen Sie, ob das Teil bereits vormontiert wurde.
Geben Sie niemals irgendwelche Objekte in irgendwelche Öffnungen am Laufgerät. Um Schäden an
Kunststoffteilen zu vermeiden, verwenden Sie zum Zusammenbau bitte keine elektrischen Werkzeuge.
6
Handrail Washer (11)–2
2 3/4” Bolt (47)–4
Wheel Bolt (86)–2
Star Washer (81)–4 Washer (29)–4
3
g ( )
Nut (122)–4
2 1/2” Bolt (56)–4
C
M5 x 16mm
Schraube (85)–2
Console Back
Screw (4)–4
Nut (16)–4
Base Pad
Screw (26)–6
M10 Scheibe
(14)–6
1/2"
Erdleitungsschraube
(84)–1
M10 Kontermutter
(16)–4
t
M8 x 15mm
Schraube (8)–6
M10 Zahnscheibe
(9)–2
M8 Zahnscheibe
(5)–6
M4.2 x 19mm
Schraube (10)–6
M5 Zahnscheibe
(7)–2
M10 x 58mm Schraube (2)–6
M10 x 60mm Bolzen mit
Nylon-Klemmteil (1)–2
1” Tek Screw (115)–4
4” Bolt (120)–2
M4 x 19mm
Bohrschraube
(26)–6
M6 Schraube
(32)–4
M6 Mutter
(43)–4
Upright Bolt (2)–4
Wheel Housing Bolt (13)–4
M6 x 58mm Schraube (13)–4
1. Achten Sie darauf, dass das Netzkabel nicht
eingesteckt ist.
Eine zweite Person soll die Basis (52) in der
angezeigten Position festhalten.
Befestigen Sie sechs Basispolster (63) mit
sechs M4 x 19mm Bohrschrauben (26) an der
Basis (52).
1
52
26
26 63
63 63
26
63
26
63
26

7
2. Eine zweite Person soll die Basis (52) in der
angezeigten Position festhalten.
Finden Sie den linken Pfosten (53) (der rechte
Pfosten [54] hat ein großes Loch am unteren
Ende).
Halten Sie den linken Pfosten (53) so, dass
sich die zwei kleinen Löcher für die
Verschlussmontage oben befinden, wie hier
angezeigt. Schieben Sie zwei M10 x 58mm
Bolzen (2) durch die Klammer am linken
Pfosten. Befestigen Sie den linken Pfosten mit
den Bolzen, zwei M10 Zahnscheiben (9) und
zwei M10 Kontermuttern (16) an der Basis (52).
Ziehen Sie die Muttern noch nicht fest.
Befestigen Sie den rechten Pfosten (54) auf
die gleiche Weise an der Basis (52).
2
52
53
16
2
2
16
14
14 14
14
54
Großes
Loch
Kleine Löcher
3. Schieben Sie die zwei Rollengehäuse (45) auf
die Basis (52). Befestigen Sie beide
Rollengehäuse mit je zwei M6 x 58mm
schrauben (13), zwei M6 scheiben (32) und zwei
M6 muttern (43).
3
52
13
32
32
45 43
13
32
32
45 43
4. LegLegen Sie die Basis (52) an die Vorderseite
des Lauftrainers, wie angezeigt.
Siehe obere Detailzeichnung. Wickeln Sie die
Kabelbefestigung, welche sich am rechten
Pfosten (54) befindet, um das Ende des
Kabelbaums (39). Ziehen Sie dann am anderen
Ende der Kabelbefestigung bis der Kabelbaum
aus dem oberen Ende des rechten Pfostens
herausschaut. Befestigen Sie den Kabelbaum
oben am rechten Pfosten, damit er nicht wieder
in das Loch hineinfällt.
Siehe untere Detailzeichnung. Drücken Sie die
angegebene quadratische Dichtung (49) in den
rechten Pfosten (54) ein.See drawing 3b.
52
4
39
54
54
54
49
39
52
Kabelbinder
4b
4a
39

8
5. Sehen Sie sich die Nebenzeichnung links an.
Suchen Sie die beiden Rahmenabstandshalter
(11) aus. Öffnen Sie das beigefügte Schmiermit-
tel-Paket und geben Sie das Schmiermittel auf
beide Seiten jeder Abstandshalter. Dann sehen
Sie nach, welches die Außenseite jeder
Abstandshalter ist.
Halten Sie einen Rahmenabstandshalter (11)
zwischen den rechten Pfosten (54) und den
Steigungsrahmen (23), wobei die Außenseite
des Rahmenabstandshalters zum rechten
Pfosten schaut. Befestigen Sie den rechten
Pfosten mit einem M10 x 60mm Bolzen mit
Nylon-Klemmteil (1), einer M10 Unterlegscheibe
(14) und einer M10 Zahnscheibe (9) am
Steigungsrahmen; ziehen Sie den Bolzen
noch nicht fest.
5
54
1
1
11
23
14
54
14
9
23
11
Außenseite
Innenseite
11
9
6. Sehen Sie sich die Nebenzeichnung links an.
Identifizieren Sie die Außenseite des übrigen
Rahmenabstandshalters (11).
Halten Sie den Rahmenabstandshalter (11)
zwischen den linken Pfosten (53) und den
Steigungsrahmen (23), wobei die Außenseite
des Rahmenabstandshalters zum linken
Pfosten schaut. Befestigen Sie den linken
Pfosten mit einem M10 x 60mm Bolzen mit
Nylon-Klemmteil (1), einer M10 Unterlegscheibe
(14) und einer M10 Zahnscheibe (9) am
Steigungsrahmen; ziehen Sie den Bolzen
noch nicht fest.
6
53
1
14
23
11
14
11
9
23
1
9
Außenseite
Innenseite
11
53

8. Siehe obere Detailzeichnung. Sollte sich am
Ende des Computerdrahts ein Schutz befinden,
drücken Sie auf die angedeutete Lasche und ent-
fernen Sie den Schutz mit einer Spitzzange. Der
Schutz wird nicht mehr gebraucht.
Halten Sie den Computer mit Hilfe einer zweiten
Person an den rechten Pfosten (54) hin.
Entfernen Sie die gefärbte Befestigung vom
Kabelbaum (39). Verbinden Sie den Kabelbaum
mit dem Computerdraht. Siehe untere
Detailzeichnung. Die Verbindungsstücke soll-
ten sich leicht ineinander schieben lassen und
einschnappen. Sollte das nicht der Fall sein,
drehen Sie eines der Verbindungsstücke um und
versuchen Sie es noch einmal. WENN DIE
VERBINDUNGSSTÜCKE NICHT RICHTIG
ZUSAMMENPASSEN, KÖNNTE DER MONITOR
BEIM EINSCHALTEN DES STROMS
BESCHÄDIGT WERDEN.Schieben Sie die
Verbindungsstücke und jeglichen überschüssigen
Draht in den rechten Pfosten (54) hinein.
8
91
54
39
Computer-
kabel
9. Befestigen Sie den Computer (91) mit sechs M8
x15mm Bolzen (8) und sechs M8 Zahnscheiben
(5) am rechten Pfosten (54) und am linken
Pfosten (53). Achten Sie darauf, keine Drähte
abzuklemmen. Drehen Sie alle sechs
Haltestangenschrauben leicht an, bevor Sie
sie alle festziehen.
Kippen Sie die Pfosten (53, 54) wie gezeigt mit
Hilfe einer zweiten Person vorsichtig nach unten.
9
8
8
8
5
5
58
5
91
54 53
39
9
7. Stellen Sie den Computer (91) mit der Oberseite
nach unten weisend auf einer weichen Unterlage
ab, damit die Oberseite nicht zerkratzt wird. Halten
Sie die rechte Haltestange (33), welche an der
angezeigten Stelle ein großes Loch hat, an den
Computer hin.
Schieben Sie als nächstes den Computerdraht und
die Befestigung durch das Loch auf der Seite der
rechten Haltestange (33). Ziehen Sie den
Computerdraht mit Hilfe einer Spitzzange aus dem
Loch in der Nähe der Klammer an der rechten
Haltestange
Geben Sie dann die rechte Haltestange (33) auf
den Computer (91). Achten Sie darauf, keine
Drähte abzuklemmen. Drehen Sie leicht eine M5
x16mm Schraube (85) mit einer M5 Zahnscheibe
(7) an der rechten Haltestange an und machen Sie
dann dasselbe mit den zwei M4.2 x 19mm
Schrauben (10) an der rechten Haltestange.
Ziehen Sie die M5 x 16mm Schraube und dann
die zwei M4.2 x 19mm Schrauben fest; ziehen
Sie die Schrauben aber nicht zu fest an.
Befestigen Sie die linke Haltestange (nicht abge-
bildet) auf die gleiche Weise am Computer (91).
Anmerkung: Auf der linken Seite befindet sich kein
Computerdraht.
7Computer-
kabel
Großes
Loch
33
Klammer
Befestigung
85
710
91
Schutz
Lasche
Computer
-kabel

10
11. Kippen Sie das Zylinderende der Gasdruckfeder
(118) wie dargestellt nach unten. Entfernen Sie
den Federklipp (119) vom Ende der Gasdruck-
feder.
Als nächstes richten Sie das Zylinderende der
Gasdruckfeder (118) am Halter in der Mitte der
Basis (52) aus. Drücken Sie das Ende der
Gasdruckfeder auf die Kugel am Halter.
Hinweis: Sie müssen möglicherweise den
Rahmen (nicht abgebildet) leicht nach vorn oder
hinten kippen, um das Ende der Gasdruckfeder
an der Kugel auszurichten.
Sehen Sie sich die untere Abbildung an. Setzen
Sie den Federklipp (119) in die beiden
angegebenen, kleinen Öffnungen am
Kolbenende der Gasdruckfeder (118). Dann
drehen Sie den Federklipp, bis er auf der
Gasdruckfeder einschnappt.
Stellen Sie mit der Hilfe einer zweiten Person
den Rahmen (nicht abgebildet) auf den Boden.
119
118
118
52
52
Öffungen
119
Klammer
Klammer
11
10. Lassen Sie eine zweite Person den Rahmen
(51) des Lauftrainers festhalten.
Suchen Sie die Gasdruckfeder (118) heraus.
Beachten Sie, dass die Gasdruckfeder ein
Kolben- und ein Zylinderende hat. Sehen Sie
sich die beiden kleinen Nebenzeichnungen an.
Suchen Sie den Federklipp (119) am
Kolbenende der Gasdruckfeder. Drücken Sie mit
dem Fingernagel oder einem flachen
Schrauben-dreher auf das Ende des Federklipp,
um ihn zu lösen. Drehen Sie den Federklipp und
ziehen Sie ihn dann aus der Gasdruckfeder her-
aus. Verlieren Sie den Federklipp nicht.
Anmerkung: Es sind Ersatz-Federklipps beige-
fügt.
Als nächstes halten Sie das Kolbenende der
Gasdruckfeder (118) dicht an den Halter in der
Mitte des Rahmens (51). Drücken Sie das Ende
der Gasdruckfeder so weit wie möglich auf die
Kugel am Halter.
Siehe untere Detailzeichnung. Schieben Sie die
Federklipp- (119) durch die zwei angedeuteten,
kleinen Löcher am kolbenförmigen Ende der
Gasdruckfeder (118). Drehen Sie den
Federklipp dann, bis er an der Gasdruckfeder
feststeckt.
118
119
118
51
51
Klammer
Zylinder
Stange
Klammer
10
119
119
Öffungen
119

15. Achten Sie darauf, dass alle Teile korrekt festgezogen sind, bevor sie den Lauftrainer benutzen.
Verwahren Sie den beigelegten Sechskantschlüssel an einem sicheren Ort. Der Sechskantschlüssel wird
zum Einstellen des Laufbandes gebraucht (siehe Seite 20). Um den Boden oder Teppich zu schützen, sollten
Sie eine Unterlage unter den Lauftrainer legen.
13. Sehen Sie sich die untere Abbildung an.
Positionieren Sie die Pfosten (53, 54) so, dass
sich der Rahmen (51) des Laufgeräts zwischen
den Pfosten befindet.
Ziehen Sie die zwei M10 x 60mm Bolzen mit
Nylon-Klemmteil (1) und die vier M10 x 58mm
Bolzen (2) richtig fest. Seien Sie dabei aber
vorsichtig, um die M10 x 60mm Bolzen mit
Nylon-Klemmteil nicht zu fest anzuziehen.
13
2
51
1
53
51
54
Blick von oben
14. Befestigen Sie das Verriegelungsgehäuse (48)
mit zwei M4.2 x 19mm Schrauben (10) am
linken Pfosten (53); ziehen Sie beide
Verriegelungsschrauben erst leicht an,
bevor Sie sie festziehen. Achten Sie darauf,
dass sich das große Loch im
Verriegelungsgehäuse auf der angedeuteten
Seite befindet.
Entfernen Sie den Knopf von dem Stift. Stellen
Sie sicher, dass sich Ring und Feder auf dem
Stift befinden. (Anmerkung: Wenn sich dort zwei
Ringe befinden, platzieren Sie einen auf jeder
Seite der Feder.) Schieben Sie dann den Riegel
durch das Gehäuse der Feststellvor-richtung
(48). Ziehen Sie zuletzt den Knopf auf dem
Riegel wieder fest.
Stecken Sie das Netzkabel an (siehe BEDI-
ENUNG UND EINSTELLUNG auf Seite 12).
Stellen Sie dann die Neigung des Laufgeräts
auf den niedrigsten Grad ein, wie auf Seite
14 beschrieben. Wenn man das nicht macht,
kann die Verriegelung das Laufgerät nicht in
der Lagerungsposition halten.
10
Riegel
Feder
Ring
Knopf
48
53
Großes Loch
14
12. Befestigen Sie den Erdungsdraht am
Kabelbaum (39) mit einer 1/2" Erdungsschraube
(84) am angezeigten Loch in der Basis (52). 52
39
Kleines Loch
12
84
Loch
11

12
BEDIENUNG UND EINSTELLUNG
DAS PERFORMANT LUBE LAUFBAND
Das Laufband Ihres Gerätes wurde mit Performant Lube, einem Hochleistungsschmiermittel, behandelt. WICH-
TIG: Verwenden Sie keinesfalls Silikon-Sprühmittel oder sonstige Mittel zur Behandlung des Laufbandes
oder der Laufplattform. Solche Mittel können am Laufband Schäden verursachen.
ANSCHLUSS
Dieses Produkt muss geerdet sein. Sollte es nicht richtig funktio-
nieren oder beschädigt sein, dann versichert die Erdung, dass der
elektrische Strom dem Weg des geringsten Widerstandes folgt und
reduziert dadurch das Risiko eines Elektroschocks. Dieses Gerät
wird mit einem Netzkabel geliefert, welches mit einem geräteerden-
den Stromleiter und einem Erdungsstecker versehen ist. Wichtig:
Falls das Stromkabel beschädigt ist, muss es mit einem vom
Hersteller empfohlenen Stromkabel ersetzt werden.
Sehen Sie sich Zeichnung 1 an. Stecken das angezeichnete Ende
des Netzkabels in die Buchse am Lauftrainer.
Sehen Sie sich Zeichnung 2 an. Stecken Sie das Netzkabel in eine
passende Steckdose, die nach lokalen Vorschriften richtig installiert
und geerdet wurde. Wichtig: Das Laufgerät ist nicht kompatibel
mit Steckdosen, die für FI-Schutzschalter eingerichtet sind.
GEFAHR: Falscher Anschluss des geräteerdenden Leiters kann zu erhöhtem Risiko
eines Elektroschocks führen. Konsultieren Sie einen qualifizierten Elektriker oder Service-Techniker,
falls Sie Zweifel haben, ob das Gerät ordnungsgemäß geerdet ist. Verändern Sie nichts am Stecker,
der mit diesem Gerät geliefert wird. Falls er nicht in die Steckdose passen sollte, sollten Sie eine an-
gemessene Steckdose von einem qualifizierten Elektriker installieren lassen.
IT
Buchse am
Lauftrainer
Steckdose
1
2

13
WARNUNGSAUFKLEBER ANBRINGEN
Die Warnung am Computer ist in englischer Sprache
geschrieben. Diese Warnung finden Sie auch auf
deutsch am Aufkleberabzugsblatt. Ziehen Sie den
deutschen Aufkleber ab und kleben Sie ihn auf den
Computer.
COMPUTERMERKMALE
Der Computer dieses Lauftrainers bietet eine Auswahl
an Besonderheiten an, die Ihr Workout wirkungsvoller
machen.
Wenn der manuelle Modus augewählt ist, kann man die
Geschwindigkeit und die Steigung des Laufgeräts auf
Tastendruck verändern. Während Sie trainieren, wird Sie
die Anzeige mit fortlaufender Trainings-Rückinformation
besorgen. Sie können sogar Ihre Herzfrequenz mit dem
eingebauten Pulssensor messen.
Der Computer bietet sechs Geschwindigkeitsworkouts
an. Jedes Workout verändert automatisch die
Geschwindigkeit des Laufgeräts, wobei Sie durch ein
wirksames Workout geführt werden.
Um den manuellen Modus zu benutzen, befolgen Sie
die Schritte, die auf Seite 14 beginnen. Um ein
Geschwindigkeitsworkout zu verwenden, siehe Seite 16.
Anmerkung: Um Schäden an der Laufplattform zu
vermeiden, tragen Sie während der Benutzung des
Geräts bitte saubere Schuhe. Bei der ersten
Benutzung des Lauftrainers sollte die Ausrichtung
des Laufbands von Zeit zu Zeit überprüft und, falls
erforderlich, neu eingestellt werden (siehe Seite 20).
EINSCHALTEN DES GERÄTS
WICHTIG: Sollte das Laufgerät kalten
Temperaturen ausgesetzt worden sein, dann
lassen Sie es erst auf Raumtemperatur erwärmen,
bevor Sie den Strom einschalten. Wenn Sie diesem
Rat nicht folgen, dann könnten die Displays am
Computer sowie andere elektronischen Teile
beschädigt werden.
Stecken Sie das Netzkabel
ein (sehen Sie sich Seite
12 an). Finden Sie als
nächstes den Entstör-/Aus-
[RESET/OFF] Über-
lastschalter am
Laufgerätrahmen nahe des
Netzkabels. Stellen Sie den Überlastschalter auf die
Entstör-Position.
Stellen Sie sich nun auf die Fußschienen des
Laufgeräts. Suchen Sie den Klipp, der am Schlüssel
befestigt ist (siehe Zeichnung auf Seite 12) und
schieben Sie den Klipp auf den Bund Ihrer Kleidung.
Schieben Sie dann den Schlüssel in den Computer ein.
Nach einem Moment werden die Displays aufleuchten.
WICHTIG: Im Notfall kann man den Schlüssel aus
dem Computer herausziehen, wodurch das
Laufband angehalten wird. Testen Sie den Klipp,
indem Sie vorsichtig ein paar Schritte rückwärts
laufen; wird dabei der Klipp nicht aus dem
Computer herausgezogen, dann müssen Sie die
Position des Klipps besser einstellen.
DIAGRAMM DES COMPUTERS
Entstör-
Position
Schlüssel Klipp
Anmerkung: Falls sich eine Schicht
Plastik auf dem Computer befindet,
entfernen Sie diese.

14
BENUTZUNG DES MANUELLEN MODUS
1. Stecken Sie den Schlüssel in den Computer.
Sehen Sie sich STROMANSCHLUSS auf Seite 13
an.
2. Wählen Sie den manuellen Modus aus.
Wenn man den
Schlüssel einsteckt, ist
der manuelle Modus
eingeschaltet. Wenn Sie
ein Geschwindigkeits-
workout gewählt haben,
wählen Sie den manuellen Modus, indem Sie
mehrmals die Taste Workout-Auswahl [WORKOUT
SELECT] drücken, bis auf den Displays lauter
Nullen erscheinen.
3. Drücken Sie die Start [START]-Taste oder die
Geschwindigkeitserhöhung [SPEED]-Taste, um
das Laufband in Bewegung zu setzen.
Auf Druck der einen oder der anderen Taste be-
ginnt das Laufband sich mit 2 km/h zu bewegen.
Halten Sie sich an den Haltegriffen fest und fangen
Sie an zu laufen. Umfassen Sie die Haltestangen
und fangen Sie an zu gehen. Während Ihres
Trainings können Sie die Geschwindigkeit des
Laufbands beliebig verändern. Jedes Mal wenn die
Geschwindigkeitserhöh-ung- oder Verminderung-
Taste gedrückt wird, ändert sich die Geschwindig-
keit um 0,1 km/h; wenn eine der Tasten gedrückt
gehalten wird, ändert sich die Geschwindigkeit
schrittweise um 0,5 km/h. Anmerkung: Nach
Drücken der Tasten kann es einen Moment
dauern, bis das Laufband die eingestellte
Geschwindigkeit erreicht hat.
Um das Laufband zu stoppen, drücken Sie die
Stopp [STOP]-Taste. In einem der Displays be-
ginnt die Zeit zu blinken. Um das Programm wieder
zu starten, drücken Sie die Start-Taste oder die
Geschwindigkeitserhöhung-Taste.
4.Verändern Sie die Neigung des Laufgeräts, wie
gewünscht.
Um die Neigung des Laufgeräts zu ändern, halten
Sie die Neigungserhöhung- oder -reduzier-Taste
[INCLINE] niedergedrückt bis die gewünschte
Neigungsstufe erreicht worden ist.
5. Verfolgen Sie Ihren Fortschritt mit den
Displays.
Linkes, unteres
Display—Während des
Trainings kann das linke,
untere Display die ver-
gangene Zeit und die
Distanz, die Sie hinter
sich gebracht haben, anzeigen. Anmerkung:
Während eines Geschwindigkeitsworkouts gibt das
Display die im Workout verbleibende Zeit anstatt
der vergangenen Zeit an.
Die untere rechte
Anzeige—Die untere
rechte Anzeige kann die
Geschwindigkeit
[SPEED] des Laufbandes
und die ungefähre
Anzahl verbrannter Kalorien [CALS.] anzeigen.
Diese Anzeige gibt auch Ihre Herzfrequenz an,
wenn Sie die Handgriffpulssensoren verwenden
(siehe Schritt 6 auf Seite 15).
Die obere Anzeige—Die
obere Anzeige kann die
vergangene Zeit [TIME],
die hinter sich gelegte
Distanz [DIST.], die
Geschwindigkeit
[SPEED] des Laufbandes oder die ungefähre
Anzahl verbrannter Kalorien anzeigen. Drücken
Sie die Display-Modus-Taste [DISPLAYMODE]
mehrmals, bis der obere Display die Information
anzeigt, die Sie am meisten interessiert.
Anmerkung: Information, die in der oberen Anzeige
angegeben wird, wird nicht auch gleichzeitig in der
linken oder rechten unteren Anzeige angegeben.

15
Um die Anzeigen neu einzustellen, drücken Sie die
Stopp-Taste, entfernen Sie den Schlüssel und
stecken Sie ihn wieder ein.
Anmerkung: Der
Computer kann die
Geschwindigkeit und
Distanz entweder in
Meilen oder Kilometer
anzeigen. Um zu sehen,
welche Maßeinheit gewählt wurde, muss man
zuerst den Schlüssel entfernen, dann die Stopp-
Taste niederhalten und schließlich den Schlüssel
wieder in den Computer einführen; wenn Sie einen
Signalton hören, lassen Sie die Stopp-Taste los. In
der oberen Anzeige erscheint dann entweder ein
“M” für “metrische” Kilometer oder ein “E” für “en-
glische” Meilen. Um die Maßeinheit zu ändern,
drücken Sie die Geschwindigkeitstaste. Wenn die
gewünschte Maßeinheit aufscheint, entfernen Sie
den Schlüssel.
6. Messen Sie auf Wunsch Ihre Herzfrequenz.
Bevor Sie den
Handgriffpulssensor ver-
wenden, entfernen Sie
die klare Plastikfolie von
den Metallkontak-ten.
Stellen Sie sicher, dass
Ihre Hände saub-er sind.
Um Ihre Herzfrequenz zu messen, stellen Sie
sich auf die Fußschienen und umfassen Sie die
Metallkontakte – vermeiden Sie dabei
Handbewegungen. Wenn Ihr Puls erkannt wird,
erscheint im unteren rechten Display das kleine
Herzsymbol sowie ein oder zwei Striche und Ihre
Herzfrequenz wird angezeigt. Um eine möglichst
genaue Herzfrequenzmessung zu erreichen,
halten Sie die Kontakte mindestens 15
Sekunden lang fest.
7. Wenn das Programm fertig ist, ziehen Sie den
Schlüssel aus dem Computer heraus.
Steigen Sie auf die Fußschiene, drücken Sie die
Stopp-Taste und stellen Sie die Neigung des
Laufgeräts auf die niedrigste Stufe ein. Die
Neigung muss sich auf der niedrigsten Stufe
befinden, wenn man das Laufgerät in die
Lagerungsposition zusammenlegt, sonst kann
das Laufgerät beschädigt werden. Entfernen Sie
dann den Schlüssel vom Computer und verwahren
Sie ihn an einem sicheren Ort.
Wenn Sie das Laufgerät nicht mehr benutzen,
stellen Sie den Entstör-/Aus- Überlastschalter in die
AUS [OFF] -Position und ziehen Sie das Netzkabel
heraus. WICHTIG: Wenn Sie diesem Rat nicht
folgen, können sich die elektrischen Teile des
Laufgeräts vorzeitig abnutzen.
Metal
Contacts

16
BENUTZUNG EINES GESCHWINDIGKEITSWORK-
OUTS
1. Stecken Sie den Schlüssel in den Computer.
Sehen Sie sich STROMANSCHLUSS auf Seite 13
an.
2. Wählen Sie eines der sechs Geschwindigkeits-
workouts.
Um ein Gesch-
windigkeitsworkout zu
wählen, drücken Sie
mehrmals die Taste
WORKOUT SELECT
[Workout-Auswahl]; P- 1,
P- 2, P- 3, P- 4, P- 5 oder P- 6 wird am oberen
Display ein paar Sekunden lang aufscheinen, um
anzuzeigen, welches Workout gewählt wurde. Die
maximale Geschwindigkeitseinstellung des
gewählten Workouts wird ebenfalls in einem der
Displays ein paar Minuten lang blinken.
Jedes Workout besteht aus 30 ein-minütigen
Abschnitten. Eine bestimmte Geschwindigkeits-
einstellung ist für jeden Abschnitt vorprogrammiert.
Anmerkung: Die gleiche Geschwindigkeitseinstel-
lung kann für zwei oder mehrere aufeinanderfol-
gende Abschnitte einprogrammiert sein. Die Profile
zur linken Seite der Programmwahltaste zeigen an,
wie sich die Geschwindigkeit des Laufbands
während des Programms verändern wird.
3. Drücken Sie auf die Starttaste oder die
Geschwindigkeiterhöhungs-Taste, um das
Workouts zu starten.
Nachdem man eine Taste gedrückt hat, wird sich
der Lauftrainer automatisch auf die Geschwindig-
keitseinstellung einstellen, die für den ersten
Abschnitt des Programms vorprogrammiert ist.
Halten Sie die Haltestangen und fangen Sie an zu
laufen.
Wenn der erste Abschnitt des Programms zu Ende
kommt, erklingt eine Anzahl von Tönen. Ist für den
zweiten Abschnitt eine andere Gesch-windigkeitse-
instellung vorprogrammiert, dann blinkt diese
Geschwindigkeitseinstellung in einer der Anzeigen
auf, um Sie darauf aufmerksam zu machen, und
dann ändert sich die Geschwin-digkeit des
Laufbands. Das Programm läuft auf diese Art
weiter bis alle Abschnitte vollendet sind. Das
Laufband hält dann langsam an.
Wenn die Geschwindigkeitseinstellung während
des Workouts zu schnell oder zu langsam ist, kann
man sie von Hand verändern, indem man die
Geschwindigkeitstasten betätigt. Wenn aber der
nächste Abschnitt beginnt, stellt sich das
Laufgerät wieder automatisch auf die
Geschwindigkeitseinstellung des nächsten
Abschnitts ein.
Man kann das Workout durch Drücken auf die
Stopp-Taste jederzeit anhalten. Die Zeit blinkt
dann auf einem der Displays. Um das Programm
wiederaufzunehmen, drücken Sie die Start-Taste
oder die Geschwindigkeitserhöhung-Taste. Das
Laufband beginnt dann, mit 2 km/h sich zu bewe-
gen. Beim Beginn des nächsten Abschnitts stellt
sich der Lauftraine automatisch auf die vorpro-
grammierte Geschwindigkeitseinstellung des näch-
sten Abschnitts ein.
4. Verändern Sie die Neigung des Laufgeräts, wie
gewünscht.
Siehe Schritt 4 auf Seite 14.
5. Verfolgen Sie Ihren Fortschritt mit den
Displays.
Siehe Schritt 5 auf Seite 14 und 15.
6. Messen Sie auf Wunsch Ihre Herzfrequenz.
siehe Schritt 6 auf Seite 15
7. Wenn das Programm fertig ist, ziehen Sie den
Schlüssel aus dem Computer heraus.
Siehe Schritt 7 auf Siete 15.

ZUSAMMENKLAPPEN UND TRANSPORTIEREN
ZUSAMMENKLAPPEN DES LAUFTRAINERS ZUR
LAGERUNG
Die Neigung muss sich auf der niedrigsten Stufe
befinden, wenn man das Lauftrainer in die
Lagerungsposition zusammenlegt, sonst kann das
Lauftrainer beschädigt werden. Ziehen Sie das Netzkabel
heraus. VORSICHT: Sie müssen in der Lage sein, ohne
Schwierigkeiten 20 kg zu heben, um das Lauftrainer
hochzuheben, niederzulassen oder zu bewegen.
1. Packen Sie den Metallrahmen mit festem Griff an der
durch den Pfeil in der Abbildung rechts markierten
Stelle. Beim Aufrichten des Lauftrainers sollten Sie
Ihre Beine, nicht den Rücken, belasten. Richten Sie
den Lauftrainer etwa bis zur Hälfte der Vertikal-
Position auf. ACHTUNG: Heben Sie den Rahmen zur
Vermeidung von Verletzungen nicht an den
Kunststoff-Fußschienen hoch. Achten Sie beim
Anheben des Rahmens darauf, dass Sie ihre Beine ab-
biegen und den Rücken gerade halten.
2. Greifen Sie den Lauftrainer wie gezeigt mit der rechten
Hand und halten Sie den Lauftrainer fest. Ziehen Sie den
Riegelknopf nach links und halten Sie ihn in der Position.
Heben Sie den Rahmen, bis sich die Arretierung am
Riegel vorbei ist. Achten Sie darauf, dass der Riegel
ganz in der Arretierung eingesteckt ist.
Legen Sie zum Schutz des Bodens oder Teppichs
eine Unterlage unter den Lauftrainer. Schützen Sie
den Lauftrainer vor direkter Sonneneinstrahlung. Bei
Temperaturen über 30° C sollte der Lauftrainer nicht
in der Lagerungsposition aufgestellt werden.
TRANSPORTIERUNG DES LAUFGERÄTS
Bevor Sie das Lauftrainer transportieren, klappen Sie es
zusammen wie oben beschrieben. Achten Sie darauf, dass
der Rahmen mit dem Schnappschlossstift sicher gehal-
ten wird.
1. Halten Sie die Haltegriffe fest und stemmen Sie einen
Fuß gegen eine der Räder. Ziehen Sie nicht am
Rahmen zurück.
2. Kippen Sie den Lauftrainer zurück, so, dass es frei auf den
Räder rollt. Bewegen Sie dann den Lauftrainer vorsichtig
zur gewünschten Stelle. Bewegen Sie den Lauftrainer
nur dann, wenn sie zurückgekippt ist. Um die Gefahr
einer Verletzung möglichst zu verhindern, sollten Sie beim Transportieren des Lauftrainers äußerst vor-
sichtig sein. Versuchen Sie nicht, den Lauftrainer über unebenen Boden zu schieben.
3. Stellen Sie einen Fuß gegen ein Rad und lassen Sie den Lauftrainer nieder, bis es in der Lagerungsposition
steht.
Riegel
Rahmen
Riegel-
knopf
Arretie-
rung
Haltestange
Rad
17

18
DEN LAUFTRAINER ZUR BENUTZUNG HERUNTER-
LASSEN
1. Halten Sie das obere Ende des Lauftrainers mit Ihrer
rechten Hand. Ziehen Sie den Riegelknopf nach links und
halten Sie ihn. Schwenken Sie den Rahmen nach unten,
bis die Arretierung am Riegel vorbei ist.
2. Halten Sie den Lauftrainer mit beiden Händen fest und
legen Sie den Rahmen auf den Boden. Lassen Sie den
Rahmen des Lauftrainers nicht auf den Boden fallen. Um
die Gefahr einer Verletzung zu verhindern, beugen Sie
Ihre Beine und halten Sie Ihren Rücken gerade.
Riegel
Riegel-
knopf
Rahmen

FEHLERSUCHE
Die meisten Probleme lassen sich mit Hilfe der nachstehenden einfachen Tips beheben. Finden Sie das
betreffende Problem und folgen Sie den Anleitungen. Wenn Sie weitere Hilfe benötigen, wählen Sie bitte
die Service-Telefonnummer auf der Vorderseite dieser Anleitung an.
SYMPTOM: Das Gerät lässt sich nicht einschalten
LÖSUNG: a. Prüfen Sie, ob das Netzkabel in einer richtig geerdeten Steckdose eingesteckt ist (sehen Sie sich
Seite 12 an). Sollten Sie ein Verlängerungskabel brauchen, verwenden Sie niemals eines von
mehr als 1,5 m Länge. WICHTIG: Der Lauftrainer ist nicht kompatibel mit Steckdosen, die
für FI-Schutzschalter eingerichtet sind.
b. Nachdem Sie das Netzkabel eingesteckt haben, prüfen Sie, ob der Schlüssel ganz in den
Computer hereingesteckt worden ist.
c. Prüfen Sie die Entstör-/Aus-Stromkreisunterbre-
cher, die am Lauftrainer in der Nähe des
Netzkabels angebracht ist. Sollte der Schalter her-
aus stehen, wie hier angezeigt, dann wurde die
Sicherung ausgelöst. Um sie neu einzustellen,
warten Sie fünf Minuten und drücken Sie den
Schalter dann wieder hinein.
SYMPTOM: Das Gerät schaltet während des Betriebs ab
LÖSUNG: a. Überprüfen Sie die Entstör-/Aus-Stromkreisunterbrecher, die am Lauftrainer in der Nähe des
Netzkabels angebracht ist (beziehen Sie sich auf „c”, oben). Wurde die Sicherung ausgelöst,
warten Sie fünf Minuten und drücken Sie den Schalter wieder hinein.
b. Achten Sie darauf, dass das Netzkabel eingesteckt worden ist. Ziehen Sie den Netzkabel aus,
warten Sie fünf Minuten und stecken Sie ihn wieder ein.
c. Ziehen Sie den Schlüssel aus dem Computer. Stecken Sie den Schlüssel dann wieder ganz in
den Computer hinein.
d. Wenn das Gerät immer noch nicht ordnungsgemäß läuft, wenden Sie sich bitte an unseren
Kundenservice (siehe Vorderseite dieser Bedienungsanleitung).
SYMPTOM: Das Display des Computers funktioniert nicht richtig
LÖSUNG: a. Ziehen Sie den Schlüssel aus dem Computer heraus
und ZIEHEN SIE DAS NETZKABEL HERAUS.
Entfernen Sie die fünf angedeuteten Abdeckplatte-
Schraube (20) und die zwei Fußschienen-Schrauben
(25). Entfernen Sie dann vorsichtig die Abdeckplatte
(65).
Finden Sie den Membranenschalter (89) und den
Magnet (62) auf der linken Seite der Rolle (71). Drehen
Sie die Rolle bis der Magnet mit dem
Membranenschalter ausgerichtet ist. Achten Sie da-
rauf, dass der Abstand zwischen dem Magnet und
dem Membranenschalter 3mm weit ist.Wenn nötig,
lockern Sie die Schraube (3) und bewegen Sie den
Membranenschalter ein bisschen. Ziehen Sie die
Schraube wieder fest. Befestigen Sie die Haube und
lassen Sie das Laufgerät einige Minuten wieder laufen,
um die genaue Geschwindigkeitsablesung zu über-
prüfen.
25
20
65
a
Ausgelöst Eingeschaltet
c
62
3
89
Blick von oben
1/8 in.
71
19

SYMPTOM: Das Laufband wird beim Laufen langsamer
LÖSUNG: a. Verwenden Sie nur ein Verlängerungskabel von weniger als 1,5 m Länge.
b. Sollte das Laufband zu straff angezogen sein, wird
die Qualität Ihres Laufgerätes vermindert und das
Laufband kann auf die Dauer beschädigt werden.
Ziehen Sie den Schlüssel ab und ZIEHENSIEDAS
NETZKABEL HERAUS. Mit Hilfe des Innensechs-
kantschlüssels drehen Sie beide Schrauben der hin-
teren Rolle ca. eine 1/4-Drehung gegen den
Uhrzeigersinn. Das Laufband ist dann richtig
eingestellt, wenn man es links und rechts ca. 5–7 cm
von der Laufplattform hochheben kann. Achten Sie
darauf, dass das Laufband in der Mitte aufliegt.
Stecken Sie sowohl das Netzkabel als auch den
Schlüssel wieder ein und lassen Sie den Lauftrainer
ein paar Minuten laufen. Wiederholen Sie diesen Vorgang, bis das Laufband richtig straff gezo-
gen ist.
c. Wenn das Laufband immer noch langsamer wird, beziehen Sie sich auf die Vorderseite dieser
Bedienungsanleitung.
SYMPTOM: Das Laufband liegt beim Laufen nicht in der Mitte auf oder rutscht beim Laufen
SOLUTION: a. Sollte sich das Laufband nach links verschoben
haben,ziehen Sie als erstes den Schlüssel ab und
ZIEHEN SIE DAS NETZKABEL HERAUS. Drehen
Sie mit Hilfe des Sechskantschlüssels die linke
Schraube der hinteren Laufrolle im Uhrzeigersinn ca.
eine 1/2 Drehung. Vermeiden Sie ein zu straffes
Anziehen des Laufbandes. Sollte sich das
Laufband nach rechts verschoben haben, drehen
Sie mit Hilfe des Sechskantschlüssels die linke
Schraube der hinteren Laufrolle gegen den
Uhrzeigersinn ca. eine 1/2 Drehung. Stecken Sie das Netzkabel sowie den Schlüssel wieder ein
und lassen Sie den Lauftrainer ein paar Minuten laufen. Wiederholen Sie diesen Vorgang, bis
sich das Laufband in der Mitte befindet.
b. Sollte das Laufband beim Laufen rutschen, ziehen
Sie zunächst den Schlüssel ab und ZIEHEN SIE DAS
NETZKABEL HERAUS. Drehen Sie dann mit Hilfe
des Innensechskantschlüssels beide Schrauben der
hinteren Lanfrolle um ca. eine 1/4-Drehung im
Uhrzeigersinn. Das Laufband ist dann richtig straffge-
zogen, wenn man es noch auf beiden Seiten um ca.
5–8 cm von der Laufplattform hochheben kann.
Achten Sie darauf, dass das Laufband in der Mitte
zum liegen kommt. Stecken Sie sowohl das
Netzkabel als auch den Schlüssel wieder ein und laufen Sie einige Minuten sorgfältig auf dem
Lauftrainer. Wiederholen Sie diesen Vorgang, bis das Laufband richtig straff gezogen ist.
b
a
b5-8 cm
Schrauben der
hinteren Laufrolle

21
Die folgenden Richtlinien werden Ihnen dabei helfen,
ein Sportprogramm zu erstellen. Für detailliertere
Informationen, kaufen Sie sich ein Buch von angese-
henem Wert oder konsultieren Sie Ihren Arzt.
ÜBUNGSINTENSITÄT
Ob es Ihr Ziel ist, Fett zu verbrennen oder Ihr Herz-
Kreislauf-System zu stärken, der Schlüssel zum Erfolg
ist die richtige Übungsintensität. Den angemessenen
Intensitätsgrad kann man mithilfe der Herzfrequenz fin-
den. Die Tabelle unten gibt Herzfrequenzen zur
Fettverbrennung und für aerobes Training an.
Um die für Sie angemessene Herzfrequenz zu finden,
suchen Sie Ihr Alter am unteren Teil der Tabelle (Alter
ist auf das nächstliegende Jahrzehnt auf- oder abzu-
runden). Betrachten Sie dann die drei Zahlen über
Ihrem Alter. Diese drei Zahlen geben Ihre
“Trainingszone” an. Die unteren zwei Zahlen werden
zur Fettverbrennung empfohlen; die höhere Zahl wird
für aerobes Training empfohlen.
Fettverbrennung— Um Fett wirksam verbrennen zu
können, muss man bei einem relativ niedrigen
Intensitätsgrad über einen längeren Zeitraum hin trai-
nieren. Während der ersten paar Minuten eines
Trainings verbrennt der Körper leicht erreichbare
Kohlehydratkalorien
.Erst danach beginnt der Körper
auf
Fett
zur Kalorienverbrennung zurückzugreifen.
Wenn es Ihr Ziel ist, Fett zu verbrennen, dann sollten
Sie die Geschwindigkeit und die Neigung des
Laufgeräts so einstellen, dass sich Ihre
Herzfrequenzrate nahe der untersten Zahl in Ihrer
Trainingszone befindet. Zur maximalen
Fettverbrennung stellen Sie die Geschwindigkeit und
Neigung des Laufgeräts so ein, dass sich Ihre
Herzfrequenz nahe der mittleren Zahl Ihrer
Trainingszone befindet.
Aerobes Training—Wenn es Ihr Ziel ist, das Herz-
Kreislauf-System zu stärken, dann muss ihr Training
aerob sein. Aerobes Training ist jede Aktivität, die über
längere Zeitabschnitte hin große Mengen von
Sauerstoff verbraucht. Dadurch wird der Anspruch ans
Herz, mehr Blut in die Muskeln zu pumpen, und an die
Lungen, mehr Sauerstoff an das Blut abzugeben, er-
höht. Für aerobes Training müssen Sie die
Geschwindigkeit und die Neigung des Laufgerätes so
einstellen, dass sich Ihre Herzfrequenz nahe der
höchsten Zahl Ihrer Trainingszone befindet.
WORKOUT-RICHTLINIEN
Aufwärmen—Fangen Sie jedes Workout mit 5 bis 10
Minuten Stretching und leichten Übungen an. Ein rich-
tiges Aufwärmen erhöht die Körpertemperatur, die
Herzfrequenz und die Zirkulation in Vorbereitung auf
das Training.
Üben innerhalb der Trainingszone—Nach dem
Aufwärmen intensivieren Sie Ihre Übungen bis sich Ihr
Puls in der Trainingszone befindet und halten Sie ihn
dort 20 bis 30 Minuten lang. (Während der ersten paar
Wochen Ihres Trainingsprogramms sollten Sie Ihren
Puls nicht länger als 20 Minuten in der Trainingszone
halten.) Atmen Sie während des Workouts regelmäßig
und tief—halten Sie den Atem niemals an.
Abkühlen—Beenden Sie jedes Workout zur
Abkühlung mit 5 bis 10 Minuten Stretching. Dadurch
erhöhen Sie die Flexibilität der Muskeln und Sie ver-
hindern Probleme, die nach einem Training auftauchen
können.
TRAININGSHÄUFIGKEIT
Um Ihre Kondition zu erhalten oder zu verbessern, trai-
nieren Sie dreimal pro Woche, wobei zwischen den
Workouts mindestens ein Tag liegen soll. Nach ein
paar Monaten können Sie, wenn Sie wollen, bis zu fünf
Workouts pro Woche ausführen. Der Schlüssel zum
Erfolg liegt darin, Sport zu einem regelmäßigen und
angenehmen Teil Ihres täglichen Lebens zu machen.
TRAININGSRICHTLINIEN
WARNUNG: Bevor man ein
Sportprogramm beginnt, soll man einen Arzt
konsultieren. Das ist besonders wichtig für
Personen über 35 oder für Personen mit
Gesundheitsproblemen.
Der Pulssensor ist kein medizinisches
Instrument. Verschiedene Faktoren, inklusive
Bewegung, können die Genauigkeit von
Herzfrequenzablesungen beeinflussen. Der
Pulssensor ist nur als Übungshilfe, welche
generelle Herzfrequenztrends angibt, ge-
dacht.

22
12 M10 x 60mm Bolzen mit Nylon-
Klemmteil
2 6 M10 x 58mm Schraube
3 2 M4.2 x 13mm Bohrschraube
4 14 M4.2 x 16mm Schraube
5 6 M8 Zahnscheibe
6 1 Warnungsaufkleber Anbringen
Absperrung
7 2 M5 Zahnscheibe
8 6 M8 x 15mm schraube
9 2 M10 Zahnscheibe
10 16 M4.2 x 19mm schraube
11 4 Rahmen-Abstands-halter
12 1 Rückseite des Computers
13 4 M6 x 58mm Schraube
14 6 M10 Scheibe
15 1 Schlüssel/Klipp
16 4 M10 Kontermutter
17 1 6mm Innensechs-kantschlüssel
18 1 4mm Innensechs-kantschlüssel
19 4 M8 x 30mm Schraube
20 3 M4.2 x 19mm Abdeckplatte-
Schraube
21 9 M4.2 x 13mm Schraube
22 1 Linke Haltestange
23 1 Steigungsrahmen
24 1 Verriegelung
25 6 Schraube
26 6M4 x 19mm Bohrschraube
27 2 M8 x 35mm Schraube
28 4 M4.2 x 13mm Riemenführungs-
Schraube
29 2 M6 x 70mm Schraube
30 2 1/4" Motor Motorschraube
31 1 M8 x 102mm Schraube
32 4 M6 Schraube
33 1 rechte Haltestange
34 2M8 x 20mm Schraube
35 2 M10 x 65mm Schraube
36 2M6 Zahnscheibe
37 1Entstör-/Aus-Stromkreisunterbrecher
38 2M8.4 Zahnscheibe
39 1 Kabelbaum
40 1 Steigungsmotor
41 4M4.2 x 13mm
Bauchpfanneschraube
42 4 M4.2 Zahnscheibe
43 4M6 Mutter
44 6 M8 Mutter
45 2 Rollengehäuse
46 1 M8 Kontermutter
47 3 Abdeckplatte-Klammer
48 1 Verriegelungsge-häuse
49 2 Drahtöse
50 2 Verbindungselement
51 1 Rahmen
52 1 Basis
53 1 Linker Pfosten
54 1 Rechter Pfosten
55 1 Hintere Laufrolle
56 1 Antriebsriemen
57 1 Halter des Elektrobauteils
58 1 3/8" x 1 3/4" Schraube
59 1 Motor-Halter
60 1 Linker Halter der hinteren Laufrolle
61 1 Rechter Halter der hinteren Laufrolle
62 1 Magnet
63 6 Basispolster
64 1 Arretierung
65 1 Haube
66 1 Bodenschale
67 1 Linke Fußschiene
68 1 Rechte Fußschiene
69 4 Rad-Abstandshalter
70 2 Rad
71 1 Vordere Laufrolle/Rolle
72 1 3/8" x 1 1/4" Schraube
73 1 Zugangsdeckel
74 1 Hinterer Fuß, Linker
75 4 M5.5 x 30mm Schraube
76 1 Laufband
77 4 Haltestange-Endkappe
78 2 Plattformpolsterung,
79 1 Antriebsmotor
80 2 Kabelbinder
81 12 8" Befestigung
82 13/8" Mutter
83 1 Membranenschalter-klipp
84 11/2" Erdleitungsschraube
85 2M5 x 16mm Schraube
86 1Laufplattform
87 1 Kontrollschiene
88 1 Computer-Querstange
89 1Membranenschalter
90 1 Netzkabel
91 1 Computer
92 13/8" Kontermutter
TEILELISTE—Modell-Nr. PETL50707.0 R0807A
Umdie unten angeführten Teile zu finden, sehen Sie die Detailzeichnung nach knapp dieser
Bedienungsanleitung
Bestell-
Nr. Zahl. Beschreibung
Bestell-
Nr. Zahl. Beschreibung

23
93 2 Laufbandführung
94 1 5mm Innensechs-kantschlüssel
95 2 Rahmen-Endkappe
96 1 Aufmachbare Befestigung
97 1 Hinterer Fuß, rechter
98 1 Filterdraht
99 1 Netzkabel-Drahtöse
100 1 Neigungsmotordraht
101 2 Faction Washer
102 6 Käfigmutter
103 2 Warnungsaufkleber
104 1 Umformer
105 1 Filter
106 1 Motorzwischenstück
107 2 Motorbuchse
108 4 M10 Klemmmutter
109 2 M4 x 10mm Schraube
110 2 M4 x 12mm Schraube
111 3 M4 Mutter
112 1 M4 x 10mm Erdleitungsschraube
113 1 M4 Scheibe
114 1 M4 Zahnscheibe
115 1 Kleines Loch
116 1 Adapter
117 1 Steckdosenplatte
118 1 Gasdruckfeder
119 1 Federklipp
* – 8" schwarzer Draht, M/F
* – 4" schwarzer Draht, M/F
* – 16" blauer Draht, 2F
* – 4" blauer Draht, 2F
* – 6" roter Draht, M/F
* – 4" Weißer Draht, w/F
* – Bedienungsanleitung
*Dazu gehören alle in der Teilemon-tage abgebildeten
Teile. Änderungen technischer Angaben vorbehalten.
Bestell-
Nr. Zahl. Beschreibung
Bestell-
Nr. Zahl. Beschreibung

24
DETAILZEICHNUNG A—Modell-Nr. PETL50707.0 R0807A
93
17
81
86
51
76
67
28
62
89
3
83
93
6
31
46
25
25
25
25
25
75
75
56
25
71
68
28
18
61
19
44
27
29
55
36
21
42
21
29
60
36
19
42
27
44
19
19
78
50
78
64
4
10
50 41
41
41
41
10
94
97
10
10
74
11
11
108
108
44
44
101
101
21
104
95
95

25
DETAILZEICHNUNG B—Modell-Nr. PETL50707.0 R0807A
34 38
44
79
34
30
59
38
107
106
115
112
114
111
113
110
111 117
110 37
113
66
90
20
20
20 99
65
47
47
47
57
21 21
42
42 21 109
87
2
23
2
72
58
92
82
40
49
100
21
105
116
118

26
DETAILZEICHNUNG C—Modell-Nr. PETL50707.0 R0807A
80 4
3
54
11
53
14
1
9
111
14
9
39
85
26
63
10
63
26
26
63
33
77
22
88
77
24
5
9
2
9
39
70
35
108
63
26
69
69
43 45
32
43
13
16
2
8
5
8
5
2
77
10
10
10
77
63
26
10
10
10
10
35
108
70
69
69
63
26
45
32
43 43
32
13
16
84
85
7
7
85
102
102
8
102
103
103
119
118
52
49
16
10
48

27
DETAILZEICHNUNG D—Modell-Nr. PETL50707.0 R0807A
15
91
73 4
12
9
4
4
4
4
4
4
4
4
4
21
EXPLODED DRAWING—Model No. PETL50707.0
R0807A

Bestell-Nr. 257065 R0807A Gedrucktin China © 2007 ICON IP, Inc.
BESTELLUNG VON ERSATZTEILEN
Zur Bestellung von Ersatzteilen siehe die Vorderseite dieser Bedienungsanleitung. Damit wir Ihnen besser helfen
können, halten Sie bitte die folgenden Informationen bereit, wenn Sie mit uns in Kontakt treten:
•die Modell-nummer und die Serien-nummer des Produktes (siehe Vorderseite dieser Bedienungsanleitung)
•den Namen des Produktes (siehe Vorderseite dieser Bedienungsanleitung)
•die Bestellnummer und die Beschreibung des/der Teile(s) (siehe TEILELISTE und DETAILZEICHNUNG am
Ende dieser Bedienungsanleitung)
INFORMATION ZUM PRODUKTRECYCLING
Dieses elektronische Produkt darf nicht in den normalen Hausmüll
entsorgt werden. Gemäß gesetzlicher Bestimmung muss dieses Produkt
zur Erhaltung der Umwelt nach der Nutzungsdauer recycelt werden.
Bitte nutzen Sie die zur Sammlung dieser Art von Müll befugten
Recyclinganlagen in Ihrer Gegend. Dadurch tragen Sie zur Bewahrung natür-
licher Ressourcen und zur Verbesserung der europäischen Umweltschutzstan-
dards bei. Wenn Sie mehr Informationen zu sicheren und korrekten
Entsorgungsmethoden benötigen, wenden Sie sich bitte an die lokal zuständi-
gen Umweltschutzbehörden oder an den Händler, von dem Sie das Produkt er-
worben haben.