Proform Petl62010 620 Treadmill Users Manual
2015-04-13
: Proform Proform-Petl62010-620-Treadmill-Users-Manual-698898 proform-petl62010-620-treadmill-users-manual-698898 proform pdf
Open the PDF directly: View PDF
.
Page Count: 26

MANUALE D’ISTRUZIONI
AVVERTENZA
Leggere attentamente tutte le
istruzioni e precauzioni impor-
tanti elencate in questo manuale
prima di utilizzare questo equi-
paggiamento. Conservare il ma-
nuale per future referenze.
Etichetta
del Nº. di
Serie
Modello Nº.PETL62010
Nº. di Serie
Scrivere il numero di serie nello
spazio soprastante.
www.proform.com
Nostro website
Classe HC Prodotto
di Fitness
DOMANDE?
Come fabbricanti, ci siamo impo-
sti di provvedere alla completa
soddisfazione del cliente. Se
avete domande, oppure rinvenite
parti danneggiate, noi vi garan-
tiamo la completa soddisfazione
attraverso l’assistenza diretta
della nostra Azienda.
ALLO SCOPO DI EVITARE INU-
TILI RITARDI, VOGLIATE GEN-
TILMENTE CHIAMARCI AL NO-
STRO NUMERO VERDE.
Numero verde:
Lunedì–Venerdì: 15:00–18:00
(Non accessibile da telefoni
cellulari)
Fax: 0755271829
e-mail: csitaly@iconeurope.com
800-865114

2
INDICE
PRECAUZIONI IMPORTANTI . . . . . . . . . . . . . . . . . . . . . . . . . . . . . . . . . . . . . . . . . . . . . . . . . . . . . . . . . . . . . . . . .2
PRIMA DI INIZIARE . . . . . . . . . . . . . . . . . . . . . . . . . . . . . . . . . . . . . . . . . . . . . . . . . . . . . . . . . . . . . . . . . . . . . . . . .5
MONTAGGIO . . . . . . . . . . . . . . . . . . . . . . . . . . . . . . . . . . . . . . . . . . . . . . . . . . . . . . . . . . . . . . . . . . . . . . . . . . . . .6
MESSA IN FUNZIONE E REGOLAZIONE . . . . . . . . . . . . . . . . . . . . . . . . . . . . . . . . . . . . . . . . . . . . . . . . . . . . . . .8
COME PIEGARE E MUOVERE IL TREADMILL . . . . . . . . . . . . . . . . . . . . . . . . . . . . . . . . . . . . . . . . . . . . . . . . . .19
MANUTENZIONE E GUASTI . . . . . . . . . . . . . . . . . . . . . . . . . . . . . . . . . . . . . . . . . . . . . . . . . . . . . . . . . . . . . . . .20
CONSIGLI PER L’ALLENAMENTO . . . . . . . . . . . . . . . . . . . . . . . . . . . . . . . . . . . . . . . . . . . . . . . . . . . . . . . . . . . .22
LISTA DELLE PARTI . . . . . . . . . . . . . . . . . . . . . . . . . . . . . . . . . . . . . . . . . . . . . . . . . . . . . . . . . . . . . . . . . . . . . . .23
COME ORDINARE PARTI DI RICAMBIO . . . . . . . . . . . . . . . . . . . . . . . . . . . . . . . . . . . . . . . . . . . .Retro Copertina
GARANZIA . . . . . . . . . . . . . . . . . . . . . . . . . . . . . . . . . . . . . . . . . . . . . . . . . . . . . . . . . . . . . . . . . . . Retro Copertina
Nota: É stato incluso un DIAGRAMMA DELLE PARTI al centro di questo manuale.
PRECAUZIONI IMPORTANTI
AVVERTENZA:Per ridurre il rischio di ustioni, incendi, corti circuiti, scosse elettri-
che, o lesioni di persona, leggere attentamente le seguenti precauzioni importanti prima di utilizzare il
treadmill.
1. Sarà responsabilità del proprietario del tread-
mill di informare adeguatamente qualsiasi
persona che farà uso del treadmill, delle
norme sopra elencate.
2. Utilizzare il treadmill solo secondo le istru-
zioni di questo manuale.
3. Posizionare il treadmill su una superficie
piana con almeno 2 m di zona sgombra dietro.
Non posizionare il treadmill vicino ad acqua,
all’aperto o dove ostruisca un’apertura d’aria.
Per protezione, coprire il pavimento sotto-
stante il treadmill.
4. Quando scegliete la posizione per il treadmill,
controllare che sia accessibile ad una presa
elettrica.
5. Tenere il treadmill al coperto, lontano
dall’umidità e dalla polvere. Non mettere il
treadmill in un garage, in terrazza, o vicino a
fonti d’acqua.
6. Non utilizzare il treadmill dove sono utilizzati
prodotti per inalazione o dove c’è la sommini-
strazione di ossigeno.
7. Tenere lontano dalla portata dei bambini di
un’età inferiore ai 12 anni ed animali domestici.
8. Il treadmill non dovrebbe essere utilizzato da
persone con un peso superiore ai 115 kg.
9. Non permettere a più di una persona alla volta
di usare il treadmill.
10. Durante l’allenamento indossare un abbiglia-
mento adeguato. Non indossare abiti troppo
larghi o che potrebbero impigliarsi nel tread-
mill. Si consigliano articoli sportivi comodi.
Calzare sempre scarpe da corsa. Non usare
mai il treadmill a piedi scalzi, indossando solo
calze o sandali.
11. Inserire la spina direttamente in un circuito
con collegamento di massa con capacità a 8 o
più amps (fare riferimento alla pagina 8). Non
collegare altri apparecchi a questo circuito.
12. Se avete bisogno di una prolunga, usate solo
un cavo a 3 conduttori (3 x 1mm2) che non su-
peri 1,5 m di lunghezza.
13. Evitare il contatto del cavo della corrente con
superfici calde.

3
14. Non cercare di muovere il nastro scorrevole
quando l’apparecchio non è alimentato da
energia elettrica. Non azionare il treadmill se
il cavo d’alimentazione o la spina della cor-
rente sono danneggiati o se il treadmill pre-
senta un cattivo funzionamento. (Se il tread-
mill non funzionasse appropriatamente, fare
riferimento alla sezione PRIMA DI INIZIARE a
pagina 5 di questo manuale).
15. Salire sul nastro scorrevole solo dopo aver
azionato il treadmill. Durante l’allenamento te-
nersi sempre dai corrimano.
16. Il treadmill è capace di alte velocità. Regolare
la velocità molto lentamente per evitare sbalzi
improvvisi.
17. Il sensore pulsazioni a torace in dotazione
non è un apparecchio medico. Vari fattori, tra
cui il movimento provocato dall’esercizio,
possono influenzare l’accuratezza dei dati
della frequenza cardiaca. Il sensore pulsa-
zioni a torace è inteso semplicemente come
un aiuto nel determinare approssimativamente
la frequenza cardiaca durante
l’allenamento.
18. Non lasciare mai incustodito il treadmill men-
tre è in funzione. Rimuovere la chiave, stac-
care la spina della corrente e spegnere l'inter-
ruttore on/off quando il treadmill non viene
utilizzato. (Vedere il grafico a pagina 5 per la
posizione dell'interruttore on/off.)
19. Non tentare di sollevare, abbassare, o spo-
stare il treadmill sino a montaggio completo.
(Vedere le sezioni MONTAGGIO a pagina 6 e
7, e COME MUOVERE IL TREADMILL a pagina
19). Bisognerà essere in grado di sollevare
con facilità 20 kg per potere sollevare, abbas-
sare o muovere il treadmill.
20. Non tentare di modificare l'inclinazione del
treadmill collocando oggetti sotto il treadmill.
21. Durante lo spostamento o quando si piega il
treadmill, assicurarsi che il fermaglio della
chiusura a scatto sia completamente inserito
nella chiusura (vedere a pagina 19).
22. Ispezionare e stringere a fondo tutte le parti
del treadmill regolarmente.
23. Quando usate i CD iFIT.com ed i video, un
“bip” elettronico vi avviserà quando la velo-
cità e/o l’inclinazione del treadmill stia per
cambiare. Ascoltare sempre il “bip” in modo
da essere preparati quando la velocità e/o l’in-
clinazione cambia. In qualche caso, la velo-
cità e/o l’inclinazione può cambiare prima che
l’allenatore personale descriva il
cambiamento.
24. Quando usate i CD iFIT.com ed i video, potete
cambiare manualmente la velocità e l’inclina-
zione in qualsiasi momento premendo i pul-
santi per la velocità e l’inclinazione. Com-
unque, all’ascolto del “bip” successivo, la ve-
locità e/o l’inclinazione cambierà al livello se-
guente del programma del CD o del video.
25. Togliere sempre i CD i-FIT.com ed i video dal
suona CD o dal videoregistratore quando non
li usate.
26. Non inserire o far cadere nessun oggetto
nelle aperture.
27. PERICOLO:Prima di procedere ad
opere di manutenzione e regolazione elencate
in questo manuale, disinserire sempre la
spina. Non rimuovere la calotta del motore se
non specificato diversamente dal personale
addestrato. Qualsiasi altro tipo di manuten-
zione, a parte quella indicata in questo ma-
nuale, è di esclusiva competenza dei tecnici
autorizzati.
28. Questo treadmill è stato realizzato solo per
uso privato. Non usare questo treadmill per
scopi commerciali, non affittarlo e non usarlo
negli istituti pubblici.
AVVERTENZA:Consultare un medico prima di iniziare qualsiasi programma di eser-
cizio fisico. Questo é raccomandabile soprattutto per le persone oltre i 35 anni di età o persone con
problemi fisici preesistenti. La ICON non assume nessuna responsabilità per lesioni di persona, o a
danni di proprietà dovuti da o causati dall’uso di questo prodotto.
CUSTODIRE QUESTE ISTRUZIONI

4
L'adesivo è raffigurato all' 78% delle sue
dimensioni reali.
L'adesivo è raffigurato all' 20% delle sue
dimensioni reali.
Fare riferimento al disegni sottostante. Localizzare gli adesivi d'avvertenza sul treadmill. Trovare il fo-
glio con gli adesivi che è incluso con il treadmill. Staccare gli adesivi che sono in Italiano, ed attac-
carli sull’adesivi d’avvertenza in modo da coprire il testo in inglese.
IMPORTANTE: Se manca l’adesivo d’avvertenza, o se non è leggibile, per favore chiamare il nostro
Servizio Assistenza Clienti per ordinare un altro adesivo gratis. Applicare l’adesivo nel luogo
mostrato.

5
Complimenti per aver scelto il treadmill PROFORM®
620 treadmill. Il 620 treadmill è una sintesi tra tecnolo-
gia avanzata ed innovativo designo che permette di
avere, nella comodità ed intimità della propria casa, un
eccellente forma di esercizio cardiovascolare; e una
volta finito di allenarsi, l’innovativo 620 potrà essere
piegato, occupando così meno della metà di spazio di
altri treadmill.
Per il proprio beneficio, leggere attentamente que-
sto manuale d’istruzioni prima di utilizzare il tread-
mill. In caso di ulteriori informazioni rivolgersi al
Servizio Assistenza Clienti al NUMERO VERDE
800-865114 FAX: 0755271829 tutti i pomeriggi dalle
15:00 alle 18:00. Fare riferimento al numero di serie e
a quello del modello. Questo è PETL62010. È possi-
bile trovare il numero di serie su di un’etichetta posta
sul treadmill (vedere la copertina di questo manuale per
la locazione).
Prima di proseguire ulteriormente si prega di osservare
il grafico sottostante per poteri familiarizzare con le
parti contrassegnate.
PRIMA DI INIZIARE
Corrimani
Consolle
Chiusura a
Scatto Perno della
Chiusura a
Scatto
Sensore della
Frequenza Cardiaca
Poggia Libro
Chiave/
Fermaglio
Circuito
Interruttore
Interruttore On/Off
Nastro
Scorrevole
Piattaforma Ammortizzata
Ruota
Anteriore
Poggia
Piedi
Bullone Regolazione
Rullo Posteriore
Porta Bottiglia (La
bottiglia per l’acqua
non è inclusa)
LATO
DESTRO
LATO SINISTRO

6
MONTAGGIO
l montaggio richiede due persone. Collocare tutte le parti in un'area sgombra e rimuovere il materiale d'imbal-
laggio; non sbarazzarsi del materiale d'imballaggio sino a completo montaggio. Attrezzi necessari per l’assem-
blaggio: un cacciavite a stella in vostro possesso , e un martello in gomma .
Nota: La parte inferiore del nastro scorrevole é ricoperta di lubrificante ad alta resa. Durante il trasporto, una pic-
cola quantità di lubrificante potrebbe trasferirsi sul tappeto o sul cartone di trasporto. Questa e non ha effetto sul
funzionamento del treadmill. Se c'è del lubrificante sul tappeto, asciugare il lubrificante con un panno morbido e
detersivo dolce e non abrasivo.
1. Con l’aiuto di un’altra persona, facendo attenzione solle-
vare il treadmill nella posizione verticale.
Mentre una seconda persona inclina il treadmill su di un
lato leggermente tenendolo, inserire una delle Gambe
d’Estensione (103) nel treadmill come mostrato.
Assicurarsi che la Gamba Estensione sia girata in modo
che il Cuscinetto Grosso della Base (113) sia sulla parte
inferiore.
Dopo, inclinare il treadmill sull’altro lato ed inserire l’altra
Gamba Estensione (non mostrata) nello stesso modo.
Abbassare il lato del treadmill in modo che entrambe le
Gambe Estensione (103) stiano poggiando sul
pavimento.
2. Con l’aiuto di una seconda persona, facendo attenzione
abbassare il telaio del treadmill e dopo inclinare i
Montanti (82) verso il basso come mostrato nel disegno.
Assicurarsi che le Gambe Estensione (103) riman-
gano nei Montanti.
Attaccare ogni Gamba Estensione (103) con due Viti
(76) ed un Cuscinetto della Base (97) come mostrato.
Con l’aiuto di un’altra persona, facendo attenzione ripor-
tare i Montanti (82) nella posizione verticale.
Nota: Possono essere inclusi per ricambio un
Cuscinetto della Base (97) ed uno Spaziatore (non mo-
strato). Utilizzare il Cuscinetto della Base per sostituire
qualsiasi Cuscinetto della Base che diventi logoro. Se il
Cuscinetto Grosso della Base (113) deve essere sosti-
tuito, usare il Cuscinetto della Base di ricambio con lo
Spaziatore.
103
113
1
2
76
113
113
113
97
97
76
103
103
82
3
3. Con l’aiuto di una seconda persona, facendo attenzione
riportare i Montanti (82) nella posizione verticale.
Attaccare la Chiusura a Scatto (11) al Montante (82)
con due Viti Chiusura (89).
11
89
82
76
89

7
7. Controllare che tutte le parti siano strette in modo appropriato prima di usare il treadmill. La chiave di
allen è usata per regolare il nastro scorrevole (vedere pagina 21). Nota: Poterebbero rimanere alcune parti
dopo che il montaggio è completato. Per proteggere il pavimento o la moquette da danni, collocare un tappeto
sotto il treadmill.
5
5. Assicurarsi che il bordo anteriore dell’Impugnatura
Sinistra (110) sia sotto la Base della Consolle (87) come
mostrato nel disegno. Stringere una Vite Corta (101) sul
lato dell’Impugnatura Sinistra come mostrato nel disegno.
Attaccare l’Impugnatura Destra (non mostrata) e l’altra
Estensione Corrimano (non mostrata) come descritto
nella fase 4 ed in questa fase.
Nota: A montaggio completo potrebbero rimanere
delle viti extra.
101
110
87
6. Fare riferimento al disegno 6a. Localizzare il Piedino
Posteriore sinistro (59) sul treadmill. Se il Piedino
Posteriore sinistro tocca il pavimento, andare alla fase 7.
Se c’è uno spazio tra il Piedino Posteriore sinistro ed il
pavimento, seguire le istruzioni sottostanti.
Tenere ben stretto il treadmill con entrambe le mani, e
sollevarlo nella posizione d’immagazzinaggio come de-
scritto a pagina 19.
Fare riferimento al disegno 6b. Con l’uso di cacciavite a
croce, rimuovere dal treadmill la Vite Piedino Posteriore
(60), il Piedino Posteriore destro (59), e lo Spaziatore
Piedino Posteriore (120). Riattaccare il Piedino
Posteriore destro senza lo Spaziatore Piedino
Posteriore. Tenere il treadmill con entrembe le mani, ed
abbassarlo come descritto a pagina 19.
Controllare il Piedino Posteriore sinistro (59 [vedere il
disegno 6a].) Se il Piedino Posteriore sinistro non pog-
giasse ancora sul pavimento, sollevare il treadmill e ri-
muovere Piedino Posteriore sinistro. Mettere lo
Spaziatore Piedino Posteriore (120) sul Piedino
Posteriore sinistro e riattaccare il Piedino Posteriore sini-
stro con lo Spaziatore sul treadmill. Facendo attenzione
abbassare il treadmill.
59 120
60
6a
6b
59
4. Inserire l’Estensione Corrimano (85) nel montante sul
Montante sinistro (82). Allineare i fori nell’Estensione
Corrimano con i fori nel montante. Se necessario, pic-
chiettare l’Estensione Corrimano con un martello di
gomma per inserirlo completamente. Dopo, attaccare
l’Estensione Corrimano con tre Viti Corte (101) nei fori
indicati. Notare che il foro nel lato sinistro del montante
non è usato. Nota: Se ci fosse solo un foro nella parte
superiore del montante, stringere la terza Vita Corta
nel foro nel lato sinistro del montante.
Identificare l’Impugnatura Sinistra (110), il quale ha una
grande scanalatura sul lato destro. Infilare completa-
mente l’Impugnatura Sinistra sull’Estensione Corrimano
(85). Potrebbe essere di aiuto l’applicazione di acqua in-
saponata sull’Estensione Corrimano prima di inserire
l’Impugnatura.
101
82
110
Scanalatura
101
Montante
85
4
101
101

8
IL NASTRO SCORREVOLE PERFORMANT LUBETM
Il vostro treadmill è fornito di un speciale nastro scorrevole ricoperto da un lubrificante ad alta prestazione, chia-
mato PERFORMANT LUBETM. IMPORTANTE: Non applicare mai sul nastro scorrevole o sulla piattaforma,
del silicone a spray o altre sostanze lubrificanti. Queste sostanze potrebbero deteriorare il nastro scorre-
vole causando un eccessivo logorio.
INSERIMENTO DELLA SPINA DELLA CORRENTE
Questo prodotto deve essere collegato a massa a terra. Se
dovesse mal funzionare o guastarsi, la massa provvede all’elet-
tricità un percorso di minima resistenza che riduce il rischio di
scosse elettriche. Questo prodotto è provvisto di un cavo e una
spina con collegamento di massa a terra.
Sono inclusi due cavi elttrici. Selezionare quello che meglio
funziona con la vostra presa. Far riferimento al disegno 1.
Inserire l'estremità indicata del cavo elettrico nella presa di
corrente sul treadmill. Far riferiment al disegno 2. Inserire il
cavo elettrico in un'appropriata presa che sia stata appro-
priatamente installata e messa a terra in accordanza con i
codici locali e le ordinanze. Nota: In Italia, un adattatore
(nonincluso) deve essere utilizzato tra il cavo elettrico e la
presa. Importante: Il treadmill non e' compatibile con prese elet-
triche equipaggiate GFCI.
Usare un cavo d’alimentazione tipo H05VV-F con un condut-
tore di almeno 1mm2, con una spina elettrica adatta alla vo-
stra nazione ed un attacco per elettrodomestici.
ATTENZIONE:Un’improprio collega-
mento del conduttore di massa può causare scosse
elettriche. In caso di dubbio accertarsi, tramite un’elet-
tricista specializzato, se il prodotto è appropriatamente
collegato a massa a terra. Non modificare la spina
provvista con il prodotto—se non dovesse essere
adatta alla presa a disposizione, fare installare un
nuovo circuito da un elettricista specializzato.
MESSA IN FUNZIONE E REGOLAZIONE
Presa di corrente sul
treadmill
Presa

APPLICAZIONE DELL’ADESIVO D'AVVERTENZA
Se ci fosse una sottile pellicola in plastica sulla facciata
della consolle, rimuoverla prima di utilizzarla. Tutte le
avvertenze sulla consolle sono stampate in inglese.
L’incluso foglio di adesivi contiene le stesse informa-
zioni in altre quattro lingue. Cercate l'adesivo sul foglio
degli adesivi che è stampato in Italiano. Staccare l’ade-
sivo e applicarlo alla consolle nel luogo mostrato.
FUNZIONI DELLA CONSOLLE
La consolle del treadmill offre una varietà di funzioni
per aiutarvi ad ottenere il meglio dal vostro allena-
mento. Quando la consolle è sul modo manuale, la ve-
locità e l’inclinazione del treadmill possono essere con-
trollate col tocco di un pulsante. Mentre vi allenate, il
LED pista ed i quattro displays provvederanno ad una
continua elaborazione dati. Voi potete persino misurare
la vostra frequenza cardiaca usando il sensore della
frequenza cardiaca incorporato.
Sono anche offerti sei programmi di esperti allenatori
personali. Ogni programma controlla automaticamente
la velocità e l’inclinazione del treadmill mentre vi guida
attraverso un allenamento effettivo .
La consolle comprende anche un’avanzata tecnologia
interattiva iFIT.com. La tecnologia iFIT.com è come
avere un allenatore personale proprio a casa vostra.
Usando l’incluso cavo audio, potete collegare il tread-
mill al vostro stereo a casa, stereo portabile, o compu-
ter per ascoltare i programmi speciali dei CD iFIT.com (i
CD sono disponibili separatamente). I programmi dei
CD iFIT.com controllano automaticamente la velocità e
l’inclinazione del treadmill mentre un allenatore perso-
nale vi guida attraverso ogni fase del vostro allena-
mento. Una musica ad alta energia provvede per ulte-
riore motivazione. Ogni CD comprende due programmi
differenti creati da esperti allenatori personali.
Inoltre, potete collegare il treadmill al vostro videoregi-
stratore e televisione per vedere i video programmi
iFIT.com (le videocassette sono disponibili separata-
mente). I video programmi offrono gli stessi benefici dei
programmi CD iFIT.com, ma aggiunge l’entusiasmo di
un allenamento con una classe ed un istruttore.
Con il treadmill collegato al vostro computer, voi potete
anche andare al nostro nuovo sito internet a
www.iFIT.com ed avere accesso persino a più pro-
grammi. Scegliete da una selezione di programmi base
che controllano interattivamente la velocità e l’inclina-
zione del vostro treadmill per aiutarvi a raggiungere le
vostre mete personali di allenamento. O, usate i pro-
grammi audio e video i Fit.com direttamente dal nostro
sito internet. Visitate www.iFIT.com per ulteriori dettagli.
Vedere www.iFIT.com per informarsi riguardo ad altre
funzioni iFIT.com. Per acquistare i CD iFIT.com o le vi-
deocassette iFIT.com, chiamate al numero verde 800-
865114. Per informazioni riguardo altri accessori facol-
tativi, vedere a pagina 18.
ATTENZIONE: Prima di utiliz-
zare la consolle, leggere attentamente le se-
guenti precauzioni.
• Non stare sul nastro scorrevole durante
l’accensione del treadmill.
• Indossare sempre il fermaglio (vedere il gra-
fico sopra) durante l’uso del treadmill.
• Regolare la velocità gradualmente.
• Per ridurre il rischio di scosse elettriche, te-
nere la consolle asciutta, evitando di rove-
sciare liquidi sulla stessa e facendo uso di
una bottiglia tipo ciclista per l’acqua.
9
DIAGRAMMA DELLA CONSOLLE
Displays Displays i-FIT.com Indicatore
Manuale/Indicatori Programmi LED Pista
Fermaglio
Chiave
Pulsante
Programma
Pulsante
Inclinazione Pulsante
Inizio Pulsante
Arresto
Pulsanti
Velocità

10
COME UTILIZZARE LA CONSOLLE PASSO PER
PASSO
Controllare che il pulsante
On/Off vicino il cavo della
corrente sia nella posizione
On. Inoltre, accertarsi che la
chiave sia rimosso della con-
solle e la spina della corrente
sia inserita appropriatamente (vedere INSERIMENTO
DELLA SPINA DELLA CORRENTE a pagina 8).
Posizionarsi sugli appoggia piedi del treadmill. Localiz-
zare il fermaglio attaccato alla chiave (vedere il grafico
a pagina 11), e attaccarlo alla vita.
Per usare il modo manuale della consolle, seguire
le fasi sottostanti. Per usare un programma allena-
tore personale, vedere a pagina 12. Per usare i pro-
grammi CD o video iFIT.com, riferirsi a pagina 15.
Per usare i programmi direttamente dal nostro sito
internet, vedere a pagina 17.
Nota: La consolle può mostrare la velocità e la di-
stanza sia in miglia che chilometri (vedere Display
Velocità a pagina 11). Per semplicità, tutte le istruzioni
in questo manuale si riferiscono a miglia.
COME USARE IL MODO MANUALE
Inserire completamente la chiave nella con-
solle.
Subito dopo l'inseri-
mento della chiave, i
quattro displays e vari
indicatori si
illumineranno.
Selezionare il modo manuale.
Quando la chiave è in-
serita, il modo manuale
sarà azionato e l'indica-
tore “M” si accenderà.
Se un programma è
stato selezionato, pre-
mere il pulsante
Programma ripetutamente per selezionare il modo
manuale.
Premere il pulsante Inizio o il pulsante
▲▲
Velocità per attivare il nastro scorrevole.
Subito dopo aver pre-
muto il pulsante, il na-
stro scorrevole inizierà a
muoversi ad 1 miglio
all’ora. Tenersi dai corrimano e facendo atten-
zione iniziare a camminare. Mentre vi allenate,
potete cambiare la velocità del nastro scorrevole
premendo i pulsanti Velocità.
Per fermare il nastro scorrevole, premere il pul-
sante Arresto. Il display Tempo/Inclinazione/
Segmento Tempo inizierà a lampeggiare. Per riat-
tivare il nastro scorrevole, premere il pulsante
Inizio o il pulsante
▲▲
Velocità.
Cambiare l’inclinazione come desiderato.
Per cambiare l’inclina-
zione del treadmill, pre-
mere i pulsanti
Inclinazione. Ogni volta
che uno dei pulsanti è
premuto, l’inclinazione
cambierà di 0,5%. L’inclinazione varia da 1,5% a
11%. Nota: Quando uno dei pulsanti Inclinazione
viene premuto, il display Tempo/
Inclinazione/Segmento Tempo mostrerà l’inclina-
zione per diversi secondi. Dopo che i pulsanti
sono premuti, potrebbero volerci alcuni secondi
prima che il treadmill raggiunga l’inclinazione sele-
zionata.
Seguite i vostri progressi con i LED pista i
quattro displays.
Il LED pista—Il LED
pista rappresenta 1/4 di
miglio. Mentre vi allenate,
gli indicatori si accende-
ranno uno alla volta fino a
che avete completato 1/4
di miglio. A quel punto ini-
zierà un nuovo giro.
Display Distanza/Giri—
Questo display mostra la
distanza che avete cam-
minato o corso ed il nu-
mero di giri di 1/4 di mi-
glio che avete completato
(un giro è uguale a 1/4 di miglio). Il display si alter-
nerà fra un numero e l'altro ogni sette secondi,
come mostrato dalla freccia nel display.
Display Tempo/
Inclinazione/Segmento
Tempo—Quando è sele-
zionato il modo manuale
o un programma
iFIT.com, questo display
mostra il tempo trascorso. Quando è selezionato
un programma allenatore personale, questo
5
4
3
2
1
Posizione
On
Pulsante Inizio
Pulsante Programma
Freccette

display mostra sia il tempo rimanente nel pro-
gramma che il tempo rimanente nell’attuale seg-
mento del programma. Il display si alternerà fra un
numero e l’altro ogni sette secondi. Ogni volta che
i pulsanti Inclinazione sono premuti, questo di-
splay mostrerà l’inclinazione attuale.
Display Calorie/Watts/
Polso—Questo display mo-
stra il numero approssima-
tivo delle calorie che avete
bruciato e la vostra attuale
produzione si corrente in
watts. (La consolle fa una valutazione dei watts
moltiplicando il numero delle calorie che bruciate
per minuto per un fattore d’efficienza di 25%.)
Ogni sette secondi, il display cambierà da un nu-
mero ad un altro, come mostrato dalla freccia nel
display. Questo display mostrerà anche la vostra
frequenza cardiaca quando il sensore della fre-
quenza cardiaca viene usato (vedere la fase 6).
Display Velocità—Questo
display mostra la velocità
del nastro scorrevole
Nota: Il display Velocità può
mostrare la velocità in mi-
glia che in chilometri. Per verificare l'unità di mi-
sura, per primo tenere premuto il pulsante Arresto
mentre inserite la chiave
nella consolle. Una "E" per
il sistema inglese in miglia
o una "M" per il sistema
metrico in chilometri appa-
rirà nel display. Premere il
pulsante
▲▲
Velocità per
cambiare l’unità di misura. Quando l’unità di mi-
sura desiderata è selezionata, rimuovere la chiave
e dopo inserirla.
Nota: Per azzerare i display, premere il pulsante
Arresto, rimuovere la chiave, e dopo inserirla.
Misurare la frequenza cardiaca, se desiderato.
Salire sui poggia
piedi e collocare
le vostre mani sui
contatto a metalli
sulla barra sen-
sore. Evitare di
muovere le mani.
Una volta trovata
la vostra fre-
quenza cardiaca,
l’indicatore a
forma di cuore nel
display Calorie/
Watts/Polso lam-
peggerà regolar-
mente ed appari-
ranno una serie di trattini (— —). Dopo pochi se-
condi, la vostra frequenza cardiaca sarà mostrata.
Per una lettura più accurata della frequenza
cardiaca, continuare a tenere i contatti per
circa 15 secondi.
Una volta finito di allenarsi, rimuovere la
chiave.
Salire sui poggia piedi, premere il pulsante Arre-
sto, e regolare l'inclinazione del treadmill al mi-
nimo. L’inclinazione deve essere al minimo
quando il treadmill è portato in posizione di
immagazzinaggio o il treadmill ne risulterà
danneggiato. Poi, rimuovere la chiave dalla con-
solle. Conservare la chiave in un posto sicuro.
Nota: Se i displays e diversi indicatori sulla
consolle rimangono accesi dopo che la chiave
è rimossa, la consolle è nel modo “demo.”
Fare riferimento a pagina 18 e spegnere il
modo demo.
Quando avete finito di usare il treadmill, muovere
l’interruttore On/Off collocato vicino al cavo della
corrente nella posizione Off.
7
6
Sensore

12
Inserire la chiave nella consolle.
Subito dopo l'inserimento
della chiave, i quattro di-
splays e vari indicatori si
illumineranno.
Selezionare uno dei programmi allenatore per-
sonale.
Quando la
chiave è inse-
rita, il modo
manuale sarà
selezionato, e
l'indicatore
“M” si accen-
derà. Per se-
lezionare uno
dei pro-
grammi alle-
natore personale, premere ripetutamente il pul-
sante Programma fino a che uno dei sei indicatori
programmi allenatore personale si accenderà.
La consolle ha sei programmi. I profili della con-
solle mostrano come la velocità e l’inclinazione
del treadmill cambieranno durante i programmi. I
numeri a lato dei profili mostrano la velocità mas-
sima e l’inclinazione per i programmi. Per esem-
pio, il profilo in alto a sinistra mostra che il tread-
mill raggiungerà una velocità massima di 4,0 mi-
glia all’ora ed una inclinazione massima di 8% du-
rante il primo programma.
Premere il pulsante d'Inizio o il pulsante
Velocità
▲▲
per iniziare il programma.
Subito dopo che il pulsante viene premuto, il
treadmill si regolerà automaticamente alla prima
velocità ed inclinazione per il programma. Tenersi
dai corrimano ed iniziare a camminare.
Ogni programma è diviso
in diversi segmenti di
tempo o di lunghezza. Il
display Tempo/
Inclinazione/Segmento
Tempo mostra sia il
tempo rimanente nel programma che il tempo ri-
manente nell’attuale segmento del programma.
Per ogni segmento sono programmati una velo-
cità ed una inclinazione. Quando rimangono solo
tre secondi nel primo segmento, si sentiranno una
serie di toni ed il treadmill si regolerà automatica-
mente alla velocità ed all’inclinazione del se-
condo segmento.
Il programma continuerà in questo modo fino a
che il display Tempo/Inclinazione/Segmento
Tempo conterà alla rovescia fino a zero. Il nastro
scorrevole allora rallenterà fino a fermarsi.
Se la velocità o l’inclinazione dell’attuale seg-
mento è troppo alta o troppo bassa, potete cam-
biarla manualmente premendo i pulsanti Velocità
o Inclinazione sulla consolle. Comunque,
quando inizia il segmento successivo, il tread-
mill si regolerà alla successiva velocità ed in-
clinazione del programma.
Per fermare il programma, premere il pulsante
Arresto. Il display Tempo/Inclinazione/Segmento
Tempo inizierà a lampeggiare. Per riattivare il pro-
gramma, premere il pulsante Inizio o il pulsante
Velocità
▲▲
. Per finire il programma, premere il pul-
sante Arresto, rimuovere la chiave, e dopo rinse-
rire la chiave.
Seguite i vostri progressi con il LED pista ed i
quattro displays.
Riferirsi alla fase 5 a pagina 10.
Misurare la frequenza cardiaca, se desiderato.
Riferirsi alla fase 6 a pagina 11.
Una volta finito di allenarsi, rimuovere la
chiave.
Alla fine del programma, assicurarsi che l'incli-
nazione del treadmill sia al minimo.
L'inclinazione deve essere al minimo quando il
treadmill viene sollevato in posizione di imma-
gazzinaggio. Poi, rimuovere la chiave dalla con-
solle. Tenere la chiave in un luogo sicuro. Nota:
Se i displays e diversi indicatori sulla consolle
rimangono accesi dopo che la chiave è ri-
mossa, la consolle è nel modo “demo.” Fare
riferimento a pagina 18 e spegnere il modo
demo.
Quando avete finito di usare il treadmill, muovere
l’interruttore On/Off collocato vicino al cavo della
corrente nella posizione Off.
6
5
4
3
2
1
COME USARE I PROGRAMMI ALLENATORE
PERSONALE
Pulsante
Programma

COME COLLEGARE IL TREADMILL AL
VOSTRO LETTORE CD, VIDEOREGISTRA-
TORE, O COMPUTER
Per utilizzare i CD iFIT.com, il treadmill deve essere
collegato al vostro lettore CD portatile, stereo portatile,
stereo, o computer con lettore CD. Vedere a pagina 13
e 14 per le istruzioni per il collegamento. Per utilizzare
le videocassette, il treadmill deve essere collegato al
vostro videoregistratore. Vedere a pagina 15 per le
istruzioni per il collegamento. Per utilizzare i pro-
grammi iFIT.com direttamente dal nostro sito inter-
net, il treadmill deve essere collegato al vostro compu-
ter. Vedere a pagina 14 per il collegamento.
COME COLLEGARE IL VOSTRO LETTORE CD
PORTATILE
Nota: Se il vostro lettore CD ha prese separate per le
PHONES (Cuffie) e per la LINE OUT (LINEA D'U-
SCITA), vedere le istruzioni A sottostanti. Se il vostro
lettore CD ha una sola presa, vedere istruzioni B.
A. Inserire un’estremità del cavo audio nella presa si-
tuata sulla parte anteriore del treadmill vicino al
cavo della corrente. Inserire l'altra estremità del
cavo nella presa LINE OUT (LINEA D'USCITA) del
lettore CD. Inserire le vostre cuffie nella presa
PHONES (Cuffie).
B. Inserire un'estremità del cavo audio nella presa si-
tuata sulla parte anteriore del treadmill vicino al
cavo della corrente. Inserire l'altra estremità del
cavo in un perno manopola. Inserire il perno mano-
pola nella presa PHONES (Cuffie) del vostro lettore
CD. Inserire le vostre cuffie nell'altro lato delle
perno manopola.
COME COLLEGARE IL VOSTRO STEREO
PORTATILE
Nota: Se il vostro stereo ha una presa AUDIO OUT
(USCITA AUDIO)di tipo RCA, vedere le istruzioni A
sottostanti. Se il vostro stereo ha una presa LINE
OUT (LINEA D'USCITA) da 3,5 mm, vedere istru-
zioni B. Se il vostro stereo ha soltanto una presa
PHONES (Cuffie), vedere istruzioni C.
A. Inserire un'estremità del cavo audio nella presa si-
tuata sulla parte anteriore del treadmill vicino al cavo
della corrente. Inserire l'altra estremità del cavo
nell’adattatore. Collegare l'adattatore ad una presa
AUDIO OUT (USCITA AUDIO) del stereo.
B. Inserire un'estremità del cavo audio nella presa si-
tuata sulla parte anteriore del treadmill vicino al
cavo della corrente. Inserire l'altra estremità del
cavo nella presa LINE OUT (LINEA D'USCITA) del
vostro stereo.
C. Inserire un’estremità del cavo audio nella presa si-
tuata sulla parte anteriore del treadmill vicino al
LINE OUT
PHONES LINE OUT
PHONES
Cavo
Audio
Cuffie
A
AUDIO OUT
RIGHT
LEFT
Cavo
Audio Adattatore
A
LINE OUT
Cavo
Audio
B
PHONES
PHONES
Cavo
Audio
Perno
Manopola
Cuffie
B
PHONES
Cavo
Audio
C
Perno
Manopola
Cuffie

14
cavo della corrente. Inserire l'altra estremità del
cavo in un Perno Manopola. Collegare il Perno
Manopola alla presa PHONES (Cuffie) del vostro
stereo. Inserire le vostre cuffie nell'altro lato delle
Perno Manopola.
COME COLLEGARE IL VOSTRO STEREO DI CASA
Nota: Se il vostro stereo ha una presa LINE OUT
(LINEA D'USCITA) inutilizzata, vedere le istruzioni
A sottostanti. Se la presa LINE OUT (LINEA D'U-
SCITA) è utilizzata, vedere istruzioni B.
A. Inserire un'estremità del cavo audio nella presa si-
tuata sulla parte anteriore del treadmill vicino al cavo
della corrente. Inserire l'altra estremità del cavo nel-
l'incluso adattatore. Collegare l'adattatore alla presa
LINE OUT (LINEA D'USCITA) del vostro stereo.
B. Inserire un’estremità del cavo audio nella presa si-
tuata sulla parte anteriore del treadmill vicino al
cavo della corrente. Inserire l'altra estremità del
cavo nell’adattatore. Collegare l'adattatore ad un
adattatore RCA (disponibile nei negozi di elettro-
nica). Poi, rimuovere il filo che è attualmente inse-
rito nella presa LINE OUT (LINEA D'USCITA) nel
vostro stereo e inserire il filo nell'inutilizzato lato del-
l'adattatore RCA. Collegare l'adattatore RCA alla
presa LINE OUT (LINEA D'USCITA) del vostro
stereo.
COME COLLEGARE IL VOSTRO COMPUTER
Note: Se il vostro computer ha una presa (LINEA
D'USCITA) da 3,5 mm, vedere istruzioni A. Se il vo-
stro computer ha soltanto una presa PHONES
(Cuffie), vedere istruzioni B.
A. Inserire un’estremità del cavo audio nella presa si-
tuata sulla parte anteriore del treadmill vicino al
cavo della corrente. Inserire l'altra estremità del
cavo nella presa LINEA D'USCITA del vostro
computer.
B. Inserire un’estremità del cavo audio nella presa si-
tuata sulla parte anteriore del treadmill vicino al
cavo della corrente. Inserire l'altra estremità del
cavo in un perno manopola. Collegare il perno ma-
nopola alla presa PHONES (Cuffie) del vostro ste-
reo. Inserire le vostre cuffie nell'altro lato delle
perno manopola.
CD
VCR
Amp
LINE OUT
LINE OUT
Cavo
Audio Adattatore
A
LINE OUT
Cavo
Audio
A
CD
VCR
Amp
LINE OUT
Cavo
Audio
Adattatore
RCA
Filo rimosso dalla presa LINE
OUT (LINEA D’USCITA)
B
Adattatore
PHONES
Cavo
Audio
B
Perno
Manopola
Cuffie/Casse Acustiche

COME COLLEGARE IL VOSTRO VIDEO-
REGISTRATORE
Nota: Se il vostro VIDEOREGISTRATORE ha una
presa ESTERNA AUDIO inutilizzata, vedere l’istru-
zione A sottostante. Se la presa ESTERNA AUDIO
è stata usata, vedere l’istruzione B. Se il vostro VI-
DEOREGISTRATORE è collegato al vostro stereo,
vedere COME COLLEGARSI ALLO STEREO a pa-
gina 14.
A. Inserire un’estremità del cavo audio nella presa si-
tuata nella parte anteriore del treadmill vicino cavo
della corrente. Inserire l'altra estremità del cavo
nell’adattatore. Inserire l’adattatore nella presa
ESTERNA AUDIO del vostro videoregistratore.
B. Inserire un’estremità del cavo audio nella presa si-
tuata nella parte anteriore del treadmill vicino al
cavo della corrente. Inserire l’altra estremità del
cavo nell’adattatore. Inserire l’adattatore in un adat-
tatore RCA (disponibile nei negozi di elettronica).
Poi, rimuovere il filo che è attualmente inserito nella
presa ESTERNA AUDIO del vostro videoregistra-
tore ed inserirlo nel lato inutilizzato dell’adattatore
RCA. Inserire l’adattatore RCA nella presa
ESTERNA AUDIO del vostro videoregistratore.
Per usare i CD o le videocassette iFIT.com, il treadmill
deve essere collegato al vostro suona CD portatile,
stereo portatile, stereo, computer con suona CD, o
Videoregistratore. Vedere COME COLLEGARE IL
COMPUTER AL VOSTRO LETTORE CD, VIDEORE-
GISTRATORE, O COMPUTER a pagina 13. Nota: Per
acquistare i CD o le videocassette iFIT.com, chia-
mare al numero verde 800-865114.
Assicurarsi che l’interruttore
On/Off vicino al cavo della
corrente sia nella posizione
On. Inoltre, controllare che il
cavo della corrente sia inse-
rito in modo appropriato (ve-
dere INSERIMENTO DELLA SPINA DELLA COR-
RENTE a pagina 8).
Quando siete pronti per allenarvi, salite sui poggia
piedi del treadmill. Trovare il fermaglio attaccato alla
chiave (vedere il disegno a pagina 9), ed infilare il fer-
maglio sui vostri vestiti all’altezza del giro vita. Seguire
le fasi sottostanti per usare un CD o video iFIT.com.
Nota: Le istruzioni incluse nell’astuccio del CD de-
scrive come usare il CD con una varietà di
PROFORM treadmills. Alcune istruzioni protreb-
bero non concernere a questo treadmill.
Inserire completamente la chiave nella con-
solle.
Quando la chiave è inserita, i quattro displays e di-
versi indicatori sulla consolle si accenderanno.
Premere il pulsante PROGRAMMA.
Quando la chiave è inse-
rita, sarà selezionato il
modo manuale. Per
usare un programma CD
o video iFIT.com, pre-
mere il pulsante
Programma. L’indicatore
iFIT.com si accenderà.
Inserire il CD o la videocassetta iFIT.com.
Se state usando un CD iFIT.com, inserire il CD
nel vostro suona CD. Se state usando una video-
cassetta iFIT.com, inserire la videocassetta nel
vostro videoregistratore.
3
2
1
AUDIO OUT
RIGHT
LEFT
VIDEO AUDIO
ANT. IN
RF OUT
IN
OUT
CH
34
Cavo
Audio
Adattatore
A
VIDEO AUDIO
ANT. IN
RF OUT
IN
OUT
CH
34
Cavo
Audio Adattatore
B
Filo rimosso dalla presa LINE
OUT (LINEA D'USCITA)
Adattatore
RCA
Posizione
On
COME USARE I PROGRAMMI DEI CD E VIDEO
IFIT.COM

16
Premere il pulsante Play sul vostro suona CD
o Videoregistratore.
Subito dopo aver premuto il pulsante, il vostro al-
lenatore personale inizierà a guidarvi attraverso il
vostro allenamento. Seguire semplicemente le
istruzioni del vostro allenatore personale. Nota: Se
il display Tempo/Inclinazione/Segmento Tempo
sta lampeggiando, premere il pulsante Inizio o il
pulsante Velocità
▲▲
sulla consolle. Il treadmill non
risponderà ad un programma CD o video mentre il
display Tempo/Inclinazione/Segmento Tempo sta
lampeggiando.
Durante il programma CD o video, il suono di un
“bip” elettronico vi avviserà quando la velocità e/o
l’inclinazione del treadmill stia per cambiare.
ATTENZIONE: Ascoltare sempre il “bip” ed es-
sere pronti che la velocità e/o l’inclinazione
cambi. In qualche caso, la velocità e/o l’incli-
nazione può cambiare prima che l’allenatore
personale descriva il cambiamento.
Se la velocità o l’inclinazione sono troppo alte o
troppo basse, potete cambiarle manualmente in
qualsiasi momento premendo i pulsanti Velocità o
Inclinazione sulla consolle. Comunque,
all’ascolto del “bip” successivo, la velocità e/o
inclinazione cambierà al livello seguente del
programma del CD o video.
Per fermare il programma in qualsiasi momento,
premere il pulsante Arresto sulla consolle. Il di
Tempo/Inclinazione/Segmento Tempo inizierà a
lampeggiare. Per riattivare il programma, premere
di nuovo il pulsante Inizio o
▲▲
Velocità. Dopo un
po’, il nastro scorrevole inizierà a muoversi 1 mi-
glio all’ora. All’ascolto del bip successivo, la ve-
locità e l’inclinazione cambieranno al livello
seguente del programma del CD o video. Il pro-
gramma può anche essere fermato premendo il
pulsante Arresto sul vostro suona CD o
Videoregistratore.
Quando il programma del CD o video viene com-
pletato, il nastro scorrevole si fermerà ed il display
Tempo/Inclinazione/Segmento Tempo inizierà a
lampeggiare. Nota: Per usare un altro programma
CD o video, premere il pulsante Arresto o rimuo-
vere la chiave ed andare alla fase 1 a pagina 15.
Nota: Se la velocità o l’inclinazione del tread-
mill non cambia all’ascolto del “bip”:
• Assicurarsi che l’indicatore iFIT.com sia ac-
ceso e che il display Tempo/Inclinazione/
Segmento Tempo non stia lampeggiando. Si
il display Tempo/Inclinazione/Segmento
Tempo stia lampegiando, premere il pulsante
Inizio o il pulsante Velocità
▲▲
sulla consolle.
• Regolare il volume del vostro suona CD o
Videoregistratore. Se il volume è troppo alto
o troppo basso, la consolle percepire i se-
gnali del programma.
• Assicurarsi che il cavo audio sia collegato in
modo corretto, che sia completamente inse-
rito nella presa, e che non sia attorcigliato at-
torno al cavo della corrente.
• Se state usando il vostro suona CD portatile
ed il CD salta, collocare il suona CD sul pavi-
mento o su un’altra superficie piana invece
che sulla consolle.
Seguite i vostri progressi con il LED pista ed i
quattro display.
Vedere la fase 5 a pagina 10.
Misurate la vostra frequenza cardiaca, se desi-
derato.
Vedere la fase 6 a pagina 11.
Quando il programma del CD o video iFIT.com
è finito, rimuovere la chiave.
Vedere la fase 6 a pagina 12.
ATTENZIONE: Rimuovere sempre i CD e le vi-
deocassette iFIT.com dal vostro suona CD o
Videoregistratore quando avete finito di usarli.
7
6
5
4

17
COME USARE I PROGRAMMI DIRETTAMENTE
DAL NOSTRO SITO INTERNET
Il nostro nuovo sito internet a www.iFIT.com vi permette
di avere accesso ad una vasta selezione di programmi
che interattivamente il vostro treadmill per aiutarvi a rag-
giungere l vostre specifiche mete d’allenamento. Inoltre,
potete usare i programmi audio e video iFIT.com diretta-
mente dall’internet.
Per usare il programmi dal nostro sito internet, il tread-
mill deve essere collegato al vostro computer. Vedere,
COME COLLEGARE IL VOSTRO COMPUTER a pa-
gina 14. Inoltre, dovete avere almeno un modem da
56K ed un abbonamento con un servizio internet.
Un’ulteriore lista di requisiti per sistema e software la
troverete nel nostro sito internet.
Controllare che il pulsante On/
Off vicino il cavo della corrente
sia nella posizione On.
Accertarsi che la spina della
corrente sia inserita appropria-
tamente. (Vedere INSERI-
MENTO DELLA SPINA DELLA CORRENTE a
pagina 8.)
Seguite le fasi sottostanti per usare un programma dal
nostro sito internet.
Inserire completamente la chiave nella console.
Subito dopo l'inserimento della chiave, i quattro di-
splays e vari indicatori si illumineranno.
Premere il pulsante Programma.
Quando la chiave è inse-
rita, sarà selezionato il
modo manuale. Per
usare un programma dal
nostro sito internet, pre-
mere il pulsante
Programma. L’indicatore iFIT.com si accenderà.
Andare al vostro computer ed iniziare un colle-
gamento internet.
Iniziare la vostra ricerca sul web, se necessario,
ed andare al nostro sito internet al
www.iFIT.com.
Seguire i collegamenti desiderati sul nostro sito
internet per selezionare un programma.
Leggere e seguire le istruzioni on-line per usare un
programma.
Seguire le istruzioni on-line per iniziare il pro-
gramma.
Quando iniziate il programma, un conto alla rove-
scia inizierà sullo schermo.
Ritornare al treadmill e salire sui poggia piedi.
Trovare il fermaglio attaccato alla chiave ed infi-
larlo sui vostri vestiti all’altezza del vostro giro
vita.
Quando il conto alla rovescia sullo schermo finisce,
il programma inizierà ed il nastro scorrevole inizierà
a muoversi. Tenersi dai corrimano, salire sul nastro
scorrevole, ed iniziare a camminare.
Durante il programma, un “bip” elettronico vi avvi-
serà quando la velocità e/o l’inclinazione del tread-
mill stia quasi per cambiare. ATTENZIONE:
Ascoltare sempre per il “bip” ed essere pronti
che la velocità e/o l’inclinazione cambi.
Se la velocità o l’inclinazione sono troppo alte o
troppo basse, potete cambiarle manualmente in
qualsiasi momento premendo i pulsanti Velocità o
Inclinazione sulla consolle. Comunque, all’accolto
del “bip” successivo, la velocità e/o l’inclina-
zione cambierà al livello seguente del
programma.
Per fermare il programma in qualsiasi momento,
premere il pulsante Arresto sulla consolle. Il display
Tempo/Inclinazione/Segmento Tempo inizierà a
lampeggiare. Per riattivare il programma, premere il
pulsante Inizio o
▲▲
Velocità sulla consolle. Dopo un
po’, il nastro scorrevole inizierà a muoversi a 1.0
miglia all’ora. Quando all’accolto del “bip” suc-
cessivo, la velocità e l’inclinazione cambieranno
al livello seguente del programma.
Quando il programma è completato, il nastro scor-
revole si fermerà ed il display Tempo/Inclinazione/
Segmento Tempo inizierà a lampeggiare. Nota: Per
usare un altro programma, premere il pulsante
Arresto ed andare alla fase 5 sovrastante.
Nota: Se la velocità o l’inclinazione del treadmill
non cambia all’accolto del “bip”, assicurarsi
che l’indicatore iFIT.com sia acceso e che il di-
splay Tempo/Inclinazione/Segmento Tempo
non stia lampeggiando. Inoltre, controllare che
il cavo audio sia collegato in modo corretto,
che sia completamente inserito nella presa, e
che non sia attorcigliato attorno al cavo della
corrente.
7
6
5
4
3
2
1
Posizione
On

18
Seguite i vostri progressi con il LED pista ed
i quattro displays.
Riferirsi alla fase 5 a pagina 10.
Misurare la frequenza cardiaca, se
desiderato.
Riferirsi alla fase 6 a pagina 11.
Una volta finito di allenarsi, rimuovere la
chiave.
Riferirsi alla fase 6 a pagina 12.
IL MODO INFORMAZIONE/MODO DEMO
Le funzioni della consolle ed il modo informazione
sono quelli che tengono il conto del numero totale di
ore che il treadmill è stato usato e del numero totale di
miglia che il nastro scorrevole ha percorso. Il modo
informazione vi permette anche di cambiare la con-
solle da miglia all’ora a chilometri all’ora. Inoltre, il
modo informazione vi permette di accendere e spe-
gnere il modo demo.
Per selezionare il modo informazione, tenere premuto
il pulsante Arresto mentre inserite la chiave nella con-
solle. Quando il modo informazione è selezionato, sa-
ranno mostrate le seguenti informazioni:
Il display Distanza/Giri mo-
strerà il numero totale delle mi-
glia accumulate.
Il display Tempo/Inclinazione/
Segmento Tempo mostrerà il
numero totale delle ore accu-
mulate nel treadmill.
Una "E" per il sistema inglese
in miglia o una "M" per il si-
stema metrico in chilometri ap-
parirà nel display Velocità.
Premere il pulsante Velocità
▲▲
per cambiare l’unità di misura.
IMPORTANTE: Il display
Calorie/Watts/Polso dovrebbe
essere spento. Se una ”d” ap-
pare nel display, la consolle è
nel moso “demo”. Questo modo
è usato solo quando il treadmill
viene mostrato in un negozio.
Quando la consolle è nel modo demo, il cavo della cor-
rente può essere inserito nella presa, la chiave può es-
sere rimossa dalla consolle, ed i displays e indicatori
della consolle si accenderanno automaticamente in
una sequenza stabilita, sebbene i pulsanti sulla con-
solle non funzioneranno. Se appare una “d” nel di-
splay Calorie/Watts/Polso quando il modo informa-
zione è selezionato, premere il pulsante Velocità
▼▼
così il display Calorie/Watts/Polso si spegne.
Per uscire dal modo informazione, rimuovere la chiave
dalla consolle.
I FACOLTATIVI PESI A MANO
Facoltativi pesi a mano vi
permettono di includere
esercizi alla parte superiore
del corpo nei vostri allena-
menti. I pesi a mano si
adattono in comodi porta
pesi sulla consolle. Per ac-
quistare i facoltativi pesi
a mano, chiamare il no-
stro Servizio Assistenza
Clienti (vedere il retro copertina di questo ma-
nuale).
IL FACOLTATIVO SENSORE PULSAZIONI A
TORACE
Un facoltativo sensore pulsazioni a torace agggiungerà
persino piú caratteristiche alla consolle. Il sensore pul-
sazioni a torace offre un'operazione a mani libere e re-
gistra continuamente il vostro battito cardiaco durante
l'allenamento. Per acquistare il facoltativo sensore
pulsazioni a torace, chiamre il nostro Servizio
Assistenza Clienti (vedere il retro copertina di que-
sto manuale.)
10
9
8

19
COME PIEGARE E MUOVERE IL TREADMILL
COME PIEGARE IL TREADMILL PER L'IMMAGAZZINAGGIO
Prima di piegare il treadmill, regolare l’inclinazione al li-
vello più basso. Se questo non viene fatto, il treadmill può
essere danneggiato permanentemente. Dopo, staccare la
spina della corrente. ATTENZIONE: Per sollevare, abbas-
sare o spostare il treadmill, bisognerà essere in grado di
sollevare 20 kg senza problemi.
1. Tenere il treadmill come mostrato. ATTENZIONE: Per di-
minuire la possibilità di lesioni, piegare le gambe e te-
nere la schiena diritta. Mentre si solleva il treadmill,
fare forza sulle gambe e non sulla schiena. Sollevare il
treadmill a metà della sua posizione verticale.
2. Muovere la mano destra nella posizione raffigurata, e te-
nere il treadmill fermamente. Usando la vostra mano sini-
stra, tirare la manopola della chiusura a scatto verso sini-
stra e tenerla. Sollevare il treadmill fino a che il perno di
bloccaggio sia allineato con il foro nel Chiusura. Inserire il
perno di bloccaggio nel Chiusura. Assicurarsi che il
perno della chiusura a scatto sia completamente inse-
rito nella chiusura.
Per proteggere la zona sottostante il treadmill, mettere
un nastro scorrevole tra il pavimento ed il treadmill.
Tenere il treadmill lontano dalla luce diretta del sole.
Non lasciare il treadmill in posizione d’immagazzinaggio
dove la temperatura supera i 30°C.
COME MUOVERE IL TREADMILL
Prima di muovere il treadmill, convertirlo nella posizione d’im-
magazzinaggio seguendo le istruzioni soprastante.
Assicurarsi che il perno della chiusura a scatto sia com-
pletamente inserito nella chiusura.
1. Tenere il treadmill come mostrato e mettere un piede
contro una ruota.
2. Inclinare il treadmill indietro fino a quando scorre libera-
mente sulle ruote anteriori. Portarlo con attenzione nel luo-
go prescelto. Non muovere mai il treadmill senza prima
inclinarlo all'indietro. Per ridurre il rischio di lesioni,
fare estrema attenzione nel muovere il treadmill. Non
cercare di muoverlo sopra una superficie non piana.
3. Collocare un piede sulla base e abbassare il treadmill fino a che poggi nella posizione d'immagazzinaggio.
COME ABBASSARE IL TREADMILL PER L’USO
1. Riferirsi al disegno 2 sovrastante. Tenere l'estremità superiore del treadmill con la vostra mano destra come mo-
strato. Usando la vostra mano sinistra, tirare la manopola della chiusura a scatto verso sinistra e tenerla.
Abbassare il treadmill fino a che il telaio passi il perno. Rilasciare lentamente la manopola della chiusura a
scatto.
2. Riferirsi al disegno 1. Tenere il treadmill fermamente con entrambe le mani, ed abbassare il treadmill sul pavi-
Base
Ruote Anteriori
1
Manopola
Chiusura
a Scatto
Perno
Chiusura
Chiusa
Aperta
2

20
MANUTENZIONE E GUASTI
La maggior parte dei problemi possono essere risolti leggendo le seguenti istruzioni. Per ulteriori infor-
mazioni rivolgersi al Servizio Assistenza Clienti al NUMERO VERDE 800-865114 tutti i pomeriggi dalle
15:00 alle 18:00.
1. SINTOMO: La macchina non si accende
a. Accertarsi che il cavo di alimentazione sia inserito nel salvacondotto e che quest’ultimo sia inserto in una
presa con massa a terra. (Vedere INSERIMENTO DELLA SPINA DELLA CORRENTE a pagina 8 di questo
manuale.) Se avete bisogno di una prolunga, usate solo un cavo a 3 conduttori (3 x 1mm2) che non superi
1,5 m di lunghezza. Importante: Il treadmill non é compatibile con prese elettriche equipaggiate GFCI.
b. Accertarsi che la chiave sia completamente inserita nella consolle.
c. Controllare l’interruttore situato sulla parte anteriore del telaio
vicino alla corda della corrente. L’interruttore è stato realiz-
zato per proteggere il sistema elettrico. Se è disattivato, l’in-
terruttore sporge come mostra la figura. Per riattivarlo, aspet-
tare per cinque minuti, quindi ripremere il tasto.
d. Controllare l'interruttore on/off situato sul treadmill vicino il
cavo della corrente. L'interruttore deve essere nella posizione
on.
2. SINTOMO: La macchina si spegne durante l’uso
a. Controllare l’interruttore situato sulla parte anteriore del telaio vicino alla corda della corrente (vedere 1 c.).
Se è disattivato, aspettare per cinque minuti e quindi ripremere il tasto.
b. Assicurarsi che la spina della corrente sia ben inserita nella presa.
c. Rimuovere la chiave dalla consolle. Reinserirla completamente nella consolle.
d. Controllare che l'interruttore on/off sia nella posizione on.
3. SINTOMO: I display della consolle non funzione correttamente
a. Rimuovere la chiave della consolle e STACCARE LA SPINA.
Rimuovere le viti dalla calotta. Facendo attenzione rimuovere la
calotta. Collocare il Filo Interruttore (21) ed il Magnete (43) sul
lato sinistro della Puleggia (42). Girare la Puleggia sino a che il
Magnete sia allineato con il Filo Interruttore. Controllare che la
distanza fra il Magnete ed il Filo Interruttore sia di circa
3 mm. Se necessario, allentare la Vite (76) e muovere legger-
mente il Filo Interruttore. Stringere la Vite. Riattaccare la calotta,
e far funzionare il treadmill per pochi minuti per una lettura cor-
retta della velocità.
Tri
pp
ed Reset
Disattivato
c
Attivato
Posizione
On
d
43
21
76
3mm 42
Vista
dall’alto
a

21
4. SINTOMO: Il nastro scorrevole rallenta durante l’esercizio
a. Se avete bisogno di una prolunga, usate solo un cavo a 3 conduttori (3 x 1mm2) che non superi 1,5 m di lun-
ghezza.
b. Se il nastro scorrevole è troppo teso, potrebbe diminuire l’esecu-
zione del treadmill ed il nastro scorrevole potrebbe venire dan-
neggiato permanentemente. Rimuovere la chiave e STACCARE
LA SPINA. Facendo uso della chiave di allen, girare i due bul-
loni regolazione rullo posteriore di un quarto di giro, in senso an-
tiorario. Quando il nastro scorrevole è teso appropriatamente,
sarà possibile sollevare entrambi suoi lati di circa 5 a 7 cm dalla
piattaforma. È importante mantenere il nastro scorrevole cen-
trato. Infilare la spina della corrente, inserire la chiave e azio-
nare il treadmill per alcuni minuti. Ripetere l’operazione fino a
quando il nastro scorrevole ha raggiunto la giusta tensione.
5. SINTOMO: Il nastro scorrevole non è centrato
a. Se il nastro scorrevole si è spostato sul lato sinistro, per
primo rimuovere la chiave e STACCARE LA SPINA. Usando la
chiave di allen, girare il bullone regolazione rullo posteriore sini-
stro in senso orario, ed il bullone destro in senso antiorario, 1/4 di
giro ciascuno. Fare attenzione a non stringere troppo il nastro
scorrevole. Attaccare la spina, inserire la chiave e far funzionare il
treadmill per pochi minuti. Ripetere finché il nastro scorrevole è
centrato.
b. Se il nastro scorrevole si è spostato sul lato destro, per primo
rimuovere la chiave e STACCARE LA SPINA. Usando la chiave
di allen, girare il bullone regolazione rullo posteriore sinistro in
senso antiorario, ed il bullone destro in senso orario, 1/4 di giro
ciascuno. Fare attenzione a non stringere troppo il nastro scorre-
vole. Attaccare la spina, inserire la chiave e far funzionare il tread-
mill per pochi minuti. Ripetere finché il nastro scorrevole è cen-
trato.
6. SINTOMO: SE IL NASTRO SCORREVOLE SCIVOLA QUANDO VI SI CAMMINA SOPRA
a. Se il nastro scorrevole scivola quando vi si cammina sopra, per
primo rimuovere la chiave e STACCARE LA SPINA. Usando la
chiave di allen, girare entrambi i bulloni regolazione rullo poste-
riore in senso orario, 1/4 di giro. Quando il nastro scorrevole è
stretto correttamente, voi dovreste poter sollevare ogni lato del na-
stro scorrevole da 5 a 7 cm dalla piattaforma. Fare attenzione a
tenere il nastro scorrevole centrato. Attaccare la spina, inserire la
chiave e far funzionare il treadmill per pochi minuti. Ripetere fin-
ché il nastro scorrevole è strato correttamente.
7. SINTOMO: Se l’inclinazione del treadmilll non cambia nel modo corretto o se non cambia quando si
usano i CD o Video
a. Con la chiave inserita nella consolle, premere uno dei pulsanti INCLINAZIONE. Mentre l'inclinazione sta
cambiando, rimuovere la chiave. Dopo pochi secondi, rinserire la chiave. Il treadmill andrà automatica-
mente al livello di inclinazione massima e poi ritornerà al livello più basso. In questo modo l’inclinazione
sarà equilibrata.
Bulloni Regolazione Rullo Posteriore
5–7 cm
b
b
a
a

22
CONSIGLI PER L’ALLENAMENTO
Le seguenti linee di condotta aiuteranno a stabilire un pro-
gramma d’allenamento adeguato ai propri bisogni. Per otte-
nere informazioni più dettagliate riguardo gli esercizi, fare ri-
ferimento a qualche libro specializzato in materia o consul-
tare il proprio medico.
INTENSITÀ DELL’ESERCIZIO
Sia che la vostra meta è quella di dimagrire o rafforzare il si-
stema cardiovascolare, la chiave per raggiungere tali risul-
tati è allenarsi alla giusta intensità. Il giusto livello d’intensità
potrà essere determinato usando il battito cardiaco come
guida. La tabella sottostante mostra la frequenza cardiaca
raccomandata per il dimagrimento e l’esercizio aerobico.
Per determinare la vostra frequenza cardiaca ideale, in-
nanzi tutto cercate la vostra età nella parte inferiore della ta-
bella (arrotondare l’età al decennio più vicino). Dopo di che,
localizzate i numeri sopra la vostra età. I tre numeri rappre-
sentano la vostra “training zone” (zona d’allenamento). Il
numero più basso è la frequenza cardiaca raccomandata
per bruciare le calorie derivanti dai grassi, il numero medio
è la frequenza cardiaca raccomandata per esercizi aerobici,
ed il numero più alto è per condizioni avanzate.
Dimagrimento—Per bruciare i grassi in modo efficace, bi-
sognerà allenarsi ad un livello d’intensità relativamente
basso per un lungo periodo di tempo. Durante i primi minuti
dell’allenamento, il corpo utilizza le calorie derivanti dai car-
boidrati le quali sono di facile accessibilità. É solo dopo i
primi minuti, che il corpo incomincia ad utilizzare le calorie
derivanti dalle scorte di grasso per ottenere l’energia neces-
saria. Se la vostra meta è il dimagrimento, regolate la velo-
cità e l’inclinazione del treadmill fino a quando la vostra fre-
quenza cardiaca è vicino il numero più basso nel vostro trai-
ning zone.
Esercizio Aerobico—Se la meta è quella di rafforzare il si-
stema cardiovascolare, l’allenamento deve essere “aero-
bico.” Un allenamento aerobico richiede un notevole am-
montare di ossigeno per un prolungato periodo di tempo.
Così facendo aumenta la richiesta per il cuore di pompare
più sangue ai muscoli, e per i polmoni di ossigenare il san-
gue. Per un’allenamento aerobico, regolate la velocità o l’in-
clinazione del treadmill fino a quando la vostra frequenza
cardiaca raggiunge il numero più alto del vostro training
zone.
COME ALLENARSI
Ciascun allenamento dovrebbe includere tre parti:
Riscaldamento—Incominciare ogni allenamento facendo
degli esercizi di riscaldamento per 5 o 10 minuti.
Incominciare con degli allungamenti lenti e controllati, e pro-
gredire ad un livello più ritmico in modo da aumentare la
temperatura corporea, la frequenza cardiaca e la circola-
zione sanguinea in preparazione per un allenamento.
Allenamento nel training Zone—Dopo il riscaldamento,
aumentare l’intensità dell’esercizio fino a quando il battito
cardiaco raggiunge il training zone predeterminato, mante-
nere questo livello per 20 o 60 minuti. (Durante le prime set-
timane del programma d’allenamento, non rimanere nel trai-
ning zone per più di 20 minuti.) Respirare regolarmente e
profondamente mai trattenere il fiato.
Raffreddamento—Finire ogni allenamento con 5 o 10 mi-
nuti di stretching per raffreddarsi. Così facendo aumenterà
la flessibilità dei muscoli e aiuterà a prevenire dolori tipici
del dopo allenamento.
FREQUENZA DELL’ALLENAMENTO
Per mantenere o migliorare la propria condizione fisica,
completare tre allenamenti ogni settimana, alternando i
giorni. Dopo alcuni mesi, si potrà allenarsi fino a cinque
volte alla settimana, se desiderato. La chiave del successo
consiste nel fare del vostro allenamento una parte rego-
lare e piacevole della vostra vita quotidiana.
AVVERTENZA: Consultare il
medico prima di iniziare qualsiasi tipo di eser-
cizio fisico. Questo è importante specialmente
per persone oltre i 35 anni o persone con pro-
blemi fisici già esistenti.
Il sensore pulsazioni a torace non è un attrezzo
medico. L’accuratezza della lettura della fre-
quenza cardiaca potrebbe essere influenzata
da diversi fattori come ad esempio il movi-
mento durante l’esercizio. Il sensore è inteso
solo e strettamente come un aiuto per determi-
nare la frequenza cardiaca in generale.

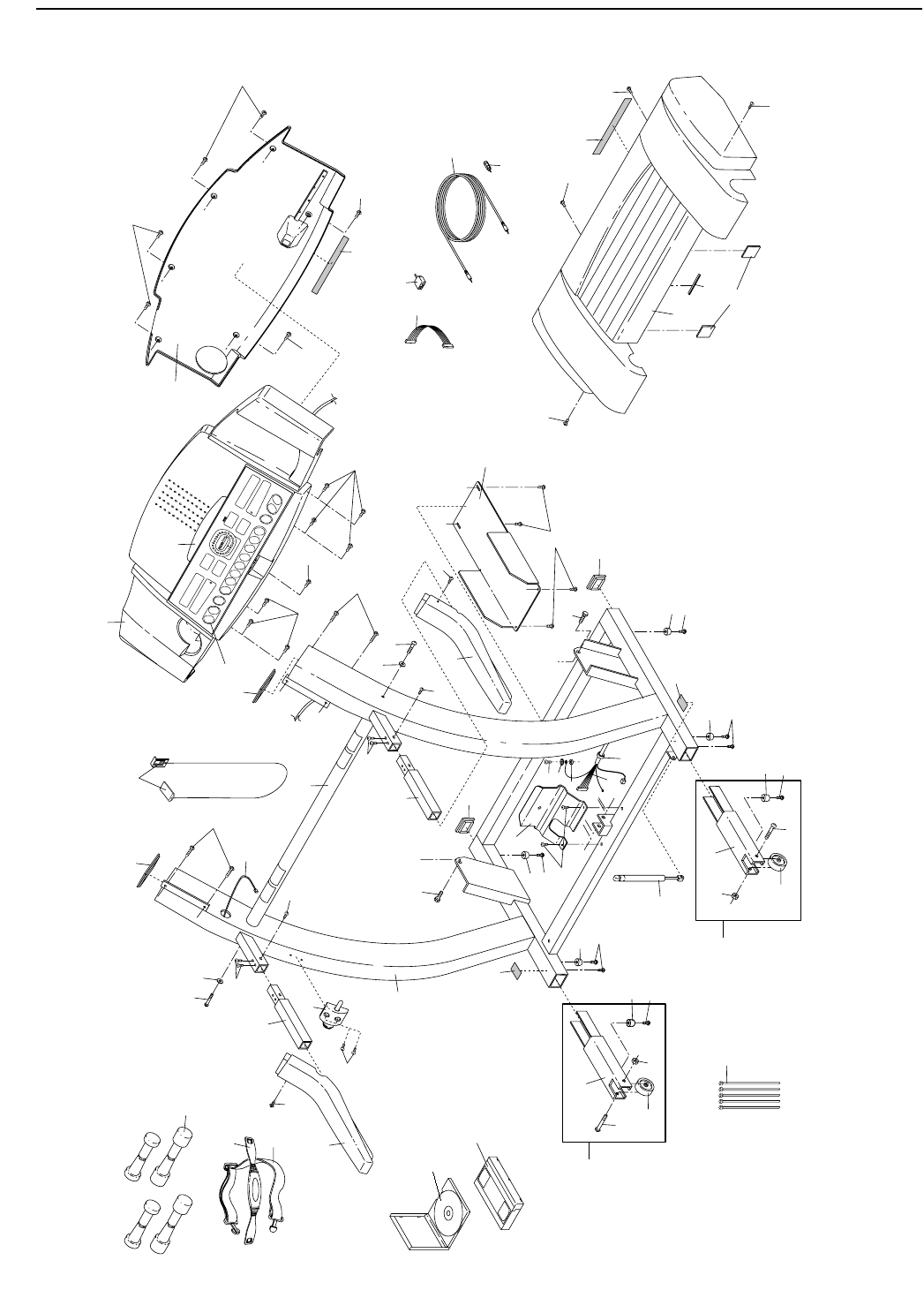
LISTA DELLE PARTI—Modello Nº. PETL62010 R0601A
Nº. Qtà. Descrizione
1 1 Cinghia Motore
2 1 Puleggia/Volano/Ventola
3 4 Dado Motore
4* 1 Motore/Puleggia/
Volano/Ventola
5 1 Bullone Motore
Inclinazione
6 2 Spaziatore Motore
d’Inclinazione Plastico
7 1 Motore Inclinazione
8 1 Sostegno Arresto
9 1 Dado Piccolo
10 1 Rondella a Stella
11 1 Chiusura a Scatto
12 1 Telaio
13 1 Bullone Interruttore Ottico
14 2 Sostegno Interfaccia
15 8 Dado Motore Inclinazione
16 6 Vite Calotta
17 2 Spaziatore in Plastica
18 1 Sostegno Calotta (corto)
19 1 Sostegno Calotta (lungo)
20 2 Adesivo D’Avvertenza
21 1 Filo Interruttore
22 1 Morsetto del Filo
Interruttore
23 1 Motore/Filo Regolatore
24 1 Regolatore
25 1 Sostegno Sistema
Elettronico
26 1 Circuito Interruttore
27 1 Ricettacolo
28 2 Montaggio Gamba
Estensione
29 1 Interruttore On/Off
30 1 Sostegno Presa
31 1 Gamba Inclinazione
32 2 Bullone Perno Telaio
33 2 Spaziatore Perno Telaio
34 1 Filo Bardatura Telaio
35 1 Bullone Regolazione
Rullo Anteriore
36 3 Rondelle Regolazione
di Rullo
37 3 Dado Tensione
Motore/Dado Rullo
Anteriore
38 4 Bullone Motore
39 2 Vite Cappuccio
40 1 Cappuccio Poggia
Piedi Sinistro
41 2 Poggia Piedi
42 1 Rullo Anteriore/Puleggia
43 1 Magnete
44 2 Vite (Centrale) Piattaforma
45 2 Isolatore
46 8 Vite Isolatore
47 15 Chiusura Plastica
48 1 Schermo
49 1 Guida Cinghia
50 1 Poggia Libro
51 1 Cassetta Bombata
Anteriore
52 1 Trasformatore Corrente
53 2 Morsetto Filo con Fermo
54 4 Filo con Fermo
55 1 Nastro Scorrevole
56 1 Perno Manopola
57 1 Rullo Posteriore
58 1 Spaziatore Cassetta
Bombata
59 2 Piedino Posteriore
60 1 Vite Piedino Posteriore
61 1 Filo Massa a Terra
62 8 Vite Filo Massa a Terra
63 1 Cassetta Bombata
64 1 Cappuccio Posteriore
65 2 Bullone Regolazione
Rullo Posteriore
66 1 Motore
67 1 Adesivo Chiusura
68 4 Vite Piattaforma Posteriore
69 4 Vite Sistema Elettronico
70 1 Chiusura
71 1 Piattaforma
72 5 Filo con Fermo da 8”
73 1 Presa
74 1 Bullone Tensione Motore
75 2 Inserto Poggia Piede
76 5 Vite
77 1 Consolle
78 1 Piastra Isolatore Motore
79 4 Vite Lungo
80 1 Filo da 10’ iFIT.com
81 4 Bronzina Motore
82 1 Montante
83 2 Bullone Perno
Gamba Inclinazione
84 2 Vite Calotta Laterale
85 2 Estensione Corrimano
86 2 Bullone Ruota
87 1 Base della Consolle
88 1 Rondelle Tensione Motore
89 12 Consolle/Vite Chiusura
90 1 Chiave/Fermaglio
91 1 Piastra Motore
Inclinazione
92 1 Cappuccio Poggia Piedi
Destro
93 1 Bronzina Tensione
Motore
94 1 Calotta Motore
95 2 Ruota Anteriore
96 1 Schermo Motore
Inclinazione
97 2 Cuscinetto della
Base
98 1 Filo Audio da 12”
99 2 Anello Metallico Montante
100 1 Chiave di Allen
101 23 Vite Corta
102 2 Europeo Cavo Elettrico
103 2 Gamba Estensione
104 2 Cappuccio Gamba
Estensione
105 1 Ammortizzatore
106 1 Bobina
107 2 Bullone Barra Sensore
108 2 Rondelle Barra Sensore
109 1 Barra Sensore
110 1 Impugnatura Sinistra
111 1 Impugnatura Destra
112 1 Dado Filo Audio
113 4 Cuscinetto Grosso della
Base
114** 1 Sensore Pulsazioni a
Cinghia del Torace
115** 1 Sensore Pulsazioni a
Torace
116 1 Fondo Base Consolle
117 2 Cappuccio Montante
118 1 Manicotto Motore
119 8 Vite Sostegno Calotta/
Vite Schermo Inclinazione
120 1 Spaziatore Piedino
Posteriore
121** 1 Pesi a Mano
122 1 Bullone Motore
Inclinazione Lungo
123 2 Avvertenza Elettricità
Statica
124 1 Filo Pulsazioni Mano
125 1 Motore/Sostegno Bobina
126 1 Filtro
127 1 Protezione Cornice
128** 1 CD delle iFIT.com
129** 1 Video delle iFIT.com
# 1 Filo Bianco da 8”, 2
Femmine
# 1 Filo Bianco da 10”, 2
Femmine
# 1 Filo Bianco da 14”, 2
Femmine
# 1 Filo Nero da 4”, 2
Femmine
# 1 Filo Nero da 8”,
Maschio/Femmine
# 1 Filo Blu da 4”, 2 Femmine
# 1 Filo Blu da 8”, 2 Femmine
# 1 Filo Blu da 10”, 2
Femmine
# 1 Filo Blu da 14”, 2
Femmine
# 1 Filo Verde da 6”, F/Anello
# 1 Filo Verde da 7”, M/Anello
# 1 Filo Verde da 8”, F/Anello
# 1 Filo Verde da 8”, 2 Anello
# 1 Gruppo Fili da 25”
# 1 Manuale d’Istruzioni
* Include tutte le parti raffigurate nella
scatola
** Per ulteriori informazioni riguardo i pesi
a mano facoltativi o il sensore pulsa-
zioni a torace, vedere a pagina 18
# Indica una parte non illustrata 23

Parte Nº. 173627 R0601A Stampato negli USA © 2001 ICON Health & Fitness, Inc.
COME ORDINARE PARTI DI RICAMBIO
Per ordinare parti di ricambio, chiamare il nostro Servizio Assistenza Clienti al NUMERO VERDE 800-865114
Fax: 0755271829 tutti i pomeriggi dalle 15:00 alle 18:00. Fare riferimento ai seguenti dati:
• Il NUMERO DEL MODELLO del prodotto (PETL62010)
• Il NOME del prodotto (PROFORM®620 treadmill)
• Il NUMERO DI SERIE del prodotto (vedere la copertina di questo manuale)
• Il NUMERO DEL DIAGRAMMA e la DESCRIZIONE della parte/i (vedere la DIAGRAMMA DELLE PARTI al
centro di questo manuale e la LISTA DELLE PARTI a pagina 23).
GARANZIA DELLA ICON HEALTH & FITNESS ITALIA s.r.l.
La ICON HEALTH & FITNESS ITALIA s.r.l. garantisce questo articolo privo di difetti nel materiale e nella fab-
bricazione.
La garanzia sul prodotto è valida a condizione che:
• il prodotto rimanga in possesso del compratore originario;
• il prodotto venga usato privatamente;
• il prodotto non abbia subito danni dovuti ad incidenti e/o ad un uso improprio, manomissioni e/o manuten-
zione e/o modifiche da parte di personale non autorizzato dalla ICON HEALTH & FITNESS ITALIA s.r.l.
La durata della garanzia è:
• di 12 mesi dalla data di acquisto originaria comprovata dalla copia dello scontrino fiscale, per le parti strut-
turali.
• di 3 mesi per le parti mobili (cavi, puleggie, ecc.) ed elettriche.
Nell’eventualità di difetto nel materiale o nella fabbricazione, la ICON HEALTH & FITNESS ITALIA s.r.l. prov-
vederà, a sua scelta, alla riparazione od alla sostituzione. Tutte le relative spese saranno a carico della
ICON HEALTH & FITNESS ITALIA s.r.l. Sono a carico dell’acquirente le spese di spedizione che dovranno
esser prepagate. Inoltre, il prodotto dovrà essere adeguatamente imballato in modo da evitare danni allo
stesso nel corso del trasporto, danni che non verranno riconosciuti dall’Azienda.
LA PROCEDURA
Il certificato di garanzia, corredato dalla copia dello scontrino fiscale, dovrà essere spedito alla ICON
HEALTH & FITNESS ITALIA s.r.l., Via S. Penna, 2—06132 S. ANDREA DELLE FRATTE PERUGIA entro
venti (20) giorni dalla data di acquisto.
Qualora doveste scoprire un difetto nel materiale o nella fabbricazione durante il periodo di garanzia, dovrete
contattare la ICON HEALTH & FITNESS ITALIA s.r.l. al Numero verde 800-865114 lamentando il difetto sco-
perto.
Gli addetti del Servizio Assistenza Clienti provvederanno ad inviarvi parti di ricambio o illustrarvi le procedure
per la riparazione o sostituzione del prodotto.
PROFORM e una marchio della ICON Health & Fitness, Inc.

62
17
52
106
16
16
49
24
89 70
100
99
8
7
15 122
6
41
29
69
30
62
26
125
119
15
19
119
5
15
35
36
32
33
15
31
38
39
15
15
76 18
119
22
21
3
1
3
4*
2
39
40
92
33
43
42
32
68
44
45
46
41
71
55
68
44
101
101
47
45
46
47
47 62
53
54
59
60
62
61
64
65
101
59 47
63
57
67
51
66
36
65
36
68
68
12
75 75
37
74
37
81
98
93
88
101
101
120
37
25
69
48
58
27
62
126
78
118
102
112
DIAGRAMMA DELLE PARTI—Modello Nº. PETL62010 R0601A

86
15
86
15
103
110
85
101
101
95
103
95
28*
28* 104
104
113
101
113
101
11
111
85
101
101
101
101
83
89
108
107
109
87
77
89
89
46
46
116
50
117
117
89
20
127
Kirk Niebergall
PRODUCT LIT. GROUP
119
113
101
96
113
101
83
82
84
16
84
94
101
91
99
13
72
76
105
76
16
34
56
23
80
73
20
108 107
46
46
90
121**
79
79
124
123
123
97
97
115**
114**
14
10
9
128**
114**
129**
DIAGRAMMA DELLE PARTI—Modello Nº. PETL62010 R0601A