Proform Pfevel19010 465S Elliptical Users Manual
Proform-Pfevel19010-Owner-S-Manual proform-pfevel19010-owner-s-manual
2015-04-14
: Proform Proform-Pfevel19010-465S-Elliptical-Users-Manual-700269 proform-pfevel19010-465s-elliptical-users-manual-700269 proform pdf
Open the PDF directly: View PDF
.
Page Count: 16

GEBRUIKSAANWIJZING
Modelnr. PFEVEL19010
Serienr.
Sticker met
Serienummer
www.iconeurope.com
Bezoek onze website
VRAGEN?
Als fabrikant zijn wij gesteld op
uw volledige tevredenheid.
Mocht u nog vragen hebben,
mochten sommige onderdelen
ontbreken of beschadigd zijn
neem dan contact op met de
winkel waar u dit product hebt
gekocht.
WAARSCHUWING
Lees alle instructies en voor-
zorgsmaatregelen in deze hand-
leiding door voordat u dit appa-
raat gaat gebruiken. Bewaar deze
handleiding voor verdere raad-
pleging.

2
INHOUD
BELANGRIJKE VOORZORGSMAATREGELEN . . . . . . . . . . . . . . . . . . . . . . . . . . . . . . . . . . . . . . . . . . . . . . . .3
VOORDAT U BEGINT . . . . . . . . . . . . . . . . . . . . . . . . . . . . . . . . . . . . . . . . . . . . . . . . . . . . . . . . . . . . . . . . . . .4
MONTAGE . . . . . . . . . . . . . . . . . . . . . . . . . . . . . . . . . . . . . . . . . . . . . . . . . . . . . . . . . . . . . . . . . . . . . . . . . . . .5
HOE DE ELLIPTISCHE TRAINER TE GEBRUIKEN . . . . . . . . . . . . . . . . . . . . . . . . . . . . . . . . . . . . . . . . . . . . .9
ONDERHOUD EN OPLOSSEN VAN PROBLEMEN . . . . . . . . . . . . . . . . . . . . . . . . . . . . . . . . . . . . . . . . . . . .11
RICHTLIJNEN VOOR UW CONDITIE . . . . . . . . . . . . . . . . . . . . . . . . . . . . . . . . . . . . . . . . . . . . . . . . . . . . . .12
LIJST MET ONDERDELEN . . . . . . . . . . . . . . . . . . . . . . . . . . . . . . . . . . . . . . . . . . . . . . . . . . . . . . . . . . . . . .14
GEDETAILLEERDE TEKENING . . . . . . . . . . . . . . . . . . . . . . . . . . . . . . . . . . . . . . . . . . . . . . . . . . . . . . . . . . .15
HET BESTELLEN VAN ONDERDELEN . . . . . . . . . . . . . . . . . . . . . . . . . . . . . . . . . . . . . . . . .LAATSTE PAGINA
PROFORM is een merk van ICON Health & Fitness, Inc.

3
1. Lees alle instructies van deze handleiding
door voordat u de elliptische trainer gaat
gebruiken. Gebruik de elliptische trainer
alleen zoals beschreven in deze handleiding.
2. De eigenaar moet zich te ervan vergewissen
dat allen die gebruik maken van de ellipti-
sche crosstrainer voldoende op de hoogte
zijn van alle voorzorgsmaatregelen.
3. Deze elliptische crosstrainer is alleen voor
huiselijk gebruik bedoeld. Gebruik de
crosstrainer niet commercieel of voor ver-
huur.
4. Plaats de elliptische crosstrainer op een
vlakke ondergrond met een matje onder de
elliptische crosstrainer om uw vloer (bedek-
king) te beschermen. Gebruik de elliptische
crosstrainer uitsluitend binnenshuis en uit
de buurt van vocht en stof.
5. Inspecteer regelmatig alle onderdelen van
de elliptische crosstrainer en draai ze dan
goed vast. Vervang versleten onderdelen
meteen.
6. Houdt te allen tijde kinderen jonger dan 12
en huisdieren bij de elliptische crosstrainer
vandaan.
7. De elliptische crosstrainer kan alleen door
mensen die minder dan 115 kg wegen wor-
den gebruikt.
8. Draag geschikte kleding wanneer u de ellip-
tische crosstrainer gebruikt. Draag altijd
sportschoenen.
9. Houdt u altijd aan de handgrepen vast wan-
neer u de elliptische trainer opstapt of
afstapt en gebruik altijd het laagste pedaal
van de elliptische trainer om op of af te
stappen.
10. Laat telkens als u stopt met oefenen de
pedalen langzaam tot stilstand komen voor-
dat u afstapt.
11. Houdt tijdens het gebruik van de elliptische
crosstrainer uw rug recht. Krom uw rug niet.
12. Stop meteen en begin geleidelijk af te koe-
len wanneer u pijn voelt of duizelig wordt.
BELANGRIJKE VOORZORGSMAATREGELEN
WAARSCHUWING: Lees de volgende belangrijke voorzorgsmaatregelen door
voordat u de elliptische crosstrainer gaat gebruiken om persoonlijk letsel te voorkomen.
WAARSCHUWING: Raadpleeg uw huisarts voordat u met dit of enig ander
oefenprogramma begint. Dit is bijzonder belangrijk voor mensen ouder dan 35 of mensen met
gezondheidsproblemen. Lees alle instructies voor gebruik door. ICON is niet aansprakelijk voor
persoonlijk letsel of schade door het gebruik van dit product.

4
VOORDAT U BEGINT
Fijn dat u voor de nieuwe PROFORM®465S ellipti-
sche trainer gekozen hebt. De 465S is een ongelofe-
lijk soepel apparaat met een natuurlijke elliptische
beweging die uw knie- en enkelgewrichten zo min
mogelijk belast. De te regelen instelling van de weer-
stand, de beweegbare armhendels en de vele instel-
lingsmogelijkheden van het bedieningspaneel van de
unieke 465S dragen in belangrijke mate bij aan het
behalen van het hoogst mogelijke rendement uit uw
oefeningen. Welkom in een hele nieuwe oefenwereld
met de natuurlijke elliptische beweging van PRO-
FORM.
Lees voor uw eigen welzijn deze handleiding zorg-
vuldig door voordat u de elliptische crosstrainer
gebruikt. Mocht u nog vragen hebben, neem dan
contact op met de winkel waar u dit product hebt
gekocht. Om u beter van dienst te kunnen zijn, zorg
ervoor dat u het model- en serienummer bij de hand
hebt voordat u belt. Het modelnummer van de ellipti-
sche crosstrainer is PFEVEL19010. Het serienummer
bevindt zich op een sticker op de elliptische crosstrai-
ner (zie kaft van deze handleiding).
Voordat uw verder gaat met lezen, bekijk a.u.b. de
volgende tekening aandachtig om bekend te raken
met de verschillende onderdelen.
Weerstandsknop
Bedieningspaneel
VOORKANT
ACHTERKANT
LINKERKANT
Arm van het Pedaal
Wiel
Pedaalschijf
Pedaal
Staander
Zijschild
Armhendel

5
Gebruik de hieronder getoonde tekeningen om tijdens de montage van de elliptische trainer de kleine onderde-
len te herkennen. Het getal tussen haakjes onder iedere tekening is het nummer van het onderdeel (van LIJST
MET ONDERDELEN op pagina 14). Het tweede getal geeft het aantal te monteren onderdelen aan. Opgelet:
Sommige kleine onderdelen zijn al gemonteerd om de verzending te vergemakkelijken. Wanneer u een
onderdeel niet in de zak met onderdelen kunt vinden, bekijk dan het apparaat om te zien of het al gemon-
teerd is.
M10 x 74mm Bout met
Ronde Kop (67)–2
M8 x 45mm Bout (50)–4
M4 x 12mm
Schroef (42)–4
M8 Nylon
Klemmoer (38)–6 M10 Nylon
Klemmoer (33)–6 M10 Veerringen
(59)–2 M8,5
Tussenring (35)–2 M10,5
Tussenring (55)–2
M8 x 25mm Schroef
met Ronde Kop
M10 x 75mm Draagbout (34)–4
M4 x 19mm Schroeven
van een Flens voorzien
Bout voor de Arm van
het Pedaal (40)–2
MONTAGE
De montage van deze elliptische crosstrainer moet door twee mensen gebeuren. Plaats de elliptische
crosstrainer op een open plek en verwijder de verpakking. Gooi de verpakking pas weg wanneer u de elliptische
crosstrainer volledig gemonteerd heeft.
U zult de meegeleverde imbussleutel, uw eigen kruiskop schroevendraaier , twee engelse sleu-
tels , een rubber hamer en een knijptang nodig hebben.
1. Zoek naar de Voorste Stabilisator (10). Maak terwijl
de tweede persoon de voorkant van het Onderstel
(1) wat optilt de Voorste Stabilisator aan het
Onderstel vast met twee M10 x 75mm Draagbouten
(34) en twee M10 Nylon Klemmoeren (33). Zorg
ervoor dat de Voorste Stabilisator zodanig
gedraaid wordt dat de Wielen (22) de grond niet
raken.
1
1
10
22
22
33
34

6
2. Maak terwijl de tweede persoon de achterkant van
het Onderstel (1) wat optilt de Achterste Stabilisator
(9) aan het Onderstel vast met twee M10 x 75mm
Draagbouten (34) en twee M10 Nylon Klemmoeren
(33). 33
1
2
34
9
33
3. Sluit de Bovenste Draad (44) aan op de Draad van
de Snelheidssensor (53) terwijl de tweede persoon
de Staander (2) bij het Onderstel (1) vasthoudt.
Sluit vervolgens de Weerstandskabel (45) op de vol-
gende wijze aan op de Onderste Weerstandskabel
(65):
• Bekijk tekening A. Trek het metalen verbindings-
stuk omhoog en steek het uiteinde van de
Weerstandskabel (45) in de kabelklip van de
Onderste Weerstandskabel (65) zoals aangegeven.
• Bekijk tekening B. Trek stevig aan de
Weerstandskabel (45) en schuif die in het metalen
verbindingsstuk van de Onderste Weerstandskabel
(65) zoals aangegeven.
• Bekijk tekening C. Knijp met behulp van de knijp-
tang de tanden aan het bovenste uiteinde van het
metalen tussenstuk dicht.
Schuif de Staander (2) op het Onderstel (1). Zorg
ervoor dat de draden of kabels niet bekneld
raken. Maak de Staander vast met twee M10 x
74mm Bouten met Ronde Kopen (67), twee M10
Nylon Klemmoeren (33) en twee M10 Veerringen
(59). Draai de Bouten nog niet te vast aan.
65 65
45
Verbin-
dingsstuk
45
B
AC
65
45
4
42
44 45
Draad van het
Bedienings-
paneel
42
63
23
2
4. Sluit de Bovenste Draad (44) aan de Draad van het
Bedieningspaneel (23). Maak vervolgens het
Bedieningspaneel aan de Staander (2) vast met vier
M4 x 12mm Schroeven (42).
Druk de Weerstandsknop (63) op de Controlepin van
de Weerstand (45).
65
44
45
67
33
59
59
53
2
1
Zorg ervoor dat
de draden of
kabels niet
bekneld raken.
3

6. Smeer een kleine hoeveelheid van het meegeleverde
vet op de linker en rechter as van de Staander (2).
Zoek naar het Linker Handvat (6) (door een sticker
aangegeven). Schuif een Tussenstuk voor het
Onderstel (48), een Tussenstuk voor het Handvat
(47), het Linker Handvat en een Kap voor het
Handvat (46) op de linker as van de Staander (2)
zoals aangegeven. Schuif een M10,5 Tussenring (55)
op een M8 x 25mm Schroef met Ronde Kop (56) en
draai de Schroef met Ronde Kop in de as vast.
Maak het Rechter Handvat (8) op dezelfde manier
vast.
6
48
2
46
8
6
55
56
47
Vet
5. Zoek naar het Linker Handvat (6) (door een sticker
aangegeven). Steek het Linker Handvat in een van
de Armhendels (5). Zorg ervoor dat de Armhendel
zodanig gedraaid wordt dat de zeshoekige gaten
zich aan de getoonde zijde bevinden. Maak het
Linker Handvat vast aan een van de Armhendels met
twee M8 x 45mm Bouten (50) en twee M8 Nylon
Klemmoeren (38). Zorg ervoor dat de Nylon
Klemmoeren zich in de zeshoekige gaten bevin-
den. Draai de de Bouten nog niet te vast.
Maak het Rechter Handvat op dezelfde manier aan
de andere Armhendel vast (niet getoond).
5
6
50
38
7. Smeer een kleine hoeveelheid vet op de as van de
linker Stang van de Schijf (16). Schuif de Linker Arm
van het Pedaal (11) op de as en maak deze vast met
een M8,5 Tussenring (35) en een M8 Nylon
Klemmoer (38).
Steek de linker Armhendel (5) in de houder aan het
uiteinde van de Linker Arm van het Pedaal (11) en
maak deze vast met een Bout voor de Arm van het
Pedaal (40).
Herhaal deze procedure om de Rechter Arm van het
Pedaal (12) vast te maken.
Bekijk stap 5. Draai de M8 x 45mm Bouten (50) in de
Armhendels (5) vast.
Draai de twee M10 x 74mm Bouten met Ronde Kop
(67) vast.
7
55
11
35
38
67
40
40
Vet
16
5Zeshoekige
Gaten
7

8
10. Zorg ervoor dat alle onderdelen van de elliptische trainer goed worden vastgedraaid. Leg een matje
onder de elliptische trainer om uw vloer of vloerbedekking niet te beschadigen.
9. Voor het Bedieningspaneel (23) heeft u twee batterij-
en van 1,5 V nodig (niet inbegrepen). Wij bevelen
alkaline batterijen aan. Verwijder de Deksel (29) zoals
aangegeven. Plaats de batterijen in de batterijklip.
Zorg ervoor dat de negatieve polen (–) van de bat-
terijen de veren in de batterijklip aanraken. Maak
de Deksel weer vast.
929
23
Batterijklip
Batterijen
8. Zoek naar het Linker Pedaal (13). Het Linker Pedaal
heeft aan de rechterkant een opstaand randje. Maak
het Linker Pedaal aan de Linker Arm van het Pedaal
(11) vast met drie M4 x 19mm Schroeven van een
Flens voorzien (36) zoals aangegeven.
Maak het Rechter Pedaal aan de Rechter Arm van
het Pedaal (niet getoond) op dezelfde manier vast. 11
8
13
36

9
HOE DE ELLIPTISCHE TRAINER TE GEBRUIKEN
HOE OP DE ELLIPTISCHE TRAINER TE OEFENEN
Houdt u vast aan de handvaten en stap voorzichtig op
het laagste pedaal om de elliptische trainer te gebrui-
ken. Stap vervolgens op het andere pedaal. Duw op
de pedalen tot u een vloeiende beweging bereikt.
Opgelet: De pedaalschijven kunnen in beide rich-
tingen draaien. Aangeraden wordt de pedaalschij-
ven in de door de pijl aangegeven richting te
duwen. Duw de pedaalschijven in de tegenoverge-
stelde richting om variatie in uw oefening aan te
brengen.
Wacht tot de elliptische trainer helemaal is gestopt
voor u van de elliptische trainer afstapt. WAARSCHU-
WING: Met de elliptische trainer kan men niet free-
wheelen. De pedalen blijven ronddraaien totdat
het vliegwiel stopt. Wanneer de pedalen stilhouden,
stap dan eerst van het hoogste pedaal af. Stap ver-
volgens van het laagste pedaal.
HOE DE WEERSTAND VAN DE PEDALEN BIJ TE
STELLEN
U kunt tijdens
uw oefening de
weerstand van
de pedalen met
de weerstands-
knop op het
bedieningspa-
neel bijstellen.
Draai de weer-
standsknop met
de klok mee om
de weerstand te verhogen. Draai de knop tegen de
klok in om de weerstand te verminderen. Belangrijk:
Het kan zijn dat u de knop kunt blijven doordraai-
en wanneer de minimum of maximum weerstand
is bereikt. Wanneer het moeilijker wordt om de
knop door te draaien, draai dan niet verder door
om beschadiging te voorkomen.
BESCHRIJVING VAN HET BEDIENINGSPANEEL
Het moderne
bedieningspa-
neel is voorzien
van een hand-
matige instel-
ling en drie pro-
gramma’s om
het tempo te
prikkelen. Ieder
van deze pro-
gramma’s is
ontwikkeld om
u effectief te
laten oefenen door het tempo van uw oefening te
bepalen. Zes displays zullen tijdens uw oefening
voortdurend gegevens tonen. Het bedieningspaneel
heeft de volgende indicators:
Snelheid—Deze indicator geeft de snelheid in mijlen
of kilometers per uur aan.
Tijd—Deze indicator geeft de verbruikte tijd aan als u
de handmatige instelling kiest. Wanneer een van de
drie programma’s voor het tempo wordt gekozen zal
de display de resterende tijd aangeven.
Afstand—Deze indicator geeft de afstand in mijlen of
kilometers per uur aan.
Vet Calorieen (VET CALS) – Deze indicator geeft bij
benadering het aantal verbruikte vet calorieën aan
(zie Vetverbranding op pagina 12).
Calorieen (CALS)—Deze indicator geeft bij benade-
ring het aantal verbruikte calorieën aan.
Scan—Deze indicator geeft iedere 5 seconden de
Snelheid, Tijd, Afstand, Vet Calorieën, en Calorieën
aan.
HOE DE MIJLEN OF KILOMETER EENHEID TE
KIEZEN
Het bedieningspaneel geeft de snelheid en afstand in
kilometers aan wanneer de KPH letters op de display
te zien zijn. Het bedieningspaneel geeft de afstand en
snelheid in mijlen aan wanneer de KPH letters niet
verschijnen. Druk op de on/reset toets om van de ene
eenheid naar de andere over te schakelen. Houdt ver-
volgens de programma en indicator toetsen verschei-
dene seconden ingedrukt totdat de letters KPH ver-
schijnen of verdwijnen.
Pedaal
Pedaalschijf
Weerstandsknop

HOE DE PROGRAMMA’S VOOR HET TEMPO TE
GEBRUIKEN
Het bedieningspa-
neel biedt drie pro-
gramma’s om het
tempo te prikkelen.
Ieder programma
duurt 20 minuten.
Wanneer u een
programma voor
het tempo gebruikt
zullen er twee
kolommen verschijnen. De linker kolom geeft het te
bereiken tempo aan. De rechter kolom geeft uw wer-
kelijke tempo (snelheid) aan. Het te bereiken tempo
zal van tijd tot tijd tijdens uw oefening veranderen.
Verander gewoon uw oefen tempo (snelheid) als het te
bereiken tempo wijzigt om beide kolommen even hoog
te houden. Opgelet: Het te bereiken tempo is een
doel. Uw werkelijke snelheid kan tijdens de eerste
paar maanden van uw oefenprogramma wat lager
liggen. Zorg er gewoon voor dat u met een snel-
heid, die geriefelijk voor u is, oefent.
HET BEDIENINGSPANEEL STAP VOOR STAP
U moet eerst twee batterijen van 1,5 V installeren
voordat u het bedieningspaneel kunt gebruiken.
(Zie stap 9 op pagina 8).
Stroom inschakelen.
Druk op de on/reset toets of begin gewoon met uw
oefening om de stroom in te schakelen. Het gehe-
le bedieningspaneel zal gedurende twee seconden
oplichten. Het bedieningspaneel is dan gereed
voor gebruik. Aandacht: Als U de batterijen net
heeft geïnstalleerd is de stroom al ingeschakeld.
Kies een van de drie programma’s voor het
tempo of de handmatige instelling.
Om een van de
programma’s
voor het tempo
te kiezen druk
dan meerdere
keren op de
programma
toets. De pro-
gramma indica-
tor zal aange-
ven welk pro-
gramma u
gekozen heeft.
Om de handmatige instelling te kiezen druk dan
op de programma toets totdat de programma
indicator uitgaat. De programma’s worden in de
volgende orde gekozen: programma 1, program-
ma 2, programma 3, handmatige instelling.
Begin met uw oefening.
Ga verder met
stap 4 wanneer
u de handmati-
ge instelling
kiest. Wanneer
u een van de
drie program-
ma’s voor het
tempo kiest dan
zullen twee kolommen op de display verschijnen. In
de linker kolom verschijnt een balk die een betrek-
kelijk lage snelheid aangeeft. De rechter kolom
geeft uw werkelijke tempo aan. Verander uw snel-
heid totdat een balk in de rechter kolom verschijnt.
Iedere keer dat het te bereiken tempo tijdens het
programma verandert, verander dan ook uw snel-
heid om beide kolommen even hoog te houden.
Volg uw vordering op de indicators van het
bedieningspaneel.
De scan instel-
ling—Druk
meerdere keren
op de display
totdat een pijl
onder het word
“scan” ver-
schijnt. Deze
display geeft
iedere 5 seconden de snelheid, tijd, afstand, vet
calorieën, en calorieën aan.
De snelheid,
tijd, afstand,
vet calorieën of
calorieën
instelling—Druk
meerdere keren
op de display
toets om een
van deze instel-
lingen te kiezen totdat een pijl boven of onder de
gewenste instelling verschijnt. Zorg ervoor dat er
geen pijl onder het word “scan” verschijnt.
Druk op de on/reset toets om de display opnieuw
in te stellen (te resetten).
De stroom uitschakelen.
Wacht gewoon ongeveer zes minuten om de
stroom uit te schakelen. Het bedieningspaneel
zal automatisch uitgaan wanneer u zes minuten
de pedalen niet beweegt of niet op de toetsen
van het bedieningspaneel duwt.
5
4
3
2
1
Werkelijk
Program Indicator
Doel
Werkelijk
Doel
Pijlen voor
de displays
10

Bekijk de onderdelen van de elliptische trainer regel-
matig en draai ze goed vast. Vervang versleten
onderdelen meteen.
U kunt de elliptische trainer schoonmaken met een
zachte doek en een beetje niet agressief schoon-
maakmiddel. Gebruik nooit schuur- of oplosmidde-
len. Om schade aan het bedieningspaneel te voorko-
men, houdt vloeistoffen weg bij het bedieningspaneel
en stel het bedieningspaneel niet bloot aan direct zon-
licht.
Verwijder de batterijen uit het bedieningspaneel wan-
neer u de elliptische trainer opbergt. Berg de ellipti-
sche trainer op een schone, droge plaats op uit de
buurt van vocht en stof.
PROBLEMEN OPLOSSEN VAN HET BEDIENING-
SPANEEL
Vervang de batterijen wanneer het bedieningspaneel
niet goed werkt (zie montage stap 9 op pagina 8).
HOE DE SNELHEIDSSENSOR BIJ TE STELLEN
De snelheidssensor moet bijgesteld worden wanneer
het bedieningspaneel onjuiste gegevens aangeeft.
Om de sensor bij te stellen bekijk dan eerst montage
stap 8 op pagina 8 en verwijder de Pedalen (13, 14).
Bekijk vervolgens stap 7 op pagina 7 en verwijder de
Armen van het Pedaal (11, 12).
Verwijder vervolgens de vier Schroeven (51) uit de
rechter Pedaalschijf (15) en pak de Pedaalschijf af.
Verwijder alle Schroeven (52, 64) uit het Rechter
Zijschild (4) en verwijder het Rechter Zijschild.
Verwijder alle Schroeven (52) uit het Linker Zijschild
(3) en verwijder het Linker Zijschild.
Bekijk vervolgens de tekening hieronder getoond en
zoek naar de Snelheidssensor (53). Draai de aangege-
ven Schroef (52) los maar verwijder deze niet. Schuif
de Sensor lichtjes naar of van de Magneet (58) op het
vliegwiel. Draai de Schroef weer vast. Draai de linker
Pedaalschijf (15) even. Herhaal deze handeling totdat
het bedieningspaneel de goede gegevens aangeeft.
Maak de Zijschilden (3, 4), de rechter Pedaalschijf
(15), de Armen van het Pedaal (11, 12) en de
Pedalen (13, 14) weer vast wanneer de
Snelheidssensor (53) goed is bijgesteld.
HOE DE RIEM BIJ TE STELLEN
Het kan zijn
dat de Riem
(19) moet wor-
den bijgesteld
wanneer u de
pedalen voelt
slippen, ook
wanneer de
weerstands-
knop op de
maximale
stand is
gedraaid. Om
de Riem bij te
stellen moet u eerst beide zijschilden verwijderen.
Bekijk de instructies hier links en verwijder de zijschil-
den.
Draai vervolgens de M8 x 22mm Schroef met Platte
Kop (68) en de Bijstelbout van het Tussenwiel (62)
vast totdat de Riem (19) strak staat. Draai de Schroef
met Platte Kop weer vast wanneer de Riem strak
staat. Maak de Zijschilden weer vast.
ONDERHOUD EN OPLOSSEN VAN PROBLEMEN
64 52
51
52
52
52
64
64
14
12
4
58
53
52
15
15
368
62 19
64
11

12
RICHTLIJNEN VOOR UW CONDITIE
De volgende richtlijnen zullen u helpen bij het plannen
van uw oefenprogramma. Vergeet niet dat een goede
voeding en voldoende rust essentieel zijn voor opti-
male resultaten.
INTENSITEIT VAN UW OEFENING
Als uw doel is vet te verbranden of uw cardiovasculair
systeem te verbeteren dan is de juiste oefen intensiteit
het middel om de gewenste resultaten te bereiken. U
kunt de juiste intensiteit bepalen door uw hartslag als
leidraad te gebruiken. De diagram hieronder geeft de
aanbevolen hartslag aan voor vet verbranding en voor
een cadiovasculaire (aerobic) oefening.
Om de juiste hartslag te berekenen moet u eerst
onderaan de diagram uw leeftijd opzoeken (leeftijden
zijn per 10 jaar afgerond). Zoek vervolgens de drie
getallen boven uw leeftijd. Deze drie getallen geven
uw trainingszone aan. Het laagste getal is de aanbe-
volen hartslag voor vetverbranding. Het middelste
getal is de aanbevolen hartslag voor maximale vetver-
branding. Het hoogste getal is voor aerobic oefenin-
gen aanbevolen.
Vetverbranding
Om effectief vet te verbranden moet U gedurende lan-
gere tijd op een relatieve lage intensiteit oefenen.
Tijdens de eerste minuten van uw oefening gebruikt
uw lichaam makkelijk bereikbare koolhydraten. Pas
na de eerste paar minuten begint uw lichaam vet als
energie te verbruiken. Stel de intensiteit van uw oefe-
ning bij totdat uw hartslag rond een van de twee laag-
ste getallen van uw trainingszone ligt als u vet wilt
verbranden.
Aerobic Oefening
Uw oefening moet aerobic zijn als het uw doel is uw
cardiovasculair systeem te verbeteren. Een aerobic
oefening is een activiteit met een hogere zuurstof toe-
voer voor een langere tijd. Deze activiteit vraagt een
grotere prestatie van uw hart om bloed naar uw spie-
ren te pompen. Het vereist ook een grotere prestatie
van uw longen om het bloed van zuurstof te voorzien.
Stel de intensiteit van uw oefening bij totdat uw hart-
slag rond het hoogste getal van uw trainingszone ligt
als u een aerobic oefening wilt uitvoeren.
HOE U UW HARTLAG TE METEN
Om uw hartslag te
kunnen meten moet u
eerst minstens vier
minuten oefenen.
Stop dan met uw
oefening en plaats
twee vingers aan uw
pols zoals aangege-
ven. Om uw hartslag
te berekenen telt U zes seconden de hartslagen en
vermenigvuldigt U het getal met 10. Als U bijvoor-
beeld gedurende de zes seconden 14 hartslagen telt
dan is uw hartslag 140 slagen per minuut. (De zes
seconden telling wordt gebruikt omdat uw pols wan-
neer u met uw oefening stopt heel snel afneemt).
RICHTLIJNEN VOOR UW OEFENING
Iedere oefening moet uit de volgende drie onderleden
bestaan:
Opwarming—Begin iedere oefening met een
opwarmfase van 5 à 10 minuten door spieren te strek-
ken en wat lichte oefeningen te doen. Een juiste
opwarmoefening verhoogt uw lichaamstemperatuur,
uw hartslag en bevordert uw bloedsomloop als voor-
bereiding op uw oefening.
Oefening in uw trainingszone—Verhoog de intensi-
teit van uw oefening na het opwarmen zodat uw hart-
slag binnen uw trainingszone valt. Houdt dit 20 à 30
minuten vol. (Beperk tijdens de eerste paar weken
van uw oefenprogramma uw oefening tot 20 minuten.)
Afkoeling—Beëindig uw oefening weer met 5 à 10
minuten strekoefeningen. Dit zal de soepelheid van
uw spieren bevorderen en problemen helpen voorko-
men na de oefening.
WAARSCHUWING:
Raadpleeg uw huisarts voor u met dit of enig
ander oefenprogramma begint. Dit is bijzon-
der belangrijk voor mensen ouder dan 35 of
mensen met gezondheidsproblemen. Lees
alle instructies door voor gebruik.

13
VOORGESTELDE STREKOEFENINGEN
De juiste houding voor de strekoefeningen is hier rechts getoond.
Strek u langzaam, vermijdt krachtige inspanning.
1. Tenen aanraken
Sta met uw knieën lichtjes gebogen en buig uw lichaam vanuit uw
heupen naar voren. Ontspan uw rug en schouders zo veel mogelijk en
reik zover mogelijk naar uw tenen toe. Houdt deze houding 15 secon-
den vol en ontspan. Herhaal dit 3 keer. Spieren: kniepees, achterkant
van knieen en rug.
2. Kniepees strekken
Zit met één been gestrekt. Trek uw andere voet naar u toe en leg
deze tegen de binnenkant van het gestrekte been. Reik zover moge-
lijk naar uw tenen. Houdt deze houding 15 seconden vol en ontspan.
Herhaal dit 3 keer. Spieren: kniepees,onderrug en lies.
3. Kuit/achillespees strekken
Leun met het ene been voor het andere, naar voren en plaats uw han-
den tegen de muur. Houdt uw achterste been gestrekt en uw achter-
ste voet plat op de grond. Buig uw voorste been, leun naar voren en
duw uw heupen naar de muur toe. Houdt deze houding 15 seconden
vol en ontspan. Herhaal dit 3 keer voor ieder been. Om uw achilles-
pees verder te strekken, buig ook uw achterste been. Spieren: kuiten,
achillespees en enkels.
4. Dijspier strekken
Pak met één hand tegen de muur voor evenwicht, uw voet met uw
andere hand vast. Breng uw voet zo ver mogelijk tegen uw zitvalk
aan. Houdt deze houding 15 seconden vol en ontspan. Herhaal dit 3
keer voor ieder been. Spieren: dijspier en heupspieren.
5. Binnendij strekken
Zit met de voetzolen tegen elkaar en knieën naar buiten gebogen.
Haal uw voeten zover mogelijk naar uw lies toe. Herhaal dit 3 keer.
Spieren: dijspier en heupspieren.
OEFENFREQUENTIE
Om uw conditie te consolideren of te verbeteren moet
u 3 keer per week oefenen met minstens één dag rust
tussen de oefendagen. Na een paar maanden kunt u
als u dat wilt 5 keer per week oefenen. Om succes te
hebben is het belangrijk om plezierig en regelmatig te
oefenen.
1
2
3
5
4

14
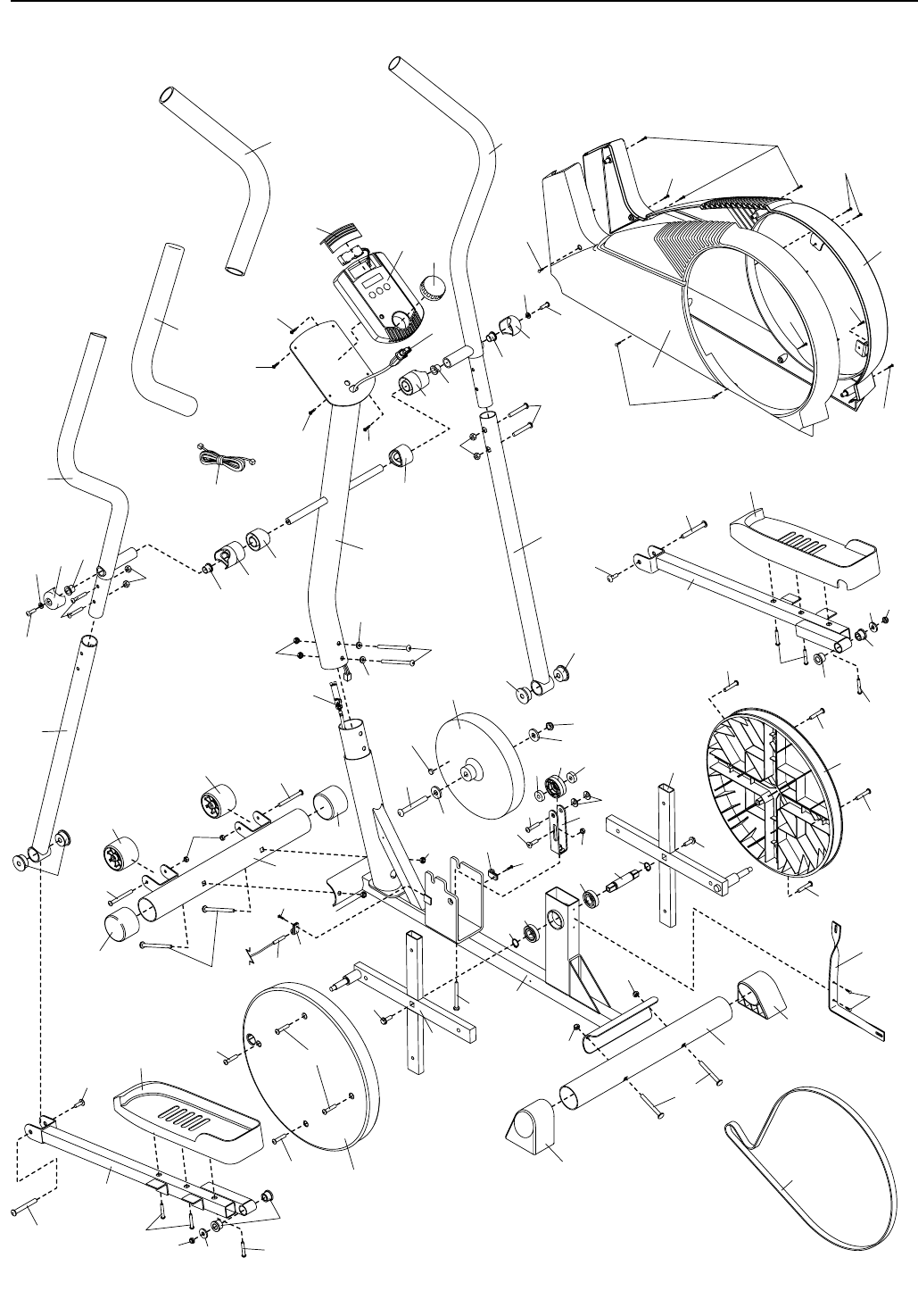
LIJST MET ONDERDELEN—Modelnr. PFEVEL19010 R0502A
Opgelet: # betekent onderdeel niet getoond. Specificaties kunnen zonder opgave van redenen gewijzigd zijn.
Kijk op de achterkant van deze gebruiksaanwijzing voor informatie over te bestellen onderdelen.
1 1 Onderstel
2 1 Staander
3 1 Linker Zijschild
4 1 Rechter Zijschild
5 2 Armhendel
6 1 Linker Handvat
7 2 Drukmoer
8 1 Rechter Handvat
9 1 Achterste Stabilisator
10 1 Voorste Stabilisator
11 1 Linker Arm van het Pedaal
12 1 Rechter Arm van het Pedaal
13 1 Linker Pedaal
14 1 Rechter Pedaal
15 2 Pedaalschijf
16 2 Stang van de Schijf
17 1 Vliegwiel
18 1 Houder voor de Zijschild
19 1 Riem
20 2 Achter Beschermkapje
21 2 Voorste Beschermkapje
22 2 Wiel
23 1 Bedieningspaneel
24 2 Handgreep
25 1 Houder voor het Tussenwiel
26 1 Tussenwiel
27 2 Pakking van het Tussenwiel
28 1 As van het Tussenwiel
29 1 Deksel
30 2 Grote Ring
31 2 Grote Pakking
32 1 As van het Pedaal
33 7 M10 Nylon Klemmoer
34 4 M10 x 75mm Draagbout
35 2 M8,5 Tussenring
36 6 M4 x 19mm Schroeven van een
Flens voorzien
37 4 Huls voor de Arm van het Pedaal
38 7 M8 Nylon Klemmoer
39 2 M10 Tussenring
40 2 Bout voor de Arm van het Pedaal
41 2 M6 x 72mm Bout
42 5 M4 x 12mm Schroef
44 1 Bovenste Draad
45 1 Controlepin van de Weerstand/
Weerstandskabel
46 2 Kap van het Handvat
47 2 Tussenstuk voor het Handvat
48 2 Tussenstuk voor het Onderstel
49 4 Kleine Huls voor de Armhendel
50 4 M8 x 45mm Bout
51 8 M6 x 25mm Schroef
52 11 M4 x 16mm Klemschroef
53 1 Snelheidssensor/Draad
54 2 Kabelklip
55 2 M10,5 Tussenring
56 2 M8 x 25mm Schroef met Ronde Kop
57 1 M10 Bout met Platte Kop
58 1 Magneet
59 2 M10 Veerringen
60 4 Grote Huls voor de Armhendel
61 2 5/16” x 25,4mm Zeshoekige Bout
62 1 Bijstelbout van het Tussenwiel
63 1 Weerstandsknop
64 4 M4 x 25mm Schroef
65 1 Onderste Weerstandskabel
66 2 M6 Nylon Klemmoer
67 2 M10 x 74mm Bout met Ronde Kop
68 1 M8 x 22mm Schroef met Platte Kop
# 1 Imbussleutel
#1Vet
# 1 Gebruiksaanwijzing
Nr. Aantal Beschrijving Nr. Aantal Beschrijving

24 8
52
4
3
64
52
52
50
56
55
46
49
5
49
47
48
38
42
42
42
42
23
44
45
24
6
38
50
48
47
49
49
46
55
56
5
60
22
22
67
33
17
2
41
21 34
66
41 57
10
33
21 39
39
60
60
40
40
14
12 35
37
38
37
36
36
51
51
51
51
15
52
18
19
20
20
34
9
33
33
16
61
61
16
62 1
3031
31 32 30
27
26
38
28 25
33
51
51
51 15
13
37
36
36 38 35
11
40
40
52
63
65
29
64
52
33
68
27
7
54 42
59
59
58
52
54
52
53
GEDETAILLEERDE TEKENING—Modelnr. PFEVEL19010 R0502A
15

Onderdeel Nr. 185360 R0502A Gedrukt in China © 2002 ICON Health & Fitness, Inc.
HET BESTELLEN VAN ONDERDELEN
Om vervang onderdelen voor uw loopband te bestellen, neem dan a.u.b. contact op met de winkel waar u dit
apparaat hebt gekocht.
• het MODELNUMMER van het product (PFEVEL19010)
• de NAAM van het product (PROFORM®465S elliptical crosstrainer)
• het SERIENUMMER van het product (zie de kaft van de handleiding)
• het NUMMER VAN HET ONDERDEEL en de BESCHRIJVING van het onderdeel op pagina 14 van deze
handleiding.