Proform Pfevel27850 500 Ekg Elliptical Users Manual PFEVEL26040 216020(UK)
2015-04-14
: Proform Proform-Pfevel27850-500-Ekg-Elliptical-Users-Manual-700299 proform-pfevel27850-500-ekg-elliptical-users-manual-700299 proform pdf
Open the PDF directly: View PDF  .
.
Page Count: 16

ATTENTION
Lisez toutes les précautions et
les instructions contenues dans
ce manuel avant d’utiliser cet
appareil. Gardez ce manuel pour
vous y référer ultérieurement.
Nº. du Modèle PFEVEL2785.0
Nº. de Série 
QUESTIONS?
En tant que fabricant nous nous
engageons à satisfaire notre
clientèle entièrement. Si vous
avez des questions ou si des
pièces sont manquantes,
veuillez-nous contacter à :
(33) 0810 121 140
du lundi au jeudi de 9h00 à
13h00 et de 14h00 à 18h00, le
vendredi de 14h00 à 17h00 (à
l’exception des jours fériés).
email: sav.fr@iconeurope.com
www.iconeurope.com
Notre site Internet
MANUEL DE L’UTILISATEUR
Autocollant du
Nº. de Série

TABLE DES MATIÈRES
PRÉCAUTIONS IMPORTANTS . . . . . . . . . . . . . . . . . . . . . . . . . . . . . . . . . . . . . . . . . . . . . . . . . . . . . . . . . . . . . . . 2
AVANT DE COMMENCER . . . . . . . . . . . . . . . . . . . . . . . . . . . . . . . . . . . . . . . . . . . . . . . . . . . . . . . . . . . . . . . . . . . 3
ASSEMBLAGE . . . . . . . . . . . . . . . . . . . . . . . . . . . . . . . . . . . . . . . . . . . . . . . . . . . . . . . . . . . . . . . . . . . . . . . . . . . . 4
COMMENT UTILISER L’APPAREIL ELLIPTIQUE . . . . . . . . . . . . . . . . . . . . . . . . . . . . . . . . . . . . . . . . . . . . . . . . . 8
ENTRETIEN ET PROBLÈMES. . . . . . . . . . . . . . . . . . . . . . . . . . . . . . . . . . . . . . . . . . . . . . . . . . . . . . . . . . . . . . . 12
CONSEILS DE MISE EN FORME . . . . . . . . . . . . . . . . . . . . . . . . . . . . . . . . . . . . . . . . . . . . . . . . . . . . . . . . . . . . 13
LISTE DES PIÈCES . . . . . . . . . . . . . . . . . . . . . . . . . . . . . . . . . . . . . . . . . . . . . . . . . . . . . . . . . . . . . . . . . . . . . . . 14
SCHÉMA DÉTAILLÉ . . . . . . . . . . . . . . . . . . . . . . . . . . . . . . . . . . . . . . . . . . . . . . . . . . . . . . . . . . . . . . . . . . . . . . . 15
POUR COMMANDER DES PIÈCES DE RECHANGE . . . . . . . . . . . . . . . . . . . . . . . . . . . . . . . . . . . Dernière Page
2
PRÉCAUTIONS IMPORTANTS
ATTENTION :afin de réduire les risques de blessures graves, lisez les conseils
importants dans ce manuel avant d’utiliser l’appareil elliptique.
1. Lisez toutes les instructions contenues dans
ce manuel ainsi que toutes les mises en
gardes concernant l’appareil elliptique avant
d'utiliser celui-ci. N’utilisez l’appareil ellip-
tique que de la manière décrite.
2. Il est de la responsabilité du propriétaire de
s’assurer que tous les utilisateurs du appa-
reil elliptique sont correctement informés de
toutes les précautions.
3. Utilisez et gardez l’appareil elliptique à l’inté-
rieur,loin de l’humidité et de la poussière.
Placez l’appareil elliptique sur une surface
plane et sur un revêtement pour protéger
votre tapis ou sol. Assurez-vous qu’il y a
suffisamment d’espace autour de l’appareil
elliptique vous permettant de le monter,le
descendre et l’utiliser facilement.
4. Inspectez et resserrez correctement toutes
les pièces régulièrement. Remplacez immé-
diatement toutes pièces usagées.
5. Tenez les enfants de moins de 12 ans et les
animaux domestiques éloignés du appareil
elliptique.
6. L’appareil elliptique ne doit jamais être utili-
sé par des personnes dont le poids est
supérieur à 115 kg.
7. Portez des vêtements appropriés quand
vous utilisez l’appareil elliptique. Portez tou-
jours des chaussures de sport pour proté-
ger vos pieds.
8. Tenez les guidons quand vous montez ou
descendez du appareil elliptique et à chaque
fois que vous l’utilisez.
9. Gardez toujours votre dos bien droit quand
vous vous servez du appareil elliptique.
N’arquez pas votre dos.
10. Le détecteur de pouls n’est pas un appareil
médical. De nombreux facteurs tel que les
mouvements de l’utilisateur pendant l’exer-
cice peuvent rendre la lecture du pouls
moins sûre. Le détecteur ne sert qu’à don-
ner une idée approximative des fluctuations
de pouls lors de l’exercice.
11. Si vous ressentez des douleurs ou des étour-
dissements quand vous vous entraînez, arrê-
tez-vous immédiatement et reposez-vous.
12. Quand vous arrêtez vos exercices sur l’appa-
reil elliptique, attendez que les pédales s’im-
mobilisent complètement avant de descendre.
13. L’appareil elliptique est conçu uniquement
pour une utilisation privée. N’utilisez pas
l’appareil elliptique à des fins commerciales,
pour la location ou dans une institution pro-
ATTENTION :consultez votre médecin avant d’entreprendre un programme d’exer-
cices. Ceci s’adresse plus particulièrement aux personnes âgées de plus de 35 ans ou aux per-
sonnes qui ont déjà eu des problèmes de santé. Lisez toutes les instructions avant de vous servir
de l’appareil. ICON ne se tient aucunement responsable des blessures ou dégâts matériels résultant
de l’utilisation de cet appareil.

3
Guidon
AVANT
ARRIÈRE
Bras de la Pédale
Disque de la
Pédale
Pédale
Console Détecteur de
Pouls
Ventilateur
Roue
209489
and
210125
2
FR IT SP GR
L’autocollant illustré etait apposé au l’ appareil ellip-
tique. Trouvez la feuille d’autocollant qui contient l’in-
formation dans quatre langues. Placez l’autocollant en
français par-dessus les autocollants en anglais. Si un
autocollant est manquant ou illisible, veuillez communi-
quer avec notre service à la clientèle au numéro sans
frais, pour commander de nouveaux autocollants gra-
tuit. Apposez le nouvel autocollant à l’endroit indiqué.
AVANT DE COMMENCER
Félicitations pour avoir choisi le nouveau l’appareil
elliptique PROFORM®500 EKG. L’appareil elliptique
500 EKG est un appareil incroyablement confortable
qui bouge vos pieds d’une manière naturelle et ellip-
tique, réduisant l’impact sur vos genoux et vos che-
villes. Et les caractéristiques uniques 500 EKG est
muni d’une résistance ajustable et d’une console à
modes multiples pour vous aider à tirer le maximum
de vos exercices.
Pour votre bénéfice, veuillez lire attentivement ce
manuel avant d’utiliser l’appareil elliptique. Si vous
avez des questions supplémentaires après avoir lu ce
manuel, contactez notre service à la clientèle au (33) 01
30 86 56 8. Pour mieux vous assister, notez le numéro
du modèle et le numéro de série de l’appareil avant de
nous appeler. Le numéro du modèle du tapis roulant est
le PFEVEL2785.0. Le numéro de série est inscrit sur
l’autocollant qui est apposé sur l’appareil elliptique
(l’emplacement de l’autocollant est indiqué sur le
schéma en première page).
Avant d’en lire plus, veuillez-vous familiariser avec les
pièces qui sont étiquetées dans le dessein ci-dessous.

4
1. Identifiez le Stabilisateur Avant (10). Pendant qu’une
autre personne soulève l’avant du Cadre (1), attachez
le Stabilisateur Avant au Cadre avec deux Boulons en
Bouton de M8 x 53mm (34), deux Rondelles de M8
(48), et deux Écrous de Verrouillage en Nylon de M8
(38).
10
38
34
1
48
48
1
ASSEMBLAGE 
L’assemblage requiert deux personnes. Placez toutes les pièces du appareil elliptique sur une aire dégagée
etenlevez les emballages. Ne jetez pas les emballages avant d’avoir terminé l’assemblage. Enplus des clés
hexagonales incluses, l’assemblage requiert un tournevis cruciforme                       , une clé à molette
,et un maillet en caoutchouc                         .
Utilisez le tableau d’identification des pièces pour identifier les pièces utilisées pour l’assemblage. Le nombre
entre parenthèses réfère au numéro de la pièce, de la LISTE DES PIÈCES à la page 14. Le second numéro
indique le nombre de pièces utilisées lors de l’assemblage. Remarque : certaines pièces sont déjà assem-
blées pour faciliter le transport de ce produit. Si vous ne pouvez pas trouver une pièce dans le sac des
pièces, vérifiez que la pièce n’est pas déjà assemblée.
Rondelle de
M8 (48)–4 Rondelle Fendue
de M8 (59)–4
Écrou de Verrouillage
en Nylon de M6
(27)–4
Rondelle de
M10 (35)–2
M
Série de Boulons du Bras de la Pédale (40)–2
Vis à Nylon de M10
x25mm (22)–2
Boulon à Tête Plate de
M6 x 48mm (36)–4
Boulon en Bouton de
M6 x 38mm (50)–4
M
Vis en Bouton de M8
x19mm (68)–4
Boulon en Bouton de
M8 x 53mm (34)–4
Rondelle
Ondulée (9)–2
Vis de M4 x 20mm
(43)–4
Écrou de Verrouillage
en Nylon de M8
(38)–4

5
34
28
48
48
1
2
38
3
23
23
4
Piles
Vis
43 2
Fil de la Console
44
2. Pendant qu’une autre personne soulève l’arrière du
Cadre (1), attachez le Stabilisateur Arrière (28) au
Cadre avec deux Boulons en Bouton de M8 x 53mm
(34), deux Rondelles de M8 (48), et deux Écrous de
Verrouillage en Nylon de M8 (38). 
3. La Console (23) requiert quatre piles « D » ; des piles
alcalines sont recommandées. Retirez la vis du com-
partiment des piles, ouvrez le compartiment des piles
et placez-y quatre piles. Assurez-vous que les piles
sont dans la position illustrée par les inscriptions
àl’intérieur du compartiment des piles. Fermez le
compartiment des piles et revissez la vis.
4. Demandez à une deuxième personne de tenir la
Console (23) dans la position illustrée. Branchez le fil
de la console sur le Fil Supérieur (44). Enfilez l’excès
de fil dans le Montant (2).
Attachez la Console (23) sur le Montant (2) à l’aide de
quatre Vis de M4 x 20mm (43). Faites attention de ne
pas pincer les fils.

6
50
27
Graisse
6
47
14
49
5
2
5
6
8
Trous
Hexagonaux
5
1
2
68 68Assurez-vous
que les fils ne
sont pas pincés
et endommagés
pendant cette
étape.
44
53
68
59
59
59
6. Identifiez le Guidon Gauche (6) qui est marqué avec un
autocollant. Insérez le Guidon Gauche dans l’un des
Bras du Guidon (5) ; assurez-vous que le Bras du
Guidon est tourné de manière à ce que les trous
hexagonaux sont dans le côté indiqué. Attachez le
Guidon Gauche dans un des Bras du Guidon avec
deux Boulons en Bouton de M6 x 38mm (50) et deux
Écrous de Verrouillage en Nylon de M6 (27). Assurez-
vous que les Écrous de Verrouillage en Nylon sont
àl’intérieur des trous hexagonaux. Ne serrez pas
complètement les Boulons en Bouton maintenant.
Appliquez une petite quantité de la graisse incluse au
axe gauche sur le Montant (2). 
Assurez-vous qu’il y a deux Petite Bagues du Guidon
(49) dans le Guidon Gauche (6). Glissez une Bague
d’Espacement du Guidon (47) et le Guidon Gauche sur
l’axe gauche se trouvant sur le Montant (2) comme indi-
qué. Assurez-vous que la Bague d’Espacement du
Guidon est tourné afin que le côté courbé fait face
au Montant. Enfoncez un Embout de l’Axe (14) sur
l’axe.
Répétez cette étape pour l’assemblage du Guidon Droit
(8) et de l’autre Bras du Guidon (5).
5. Pendant qu’une deuxième personne tient le Montant
(2) près du Cadre (1), branchez le Fil Supérieure (44)
auFil du Détecteur (53).
Poussez l’excès du fil dans le Cadre (1). Glissez le
Montant (2) sur le Cadre. Faites attention de ne pas
pincer les fils.Sécurisez le Montant avec quatre Vis
en Bouton de M8 x 19mm (68) et quatre Rondelles
Fendues de M8 (59). Ne serrez pas encore les
Boulons en Bouton.

7
Graisse
22 35
11
12
5
8
40
40
9
736
11
13
Graisse
16
9. Assurez-vous que toutes les pièces soient vissées correctement avant d’utiliser l’appareil elliptique.
Remarque : il y aura peut-être des pièces qui resteront une fois l’assemblage fini. Pour protéger votre sol ou
votre tapis de l’usure, placez un revêtement sous l’appareil elliptique.
8. Appliquez une petite quantité de graisse à l’axe se
trouvant sur la Barre Transversale du Disque (16)
gauche. Glissez le Bras de la Pédale Gauche (11) et
une Rondelle Ondulée (9) sur l’axe. Glissez une
Rondelle de M10 (35) sur une Vis à Nylon de M10 x
25mm (22), et serrez la Vis à Nylon dans l’axe.
Ensuite, tenez l’extrémité basse du Bras du Guidon (5)
gauche à l’intérieur du crochet se trouvant sur le Bras
de la Pédale Gauche (11). Appliquez de la graisse au
Serie de Boulons du Bras de la Pédale (40). Attachez
le Bras de Pédale Gauche à le Bras du Guidon gauche
avec le Serie de Boulon. Ne serrez pas trop fort le
Serie de Boulon ; le Bras du Guidon doit pouvoir
pivoter facilement.
Attachez le Ressort de la Pédale Droite (12) au coté
droit de l’appareil elliptique de la même manière.
Référez-vous à l’étape 5. Vissez la Vis en Bouton de M8
x19mm (68) dans le Montant (2).
Référez-vous à l’étape 6. Serrez les Boulons en Bouton
de M8 x 38mm (50) sur les Bras du Guidon (5).
7. Identifiez le Bras de la Pédale Gauche (11). Attachez
une Pédale (13) au Bras de la Pédale Gauche avec
deux Vis à Tête Plates de M6 x 48mm (36) comme
indiqué.
Attachez l’autre Guidon au autre Bras du Guidon Droit
(pas illustré) de la même manière. 

COMMENT UTILISER L’APPAREIL ELLIPTIQUE
COMMENT VOUS EXERCEZ AVEC L’APPAREIL
ELLIPTIQUE
Pour monter sur l’appareil elliptique, tenez fermement
les guidons et placez-vous sur la pédale à la position
inférieure avec précaution. Ensuite, mettez l’autre pied
sur l’autre pédale. Poussez les pédales jusqu’à ce
qu’elle bougent d’une manière continue. Remarque :
les disques de pédales peuvent tourner dans les
deux directions. Il est recommandé de tourner les
disques de la pédale dans la direction indiquée ci-
dessous ; cependant pour varier vos exercices,
vous pouvez choisir de tourner les pédales dans la
direction opposée. 
Pour descendre du appareil elliptique, attendez jus-
qu’à ce que les pédales soient complètement arrêtées.
Remarque : l’appareil elliptique n’a pas de roue
libre ; les pédales continueront à bouger jusqu’à
ce que le volant s’arrête. Quand les pédales sont à
l’arrêt, descendez en enlevant le pied de la pédale
supérieure d’abord. Ensuite, en enlevant le pied de la
pédale inférieure.
8
Disque de la Pédale
Pédale 
Guidons

9
La console, facile d’utilisation, offre une sélection de
fonctionnalités conçues pour vous aider à tirer le
maximum de vos entraînements. Suivez les instruc-
tions ci-dessous pour utiliser la console.
Allumer la console.
Remarque : la console requiert quatre piles « D »
de 1,5 volts. Référez-vous à l’étape 3 de l’assem-
blage à la page 5 pour des instructions concer-
nant l’installation des piles.
Pour allumer la console, appuyez sur la touche
Prendre/Remise a Zéro (voir le schéma ci-dessus
pour identifier la touche Prendre/Remise a Zéro).
Remarque : vous pouvez aussi allumer la conso-
le en déplaçant les pédales.
Commencez à pédaler et changez la résistan-
ce des pédales comme vous le désirez.
Pendant que vous pédalez, changez la résistan-
ce des pédales en appuyant sur les touches + et
–sous la grande fenêtre. Il y a dix niveaux de
résistance—le niveau 10 étant le plus difficile.
Remarque : après avoir pressé les touches, plu-
sieurs secondes seront nécessaires à la résistan-
ce pour atteindre le niveau sélectionné. 
Suivez votre progression grâce au petit et au
grand affichage sur la console.
Le petit affichage montre
la cadence des pédales,
en tours par minute (RPM).
La barre indicatrice dans le
petit affichage grandira ou
rétrécira en longueur alors
que vous augmentez ou
ralentissez votre cadence.
Remarque : quand vous
utilisez la poignée du
détecteur cardiaque, le petit affichage indiquera
votre pouls (voir étape 4 à la page 10).
La partie supé-
rieure du grand
affichage indi-
quera la distan-
ce [DISTANCE]
que vous avez
pédalé et le nombre de 
calories
et de 
calories de
graisse
[FAT CALORIES] que vous avez brûlér
(voir BRÛLER DE LA GRAISSE à la page 13
pour une explication sur les calories de graisse).
L’affichage changera d’un nombre à l’autre toutes
les quelques secondes.
3
2
1
ELPE2785
Toutes du
Affichage
Touche du Ventilateur
Touche Prendre/
Remise a Zéro
Toutes de la
Résistance
COMMENT FAIRE FONCTIONNER LA CONSOLE
Barre Indicatrice

10
Pour ne visualiser que la
distance pédalée ou le
nombre de calories ou de
calories de graisse brû-
lées, appuyez sur la
touche supérieure sur le
coté gauche du grand affi-
chage jusqu’à ce que le
mot DISTANCE, CALORIES, ou FAT CALORIES
apparaisse dans la partie supérieure du grand
affichage ; assurez-vous que le mot SCAN
[Balayage] n’apparaît pas. Pour voir de nouveau
la distance que vous avez pédalé et le nombre
de calories et de calories de graisse brûlées,
appuyez sur la touche supérieure jusqu’à ce que
le mot SCAN apparaisse.
Le centre du
grand affichage
indiquera le
temps écoulé
[TIME] et votre
cadence [PACE]
en cours (la cadence est exprimée en minutes
par mile dans cette section du grand affichage).
L’affichage changera d’un nombre à l’autre toutes
les quelques secondes.
Pour ne visualiser que le
temps écoulé ou votre
cadence, appuyez sur la
touche centrale sur le
coté gauche du grand affi-
chage jusqu’à ce que le
mot TIME ou PACE appa-
raisse ; assurez-vous que le mot SCAN n’appa-
raît pas. Pour voir à nouveau le temps écoulé et
votre cadence, appuyez sur la touche centrale
jusqu’à ce que le mot SCAN apparaisse.
La partie infé-
rieure du grand
affichage indi-
quera la vitesse
des pédales
[SPEED] et leur
niveau de résistance [RESISTANCE]. L’affichage
changera d’un nombre à l’autre toutes les
quelques secondes.
Pour ne visualiser que la
vitesse des pédales ou le
niveau de résistance,
appuyez sur la touche
inférieure à gauche du
grand affichage jusqu’à ce
que le mot SPEED ou RESISTANCE apparaisse
;assurez-vous que le mot SCAN n’apparaît pas.
Pour voir à nouveau la vitesse des pédales ainsi
que le niveau de résistance, appuyez sur la
touche inférieure jusqu’à ce que le mot SCAN
réapparaisse.
Pour remettre les affichages à zéro, appuyez sur
la touche Prendre/Remise a Zéro.
Remarque : la
console peut
afficher la vites-
se et la distance
soit en miles
soit en kilo-
mètres. Les lettres MPH [Miles] ou KM/H
[Kilomètres] apparaîtront dans la partie inférieure
du grand affichage pour indiquer l’unité de mesu-
re sélectionnée. Pour changer l’unité de mesure,
appuyez sur la touche Prendre/Remise a Zéro
pendant à peu près six secondes. Remarque :
quand la touche est enfoncée, le ventilateur s’al-
lumera pendant quelques secondes. Quand les
piles sont remplacées, il sera peut-être nécessai-
re de sélectionner à nouveau l’unité de mesure
désirée.
Mesurez votre pouls, si désiré.
Si les plaques
métalliques sur
les poignées
sont recou-
vertes d’un film
de plastique,
retirez-le. Pour
utiliser la poi-
gnée du détec-
teur de pouls,
tenez les poignées, la paume de vos mains
contre les plaques métalliques. Évitez de bouger
les mains.
Quand votre pouls est
détecté, l’indicateur en
forme de cœur se trou-
vant dans le petit afficha-
ge clignotera à chacun
des battements de votre
cœur. Après quelques ins-
tants, deux tirets (– –)
apparaîtront et votre
pouls sera affiché. Pour une lecture plus précise,
gardez vos mains sur les poignées pendant à
peu près 30 secondes.
4
ELPE2785
ELPE2785
ELPE2785
Touche Supérieure
ELPE2785
Touche Centrale
ELPE2785
Touche Inférieure
ELPE2785
Plaques
Métal-
liques

11
Allumez le ventilateur, si désiré.
Pour allumer le
ventilateur sur le
niveau le plus
bas, appuyez
une fois sur la
touche du venti-
lateur. Pour que
le ventilateur
tourne à une
vitesse plus rapide, appuyez sur la touche du
ventilateur une deuxième fois. Pour éteindre le
ventilateur, appuyez sur la touche une troisième
fois. Remarque : si le ventilateur est allumé et
que les pédales ne sont pas déplacées pendant
àpeu près 30 secondes, le ventilateur s’éteindra
automatiquement pour économiser les piles.
Faites tourner le bouton sur le côté droit de la
console pour faire pivoter le ventilateur à l’angle
désiré.
Quand vous avez fini de vous entraîner, la
console s’éteindra automatiquement.
Si les pédales ne sont pas déplacées pendant
quelques secondes, les affichages seront en 
suspens et le temps clignotera dans le grand 
affichage.
Si les pédales ne sont pas déplacées et les
touches de la console ne sont pas pressées 
pendant quelques secondes, la console s’étein-
dra automatiquement pour économiser les piles.
65
Bouton
Touche du
Ventilateur

12
Inspectez et serrez toutes les pièces du appareil ellip-
tique régulièrement. Remplacez les pièces usées
immédiatement.
Pour nettoyer l’appareil elliptique, utilisez un chiffon
humide et une petite quantité de savon doux. Impor-
tant : gardez tout liquide loin de la console, utili-
sez une bouteille hermétique dans le porte-bou-
teille, et gardez la console hors des rayons directs
du soleil. Lorsque vous rangez l’appareil ellip-
tique, retirez les piles de la console.
REMPLACEMENT DES PILES
Si l’affichage de la console devient faible, les piles
devraient être remplacées ; la plupart des problèmes
de console sont causés par les piles. Pour remplacer
les piles, référez-vous à l’étape 3 à la page 5.
COMMENT AJUSTER LE CAPTEUR MAGNÉTIQUE
Si l’affichage de la console n’est pas correct, le capteur
magnétique devrait être ajusté. Pour ajuster le capteur
magnétique, vous devez enlever le Bras de la Pédale
Gauche (11) et le Panneau Latérale Gauche (3).
Enlevez le Serie de Boulon du Bras de la Pédale (40),
la Vis à Nylon de M10 x 25mm (22), la Rondelle de
M10 (35), et la Rondelle Ondulée (9) du Bras de la
Pédale Gauche (11). Enlevez le Bras de la Pédale
Gauche. Ensuite, enlevez le deux Vis de M4 x 25mm
(56) et les quatre Vis de M4 x 16mm (42) du Panneau
Latéral Gauche (3).
Référez-vous au dessin ci-dessous et trouvez le
Capteur Magnétique (53). Dévissez mais ne retirez
pas la Vis de M4 x 16mm (42) indiquée. Glissez
Capteur Magnétique légèrement en avant ou loin de
l’Aimant (58) sur le volant. Resserrez la Vis. Tournez le
Disque de la Pédale (15) gauche pendant un moment.
Répétez l’opération jusqu’à ce que la console affiche
des données correctes. Quand le Capteur Magnétique
est correctement ajusté, rattachez le Panneau Latéral
Gauche (3) et le Bras de la Pédale Gauche (11).
COMMENT RÉGLER LA COURROIE DE TRACTION
Si vous sentez les pédales glisser quand vous péda-
lez, même quand la résistance est ajustée au plus
haut niveau, il est peut-être nécessaire d’ajuster la
Courroie de Traction (19). Pour régler la Courroie de
Traction, vous devez enlever les deux panneaux pro-
tecteurs. Référez-vous à COMMENT AJUSTER LE
CAPTEUR MAGNÉTIQUE ci-contre et retirez les pan-
neaux latéraux. 
Ensuite, desser-
rez la Vis à Tête
Plate de M8 x
22mm (41) et
tournez le
Boulon en
Bouton de M10
x60mm (62)
jusqu’à ce que
la Courroie de
Traction (19) est
serrée. Une fois
que la Courroie
de Traction est serrée, serrez la Vis à Tête Plate.
Rattachez les panneaux protecteurs.
ENTRETIEN ET PROBLÈMES 
42 56
42
42
22
35
3
40
15
41
62
19
9
11
58
53
42

13
CONSEILS DE MISE EN FORME
Les exercices suivants vous aideront à organiser
votre programme d’exercices. Rappelez-vous qu’une
bonne alimentation et qu’un repos adéquat sont
essentiels pour de bons résultats.
INTENSITÉ DE L’ENTRAÎNEMENT
Que votre but soit de brûler de la graisse ou de fortifier
votre système cardio-vasculaire, la clé pour obtenir les
résultats désirés est de s’entraîner à une intensité cor-
recte. Le niveau d’intensité correct peut être trouvé en
utilisant votre pouls comme point de repère. Le tableau
ci-dessous indique le pouls recommandé pour brûler
de la graisse et pour les exercices aérobics.
Pour mesurer votre pouls approprié, d’abord trouvez
l’âge au bas du tableau (les âges par dizaine). Ensuite
trouvez les trois nombres au-dessus des âges. Les trois
nombres définissent votre « zone d’entraînement ». Les
deux nombres inférieurs sont les pouls recommandés
pour brûler de la graisse ; le nombre supérieur est
recommandé pour les exercices aérobics.
Brûler de la Graisse
Pour brûler de la graisse effectivement vous devez
vous exercer à une intensité relativement basse pen-
dant une longue période. Durant les premières
minutes d’exercice, votre corps utilise des calories
d’hydrate de carbone,
facilement accessibles comme
source d’énergie. Après quelques minutes seulement,
votre corps commence à utiliser des 
calories de grais-
se
enréserve comme source d’énergie. Si votre but
est de brûler de la graisse, ajustez la vitesse et l’incli-
naison du tapis roulant jusqu’à ce que votre pouls
s’approche du nombre inférieur de votre
d’entraînement. 
Pour brûler un maximum de graisse, ajustez l’intensité
de vos exercices jusqu’à ce que votre pouls soit près
du nombre du milieu de votre zone d’entraînement.
Exercice Aérobics
Si votre but est de fortifier votre système cardio-vas-
culaire, votre entraînement devrait être aérobic.
L’exercice aérobic requiert de large quantité d’oxygè-
ne durant une période de temps prolongée. Ceci aug-
mente la demande de sang que le coeur doit pomper
vers les muscles, et la quantité de sang que les pou-
mons doivent oxygéner. Pour un entraînement aéro-
bic, réglez l’intensité de votre exercice jusqu’à ce que
votre pouls est proche du nombre supérieur de votre
zone d’entraînement.
GUIDE D’EXERCICES
Chaque entraînement devrait inclure ces trois étapes :
Échauffement, commencez chaque entraînement avec
5à10 minutes d’étirements et d’exercices légers. Un
échauffement correct élève la température de votre
corps, augmente votre fréquence cardiaque, ainsi que
la circulation pour vous préparer à l’entraînement.
Exercices dans la Zone d’Entraînement, après
vous être échauffé, augmentez l’intensité de vos exer-
cices jusqu’à ce que votre pouls soit dans votre zone
d’entraînement pendant 20 à 30 minutes. (Durant les
premières semaines d’exercices, ne maintenez pas
votre pouls dans votre zone d’entraînement pendant
plus de 20 minutes.)
Exercices de Retour à la Normal, finissez chaque
entraînement avec 5 à 10 minutes d’étirements pour
revenir à la normal. Cela augmentera la flexibilité de
vos muscles et vous aidera à prévenir les problèmes
qui surviennent après l’exercice.
FRÉQUENCE DES ENTRAÎNEMENTS
Pour maintenir ou améliorer votre forme physique,
faites trois entraînements par semaine, avec au moins
un jour de repos entre chaque entraînement. Après
quelques mois, vous pouvez entreprendre jusqu’à cinq
entraînements par semaine si vous le désirez.
Rappelez-vous que la clé du succès d’un programme
d’exercice repose avant tout sur la régularité.
ATTENTION :
• Avant de commencer ce programme
d’exercices (ou un autre), veuillez consulter
votre médecin. Ceci est tout particulière-
ment important pour les personnes âgées
de plus de 35 ans ou celles ayant déjà eu
des problèmes de santé.
• Les moniteurs cardiaque ne sont pas appa-
reils médicales. De nombreux facteurs peu-
vent rendre la lecture du pouls moins pré-
cise. Les moniteurs ne sert qu’à donner
une idée approximative des fluctuations du
pouls lors de l’exercice.

14
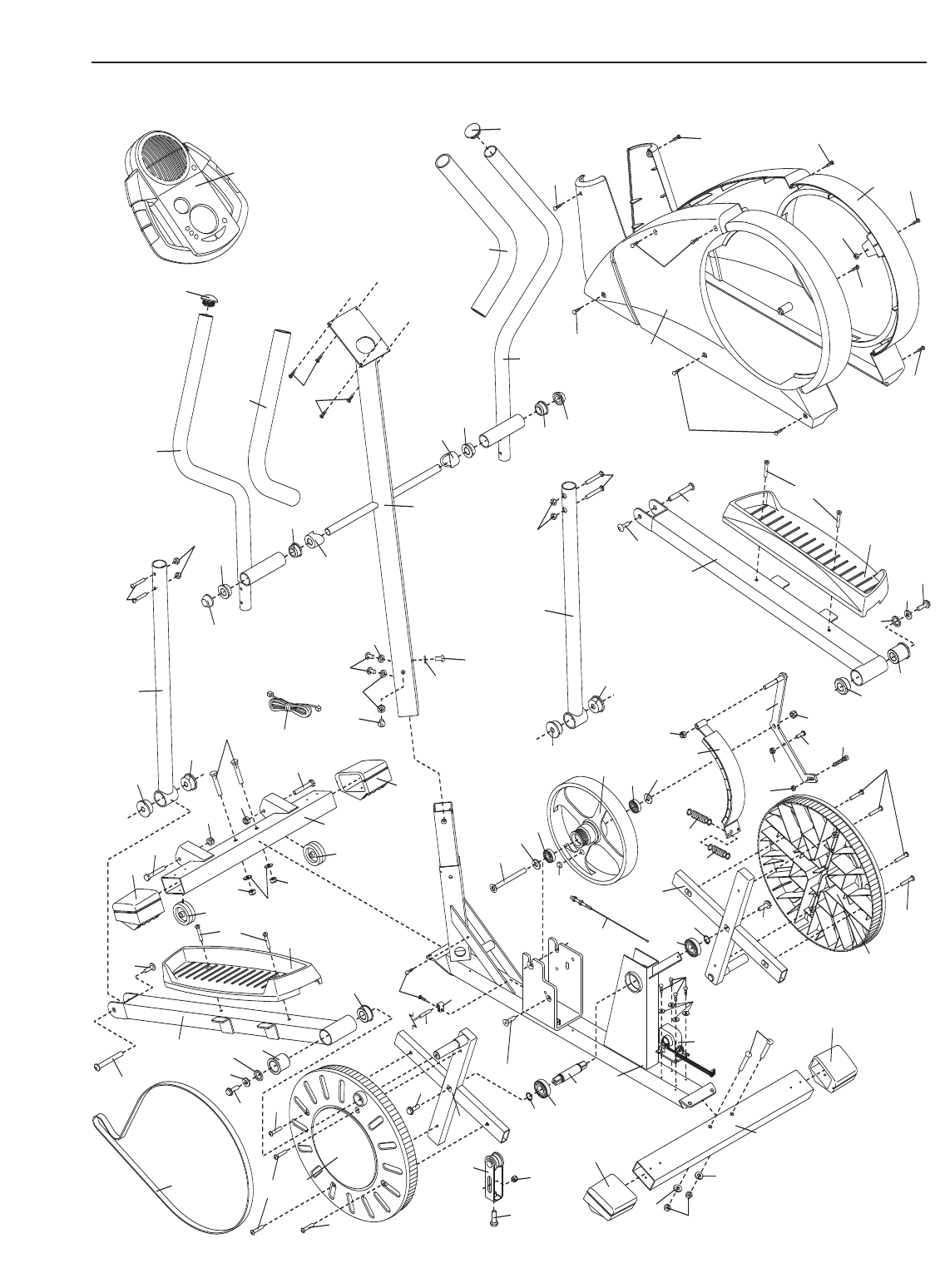
LISTE DES PIÈCES—Nº. du Modèle PFEVEL2785.0 R0506A
Remarque : # indique une pièce non-dessinée. Les spécifications peuvent être modifiées sans notification.
Nº. Qte. Description Nº. Qte. Description
11 Cadre
2 1 Montant
3 1 Panneau Latéral Gauche
4 1 Panneau Latéral Droit
5 2 Bras du Guidon
6 1 Guidon Gauche
7 1 Assemblage du Tendeur
8 1 Guidon Droit
9 2 Rondelle Ondulée
10 1 Stabilisateur Avant
11 1 Bras de la Pédale Gauche
12 1 Bras de la Pédale Droite
13 2 Pédale
14 2 Embout de l’Axe
15 2 Disque de la Pédale
16 2 Barre Transversale du Disque
17 1 Volant
18 1Aimant en « C »
19 1 Courroie de Traction
20 2 Boulon de M6 x 16mm
21 4 Embout
22 2 Vis à Nylon de M10 x 25mm
23 1 Console
24 2 Poignée
25 2 Bras de la Pédale Long
26 1Support de Résistance
27 8 Écrou de Verrouillage en Nylon de
M6
28 1Stabilisateur Arrière
29 2 Roulement à Bille du Volant
30 2Bague-Attache Grande
31 2 Roulement à Biles Grande
32 1 Axe de la Pédale
33 1 Écrou de Verrouillage en Nylon de
M10
34 4Boulon en Bouton de M8 x 53mm 
35 2Rondelle de M10
36 4 Boulon à Tête Plate de M6 x 48mm
37 2Bague du Bras de la Pédale
38 6Écrou de Verrouillage en Nylon de
M8
39 2 Rondelle du Volant
40 2 Série de Boulons du Bras de la
Pédale
41 1 Vis à Tête Plate de M8 x 22mm
42 10 Vis de M4 x 16mm
43 4 Vis de M4 x 20mm 
44 1 Fil Supérieur
45 4 Rondelle du Moteur
46 2 Embout du Guidon
47 2 Bague d’Espacement du Guidon
48 4 Rondelle de M8
49 4 Petite Bague du Guidon
50 4 Boulon en Bouton de M6 x 38mm
51 8 Vis de M6 x 35mm
52 1 Ressort
53 1 Capteur Magnétique/Fil du
Détecteur
54 1Serre-joint de Câble
55 1 Moteur de la Résistance
56 2 Vis de M4 x 25mm
57 1 Boulon à Tête Plate de M10
58 1 Aimant
59 4 Rondelle Fendue de M8
60 4 Bague d’Espacement du Guidon
Grande
61 2Boulon Hexagonal de 5/16” x
25,4mm
62 1Boulon en Bouton de M10 x 60mm
63 4Vis du Moteur
64 1 Écrou de M6
65 2Boulon de M6 x 40mm
66 1 Assemblage du Câble de la
Résistance
67 1 Boulon de M6 x 38mm
68 4 Vis en Bouton de M8 x 19mm 
69 2Roue
70 1Ressort
# 3 Clé Hexagonale
#1Graisse
#1Manuel de l’Utilisateur

SCHÉMA DÉTAILLÉ—N°. du Modèle PFEVEL2785.0 R0506A
15
24
8
4
3
42
42
5
47
23
44
24
6
47
5
60
68
17
21
34
57
10
39
12 35
37
51
15
19
16
61
61
16
62
1
30 3132
38
38
51
51 15
13
37
35
11
40
40
20
7
59
59
58
27
50
50
27
60
60
2
49
49
49 49
42
42
42
42
42
21
60
51
51
41
54
42
53
38
25
25
40
40 13
28
21
21
38
34
30
31
55
46
46
14
14
36
36
29
29
22
22
56
39
33
20
26
27
38 18
64
67
52
27
69
69
65
27
65
27
43
68
59
68
48
48
48
63
66
45
9
9
70

Nº. de Pièce 229478 R0506A Imprimé en Chine © 2006 ICON IP, Inc.
PROFORM est une marque enregistrée de ICON IP, Inc.
POUR COMMANDER DES PIÈCES DE RECHANGE
Pour commander des pièces de rechange, veuilles contacter le service à la clientèle au numéro suivant :  
Fax : (33) 0130 562 730
du lundi au jeudi de 9h00 à 13h00 et de 14h00 à 18h00 et le vendredi de 14h00 à 17h00 (à l’exception des
jours fériés) et préparez l’information suivante :
•le NUMÉRO DU MODELÉ du produit (PFEVEL2785.0)
• le NOM de ce produit (appareil elliptique PROFORM 500 EKG)
• le NUMÉRO DE SÉRIE du produit (voir la page de couverture de ce manuel)
•le NUMÉRO et la DESCRIPTION de la pièce/des pièces (référez-vous à la page 14 de ce manuel)
(33) 0810 121 140