Proform Pfevel39012 700 Cardio Crosstrainer Elliptical Users Manual
Proform-Pfevel39012-Owner-S-Manual proform-pfevel39012-owner-s-manual
2015-04-14
: Proform Proform-Pfevel39012-700-Cardio-Crosstrainer-Elliptical-Users-Manual-700375 proform-pfevel39012-700-cardio-crosstrainer-elliptical-users-manual-700375 proform pdf
Open the PDF directly: View PDF
.
Page Count: 24

Aufleber mit
Serien-Nr.
www.iconeurope.com
Unsere Website:
BEDIENUNGSANLEITUNG
ACHTUNG
Lesen Sie bitte aufmerksam
alle Hinweise und Anleitungen,
bevor Sie dieses Gerät in
Betrieb nehmen. Heben Sie
diese Anleitung für eventuel-
len späteren Gebrauch auf.
Modell-Nr. PFEVEL39012
Serien-Nr.
Fitness Produkt—
Klasse: HC
Schreiben Sie die Serien-Nr. zur
Referenz oben auf.
FRAGEN?
Als Hersteller verpflichten wir
uns zur kompletten Zufrieden-
stellung unserer Kunden. Falls
Sie irgendwelche Fragen
haben oder falls Teile fehlen,
rufen Sie bitte an.
01805 231 244
Unsere Bürozeiten sind von
9.00 bis 18.00 Uhr.

INHALTSVERZEICHNIS
WICHTIGE VORSICHTSMAßNAHMEN . . . . . . . . . . . . . . . . . . . . . . . . . . . . . . . . . . . . . . . . . . . . . . . . . . . . . .3
BEVOR SIE ANFANGEN . . . . . . . . . . . . . . . . . . . . . . . . . . . . . . . . . . . . . . . . . . . . . . . . . . . . . . . . . . . . . . . . .4
MONTAGE . . . . . . . . . . . . . . . . . . . . . . . . . . . . . . . . . . . . . . . . . . . . . . . . . . . . . . . . . . . . . . . . . . . . . . . . . . . .5
BENUTZUNG DES ELLIPSENTRAINERS . . . . . . . . . . . . . . . . . . . . . . . . . . . . . . . . . . . . . . . . . . . . . . . . . . . .9
WARTUNG UND FEHLERSUCHE . . . . . . . . . . . . . . . . . . . . . . . . . . . . . . . . . . . . . . . . . . . . . . . . . . . . . . . . .20
TRAININGSRICHTLINIEN . . . . . . . . . . . . . . . . . . . . . . . . . . . . . . . . . . . . . . . . . . . . . . . . . . . . . . . . . . . . . . .21
TEILELISTE . . . . . . . . . . . . . . . . . . . . . . . . . . . . . . . . . . . . . . . . . . . . . . . . . . . . . . . . . . . . . . . . . . . . . . . . . .22
DETAILZEICHNUNG . . . . . . . . . . . . . . . . . . . . . . . . . . . . . . . . . . . . . . . . . . . . . . . . . . . . . . . . . . . . . . . . . . .23
BESTELLUNG VON ERSATZTEILEN . . . . . . . . . . . . . . . . . . . . . . . . . . . . . . . . . . . . . . . . . . . . . . . . .Rückseite
2
PROFORM ist ein eingetragenes Warenzeichen von AICON Health & Fitness, Inc.

3
WICHTIGE VORSICHTSMAßNAHMEN
WARNUNG: Um ernstliche Unfälle zu vermeiden, lesen Sie bitte die folgenden wichti-
gen Vorsichtsmaßnahmen bevor Sie den Ellipsentrainer in Benutzung nehmen.
1. Lesen Sie bitte alle Anleitungen, bevor Sie
dieses Gerät in Betrieb nehmen.
2. Der Eigentümer ist dafür verantwortlich, dass
alle Benutzer des Gerätes hinreichend über
alle Vorsichtsmaßnahmen informiert sind.
3. Stellen Sie das Gerät auf eine ebene Fläche
und darunter zum Schutz des Bodens oder
des Teppichs eine Unterlage. Benutzen Sie
das Gerät nur im Haus und halten Sie es vor
Feuchtigkeit und Staub fern.
4. Überprüfen Sie alle Einzelteile und ziehen
Sie die Teile regelmäßig nach. Abgenutzte
Teile müssen sofort ausgetauscht werden.
5. Kinder unter 12 Jahren und Haustiere müs-
sen jederzeit entfernt gehalten werden.
6. Der Ellipsentrainer sollte nur von Personen
unter 115 kg Körpergewicht benutzt werden.
7. Tragen Sie immer angemessene Kleidung,
während Sie auf dem Ellipsentrainer trainie-
ren. Zum Schutz Ihrer Füße sollten Sie
immer Sportschuhe tragen.
8. Halten Sie sich beim Auf- oder Absteigen
oder während Sie auf dem Ellipsentrainer
trainieren immer am Handgriff-Pulssensor
oder an den Hantelstangen fest.
9. Der Pulssensor ist kein medizinisches
Instrument. Verschiedene Faktoren, einsch-
ließlich der Bewegungen des Benutzers
während des Trainings, können die
Pulsschlagwerte verändern. Der Pulssensor
soll Ihnen nur als Trainingshilfe dienen,
indem er Ihnen den durchschnittliche
Pulfsrequenz angibt.
10. Halten Sie Ihren Rücken immer gerade,
wenn Sie auf dem Gerät trainieren; krümmen
Sie Ihren Rücken nicht.
11. Sollten Sie jemals Schmerz fühlen oder
schwindelig werden während Sie Fitness
betreiben, hören Sie sofort damit auf und
kühlen Sie ab.
12. Wenn Sie mit dem Training fertig sind, las-
sen Sie die Pedale langsam auslaufen, bis
sie sich nicht mehr bewegen.
13. Der Ellipsentrainer ist nur für den Hausge-
brauch vorgesehen. Verwenden Sie ihn nicht
in kommerziellem, verpachtetem oder insti-
tutionellem Rahmen.
WARNUNG: Bevor Sie mit diesem oder jedem anderen Trainingsprogramm beginnen,
sollten Sie einen Arzt konsultieren. Dies gilt besonders für Personen über 35 Jahre und für all dieje-
nigen, die Gesundheitsprobleme gehabt haben oder haben. Bitte lesen Sie alle Instruktionen durch,
bevor Sie das Gerät in Betrieb nehmen. AICON übernimmt keinerlei Haftung für Personen oder
Sachschäden.

4
BEVOR SIE ANFANGEN
Wir gratulieren Ihnen zur Wahl des revolutionären
PROFORM®700 S Ellipsentrainer. Der PROFORM®
700 ist ein unglaublich flüssig verlaufendes Trainings-
gerät, das Ihre Füße auf natürlichem, elliptischem Weg
führt, so dass der Aufprall auf Ihre Knie- und Fußgelen-
ke minimal wird. Der einzigartige 700 bietet verstellba-
ren Widerstand und einen Computer von höchster
Qualität an, um Ihnen das beste Training zu ermögli-
chen. Herzlich willkommen zur völlig neuen Welt der
natürlichen, elliptischen Bewegung, von PROFORM®.
Zu Ihrem eigenen Vorteil, lesen Sie bitte diese
Bedienungsanleitung genauestens durch bevor
Sie Ihren Ellipsentrainer in Verwendung nehmen.
Sollten Sie noch irgendwelche Fragen oder Probleme
haben, setzen Sie sich bitte mit unserem Kundendienst
unter der Service-Telefon-Nr. 01805 231 244 in Verbin-
dung. Halten Sie bitte vor Ihrem Anruf die Modell- und
die Serien-Nummer Ihres Gerätes bereit. Die Modell-
Nummer ist PFEVEL39012. Die Serien-Nummer kön-
nen Sie auf einem Aufkleber am Ellipsentrainer finden
(die genaue Stelle des Aufklebers ersehen Sie aus der
Vorderseite dieser Bedienungsanleitung).
Bevor Sie nun weiterlesen, werfen Sie bitte zunächst
einen Blick auf die untenstehende Zeichnung und
machen Sie sich mit den gekennzeichneten Einzeltei-
len vertraut.
Handgriff-Pulssensor
Haltestange
VORDERSEITE
RÜCKSEITE
LINKE SEITE
Flex-Stange
Pedalscheibe
*Wasserflasche
nicht beigelegt.
Rad
Pedal
Computer Buchhalter
Wasserflaschenhalter*
Ausgleichungsfuß

5
MONTAGE
Zur Montage braucht man zwei Personen. Legen Sie alle Teile des Ellipsentrainers auf einer dafür freige-
machten Fläche aus und entfernen Sie alle Verpackungsmaterialien. Werfen Sie diese jedoch erst weg, wenn
die Montage komplett fertiggestellt ist. Zur Montage braucht man einen Kreuzschraubenzieher ,
eine verstellbare Schraubenschlüssel , und einen Gummihammer zu den bei-
gelegten Inbussschlüsseln.
Dieses Diagramm hilft Ihnen bei der Identifizierung der kleinen Montageteile. Die Zahl in Klammer, die unter
jedem Teil zu finden ist, ist die Bestell-Nr. des Teiles, welches Sie in der TEILELISTE auf Seite 22 finden. Die
zweite Zahl bezieht sich auf die Menge der Teile, die zum Montieren nötig sind. Einige kleine Teile wurden
möglicherweise zur Erleichterung des Transportes schon vorher an größeren Teilen angebracht. Sollten
Sie ein Teil nicht sofort finden, überprüfen Sie bitte, ob es nicht schon an einem anderen Teil angebracht
worden ist.
M10 x 112mm Einsteck-Bolzen (34)–4
Einstell-Bolzen (20)–2
M10 x 88mm knopfförmige
Bolzen (63)–1
M10 x 78mm knopfförmige
Bolzen (27)–2
M10.3 schwarze
Unterlegscheibe (53)–2
M8 x 19mm knopf-förmige
Schraube (22)–2
M4 x 16mm
Schraube (66)–2
M10 x 27mm
Schraube (71)–3
M10 Unterlegscheibe
(38)–6
M10 gespaltene
Unterlegscheibe (70)–4
M10 Nylon-
Verschlussmutter (29)–6
Rahmen-Abstandsstück
(83)–1
M8 x 45mm Button Screw (91)–4
M8 Nylon-Verschlussmutter
(46)–4

6
1. Finden Sie den vorderen Stabilisator (3), mit den
Rädern (32). Während eine andere Person den vorde-
ren Teil des Rahmens (1) hoch hebt, befestigen Sie
den vorderen Stabilisator mit zwei M10 x 112mm Ein-
steckbolzen (34) und zwei M10 Nylon-Verschlussmut-
tern (29) am Rahmen. Achten Sie darauf, dass der
vordere Stabilisator so gedreht ist, dass die Räder
den Boden nicht berühren.
3
29
32
32
34
1
1
2. Während eine andere Person den hinteren Teil des
Rahmens (1) hoch hebt, befestigen Sie den hinteren
Stabilisator (4) mit zwei M10 x 112mm Einsteckbolzen
(34) und zwei M10 Nylon-Verschlussmutter (29) am
Rahmen.
34
4
1
3
2
86
87
1
63 83
70
3. Während eine andere Person den Pfosten (2) in der
gezeigten Position hält, verbinden Sie den oberen
Drahthalter (86) mit dem niederen Drahthalter (87).
Ziehen Sie vorsichtig das obere Ende des oberen
Drahthalters, so dass sich keine Schlaffheit im
Drahthalter befindet.
Setzen Sie den Pfosten (2) in den vorderen Teil des
Rahmens (1), wie gezeigt. Achten Sie darauf, dass
Sie die Drahthalter (86, 87) nicht einklemmen.
Schieben Sie eine M10 gespaltene Unterlegscheibe
(70) und ein Rahmen-Abstandsstück (83) auf den M10
x 88mm knopfförmigen Bolzen (63), und führen Sie
den knopfförmigen Bolzen in den Rahmen und in den
Pfosten ein. Achten Sie darauf, dass das nach
innen gewölbte Ende des Rahmen-Abstandsstück
gegen den Rahmen weißt. Ziehen Sie zu dieser Zeit
den Knopfbolzen noch nicht fest an.
4. Verbinden Sie den Drahthalter am Handgriff-Pulssen-
sor (81) mit dem angezeigten Drahthalter am Com-
puter (5). Führen Sie beide Drahthalter in die Öffnung
unten im Computer ein.
Beziehen Sie sich auf die Nebenzeichnung. Führen Sie
die Metallröhre am Handgriff-Pulssensor (81) in die die
Metallklammer im Computer (5) ein, wie gezeigt.
Achten Sie darauf, dass Sie die Drahthalter nicht
einklemmen. Richten Sie die Löcher in der Metallröhre
nach den Löchern in der Metallklammer aus und dre-
hen zwei M4 x 16mm Schrauben (66) in den angezeig-
ten Löchern fest.
81
5
66
5
Klammer
66
81
4
2
29
29
Röhre
Achten Sie dar-
auf, dass Sie die
Drahthalter nicht
einklemmen.

7
5. Der Computer (5) braucht vier 1,5V (D) Batterien; alkali-
sche Batterien sind empfohlen. Drücken Sie die Lasche an
der Batteriendeckung und heben die Batteriendeckung
hoch. Legen Sie vier zusätzliche Batterien im Batterien-
gehäuse ein. Achten Sie darauf, dass die Batterien
zeichnungsgemäß im Batteriengehäuse ausgerichtet
sind. Schließen Sie wieder die Batteriendeckung.
Während eine andere Person den Computer (5) in der
gezeigten Position hält, verbinden Sie den Drahthalter am
Computer mit dem oberen Drahthalter (86). Führen Sie
den zusätzlichen Drahthalter in den Pfosten (2) ein.
Befestigen Sie den Computer (5) mit drei M10 x 27mm
Schrauben (71) und drei M10 gespaltene Unterlegschei-
ben am Pfosten. Achten Sie darauf, dass Sie die
Drahthalter nicht einklemmen.
Drüken Sie den Buchhalter in den Computer (5) ein, so
dass er fest einschnappt, wie gezeigt.
6. Identifizieren Sie die linke Haltestange (9), der mit einem
Aufkleber markiert ist. Führen Sie die linke Lenkstange in
eines der Lenkstangenbeine (79) ein. Achten Sie darauf,
dass das Lenkstangenbein so gedreht ist, dass die
sechseckigen Löcher auf der angezeigten Seite sind.
Befestigen Sie die linke Haltestange an das Haltestange-
Bein (79) mit zwei M8 x 45mm Bolzen (91) und zwei M8
Nylon-Verschlussmuttern (46). Achten Sie darauf, dass
sich die Nylon-Verschlussmuttern innen in den sechs-
eckigen Löchern befinden. Ziehen Sie die Bolzen noch
nicht fest an.
Schmieren Sie ein bisschen des inbegriffenen Schmier-
mittels auf die linke und rechte Achse im Pfosten (2).
Schieben Sie vorsichtig ein Pfosten-Abstandsstück (26), ein
Haltestange-Abstandsstück (25), die linke Haltestange (9)
und eine Haltestange-Kappe (23) auf die linke Achse am
Pfosten (2), wie gezeigt. Führen Sie eine M8 x 19mm knopf-
förmige Schraube (22) durch eine M10.3 schwarze
Unterlegscheibe (53) und drehen Sie ihn in der Achse fest.
Befestigen Sie die rechte Haltestange und das andere
Haltestange-Bein (nicht gezeigt) auf die gleiche Weise.
7. Halten Sie das niedere Ende der linken Haltestange (9) in
der vorderen Flex-Klammer (17) an der linken Flex-Stange
(14).
Schmieren Sie einen M10 x 78mm knopfförmigen Bolzen
(27). Befestigen Sie das linke Haltestange-Bein (79) mit
dem Knopfbolzen, zwei M10 Unterlegscheiben (38) und
einer M10 Nylon-Verschlussmutter (29) an der vorderen
Flex-Klammer (17). Ziehen Sie dei Nylon-Verschluss-
mutter nicht zu fest an; das linke Haltestange-Bein
muss sich leicht drehen können.
Befestigen Sie das rechte Haltestange-Bein (10) an der
anderen vorderen Flex-Klammer (17), auf die gleiche
Weise.
Beziehen Sie sich auf Schritt 6. Ziehen Sie die M8 x 45mm
Bolzen (91) in den Lenkstangenbeinen (79) fest an. Ziehen
Sie den M10 x 88mm Knopfbolzen (63) fest an.
17
17
14
27 38
38
29
5
86 71
71
6
7
2
70
70
71
26
25
92
23
22 53
91
46
Hexagonal
Holes
79
79
79
5
5
Schmieren
Schmieren
Batterien
Batterien-
deckung
Lasche
Riemen
Buchhalter

INSTALLATION DES EMPFÄNGERS DES OPTIONALEN BRUST-PULSSENSOR
Falls Sie den optionalen Brust-Pulssensor kaufen (beziehen Sie sich auf Seite 20), dann befolgen Sie die unten
angeführten Instruktionen um den Empfänger und Starterdraht, die dem Brust-Pulssensor inbegriffen sind, zu
installieren.
1. Entfernen Sie die vier angezeigten Schrauben hinten
am Computer (5). Heben Sie den Computer von vorne
hoch.
2. Stecken Sie den Starterdraht (A) in den angezeigten
Sockel am Computer (5). Verbinden Sie das andere
Ende des Starterdrahts mit dem Draht am Empfänger
(B). Anmerkung: Jegliche andere Drähte, die dem
Brust-Pulssensor inbegriffen sind, können wegge-
worfen werden.
Dann ziehen Sie das Papier von dem Klebpölsterchen
hinten am Empfänger (B) ab. Richten Sie den
Empfänger zeichnungsgemäß aus und drücken Sie ihn
auf den Computer (5) auf die angezeigte Stelle.
Beziehen Sie sich auf Schritt 1 (oben). Befestigen Sie
wieder den Computer (5) mit den vier Schrauben. Ach-
ten Sie darauf, dass Sie keine Drähte einklemmen.
8
9. Achten Sie darauf, dass alle Teile fest angezogen sind, bevor Sie den Ellipsentrainer benutzen.
Anmerkung: Einige Teile könnten übrig bleiben, nachdem der Aufbau fertig ist. Legen Sie eine Unterlage
unter den Ellipsentrainer, zum Schutz des Bodens oder des Teppichs.
820
15
14 38
13
8. Identifizieren Sie das linke Pedal (13). Befestigen Sie
das linke Pedal mit einem Einstell-Bolzen (20), eine
M10 Unterlegscheibe (38) und einem Einstell-Knopf
(15) an der linken Flex-Stange (14), wie gezeigt.
Anmerkung: Das linke Pedal kann in jeder der fünf
Positionen befestigt werden (siehe DIE PEDALE EIN-
STELLEN auf Seite 9).
Befestigen Sie das rechte Pedal (nicht gezeigt) auf die
gleiche Weise. Achten Sie darauf, dass sich beide
Pedale in der gleichen Position befinden.
B
5
Sockel
5Hier
hochheben
1
A
Zylinder
2
Kurze
Schrauben
Lange
Schrauben

DIE PEDALE EINSTELLEN
Die Bewegung
der Pedale hängt
von ihrer Position
auf der Flex-
Stange ab. Es
gibt fünf ver-
schiedene Pedal-
positionen. Um
die Pedale einzu-
stellen, lockern
Sie zuerst den
Knopf unter
jedem Pedal. Schieben Sie die Pedale vorwärts oder
rückwärts in die gewünschte Position und ziehen den
Knöpfe wieder fest an. Achten Sie darauf, dass sich
die Pedale in der gleichen Position befinden.
MIT DEM ELLIPSENTRAINER TRAINIEREN
Um auf den Ellipsentrainer aufzusteigen, halten Sie
sich am Handgriff-Pulssensor und steigen Sie auf das
Pedal, das sich in der niedrigeren Position befindet.
Steigen Sie dann auf das andere Pedal. Bewegen Sie
die Pedale, bis sie sich in einer ununterbrochenen
Bewegung befinden. Anmerkung: Die Pedalschei-
ben können sich in beide Richtungen bewegen.
Wir empfehlen, dass Sie die Pedalscheiben in der
unten angezeigten Richtung bewegen. Sie können
jedoch zur Abwechslung die Pedalscheiben auch
in die andere Richtung drehen.
Um vom Ellipsentrainer abzusteigen, warten Sie
zuerst, bis die Pedale völlig zum Stillstand gekommen
sind. Wichtig: Der Ellipsentrainer hat kein Freilauf-
rad. Die Pedale werden so lange in Bewegung blei-
ben, bis das Schwungrad zum Stillstand kommt.
Wenn die Pedale sich nicht mehr bewegen, steigen
Sie zuerst von dem höheren Pedal herunter. Dann
steigen Sie vom unteren Pedal herunter.
DIE HALTESTANGEN BENUTZEN
Die Haltestangen
sind für ein zusätz-
liches Oberkörper-
Training zu Ihrem
Workout entworfen.
Drücken und zie-
hen Sie die Halte-
stangen während
Sie trainieren um
Ihre Arme, Schul-
tern und Rücken
ebenfalls zu trainie-
ren.
Um nur den
Unterkörper zu trai-
nieren, halten Sie
die Handgriff-Pulssensor, während Sie trainieren.
9
BENUTZUNG DES ELLIPSENTRAINERS
ACHTUNG: Bevor Sie den
Ellipsentrainer in Benutzung nehmen, lesen Sie
bitte die folgenden Vorsichtsmaßnahmen.
• Halten Sie sich beim Auf- oder Absteigen oder
während Sie auf dem Ellipsentrainer trainie-
ren immer am Handgriff-Pulssensor oder an
den Haltestangen fest.
• Wenn Sie mit dem Training fertig sind, lassen
Sie die Pedale langsam auslaufen, bis sie sich
nicht mehr bewegen.
• Der Pulssensor ist kein medizinisches Instru-
ment. Verschiedene Faktoren können die
Pulsschlagwerte verändern. Der Pulssensor
soll Ihnen nur als Trainingshilfe dienen, in-
dem er Ihnen den durchschnittliche Pulsfre-
quenz angibt.
Pedale
Pedalscheibe
Handgriff-
Pulssensor
Haltestange
Handgriff-
Pulssensor
Knopf Flex-
Stange
Pedal

10
COMPUTERMERKMALE
Der moderne Computer bietet eine Vielfalt von Merkmal-
en an, um Ihr Training angenehmer und effektiver zu
gestalten. Wenn der manuelle Modus am Computer
gewählt worden ist, kann der Widerstand des Ellipsen-
trainers mit einem Knopfdrücken verstellt werden.
Während Sie trainieren, wird der Computer fortlaufend
Trainingsinformationen anzeigen. Sie können sogar Ihre
Pulsfrequenz mit dem eingebauten Handgriff-Pulssensor
messen. (Für Information über den optionalen Brust-
Pulssensor beziehen Sie sich bitte auf Seite 20.)
Der Computer bietet auch vier computergesteuerte
Workout-Programme an. Jedes Programm wechselt
automatisch den Widerstand des Ellipsentrainers und
fordert Sie auf Ihr Tempo zu erhöhen oder zu verrin-
gern, während Sie durch ein effektives Workout
geführt werden.
Zusätzlich bietet der Computer auch zwei Herzschlag-
Programme an, die automatisch den Widerstand des
Ellipsentrainers wechseln und Sie auffordern Ihr Tem-
po während dem Training zu variieren, um Ihr Herz-
schlag dem erzielten Pulsfrequenz anzupassen.
IFit.com-Technologie kann mit einem persönlichen Train-
er in Ihrem Heim verglichen werden. Mit dem inbegriffe-
nen Audiokabel, können Sie das Laufgerät an Ihre Heim-
stereoanlage, tragbare Stereoanlage oder Computer an-
schließen und spezielle iFIT.com CD-Programme
abspielen (CDs sind separat erhältlich). IFit.com CD
Programme kontrollieren automatisch den Widerstand
des Ellipsentrainers und fordern Sie auf Ihr Tempo zu
ändern, während Sie ein persönlicher Trainer durch
jeden Schritt Ihres Trainings führt. Energievolle Musik
sorgt für zusätzliche Motivation. Jede CD hat zwei ver-
schiedene Trainingsprogramme, die von anerkannten,
persönlichen Trainern entworfen wurden.
Zusätzlich können Sie das Gerät an Ihren Videorgerät
und Fernseher anschließen und iFIT.com-Video-Pro-
gramme abspielen. (Videokassetten sind separat erhält-
lich.) Video-Programme bieten die gleichen Effekte wie
die iFIT.com-CDs an, aber sind interessanter, da Sie mit
einer Klasse und einem Trainer trainieren können.
Wenn den Ellipsentrainer mit Ihrem Computer verbun-
den ist, können Sie auch unsere neue Internet-Site
unter www.iFIT.com besuchen und somit direkt vom
Internet unsere Audioprogramme und Videoprogram-
me erreichen.
Für Information über die Erhältlichkeit der
iFIT.com-CD oder Videokassetten, senden Sie bitte
ein E-Mail an workouts@iFIT.com, und wir werden
Sie informieren so bald iFIT.com-CD oder
Videokassetten erhältlich sind.
BESCHREIBUNG DES COMPUTERS
Beziehen Sie sich auf die Zeichnung oben und die
Erklärung auf Seite 11. Anmerkung: Falls sich eine
dünne Schicht Plastik auf dem Computerfläche
befindet, entfernen Sie diese.
F
H
I
G
L
J
K
A B C D
E

11
A. Training-Feedback-Display—Dieses Display bietet sie-
ben Modi an, die Ihnen gegenwärtiges Training-Feed-
back bekannt geben: ihre gegenwärtige Geschwindig-
keit, die vergangene Zeit (oder die übrig bleibende
Zeit in einem computetgesteuerten oder in einem
Herzschlag-Programm), die von Ihnen gelaufene Dis-
tanz, die gegenwärtige Widerstandsstufe, die unge-
fähre Anzahl der von Ihnen verbrannten Kalorien, Ihre
Kraftleistung in Watt und Ihre Pulsfrequenz (wenn Sie
den Handgriff-Pulssensor oder den optionalen Brust-
Pulssensor benutzen [beziehen Sie sich auf Seite 20
für Information über den Brust-Pulssensor]). Wenn der
Scan-Modus gewählt worden ist, dann wird das Dis-
play alle sechs Sekunden von einem zum andern Mo-
dus wechseln. Oder Sie können nur einen Modus für
ein fortlaufendes Display aussuchen.
Anmerkung: Der Computer kann die Geschwin-
digkeit und Distanz entweder in Meilen oder Kilo-
meter anzeigen. Um die Maßeinheit zu ändern,
drücken Sie die An-/Wiedereinstelltaste sechs
Sekunden lang andauernd herunter. Die Modi-
Indikatoren (siehe F) werden die ausgewählte
Maßeinheit anzeigen. Wenn die Batterien ersetzt
werden, muss es eventuell notwendig sein die
gewünschte Maßeinheit wieder auszuwählen.
B. Erhöhungs- und Verringerungspfeile—Während den
computergesteuerten Programmen, Herzschlag- und
iFIT.com-Programmen werden Sie diese Pfeile auf-
fordern Ihr Tempo zu erhöhen oder verringern, um
sich dem erzielten Tempo anzupassen.
C. Manueller Modus/Programm-Indikator—Wenn ein
computergesteuertes Programm ausgewählt worden
ist, wird die obere rechte Ecke des Displays 1, 2, 3
oder 4 anzeigen, gemäß dem ausgewählten compu-
tergesteuertem Programm. Wenn ein Herzschlag-
Programm ausgewählt worden ist, wird die obere
rechte Ecke des Displays 5 oder 6 anzeigen. Wenn
der iFIT.com-Modus ausgewählt worden ist, wird die
obere rechte Ecke des Displays die Buchstaben IF
anzeigen. Wenn der manuelle Modus gewählt wor-
den ist, bleibt die obere rechte Ecke leer.
D. Programm-Profile—Diese Profile zeigen wie sich der
Widerstandskraft und das Tempo des Ellipsentrai-
ners während einem computergesteuerten Pro-
gramm oder des Herzschlag-Programm ändern wird.
Z. B. zeigt Profilnummer 3, dass sich während dem
computergesteuerten Programm 3 der Widerstand
sowie das Tempo während der ersten Hälfte des
Programms langsam erhöhen wird, und dann währ-
end der letzten Hälfte langsam verringern wird.
E. Warnung:—Beziehen Sie sich auf Seite 3.
F. Feedback-Modus-Indikatoren—Diese Indikatoren
zeigen an welcher Feedback-Modus (Scan [Scan],
Geschwindigkeit [Speed], Zeit [Time], Distanz
[Distance], Wiederstandsstufe [Resistance Level],
Kalorien [Calories], Watt [Watts], oder Pulsfrequenz
[Heart Rate]) gegenwärtig angezeigt wird. Anmerk-
ung: Wenn die Distanz angezeigt wird, wird das
Wort “Miles” (Meilen) oder die Buchstaben “Kms”
(Kilometer) erscheinen; wenn die Geschwindigkeit
angezeigt wird, werden die Buchstaben “MPH” oder
“Km/H” erscheinen.
G. Tempo-Graph—Wenn der manuelle Modus ausge-
wählt worden ist, wird nur der linke Graph erscheinen.
Dieser Graph repräsentiert Ihr Übungstempo. Wenn
Sie Ihr Tempo erhöhen oder verringern, werden
zusätzliche Striche im Graph erscheinen oder ent-
schwinden. Wenn ein computergesteuertes Pro-
gramm, ein Herzschlag-Programm oder ein iFIT.com-
Modus ausgewählt worden ist, werden beide Graphen
erscheinen. Der linke Graph repräsentiert Ihr Übung-
stempo und der rechte Graph repräsentiert das Ziel-
tempo. Während dem Programm wird sich das Ziel-
tempo periodisch ändern. Wenn sich der rechte Graph
ändert, passen Sie einfach Ihr Tempo an, so dass die
gleiche Strichanzahl in beiden Graphen erscheint.
Wichtig: Das Zieltempo ist ein zu erzielendes Tem-
po. Ihr tatsächliches Tempo kann langsamer sein
als das Zieltempo, besonders während den ersten
paar Monaten Ihres Trainings. Achten Sie darauf,
dass Sie zu einem für Sie angenehmes Tempo
trainieren.
H. An-/Wiedereinstelltaste—Wenn der Computer nicht
eingestellt ist, drücken Sie auf diese Taste um das
Display einzustellen. Wenn der Computer schon ein-
gestellt wurde, drücken Sie auf diese Taste um das
Display wieder einzustellen. Diese Taste kann auch
die Maßeinheit ändern (siehe A).
I. Display-Modus-Taste—Diese Taste wird benutzt um
die Feedback-Modi auszuwählen. Die Modi werden
in folgender Reihenfolge ausgewählt: Scan, Gesch-
windigkeit, Zeit, Distanz, Widerstandsstufe, Kalo-
rien, Watt und Pulsfrequenz (wenn der Handgriff-
Pulssen-sor oder der optionaler Brust-Pulssensor
benutzt wird).
J. + und –Tasten—Diese Tasten kontrollieren den Wider-
stand des Ellipsentrainers. Es gibt zehn Widerstands-
stufen. Stufe 10 ist die schwierigste. Diese Tasten wer-
den auch benutzt um Ihr Alter einzugeben wenn ein
Herzschlag-Programm ausgewählt worden ist.
K. Programmtaste—Diese Taste wird benutzt um den
manuellen Modus, computergesteuerte Programme
und Herzschlag-Programme auszuwählen.
L. IFIT.com-Taste—Diese Taste wird benutzt um den
iFIT.com-Modus auszuwählen. Der Indikator auf der
Taste wird aufleuchten wenn der iFIT.com-Modus
ausgewählt worden ist.

12
Um den manuellen Modus des Computers zu
benutzen, siehe Seite 12. Um computergesteuerten
Programme zu benutzen, siehe Seite 13. Um ein
Herzschlag-Programm zu benutzen, siehe Seite 14.
Um iFIT.com-CD’s oder Videokassetten zu benut-
zen, siehe Seite 18. Um ein Programm direckt von
unserem Website zu benutzen, siehe Seite 19.
Schalten Sie den Computer ein.
Anmerkung: Der Computer braucht vier 1,5 V (“D”)-
Batterien. Falls Sie Batterien noch nicht eingelegt
haben, beziehen Sie sich auf Schritt 5 auf Seite 7
und installieren Sie die Batterien.
Um den Computer einzustellen, drücken Sie auf
die An-/Wiedereinstelltaste oder fangen Sie an zu
laufen.
Wählen Sie den manuellen Modus.
Jedes Mal wenn
der Computer
eingestellt ist,
wird der manu-
elle Modus aus-
gewählt. Wenn
ein computerge-
steuertes
Programm, ein Herzschlag-Programm oder der
iFIT.com-Modus ausgewählt worden ist, wählen
Sie den manuellen Modus aus, indem Sie andau-
ernd auf die Programmtaste drucken, bis die
obere rechte Ecke im Display leer ist.
Beginnen Sie mit Ihrem Training und verstellen
Sie den Widerstand des Ellipsentrainers.
Während Sie trainieren, verstellen Sie den Wider-
stand des Ellipsentrainers nach Wünsch, indem
Sie auf die + und –Tasten drücken. Es gibt zehn
Widerstandsstufen; Stufe zehn ist die schwierig-
ste. Anmerkung: Nachdem die Tasten gedrückt
worden sind, dauert es ein paar Sekunden um die
ausgewählte Einstellung zu erhalten.
Folgen Sie Ihren Fortschritt mit den Feedback-
Modi und dem linken Graph.
Wenn der
Computer einge-
stellt ist, wird der
Scan-Modus aus-
gewählt. Während
Sie trainieren wird
das Display Ihre
gegenwärtige
Geschwindigkeit, abgelaufene Zeit, gefahrene
Distanz, die gegenwärtige Wider-standsstufe, die
Kalorien, die Sie verbrannt haben, und Ihre
Kraftleistung in Watt anzeigen. Zusätzlich wird Ihre
Pulsfrequenz angezeigt, wenn Sie den Handgriff-
Pulssensor (siehe Schritt 5 unten) oder den optio-
nalen BrustPulssensor (siehe Seite 20) benutzen.
Anmerkung: Jedes Mal wenn sich die Wider-
standsstufe ändert, wird der Computer die Wider-
standsstufe sechs Sekun-den lang anzeigen.
Zusätzlich wenn ein computergesteuertes
Programm oder ein Herzschlag-Pro-gramm ausge-
wählt worden ist, wird das Display die übrigbleiben-
de Zeit im Programm anstatt die vergangene Zeit
anzeigen.
Zusätzlich wird auch der linke Graph im Display
erscheinen um Ihr Trainingstempo anzuzeigen.
Wenn Sie Ihr Tempo erhöhen oder verringern,
werden zusätzliche Striche im Graph erscheinen
oder entschwinden.
Wenn erwünscht, können Sie einen einzelnen
Feedback-Modus für ein fortlaufendes Display aus-
wählen. Drücken Sie andauernd auf die Display-
Modus-Taste bis nur “MPH” (oder “Km/H”), “Time”,
“Miles” (oder “Kms”), “Resist.”, “Cals.” oder “Watts”
im Display erscheint. Achten Sie darauf, dass der
Scan-Indikator nicht erscheint.
Messen Sie nach Wünsch Ihre Pulsfrequenz.
Anmerkung: Wenn Sie den optionalen Brust-
Pulssensor tragen und zur gleichen Zeit den
Handgriff-Pulssensor halten, könnte der
Computer eventuell Ihren Herzschlag nicht
exakt anzeigen.
Falls sich
dünne
Plastikfolie auf
den Metallkon-
takten des
Handgriff-
Pulssensors
befinden, ent-
fernen Sie
diese. Um den Puls-sensor zu benutzen, legen Sie
Ihre Hände auf die Metallkon-takte. Ihre Hand-
flächen müssen auf den oberem Kontakten ausru-
hen, und Ihre Finger müssen die unteren Kontak-
ten berühren. Versuchen Sie Ihre Hände nicht zu
bewegen. Wenn Ihr Puls festgestellt werden kann,
wird der herzförmige Indikator unter dem rechten
Display jedes Mal aufleuchten, wenn Ihr Herz
schlägt. Nach einigen Sekunden werden zwei
Striche (– –) auf dem Display erscheinen und Ihre
Pulsfrequenz wird angezeigt.
5
4
3
2
1
BENUTZUNG DES MANUELLEN MODUS
Diese Ecke
soll leer sein
Metallkon-
takten

13
Für die genaueste Ablesung Ihrer Pulsfrequenz,
lassen Sie Ihre Hände noch ungefähr 15 Sekun-
den auf den Kontakten liegen. Anmerkung: Wenn
Sie zuerst die Handgriffe halten, wird das Display
Ihre Pulsfrequenz 15 Sekunden lang andauernd
anzeigen. Das Display wird dann Ihre Pulsfre-
quenz mit den anderen Feedback-Modi anzeigen.
Wenn Sie Ihr Training beenden, wird der Com-
puter nach einigen Minuten automatisch aus-
schalten.
Wenn die Pedale nicht bewegt werden und die
Computerknöpfe einige Minuten lang nicht
gedrückt werden, wird sich der Computer auto-
matisch ausstellen, um die Batterien zu kon-
servieren.
Schalten Sie den Computer ein.
Beziehen Sie sich auf Schritt 1 auf Seite 12.
Wählen Sie eines der vier computergesteuer-
ten Programme.
Jedes Mal wenn
der Computer
eingeschaltet
wird, wird der
manuelle Modus
ausgewählt. Um
ein computerge-
steuertes Pro-
gramm auszuwählen, drücken Sie andauernd auf
die Programmtaste bis die Zahl 1, 2, 3 oder 4 in
der oberen rechten Ecke im Display erscheint.
Die Profile 1 bis 4 auf der rechten Seite des Com-
puters zeigen den Widerstand und die Tempo-
Einstellungen für die computergesteuerten Pro-
grammen an. Zum Beispiel zeigt die Profilnum-
mer 3 an, dass sich bei dem ausgewählten, com-
putergesteuerten Programm 3 der Widerstand
sowie das Tempo während der ersten Hälfte des
Programms langsam erhöhen wird und sich dann
während der letzten Hälfte verringern wird.
Fangen Sie mit dem Programm an.
Um mit dem Programm zu beginnen, fangen Sie
einfach an zu trainieren. Jedes computergesteu-
erte Programm hat zwanzig, eine Minute lange
Abschnitte. Eine Widerstandsstufe und eine
Tempo-Einstellung sind für jeden Abschnitt pro-
grammiert. (Die selbe Widerstandseinstellung
und/oder Tempo-Einstellung können für fortlau-
fende Abschnitte programmiert werden.)
Während des Programms wird sich der Wider-
stand des Ellipsentrainers automatisch ändern und
durch das zutreffende Profil am Computer ange-
zeigt. Wenn die gegenwärtige Widerstandsstufe zu
hoch oder zu niedrig ist, können Sie die Wider-
standsstufe ändern, indem Sie auf die + oder –
Tasten drucken. Wenn jedoch der gegenwärtige
Abschnitt des Programms beendet ist, wird sich
die Widerstandsstufe automatisch ändern wenn
eine andere Widerstandseinstellung für den näch-
sten Abschnitt programmiert worden ist.
Die Tempo-Ein-
stellungen für das
Programm wer-
den durch den
Graph im Display
angezeigt. (Der
linke Graphstrich
wird Ihr tatsächli-
ches Trainingstempo anzeigen.) Wenn sich der
rechte Graphstrich während des Programms
ändert, erhöhen oder verringern Sie einfach Ihr
Tempo, so dass die gleiche Strichanzahl auf bei-
den Graphen erscheinen. Falls Ihr Tempo langsa-
mer ist als die gegenwärtige Tempo-Einstellung,
wird der Erhöhungspfeil im Display erscheinen um
Sie aufzufordern Ihr Tempo zu erhöhen. Falls Ihr
Tempo schneller ist als die Tempo-Einstellung, wird
der Verringerungspfeil erscheinen. Wichtig: Die
Tempo-Einstellungen für das Programm sollen
nur als Richtlinien gelten. Ihr tatsächliches
Tempo kann langsamer als die Tempo-Einstel-
lung sein, besonders während den ersten paar
Monaten Ihres Trainingprogramms. Achten Sie
darauf, dass Sie mit einem für Sie angenehmes
Tempo trainieren.
Während des Programms wird das Display die
übrigbleibende Zeit im Programm anzeigen.
Wenn die Zeit abgelaufen ist, ist das Programm
fertig. Wenn Sie Ihr Training fortsetzen nachdem
das Programm fertig ist, wird das Display weiter-
hin Ihr Training-Feedback anzeigen.
Folgen Sie Ihren Fortschritt mit den Feedback-
Modi.
Beziehen Sie sich auf Schritt 4 auf Seite 12.
Messen Sie nach Wünsch Ihre Pulsfrequenz.
Sehen Sie Schritt 5 auf Seite 12.
Wenn Sie Ihr Training beenden, wird der Com-
puter nach einigen Minuten automatisch aus-
schalten.
Beziehen Sie sich auf Schritt 6 oben.
6
5
4
3
2
1
6
BENUTZUNG EINES COMPUTERGESTEURTES
PROGRAMM
Erhöhungspfeil

14
Jedes Herzschlag-Programm hilft Ihnen Ihren Herz-
schlag während Ihrem Workout in der Nähe einer
gewissen Prozentanzahl Ihrer maximalen Herzfre-
quenz zu halten. (Ihre maximale Pulsfrequenz wird
geschätzt, indem Ihr Alter von 220 subtrahiert wird.
Falls Sie z. B. 25 Jahre alt sind, beträgt Ihre maximale
Pulsfrequenz 195.) Das Herzschlag-Programm 5 ist
geplant um Ihre Pulsfrequenz während Sie trainieren
zwischen 65% und 85% Ihrer maximalen Herzfre-
quenz zu halten. Das Herzschlag-Programm 6 ist
geplant um Ihren Pulsfrequenz zwischen 65 % und 80
% Ihrer maximalen Pulsfrequenz zu halten.
Folgen Sie die Schritte unten, um ein Herzschlag-
Programm zu benutzen.
Schalten Sie den Computer ein.
Beziehen Sie sich auf Schritt 1 auf Seite 12.
Wählen Sie eines der zwei Herzschlag-
Programme.
Jedes Mal wenn
der Computer
eingeschaltet
wird, wird der
manuelle Modus
ausgewählt. Um
ein computerge-
steuertes Pro-
gramm auszuwählen, drücken Sie andauernd auf
die Programmtaste bis die Zahl 5 oder 6 in der
oberen rechten Ecke im Display erscheint.
Die Profile 5 und 6 auf der rechten Seite des
Computers zeigen den Widerstand und die
Tempo-Einstellungen für die Herzschlag-Program-
me. Z. B. zeigt die Profilnummer 5 an, dass sich
bei dem ausgewählten fünften Herzschlag-Pro-
gramm, der Widerstand sowie das Tempo
während der ersten Hälfte des Programms lang-
sam erhöhen wird und sich dann während der
letzten Hälfte verringern wird.
Geben Sie Ihr Alter ein.
Wenn ein Herzschlag-Programm ausgewählt wor-
den ist, muss das Wort “AGE” (ALTER) auf dem
Display erscheinen. Sie müssen Ihr Alter einge-
ben um ein Herzschlag-Programm zu benutzen.
Um Ihr Alter einzugeben, drücken Sie zuerst auf
die + oder –Taste. Die gegenwärtige Alterseinstel-
lung wird dann gezeigt. Drücken Sie zunächst
beständig auf die + oder –Taste, um Ihr Alter ein-
zugeben. Wenn Sie Ihr Alter eingegeben haben,
wird Ihr Alter gespeichert bis die Batterien ersetzt
werden müssen.
Halten Sie den Handgriff-Pulssensor.
Wenn Sie ein Herzschlag-Programm benutzen,
müssen Sie den Handgriff-Pulssensor (siehe
Schritt 5 auf Seite 12) oder den optionalen Brust-
Pulssensor (siehe Seite 20) benutzen. Wenn Sie
den Handgriff-Pulssensor benutzen ist es nicht
notwendig die Handgriffe während des Program-
mes andauernd zu halten. Sie sollten die Hand-
griffe jedoch öfters halten, damit das Programm
korrekt funktioniert. Jedes Mal wenn Sie die
Handgriffe halten, behalten Sie Ihre Hände
mindestens 30 Sekunden lang auf den Metall-
kontakten. Anmerkung: Wenn Sie die Handgriffe
nicht halten, werden die Buchstaben PLS auf dem
Display erscheinen anstatt Ihrer Pulsrequenz.
Fangen Sie mit dem Programm an.
Um mit dem Programm zu beginnen, fangen Sie
einfach an zu trainieren. Jedes Herzschlag-Pro-
gramm hat zwanzig, eine Minute lange Abschnit-
te. Eine Widerstandsstufe und eine Pulsfrequenz-
Einstellung sind für jeden Abschnitt programmiert.
(Die selbe Widerstandseinstellung und/oder Herz-
Frequenz-Einstellung können für fortlaufende Ab-
schnitte programmiert werden.)
Während des Programms wird sich der Wider-
stand des Ellipsentrainers automatisch ändern und
durch das zutreffende Profil am Computer ange-
zeigt. Wenn die gegenwärtige Widerstandsstufe zu
hoch oder zu niedrig ist, können Sie die Wider-
standsstufe ändern, indem Sie auf die + oder –
Tasten drücken. Wenn jedoch der gegenwärtige
Abschnitt des Programms beendet ist, wird sich
die Widerstandsstufe automatisch ändern wenn
eine andere Widerstandseinstellung für den näch-
sten Abschnitt programmiert worden ist.
Während Sie trai-
nieren werden
Ihnen die Gra-
phen helfen Ihre
Pulsfrequenz in
der Nähe der
Pulsfrequenz-
Einstellung des
gegenwärtigen Programmabschnitts zu halten.
Der linke Graph wird Ihr tatsächliches
Trainingstempo anzeigen. Der rechte Graph wird
das Zieltempo anzeigen. Wenn Sie den Handgriff-
Pulssensor halten (oder den optionalen Brust-
Pulssensor tragen) wird der Computer Ihre
Pulsfrequenz zur Pulsfrequenz-Einstellung im
gegenwärtigen Abschnitt vergleichen.
5
4
3
2
1
BENUTZUNG EINES HERZSCHLAG-PROGRAMMS

15
Wenn nötig, wird sich dann den rechte Graph
ändern und Sie auffordern Ihr Tempo zu erhöhen
oder verringern um Ihre Pulsfrequenz näher an
die gegenwärtige Pulsfrequenz-Einstellung zu
bringen. Wenn sich der rechte Graph ändert,
erhöhen oder verringern Sie Ihr Tempo, so dass
die gleiche Strichanzahl auf beiden Graphen
erscheinen. Wenn Ihr Tempo langsamer ist als die
gegenwärtige Tempo-Einstellung, wird der
Erhöhungspfeil im Display erscheinen. Wenn Ihr
Tempo schneller ist als die Tempo-Einstellung
wird der Verringerungspfeil erscheinen. Wichtig:
Die Tempo-Einstellungen für das Programm
sollen nur als Richtlinien gelten. Ihr tatsächli-
ches Tempo kann langsamer als die Tempo-
Einstellung sein, besonders während den
ersten paar Monaten Ihres Trainingprogramms.
Achten Sie darauf, dass Sie mit einem für Sie
angenehmes Tempo trainieren.
Während des Programms wird das Display die
übrigbleibende Zeit im Programm anzeigen. Wenn
die Zeit abgelaufen ist, ist das Programm fertig.
Wenn Sie Ihr Training fortsetzen nachdem das
Programm fertig ist, wird das Display weiterhin Ihr
Training-Feedback anzeigen.
Folgen Sie Ihren Fortschritt mit den Feedback-
Modi.
Beziehen Sie sich auf Schritt 4 auf Seite 12.
Wenn Sie Ihr Training beenden, wird der Com-
puter nach einigen Minuten automatisch aus-
schalten.
Beziehen Sie sich auf Schritt 6 auf Seite 13.
ANSCHLUSS DES LAUFGERÄTS AN IHREN CD-
PLAYER, VIDEOGERÄT, ODER COMPUTER
Um iFIT.com CDs zu benutzen, muss der Ellipsentrai-
ner an Ihren CD-Player oder Computer mit CD-Player,
tragbare Stereoanlage oder Stereoanlage angeschlos-
sen sein. Siehe Seite 15–17 für Anschlussinstruktio-
nen. Um iFIT.com Videokassetten zu benutzen,
muss der Ellipsentrainer an Ihres Videogerät ange-
schlossen sein. Siehe Seite 17. Um iFIT.com Pro-
gramme direkt von unserer Website zu benutzen,
muss das Laufgerät an Ihren Heimcomputer ange-
schlossen sein. Siehe Seite 17.
ANSCHLUSS DES TRAGBAREN CD-PLAYERS
Anmerkung: Für ein CD-Player mit separatem Out-
Linie- (LINE OUT) und Kopfhörer-Sockel (PHO-
NES), befolgen Sie die unten stehende Instruktion
A. Falls Ihr CD-Player nur einen Sockel hat, befol-
gen Sie Instruktion B.
A. Stecken Sie ein Ende des Audiokabels in den
Sockel unter dem Computer. Stecken Sie das ande-
re Ende des Audiokabels in den Out-Linie-Sockel in
Ihrem CD-Player. Stecken Sie Ihre Kopfhörer in den
Kopfhörer-Sockel.
B. Stecken Sie ein Ende des Audiokabels in den
Sockel unter dem Computer. Stecken Sie das ande-
re Ende des Audiokabels in einen Spalter. Stecken
Sie den Spalter in den Kopfhörer-Sockel an Ihrem
CD-Player. Stecken Sie Ihre Kopfhörer in die ande-
re Seite des Spalters.
7
6
LINE OUT
PHONES LINE OUT
PHONES
Audio-
kabel
Kopfhörer
A
PHONES
PHONES
Audio-
kabel Spalter
Kopfhörer
B

16
ANSCHLUSS DES TRAGBAREN STEREOS
Anmerkung: Falls Ihr Stereo ein RCA-ähnliche
Out-Audio-Sockel (AUDIO OUT) hat, befolgen Sie
unten stehende Instruktion A. Falls Ihr Stereo eine
3,5mm Out-Linie-Sockel (LINE OUT) hat, befolgen
Sie Instruktion B. Falls Ihr Stereo nur einen
Kopfhörer-Sockel (PHONES) hat, befolgen Sie
Instruktion C.
A. Stecken Sie ein Ende des Audiokabels in den
Sockel unter dem Computer. Stecken Sie das
andere Ende des Audiokabels in den Adapter.
Stecken Sie den Adapter in den Out-Audio-Sockel
an Ihrer Stereo.
B. Beziehen Sie sich auf die Zeichnung oben. Stecken
Sie ein Ende des Audiokabels in den Sockel unter
dem Computer. Stecken Sie das andere Ende des
Audiokabels in den Out-Linie-Sockel an ihrer
Stereo. Benutzen Sie nicht den Adapter.
C. Stecken Sie ein Ende des Audiokabels in den
Sockel unter dem Computer. Stecken Sie das
andere Ende des Audiokabels in einen Spalter.
Stecken Sie den Spalter in den Kopfhörer-Sockel
an Ihrem CD-Player. Stecken Sie Ihre Kopfhörer in
die andere Seite des Spalter.
ANSCHLUSS IHRER HEIMSTEREOANLAGE
Anmerkung: Falls Ihre Stereoanlage eine nicht
benutzte Out-Linie-Sockel (LINE OUT) hat, befol-
gen Sie die unten stehende Instruktion A. Falls die
Out-Linie-Sockel benutzt wird, befolgen Sie
Instruktion B.
A. Stecken Sie ein Ende des Audiokabels in den
Sockel unter dem Computer. Stecken Sie das
andere Ende des Audiokabels in den Adapter.
Stecken Sie den Adapter in den Out-Linie-Sockel
an Ihrer Stereo.
B. Stecken Sie ein Ende des Audiokabels in den Sockel
unter dem Computer. Stecken Sie das andere Ende
des Audiokabels in den Adapter. Stecken Sie den
Adapter in einen RCA Y-Adapter (in Elektronikges-
chäften erhältlich). Dann entfernen Sie den Draht, der
in der Out-Linie-Sockel an Ihrer Stereo eingesteckt
ist, und stecken Sie den Draht in die unbenutzte
Seite des Y-Adapters. Stecken Sie den Y-Adapter in
die Out-Linie-Sockel an Ihrer Stereo.
AUDIO OUT
RIGHT
LEFT
Audiokabel
Adapter
A/B
PHONES
Audio-
kabel
C
Spalter
Kopfhörer
CD
VCR
Amp
LINE OUT
LINE OUT
Audiokabel Adapter
A
CD
VCR
Amp
LINE OUT
Audio-
kabel
RCA Y-
Adapter
Draht von der Out-Linie-Sockel
(LINE OUT) entfernt
B
Adapter

17
ANSCHLUSS IHRES COMPUTERS
Anmerkung: Falls Ihr Computer einen 3,5mm Out-
Linie-Sockel (LINE OUT) hat, befolgen Sie Instruk-
tion A. Falls Ihr Computer nur einen Kopfhörer-
Sockel (PHONES) hat, befolgen Sie Instruktion B.
A. Stecken Sie ein Ende des Audiokabels in den
Sockel unter dem Computer. Stecken Sie das
andere Ende des Audiokabels in den Out-Linie-
Sockel an Ihrem Computer.
B. Stecken Sie ein Ende des Audiokabels in den
Sockel unter dem Computer. Stecken Sie das
andere Ende des Kabels in einen Spalter. Stecken
Sie den Spalter in den Kopfhörer-Sockel an Ihrem
Computer. Stecken Sie Ihre Kopfhörer oder
Lautsprecher in die andere Seite des Spalters.
ANSCHLUSS IHRES VIDEOGERÄTS
Anmerkung: Falls Ihr Videogerät eine unbenutzte
Out-Audio-Sockel (AUDIO OUT) hat, befolgen Sie
Instruktion A. Falls die Out-Audio-Sockel benutzt
wird, befolgen Sie Instruktion B. Falls Sie einen
Fernseher mit eingebautem Videogerät haben,
befolgen Sie Instruktion B. Falls Ihr Videogerät mit
Ihrer Heimstereoanlage verbunden ist, sehen Sie
ANSCHLUSS IHRER HEIMSTEREOANLAGE auf
Seite 16.
A. Stecken Sie ein Ende des Audiokabels in den
Sockel unter dem Computer. Stecken Sie das
andere Ende des Audiokabels in den Adapter.
Stecken Sie den Adapter in den Out-Audio-Sockel
an Ihrem Videogerät.
B. Stecken Sie ein Ende des Audiokabels in den
Sockel unter dem Computer. Stecken Sie das
andere Ende des Audiokabels in den Adapter.
Stecken Sie den Adapter in einen RCA Y-Adapter
(in Elektronikgeschäften erhältlich). Dann entfernen
Sie den Draht, der in der Out-Linie-Sockel an Ihrem
Videogerät eingesteckt ist, und stecken Sie den
Draht in die unbenutzte Seite des Y-Adapters.
Stecken Sie den Y-Adapter in die Out-Linie-Sockel
an Ihrem Videogerät.
LINE OUT
Audio-
kabel
A
PHONES
Audiokabel
B
Spalter
Kopfhörer/Lautsprecher
AUDIO OUT
RIGHT
LEFT
VIDEO AUDIO
ANT. IN
RF OUT
IN
OUT
CH
34
Audiokabel
Adapter
A
VIDEO AUDIO
ANT. IN
RF OUT
IN
OUT
CH
34
Audiokabel Adapter
B
Draht von der Out-Audio-Sockel
(AUDIO OUT) entfernt
RCA Y-Adapter

18
Um iFIT.com-CDs oder Videokassetten zu benutzen,
muss der Ellipsentrainer mit Ihrem tragbaren CD-
Player, tragbare Stereoanlage, Heimstereoanlage,
Computer mit CD-Player oder Videogerät verbunden
sein. Sehen Sie ANSCHLUSS DES LAUFGERÄTS
AN IHREN CD-PLAYER, VIDEOGERÄT, ODER COM-
PUTER auf Seite 15. Anmerkung: Für Information
über die Erhältlichkeit der iFIT.com-CD oder Video-
kassetten, senden Sie bitte ein E-Mail an
workouts@iFIT.com, und wir werden Sie informie-
ren so bald iFIT.com CD oder Videokassetten
erhältlich sind.
Folgen Sie die unten angeführten Schritte zur Benut-
zung eines iFIT.com-CD- oder Video-Programms.
Schalten Sie den Computer ein.
Beziehen Sie auf Schritt 1 auf Seite 12.
Wählen Sie den iFIT.com-Modus.
Jedes Mal
wenn der
Computer ein-
gestellt ist, wird
der manuelle
Modus ausge-
wählt. Um den
iFIT.com-Modus
zu wählen, drucken Sie die iFIT.com-Taste. Der
Indikator auf der Taste wird leuchten und die
Buchstaben IF werden im oberen rechten Ecke
des Displays erscheinen.
Schieben Sie die iFIT.com-CD oder
Videokassette ein.
Falls Sie eine iFIT.com-CD benutzen, wird sie in
Ihren CD-Player eingeschoben. Falls Sie eine
iFIT.com-Videokassette benutzen, wird die Video-
kassetten in Ihr Videogerät eingeschoben.
Drucken Sie auf die Spieltaste (PLAY) auf
Ihrem CD-Player oder Videogerät.
Ein Moment nachdem die Taste gedruckt worden
ist, wird Ihnen Ihr persönlicher Trainer durch Ihr
Training führen. Befolgen Sie einfach seine
Instruktionen.
Das Programm funktioniert fast auf die gleiche
Weise wie ein computergesteuertes Programm
(siehe Stufe 3 auf Seite 13). Es wird Sie jedoch
ein elektronischer “Gezwitscherton” darauf auf-
merksam machen wenn sich der Widerstand
und/oder die Tempo-Einstellung verändern wird.
Anmerkung: Wenn sich der Widerstand des
Ellipsentrainers und/oder die Tempo-Einstel-
lung nicht ändert wenn das “Gezwitscher” zu
hören ist, dann:
• Achten Sie darauf, dass der Indikator auf der
iFIT.com-Taste leuchtet.
• Passen Sie die Lautstärke Ihres CD-Players
oder Videogeräts an. Wenn die Lautstärke zu
hoch oder niedrig ist, kann der Computer die
Programmsignale eventuell nicht feststellen.
• Achten Sie darauf, dass das Audiokabel kor-
rekt verbunden ist und, dass es ganz einge-
steckt ist.
Folgen Sie Ihren Fortschritt mit den Feedback-
Modi.
Beziehen Sie sich auf Schritt 4 auf Seite 12.
Messen Sie nach Wünsch Ihre Pulsfrequenz.
Beziehen Sie sich auf Schritt 5 auf Seite 12.
Wenn Sie Ihr Training beenden, wird der Com-
puter nach einigen Minuten automatisch aus-
schalten.
Beziehen Sie sich auf Schritt 6 auf Seite 13.
7
6
5
4
3
2
1
BENUTZUNG DER iFIT.COM-CD- UND VIDEO-
PROGRAMMEN

19
BENUTZUNG DER PROGRAMME DIREKT VON
UNSERER WEBSITE
Unsere Website www.iFIT.com ermöglicht Ihnen
immer iFit.com-Audio- und Video-Programme direkt
vom Internet abzuspielen. Um die Programme von
unserer Website zu benutzen, muss der Ellipsentrai-
ner mit Ihrem Heimcomputer verbunden sein. Siehe
ANSCHLUSS IHRES COMPUTERS auf Seite 17.
Zusätzlich brauchen Sie eine Verbindung zur Internet
und ein Konto mit einem Internet-Servicezusteller.
Eine zusätzliche Liste mit Systemen- und Software-
Bedingungen finden Sie auf unserer Website.
Folgen Sie die unten angeführten Schritte zur Benutz-
ung eines von unserem Website direkt-erhältlichen
Programms.
Schalten Sie den Computer ein.
Beziehen Sie sich auf Schritt 1 auf Seite 12.
Wählen Sie den iFIT.com-Modus.
Jedes Mal
wenn der
Computer ein-
gestellt ist, wird
der manuelle
Modus ausge-
wählt. Um den
iFIT.com-
Modus auszuwählen, drucken Sie die iFIT.com-
Taste. Der Indikator auf der Taste wird leuchten
und die Buchstaben IF werden im oberen rechten
Ecke des Displays erscheinen.
Beginnen Sie eine Internet-Verbindung mit
Ihrem Computer.
Wenn erförderlich, beginnen Sie mit dem Web
Browser und gehen Sie zu unserer Website
www.iFIT.com.
Folgen Sie den gewünschten Schritten auf un-
serer Website um ein Programm auszusuchen.
Lesen und befolgen Sie die On-Line-Instruktionen
zur Benutzung eines Programms.
Befolgen Sie die On-Line-Instruktionen um mit
dem Programm zu beginnen.
Wenn Sie mit dem Programm anfangen, wird am
Bildschirm ein Countdown beginnen.
Gehen Sie zum Ellipsentrainer zurück und fan-
gen Sie an zu trainieren.
Wenn der Countdown am Bildschirm endet, wird
das Programm beginnen. Das Programm wird
fast auf die gleiche Weise funktionieren wie das
computergesteuerte Programm (beziehen Sie
sich auf Stufe 3 auf Seite 13). Jedoch wird Sie
ein elektronischer “Gezwitscherton” darauf auf-
merksam machen wenn sich der Widerstand
und/oder die Tempo-Einstellung verändern wird.
Folgen Sie Ihren Fortschritt mit den Feedback-
Modi.
Beziehen Sie sich auf Schritt 4 auf Seite 12.
Messen Sie nach Wünsch Ihre Pulsfrequenz.
Beziehen Sie sich auf Schritt 5 auf Seite 12.
Wenn Sie Ihr Training beenden, wird der Com-
puter nach einigen Minuten automatisch aus-
schalten.
Beziehen Sie sich auf Schritt 6 auf Seite 13.
10
9
8
7
6
5
4
3
2
1

20
Überprüfen Sie alle Einzelteile und ziehen Sie die Teile
regelmäßig nach. Abgenutzte Teile müssen sofort aus-
getauscht werden.
Um den Ellipsentrainer zu putzen, verwenden Sie ein
feuchtes Tuch und eine kleine Menge milde Seife.
Wichtig: Um Schaden am Computer zu vermeiden,
halten Sie Flüssigkeiten und direktes Sonnenlicht
vom Computer fern.
DIE BATTERIEN ERSÄTZEN
Wenn das Computer-Display trübe wird, sollten die
Batterien ersetzt werden. Die meisten Computer-
Probleme sind auf niedere Batterien zurück zu führen.
Beziehen Sie sich auf Schritt 5 auf Seite 7 zwecks
Ersatz-Instruktionen. Der Computer benötigt vier 1,5V
(D) Batterien.
DEN ELLIPSENTRAINER AUSGLEICHEN
Nachdem der
Ellipsentrainer
an einem andern
Ort, wo er
benutzt wird,
aufgestellt ach-
ten Sie darauf,
dass die Ende
beider Stabilisa-
toren den Boden
berühren. Wenn
das elliptische Trainingsgerät während Gebrauch
leicht rüttelt, drehen Sie eines oder beide der
Ausgleichungsfüße unter dem vorderen Stabilisator
bis das Rütteln aufhört.
HANDGRIFF-PULSSENSOR FEHLERSUCHEN
• Versuchen Sie Ihre Hände nicht zu bewegen währ-
end Sie den Handgriff-Pulssensor benutzen. Über-
mäßige Bewegung kann die Lesung der Pulsfre-
quenz beeinträchtigen.
• Drucken Sie die Metallekontakte nicht zu fest; wenn
Sie zu fest drücken, kann die Pulslesung beein-
trächtigt werden.
• Um die beste Lesung zu bekommen, warten Sie
ungefähr 15 Sekunden.
• Für optimale Leistung des Handgriff-Pulssensor,
müssen die Metallekontakte sauber gehalten wer-
den. Die Kontakte können mit einem weichen Tuch
geputzt werden. Benutzen Sie keinen Alkohol, keine
Schleifmittel, oder Chemikalien.
DER ELLIPSENTRAINER TRANSPORTIEREN
Stellen Sie sich
vor den Ellipsen-
trainer, halten
Sie die Halte-
stangen fest und
kippen Sie den
Ellipsentrainer
bis er sich auf
den Vorderräd-
ern bewegt.
Schieben Sie
den Ellipsentrainer vorsichtig zum gewünschten Ort
und lassen Sie ihn dann herunter. Wegen der Größe
und des Gewichts des Ellipsentrainers, sollten Sie
äußerst vorsichtig sein, wenn Sie ihn umstellen.
WARTUNG UND FEHLERSUCHE
Rad
Ausgleichungsfuß
OPTIONALER BRUSTPULSSENSOR
Ein optionaler Brustpulssensor bietet eine Hände-freie
Inbetriebnahme und messt fortlaufend Ihren Herzfre-
quenz während Sie trainieren. Zum Ankauf des
optionalen Brust-Pulssensors, rufen Sie uns ein-
fach an: 01805 231 244.

21
TRAININGSRICHTLINIEN
Die folgenden Richtlinien werden Ihnen bei der Ausar-
beitung eines persönlichen Trainingsprogrammes
behilflich sein. Denken Sie daran, dass gute Ernähr-
ung und angemessene Pausen wesentlich zum Erfolg
beitragen.
ÜBUNGSINTENSITÄT
Egal, ob Sie abnehmen oder Ihr Herz-Kreislaufsystem
stärken wollen, ist der Schlüssel zum Erfolg die richti-
ge Übungsintensität. Der Indikator für die richtige
Übungsintensität ist die Pulsfrequenz. Die folgende
Tabelle zeigt die empfohlene Pulsfrequenz zum Kal-
orienverbrauch und maximalem Fettabbau sowie für
Herz-Kreislauf- (Aerob-) Training.
Um Ihre richtige Pulsfrequenz zu bestimmen, müssen
Sie oben im Diagramm Ihr Alter finden. (Die Alters-
angaben sind auf die nächsten zehn Jahre abgerun-
det.) Die drei Zahlen unter Ihrer Altersangabe zeigen
Ihren persönlichen Trainingsbereich. Die zwei niedri-
gere Zahlen sind die empfohlene Pulsfrequenzen zum
Kalorienverbrauch; die höchste Zahl ist die empfohle-
ne Pulsfrequenz zum aeroben Training.
Fettabbau
Um Fette wirkungsvoll abzubauen, müssen Sie mit rela-
tiv niedriger Intensität über einen längeren Zeitraum hin-
weg trainieren. Während der ersten paar Minuten des
Trainings baut der Körper leicht zugängliche Kohlenhy-
drat-Kalorien zur Energiegewinnung ab und fängt erst
dann an, gespeicherte Fett-Kalorien abzubauen. Wenn
es Ihr Ziel ist, abzunehmen, dann steigern Sie die Inten-
sität Ihres Trainings bis Ihr Puls die niedrigste Zahl in
Ihrem Trainingsbereich erreicht hat.
Zum maximalen Fettabbau müssen Sie die Intensität
des Trainings so weit steigern, bis Ihr Puls bei der
mittleren Zahl Ihres Trainingsbereiches liegt.
Aerob-Übung
Wenn es Ihr Ziel ist, Ihr Herz-Kreislaufsystem zu stär-
ken, dann empfehlen wir Aerob-Übung. Aerob-Übung
ist eine Aktivität, die grössere Mengen an Sauerstoff
über einen längeren Zeitraum hinweg benötigt. Das
wiederum regt das Herz an, vermehrt Blut in die Mus-
keln zu pumpen und die Lunge, das Blut mit mehr
Sauerstoff zu versorgen. Für Aerob-Übung müssen
Sie die Intensität Ihrer Übungen so weit steigern, bis
Ihr Puls bei der höchsten Zahl Ihres Trainingsberei-
ches liegt.
TRAININGS-RICHTLINIEN
Jedes Training sollte folgendes beinhalten:
Ein Warm-Up, das aus 5 bis 10 Minuten Dehnen und
leichter Übungen besteht. Ein richtiges Warm-Up
erhöht die Körpertemperatur, steigert die Pulsfrequenz
und den Kreislauf und bereitet somit den Körper für
das Training vor.
Übungen innerhalb Ihres Trainingsbereiches, die
aus 20 bis 30 Minuten Übungen, bei dem Ihr Puls-
schlag innerhalb Ihres Trainingsbereiches liegt.
(Während der ersten Wochen sollte dieses Training
20 Minuten nicht überschreiten.)
Eine Abkühlung, die aus 5 bis 10 Minuten Dehnen
besteht. Das steigert die Flexibilität der Muskeln und
wirkt eventuellen Problemen nach dem Training ent-
gegen.
ÜBUNGSHÄUFIGKEIT
Zur Verbesserung oder Erhaltung Ihrer Kondition soll-
ten Sie dreimal pro Woche trainieren und mindestens
einen Tag Pause dazwischen einlegen. Nach einigen
Monaten regelmässigen Trainings können Sie nach
Wunsch bis zu fünf mal pro Woche trainieren. Denken
Sie daran, dass Sie nur dann Ihr Ziel erreichen, wenn
Sie Ihr Training regelmässig und positiv angehen.
WARNUNG:
Bevor Sie mit diesem oder einem anderen
Trainingsprogramm beginnen, sollten Sie
Ihren Arzt konsultieren. Dies gilt besonders
für all diejenigen, die über 35 Jahre sind oder
schon gesundheitliche Probleme haben oder
gehabt haben.
Der Pulssensor ist kein medizinisches Instru-
ment. Verschiedene Faktoren können die
Pulsschlagwerte verändern. Der Pulssensor
soll Ihnen nur als Trainingshilfe dienen,
indem er Ihnen den durchschnittlichen Herz-
schlag angibt.

22
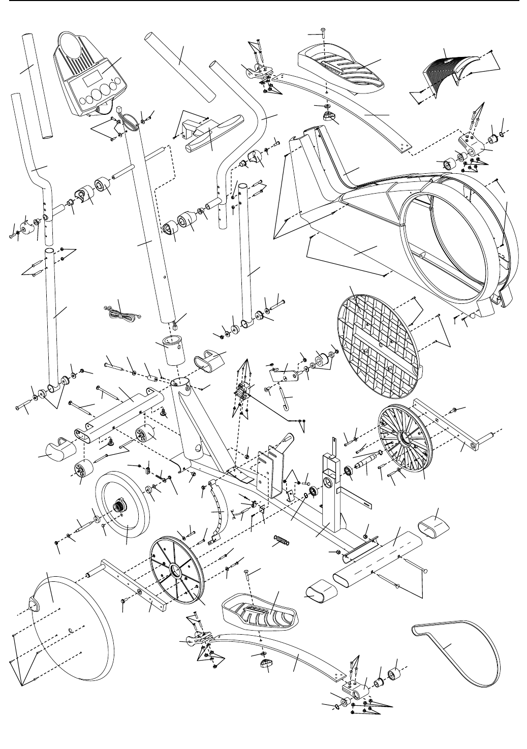
Anmerkung: # weißt auf ein nicht-abgebildetes Teil hin. Veränderungen zu den Angaben sind dem Hersteller,
ohne Benachrichtigung, vorbehalten.
1 1 Rahmen
2 1 Pfosten
3 1 Vorderer Stabilisator
4 1 Hinterer Stabilisator
5 1 Computer
6 1 Linker Seitenschutz
7 1 Rechter Seitenschutz
8 2 Abdeckungsscheibe
9 1 Linke Haltestange
10 1 Rechte Haltestange
11 2 Schaumstoffgriff
12 1 Rechtes Pedal
13 1 Linkes Pedal
14 2 Flex-Stange
15 2 Einstell-Knopf
16 1 Linke Flex-Klammer
17 2 Vordere Flex-Klammer
18 4 Hintere Flex-Buchse
19 12 M6 x 33.5mm Bolzen
20 2 Einstell-Bolzen
21 4 Klemmring
22 2 M8 x 19mm knopfförmige Schraube
23 2 Haltestange-Kappe
24 4 Haltestange-Buchse
25 2 Haltestange-Abstandsstück
26 2 Pfosten-Abstandsstück
27 2 M10 x 78mm knopfförmiger Bolzen
28 4 Vordere Flex-Buchse
29 8 M10 Nylon-Verschlussmutter
30 1 Pfosten-Buchse
31 1 Linke vordere Endkappe
32 2 Rad
33 2 M6 x 72mm Radbolzen
34 4 M10 x 112mm Einsteckbolzen
35 2 Hintere Stabilisator-Endkappe
36 2 Kurbelarm
37 2 Rolle
38 6 M10 Unterlegscheibe
39 1 Kurbel
40 2 Kurbellager
41 1 Schwungrad
42 2 Schwungrad-Lager
43 1 Magnet
44 1 Schwungrad-Achse
45 6 M8.5mm Unterlegscheibe
46 8 M8 Nylon-Verschlussmutter
47 2 Kurbelschraube
48 1 Leerlauf-Arm
49 1 J-förmiger Bolzen
50 1 M10 x 25mm flache Schraube
51 2 Leerlauf-Lager
52 1 Leerlauf-Rad
53 3 M10.3 schwarze Unterlegscheibe
54 1 C-förmige Magnet
55 1 Motor
56 1 Riemen
57 4 M8 x 33mm knopfförmige Schraube
58 4 M8 x 22mm knopfförmige Schraube
59 1 M6 x 38mm Stopp-Bolzen
60 3 M6 Mutter
61 4 M5 Nylon-Verschlussmutter
62 4 M5 x 12mm Bolzen
63 1 M10 x 88mm knopfförmiger
Bolzen
64 2 M4 x 6mm Schraube
65 8 M5 x 33mm Schraube
66 11 M4 x 16mm Schraube
67 4 M4 x 25mm Schraube
68 1 Rechte vordere Endkappe
69 1 Membranenschalter-Klemme
70 4 M10 gespaltene Unterlegscheibe
71 3 M10 x 27mm Schraube
72 2 Ausgleichungsfuß
73 1 M5 x 16mm Schraube
74 1 U-förmige Klammer
75 1 M6 Ösenbolzen
76 1 Feder
77 1 Membranenschalter
78 1 Membranenschalter-Klammer
79 2 Haltestange-Bein
80 1 Seitenschutz-Abdeckung
81 1 Handgriff-Pulssensor
82 1 Rechte Flex-Klammer
83 1 Rahmen-Abstandsstück
84 4 M4 x 12mm selbstschneidende
Schraube
85 2 M5 Mutter
86 1 Oberer Drahthalter
87 1 Niederer Drahthalter
88 2 Flex-Klammer Unterlegscheibe
89 12 M6 Nylon-Verschlussmutter
90 12 M6 Unterlegscheibe
91 4 M8 x 45mm Bolzen
# 1 Batteriendeckel
# 1 Inbussschlüssel
# 1 Schmiermittel
# 1 Spalter
# 1 Audiokabel
# 1 Adapter
# 1 Bedienungsanleitung
Nr. Zahl Beschreibung Nr. Zahl Beschreibung
TEILELISTE—Modell-Nr. PFEVEL39012 R0202A

DETAILZEICHNUNG—Modell-Nr. PFEVEL39012 R0202A
23
1
2
3
4
5
6
7
8
8
9
10
11
11
12
13
14
14
15
15
82
16
17
17
18 21
18
19
19 20
18
18
19
21
20
19
22
23
24
24
25
26
2223
24
24 25 26
27
28
28
29
27 28
29
30
31
68
32
32
33
34
35
35 34
29
29
29
29
36
36 37
37
21
39
40
40
21
41
42
42
43
44
45
46
45 46
47
47
48
49
50
51
52 29
46
46
54
55
56
57
57
45
45
59
60
5745
57 45
61
61
62
63
64
64
65
65
65
66
67
66
85
53
38
38
38
38 70
66
67
75
74
60
78
69
66
7773
58
58
58
58
76
72
72
71 70
70 71
81
80
84
84
66
83
86
87
29
38
38
53
53
89
90
90
89
8990
90 89
91
46
91
46
46
88
88
79
79

Teile-Nr. 181267 R0202A In China gedrückt © 2002 AICON Health & Fitness, Ltd.
BESTELLUNG VON ERSATZTEILEN
Unter der nachfolgenden Adresse und Telefonnummer können Sie Ersatzteile bestellen:
AICON Health & Fitness, GmbH
Kalscheurener Staße 172
D-50354 Hürth
Fax: 01805 231 243
Telefonanrufe außerhalb Deutschlands: +49 2233 613 250
Fax: +49-2233 613 255
Wenn Sie eine Ersatzteilbestellung vornehmen wollen, benötigen wir die folgenden Angaben:
• die Modell-Nummer des Produktes (PFEVEL39012)
• den Namen des Produktes (PROFORM®700 Ellipsentrainer)
• die Serien-Nummer (finden Sie auf der Vorderseite dieser Bedienungsanleitung)
• die Bestell-Nummer und Beschreibung des Ersatzteiles (siehe DETAILZEICHNUNG und TEILELISTE auf die
Seiten 22 und 23).
01805 231 244